Toro 53770 WRS User Manual To The 2a07a0be 6664 4af7 8e80 6df4b4744988

User Manual: Toro 53770 to the manual

Open the PDF directly: View PDF PDF.
Page Count: 12

Introduction
The Toro Wireless RainSensor connects to your irrigation system controller/timer to
suspend automatic watering operation in the event of rain. Designed for ease of
installation, your sensor-controlled irrigation system will be up and running in minutes.
Before attempting the installation, please read through these instructions in their
entirety, and refer the installation instructions for your irrigation system controller/timer
in regards to connecting a rain sensor or rain switch. The Wireless RainSensor is
designed to work with either Normally Open or Normally Closed sensor circuits.
Important: Please note the following information regarding installation and use
of the Wireless RainSensor components:
The RainSensor Receiver is designed to operate with 24 V ac power only.
Connecting the Receiver wiring to 120/240 V ac power may result in severe
equipment damage.
Installation methods must comply with all applicable national and local building
codes. If you are unsure about proper wiring practices, have a qualified contrac-
tor perform the installation for you.
The Receiver cover should always be used when the Receiver is installed out-
doors.
The Sensor/Transmitter should never be submerged in water or installed inside a
rain gutter.
Contents Page
Component Overview . . . . . . . . . . . . . . . .2
Quick Start Installation Instructions . . . . . .3
Detailed Installation Instructions . . . . . . . .4
• Mounting the Receiver . . . . . . . . . . . . .4
• Receiver Control Wire Connection . . .4-5
• Receiver Power Wire Connection . . . . .6
• Initial Receiver Testing . . . . . . . . . . . . .7
• Rainfall Adjustment . . . . . . . . . . . . . . .7
• Sensor/Transmitter Installation . . . . . .7
• Testing Signal Strength . . . . . . . . . . . .7
• Testing Control System Operation . . . .7
• Installing the Sensor/Transmitter . . . . .8
Wireless RainSensor Operation . . . . . . . .9
• Normal Operation . . . . . . . . . . . . . . . . .9
• Smart Bypass . . . . . . . . . . . . . . . . . . .9
• Power Down . . . . . . . . . . . . . . . . . . . .9
• Receiver Learn Mode . . . . . . . . . . . . . .9
Attention Required . . . . . . . . . . . . . . . .9
Battery Replacement . . . . . . . . . . . . . . .10
Changing Sensor/Transmitter Code . . . .10
Troubleshooting . . . . . . . . . . . . . . . . .10-11
Electromagnetic Compatibility . . . . . . . . .11
Specifications . . . . . . . . . . . . . . . . . . . . .12
Warranty . . . . . . . . . . . . . . . . . . . . . . . .12
Receiver
Sensor/Transmitter
Wireless RainSensor
Model 53770
User’s Guide
Component Overview
Receiver (Figure 1)
1 - Weather-resistant Cover:
Slides upward to remove. Protects
the Receiver module when located
outdoors. Keep the cover installed
at all times other than when manu-
ally operating the Receiver.
2 - Antenna wire:
Straighten the antenna wire verti-
cally for the best reception.
3 - Sensor Status Indicator:
Steady light - Sensor is active.
Blinking light - The RainSensor
Receiver has been bypassed for one
rain cycle (Smart Bypass button
pressed).
4 - Signal Indicator: Indicates the
quality of last received signal.
Steady light - good signal.
Blinking light - fair signal.
No light - poor signal (relocate the
Sensor/Transmitter).
5 - Smart BypassTM Button:
Press to temporarily override the
sensor when active. Sensor opera-
tion will reset automatically. To man-
ually exit the bypass mode, press
button again.
6 - Power Indicator:
Steady light - 24 V ac power is
connected.
Blinking light - Sensor/Transmitter
battery power low, or other commu-
nication problem.
No light - Unit is off or is discon-
nected from 24 V ac.
7 - Multi-wire Cable - 20" color-coded wires provided for controller connections.
Sensor/Transmitter (Figure 2)
1- Test Spindle - Press down and hold to manually test Sensor/Transmitter operation.
2- Rainfall Adjustment Cap - Adjusts the Sensor/Transmitter to signal the Receiver
when the accumulated rainfall reaches 1/8", 1/4", 1/2", 3/4" or 1".
3- Universal Mounting Bracket with Quick-ClipTM - Simplifies installation on rain gutter,
side of roof, shed, fence, etc. Enables the Sensor/Transmitter to be mounted on an
angled surface then easily adjusted to the vertical position.
4- Antenna Wire - Straighten downward for maximum range.
2
13
4
5
6
7
2
1
2
3
4
Figure 1
Figure 2
Quick Start Installation Instructions
The following instructions are provided for the experienced installer. If you are
installing a Toro Wireless Rainsensor for the first time, use the Detailed Installation
Instructions starting on page 4.
1. Disconnect power to the irrigation system controller.
2. Always mount the Receiver FIRST, adjacent to the controller with either the provided
stainless steel screws or double-sided foam tape.
3. Refer to Figure 3. Attach White and Brown (or Yellow*) control wires to the con-
trollers Sensor terminals in any order OR, to break the valve common:
a. Disconnect valve common wire and common pump/master valve wire (if present).
b. Attach White wire to common wire(s) with a wire connector.
c. Attach Brown wire to common terminal on controller (Yellow wire is not used in
this connection).
4. Connect the Red wires to the controllers 24 V ac power source terminals.
5. Straighten the Receiver antenna wire upward and the Sensor/Transmitter antenna
wire downward.
6. While holding the Sensor/Transmitter at close range to the Receiver, press and
hold the Test Spindle to test the wiring. The Power, Signal and Sensor Status indi-
cators should be ON.
7. Adjust the Rainfall Adjustment Cap to the desired rainfall activation amount.
8. Mount the Sensor/Transmitter in an unobstructed location away from sprinklers.
See Figures 4 and 5.
Important: Reconfirm proper operation of the Wireless RainSensor at the
final mounting location.
3
Red To 24 V ac
To 24 V ac
To Sensor Terminal or to Break Valve Common
To Sensor Terminal (Normally Closed)
or to Break Valve Common
To Sensor Terminal (Normally Open)
(For Normally Open sensor, see Detailed Instructions)
Red
White
Brown
Yellow*
Figure 3
Extend Antenna
straight down
Rain gutter (cross section view)
Do not over-tighten
thumbscrew
Press and hold
down to test
Figure 4
Extended Antenna
straight down Stainless
Steel
Screws
Figure 5
Detailed Installation Instructions
There are two main components of the Wireless RainSensor: the Receiver and
the Sensor/Transmitter. The Receiver is installed adjacent to the irrigation system
controller. The Sensor/Transmitter is installed outdoors where it is exposed to
unobstructed rainfall.
Mounting the Receiver
1. Mount the Receiver FIRST, adjacent to the controller with either the provided stain-
less steel screws or double-sided foam tape. The connection wire cable is 20"
long, so before attaching the Receiver, make sure the wires will easily reach the
controllers connection terminals.
Wiring the Receiver
There are two parts involved in wiring the Receiver:
Part 1: Attach the Receiver control wires.
Part 2: Attach the low-voltage power wires to supply 24 V ac to the Receiver.
Part 1 - Control Wire Connection
The Receiver control wires are used to interrupt the common wire of the valves or they
can be connected directly to the sensor input terminals of the controller (if provided).
1. Disconnect power to the controller.
2. Follow applicable wiring procedure A or B or C.
Note: The following diagrams are representations only and do not depict actual con-
troller layouts. Refer to the installation instructions provided with your controller for
specific wire connection information.
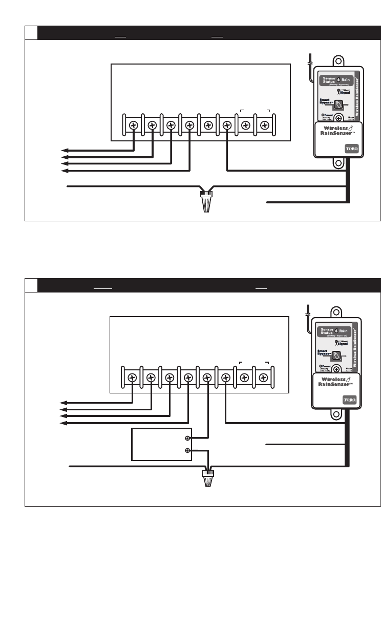
Locate the controller sensor terminals (generally marked SENSOR, SEN or S)
and directly connect the White and Brown* wires to these terminals in any order.
There may be a jumper wire or tab connecting the terminals that must be removed
and/or a sensor control or bypass switch that must be activated.
4
SENSOR
COM
PUMP/
MV 24 VAC
21 34
Brown*
Common Wire From Valves
To Valves
Irrigation System Controller
White
Yellow*
*Note: Use the Yellow wire in place of the Brown wire if the controller requires a
Normally Open sensor. For example, the Toro ECxTM and GreenKeeper®controllers.
Controllers with sensor inputs , with or without pump start /master valve:
A
Remove the valve common wire from the valve common terminal (generally marked
C, COM, or VC). Join this wire to the White wire using a wire connector. Attach
the Brown wire to the valve common terminal.
Note: The yellow wire is not used in this application.
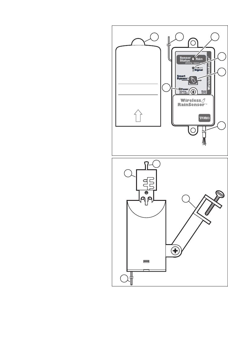
Remove all common control wires from the valve common terminal(s) of the controller
(generally marked C, COM, or VC). Join these wires to the White wire using a wire
connector. (Be sure to include the common wire from the pump start relay or master
valve in this connection). Attach the Brown wire to the valve common terminal.
Note: The yellow wire is not used in this application.
5
COM
PUMP/
MV 24 VAC
21 34
Common Wire From Valves
To Valves
White
Wire Connector
Irrigation System Controller
Brown
Yellow- Not Used
COM
PUMP/
MV 24 VAC
21 34
Common Wire From Valves
To Valves
White
Wire Connector
Pump Start
Relay/Master
Valve
Irrigation System Controller
Brown
Yellow - Not Used
Controllers with no sensor inputs and no pump start or master valve:
B
Controllers with pump start or master valve and no sensor inputs:
C
Part 2 - Power Wire Connection
Note: The Receiver requires 24 V ac to operate. It should only be connected to an
irrigation controller that uses a 24 V ac UL listed Class 2 transformer to supply power.
Caution: Do not connect the Receiver directly to 120/240 V ac power as
this may result in irreversible damage. If you are in doubt, contact a quali-
fied installer or electrician.
1. Disconnect power to the controller.
2. Follow applicable wiring procedure A or B.
Terminals for 24 V ac power are present on the majority of controllers. Typical mark-
ings are 24 VAC, 24 and 24, 0 and 24 and Hot Post and 24. Verify correct volt-
age, then simply attach the two Red power wires to these terminals leaving existing
connections in place.
On controllers with no 24 V ac terminals, connect the two Red power wires to the
transformers secondary 24 V ac power wires where they attach to the controllers
circuit board.
Note: This procedure will require a solder or wire-splice connection. If you are unsure
how to do this correctly, contact a qualified contractor or electrician for assistance.
6
SENSOR
COM
PUMP/
MV 24 VAC
21 34
COM
PUMP/
MV
21 34
Controllers with 24 V ac connection terminals.
Controllers with no 24 V ac connection terminals.
A
B
Irrigation System Controller
Irrigation System Controller
Red
Red
Red
Red
24 V ac UL listed Class 2 Transformer
Initial Receiver Testing
Reconnect power to the controller and verify the Receivers Power Indicator is illumi-
nated. Hold the Sensor/Transmitter at close range to the Receiver, then lightly press
and hold the Test Spindle. The Sensor Status Indicator should illuminate and remain
on until the Test Spindle is released. The Signal Indicator should also illuminate during
the test to verify good signal strength. If either indicator does not illuminate, recheck
your wiring. Verify that both antennas are fully extended and straight.
Rainfall Adjustment (Figure 6)
Prior to installing the Sensor/Transmitter,
check the current setting on the Rainfall
Adjustment Cap. The RainSensor can be
adjusted to detect average rainfall amounts
of 1/8", 1/4", 1/2", 3/4" or 1" before sus-
pending watering.
To adjust, turn the cap from the current set-
ting and engage the stationary pins with the
desired slot position. Be sure to align the
slot and pin properly as this adjustment
does not require excessive force.
Note: Avoid using the 1/8" setting in high-humidity conditions.
Sensor/Transmitter Installation
Select an installation site for the Sensor/Transmitter as close to the Receiver as possi-
ble to avoid interference of the wireless signal. The Sensor/Transmitter must be
installed where it has unobstructed exposure to rainfall and the sunlight conditions are
similar to those of the landscape being watered. Make sure the RainSensor will not be
in contact with spray from the sprinklers or runoff from the roof.
Testing Signal Strength at the Installation Site
Before installing the Sensor/Transmitter, test the signal strength again from the select-
ed installation site. The Receivers Signal Indicator verifies the strength of the last
valid received signal. To clear the Signal Indicator from the previous test, simply press
the Smart Bypass button once, then once again to exit the bypass mode.
Test the Sensor/Transmitter as described in Initial Receiver Testing above. A steady
Signal light indicates a good signal. A flashing indicator light indicates a fair signal. If
the indicator does not illuminate, the Sensor/Transmitter is not providing a valid signal
for operation. Refer to Solving Reception Problems on page 10 before continuing.
Testing Control System Operation
To test the Wireless RainSensor operation with the irrigation system controller, acti-
vate a watering zone which is visible from the Sensor/Transmitter location.
Note: The manual activation cycle of some controllers bypasses the sensor inputs. If
the Receiver is connected to the controllers sensor inputs, you will need to run an
automatic/timed watering program for these types of controllers.
With the sprinklers on, manually activate the Sensor/Transmitter by pressing and hold-
ing the Test Spindle. The sprinklers should shut off within a short time. If they do not
shut off, recheck the Receiver wiring connections at the controller. If the controller has
a sensor control or bypass switch, make sure the switch is set to the position that will
enable the sensor circuit to be active.
7
Figure 6
1/4"
1/2"
1"
3/4"
1/8"
Installation Procedure
The Sensor/Transmitter should be mounted vertically with the antenna wire extending
straight down. Avoid installations where the antenna wire would contact any metal
object.
A rain gutter is an ideal location for the Sensor/Transmitter. Simply position the bracket
with the thumbscrew under the gutter lip and tighten to secure (do not over-tighten).
See Figure 7.
The Sensor/Transmitter can also be mounted on any suitable solid structure such as
the side of the roof, a shed or fence using the two supplied stainless steel screws.
See Figure 8.
Once securely fastened, adjust the Sensor/Transmitter on the mounting bracket as
needed to align the Sensor/Transmitter housing vertically.
8
Figure 8
Figure 7
Antenna wire extended
straight down Stainless
Steel
Screws
Antenna wire
extended
straight down
Rain gutter
(cross section view)
Thumbscrew
RainSensor Operation
Normal Operation
When the RainSensor activates due to sufficient rainfall, the Sensor Status Indicator
will remain illuminated on the Receiver and the sprinkler system will remain inactive
until the moisture-absorbent discs inside the Sensor/Transmitter have dried out. The
rate at which the discs dry out will vary dependent on ambient conditions such as
temperature, sun exposure, humidity and windthe same conditions your soil experi-
ences. This allows the Wireless RainSensor to reset when watering is needed again,
enabling the sprinkler system to resume normal operation.
Smart Bypass
Your Wireless RainSensor can be temporarily deactivated by using the built-in Smart
Bypass button. Simply press this button once to bypass current RainSensor control.
The Sensor Status light will blink until the next time the Sensor/Transmitter dries out
and automatically resets. Pressing the Smart Bypass button again resumes the
RainSensor control. Pressing the Smart Bypass button while the RainSensor control is
not active (dry) will cause the Receiver to ignore the next Sensor/Transmitter signal.
Power Down
To turn the Receiver OFF entirely, press and hold the Smart Bypass button until the
Sensor Status Indicator begins blinking rapidly (57 seconds). Release the Smart
Bypass button and confirm the Power Indicator goes out and flashes periodically.
Simply press the Smart Bypass button once to turn the Receiver back on.
Receiver Learn Mode
If it becomes necessary to set the Receivers address code to that of a new
Sensor/Transmitter, press and hold the Smart Bypass button until the Status and
Signal indicators blink in unison (10+ seconds). Activate the corresponding
Sensor/Transmitter at close range (by pressing down on the Test Spindle) to change
the existing Receiver code to that of the new Sensor/Transmitter. The indicators will
stop blinking upon learning the new code. Pressing the Smart Bypass button again
will exit the learn mode if no valid code is received.
Attention Required
When the Power Indicator blinks, it indicates that either of the following conditions
exists:
The Sensor/Transmitters battery is getting low and should be replaced when con-
venient. The Wireless RainSensor will function properly for some time after this indi-
cator is present. Refer to Sensor/Transmitter Battery Replacement on page 10.
If the batteries are good, a problem with communication is indicated. Relocating the
Sensor/Transmitter may be necessary to provide a better signal. Refer to Solving
Reception Problems on page 10.
9
Sensor/Transmitter Battery Replacement
1. Remove the bottom housing cover of the
Sensor/Transmitter by gently pressing in and
down on the lower opposing tabs using a small
flat-blade screwdriver, then carefully slide the
circuit board out. See Figure 9.
2. Remove the battery cover and batteries.
Replace using two 3V CR2032 (or equivalent)
batteries. Install with positive (+) side of the
batteries facing up.
Note: Properly dispose of used batteries per
the battery manufacturers recommendations.
3. Reassemble the unit in reverse order.
Changing the Sensor/Transmitter Code
The transmission code of Wireless RainSensor
system is identified by stickers located on the
Sensor/Transmitter and Receiver. Although, in
most cases, even if two identical units are
installed, unwanted activations would only occur if
the two Sensor/Transmitters were set for different
rainfall amounts. However, the code may be man-
ually changed as follows:
1. Remove the bottom cover of the
Sensor/Transmitter by gently pressing in and
down on the the lower opposing tabs using a
small flat-blade screwdriver, then carefully slide
the circuit board out. See Figure 9.
2. Identify the code wire loops (small black wire
and white wire loops) and cut one or both loops using end-cutting pliers.
3. Reassemble the Sensor/Transmitter and follow the procedures provided in
Receiver Learn Mode on page 9.
Troubleshooting
Signal Indicator (Installation ValidationTM)
The Signal Indicator provides instant signal strength feedback for the installer. The
indicator always shows the strength of the last signal received. In order to clear this
signal, simply press the Smart Bypass button once; pressing the button again will exit
the bypass mode.
Solving Reception Problems
The Wireless RainSensor operates under Part 15 of the FCC rules. This means that it
has to comply with certain standards and is only allowed to transmit up to a certain power
level. In rating transmitters of any form, typically a line-of-site value is used in order to
show the relative effectiveness of a transmitter and allow a transmitter and receiver to be
compared to one another using a fair method. The Wireless RainSensor operates up to
300' line-of-site. This means that in an open field, with no obstructions, the
Sensor/Transmitter and Receiver pair will successfully communicate up to 300' apart.
However, in almost all installations, there are obstacles between the Sensor/Transmitter
and Receiver such as walls, floors, etc.
10
Battery
Cover
CR2032
Batteries
Transmitter
Code Wire
Loops
Figure 9
The obstacles will all affect the transmitted signal and typically reduce the radiated
power that will be read by the Receiver. Different objects such as walls and floors
affect the transmitted signal differently depending on the material composition, geom-
etry and thickness. Typically, most residential and light commercial construction mate-
rials do not reduce the effective transmitted signal enough to pose problems under
normal installation conditions. However, there are some installations with very thick,
dense walls, or that involve large amounts of radio frequency interference (electrical
switching rooms etc.) where the effective range of the Wireless RainSensor may be
greatly reduced.
Some helpful tips on mounting the Sensor/Transmitter and Receiver for the best
Radio Frequency (RF) performance:
Always try to keep the antennas straight and fully extended (straight up on the
Receiver and straight down on the Sensor/Transmitter).
Try to maintain a parallel orientation of one antenna to the other. Avoid installing
either unit where the antennas are in close proximity to large metal objects.
Attempt to mount the units as close together as possible to reduce the potential for
interference or signal reduction. If the signal strength is not good in one location, try
another location - even as little as a few feet of movement can change from a weak
spot to a strong spot. Interior locations where cell phones or cordless phones have
trouble with reception may indicate areas with poor RF signal transmission.
If possible avoid an installation where the Sensor/Transmitter is located exactly
above the Receiver. Move the Sensor/Transmitter slightly offset to one side. When
the RF signal is passing through walls, keep in mind that it has less thickness to
penetrate when it passes straight through the wall. In other words, passing diagonally
through a wall increases its effective thickness. Because every installation is differ-
ent, the ONLY guaranteed method to verify an installation is to physically TRY IT!
Electromagnetic Compatibility
Domestic: This device complies with FCC rules Part 15. Operation is subject to the following two
conditions: (1) This device may not cause harmful interference and (2) this device must accept any
interference that may be received, including interference that may cause undesirable operation.
This equipment generates and uses radio frequency energy and if not installed and used properly,
that is, in strict accordance with the manufacturer's instructions, may cause interference to radio and
television reception. It has been type tested and found to comply with the limits for a FCC Class B
computing device in accordance with the specifications in Subpart J of Part 15 of FCC Rules, which
are designed to provide reasonable protection against such interference in a residential installation.
However, there is no guarantee that interference will not occur in a particular installation. If this
equipment does cause interference to radio or television reception, which can be determined by
turning the equipment off and on, the user is encouraged to try to correct the interference by one or
more of the following measures:
Reorient the receiving antenna, relocate the remote control receiver with respect to the radio/TV
antenna or plug the irrigation controller into a different outlet so that the irrigation controller and
radio/TV are on different branch circuits.
If necessary, the user should consult the dealer or an experienced radio/television technician for
additional suggestions. The user may find the following booklet prepared by the Federal
Communications Commission helpful:
"How to Identify and Resolve Radio-TV Interference Problems". This booklet is available from the
U.S. Government Printing Office, Washington, DC 20402. Stock No. 004-000-00345-4.
FCC ID: OF7WRS1
IC: 3949104244A
11
Specifications:
Receiver Mounting Options: Stainless steel screws and/or double-sided foam tape.
Sensor/Transmitter Mounting Options: Quick-ClipTM rain gutter bracket and roof
eaves/fascia mounting bracket with stainless steel screws.
Sensor/Transmitter Range: Up to 300' line-of-site.
Sensor Type: Industry-standard hygroscopic disc stack with adjustable rainfall sensitivity.
Transmitter Battery Type: (2) 3V cells - CR2032 (or equivalent).
Average Battery Life: Five years
Operating Temperature Range: -20°F to 120°F
Receiver Power Input: 2228 V ac/V dc, 100mA (from existing controller/timer with
Class 2, UL-approved transformer).
Relay Contacts Output: Normally Open (NO) and Normally Closed (NC) 3A at 24 V ac.
Receiver Controls: Sensor Status Indicator, Signal Indicator, Smart Bypass Switch,
Power Indicator with low battery/poor communication warning.
UL Listed
The Toro Promise Limited One-Year Warranty
The Toro Company and its affiliate, Toro Warranty Company, pursuant to an agreement
between them, jointly warrants, to the owner, against defects in material and workmanship for
a period of one year from the date of purchase.
Neither The Toro Company nor Toro Warranty Company is liable for failure of products not
manufactured by them even though such products may be sold or used in conjunction with
Toro products.
During such warranty period, we will repair or replace, at our option, any part found to be
defective.
Return the defective part to the place of purchase.
Our liability is limited solely to the replacement or repair of defective parts. There are no other
express warranties.
This warranty does not apply where equipment is used, or installation is performed, in any
manner contrary to Toros specifications and instructions, nor where equipment is altered or
modified.
NEITHER THE TORO COMPANY NOR TORO WARRANTY COMPANY IS LIABLE FOR
INDIRECT, INCIDENTAL OR CONSEQUENTIAL DAMAGES IN CONNECTION WITH THE
USE OF EQUIPMENT, INCLUDING BUT NOT LIMITED TO: VEGETATION LOSS, THE
COST OF SUBSTITUTE EQUIPMENT OR SERVICES REQUIRED DURING
PERIODS OF MALFUNCTION OR RESULTING NON-USE, PROPERTY DAMAGE OR PER-
SONAL INJURY RESULTING FROM INSTALLERS NEGLIGENCE.
Some states do not allow the exclusion or limitation of incidental or consequential damages,
so the above limitation or exclusion may not apply to you.
ALL IMPLIED WARRANTIES, INCLUDING THOSE OF MERCHANTABILITY AND FITNESS
FOR USE, ARE LIMITED TO THE DURATION OF THIS EXPRESS WARRANTY.
Some states do not allow limitations of how long an implied warranty lasts, so the above limita-
tion may not apply to you.
This warranty gives you specific legal rights and you may have other rights which vary from
state to state.
12
© 2003 The Toro Company, Consumer Division
P.O. Box 489, Riverside CA, 92502
Toro HelpLine - 800-367-8676
www.toro.com Form No. 102-4297 Rev.A

Navigation menu