Toro 5700 D Multi Pro User Manual To The 5a8792ea A33b 4086 A2d9 3a984ca84535
User Manual: Toro 5700-D to the manual
Open the PDF directly: View PDF
.
Page Count: 248 [warning: Documents this large are best viewed by clicking the View PDF Link!]
- Preface
- Table Of Contents
- 1 - Safety
- 2 - Product Records and Maintenance
- 3 - Kubota Diesel Engine
- Kubota 05-E2B Series Diesel Engine Workshop Manual (S/N below 280000000)
- Kubota 05-E3B Series Workshop Manual (S/N 280000001 and up)
- 4 - Hydraulic System
- Specifications
- General Information
- Hydraulic Schematic
- Hydraulic Flow Circuits
- Special Tools
- Troubleshooting
- Testing
- Traction Circuit Charge Pressure Test
- Traction Circuit Relief Pressure Test
- Gear Pump Flow Test
- Steering Circuit Relief Pressure Test
- Steering Control Valve and Steering Cylinder Test
- Spray Pump Drive Circuit Relief Pressure Test
- Wheel Motor Efficiency: Case Drain Test
- Pulse Width Modulated (PWM) Valve Flow Test
- Adjustments
- Service and Repairs
- General Precautions for Removing and Installing Hydraulic System Components
- Check Hydraulic Lines and Hoses
- Flush Hydraulic System
- Charge Hydraulic System
- Gear Pump
- Gear Pump Service
- Piston (Traction) Pump
- Piston (Traction) Pump Service
- Manual Servo Control Assembly
- Wheel Motors
- Wheel Motor Service
- Spray Pump Drive Motor
- Spray Pump Drive Motor Service
- Relief Valve
- Pulse Width Modulated (PWM) Valve
- Steering Control Valve
- Steering Control Valve Service
- Steering Cylinder
- Steering Cylinder Service
- Oil Cooler
- Hydraulic Reservoir
- Eaton 2600 Single Gear Pump Repair Manual
- Eaton 72400 Piston Pump Repair Information
- Eaton 74318 and 74348 Piston Motor Repair Information
- Parker Torqlink Service Procedure
- 5 - Electrical System
- Electrical Diagrams
- Special Tools
- Troubleshooting
- Electrical System Quick Checks
- Component Testing
- Ignition Switch
- Neutral Switch
- Hour Meter
- Headlight Switch
- Cruise Control Switch
- Cruise Control Coil
- Brake Pedal Switch
- Temperature Sender
- Indicator Lights
- Traction Speed Sensor
- Accessory Solenoid
- Pressure Rate and Boom Actuator Switches
- Spray Pump, Agitation and Boom Control Switches
- Master Boom (Foot) Switch
- Pulse Width Modulated (PWM) Valve Solenoid
- Manual Interface Module
- Relays
- Glow Relay
- Fuel Stop Solenoid
- Glow Controller
- Fuel Pump
- Fusible Link Harness
- Diode Assembly
- Service and Repairs
- 6 - Spray System
- Specifications
- General Information
- Spray System Flow Diagram
- Spray System Operation
- Troubleshooting
- Service and Repairs
- Suction Dampener
- Pressure Dampener
- Spray Pump
- Spray Pump Service
- Agitation Nozzles (Tank Mounted)
- Pressure Relief Valve (Tank Mounted)
- Spray Control Assembly
- Boom Valve Motor Assembly
- Agitation Valve Motor Assembly
- Boom and Agitation Valve Motor Service (S/N below 310000000)
- Boom and Agitation Valve Motor Service (S/N above 310000000)
- Boom Bypass
- Tank Suction
- Tank Drain Valve (S/N below 270000000)
- Tank Drain Valve (S/N above 270000000)
- Turret Bodies
- Turret Body Service
- Boom Frame Breakaway Pivot Assembly (S/N below 260000000)
- Boom Hinge (S/N above 260000000)
- Boom Actuator (S/N below 260000000)
- Boom Actuator Service (S/N below 260000000)
- Boom Actuator (S/N above 260000000)
- Boom Actuator Service (S/N above 260000000)
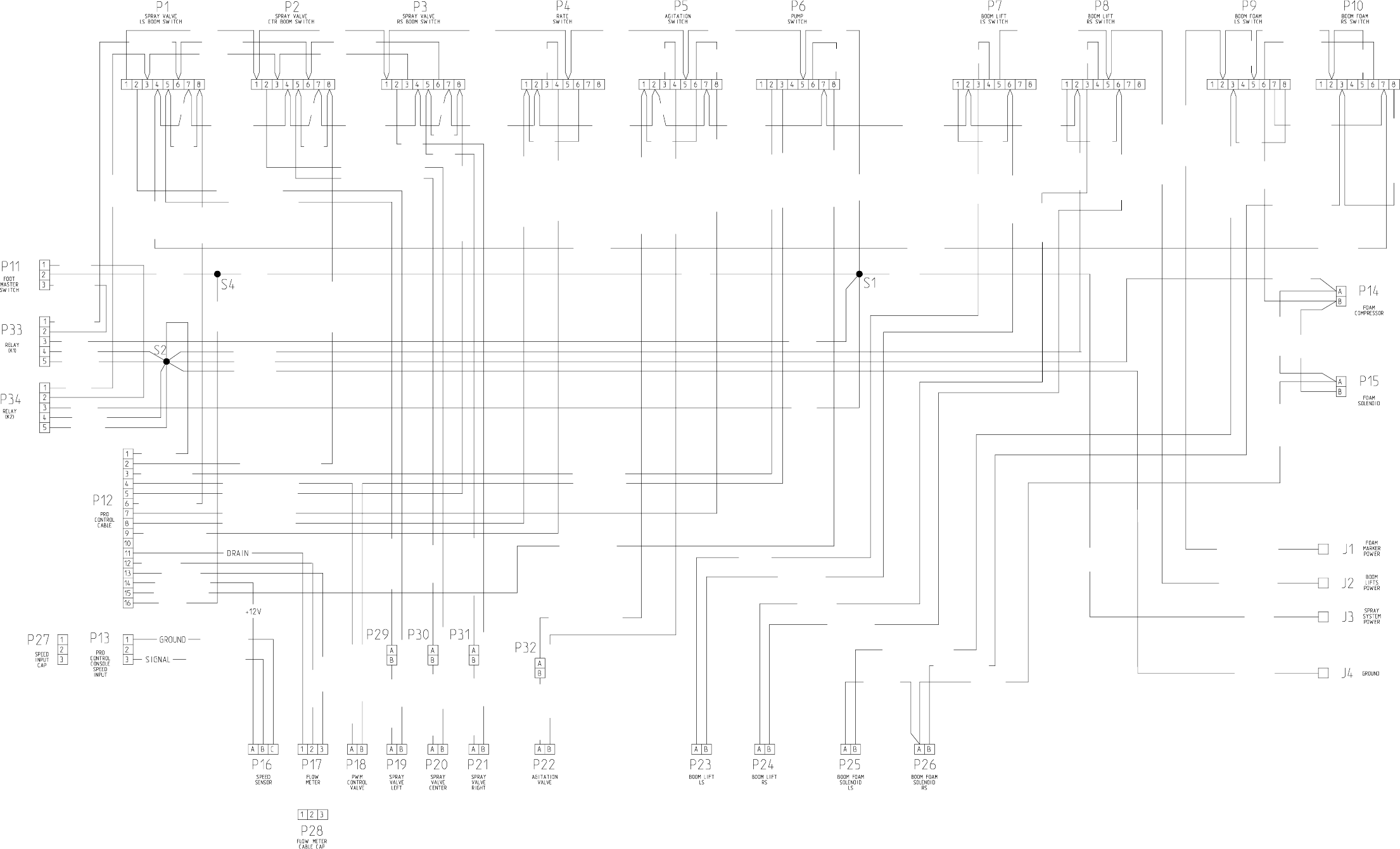
- Pro Control Spray System (Optional)
- 7 - Chassis
- 7.1 - Sonic Boom System
- 8 - Electrical Diagrams
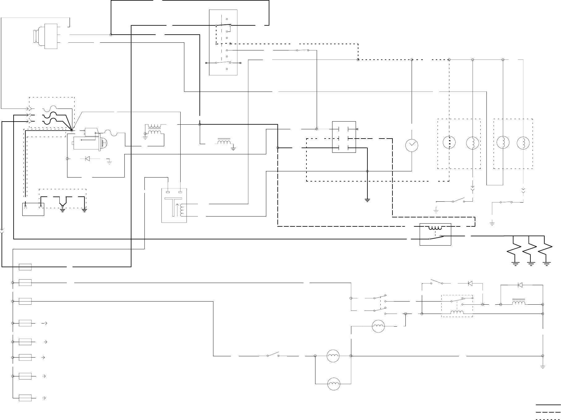
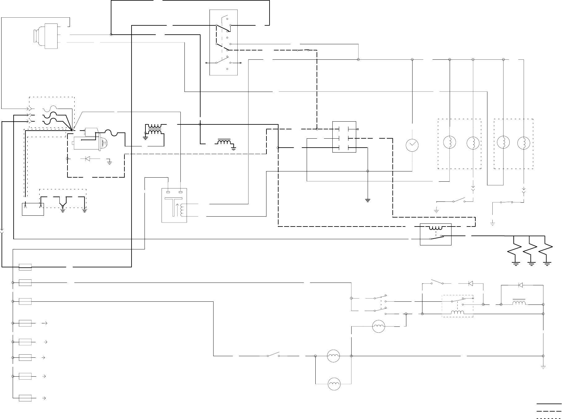
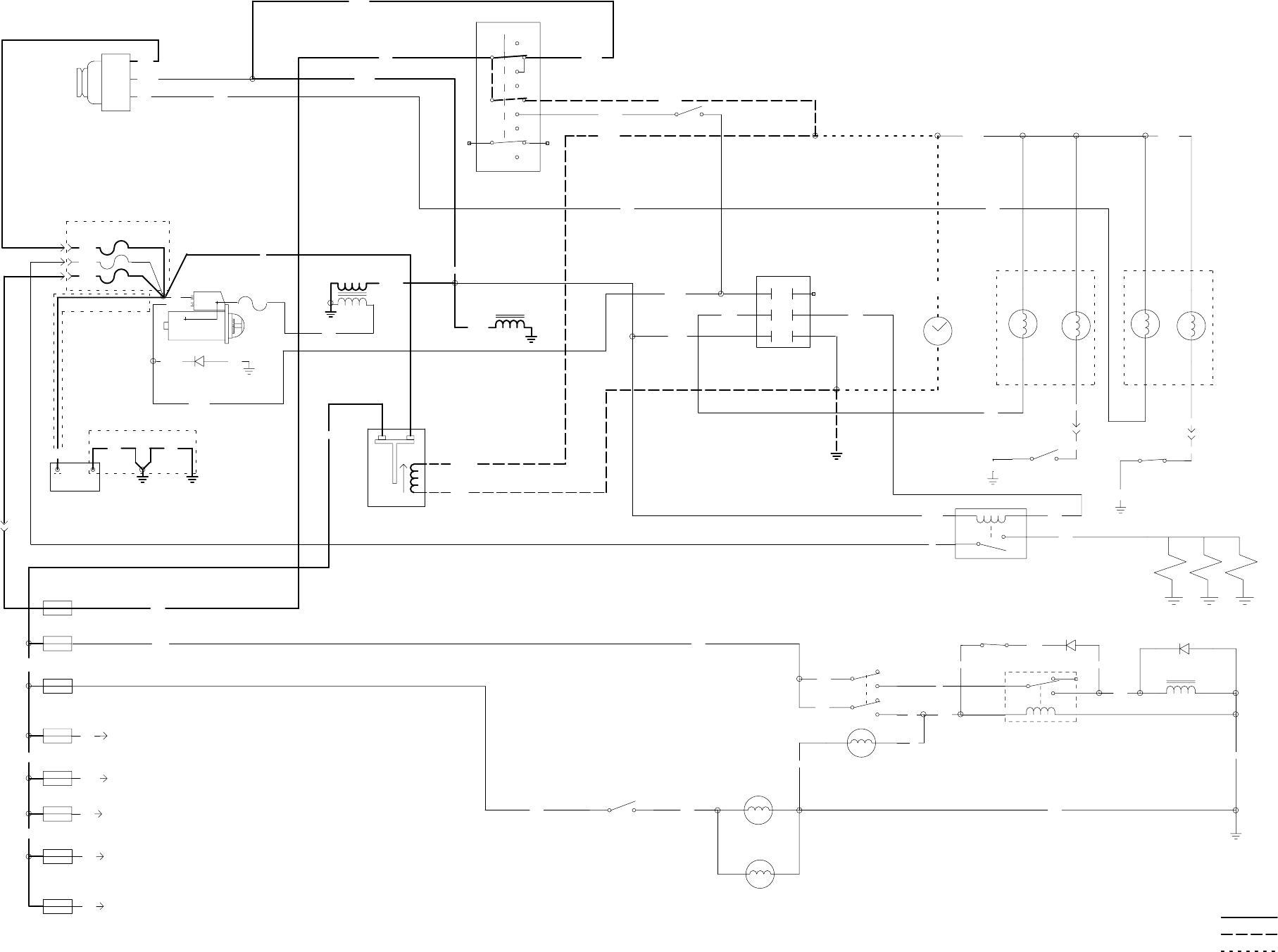
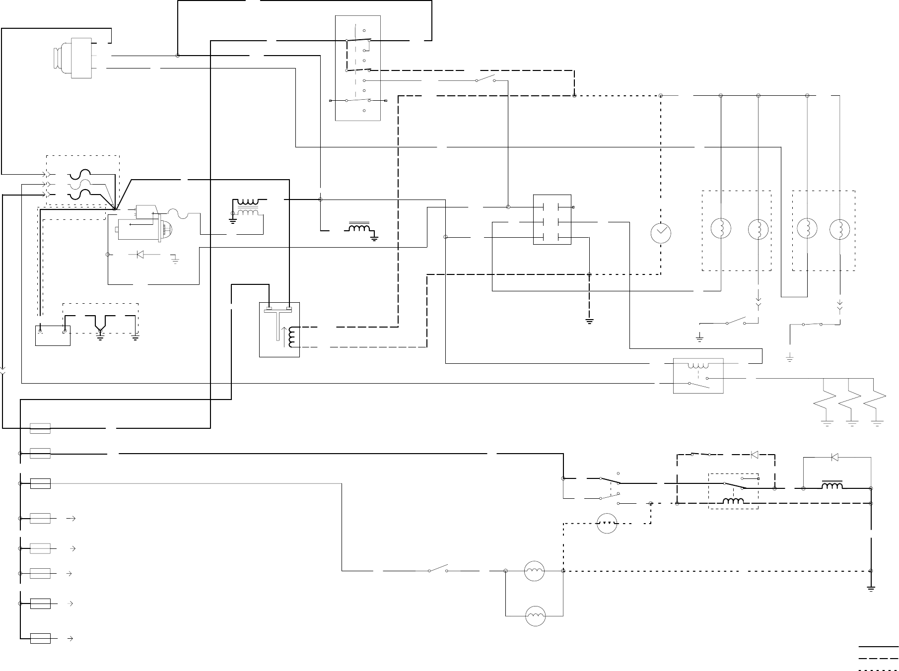
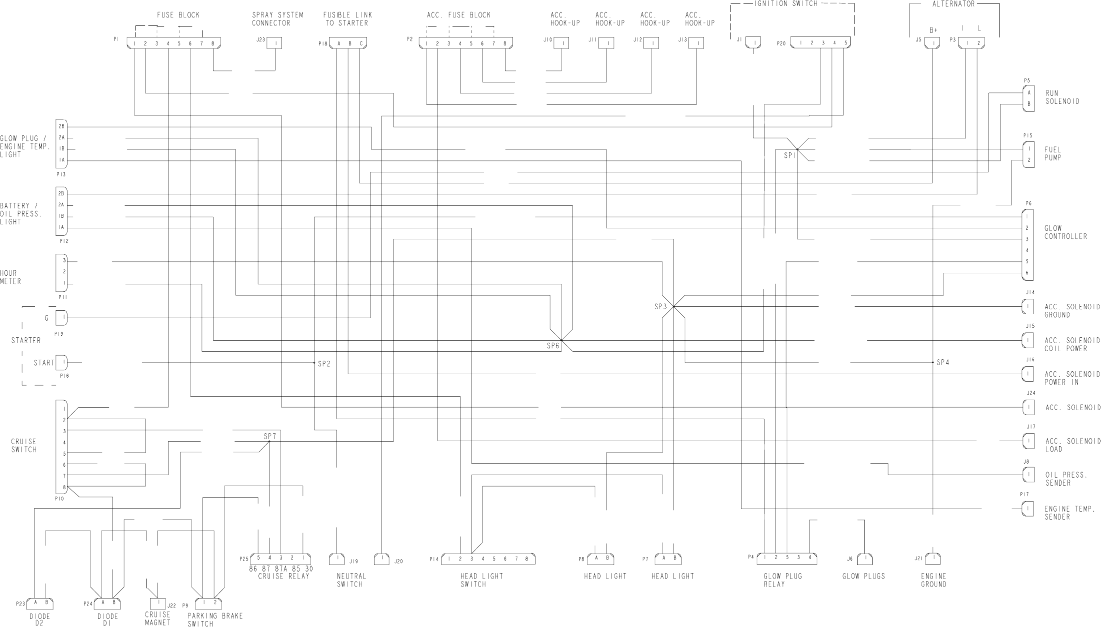
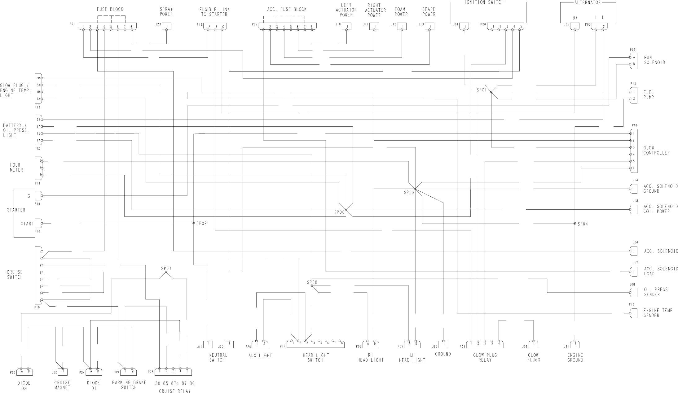
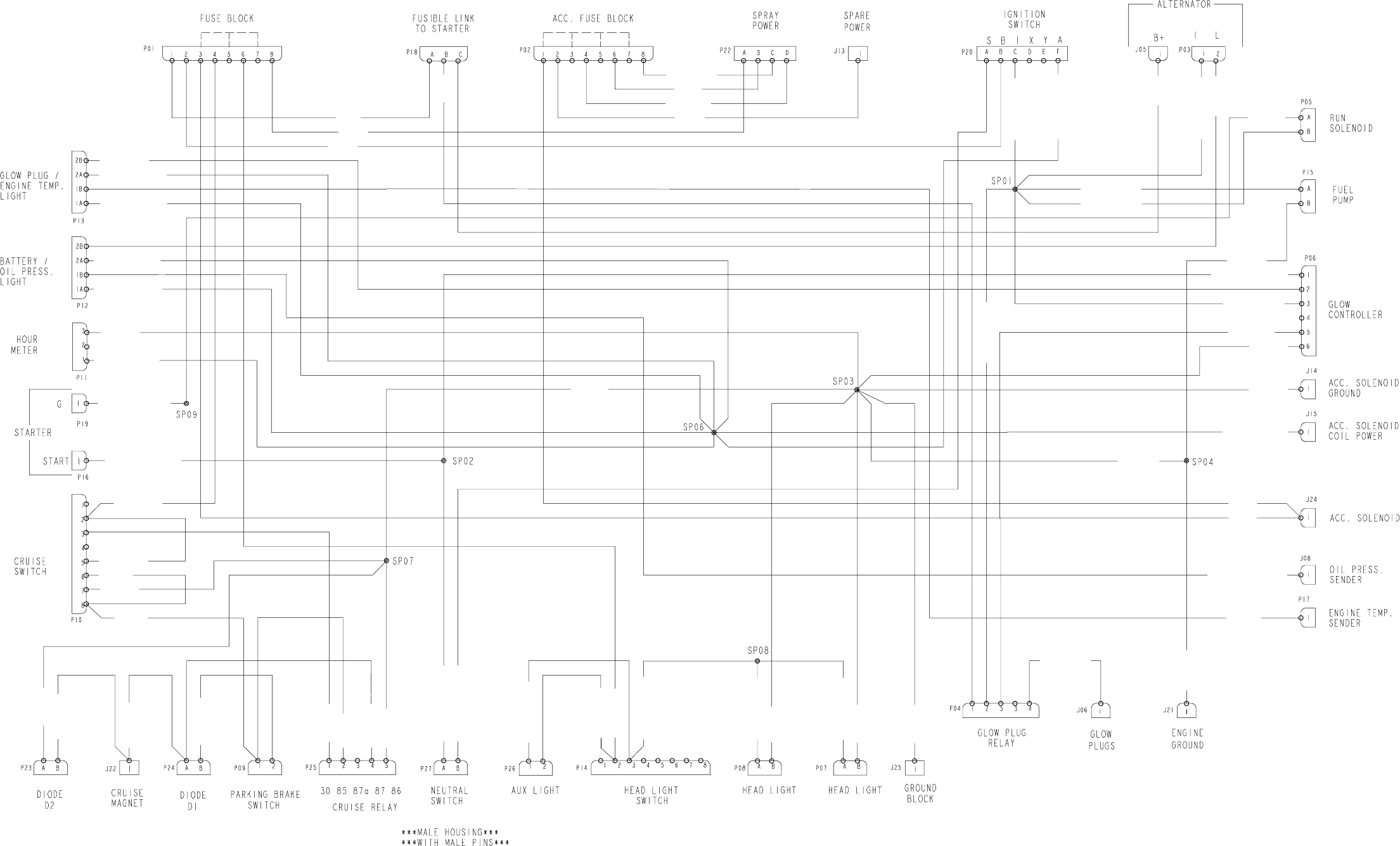
- Vehicle Schematic
- Spray System Schematic (S/N below 260000000)
- Spray System Schematic (S/N above 260000000)
- Glow Plug Circuit
- Start Circuit
- Run Circuit
- Cruise Control Circuit
- Vehicle Wire Harness (S/N below 240000300)
- Vehicle Wiring Diagram (S/N below 240000300)
- Vehicle Wire Harness (S/N from 240000300 to 290999999))
- Vehicle Wiring Diagram (S/N from 240000300 to 290999999)
- Vehicle Wire Harness (S/N above 310000000)
- Vehicle Wiring Diagram (S/N above 310000000)
- Spray System Wire Harness (S/N below 260000000)
- Spray System Wiring Diagram (S/N below 260000000)
- Spray System Wire Harness (S/N from 260000001 to 270999999)
- Spray System Wiring Diagram (S/N from 260000001 to 270999999)
- Spray System Wire Harness (S/N from 280000001 to 290999999)
- Spray System Wiring Diagram (S/N from 280000001 to 290999999)
- Spray System Wire Harness (S/N above 310000000)
- Spray System Wiring Diagram (S/N above 310000000)

PART NO. 04130SL (Rev. D)
Service Manual
Multi ProR5700--D
Preface
The purpose of this publication is to provide the service
technician with information for troubleshooting, testing,
and repair of major systems and components on the
Multi Pro 5700--D.
REFER TO THE OPERATOR’S MANUAL FOR OPER-
ATING, MAINTENANCE, AND ADJUSTMENT
INSTRUCTIONS. Space is provided in Chapter 2 of this
book to insert the Operator’s Manual and Parts Catalog
for your machine. Additional copies of the Operator’s
Manual and Parts Catalog are available on the internet
at www.Toro.com.
The Toro Company reserves the right to change product
specifications or this publication without notice.
This safety symbol means DANGER, WARNING,
or CAUTION, PERSONAL SAFETY INSTRUC-
TION. When you see this symbol, carefully read
the instructions that follow. Failure to obey the
instructions may result in personal injury.
NOTE: ANOTE will give general information about the
correct operation, maintenance, service, testing, or re-
pair of the machine.
IMPORTANT: The IMPORTANT notice will give im-
portant instructions which must be followed to pre-
vent damage to systems or components on the
machine.
EThe Toro Company -- 2004, 2005, 2007, 2009, 2011
Multi Pro 5700--D
This page is intentionally blank.

Multi Pro 5700--D
Table Of Contents
Chapter 1 -- Safety
Safety Instructions 1 -- 2..........................
Jacking Instructions 1 -- 4.........................
Safety and Instruction Decals 1 -- 4................
Chapter 2 -- Product Records and Maintenance
Product Records 2 -- 1...........................
Equivalents and Conversions 2 -- 2................
Torque Specifications 2 -- 3.......................
Maintenance 2 -- 7...............................
Chapter 3 -- Kubota Diesel Engine
Introduction 3 -- 1................................
Specifications 3 -- 2..............................
Service and Repairs 3 -- 4........................
KUBOTA 05 SERIES ENGINE SERVICE MANUAL
Chapter 4 -- Hydraulic System
Specifications 4 -- 3..............................
General Information 4 -- 4........................
Hydraulic Schematic 4 -- 8........................
Hydraulic Flow Circuits 4 -- 9......................
Special Tools 4 -- 12.............................
Troubleshooting 4 -- 14...........................
Testing 4 -- 16...................................
Adjustments 4 -- 25..............................
Service and Repairs 4 -- 27.......................
EATON MODEL 26000 SINGLE GEAR PUMP REPAIR
INFORMATION
EATON MODEL 72400 SERVO CONTROLLED PIS-
TON PUMP REPAIR INFORMATION
EATON MODEL 74318 and 74348 PISTON MOTORS:
FIXED DISPLACEMENT, VALVE PLATE DESIGN
REPAIR INFORMATION
PARKER TORQLINKTM SERVICE PROCEDURE
Chapter 5 -- Electrical System
Electrical Diagrams 5 -- 2.........................
Special Tools 5 -- 3..............................
Troubleshooting 5 -- 4............................
Electrical System Quick Checks 5 -- 6..............
Component Testing 5 -- 7.........................
Service and Repairs 5 -- 27.......................
Chapter 6 -- Spray System
Specifications 6 -- 2..............................
General Information 6 -- 3........................
Spray System Flow Diagram 6 -- 4.................
Spray System Operation 6 -- 5....................
Troubleshooting 6 -- 6............................
Service and Repairs 6 -- 8........................
Chapter 7 -- Chassis
Specifications 7 -- 2..............................
Service and Repairs 7 -- 3........................
SafetyProduct Records
and Maintenance
Kubota Diesel
Engine
Hydraulic
System
Electrical
System
Spray
System
Chassis
Multi Pro 5700--D
This page is intentionally blank.

Rev. DMulti Pro 5700--D
Table Of Contents (Continued)
Chapter 7.1 -- Sonic Boom System (Optional Kit)
General Information 7.1 -- 2......................
Special Tools 7.1 -- 3............................
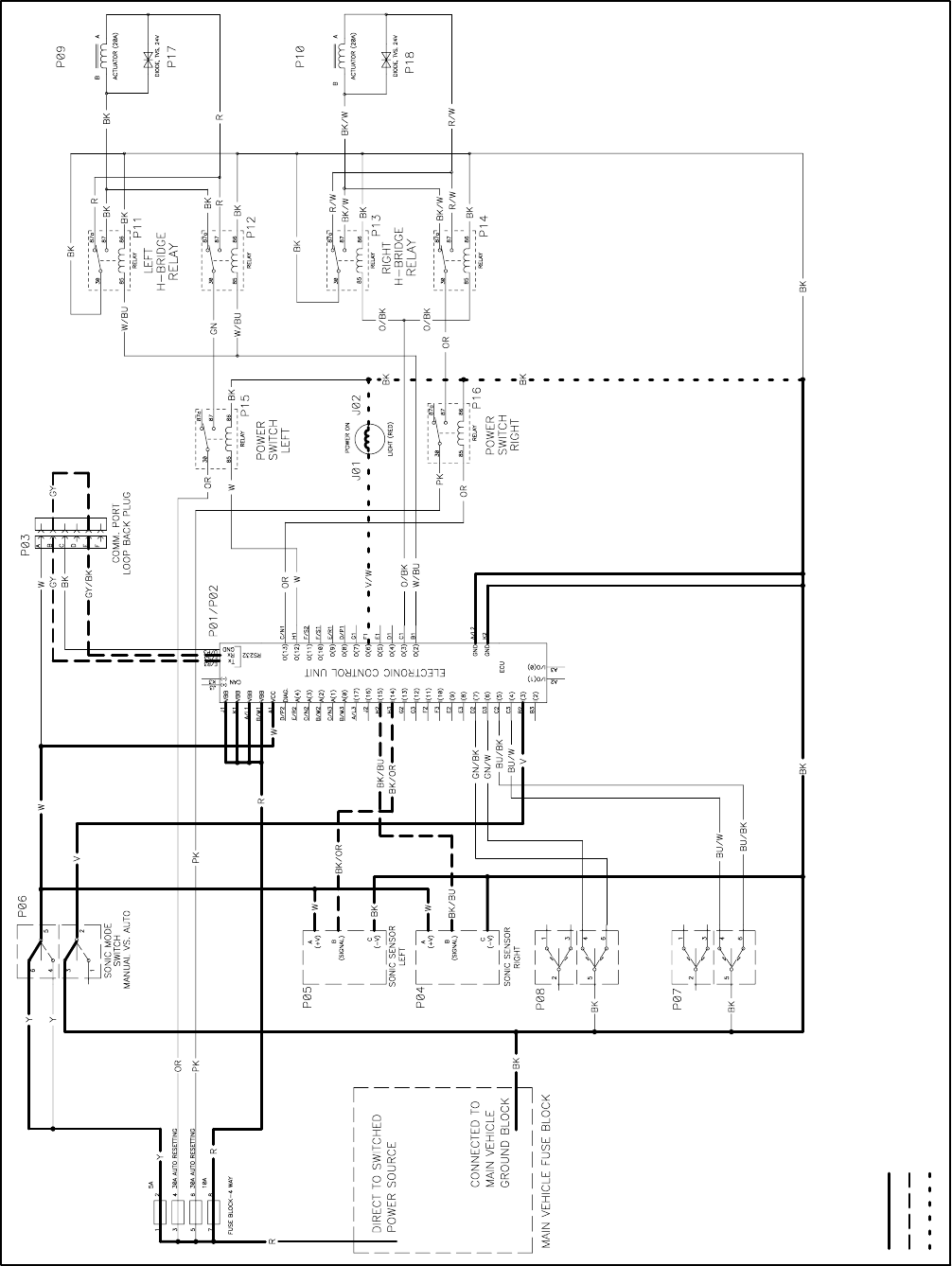
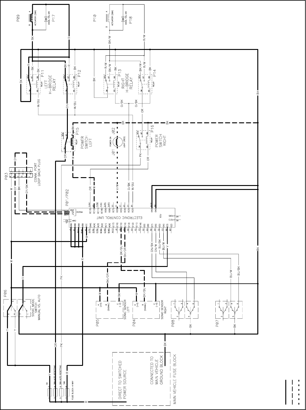
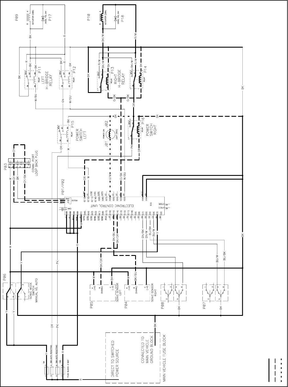
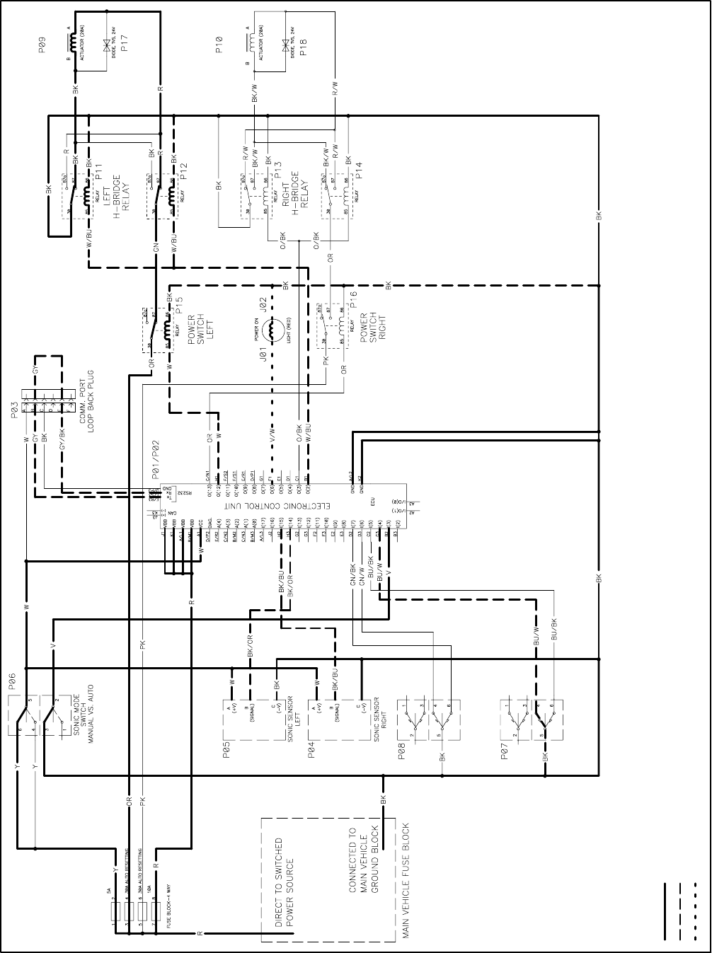
Electrical Schematic 7.1 -- 4......................
Sonic Boom System Operation 7.1 -- 6.............
Troubleshooting 7.1 -- 16.........................
Service and Repairs 7.1 -- 22.....................
Chapter 8 -- Electrical Diagrams
Electrical Schematics 8 -- 3.......................
Circuit Diagrams 8 -- 6...........................
Wire Harness Drawings 8 -- 10....................
Sonic BoomElectrical
Drawings System
Rev. D Multi Pro 5700--D
This page is intentionally blank.

Chapter 1
Safety
Table of Contents
SAFETY INSTRUCTIONS . . . . . . . . . . . . . . . . . . . . . . 2 JACKING INSTRUCTIONS . . . . . . . . . . . . . . . . . . . . . 4
Before Operating . . . . . . . . . . . . . . . . . . . . . . . . . . . . 2 SAFETY AND INSTRUCTION DECALS . . . . . . . . . . 4
While Operating . . . . . . . . . . . . . . . . . . . . . . . . . . . . . 2
Maintenance and Service . . . . . . . . . . . . . . . . . . . . 3
Safety
Multi Pro 5700–D Page 1 – 1 Safety

Rev. C Multi Pro 5700--DPage 1 -- 2Safety
Safety Instructions
The Multi Pro 5700--D Turf Sprayer is designed and
tested to offer safe service when operated and main-
tained properly. Although hazard control and accident
prevention are partially dependent upon the design and
configuration of the machine, these factors are also de-
pendent upon the awareness, concern, and proper
training of the personnel involved in the operation, trans-
port, maintenance, and storage of the machine. Improp-
er use or maintenance of the machine can result in injury
or death. To reduce the potential for injury or death,
comply with the following safety instructions.
WARNING
To reduce the potential for injury or death,
comply with the following safety instructions.
Before Operating
1. Read and understand the contents of the Operator’s
Manual before starting and operating the machine. Be-
come familiar with the controls and know how to stop the
machine and engine quickly. Additional copies of the
Operator’s Manual are available on the internet at
www.Toro.com.
2. Keep all shields, safety devices, and decals in place.
If a shield, safety device, or decal is defective, illegible
or damaged, repair or replace it before operating the
machine. Also tighten any loose nuts, bolts or screws to
ensure machine is in safe operating condition.
3. Assure interlock switches are adjusted correctly so
engine cannot be started unless traction pedal is in the
NEUTRAL position.
4. Since diesel fuel is highly flammable, handle it care-
fully:
A. Store fuel in containers specifically designed for
this purpose.
B. Do not remove machine fuel tank cap while en-
gine is hot or running.
C. Do not smoke while handling fuel.
D. Fill fuel tank outdoors and only to within an inch of
the top of the tank, not the filler neck. Do not overfill
the fuel tank.
E. Wipe up any spilled fuel.
While Operating
1. Sit on the seat when starting and operating the ma-
chine.
2. Before starting the engine:
A. Engage the parking brake.
B. Make sure traction pedal is in the NEUTRAL posi-
tion and the pump switch is OFF.
3. Do not run engine in a confined area without ade-
quate ventilation. Exhaust fumes are hazardous and
could possibly be deadly.
4. Do not touch engine, radiator, muffler or exhaust
pipe while engine is running or soon after it is stopped.
These areas could be hot enough to cause burns.
5. Before getting off the seat:
A. Ensure that traction pedal is in the NEUTRAL
position.
B. Set parking brake.
C. Turn pump switch OFF.
D. Stop engine and remove key from ignition switch.
E. Do not park on slopes unless wheels are chocked
or blocked.
6. Follow spray chemical manufacturer’s recommen-
dations for handling precautions, protective equipment,
and mixing proportions.

Maintenance and Service
1. Before servicing or making adjustments, turn spray
pump off, put traction pedal in neutral, stop engine, set
parking brake, and remove key from the switch.
2. Prior to servicing sprayer components, determine
what chemical(s) have been used in the sprayer. Follow
precautions and recommendations printed on chemical
container labels or Material Safety Data Sheets when
servicing sprayer components. Use appropriate protec-
tive equipment: protective clothing, chemical resistant
gloves, and eye protection.
3. Make sure machine is in safe operating condition by
keeping all nuts, bolts and screws tight.
4. Never store the machine or fuel container inside
where there is an open flame, such as near a water heat-
er or furnace.
5. Make sure all hydraulic line connectors are tight and
that all hydraulic hoses and lines are in good condition,
before applying pressure to the system.
6. Keep body and hands away from pin hole leaks in hy-
draulic lines that eject high pressure hydraulic fluid. Use
cardboard or paper to find hydraulic leaks. Hydraulic
fluid escaping under pressure can penetrate skin and
cause injury. Fluid accidentally injected into the skin
must be surgically removed within a few hours by a doc-
tor familiar with this form of injury or gangrene may re-
sult.
7. Before disconnecting or performing any work on the
hydraulic system, all pressure in hydraulic system must
be relieved. To relieve system pressure, rotate steering
wheel in both directions after the key switch has been
turned off.
8. If major repairs are ever needed or assistance is de-
sired, contact an Authorized Toro Distributor.
9. To reduce potential fire hazard, keep engine area
free of excessive grease, grass, leaves and dirt. Clean
protective screen on machine frequently.
10.If engine must be running to perform maintenance or
an adjustment, keep clothing, hands, feet, and other
parts of the body away from moving parts. Keep by-
standers away.
11. Do not overspeed the engine. To assure safety and
accuracy, check maximum engine speed.
12.Shut engine off before checking or adding oil to the
crankcase.
13.Disconnect battery before servicing the machine.
Disconnect negative (–) battery cable first and positive
(+) cable last. If battery voltage is required for trouble-
shooting or test procedures, temporarily connect the
battery. Reconnect positive (+) cable first and negative
(–) cable last.
14.Battery acid is poisonous and can cause burns.
Avoid contact with skin, eyes, and clothing. Protect your
face, eyes, and clothing when working with a battery.
15.Battery gases can explode. Keep cigarettes, sparks,
and flames away from the battery.
16.To assure optimum performance and continued
safety of the machine, use genuine Toro replacement
parts and accessories. Replacement parts and acces-
sories made by other manufacturers may result in non-
conformance with safety standards, and the warranty
may be voided.
17.When raising the machine to change tires or to per-
form other service, use correct blocks, hoists, and jacks.
Make sure machine is parked on a solid level surface
such as a concrete floor. Prior to raising the machine, re-
move any attachments that may interfere with the safe
and proper raising of the machine. Always chock or
block wheels. Use jack stands or solid wood blocks to
support the raised machine. If the machine is not prop-
erly supported by blocks or jack stands, the machine
may move or fall, which may result in personal injury
(see Jacking Instructions in this Chapter).
Safety
Multi Pro 5700–D Page 1 – 3 Safety

Jacking Instructions
CAUTION
perform other service, use correct blocks,
er
jack stands, the machine may move or fall,
Jacking the Front End
vent the machine from moving.
lose to the wheel as possible to support the ma-
chine.
Figure 1
1 1
1 1
When raising the machine to change tires or to
hoists, and jacks. Make sure machine is parked
on a solid level surface such as a concrete floor.
Prior to raising machine, remove any attach-
ments that may interfere with the safe and prop-
raising of the machine. Always chock or
block wheels. Use jack stands or solid wood
blocks to support the raised machine. If the ma-
chine is not properly supported by blocks or
which may result in personal injury.
1. Set parking brake and chock both rear tires to pre-
2. Position jack securely under the front axle, directly
beneath the leaf springs (Fig. 1).
3. Jack front of machine off the ground.
4. Position jack stands or hardwood blocks under the
axle as c
1. Front jacking points
Jacking the Rear End Figure 2
1. Rear jacking points
1. Set parking brake and chock both front tires to pre-
vent the machine from moving.
2. Place jack securely under the rear most frame sup-
ports between the angle welds (Fig. 2).
3. Jack rear of machine off the ground.
4. Position jack stands or hardwood blocks under the
frame to support the machine.
Safety and Instruction Decals
Numerous safety and instruction decals are affixed to
the Multi Pro 5700–D. If any decal becomes illegible or
damaged, install a new decal. Part numbers are listed
in your Parts Catalog. Order replacement decals from
your Authorized Toro Distributor.
Safety Page 1 – 4 Multi Pro 5700–D

Multi Pro 5700--D Page 2 -- 1 Product Records and Maintenance
Chapter 2
Product Records and Maintenance
Table of Contents
PRODUCT RECORDS 1.........................
EQUIVALENTS AND CONVERSIONS 2...........
Decimal and Millimeter Equivalents 2............
U.S. to Metric Conversions 2...................
TORQUE SPECIFICATIONS 3....................
Fastener Identification 3.......................
Standard Torque for Dry, Zinc Plated and
Steel Fasteners (Inch Series Fasteners) 4......
Standard Torque for Dry, Zinc Plated and
Steel Fasteners (Metric Fasteners) 5...........
Other Torque Specifications 6..................
Conversion Factors 6..........................
MAINTENANCE 7...............................
Product Records
Insert Operator’s Manual and Parts Catalog for your
Multi Pro 5700--D at the end of this chapter. Additionally,
if any optional equipment has been installed to your
sprayer, insert the Installation Instructions, Operator’s
Manuals and Parts Catalogs for those options at the end
of this chapter.
Product Records
and Maintenance

Rev. C
0.09375
Multi Pro 5700--D
Page 2 -- 2
Product Records and Maintenance
Equivalents and Conversions

Torque Specifications
Recommended fastener torque values are listed in the
following tables. For critical applications, as determined
by Toro, either the recommended torque or a torque that
is unique to the application is clearly identified and spe-
cified in this Service Manual.
These Torque Specifications for the installation and
tightening of fasteners shall apply to all fasteners which
do not have a specific requirement identified in this Ser-
vice Manual. The following factors shall be considered
when applying torque: cleanliness of the fastener, use
of a thread sealant (e.g. Loctite), degree of lubrication
on the fastener, presence of a prevailing torque feature,
hardness of the surface underneath the fastener’s head,
or similar condition which affects the installation.
As noted in the following tables, torque values should be
reduced by 25% for lubricated fasteners to achieve
the similar stress as a dry fastener. Torque values may
also have to be reduced when the fastener is threaded
into aluminum or brass. The specific torque value
should be determined based on the aluminum or brass
material strength, fastener size, length of thread en-
gagement, etc.
The standard method of verifying torque shall be per-
formed by marking a line on the fastener (head or nut)
and mating part, then back off fastener 1/4 of a turn.
Measure the torque required to tighten the fastener until
the lines match up.
Product Records
and Maintenance
Fastener Identification
Grade 1
Inch Series Bolts and Screws
Class 8.8 Class 10.9
Metric Bolts and Screws
Grade 5 Grade 8
Figure 1 Figure 2
Multi Pro 5700–D Page 2 – 3 Product Records and Maintenance

Standard Torque for Dry, Zinc Plated and Steel Fasteners (Inch Series Fasteners)
Thread Size
Grade 1, 5, &
8 with Thin
Height Nuts
SAE Grade 1 Bolts, Screws, Studs, &
Sems with Regular Height Nuts
(SAE J995 Grade 2 or Stronger Nuts)
SAE Grade 5 Bolts, Screws, Studs, &
Sems with Regular Height Nuts
(SAE J995 Grade 2 or Stronger Nuts)
SAE Grade 8 Bolts, Screws, Studs, &
Sems with Regular Height Nuts
(SAE J995 Grade 5 or Stronger Nuts)
in–lb in–lb N–cm in–lb N–cm in–lb N–cm
# 6 – 32 UNC
10
+ 2 10 + 2
13
+ 2 13 + 2
147
+ 23 147 + 23
15 + 2 170 + 20 23 + 2 260 + 20
# 6 – 40 UNF 17 + 2 190 + 20 25 + 2 280 + 20
# 8 – 32 UNC
13
+ 2
13 + 2
25
+ 5
25 + 5
282
+ 30
282 + 30
29 + 3 330 + 30 41 + 4 460 + 45
# 8 – 36 UNF 31 + 3 350 + 30 43 + 4 485 + 45
# 10 – 24 UNC
18
+ 2 18 + 2
30
+ 5 30 + 5
339
+ 56 339 + 56
42 + 4 475 + 45 60 + 6 675 + 70
# 10 – 32 UNF 48 + 4 540 + 45 68 + 6 765 + 70
1/4 – 20 UNC 48 + 7 53 + 7 599 + 79 100 + 10 1125 + 100 140 + 15 1580 + 170
1/4 – 28 UNF 53 + 7 65 + 10 734 + 113 115 + 10 1300 + 100 160 + 15 1800 + 170
5/16 – 18 UNC 115 + 15 105 + 17 1186 + 169 200 + 25 2250 + 280 300 + 30 3390 + 340
5/16 – 24 UNF 138 + 17 128 + 17 1446 + 192 225 + 25 2540 + 280 325 + 30 3670 + 340
ft–lb ft–lb N–m ft–lb N–m ft–lb N–m
3/8 – 16 UNC 16 + 2 16 + 2 22 + 3 30 + 3 41 + 4 43 + 4 58 + 5
3/8 – 24 UNF 17 + 2 18 + 2 24 + 3 35 + 3 47 + 4 50 + 4 68 + 5
7/16 – 14 UNC 27 + 3 27 + 3 37 + 4 50 + 5 68 + 7 70 + 7 95 + 9
7/16 – 20 UNF 29 + 3 29 + 3 39 + 4 55 + 5 75 + 7 77 + 7 104 + 9
1/2 – 13 UNC 30 + 3 48 + 7 65 + 9 75 + 8 102 + 11 105 + 10 142 + 14
1/2 – 20 UNF 32 + 3 53 + 7 72 + 9 85 + 8 115 + 11 120 + 10 163 + 14
5/8 – 11 UNC 65 + 10 88 + 12 119 + 16 150 + 15 203 + 20 210 + 20 285 + 27
5/8 – 18 UNF 75 + 10 95 + 15 129 + 20 170 + 15 230 + 20 240 + 20 325 + 27
3/4 – 10 UNC 93 + 12 140 + 20 190 + 27 265 + 25 359 + 34 375 + 35 508 + 47
3/4 – 16 UNF 115 + 15 165 + 25 224 + 34 300 + 25 407 + 34 420 + 35 569 + 47
7/8 – 9 UNC 140 + 20 225 + 25 305 + 34 430 + 45 583 + 61 600 + 60 813 + 81
7/8 – 14 UNF 155 + 25 260 + 30 353 + 41 475 + 45 644 + 61 660 + 60 895 + 81
NOTE: Reduce torque values listed in the table above
by 25% for lubricated fasteners. Lubricated fasteners
are defined as threads coated with a lubricant such as
oil, graphite, or thread sealant such as Loctite.
NOTE: Torque values may have to be reduced when
installing fasteners into threaded aluminum or brass.
The specific torque value should be determined based
on the fastener size, the aluminum or base material
strength, length of thread engagement, etc.
NOTE: The nominal torque values listed above for
Grade 5 and 8 fasteners are based on 75% of the mini-
mum proof load specified in SAE J429. The tolerance is
approximately + 10% of the nominal torque value. Thin
height nuts include jam nuts.
Product Records and Maintenance Page 2 – 4 Multi Pro 5700–D

Standard Torque for Dry, Zinc Plated and Steel Fasteners (Metric Fasteners)
Thread
Size
Thread Size
M5 X 0.8
M6 X 1.0
M8 X 1.25
M10 X 1.5
M12 X 1.75
M16 X 2.0
M20 X 2.5
Class 8.8 Bolts, Screws, and Studs with Class 10.9 Bolts, Screws, and Studs with
Regular
Height Nuts
Regular Height Nuts
Regular
Height Nuts
Regular Height Nuts
(Class 8 or Stronger Nuts) (Class 10 or Stronger Nuts)
57 + 5 in–lb 640 + 60 N–cm 78 + 7 in–lb 885 + 80 N–cm
96 + 9 in–lb 1018 + 100 N–cm 133 + 13 in–lb 1500 + 150 N–cm
19 + 2 ft–lb 26 + 3 N–m 27 + 2 ft–lb 36 + 3 N–m
Product Records
38 + 4 ft–lb 52 + 5 N–m 53 + 5 ft–lb 72 + 7 N–m
and Maintenance
66 + 7 ft–lb 90 + 10 N–m 92 + 9 ft–lb 125 + 12 N–m
166 + 15 ft–lb 225 + 20 N–m 229 + 22 ft–lb 310 + 30 N–m
325 + 33 ft–lb 440 + 45 N–m 450 + 37 ft–lb 610 + 50 N–m
NOTE: Reduce torque values listed in the table above
by 25% for lubricated fasteners. Lubricated fasteners
are defined as threads coated with a lubricant such as
oil, graphite, or thread sealant such as Loctite.
NOTE: Torque values may have to be reduced when
installing fasteners into threaded aluminum or brass.
The specific torque value should be determined based
on the fastener size, the aluminum or base material
strength, length of thread engagement, etc.
NOTE: The nominal torque values listed above are
based on 75% of the minimum proof load specified in
SAE J1199. The tolerance is approximately + 10% of the
nominal torque value.
Multi Pro 5700–D Page 2 – 5 Product Records and Maintenance

Other Torque Specifications
SAE Grade 8 Steel Set Screws Wheel Bolts and Lug Nuts
Thread
Size Thread Size
Recommended Torque
Square Head Hex Socket
1/4 – 20 UNC 140 + 20 in–lb 73 + 12 in–lb
5/16 – 18 UNC 215 + 35 in–lb 145 + 20 in–lb
3/8 – 16 UNC 35 + 10 ft–lb 18 + 3 ft–lb
1/2 – 13 UNC 75 + 15 ft–lb 50 + 10 ft–lb
Thread Size Recommended Torque**
7/16 – 20 UNF
Grade 5
65 + 10 ft–lb 88 + 14 N–m
1/2 – 20 UNF
Grade 5
80 + 10 ft–lb 108 + 14 N–m
M12 X 1.25
Class 8.8
80 + 10 ft–lb 108 + 14 N–m
M12 X 1.5
Class 8.8
80 + 10 ft–lb 108 + 14 N–m
** For steel wheels and non–lubricated fasteners.
Thread Cutting Screws Thread Cutting Screws
(Zinc Plated Steel) (Zinc Plated Steel)
Type 1, Type 23, or Type F
Thread Size Baseline Torque*
No. 6 – 32 UNC 20 + 5 in–lb
No. 8 – 32 UNC 30 + 5 in–lb
No. 10 – 24 UNC 38 + 7 in–lb
1/4 – 20 UNC 85 + 15 in–lb
5/16 – 18 UNC 110 + 20 in–lb
3/8 – 16 UNC 200 + 100 in–lb
Thread
Size
Size
Threads per Inch
Baseline
Torque* Baseline Torque*
Type A Type B
No. 6 18 20 20 + 5 in–lb
No. 8 15 18 30 + 5 in–lb
No. 10 12 16 38 + 7 in–lb
No. 12 11 14 85 + 15 in–lb
* Hole size, material strength, material thickness & finish
must be considered when determining specific torque
values. All torque values are based on non–lubricated
fasteners.
Conversion Factors
in–lb X 11.2985 = N–cm N–cm X 0.08851 = in–lb
ft–lb X 1.3558 = N–m N–m X 0.7376 = ft–lb
Product Records and Maintenance Page 2 – 6 Multi Pro 5700–D

Maintenance
Maintenance procedures and recommended service in-
tervals for the Multi Pro 5700–D are covered in the Oper-
ator’s Manual. Refer to that publication when performing
regular equipment maintenance. Several maintenance
procedures have break–in intervals identified in the Op-
erator’s Manual. Refer to the Engine Operator’s Manual
for additional engine specific maintenance procedures.
Product Records
and Maintenance
Multi Pro 5700–D Page 2 – 7 Product Records and Maintenance
This page is intentionally blank.
Product Records and Maintenance Page 2 – 8 Multi Pro 5700–D

Chapter 3
Kubota Diesel Engine
Table of Contents
INTRODUCTION . . . . . . . . . . . . . . . . . . . . . . . . . . . . . . 1
SPECIFICATIONS 2
. . . . . . . . . . . . . . . . . . . . . . . . . . . .
SERVICE AND REPAIRS . . . . . . . . . . . . . . . . . . . . . . 4
Fuel System . . . . . . . . . . . . . . . . . . . . . . . . . . . . . . . . 4
Air Cleaner . . . . . . . . . . . . . . . . . . . . . . . . . . . . . . . . . 6
Exhaust System . . . . . . . . . . . . . . . . . . . . . . . . . . . . 8
Radiator 10
. . . . . . . . . . . . . . . . . . . . . . . . . . . . . . . . . .
Engine 12. . . . . . . . . . . . . . . . . . . . . . . . . . . . . . . . . . . .
KUBOTA 05 SERIES ENGINE SERVICE MANUAL
Introduction
This Chapter gives information about specifications, ad-
justments and repair of the Kubota Diesel engine that
powers the Multi Pro 5700–D.
General maintenance procedures are described in your
Operator’s Manual. Information on engine troubleshoot-
ing, testing, disassembly and reassembly is identified in
the Kubota 05 Series Engine Service Manual that is in-
cluded at the end of this section.
Most engine repairs and adjustments require tools
which are commonly available in many service shops.
Special tools are described in the Kubota 05 Series En-
gine Service Manual. The use of some specialized test
equipment is explained. However, the cost of the test
equipment and the specialized nature of some repairs
may dictate that the work be done at an engine repair
facility.
Kubota Diesel
Engine
Multi Pro 5700–D Page 3 – 1 Kubota Diesel Engine

Specifications
Item Description
Make / Designation
Horse Power 35.5 HP @ 3000 RPM
Bore mm (in.) 78.0 (3.07)
Stroke mm (in.) 78.4 (3.09)
cc (cu. in.) 1498 (91)
N–m (ft–lb) 84 (62) @ 3000 RPM
Firing Order 1 – 3 – 4 – 2
Fuel No. 2 Diesel Fuel (ASTM D975)
Fuel Injection Pump
Governor Centrifugal Mechanical
Low Idle (no load) 1200 – 1250 RPM
High Idle (no load) 3050 – 3150 RPM
Direction of Rotation
Compression Ratio 23:1
Injection Nozzles Mini Nozzle (DN–OPD)
Engine Oil 10W30 Detergent (API CD or better)
Oil Pump
Crankcase Oil Capacity liters (U.S. qt.) 4.7 (5) with Filter
Starter 12 VDC, 1 KW
Alternator/Regulator 12 VDC 40 AMP
kilograms (U.S. lbs) (242.5)
V1505–EB–TORO, Kubota, 4–Cycle, 4 Cylinder,
Water Cooled, Diesel Engine
Total Displacement
Torque
Bosch MD Type Mini Pump
Counterclockwise (Viewed from Flywheel)
Trochoid Type
Dry Weight 110
Kubota Diesel Engine Page 3 – 2 Multi Pro 5700–D

Kubota Diesel
Engine
This page is intentionally blank.
Multi Pro 5700–D Page 3 – 3 Kubota Diesel Engine

Rev. D Multi Pro 5700--D
Page 3 -- 4
Kubota Diesel Engine
Service and Repairs
Fuel System
Figure 1
1. Fuel tank
2. Fuel cap with gauge
3. Bushing
4. Elbow fitting
5. Hose clamp
6. Fuel return hose
7. Elbow fitting
8. Fuel supply hose
9. Flange nut (4 used)
10. Hold down strap (2 used)
11. Flange head screw (4 used)
12. Cushion strip (2 used)
13. Fuel return hose
14. Hose clamp
15. Elbow fitting
16. Flat washer (2 used)
17. Cap screw (2 used)
18. Fuel gauge
19. Tank strap (2 used)
20. Washer head screw (2 used)
21. Fuel tank cap
22. Fuel supply hose
23. Standpipe (fuel supply)
24. Grommet
25. Fuel tank
26. U--nut (2 used)
Thread Sealant
6
7
9
10
1
45
3
2
8
12
11 5
FRONT
RIGHT
SERIAL NUMBER BELOW 310000000
SERIAL NUMBER ABOVE 310000000
13
14
15
16
17
18
19
20
21
22
23
24
25
26
14
24

Rev. D
Multi Pro 5700--D Page 3 -- 5 Kubota Diesel Engine
DANGER
Because diesel fuel is highly flammable, use
caution when storing or handling it. Do not
smoke while filling the fuel tank. Do not fill fuel
tank while engine is running, hot or when ma-
chine is in an enclosed area. Always fill fuel tank
outside and wipe up any spilled fuel before start-
ing the engine. Store fuel in a clean, safety--ap-
proved container and keep cap in place. Use die-
sel fuel for the engine only; not for any other
purpose.
Check Fuel Lines and Connections
Check fuel lines and connections periodically as recom-
mended in the Operator’s Manual. Check lines for dete-
rioration, damage, leaks or loose connections. Replace
hoses, clamps and connections as necessary.
Empty and Clean Fuel Tank
Empty and clean the fuel tank if the fuel system be-
comes contaminated or if the machine is to be stored for
an extended period.
To clean fuel tank, flush tank out with clean solvent.
Make sure tank is free of contaminates and debris.
Fuel Tank Removal
1. Park machine on a level surface, stop engine, en-
gage parking brake and remove key from the ignition
switch.
2. Use a fuel transfer pump to remove fuel from the fuel
tank and into a suitable container.
3. Loosen hose clamps that secure supply and return
hoses to tank. Remove hoses from tank.
4. Remove fuel tank from machine using Figure 1 as a
guide.
5. If necessary, remove fuel hoses from machine. Note
fuel hose routing for assembly purposes (Fig. 3).
Fuel Tank Installation
1. Install fuel tank to machine using Figure 1 as a guide.
2. If fuel hoses were removed, route fuel hoses through
R--clamps on frame and connect to proper engine and
fuel tank fittings. Secure hoses with hose clamps.
3. Fill fuel tank (see Operator’s Manual).
4. Start engine and check fuel line connections for any
leakage.
Figure 2
1. Fuel filter 2. Fuel hose (from tank)
2
1
SERIAL NUMBER BELOW 310000000
Figure 3
1. Fuel supply hose
2. Fuel return hose
3. R--clamp
2
1
3
3
3
SERIAL NUMBER ABOVE 310000000
Kubota Diesel
Engine

Multi Pro 5700–D
Page 3 – 6
Kubota Diesel Engine
Air Cleaner
Figure 4
1. Air cleaner housing
2. Mounting band
3. Flange nut (2 used)
4. Flat washer (2 used)
5. Air cleaner cover
6. Flange head screw (2 used)
7. Air cleaner cap
8. Foam seal
9. Air cleaner hose
10. Hose clamp
FRONT
RIGHT
2
3
8
9
10
4
7
5
1
6

Removal (Fig. 4)
NOTE: For air cleaner maintenance information, refer
to the Operator’s Manual.
1. Raise passenger seat to access air cleaner assem-
bly.
2. Remove air cleaner components as needed using
Figure 4 as a guide.
Installation (Fig. 4)
IMPORTANT: Any leaks in the air filter system will
cause serious engine damage. Make sure that all air
cleaner components are in good condition and are
properly secured during reassembly.
1
2
4
3
Figure 5
1. Assemble air cleaner system using Figures 4 as a 1. Air cleaner housing 3. Air cleaner cover
guide. Make sure that vacuator valve on air cleaner cov- 2. Air cleaner element 4. Vacuator valve
er points downward after assembly (Fig. 5).
Kubota Diesel
Engine
Multi Pro 5700–D Page 3 – 7 Kubota Diesel Engine

Rev. D Multi Pro 5700--D
Page 3 -- 8
Kubota Diesel Engine
Exhaust System
Figure 6
1. Muffler gasket
2. Lock washer (4 used)
3. Cap screw (4 used)
4. Exhaust pipe
5. Heat shield (6 used)
6. Cap screw (2 used)
7. Lock washer (2 used)
8. Exhaust pipe bracket
9. Flange head screw
10. Flat washer
11. Flange nut
12. Exhaust pipe hanger
13. Cap screw
14. Lock washer
15. Flat washer
16. Flange nut
17. Cap screw
18. Muffler
19. Muffler clamp
20. Tailpipe
21. Muffler heat shield (2 used)
FRONT
RIGHT
12
18
19
21 20
2
3
8
910
4
11
7
5
1
6
5
5
12
11
10
9
13
14
16
15
17
13
13
14
14
15
15
19
SERIAL NUMBER BELOW 310000000
Removal (Fig. 6 or 7)
CAUTION
The muffler and exhaust pipes may be hot. To
avoid possible burns, allow the engine and ex-
haust system to cool before working on the ex-
haust system.
1. Park machine on a level surface, stop engine, en-
gage parking brake and remove key from the ignition
switch.
2. Support muffler from below to prevent it from falling.
3. Remove exhaust system components as required
using Fig. 6 (machines with serial number below
310000000) or Fig. 7 (machines with serial number
above 310000000) as a guide. During removal, note
location of fasteners in rubber exhaust system hangers
so hangers are properly assembled.
NOTE: On machines with serial number below
310000000, the muffler inlet is offset and the muffler out-
let is centered.
4. Locate and retrieve muffler gasket if exhaust pipe
was removed.
5. Remove heat shields, hangers and brackets from
exhaust components as needed.

Rev. D
Multi Pro 5700--D Page 3 -- 9 Kubota Diesel Engine
Installation (Fig. 6 or 7)
1. Install all removed heat shields, hangers and brack-
ets to exhaust components.
2. Make sure that gasket surfaces on engine exhaust
manifold and exhaust pipe are clean.
NOTE: On machines with serial number below
310000000, the muffler inlet is offset and the muffler out-
let is centered.
3. Install all removed exhaust system components us-
ing Fig. 6 (machines with serial number below
310000000) or Fig. 7 (machines with serial number
above 310000000) as a guide.
A. During exhaust installation, finger tighten all ex-
haust system components before fully tightening
any of the fasteners.
B. Install rubber exhaust system hangers as noted
during exhaust system removal.
C. Make sure that tailpipe outlet is parallel to the
ground.
D. Tighten muffler clamps last to secure exhaust
components.
Figure 7
1. Muffler gasket
2. Lock washer (4 used)
3. Cap screw (4 used)
4. Exhaust pipe
5. Screw (2 used)
6. Flat washer (3 used)
7. Muffler hanger (3 used)
8. Flange nut (2 used)
9. Cap screw (2 used)
10. Muffler hanger (2 used)
11. Muffler clamp (2 used)
12. Muffler
13. Flange nut
14. Carriage screw
2
3
6
89
10
11
13
1
5
7
12
14
4
6
7
7
SERIAL NUMBER ABOVE 310000000
Kubota Diesel
Engine

Multi Pro 5700–D
Page 3 – 10
Kubota Diesel Engine
Radiator
Figure 7
1. Oil cooler
2. Radiator brace (2 used)
3. Flat washer
4. Lock washer
5. Cap screw (2 used)
6. Cap screw (4 used)
7. Overflow hose
8. Hose clamp
9. Overflow bottle
10. Hose
11. Radiator shroud
12. Foam seal (2 used)
13. Foam seal
14. Radiator
15. Hose clamp
16. Upper radiator hose
17. Lower radiator hose
18. Flat washer
19. Cap screw (4 used)
20. Fan shroud
21. Flange nut
22. Cap screw (2 used)
23. Foam seal (2 used)
24. Foam seal (2 used)
25. Isomount (2 used)
26. Flange nut (2 used)
15
16
1
13
14
13
3
2
17
4
5
9
10
7
8
6
11
3
4
4
8
20
21
18
12
22
18
26
23
24
FRONT
RIGHT
19
20 25
Removal (Figs. 7)
1. Park machine on a level surface, stop engine, en-
gage parking brake and remove key from the ignition
switch. Raise seats of machine to allow access to en-
gine compartment.
CAUTION
Do not open radiator cap or drain coolant if the
radiator or engine is hot. Pressurized, hot cool-
ant can escape and cause burns. Ethylene–gly-
col antifreeze is poisonous. Dispose of coolant
properly, or store it in a properly labeled contain-
er away from children and pets.
2. Drain radiator into a suitable container using the ra-
diator drain (see Operator’s Manual).
3. Loosen hose clamps that secure radiator hoses. Dis-
connect upper and lower hoses from the radiator.
4. Loosen hose clamp that secures overflow hose to ra-
diator flange (Fig. 9). Slide overflow hose from radiator
flange and position hose away from radiator.
5. Remove six (6) cap screws (items 5 and 6), lock
washers and flat washers that secure top and bottom of
radiator shroud to radiator.

6. Disconnect throttle cable from engine (Fig. 8).
A. Loosen jam nut that secures throttle cable to
throttle plate on engine.
B. Remove e–ring that secures throttle cable to
speed control lever on engine.
C. Position throttle cable away from the engine.
7. Remove fasteners that secure spray control console
to seat box assembly (Fig. 9). Carefully pivot seats and
control console forward to allow radiator access. Take
care not to damage the wire harness or throttle cable.
8. Remove four (4) cap screws (item 19), lock washers
and flat washers that secure fan shroud to radiator.
9. Remove two (2) cap screws (item 22), flat washers
and flange nuts that attach fan shrouds.
10.Carefully lift upper fan shroud from machine.
11. Remove two (2) flange nuts (item 26) that secure the
isomounts on the bottom of the radiator to the machine
frame.
12.Carefully lift radiator up from machine.
Installation (Figs. 7)
1. Replace any foam seal pieces that are damaged or
deteriorated.
2. Make sure that lower fan shroud is positioned below
fan.
3. Carefully lower radiator to the machine frame. Se-
cure isomounts on the bottom of the radiator to the ma-
chine frame with two (2) flange nuts.
4. Position upper fan shroud to radiator. Attach fan
shrouds with cap screws (item 22), flat washers and
flange nuts.
5. Secure radiator shrouds to radiator with four (4) cap
screws (item 19), lock washers and flat washers. Make
sure that clearance exists between radiator shrouds
and fan at all points before tightening fasteners.
6. Connect lower and upper hoses to the radiator. Se-
cure hoses with hose clamps.
7. Carefully pivot seats and spray control console back
in position taking care not to damage wiring harness or
throttle cable. Install fasteners to secure control console
to seat box assembly.
8. Reconnect throttle cable to engine (Fig. 8).
A. Position throttle cable end to speed control lever
on engine and secure with e–ring.
B. Secure throttle cable to throttle plate on engine
with jam nut.
9. Secure radiator shroud to radiator with six (6) cap
screws (items 5 and 6), lock washers and flat washers.
10.Place overflow hose to radiator flange and secure
with hose clamp (Fig. 9).
11. Make sure radiator drain is closed. Fill radiator with
coolant (see Operator’s Manual).
12.Check position of wires, hydraulic hoses and control
cables for proper clearance with rotating, high tempera-
ture and moving components.
13.Start engine and check for proper operation. Check
all hose connections for leaks.
1
2
Figure 8
1. Throttle cable 2. Throttle plate
1
2
2
Figure 9
1. Overflow hose 2. Spray console fastener
Kubota Diesel
Engine
Multi Pro 5700–D Page 3 – 11 Kubota Diesel Engine

Rev. D Multi Pro 5700--D
Page 3 -- 12
Kubota Diesel Engine
Engine
Figure 11
1. Engine assembly
2. E--ring
3. Hose clamp
4. Air cleaner hose
5. Air cleaner assembly
6. Fuel pump
7. Fuel filter (if equipped)
8. Water/fuel filter
9. Snubbing washer
10. Flange nut
11. Engine mount (4 used)
12. Cap screw
13. Lock washer
14. Cap screw
15. Front engine bracket (RH shown)
16. Lock nut
17. Throttle plate
18. Lock washer
19. Cap screw
20. Lock washer
21. Cap screw
22. Cap screw
23. Coupling
24. Cap screw
25. Set screw
26. Lock washer
27. Cap screw
28. Rear engine bracket (2 used)
29. Cap screw (4 used)
30. Flywheel housing
FRONT
RIGHT
9
10
1
7
8
6
3
2
11
4
5
20
21
12
18
19
17
14
13
22
15
16
11
26
27
25
24
28
23
18
18
19
29
18
30
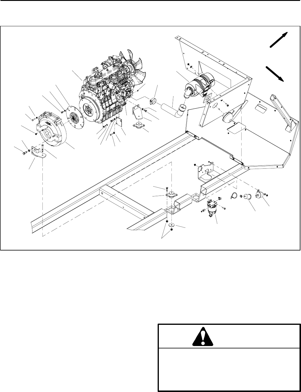
Removal (Fig. 11)
1. Park machine on a level surface, stop engine and re-
move key from the ignition switch. Raise machine to al-
low engine to be lowered from frame.
2. Disconnect negative (--) and then positive (+) battery
cables at the battery.
3. Loosen hose clamps that secure air cleaner hose to
engine air intake and air cleaner assembly. Remove air
cleaner hose.
CAUTION
Do not open radiator cap or drain coolant if the
radiator or engine is hot. Pressurized, hot cool-
ant can escape and cause burns. Ethylene--gly-
col antifreeze is poisonous. Dispose of coolant
properly, or store it in a properly labeled contain-
er away from children and pets.
4. Drain coolant from the radiator into a suitable con-
tainer (see Operator’s Manual).

CAUTION
Exhaust system components may be hot. To
avoid possible burns, allow the exhaust system
to cool before working on or near the muffler.
5. Remove exhaust system from engine (see Exhaust
System Removal in this section).
6. Remove upper and lower radiator hoses from en-
gine.
7. Disconnect engine electrical connections. Position
wires away from engine.
NOTE: Label all electrical leads for reassembly pur-
poses.
A. Remove positive battery cable, cable to accesso-
ry solenoid and fusible link connector from electric
starter motor solenoid stud (Fig. 11). Remove cable
tie that secures fusible link connector to starter.
B. Disconnect wire harness white wire and violet/
white wire connectors from starter motor.
C. Remove cap screw and lock washer that secure
negative battery cable and wire harness ground wire
to engine (Fig. 11).
D. Remove orange wire from glow plug terminal.
E. Disconnect blue wire from temperature sender
(Fig. 12).
F. Remove cable from alternator stud. Disconnect
wire harness connector from alternator (Fig. 13).
G. Disconnect brown/white wire from oil pressure
switch (Fig. 13).
H. Disconnect wire harness connector from fuel
stop solenoid (Fig. 14).
8. Clamp fuel supply hose after the water/fuel filter to
prevent leakage (Fig. 14). Disconnect fuel hose from the
fuel injector pump on engine. Position disconnected fuel
hose away from engine.
IMPORTANT: Support hydraulic pump assembly to
prevent it from falling and being damaged.
9. Remove hydraulic pump assembly from engine (see
Pump Assembly in Service and Repairs section of
Chapter 4 – Hydraulic System).
4
2
3
1
Figure 11
1. Starter motor stud 3. Harness ground wire
2. Negative battery cable 4. Motor mount
1
Figure 12
1. Temperature sender
3
4
2 1
Figure 13
1. Alternator 3. Harness connector
2. Alternator stud 4. Oil pressure switch
Kubota Diesel
Engine
Multi Pro 5700–D Page 3 – 13 Kubota Diesel Engine

10.Remove throttle cable from engine (Fig. 14).
A. Loosen jam nut that secures throttle cable to
throttle plate on engine.
B. Remove e–ring that secures throttle cable to
speed control lever on engine.
C. Position throttle cable away from the engine.
11. Note location of any cable ties used to secure the wir-
ing harness, fuel lines or hydraulic hoses to the engine
assembly. Remove cable ties attached to engine as-
sembly.
IMPORTANT: Support engine assembly to prevent
it from falling and being damaged during removal.
12.Remove flange nuts, snubbing washers and cap
screws securing the engine brackets to the machine
frame (Fig. 11).
IMPORTANT: Make sure not to damage the engine,
fuel hoses, hydraulic lines, electrical harness or
other parts while removing the engine assembly.
13.Using a hoist or lift, carefully lower engine from the
machine.
14.If necessary, remove engine brackets from the en-
gine and engine mounts from frame.
Installation (Fig. 10)
1. Locate machine on a level surface with key removed
from the ignition switch. Raise machine to allow engine
to be raised into frame.
2. Make sure that all parts removed from the engine
during maintenance or rebuilding are reinstalled to the
engine.
3. If engine brackets were removed from engine, se-
cure brackets to engine with cap screws and lock wash-
ers.
4. If engine mounts were removed from frame, secure
mounts to frame with cap screws and flange nuts.
IMPORTANT: Support engine assembly to prevent
it from falling and being damaged during installa-
tion.
IMPORTANT: Make sure not to damage the engine,
fuel hoses, hydraulic lines, electrical harness or
other parts while installing the engine assembly.
5. Using a hoist or lift, carefully raise engine assembly
from under machine and position to frame. Insert cap
screws through engine brackets and motor mounts from
above (Fig. 11). Install flange nuts on cap screws and
tighten nuts.
Kubota Diesel Engine
2
3
4
5
1
Figure 14
1. Fuel stop solenoid 4. Throttle cable
2. Fuel supply hose 5. Throttle plate
3. Water/fuel filter
6. Connect machine wire harness to engine electrical
components (see step 7 in removal procedure).
7. Connect fuel supply hose to the fuel injector pump on
engine (Fig. 14). Remove clamp from fuel hose.
8. Reconnect throttle cable to engine (Fig. 14).
A. Position throttle cable end to speed control lever
on engine and secure with e–ring.
B. Secure throttle cable to throttle plate on engine
with jam nut.
9. Install upper and lower radiator hoses to engine. Se-
cure hoses with hose clamps.
IMPORTANT: During hydraulic pump installation,
support pump to prevent it from falling and being
damaged.
10.Install hydraulic pump assembly to engine (see
Pump Assembly in Service and Repairs section of
Chapter 4 – Hydraulic System).
IMPORTANT: Any leaks in the air intake system will
cause serious engine damage. Make sure that all air
cleaner components are in good condition and are
properly secured during reassembly.
11. Install air cleaner hose to engine and air cleaner as-
sembly. Make sure that hose clamps are properly tight-
ened.
12.Install exhaust system (see Exhaust System Instal-
lation in this section).
13.Install cable ties to secure the wiring harness, fuel
lines and hydraulic hoses to the engine assembly using
notes taken during engine removal.
14.Properly fill the radiator with coolant (see Operator’s
Manual).
Multi Pro 5700–D
Page 3 – 14

15.Check engine oil level and adjust if necessary (see
Operator’s Manual).
16.Connect positive (+) and then negative (–) battery
cables to the battery.
17.Check position of wires, fuel lines, hydraulic hoses
and cables for proper clearance with rotating, high tem-
perature and moving components.
18.Start engine and check for proper operation. Check
all hose connections for leaks. Check engine speed.
Multi Pro 5700–D Page 3 – 15 Kubota Diesel Engine
Kubota Diesel
Engine
This page is intentionally blank.
Kubota Diesel Engine Page 3 – 16 Multi Pro 5700–D

Rev. D
Multi Pro 5700--D Hydraulic SystemPage 4 -- 1
Chapter 4
Hydraulic System
Table of Contents
SPECIFICATIONS 3.............................
GENERAL INFORMATION 4.....................
Hydraulic Hoses 4............................
Hydraulic Fitting Installation 4...................
Tow i ng Sp r ay e r 6.............................
Check Hydraulic Fluid 6.......................
HYDRAULIC SCHEMATIC 8.....................
HYDRAULIC FLOW CIRCUITS 9.................
Traction Circuit 9..............................
Steering Circuit 10............................
Spray Pump Drive Circuit 11....................
SPECIAL TOOLS 12............................
Hydraulic Pressure Test Kit 12..................
Hydraulic Tester (Pressure and Flow) 12.........
Hydraulic Test Fitting Kit 13.....................
TROUBLESHOOTING 14........................
TESTING 16...................................
Traction Circuit Charge Pressure Test 17.........
Traction Circuit Relief Pressure Test 18..........
Gear Pump Flow Test 19.......................
Steering Circuit Relief Pressure Test 20..........
Steering Control Valve and Steering
Cylinder Test 21.............................
Spray Pump Drive Circuit Relief Pressure Test 22.
Wheel Motor Efficiency: Case Drain Test 23......
Pulse Width Modulated (PWM) Valve Flow Test 24
ADJUSTMENTS 25.............................
Adjust Traction Pedal for Neutral (Machines with
Serial Numbers Below 310000000) 25.........
Adjust Traction Pedal for Neutral (Machines with
Serial Numbers Above 310000000) 25.........
Adjust Relief Valve 26.........................
SERVICE AND REPAIRS 27.....................
General Precautions for Removing and Installing
Hydraulic System Components 27.............
Check Hydraulic Lines and Hoses 27............
Flush Hydraulic System 28.....................
Charge Hydraulic System 29...................
Gear Pump 30................................
Gear Pump Service 32.........................
Piston (Traction) Pump 34......................
Piston (Traction) Pump Service 36..............
Manual Servo Control Assembly 37.............
Wheel Motors 38..............................
Wheel Motor Service 40.......................
Spray Pump Drive Motor 42....................
Spray Pump Drive Motor Service 44.............
Relief Valve 45...............................
Pulse Width Modulated (PWM) Valve 46.........
Steering Control Valve 48......................
Steering Control Valve Service 50...............
Steering Cylinder 52...........................
Steering Cylinder Service 54...................
Oil Cooler 56.................................
Hydraulic Reservoir 58........................
EATON MODEL 26000 SINGLE GEAR PUMP REPAIR
INFORMATION
EATON MODEL 72400 SERVO CONTROLLED PIS-
TON PUMP REPAIR INFORMATION
EATON MODEL 74318 and 74348 PISTON MOTORS:
FIXED DISPLACEMENT, VALVE PLATE DESIGN
REPAIR INFORMATION
PARKER TORQLINKTM SERVICE PROCEDURE
Hydraulic
System
Multi Pro 5700--DHydraulic System Page 4 -- 2
This page is intentionally blank.

Multi Pro 5700--D Hydraulic SystemPage 4 -- 3
Specifications
Item Description
Piston (Traction) Pump Variable displacement piston pump
System Relief Pressure: Forward 4000 PSI (276 bar)
System Relief Pressure: Reverse 4000 PSI (276 bar)
Charge Pressure 250 to 300 PSI (17 to 21 bar)
Gear Pump Single section, positive displacement gear pump
Steering Circuit Relief Pressure 1000 PSI (69 bar)
Spray Pump Circuit Relief Pressure 1500 PSI (103 bar)
Rear Wheel Motors Fixed displacement piston motor
Spray Pump Motor Orbital rotor motor
Hydraulic Filter 10 Micron spin--on cartridge type
Hydraulic Reservoir 12 gal. (45 l)
Hydraulic Oil See Operator’s Manual
Hydraulic
System

Multi Pro 5700--DHydraulic System Page 4 -- 4
General Information
Hydraulic Hoses
Hydraulic hoses are subject to extreme conditions such
as pressure differentials during operation and exposure
to weather, sun, chemicals, very warm storage condi-
tions, or mishandling during operation and mainte-
nance. These conditions can cause damage or
premature deterioration. Some hoses are more suscep-
tible to these conditions than others. Inspect the hoses
frequently for signs of deterioration or damage.
When replacing a hydraulic hose, be sure that the hose
is straight (not twisted) before tightening the fittings.
This can be done by observing the imprint on the hose.
Use two wrenches; hold the hose straight with one
wrench and tighten the hose swivel nut onto the fitting
with the other wrench.
WARNING
Before disconnecting or performing any work
on hydraulic system, relieve all pressure in
system. Stop engine and rotate the steering
wheel.
Keep body and hands away from pin hole leaks
or nozzles that eject hydraulic fluid under high
pressure. Use paper or cardboard, not hands,
to search for leaks. Hydraulic fluid escaping
under pressure can have sufficient force to
penetrate the skin and cause serious injury. If
fluid is injected into the skin, it must be surgi-
cally removed within a few hours by a doctor
familiar with this type of injury. Gangrene may
result from such an injury.
Hydraulic Fitting Installation
O--Ring Face Seal
1. Make sure both threads and sealing surfaces are
free of burrs, nicks, scratches, or any foreign material.
2. Make sure the O--ring is installed and properly
seated in the groove. It is recommended that the O--ring
be replaced any time the connection is opened.
3. Lubricate the O--ring with a light coating of oil.
4. Put the tube and nut squarely into position on the
face seal end of the fitting and tighten the nut until finger
tight.
5. Mark the nut and fitting body. Hold the body with a
wrench. Use another wrench to tighten the nut to the cor-
rect Flats From Finger Tight (F.F.F.T.). The markings on
the nut and fitting body will verify that the connection has
been tightened.
Siz e F. F. F. T.
4 (1/4 in. nominal hose or tubing) 0.75 + 0.25
6(3/8in.) 0.75+0.25
8(1/2in.) 0.75+0.25
10 (5/8 in.) 1.00 + 0.25
12 (3/4 in.) 0.75 + 0.25
16 (1 in.) 0.75 + 0.25
Figure 1
Nut
Sleeve
Seal
Body
Figure 2
Mark Nut
and Body
Final
Position
Extend Line Initial
Position
Finger Tight After Proper Tightening

Multi Pro 5700--D Hydraulic SystemPage 4 -- 5
SAE Straight Thread O--Ring Port -- Non--adjustable
1. Make sure both threads and sealing surfaces are
free of burrs, nicks, scratches, or any foreign material.
2. Always replace the O--ring seal when this type of fit-
ting shows signs of leakage.
3. Lubricate the O--ring with a light coating of oil.
4. Install the fitting into the port and tighten it down full
length until finger tight.
5. Tighten the fitting to the correct Flats From Finger
Tight (F.F.F.T.).
Siz e F. F. F. T.
4 (1/4 in. nominal hose or tubing) 1.00 + 0.25
6(3/8in.) 1.50+0.25
8(1/2in.) 1.50+0.25
10 (5/8 in.) 1.50 + 0.25
12 (3/4 in.) 1.50 + 0.25
16 (1 in.) 1.50 + 0.25
NOTE: Installation torque values for non--adjustable fit-
tings are listed in Figure 4. These torque values should
only be used when a fitting can be accessed with a
socket. Use of an offset wrench (e.g. crowfoot wrench)
will affect torque wrench accuracy and should not be
used.
Figure 3
O--Ring
Fitting Size Installation Torque
49--10ft--lb(12--13N--m)
62 0 -- 2 1 f t -- l b ( 2 7 -- 2 8 N -- m )
83 5 -- 3 7 f t -- l b ( 4 7 -- 5 0 N -- m )
10 6 0 -- 6 6 f t -- l b ( 8 1 -- 8 9 N -- m )
12 8 1 -- 8 7 f t -- l b ( 1 1 0 -- 1 1 7 N -- m )
16 121--131 ft--lb (164--177 N--m)
Figure 4
SAE Straight Thread O--Ring Port -- Adjustable
1. Make sure both threads and sealing surfaces are
free of burrs, nicks, scratches, or any foreign material.
2. Always replace the O--ring seal when this type of fit-
ting shows signs of leakage.
3. Lubricate the O--ring with a light coating of oil.
4. Turn back the jam nut as far as possible. Make sure
the back up washer is not loose and is pushed up as far
as possible (Step 1).
5. Install the fitting into the port and tighten finger tight
until the washer contacts the face of the port (Step 2).
6. To put the fitting in the desired position, unscrew it by
the required amount, but no more than one full turn
(Step 3).
7. Hold the fitting in the desired position with a wrench
and turn the jam nut with another wrench to the correct
Flats From Finger Tight (F.F.F.T.) (Step 4).
Siz e F. F. F. T.
4 (1/4 in. nominal hose or tubing) 1.00 + 0.25
6(3/8in.) 1.50+0.25
8(1/2in.) 1.50+0.25
10 (5/8 in.) 1.50 + 0.25
12 (3/4 in.) 1.50 + 0.25
16 (1 in.) 1.50 + 0.25
Figure 5
Lock Nut
Back--up Washer
O--Ring
Figure 6
Step 3Step 1
Step 2 Step 4
Hydraulic
System

Multi Pro 5700--DHydraulic System Page 4 -- 6
Towing Sprayer
IMPORTANT: If towing limits are exceeded, severe
damage to the piston (traction) pump may occur.
If it becomes necessary to tow (or push) the machine,
tow (or push) at a speed below 3 mph (4.8 kph).The
piston (traction) pump is equipped with a by--pass valve
that needs to be turned 90ofor towing (or pushing). See
Operator’s Manual for Towing Procedures.
1. By--pass valve location
Figure 7
1
Check Hydraulic Fluid
The Multi Pro 5700--D hydraulic system is designed to
operate on anti--wear hydraulic fluid. The reservoir
holds approximately 12 gallons (45 liters) of hydraulic
fluid. Check level of hydraulic fluid daily. See Opera-
tor’s Manual for fluid level checking procedure and hy-
draulic oil recommendations.
1. Hydraulic reservoir cap
Figure 8
1

Multi Pro 5700--D Hydraulic SystemPage 4 -- 7
This page is intentionally blank.
Hydraulic
System

Multi Pro 5700--DHydraulic System Page 4 -- 8
Hydraulic Schematic
OIL COOLER
ENGINE
HYDRAULIC
(12.5 GPM) (0--20 PSI)
RADIATOR
RELIEF
VALVE
FLOW DURING
RIGHT TURN
(3 GPM) (0--75 PSI)
MAIN RETURN
STEERING
VALVE
PRIORITY FLOW
CYLINDER
PUMP
GEAR
PUMP
LOWER
CHARGE
PISTON
MOTOR
PUMP
PRESSURE
WHEEL
UPPER
FLOW
(0--20 PSI)
SECONDARY
STEERING
(3 GPM) (0--1000PSI)
CHARGE PORT
TO REMOTE
RESERVOIR
FLRT
FILTER
(0--17 GPM MAX)
MODULATED
FLOW DURING
EX
(5.8 GPM VAC)
(13 GPM VAC)
MAIN PRESSURE
(275 PSI)
(5.8 GPM)
T = TANK
R = WORKING PRESSURE
L = WORKING PRESSURE
P = PRESSURE
MOTOR
WHEEL
(9.5 GPM) (0--75 PSI)
(0--4000 PSI)
CASE DRAIN
(CHARGE PUMP
PRESSURE)
FORWARD MOTION
CF
MOTOR
PULSE WIDTH
VALVE
IN
HYDRAULIC
FLOW
(0--9.5 GPM)
(9.5 GPM SECONDARY FLOW) (0--1500 PSI)
SPRAY PUMP
NOMINAL SPRAYER
EX = BYPASS
CF = CONTROLLED
IN = PRESSURE
FLOW DURING FORWARD MOTION
NOTE: FLOWS SHOWN ARE AT
FULL ENGINE SPEED (3100 RPM),
FORWARD MOTION AND TURNING
TO THE RIGHT
DIESEL
KUBOTA

Hydraulic Flow Circuits
Traction Circuit
The traction circuit piston pump is a variable displace-
ment pump that is directly coupled to the engine fly-
wheel. Pushing the top of the traction pedal rotates the
pump swash plate to create a flow of oil for forward ma-
chine movement. Pushing the bottom of the traction
pedal rotates the pump swash plate to cause oil flow for
reverse machine movement. This oil is directed to the
rear wheel motors. Operating pressure on the high pres-
sure side of the closed traction circuit loop is determined
by the amount of load developed at the fixed displace-
ment wheel motors. As the load increases, circuit pres-
sure can increase to relief valve settings: 4000 PSI in
either forward or reverse. If pressure exceeds the relief
setting, oil flows through the relief valve to the low pres-
sure side of the closed loop circuit.
Traction circuit pressure (forward or reverse) can be
measured by installing a tee fitting and gauge into the
traction system hydraulic lines.
The piston (traction) pump and wheel motors use a
small amount of hydraulic oil for internal lubrication. Oil
is designed to leak across pump and motor parts into the
case drain. This leakage results in the loss of hydraulic
oil from the closed loop traction circuit that must be re-
placed.
The piston (traction) pump incorporates a charge pump
that provides make–up oil for the traction circuit. This
gerotor gear pump is driven by the piston pump drive
shaft. It provides a constant supply of charge oil to the
traction circuit to make up for oil that is lost due to inter-
nal leakage in the piston pump and wheel motors.
Charge pump flow is directed through the oil filter and to
the low pressure side of the closed loop traction circuit.
Pressure in the charge circuit is limited by a relief valve
located in the charge plate adapter on the rear of the pis-
ton pump. Charge pump pressure can be measured at
the auxiliary test port on the side of the piston pump.
Hydraulic
System
Multi Pro 5700–D Page 4 – 9 Hydraulic System

Steering Circuit
A single section gear pump is coupled to the piston (trac-
tion) pump. The gear pump supplies hydraulic flow to
the steering control valve and the spray pump drive hy-
draulic motor. Pump hydraulic flow is delivered to the
two circuits through a flow divider with the steering cir-
cuit having priority. The gear pump takes its suction from
the hydraulic reservoir. Steering circuit pressure is limit-
ed by a relief valve located in the gear pump.
The steering control valve includes a check valve that al-
lows steering operation when the engine is not running.
Steering wheel rotation with the engine off causes oil
flow from the steering control gerotor. The check valve
opens in this situation to allow oil flow from the steering
control to the steering cylinder in a closed loop.
Hydraulic flow and pressure to the steering control valve
can be monitored at the outlet of the gear pump.
With the steering wheel in the neutral position and the
engine running, gear pump flow enters the steering con-
trol valve (port P) and goes through the steering control
spool valve, by–passing the rotary meter (V1) and steer-
ing cylinder. Flow leaves the control valve (port T), to the
oil cooler, and returns to the hydraulic oil reservoir.
Left Turn
When a left turn is made with the engine running, the
turning of the steering wheel positions the spool valve so
that flow goes through the top of the spool. Flow entering
the steering control valve from the gear pump goes
through the spool and is routed through the rotary meter
(V1) and out the L port. Pressure extends the steering
cylinder piston for a left turn. The rotary meter ensures
that the oil flow to the cylinder is proportional to the
amount of the turning on the steering wheel. Fluid leav-
ing the cylinder flows back through the spool valve, then
to the oil cooler and returns to the reservoir.
The steering control valve returns to the neutral position
when turning is completed.
Right Turn
When a right turn is made with the engine running, the
turning of the steering wheel positions the spool valve so
that flow goes through the bottom of the spool. Flow en-
tering the steering control valve from the gear pump
goes through the spool and is routed through rotary me-
ter (V1) but goes out port R. Pressure contracts the
steering cylinder piston for a right turn. The rotary meter
ensures that the oil flow to the cylinder is proportional to
the amount of the turning on the steering wheel. Fluid
leaving the cylinder flows back through the spool valve,
then to the oil cooler and returns to the reservoir.
The steering control valve returns to the neutral position
when turning is completed.
STEERING CYLINDER STEERING CYLINDER STEERING CYLINDER
NO PISTON MOVEMENT PISTON MOVEMENT PISTON MOVEMENT
R L
T P STEERING
CONTROL STEERING
T
R
P
L
CONTROL
STEERING
T
R
P
L
CONTROL
NEUTRAL POSITION LEFT TURN RIGHT TURN
Figure 9
Hydraulic System Page 4 – 10 Multi Pro 5700–D

Spray Pump Drive Circuit
A single section gear pump is coupled directly to the pis-
ton (traction) pump. The gear pump supplies hydraulic
flow to the steering control valve and the spray pump
drive hydraulic motor. Gear pump hydraulic flow is deliv-
ered to the two circuits through a flow divider with the
steering circuit having priority. The gear pump takes its
suction from the hydraulic reservoir. Spray pump drive
circuit pressure is limited by an adjustable relief valve lo-
cated on the outside of the piston (traction) pump.
Spray pump drive circuit hydraulic flow and pressure
can be monitored at the outlet of the gear pump.
Hydraulic flow control for the spray pump drive hydraulic
motor is completed by the Pulse Width Modulated
(PWM) Valve. The PWM Valve consists of an electric so-
lenoid valve that allows the operator to adjust hydraulic
flow to the spray pump motor. The spray pump on/off
and application rate (increase/decrease) switches are
used to adjust electrical current to the PWM Valve sole-
noid.
With the engine running and the spray pump switch in
the OFF position, the solenoid valve in the PWM Valve
is not energized. All gear pump flow to the PWM Valve
is directed out the EX port of the PWM Valve, to the oil
cooler, and returns to the hydraulic oil reservoir. The
spray pump hydraulic motor receives no hydraulic flow
so the spray system pump is not rotated and no spray
system flow is available.
With the engine running and the spray pump switch in
the ON position, the solenoid valve in the PWM Valve is
energized. Based on available current (mA) from the
spray pump application rate (increase/decrease)
switch, the solenoid spool valve in the PWM Valve di-
rects some gear pump flow out the CF port to the spray
pump hydraulic motor. This hydraulic flow causes the
motor to rotate the spray system pump for spray system
operation. Gear pump hydraulic flow in excess of PWM
solenoid spool valve setting is directed out the EX port
of the PWM Valve, to the oil cooler, and returns to the hy-
draulic oil reservoir.
The spray pump application rate (increase/decrease)
switch allows the operator to adjust electrical current to
the PWM Valve solenoid. Higher current (rate increase)
to the PWM Valve solenoid increases hydraulic flow to
the spray pump motor and results in a higher spray
pump speed with more spray system output/pressure.
Lower current (rate decrease) to the PWM Valve sole-
noid decreases hydraulic flow to the spray pump motor
and results in a lower spray pump speed with less spray
system output/pressure.
NOTE: Correct operation of the PWM Valve depends
on precision manufacturer’s assembly and adjustment.
No disassembly or adjustment of the PWM Valve is rec-
ommended.
Hydraulic
System
Multi Pro 5700–D Page 4 – 11 Hydraulic System

Rev. D Multi Pro 5700--DHydraulic System Page 4 -- 12
Special Tools
Order these special tools from your Toro Distributor.
Hydraulic Pressure Test Kit
Toro Part Number: TOR47009
Use to take various pressure readings for diagnostic
tests. Quick disconnect fittings provided attach directly
to mating fittings on machine test ports without tools. A
high pressure hose is provided for remote readings.
Contains one each: 1000 PSI (70 Bar), 5000 PSI (350
Bar) and 10000 PSI (700 Bar) gauges. Use gauges as
recommended in Testing section of this chapter.
Figure 10
Hydraulic Tester (Pressure and Flow)
Toro Part Number: TOR214678
Use to test hydraulic circuits and components for flow
and pressure capacities as recommended in the Testing
section of this chapter. This tester includes the following:
1. INLET HOSE: Hose connected from the system cir-
cuit to the inlet side of the hydraulic tester.
2. LOAD VALVE: A simulated working load is created
in the circuit by turning the valve to restrict flow.
3. PRESSURE GAUGE: Glycerine filled 0 to 5000 PSI
gauge to provide operating circuit pressure.
4. FLOW METER: This meter measures actual oil flow
in the operating circuit with a gauge rated from 1 to 15
GPM(5to55LPM).
5. OUTLET HOSE: A hose from the outlet side of the
hydraulic tester connects to the hydraulic system circuit.
6. FITTINGS: An assortment of hydraulic fittings are in-
cluded with this kit.
Figure 11

Rev. C
Multi Pro 5700--D Hydraulic SystemPage 4 -- 13
O--Ring Kit
Toro Part Number: 16--3799
The kit includes O--rings in a variety of sizes for face seal
and port seal hydraulic connections. It is recommended
that O--rings be replaced whenever a hydraulic connec-
tion is loosened.
Figure 12
Hydraulic Test Fitting Kit
Toro Part Number: TOR4079
This kit includes a variety of O--ring Face Seal fittings to
enable connection of test gauges to the hydraulic sys-
tem.
The kit includes: tee’s, unions, reducers, plugs, caps
and test fittings.
Figure 13
TORO TEST FITTING KIT (NO. TOR4079)
Hydraulic
System
Hydraulic
System

Multi Pro 5700--DHydraulic System Page 4 -- 14
Troubleshooting
The cause of an improperly functioning hydraulic sys-
tem is best diagnosed with the use of proper testing
equipment and a thorough understanding of the com-
plete hydraulic system.
A hydraulic system with an excessive increase in heat
or noise has a potential for failure. Should either of these
conditions be noticed, immediately stop the machine,
turn off the engine, locate the cause of the trouble, and
correct it before allowing the machine to be used again.
Continued use of an improperly functioning hydraulic
system could lead to extensive internal component
damage.
The chart that follows contains information to assist in
troubleshooting. There may possibly be more than one
cause for a machine malfunction.
Refer to the Testing section of this Chapter for precau-
tions and specific test procedures.
Problem Possible Cause
Hydraulic oil leaks. Hydraulic fitting(s) or hose(s) are loose or damaged.
O--ring(s) or seal(s) are missing or damaged.
Foaming hydraulic fluid. Oil level in reservoir is incorrect.
Hydraulic system has wrong kind of oil.
Piston and/or gear pump suction line has an air leak.
Water in hydraulic system.
Hydraulic system operates hot. Oil level in reservoir is incorrect.
Hydraulic hose is kinked.
Oil is contaminated or incorrect viscosity.
Brakes are engaged or sticking.
Piston pump by--pass valve is open or damaged.
Hydraulic oil cooling system is not operating properly.
Charge pressure is low.
Traction circuit pressure is incorrect.
Wheel motor(s) or spray pump motor is/are worn or damaged.
Gear pump or piston (traction) pump is worn or damaged.
Machine operates in one direction
only.
Traction control linkage is faulty.
System charge check valve and/or system relief valve is defective.
Traction pedal is sluggish. Traction control linkage is stuck or binding.
Piston pump manual servo control assembly is damaged.
Piston pump or wheel motor(s) are worn or damaged.
Charge pressure is low.

Multi Pro 5700--D Hydraulic SystemPage 4 -- 15
Machine travels too far before stop-
ping when the traction pedal is re-
leased.
Traction linkage is binding or out of adjustment.
Piston pump manual servo control assembly is damaged.
Traction pedal does not return to neutral.
Traction power is lost or unit will not
operate in either direction.
Brakes are engaged or sticking.
Traction control linkage is damaged or disconnected.
Hydraulic reservoir oil level is low.
Piston pump by--pass valve is open or damaged.
Charge pressure is low.
Traction circuit pressure is low.
Rear wheel motor couplers are damaged.
Steering inoperative or sluggish Engine speed is too low.
Steering cylinder is binding.
Reservoir oil level is low.
Check valve in steering control valve is sticking, worn or damaged.
Steering relief valve is stuck open.
Steering control valve is worn or damaged.
Steering cylinder leaks internally.
Priority valve in gear pump is sticking, worn or damaged.
Gear pump is worn or damaged.
Turning steering wheel turns ma-
chine in the wrong direction.
Hoses to the steering cylinder are reversed.
Steering cylinder has internal leak.
Spray pump hydraulic motor does
not rotate.
PWM Valve solenoid valve is sticking or damaged.
PWM Valve solenoid or circuit wiring has electrical problem (see
Chapter 5 -- Electrical System).
Priority valve in gear pump is sticking or damaged.
Spray pump hydraulic motor is worn or damaged.
Hydraulic
System

Testing
The most effective method for isolating problems in the
hydraulic system is by using hydraulic test equipment
such as pressure gauges and flow meters in the hydrau-
lic circuits during various operational checks (See the
Special Tools section in this Chapter).
Before Performing Hydraulic Tests
IMPORTANT: All obvious areas such as hydraulic
oil supply, oil filter, binding linkages, loose fasten-
ers, or improper adjustments must be checked be-
fore assuming that a hydraulic component is the
source of a hydraulic problem.
Before performing any work on the hydraulic
system pressure.
WARNING
system, system pressure must be relieved and
all rotating machine parts must come to a stop.
Turn ignition switch OFF and remove key from
switch. When engine has stopped rotating, op-
erate all hydraulic controls to relieve hydraulic
Precautions for Hydraulic Testing
CAUTION
sure (PSI) rating as listed in test procedures
personal injury from leaking hot oil.
escaping under pressure can have sufficient
force to penetrate the skin and cause serious
Failure to use gauges with recommended pres-
could result in damage to the gauge and possible
WARNING
Keep body and hands away from pin hole leaks
or nozzles that eject hydraulic fluid under high
pressure. Do not use hands to search for
leaks; use paper or cardboard. Hydraulic fluid
injury. If fluid is injected into the skin, it must
be surgically removed within a few hours by a
doctor familiar with this type of injury. Gan-
grene may result from such an injury.
CAUTION
All testing should be performed by two (2)
ate the machine, and the other person should
read and record test results.
people. One person should be in the seat to oper-
1. Clean machine thoroughly before disconnecting or
disassembling any hydraulic components. Always keep
in mind the need for cleanliness when working on hy-
draulic equipment. Contamination will cause excessive
wear of hydraulic components.
2. Put metal caps or plugs on any hydraulic lines left
open or exposed during testing or removal of compo-
nents.
3. The engine must be in good operating condition. Use
a phototac to check engine speed when performing a
hydraulic test. Engine speed will affect the accuracy of
the tester readings.
4. The inlet and the outlet hoses for tester with pressure
and flow capabilities must be properly connected. If
hoses are reversed, damage to the hydraulic tester or
components can occur.
5. When using hydraulic tester with pressure and flow
capabilities, completely open tester load valve before
starting engine to minimize the possibility of damage to
components.
6. Install tester fittings finger tight and far enough to
make sure that they are not cross–threaded before tight-
ening them with a wrench.
7. Position tester hoses to prevent rotating machine
parts from contacting and damaging the hoses or tester.
8. Check oil level in the hydraulic reservoir. After con-
necting test equipment, make sure reservoir is full.
9. Check control linkages for improper adjustment,
binding, or broken parts.
10.After installing test gauges, run engine at low speed
and check for any hydraulic oil leaks.
11. All hydraulic tests should be made with the hydraulic
oil at normal operating temperature.
12.Before returning machine to use, make sure that hy-
draulic reservoir has correct fluid level. Also, check for
hydraulic leaks after test equipment has been removed
from hydraulic system.
Hydraulic System Page 4 – 16 Multi Pro 5700–D

Traction Circuit Charge Pressure Test
1. Make sure hydraulic oil is at normal operating tem-
perature by operating the machine for approximately 10
minutes. Make sure the hydraulic tank is full.
2. Park machine on a level surface, stop engine, en-
gage parking brake, and remove key from the ignition
switch. After turning engine off, operate all hydraulic
controls to relieve hydraulic system pressure.
CAUTION
of this section.
Prevent personal injury and/or damage to equip-
ment. Read all WARNINGS, CAUTIONS, and Pre-
cautions for Hydraulic Testing at the beginning
3. Remove plug from auxiliary test port on left side of
piston (traction) pump (Fig. 13). Connect a 1000 PSI
gauge into auxiliary test port.
4. After installing pressure gauge, start engine and run
at idle speed. Check for hydraulic leakage and correct
before proceeding with test.
5. Operate the engine at high idle engine speed (3050
– 3150 RPM) with no load on the hydraulic system.
GAUGE READING TO BE 250 to 300 PSI.
6. Stop engine and record test results.
7. If there is no pressure, or pressure is low, check for
restriction in pump suction line. Also, inspect charge re-
lief valve located in charge pump adapter on piston
pump. If necessary, check for internal damage or worn
parts in charge pump.
8. Also, with the pressure gauge still connected to the
auxiliary test port on piston pump, take a gauge reading
while operating the machine in forward and reverse.
Start the engine and put throttle at high idle engine
speed. Apply the brakes and push the traction pedal for-
ward, then reverse.
GAUGE READING TO BE 250 to 300 PSI.
9. If charge pressure is good under no load, but drops
below specification when under traction load, the piston
(traction) pump and/or traction wheel motor(s) should
be suspected of wear and inefficiency. When the piston
pump and/or traction motor(s) are worn or damaged, the
charge pump is not able to keep up with internal leakage
in traction circuit components.
10.Disconnect pressure gauge from piston pump and
reinstall plug to auxiliary test port.
Multi Pro 5700–D Page 4 – 17
1
Figure 13
1. Auxiliary test port plug
Hydraulic System
Hydraulic
System

Traction Circuit Relief Pressure Test
1. Make sure hydraulic oil is at normal operating tem-
perature by operating the machine for approximately 10
minutes. Make sure the hydraulic tank is full.
2. Park machine on a level surface, stop engine, en-
gage parking brake, and remove key from the ignition
switch. After turning engine off, operate all hydraulic
controls to relieve hydraulic system pressure.
CAUTION
of this section.
Prevent personal injury and/or damage to equip-
ment. Read all WARNINGS, CAUTIONS, and Pre-
cautions for Hydraulic Testing at the beginning
3. Clean and disconnect hydraulic pressure hose from
piston pump fitting on right side of pump for function to
be checked (Fig. 14):
Forward pressure hose is upper hose
Reverse pressure hose is lower hose
4. Install T–connector with 10,000 PSI test gauge be-
tween the piston pump fitting and the disconnected
hose.
5. After installing pressure gauge, start engine and run
at idle speed. Check for hydraulic leakage and correct
before proceeding with test.
6. Operate the engine at high idle speed (3050 – 3150
RPM).
CAUTION
and obstructions.
Move machine to an open area, away from people
7. Drive machine to an open area and engage the park-
ing brake.
8. Sit on seat, apply brakes fully, and slowly depress the
traction pedal in the appropriate direction (forward or re-
verse). While pushing traction pedal, look at pressure
reading on gauge:
GAUGE READING TO BE:
Forward: maximum of 4000 PSI
Reverse: maximum of 4000 PSI
9. Release traction pedal and stop engine. Record test
results.
10.If traction pressure is too low, inspect traction pump
relief valves (Fig. 15). Clean or replace valves as neces-
sary. These cartridge type valves are factory set, and
are not adjustable. If relief valves are in good condition,
traction pump or wheel motors should be suspected of
wear and inefficiency.
11. Disconnect pressure gauge from machine and re-
connect hydraulic hose.
1
2
Figure 14
1. Forward pressure hose 2. Reverse pressure hose
1
2
Figure 15
1. Forward relief valve 2. Reverse relief valve
Hydraulic System Page 4 – 18 Multi Pro 5700–D

Gear Pump Flow Test
Output from the gear pump is divided by a priority flow
divider to allow priority flow to the steering circuit and
secondary flow to the spray pump drive circuit. To test
gear pump flow, testing of both circuits is required. Total
gear pump flow is the combined flow from the two cir-
cuits. If a problem is suspected in one of the two circuits,
flow for that circuit should be measured to determine if
the problem is pump related or is involved with other cir-
cuit components.
1. Make sure hydraulic oil is at normal operating tem-
perature by operating the machine for approximately 10
minutes. Make sure the hydraulic tank is full.
2. Park machine on a level surface, stop engine, en-
gage parking brake, and remove key from the ignition
switch. After turning engine off, operate all hydraulic
controls to relieve hydraulic system pressure.
CAUTION
of this section.
Prevent personal injury and/or damage to equip-
ment. Read all WARNINGS, CAUTIONS, and Pre-
cautions for Hydraulic Testing at the beginning
IMPORTANT: Make sure that the oil flow indicator
arrow on the flow meter is showing that the oil will
flow from the pump, through the tester, and into the
hydraulic hose.
3. With the engine off, clean hose fitting and disconnect
one of the circuit pressure hoses from the gear pump
(Fig. 16). Install tester with pressure gauges and flow
meter in series between the gear pump and the discon-
nected hose. Make sure the tester flow control valve
is open.
4. After installing tester, start engine and run at idle
speed. Check for hydraulic leakage and correct before
proceeding with test.
IMPORTANT: The gear pump is a positive displace-
ment type. If pump flow is completely restricted or
stopped, damage to the gear pump, tester, or other
components could occur.
5. Operate the engine at high idle speed (3050 – 3150
RPM). Verify engine speed with a phototac.
6. While watching tester pressure gauges, slowly close
flow control valve on the tester until 800 PSI is obtained
on gauge. Verify engine speed continues to be within
spec. Record flow meter reading.
GAUGE READING TO BE: For steering circuit, flow
should be approximately 3 GPM at 800 PSI. For
spray motor circuit, flow should be approximately 9.5
GPM at 800 PSI.
7. Open tester flow control valve and stop engine.
NOTE: Relief pressure for steering and/or spray pump
drive circuits can be determined with the tester posi-
tioned as described in this test.
8. Remove tester and reinstall disconnected hose.
Complete steps 3 through 6 for other circuit hose.
9. If the total of the two flows is less than 12.5 GPM or
a pressure of 800 PSI could not be obtained, check for
restriction in pump suction line. If suction line is not re-
stricted, remove gear pump and repair or replace as
necessary.
If the total of the two flows is 12.5 GPM but individual cir-
cuit flow is incorrect (e.g. steering circuit has 6 GPM and
spray motor circuit has 6.5 GPM), suspect a problem
with one of circuits or with the priority flow divider in the
gear pump.
2
1
Figure 16
1. Steering circuit pressure hose
2. Spray motor circuit pressure hose
Hydraulic
System
Multi Pro 5700–D Page 4 – 19 Hydraulic System

Steering Circuit Relief Pressure Test
1. Make sure hydraulic oil is at normal operating tem-
perature by operating the machine for approximately 10
minutes. Make sure the hydraulic tank is full.
2. Park machine on a level surface, stop engine, en-
gage parking brake, and remove key from the ignition
switch. After turning engine off, operate all hydraulic
controls to relieve hydraulic system pressure.
CAUTION
of this section.
Prevent personal injury and/or damage to equip-
ment. Read all WARNINGS, CAUTIONS, and Pre-
cautions for Hydraulic Testing at the beginning
3. Clean hose fitting and disconnect lower pressure
hose from the left side of the gear pump (Fig. 17).
4. Install T–connector with 5,000 PSI pressure gauge
in series with the pump and the disconnected hose.
5. After installing pressure gauge, start engine and run
at idle speed. Check for hydraulic leakage and correct
before proceeding with test.
6. Start engine and adjust engine speed to high idle
(3050 – 3150 RPM).
IMPORTANT: Hold steering wheel at full lock only
long enough to get a system pressure reading.
Holding the steering wheel against the stop for an
extended period will damage the steering motor.
7. Watch pressure gauge carefully while turning the
steering wheel completely in one direction (full steering
lock) and holding momentarily.
8. System pressure should be approximately 1000 PSI
as the relief valve lifts. Return steering wheel to the cen-
ter position.
9. Slow engine speed and turn off machine. Record test
results.
10.If relief pressure is incorrect, inspect for worn, stuck,
or out of adjustment relief valve. Steering relief valve is
located under the suction hose on the right side of the
gear pump (Fig. 18). For adjustment procedure, see Ad-
just Relief Valve in the Adjustments section of this Chap-
ter. After adjustment, retest relief valve pressure.
11. Disconnect T–connector and pressure gauge from
gear pump and hose. Reconnect hose to the pump.
1
2
Figure 17
1. Steering circuit pressure hose
2. Spray motor circuit pressure hose
1
2
Figure 18
1. Steering relief valve 2. Gear pump suction hose
Hydraulic System Page 4 – 20 Multi Pro 5700–D

Steering Control Valve and Steering Cylinder Test
1. Make sure hydraulic oil is at normal operating tem-
perature by operating the machine for approximately 10
minutes.
2. Perform the Steering Circuit Relief Pressure and
Gear Pump Flow tests to make sure that relief valve and
gear pump are functioning correctly.
NOTE: This steering test procedure will be affected by
incorrect tire pressure, binding of the hydraulic steering
cylinder, excessive weight on the vehicle, and/or binding
of the steering assembly (e.g. wheel spindles, tie rods).
Make sure that these items are checked before pro-
ceeding with any hydraulic testing procedure.
3. Drive machine slowly in a figure eight on a flat level
surface.
A. There should be no shaking or vibration in the
steering wheel or front wheels.
B. Steering wheel movements should be followed
immediately by a corresponding front wheel move-
ment without the steering wheel continuing to turn.
4. Stop machine with the engine running. Turn steering
wheel with small quick movements in both directions.
Let go of the steering wheel after each movement.
A. The steering must immediately return to the neu-
tral position.
B. The steering wheel or front wheels should not
continue to turn.
5. If either of these performance tests indicate a steer-
ing problem, determine if the steering cylinder is faulty
using the following procedure.
A. Park machine on a level surface with the spray
system turned off.
B. With the engine running, turn the steering wheel
to the right (clockwise) until the steering cylinder rod
is fully contracted.
C. Turn engine off and engage the parking brake.
D. Read Precautions for Hydraulic Testing.
E. Clean and remove hydraulic hose from the fitting
on the barrel end of the steering cylinder. Plug the
end of the disconnected hose.
Keep body and hands away from disconnected
under high pressure. Use paper or cardboard,
WARNING
hoses and fittings that might eject hydraulic fluid
not hands, to search for leaks. Hydraulic fluid es-
caping under pressure can have sufficient force
to penetrate the skin and cause serious injury. If
fluid is injected into the skin, it must be surgically
removed within a few hours by a doctor familiar
with this type of injury. Gangrene may result from
such an injury.
IMPORTANT: Do not turn steering wheel to the
left (counterclockwise) as system damage may
occur.
F. With the engine off, continue turning the steering
wheel to the right (clockwise) with the steering cylin-
der fully contracted. Observe the open fitting on the
steering cylinder as the wheel is turned. If oil comes
out of the fitting while turning the steering wheel to
the right, the steering cylinder has internal leakage
and must be repaired or replaced.
G. Remove plug from the disconnected hydraulic
hose. Reconnect hose to the steering cylinder.
6. If steering problem exists and the steering cylinder,
steering circuit relief valve pressure and gear pump flow
tested acceptably, steering control valve requires ser-
vice (see Steering Control Valve and Steering Control
Valve Service).
Hydraulic
System
Multi Pro 5700–D Page 4 – 21 Hydraulic System

Spray Pump Drive Circuit Relief Pressure Test
1. Make sure hydraulic oil is at normal operating tem-
perature by operating the machine for approximately 10
minutes. Make sure the hydraulic tank is full.
2. Park machine on a level surface, stop engine, en-
gage parking brake, and remove key from the ignition
switch. After turning engine off, operate all hydraulic
controls to relieve hydraulic system pressure.
CAUTION
of this section.
Prevent personal injury and/or damage to equip-
ment. Read all WARNINGS, CAUTIONS, and Pre-
cautions for Hydraulic Testing at the beginning
IMPORTANT: Make sure that oil flow indicator arrow
on the flow meter is showing that oil will flow from
the pump, through the tester, and into the hydraulic
hose.
3. Clean hydraulic fittings and install tester with pres-
sure gauges and flow meter in series between the gear
pump tee fitting and the spray motor circuit pressure
hose (Fig. 19). Make sure the tester flow control
valve is completely open.
4. After installing tester, start engine and run at idle
speed. Check for hydraulic leakage and correct before
proceeding with test.
5. Adjust engine speed to high idle (3050 – 3150 RPM).
IMPORTANT: The gear pump is a positive displace-
ment type. If gear pump flow is completely re-
stricted or stopped, damage to the gear pump,
tester, or other components could occur.
6. Watch pressure gauge carefully while slowly closing
the flow control valve on the tester.
7. System pressure should be approximately 1500 PSI
as the relief valve lifts.
8. Open control valve on tester, slow engine speed and
shut off engine. Record test results.
A. If relief pressure specification is not met, adjust
spray circuit relief valve (Fig. 19) (see Adjust Relief
Valve in the Adjustments section of this Chapter). Af-
ter adjustment, retest relief valve pressure.
B. If relief pressure specification is met, disconnect
tester from tee fitting and spray circuit pressure
hose. Reconnect pressure hose to tee fitting.
3
4
1
2
Figure 19
1. Gear pump 3. Spray circuit hose
2. Gear pump tee fitting 4. Spray circuit relief valve
Hydraulic System Page 4 – 22 Multi Pro 5700–D

Wheel Motor Efficiency: Case Drain Test
NOTE: Over a period of time, a wheel motor can wear
internally. A worn motor may by–pass oil to its case drain
causing the motor to be less efficient. Eventually,
enough oil loss will cause the wheel motor to stall under
heavy load conditions. Continued operation with a worn,
inefficient motor can generate excessive heat, cause
damage to seals and other components in the hydraulic
system and affect overall machine performance.
1. Make sure hydraulic oil is at normal operating tem-
perature by operating the machine for approximately 10
minutes. Make sure the hydraulic tank is full.
2. Park machine on a level surface, stop engine, en-
gage parking brake, and remove key from the ignition
switch. After turning engine off, operate all hydraulic
controls to relieve hydraulic system pressure.
CAUTION
of this section.
Prevent personal injury and/or damage to equip-
ment. Read all WARNINGS, CAUTIONS, and Pre-
cautions for Hydraulic Testing at the beginning
3. Make sure that traction pedal is adjusted to the neu-
tral position (see Adjust Traction Pedal for Neutral in the
Adjustments section of this Chapter).
4. Attach a heavy chain to the rear of the machine frame
and an immovable object to prevent the machine from
moving during testing.
5. Chock rear wheel being tested to prevent rotation of
the wheel. Make sure parking brake is engaged.
6. Disconnect hydraulic tee fitting and pressure hose
from rear wheel motor that is not being tested (Fig. 20).
Cap disconnected fitting and hose. Plug ports in wheel
motor to prevent contamination.
7. Disconnect hose from the upper hydraulic fitting on
the right side of the piston (traction) pump (Fig. 21).
8. Install tester with pressure gauges and flow meter in
series with the piston pump and the disconnected hose.
Make sure the tester flow control valve is fully open.
9. Start engine and move throttle to high idle (3050 –
3150 RPM).
10.Sit on seat, apply brakes fully, and slowly depress the
traction pedal in forward direction until 1000 PSI is dis-
played on the tester pressure gauge.
11. Wheel motor internal leakage will be shown on flow
meter in GPM. Flow should be less than 2 GPM for the
tested wheel motor.
12.If specifications are not met, the tested wheel motor
needs to be repaired or replaced as necessary.
13.If other wheel motor requires testing, complete steps
5 to 14 for the remaining motor.
14.Disconnect tester from pump hydraulic fitting and
hose. Reconnect hose to pump connection. Reconnect
hydraulic lines to rear wheel motor.
1
2
3
Hydraulic
System
Figure 20
1. Wheel motor (RH shown) 3. Pressure hose
2. Hydraulic tee fitting
1
2
Figure 21
1. Upper hydraulic hose 2. Piston (traction) pump
Multi Pro 5700–D Page 4 – 23 Hydraulic System

Pulse Width Modulated (PWM) Valve Flow Test
1. Make sure hydraulic oil is at normal operating tem-
perature by operating the machine for approximately 10
minutes. Make sure the hydraulic tank is full.
2. Park machine on a level surface, stop engine, en-
gage parking brake, and remove key from the ignition
switch. After turning engine off, operate all hydraulic
controls to relieve hydraulic system pressure.
3. Perform the Gear Pump Flow Test. Make sure that
spray motor circuit hydraulic flow has been tested and
recorded.
CAUTION
of this section.
Prevent personal injury and/or damage to equip-
ment. Read all WARNINGS, CAUTIONS, and Pre-
cautions for Hydraulic Testing at the beginning
4. Disconnect hydraulic hose from the CF port fitting in
the PWM Valve (Fig. 22).
IMPORTANT: Make sure that the oil flow indicator
arrow on the flow meter is showing that the oil will
flow from the PWM Valve CF port, through the tester,
and into the hydraulic hose.
5. Install tester with pressure gauges and flow meter in
series with the CF port fitting and the disconnected hy-
draulic hose. Make sure the tester flow control valve
is fully open.
6. Make sure that spray tank has sufficient fluid for
agitation. Make sure that spray pump is turned off.
7. If the machine has a Pro Control System installed,
disconnect the Pro Control console computer.
8. Start engine and move throttle to high idle speed
(3050 – 3150 RPM). The flow meter should indicate
little, if any, hydraulic flow (less than 1 GPM) from the
PWM Valve CF port.
A. If higher flow exists, stop engine, disconnect the
PWM Valve solenoid connection from the machine
harness and retest. If higher flow still exists, the
PWM Valve should be replaced. If flow decreases to
less than 1 GPM after solenoid is disconnected, in-
spect spray system electrical components and wir-
ing before continuing PWM Valve flow test.
9. Make sure that spray booms are off. Turn spray
pump and tank agitation on.
10.Using the application rate switch, increase the spray
rate slightly while monitoring the flow tester. Check for
hydraulic leakage and correct before proceeding with
test.
11. With the engine still running at high idle, increase the
spray rate with the application rate switch while monitor-
ing the flow tester. As the spray rate is increased, hy-
draulic flow should increase as well. At maximum spray
rate, hydraulic flow on the tester should approach spray
motor circuit hydraulic flow previously tested and re-
corded. If hydraulic flow does not increase correctly, ei-
ther the the circuit wiring to the PWM Valve solenoid or
the PWM Valve is faulty.
12.Disconnect tester from PWM Valve CF port fitting
and hydraulic hose. Reconnect hose to fitting.
13.If the machine has a Pro Control System installed, re-
connect the Pro Control console computer.
3
1
2
Figure 22
1. PWM Valve 3. PWM Valve solenoid
2. CF port fitting
Hydraulic System Page 4 – 24 Multi Pro 5700–D

Rev. D
Multi Pro 5700--D Hydraulic SystemPage 4 -- 25
Adjustments
Adjust Traction Pedal for Neutral (Machines with Serial Numbers Below 310000000)
The piston (traction) pump control lever should return to
the neutral position when the traction pedal is released.
If the machine creeps when in neutral, check the follow-
ing items:
1. The centering arms should be parallel to each other
and also parallel to the centerline of the machine.
2. The centering arms should touch both front and rear
bearings on control plate.
3. The centering arms should be tensioned by two
springs.
4. The bearings attached to control plate should rotate
freely.
Reposition the control plate on the piston pump control
lever if needed. 1. Centering arm
2. Bearing
3. Spring
4. Control plate
Figure 24
1
4
32
Adjust Traction Pedal for Neutral (Machines with Serial Numbers Above 310000000)
The piston (traction) pump control lever should return to
the neutral position when the traction pedal is released.
If the machine creeps when in neutral, adjust the traction
pedal neutral assembly (Fig. 25).
1. Loosen jam nut on spring shaft.
2. Adjust spring shaft until neutral operation is correct.
3. Tighten jam nut to secure adjustment.
1. Traction pedal
2. Rod end
3. Jam nut
4. Spring shaft
Figure 25
2
1
34
Hydraulic
System

Rev. D Multi Pro 5700--DHydraulic System Page 4 -- 26
Adjust Relief Valve
The spray pump drive circuit relief valve is located on the
left side of the piston (traction) pump (Fig. 26). The
steering circuit relief valve is located under the suction
hose on the right side of the gear pump (Fig. 27). Relief
pressure should be tested before and after adjusting the
relief valve (see Steering Circuit Relief Pressure Test
and Spray Pump Drive Circuit Relief Pressure Test in the
Testing section of this chapter). Adjustment of the relief
valve can be performed as follows:
NOTE: Do not remove the relief valve for adjustment.
NOTE: To gain access to the adjustment socket and
jam nut on the steering circuit relief valve, remove plastic
cap.
1. To increase relief pressure setting, loosen jam nut
on relief valve and turn the adjustment socket on the re-
lief valve in a clockwise direction. A 1/8 turn on the sock-
et will make a measurable change in relief pressure.
Tighten jam nut after adjustment.
2. To decrease pressure setting, loosen jam nut on re-
lief valve and turn the adjustment socket on the relief
valve in a counterclockwise direction. A 1/8 turn on the
socket will make a measurable change in relief pres-
sure. Tighten jam nut after adjustment.
3. Recheck spray pump drive circuit relief pressure and
readjust as needed.
1. Spray circuit relief valve
2. Relief valve body
3. Jam nut
Figure 26
3
2
1
1. Steering relief valve 2. Gear pump
Figure 27
1
2

Service and Repairs
General Precautions for Removing and Installing Hydraulic System Components
Before Repair or Replacement of Components
1. Before removing any parts from the hydraulic sys-
tem, park machine on a level surface, engage parking
brake, and stop engine. Remove key from the ignition
switch.
2. Clean machine before disconnecting, removing, or
disassembling any hydraulic components. Make sure
hydraulic components, hoses connections, and fittings
are cleaned thoroughly. Always keep in mind the need
for cleanliness when working on hydraulic components.
CAUTION
Rotate steering wheel and depress traction ped-
al in both forward and reverse to relieve hydrau-
lic system pressure and to avoid injury from
pressurized hydraulic oil.
3. After turning engine off, operate all hydraulic controls
to relieve hydraulic system pressure.
4. Put caps or plugs on any hydraulic lines, hydraulic fit-
tings, and components left open or exposed to prevent
contamination.
5. Put labels on disconnected hydraulic lines and
hoses for proper installation after repairs are completed.
6. Note the position of hydraulic fittings (especially el-
bow fittings) on hydraulic components before removal.
Mark parts if necessary to make sure they will be aligned
properly when reinstalling hydraulic hoses.
After Repair or Replacement of Components
1. Check oil level in the hydraulic reservoir and add cor-
rect oil if necessary. Drain and refill hydraulic reservoir
and change oil filter if component failure was severe or
system is contaminated (see Flush Hydraulic System).
2. Lubricate O–rings and seals with clean hydraulic oil
before installing hydraulic components.
3. Make sure caps or plugs are removed from the hy-
draulic fittings and components before reconnecting.
4. Use proper tightening methods when installing hy-
draulic hoses and fittings (see Hydraulic Fitting Installa-
tion).
5. After repairs, check control linkages and cables for
proper adjustment, binding, or broken parts.
6. After disconnecting or replacing any hydraulic com-
ponent(s), operate machine functions slowly until air is
out of system (see Charge Hydraulic System).
7. Check for hydraulic oil leaks. Shut off engine and cor-
rect leaks if necessary. Check oil level in hydraulic reser-
voir and add correct oil if necessary.
Hydraulic
System
Check Hydraulic Lines and Hoses
or nozzles that eject hydraulic fluid under high
jected into the skin, it must be surgically re-
WARNING
Keep body and hands away from pin hole leaks
pressure. Use paper or cardboard, not hands, to
search for leaks. Hydraulic fluid escaping under
pressure can have sufficient force to penetrate
the skin and cause serious injury. If fluid is in-
moved within a few hours by a doctor familiar
with this type of injury. Gangrene may result from
such an injury.
Check hydraulic lines and hoses daily for leaks, kinked
lines, loose mounting supports, wear, loose fittings,
weather deterioration and chemical deterioration. Make
all necessary repairs before operating.
Multi Pro 5700–D Page 4 – 27 Hydraulic System

Rev. D Multi Pro 5700--DHydraulic System Page 4 -- 28
Flush Hydraulic System
IMPORTANT: Flush the hydraulic system any time
there is a severe component failure or the system is
contaminated. Contaminated oil appears milky,
black, or contains metal particles.
1. Make sure hydraulic oil warm by operating the ma-
chine for several minutes. Park machine on a level sur-
face. Stop engine, apply parking brake, and remove key
from ignition switch.
2. Clean area around hydraulic filter mounting area and
remove filter (see Operator’s Manual). Drain filter into a
suitable container. Properly dispose removed filter.
3. Drain hydraulic reservoir into a suitable container
(see Operator’s Manual).
4. Drain hydraulic system. Drain all hoses and compo-
nents while the system is warm.
5. Make sure filter mounting surface is clean. Apply
clean hydraulic oil to gasket on new filter. Screw filter
onto filter head until gasket contacts mounting surface,
then tighten filter 3/4 turn further.
6. Reinstall all hoses and hydraulic components.
NOTE: Use only hydraulic fluids specified in Operator’s
Manual. Other fluids could cause system damage.
7. Fill hydraulic oil reservoir (see Operator’s Manual).
8. Disconnect wire harness electrical connector from
the engine fuel stop solenoid to prevent the engine from
starting.
9. Make sure traction pedal is in neutral.. Turn ignition
key switch to start; engage starter for ten (10) seconds
to prime hydraulic pumps. Wait fifteen (15) seconds to
allow the starter motor to cool and then repeat cranking
procedure again.
10.Connect wire harness electrical connector to fuel
stop solenoid to allow engine to start.
11. Start engine and run at low idle speed (1200 -- 1250
RPM) for a minimum of two (2) minutes.
12.Increase engine speed to high idle (3050 -- 3150
RPM) for minimum of one (1) minute under no load.
13.Turn steering wheel in both directions several times.
14.Shut off engine and check for hydraulic oil leaks.
Check oil level in hydraulic reservoir and add correct oil
if necessary.
15.Operate the machine for two (2) hours under normal
operating conditions.
16.Check condition of hydraulic oil. If the fluid shows any
signs of contamination repeat steps 1 through 12 again.
17.Resume normal operation and follow recommended
maintenance intervals.

Rev. D
Multi Pro 5700--D Hydraulic SystemPage 4 -- 29
Charge Hydraulic System
NOTE: When initially starting the hydraulic system with
new or rebuilt components such as motors or pumps, it
is important that the hydraulic system be charged prop-
erly. Air must be purged from the system and its compo-
nents to reduce the chance of damage.
IMPORTANT: Change hydraulic oil filter whenever
hydraulic components are repaired or replaced.
1. Position machine on a level surface, engage parking
brake and remove key from the ignition switch.
2. Make sure all hydraulic connections, lines, and com-
ponents are tight.
3. If component failure was severe or the system is con-
taminated, flush and refill hydraulic system and reser-
voir (see Flush Hydraulic System in this section).
4. Make sure hydraulic reservoir is full. Add correct hy-
draulic oil if necessary (see Operator’s Manual).
5. Check control cable to the piston (traction) pump for
proper adjustment, binding, or broken parts.
6. Disconnect wire harness electrical connector from
the engine fuel stop solenoid to prevent the engine from
starting.
7. Make sure traction pedal is in neutral.. Turn ignition
key switch to start; engage starter for ten (10) seconds
to prime hydraulic pumps. Wait fifteen (15) seconds to
allow the starter motor to cool and then repeat cranking
procedure again.
8. Connect wire harness electrical connector to fuel
stop solenoid to allow engine to start.
WARNING
Before jacking up the machine, review and follow
Jacking Instructions in Chapter 1 -- Safety.
9. Raise rear wheels off the ground, and place support
blocks under the frame. Chock front wheels to prevent
movement of the machine.
10.Start engine and run it at low idle (1200 -- 1250 RPM).
The charge pump should pick up oil and fill the hydraulic
system. If there is no indication of fill in 30 seconds, stop
the engine and determine the cause.
11. After the hydraulic system starts to show signs of fill,
rotate steering wheel until the steering cylinder rod
moves in and out several times. If the cylinder rod does
not move after 15 seconds, or the gear pump emits ab-
normal sounds, shut the engine off immediately and de-
termine cause or problem. Inspect for the following:
A. Loose filter or suction lines.
B. Blocked suction line.
C. Faulty charge relief valve.
D. Faulty gear pump.
12.If cylinder does move in 15 seconds, proceed to
step 13.
13.Operate the traction pedal in the forward and reverse
directions. The rear wheels should rotate in the proper
direction.
A. If the wheels rotate in the wrong direction, stop
engine, remove lines from side of piston (traction)
pump, and reverse the connections.
B. If the wheels rotate in the proper direction, stop
engine.
14.Adjust traction pedal to the neutral position (see Op-
erator’s Manual).
15.Check operation of the neutral switch (see Opera-
tor’s Manual).
16.Remove blocks from frame and lower machine to the
ground. Remove chocks from front wheels.
17.If the piston (traction) pump or a wheel motor was re-
placed or rebuilt, run the machine so wheels turn slowly
for 10 minutes.
18.Operate machine by gradually increasing it’s work
load to full over a 10 minute period.
19.Stop the machine. Check hydraulic reservoir and fill
if necessary. Check hydraulic components for leaks and
tighten any loose connections.
Hydraulic
System

Multi Pro 5700–DHydraulic System Page 4 – 30
Gear Pump
Figure 26
1. Piston (traction) pump
2. O–ring
3. Gear pump
4. O–ring
5. Hydraulic hose (gear pump suction)
6. Cap screw (2 used)
7. Flat washer (2 used)
8. O–ring
9. Hydraulic hose (to steering control)
10. O–ring
11. Hydraulic tee fitting
12. O–ring
13. Hydraulic hose (to PWM valve)
14. Hydraulic hose (to relief valve)
15. Relief valve assembly
LEFT SIDE OF PUMP
NOTE: ILLUSTRATION FROM
BOTTOM OF MACHINE
1
5
2
3
6
810
14
13
11 12
15
7
9
4
12

Removal (Fig. 26)
1. Park machine on a level surface, stop engine, en-
gage parking brake, and remove key from the ignition
switch.
2. To prevent contamination of hydraulic system during
gear pump removal, thoroughly clean exterior of pump
assembly.
4. Install new hydraulic oil filter and fill hydraulic reser-
voir with correct oil (see Operator’s Manual).
5. Properly fill hydraulic system (see Charge Hydraulic
System in the Service and Repairs section of this chap-
ter).
6. Stop engine and check for hydraulic oil leaks. Check
hydraulic reservoir oil level.
CAUTION
Rotate steering wheel and depress traction ped-
al in both forward and reverse to relieve hydrau-
lic system pressure and to avoid injury from
pressurized hydraulic oil.
3. Operate all hydraulic controls to relieve hydraulic
system pressure.
4. Read the General Precautions for Removing and
Installing Hydraulic System Components at the begin-
ning of the Service and Repairs section of this chapter.
NOTE: To ease reassembly, tag hydraulic hoses to
show their correct position on the gear pump.
5. Put drain pan below the gear pump. Remove hydrau-
lic hoses and fittings connected to gear pump. Put plugs
or caps on disconnected hydraulic hoses and open
ports of pump to prevent contamination of the system.
6. Support the gear pump to prevent it from falling (Fig.
27). Remove two (2) cap screws and flat washers retain-
ing gear pump to piston pump.
7. Carefully pull gear pump from piston pump and lower
it out of the machine. Locate and retrieve o–ring from be-
tween pumps.
Installation (Fig. 26)
1. Lubricate new o–ring and position it to gear pump.
Carefully raise gear pump and position it to the piston
pump.
2. Align spline teeth and slide gear pump input shaft
into piston pump coupling. Support gear pump to pre-
vent it from falling while installing two (2) cap screws and
flat washers securing gear pump to piston pump.
3. Remove plugs or caps from disconnected hydraulic
hoses and ports of the gear pump. Lubricate new o–
rings and install fittings and hoses to correct location on
gear pump.
1
2
Figure 27
1. Gear pump 2. Piston pump
Hydraulic
System
Multi Pro 5700–D Page 4 – 31 Hydraulic System

Gear Pump Service
1
5
11
13
12
15
17
22
23
24
9
8
4
7
10
6
16
2
3
18
21
20
19
7
14
15
30 to 34 ft–lb
(41 to 46 N–m)
21 to 24 ft–lb
(29 to 33 N–m)
21 to 24 ft–lb
(29 to 33 N–m)
25 to 28 ft–lb
(34 to 38 N–m)
Figure 28
1. Cap screw (8 used) 9. Pressure seal 17. Steering relief valve
2. Washer (4 used) 10. Wear plate 18. O–ring
3. Shaft seal 11. Drive gear 19. Backup washer
4. Washer 12. Idler gear 20. O–ring
5. Front plate 13. Body 21. Flow divider spool
6. Plug 14. Plug 22. Spring
7. O–ring 15. O–ring 23. Disc
8. Backup gasket 16. Backplate 24. Plug
NOTE: For service of the gear pump, see the Eaton
Model 26000 Single Gear Pumps Repair Information at
the end of this chapter.
Hydraulic System Page 4 – 32 Multi Pro 5700–D

Hydraulic
System
This page is intentionally blank.
Multi Pro 5700–D Page 4 – 33 Hydraulic System

Multi Pro 5700--DHydraulic System Page 4 -- 34
Piston (Traction) Pump
Figure 31
1. Piston (traction) pump
2. O--ring
3. Hydraulic adapter
4. O--ring
5. Hydraulic tee fitting
6. Hydraulic hose (to reservoir)
7. O--ring
8. 90ohydraulic fitting
9. O--ring
10. Hydraulic hose (piston pump suction)
11. O --ring
12. Gear pump
13. Hydraulic hose (gear pump suction)
14. Cap screw (2 used)
15. Flat washer (2 used)
16. Hydraulic hose (to LH wheel motor)
17. Hydraulic hose (to RH wheel motor)
18. 45ohydraulic fitting
19. Straight fitting
20. O--ring
21. Hydraulic hose (to oil filter)
22. O--ring
23. 90ohydraulic fitting
24. Hydraulic hose (from oil filter)
25. Hydraulic hose (from wheel motors)
26. Hydraulic hose (to steering control)
27. Hydraulic tee fitting
28. Hydraulic hose (to PWM valve)
29. Hydraulic hose
30. O--ring
31. 90ohydraulic fitting
32. O--ring
33. Seal kit
34. Relief valve
35. Relief valve body
36. Hydraulic adapter
37. Cap screw (2 used)
38. Lock washer (2 used)
39. Flat washer (2 used)
40. O--ring
LEFT SIDE OF PUMP
NOTE: ILLUSTRATION FROM
BOTTOM OF MACHINE
1
5
9
4
7
2
3
6
8
10
14
18
13
16
11
12
15
17
19
23
22
20
21
24
25
26
27
28
29
30
31
32
33
34
35
36
37
38
39
40
7
7
9
7
7
9
4
4
22
4
4
32
2
Antiseize
Lubricant
Removal (Fig. 31)
1. Park machine on a level surface, stop engine, en-
gage parking brake, and remove key from the ignition
switch.
2. To prevent contamination of hydraulic system during
pump removal, thoroughly clean exterior of pump as-
sembly.
CAUTION
Rotate steering wheel and depress traction ped-
al in both forward and reverse to relieve hydrau-
lic system pressure and to avoid injury from
pressurized hydraulic oil.

Multi Pro 5700--D Hydraulic SystemPage 4 -- 35
3. Operate all hydraulic controls to relieve hydraulic
system pressure.
4. Remove traction cable ball joint from control plate on
piston pump by removing lock nut (Fig. 32). Remove cap
screw from control plate. Locate and retrieve three (3)
flat washers (Fig. 33).
5. Disconnect two (2) wires from neutral switch on pis-
ton pump (Fig. 32).
6. Remove flange head screw and flange nut that se-
cures R--clamp and right side brake cable to pump as-
sembly (Fig. 32).
7. Read the General Precautions for Removing and
Installing Hydraulic System Components at the begin-
ning of the Service and Repairs section of this chapter.
NOTE: To ease reassembly, tag hydraulic hoses to
show their correct position on the pump assembly.
8. Put a drain pan below the pump assembly. Remove
hydraulic hoses and fittings connected to piston and
gear pumps. Put plugs or caps on disconnected hydrau-
lic hoses to prevent contamination of the system. Put
plugs in open ports of pumps.
9. Support the pump assembly to prevent it from falling.
Remove two (2) cap screws, lock washers and flat
washers that retain pump assembly to engine bell hous-
ing.
10.Carefully pull pump assembly from engine and lower
it out of the machine.
11. If needed, separate gear pump from piston pump
(see Gear Pump Removal in this section).
Installation (Fig. 31)
1. If gear pump was removed from piston pump, install
gear pump to piston pump (see Gear Pump Installation
in this section).
2. Apply antiseize lubricant to piston pump shaft
splines.
3. Carefully raise pump assembly and position it to the
engine. Make sure that both bushings on control plate
are between centering arms on rear of engine (Fig. 32).
4. Align spline teeth and slide piston pump input shaft
into engine coupling spline. Support pump to prevent it
from falling while installing two (2) cap screws, lock
washers and flat washers to secure pump to engine bell
housing.
5. Secure traction cable to control plate with cap screw,
three (3) washers and lock nut (Fig. 32 and 33).
6. Connect two (2) wires to neutral switch on piston
pump (Fig. 32).
7. Remove plugs or caps from disconnected hydraulic
hoses and ports of the pump assembly. Lubricate new
O--rings and install fittings and hoses to correct location
on gear and piston pumps.
8. Secure R--clamp and right side brake cable to pump
assembly with flange head screw and flange nut.
9. Install new hydraulic oil filter and fill hydraulic reser-
voir with correct oil (see Operator’s Manual).
10.Properly fill hydraulic system (see Charge Hydraulic
System in the Service and Repairs section of this chap-
ter).
11. Stop engine and check for hydraulic oil leaks. Check
hydraulic reservoir oil level.
1. Traction cable lock nut
2. Neutral switch
3. R--clamp/brake cable
4. Centering arm
Figure 32
2
1
3
4
1. Cap screw
2. Flat washer
3. Neutral plate
4. Flat washer
5. Lock nut
6. Ball joint
7. Traction cable
Figure 33
3
5
4
2
1
6
7
Hydraulic
System

Multi Pro 5700–DHydraulic System Page 4 – 36
Piston (Traction) Pump Service
1. Drive shaft
2. Retaining ring
3. Shaft seal
4. Washer
5. Retaining ring
6. Thrust bearing race
7. Thrust bearing
8. Bearing
9. Housing
10. Seal set
11. Servo piston
12. Gasket
13. Cover plate
14. Flat washer (4 used per cover)
15. Socket head screw (4 used per cover)
16. Washer
17. Jam nut
18. Seal washer
19. Plug
20. O–ring
21. Cradle
22. Bushing
23. Screw
24. Valve plate
25. Bearing
26. Reverse relief valve
27. O–ring
28. O–ring
29. Bypass valve
30. Key
31. Geroter (inner)
32. O–ring
33. Geroter (outer)
34. Flat washer (4 used)
35. Cap screw (3 1/2” long: 2 used)
36. Cap screw (4” long: 2 used)
37. Charge pump adapter
38. Backplate
39. Roll pin
40. Housing gasket
41. Rotating kit
42. Camplate
43. Servo piston follower
44. Cap screw (2 used)
45. Bushing dowel (2 used)
46. Socket head screw (6 used)
47. Control arm
48. Hex nut
49. Lock washer
50. Manual servo control assembly
51. Control orifice (3 used)
52. Housing gasket
53. Cover plate
54. Forward relief valve
Figure 32
31
32
33 34 35
36
40
41
42
1
23
45
6
7
8
9
16
18
19
20 22
24
26
27
28 29
30
11
12
13 14 15
44
10
23
25
15
37
21
39
17
43
49
38
52
5
6
10
12
14
27
34
46
45
51
50
48
47
20
19
53
54
NOTE: For service of the piston (traction) pump, see
the Eaton Model 72400 Servo Controlled Piston Pump
Repair Information at the end of this chapter.

Manual Servo Control Assembly
12
16
11
17
15
14
9
7
4
6
24
22
21
18
5
10
8
13
23
4
3
2
1
28 to 34 in–lb
(3.2 to 3.8 N–m)
17 to 26 in–lb
(1.9 to 2.9 N–m)
44 to 52 ft–lb
(60 to 70 N–m)
Loctite #242
Loctite #222
20 19
Figure 33
1. Plug 9. O–ring 17. Set screw
2. O–ring 10. Wiper seal 18. Set screw
3. Retaining ring 11. O–ring 19. Pin
4. Spring retainer 12. Adaptor 20. Retaining ring
5. Spring 13. Ball 21. Feedback link
6. Spool valve 14. Pin 22. Dowel pin
7. Control housing 15. Neutral switch 23. Bell crank
8. Input shaft 16. O–ring 24. Set screw
NOTE: For service of the manual servo control assem-
bly (including neutral switch adjustment), see the Eaton
Model 72400 Servo Controlled Piston Pump Repair In-
formation at the end of this chapter.
Hydraulic
System
Multi Pro 5700–D Page 4 – 37 Hydraulic System

Multi Pro 5700–DHydraulic System Page 4 – 38
Wheel Motors
1. Planetary assembly
2. Lug nut (8 used per wheel)
3. Tire and wheel assembly
4. Gasket
5. RH brake assembly
6. Flange head screw (4 used per brake)
7. Splined brake shaft
8. Retaining ring
9. O–ring
10. RH wheel motor
11. Flat washer (2 used per motor)
12. Cap screw (2 used per motor)
13. O–ring
14. Hydraulic tee fitting
15. Hyd. hose (to top pump fitting)
16. O–ring
17. Hydraulic adapter
18. O–ring
19. Hydraulic hose (to pump case drain)
20. O–ring
21. O–ring
22. Hydraulic adapter
23. Hydraulic tee fitting
24. Hydraulic hose
25. Hydraulic hose
26. Hyd. hose (to bottom pump fitting)
27. LH wheel motor
28. LH brake cable
29. LH brake assembly
30. Flange head screw (6 used per side)
31. RH brake cable
Figure 34
60 ft–lb
(81 N–m)
1
23
4
5
12
13
17
15
17
6
7
8
9
10 11
60 ft–lb
(81 N–m)
FRONT
LEFT
13
13
14
16
18
18
14
19
20
21
22 23
24
25
21
25
27
28
30
31
26
29
70 to 90 ft–lb
(95 to 122 N–m)
9
13
16
20

Removal (Fig. 34)
1. Park machine on a level surface, stop engine, en-
gage parking brake, and remove key from the ignition
switch.
CAUTION
Rotate steering wheel and depress traction ped-
al in both forward and reverse to relieve hydrau-
lic system pressure and to avoid injury from
pressurized hydraulic oil.
2. Operate all hydraulic controls to relieve hydraulic
system pressure.
3. Read the General Precautions for Removing and
Installing Hydraulic System Components at the begin-
ning of the Service and Repairs section of this chapter.
4. To prevent contamination of hydraulic system during
motor removal, thoroughly clean exterior of motor and
fittings.
NOTE: To ease reassembly, tag the hydraulic hoses to
show their correct position on the wheel motor.
5. Disconnect hydraulic hoses from fittings on wheel
motor. Put caps or plugs on hydraulic lines, fittings, and
ports to prevent contamination.
6. If right side wheel motor is being removed, unplug
speed sensor connector from machine wiring harness.
IMPORTANT: Before loosening fasteners, support
wheel motor to prevent motor from falling.
7. Support the pump assembly to prevent it from falling.
Remove two (2) cap screws and flat washers that secure
wheel motor to brake and planetary assemblies. Re-
move wheel motor from machine.
Installation (Fig. 34)
1. If splined brake shaft was removed from brake as-
sembly, make sure that the stepped end of the shaft is
aligned toward the hydraulic wheel motor (Fig. 35). Also,
make sure that splines engage rotating discs in brake
assembly.
2. Position wheel motor to brake assembly.
3. Align splines on motor shaft and splined brake shaft.
Slide motor to brake assembly.
4. Secure motor to brake and planetary assemblies
with cap screws and flat washers. Torque cap screws 60
ft–lb (81 N–m).
5. Remove plugs from hydraulic lines, fittings, and
ports. Lubricate new o–rings and attach hydraulic hoses
to wheel motor.
6. If right side wheel motor was removed, plug speed
sensor connector into machine wiring harness.
7. Check fluid level in hydraulic oil reservoir and adjust
as required (see Operator’s Manual).
8. Operate machine and inspect for leaks.
3
1
2
Figure 35
1. Splined brake shaft step 3. Planetary assembly end
2. Hydraulic motor end
4
1
2
3
Hydraulic
System
Figure 36
1. Piston (traction) pump 3. Bottom pump fitting
2. Top pump fitting 4. Case drain fitting
Multi Pro 5700–D Page 4 – 39 Hydraulic System

Wheel Motor Service
8
11
9
19
15
20
18
17
12
13
14
10
1
7
4
5
6
4
5
2
3
16
21
15 to 18 ft–lb
(20 to 24 N–m)
Figure 37
1. Retaining ring 8. Cap screw (6 used) 15. Rotating kit
2. Shaft seal 9. Back plate 16. Cam plate insert
3. Washer 10. Dowel pin 17. Housing
4. Retaining ring 11. Dowel pin (3 used) 18. Speed sensor (RH wheel)
5. Thrust bearing race 12. O–ring 19. O–ring
6. Thrust bearing 13. Needle bearing 20. O–ring
7. Drive shaft 14. Valve plate 21. Needle bearing
NOTE: The wheel motors used on the Multi Pro NOTE: For information on speed sensor installation,
5700–D are very similar. The major difference is the see Traction Speed Sensor in the Service and Repairs
speed sensor installed in the right side wheel motor. Ser- section of Chapter 5 – Electrical System.
vice of the left and right motors requires the same proce-
dure.
NOTE: For service of the wheel motors, see the Eaton
Model 74318 and 74348 Piston Motors: Fixed Displace-
ment, Valve Plate Design Repair Information at the end
of this chapter.
Hydraulic System Page 4 – 40 Multi Pro 5700–D

Hydraulic
System
This page is intentionally blank.
Multi Pro 5700–D Page 4 – 41 Hydraulic System

Multi Pro 5700--DHydraulic System Page 4 -- 42
Spray Pump Drive Motor
1. Spray pump assembly
2. Flange nut
3. Square key
4. Lock nut
5. Pump hub
6. Coupler spacer
7. Rubber coupling
8. Flat washer
9. Cap screw
10. Set screw
11. Hydraulic motor hub
12. Flange head screw
13. Rear guard plate
14. Front guard plate
15. Flange nut
16. PWM Valve
17. Pump mount bracket
18. Flange head screw (4 used)
19. Woodruff key
20. Hydraulic motor
21. Hydraulic hose (from PWM CF port)
22. O--ring
23. Hydraulic 90ofitting (short)
24. O--ring
25. Hydraulic 90ofitting (long)
26. Hydraulic hose (to T fitting on PWM)
27. U--bolt (2 used)
Figure 40
FRONT
RIGHT
134
56
8
10
9
12
13
14 15
17
7
11
6
8
9
42
10
Loctite #242
Loctite #242
Antiseize
Lubricant
Antiseize
Lubricant
19
18
16
20
21 22
23
26
27
24
25 22
26
21
2

Multi Pro 5700--D Hydraulic SystemPage 4 -- 43
Removal (Fig. 40)
1. Park machine on a level surface, stop engine, en-
gage parking brake, and remove key from the ignition
switch.
CAUTION
Rotate steering wheel and depress traction ped-
al in both forward and reverse to relieve hydrau-
lic system pressure and to avoid injury from
pressurized hydraulic oil.
2. Operate all hydraulic controls to relieve hydraulic
system pressure.
3. Read the General Precautions for Removing and
Installing Hydraulic System Components at the begin-
ning of the Service and Repairs section of this chapter.
4. Remove flange head screw and flange nut that se-
cure front and rear guard plate. Remove four (4) flange
nuts that retain guard plates to pump mount bracket. Re-
move guard plates from machine.
5. Label all hydraulic connections to ease reassembly.
Clean hydraulic hose ends prior to disconnecting the
hoses from hydraulic motor.
6. Disconnect hydraulic hoses from motor. Allow hoses
to drain into a suitable container.
7. Put caps or plugs on disconnected hoses and fittings
to prevent contamination.
8. Remove lock nuts, flat washers, cap screws, and
coupler spacers that secure rubber coupling to hydraulic
motor hub.
9. Remove two (2) flange head screws and flange nuts
that secure hydraulic motor to pump mount bracket.
10.Remove hydraulic motor from machine.
11. If needed, loosen set screws in hydraulic motor hub.
Pull hub from motor shaft. Locate and remove woodruff
key from motor shaft. Remove set screws from hub.
Clean threads of set screws and hub.
12.If hydraulic fitting removal is needed, note orientation
of hydraulic fittings before removing fittings from motor.
Installation (Fig. 40)
1. If removed, lubricate new O--rings and install hydrau-
lic fittings to motor.
2. If motor hub was removed, apply antiseize lubricant
to motor shaft. Install woodruff key in shaft and slide hub
onto motor shaft.
3. Position motor on pump mounting bracket and install
flange head screws and flange nuts to motor and mount-
ing bracket. Leave fasteners loose.
4. Place coupling spacers into rubber coupling. Install
cap screws, flat washers, and lock nuts to secure rubber
coupling to motor hub. Make sure that cap screw
threads extend through lock nut.
5. If motor hub was removed, apply Loctite #242 (or
equivalent) to threads of motor hub set screws. Install
set screws into hub to secure hub to motor shaft.
6. Turn pump shaft by hand and position motor on
mounting bracket to best align the coupling assembly
between the pump shaft and the hydraulic motor shaft.
7. Secure motor to mounting bracket by tightening
flange head screws and flange nuts.
8. Lubricate new O--rings and install hydraulic hoses to
correct hydraulic fittings on motor.
9. Position front and rear guard plates to pump mount
bracket. Install and tighten flange head screw and
flange nut to guard plates. Install flange nuts to secure
guard plates to pump mount bracket.
10.Check fluid level in hydraulic oil reservoir and adjust
as required (see Operator’s Manual).
11. Properly fill hydraulic system (see Charge Hydraulic
System in the Service and Repairs section of this chap-
ter).
12.Stop engine and check for hydraulic oil leaks. Check
hydraulic reservoir oil level.
1. Spray pump drive motor
2. Hydraulic hose (from PWM CF port)
3. Hydraulic hose (to PWM EX port)
Figure 41
3
2
1
Hydraulic
System

Spray Pump Drive Motor Service
22
21
6
19 18
17 16 15
11
10 9
6 5
4
2
13 12
1
3
14
20
6
6
7
8
22 to 26 ft–lb
(30 to 35 N–m)
Figure 40
1. Cap screw (5 used) 9. Vane 16. Thrust bearing
2. End cover 10. Rotor 17. Thrust washer
3. Commutator seal 11. Wear plate 18. Inner seal
4. Commutator 12. Drive link 19. Backup washer
5. Commutator ring 13. Shaft 20. Housing
6. Ring seal 14. Woodruff key 21. Bearing
7. Manifold 15. Bearing 22. Seal
8. Stator
NOTE: For service of the spray pump drive motor, see
the Parker TorqlinkTM Service Procedure at the end of
this chapter.
Hydraulic System Page 4 – 44 Multi Pro 5700–D

Multi Pro 5700–D Hydraulic SystemPage 4 – 45
Relief Valve
Removal
1. Park machine on a level surface, stop engine, en-
gage parking brake, and remove key from the ignition
switch.
CAUTION
Rotate steering wheel and depress traction ped-
al in both forward and reverse to relieve hydrau-
lic system pressure and to avoid injury from
pressurized hydraulic oil.
2. Operate all hydraulic controls to relieve hydraulic
system pressure.
3. Read the General Precautions for Removing and
Installing Hydraulic System Components at the begin-
ning of the Service and Repairs section of this chapter.
4. Disconnect hose assembly from hydraulic fitting at
bottom of relief valve body. Allow hose to drain into a
suitable container.
5. Unscrew relief valve body from hydraulic adapter in
side of piston pump.
6. If needed, remove hydraulic fitting from bottom of re-
lief valve body.
Installation
1. Lubricate new o–rings with clean hydraulic fluid.
2. If removed, install hydraulic fitting into bottom of re-
lief valve body.
3. Secure valve body to the hydraulic adapter in side of
piston pump.
4. Install hydraulic hose to hydraulic fitting at bottom of
relief valve body. Tighten hose connections.
Disassembly
1. Unscrew relief valve cartridge from the relief valve
body. Remove o–ring and back–up ring.
2. Inspect ports of the relief valve body for damaged
sealing surfaces or threads and contamination.
3. Inspect relief valve cartridge for damaged sealing
surfaces and contamination.
A. Contamination may cause valves to stick or hang
up. Contamination can become lodged in small valve
orifices or seal areas causing malfunction.
B. If sealing surfaces appear pitted or damaged, the
hydraulic system may be over heating or there may
be water in the hydraulic system.
CAUTION
Use eye protection such as goggles when using
compressed air.
4. Clean relief valve cartridge using clean mineral spir-
its to flush out any contamination. Submerge cartridge
in clean mineral spirits to flush out contamination. Par-
ticles as fine as talcum powder can affect the operation
of relief valve. Use compressed air for cleaning.
Reassembly
1. Lubricate new o–ring and back–up ring with clean
hydraulic fluid. Install o–ring and back–up ring to the re-
lief valve cartridge.
2. Carefully thread relief valve cartridge into the relief
valve body. The valve should go in easily without bind-
ing. Torque cartridge to 190 in–lb (21.4 N–m).
3. Lubricate new O–rings with clean hydraulic fluid.
Connect hydraulic fittings and O–rings to the relief valve
body.
1. Pump assembly
2. O–ring
3. Hydraulic adapter
4. O–ring
5. Relief valve body
6. Relief cartridge
7. Seal kit
8. Hydraulic fitting
9. O–ring
10. Hydraulic hose
Figure 41
2
7
89
56
3
1
10
4
190 in–lb
(21.5 N–m)
Hydraulic
System

Rev. D Multi Pro 5700--DHydraulic System Page 4 -- 46
Pulse Width Modulated (PWM) Valve
1. Spray pump assembly
2. Flange nut
3. Flange head screw
4. Rear guard plate
5. Flange nut (3 used)
6. Front guard plate
7. Hydraulic hose (PWM to motor)
8. O--ring
9. Hydraulic fitting
10. O--ring
11. Cap screw (2 used)
12. PWM Valve
13. Hydraulic hose (from gear pump)
14. Hydraulic tee fitting
15. Hydraulic hose (to oil cooler)
16. O--ring
17. Hydraulic hose (motor to PWM tee)
18. Flat washer (2 used)
19. Hydraulic motor
20. Pump mount bracket
Figure 44
FRONT
RIGHT
1
3
5
8
10
9
12
13
14
15
17
7
11
6
4
2
16
7
98
10
17
5
18
19
20
The Pulse Width Modulated (PWM) Valve is used on the
Multi Pro 5700--D to control gear pump flow to the spray
pump hydraulic motor. Electrical current to the PWM
Valve solenoid coil affects the internal spool setting of
the Valve and thus the hydraulic flow to the spray pump
motor.
For information on PWM Valve solenoid testing, see
Pulse Width Modulated (PWM) Valve Solenoid in the
Component Testing section of Chapter 5 -- Electrical
System.
IMPORTANT: Correct operation of the PWM Valve
depends on precise assembly and adjustment. No
disassembly or adjustment of the PWM Valve is rec-
ommended.
Internal parts for the PWM valve are not available. On
machines with serial numbers above 260000300, the
PWM valve solenoid coil is available as a separate com-
ponent. Refer to your parts catalog for replacement part
information.

Removal (Fig. 38)
1. Park machine on a level surface, stop engine, en-
gage parking brake, and remove key from the ignition
switch.
CAUTION
Rotate steering wheel and depress traction ped-
al in both forward and reverse to relieve hydrau-
lic system pressure and to avoid injury from
pressurized hydraulic oil.
1
3
2
2. Operate all hydraulic controls to relieve hydraulic
system pressure.
3. Read the General Precautions for Removing and
Installing Hydraulic System Components at the begin-
ning of the Service and Repairs section of this chapter.
4. Label all hydraulic connections to ease reassembly.
Clean hydraulic hose ends prior to disconnecting the
hoses from PWM Valve.
5. Disconnect four (4) hydraulic hoses from fittings in
PWM Valve. Allow hoses to drain into a suitable contain-
er.
6. Put caps or plugs on disconnected hoses and fittings
to prevent contamination.
7. Disconnect PWM Valve solenoid connector from
machine wiring harness (Fig. 43).
8. Remove two (2) cap screws and flange nuts that se-
cure PWM Valve to pump mount bracket. Locate and re-
trieve two (2) flat washers from between PWM Valve and
pump mount bracket. Remove PWM Valve from ma-
chine.
Installation (Fig. 38)
1. Place two (2) cap screws into PWM Valve mounting
holes. Install flat washer on screws and position Valve
to pump mount bracket. Install and tighten flange nuts
to secure PWM Valve to bracket.
2. Remove caps and plugs from hydraulic hoses and
fittings. Lubricate new o–rings and install hydraulic
hoses to fittings in PWM Valve.
3. Plug PWM Valve solenoid connector into machine
wiring harness.
4. Check fluid level in hydraulic oil reservoir and adjust
as required (see Operator’s Manual).
5. Operate machine and inspect for leaks.
Figure 43
1. PWM Valve 3. Solenoid connector
2. Solenoid
3
1
2
4
Figure 44
1. IN port (from gear pump) 3. EX port (to oil cooler)
2. CF port (to motor) 4. Solenoid coil
Hydraulic
System
Multi Pro 5700–D Page 4 – 47 Hydraulic System

Rev. C Multi Pro 5700--DHydraulic System Page 4 -- 48
Steering Control Valve
1. Hydraulic hose (to steering cylinder)
2. O--ring
3. Hydraulic hose (to oil cooler)
4. Hydraulic hose (from pump)
5. Steering control valve
6. Steering column
7. Cap screw (4 used)
8. Steering wheel
9. Steering wheel cover
10. Nut
11. Dust cover
12. Steering seal
13. Steering cylinder
Figure 46
FRONT
RIGHT
8
10
13
7
54
1
3
2
1
6
9
12
2
2
2
11
20 to 26 ft--lb
(28to35N--m)

Removal (Fig. 45)
1. Park the machine on a level surface, engage parking
brake, and stop engine. Remove key from the ignition
switch.
CAUTION
Rotate steering wheel and depress traction ped-
al in both forward and reverse to relieve hydrau-
lic system pressure and to avoid injury from
pressurized hydraulic oil.
2. Operate all hydraulic controls to relieve hydraulic
system pressure.
3. Read the General Precautions for Removing and
Installing Hydraulic System Components at the begin-
ning of the Service and Repairs section of this chapter.
4. Label all hydraulic connections for reassembly pur-
poses. Clean hydraulic hose ends prior to disconnecting
the hoses.
5. Remove fasteners that secure dash panel to front
hood (Fig. 47). Front edge of panel is secured with four
(4) screws and weldnuts. Sides of panel are fastened
with four (4) screws and flange nuts. Carefully slide dash
panel up steering column to allow access to steering
control valve.
6. Disconnect hydraulic hoses connected to the steer-
ing control valve. Allow hoses to drain into a suitable
container. Cap or plug openings of control valve and
hoses to prevent contamination.
7. Support steering control valve to prevent it from fal-
ling during removal.
8. Loosen and remove four (4) cap screws that secure
steering column and steering control valve to machine
frame.
9. Slide steering valve from control column. Remove
control valve from machine.
Installation (Fig. 45)
1. Slide steering control valve onto steering column.
Secure steering column and control valve to frame with
four (4) cap screws.
2. Remove caps and plugs from disconnected hoses
and fittings.
3. Lubricate new o–rings and connect hydraulic hoses
to steering control valve (Fig. 46). Tighten hose connec-
tions.
4. Position dash panel to front hood and secure with
fasteners (Fig. 47).
5. Check fluid level in hydraulic oil reservoir and adjust
as required (see Operator’s Manual).
6. After assembly is completed, operate steering cylin-
der to verify that hydraulic hoses and fittings are not con-
tacted by anything and that there are no leaks.
5
4
1
2
3
Figure 46
1. Steering control valve 4. Hyd hose (from pump)
2. Hyd hose (left turn) 5. Hyd hose (to oil cooler)
3. Hyd hose (right turn)
1
3
2
3
Figure 47
1. Steering column 3. Dash side screw
2. Dash front edge screw
Hydraulic
System
Multi Pro 5700–D Page 4 – 49 Hydraulic System

Steering Control Valve Service
3
5
6
9
10
16
11
12
13
14
15
4
7
1
2
17
18
19
19 20
21
22
23
24
8
140 to 160 in–lb
(15.8 to 18.1 N–m)
150 in–lb
(17 N–m)
Figure 48
1. Steering valve housing 9. Cap screw (7 used) 17. Geroter drive
2. Dust seal 10. End cap 18. Wear plate
3. O–ring 11. O–ring 19. Bearing race
4. Spool 12. Seal ring 20. Thrust bearing
5. Spring retaining ring 13. O–ring 21. Plug
6. Pin 14. Geroter 22. O–ring
7. Sleeve 15. O–ring 23. Check ball
8. Centering springs/spacers 16. Spacer 24. Quad seal
Disassembly 4. Slide the spool and sleeve assembly from the hous-
ing.
NOTE: Cleanliness is extremely important when
repairing hydraulic components. Work in a clean area. 5. Remove the thrust bearing and bearing races (2).
Before disassembly, drain the oil, then plug the ports
and thoroughly clean the exterior. During repairs, 6. Remove the quad seal.
always protect machined surfaces. 7. Use a small blade screwdriver to carefully pry the
1. Remove the seven cap screws from the steering dust seal from the housing. Be careful to not damage the
valve assembly. dust seal seat in the housing.
2. Remove end cap, geroter, spacer, geroter drive, 8. Remove the pin (Item 6) that holds the spool and
wear plate, seal ring, and o–rings (Items 11, 13, and 15) sleeve together.
from housing (Fig. 48). 9. Carefully slide the spool out of the sleeve. The cen-
3. Remove the plug, o–ring, and check ball from the tering springs and spring retaining ring will stay with the
housing. spool as it is removed.
Hydraulic System Page 4 – 50 Multi Pro 5700–D

CAUTION
The centering springs are under tension. Re-
move the retaining ring carefully.
10.Remove the spring retaining ring and centering
springs from the spool.
Reassembly
Check all mating surfaces. Replace any parts with
scratches or burrs that could cause leakage. Wash all
metal parts in clean solvent. Blow them dry with pressur-
ized air. Do not wipe parts dry with paper towels or cloth.
Lint in a hydraulic system will cause damage.
NOTE: Always use new seals and o–rings when
reassembling the steering control valve.
IMPORTANT: During reassembly, lubricate the new
seals with petroleum jelly. Also, lubricate machined
surfaces and bearings with clean hydraulic oil.
1. Install the quad seal:
A. Put one of the bearing races and sleeve into the
housing.
B. Together, the housing and bearing race create a
groove into which the quad seal will be installed.
C. Hold the bearing race tightly against the input end
of the housing by pushing on the gerotor end of the
sleeve.
D. Fit the quad seal into its seat through the input
end of the housing. Be sure the seal is not twisted.
E. Remove the sleeve and bearing race.
2. Lubricate and install the dust seal.
3. Install the centering springs in the spool. It is best to
install the two flat pieces first. Next, install the curved
pieces, three at a time.
4. Fit the retaining ring over the centering springs.
5. Apply a light coating of clean hydraulic oil to the spool
and slide it into the sleeve. Be sure the centering springs
fit into the notches in the sleeve.
6. Install the pin.
7. Apply a light coating of petroleum jelly to the inner
edge of the dust and quad seals.
8. Put the thrust bearing and bearing races into the
housing. The thrust bearing goes between the two bear-
ing races (Fig. 49).
IMPORTANT: Do not damage the dust or quad seals
when installing the spool and sleeve assembly.
9. Apply a light coating of clean hydraulic oil to the spool
and sleeve assembly. Carefully slide the assembly into
the housing.
10.Clamp the housing in a vise. Use only enough clamp-
ing force to hold the housing securely.
11. Lubricate and install a new o-ring (Item 3) in the
groove in the housing.
12.Install the wear plate and align screw holes in the
wear plate with threaded holes in the housing.
NOTE: The holes in the wear plate are symmetrical.
13.Install the geroter drive, making sure the slot in the
drive engages the pin.
14.Lubricate and install new o-ring in wear plate groove.
15.Install the gerotor and align the screw holes.
16.Lubricate and install new o-ring in gerotor ring
groove.
17.Lubricate and install new o-ring and seal ring in gero-
tor star groove.
18.Install the spacer.
19.Install the end cap and seven (7) cap screws. Tighten
the cap screws, in a crossing pattern, from 140 to 160
in-lb (15.8 to 18.1 N–m).
20.Remove the steering control unit from the vise.
21.Install the check ball and plug with o–ring. Tighten
the plug to 150 in-lb (17 N–m).
Thrust Bearing
and Race (2)
Quad Seal
Dust Seal
Figure 49
Hydraulic
System
Multi Pro 5700–D Page 4 – 51 Hydraulic System

Multi Pro 5700--DHydraulic System Page 4 -- 52
Steering Cylinder
1. Hydraulic hose
2. O--ring
3. Hydraulic fitting
4. O--ring
5. Jam nut
6. Grease fitting
7. Ball joint
8. Cotter pin
9. Rod end seal
10. Steering cylinder
11. Slotted hex nut
12. Lock nut
Figure 52
8
10
1
11
1
12
7
5
4
3
2
6
9
FRONT
RIGHT
2
3
4
6
20 to 25 ft--lb
(27to34N--m)
Antiseize
Lubricant

Multi Pro 5700--D Hydraulic SystemPage 4 -- 53
Removal (Fig. 52)
1. Park the machine on a level surface, engage the
parking brake, and stop the engine. Remove the key
from the ignition switch.
CAUTION
Rotate steering wheel and depress traction ped-
al in both forward and reverse to relieve hydrau-
lic system pressure and to avoid injury from
pressurized hydraulic oil.
2. Operate all hydraulic controls to relieve hydraulic
system pressure.
3. Read the General Precautions for Removing and
Installing Hydraulic System Components at the begin-
ning of the Service and Repairs section of this chapter.
4. Label all hydraulic connections for reassembly.
Clean hydraulic hose ends prior to disconnecting the
hoses from steering cylinder.
5. Disconnect hydraulic hoses from steering cylinder
(Fig. 53). Allow hoses to drain into a suitable container.
6. Put caps or plugs on disconnected hoses and fittings
to prevent contamination.
7. Remove lock nut that secures the barrel end of the
steering cylinder to the front axle.
8. Remove cotter pin and hex slotted nut that secure
the shaft end of the steering cylinder to the left side front
axle spindle.
9. Remove steering cylinder from machine.
10.If ball joint requires removal from cylinder shaft,
count number of revolutions it takes to remove from
shaft so ball joint can be re--installed without affecting
steering.
Installation (Fig. 52)
1. If ball joint was removed from cylinder shaft, apply
antiseize lubricant to threads of cylinder shaft. Install
ball joint onto shaft the same number of revolutions
needed to remove ball joint. Secure ball joint with jam
nut.
2. Place rod end seal on cylinder shaft ball joint. Insert
rod ends of cylinder down into attachment points on the
left side front axle spindle and front axle.
3. Secure shaft end of cylinder to the front axle spindle
with slotted hex nut. Torque hex nut from 20 to 25 ft--lb
(27to34N--m).Installcotterpin.
4. Secure barrel end of cylinder to the front axle with
locking nut.
5. Remove caps and plugs from disconnected hoses
and fittings.
6. Lubricate new O--rings and connect hydraulic hoses
to steering cylinder (Fig. 53). Tighten hose connections.
7. Check fluid level in hydraulic oil reservoir and adjust
as required (see Operator’s Manual).
8. After assembly is completed, operate steering cylin-
der to verify that hydraulic hoses and fittings are not con-
tacted by anything and that there are no leaks. Also,
make sure that a clockwise rotation of the steering wheel
makes a right turn.
1. Hose from steering control R port
2. Hose from steering control L port
3. Steering cylinder
Figure 53
1
3
2
Hydraulic
System

Steering Cylinder Service
5 1 3
4
12
13
8
9
10
7
11
6
2
14
40 ft–lb
(54 N–m)
Figure 52
1. Retaining ring 6. Shaft 11. Barrel
2. O–ring 7. Rod seal 12. Dust seal
3. Head 8. Piston 13. Ball joint
4. Backup ring 9. Uni–ring 14. Jam nut
5. O–ring 10. Lock nut
Hydraulic System Page 4 – 54 Multi Pro 5700–D

Disassembly (Fig. 52)
1. Remove oil from the steering cylinder into a drain pan
by slowly pumping the cylinder shaft. Plug both ports
and clean the outside of the cylinder.
IMPORTANT: Prevent damage when clamping the
hydraulic cylinder into a vise. Do not close vise
enough to distort the barrel.
2. Mount end of steering cylinder in a vise. Remove re-
taining ring that secures head into barrel.
3. Remove plugs from ports. Extract shaft, head, and
piston by carefully twisting and pulling on the shaft.
IMPORTANT: Do not clamp vise jaws against the
shaft surface. Protect shaft surface before mount-
ing in a vice.
4. Mount shaft securely in a vise by clamping on the end
of the shaft. Remove lock nut and piston from the shaft.
Slide head off the shaft.
5. Remove Uni–ring and o–ring from the piston.
6. Remove o–ring, back–up ring, rod seal, and dust
seal from the head.
Reassembly (Fig. 52)
1. Make sure all parts are clean before reassembly.
2. Coat new o–rings, Uni–ring, rod seal, and back–up
ring with with clean hydraulic oil.
A. Install Uni–ring and o–ring to the piston.
B. Install o–ring, back–up ring, rod seal, and dust
seal to the head.
IMPORTANT: Do not clamp vise jaws against the
shaft surface. Protect shaft surface before mount-
ing in a vice.
3. Mount shaft securely in a vise by clamping on the end
of the shaft.
A. Coat shaft with a light coat of clean hydraulic oil.
B. Slide head assembly onto the shaft. Install piston
and lock nut onto the shaft. Torque lock nut 40 ft–lb
(54 N–m) to secure assembly.
C. Remove shaft from the vise.
IMPORTANT: Prevent damage when clamping the
hydraulic cylinder into a vise. Do not close vise
enough to distort the barrel.
4. Mount end of the barrel in a vise.
5. Coat all internal parts with a light coat of clean hy-
draulic oil. Slide piston, shaft, and head assembly into
the barrel being careful not to damage the seals.
6. Secure head into the barrel with retaining ring.
Hydraulic
System
Multi Pro 5700–D Page 4 – 55 Hydraulic System

Multi Pro 5700–DHydraulic System Page 4 – 56
Oil Cooler
1. Oil cooler
2. Rivet
3. Oil cooler mount hook (2 used)
4. Radiator shroud
5. O–ring
6. Hydraulic fitting (2 used)
7. Clamp (4 used)
8. Rubber grommet (2 used)
9. Oil cooler hose (2 used)
10. Hydraulic 90o fitting
11. O–ring
12. Hydraulic fitting
13. O–ring
14. Radiator
Figure 53
FRONT
RIGHT
14 7
9
13
12
8
6
5
4
3 2
1
11
10
7

Removal (Fig. 53)
1. Park the machine on a level surface, engage the
parking brake, and stop the engine. Remove the key
from the ignition switch.
CAUTION
Rotate steering wheel and depress traction ped-
al in both forward and reverse to relieve hydrau-
lic system pressure and to avoid injury from
pressurized hydraulic oil.
2. Operate all hydraulic controls to relieve hydraulic
system pressure.
3. Read the General Precautions for Removing and
Installing Hydraulic System Components at the begin-
ning of the Service and Repairs section of this chapter.
4. Label all hydraulic connections for reassembly.
Clean hydraulic hose ends prior to disconnecting the
hoses from oil cooler.
5. From under front of machine, disconnect hydraulic
hoses from oil cooler. Allow hoses to drain into a suitable
container.
6. Put caps or plugs on disconnected hoses and fittings
to prevent contamination.
7. Lift oil cooler from hooks and remove from machine.
8. Clean oil cooler with solvent. Inspect for damage.
Installation (Fig. 53)
1. Place oil cooler onto hooks.
2. Remove caps and plugs from disconnected hoses
and fittings.
3. Lubricate new o–rings and connect hydraulic hoses
to oil cooler fittings. Tighten all hose connections.
4. Check fluid level in hydraulic oil reservoir and adjust
as required (see Operator’s Manual).
5. After assembly is completed, operate machine to
verify that hydraulic hoses and fittings are not contacted
by anything and that there are no hydraulic leaks.
Hydraulic
System
Multi Pro 5700–D Page 4 – 57 Hydraulic System

Multi Pro 5700–DHydraulic System Page 4 – 58
Hydraulic Reservoir
1. Hydraulic reservoir cap
2. Strainer
3. Hydraulic reservoir
4. O–ring (2 used)
5. Hydraulic fitting (2 used)
6. Hydraulic hose (from oil cooler)
7. O–ring (2 used)
8. Hydraulic hose (from piston pump)
9. Hydraulic hose (to piston pump)
10. Hydraulic hose (to gear pump)
11. O–ring (2 used)
12. Hydraulic fitting (2 used)
13. O–ring (2 used)
14. Cushion (2 used)
15. Lock nut (4 used)
16. Hold down strap (2 used)
17. Flange head screw (4 used)
18. Frame
Figure 54
7
3
2
1
4
5
FRONT
RIGHT
6
18
8
9
10 11
12
13 14
15
16
17

Removal (Fig. 54)
1. Park the machine on a level surface, engage the
parking brake, and stop the engine. Remove the key
from the ignition switch.
2. Read the General Precautions for Removing and
Installing Hydraulic System Components at the begin-
ning of the Service and Repairs section of this chapter.
3. Disconnect one hydraulic hose from the bottom of
the hydraulic reservoir to drain reservoir (see Operator’s
Manual).
4. Disconnect remaining hydraulic hoses from reser-
voir.
Figure 55
2
1
4
3
5. Remove hydraulic reservoir from machine using Fig- 1. Hose (from oil cooler) 3. Hose (to piston pump)
ure 54 as a guide. 2. Hose (from piston pump) 4. Hose (to gear pump)
Inspection
1. Clean hydraulic reservoir with solvent.
2. Inspect reservoir for leaks, cracks, or other damage.
Installation (Fig. 54)
1. Install hydraulic reservoir to machine using Figure 54
as a guide.
2. Lubricate new o–rings and reconnect hydraulic
hoses to reservoir (Fig. 55).
3. Fill reservoir with hydraulic fluid as required (see Op-
erator’s Manual).
4. Operate machine and inspect for leaks.
Hydraulic
System
Multi Pro 5700–D Page 4 – 59 Hydraulic System
This page is intentionally blank.
Hydraulic System Page 4 – 60 Multi Pro 5700–D

Chapter 5
Electrical System
Table of Contents
ELECTRICAL DIAGRAMS 2. . . . . . . . . . . . . . . . . . . . . Traction Speed Sensor . . . . . . . . . . . . . . . . . . . . . 14
SPECIAL TOOLS 3. . . . . . . . . . . . . . . . . . . . . . . . . . . . . Accessory Solenoid . . . . . . . . . . . . . . . . . . . . . . . . 15
Multimeter 3. . . . . . . . . . . . . . . . . . . . . . . . . . . . . . . . . Pressure Rate and Boom Actuator Switches . . . 16
Battery Terminal Protector 3. . . . . . . . . . . . . . . . . . . . Spray Pump, Agitation and Boom
Battery Hydrometer 3. . . . . . . . . . . . . . . . . . . . . . . . . Control Switches . . . . . . . . . . . . . . . . . . . . . . . . . 17
TROUBLESHOOTING 4. . . . . . . . . . . . . . . . . . . . . . . . . Master Boom (Foot) Switch . . . . . . . . . . . . . . . . . . 18
Starting Problems 4. . . . . . . . . . . . . . . . . . . . . . . . . . . Pulse Width Modulated (PWM) Valve Solenoid . 19
General Run Problems 5. . . . . . . . . . . . . . . . . . . . . . Manual Interface Module . . . . . . . . . . . . . . . . . . . . 20
ELECTRICAL SYSTEM QUICK CHECKS 6. . . . . . . . Relays . . . . . . . . . . . . . . . . . . . . . . . . . . . . . . . . . . . . 21
Battery Test (Open Circuit Test) 6. . . . . . . . . . . . . . . Glow Relay . . . . . . . . . . . . . . . . . . . . . . . . . . . . . . . . 22
Charging System Test 6. . . . . . . . . . . . . . . . . . . . . . . Fuel Stop Solenoid . . . . . . . . . . . . . . . . . . . . . . . . . 23
Neutral Switch Operation 6. . . . . . . . . . . . . . . . . . . . . Glow Controller . . . . . . . . . . . . . . . . . . . . . . . . . . . . 24
COMPONENT TESTING 7. . . . . . . . . . . . . . . . . . . . . . . Fuel Pump . . . . . . . . . . . . . . . . . . . . . . . . . . . . . . . . 25
Ignition Switch 7. . . . . . . . . . . . . . . . . . . . . . . . . . . . . . Fusible Link Harness . . . . . . . . . . . . . . . . . . . . . . . 26
Neutral Switch 8. . . . . . . . . . . . . . . . . . . . . . . . . . . . . . Diode Assembly . . . . . . . . . . . . . . . . . . . . . . . . . . . 26
Hour Meter 8. . . . . . . . . . . . . . . . . . . . . . . . . . . . . . . . . SERVICE AND REPAIRS . . . . . . . . . . . . . . . . . . . . . 27
Headlight Switch 9. . . . . . . . . . . . . . . . . . . . . . . . . . . . Headlights . . . . . . . . . . . . . . . . . . . . . . . . . . . . . . . . 27
Cruise Control Switch 10. . . . . . . . . . . . . . . . . . . . . . . Traction Speed Sensor . . . . . . . . . . . . . . . . . . . . . 28
Cruise Control Coil 10. . . . . . . . . . . . . . . . . . . . . . . . . Cruise Control Coil . . . . . . . . . . . . . . . . . . . . . . . . . 29
Brake Pedal Switch . . . . . . . . . . . . . . . . . . . . . . . . . 11 Battery Storage . . . . . . . . . . . . . . . . . . . . . . . . . . . . 30
Temperature Sender 12. . . . . . . . . . . . . . . . . . . . . . . . Battery Care . . . . . . . . . . . . . . . . . . . . . . . . . . . . . . . 30
Indicator Lights 13. . . . . . . . . . . . . . . . . . . . . . . . . . . . Battery Service . . . . . . . . . . . . . . . . . . . . . . . . . . . . 31
Electrical
System
Multi Pro 5700–D Page 5 – 1 Electrical System
Electrical Diagrams
The electrical schematic, electrical circuit drawings and
wire harness drawings for the Multi Pro 5700–D are lo-
cated in Chapter 8 – Electrical Diagrams.
Electrical System Page 5 – 2 Multi Pro 5700–D

Rev. C
Multi Pro 5700--D Page 5 -- 3 Electrical System
Special Tools
Order these special tools from your Toro Distributor.
Some tools may also be available from a local supplier.
Multimeter
The multimeter can test electrical components and cir-
cuits for current, resistance, or voltage.
NOTE: Toro recommends the use of a DIGITAL Volt--
Ohm--Amp multimeter when testing electrical circuits.
The high impedance (internal resistance) of a digital me-
ter in the voltage mode will make sure that excess cur-
rent is not allowed through the meter. This excess
current can cause damage to circuits not designed to
carry it.
Figure 1
Battery Terminal Protector
Toro Part Number: 107--0392
Battery Terminal Protector is an aerosol spray that
should be used on battery terminals to reduce corrosion
problems. Apply terminal protector after battery cable
has been secured to battery terminal.
Figure 2
Battery Hydrometer
Use the Battery Hydrometer when measuring specific
gravity of battery electrolyte. Obtain this tool locally.
Figure 3
Electrical
System

Troubleshooting
CAUTION
Remove all especially rings and
watches, before doing any electrical trouble-
cables unless the test requires battery voltage.
jewelry,
shooting or testing. Disconnect the battery
For effective troubleshooting and repairs, you must
have a good understanding of the electrical circuits and
components used on this machine (see Electrical Sche-
matics in Chapter 8 – Electrical Diagrams).
If the machine has any interlock switches by–passed,
they must be reconnected for proper troubleshooting
and safety.
Starting Problems
Problem Possible Causes
Starter solenoid clicks, but starter will not crank
(if solenoid clicks, problem is not in safety interlock
system).
Battery charge is low.
Battery cables are loose or corroded.
Battery ground to frame is loose or corroded.
Wiring at starter is faulty.
Starter solenoid is faulty.
Starter mounting bolts are loose or not supplying a
sufficient ground for solenoid.
Starter is faulty.
Nothing happens when start attempt is made. Battery cables are loose or corroded.
Battery ground cable to frame is loose or corroded.
Battery is dead.
Main fuse (20 amp) is open.
Wiring to start circuit components is loose, corroded, or
damaged (see Chapter 8 – Electrical Diagrams).
Neutral switch is out of adjustment or faulty.
Ignition switch is faulty.
Fuse block is faulty.
Starter solenoid is faulty.
Electrical System Page 5 – 4 Multi Pro 5700–D

Starting Problems (continued)
Problem Possible Causes
Engine cranks, but does not start. Ignition switch is faulty.
Engine is malfunctioning (see Chapter 3 – Kubota
Diesel Engine).
Fuel system is malfunctioning (see Chapter 3 – Kubota
Diesel Engine).
Engine may be too cold.
Engine cranks (but should not) with the traction pedal Neutral switch is out of adjustment or faulty.
out of the neutral position. Neutral switch wiring is faulty (see Chapter 8 –
Electrical Diagrams).
General Run Problems
Problem Possible Causes
Battery does not charge. Wiring to the charging circuit components is loose,
corroded, or damaged (see Chapter 8 – Electrical
Diagrams).
Alternator belt is slipping or damaged.
Alternator is faulty.
Battery is dead.
Engine kills during operation. Ignition switch is faulty.
Engine is malfunctioning (see Chapter 3 – Kubota
Diesel Engine).
Electrical
System
Multi Pro 5700–D Page 5 – 5 Electrical System

Rev. C Multi Pro 5700--D
Page 5 -- 6
Electrical System
Electrical System Quick Checks
Battery Test (Open Circuit Test)
Use a multimeter to measure the voltage between the
battery terminals.
Set the multimeter to the DC volts setting. The battery
should be at a temperature of 60oto 100oF(16
oto 38o
C). The ignition key should be in the OFF position and
all accessories turned off. Connect the positive (+) me-
ter lead to the positive battery post and the negative (--)
meter lead to the negative battery post.
NOTE: This test provides a relative condition of the bat-
tery. Load testing of the battery will provide additional
and more accurate information.
Voltage Measured Battery Charge Level
12.68 v (or higher) Fully charged (100%)
12.45 v 75% charged
12.24 v 50% charged
12.06 v 25% charged
11.89 v 0% charged
Charging System Test
This is a simple test used to determine if a charging sys-
tem is functioning. It will tell you if a charging system has
an output, but not its capacity.
Use a multimeter set to the DC volts setting. Connect the
positive (+) meter lead to the positive battery post and
the negative (--) meter lead to the negative battery post.
Leave the test leads connected and record the battery
voltage.
NOTE: Upon starting the engine, the battery voltage
will drop and then should increase once the engine is
running.
NOTE: Depending upon the condition of the battery
charge and battery temperature, the charging system
voltage will increase at different rates as the battery
charges.
Start the engine and run at high idle (3050 -- 3150 RPM).
Allow the battery to charge for at least 3 minutes. Record
the battery voltage.
Test results should be (example):
At least 0.50 volt over initial battery voltage.
Initial Battery Voltage = 12.30 v
Battery Voltage after 3 Minute Charge = 12.80 v
Difference = +0.50 v
Neutral Switch Operation
CAUTION
Do not disconnect neutral interlock switch. It is
for the operator’s protection. Check the opera-
tion of the switch daily for proper operation. Re-
place malfunctioning neutral interlock switch
before operating the machine.
Neutral switch operation is described in the Multi Pro
5700--D Operator’s Manual. Testing of the neutral
switch is included in the Component Testing section of
this Chapter.

Rev. D
Multi Pro 5700--D Page 5 -- 7 Electrical System
Component Testing
For accurate resistance and/or continuity checks, elec-
trically disconnect the component being tested from the
circuit (e.g. disconnect the ignition switch connectors
before doing a continuity check on the ignition switch).
NOTE: See the Kubota 05 Series Diesel Engine Ser-
vice Manual for more component testing information.
CAUTION
When testing electrical components for continu-
ity with a multimeter (ohms setting), make sure
that power to the circuit has been disconnected.
Ignition Switch
The ignition (key) switch has three positions (OFF, ON,
and START). Two ignition switches have been used on
Multi Pro 5700--D sprayers. Machines with serial num-
bers below 310000000 were equipped with a switch as
shown in Figure 4. Machines with serial numbers above
310000000 use a switch as shown in Figure 5. The
switch terminals are marked as shown in the appropri-
ate figure. The circuit logic of the ignition switches is
shown in the charts below. With the use of a multimeter
(ohms setting), the switch functions may be tested to de-
termine whether continuity exists between the various
terminals for each switch position. Verify continuity be-
tween switch terminals.
Circuit identification for machines with serial number be-
low 310000000 (Fig. 4):
POSITION CIRCUIT
OFF NONE
ON B+I+A, X+Y
START B+I+S
Circuit identification for machines with serial number
above 310000000 (Fig. 5):
POSITION CIRCUIT
OFF NONE
ON B+C+F, D+E
START A+B+C
Figure 4
45°
45°ON
START
OFF
A
B
SY
X
I
REAR VIEW
FRONT VIEW
SERIAL NUMBER BELOW 310000000
Figure 5
REAR VIEW
FRONT VIEW
A
B
CD
E
F
START
OFF
RUN
45o45o
SERIAL NUMBER ABOVE 310000000
Electrical
System

Neutral Switch
The neutral switch is located on the top side of the piston
(traction) pump (Fig. 7). The switch is closed when the
traction pedal is in the neutral position and opens when
the pedal is depressed in either direction (forward or re-
verse).
Test the switch by disconnecting the wires from the
switch terminals and connecting a continuity tester
across the two switch terminals. With the engine turned
off, slowly push the traction pedal in a forward or reverse
direction while watching the continuity tester. There
should be indications that the traction neutral switch is
opening and closing. Allow the traction pedal to return
to the neutral position. There should be continuity
across the switch terminals when the traction pedal is in
the neutral position.
See Manual Servo Control Assembly in Chapter 4 – Hy-
draulic Systems for disassembly, reassembly and ad-
justment procedures for the neutral switch.
1
2
Figure 7
1. Piston (traction) pump 2. Neutral switch
Hour Meter
The hour meter is located on the dash panel (Fig. 8).
Testing
1. Make sure ignition switch is off. Disconnect the har-
ness electrical connector from the terminals on the hour
meter.
2. Connect the positive (+) terminal of a 12 VDC source
to the positive (+) terminal of the hour meter.
3. Connect the negative (–) terminal of the voltage
source to the other terminal of the hour meter. Figure 8
1
1. Hour meter
4. The hour meter should move 1/10 of an hour in six
minutes.
5. Disconnect voltage source from the hour meter.
6. Reconnect harness to the meter terminals.
WINDOW
1/10 WHEEL: WHITE W/BLACK NUMBERS
HOUR WHEELS: BLACK W/WHITE NUMBERS
1
–
10
HOURS
0 0 0 0 0
RUNNING: INDICATOR
QUARTZ
Figure 9
Electrical System Page 5 – 8 Multi Pro 5700–D

Headlight Switch
The headlight switch is located on the dash panel (Fig.
10) and is used to turn the headlights on and off.
Testing
1. Make sure ignition switch is off. Locate headlight
switch and unplug wire harness connector from switch.
2. The switch terminals are marked as shown in Figure
11. In the ON position, continuity should exist between
the two terminals. In the OFF position, there should be
no continuity between the switch terminals. Figure 10
1
1. Headlight switch
3. Reconnect the harness connectors to the switch af-
ter testing.
BACK OF SWITCH
Figure 11
Multi Pro 5700–D Page 5 – 9 Electrical System
Electrical
System

Multi Pro 5700–D
Page 5 – 10
Electrical System
Cruise Control Switch
The cruise control switch is positioned on the dash panel
above the ignition switch (Fig. 12). This switch ener-
gizes the cruise control coil to allow the operator to main-
tain a constant ground speed.
Testing
1. Make sure ignition switch is off. Locate switch and
unplug machine wire harness connector from switch.
2. The switch terminals are marked as shown in Figure
13. In the ON position, continuity should exist between
terminals 2 and 3. In the momentary SET position, conti-
nuity should exist between terminals 5 and 6. In the OFF
position, there should be no continuity between any
switch terminals.
3. Terminals 7 (–) and 8 (+) are used for the indicator
light in the switch. The light should be illuminated when
the switch is in the ON position.
4. Reconnect the harness connector to the switch after
testing.
1. Cruise control switch
Figure 12
1
Figure 13
BACK OF SWITCH
823
756
Cruise Control Coil
The cruise control coil is energized by the cruise control
switch. The energized coil becomes a magnet to hold
the traction pedal in position and maintains ground
speed for accurate sprayer operation.
Testing
1. Make sure ignition switch is off. Locate control coil
next to traction pedal under the floorboard (Fig. 14). Un-
plug coil connector from machine wire harness.
NOTE: Prior to taking small resistance readings with a
digital multi meter, short the meter test leads together.
The meter will display a small resistance value (usually
0.5 ohms or less). This resistance is due to the internal
resistance of the meter and test leads. Subtract this val-
ue from from the measured value of the coil you are test-
ing.
2. Using a multimeter (ohms setting), verify control coil
resistance between the terminals of the connector and
the frame of the coil. Resistance should be from 3.6 to
4.0 ohms.
3. If coil does not engage when voltage is applied or coil
resistance is incorrect, replace control coil.
4. Reconnect the coil connector to the machine har-
ness after testing.
1. Cruise control coil
2. Plate
3. Traction pedal
4. Cap screw (4 used)
5. Lock washer (4 used)
6. Hex nut (4 used)
Figure 14
1
2
3
4
6
5

Multi Pro 5700–D Page 5 – 11 Electrical System
Brake Pedal Switch
The brake pedal switch is mounted on the frame under
the floorboard (Fig. 15). The brake pedal switch pre-
vents the cruise control coil from being energized when
the brake pedal is pushed.
Testing
1. Make sure ignition switch is off. Locate switch and
unplug wire harness connector from switch.
2. When the switch plunger is pressed (brake pedal re-
leased), there should be continuity between the switch
terminals. When the switch plunger is extended (brake
pedal depressed), there should be no continuity be-
tween the switch terminals.
3. Reconnect the harness connector to the switch after
testing.
1. Brake pedal
2. Brake pedal switch
3. Washer head screw
4. Lock washer
5. Hex nut
Figure 15
1
2
3
4
5
1. Switch plunger 2. Switch terminal
Figure 16
2
1
2
Electrical
System

Temperature Sender
The temperature sender is located near the alternator
on the water flange attached to the engine cylinder head
(Fig. 17). There is a blue wire attached to the terminal of
the sender.
Testing
1. Lower coolant level in the engine and remove the
temperature sender from water flange.
2. Put sender in a container of oil with a thermometer
and slowly heat the oil (Fig. 18).
CAUTION
Handle the hot oil with extreme care to prevent
personal injury or fire.
NOTE: Prior to taking resistance readings with a digital
multimeter, short the meter test leads together. The me-
ter will display a small resistance value (usually 0.5
ohms or less). This resistance is due to the internal re-
sistance of the meter and test leads. Subtract this value
from from the measured value of the temperature send-
er you are testing.
3. Check resistance of the sender with a multimeter
(ohms setting) as the temperature increases. The tem-
perature sender is normally open and should close be-
tween 216 to 226oF (102 to 108oC).
4. Allow oil to cool while observing temperature. The
temperature sender should open at about 208oF (98oC).
5. Replace sender if specifications are not met.
6. Install temperature sender to the water flange.
A. Clean threads of water flange and sender thor-
oughly. Apply thread sealant to the threads of the
sender.
B. Tighten sender into the water flange.
C. Reconnect blue wire to sender.
7. Fill engine cooling system (see Operator’s Manual).
1
Figure 17
1. Temperature sender
VOA
Figure 18
Electrical System Page 5 – 12 Multi Pro 5700–D

Multi Pro 5700–D Page 5 – 13 Electrical System
Indicator Lights
High Temperature Warning Light
If the engine coolant temperature rises to approximately
220oF (104oC), the high temperature light should come
on when the normally open temperature sender closes.
To test the high temperature warning light and circuit wir-
ing, start the engine and ground the blue wire attached
to temperature sender located on water pump housing
(see Temperature Sender in this Chapter). High temper-
ature warning light should illuminate.
Glow Plug Indicator Light
The glow plug light should come on when the ignition
switch is placed in the ON position prior to placing the
ignition switch in START. The light should stay lit for
approximately 6 seconds while the ignition switch is left
in the ON position.
Engine Oil Pressure Light
The oil pressure light should come on when the ignition
switch is in the ON position with the engine not running.
Also, it should light with the engine running if the engine
oil pressure drops below 4.3 PSI (0.3 kg/cm2).
To test the oil pressure light and circuit wiring, ground the
brown/white wire attached to oil pressure switch located
on the front side of engine near the oil dipstick. Turn igni-
tion switch to the ON position; the oil pressure light
should come on indicating correct operation of the elec-
trical wiring to the oil pressure switch.
Charge Indicator Light
The charge indicator light should come on when the igni-
tion switch is in the ON position with the engine not run-
ning or with an improperly operating charging circuit
while the engine is running.
Testing Indicator Lights
1. Apply 12 VDC to terminals 1A and 2A (Fig. 20).
2. Ground terminals 1B and 2B (Fig. 20).
3. Both indicator lights should illuminate.
1. High temp warning
2. Glow plug indicator
3. Engine oil pressure
4. Charge indicator
Figure 19
4
2
13
Figure 20
1. High temp warning
2. Glow plug indicator
3. Engine oil pressure
4. Charge indicator
5. Warning light front
6. Warning light back
1A (+) 2A (+)
2B (–)
1B (–)
4
2
13
5
6
Electrical
System

Rev. C Multi Pro 5700--D
Page 5 -- 14
Electrical System
Traction Speed Sensor
The traction speed sensor is attached to the right side
rear wheel motor (Fig. 21). The sensor provides ground
speed information for two (2) options: the Pro Control
Electronics and the speedometer kit. It uses a magneti-
cally based, Hall Effect integrated circuit. As the piston
group in the wheel motor turns, the sensor accurately
senses the movement of the pistons passing the sensor.
The red connector wire (connector terminal A) is the
positive lead, the black wire (terminal C) is the ground
lead, and the white wire (terminal B) is the signal output.
Testing
1. Make sure ignition switch is off. Remove speed sen-
sor from machine (see Traction Speed Sensor Removal
in the Service and Repair Section of this Chapter).
IMPORTANT: Incorrect jumper wire connections
during testing can damage the sensor.
2. Using a +12 VDC battery, a multimeter, a 1K ohm re-
sistor and appropriate jumper wires, connect the battery
and multimeter to the speed sensor using Figure 22 as
a guide.
3. Set multimeter to DC volts setting.
4. The multimeter should display very low voltage when
a metal object is held near the sensor tip. The multimeter
should display battery voltage when the metal object is
moved away from the sensor tip.
5. After sensor testing is complete, remove jumper
wires, resistor and multimeter leads from sensor con-
nector.
IMPORTANT: When replacing the sensor, see Trac-
tion Speed Sensor Installation in the Service and
Repair Section of this chapter.
6. Reinstall speed sensor into wheel motor (see Trac-
tion Speed Sensor Installation in the Service and Repair
Section of this Chapter). Reconnect speed sensor to
machine wire harness.
1. Speed sensor
2. O--ring
3. RH wheel motor housing
4. Motor piston group
Figure 21
1
2
3
4
1. Speed sensor
2. Sensor tip
3. Lock nut
4. Sensor connector
5. Red wire
6. White wire
7. Black wire
Figure 22
--
+
12 VDC
7
4
2
3
1
6
1K ohm
resistor
5

Accessory Solenoid
The accessory solenoid provides a current supply to the
spray system and optional accessories (e.g. foam mark-
ers). The solenoid is energized when the ignition key
switch is in the RUN position. The accessory solenoid is
attached to the electric panel under the operator seat
(Fig.23).
Testing
1. Make sure engine is off. Disconnect battery cables
from battery making sure to disconnect negative (–)
cable first and then positive (+) cable.
2. Raise operator seat and locate accessory solenoid.
Put labels on wires for proper installation after repairs
are completed. Disconnect machine harness wires from
solenoid.
3. Apply 12 VDC (+) to one solenoid coil post and
ground the other solenoid coil post. The solenoid should
click. Using a multimeter (ohms setting), make sure re-
sistance across the main contact posts is less than 1
ohm.
4. Remove voltage from solenoid coil post. The sole-
noid should click. Make sure resistance across the main
contact posts is infinite ohms (no continuity).
5. Replace accessory solenoid if necessary.
6. Reconnect electrical connections to solenoid.
7. Reconnect battery cables to battery making sure to
install positive (+) cable first and then negative (–) cable.
1
Figure 23
1. Accessory solenoid
1
2
WIRING
DIAGRAM
1
2
Electrical
System
Figure 24
1. Main contact post 2. Solenoid coil post
Multi Pro 5700–D Page 5 – 15 Electrical System

Pressure Rate and Boom Actuator Switches
The pressure rate (increase/decrease) switch is located
on the spray control console (Fig. 25). This switch along
with the Manual Interface Module (or Pro Control, if
equipped) changes the applied current to the PWM
valve which controls hydraulic flow to the hydraulic mo-
tor that drives the spray pump. Pressing the switch to the
increase position allows additional current to the PWM
valve which increases flow to the hydraulic motor. The
spray pump increases speed to allow additional flow
and pressure from the spray pump. Moving the switch
to the decrease position reduces current to the PWM
valve and results in less flow and pressure from the
spray pump.
The boom actuator switches are identical to the pres-
sure rate switch. These switches are used to operate the
boom actuators to raise or lower the spray booms.
Figure 25
1
2
3
4
Testing 1. Spray control console 3. RH boom switch
2. Pressure +/– switch 4. LH boom switch
1. Make sure ignition switch is off. Locate switch, re-
move console panel, and unplug wire harness connec-
tor from switch. 4 5 6
2. The switch terminals are marked as shown in Figure
26. In the INCREASE or boom raise position, continuity
should exist between terminals 2 and 3 and also be-
tween terminals 5 and 6. In the neutral, center position,
there should be no continuity between any switch termi-
nals. In the DECREASE or boom lower position, conti- 1 2 3
nuity should exist between terminals 2 and 1 and also
between terminals 5 and 4. BACK OF SWITCH
3. Reconnect the harness connector to the switch after Figure 26
testing.
Electrical System Page 5 – 16 Multi Pro 5700–D

Spray Pump, Agitation and Boom Control Switches
The spray pump (on/off), agitation (on/off) and boom
(on/off) control switches are located on the spray control
console (Fig. 27).
Testing
1. Make sure ignition switch is off. Remove console
panel, locate switch and unplug machine wire harness
connector from switch.
2. The switch terminals are marked as shown in Figure
28. In the ON position, continuity should exist between
terminals 2 and 3 and also between terminals 5 and 6.
In the OFF position, continuity should exist between ter-
minals 1 and 2 and also between terminals 4 and 5.
3 2
4
5
6
1
3. Terminals 7 (–) and 8 (+) are used for the indicator Figure 27
light in the switch. The light should be illuminated when 1. Spray control console 4. RH boom switch
the switch is in the ON position. 2. Agitation switch 5. Center boom switch
3. Spray pump switch 6. LH boom switch
4. Reconnect the harness connector to the switch after
testing. 7 4 5 6
8 1 2 3
BACK OF SWITCH
Figure 28
Multi Pro 5700–D Page 5 – 17 Electrical System
Electrical
System

Master Boom (Foot) Switch
The master boom switch is located on the floorboard of
the machine (Fig. 29). This switch allows the machine
operator to control the operation of all boom sections us-
ing one switch.
Testing
1. Locate switch and unplug wire harness connectors
from switch. Note wire connector location on switch.
2. The switch terminals are shown in Figure 30. Conti-
nuity should exist between the common terminal and
only one of the side terminals. When the switch is de- Figure 29
pressed, continuity should exist between the common
terminal and the other side terminal. Regardless of 1. Master boom switch
1
switch position, there should never be continuity be-
tween the two side terminals.
3. Reconnect the harness connectors to the switch af-
ter testing.
2 2
1
Figure 30
1. Common terminal 2. Side terminal
Electrical System Page 5 – 18 Multi Pro 5700–D

Rev. D
Multi Pro 5700--D Page 5 -- 19 Electrical System
Pulse Width Modulated (PWM) Valve Solenoid
The Pulse Width Modulated (PWM) Valve which con-
trols hydraulic flow to the spray pump motor includes an
electric solenoid (Fig. 30). When the spray console rate
switch is depressed, the available current to the PWM
valve solenoid is changed. This solenoid current change
causes a valve shift and subsequent change in hydrau-
lic flow to the spray pump motor. Testing of the PWM
Valve solenoid can be done without removing the sole-
noid.
Testing
NOTE: Prior to taking small resistance readings with a
digital multimeter, short the meter test leads together.
The meter will display a small resistance value (usually
0.5 ohms or less). This resistance is due to the internal
resistance of the meter and test leads. Subtract this val-
ue from from the measured value of the solenoid you are
testing.
1. Make sure ignition switch is off. Disconnect PWM
Valve solenoid electrical connector.
2. Measure resistance between the two solenoid con-
nector terminals. The resistance for the solenoid coil
should be approximately 9.6 ohms.
NOTE: The solenoid coil on machines with serial num-
bers below 260000300 is not available as a separate
component (shown in Fig. 30). On machines with serial
numbers above 260000300, the coil is available as a
separate component (Fig. 31). Refer to your parts cata-
log for replacement part information.
3. Reconnect electrical connector to the solenoid.
1. PWM valve
2. Solenoid
3. Solenoid connector
Figure 30
3
2
1
1. PWM valve
2. Solenoid coil
3. O--ring
4. Nut
Figure 31
3
2
4
1
SERIAL NUMBER ABOVE 260000300
Electrical
System

Manual Interface Module
The manual interface module is used in conjunction with
the increase/decrease switch to adjust current flow to
the PWM Valve and to maintain pump rate settings when
the booms are turned off and on again using the master
boom (foot) switch. The module is fastened to the head
light shield under the dash panel (Fig. 32). The manual
interface module is disabled if a Pro Control is installed
in the spray system.
Once the operator has set the spray application rate,
whenever the master boom switch is turned off, the
module stores the current (mA) setting available to the
PWM valve solenoid. When the master boom switch is
used to begin spraying again, the module ensures that
the spray application rate is unchanged. Because of the
module, the operator does not have to reset spray rates
when the master boom switch is used to turn the spray
booms back on.
The interface module is a solid state device and there is
no reliable means of bench testing the module. If spray
rates have to be reset after turning the booms off and on
with the master boom switch, the manual interface mod-
ule should be suspect.
Testing of the interface module, circuit wiring and in-
crease/decrease switch can be performed as follows:
1. Make sure ignition switch is off. Disconnect PWM
Valve solenoid electrical connector from the machine
wiring harness.
2. Connect one multimeter test lead to one of the har-
ness connector leads and the other meter test lead to
the second harness connector lead (Fig. 33). Set multi-
meter to DC Volts setting.
3. Turn ignition switch to the RUN position.
4. While monitoring the multimeter display, use the in-
crease/decrease switch to adjust spray rate:
A. Pressing the increase/decrease switch to in-
crease should result in an increased voltage dis-
played on the multimeter.
B. Pressing the increase/decrease switch to de-
crease should result in a decreased voltage dis-
played on the multimeter.
5. If voltage change to the PWM Valve is correct, the in-
terface module, circuit wiring and increase/decrease
switch are functioning correctly. If voltage change is in-
correct, test increase/decrease switch and then circuit
wiring. Replace manual interface module only after oth-
er components have tested acceptably.
6. Remove multimeter and reconnect PWM Valve elec-
trical connector to the machine harness.
2
1
Figure 32
1. Manual interface module 2. RH headlight
2
1
Figure 33
1. PWM Valve connector 2. Harness connector
Electrical System Page 5 – 20 Multi Pro 5700–D

Relays
The Multi Pro 5700–D uses three (3) relays that are at-
tached to the electric panel under the operator seat. One
of these relays is used to energize the cruise control coil.
The other two relays are used in the spray system in
conjunction with the master boom (foot) switch to turn
the spray booms on and off.
Testing
NOTE: Prior to taking small resistance readings with a
digital multimeter, short the meter test leads together.
The meter will display a small resistance value (usually
0.5 ohms or less). This resistance is due to the internal
resistance of the meter and test leads. Subtract this val-
ue from from the measured value of the component you
are testing.
1. Verify coil resistance between terminals 85 and 86
with a multimeter (ohms setting). Resistance should be
from 70 to 90 ohms. Figure 34
86
85
87A 87
30
2. Connect multimeter (ohms setting) leads to relay ter-
minals 30 and 87. Ground terminal 86 and apply +12
VDC to terminal 85. The relay should make and break
continuity between terminals 30 and 87 as +12 VDC is
applied and removed from terminal 85.
3. Disconnect voltage from terminal 85 and multimeter
lead from terminal 87.
4. Connect multimeter (ohms setting) leads to relay ter-
minals 30 and 87A. Apply +12 VDC to terminal 85. The
relay should break and make continuity between termi-
nals 30 and 87A as +12 VDC is applied and removed
from terminal 85.
5. Disconnect voltage and multimeter leads from the
relay terminals.
Electrical
System
Multi Pro 5700–D Page 5 – 21 Electrical System

Glow Relay
The glow relay is attached to the electric panel under the
operator seat (Fig. 36). When energized, the glow relay
allows electrical current to the engine glow plugs.
NOTE: Prior to taking small resistance readings with a
digital multi meter, short the meter test leads together.
The meter will display a small resistance value (usually
0.5 ohms or less). This resistance is due to the internal
resistance of the meter and test leads. Subtract this val-
ue from from the measured value of the component you
are testing.
85 86
87
30
86 87
1. Verify coil resistance between terminals 85 and 86
with a multimeter (ohms setting). Resistance should be
approximately 72 ohms.
85 30
2. Connect multimeter (ohms setting) leads to relay ter-
minals 30 and 87. Ground terminal 86 and apply +12
VDC to terminal 85. The relay should make and break
continuity between terminals 30 and 87 as +12 VDC is Figure 35
applied and removed from terminal 85.
3. Disconnect voltage and leads from the relay termi-
nals.
1
Figure 36
1. Glow relay
Electrical System Page 5 – 22 Multi Pro 5700–D

Multi Pro 5700–D Page 5 – 23 Electrical System
Fuel Stop Solenoid
The fuel stop solenoid must be energized for the engine
to run. It is mounted to the injection pump on the engine
(Fig. 37).
In Place Testing
NOTE: Prior to taking small resistance readings with a
digital multimeter, short the test leads together. The me-
ter will display a small resistance value (usually 0.5
ohms or less). This resistance is due to the internal re-
sistance of the meter and test leads. Subtract this value
from the measured value of the component you are test-
ing.
1. Disconnect wire harness connector from solenoid.
2. Using a digital multimeter, touch one test lead to the
pull coil terminal and the other test lead to the fuel stop
solenoid frame (ground) (Fig. 38). The resistance of the
pull coil should be less than 1 ohm (but not zero).
3. Using a digital multimeter, touch one test lead to the
hold coil terminal and the other test lead to the fuel stop
solenoid frame (ground) (Fig. 38). The resistance of the
hold coil should be approximately 15 ohms.
4. Connect solenoid to the wiring harness.
Live testing
1. Disconnect wire harness connector from solenoid.
NOTE: The solenoid may be removed from the engine
or tested in place.
2. If the solenoid is removed from the engine, make
sure that the solenoid plunger moves freely and is free
of dirt, debris and corrosion.
3. Connect a positive (+) test lead from a 12 VDC
source to the pull coil and hold coil terminals.
4. Touch a negative (–) test lead from the 12 VDC
source to the fuel stop solenoid frame (ground) (Fig. 38).
The solenoid should engage, making an audible “click,”
and the plunger should retract.
5. Remove positive (+) voltage from the pull coil termi-
nal. The solenoid should stay engaged.
6. Remove positive (+) voltage from the hold coil termi-
nal. The solenoid should release.
7. Reconnect the wires to the solenoid.
1. Injection pump 2. Fuel stop solenoid
Figure 37
2
1
1. Fuel stop solenoid
2. Pull coil terminal
3. Hold coil terminal
Figure 38
1
2
3
Electrical
System

Glow Controller
The controller is attached to the electric panel under the
operator seat.
NOTE: Refer to see Chapter 8 – Electrical Diagrams
when troubleshooting the glow controller.
Controller Operation
1. When the ignition switch is placed in the RUN posi-
tion, the controller energizes the glow plugs and lights
up the glow lamp for approximately 6 seconds.
2. When the ignition switch is held in the START posi-
tion, the glow plugs will energize while the switch is held
in START and the glow lamp will not light.
3. When the ignition switch is released from START to
RUN, the glow plugs will de–energize and the glow lamp
will remain off.
Controller Checks
1. Make sure there is power from the battery.
2. Disconnect electrical connector to the fuel stop sole-
noid to prevent the engine from starting.
3. Place ignition switch in the RUN position. Verify the
following while in the RUN position:
A. Glow indicator lamp is on.
B. Glow relay is energized.
C. Glow plugs are energized.
5. If any of the conditions in Step 3 are not met or power
to terminal 1 exists and any of the other conditions in
Step 4 are not met:
A. Verify continuity of the circuitry from the battery to
the glow relay and glow plugs (see Chapter 8 – Elec-
trical Diagrams).
B. Verify continuity of the circuitry from the battery to
ignition switch, glow controller, glow lamp, glow
relay, and ground (see Chapter 8 – Electrical Dia-
grams).
C. Replace parts as necessary.
6. Connect electrical connector to the fuel stop sole-
noid.
3
2
1
6
4
5
1
2
3
D. Glow indicator lamp goes out and glow plugs de– Figure 39
energize after approximately 6 seconds. 1. Glow controller end view 3. Side view
2. Top view
4. Place ignition switch in the START position. Verify
the following while in the START position:
A. Glow indicator lamp is out.
B. Glow relay is energized.
C. Glow plugs are energized.
D. Power exists at terminal 1 of the glow controller.
NOTE: If there is no power to terminal 1 of the glow con-
troller, verify continuity of the circuitry from the ignition
switch to the controller and perform Step 4 again (see
Chapter 8 – Electrical Diagrams).
Electrical System Page 5 – 24 Multi Pro 5700–D

Rev. C
Multi Pro 5700--D Page 5 -- 25 Electrical System
Fuel Pump
The fuel pump is attached to the frame just outboard of
the fuel injection pump (Fig. 40).
DANGER
Because diesel fuel is highly flammable, use cau-
tion when handling it. Do not smoke while testing
the fuel pump. Do not test fuel pump while engine
is hot. Make sure that there is adequate ventila-
tion when testing. Always wipe up any spilled
fuel before starting the engine.
Operational Test
1. Disconnect electrical connector from the fuel stop
solenoid to prevent the engine from firing (see Fuel Stop
Solenoid in this section).
2. Disconnect pump fuel discharge hose from the fuel
filter.
3. Make sure fuel hoses attached to the fuel pump are
free of obstructions.
4. Place pump discharge fuel hose into a large, gradu-
ated cylinder sufficient enough to collect 1 liter (33.8 fluid
ounces).
IMPORTANT: When testing the fuel pump, DO NOT
turn ignition switch to START.
Note: Machines that are equipped with a Biodiesel
Conversion Kit will have the same fuel pump as ma-
chines with serial numbers above 280000000.
5. Collect fuel in the graduated cylinder by turning igni-
tion switch to the RUN position. Allow pump to run for
time listed below, then return switch to OFF.
A. For machines with serial numbers below
270999999, the amount of fuel collected in the grad-
uated cylinder should be approximately 11.8 fl oz
(350 ml) after thirty (30) seconds.
B. For machines with serial numbers above
280000000, the amount of fuel collected in the grad-
uated cylinder should be approximately 16 fl oz (475
ml) after fifteen (15) seconds.
6. Replace fuel pump as necessary. Install fuel hose to
the fuel filter.
7. Wipe up any spilled fuel.
8. Reconnect electrical connector to the fuel stop sole-
noid.
9. Bleed fuel system (see Operator’s Manual).
1. Fuel pump 2. Fuel discharge hose
Figure 40
12
Fuel Pump Specifications
Fuel pump specifications for machines with serial num-
bers below 270999999 are as follows:
Pump Capacity 23.5 fl oz/min (700 ml/min)
Pressure 3.3 PSI (22.8 kPa)
Current Draw 0.9 amp
Fuel pump specifications for machines with serial num-
bers above 280000000 are as follows:
Pump Capacity 64 fl oz/min (1.9 liters/min)
Pressure 7 PSI (48.3 kPa)
Current Draw 2.0 amp
Electrical
System

Fusible Link Harness
The Multi Pro 5700–D uses three (3) fusible links for cir-
cuit protection. These fusible links are located in a har-
ness that connects the starter B+ terminal to the main
wire harness (Fig. 41). If any of these links should fail,
current to the protected circuit will cease. Refer to wire
harness drawings in Chapter 8 – Electrical Diagrams for
additional fusible link information.
Use a multimeter to make sure that continuity exists be-
tween each terminal pin in connector P1 and connector
J1 at the starter (Fig. 42). If any of the fusible links are
open, replace the complete harness.
Figure 41
1
2
1. Starter motor 2. Fusible link harness
FUSIBLE LINK
FUSIBLE LINK
FUSIBLE LINK
Figure 42
Diode Assembly
Two diode assemblies (Fig. 43) are used in the Multi Pro
5700–D wiring harness. Diode D1 is used to provide a
latching circuit for the cruise relay. Diode D2 is used for
circuit protection from voltage spikes that occur when
the cruise control coil is de–energized.
These diodes plug into the vehicle wire harness (see
wire harness drawings in Chapter 8 – Electrical Dia- Figure 43
grams). 1. Diode assembly 3. Female terminal
2
1
3
2. Male terminal
Testing
The diodes can be individually tested using a digital
multimeter (diode test or ohms setting) and the table to
the right.
Multimeter Multimeter
Red Lead (+) Black Lead (–) Continuity
on Terminal on Terminal
Female Male YES
Male Female NO
Electrical System Page 5 – 26 Multi Pro 5700–D

Multi Pro 5700–D Page 5 – 27 Electrical System
Service and Repairs
NOTE: See the Kubota 05 Series Diesel Engine Ser-
vice Manual for engine electrical component repair in-
formation.
Headlights
Removal and Installation
1. Set parking brake, turn ignition off, and remove key.
2. Remove two (2) flange head screws that secure
shield to machine. Position shield away from back of
headlight.
3. Unplug wiring harness connector from headlight
bulb.
NOTE: Headlight bulb can be replaced without remov-
ing headlight body. Be careful when servicing bulb. Nev-
er touch bulb with fingers – handle bulb by the base.
4. To replace the headlight bulb:
A. Turn the bulb approximately 1/4 turn counter-
clockwise and remove bulb from headlight body.
B. Align bulb base with hole in headlight body. Insert
bulb into headlight body and turn the bulb approxi-
mately 1/4 turn clockwise.
5. If headlight body or lens requires removal, remove
three (3) screws that secure headlight assembly to ma-
chine. Remove headlight assembly. Install in reverse or-
der.
6. After repairs are completed, attach wiring harness
connector to headlight bulb.
7. Attach shield to machine with two (2) flange head
screws.
1. Headlight lens
2. Headlight body
3. Screw (3 used)
4. Headlight bulb
5. Flange head screw
6. Shield
Figure 44
1
2
3
4
6
5
5
Electrical
System

Rev. C Multi Pro 5700--D
Page 5 -- 28
Electrical System
Traction Speed Sensor
Removal (Fig. 45)
1. Locate speed sensor on right side wheel motor. Dis-
connect speed sensor from machine wire harness.
2. Loosen lock nut and remove speed sensor from
wheel motor.
Installation (Fig. 45)
1. Thread lock nut fully onto speed sensor threads.
2. Center a wheel motor piston in the center of the sen-
sor port (see Sensor Port View in Fig. 46). Use a suitable
tool to feel when a motor piston is in the center of the
sensor port.
3. Lubricate O-ring and install onto sensor threads.
4. Thread sensor into port until sensor contacts piston.
Rotate motor output shaft one complete revolution to
make sure it rotates freely.
5. Turn sensor out (counter-clockwise) until angle be-
tween sensor orientation grooves and motor centerline
is between 90oand 93o, then back out sensor one full
turn. Hold sensor at this position and torque lock nut
from 75 to 125 in-lb (8.5 to 14.1 N--m).
6. Plug speed sensor connector into machine wire har-
ness.
1. Speed sensor
2. O--ring
3. RH wheel motor housin
g
4. Motor piston group
Figure 45
1
2
3
4
Figure 46
SENSOR SIDE VIEW
Speed Sensor
Lock Nut
Piston
Orientation
Grooves
SENSOR PORT VIEW
Sensor Port Sensor Port
Piston
POSITION POSITION
INCORRECT
CORRECT
Piston
SENSOR INSTALLATION
Motor
Centerline
Orientation
Grooves
90oto 93o

Multi Pro 5700–D Page 5 – 29 Electrical System
Cruise Control Coil
Removal (Fig. 48)
1. Set parking brake, turn ignition off and remove key.
2. Remove hex nut and lock washer that secure shaft
to machine frame. Remove shaft with collar, flange
bushing, plate, and compression spring.
3. Unplug cruise control coil connector from machine
wiring harness. Remove four (4) cap screws, lock wash-
ers, and hex nuts that secure coil to frame. Remove
cruise control coil.
Installation (Fig. 48)
1. Attach cruise control coil to frame using four (4) cap
screws, lock washers and hex nuts.
2. Position compression spring, plate, and flange bush-
ing to machine making sure to align plate slot with post
on traction pedal. Apply anti–seize lubricant to shaft and
insert shaft with collar. Secure shaft to frame with hex
nut and lock washer.
3. Plug cruise control coil connector into machine wir-
ing harness.
4. Check that gap between cruise coil and plate is
approximately 3/32” (2.4 mm). If gap is incorrect, loosen
set screw in collar and slide collar on shaft to allow prop-
er gap. Tighten set screw to secure collar on shaft.
1. Cruise control coil 2. Traction pedal
Figure 47
1
2
1. Cruise control coil
2. Compression spring
3. Plate
4. Flange bushing
5. Collar w/setscrew
6. Shaft
7. Cap screw (4 used)
8. Lock washer (4 used)
9. Hex nut (4 used)
10. Shaft lock washer
11. Shaft hex nut
Figure 48
1
8
11
9
10
2
3
4
Anti–seize
Lubricant
6
5
7
Electrical
System

Battery Storage
If the machine will be stored for more than 30 days:
1. Remove the battery and charge it fully (see Battery
Service).
2. Either store battery on a shelf or on the machine.
3. Leave cables disconnected if the battery is stored on
the machine.
4. Store battery in a cool atmosphere to avoid quick de-
terioration of the battery charge.
5. To help prevent the battery from freezing, make sure
it is fully charged (see Battery Service).
Battery Care
1. Battery electrolyte level must be properly main-
tained. The top of the battery must be kept clean. lf the
machine is stored in a location where temperatures are
extremely high, the battery will run down more rapidly
than if the machine is stored in a location where temper-
atures are cool.
working with electrolyte. Charge battery in a
well ventilated place so gasses produced
while charging can dissipate. Since the gases
WARNING
Wear safety goggles and rubber gloves when
are explosive, keep open flames and electrical
sparks away from the battery; do not smoke.
Nausea may result if the gases are inhaled. Un-
plug charger from electrical outlet before con-
necting or disconnecting charger leads to or
from battery posts.
IMPORTANT: Do not remove battery fill caps while
cleaning.
2. Check battery condition weekly or after every 50
hours of operation. Keep terminals and entire battery
case clean because a dirty battery will discharge slowly.
A. Clean battery by washing entire case with a solu-
tion of baking soda and water. Rinse with clear water.
B. Coat battery posts and cable connectors with
Battery Terminal Protector (Toro Part No. 107–0392)
or petroleum jelly to prevent corrosion.
3. Battery cables must be tight on terminals to provide
good electrical contact.
sult in personal injury and/or damage to the
electrical system.
WARNING
Connecting cables to the wrong post could re-
4. If corrosion occurs at battery terminals, disconnect
cables. Always disconnect negative (–) cable first.
Clean clamps and terminals separately. Reconnect
cables with positive (+) cable first. Coat battery posts
and cable connectors with Battery Terminal Protector
(Toro Part No. 107–0392) or petroleum jelly to prevent
corrosion.
5. Check electrolyte level every 25 operating hours and
every 30 days if machine is in storage.
6. Maintain cell electrolyte level with distilled or demin-
eralized water. Do not fill cells above the fill line.
Electrical System Page 5 – 30 Multi Pro 5700–D

Battery Service
The battery is the heart of the electrical system. With
regular and proper service, battery life can be extended.
Additionally, battery and electrical component failure
can be prevented.
CAUTION
When working with batteries, use extreme cau-
eyes. Always wear safety goggles and a face
shield when working with batteries.
tion to avoid splashing or spilling electrolyte.
Electrolyte can destroy clothing and burn skin or
Electrolyte Specific Gravity
Fully charged: 1.265 corrected to 80oF (26.7oC)
Discharged: less than 1.240
Battery Specifications
BCI Group Size 34
690 CCA at 0o F (–18o C)
Reserve Capacity of 100 minutes at 80oF (27oC)
Dimensions (including terminal posts)
Length 10.17 inches (25.8 cm)
Width 6.65 inches (16.9 cm)
Height 7.98 inches (20.3 cm)
Battery Removal (Fig. 49)
IMPORTANT: Be careful not to damage battery ter-
minal posts or cable connectors when removing the
battery cables.
1. Make sure ignition and all accessories are OFF.
2. Using two wrenches, loosen cap screw and nut on
ground (–) cable connector first and then remove
ground (–) cable from battery. This should prevent short
circuiting the battery, other components or the opera-
tors’ hands.
3. Loosen cap screw and nut on positive (+) cable con-
nector using two wrenches. Remove positive (+) cable
from battery.
4. Loosen cap screw and flange nut that secure battery
retainer to the battery compartment.
5. Make sure battery vent caps are on tightly.
6. Remove battery from the battery compartment to a
service area to allow better access for service.
Battery Installation (Fig. 49)
IMPORTANT: To prevent possible electrical prob-
lems, install only a fully charged battery.
1. Make sure ignition and all accessories are OFF.
Multi Pro 5700–D
2. Make sure battery compartment is clean and re-
painted if necessary. Make sure all battery cables, con-
nections and battery retainer are in good condition.
3. Place battery in its compartment with the battery
posts toward the rear of the vehicle. Make sure battery
is level and flat.
4. Secure battery retainer. Do not overtighten to pre-
vent cracking or distorting the battery case.
5. Connect positive (+) cable connector onto positive
battery post. Tighten cap screw and nut using two
wrenches.
6. Connect a digital multimeter (set to amps) between
the negative battery post and the ground (–) cable con-
nector. The reading should be less than 0.1 amp. If the
reading is 0.1 amp or more, the unit’s electrical system
should be tested and repaired.
7. Connect ground (–) cable connector to the negative
battery post. Tighten cap screw and lock nut using two
wrenches.
8. Coat battery posts and cable connectors with Battery
Terminal Protector (Toro Part No. 107–0392) or petro-
leum jelly to prevent corrosion.
1
2
3
Figure 49
1. Battery 3. Negative battery cable
2. Positive battery cable
Electrical
System
Page 5 – 31 Electrical System

Inspection, Maintenance, and Testing
1. Perform the following inspections and maintenance:
A. Replace battery if cracked or leaking.
B. Check battery terminal posts for corrosion. Use
wire brush to clean corrosion from posts.
IMPORTANT: Before cleaning the battery, tape or
block vent holes to the filler caps and make sure the
caps are on tightly.
C. Check for signs of wetness or leakage on the top
of the battery which might indicate a loose or missing
filler cap, overcharging, loose terminal post, or over-
filling. Also, check battery case for dirt and oil. Clean
the battery with a solution of baking soda and water,
then rinse it with clean water.
D. Check that the cover seal is not broken away. Re-
place the battery if the seal is broken or leaking.
E. Check the electrolyte level in each cell. If the level
is below the tops of the plates in any cell, fill all cells
with distilled water between the minimum and max-
imum fill lines. Charge at 15 to 25 amps for 15 min-
utes to allow sufficient mixing of the electrolyte.
2. Conduct a hydrometer test of the battery electrolyte.
IMPORTANT: Make sure the area around the cells is
clean before opening the battery caps.
A. Measure the specific gravity of each cell with a
hydrometer. Draw electrolyte in and out of the
hydrometer barrel prior to taking a reading to warm–
up the hydrometer. At the same time take the tem-
perature of the cell.
B. Temperature correct each cell reading. For each
10oF (5.5oC) above 80oF (26.7oC) add 0.004 to the
specific gravity reading. For each 10oF (5.5oC) be-
low 80oF (26.7oC) subtract 0.004 from the specific
gravity reading.
Example: Cell Temperature 100oF
Cell Gravity 1.245
100oF minus 80oF equals 20oF
(37.7oC minus 26.7oC equals 11.0oC)
20oF multiply by 0.004/10oF equals 0.008
(11oC multiply by 0.004/5.5oC equals 0.008)
ADD (conversion above) 0.008
Correction to 80oF (26.7oC) 1.253
C. If the difference between the highest and lowest
cell specific gravity is 0.050 or greater or the lowest
cell specific gravity is less than 1.225, charge the bat-
tery. Charge at the recommended rate and time giv-
en in Charging or until all cells specific gravity is
1.225 or greater with the difference in specific gravity
between the highest and lowest cell less than 0.050.
If these charging conditions can not be met, replace
the battery.
3. Perform a high–discharge test with an adjustable
load tester.
This is one of the most reliable means of testing a battery
as it simulates the cold–cranking test. A commercial bat-
tery load tester is required to perform this test.
CAUTION
Follow the battery tester manufacturer’s instruc-
tions when using a battery tester.
A. Check the voltage across the battery terminals
prior to testing the battery. If the voltage is less than
12.4 VDC, recharge the battery.
B. If the battery has been charged, apply a 150 amp
load for 15 seconds to remove the surface charge.
Use a battery load tester following the manufactur-
er’s instructions.
C. Make sure battery terminals are free of corrosion.
D. Measure the temperature of the center cell.
E. Connect a battery load tester to the battery termi-
nals following the battery tester manufacturer’s
instructions. Connect a digital multimeter to the
battery terminals.
F. Apply a test load of one half the Cranking Perfor-
mance (see Battery Specifications) rating of the bat-
tery for 15 seconds.
G. Take a voltage reading at 15 seconds, then re-
move the load.
Electrical System Page 5 – 32 Multi Pro 5700–D

H. Using the table below, determine the minimum
voltage for the cell temperature reading:
I. If the test voltage is below the minimum, replace
the battery. If the test voltage is at or above the mini-
mum, return the battery to service.
Battery Charging
To minimize possible damage to the battery and allow
the battery to be fully charged, the slow charging meth-
od is presented here. This charging method can be ac-
complished with a constant current battery charger
which is available in most shops.
CAUTION
Follow the manufacturer’s instructions when us-
ing a battery charger.
NOTE: Using specific gravity of the battery cells is the
most accurate method of determining battery condition.
1. Determine the battery charge level from either its
specific gravity or open circuit voltage.
2. Determine the charging time and rate using the
manufacturer’s battery charger instructions or the
following table.
Minimum
Voltage
Battery Electrolyte
Temperature
9.6 70oF (and up) 21.1oC (and up)
9.5 60oF 15.6oC
9.4 50oF 10.0oC
9.3 40oF 4.4oC
9.1 30oF –1.1oC
8.9 20oF –6.7oC
8.7 10oF –12.2oC
8.5 0oF –17.8oC
Battery
Reserve
Capacity
Capacity
(Minutes)
Battery Charge Level
(Percent of Fully Charged)
75% 50% 25% 0%
80 or less 3.8 hrs 7.5 hrs 11.3 hrs 15 hrs
@ @ @ @
3 amps 3 amps 3 amps 3 amps
81 to 125 5.3 hrs 10.5 hrs 15.8 hrs 21 hrs
@ @ @ @
4 amps 4 amps 4 amps 4 amps
126 to 5.5 hrs 11 hrs 16.5 hrs 22 hrs
170 @ @ @ @
5 amps 5 amps 5 amps 5 amps
171 to 5.8 hrs 11.5 hrs 17.3 hrs 23 hrs
250 @ @ @ @
6 amps 6 amps 6 amps 6 amps
above 6 hrs 12 hrs 18 hrs 24 hrs
250 @ @ @ @
10 amps 10 amps 10 amps 10 amps
CAUTION
60oF (15.5o
Charge the battery in a well–ventilated place to
Nausea may result if the gases are inhaled. Un-
Do not charge a frozen battery because it can ex-
plode and cause injury. Let the battery warm to
C) before connecting to a charger.
dissipate gases produced from charging. These
gases are explosive; keep open flame and elec-
trical spark away from the battery. Do not smoke.
plug the charger from the electrical outlet before
connecting or disconnecting the charger leads
from the battery posts.
3. Following the battery charger manufacturer’s
instructions, connect the charger cables to the battery.
Make sure a good connection is made.
4. Charge the battery following the battery charger
manufacturer’s instructions.
5. Occasionally check the temperature of the battery
electrolyte. If the temperature exceeds 125oF (51.6oC)
or the electrolyte is violently gassing or spewing, the
charging rate must be lowered or temporarily stopped.
6. Three hours prior to the end of the charging, mea-
sure the specific gravity of a battery cell once per hour.
The battery is fully charged when the cells are gassing
freely at a low charging rate and there is less than a
0.003 change in specific gravity for three consecutive
readings.
Electrical
System
Battery Charge
Level
Specific
Gravity
Open Circuit
Voltage
100% 1.265 12.68
75% 1.225 12.45
50% 1.190 12.24
25% 1.155 12.06
0% 1.120 11.89
Multi Pro 5700–D Page 5 – 33 Electrical System
This page is intentionally blank.
Electrical System Page 5 – 34 Multi Pro 5700–D

Rev. D
Multi Pro 5700--D Page 6 -- 1 Spray System
Chapter 6
Spray System
Table of Contents
SPECIFICATIONS 2.............................
GENERAL INFORMATION 3.....................
Precautions Concerning Chemicals Used in
Spray System 3.............................
Precautions for Removing or Adjusting Spray
System Components 3.......................
O--Ring Seal Kit 3.............................
SPRAY SYSTEM FLOW DIAGRAM 4..............
SPRAY SYSTEM OPERATION 5..................
TROUBLESHOOTING 6.........................
SERVICE AND REPAIRS 8......................
Suction Dampener 8..........................
Pressure Dampener 9.........................
Spray Pump 10...............................
Spray Pump Service 12........................
Agitation Nozzles (Tank Mounted) 16............
Pressure Relief Valve (Tank Mounted) 18.........
Spray Control Assembly 20.....................
Boom Valve Motor Assembly 22................
Agitation Valve Motor Assembly 24..............
Boom and Agitation Valve Motor Service (Machines
with Serial Numbers Below 310000000) 26.....
Boom and Agitation Valve Motor Service (Machines
with Serial Numbers Above 310000000) 29.....
Boom Bypass 30..............................
Tank Suction 32..............................
Tank Drain Valve (Machines with Serial
Numbers Below 270000000) 34...............
Tank Drain Valve (Machines with Serial
Numbers Above 270000000) 35.1.............
Turret Bodies 36..............................
Turret Body Service 37........................
Boom Frame Breakaway Pivot Assembly
(Machines with Serial Numbers Below
260000000) 38..............................
Boom Hinge (Machines with Serial Numbers
Above 260000000) 40.......................
Boom Actuator (Machines with Serial
Numbers Below 260000000) 42...............
Boom Actuator Service (Machines with Serial
Numbers Below 260000000) 44...............
Boom Actuator (Machines with Serial
Numbers Above 260000000) 46...............
Boom Actuator Service (Machines with Serial
Numbers Above 260000000) 48...............
Pro Control Spray System (Optional) 50..........
Spray
System

Specifications
Item Description
Spray Pump Diaphragm Pump, 30 GPM (114 LPM) @ 200 PSI
Spray Pressure Relief Valve Poppet Style, 220 PSI Maximum
Sprayer Tank 300 Gallon (1136 Liter), Polyethylene
Suction Strainer 50 Mesh (Blue), Stainless Steel, Tank Mounted
(30 Mesh (Red) and 80 Mesh (Green) Optional)
Spray System Page 6 – 2 Multi Pro 5700–D

Rev. D
Multi Pro 5700--D Page 6 -- 3 Spray System
General Information
Precautions Concerning Chemicals Used in Spray System
Chemicals can injure persons, animals, plants, soil, or
other property. To eliminate environmental damage and
personal injury:
1. Select the proper chemical for the job.
2. Carefully read the directions printed on the chemical
manufacturer’s labels before handling chemicals. In-
structions on chemical manufacturer’s container labels
regarding mixing proportions should be read and strictly
followed.
3. Keep spray material away from skin. If spray material
comes in contact with a person, wash it off immediately
in accordance with manufacturer’s recommendations
(container labels and Material Safety Data Sheets).
4. Always wear protective clothing, chemical resistant
gloves, eye protection, and other personal protective
equipment as recommended by the chemical manufac-
turer.
5. Properly dispose of chemical containers, unused
chemicals, and chemical solution.
Precautions for Removing or Adjusting Spray System Components
1. Stop the vehicle and set the parking brake.
2. Shut off the vehicle’s engine and remove the key
from the ignition switch.
3. Disengage all power and wait until all moving parts
have stopped.
4. Remove chemicals from pump, hoses, and other
spray components. Thoroughly neutralize and rinse
spray system before loosening or removing any spray
system component(s).
5. Make sure line pressure is relieved before loosening
any system component.
O--Ring Seal Kit
Part Number: 106--4846
The O--Ring Seal Kit includes an assortment of O--rings
used for sealing spray control valves on machines with
serial numbers below 310000000. It is recommended
that O--rings be replaced every two (2) years or whenev-
er a fitting is loosened.
Figure 1
SPRAYER
O--RING SEAL KIT
PART NO. 106--4846
Spray
System

Multi Pro 5700–D
Page 6 – 4
Spray System
Spray System Flow Diagram
PRESSURE
GAUGE
DAMPENER
DIAPHRAGM
SUCTION
SUCTION
PRESSURE
DAMPENER
& SCREEN
RELIEF
PRESSURE
CENTER BOOM
RIGHT BOOM
LEFT BOOM
BOOM CONTROL
PUMP
FLOWMETER
SUCTION
PRESSURE
FLOW DIRECTION
(if equipped)
AGITATION
AGITATION
AGITATION
AGITATION
AGITATION
DRAIN VALVE
TOP MOUNTED TANK
TANK
TOP MOUNTED
AGITATION
VALVE
VALVES
BOOM SUPPLY
BOOM BYPASS
AGITATION
BOOM SUPPLY

Spray System Operation
The Multi Pro 5700–D spray system uses a positive dis-
placement diaphragm pump to move spray solution
from the spray tank to the boom nozzles. The spray
pump is self–priming and has a dry crankcase.
The downward stroke of the pumps’ two connecting
rods and diaphragms create suction to allow fluid to be
drawn from the spray tank to the pump via the suction
tube, suction strainer, hoses, and connectors. A suction
dampener placed in the suction line dampens suction
pulses to smooth suction flow. Suction valves positioned
in the pump valve chamber prevent fluid from being
pumped back into the suction line. Leaks in the suction
line will cause system problems and often will be indi-
cated by erratic suction line jumping and excessive
pump noise.
Once to the pump, the fluid is pushed by the upward
stroke of the pumps’ two connecting rods and dia-
phragms to the pressure side of the spray system
through hoses, connectors, control valves, and spray
nozzles. A pressure dampener at the pump outlet
smooths system pressure pulsation. Pressure valves
positioned in the pump head prevent fluid from being
drawn back into the pump. Maximum pressure in the
system is limited by a pressure relief valve located in the
tank. A pressure gauge on the dash panel indicates
spray system pressure.
Battery current for spray system fuses, switches, valve
motors, and other components is provided by the acces-
sory solenoid when the machine ignition switch is in the
RUN position. For spray system electrical component
information and test procedures, see Chapter 5 – Elec-
trical System.
The machine operator controls the spray system on the
Multi Pro 5700–D with electrical switches located on the
spray console. Switches include a spray pump on/off
switch, an application rate (increase/decrease) switch,
an agitation control switch and three boom control
switches. These switches control the PWM Valve, the
agitation control valve and three boom control valves.
Additionally, a master (foot) boom valve switch allows
the operator to turn off/on all three boom sections.
The spray pump is directly coupled to and driven by a hy-
draulic motor. Flow from the hydraulic gear pump to the
motor is controlled by the Pulse Width Modulated
(PWM) Valve. Based on available current (mA) from the
spray pump application rate (increase/decrease)
switch, the PWM spool valve directs gear pump flow to
the spray pump hydraulic motor. This hydraulic flow
causes the motor to rotate the spray system pump for
spray system operation.
When the spray pump is on, application rate (increase/
decrease) switches allow the operator to adjust electri-
cal current to the PWM Valve solenoid. Higher current
(rate increase) to the PWM solenoid increases hydraulic
flow to the spray pump motor and results in a higher
spray pump speed with more output/pressure. Lower
current (rate decrease) to the PWM solenoid decreases
hydraulic flow to the spray pump motor and results in a
lower spray pump speed with less output/pressure. De-
sired spray pump pressure should be based on boom
nozzle selection and ground speed (see Nozzle Selec-
tion Guide (Toro Form No. 3351–389) for information re-
garding boom nozzle selection).
When the agitation switch is ON, the switch light is illumi-
nated and the agitation control valve is opened. This
open valve directs system flow to three agitation nozzles
in the spray tank. When the agitation switch is OFF, the
agitation control valve is closed so no flow is available
for tank agitation nozzles.
When a boom control switch (left, center or right) is ON,
the switch light is illuminated and the boom control valve
for that boom is opened. This open valve directs system
flow to the spray nozzles located on the boom section.
When a boom control switch is OFF, the boom control
valve is closed so no flow is available to that spray boom.
A manually adjustable boom bypass valve is incorpo-
rated in each of the boom control valves. Proper adjust-
ment of the boom bypass valves prevents system
pressure changes when a boom section is shut off. Flow
from the boom bypass valves is directed back to the tank
(boom bypass).
An optional Pro Control Spray System is available for
the Multi Pro 5700–D. This system includes a console
computer and an inline flowmeter to control the spray
pressure system. The flowmeter is positioned in the
pressure side of the spray system directly before the
boom control valves. The flowmeter measures spray
boom flow. The Pro Control computer determines sys-
tem application rate based on operator programming
and inputs from the flowmeter and the ground speed
sensor located in the right rear wheel motor. Additional
Pro Control information can be found in the Pro Control
Spray System Operator’s Manual.
NOTE: When a vehicle is equipped with the optional
Pro Control Spray System, the balancing valves on all
boom valve motors must be fully closed.
Spray
System
Multi Pro 5700–D Page 6 – 5 Spray System

Multi Pro 5700--D
Page 6 -- 6
Spray System
Troubleshooting
Problem Possible Cause
Spray system leaks fluid. Fitting(s), hose(s), or tube(s) are loose or damaged.
O--ring(s) or seal(s) are missing or damaged.
Spray tank drain valve not seating.
Fluid leaking from bottom of spray
pump.
Faulty diaphragm(s) in spray pump.
Excessive suction hose vibration. Suction screen in tank is plugged.
Spray pump suction line has an air leak.
Suction tube in spray tank has air leak.
Suction line is restricted.
Suction dampener diaphragm is damaged.
Spray pressure decreases while
operating sprayer.
Suction line is restricted.
Suction screen in tank is plugged.
Agitation jet(s) in tank loose (only occurs if agitation switch is on).
Spray nozzles worn or damaged.
Pressure line or component is restricted or damaged.
Engine speed is low.
Pressure relief valve in tank is stuck.
Spray pump is damaged.
Nozzles on spray boom section leak
when boom is switched off.
Diaphragm in turret body is leaking or damaged.
Boom valve motor for affected boom is not seating.
Spray pump doesn’t rotate. Spray pump switch off or damaged.
Pressure increase/decrease switch not set.
Key on spray pump or hydraulic motor shaft is sheared.
Spray pump coupler assembly is damaged.
Pump drive hydraulic motor not engaged or is damaged (see Chap-
ter 4 -- Hydraulic System).
Pro Control (if equipped) not set up correctly.

Multi Pro 5700--D Page 6 -- 7 Spray System
Erratic spray operation from booms. Clogged strainer.
Damaged suction dampener.
Damaged pressure dampener.
Clogged or damaged spray nozzle(s).
Spray nozzles are different sizes.
Console boom switch(es) dirty, corroded, or damaged.
Boom valve motor seat loose or damaged.
Boom valve motor actuating cam worn or sticking.
Boom bypass set incorrectly.
No spray output from one spray
boom.
Hoses on boom are pinched or kinked.
Boom valve motor for affected boom not opening.
Fuse for affected boom valve motor blown.
Console boom switch for affected boom valve dirty, corroded, or
damaged.
Check for 12 volts at affected boom valve motor in both directions
(on and off).
Low spray rate from one nozzle. Clogged or damaged nozzle.
Spray nozzles are different sizes.
Boom valve motor for affected boom not seating.
Spray
System

Service and Repairs
Suction Dampener
The suction dampener is mounted to the suction line at
the spray pump (Fig. 2) and is used to dampen suction
pulses to smooth suction flow. During normal pump op-
eration, the suction dampener diaphragm will move.
IMPORTANT: Make sure to neutralize and remove
chemicals from pump and hoses before loosening
and removing spray system components.
A damaged suction dampener diaphragm will allow a
suction leak and will cause improper pump operation. If
the diaphragm is damaged, remove diaphragm from
dampener housing and replace it (Fig. 3).
3
1
2
Figure 2
1. Spray pump 3. Suction hose
2. Suction dampener
2
4
1
3
Figure 3
1. Spray pump 3. Dampener housing
2. O–ring 4. Diaphragm
Spray System Page 6 – 8 Multi Pro 5700–D

Pressure Dampener
The pressure dampener is mounted to the pressure line
at the spray pump (Fig. 4) and is used to smooth system
pressure pulsation. Adjust air pressure on the pressure
dampener from 12 to 15 PSI (.83 to 1.03 bar).
IMPORTANT: Any fluid in the pressure dampener
will include spray system chemicals so take neces-
sary precautions when working with the dampener.
Use appropriate protective equipment: protective
clothing, chemical resistant gloves and eye protec-
tion.
3
1
2
If fluid is present when pressure in the dampener is
checked, the diaphragm in the pressure dampener is
damaged and should be replaced.
Dampener Service (Fig. 5) Figure 4
1. Spray pump 3. Pressure hose
2. Pressure dampener
IMPORTANT: Make sure to neutralize and remove
chemicals from pump and hoses before loosening
and removing spray system components.
1. Loosen and remove twelve (12) cap screws and nuts
that secure diaphragm between housings.
2. Remove diaphragm from dampener. 8
3. Replace diaphragm and reassemble dampener.
2
4
5
1
6
7
3
Figure 5
1. Spray pump 5. Diaphragm
2. O–ring 6. Front housing
3. Hex nut (12 used) 7. Cap screw (12 used)
4. Rear housing 8. Air valve
Spray
System
Multi Pro 5700–D Page 6 – 9 Spray System

Rev. D Multi Pro 5700--DPage 6 -- 10Spray System
Spray Pump
1. Spray pump assembly
2. Flange nut
3. Square key
4. Lock nut
5. Pump hub
6. Coupler spacer
7. Rubber coupling
8. Flat washer
9. Cap screw
10. Set screw
11. Hydraulic motor hub
12. Flange head screw
13. Rear guard plate
14. Front guard plate
15. Flange nut
16. PWM Valve
17. Pump mount bracket
18. Flange head screw (4 used)
19. Woodruff key
20. Hydraulic motor
21. U--bolt (2 used)
Figure 6
FRONT
RIGHT
1
2
34
56
8
10
9
12
13
14 15
17
7
11
6
8
9
42
10
Loctite #242
Loctite #242
Antiseize
Lubricant
Antiseize
Lubricant
19
18
16
20
21
IMPORTANT: Make sure to neutralize and remove
chemicals from pump and hoses before loosening
and removing spray system components.
Removal (Fig. 6)
1. Park machine on a level surface, stop engine, en-
gage parking brake, and remove key from the ignition
switch.
2. Loosen hose clamp that secures suction hose to
hose barb (Fig. 7). Pull suction hose from hose barb.
3. Loosen hose clamp that secures pressure hose to
hose barb (Fig. 7). Pull pressure hose from hose barb.
4. Remove flange head screw and flange nut that se-
cure front and rear guard plate. Remove four (4) flange
nuts that retain guard plates to pump mount bracket. Re-
move guard plates from machine.
NOTE: Machines with serial numbers above
290000400 use two (2) rubber couplings (item 7).

Rev. D
Multi Pro 5700--D Page 6 -- 11 Spray System
5. Remove lock nuts, flat washers, cap screws, and
coupler spacers that secure rubber coupling to pump
hub.
6. Remove four (4) flange head screws and flange nuts
that secure pump to pump mount bracket.
7. Remove pump from machine.
8. If needed, loosen set screws in pump hub. Pull hub
from pump shaft. Locate and remove key from pump
shaft. Remove set screws from pump hub. Clean
threads of set screws and hub.
9. If needed, remove pressure dampener, tee fitting
(pressure), and elbow fitting (pressure) from pump out-
let (Fig. 8).
10.If needed, remove suction dampener and tee fitting
(suction) from pump inlet (Fig. 8).
Installation (Fig. 6)
NOTE: Coat all spray system O--rings with vegetable
oil before installation to reduce the chance of damage
during assembly.
1. Apply PTFE tape to threads of removed tee fitting
(pressure), elbow fitting (pressure), and tee fitting (suc-
tion). Position new O--rings and gaskets on suction and
pressure fittings that were removed during disassembly.
2. If removed, install tee fitting (suction) and suction
dampener to pump inlet. Orientate tee toward rear of
machine (Fig. 8).
3. If removed, install elbow fitting (pressure), tee fitting
(pressure), and pressure dampener to pump outlet.
Orientate elbow toward rear of machine (Fig. 8).
4. If pump hub was removed, apply antiseize lubricant
to pump shaft. Install key in shaft and slide pump hub
onto shaft.
5. Position pump on pump mounting bracket and install
flange head screws and flange nuts to pump and mount-
ing bracket. Leave fasteners loose.
6. Place coupling spacers into rubber coupling. Install
cap screws, flat washers, and lock nuts to secure rubber
coupling to pump hub. Make sure that cap screw
threads extend through lock nut.
7. If pump hub was removed, apply Loctite #242 (or
equivalent) to threads of pump hub set screws. Install
set screws into pump hub to secure hub to pump shaft.
8. Turn pump shaft by hand and position pump on
mounting bracket to best align the coupling assembly
between the pump shaft and the hydraulic motor shaft.
9. Secure pump to mounting bracket by tightening
flange head screws and flange nuts.
10.Position front and rear guard plates to pump mount
bracket. Install and tighten flange head screw and
flange nut to guard plates. Install flange nuts to secure
guard plates to pump mount bracket.
11. Install pressure and suction hoses to correct barb fit-
tings (Fig. 7). Secure hoses with hose clamps.
1. Pressure hose 2. Suction hose
Figure 7
2
1
1. Spray pump
2. Pressure hose (1”)
3. Hose clamp
4. Hose barb
5. Nut
6. Gasket
7. Tee fitting (pressure)
8. Elbow fitting (pressure)
9. O--ring
10. Pressure dampener
11. Suction hose (1 1/2”)
12. Hose clamp
13. Nut
14. Seal
15. Tee fitting (suction)
16. Suction dampener
17. Hose barb
Figure 8
2
13
1
3
54
6
7
8
9
10
11
14
12
16
15
17
9
6
Spray
System

Spray Pump Service
9
10
11
12
13
14
7
8
15
16
17
18
1
2
3
4
5
6
5
6
8
7
9
12
13
14
10
18
19
20 21
22 23
25
26
21 20
4
27
32 ft–lb
(44 N–m)
32 ft–lb
(44 N–m)
55 ft–lb
(75 N–m)
25 ft–lb
(34 N–m)
60 ft–lb
(80 N–m)
60 ft–lb
(80 N–m)
3
2
25
19. Hex nut
20. Connecting rod
21. Ball bearing (connecting rod)
22. Grease fitting
23. Crankshaft
24. Hex nut (5 used)
25. Valve (outlet position)
26. Hex bolt (2 used)
27. Poly o–ring
Figure 9
1. Valve chamber 10. Lock washer
2. Valve (inlet position) 11. Hex bolt
3. O–ring 12. Ball bearing (crankshaft)
4. Diaphragm cover 13. Dust plate
5. Hex bolt 14. Pump casing
6. Washer 15. Hex bolt (30 mm long) (3 used)
7. Diaphragm 16. Hex bolt (4 used per cover)
8. Diaphragm back disc 17. Hex bolt (55 mm long) (2 used)
9. Nylon washer 18. Felt seal
Spray System Page 6 – 12 Multi Pro 5700–D
24

Disassembly (Fig. 9)
IMPORTANT: Make sure to remove and neutralize
chemicals from pump before disassembly. Wear
protective clothing, chemical resistant gloves, and
eye protection during pump repair.
NOTE: Many pump components can be easily re-
versed. During disassembly, make note of component
position (e.g. crankshaft, valve chamber) to assure cor-
rect assembly.
1. Remove two (2) hex bolts that retain valve chamber
to pump. Separate valve chamber from pump.
D. Position dust plate and felt seal on both ends of
crankshaft.
IMPORTANT: If connecting rod position is incor-
rect, pump will not operate properly.
E. Slide crankshaft assembly into pump casing. The
rear connecting rod should be positioned to the left
side and the connecting rod closest to you to the right
side (Fig. 10).
2. Place second pump casing onto assembly. Pump
casing surfaces should mate together.
2. Remove inlet and outlet valves and o–rings from
each diaphragm cover. Note orientation of valves. Dis-
card valves and o–rings. Clean valve and o–ring seats
in the valve chambers and diaphragm covers.
3. Remove hex bolts that secure diaphragm covers to
pump. Remove diaphragm covers.
4. Remove hex bolt, washer, nylon washer, diaphragm,
and diaphragm back disc from each connecting rod.
Discard diaphragms.
5. Remove five (5) hex bolts and nuts that secure pump
casing halves together. Note location of two (2) longer
hex bolts. Carefully separate pump casing halves.
1
2
Figure 10
6. Clean grease from bottom of housing and check con- 1. Closest connecting rod (to right side)
dition of bearings on crankshaft. If bearings require re- 2. Rear connecting rod (to left side)
placement, remove and disassemble crankshaft:
A. Remove crankshaft assembly from pump casing.
B. Slide felt seal and dust plate from both ends of
crankshaft.
C. Loosen bolt and hex nut that secure connecting
rods to crankshaft. Slide connecting rods from crank
-
shaft.
D. Press ball bearings from crankshaft.
Assembly (Fig. 9)
1. If disassembled, assemble crankshaft.
Figure 11
1
2
2
1
1
A. Hand pack new bearings with #2 general purpose
lithium base grease. 1. Hex bolt (30 mm long) 2. Hex bolt (55 mm long)
B. Pressing on bearing inner race, install two con -
necting rod and two crankshaft ball bearings onto
crankshaft.
C. Slide connecting rods onto rod bearings. Offsets
of the connecting rods should face each other. Install
hex bolt, flat washers, and hex nut to connecting rod.
Torque hex nuts to 25 ft–lb (34 N–m) to secure con
-
necting rod to crankshaft.
Multi Pro 5700–D Page 6 – 13 Spray System
Spray
System

3. Install three (3) shorter (30 mm) and two (2) longer
(55 mm) bolts into pump casing assembly (Fig. 11).
Thread hex nuts onto bolts but do not fully tighten.
Check that crankshaft turns freely.
4. Place diaphragm back disc and new diaphragm onto
each connecting rod. The connecting rods should ex-
tend above the diaphragms when correctly installed
(Fig. 12). Position nylon washer and washer on each
connecting rod and then thread hex bolt into connecting
rod. Torque bolt to 60 ft–lb (80 N–m).
5. Make sure that pump casings align and then secure
pump casing assembly by torquing five (5) bolts to 32 ft–
lb (44 N–m).
6. Secure diaphragm covers to pump using hex bolts (4
per cover). Torque bolts to 55 ft–lb (75 N–m).
7. Place new o–rings and valves into diaphragm cover
openings (Fig. 13). Inlet valves should be installed with
the spring down into the cover. Outlet valves should be
installed in with the spring up and away from cover.
8. Place valve chamber over valves noting orientation
of chamber inlet and outlet. Secure valve chamber with
two (2) hex bolts. Torque bolts 60 ft–lb (80 N–m).
2 1
Figure 12
1. Diaphragm 2. Connecting rod
2 2
1
3
Figure 13
1. Inlet (suction) 3. Outlet valve
2. Inlet valve
Spray System Page 6 – 14 Multi Pro 5700–D

This page is intentionally blank.
Multi Pro 5700–D Page 6 – 15 Spray System
Spray
System

Multi Pro 5700–D
Page 6 – 16
Spray System
Agitation Nozzles (Tank Mounted)
1. O–ring
2. Fork
3. Hosebarb
4. Bulkhead nut
5. Hose clamp
6. Bulkhead gasket
7. Bulkhead fitting
8. Elbow fitting
9. Agitation nozzle
10. Nut
11. Hose (3/4”)
12. Nut
13. Hosebarb
14. Hose (3/4”)
15. Tee fitting
16. Hose (3/4”)
17. R clamp
18. Flange head screw
19. Hose (3/4”)
20. Agitation supply hose (3/4”)
21. Spray tank
Figure 14
FRONT
RIGHT
5
2
6
3
4
7
9
8
1
14
11
12
13
10
16
17
18
15
1
1
11
1
1
1
2
2
2
3
3
4
4
5
5
5
5
5
5
6
6
7
7
8
8
9
910
10
12
13
15
19
21
20
NOTE: ARROWS SHOW FLUID
FLOW DIRECTION

Rev. D
Multi Pro 5700--D Page 6 -- 17 Spray System
IMPORTANT: Make sure to remove and neutralize
chemicals from tank and other components before
disassembly. Wear protective clothing, chemical re-
sistant gloves, and eye protection during repair.
Disassembly (Fig. 14)
1. Park machine on a level surface, stop engine, en-
gage parking brake, and remove key from the ignition
switch.
2. Drain spray tank (see Operator’s Manual).
3. Label disconnected hoses for proper installation af-
ter repairs are completed.
4. Remove agitation nozzles as required using Figure
14 as a guide. Discard all removed O--rings and gaskets.
Assembly (Fig. 14)
NOTE: Coat all O--rings with vegetable oil before instal-
lation to reduce the chance of damage during assembly.
1. Install agitation nozzles using Figure 14 as a guide.
Replace all removed O--rings and gaskets.
2. Check spray system for leaks.
1. Agitation valve motor 2. Agitation supply hose
Figure 15
1
2
SERIAL NUMBER BELOW 310000000
1. Agitation valve motor 2. Agitation supply
Figure 16
1
2
SERIAL NUMBER ABOVE 310000000
Spray
System

Multi Pro 5700–D
Page 6 – 18
Spray System
Pressure Relief Valve (Tank Mounted)
1. Spray tank
2. Pressure supply hose (1”)
3. Hose clamp
4. Hosebarb
5. O–ring
6. Fork
7. Tee fitting assembly
8. Pressure relief valve hose (1”)
9. Hosebarb
10. O–ring
11. Ringnut
12. Gasket
13. Relief valve assembly
Figure 16
FRONT
RIGHT
5
3
1
2
4
6
3
4
5
7
8
9
11
13
10
12
NOTE: ARROWS SHOW FLUID
FLOW DIRECTION

IMPORTANT: Make sure to remove and neutralize
chemicals from tank and other components before
disassembly. Wear protective clothing, chemical re-
sistant gloves, and eye protection during repair.
Removal (Fig. 16)
1. Park machine on a level surface, stop engine, en-
gage parking brake, and remove key from the ignition
switch.
2. Drain spray tank (see Operator’s Manual).
3. Label disconnected hoses for proper installation af-
ter repairs are completed.
1
2
4. Remove pressure relief valve from spray tank using
Figures 16 and 17 as guides. Discard all removed o–
rings and gaskets.
5. Disassemble relief valve using Figure 18 as a guide.
Assembly (Fig. 16)
NOTE: Coat all o–rings with vegetable oil before instal-
lation to reduce the chance of damage during assembly.
1. Replace relief valve components that are worn or
damaged. Assemble relief valve using Figure 18 as a
guide.
2. Install pressure relief valve using Figures 16 and 17
as guides. Replace all removed o–rings and gaskets.
3. Check spray system for leaks.
Figure 17
1. Pressure relief valve 2. Hose to pressure relief
5
3
2
4
1
Figure 18
1. Nut 4. Cone
2. Seat 5. Relief valve housing
3. Spring
Spray
System
Multi Pro 5700–D Page 6 – 19 Spray System

Rev. D Multi Pro 5700--DPage 6 -- 20Spray System
Spray Control Assembly
1. Boom valve motor assembly
2. O--ring
3. Flange nut
4. Flange nut
5. Flange head screw
6. Boom mounting bracket
7. Cross support angle
8. RH boom mount
9. Flange nut
10. Boom hold--in assembly
11. Valve mounting bar
12. LH boom mount
13. Flange head screw
14. R--clamp
15. Support bracket
16. Tee assembly
17. Agitation valve motor
18. O--ring
19. Hosebarb
20. Hose clamp
21. Agitation supply hose (1”)
22. Fork
23. Flange head screw
24. Flange head screw
25. Carriage bolt
26. Mount bracket
27. Boom bypass hose (1”)
28. Fork
29. Hose clamp
30. Boom supply hose (3 used)
31. Boom supply hose (1 1/2”)
32. Hose clamp
33. Hosebarb
34. Pressure gauge tube
35. Hosebarb
Figure 20
3
4
8
15
2
6
11
15
12
9
13
10
14
7
4
5
5
5
6
9
9
9
21
16
20
17
10
19
18
24
23
22
3
18
22
26
25
28
27
29
29
30
31
FRONT
RIGHT
32
20
33
34
35
SERIAL NUMBER BELOW 250999999 SHOWN
IMPORTANT: Make sure to remove and neutralize
chemicals from spray components before disas-
sembly. Wear protective clothing, chemical resist-
ant gloves, and eye protection during repair.
Removal (Fig. 20)
1. Park machine on a level surface, stop engine, en-
gage parking brake, and remove key from the ignition
switch.
2. On machines with serial number below 310000000,
remove two (2) flange head screws and flange nuts that
secure support bracket (item 15) to mount bracket (item
26). Position bracket away from spray control assembly.
3. Label hoses for proper installation after repairs are
completed (Fig. 21). Loosen hose clamps and discon-
nect hoses from spray control assembly as needed.

Rev. D
Multi Pro 5700--D Page 6 -- 21 Spray System
4. If boom valve motor assembly is to be removed:
A. Unplug machine wire harness connectors from
boom valve motor(s).
B. Remove pressure gauge tube from boom valve
motor assembly.
C. Remove fasteners that secure boom valve mo-
tors to mount bracket (Fig. 22 or 23).
D. Remove boom valve motor assembly from ma-
chine.
5. If agitation valve motor is to be removed:
A. Unplug machine wire harness connectors from
agitation valve motor.
B. Remove fasteners that secure agitation valve
motor to mount bracket (Fig. 22 or 23).
C. Remove agitation valve motor from machine.
6. Remove additional spray control components as re-
quired using Figure 20 as a guide. Discard all removed
O--rings and gaskets.
Assembly (Fig. 20)
NOTE: Coat all O--rings with vegetable oil before instal-
lation to reduce the chance of damage during assembly.
1. Install spray control components using Figure 20 as
a guide. Replace all removed O--rings and gaskets.
2. Position removed motor assembly to mount bracket
and secure with fasteners removed during disassembly
(Fig. 22 or 23).
3. On machines with serial number below 310000000,
secure support bracket to mount bracket with two (2)
flange head screws and flange nuts.
4. Install hoses to correct locations on spray control as-
sembly (Fig. 21). Secure hoses with hose clamps.
5. If removed, install pressure gauge tube to boom
valve motor assembly.
6. Plug machine wire harness connectors to valve mo-
tor(s).
7. Operate spray system and check for leaks.
1. Agitation valve motor
2. Agitation supply hose
3. LH boom valve motor
4. Center boom valve motor
5. RH boom valve motor
6. Boom supply hose
Figure 21
1
6
6
5
4
3
6
2
SERIAL NUMBER BELOW 310000000
1. Boom valve motors
2. Agitation valve motor
3. Flange head screw
4. Flange nut
Figure 22
34
1
2
3
SERIAL NUMBER BELOW 310000000
1. Boom valve motors
2. Agitation valve motor
3. Flange head screw
4. Flange nut
Figure 23
3
4
1
2
3
SERIAL NUMBER ABOVE 310000000
Spray
System

Rev. D Multi Pro 5700--DPage 6 -- 22Spray System
Boom Valve Motor Assembly
1. RH boom valve motor
2. O--ring
3. Valve joiner
4. Center boom valve motor
5. LH boom valve motor
6. Boom bypass joiner
7. O--ring
8. Fork
9. End cap
10. O--ring
11. Connector
12. Fork
13. Hosebarb
14. Mounting bracket (each motor)
15. O--ring
16. Nut
17. Tube coupler
18. Pressure tube
19. End cover
20. O--ring
21. Washer
22. Rod
23. Hosebarb
24. Hosebarb (boom hose)
25. Nut
26. Screw
27. Cap screw (4 used)
28. Elbow fitting (2 used)
29. Fly nut (2 used)
30. O--ring
31. Male adapter
32. Mounting bracket (2 used)
33. RH boom valve motor
34. Center boom valve motor
35. LH boom valve motor
36. O--ring (4 used)
37. Lock nut (4 used)
38. Pressure gauge port
39. Flat washer (4 used)
40. O--ring (3 used)
41. Hosebarb (3 used)
42. Fork (6 used)
43. O--ring (3 used)
44. Balancing valve assembly
45. Fork (3 used)
46. Cap
47. Balancing valve assembly (2 used)
Figure 24
FRONT
RIGHT
4
2
6
1
3
5
7
2
2
2
2
2
3
6
7
8
9
10
7
7
7
7
8
8
8
11
12
15
16
13
14
17
18
22
23
19
20
24
21
16
25
26
NOTE: ARROWS SHOW FLUID
FLOW DIRECTION
SERIAL NUMBER ABOVE 310000000
SERIAL NUMBER BELOW 310000000
31
32
33
34
35
36
37
38
39
40
27
28
29
30
27
28
29
30
32
36
37
39
40
36
36
41 42
43
44
45
42
46
47

Rev. D
Multi Pro 5700--D Page 6 -- 23 Spray System
IMPORTANT: Boom valve motors may have a fuse
for circuit protection. Make sure that correct fuse is
installed in the in--line fuse holder located in the
boom valve motor harness.
The boom control switches on the operator spray con-
sole are used to energize the boom valve motors and
open the boom valves. The open boom valves allow sys-
tem flow to reach the appropriate boom section (right,
center or left). Two (2) styles of boom valve motors have
been used on Multi Pro 5700--D machines. Both of these
motor styles are shown in Figure 24.
IMPORTANT: Make sure to remove and neutralize
chemicals from spray components before disas-
sembly. Wear protective clothing, chemical resist-
ant gloves, and eye protection during repair.
Disassembly (Fig. 24)
1. Remove boom valve motor assembly from machine
(see Spray Control Assembly in this section).
2. Separate boom valve motors as needed using Fig-
ure 24 as a guide. Discard all removed O--rings and gas-
kets.
3. See Boom and Agitation Valve Motors in this section
for disassembly and assembly information of boom
valve motor.
Assembly (Fig. 24)
NOTE: Coat all O--rings with vegetable oil before instal-
lation to reduce the chance of damage during assembly.
1. Assemble boom valve motor assembly using Figure
24 as a guide. Replace all removed O--rings.
A. On machines with serial numbers below
310000000, before installing rod (Item 22) into as-
sembly, thread nut (item 16) fully onto rod end that
has fewer threads. Make sure that O--ring (Item 20)
is not damaged during installation over rod.
2. Install boom valve motor assembly on machine (see
Spray Control Assembly in this section).
3. Operate spray system and check for leaks.
1. Agitation valve motor
2. LH boom valve motor
3. Center boom valve motor
4. RH boom valve motor
5. RH boom supply hose
6. Center boom supply
7. LH boom supply hose
Figure 25
1
5
4
3
2
7
6
SERIAL NUMBER BELOW 310000000
Figure 26
1
5
4
3
2
SERIAL NUMBER ABOVE 310000000
6
7
1. Agitation valve motor
2. LH boom valve motor
3. Center boom valve motor
4. RH boom valve motor
5. RH boom supply hose
6. Center boom supply
7. LH boom supply hose
Spray
System

Rev. D Multi Pro 5700--DPage 6 -- 24Spray System
Agitation Valve Motor Assembly
1. Agitation valve motor
2. O--ring
3. End cover
4. O--ring
5. Washer
6. Rod
7. Nut
8. O--ring
9. End cap
10. Fork
11. Nut
12. Hosebarb
13. O--ring
14. Mounting bracket
15. Screw
16. Fork
17. Hosebarb
18. O--ring
19. Connector
20. Agitation valve motor
21. O--ring
22. Adapter
23. Lock nut (4 used)
24. Mounting bracket (2 used)
25. O--ring
26. Fly nut
27. Hosebarb
28. Flat washer (4 used)
29. Fork
30. Hosebarb
31. O--ring
32. Adapter
33. Cover adapter
34. Cap screw (4 used)
Figure 27
3
7
4
8
10
9
6
5
2
1
2
7
8
910 11
12
13
14
15
16
17
FRONT
RIGHT
NOTE: ARROWS SHOW FLUID
FLOW DIRECTION SERIAL NUMBER ABOVE 310000000
SERIAL NUMBER BELOW 310000000
18
19
21
22
23
24
25
26
27 28
29
30
31
32
33
34
20
21
23
24
28

Rev. D
Multi Pro 5700--D Page 6 -- 25 Spray System
IMPORTANT: The agitation valve motor may have a
fuse for circuit protection. Make sure that correct
fuse is installed in the in--line fuse holder located in
the boom valve motor harness.
The agitation switch on the operator spray console is
used to energize the agitation valve motor and open the
valve. The open agitation valve allows system flow to
reach the three (3) agitation nozzles located in the spray
tank. Two (2) styles of agitation valve motors have been
used on Multi Pro 5700--D machines. Both of these mo-
tor styles are shown in Figure 27.
IMPORTANT: Make sure to remove and neutralize
chemicals from spray components before disas-
sembly. Wear protective clothing, chemical resist-
ant gloves, and eye protection during repair.
Disassembly (Fig. 27)
1. Remove agitation valve motor assembly from ma-
chine (see Spray Control Assembly in this section).
2. Disassemble agitation valve motor assembly as
needed using Figure 27 as a guide. Discard all removed
O--rings and gaskets.
3. See Boom and Agitation Valve Motors in this section
for disassembly and assembly information of the agita-
tion valve motor.
Assembly (Fig. 27)
NOTE: Coat all O--rings with vegetable oil before instal-
lation to reduce the chance of damage during assembly.
1. Assemble agitation valve motor assembly using Fig-
ure 27 as a guide. Replace all removed O--rings.
2. Install agitation valve motor assembly on machine
(see Spray Control Assembly in this section).
3. Operate spray system and check for leaks.
1. Agitation valve motor
2. Agitation supply hose
3. LH boom valve motor
4. Center boom valve motor
5. RH boom valve motor
Figure 28
1
2
5
4
3
SERIAL NUMBER BELOW 310000000
Figure 29
1
2
5
4
3
SERIAL NUMBER ABOVE 310000000
1. Agitation valve motor
2. Agitation supply hose
3. LH boom valve motor
4. Center boom valve moto
5. RH boom valve motor
Spray
System

Rev. D Multi Pro 5700--DPage 6 -- 26Spray System
Boom and Agitation Valve Motor Service (Machines with Serial Numbers Below
310000000)
1. Housing cover
2. Cover seal
3. Valve motor
4. Phillips head screw
5. O--ring
6. Lock washer
7. Hand grip
8. Roller
9. Roller pin
10. Spindle
11. Spring
12. Spring seat
13. O--ring
14. Spindle housing
15. Phillips head screw (4 used)
16. O--ring
17. O--ring
18. Flat washer
19. Seat outer O--ring
20. Seat
21. Seat inner O--ring
22. Seat base
23. Flat washer
24. Spring
25. Flat washer
26. Cone
27. Screw
28. Manifold housing
29. Fork
30. O--ring
31. Balancing valve
32. Roll pin
33. Balancing valve knob
34. O--ring
35. Hosebarb
36. Nut
Figure 30
9
10
11
12
13 14
15
16
1
3
2
5
6
7
8
4
17
18
19
23
20
21
22
32
31
25
24
26
30
28
29
27
33
70 in--lb
(7.9 N--m)
34 35 36
A Multi Pro 5700--D sprayer with serial number below
310000000 uses three valve motor assemblies to con-
trol the spray booms and one valve motor to control tank
agitation (Fig. 31). Each of these motor assemblies in-
cludes a motor section (Items 1 through 7 in Figure 30),
a spindle section (Items 8 through 27 in Figure 30), and
a manifold assembly (Items 28 through 36 in Figure 30).
Disassembly and Inspection (Fig. 30)
IMPORTANT: Make sure to remove and neutralize
chemicals from spray components before disas-
sembly. Wear protective clothing, chemical resist-
ant gloves, and eye protection during repair.
1. Remove valve motor assembly from machine (see
Agitation Valve Motor Assembly or Boom Valve Motor
Assembly in this section).
2. To remove the motor and spindle section assembly
from the manifold assembly:
A. Remove the fork (item 29) that secures the motor
and spindle sections to the manifold assembly.
B. Lift the motor and spindle section assembly from
the manifold.
3. To allow easier separation of the motor and spindle
sections, make sure that valve motor is in the closed
position (green indicator is recessed into the spindle
housing). Remove four phillips head screws (item 15)
and separate spindle section from motor section.

4. Remove rear housing cover from valve motor to in-
spect motor components.
A. Cam should be tight on shaft. Cam surface
should be free of wear and/or scoring.
B. The inside of motor housing should be free of ex-
cessive moisture, corrosion, and dirt.
C. The cam bearing surface in the housing cover
should be inspected for excessive wear.
5. Inspect and disassemble spindle section (Fig. 28).
A. Inspect spindle roller surface for wear or scoring.
Check that spindle roller rotates freely on roller pin.
Replace roller and/or pin as required.
B. The spindle can be disassembled by removing
the screw at the bottom of the spindle shaft. Take
note of washer, spring, seat, and o–ring locations as
spindle is removed.
C. Inspect the cone located at the bottom of the
spindle. The cone should be free of nicks or worn
spots. A damaged cone will allow flow to the boom
bypass rather than to the spray boom.
D. The seat o–rings allow the spindle to shut off flow
to the spray boom. If boom nozzles leak when the
boom is shut off, the seat and seat o–rings should be
inspected carefully.
6. If leakage occurs from balancing valve knob at bot-
tom of boom valve manifold (Fig. 29):
A. Carefully remove roll pin that secures balancing
valve to knob.
B. Remove knob from manifold. Remove and dis-
card o–ring.
C. Inspect seating surfaces of manifold and balanc-
ing valve. Clean or replace components as needed.
Assembly (Fig. 26)
NOTE: Coat all o–rings with vegetable oil before instal-
lation to reduce the chance of damage during assembly.
1. Replace all removed o–rings.
2. If boom valve manifold was disassembled (Fig. 29):
A. Install o–ring, balancing valve, and knob to man-
ifold.
B. Secure balancing valve to knob by carefully
installing roll pin.
1
4
3
2
Figure 27
1. Agitation valve motor 3. Center boom valve motor
2. LH boom valve motor 4. RH boom valve motor
1
2
3
Figure 28
1. Spindle roller 3. Seat
2. Cone
4
3
1
2
Figure 29
1. Boom valve manifold 3. Balancing valve knob
2. Balancing valve 4. Roll pin
Spray
System
Multi Pro 5700–D Page 6 – 27 Spray System
3. Assemble spindle section by reversing disassembly
process. Align green indicator tab on spindle to slot in
spindle housing. Install screw into bottom of spindle to
secure assembly. Torque screw 70 in–lb (7.9 N–m).
4. Position spindle section on motor section so that
green indicator on spindle section is opposite the motor
hand grip. Secure spindle section to motor section with
four phillips head screws (item 15).
5. Replace rear housing to valve motor.
6. Position the motor and spindle section assembly to
the manifold assembly. The motor hand grip and boom
supply hosebarb on manifold should be on the same
side of the assembly. Install the fork (item 29) to secure
the motor and spindle sections to the manifold.
7. Assemble valve motor assembly. (see Boom Valve
Motor Assembly or Agitation Valve Motor Assembly in
this section).
8. Install valve motor assembly to machine (see Spray
Control in this section).
9. Operate spray system and check for leaks.
Spray System Page 6 – 28 Multi Pro 5700–D

Rev. D
Multi Pro 5700--D Page 6 -- 29 Spray System
Boom and Agitation Valve Motor Service (Machines with Serial Numbers Above
310000000)
IMPORTANT: Make sure to remove and neutralize
chemicals from spray components before valve mo-
tor disassembly. Wear protective clothing, chemical
resistant gloves and eye protection during repair.
NOTE: There are limited replacement parts available
for boom and agitation valve motor assemblies. Check
your parts catalog for parts that are available.
Valve Motor Cover Removal (Fig. 34)
1. Loosen three (3) screws that secure valve motor
cover to valve motor assembly.
2. Carefully lift and rotate cover from valve motor.
3. Unplug wire connections and remove cover.
4. Make sure that all screws that secure valve motor are
tight.
Valve Motor Cover Installation (Fig. 34)
1. Connect cover wires to motor wires. Make sure that
cover wire color is the same as the motor wire color
when connecting wires.
2. Carefully rotate cover onto valve motor taking care
to not damage wires.
3. Tighten screws to secure cover to valve motor.
Piston Valve Service (Fig. 35)
1. Remove hosebarb from bottom of valve motor to al-
low access to piston valve.
2. Make sure that valve is closed. If valve is not closed,
spring above piston valve will be under compression
and may damage valve motor or piston valve during dis-
assembly. End of piston valve will extend into bottom of
valve motor housing when valve is closed. If necessary,
reconnect motor to machine wire harness and close
valve before removing piston valve.
3. Use 3mm allen wrench to loosen and remove piston
valve assembly from valve motor. Locate and retrieve
spring from above piston valve.
4. Inspect seals on piston valve assembly. O--ring in top
groove of piston valve assembly is available separately.
If lower two (2) seals in piston valve are worn or dam-
aged, replace piston valve assembly. The piston valve
is not designed to be disassembled.
5. Apply silicone grease to seals on piston valve as-
sembly.
6. Position spring into valve motor housing. Use 3mm
allen wrench to secure piston valve assembly to valve
motor.
7. Secure hosebarb to bottom of valve motor.
1. Valve motor assembly
2. Valve motor cover
3. Wire connector
4. Socket screw (4 used)
5. Phillips screw (2 used)
Figure 34
1
2
5
4
3
3
1. Valve motor assembly
2. Piston valve assembly
3. Valve seal
4. Spring
5. Valve motor cover
Figure 35
2
1
3
4
5
Spray
System

Rev. D Multi Pro 5700--DPage 6 -- 30Spray System
Boom Bypass
1. Spray tank
2. Boom valve motor assembly
3. O--ring
4. Hosebarb
5. Hose clamp
6. Boom bypass hose (1”)
7. Fork
8. Boom supply hose (1 1/2”)
9. Hose clamp
10. Elbow fitting
11. Fork
12. O--ring
13. Bulkhead nut
14. Bulkhead gasket
15. Bulkhead
Figure 36
FRONT
RIGHT
5
43
8
2
7
1
6
11
10
9
12
11
12
13
14
10
15
NOTE: ARROW SHOWS FLUID
FLOW DIRECTION
SERIAL NUMBER BELOW 310000000 SHOWN

Disassembly (Fig. 30)
IMPORTANT: Make sure to remove and neutralize
chemicals from tank and spray components before
disassembly. Wear protective clothing, chemical re-
sistant gloves, and eye protection during repair.
1. Park machine on a level surface, stop engine, en-
gage parking brake, and remove key from the ignition
switch.
2. Drain spray tank (see Operator’s Manual).
3. Disassemble boom bypass using Figure 30 as a
guide. Discard all removed o–rings and gaskets.
Assembly (Fig. 30)
NOTE: Coat all o–rings with vegetable oil before instal-
lation to reduce the chance of damage during assembly.
1. Assemble boom bypass using Figure 30 as a guide.
Replace all removed o–rings and gaskets.
2. Check spray tank for leaks.
Multi Pro 5700–D Page 6 – 31 Spray System
Spray
System

Multi Pro 5700–D
Page 6 – 32
Spray System
Tank Suction
1. Suction hose (1 1/2”)
2. Hose clamp
3. Hosebarb
4. O–ring
5. Suction screen vane
6. Suction screen
7. Fork
8. Filter housing
9. Expansion pin (2 used)
10. Gasket
11. Hosebarb
12. O–ring
13. Bulkhead nut
14. Hose clamp
15. Suction hose
16. Elbow
17. Suction tube
18. Suction tube
19. Suction tube foot
20. Spray tank
Figure 31
1
5
7
8
19
6
3
4
9
14
15
16
11
10
12
13
14
15
14
16
17
18
15
FRONT
RIGHT
2
20
NOTE: ARROW SHOWS FLUID
FLOW DIRECTION

NOTE: If suction tube in tank develops an air leak, spray
performance will diminish when tank level reaches the
leak.
Removal (Fig. 31)
IMPORTANT: Make sure to remove and neutralize
chemicals from tank and spray components before
disassembly. Wear protective clothing, chemical re-
sistant gloves, and eye protection during repair.
1. Park machine on a level surface, stop engine, en-
gage parking brake, and remove key from the ignition
switch.
2. Remove suction strainer from spray tank (see Oper-
ator’s Manual). Figure 32
1. Suction strainer location
3. Raise tank lid and remove strainer basket to gain ac-
cess to suction tube inside spray tank.
4. Remove suction tube assembly from spray tank and
disassemble tube using Figure 14 as a guide. Discard
all removed o–rings and gaskets.
Assembly (Fig. 31)
NOTE: Coat all o–rings with vegetable oil before instal-
lation to reduce the chance of damage during assembly.
1. Assemble and install suction tube assembly using
Figure 31 as a guide. Replace all removed o–rings and
gaskets.
2. Check spray tank for leaks.
1
Multi Pro 5700–D Page 6 – 33 Spray System
Spray
System

Rev. D Multi Pro 5700--DPage 6 -- 34Spray System
Tank Drain Valve (Machines with Serial Numbers Below 270000000)
1. Drain handle
2. Nut
3. O--ring
4. Bulkhead
5. Gasket
6. Ringnut
7. Retaining ring
8. Chain
9. Drain assembly
10. Bulkhead
11. Hosebarb
12. Spray tank
Figure 39
FRONT
RIGHT
2
4
6
9
7
8
10
3
1
5
12
11

Disassembly (Fig. 33)
IMPORTANT: Make sure to remove and neutralize
chemicals from tank and spray components before
disassembly. Wear protective clothing, chemical re-
sistant gloves, and eye protection during repair.
1. Park machine on a level surface, stop engine, en-
gage parking brake, and remove key from the ignition
switch.
2. Drain spray tank (see Operator’s Manual).
3. Raise tank lid and remove strainer basket to gain ac-
cess to chain (item 7) that connects drain handle (item
1) to plunger in drain assembly (item 8). Disconnect
chain from drain handle.
4. If necessary, remove drain handle and bulkhead
from tank using Figure 33 as a guide.
5. If necessary, remove drain assembly from tank:
A. Remove fork from drain assembly to allow hose-
barb to be removed from drain assembly.
B. Remove bulkhead nut that secures drain assem-
bly to spray tank.
C. Lift drain assembly from bottom of tank.
6. Disassemble drain assembly using Figure 34 as a
guide.
7. Discard all removed o–rings and gaskets.
Assembly (Fig. 33)
NOTE: Coat all o–rings with vegetable oil before instal-
lation to reduce the chance of damage during assembly.
1. Replace all removed o–rings and gaskets. If drain
handle was removed from tank bulkhead, lubricate han-
dle with vegetable oil before installation.
2. Assemble drain valve components using Figures 33
and 34 as guides.
3. Check spray tank for leaks.
1
1. Adapter
2. Plunger holder
3. Spring
4. Drain plunger
5. O–ring
6. Drain seat
7. O–ring
9
7
8
10
3
2
4
6
5
13
11
12
Figure 34
8. Drain bulkhead
9. Fork
10. Gasket
11. Bulkhead nut
12. O–ring
13. Hosebarb
Spray
System
Multi Pro 5700–D Page 6 – 35 Spray System

Rev. D
Page 6 -- 35.1 Multi Pro 5700--DSpray System
Tank Drain Valve (Machines with Serial Numbers Above 270000000)
1. Drain outlet
2. Plastic seal
3. Ring nut
4. O--ring
5. Elbow fitting
6. Bulkhead nut
7. Hose clamp (2 used)
8. Hose (1” ID)
9. Flange nut
10. Barbed fitting
11. Drain valve
12. Peg mount (2 used)
13. Rubber washer (2 used)
14. Lynch pin assembly
15. Cap screw
Figure 37.1
2
3
6
8
9
10
11
13
1
5
7
12
14 15
4
7
8
FRONT
RIGHT

Rev. D
Page 6 -- 35.2Multi Pro 5700--D Spray System
Disassembly (Fig. 37.1)
IMPORTANT: Make sure to remove and neutralize
chemicals from tank and spray components before
disassembly. Wear protective clothing, chemical re-
sistant gloves and eye protection during repair.
1. Park machine on a level surface, stop engine, en-
gage parking brake and remove key from the ignition
switch.
2. Drain spray tank (see Operator’s Manual and Fig.
37.2).
3. Label hoses to allow proper installation after repairs
are completed. Loosen hose clamps and remove hoses
from hosebarbs that are to be disassembled.
4. Disassemble drain assembly using Figure 37.1 as a
guide. Discard all removed O--rings and gaskets.
Assembly (Fig. 37.1)
NOTE: Coat all O--rings with vegetable oil before instal-
lation to reduce the chance of damage during assembly.
1. Assemble drain assembly using Figure 37.1 as a
guide. Replace all removed O--rings and gaskets.
2. Using labels placed during disassembly, install
hoses to hosebarbs and secure with hose clamps.
3. Make sure that drain valve is closed and secured to
sprayer with lynch pin (Fig. 37.2).
4. Check spray tank for leaks. Repair all leaks before
returning the sprayer to service.
1. Drain valve
2. Closed valve
3. Open valve
4. Lynch pin assembly
Figure 37.2
1
4
3
2
1
Spray
System

Multi Pro 5700–D
Page 6 – 36
Spray System
Turret Bodies
1. Turret body (w/90o elbow)
2. 90o elbow (1 used)
3. Screw
4. Turret body (w/double hose barb)
5. Turret body (w/single hose barb)
6. Single hose barb (3 used)
7. Double hose barb(7 used)
8. Turret body clamp
9. Hose barb (for 90o elbow)
Figure 35
7
2
83
9
4
5
RIGHT
6
1
BOOM
SUPPLY
CENTER
BOOM
SUPPLY
LEFT
BOOM
SUPPLY
5
4
4
4
5
544
4
4
1
3
3
Removal (Fig. 35)
IMPORTANT: Make sure to remove and neutralize
chemicals from spray components before disas-
sembly. Wear protective clothing, chemical resist-
ant gloves, and eye protection during repair.
1. Park machine on a level surface, stop engine, en-
gage parking brake, and remove key from the ignition
switch.
2. Loosen hose clamps and remove supply hose(s)
from turret body.
3. Remove screw that secures turret body clamp to
spray boom. Separate clamp halves and remove turret
body from machine.
Installation (Fig. 35)
NOTE: The type of hose barb on turret body deter-
mines turret location on spray boom. Refer to Figure 35
for turret position on booms.
1. Position turret body clamp halves to spray boom and
turret body. Slide clamp halves together. Position turret
so that spray nozzle and nozzle fan slot are parallel to
ground. Tighten clamp screw to secure turret body.
2. Install supply hose(s) to turret body. Tighten hose
clamp(s).

Turret Body Service
Disassembly (Fig. 36)
IMPORTANT: Make sure to remove and neutralize
chemicals from spray components before disas-
sembly. Wear protective clothing, chemical resist-
ant gloves, and eye protection during repair.
1. Pull e–clip from body and slide plug with o–ring from
body.
2. Disassemble turret body using Figure 36 as a guide.
3. Discard all removed seals, gaskets, o–rings, and di-
aphragms.
Assembly (Fig. 36)
NOTE: Coat all o–rings with vegetable oil before instal-
lation to reduce the chance of damage during assembly.
1. Replace all removed seals, gaskets, o–rings, and di-
aphragms.
2. Assemble turret body using Figure 36 as a guide.
A. The turret (item 8) end with slightly larger bore
and detent grooves needs to be orientated toward
detent posts on body (item 4) (Fig. 37).
B. Make sure to align notch on plug (item 10) with
groove in body (item 4) as plug is installed.
C. Install e–clip (item 5) into body to secure assem-
bly.
1
2
3 6
4
5
11
10
12
14 13
15
8
7
9
17
16
18
6
Figure 36
1. Upper clamp 10. Plug
2. O–ring 11. Nozzle
3. Pivot pin 12. Nozzle cap
4. Body 13. O–ring
5. E–clip 14. Seal
6. Gasket (3 used) 15. Screw
7. Dust cap (2 used) 16. End cap
8. Turret 17. Diaphragm
9. O–ring 18. Hose barb
2
1 3
2
Figure 37
1. Body 3. Detent groove
2. Detent post
Spray
System
Multi Pro 5700–D Page 6 – 37 Spray System

Boom Frame Breakaway Pivot Assembly (Machines with Serial Numbers Below
260000000)
1
2
3
4
7
6
8
5
9
11 12
10
10
13
14
11
15
16
6
17
18
19
20 12
Figure 38
1. Hinge 8. Carriage screw 15. Cap screw
2. Breakaway pivot 9. Flat washer 16. Boom support
3. Spring 10. Cotter pin 17. Boom extension pipe
4. Washer 11. Clevis pin 18. Lock nut
5. Roll pin 12. Clevis pin 19. Flat washer
6. Hex nut 13. Main boom frame 20. Cap screw (4 used per side)
7. Support bracket 14. Breakaway assembly
Spray System Page 6 – 38 Rev. A Multi Pro 5700–D

Disassembly (Fig. 38)
1. Park machine on a level surface, lower booms, stop
engine, engage parking brake, and remove key from the
ignition switch.
2. Support boom to prevent it from falling. Remove cap
screw and hex nut that secure boom support to break-
away assembly.
3. Remove hex nut, flat washer, and carriage screw
that secure support bracket to breakaway pivot. Slide
support bracket from breakaway assembly.
CAUTION
Spring in breakaway pivot is under tension. To
prevent possible personal injury, compress
spring before removing roll pin. Wear eye
protection when removing roll pin.
4. Compress spring in breakaway assembly slightly.
Drive roll pin from hinge (Fig. 40). Remove flat washer
and spring from assembly.
5. Complete disassembly as required using Figures 38
and 39 as guides.
Assembly (Fig. 38)
1. Assemble breakaway pivot using Figures 38 and 39
as guides.
2. Lubricate grease fitting on breakaway pivot after as-
sembly is complete (see Operator’s Manual).
2
1
3
4
Figure 39
1. Breakaway pivot 3. Boom support
2. Support bracket 4. Boom extension pipe
1
2
Figure 40
1. Roll pin 2. Spring
Spray
System
Multi Pro 5700–D Page 6 – 39 Spray System

Rev. A Multi Pro 5700–D
Page 6 – 40
Spray System
Boom Hinge (Machines with Serial Numbers Above 260000000)
1. Hinge (2 used per boom)
2. Rubber boot (2 used per hinge)
3. Backing plate (4 used per hinge)
4. Flange nut (4 used per hinge)
5. Boom (RH shown)
6. Tee fitting
7. Flange hd screw (4 used per hinge)
8. Lock nut
9. Cap screw
10. Flat washer
11. Pivot bracket
12. Bushing (2 used per pivot bracket)
13. Flange head screw
14. Pivot pin
15. Flange nut
16. Boom frame
17. Tube (2 used per boom)
18. Spring retainer (2 used per boom)
19. Breakaway spring (2 used per boom)
20. Grease fitting (2 used per hinge)
Figure 41
5
4
1
9
10
2
3
7
8
6
11
12
15
16
13
14 17
18
19
FRONT
RIGHT
8
9
10
20
Disassembly (Fig. 41)
IMPORTANT: Make sure to remove and neutralize
chemicals from spray components before disas-
sembly. Wear protective clothing, chemical resist-
ant gloves, and eye protection during repair.
1. Park machine on a level surface, lower spray booms,
stop engine, engage parking brake and remove key
from the ignition switch.
2. Loosen hose clamp and remove supply hose from
tee fitting (item 6) on spray boom.
3. Support spray boom to prevent it from falling.
4. Loosen two (2) cap screws (item 9) and lock nuts
(item 8) to allow breakaway springs (item 18) to fully ex-
tend.
5. Complete disassembly as required using Figure 41
as a guide. If pivot bracket (item 11) is to be removed
from machine, disconnect boom actuator (not shown)
from pivot bracket (see Boom Actuator Removal (Ma-
chines with Serial Numbers Above 260000000) in this
section).
6. Clean all removed components. If pivot bracket was
removed, inspect bushings and pivot pin for damage or
wear.

1
Assembly (Fig. 41)
1. If pivot bracket (item 11) was removed from machine,
lightly lubricate bushings (item 12) with motor oil before
assembly. Connect boom actuator (not shown) to pivot
bracket (see Boom Actuator Installation (Machines with
Serial Numbers Above 260000000) in this section).
2. Make sure that hinges (item 1) are securely fastened
to pivot bracket (item 11) and boom (item 5). The boom
hinge uses four (4) backing plates between the boom
2
UP
Figure 42
and flange nuts. 1. Rubber boot 2. Rib
3. Position boom hinge to pivot bracket hinge. Make
sure that rubber boots (item 2) are placed at hinge junc-
tions and that rib on boots are toward the top of the boom
(Fig. 42).
4. Insert two (2) cap screws (item 9) through flat wash-
ers (item 10) and hinges. Place tube (item 17), break-
away spring (item 19), spring retainer (item 18) and lock
nut (item 8) on each cap screw. Make sure that shoulder
on spring retainer fits into breakaway spring.
5. Tighten lock nuts so there is 1.560” (39.6 mm) be-
tween the face of the spring retainer and the hinge cast-
ing (Fig. 43).
6. Connect supply hose to tee fitting on spray boom and
secure with hose clamp.
7. Lubricate grease fittings on boom hinge (see Opera-
tor’s Manual).
Figure 43
1.560”
(39.6 mm)
Multi Pro 5700–D Page 6 – 41 Rev. A Spray System
Spray
System

Rev. A Multi Pro 5700–D
Page 6 – 42
Spray System
Boom Actuator (Machines with Serial Numbers Below 260000000)
1. Cotter pin
2. Clevis pin
3. Boom actuator 4. Wire harness
Figure 44
2
3
1
4
1
2
3
Removal (Fig 44)
1. Park machine on a level surface, lower booms, stop
engine, engage parking brake, and remove key from the
ignition switch.
2. Label actuator electrical leads to ease reassembly.
Unplug boom actuator connector wires from machine
harness.
3. Support boom to prevent it from falling. Remove cot-
ter pins and clevis pins that attach boom actuator to cen-
ter and side boom.
4. Pull actuator from machine.
Installation (Fig 44)
1. Position actuator to clevis attachment points on cen-
ter and side booms.
2. Install clevis pins and cotter pins to secure actuator
to boom assembly.
3. Plug actuator connector wires into machine harness.
Make sure that operator switches engage correct actua-
tor.

Adjustment
1. Loosen end nut that secures adjustable clevis to
boom frame (Fig. 45). Position jam nut as close as pos-
sible to adjustable clevis. Tighten end nut to secure cle-
vis.
2. Fully raise side boom with the boom actuator. The
boom actuator should fully extend and ratchet.
3. With the boom actuator at full extension, there
should be a gap of approximately .105” (2.7 mm) be-
tween the breakaway pivot gusset and the center boom
frame slot (Fig. 46).
4
3
2
1
4. If needed, loosen end nut that secures adjustable Figure 45
1. Boom actuator 3. Jam nut
clevis and readjust jam nut on clevis to allow correct 4. End nut
boom actuator extension. Tighten end nut to secure cle- 2. Adjustable clevis
vis adjustment.
3
2
1
Figure 46
1. Breakaway pivot gusset 3. Boom actuator
2. Boom frame slot
Multi Pro 5700–D Page 6 – 43 Rev. A Spray System
Spray
System

Boom Actuator Service (Machines with Serial Numbers Below 260000000)
5
4
1
9 10
3
6
7
8
14
17
11
12
13
18
15 16
19
20
3
70 in–lb
(7.9 N–m)
70 in–lb
(7.9 N–m)
20 in–lb
(2.3 N–m)
2
Figure 47
1. Screw 8. Thick washer 15. Motor assembly
2. Rear housing 9. Hex nut (2 used) 16. Ball screw and brake assembly
3. Washer 10. Motor gear 17. Washer head screw (4 used)
4. Woodruff key 11. Housing gasket 18. Cover tube
5. Clutch 12. Front housing 19. O–ring
6. Thin washer 13. Cover tube gasket 20. O–ring
7. Intermediate gear 14. Motor seal
Spray System Page 6 – 44 Rev. A Multi Pro 5700–D

Disassembly (Fig. 47)
1. Remove four (4) washer head screws that secure
cover tube. Remove one (1) screw (item 1) that retains
rear housing. Slide rear housing and housing gasket
from assembly.
2. Slide thin washer, intermediate gear, and thick wash-
er from front housing support pin.
3. In order, remove washer, clutch, woodruff key, and
second washer from ball screw shaft.
4. Pull cover tube from front housing. Remove cover
tube gasket.
5. Loosen and remove two (2) hex nuts that secure mo-
tor to front housing. Slide motor, motor gear, and motor
seal from front housing.
6. Remove ball screw and brake assembly from front
housing.
7. Clean actuator components. Replace worn or dam-
aged parts.
8. Discard and replace all removed gaskets and o–
rings.
Assembly (Fig. 47)
1. Position ball screw and brake assembly to front
housing. Take care to not disturb brake components.
2. Slide motor, motor gear, and motor seal to front
housing. Secure motor with two (2) hex nuts. Torque
nuts to 70 in–lb (7.9 N–m).
3. Install new o–rings into rear of cover tube. Slide cov-
er tube gasket and cover tube over ball screw.
4. Place washer on ball screw shaft. Position woodruff
key and then slide clutch and second washer onto shaft.
5. Place thick washer, intermediate gear, and thin
washer onto front housing support pin. Make sure that
intermediate gear engages both motor gear and clutch.
6. Position housing gasket to front housing. Slide rear
housing over gears.
7. Secure rear housing:
A. Thread one (1) screw (item 1) through rear hous-
ing and into front housing.
B. Install four (4) washer head screws through cover
tube.
C. Torque screw (item 1) to 20 in–lb (2.3 N–m).
Torque four washer head screws to 70 in–lb (7.9
N–m).
Multi Pro 5700–D Page 6 – 45 Rev. A Spray System
Spray
System

Rev. A Multi Pro 5700–D
Page 6 – 46
Spray System
Boom Actuator (Machines with Serial Numbers Above 260000000)
1. Boom actuator (2 used)
2. Carriage screw (4 used)
3. Boom frame
4. Washer plate
5. Lock nut (4 used)
6. Flange nut (2 used)
7. Flange head screw (2 used)
8. Pivot pin (2 used)
9. Clevis strap (2 used)
10. Boom pivot bracket
11. Clevis pin (2 used)
12. Cotter pin (2 used)
Figure 48
5
4
1
9
10
2
3
7
8
6
11
12

Removal (Fig. 48)
1. Park machine on a level surface, place spray booms
in the transport (raised) position, stop engine, engage
parking brake and remove key from the ignition switch.
2. Disconnect boom actuator from machine wire har-
ness.
3. Remove pivot pin (item 8) that secures actuator to
clevis strap (item 9) on boom frame.
4. Remove cotter pin (item 11) from clevis pin (item 12).
Support boom actuator and slide clevis pin from boom
pivot bracket. Remove actuator from machine.
Installation (Fig. 48)
1. Position boom actuator to boom frame and boom
pivot bracket.
2. Secure actuator to boom pivot bracket with clevis pin
and cotter pin.
3. Secure actuator to clevis strap on boom frame with
pivot pin.
4. Connect boom actuator to machine wire harness.
Multi Pro 5700–D Page 6 – 47 Rev. A Spray System
Spray
System

Boom Actuator Service (Machines with Serial Numbers Above 260000000)
IMPORTANT: Do not dismantle, repair or modify the
boom actuator. Internal components are not avail-
able for the actuator. If an actuator is damaged or
worn, replace actuator.
CAUTION
During and after operation, the actuator may be
tuator to cool before working on it.
very hot. To avoid possible burns, allow the ac-
Actuator Circuit Protection
Each boom actuator is protected internally by a thermal
circuit breaker. In case of actuator overheating, the ther-
mal breaker will trip, causing the actuator to cease func-
tioning. Once the actuator cools to appropriate
operating temperature, the actuator thermal breaker will
reset to allow actuator operation to resume.
A separate 30 amp thermal breaker also protects each
boom actuator circuit. These thermal breakers are lo-
cated at the machine fuse panel and will prevent circuit
operation if overloaded. The thermal breakers reset au-
tomatically.
Actuator Freeplay Inspection
Over time, actuator operation may be affected by air
captured in the reservoir oil. An excessive amount of air
in the actuator oil will allow excessive actuator freeplay.
Excessive freeplay will allow spray boom bouncing
when driving over severe terrain.
Measure actuator freeplay using the following proce-
dure:
1. Move the vehicle to an open area and lower the spray
booms to the spray position.
2. Lift up on the boom at the last triangular gusset with
a 25 pound (11.4 kg) force. Support boom in that posi-
tion.
3. Using a non–permanent felt tipped marker, mark the
cylinder rod at the outside of the cylinder seal.
4. Release the spray boom and allow it to return to the
spray (fully lowered) position.
5. Determine the actuator freeplay by measuring the
distance from the mark on the cylinder rod to the cylinder
seal. The freeplay should be less than 0.100” (2.5 mm).
If excessive freeplay is found, bleed air from actuator.
Actuator Air Bleeding
If actuator freeplay is excessive, air bleeding of the ac-
tuator should be performed using the following proce-
dure:
1. Thoroughly clean the exterior of actuator to prevent
contaminates from entering the actuator.
2. Make sure that the actuator cylinder is fully retracted.
IMPORTANT: To prevent actuator damage, use vise
with protective jaws when clamping actuator.
3. Place the actuator in a vise making sure that actuator
is clamped in the area identified in Figure 49. Use just
enough clamping force to hold the housing securely.
Make sure that the reservoir plug is orientated up.
CAUTION
The actuator reservoir is pressurized. If the res-
ervoir plug is removed too quickly, oil under
pressure can be ejected from the actuator.
4. Slowly loosen and remove the reservoir plug at the
top of the reservoir.
5. Using a light through the plug hole, confirm that the
reservoir oil is clear. If the oil appears milky, air is en-
trained in the reservoir oil. Keep the actuator vertical
with the plug removed for approximately 15 minutes to
allow the air to separate from the oil.
6. When oil appears clear, use a 12 volt DC power sup-
ply to power the actuator and extend the cylinder com-
pletely.
IMPORTANT: To ensure proper reservoir pressure,
make sure that cylinder is extended before instal-
ling reservoir plug.
7. Install the reservoir plug and torque from 45 to 60 in–
lb (5.1 to 6.8 N–m).
8. If reservoir oil was milky, use power supply to con-
tract and extend the actuator cylinder 3 times. Repeat
steps 2 through 7 until oil is clear.
9. When actuator oil is clear and plug has been
installed, use power supply to fully contract the actuator
cylinder. Remove actuator from vise and install on ma-
chine.
Spray System Page 6 – 48 Rev. A Multi Pro 5700–D

Actuator Oil Level
Under normal conditions, actuator oil level should re-
main constant. If any oil is spilled from the reservoir dur-
ing air bleeding, the oil level in the actuator should be
checked and adjusted.
1. Thoroughly clean the exterior of actuator to prevent
contaminates from entering the actuator.
2. Make sure that the actuator cylinder is fully retracted.
IMPORTANT: To prevent actuator damage, use vise
with protective jaws when clamping actuator.
3. Place the actuator in a vise making sure that actuator
is clamped in the area identified in Figure 49. Use just
enough clamping force to hold the housing securely.
Make sure that the reservoir plug is orientated up.
Figure 49
CYLINDER
VISE
CLAMPING
ELECTRIC
PLUG UP
DOWN
AREA
MOTOR
RESERVOIR
RESERVOIR
CAUTION
The actuator reservoir is pressurized. If the res-
ervoir plug is removed too quickly, oil under
pressure can be ejected from the actuator.
4. Slowly loosen and remove the reservoir plug at the
top of the reservoir.
5. Using a light through the plug hole, confirm that the
reservoir oil is clear. If the oil appears milky, perform ac-
tuator air bleeding procedure.
6. Use a clean rod to identify the level of oil in reservoir.
Distance from plug fitting to oil level should be .984” (25
mm). If necessary, add ISO VG 32 mineral oil to actuator
reservoir to adjust oil level.
7. When oil level is correct, use a 12 volt DC power sup-
ply to power the actuator and extend the cylinder com-
pletely.
IMPORTANT: To ensure proper reservoir pressure,
make sure that cylinder is extended before instal-
ling reservoir plug.
8. Install the reservoir plug and torque from 45 to 60 in–
lb (5.1 to 6.8 N–m).
Actuator Disposal
If actuator disposal is necessary, remove hydraulic oil
from actuator before disposal.
1. Open actuator reservoir (see Steps 1 through 4 in
Actuator Air Bleeding).
2. Drain oil from actuator.
0.984”
(25 mm)
Figure 50
Spray
System
Multi Pro 5700–D Page 6 – 49 Rev. A Spray System

Rev. A Multi Pro 5700--DPage 6 -- 50Spray System
Pro Control Spray System (Optional)
The Multi Pro 5700--D has an optional Pro Control Spray
System available. This system includes a computer and
flowmeter and is designed to automatically control spray
application at varying vehicle speeds. The Operator’s
Manual for the Pro Control System includes information
regarding installation, operation, programming and
maintenance. Refer to your Operator’s Manual for infor-
mation on the Pro Control Spray System.
NOTE: When a vehicle is equipped with the optional
Pro Control Spray System, the balancing valves on all
boom valve motors must be fully closed.
1. Pro Control computer
Figure 57
1
1. Spray control assembly 2. Pro Control flowmeter
Figure 58
2
1

Multi Pro 5700--D ChassisPage 7 -- 1
Chapter 7
Chassis
Table of Contents
SPECIFICATIONS 2.............................
SERVICE AND REPAIRS 3......................
Tie Rod Ends 3...............................
Front Wheels and Hubs 4......................
Spindles 6...................................
Front Suspension 8...........................
Brake Assembly 10...........................
Brake Inspection and Repair 12.................
Brake Cables 13..............................
Planetary Wheel Drive Assembly 14.............
Planetary Wheel Drive Service 16...............
Chassis

Specifications
Item Description
Front Tire Pressure 18 PSI (1.24 bar) Maximum
(23 x 10.5 – 12, 4 ply, tubeless)
Rear Tire Pressure 18 PSI (1.24 bar) Maximum
(26.5 x 14 – 12, 4 ply, tubeless)
Front Wheel Lug Nut Torque 55 to 75 ft–lb (75 to 102 N–m)
Rear Wheel Lug Nut Torque 70 to 90 ft–lb (95 to 122 N–m)
Planetary, Brake Assembly and Wheel Motor 60 ft–lb (81 N–m)
Mounting Screw Torque
Front Wheel Toe–In 1/8 to 1/4 inch (3.2 to 6.4 mm)
Planetary Gear Drive Lubricant SAE 85W–140 wt. Gear Lube
Planetary Gear Lubricant Capacity (each wheel) 16 fl oz (.47 l)
Chassis Page 7 – 2 Multi Pro 5700–D

Service and Repairs
Tie Rod Ends
Removal (Fig. 1)
1. Loosen jam nut on tie rod end. Note: Left side tie rod
end has left hand threads.
2. Remove cotter pin and castle nut that secure tie rod
end to spindle.
3. Use a suitable puller to separate tie rod end from
spindle.
4. When removing tie rod end from tie rod, count the
number of revolutions it takes to remove so new tie rod
end can be installed with minimal change to front wheel
toe–in.
Installation (Fig. 1)
1. Install dust boot on new tie rod end.
2. Thread tie rod end into tie rod the same number of
revolutions as the old tie rod end took to remove.
3. Install grease fitting into tie rod end.
4. Insert tie rod end shaft into spindle and secure with
castle nut. Torque castle nut from 20 to 25 ft–lb (27 to 34
N–m). If necessary, nut can be tightened slightly further
to align cotter pin position in spindle and nut. Install cot-
ter pin.
5. Grease tie rod end (see Operator’s Manual).
6. Check front wheel toe–in and adjust if needed (see
Operator’s Manual).
6
9
1
5
10
2
3
4
7
8
5
6
7
11
FRONT
20 to 25 ft–lb
(27 to 34 N–m)
4
Figure 1
1. Tie rod 7. Dust boot
2. Jam nut (RH thread) 8. RH spindle
3. RH tie rod end 9. LH spindle
4. Grease fitting 10. LH tie rod end
5. Castle nut 11. Jam nut (LH thread)
6. Cotter pin
1
2
3
Figure 2
1. Tie rod 3. Tie rod end
2. Jam nut
Multi Pro 5700–D Page 7 – 3 Chassis
Chassis

Multi Pro 5700–DChassis Page 7 – 4
Front Wheels and Hubs
Figure 3
1. Lug nut (5 used per wheel)
2. Wheel and tire assembly
3. Dust cap
4. Slotted hex nut
5. Washer
6. Wheel bearing cone
7. Wheel bearing cup
8. Wheel hub
9. Wheel stud (5 used per wheel)
10. Seal
11. Cotter pin
12. Front spindle (RH shown)
55 to 75 ft–lb
(75 to 102 N–m)
FRONT
RIGHT
11
6
5
4
7
8
10
9
1
2
3
7
6
12
See text for tightening
procedure

Removal (Fig. 3)
1. Park machine on a level surface, stop engine, en-
gage parking brake, and remove key from the ignition
switch.
CAUTION
When changing tires or performing other ser-
vice, use correct blocks, hoists, and jacks.
Make sure machine is parked on a solid, level
machine. Always chock or block wheels. Use
raised machine. If the machine is not properly
surface such as a concrete floor. Prior to rais-
ing machine, remove any attachments that may
interfere with the safe and proper raising of the
jack stands or solid wood blocks to support the
supported by blocks or jack stands, the ma-
chine may move or fall, which may result in per-
sonal injury.
2. Jack front wheel off the ground (see Jacking Instruc-
tions in Operator’s Manual). Chock front and rear of oth-
er wheels.
3. Remove lug nuts and front wheel assembly.
4. Carefully pry dust cap from wheel hub.
5. Remove cotter pin from front spindle.
6. Remove slotted hex nut and washer that secures
wheel hub to spindle. Slide wheel hub with bearings
from spindle.
7. If required, disassemble wheel hub:
A. Pull seal out of the wheel hub.
B. Remove bearings from both sides of wheel hub.
Clean bearings in solvent. Clean inside of the hub.
C. Inspect wheel bearings. Check the bearings and
cups for wear, pitting, or other noticeable damage.
Replace worn or damaged parts.
Installation (Fig. 3)
1. Clean all parts thoroughly before reassembly.
2. If wheel bearings were removed from wheel hub, as-
semble wheel hub:
A. If bearing cups were removed from the wheel
hub, press inner and outer cups into the hub until
they seat against the hub shoulder.
B. Pack both bearings with grease. Install greased
inner bearing into the cup on inboard side of the
wheel hub.
C. Fill hub approximately 50% full of grease.
IMPORTANT: The lip seal must be pressed in so
it is flush with the end of the hub. The lip of the
seal must face the bearing.
D. Lubricate the inside of the new lip seal and press
it into the wheel hub.
3. Install the wheel hub onto the spindle shaft taking
care to not damage seal.
4. Install greased outer bearing cone, washer, and
slotted hex nut onto spindle shaft.
5. Rotate the wheel hub by hand and torque the slotted
hex nut from 75 to 180 in-lb (8.5 to 20.3 N–m) to seat
bearing. Loosen nut until it is away from washer and hub
has end play. Finally, tighten slotted hex nut from 15 to
20 in–lbs (1.7 to 2.3 N–m) while rotating hub.
6. Install cotter pin through spindle shaft hole. Install
dust cap to hub.
Failure to maintain proper lug nut torque
WARNING
could result in failure or loss of wheel and may
result in personal injury.
7. Install wheel assembly with valve stem facing out
and secure with lug nuts. Torque lug nuts evenly in a
crossing pattern from 55 to 75 ft–lb (75 to 102 N–m).
8. Lower machine to ground.
Chassis
Multi Pro 5700–D Page 7 – 5 Chassis

Multi Pro 5700–DChassis Page 7 – 6
Spindles
1. Front axle
2. Flat washer
3. Washer head screw
4. King pin
5. Hydraulic steering cylinder
6. Lock nut
7. LH spindle assembly
8. Castle nut
9. Cotter pin
10. Tie rod assembly
11. Thrust bearing
12. Bushing
13. Grease fitting
14. RH spindle
15. Hex nut
16. Steering stop bolt
17. Cotter pin
18. Oil seal
19. Bearing cone
20. Bearing cup
21. Wheel stud (5 used per wheel)
22. Wheel hub
23. Flat washer
24. Slotted hex nut
25. Dust cap
26. Wheel assembly
27. Lug nut (5 used per wheel)
Figure 4
FRONT
RIGHT
20
16
19
17
18
25
23
24
22 21
12
11
14
13
15
6
5
4
78
10
3
9
21
2
3
4
8
9
12
15
26
27
See text for
adjustment
procedure
19 20 20 to 25 ft–lb
(27 to 34 N–m)
20 to 25 ft–lb
(27 to 34 N–m)
9
55 to 75 ft–lb
(75 to 102 N–m)

Disassembly (Fig. 4)
1. Park machine on a level surface, stop engine, en-
gage parking brake, and remove key from the ignition
switch.
CAUTION
ing other service, use correct blocks, hoists,
and jacks. Make sure machine is parked on a
ments that may interfere with the safe and
block wheels. Use jack stands or solid wood
jack stands, the machine may move or fall,
When changing attachments, tires, or perform-
solid, level surface such as a concrete floor.
Prior to raising machine, remove any attach-
proper raising of the machine. Always chock or
blocks to support the raised machine. If the ma-
chine is not properly supported by blocks or
which may result in personal injury.
2. Jack front of machine off ground (see Jacking In-
structions in Operator’s Manual).
3. Remove front wheel assembly and wheel hub from
machine (see Front Wheels and Hubs in this section).
4. Remove tie rod end from spindle (see Tie Rod Ends
in this section).
5. If left side spindle is being removed, separate hy-
draulic steering cylinder from spindle (see Steering Cyl-
inder in Service and Repairs Section of Chapter 4 –
Hydraulic System).
6. Remove washer head screw and flat washer that se-
cure king pin to front axle.
7. Support spindle assembly to prevent it from falling
during disassembly. Slide king pin from front axle and
spindle. Remove spindle from front axle.
8. Remove thrust bearing from top of spindle.
9. If needed, remove bushings and steering stop bolt
from spindle.
Assembly (Fig. 4)
1. If removed, install bushings and steering stop bolt
into spindle.
2. Place thrust bearing in top of spindle. Position
spindle to front axle. Slide king pin into front axle and
spindle.
3. Install washer head screw and flat washer to secure
king pin to front axle.
4. If left side spindle was removed, attach hydraulic
steering cylinder to spindle (see Steering Cylinder in
Service and Repairs Section of Chapter 4 – Hydraulic
System).
5. Secure tie rod end to spindle (see Tie Rod End in this
section).
Failure to maintain proper lug nut torque
WARNING
could result in failure or loss of wheel and may
result in personal injury.
6. Install wheel with valve stem facing out and secure
with lug nuts. Torque lug nuts evenly in a crossing pat-
tern from 55 to 75 ft–lb (75 to 102 N–m).
7. Lubricate grease fittings on front axle assembly (see
Operator’s Manual).
8. Lower machine to ground.
9. Check and adjust front wheel toe–in (see Operator’s
Manual).
10.Adjust steering stop bolt on each spindle so that at
full turn, there is a 1/16” (1.6 mm) gap between the tie
rod and front axle.
11. After assembly is complete, make sure that steering
components do not contact hoses and/or wires.
Chassis
Multi Pro 5700–D Page 7 – 7 Chassis

Multi Pro 5700–DChassis Page 7 – 8
Front Suspension
1. Front axle
2. Flat washer
3. Lock washer
4. Hex nut
5. Hex nut
6. Lock washer
7. Hex nut
8. Inside shackle
9. Shackle bushing
10. Shoulder bolt
11. Outside shackle
12. Spacer
13. Shoulder bolt
14. Shock absorber
15. Axle bumper
16. Cap screw (4 used per spring)
17. Spring plate
18. Leaf spring
19. LH spindle assembly
20. Lock nut (4 used per spring)
21. RH spindle assembly
22. Hub assembly
23. Wheel assembly
24. Lug nut (5 used per wheel)
Figure 5
FRONT
RIGHT
11
10
9
2
1
6
8
7
5
4
3
12
15
14
13
16
18
17
3
3
4
3
10
12
13
2
2
65
19
35 ft–lb
(47 N–m)
21
22
23
24 20
55 to 75 ft–lb
(75 to 102 N–m)

Disassembly (Fig. 5)
1. Park machine on a level surface, stop engine, en-
gage parking brake, and remove key.
CAUTION
ing other service, use correct blocks, hoists,
and jacks. Make sure machine is parked on a
ments that may interfere with the safe and
block wheels. Use jack stands or solid wood
jack stands, the machine may move or fall,
When changing attachments, tires, or perform-
solid, level surface such as a concrete floor.
Prior to raising machine, remove any attach-
proper raising of the machine. Always chock or
blocks to support the raised machine. If the ma-
chine is not properly supported by blocks or
which may result in personal injury.
2. Jack front of machine off ground (see Jacking In-
structions in Operator’s Manual). Support machine to al-
low front suspension to hang freely from machine.
3. Remove front wheel assembly (see Front Wheels
and Hubs).
4. Disassemble front suspension as needed using Fig-
ure 5 as a guide.
A. If wheel hub requires removal, see Front Wheels
and Hubs Removal in this section. If spindle requires
removal, see Spindles in this section.
B. When removing leaf springs, support axle to pre-
vent it from falling. Loosen fasteners that secure
springs to frame attachment points. Loosen and re-
move cap screws and locknuts that secure spring
plate. Remove shackles, bushings, shoulder bolts,
lock washers and hex nuts from spring and frame.
Remove leaf springs from machine.
C. If front axle removal is required, remove steering
cylinder from axle (see Steering Cylinder in Service
and Repair Section of Chapter 4 – Hydraulic Sys-
tem).
Assembly (Fig. 5)
1. Assemble front suspension using Figure 5 as a
guide.
A. When installing suspension components, loosely
install all fasteners before tightening any of the fas-
teners.
B. If wheel hub was removed, see Front Wheels and
Hubs Installation in this section. If spindle was re-
moved, see Spindles in this section.
NOTE: When installing leaf springs, make sure front
axle and spring plate are centered on the screw head
and nut that fasten spring leaves.
IMPORTANT: If leaf spring replacement is need-
ed, always replace both springs for proper ve-
hicle performance.
C. To install leaf springs, attach springs to frame with
shackles, bushings, shoulder bolts, lock washers
and hex nuts without tightening fasteners. Install
spring plate to top of spring assembly with curved
edge toward spring. Install and tighten cap screws
and lock nuts in a crossing pattern until spring plate,
leaf spring and axle contact. Fully tighten fasteners
that secure springs to frame. Torque lock nuts that
secure spring plate 35 ft–lb (47 N–m) using a cross-
ing pattern.
D. When installing shock absorbers, make sure that
spacer is positioned between shock and frame at-
tachment point.
Failure to maintain proper lug nut torque
WARNING
could result in failure or loss of wheel and may
result in personal injury.
2. Install wheel with valve stem facing out and secure
with lug nuts. Torque lug nuts evenly in a crossing pat-
tern from 55 to 75 ft–lb (75 to 102 N–m).
3. Lower machine to ground.
4. Lubricate suspension grease fittings (see Operator’s
Manual).
5. Check front wheel toe–in and adjust if necessary
(see Operator’s Manual).
6. Check front suspension and steering operation.
Make sure that components do not contact hoses and/or
wires.
Chassis
Multi Pro 5700–D Page 7 – 9 Chassis

Multi Pro 5700–DChassis Page 7 – 10
Brake Assembly
1. RH brake cable
2. Planetary assembly
3. Lug nut (8 used per wheel)
4. Tire and wheel assembly
5. Gasket
6. RH brake assembl
y
7. Flange head screw (4 used per brake)
8. Splined brake shaft
9. Retaining ring
10. O–ring
11. RH wheel motor
12. Flat washer (2 used per motor)
13. Cap screw (2 used per motor)
14. LH wheel motor
15. LH brake cable
16. LH brake assembly
17. Flange head screw (6 used per side)
Figure 6
70 to 90 ft–lb
(95 to 122 N–m)
60 ft–lb
(81 N–m)
1
2
34
5
12
13
14
15
16
6
7
8
9
10
11
10
17
60 ft–lb
(81 N–m)
Removal (Fig. 6)
1. Park machine on a level surface, stop engine, en-
gage parking brake, and remove key from the ignition
switch.
2. Drain oil from planetary wheel drive/brake assembly
(see Operator’s Manual).
CAUTION
When changing attachments, tires, or perform-
ing other service, use correct blocks, hoists,
and jacks. Make sure machine is parked on a
solid, level surface such as a concrete floor.
Prior to raising machine, remove any attach-
ments that may interfere with the safe and
proper raising of the machine. Always chock or
block wheels. Use jack stands or solid wood
blocks to support the raised machine. If the ma-
chine is not properly supported by blocks or
jack stands, the machine may move or fall,
which may result in personal injury.

3. Chock front wheels and jack up rear of machine (see
Jacking Instructions in Operator’s Manual). Support
machine with jack stands or solid wood blocks.
4. Remove rear wheel assembly.
5. Remove hydraulic wheel motor (see Rear Wheel
Motors in Service and Repairs section of Chapter 4 –
Hydraulic System).
6. Disconnect brake cable from pull rod on brake.
NOTE: Be careful not to drop splined brake shaft as
brake assembly is removed.
7. Support brake assembly and remove four (4) flange
head screws that secure brake assembly to planetary
assembly. Remove brake assembly from machine.
8. Locate and remove splined brake shaft.
9. Complete brake inspection and repair.
Installation (Fig. 6)
NOTE: The stepped end of the splined brake shaft
must be aligned toward the hydraulic wheel motor (Fig.
7).
1. Install splined brake shaft into brake assembly. Make
sure that splines engage rotating discs in brake assem-
bly.
2. Make sure that gasket surfaces of planetary and
brake assembly are clean. Position new gasket to brake
assembly.
3. Position brake assembly to machine, aligning
splined brake shaft with input shaft on planetary wheel
drive.
4. Make sure that gasket is properly positioned and
then install flange head screws (11) to secure brake as-
sembly to planetary assembly. Tighten screws in a
crossing pattern to a torque of 60 ft–lb (81 N–m).
5. Install brake cable to pull rod on brake assembly.
Brake cable end should be completely threaded onto
pull rod.
6. Install new o–ring on hydraulic wheel motor. Install
wheel motor (see Rear Wheel Motors in Service and Re-
pairs section of Chapter 4 – Hydraulic System).
Failure to maintain proper lug nut torque
WARNING
could result in failure or loss of wheel and may
result in personal injury.
7. Install wheel assembly with valve stem facing out.
Torque lug nuts from 70 to 90 ft–lb (95 to 122 N–m) to
secure wheel assembly.
8. Lower machine to ground.
9. Make sure drain plug is installed in bottom of brake
assembly (Fig. 8). Fill planetary wheel drive/brake as-
sembly to proper level with SAE 85W–140 gear lube
(see Operator’s Manual).
10.Check and adjust brake cables for proper brake op-
eration (see Operator’s Manual).
3
1
2
Figure 7
1. Splined brake shaft step 3. Planetary assembly end
2. Hydraulic motor end
2
3
1
Figure 8
1. Brake housing 3. Drain plug
2. Check
p
lu
g
Chassis
Multi Pro 5700–D Page 7 – 11 Chassis

Multi Pro 5700–DChassis Page 7 – 12
Brake Inspection and Repair
1. Brake housing (LH shown)
2. Seal
3. Pull rod
4. Clevis pin
5. Link
6. Hitch pin (2 used)
7. Stationary disc
8. Rotating disc
9. Retaining ring
10. Gasket
11. Rotating actuator
12. Extension spring (3 used)
13. Ball (3 used)
14. Plug (2 used)
15. O–ring
Figure 9
3
2
4
5
6
7
8
9
10
14 13
12 11
15
1
8
7
5
Brake Inspection and Repair (Fig. 9)
1. Scrape gasket material (10) from brake housing and
planetary wheel drive mounting surfaces.
2. Remove retaining ring (9).
3. Remove four stationary discs (7) and three rotating
discs (8).
4. Remove three extension springs (12).
5. Remove actuator assembly (3, 4, 5, 6 and 11) and
three balls (13).
6. Remove seal (2) from brake housing.
7. Wash parts in cleaning solvent. Inspect components
for wear or damage.
8. Reverse steps 2 – 6 to assemble brakes, installing
new parts as necessary. Install a new seal (2).
9. Use a new gasket (10) when installing the brake as-
sembly to machine.

Multi Pro 5700–D ChassisPage 7 – 13
Brake Cables
Removal
1. Remove brake cable from brake equalizer at front of
machine under floorboard (Fig. 10 and 11):
A. Remove cotter pin, flat washer, and clevis pin that
secure brake cable to brake equalizer.
B. Loosen jam nuts that secure cable to cable brack-
et on frame.
2. Remove brake cable from rear brake (Fig. 12):
A. Loosen and remove cable end from pull rod on
brake assembly.
B. Loosen jam nut that secures brake cable to cable
bracket on frame.
3. Remove R–clamp that secures brake cable:
A. R–clamp for right side cable is on top of traction
pump.
B. R–clamp for left side cable is inside left frame rail.
4. Note routing of brake cable and remove cable from
machine.
Installation
1. Install brake cable to rear brake assembly:
A. Insert rear end of cable through cable bracket on
frame and through hole in rear axle frame.
B. Connect cable end to brake pull rod on brake as-
sembly. Tighten cable end.
C. Place cable in cable bracket. Secure with jam nut.
2. Route brake cable to front of machine.
3. Install brake cable to brake equalizer:
A. Pass cable through cable bracket on frame and
position cable to brake equalizer.
B. Attach cable to equalizer with clevis pin, flat
washer, and cotter pin.
C. Position cable to cable bracket and adjust cable
free play with jam nuts. There should be no slack in
cable and brake equalizer should be perpendicular
to vehicle centerline after adjustment.
4. Secure cable to machine with R–clamp.
5. Check operation of brakes before using the ma-
chine.
1. RH brake cable
2. LH brake cable
3. Cable jam nut
4. Clevis pin
5. Frame cable bracket
Figure 10
PHOTO TAKEN FROM BELOW
1
4
4
2
5
3
1. Brake pedal
2. Flat washer
3. Clevis pin
4. Cotter pin
5. RH brake cable
6. LH brake cable
7. Brake equalizer
Figure 11
6
54
7
2
3
3
1
2
4
1. Brake (RH shown)
2. Brake pull rod
3. Brake cable (RH shown)
4. Axle frame hole
5. Cable bracket
Figure 12
4
3
1
2
5
Chassis

Rev. C Multi Pro 5700--DChassis Page 7 -- 14
Planetary Wheel Drive Assembly
1. RH brake cable
2. Planetary assembly
3. Lug nut (8 used per wheel)
4. Tire and wheel assembly
5. Gasket
6. RH brake assembly
7. Flange head screw (4 used per brake)
8. Splined brake shaft
9. Retaining ring
10. O--ring
11. RH wheel motor (with speed sensor)
12. Flat washer (2 used per motor)
13. Cap screw (2 used per motor)
14. LH wheel motor
15. LH brake cable
16. LH brake assembly
17. Flange head screw (6 used per side)
Figure 13
60 ft--lb
(81 N--m)
1
2
34
5
12
13
14
15
16
6
7
8
9
10
11
10
17
60 ft--lb
(81 N--m)
70 to 90 ft--lb
(95 to 122 N--m)
NOTE: The planetary wheel drive assembly can be ser-
viced with the planetary installed to machine (see Plane-
tary Wheel Drive Service in this section). Use the
following procedure to remove and install planetary
wheel drive assembly from machine.

Rev. C
Multi Pro 5700--D ChassisPage 7 -- 15
Removal (Fig. 13)
1. Park machine on a level surface, stop engine, en-
gage parking brake, and remove key from the ignition
switch.
2. Drain oil from planetary wheel drive/brake assembly
(see Operator’s Manual).
CAUTION
When changing attachments, tires, or perform-
ing other service, use correct blocks, hoists,
and jacks. Make sure machine is parked on a
solid, level surface such as a concrete floor.
Prior to raising machine, remove any attach-
ments that may interfere with the safe and
proper raising of the machine. Always chock or
block wheels. Use jack stands or solid wood
blocks to support the raised machine. If the ma-
chine is not properly supported by blocks or
jack stands, the machine may move or fall,
which may result in personal injury.
3. Chock front wheels and jack up rear of machine (see
Jacking Instructions in Operator’s Manual). Support
machine with jack stands or solid wood blocks.
4. Remove rear wheel assembly.
5. Support wheel motor and brake assembly to prevent
them from shifting during planetary removal.
6. Remove two (2) cap screws and flat washers that se-
cure wheel motor to planetary assembly.
7. Remove four (4) flange head screws that secure
brake assembly to planetary assembly (see Brake As-
sembly).
8. Support planetary assembly to prevent it from falling.
Loosen and remove eight (8) flange head screws that
secure planetary assembly to frame. Remove planetary
assembly from machine.
Installation (Fig. 13)
1. Make sure that gasket surfaces of planetary and
brake assembly are clean. Position new gasket to brake
assembly.
2. Position planetary assembly to machine making
sure to engage splined brake shaft with planetary drive
shaft. Install eight (8) flange head screws to secure plan-
etary assembly to frame. Torque screws 60 ft--lb (81
N--m).
3. Make sure that gasket is properly positioned and
then secure brake assembly to planetary (see Brake As-
sembly).
4. Secure wheel motor to planetary with two (2) cap
screws and flat washers. Torque screws 60 ft--lb (81
N--m).
WARNING
Failure to maintain proper wheel lug nut
torque could result in failure or loss of wheel
and may result in personal injury.
5. Install wheel assembly with valve stem facing out.
Torque lug nuts from 70 to 90 ft--lb (95 to 122 N--m).
6. Lower machine from jack stands.
7. Make sure drain plug is installed in bottom of brake
assembly (Fig. 14). Fill planetary wheel drive/brake as-
sembly to proper level with SAE 85W--140 gear lube
(see Operator’s Manual). Capacity is approximately 16
oz. (.47 l) per wheel.
8. Check and adjust brake cables for proper brake op-
eration (see Operator’s Manual).
1. Brake housing
2. Check plug
3. Drain plug
Figure 14
3
2
1
Chassis

Rev. C Multi Pro 5700--DChassis Page 7 -- 16
Planetary Wheel Drive Service
1. Spindle
2. Boot seal
3. Oil seal
4. Inner bearing cone
5. Inner bearing cup
6. Wheel stud (8 used)
7. Socket head screw (16 used)
8. Lock washer (16 used)
9. Housing
10. Dowel pin (2 used)
11. Outer bearing cup
12. Outer bearing cone
13. O--ring
14. Thrust washer
15. Retaining ring (external)
16. Ring gear
17. Retaining ring (internal)
18. Plug (2 used)
19. O--ring (2 used)
20. End cap
21. Thrust plug
22. Thrust washer
23. Retaining ring
24. Primary gear
25. Drive shaft
26. Primary carrier assembly
27. Secondary gear
28. Secondary carrier assembly
Figure 15
118 to 144 in--lb
(13.3 to 16.3 N--m)
2
3
1
4
5
6
8
9
7
12
13
14
15
17
18
23
21
24
22
19
11
10
16
13
27
20
25
26
28

Rev. C
Multi Pro 5700--D ChassisPage 7 -- 17
NOTE: The planetary wheel drive assembly can be ser-
viced with the planetary installed to machine. If the
spindle (item 1) needs to be removed from machine, see
Planetary Wheel Drive Assembly in this section.
Disassembly (Figs. 15 and 16)
1. If planetary wheel drive assembly is installed on ma-
chine:
A. Park machine on a level surface, lower cutting
decks, stop engine and remove key from the ignition
switch.
B. Drain oil from planetary wheel drive/brake as-
sembly.
C. Chock rear wheels and jack up front of machine
(see Jacking Instructions in Chapter 1 -- Safety).
Support machine with jack stands.
D. Remove front wheel assembly.
2. Remove retaining ring (item 17).
3. Remove end cap (item 20). Thrust plug (item 21) and
thrust washer (item 22) usually remain in end cap bore
and should be removed for cleaning and inspection.
4. Remove drive shaft assembly (items 23, 24 and 25)
If necessary, remove retaining ring and primary gear
from shaft.
5. Remove primary carrier (item 26), secondary gear
(item 27) and secondary carrier (item 28).
NOTE: Steps 6 through 10 are necessary only if in-
specting or replacing bearings and/or seals.
IMPORTANT: Do not reuse retaining ring (item 10)
after it has been removed.
6. Remove retaining ring (item 15) and thrust washer
(item 14). Discard retaining ring.
7. Carefully remove housing (item 9) from spindle (item
1). Remove outer bearing cone (item 12).
8. Remove and discard seals (items 2 and 3) and O--
rings (item 13) from housing.
9. Remove inner bearing cone (item 4) from housing. If
necessary, remove bearing cups (items 5 and 11) from
housing.
10.If wheel stud (item 6) removal is necessary, use
press to extract stud(s) from housing.
11. If necessary, remove socket head screws (item 7)
with lock washers (item 8) that secure ring gear (item 16)
to housing. Remove ring gear and two (2) dowel pins
(item 10) from housing.
Figure 16
Assembly (Figs. 15 and 16)
1. Thoroughly clean parts in solvent and dry completely
after cleaning. Inspect parts for damage or excessive
wear and replace as necessary.
2. If any wheel studs were removed, use a press to
install new studs into housing. Make sure that stud
shoulder is fully pressed against housing surface.
NOTE: Use new seal and shim kits when assembling
planetary wheel drive.
3. If spindle and housing were separated:
A. Press bearing cups (items 5 and 11) into housing
(item 9). Cups should be pressed fully to shoulder of
the housing bore.
B. Set inner bearing cone (item 4) into inner bearing
cup.
C. Make sure that seal bore in housing is thoroughly
cleaned. If OD of seal (item 3) is not rubber or does
not have a sealant coating, apply light coating of sili-
cone sealant to seal bore in housing. Install seal into
housing so it is flush with housing face. Lightly
grease seal lips.
D. Pack boot seal (item 2) with grease and install on
housing.
E. If ring gear was removed from housing, place
dowel pins (item 10) in housing. Secure ring gear to
housing with lock washers (item 8) and socket head
screws (item 7). Torque socket head screws from
118 to 144 in--lb (13.3 to 16.3 N--m).
Chassis

Rev. C Multi Pro 5700--DChassis Page 7 -- 18
F. Lightly oil bearing journals on spindle shaft. Slide
housing assembly onto spindle (item 1) taking care
to not damage seal or spindle. Make sure that inner
bearing in housing fully seats against spindle shaft
shoulder.
G. Install outer bearing cone (item 12) onto spindle.
NOTE: The planetary shim kit includes the retaining
ring and several thrust washers with thickness in in-
cremental steps of 0.004 in. (0.10 mm).
H. Measure thickness of thrust washer (item 14) that
was removed during disassembly. Choose new
thrust washer of equal thickness or the next available
thickness from thrust washers in the shim kit.
I. Apply a light coating of oil to spindle shaft, thrust
washer (item 14) and new retaining ring (item 15).
Install thrust washer onto spindle shaft.
WARNING
If retaining ring (item 15) is not fully installed in
spindle groove, loss of wheel and personal inju-
ry may result.
J. Carefully install new retaining ring (item 15) into
the spindle shaft groove taking care to not distort
ring. If the proper thrust washer has been installed,
the retaining ring should fit tightly between the thrust
washer and spindle groove. Tap the OD of the re-
taining ring starting in the center and working out to-
ward each end to ensure that the retaining ring is
properly seated into the spindle groove. Make sure
that retaining ring ID is fully seated to spindle shaft
groove.
K. After retaining ring is installed, make sure that
there is no endplay in assembly. If required, remove
retaining ring and install a thrust washer of different
thickness to adjust endplay.
L. Install new O--ring (item 13) into groove in hous-
ing.
4. Install secondary carrier (item 28), secondary gear
(item 27) and primary carrier (item 26) making sure that
carrier gear teeth align with ring gear and spline on
spindle shaft.
5. If primary gear (item 24) was removed from drive
shaft, slide gear onto shaft and secure with retaining ring
(item 23).
6. Install drive shaft assembly (items 25, 24 and 23)
making sure that drive shaft spline aligns with carrier
gears.
7. Install thrust plug (item 21) and thrust washer (item
22) into end cap (item 20). Make sure that thrust plug
and thrust washer are captive on inside of end cap (item
20).
8. Install new O--ring (item 13) to end cap and then
install end cap. Secure cap with retaining ring (item 17).
9. Check operation of planetary wheel drive. With a
constant turning force applied, rotation of the planetary
should be consistent. If there is more drag at certain
points, gears are not rolling freely and the planetary
should be examined for improper assembly or damaged
components.
10.If planetary wheel drive assembly is installed on ma-
chine:
A. Install front wheel assembly.
Failure to maintain proper wheel lug nut torque
could result in failure or loss of wheel and may
result in personal injury.
WARNING
B. Lower machine from jack stands. Torque wheel
lug nuts in a crossing pattern from 70 to 90 ft--lb (95 to
122 N--m).
C. Make sure drain plug is installed in bottom of
brake assembly. Fill planetary wheel drive/brake as-
sembly with SAE 85W--140 gear lube to proper level.
Capacity is approximately 16 oz. (0.47 l) per wheel.

Multi Pro 5700--D Page 7.1 -- 1 Sonic Boom System (Optional Kit)
Chapter 7.1
Sonic Boom System
Table of Contents
GENERAL INFORMATION 2.....................
Installation Instructions 2.......................
Precautions Concerning Chemicals Used in
Spray System 2.............................
Precautions for Removing or Adjusting Spray
System Components 2.......................
SPECIAL TOOLS 3.............................
ELECTRICAL SCHEMATIC 4.....................
SONIC BOOM SYSTEM OPERATION 6...........
Sprayer Operation on Level Turf 6...............
Turf Depression Encountered 8.................
Rise in Turf Encountered 10....................
Boom Level Changed by Operator During
Automatic Operation 12......................
Manual Boom Operation 14....................
TROUBLESHOOTING 16........................
Sonic Boom Light 16..........................
Diagnostic Display 17.........................
Troubleshooting Chart 20......................
SERVICE AND REPAIRS 22.....................
Sonic Mode Switch 22.........................
Relays 23....................................
Electronic Control Unit (ECU) 24................
Sonic Sensor 25..............................
Sonic Boom
System

Multi Pro 5700--DPage 7.1 -- 2Sonic Boom System (Optional Kit)
General Information
Installation Instructions
The Sonic Boom Kit Installation Instructions provides in-
formation regarding the installation, operation and gen-
eral maintenance for your Sonic Boom System. Refer to
that publication for additional information when servic-
ing the machine.
Precautions Concerning Chemicals Used in Spray System
Chemicals can injure persons, animals, plants, soil and
other property. To eliminate environmental damage and
personal injury:
1. Select the proper chemical for the job.
2. Carefully read the directions printed on the chemical
manufacturer’s labels before handling chemicals. In-
structions on chemical manufacturer’s container labels
regarding mixing proportions should be read and strictly
followed.
3. Keep spray material away from skin. If spray material
comes in contact with a person, wash it off immediately
in accordance with manufacturer’s recommendations
(refer to container labels and Material Safety Data
Sheets).
4. Always wear protective clothing, chemical resistant
gloves, eye protection and other personal protective
equipment as recommended by the chemical manufac-
turer.
5. Properly dispose of chemical containers, unused
chemicals and chemical solution.
Precautions for Removing or Adjusting Spray System Components
1. Park vehicle on a level surface and apply the parking
brake.
2. Shut off the vehicle’s engine and remove the key
from the ignition switch.
3. Disengage all power and wait until all moving parts
have stopped.
4. Remove chemicals from pump, hoses and other
spray components. Thoroughly neutralize and rinse
spray system before loosening or removing any spray
system component(s).
5. Make sure spray system pressure is relieved before
loosening any system component.

Multi Pro 5700--D Page 7.1 -- 3 Sonic Boom System (Optional Kit)
Special Tools
Diagnostic Display
The Diagnostic Display (Fig. 1) can be connected to the
Sonic Boom wire harness communication connector to
verify correct electrical functions of the Sonic Boom Sys-
tem. Electronic control unit (ECU) inputs and outputs for
the Sonic Boom System can be checked using the Diag-
nostic Display.
Toro Part Number for Diagnostic Display: 85--4750
Toro Part Number for Overlay (English): 94--8604
IMPORTANT: The Diagnostic Display must not be
left connected to the machine. It is not designed to
withstand the environment of the machine’s every
day use. When use of Diagnostic Display is com-
pleted, disconnect it from the machine and recon-
nect loopback connector to wire harness
communication connector. Machine will not oper-
ate without loopback connector installed on wire
harness. Store Diagnostic Display in a dry, secure,
indoor location and not on machine.
Figure 1
Figure 2
Sonic Boom
System

Multi Pro 5700--DPage 7.1 -- 4Sonic Boom System (Optional Kit)
Electrical Schematic
Sonic Boom System
RIGHT BOOM
ACTUATOR SWITCH
LEFT BOOM
ACTUATOR SWITCH
RIGHT BOOM
ACTUATOR
LEFT BOOM
ACTUATOR

Multi Pro 5700--D Page 7.1 -- 5 Sonic Boom System (Optional Kit)
This page is intentionally blank.
Sonic Boom
System

Multi Pro 5700--DPage 7.1 -- 6Sonic Boom System (Optional Kit)
Sonic Boom System Operation
Sonic Boom System
Power Current
Control Current
Indicator Light Current
(IN AUTO POSITION)
(NOT ENERGIZED)
(NOT ENERGIZED)
(NOT ENERGIZED)
(NOT ENERGIZED)
(STATIONARY)
(STATIONARY)
Sprayer Operation on Level Turf
Sonic Mode Switch in Automatic
RIGHT BOOM
ACTUATOR SWITCH
LEFT BOOM
ACTUATOR SWITCH
RIGHT BOOM
ACTUATOR
LEFT BOOM
ACTUATOR

Multi Pro 5700--D Page 7.1 -- 7 Sonic Boom System (Optional Kit)
Sprayer Operation on Level Turf
During sprayer operation with the sonic boom switch in
the automatic position (sonic boom light is illuminated),
the boom mounted sonic boom sensors continually
send impulse signals and then receive echos as the sig-
nals bounce off the turf. The electronic control unit
(ECU) determines the sensor distance from the ground
based on the elapsed time between the sensor signal
generation and the received echo. As long as the sensor
height remains the same as the calibrated height, the
spray boom will remain at a fixed height from the ground
for spraying accuracy.
On level turf, the boom sensors continually send signals
and receive echoes that determine that the booms sec-
tions are at the calibrated height. Thus, there is no need
to change boom height. The boom actuators will not be
energized and the boom sections remain at the correct,
level position.
Figure 3
LEVEL GROUND
CONSISTENT BOOM HEIGHT
SO ACTUATOR MOVEMENT
IS NOT NECESSARY
Sonic Boom
System

Multi Pro 5700--DPage 7.1 -- 8Sonic Boom System (Optional Kit)
Sonic Boom System
Power Current
Control Current
Indicator Light Current
(IN AUTO POSITION)
(ENERGIZED)
(NOT ENERGIZED)
(NOT ENERGIZED)
(NOT ENERGIZED)
(EXTENDING)
(STATIONARY)
Downward Slope in Turf Encountered (Left Boom Shown)
Sonic Mode Switch in Automatic
RIGHT BOOM
ACTUATOR SWITCH
LEFT BOOM
ACTUATOR SWITCH
RIGHT BOOM
ACTUATOR
LEFT BOOM
ACTUATOR

Multi Pro 5700--D Page 7.1 -- 9 Sonic Boom System (Optional Kit)
Downward Slope in Turf Encountered
During sprayer operation with the sonic boom switch in
the automatic position (sonic boom light is illuminated),
the boom mounted sonic boom sensors continually
send impulse signals and then receive echos as the sig-
nals bounce off the turf. The electronic control unit
(ECU) determines the sensor distance from the ground
based on the elapsed time between the sensor signal
generation and the received echo. As long as the sensor
height remains the same as the calibrated height, the
spray boom section will remain at a fixed distance from
the ground for spraying accuracy.
When a spray boom section encounters a downward
slope in the turf, the time necessary for the sensor to re-
ceive the signal echo is longer than the calibrated time-
frame. This change in time causes the ECU to energize
the appropriate power switch relay. The energized relay
provides a current path to the boom actuator causing the
actuator to extend and the boom section to lower. This
maintains the boom height at the calibrated distance
from the ground. Once the boom section is lowered to
the calibrated distance, the elapsed time between the
sensor signal generation and the received echo returns
to the correct timeframe and the boom stops lowering.
The boom sensor target distance is initiated during initial
sonic boom calibration and is typically set at twenty (20)
inches. When in automatic mode, the booms will not
move if the target distance change is three (3) inches or
less (inner dead band). Once the target distance ex-
ceeds five (5) inches (outer dead band), the ECU will en-
ergize the appropriate power switch relay. The
energized relay will lead to a change in boom actuator
length and ultimately a change in boom height.
Figure 4
SLOPE
A HIGHER BOOM HEIGHT IS DETECTED
SO ACTUATOR EXTENDS TO LOWER BOOM SECTION
Sonic Boom
System

Multi Pro 5700--DPage 7.1 -- 10Sonic Boom System (Optional Kit)
Sonic Boom System
Power Current
Control Current
Indicator Light Current
(IN AUTO POSITION)
(NOT ENERGIZED)
(ENERGIZED)
(ENERGIZED)
(NOT ENERGIZED)
(STATIONARY)
Rise in Turf Encountered (Right Boom Shown)
Sonic Mode Switch in Automatic
(RETRACTING)
RIGHT BOOM
ACTUATOR SWITCH
LEFT BOOM
ACTUATOR SWITCH
RIGHT BOOM
ACTUATOR
LEFT BOOM
ACTUATOR

Multi Pro 5700--D Page 7.1 -- 11 Sonic Boom System (Optional Kit)
Rise in Turf Encountered
During sprayer operation with the sonic boom switch in
the automatic position (sonic boom light is illuminated),
the boom mounted sonic boom sensors continually
send impulse signals and then receive echos as the sig-
nals bounce off the turf. The electronic control unit
(ECU) determines the sensor distance from the ground
based on the time between the sensor signal generation
and the received echo. As long as the sensor height re-
mains the same as the calibrated height, the spray
boom section will remain at a fixed distance from the
ground for spraying accuracy.
When a spray boom section encounters a rise in the turf,
the time necessary for the sensor to receive the signal
echo is shorter than the calibrated timeframe. This
change in time causes the ECU to energize the ap-
propriate power switch relay and H--bridge relays.
These energized relays provide a current path to the
boom actuator causing the actuator to retract and the
boom section to raise. This maintains the boom height
at the calibrated distance from the ground. Once the
boom section is raised to the calibrated distance, the
elapsed time between the sensor signal generation and
the received echo returns to the correct timeframe and
the boom stops raising.
The boom sensor target distance is initiated during initial
sonic boom calibration and is typically set at twenty (20)
inches. When in automatic mode, the booms will not
move if the target distance change is three (3) inches or
less (inner dead band). Once the target distance ex-
ceeds five (5) inches (outer dead band), the ECU will en-
ergize the appropriate power switch relay. The
energized relay will lead to a change in boom actuator
length and ultimately a change in boom height.
Figure 5
RISE
A LOWER BOOM HEIGHT IS DETECTED
SO ACTUATOR RETRACTS TO RAISE BOOM SECTION
Sonic Boom
System

Multi Pro 5700--DPage 7.1 -- 12Sonic Boom System (Optional Kit)
Sonic Boom System
Power Current
Control Current
Indicator Light Current
(IN AUTO POSITION)
(ENERGIZED)
(NOT ENERGIZED)
(NOT ENERGIZED)
(ENERGIZED)
(RETRACTING)
(STATIONARY)
Boom Level Changed by Operator (Raise Left Boom Shown)
Sonic Mode Switch in Automatic
(PRESSED TO RAISE)
RIGHT BOOM
ACTUATOR SWITCH
LEFT BOOM
ACTUATOR SWITCH
RIGHT BOOM
ACTUATOR
LEFT BOOM
ACTUATOR

Multi Pro 5700--D Page 7.1 -- 13 Sonic Boom System (Optional Kit)
Boom Level Changed by Operator During Automatic Operation
During sprayer operation with the sonic boom switch in
the automatic position (sonic boom light is illuminated),
the boom mounted sonic boom sensors continually
send impulse signals and then receive echos as the sig-
nals bounce off the turf. The electronic control unit
(ECU) determines the sensor distance from the ground
based on the time between the sensor signal generation
and the received echo. As long as the sensor height re-
mains the same as the calibrated height, the spray
boom will remain at a fixed distance from the ground for
spraying accuracy.
If the sprayer operator should press a boom actuator
switch while in automatic operation, the ECU energizes
the necessary power switch relay and H--bridge relays
to raise or lower the appropriate boom. The energized
relay(s) provides a current path to the requested boom
actuator to raise or lower the boom. The boom actuator
will stay energized as long as the operator keeps the
boom actuator switch pressed. The sonic boom light will
flash as long as the boom actuator switch is pressed.
If a boom is raised by the operator while the Sonic Boom
System is in automatic operation, the boom will remain
in the raised position until it is lowered halfway with the
boom actuator switch to re--engage automatic sonic
boom operation. If one boom is moved by the operator,
the other boom continues to function automatically.
Sonic Boom
System

Multi Pro 5700--DPage 7.1 -- 14Sonic Boom System (Optional Kit)
Sonic Boom System
Power Current
Control Current
Indicator Light Current
(IN MANUAL POSITION)
(NOT ENERGIZED)
(ENERGIZED)
(NOT ENERGIZED)
(NOT ENERGIZED)
(STATIONARY)
(EXTENDING)
Manual Boom Operation (Lower Right Boom Shown)
Sonic Mode Switch in Manual
(PRESSED TO LOWER)
RIGHT BOOM
ACTUATOR SWITCH
LEFT BOOM
ACTUATOR SWITCH
RIGHT BOOM
ACTUATOR
LEFT BOOM
ACTUATOR

Multi Pro 5700--D Page 7.1 -- 15 Sonic Boom System (Optional Kit)
Manual Boom Operation
During sprayer operation with the sonic boom switch in
the manual position, the spray booms will remain in posi-
tion unless the operator presses a boom actuator
switch. When the sonic boom switch is in the manual
position, the sonic boom light should be illuminated. The
operator will control the boom position with the boom ac-
tuator switches.
Raise Spray Boom
When a boom actuator switch is pressed to raise a boom
section, the electronic control unit (ECU) energizes the
power switch relay and both H--bridge relays for the re-
quested boom section. The energized relays provide a
current path to the boom actuator causing the actuator
to retract which will raise the boom section. The boom
will continue to rise until the operator releases the boom
actuator switch.
Lower Spray Boom
When a boom actuator switch is pressed to lower a
boom section, the electronic control unit (ECU) ener-
gizes the power switch relay for the requested boom
section. The energized relay provides a current path to
the boom actuator causing the actuator to extend which
will lower the boom section. The boom will continue to
lower until the operator releases the boom actuator
switch.
Sonic Boom
System

Multi Pro 5700--DPage 7.1 -- 16Sonic Boom System (Optional Kit)
Troubleshooting
For effective troubleshooting and repairs, there must be
a good understanding of the electrical circuits and com-
ponents used on the Sonic Boom System (see Sonic
Boom System Operation in this chapter).
NOTE: When troubleshooting an electrical problem on
your Sonic Boom System, refer to information regarding
the sonic boom light in this section. Also, use the Diag-
nostic Display (see Special Tools in this chapter) to test
electronic control unit (ECU) inputs and outputs.
Sonic Boom Light
The Sonic Boom System is designed to automatically
adjust the sprayer boom height if changes in the turf sur-
face are detected. The sonic boom light should be illumi-
nated whenever the vehicle ignition switch is ON and the
sonic boom switch is in either the automatic or manual
position.
The sonic boom light flashing quickly indicates that the
Sonic Boom System is in the calibration mode. This
mode allows the spray booms to be adjusted for the de-
sired boom height. The calibration mode lasts for twenty
(20) seconds after which the boom light should quit
flashing.
NOTE: A sequence of switch movements is necessary
to engage the calibration mode. Refer to the Sonic
Boom Kit Installation Instructions for this sequence.
The sonic boom light flashing slowly indicates that a sys-
tem error has been encountered. If the boom light is
flashing slowly, lower the affected boom(s) with the
boom actuator switch(es) to clear the error. If the error
continues, there may be an issue with the Sonic Boom
System electronic control unit (ECU). If this occurs, see
Diagnostic Display and Troubleshooting Chart in this
section.
1. MP 5700 dash 2. Boom light location
Figure 6
2
1
Sonic Boom Calibration
The Sonic Boom sensor calibration process is critical to
the correct operation of the Sonic Boom System. The
calibration process establishes the sensor target dis-
tance between the boom and the turf surface. Typically,
this distance is approximately twenty (20) inches. Steps
needed for proper calibration are identified in the Sonic
Boom Kit Installation Instructions.
While calibrating the Sonic Boom sensors, it is best to
perform the calibration process on turf. A shiny surface
(e.g. cement shop floor) can skew sensor signals. Also,
ensure the calibration area is free of buildings, trees, un-
derground plumbing and other machines that could in-
terfere with sensor signals.

Multi Pro 5700--D Page 7.1 -- 17 Sonic Boom System (Optional Kit)
Diagnostic Display
The Sonic Boom System is equipped with an electronic
control unit (ECU) which controls machine sonic boom
electrical functions. The ECU monitors various input
switches (e.g. boom actuator switches, sonic boom sen-
sors) and energizes outputs to actuate relays for ap-
propriate machine functions.
For the ECU to control the machine as desired, each of
the inputs (switches and sensors) and outputs (relays)
must be connected and functioning properly.
The Diagnostic Display (see Special Tools in this chap-
ter) is a tool to help the technician verify correct electrical
functions of the machine.
IMPORTANT: The Diagnostic Display must not be
left connected to the machine. It is not designed to
withstand the environment of the machine’s every
day use. When use of the Diagnostic Display is com-
pleted, disconnect it from the machine and recon-
nect loopback connector to harness connector. The
machine will not operate without the loopback con-
nector installed on the harness. Store the Diagnos-
tic Display in a dry, secure, indoor location and not
on machine.
Verify Diagnostic Display Input Functions
1. Park vehicle on a level surface, stop the engine and
apply the parking brake.
2. Locate Sonic Boom wire harness communication
port and loopback connector under the vehicle dash
panel. Carefully unplug loopback connector from har-
ness connector.
3. Connect the Diagnostic Display connector to the
wire harness connector. Make sure correct overlay de-
cal is positioned on the Diagnostic Display (Fig. 7).
4. Turn the vehicle ignition switch to the ON position,
but do not start vehicle.
NOTE: The red text on the Diagnostic Display overlay
decal refers to input switches and the green text refers
to ECU outputs.
5. Make sure that the “INPUTS DISPLAYED” LED, on
lower right column of the Diagnostic Display, is illumi-
nated. If “OUTPUTS DISPLAYED” LED is illuminated,
press the toggle button on the Diagnostic Display to
change to “INPUTS DISPLAYED” LED.
CAUTION
When testing ECU inputs with the Diagnostic
Display, boom actuators may be energized caus-
ing the spray booms to move. Be cautious of po-
tential sprayer component movement while veri-
fying inputs with the Diagnostic Display.
6. The Diagnostic Display will illuminate the LED
associated with each of the inputs when that input switch
is closed. Individually, change each of the switches from
open to closed (e.g. toggle sonic mode switch), and note
that the appropriate LED on the Diagnostic Display will
illuminate when the corresponding switch is closed. Re-
peat on each switch that is possible to be changed by
hand (see Inputs and LED Operation chart on following
page).
7. If appropriate LED does not toggle on and off when
switch state is changed, check all wiring and connec-
tions to that switch and/or test switch. Replace any de-
fective switches and repair any damaged wiring.
8. After input functions testing is complete, disconnect
the Diagnostic Display connector from the harness con-
nector and plug loopback connector into wire harness.
Figure 7
Sonic Boom
System

Multi Pro 5700--DPage 7.1 -- 18Sonic Boom System (Optional Kit)
Diagnostic Display
Inputs
Diagnostic Display
LED Operation
AUTO MODE Sonic mode switch in auto position: LED ON
Sonic mode switch not in auto position: LED OFF
L RAISE Left boom actuator switch in raise position: LED ON
Left boom actuator switch not in raise position: LED OFF
LLOWER Left boom actuator switch in lower position: LED ON
Left boom actuator switch not in lower position: LED OFF
R RAISE Right boom actuator switch in raise position: LED ON
Right boom actuator switch not in raise position: LED OFF
RLOWER Right boom actuator switch in lower position: LED ON
Right boom actuator switch not in lower position: LED OFF
LNOSNSRDATA ECU has detected an invalid reading from left sensor: LED ON
Left sensor operating normally: LED OFF
L NOT TRACKING Left boom not tracking to target within 5 seconds: LED ON
Left sensor operating normally: LED OFF
RNOSNSRDATA ECU has detected an invalid reading from right sensor: LED ON
Right sensor operating normally: LED OFF
R NOT TRACKING Right boom not tracking to target within 5 seconds: LED ON
Right sensor operating normally: LED OFF
L -- SNSR FEEDBACK ECU receiving signal from left sensor: LED ON
ECU not receiving signal from left sensor: LED OFF
R -- SNSR FEEDBACK ECU receiving signal from right sensor: LED ON
ECU not receiving signal from right sensor: LED OFF
NOTE: When the vehicle ignition switch is in the OFF
position, all Diagnostic Display LED’s should be OFF.
NOTE: Initial calibration of the Sonic Boom sensors is
required for proper operation of ECU inputs. Refer to
your Sonic Boom Kit Installation Instructions for infor-
mation on initial sensor calibration.
NOTE: Right and left side Sonic Boom sensors are
identical so they can be exchanged to assist in trouble-
shooting. If a problem follows the exchanged sensor, an
electrical problem likely exists with the sensor. If the
problem remains unchanged, something other than the
sensor is the problem source (e.g. switch, circuit wiring).

Multi Pro 5700--D Page 7.1 -- 19 Sonic Boom System (Optional Kit)
Verify Diagnostic Display Output Functions
The Diagnostic Display also has the ability to detect
which output solenoids or relays are energized by the
electronic control unit (ECU). This is a quick way to de-
termine which electrical component is malfunctioning.
NOTE: An open output (e.g. an unplugged connector or
a broken wire) cannot be detected with the Diagnostic
Display.
1. Park vehicle on a level surface, stop the engine and
engage the parking brake.
2. Locate Sonic Boom System wire harness and loop-
back connector under the vehicle dash panel. Carefully
unplug loopback connector from harness connector.
3. Connect the Diagnostic Display connector to the har-
ness connector. Make sure correct overlay decal is posi-
tioned on the Diagnostic Display (see Special Tools in
this chapter).
4. Turn the ignition switch to the ON position.
NOTE: The red text on the Diagnostic Display overlay
decal refers to input switches and the green text refers
to ECU outputs.
5. Make sure that the “OUTPUTS DISPLAYED” LED,
on lower right column of the Diagnostic Display, is illumi-
nated. If “INPUTS DISPLAYED” LED is illuminated,
press the toggle button on the Diagnostic Display to
change the LED to “OUTPUTS DISPLAYED”.
NOTE: It may be necessary to toggle between “IN-
PUTS DISPLAYED” and “OUTPUTS DISPLAYED” sev-
eral times to perform the following step. To change from
inputs to outputs, press toggle button once. This may be
done as often as required. Do not press and hold
toggle button.
6. Attempt to operate the desired function of the ma-
chine. The appropriate output LED’s should illuminate
on the Diagnostic Display to indicate that the ECU is
turning on that function. The outputs can be checked
with the vehicle ignition switch in the ON position and the
engine not running.
A. If the correct output LED’s do not illuminate, verify
that the required input switches are in the necessary
positions to allow that function to occur.
B. If the output LED’s are on as specified, but the
booms do not function properly, suspect a failed
electrical component, an open in the tested circuit or
a non-electrical problem (e.g. binding of the boom
hinge). Repair as necessary.
C. If each input switch is in the correct position and
functioning correctly, but the output LED’s are not
correctly illuminated, this indicates an ECU problem.
If this occurs, contact your Toro Distributor for assis-
tance.
7. After output functions testing is complete, discon-
nect the Diagnostic Display connector from the harness
connector and plug loopback connector into wire har-
ness.
Diagnostic Display
Outputs
Diagnostic Display
LED Operation
L BOOM -- RAISE Left boom is rising: LED ON
Left boom is stationary: LED OFF
R BOOM -- RAISE Right boom is rising: LED ON
Right boom is stationary: LED OFF
POWER ON/ERROR Power to ECU: LED ON
No power to ECU: LED OFF
System error: LED flashing slowly
L BOOM MOTOR ECU output exists to energize left power switch relay: LED ON
No ECU output to left power switch relay: LED OFF
R BOOM MOTOR ECU output exists to energize right power switch relay: LED ON
No ECU output to right power switch relay: LED OFF
Sonic Boom
System

Multi Pro 5700--DPage 7.1 -- 20Sonic Boom System (Optional Kit)
Troubleshooting Chart
The chart that follows contains suggestions that can be
used to assist in diagnosing Sonic Boom System perfor-
mance issues. These suggestions are not all--inclusive.
Also, consider that there may be more than one cause
for a machine problem.
NOTE: When troubleshooting an electrical problem on
your Sonic Boom System, refer to information regarding
the sonic boom light in this section. Also, use the Diag-
nostic Display (see Special Tools in this chapter) to test
electronic control unit (ECU) inputs and outputs.
Problem Possible Cause
Sonic boom light is not illuminated. Sonic mode switch is in the OFF position.
5 amp or 10 amp fuse in sonic boom fuse block is faulty.
Electrical power from vehicle is not available (all sonic boom func-
tions are affected).
Sonic boom light or circuit wiring is faulty.
Sonic mode switch or circuit wiring is faulty.
LED on one of the sonic boom sen-
sors is not illuminated.
Sonic boom sensor or circuit wiring is faulty.
LED on both of the sonic boom sen-
sors is not illuminated.
Sonic mode switch is in the OFF position.
5 amp fuse in sonic boom fuse block is faulty.
Sonic mode switch or circuit wiring is faulty.
One of the boom actuators will not
retract.
30 amp auto resetting fuse for affected boom actuator is faulty.
Power switch relay or circuit wiring for affected boom actuator is
faulty.
One or both of the H--bridge relays or circuit wiring for the affected
boom actuator is faulty.
Boom actuator switch or circuit wiring for affected boom actuator is
faulty.
Affected boom actuator or circuit wiring is faulty.
Neither of the boom actuators will
retract.
Loop back connector is unplugged from wire harness connector.
5 amp or 10 amp fuse in sonic boom fuse block is faulty.
Electrical power from vehicle is not available (all sonic boom func-
tions are affected).
Both of the boom actuator 30 amp auto resetting fuses are faulty.
ECU or circuit wiring is faulty.

Multi Pro 5700--D Page 7.1 -- 21 Sonic Boom System (Optional Kit)
Problem Possible Cause
One of the boom actuators will not
extend.
30 amp auto resetting fuse for affected boom actuator is faulty.
Power switch relay or circuit wiring for affected boom actuator is
faulty.
Boom actuator switch or circuit wiring for affected boom actuator is
faulty.
Affected boom actuator or circuit wiring is faulty.
Neither of the boom actuators will
extend.
Loop back connector is unplugged from wire harness connector.
5 amp or 10 amp fuse in sonic boom fuse block is faulty.
Electrical power from vehicle is not available (all sonic boom func-
tions are affected).
30 amp auto resetting fuse is faulty in both boom actuators.
ECU or circuit wiring is faulty.
One of the booms does not automat-
ically follow ground irregularities.
Boom can be controlled with boom
actuator switch.
On affected boom, the sonic boom sensor cover is on sensor or is
hanging in sensor path.
On affected boom, the sensor filter is dirty or damaged.
Calibration of the Sonic Boom sensors is incorrect.
On affected boom, the sonic sensor angle needs adjustment.
Sonic sensor or circuit wiring for affected boom is faulty.
ECU or circuit wiring is faulty.
Neither boom automatically follows
ground irregularities. Booms can be
controlled with boom actuator
switches.
Sonic mode switch is not in the AUTO position.
Sonic boom sensor covers are on both sensors or are hanging in
sensor path.
The filters on both sensors are dirty or damaged.
Calibration of the Sonic Boom sensors is incorrect.
The sonic sensor angle on both booms need adjustment.
Both sonic sensors or circuit wiring are faulty.
ECU or circuit wiring is faulty.
Sonic Boom
System

Multi Pro 5700--DPage 7.1 -- 22Sonic Boom System (Optional Kit)
Service and Repairs
Sonic Mode Switch
The sonic mode switch is used as an input for the ECU
to activate the Sonic Boom System. This switch has
three (3) positions: automatic, manual and off. The sonic
mode switch is located on the console.
If the sonic mode switch is in the automatic position, the
sonic sensors will be activated to allow automatic move-
ment of the boom. The tips of the booms will remain at
a constant distance from the ground. The boom
switches can be used to raise/lower the booms when the
sonic mode switch is in the automatic position.
If the sonic mode switch is in the manual position, the
sonic sensors are disabled. The boom switches are
used to raise/lower the booms when the sonic mode
switch is in the manual position.
If the sonic mode switch is in the OFF position, the
booms will remain in position. The boom actuators will
not be energized regardless of sonic boom sensor activ-
ity or change in boom switch position.
Testing
1. Before disconnecting the sonic mode switch for test-
ing, the switch and its circuit wiring should be tested as
a ECU input with the Diagnostic Display (see Diagnostic
Display in the Troubleshooting section of this chapter).
If the Diagnostic Display verifies that the sonic mode
switch and circuit wiring are functioning correctly, no fur-
ther switch testing is necessary. If, however, the Display
determines that the sonic mode switch and circuit wiring
are not functioning correctly, proceed with test.
2. Park vehicle on a level surface, stop engine, engage
parking brake and remove key from ignition switch.
3. Disassemble console to gain access to sonic mode
switch.
4. Disconnect harness electrical connector from the
sonic mode switch.
5. The switch terminals are marked as shown in Figure
9. The circuit logic of the sonic mode switch is shown in
the chart to the right. With the use of a multimeter (ohms
setting), the switch functions may be tested to determine
whether continuity exists between the various terminals
for each switch position. Verify continuity between
switch terminals. Replace switch if testing identifies a
faulty switch.
6. If the sonic mode switch tests correctly and circuit
problem still exists, check wire harness (see Electrical
Schematic and Wire Harness Drawings in this chapter).
7. After testing is completed, connect wire harness
connector to the sonic mode switch.
1. Spray control console 2. Sonic mode switch
Figure 8
1
2
Figure 9
BACK OF SWITCH
SWITCH
POSITION
CLOSED
CIRCUITS
OPEN
CIRCUITS
AUTOMATIC 2+3
5+6
2+1
5+4
OFF NONE ALL
MANUAL 2+1
5+4
2+3
5+6

Multi Pro 5700--D Page 7.1 -- 23 Sonic Boom System (Optional Kit)
Relays
The Sonic Boom System uses six (6) identical relays to
control the boom actuators and ultimately the boom
height. Three (3) of the relays control the right actuator
and the other three (3) relays control the left actuator.
The electronic control unit (ECU) controls the operation
of the relays. The relays are located on a mounting plate
under the vehicle dash panel (Fig. 10) and can be identi-
fied by a label on the wire harness connector.
For each actuator, a power switch relay and two (2) H--
bridge relays are used. The power switch relay is ener-
gized by the ECU whenever the actuator is to be
energized to change boom height (either lowered or
raised). Both H--bridge relays are energized by the ECU
when a boom is to be raised. The energized bridge re-
lays provide current flow to the actuator so the actuator
retracts. The H--bridge relays are not energized when a
boom is to be lowered. The non--energized bridge relays
provide current flow to the actuator so the actuator ex-
tends.
Testing
1. Park vehicle on a level surface, stop engine, engage
parking brake and remove key from ignition switch.
2. Locate relay to be tested and disconnect wire har-
ness connector from relay. Remove relay from mount
plate for testing.
NOTE: Prior to taking small resistance readings with a
digital multimeter, short the meter test leads together.
The meter will display a small resistance value (usually
0.5 ohms or less). This resistance is due to the internal
resistance of the meter and test leads. Subtract this val-
ue from from the measured value of the component you
are testing.
3. Using a multimeter, verify that coil resistance be-
tween terminals 85 and 86 is from 71 to 88 ohms.
4. Connect multimeter (ohms setting) leads to relay ter-
minals 30 and 87. Ground terminal 86 and apply +12
VDC to terminal 85. The relay terminals 30 and 87
should have continuity as +12 VDC is applied to terminal
85. The relay terminals 30 and 87 should not have conti-
nuity as +12 VDC is removed from terminal 85.
5. Disconnect voltage from terminal 85 and multimeter
lead from terminal 87.
6. Connect multimeter (ohms setting) leads to relay ter-
minals 30 and 87A. With terminal 86 grounded, apply
+12 VDC to terminal 85. The relay terminals 30 and 87A
should not have continuity as +12 VDC is applied to ter-
minal 85. The relay terminals 30 and 87A should have
continuity as +12 VDC is removed from terminal 85.
7. Disconnect voltage and multimeter test leads from
the relay terminals. Replace relay if necessary.
8. Secure relay to mount plate and connect wire har-
ness connector to relay.
1. Mount plate
2. Electronic control unit
3. Sonic boom fuse block
4. Relay (6 used)
5. Cap screw (4 used)
6. Lock washer (4 used)
7. Nut (4 used)
Figure 10
2
3
6
1
5
7
4
Figure 11
86
85
87A 87
30
2
134
1. Coil terminal
2. Common terminal
3. Normally closed term.
4. Normally open term.
1
Sonic Boom
System

Multi Pro 5700--DPage 7.1 -- 24Sonic Boom System (Optional Kit)
Electronic Control Unit (ECU)
The Sonic Boom System uses an electronic control unit
(ECU) to control electrical system operation. The ECU
is attached to a mounting plate under the vehicle dash
panel (Fig. 12).
Power is provided to the ECU when the vehicle ignition
switch is ON. A 5 amp fuse provides circuit protection for
this logic power to the ECU. The fuse is located in the
Sonic Boom System fuse block.
The ECU monitors the states of the following compo-
nents as inputs: the sonic mode switch, the two (2) boom
actuator switches and the two (2) boom sonic sensors.
The ECU controls electrical output to the sonic boom
light and the six (6) relays that are part of the Sonic
Boom System. Circuit protection for the ECU outputs is
provided by a 10 amp fuse located in the Sonic Boom
System fuse block.
Because of the solid state circuitry built into the ECU,
there is no method to test it directly. The ECU may be
damaged if an attempt is made to test it with an electrical
test device (e.g. digital multimeter or test light).
IMPORTANT: Before performing welding on the ma-
chine, disconnect both cables from the battery and
disconnect wire harness connector from the ECU.
These steps will prevent damage to the machine
electrical system.
1. Mount plate
2. Electronic control unit
3. Sonic boom fuse block
4. Relay (6 used)
Figure 12
2
3
1
4

Multi Pro 5700--D Page 7.1 -- 25 Sonic Boom System (Optional Kit)
Sonic Sensor
Two (2) identical sonic sensors are used in the Sonic
Boom System. The sensors are mounted to the spray
booms (Fig. 13). During sprayer operation with the sonic
mode switch in the automatic position, the sonic sensors
will provide inputs for the electronic control unit (ECU)
to keep the booms at a constant distance from the
ground.
During sprayer operation, the sonic boom sensor con-
tinually sends an impulse signal and then receives an
echo as the signal bounces off the turf. The ECU estab-
lishes the sensor distance from the ground based on the
time between the sensor signal generation and the re-
ceived echo. The ECU then determines if the boom
height is different than the calibrated height and, if nec-
essary, energizes the appropriate boom actuator to
change the boom height.
Sensors and protection tubes should be rotated above
parallel with the ground for proper sonic sensor opera-
tion. Refer to the Sonic Boom Kit Installation Instructions
for sonic sensor setup information.
The sonic sensor includes a LED that should be illumi-
nated during sprayer operation regardless of whether
the sonic mode switch is in manual or automatic mode.
The intensity of the LED can be used to assure that the
sensor is properly adjusted on the spray boom.
The sonic sensors and their circuit wiring can be tested
as ECU inputs with the Diagnostic Display (see Diag-
nostic Display in the Troubleshooting section of this
chapter). Because of the solid state circuitry built into the
sensors, there is no method to test them directly. The
sensors may be damaged if an attempt is made to test
them with an electrical test device (e.g. digital multime-
ter or test light)
IMPORTANT: Do not spray water at or on the sen-
sors. Water sprayed under even household pres-
sure can damage the sensor. Always install sensor
cover (item 7) on sensor before washing the spray-
er. Also, install cover when sprayer is not in use.
As required, use a damp cloth to clean the sensors.
Make sure that the sensor covers (item 7) are clean and
dry before installing them on sensors.
The patch (item 13) that is adhered to the sensor is de-
signed to allow moisture to escape from inside the sen-
sor housing. The patch should be replaced if it is
deteriorated or has loosened from the sensor.
Inspect the foam sensor filter (item 11) for damage or ex-
cessive debris buildup. Replace filter if necessary.
1. Sonic sensor
2. Sensor bracket
3. Screw (2 used)
4. Protection tube
5. U--bolt (4 used)
6. Lock nut (8 used)
7. Sensor cover
8. Spray boom (RH shown)
9. Lock washer (2 used)
10. Nut (2 used)
11. Foam sensor filter
12. Sensor shield
13. Patch
Figure 13
2
3
6
8
910
1
5
7
4
11
12
13
Sonic Boom
System
Multi Pro 5700--DPage 7.1 -- 26Sonic Boom System (Optional Kit)
This page is intentionally blank.

Rev. D
Multi Pro 5700--D Electrical DiagramsPage 8 -- 1
Chapter 8
Electrical Diagrams
Table of Contents
ELECTRICAL SCHEMATICS
Vehicle Electrical Schematic 3...................
Spray System Electrical Schematic (Serial
Number Below 260000000) 4..................
Spray System Electrical Schematic (Serial
Number Above 260000000) 5.................
CIRCUIT DIAGRAMS
Glow Plug Circuit 6............................
Start Circuit 7.................................
Run Circuit 8..................................
Cruise Control Circuit 9.........................
WIRE HARNESS DRAWINGS
Vehicle Wire Harness (Serial Number Below
240000300) 10...............................
Vehicle Wire Harness (Serial Number From
240000300 to 290999999) 12..................
Vehicle Wire Harness (Serial Number Above
310000000) 14...............................
Spray System Wire Harness (Serial Number
Below 260000000) 16........................
Spray System Wire Harness (Serial Number
From 260000001 to 270999999) 18............
Spray System Wire Harness (Serial Number
From 280000001 to 290999999) 20............
Spray System Wire Harness (Serial Number
Above 310000000) 22........................
Electrical
Drawings
This page is intentionally blank.
Electrical Diagrams Page 8 – 2 Multi Pro 5700–D

Page 8 – 3
Rev. A
Multi Pro 5700–D
All relays and solenoids
are shown as de–energized.
R
R
R
R
B
G
BK
PK
7 8 BU
BN/W
BN/W
R
GY
GY
PK
+12V
LAMP
BU
W
R
GN/R
BU
OR
OVER
TEMP
BK
F 8
F7 20A
F6 15A
F5 15A
F 3
F2 10A
F4 10A
F 1 15 A
GY
GY
THE ENGINE GROUND
ENGINE
VIO/W
R
FL1
FL2
R/BK
R/W
R
W
BK
GN/R
R/BK
R/W
R/BK
VIO/W
VIO
GN/R
OR
BK
OR
BN
ENGINE
VIO
BK
BU
BU
GY
GY
(+) (–)
BK
ACCESSORY
BOOM LIFT
ACCESSORY
PK
OR
GROUND
FL3
VIO VIO
R
R/BK
R/BK
HEAD LIGHTS
OR
GROUND
GLOW
BU
R/BK
Y
OR
GLOW
PLUG
LAMP
GN/R
BN
BN
BN
(LOW PRESSURE)
OIL
PRES
GN/R
SOLENOID
(–)
HR
(+)
ALL MAIN HARNESS GROUND POINTS
FRAME
B
VIO/W
(D2)
DIODE
FUSIBLE LINK
FUSIBLE LINK HARNESS
OR
(PULL)
R/BK
(HOLD)
R/BK
R/BK
CRUISE SWITCH
ENGAGE: 2&3; 5&6
OFF: NONE
ENGINE
FOAM MARKER
GROUND
PROTECTION
VIO/W
LIGHT SWITCH
RUN SOLENOID
GN/R
VIO/W
OR ON: 2&3
(NO)
1 2
1 2
B
L
Y
A
S
I
X
B
OFF RUN
IGNITION SWITCH
3
2
5
6
30
85
87
86
87a
GLOW PLUGS (3)
Start
B+
4
5
6
1
2
3
GLOW PLUG
CONTROLLER
1 2
30
8586
87
(NOT IN NEUTRAL)
(BRAKE APPLIED)
Vehicle Electrical Schematic
15 A
GLOW RELAY
BATTERY
SPRAY SYSTEM
FUEL PUMP
START TEMP.
CONNECTED TOGETHER AND TO
NEGATIVE BATTERY CABLE
CRUISE CONTROL COIL
PARKING BRAKE
OIL PRESSURE SWITCH
ENGINE OVER TEMP.
BATT.
MARKED AS BLACK WIRE ARE
STARTER
POSITIVE BATTERY CABLE
ALTERNATOR
(TEMPERATURE)
START
KUBOTA
NEUTRAL SWITCH
CRUISE RELAY

16
14
12
11
BK
8 7
R
8
BN
BN
BK
BN PK BU R
8 7
Y
BK
7 7 8
10
13
15
W BK
BN
PK
PK
8 8 7
R
R
OR GN
BK
BK
BK
GN
BK
BK
BK
1
2
3
4
5
6
7
8
9
BK
R
BK
2 1
R
R/BK
R
BU/R
R
OR/W
7
PK
GN/W
VIO/W
PK
R
BK
R
BK R
R
BK
BU/PK R/BK
OR
BOOM LIFT
RH SWITCH
8
BK
R
PK/W
PRO–CONTROL
(+) (–)
PK/BK
1
2
3
BK
BU/W
BK
BK
OR/BK
OR/BK
BK
BK
BN
GN/BK
GN/BK
VIO/BK
BK
7
BN VIO/BK
BK
BK
SWITCH
R
BK
R
R
Y/R GN/R
R
R/BU
BU/PK
BK
BOOM
LS LIFT
BU
BK R/BK
BK
BU
BOOM LIFT
LH SWITCH
Y
LH FOAM
SOLENOID RH FOAM
SOLENOID
BK
BU/GY
R/W
BK
BK
BOOM FOAM
LH SWITCH
W/BK
W/BK
1 2
FOAM
COMPRESSOR
W/BK
6
8
5
7
43
21
R BU/W
BN/W
BU/BK BK
BK
R
PK
BK
BK
BU/R
BK
2 1
2 1
2 1
2 1
BOOM LIFT
FOAM MARKER
GN/W
BK
BK
VIO/W
VIO/BK
SWITCH
Y/BU
Y/BU
PK/BU
1
3
2
R/W
BU/BK OR/BK
BU/BK
LS BOOM SWITCH CTR. BOOM SWITCH
OR/W
GN/BK
RT BOOM SWITCH
30
85
87
86
87a
BK
BK
PUMP
SWITCH
1 2
BOOM
RS LIFT
1 2
MASTER
FOAM
W/BK
BOOM FOAM
RH SWITCH
BU/GY
MASTER BOOM
FOOT SWITCH
5
2 3
6
4
1
R
5
2 3
6
4
1
5
2 3
6
4
1
5
2 3
6
4
1
5
2 3
6
4
1
5
2 3
6
4
1
30
85
87
86
87a
5
2 3
6
4
1
5
2 3
6
4
1
5
2 3
6
4
1
5
2 3
6
4
1
(OPTIONAL)
(OPTIONAL) (OPTIONAL)
SOLENOID
ACCESSORY
ACCESSORY
(NOT ENERGIZED)
DISABLE
CONTROL
MANUAL
CENTER BOOM
RIGHT BOOM
LEFT BOOM
+12V
FLOW GND
FLOW V+
FLOW SIG
PUMP SW
1
2
3
4
5
6
7
8
9
10
11
12
13
14
15
16
(OPTIONAL)
(OFF) (OFF) (OFF) (OFF) (OFF)
AGITATION
RELAY
FUSE BLOCK 4 WAY
SPRAY SYSTEM
RATE
SPRAY VALVE SPRAY VALVE SPRAY VALVE
INTERFACE
VLV SIG
VLV GND
BATT GND
VLV SIG
VLV GND
RATE +
RATE –
AGITATION
BATT V+
SPEED FLOW PWM LEFT SPRAY CENTER SPRAY RIGHT SPRAY AGITATION RELAY
SENSOR METER CONTROL VALVE VALVE VALV E VALVE SWITCH K1 K2
(OPTIONAL)
Page 8 – 4
Rev. A
All relays and solenoids
are shown as de–energized.
All ground wires are black.
(OPTIONAL) (OPTIONAL) SOLENOID
(OPTIONAL)
Multi Pro 5700–D
Spray System
Electrical Schematic
(Serial Number Below 260000000)

Page 8 – 5
Rev. A
Electrical Schematic
Multi Pro 5700–D
All relays and solenoids
are shown as de–energized.
All ground wires are black.
Spray System
(Serial Number Above 260000000)

Glow Plug Circuit
Multi Pro 5700–D
R
R
R
R
B
G
BK
PK
7 8 BU
BN/W
BN/W
R
GY
GY
PK
+12V
LAMP
BU
W
R
GN/R
BU
OR
OVER
TEMP
BK
F 8
F7 20A
F6 15A
F5 15A
F 3
F2 10A
F4 10A
F 1
GY
GY
THE ENGINE GROUND
ENGINE
VIO/W
R
FL1
FL2
R/BK
R/W
R
W
BK
GN/R
R/BK
R/W
R/BK
VIO/W
VIO
GN/R
OR
BK
OR
BN
ENGINE
VIO
BK
BU
BU
GY
GY
(+) (–)
BK
ACCESSORY
BOOM LIFT
ACCESSORY
PK
OR
GROUND
FL3
VIO VIO
R
R/BK
R/BK
HEAD LIGHTS
OR
GROUND
GLOW
BU
R/BK
Y
OR
GLOW
PLUG
LAMP
GN/R
BN
BN
BN
(LOW PRESSURE)
OIL
PRES
GN/R
SOLENOID
(–)
HR
(+)
ALL MAIN HARNESS GROUND POINTS
FRAME
B
VIO/W
(D2)
DIODE
FUSIBLE LINK
FUSIBLE LINK HARNESS
OR
(PULL)
R/BK
(HOLD)
R/BK
R/BK
CRUISE SWITCH
ENGAGE: 2&3; 5&6
OFF: NONE
ENGINE
FOAM MARKER
GROUND
PROTECTION
VIO/W
LIGHT SWITCH
RUN SOLENOID
GN/R
VIO/W
OR ON: 2&3
(NO)
1 2
1 2
B
L
Y
A
S
I
X
B
OFF RUN
IGNITION SWITCH
3
2
5
6
30
85
87
86
87a
GLOW PLUGS (3)
Start
B+
4
5
6
1
2
3
GLOW PLUG
CONTROLLER
1 2
30
8586
87
(IN NEUTRAL)
(ENERGIZED)
(NOT ENERGIZED)
(NOT ENERGIZED)
(BRAKE APPLIED)
15 A
15 A
GLOW RELAY
BATTERY
SPRAY SYSTEM
FUEL PUMP
START TEMP.
CONNECTED TOGETHER AND TO
NEGATIVE BATTERY CABLE
CRUISE CONTROL COIL
PARKING BRAKE
OIL PRESSURE SWITCH
ENGINE OVER TEMP.
BATT.
MARKED AS BLACK WIRE ARE
STARTER
POSITIVE BATTERY CABLE
ALTERNATOR
(TEMPERATURE)
START
KUBOTA
NEUTRAL SWITCH
CRUISE RELAY
Power Current
Control Current
Indicator/Gauge Current
Page 8 – 6
Rev. A

Start Circuit
Multi Pro 5700–D
R
R
R
R
B
G
BK
PK
7 8 BU
BN/W
BN/W
R
GY
GY
PK
+12V
LAMP
BU
W
R
GN/R
BU
OR
OVER
TEMP
BK
F 8
F7 20A
F6 15A
F5 15A
F 3 15 A
F2 10A
F4 10A
F 1
GY
GY
THE ENGINE GROUND
ENGINE
VIO/W
R
FL1
FL2
R/BK
R/W
R
W
BK
GN/R
R/BK
R/W
R/BK
VIO/W
VIO
GN/R
OR
BK
OR
BN
ENGINE
VIO
BK
BU
BU
GY
GY
(+) (–)
BK
ACCESSORY
BOOM LIFT
ACCESSORY
PK
OR
GROUND
FL3
VIO VIO
R
R/BK
R/BK
HEAD LIGHTS
OR
GROUND
GLOW
BU
R/BK
Y
OR
GLOW
PLUG
LAMP
GN/R
BN
BN
BN
(LOW PRESSURE)
OIL
PRES
GN/R
SOLENOID
(–)
HR
(+)
ALL MAIN HARNESS GROUND POINTS
FRAME
B
VIO/W
(D2)
DIODE
FUSIBLE LINK
FUSIBLE LINK HARNESS
OR
(PULL)
R/BK
(HOLD)
R/BK
R/BK
CRUISE SWITCH
ENGAGE: 2&3; 5&6
OFF: NONE
ENGINE
FOAM MARKER
GROUND
PROTECTION
VIO/W
LIGHT SWITCH
RUN SOLENOID
GN/R
VIO/W
OR ON: 2&3
(NO)
1 2
1 2
B
L
Y
A
S
I
X
B
OFF RUN
IGNITION SWITCH
3
2
5
6
30
85
87
86
87a
GLOW PLUGS (3)
Start
B+
4
5
6
1
2
3
GLOW PLUG
CONTROLLER
1 2
30
8586
87
(IN NEUTRAL)
(ENERGIZED)
(NOT ENERGIZED)
(NOT ENERGIZED)
(BRAKE APPLIED)
15 A
GLOW RELAY
BATTERY
SPRAY SYSTEM
FUEL PUMP
START TEMP.
CONNECTED TOGETHER AND TO
NEGATIVE BATTERY CABLE
CRUISE CONTROL COIL
PARKING BRAKE
OIL PRESSURE SWITCH
ENGINE OVER TEMP.
BATT.
MARKED AS BLACK WIRE ARE
STARTER
POSITIVE BATTERY CABLE
ALTERNATOR
(TEMPERATURE)
START
KUBOTA
NEUTRAL SWITCH
CRUISE RELAY
Power Current
Control Current
Indicator/Gauge Current
Page 8 – 7
Rev. A

Run Circuit
Multi Pro 5700–D
R
R
R
R
B
G
BK
PK
7 8 BU
BN/W
BN/W
R
GY
GY
PK
+12V
LAMP
BU
W
R
GN/R
BU
OR
OVER
TEMP
BK
F7 20A
F6 15A
F5 15A
F 3 15 A
F2 10A
F4 10A
F 1
GY
GY
THE ENGINE GROUND
ENGINE
VIO/W
R
FL1
FL2
R/BK
R/W
R
W
BK
GN/R
R/BK
R/W
R/BK
VIO/W
VIO
GN/R
OR
BK
OR
BN
ENGINE
VIO
BK
BU
BU
GY
(+) (–)
BK
BOOM LIFT
ACCESSORY
PK
OR
GROUND
FL3
VIO VIO
R
R/BK
R/BK
HEAD LIGHTS
OR
GROUND
GLOW
BU
R/BK
Y
OR
GLOW
PLUG
LAMP
GN/R
BN
BN
BN
(LOW PRESSURE)
OIL
PRES
GN/R
SOLENOID
(–)
HR
(+)
ALL MAIN HARNESS GROUND POINTS
FRAME
B
VIO/W
(D2)
DIODE
FUSIBLE LINK
FUSIBLE LINK HARNESS
OR
(PULL)
R/BK
(HOLD)
R/BK
R/BK
CRUISE SWITCH
ENGAGE: 2&3; 5&6
OFF: NONE
ENGINE
FOAM MARKER
GROUND
PROTECTION
VIO/W
LIGHT SWITCH
RUN SOLENOID
GN/R
VIO/W
OR ON: 2&3
(NO)
1 2
1 2
B
L
Y
A
S
I
X
B
OFF RUN
IGNITION SWITCH
3
2
5
6
30
85
87
86
87a
GLOW PLUGS (3)
Start
B+
4
5
6
1
2
3
GLOW PLUG
CONTROLLER
1 2
30
8586
87
(NOT ENERGIZED)
(NOT IN NEUTRAL)
(NOT ENERGIZED)
(ENERGIZED)
15 A
GLOW RELAY
BATTERY
SPRAY SYSTEM
FUEL PUMP
START TEMP.
CONNECTED TOGETHER AND TO
NEGATIVE BATTERY CABLE
CRUISE CONTROL COIL
PARKING BRAKE
OIL PRESSURE SWITCH
ENGINE OVER TEMP.
BATT.
MARKED AS BLACK WIRE ARE
STARTER
POSITIVE BATTERY CABLE
ALTERNATOR
(TEMPERATURE)
START
KUBOTA
NEUTRAL SWITCH
CRUISE RELAY
(BRAKE NOT APPLIED)
F 8
GY ACCESSORY
Power Current
Control Current
Indicator/Gauge Current
Page 8 – 8
Rev. A

Cruise Control Circuit
Multi Pro 5700–D
R
R
R
R
B
G
BK
PK
7 8 BU
BN/W
BN/W
R
GY
GY
PK
+12V
LAMP
BU
W
R
GN/R
BU
OR
OVER
TEMP
BK
F7 20A
F6 15A
F5 15A
F 3
F2 10A
F4 10A
F 1
GY
GY
THE ENGINE GROUND
ENGINE
VIO/W
R
FL1
FL2
R/BK
R/W
R
W
BK
GN/R
R/BK
R/W
R/BK
VIO/W
VIO
GN/R
OR
BK
OR
BN
ENGINE
VIO
BK
BU
BU
GY
(+) (–)
BK
BOOM LIFT
ACCESSORY
PK
OR
GROUND
FL3
VIO VIO
R
R/BK
R/BK
HEAD LIGHTS
OR
GROUND
GLOW
BU
R/BK
Y
OR
GLOW
PLUG
LAMP
GN/R
BN
BN
BN
(LOW PRESSURE)
OIL
PRES
GN/R
SOLENOID
(–)
HR
(+)
ALL MAIN HARNESS GROUND POINTS
FRAME
B
VIO/W
(D2)
DIODE
FUSIBLE LINK
FUSIBLE LINK HARNESS
OR
(PULL)
R/BK
(HOLD)
R/BK
R/BK
CRUISE SWITCH
ENGAGE: 2&3; 5&6
OFF: NONE
ENGINE
FOAM MARKER
GROUND
PROTECTION
VIO/W
LIGHT SWITCH
RUN SOLENOID
GN/R
VIO/W
OR ON: 2&3
(NO)
1 2
1 2
B
L
Y
A
S
I
X
B
OFF RUN
IGNITION SWITCH
3
2
5
6
30
85
87
86
87a
GLOW PLUGS (3)
Start
B+
4
5
6
1
2
3
GLOW PLUG
CONTROLLER
1 2
30
8586
87
(NOT ENERGIZED)
(NOT IN NEUTRAL)
(ENERGIZED)
(ENERGIZED)
(ENERGIZED)
15 A
15 A
GLOW RELAY
BATTERY
SPRAY SYSTEM
FUEL PUMP
START TEMP.
CONNECTED TOGETHER AND TO
NEGATIVE BATTERY CABLE
CRUISE CONTROL COIL
PARKING BRAKE
OIL PRESSURE SWITCH
ENGINE OVER TEMP.
BATT.
MARKED AS BLACK WIRE ARE
STARTER
POSITIVE BATTERY CABLE
ALTERNATOR
(TEMPERATURE)
START
KUBOTA
NEUTRAL SWITCH
CRUISE RELAY
(BRAKE NOT APPLIED)
F 8
GY ACCESSORY
Power Current
Control Current
Indicator/Gauge Current
Page 8 – 9
Rev. A

Page 8 – 10
Rev. A
Multi Pro 5700–D
Vehicle Wire Harness
(Serial Number Below 240000300)

Page 8 – 11
Rev. A
Multi Pro 5700–D
Vehicle Wire Harness
(Serial Number Below 240000300)
PINK
GREEN/RED
GRAY
BLACK
WHITE
ORANGE
WHITE
PINK
GREEN/RED
GREEN/RED
GREEN/RED
GREEN/RED
GRAY
GRAY
GRAY
RED
BLACK
RED
RED
VIOLET/WHITE
VIOLET/WHITE
PINK
RED
ORANGE
RED/BLACK
RED/BLACK
RED/BLACK
RED/BLACK
VIOLET
RED/BLACK
BLACK
BLACK
BLACK
BLACK
ORANGE
BLACK
VIOLET/WHITE
VIOLET/WHITE
RED/WHITE
BLACK
BLACK
BLACK
BROWN
BLUE
BLUE
BROWN
BROWN
BROWN
BLUE
BLUE
PINK
RED
RED/WHITE
BLUE
BLACK
BROWN/WHITE
GREEN/RED
BROWN
GREEN/RED
BLACK
RED/BLACK

Rev. D
Page 8 -- 12
Multi Pro 5700--D
Vehicle Wire Harness
(Serial Number From 240000300 to 290999999)
(SERIAL NUMBERS
ABOVE 280000000)

Rev. D
Page 8 -- 13
Multi Pro 5700--D
Vehicle Wire Harness
(Serial Number From 240000300 to 290999999)
BLACK
PINK
YELLOW
WHITE
RED
GREEN/RED
GREEN/RED
GREEN/RED
GREEN/RED
RED
PINK
PINK
BLACK
GREEN/RED
VIOLET/WHITE
PINK
PINK
BLUE
BLACK
BLUE
VIOLET/WHITE
BLACK
BLUE
BROWN
YELLOW
BROWN
BROWN
BLACK
ORANGE
RED
RED/WHITE
RED/WHITE
RED/WHITE
BLACK
ORANGE
RED/WHITE
BLACK
BROWN/WHITE
ORANGE
ORANGE
BLACK
BLACK
BLUE
RED
BLACK
GREEN/RED
BLACK
BLACK
BROWN
RED/BLACK
RED/BLACK
GREEN/RED
BLACK
VIOLET
RED/BLACK
RED/BLACK
RED/BLACK
RED/BLACK
VIOLET/WHITE
RED
VIOLET/WHITE
ORANGE
WHITE
RED

Rev. D
Page 8 -- 14
Multi Pro 5700--D
Vehicle Wire Harness
(Serial Number Above 310000000)

Rev. D
Page 8 -- 15
Multi Pro 5700--D
Vehicle Wire Harness
(Serial Number Above 310000000)
GREEN/RED
PINK
BLACK
PINK
RED
RED
GREEN/RED
GREEN/RED
GREEN/RED
GREEN/RED
GREEN/RED
BLACK
ORANGE
FUSIBLE LINK
ORANGE
RED
YELLOW
PINK
ORANGE
ORANGE
VIOLET/WHITE
BLACK
BLUE
BLUE BLUE
BROWN
BROWN
BROWN
BLACK
YELLOW
BLUE
WHITE
BLACK
VIOLET/WHITE
VIOLET/WHITE
RED/WHITE
ORANGE
ORANGE
RED/WHITE
RED/WHITE
RED/WHITE
BLACK
BLACK
BLACK
ORANGE
BLACK
BROWN/WHITE
RED
RED
BLACK
BLACK
BLACK
BLACK
RED/BLACK
BROWN
VIOLET/WHITE
RED/BLACK
RED/BLACK
RED/BLACK
WHITE
RED
RED/BLACK
VIOLET
GREEN/RED
RED/BLACK

Rev. D
Page 8 -- 16
Multi Pro 5700--D
Spray System Wire Harness
(Serial Number Below 260000000)

Rev. D
Page 8 -- 17
Multi Pro 5700--D
Spray System Wire Harness
BLACK
RED
PINK
BLUE
RED
RED
BLUE/PINK
BLUE/RED
RED/BLUE
VIOLET/BLACK
VIOLET/BLACK
BLUE/RED
RED/BLUE
RED
BLACK
REDREDRED
RED
RED
VIOLET/
BLACK
VIOLET/
WHITE
GREEN/ BLUE/
RED
BLACK BLACK BLACK
RED
VIOLET/WHITE
VIOLET/BLACK
GREEN/RED
YELLOW/RED
YELLOW/BLUE
BLACK
RED
BROWN BROWN BROWN
PINKPINK
BLACK BLACK
ORANGE/WHITE
ORANGE/BLACK
BLUE/WHITE
BLUE/BLACK
ORANGE/
BLACK
GREEN/BLACK
BLKBLK
BLKBLK
BLUE/
BLACK
RED
RED
BLACK
BLACK
BLACK
PINK
BLACK
BL/
BLK
OR/
BLK
YEL/
BLK
RED
GN/
WH GN/
BLK
GN/
BLK VIO/
BLK
BLUE
ORANGE
RED/BLACK
GREENBLUE
BLACK
GREEN
YELLOW
YEL
RED/WHITE
RED/BLACK
OR
BLACK
BLUE/GRAY
BLACK
BLACK
BLUE/GRAY
WHITE/
BLACK
BLACK
BLACK
WHITE/
BLACK
RED/WHITE
WHITE/
BLACK
YEL/
BLU
RED/
WH
RED/
WH
BLACK
YELLOW
BROWN
BLACK
BLACK
BLACK
BLACK
PINK
RED
RED
BLUE
ORANGE
YELLOW
VIOLET/BLACK
BLUE/PINK
GREEN
YELLOW/BLUE
BLACK
BLUE/GRAY
BLACK
VIOLET/WHITE
VIOLET/BLK
GREEN/BLK
GREEN/BLK
GREEN/WHITE
ORANGE/WHITE
ORANGE/BLK ORANGE/
BLACK
BLUE/WHITE
BLUE/BLK BLUE/BLK
BLUE/RED
BROWN/WHITE
WHITE
BLACK
PINK/WHITE
PINK/BLK
RED
BLUE/PINK
PINK/BLUE
BLACK
ORANGE/BLACK
BLACK
WHITE
GREEN/RED
RED/BLUE
BROWN/WHITE
BLUE/BLACK
YELLOW/RED
GREEN/BLACK
RED
RED/WHITE
RED/BLACK
RED
BLACK
(Serial Number Below 260000000)

Rev. D
Page 8 -- 18
Multi Pro 5700--D
SpraySystemWireHarness
(Serial Number From 260000001 to 270999999)

Rev. D
Page 8 -- 19
Multi Pro 5700--D
SpraySystemWireHarness
(Serial Number From 260000001 to 270999999)
PINK
BLACK
PINK
PINK
BLUE
PINK
BLUE/BLACK
BROWN
PINK
BLACK
RED/WHITE
BROWN
RED/WHITE
BLACK
RED/WHITE
BROWN
BLACK
PINK
YELLOW
BL/
BLK
BLK
BLK
OR/BLK
GREEN/BLK
PINK
ORANGE/BLACK
GREEN/BLACK
VIOLET/BLACK
BROWN/WHITE
PINK
BLACK
PINK/BLUE
PINK/WHITE
PINK/BLACK
BLUE/BLACK
BLUE/WHITE
ORANGE/BLACK
ORANGE/WHITE
GREEN/RED
GREEN/BLACK
YELLOW
YELLOW/RED
GREEN/WHITE
VIOLET/BLACK
BLUE/PINK
BLUE/RED
GREEN/BLACK
ORANGE/
BLACK
VIOLET/BLACK
BLACK
YELLOW/BLUE
BLACK
BLACK
BLACK
BLUE/GREEN
BLUE/BLACK
WHITE/BLACK
BLACK
BLACK
BLACK
WHITE/BLACK
ORANGE
ORANGE ORANGE
ORANGE
TAN
BLUE
BLACK
BLACK
BLACK
BLACK
GREEN
YELLOW
YELLOW
GREEN
YELLOW
GREEN
RED
BLACK
BLACK
BLACK
BLACK
BLACK
WHITE/BLACK
BLUE/GREEN
YELLOW/BLUE
BLACK
RED
YELLOW
ORANGE
BLACK
BLACK
PINK
RED
RED
WHITE
RED/BLUE
YELLOW
WHITE/BLACK
YELLOW
WHITE
BLUE
BLUE
BLUE
WHITE
YELLOW
BLUE/PINK
BLACK
PINK
VIOLET/WHITE
PINK
BLACK
VIOLET/WHITE
VIOLET/BLACK
VIOLET/BLACK
BLACK
PINK
BLACK
BLACK
BLACK
BLACK
BLACK
GN/RED
YELLOW/RED
BLUE/BLACK

Rev. D
Page 8 -- 20
Multi Pro 5700--D
SpraySystemWireHarness
(Serial Number From 280000001 to 290999999)

Rev. D
Page 8 -- 21
Multi Pro 5700--D
Spray System Wire Harness
(Serial Number From 280000001 to 290999999)
YELLOW
BLACK
BLACK
BLACK
BLACK
ORANGE
GREEN
RED
GREEN
GREEN
YELLOW
YELLOW
TAN
ORANGE
BLUE
ORANGE
ORANGE
BLACK
BLACK
BLACK
BLACK
BLACK
RED
YELLOW
ORANGE
WHITE
WHITE
RED
RED
BLUE
BLUE
BLACK
BLACK
WHITE
BLUE
BLACK
YELLOW
RED
BLUE
YELLOW
YELLOW
BROWN
RED
YELLOW
YELLOW
BLUE/PINK
BLACK
RED
BLACK
BLUE
BLACK
BROWN
RED
BLACK
BLUE
BROWN
RED/BLUE
PINK
PINK
VIOLET/BLACK
BLACK
VIOLET/BLACK
VIOLET/WHITE
BLACK
YELLOW/RED
PINK
GREEN/
RED
PINK
BLACK
BLACK
PINK
BLACK
GREEN/BLACK
BLACK
PINK
PINK
BLACK
BROWN
RED/WHITE
ORANGE/BLACK
PINK
BLACK
BROWN
RED/WHITE
BLACK
BLUE/BLACK
PINK
BROWN
PINK
PINK
BLUE
YELLOW
BLACK
RED/WHITE
BLUE/BLACK
ORANGE/BLACK
BROWN/WHITE
VIOLET/BLACK
GREEN/BLACK
YELLOW/RED
GREEN/RED
BLACK
BLACK
BLACK
BLACK
BLUE/RED
BLUE/PINK
PINK
BLACK
BLUE/BLACK
BLUE/WHITE
ORANGE/BLACK
ORANGE/WHITE
GREEN/BLACK
BLUE/BLACK
ORANGE/BLACK
GREEN/BLACK
GREEN/WHITE
VIOLET/BLACK
VIOLET/WHITE
VIOLET/BLACK
PINK/BLUE
PINK/WHITE
PINK/BLACK
BLACK
CLEAR
SHIELD
BLACK
CLEAR
SHIELD

Rev. D
Page 8 -- 22
Multi Pro 5700--D
Spray System Wire Harness
(Serial Number Above 310000000)

Rev. D
Page 8 -- 23
Multi Pro 5700--D
Spray System Wire Harness
(Serial Number Above 310000000)
BROWN
YELLOW
ORANGE
YELLOW
BLACK
BLACK
ORANGE
TAN
BLUE
ORANGE
BLACK
BLACK
GREEN
GREEN
GREEN
YELLOW
YELLOW
BLACK
ORANGE
RED
YELLOW
BLACK
RED
RED
BLACK
BLACK
WHITE
BLUE
WHITE
BLACK
BLACK
BLUE
BLUE
WHITE
BLACK
RED
YELLOW
BROWN
YELLOW
RED
YELLOW
BLUE
RED
BLACK
BLUE
BROWN
BLACK
BLUE
BLACK
BROWN
RED
BLACK
PINK
BLACK
PINK
RED/BLUE
BLACK
BLACK
PINK
YELLOW/RED
BLUE/PINK
BLUE/PINK
BLACK
VIOLET/BLACK
VIOLET/BLACK
VIOLET/WHITE
PINK
PINK
BLACK
BLACK
PINK
PINKPINK
BLACK
GREEN/BLACK
BLACK
RED/WHITE
ORANGE/BLACK
BLACK
BLACK
BLUE/BLACK
BROWN
PINK
YELLOW
BLUE
RED/WHITE
BLACK
BLACK
BROWN
RED/WHITE
BLUE/BLACK
PINK
BLACK
BLACK
PINK
BLACK
ORANGE/BLACK
BROWN/WHITE
GREEN/BLACK
BLACK
SHIELD
CLEAR
PINK
RED
VIOLET/BLACK
YELLOW/RED
GREEN/RED
BLACK
ORANGE
YELLOW
BLACK
SHIELD
CLEAR
PINK/BLUE
PINK/WHITE
PINK/BLACK
BLUE/RED
BLUE/BLACK
BLUE/BLACK
BLUE/WHITE
ORANGE/BLACK
ORANGE/BLACK
ORANGE/WHITE
GREEN/BLACK
GREEN/BLACK
GREEN/WHITE
VIOLET/BLACK
VIOLET/BLACK
VIOLET/WHITE
GREEN/
RED
Rev. D
Page 8 -- 24
This page is intentionally blank.