Toro 1028 Users Manual
1130 1130 TROYBILT SNOW THROWER - Manuals and Guides L0503316 View the owners manual for your TROYBILT SNOW THROWER #1130. Home:Lawn & Garden Parts:Troybilt Parts:Troybilt SNOW THROWER Manual
TROYBILT Snowthrower, Gas Manual L0503316 TROYBILT Snowthrower, Gas Owner's Manual, TROYBILT Snowthrower, Gas installation guides
1130 to the manual 4e311662-0319-478d-8e4d-019b05096d8c
2015-01-21
: Toro Toro-1028-Users-Manual-350585 toro-1028-users-manual-350585 toro pdf
Open the PDF directly: View PDF
.
Page Count: 32

Operator's Manual
®
SNOW THROWER
MODELS
1028
1130
Storm Tracker
Model 1028 Shown
IMPORTANT: READ SAFETY RULES AND INSTRUCTIONS CAREFULLY
WARNING: This unit is equipped with an internal combustion engine and should not be used on or near any unimproved forest-covered,
brush-covered or grass-covered land unless the engine's exhaust system is equipped with a spark arrester meeting applicable local or state
laws (if any). If a spark arrester is used, it should be maintained in effective working order by the operator. In the State of California the above
is required by law (Section 4442 of the California Public Resources Code). Other states may have similar laws. Federal laws apply on federal
lands. A spark arrester for the muffler is available through your nearest engine authorized service dealer or contact the service department,
P.O. Box 361131 Cleveland, Ohio 44136-0019.
TROY-BILT LLC, P.O. BOX 361131 CLEVELAND, OHIO 44136-0019
FORM NO. 769-00395B
PRINTED IN U.S.A. (6/04)

TABLEOFCONTENTS
Content
Important Safe Operation Practices
Assembling Your Snow Thrower
Know Your Snow Thrower
Operating Your Snow Thrower
Making Adjustments
Maintaining Your Snow Thrower
Page Content Page
3 Servicing Your Snow Thrower 14
5 Trouble Shooting 17
6 Illustrated Parts 18
8 Commercial Warranty 31
11 Residential Warranty 32
12
FINDINGMODELNUMBER
This Operator's Manual is an important part of your new snow thrower. It will help you assemble, prepare
and maintain the unit for best performance. Please read and understand what it says.
Before you start assembling your new equipment, please locate the model plate on the
equipment and copy the information from it in the space provided below. A sample model plate is
also given below. You can locate the model plate by standing at the operating position and
looking down at the rear of the snow thrower. This information will be necessary to use the
manufacturer's web site and/or help from the Customer Support Department or an authorized
service dealer.
Copy the model number here:
OTRD_-_B_I_LT T.O¥-B_LTLLC
P. O. BOX 361131
_¢W_¢=_Foybilt=OOr_ CLEVELAND, OH44136
330-55g-7220
1-880-52Q-5520
Copy the serial number here:
CUSTOMERSUPPORT
Please doNOTreturn the unitto the retailer from where it waspurchased, without first contactingCustomerSupport.
If you have difficulty assembling this product or have any questions regarding the controls, operation or
maintenance of this unit, you can seek help from the experts. Choose from the options below:
p*'<_ ;
_!:_f OkFgg _. _.s .cy
Mual
Visit troybilt.com for many useful suggestions. Click on Customer Support button and you will
get the four options reproduced here. Click on the appropriate button and help is immediately
available.
_/? <l [/ Hq/? i 41
.... ; ,, ,,, }0,
,o.;n,,::: F.. co.J,,. <; 4,:;
<!}_FFOU4]F#!: _' '_*',!:_ ,a,d
If you prefer to reach a Customer Support Representative, please call 1-800-520-5520.
The engine manufacturer is responsible for all engine-related issues with regards to
3erformance, power-rating, specifications, warranty and service. Please refer to the engine
manufacturer's Owner's/Operator's Manual, packed separately with your unit, for more
information.

SECTION1: IMPORTANTSAFEOPERATIONPRACTICES
Wk]uvlp erosr]qmvrxw]psru_qwvdi%_ _f@rqv/z k]fk_iqrwir@rzhg/frxg hqgdqjhuvkhshu:rqdo
vdi%_ dqg_ustrsh@ ri Irxuvhddqg_vkhuvlUhdg_qg_r@rz _®I/vv_fJrqv_ vk_p dqxdoehirth
dwhp s_qj_r rshui_hvk]:pdfk]qhlldlxthwcfrp s_ z i_vkhvh_qv_mfJrqv_ d I#_hvx_]qshuvrqdo
l_m_ IZ khq_ rx#:hh#k]uvIp er_ khhg_ z duql_j.
WARNING: Hqj H {kdxv vrph@ril_ frqvJ_xhcpv/dqg@fhuil _yhkl[d_frp srqhcpv frqw_l_
rb#hp }#fkhp l[do:#nqrzq#_r%_kh#Vw_in#ri#Fddirtqli#Zr#fdxvh#fdqfhu!#el_k@ghi_f%v#rb#r_khu
thstrgxf_yh_<dup.
DANGER: Wk]up dfk]qh#kdv_xlm%reh rshulkhgdffru_]qj#rvkh#xd_v%iruvdi%rshulJrq_qvk]u
p dqxdclDv_ i_ dq I_ sh#_isrzhuhtx]_phq_ifduhd_wqhvv%bihumurq#kh%bdu:rivkh#_shui_rufdq#
thvx_w_vh_ iWk]up dfk_h ]ufdsded_ridp sxw_Jqj#kdqgmjdqg%_lhwdqg#_ktrzhJ rer_fw:l
Idlxuhvr revhtyh#kh%ir@rzl_j#:di%_ir:wmfJrqv_rx_ uhvx<wl_vhu]r_ rughdvk.
TRAINING
1. Read, understand, and follow all instructions on the
machine and in the manual(s) before attempting to
assemble and operate. Keep this manual in a safe place
for future and regular reference and for ordering
replacement parts.
2. Be familiar with all controls and their proper operation.
Know how to stop the machine and disengage them
quickly.
3. Never allow children under 14 years old to operate this
machine. Children 14 years old and over should read and
understand the operation instructions and safety rules in
this manual and should be trained and supervised by a
parent.
4. Never allow adults to operate this machine without
proper instruction.
5. Thrown objects can cause serious personal injury. Plan
your snow-throwing pattern to avoid discharge of material
toward roads, bystanders and the like.
6. Keep bystanders, helpers, pets and children at least 75
feet from the machine while it is in operation. Stop
machine if anyone enters the area.
7. Exercise caution to avoid slipping or falling, especially
when operating in reverse.
PREPARATION
1. Thoroughly inspect the area where the equipment is to
be used. Remove all doormats, newspapers, sleds,
boards, wires and other foreign objects, which could be
tripped over or thrown by the auger/impeller.
2. Always wear safety glasses or eye shields during
operation and while performing an adjustment or repair to
protect your eyes. Thrown objects which ricochet can
cause serious injury to the eyes.
3. Do not operate without wearing adequate winter outer
garments. Do not wear jewelry, long scarves or other
loose clothing, which could become entangled in moving
parts. Wear footwear which will improve footing on
slippery surfaces.
4. Use a grounded three-wire extension cord and
receptacle for all units with electric start engines.
5. Adjust collector housing height to clear gravel or crushed
rock surfaces.
6. Disengage all controls before starting the engine.
7.
8.
9.
Never attempt to make any adjustments while engine is
running, except where specifically recommended in the
operator's manual.
Let engine and machine adjust to outdoor temperature
before starting to clear snow.
To avoid personal injury or property damage use extreme
care in handling gasoline. Gasoline is extremely
flammable and the vapors are explosive. Serious
personal injury can occur when gasoline is spilled on
yourself or your clothes, which can ignite. Wash your skin
and change clothes immediately.
a. Use only an approved gasoline container.
b. Extinguish all cigarettes, cigars, pipes and other
sources of ignition.
c. Never fuel machine indoors.
d. Never remove gas cap or add fuel while the
engine is hot or running.
e. Allow engine to cool at least two minutes before
refueling.
f. Never over fill fuel tank. Fill tank to no more than
V2inch below bottom of filler neck to provide space
for fuel expansion.
g. Replace gasoline cap and tighten securely.
h. If gasoline is spilled, wipe it off the engine and
equipment. Move machine to another area. Wait 5
minutes before starting the engine.
i. Never store the machine or fuel container inside
where there is an open flame, spark or pilot light
(e.g. furnace, water heater, space heater, clothes
dryer etc.).
j. Allow machine to cool at least 5 minutes before
storing.
OPERATION
1. Do not put hands or feet near rotating parts, in the auger/
impeller housing or chute assembly. Contact with the
rotating parts can amputate hands and feet.
2. The auger/impeller control is a safety device. Never
bypass its operation. Doing so makes the machine
unsafe and may cause personal injury.
3. The controls must operate easily in both directions and
automatically return to the disengaged position when
released.
4. Never operate with a missing or damaged chute
assembly. Keep all safety devices in place and working.

5. Neverrunanengineindoorsorinapoorlyventilated
area.Engineexhaustcontainscarbonmonoxide,an
odorlessanddeadlygas.
6. Donotoperatemachinewhileundertheinfluenceof
alcoholordrugs.
7. Mufflerandenginebecomehotandcancauseaburn.Do
nottouch.
8. Exerciseextremecautionwhenoperatingonorcrossing
gravelsurfaces.Stayalertforhiddenhazardsortraffic.
9. Exercisecautionwhenchangingdirectionandwhile
operatingonslopes.
10.Planyoursnow-throwingpatterntoavoiddischarge
towardswindows,walls,carsetc.Thus,avoidingpossible
propertydamageorpersonalinjurycausedbyaricochet.
11.Neverdirectdischargeatchildren,bystandersandpets
orallowanyoneinfrontofthemachine.
12.Donotoverloadmachinecapacitybyattemptingtoclear
snowattoofastofarate.
13.Neveroperatethismachinewithoutgoodvisibilityorlight.
Alwaysbesureofyourfootingandkeepafirmholdon
thehandles.Walk,neverrun.
14.Disengagepowertotheauger/impellerwhen
transportingornetinuse.
15.Neveroperatemachineathightransportspeedson
slipperysurfaces.Lookdownandbehindandusecare
wheninreverse.
16.Ifthemachineshouldstarttovibrateabnormally,stopthe
engine,disconnectthesparkplugwireandgroundit
againsttheengine.Inspectthoroughlyfordamage.
Repairanydamagebeforestartingandoperating.
17.Disengageallcontrolsandstopenginebeforeyouleave
theoperatingposition(behindthehandles).Waituntilthe
auger/impellercomestoacompletestopbefore
uncloggingthechuteassembly,makinganyadjustments,
orinspections.
18.Neverputyourhandinthedischargeorcollector
openings.Alwaysusetheclean-outtoolprovidedto
unclogthedischargeopening.Donotunclogchute
assemblywhileengineisrunning.Shutoffengineand
remainbehindhandlesuntilallmovingpartshave
stoppedbeforeunclogging.
19.Useonlyattachmentsandaccessoriesapprovedbythe
manufacturer(e.g.wheelweights,tirechains,cabsetc.).
20.Ifsituationsoccurwhicharenotcoveredinthismanual,
usecareandgoodjudgment.Contactyourdealeror
telephone1-800520-5520forassistanceandthename
ofyournearestservicingdealer.
MAINTENANCEANDSTORAGE
1. Never tamper with safety devices. Check their proper
operation regularly. Refer to the maintenance and
adjustment sections of this manual.
2. Before cleaning, repairing, or inspecting machine
disengage all controls and stop engine. Wait until the
auger/impeller come to a complete stop. Disconnect the
spark plug wire and ground against the engine to prevent
unintended starting.
3. Check bolts and screws for proper tightness at frequent
intervals to keep the machine in safe working condition.
Also, visually inspect machine for any damage.
4. Do not change the engine governor setting or over-speed
the engine. The governor controls the maximum safe
operating speed of the engine.
5. Snow thrower shave plates and skid shoes are subject to
wear and damage. For your safety protection, frequently
check all components and replace with original
equipment manufacturer's (OEM) parts only. "Use of
parts which do not meet the original equipment
specifications may lead to improper performance and
compromise safety!"
6. Check clutch controls periodically to verify they engage
and disengage properly and adjust, if necessary. Refer to
the adjustment section in this operator's manual for
instructions.
7. Maintain or replace safety and instruction labels, as
necessary.
8. Observe proper disposal laws and regulations for gas, oil,
etc. to protect the environment.
9. Prior to storing, run machine a few minutes to clear snow
from machine and prevent freeze up of auger/impeller.
10. Never store the machine or fuel container inside where
there is an open flame, spark or pilot light such as a water
heater, furnace, clothes dryer etc.
11. Always refer to the operator's manual for proper
instructions on off-season storage.
WARNING: Restrict the use of this power
machine to persons who read, understand
and follow the warnings and instructions
in this manual and on the machine.
1. KEEPAWAYFROMROTATINGIMPELLER
ANDAUGER.CONTACTWITHIMPELLEROR
AUGERCANAMPUTATEHANDSANDFEET.
2. USECLEAN-OUTTOOLTOUNCLOG
DISCHARGECHUTE.
3DISENGAGECLUTCHLEVERSSTOPENGINE
ANDREMAIN8EHINDHANDLESUNTILALL
MOVINGPARTSHAVESTOPPEDBEFORE
UNCLOGGINGORSERVICINGMACHINE.
4. TOAVOIDTHROWNOBJECTSINJURIES,
NEVERDIRECTDISCHARGEATBYSTANDERS.
USEEXTRACAUTIONWHENOPERATINGON
GRAVELSURFACES.
5. READ OPERATOR'SMANUAL.

SECTION2:
Unpacking
•Remove screws from the top sides and ends of the
shipping crate.
• Set panel aside to avoid tire punctures or personal
injury.
• Remove and discard plastic bag that covers unit.
• Remove any loose parts included with unit (i.e.,
Operator's Manual, etc.).
• Roll unit out of crate.
ASSEMBLINGYOURSNOWTHROWER
LooseParts
The augers are secured to the auger shaft with two
shear pins and cotter pins. If you hit a foreign object or
ice jam, the snow thrower is designed so that the pins
may shear. Two replacement shear pins and cotter pins
are provided for your convenience. Store in a safe
place until needed. See Figure 1.
Cotter _"_ "_
Pins .......................... U_
Figure 1
IMPORTANT: NEVER replace the auger shear pins with
standard hex pins. Any damage to the auger gearbox or
other components from using standard pins will not be
covered by your snow thrower's warranty.
ItemsRequiredForAssembly
1. Pair of pliers
2. Engine oil
3. Fresh gasoline
BeforeAssembly
• Disconnect spark plug wire and ground it against
the engine to prevent unintended starting.
NOTE: All references in this manual to the left or right
side of the snow thrower is from the operating position
only. Exceptions, if any, will be specified.
AssemblingHandle
For shipping purposes, the upper handle is secured
loosely to the lower handle with four wing nuts.
• Remove the lower plastic wing nut, cupped washer
and carriage bolt from each side of the lower
handle. See Figure 2.
• Raise the upper handle assembly until it locks over
the lower handle.
• Look at the lower rear of the snow thrower frame to
be sure all the cables are aligned with the cable
roller guides. Make sure the spring (found at the
end of each cable) is attached to its actuator
bracket.
Secure the upper handle and lower handle with the
two plastic wing nuts, cupped washers and carriage
bolts previously removed. Attach these hardware
on the lower hole in the handles. See Figure 2.
Tighten the two wing nuts already in place on the
upper holes and secure the handles firmly. Slide
the shift rod connector down over the end of the
lower shift rod. Tap the connector until it locks over
the lower shift rod. See Figure 2.
NOTE: If the connector is not properly assembled, the
shift rod will pivot and you will not be able to change
speeds or direction of movement.
Carriage
Figure 2
AttachingChuteDirectionalControl
Model1028
• Remove the hairpin clip from the upper chute rod
and slide the upper chute rod through the upper
chute rod bracket and into the lower chute rod. A
pair of pliers may help in this job.
• Align the two holes on both chute rods and insert
the hairpin clip removed earlier, through these
holes. See Figure 2.
Model1130
• Adjust the eyebolt on the chute directional control
so the rod does not come into contact with the
engine by moving the hex nut against the handle (if
necessary). Retighten the wing nut to secure the
directional control in this position.

Ifnotalreadyattached,slipthecablesthatrunfrom
thehandlepaneltothechuteassemblyintothe
cableguidelocatedontopoftheengine.See
Figure3.
Cable Cable
Guide
J
_ute
Figure 3
If not already attached, unwrap the headlight wire
which is attached to the headlight, beneath the
handle panel. Wind the headlight wire around the
lower right handle until excess slack is removed.
See Figure 4.
•Plug the wire from the headlight into the alternator
lead coming from the right side of the engine
underneath the fuel tank.
Alternator Lead
Lar_
NOTE: Wheels are omitted from illustration for clarity.
Figure 4
Clean-0utT001
• This tool, along with the electric cord, is fastened
with a cable tie to the rear of the auger housing for
shipping purposes. Cut the cable tie and remove
the electric cord before operating the snow thrower.
SECTION3: KNOWYOURSNOWTHROWER
Drive Control /_Shift Lever.,
Aug _ _Chute Tilt
_Control
Switchf
Headlic
Chute
_T Heated Gript
AaUcgkerst_r_ _OntrOI
Control
Chute Directional
Control
Primer
Choke_@_
K
Ignition Key
Thr )ttle
t Model 1028 Control
tt Model 1130 equipped with one (1)
Electric
Starter
_RI_ Butt°n
Switch
ox
ecoil
YStarter
......... Handle
i ji
Fuel Shut-Off Valve
*If Equipped
Figure 5
WARNING: Read, understand, and follow
all instructions and warnings on the
machine and in this manual before
operating.
DriveControl/AugerControlLock
The drive control is located on the right handle.
Squeeze the drive control to engage the wheel drive.
Release to stop. See Figure 5.

Thedrivecontrolalsolockstheaugercontrolsoyou
can turn the chute directionalcontrol without
interruptingthe snowthrowingprocess.If the auger
controlis engagedalongwith the drivecontrol,the
operatorcan releasethe augercontrol(on the left
handle)andtheaugerswillremainengaged.Release
bothcontrolstostoptheaugersandtrackdrive.
IMPORTANT:Alwaysreleasedrivecontrolbefore
changingspeeds.
AugerDriveControl
The auger drive control is located on the left handle.
Squeeze the control grip to engage the augers.
Release to stop the snow throwing action. (Drive
control must also be released.) See Figure 5.
IMPORTANT: Refer to AugerControlTeston page 9 prior to
operating your snow thrower. Read and follow all
instructions carefully and perform all adjustments to
verify your snow thrower is operating safely and
properly.
ChuteTiltControl
The distance snow is thrown can be changed by
adjusting the angle of the upper chute. Move the chute
tilt control forward to decrease the distance, and
backwards to increase distance. See Figure 5.
Skid Shoe
The space between the shave plate and the ground can
be adjusted by positioning the skid shoes. Refer to Skid
ShoeAdjustmenton page 12.
ShiftLever
The shift lever is located in the center of the handle
panel and is used to determine both ground speed and
direction of travel. It can be moved into any of eight
positions. See Figure 5.
Forward
Your snow thrower has six forward (F) speeds, with
position number one (1) being the slowest speed.
Reverse
Your snow thrower has two reverse (R) speeds, with
position number one (1) being the slowest speed,
IMPORTANT: Always release drive control before
changing speeds,
ChuteDirectionalControl
The chute directional control is located on left side of
the snow thrower. See Figure 5.
To change the direction in which snow is thrown, turn
chute directional control as follows:
•Clockwise to discharge to the left.
• Counterclockwise to discharge to the right.
Clean-0utTool
The clean-out tool is designed to clear a clogged chute.
Refer to page 10 for instructions on how to properly use
it.
WARNING: Never use your hand to clear a
clogged chute. Shut off engine and
remain behind handles until all moving
parts have stopped before unclogging.
Use the clean-out tool or a stick to unclog.
HeatedHandlesSwitch (Model1028)
This switch is located on the right side of the snow
thrower dash panel. To activate the heated handles,
toggle the switch to the right to generate heat within the
handle grips. Toggle the switch to the left to the OFF
position after using the snow thrower. See Figure 5.
NOTE: The heated handles grips are a compliment to,
not a substitute for, proper cold weather outerwear for
the operator's hands. It is recommended that the snow
thrower operator wear gloves/mittens to avoid
extremities of winter while operating this equipment.
TrackSteeringControls
The left and right track steering controls are located on
the underside of the handles and they are used to
assist in steering the snow thrower. Squeeze the right
track control when turning right, squeeze the left control
when turning left. Operate your snow thrower in open
areas until you become familiar with these controls.
See Figure 5.
NOTE: It is easier to maneuver a non-running snow
thrower with both track steering controls held in
simultaneously.
ThrottleControl
The throttle control is located on the engine. It regulates
the speed of the engine and will shut off the engine
when pushed down completely, See Figure 5,
FuelShut-0ffValve(optionalEquipment)
On models so equipped, the fuel shut-off valve, located
under fuel tank, controls fuel-flow from the fuel tank to
the engine. See Figure 5.
SafetyIgnitionKey
The safety ignition key must be fully inserted and
snapped in place before the unit will start. Remove the
ignition key to prevent unauthorized use of equipment.
See Figure 5.
IMPORTANT: Do NOT attempt to turn the key.

Headlight
The headlight is on whenever the engine is running.
TrackLockLever
The track lock lever is located on the right side of the
snow thrower and is used to select the position of the
auger housing and the method of track operation. Move
the lever to the right, then forward or backward to one of
the three positions. See Figure 6.
Transport:Raises the front end of the snow thrower for
easy transport. Using proper caution, this position may
also be used on many gravel driveways to clear snow
while leaving gravel undisturbed.
Normal Snow: Allows the tracks to be suspended
independently for continuous ground contact.
Packed Snow: Locks the front end of the snow thrower
down to the ground for hard-packed or icy snow
conditions.
Snow
Lever
Snow
Figure 6
Transport
SECTION4: OPERATINGYOURSNOWTHROWER
BeforeStarting
WARNING: Read, understand, and follow
all instructions and warnings on the
machine and in this manual before
operating,
GasAnd0il Fill-up
Service the engine with gasoline and oil as
instructed in the separate engine manual packed with
your snow thrower. Read instructions carefully.
WARNING: Use extreme care when
handling gasoline. Gasoline is extremely
flammable and the vapors are explosive.
Never fuel machine indoors or while the
engine is hot or running. Extinguish
cigarettes, cigars, pipes and other
sources of ignition.
A plastic cup is provided inside the fuel fill opening
to protect the tank during manufacturing. Remove
and discard. Use the threaded fuel tank cap to
close after fill-up.
ToStart Engine
• Attach spark plug wire to spark plug. Make certain
the metal loop on end of the spark plug wire (inside
the boot) is fastened securely over the metal tip on
the spark plug.
• Make certain the fuel shut-off valve, if so equipped,
is in the OPEN (vertical) position.
• Make certain the auger and drive controls are in the
disengaged (up) position.
• Move throttle control up to FAST position. Insert
ignition key into slot and snap in place. See Figure
5. Be certain it snaps into place. Do not turn key.
NOTE: Engine will not start unless ignition key is
inserted into ignition slot in carburetor cover.
Electric Starter
• Determine that your house wiring is a three-wire
grounded system. Ask a licensed electrician if you
are not certain.
• If your house wiring system is not a three-wire
grounded system, do not use this electric starter
under any conditions.
WARNING: The electric starter is
equipped with a grounded three-wire
power cord and plug and is designed to
operate on 120 volt AC household
current. It must be used with a properly
grounded three-prong receptacle at all
times to avoid the possibility of electric
shock. Follow all instructions carefully
prior to operating the electric starter.
• If your home electrical system is grounded, but a
three-hole receptacle is not available, one should
be installed by a licensed electrician before using
the electric starter.
• If you have a grounded three-prong receptacle,
proceed as follows:
• Connect power cord to switch box on engine. Plug
the other end of power cord into a three-prong, 120-
volt, grounded, AC receptacle.

• Rotatechokeknobto FULLchokeposition(cold
enginestart).Ifengineiswarm,placechokeinOFF
positioninsteadofFULL.
• Pushprimerbuttontwoorthreetimesforcold
enginestart,makingsuretocoverventholein
primerbuttonwhenpushing.DONOTuseprimerto
restartawarmengineafterashortshutdown.
• Pushstarterbuttontostartengine.
• Whenenginestarts,releasestarterbutton,and
movechokegraduallytoOFF.Ifenginefalters,
movechokeimmediatelytoFULLandthen
graduallytoOFF.
• Whendisconnectingthepowercord,alwaysunplug
fromthethree-prongreceptaclefirstandthenfrom
thesnowthrower.
RecoilStarter
• Rotate choke knob to FULL choke position (cold
engine start). If engine is warm, place choke in OFF
position instead of FULL.
• Push primer button three or four times for cold
engine start. DO NOT use primer to restart a warm
engine after a short shutdown.
NOTE: Always cover vent hole in primer button when
pushing. Additional priming may be necessary for first
start if temperature is below 15°F.
• Grasp starter handle and pull rope out slowly, until
it pulls slightly harder. Let rope rewind slowly.
• Pull starter handle rapidly. Do not allow handle to
snap back. Allow it to rewind slowly while keeping a
firm hold on the starter handle.
• Repeat the previous steps until engine starts.
• As engine warms up, rotate choke knob slowly to
OFF position. If engine falters, return to FULL
choke, then slowly move to OFF position
ToStopEngine
• Run engine for a few minutes before stopping to
help dry off any moisture on the engine.
• To help prevent possible freeze-up of starter,
proceed as follows:
Electric Starter:
• Connect power cord to switch box on engine, then
to 120 volt AC receptacle. With the engine running,
push starter button and spin the starter for several
seconds. The unusual sound made by spinning the
starter will not harm engine or starter. Disconnect
the power cord from receptacle first, and then from
switch box.
RecoilStarter
• With engine running, pull starter rope with a rapid,
continuous full arm stroke three or four times.
Pulling the starter rope will produce a loud clattering
sound, which is not harmful to the engine or starter.
• To stop engine, move throttle control to "stop" or
"off" position.
• Remove ignition key (DO NOT turn key) to prevent
unauthorized use of equipment.
NOTE: Do not lose ignition key. Keep it in a safe place.
Engine will not start without ignition key.
• Wipe all snow and moisture from the carburetor
cover in the area of the control levers. Also, move
control levers back and forth several times.
ToEngageTrackDrive
• With the engine running near top speed, move the
shift lever into one of the six FORWARD positions
or two REVERSE positions. Select a speed
appropriate for the snow conditions that exist.
• Squeeze the auger control and the augers will turn.
Release it and the augers will stop.
• Squeeze drive control and the snow thrower will
move. Release it and drive motion will stop.
IMPORTANT:NEVER move shift lever without releasing
the drive control. Doing so will cause premature wear
on the drive system's friction wheel.
ToEngageAugers
• To engage the augers and start throwing snow,
squeeze the auger control against the left handle.
• To disengage power to the augers, release both the
auger control and the drive control, if engaged.
The auger control can be locked so you can turn the
chute directional control without interrupting the snow
throwing process.
AugerControl Test
IMPORTANT:Perform the following test before
operating your snow thrower for the first time and at the
start of each winter season.
Check the adjustment of the auger control as follows:
• When the auger control is released and in the
disengaged "up" position, the cable should have
very little slack. It should NOT be tight.
• In a well-ventilated area, start the snow thrower
engine as instructed earlier in this section under the
heading Starting Engine. Make sure the throttle is
set in the FAST position.
• While standing in the operator's position (behind
the snow thrower), engage the auger.
• Allow the auger to remain engaged for
approximately ten (10) seconds before releasing
the auger control. Repeat this several times.
• With the engine running in the FAST position and
the auger control in the disengaged "up" position,
walk to the front of the machine.

• Confirmthattheaugerhascompletelystopped
rotatingandshowsNOsignsofmotion.
IMPORTANT:IftheaugershowsANYsignsofrotating,
immediatelyreturntotheoperator'spositionandshut
offtheengine.WaitforALLmovingpartstostopbefore
re-adjustingtheaugercontrol.
• Toreadjustthecontrolcable,loosenthehexjam
nutontheaugercontrolcable"Z"fitting.
• Rotatethecouplingendofthecable
counterclockwisetoprovidemoreslack.
• Retightenthehexjamnut.SeeFigure7.
• RepeatAugerControlTesttoverifyproper
adjustmenthasbeenachieved.
Auger
Control_
few seconds to clear any remaining snow and ice
from the chute assembly.
DriftCutters Equipped)
Drift cutters should be used when operating the snow
thrower in heavy drift conditions.
On models so equipped, drift cutters are assembled to
the auger housing inverted. Remove the carriage bolts
by unthreading the hex nuts which secure them, and
reinstall the drift cutters in their proper position before
operating the snow thrower. See Figure 8.
If your unit is not equipped with drift cutters, contact
Customer Support as instructed on page 2 for
information regarding price and availability.
Snow Thrower Model Drift Cutter Kit
All models OEM-390-679
Jam
Auger
Figure 7
Clean-0utT001
The clean-out tool is conveniently fastened to the rear
of the auger housing with a mounting clip. Should snow
and ice lodge itself in the chute assembly during
operation, proceed as follows to safely clean the chute
and chute opening:
• Release both the Auger Control and the Drive/
Auger Control Lock.
• Stop the engine by moving the throttle to the stop
position.
• Remove the clean-out tool from the mounting clip.
• Use the shovel-shaped end of the clean-out tool to
dislodge and scoop any snow and ice which has
formed in and near the chute assembly.
,_ WARNING: Never use your hands to clean
snow and ice from the chute assembly or
auger housing. Use the clean-out tool or a
stick to unclog.
• Refasten the clean-out tool to the mounting clip on
the rear of the auger housing, reinsert the ignition
key and start the snow thrower's engine.
• While standing in the operator's position (behind
the snow thrower), engage the auger control for a
Drift
=ge
& Hex Nuts
Figure 8
OperatingTips
NOTE: Allow the engine to warm up for a few minutes.
The engine will not develop full power until it reaches
operating temperature.
WARNING: The temperature of the muffler
and the surrounding areas may exceed
150°F. Avoid these areas.
• For the most efficient snow removal, remove snow
immediately after it falls.
• Discharge the snow downwind whenever possible.
• Slightly overlap each previous path.
• Set the skid shoes 1/4" below the shave plate for
normal usage. The skid shoes may be adjusted
upward (to lower the shave plate) for hard-packed
snow. Adjust downward (to raise the shave plate)
when using on gravel or crushed rock.
• Be certain to follow the precautions found in the To
Stop Engine section to prevent possible freeze-up.
• Clean the snow thrower thoroughly after each use.
10

SECTION5: MAKINGADJUSTMENTS
WARNING: NEVER attempt to make any
adjustments while the engine is running,
except where specified in the operator's
manual.
ChuteAssembly
The distance snow is thrown can be adjusted by
changing the angle of the upper chute. Move the chute
tilt control forward to decrease the distance, toward the
rear to increase.
AugerControl
Refer to Auger Control Test in the Operating Section to
adjust the auger control.
DriveControlandShiftLever
To check the adjustment of the drive control and shift
lever, proceed as follows:
• To check the adjustment of the traction control
clutch and shift lever, proceed as follows:
• With the engine off, move the shift lever all the way
forward to the highest speed. With the drive control
lever released, push the snow thrower forward. The
unit should roll forward. Then engage the drive
control. The wheels should stop turning.
• Now release the drive control and push the unit
again.
• Move the shift lever back to the fast reverse
position then all the way forward again. There
should be no resistance in the shift lever, and the
wheels should keep turning.
• If you have resistance when moving the shift lever
or the wheels stop when they should not, loosen
the jam nut on the drive control cable and unthread
the cable one turn.
• If the wheels do not stop when you engage the
drive control, loosen the jam nut on the drive control
cable and thread the cable in one turn.
• Recheck the adjustment and repeat as necessary.
Tighten the jam nut to secure the cable when
correct adjustment is reached.
WARNING: Drain the gasoline out of the
snow thrower's tank, or place a piece of
plastic film under the gas cap to avoid
spillage BEFORE making the adjustment.
To test further for correct adjustment, if necessary,
proceed as follows:
• Tip the snow thrower forward, allowing it to rest on
the auger housing. See Figure 9.
Frame Cover
Auger
Housing
Figure 9
• Remove the frame cover underneath the snow
thrower by removing the six self-tapping screws.
• With the drive control released, there must be
clearance between the friction wheel and the drive
plate in all positions of the shift lever.
• With the drive control engaged, the friction wheel
must contact the drive plate. See Figure 10.
If adjustment is necessary:
• Loosen the jam nut on the drive cable. Adjust the
cable as necessary.
• Retighten the jam nut to secure the cable when
correct adjustment is reached.
• Reassemble the frame cover.
Gear
Friction Wheel
Rubber
Drive
Pivot Rod
Plate
Figure 10
NOTE: If you placed plastic film under the gas cap, be
certain to remove it before operating the snow thrower.
11

ShiftRodAdjustment
To adjust the shift rod, proceed as follows:
• Remove the hairpin clip and slide the shift rod
connector up, to separate the upper shift rod from
the lower shift rod. See Figure 11.
• Place the shift lever into the sixth (6) position.
• Rotate the shift arm clockwise (from the operator's
position) as faras it will go.
• Thread the upper shift rod downward until the
elbow on its lower end aligns with the hole found in
the lower shift rod.
_!!Shift Lever
Hairpin Clip_
\Upper Shift Rod
'pin Clip
_Lower Shift Rod
Model 1028 Shown
Figure 11
• Reconnect the upper shift rod to the lower shift rod
by reinserting the hairpin clip removed earlier and
sliding the shift rod connector back down into place.
IMPORTANT:Make certain to check for correct
adjustment of the shift rod as instructed under Final
Adjustments in the Assembly Section, before operating
the snow thrower.
SkidShoes
The space between the shave plate and the ground can
be adjusted. See Figure 12.
• For close snow removal on a smooth surface, raise
skid shoes higher on the auger housing.
• Use a middle or lower position when the area to be
cleared is uneven.
Carriage
Bolt Flange
Nut Skid
Shoe
Figure 12
WARNING: Do not operate this snow
thrower on gravel as loose gravel can be
easily picked up and thrown by the auger
causing injury to the operator and/or
damage to the snow thrower.
• Adjust skid shoes by loosening the flange lock nuts
and carriage bolts. Move skid shoes to desired
position.
• Make certain the entire bottom surface of skid shoe
is against the ground to avoid uneven wear on the
skid shoes. Retighten nuts and bolts securely.
• Repeat on the other side of the snow thrower.
Carburetor
• Minor carburetor adjustment may be required to
compensate for differences in fuel, temperature,
altitude and load.
• Refer to the separate engine manual, packed with
your unit, for carburetor adjustment information.
SECTION6: MAINTAININGYOURSNOWTHROWER
_WARNING: Before lubricating, repairing,
or inspecting, disengage all clutch levers
and stop engine. Wait until all moving
parts have come to a complete stop.
Disconnect spark plug wire and ground it
against the engine to prevent unintended
starting. Always wear safety glasses
during operation or while performing any
adjustments or repairs.
Lubrication
Engine
Refer to the separate engine manual packed with your
unit for all engine lubrication instructions.
WARNING: If any adjustments need to be
made to the engine while the engine is
running (e.g. carburetor), keep clear of all
moving parts. Be careful of muffler, engine
and other surrounding heated surfaces.
12

Drive/AugerControl Lock
The cams on the ends of the control rods which
interlock the drive and auger controls must be
lubricated at least once a season or every 25 hours of
operation. The cams can be accessed beneath the
handle panel. Use a multi-purpose automotive grease.
See Figure 13.
Handle Panel
f
Contro/IRods ........I__'_Cams Here
Figure 13
GearCase
The gear case is lubricated with grease at the factory
and it does not require checking. If disassembled for
any reason, lubricate with 2 ounces of Shell Alvania
grease EPR00, part number 737-0168. Before
reassembling, remove old sealant and apply new
sealant. See Figure 14.
S earlPin Vent
;o
lug
o
Plastic Bearings *Model 1130
Bearing Shown
Figure 14
To check the level of grease in the gear case, remove
the vent plug. On Model 1028 only, you may, if
necessary, add grease using a grease gun and the
grease fitting on the side of the gear case.
IMPORTANT: Do not overfill the gear case, since
damage to the seals could result. Be sure the vent plug
is free of grease in order to relieve pressure.
AugerShaft
• At least once a season, remove the shear pins from
the auger shaft and spray lubricant inside the shaft.
See Figure 14.
• On Model 1028 only, grease fittings can be found
at either end of the auger shaft. Lubricate with a
grease gun once a season.
AugerBearings
Every season lubricate the auger bearings and the
bearings on the side of the frame with light oil. See
Figure 14.
Driveand Shifting Mechanism
Lubricate at least once a season or after every 25 hours
of operation. Remove the rear cover, lubricate any
chains, sprockets, gears, bearings, shafts, and shifting
mechanism at least once a season. Use engine oil or a
spray lubricant. Avoid getting oil on the friction
wheel rubber and aluminum drive plate. Refer to
Figure 10.
There is a grease fitting on the top of the axle shaft
which drives the rear track drive wheels on both sides
of the unit. Grease these fittings every 25 hours or once
a season.
GearShaft
Lubricate the gear shaft with 6-n-1 grease at least once
a season or after every 25 hours of operation (available
at automotive stores, or order part number 737-0170).
Refer to Figure 10.
IMPORTANT: Keep all grease and oil off of the rubber
friction wheel and aluminum drive plate.
ChuteDirectionalControl
The worm gear on the chute directional control should
be greased with multipurpose automotive grease.
13

SECTION7: SERVICINGYOURSNOWTHROWER
WARNING: Before servicing, repairing, or
inspecting, disengage all controls and
stop engine. Wait until all moving parts
have come to a complete stop. Disconnect
spark plug wire and ground it against the
engine to prevent unintended starting.
Always wear safety glasses during
operation or while performing any
adjustments or repairs.
Augers
•The augers are secured to the spiral shaft with four
(Model 1028) or six (Model 1130) shear pins and
cotter pins. If you hit a hard foreign object or ice
jam, the snow thrower is designed so that the bolts
may shear. Refer to Figure 15.
• If the augers will not turn, check to see if the pins
have sheared. Replacement shear pins and cotter
pins have been provided with the snow thrower.
When replacing pins, spray an oil lubricant into
shaft before inserting new pins.
IMPORTANT:NEVER replace the auger shear pins with
standard pins. Any damage to the auger gearbox or
other components as a result of doing so will NOT be
covered by your snow thrower's warranty.
ShavePlateandSkidShoes
• The shave plate and skid shoes on the bottom of
the snow thrower are subject to wear. They should
be checked periodically and replaced when
necessary.
• Remove the carriage bolts and flange lock nuts
which attach the two skid shoes to the snow thrower
on two sides. See Figure 12.
• Reassemble new skid shoes with the hardware
removed earlier. Make certain the skid shoes are
adjusted to be level.
• To remove the shave plate, remove the carriage
bolts and flange lock nuts which attach the shave
plate to the snow thrower housing. See Figure 15.
Carriage /Shear Pin Cotter Pin
/ /
/ /
Flange Lock _Shave *Model1028
Nut Plate Shown
Figure 15
Reassemble the new shave plate, with heads of
carriage bolts to the inside of the housing. Tighten
securely.
BeltRemovalAndReplacement
AugerBelts
NOTE: It is necessary to remove both belts in order to
change either one. If changing just one belt, be certain
to check the condition of the other belt.
• Disconnect the chute directional control at the
assembly base by removing the hairpin clip and the
flat washer. See Figure 16A.
AEngine = o _, Lock Nut
........ Shroud _,= Self-Tapping
......... \/_./_ ,,_v_ Screw
........... _'_Y_!_ /Belt
......... /Cover
..... Hex
Chute ..... Hex L__/ , J
..... Bolt \11 IHI _ _"
ulrecuonal \ _--_1 _ .._<_,t,
Control ........_ \ i _ _:_
Hairpin i \ t \ =t ....... /f_v_
Clip, Flat / tf_ ....... _'_
Figure 16
• Remove the engine shroud by removing the lock
nuts and bolts securing it. See Figure 16B.
• Remove the plastic belt cover at the front of the
engine by removing the two self-tapping screws.
See Figure 16B.
14

• Drain the gasoline from the snow thrower, or place
a piece of plastic film under the gas cap.
• Tip the snow thrower up and forward so that it rests
on its auger housing. Refer to Figure 9.
• Remove the six self-tapping screws from the frame
cover underneath the snow thrower.
• Roll the front and rear auger belts off the engine
pulley. See Figure 17.
• Unhook the idler spring from the hex bolt on the
auger housing. See Figure 18.
• Back out the stop bolt until the support bracket
rests on the auger pulley. See Figure 19.
NOTE: Loosening the six nuts that connect the frame to
the auger housing may aid in belt removal.
Pulley
Idler
Pulley
Drive
Belt
Pulley
Belts
Frame
/
Figure 17
• Lift the auger belt from the auger pulley, and slip
belt between the support bracket and the auger
pulley. Repeat this step for the front auger belt. See
Figure 18.
• Replace both auger drive belts by following
instructions in reverse order.
NOTE: If you placed plastic film under the gas cap, be
certain to remove it before operating the snow thrower.
Support
Bracket \
Auger
Pulley_
Rear
Auger-_
Belt (
Front
Auger Belt /
/Frame
Support
/Bracket
Spring
>z__ _-_--_-Z--_-_ Auger
Spring Housing
Figure 18
DriveBelt
• Follow the first six steps of the instructions for
servicing the auger belts.
• Pull the idler pulley up and lift the belt off the engine
pulley and friction wheel disc. See Figure 17.
• Back out the stop bolt until the support bracket
rests on the auger pulley. See Figure 19.
• Slip the belt between the friction wheel and drive
disc. Remove and replace the belt. Reassemble
following the instructions in reverse order.
NOTE: The support bracket must rest on the stop bolt
after the new belt has been assembled. See Figure 19.
Stop Bolt
Friction
Wheel _Drive Plate
Support Bracket
Figure 19
Auger Pulley
ReplacingFrictionWheelRubber
The rubber on the friction wheel is subject to wear and
should be checked after 25 hours of operation, and
periodically thereafter. Replace the friction wheel
rubber if any signs of wear or cracking are found.
• Drain the gasoline from the snow thrower.
• Tip the snow thrower up and forward, so that it rests
on the housing. Refer to Figure 9.
• Remove six self-tapping screws from the frame
cover underneath the snow thrower.
• Remove the click pins which secure the wheels,
and remove the wheels from the axle.
• Using a 7/8" wrench to hold the shaft, loosen, but
do not completely remove, the hex bolt and bell
washer on the left end of gear shaft. See Figure 20.
15

• Lightly tap the hex nut to dislodge the ball bearing
from the right side of frame before removing the hex
nut and bell washer from left end of shaft.
Track
O
Figure 20
• Move the gear shaft to the right and slide the friction
wheel assembly from the shaft. See Figure 21A.
• Remove the four screws from the friction wheel
assembly. See Figure 21B.
• Remove the friction wheel rubber from between the
friction wheel plates.
• Reassemble new friction wheel rubber to the
friction wheel plates and hub, tightening the four
screws in rotation and with equal force.
• Position the friction wheel assembly up onto the pin
of the shift rod assembly, and slide the shaft
through the assembly. Reassemble in reverse
order.
Engine
Refer to the separate engine manual packed with your
unit for all engine maintenance procedures.
A
Spacer _procket
Shift Rod
Assembly
Assembly
BScrews Friction Wheel Rubber
/
/,
/'
Hub ..'
,/
/'
/
/
Friction Wheel z
Plates
Figure 21
0ff-Seas0nStorage
WARNING: Never store the machine or
fuel container indoors where there is an
open flame, spark, or pilot light such as on
water heater, furnace, clothes dryer, or
other gas appliance.
,_ WARNING: Drain fuel into an approved
container outdoors, away from an open
flame. Allow engine to cool. Extinguish
cigarettes, cigars, pipes, and other
sources of ignition prior to draining fuel.
Fuel left in engine for extended periods
deteriorates and will cause starting
problems.
If unit is to be stored over 30 days, prepare for storage
as follows:
• Remove gasoline from carburetor and fuel tank to
prevent gum deposits from forming on these parts
and causing possible malfunction of engine.
• Run engine until fuel tank is empty and engine
stops due to lack of fuel.
• Drain carburetor by pressing upward on bowl drain,
located below the carburetor cover.
16

NOTE: Fuel stabilizer is an acceptable alternative in
minimizing the formation of fuel gum deposits during
storage. Do not drain carburetor if using fuel stabilizer.
• Wipe equipment with an oiled rag to prevent rust.
• Remove spark plug and pour one ounce of engine
oil through spark plug hole into cylinder. Cover
spark plug hole with rag. Crank engine several
times to distribute oil. Replace spark plug.
• Follow the lubrication recommendations found in
the Maintenance Section.
• Always store the snow thrower in a clean, dry area.
NOTE: When storing any type of power equipment in
an unventilated or metal storage shed, care should be
taken to rust proof the equipment. Using a light oil or
silicone, coat the equipment, especially any chains,
springs, bearings, and cables.
SECTION8: TROUBLESHOOTING
Problem Cause
Engine fails to start 1. Fuel tank empty, or stale fuel. 1.
Engine runs erratic
Loss of power
Excessive vibration
Unit fails
to propel itself
Unit fails
to discharge snow
2. Blocked fuel line.
3. Choke not in the ON position
4. Faulty spark plug.
5. Safety key not in ignition switch on engine.
6. Spark plug wire disconnected.
7. Primer button not being used properly.
8. Fuel shut-off valve closed. (If Equipped)
1. Unit running on CHOKE.
2. Blocked fuel line or stale fuel.
3. Water or dirt in the fuel system.
1. Spark plug wire loose.
2. Gas cap vent hole plugged.
1. Loose parts or damaged auger.
1. Drive control cable in need of adjustment.
2. Drive belt loose or damaged.
1. Chute assembly clogged.
2. Shear pin sheared.
3. Foreign object lodged in auger.
4. Auger control cable in need of adjustment.
5. Auger belt loose or damaged.
6. Shear pin(s) sheared.
Remedy
Fill tank with clean, fresh gasoline. Fuel
becomes stale after thirty days.
2. Clean the fuel line.
3. Move switch to the ON position
4. Clean, adjust gap or replace.
5. Insert the key fully into the switch.
6. Connect spark plug wire.
7. Refer to the engine manual.
8. Open fuel shut-off valve. (If Equipped)
1. Move the choke lever to OFF position.
2. Clean the fuel line; fill the tank with clean,
fresh gasoline.
3. Drain the fuel tank and carburetor. Refill with
fresh fuel.
1. Connect and tighten spark plug wire.
2. Remove ice and snow from gas cap. Be
certain vent hole is clear.
1. Stop the engine immediately and disconnect
the spark plug wire. Tighten all bolts and nuts.
If vibration continues, have the unit serviced
by an authorized service dealer.
1. Adjust drive control cable. Refer to Making
Adjustment Section.
2. Replace drive belt. Refer to the Service
Section.
1. Stop engine and disconnect spark plug wire.
Clean chute and inside of auger housing with
clean-out tool or a stick.
2. Replace shear pin.
3. Stop engine immediately and disconnect
spark plug wire. Remove object from auger
with clean-out tool or a stick.
4. Adjust auger control cable. Refer to the
Making Adjustments Section.
5. Refer to Service Section.
6. Replace shear pin(s).
17

SECTION9:
84
PARTSLISTFORMODELS1028& 1130
60
_8o
36 82_
59
54
/
64
68 ,/¸
10_
76
/
75
Part of handle panel
for reference only
9
.24
20
73
11
\22
18

Models1028& 1130
Ref.
No.
1.
2.
3.
4.
5.
6.
7.
8.
9.
10.
11.
12.
13.
14.
15.
16.
17.
18.
19.
20.
21.
22.
23.
24.
25.
26.
27.
28.
29.
30.
31.
32.
33.
34.
35.
36.
37.
38.
39.
40.
41.
42.
Part No.
684-0008A
747-0737t
705-5204A*
710-0449
710-0458
710-0643
710-0788
710-1880
711-0677
712-04063
710-0703
714-0104
720-0201A
725-17571
720-0274*
720-0284
726-0100
710-0597
736-0119
736-0185
736-0275
736-0451
747-0620A
747-0621
629-04007t
749-04138
749-0952A
749-0953A
750-0963
710-0837
684-0036A
684-0037B
710-1003
712-0271
712-0693t
720-0232
725-1759tt
725-1672tt
731-04068t
731-04067"
684-0102
710-0459A
710-0599
711-0653
712-0116
Part Description
Shift Arm Assembly
Chute Directional Control
Chute Directional Control
Carriage Screw 5/16-18 x 2.25
Carriage Bolt 5/16-18 x 1.75
Hex Bolt 5/16-18 x 1.0
TT Screw 1/4-20 x 1.0
Hex Bolt 5/16-18 x 0.75
Ferrule
Flange Lock Nut
Carriage Screw, 1/4-20 x.75
Hairpin Clip
Chute Directional Control Knob
Heated Grip
Grip
Handle Knob Assembly
Push Cap
Hex Screw, 1/4-20 x 1.00
Lock Washer
Fiat Washer
Flat Washer
Saddle Washer
Upper Shift Rod
Lower Shift Rod
Heated Grips Harness Ass'y
Lower Handle
Upper Handle RH
Upper Handle LH
Shift Rod Connector
Screw, #10-16 x.625
Handle Engagement Assembly RH
Handle Engagement Assembly LH
B Screw #10-16 x 0.625
Hex Sems Nut 1/4-20
Jam Nut, 15/32-32
Shift Knob
Halogen Lamp, 50W, 12V
Lamp Housing
Handle Panel
Handle Panel
Handle Panel Assembly w/Tilt
Hex Bolt 3/8-24 x 1.5
TT Screw 1/4-20 x 0.5
Clevis Pin
Jam Lock Nut 3/8-24
Ref. Part No.
No.
43. 712-3010
44. 714-0145t
45. 714-0507
46. 732-0145
47. 732-0193
48. 732-0746
49. 735-0199A
50. 736-0105
51. 736-0509
52. 746-0778
53. 747-0877
54. 748-0362
55. 748-0363
56. 784-5619A
57. 784-5679
58. 784-5680
59. 784-5681
60. 784-5682
61. 710-0805
62. 746-0901
63. 746-0896
64. 731-1313C
65. 784-5604
66. 705-52661
67. 736-0506A
68. 710-0895
69. 731-1379C
70. 741-0475
71. 784-5647
72. 710-0451
73. 684-0053Bt
74. 731-0851A
75. 712-04064
76. 731-1300B
77. 731-04427A
78. 784-5594
79. 710-04071
80. 716-03981
81. 710-0262
82. 725-17561
83. 736-02261
84. 747-1136tt
85. 735-0234*
86. 747-0697*
87. 629-0059*
t Model 1028
* Model 1130
Part Description
Hex Nut, 5/16-18
Click Pin
Cotter Pin
Compression Spring
Compression Spring
Torsion Spring
Rubber Bumper
Bell Washer
Fiat Washer
Drive Cable Z- Fitting
Cam Rod
Handle Lock Cam
Handle Lock Pawl
Shift Handle
Handle Support Bracket LH
Handle Support Bracket RH
Support Bracket LH
Support Bracket RH
Hex Bolt 5/16-18 x 1.5
Chute Deflector Cable w/Clip
Chute Deflector Control Cable
Chute Cable Guide
Chute Distance Control
Chute Directional Control Bracket
Special Washer
Hi-Lo Screw 1/4-15 x 0.75
Chute Adapter
Plastic Bushing
Chute Directional Control Bracket
Carriage Bolt 5/16-18 x 0.75
Lower Chute Directional Control
Flange Keeper
Flange Lock Nut 1/4-20
Lower Chute
Upper Chute
Cable Bracket
Carriage Bolt 5/16-18 x 1.0
Toggle Switch Lock Ring
Carriage bolt 5/16-18 x 1.5
Single Throw Toggle Switch
Fiat Washer
Headlight Retainer
Rubber Grommet
Eye Bolt
Light Harness
tt Model 1130 equipped with one (1)
19

Model1028
15\
dl; ;';I_ i}_}
45
13
_30
16
2O

Model1028
Ref. Part No.
No.
1. 714-0507
2. 756-0178
3. 784-5632B
4. 710-0347
5. 738-0281
6. 736-0174
7. 732-0611
8. 712-3068
9. 710-0642
10. 711-04283
11. 05931A
12. 741-0309
13. 710-0451
14. 705-5226
15. 684-04132
16. 712-04063
17. 714-0161
18. 715-04021
19. 717-0528A
20. 717-0526
21. 731-2635
22. 731-2643
23. 718-04071
24. 790-00087
25. 721-0325
26. 710-0726
Part Description
Cotter Pin
Flat Idler
Auger Idler Arm
Hex Cap Screw 3/8-16 x 1.75
Shoulder Screw
Wave Washer
Extension Spring
Hex Nut 5/16-18
Self Tapping Screw, 1/4-20 x.75
Auger Axle, 28"
Housing
Ball Bearing
Carriage Bolt, 5/16-18 x.75
Chute Reinforcement
Auger Housing Assembly, 28"
Flange Lock Nut 5/16-18
Hi-Pro Key, 3/16 x 5/8
Dowel Pin
Worm Gear, 20-tooth
Worm Shaft
Clean-Out Tool Mount
Clean-Out Tool
Thrust Collar
Bearing Housing
Grease Plug
Hex Screw 5/16-12
Ref.
No.
27.
28.
29.
30.
31.
32.
33.
34.
35.
36.
37.
38.
39.
40.
41.
42.
43.
44.
45.
46.
47.
48.
49.
50.
51.
Part No.
725-0157
712-04065
741-0245
790-00091
721-0327
736-0351
790-00118
710-0451
684-0065
715-0114
618-04206
684-04108
736-0188
741-0493A
684-04107
738-04124
731-04870
618-0123
721-0179
741-0661A
618-0124
736-3084
741-0662
741-0663
737-3000
Part Description
Cable Tie
Flange Lock Nut 3/8-16
Hex Flange Bearing
Skid Shoe
Grease Seal
Flat Washer,.76 x 1.5 x.030
Shave Plate, 28"
Carriage Bolt 5/16-18 x 1.00
Impeller Assembly
Pin
Gear Assembly Complete, 28"
Spiral Assembly - RH
Fiat Washer
Flange Bushing
Spiral Assembly - LH
Shear Pin,.25 x 1.50
Spacer, 1.25OD x.751D x 1.00 Lg.
RH Housing (Incl ref. 45 & 46)
Oil Seal
Flange Bearing
LH Housing (Incl ref. 45 & 46)
Fiat Washer,.51 x 1.12 x.06
Flange Bearing,.75 x 1.0 x.59
Flange Bearing,.503 ID x.75 OD
Lube Fitting, 3/16 Drive
21

Model1130
15\ s
x
44
35\
45
47
18
17
13
42
22

Model1130
Ref. Part No.
No.
1. 714-0507
2. 756-0178
3. 784-5632B
4. 710-0347
5. 738-0281
6. 736-0174
7. 732-0611
8. 712-3068
9. 710-0642
10. 711-04282
11. 05931A
12. 741-0309
13. 710-0451
14. 705-5226
15. 684-04137
16. 712-04063
17. 714-0161
18. 715-04021
19. 717-0528A
20. 717-0526
21. 731-2635
22. 731-2643
23. 718-04071
24. 790-00138
25. 721-0325
26. 710-0726
Part Description
Cotter Pin
Flat Idler
Auger Idler Arm
Hex Cap Screw 3/8-16 x 1.75
Shoulder Screw
Wave Washer
Extension Spring
Hex Nut 5/16-18
Self Tapping Screw, 1/4-20 x.75
Auger Axle, 30"
Housing
Ball Bearing
Carriage Bolt, 5/16-18 x.75
Chute Reinforcement
Auger Housing Assembly, 30"
Flange Lock Nut 5/16-18
Hi-Pro Key, 3/16 x 5/8
Dowel Pin
Worm Gear, 20-tooth
Worm Shaft
Clean-Out Tool Mount
Clean-Out Tool
Thrust Collar
Bearing Housing w/Grs. Ftg.
Grease Plug
Hex Screw 5/16-12
Ref.
No.
27.
28.
29.
30.
31.
32.
33.
34.
35.
36.
37.
38.
39.
40.
41.
42.
43.
44.
45.
46.
47.
48.
49.
50.
51.
Part No.
725-0157
712-04065
741-0245
790-00091
721-0327
736-0351
790-00119
710-0451
684-0065
715-0114
618-04234
684-04108
736-0188
741-0493A
684-04107
738-04124
731-04870
618-0123
721-0179
741-0661A
741-0339
618-0418
736-3084
741-0662
741-0663
731-04871
Part Description
Cable Tie
Flange Lock Nut 3/8-16
Hex Flange Bearing
Skid Shoe
Grease Seal
Flat Washer,.76 x 1.5 x.030
Shave Plate, 30"
Carriage Bolt 5/16-18 x 1.00
Impeller Assembly
Pin
Gear Assembly Complete, 30"
Spiral Assembly - RH
Fiat Washer
Flange Bushing
Spiral Assembly - LH
Shear Pin,.25 x 1.50
Spacer, 1.25OD x.751D x 1.00 Lg.
RH Housing (Incl ref. 45 & 46)
Oil Seal
Flange Bearing - RH Housing
Flange Bearing - LH Housing
LH Housing (Incl ref. 45 & 46)
Flat Washer,.51 x 1.12 x.06
Flange Bearing,.75 x 1.0 x.59
Flange Bearing,.503 ID x.75 OD
Spacer, 1.25OD x.751D x 3/16 Lg.
23

Models1028& 1130
26
28/
Sup_
on engine
29
27
2
/
21 16
23X
16
19
\\ \
16\
16 \
19 \ _,
11 10
\
12
18
13
14
4
\\ \
I
I I
I
\\\\
2O
25
24
24

Models1028& 1130
Ref.
No.
1.
2.
3.
4.
5.
6.
7.
8.
9.
10.
11.
12.
13.
14.
15.
16.
18.
19.
20.
21.
22.
23.
24.
25.
26.
27.
28.
29.
30.
31.
32.
33.
Part No. Part Description
710-0896
731-1324
732-0710
710-0627
710-3005
05896A
748-0234
756-0987
754-0346
756-0986
736-0270
710-0230
756-0313
710-1245B
712-0181
756-0569
736-0505
754-0430B
756-0967
736-0247
736-0331
710-0696
748-0360
710-0654A
629-0071
OEM-390-987
751428974
75142896
7511A173106
684-04014A
710-04082
712-3004A
Hex Washer Screw 1/4-14 x.625
Belt Cover
Extension Spring
Hex Screw 5/16-24 x.75
Hex Cap Screw 3/8-16 x 1.25
Drive Clutch Idler Bracket
Shoulder Spacer
Pulley Half
V-Belt
Pulley Half
Bell Washer
Hex Cap Screw 1/4-28 x.50
Flat Idler
Lock Hex Cap Screw 5/16-24
Lock Jam Nut 3/8-16
Pulley Half
Flat Washer
Belt
Auger Pulley
Flat Washer 3/8 x 1.25 OD
Bell Washer
Hex Cap Screw 3/8-24
Adapter Pulley
Hex Screw 3/8-16 x 1.0
Extension Cord
Electric Start Kit
Hex Screw #6-32 x 2.5
Hex Screw 1/4-20 x.500
Electric Starter
Engine Shroud Assembly
Screw #10-16 x.75
Flange Lock Nut 5/16-18
IMPORTANT: For a proper working machine, use Factory
Approved Parts.
V-BELTS are specially designed to engage and disengage
safely. A substitute (non OEM) V-Belt can be dangerous by
not disengaging completely
25

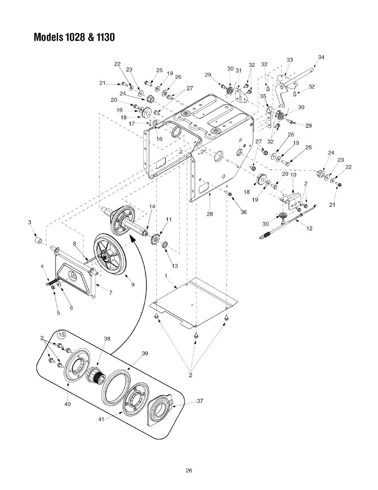
Models1028& 1130
22
'\\ 23
\\\
21_
20
\\
\\
\\
9
25
//
I
I
I
19 26
11
\\\13
29\
28
32
30 31
33 34
32
32
24
23
40
38
39
//
/,
/
/
/
/
/
/
2
-37
26

Models1028&1130
Ref.
No.
1.
2.
3.
4.
5.
6.
7.
8.
9.
10.
11.
12.
13.
14.
15.
16.
17.
18.
19.
20.
21.
Part No.
784-5648
710-0896
748-0190
732-0264
712-0711
736-0105
684-0021
746-0898B
656-0012A
784-5689A
713-0413
746-0897
750-0997
711-1042
684-0042C
736-0160
714-0474
741-0563
736-0242
710-0538
710-0875
Part Description
Frame Cover
Tap Screw 1/4-14 x.625
Spacer.508 ID x.75 OD
Extension Spring
Jam Nut 3/8-24
Bell Washer.401 ID x.87 OD
Friction Whl Support Bracket
Drive Cable 39.88"
Friction Disc
Front Support Guide Bracket
10T Sprocket
Auger Cable 44.75"
Spacer.675 ID x 1" OD
Hex Track Shaft
Friction Wheel Assembly
Flat Washer.536 ID x.93 OD
Cotter Pin
Ball Bearing
Bell Washer.34 ID x.872 OD
Hex Cap Screw 5/16-18 x.625
Tap Screw 1/4-20 x.75
Ref.
No.
22.
23.
24.
25.
26.
27.
28.
29.
30.
31.
32.
33.
34.
35.
36.
37.
38.
39.
40.
41.
Part No.
736-0270
736-0176
741-1111
710-0643
748-0234
710-0726
684-0031
738-0924
756-0625
784-5688
710-0599
784-5590
684-0014B
784-5687A
710-0809
618-0063A
718-0301A
735-0243B
790-00011
790-00010
Part Description
Bell Washer.265 ID x.75 OD
Flat Washer 1/4 ID x.93 OD
Hex Flange Bearing
Hex Cap Screw 5/16-18 x 1"
Shoulder Spacer
Tap Screw 5/16-12 x.750
Frame Assembly
Hex Screw 1/4-28 x.375
Cable Roller
Drive Cable Guide Bracket
Tap Screw 1/4-20 x.5
Shift Frame Bracket
Shift Rod Assembly
Auger Cable Guide Bracket
Tap Screw 1/4-20 x 1.250
Friction Wheel Bearing
Friction Wheel Hub
Friction Wheel Rubber
Friction Plate
Friction Plate
27

Models1028& 1130
5
13
10
/ _12
16
/ i
14
\ 13
"17
14
28

Models1028& 1130
Ref.
No.
1.
2.
3.
4.
5.
6.
7.
8.
9.
10.
11.
12.
13.
14.
15.
16.
17.
18.
19.
20.
21.
22.
23.
24.
25.
26.
27.
28.
Part No.
720-0223
710-0726
784-5642
710-0157
736-0242
684-0038
710-0459A
712-0214
748-0353A
750-0547
784-5609
684-0009
712-0346
731-1292
736-0272
731-1538A
631-0032
750-0995
738-0140
736-0406
750-0909
712-04063
618-0044
684-0024
710-1231
784-5639
711-0911
713-0233
Part Description
Grip
Tap Screw, 5/16-12 x.750
Track Lockout Plate
Hex Cap Screw, 5/16-24 x.75
Bell Washer,.34 ID x.872 OD
Track Lock Handle Assembly
Hex Cap Screw, 3/8-24 x 1.5
Hex Nut, 3/8-24
Lift Shaft Drive
Spacer,.628 ID x.875 OD x.5
Steering Cable Bracket
Track Pivot Rod Assembly
Jam Nut, 1/2-20
Snow Track
Flat Washer,.5 x 1 x.06
Track Drive Wheel
Track Idler Wheel
Spacer,.51 ID x.75 OD x 1.67
Screw,.435 x. 178-5/16 x.56
Flat Washer,.442 x 1.38 x.06
Spacer,.51 ID x 10D x 1.34
Flange Lock Nut, 5/16-18
LH Dogg Assembly
Idler Axle Assembly
Eye Bolt, 5/16-18 x 3
Track Side Plate
Actuator Shaft
Chain
Ref.
No.
29.
30.
31.
32.
33.
34.
35.
36.
37.
38.
39.
40.
41.
42.
44.
45.
46.
47.
48.
49.
50.
51.
52.
53.
54.
55.
56.
Part No.
618-0169A
683-0024
713-0437
741-0339
736-0287
611-0053
750-0904
618-0043
750-0903
732-0209
710-0602
719-0295A
746-0948
746-0950A
710-1233
716-0114
618-0046B
717-1211B
716-0115
713-0414
711-0912
736-0502
736-0336
715-0120
717-1209A
717-1210A
725-0157
Part Description
Track/Steering Shaft Ass'y
Track Hub Ass'y
Chain
Flange Bearing
Flat Washer,.793 x 1.24 x.06
Axle Assembly
Spacer,.514 x.630 x 1.59
RH Dogg Assembly
Spacer,.514 x.630 x 2.44
Extension Spring
Tap Screw, 5/16-18 x 1
Track Housing
Steering Cable
Steering Trigger
Screw, #10-24 x 1.375
Retaining Ring
Carrier Assembly
Ring Gear
Retaining Ring
13-Tooth Sprocket
Track Steering Drive Shaft
Flat Washer,.58 x 1.06 x.02
Flat Washer, 5/8 x 1 x.03
Spiral Pin, 3/16 x 1
12-Tooth Gear
18-Tooth Gear
Cable Tie
29

NOTES
30

MANUFACTURER'S LIMITED COMMERCIAL WARRANTY
FOR:
®
The limited warranty set forth below is given by Troy-Bilt LLC
with respect to new merchandise used for commercial
purposes and purchased and used in the United States and/
or its territories and possessions, and by MTD Products
Limited with respect to new merchandise purchased and used
in Canada and/or its territories and possessions (either entity
respectively, "Troy-Bilt").
"Troy-Bilt" warrants this product (excluding its normal wear
parts as described below) against defects in material and
workmanship for a period of ninety (90) days commencing on
the date of original purchase and will, at its option, repair or
replace, free of charge, any part found to be defective in
materials or workmanship. This limited warranty shall only
apply if this product has been operated and maintained in
accordance with the Operator's Manual furnished with the
product, and has not been subject to misuse, abuse, neglect,
accident, improper maintenance, alteration, vandalism, theft,
fire, water, or damage because of other peril or natural
disaster. Damage resulting from the installation or use of any
part, accessory or attachment not approved by Troy-Bilt for
use with the product(s) covered by this manual will void your
warranty as to any resulting damage.
Normal wear parts are warranted to be free from defects in
material and workmanship for a period of thirty (30) days from
the date of purchase. Normal wear parts include, but are not
limited to items such as: batteries, belts, blades, blade
adapters, grass bags, rider deck wheels, seats, snow thrower
skid shoes, friction wheels, shave plates, auger spiral rubber
and tires.
HOW TO OBTAIN SERVICE: Warranty service is available,
WITH PROOF OF PURCHASE, through your local authorized
service dealer. To locate the dealer in your area:
In the U.S.A.
Check your Yellow Pages, or contact Troy-Bilt LLC at P.O.
Box 361131, Cleveland, Ohio 44136-0019, or call 1-866-840-
6483 or 1-330-558-7220, or log on to our Web site at
www.troybilt.com.
In Canada
Contact MTD Products Limited, Kitchener, ON N2G 4J1, or
call 1-800-668-1238 or log on to our Web site at
www.mtdcanada.com.
This limited warranty does not provide coverage in the
following cases:
a. The engine or component parts thereof. These items
may carry a separate manufacturer's warranty. Refer
to applicable manufacturer's warranty for terms and
conditions.
b. Log splitter pumps, valves, and cylinders have a
separate one- year warranty.
c. Routine maintenance items such as lubricants, filters,
blade sharpening, tune-ups, brake adjustments, clutch
adjustments, deck adjustments, and normal
deterioration of the exterior finish due to use or
exposure.
d. Service completed by someone other than an
authorized service dealer.
e. Troy-Bilt does not extend any warranty for products
sold or exported outside of the United States and/or
Canada, and their respective possessions and
territories, except those sold through Troy-Bilt's
authorized channels of export distribution.
f. Replacement parts that are not genuine Troy-Bilt parts.
g. Transportation charges and service calls.
No implied warranty, including any implied warranty of
merchantability of fitness for a particular purpose,
applies after the applicable period of express written
warranty above as to the parts as identified. No other
express warranty, whether written or oral, except as
mentioned above, given by any person or entity,
including a dealer or retailer, with respect to any product,
shall bind Troy-Bilt. During the period of the warranty, the
exclusive remedy is repair or replacement of the product
as set forth above.
The provisions as set forth in this warranty provide the
sole and exclusive remedy arising from the sale. Troy-Bilt
shall not be liable for incidental or consequential loss or
damage including, without limitation, expenses incurred
for substitute or replacement lawn care services or for
rental expenses to temporarily replace a warranted
product.
Some jurisdictions do not allow the exclusion or limitation of
incidental or consequential damages, or limitations on how
long an implied warranty lasts, so the above exclusions or
limitations may not apply to you.
In no event shall recovery of any kind be greater than the
amount of the purchase price of the product sold. Alteration
of safety features of the product shall void this warranty.
You assume the risk and liability for loss, damage, or injury to
you and your property and/or to others and their property
arising out of the misuse or inability to use the product.
This limited warranty shall not extend to anyone other than
the original purchaser or to the person for whom it was
purchased as a gift.
HOW LOCAL LAWS RELATE TO THIS WARRANTY: This
limited warranty gives you specific legal rights, and you may
also have other rights that vary in different jurisdictions.
IMPORTANT: Owner must present Original Proof of
Purchase to obtain warranty coverage.
Troy-Bilt LLC, P.O.BOX361131CLEVELAND,OHIO44136-0019; Phone:1-866-840-6483,1-330-558-7220
MTD Canada Limited - KITCHENER, ON N2G 4J1; Phone 1-800-668-1238
31

MANUFACTURER'S LIMITED WARRANTY FOR:
®
m
The limited warranty set forth below is given by Troy-Bilt LLC
with respect to new merchandise purchased and used in the
United States and/or its territories and possessions, and by
MTD Products Limited with respect to new merchandise
purchased and used in Canada and/or its territories and
possessions (either entity respectively, "Troy-Bilff).
"Troy-Bilt" warrants this product (excluding its normal wear
parts as described below) against defects in material and
workmanship for a period of two (2) years commencing on the
date of original purchase and will, at its option, repair or
replace, free of charge, any part found to be defective in
materials or workmanship. This limited warranty shall only
apply if this product has been operated and maintained in
accordance with the Operator's Manual furnished with the
product, and has not been subject to misuse, abuse,
commercial use, neglect, accident, improper maintenance,
alteration, vandalism, theft, fire, water, or damage because of
other peril or natural disaster. Damage resulting from the
installation or use of any part, accessory or attachment not
approved by Troy-Bilt for use with the product(s) covered by
this manual will void your warranty as to any resulting
damage.
Normal wear parts are warranted to be free from defects in
material and workmanship for a period of thirty (30) days from
the date of purchase. Normal wear parts include, but are not
limited to items such as: batteries, belts, blades, blade
adapters, grass bags, rider deck wheels, seats, snow thrower
skid shoes, friction wheels, shave plates, auger spiral rubber
and tires.
HOW TO OBTAIN SERVICE: Warranty service is available,
WITH PROOF OF PURCHASE, through your local authorized
service dealer. To locate the dealer in your area:
In the U.S.A.
Check your Yellow Pages, or contact Troy-Bilt LLC at P.O.
Box 361131, Cleveland, Ohio 44136-0019, or call 1-866-840-
6483 or 1-330-558-7220, or log on to our Web site at
www.troybilt.com.
In Canada
Contact MTD Products Limited, Kitchener, ON N2G 4J1, or
call 1-800-668-1238 or log on to our Web site at
www.mtdcanada.com.
This limited warranty does not provide coverage in the
following cases:
a. The engine or component parts thereof. These items
may carry a separate manufacturer's warranty. Refer
to applicable manufacturer's warranty for terms and
conditions.
b. Log splitter pumps, valves, and cylinders have a
separate one- year warranty.
c. Routine maintenance items such as lubricants, filters,
blade sharpening, tune-ups, brake adjustments, clutch
adjustments, deck adjustments, and normal
m_m
deterioration of the exterior finish due to use or
exposure.
d. Service completed by someone other than an
authorized service dealer.
e. Troy-Bilt does not extend any warranty for products
sold or exported outside of the United States and/or
Canada, and their respective possessions and
territories, except those sold through Troy-Bilt's
authorized channels of export distribution.
f. Replacement parts that are not genuine Troy-Bilt parts.
g. Transportation charges and service calls.
h. If Products are used commercially. (Troy-Biltmay
separately offer Limited Commercial Warranties on
certain select products. Ask your dealer or retailer for
details or contact Troy-Bilt Service for more
information.)
No implied warranty, including any implied warranty of
merchantability of fitness for a particular purpose,
applies after the applicable period of express written
warranty above as to the parts as identified. No other
express warranty, whether written or oral, except as
mentioned above, given by any person or entity,
including a dealer or retailer, with respect to any product,
shall bind Troy-Bilt. During the period of the warranty, the
exclusive remedy is repair or replacement of the product
as set forth above.
The provisions as set forth in this warranty provide the
sole and exclusive remedy arising from the sale. Troy-Bilt
shall not be liable for incidental or consequential loss or
damage including, without limitation, expenses incurred
for substitute or replacement lawn care services or for
rental expenses to temporarily replace a warranted
product.
Some jurisdictions do not allow the exclusion or limitation of
incidental or consequential damages, or limitations on how
long an implied warranty lasts, so the above exclusions or
limitations may not apply to you.
In no event shall recovery of any kind be greater than the
amount of the purchase price of the product sold. Alteration
of safety features of the product shall void this warranty.
You assume the risk and liability for loss, damage, or injury to
you and your property and/or to others and their property
arising out of the misuse or inability to use the product.
This limited warranty shall not extend to anyone other than
the original purchaser or to the person for whom it was
purchased as a gift.
HOW LOCAL LAWS RELATE TO THIS WARRANTY: This
limited warranty gives you specific legal rights, and you may
also have other rights that vary in different jurisdictions.
IMPORTANT: Owner must present Original Proof of
Purchase to obtain warranty coverage.
Troy-Bilt LLC, P.O.BOX361131CLEVELAND,OHIO44136-0019; Phone:1-866-840-6483,1-330-558-7220
MTD Canada Limited- KITCHENER,ON N2G4J1; Phone1-800-668-1238