Toro 4100 D Users Manual Gm4100 0
!! Toro-31 Toro Lawn Mower Manuals - Lawn Mower Manuals – The Best Lawn Mower Manuals Collection
4100-D to the manual 76f1f948-579f-4d81-a6be-d65c3880b8cc
2015-01-21
: Toro Toro-4100-D-Users-Manual-350558 toro-4100-d-users-manual-350558 toro pdf
Open the PDF directly: View PDF
.
Page Count: 298 [warning: Documents this large are best viewed by clicking the View PDF Link!]
- Preface
- Table of Contents
- 1 - Safety
- 2 - Product Records and Maintenance
- 3 - Kubota Diesel Engine
- Kubota Diesel Engine Service Manual
- 4 - Hydraulic System
- Specifications
- General Information
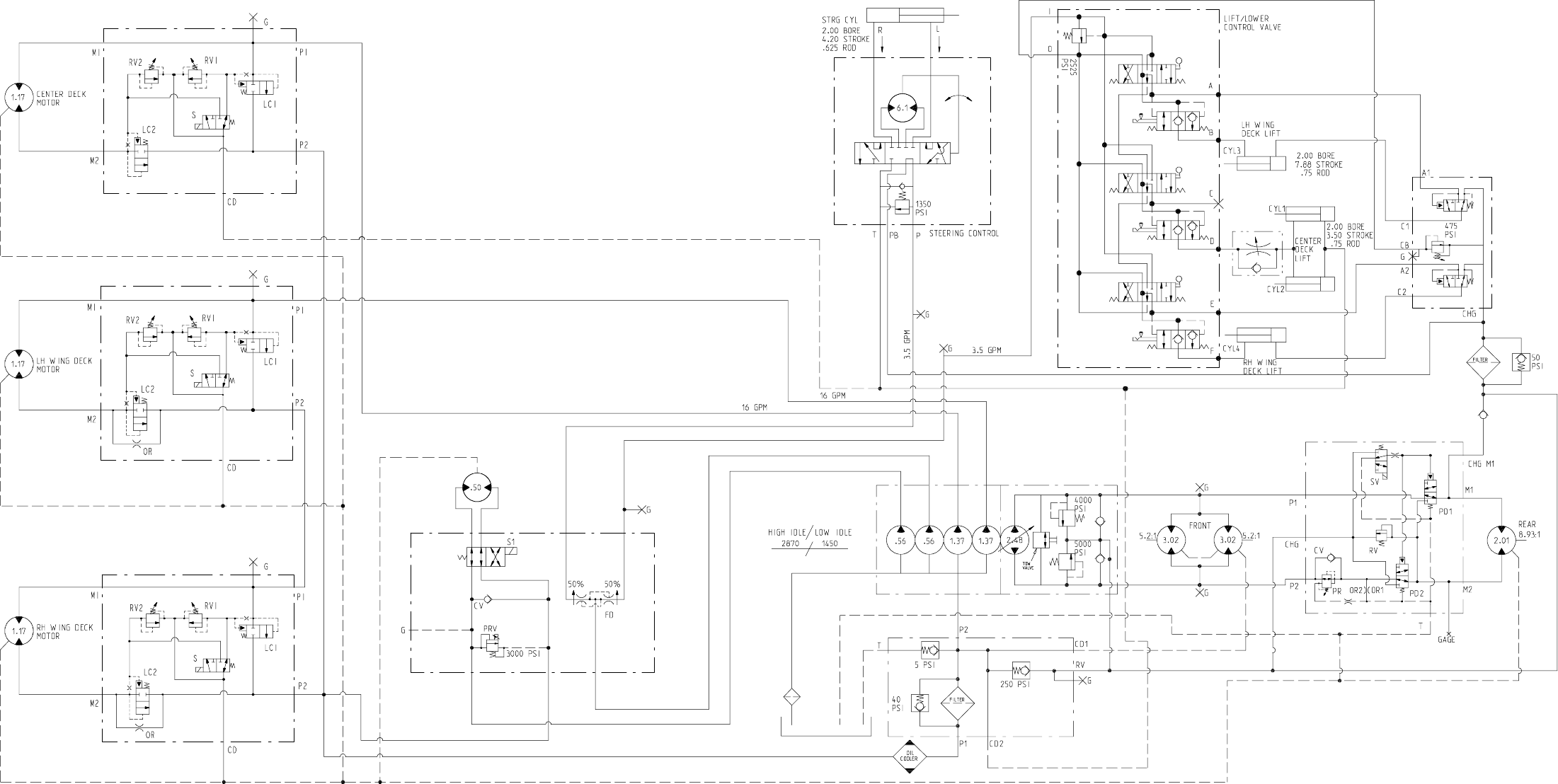
- Hydraulic Schematic
- Hydraulic Flow Diagrams
- Special Tools
- Troubleshooting
- Testing
- Traction Circuit Charge Pressure
- Traction Circuit Relief Pressure
- Counterbalance Pressure
- Rear Traction Circuit (RV) Relief Pressure
- Traction Circuit Reducing Valve (PR) Pressure
- Cutting Deck Circuit Pressure
- PTO Relief Pressure
- Cutting Deck Gear Pump Flow
- Cutting Deck Motor Case Drain Leakage
- Steering Circuit Relief Pressure
- Lift/Lower Circuit Relief Pressure
- Steering and Lift/Lower Gear Pump Flow
- Engine Cooling Fan Circuit
- Engine Cooling Fan Circuit Gear Pump Flow
- Adjustments
- Service and Repairs
- General Precautions for Removing and Installing Hydraulic System Components
- Check Hydraulic Lines and Hoses
- Flush Hydraulic System
- Charge Hydraulic System
- Hydraulic Reservoir
- Hydraulic Oil Cooler
- Gear Pump
- Gear Pump Service
- Traction Circuit
- Piston (Traction) Pump
- Piston (Traction) Pump Service
- Piston (Traction) Pump Service
- Rear Axle Motor
- Front Wheel Motors
- Rear Axle and Front Wheel Motor Service
- 4WD Manifold
- 4WD Manifold Service
- Filter Manifold
- Filter Manifold Service
- Steering and Cooling Fan Circuits
- Steering Valve
- Steering Valve Service
- Steering Cylinder
- Steering Cylinder Service
- Engine Cooling Fan Motor
- Engine Cooling Fan Motor Service
- Fan Drive Manifold
- Fan Drive Manifold Service
- Mow Circuit
- Cutting Deck Motor
- Cutting Deck Motor Service
- Deck Manifolds
- Deck Manifold Service
- Lift/Lower Circuit
- Lift/Lower Control Valve
- Lift/Lower Control Valve Service
- Front Deck Lift Cylinder
- Wing Deck Lift Cylinder
- Deck Lift Cylinder Service
- Counterbalance Manifold
- Counterbalance Manifold Service
- Eaton Piston Pump Repair Information
- Eaton Piston Motor Repair Information
- 5 - Electrical System
- General Information
- Special Tools
- Troubleshooting
- Electrical System Quick Checks
- Adjustments
- Component Testing
- Ignition Switch
- Fuses
- Warning Lights
- PTO Switch
- Alarm Silence and Temperature Override Switches
- Transport / 4WD Switch
- Cooling Fan Switch
- Seat Switch
- Parking Brake Switch
- Hour Meter
- Audio Alarm
- Glow and Power Relays
- Start, Engine Shutdown, Seat, Alarm, PTO, PTO Overtemp, Down Latching and Over
- Hydraulic Valve Solenoids
- TEC--5002 Controller
- Fuel Sender
- Fuel Gauge
- Fuel Pump
- Glow Controller
- Temperature Sender
- Dual Temperature Switch
- Temperature Gauge
- Traction Neutral Switch
- Diode Assemblies
- Diode Circuit Board
- Fusible Links
- Wing Deck Position Switches
- Cutting Deck Raise and Lower Switches
- Engine Coolant and Hydraulic Oil Temperature Senders
- Service and Repairs
- 6 - Axles, Planetaries and Brakes
- 7 - Chassis
- 8 - Cutting Deck
- 9 - Foldout Drawings
- Hydraulic Schematic
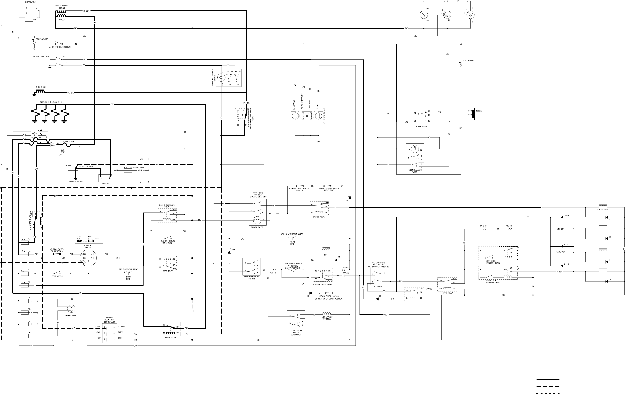
- Electrical Schematic
- Glow Plug Circuits
- Crank Circuits
- Run (Transport) Circuits
- Run (Mow) Circuits
- High Temperature Warning Circuits
- Over Temperature Shutdown Circuits
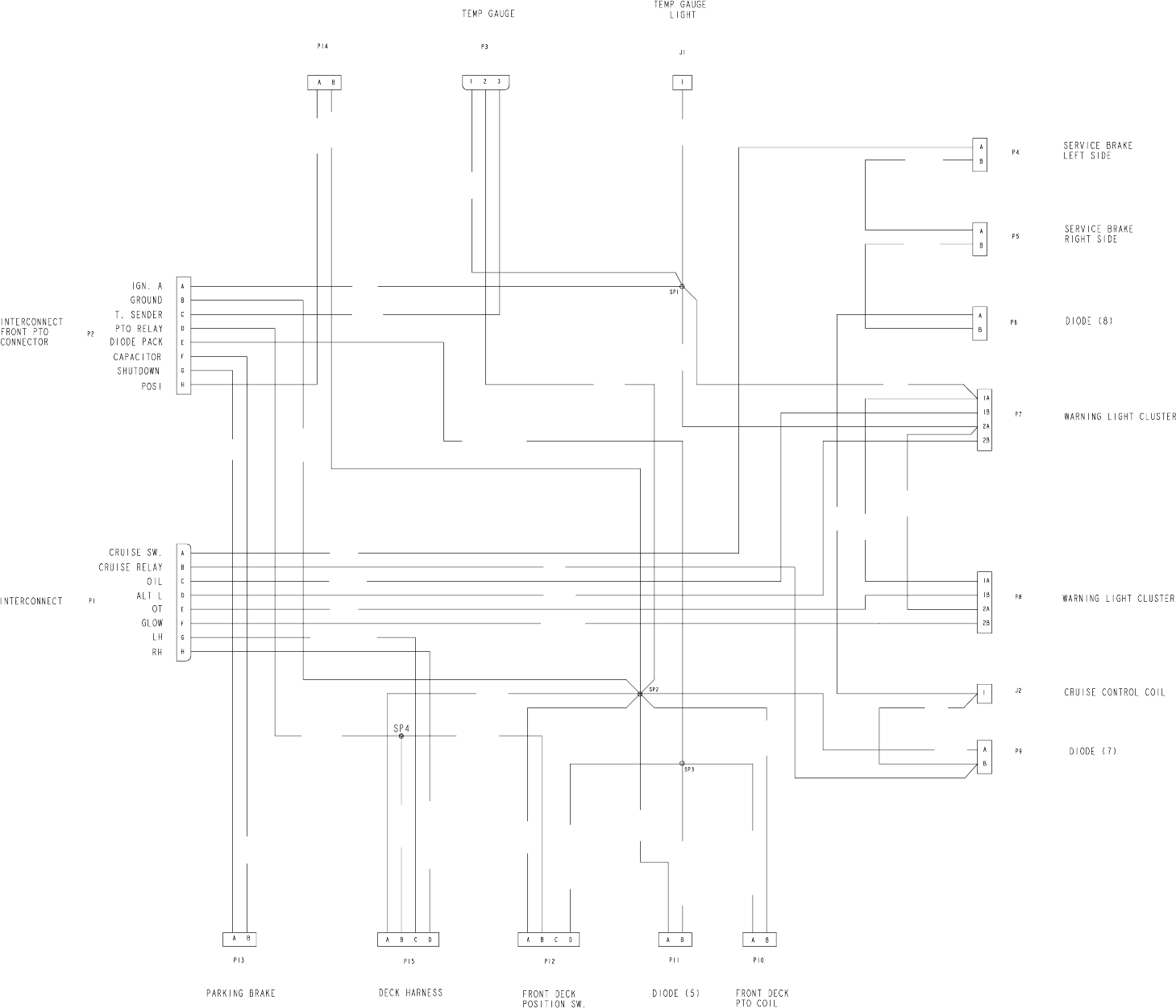
- Console Wire Harness
- Console Wire Harness Diagram
- Front Wire Harness
- Front Wire Harness Diagram
- Engine Wire Harness
- Engine Wire Harness Diagram
- Jumper Wire Harness
- Cutting Deck Wire Harness

(Model 30413)
Part No. 08162SL (Rev. A)
Service Manual
GroundsmasterR4100--D
Preface
The purpose of this publication is to provide the service
technician with information for troubleshooting, testing
and repair of major systems and components on the
Groundsmaster 4100--D (Model 30413).
REFER TO THE OPERATOR’S MANUAL FOR OPER-
ATING, MAINTENANCE AND ADJUSTMENT
INSTRUCTIONS. For reference, insert a copy of the
Operator’s Manual and Parts Catalog for your machine
into Chapter 2 of this service manual. Additional copies
of the Operator’s Manual and Parts Catalog are avail-
able on the internet at www.Toro.com.
TheToroCompanyreservestherighttochangeproduct
specifications or this publication without notice.
This safety symbol means DANGER, WARNING
or CAUTION, PERSONAL SAFETY INSTRUC-
TION. When you see this symbol, carefully read
the instructions that follow. Failure to obey the
instructions may result in personal injury.
NOTE: ANOTE will give general information about the
correct operation, maintenance, service, testing or re-
pair of the machine.
IMPORTANT: The IMPORTANT notice will give im-
portantinstructionswhich mustbefollowedtopre-
vent damage to systems or components on the
machine.
EThe Toro Company -- 2008, 2012
Groundsmaster 4100--D
This page is intentionally blank.

Groundsmaster 4100--D
Table Of Contents
Chapter 1 -- Safety
General Safety Instructions 1 -- 2..................
Jacking Instructions 1 -- 4.........................
Safety and Instruction Decals 1 -- 5................
Chapter 2 -- Product Records and Maintenance
Product Records 2 -- 1...........................
Maintenance 2 -- 1...............................
Equivalents and Conversions 2 -- 2................
Torque Specifications 2 -- 3.......................
Chapter 3 -- Kubota Diesel Engine
General Information 3 -- 2........................
Specifications 3 -- 3..............................
Service and Repairs 3 -- 4........................
KUBOTA WORKSHOP MANUAL, DIESEL ENGINE,
V2403--M--T--E3B SERIES
Chapter 4 -- Hydraulic System
Specifications 4 -- 2..............................
General Information 4 -- 3........................
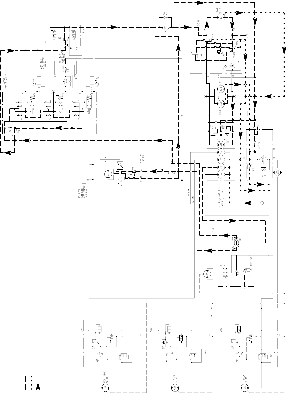
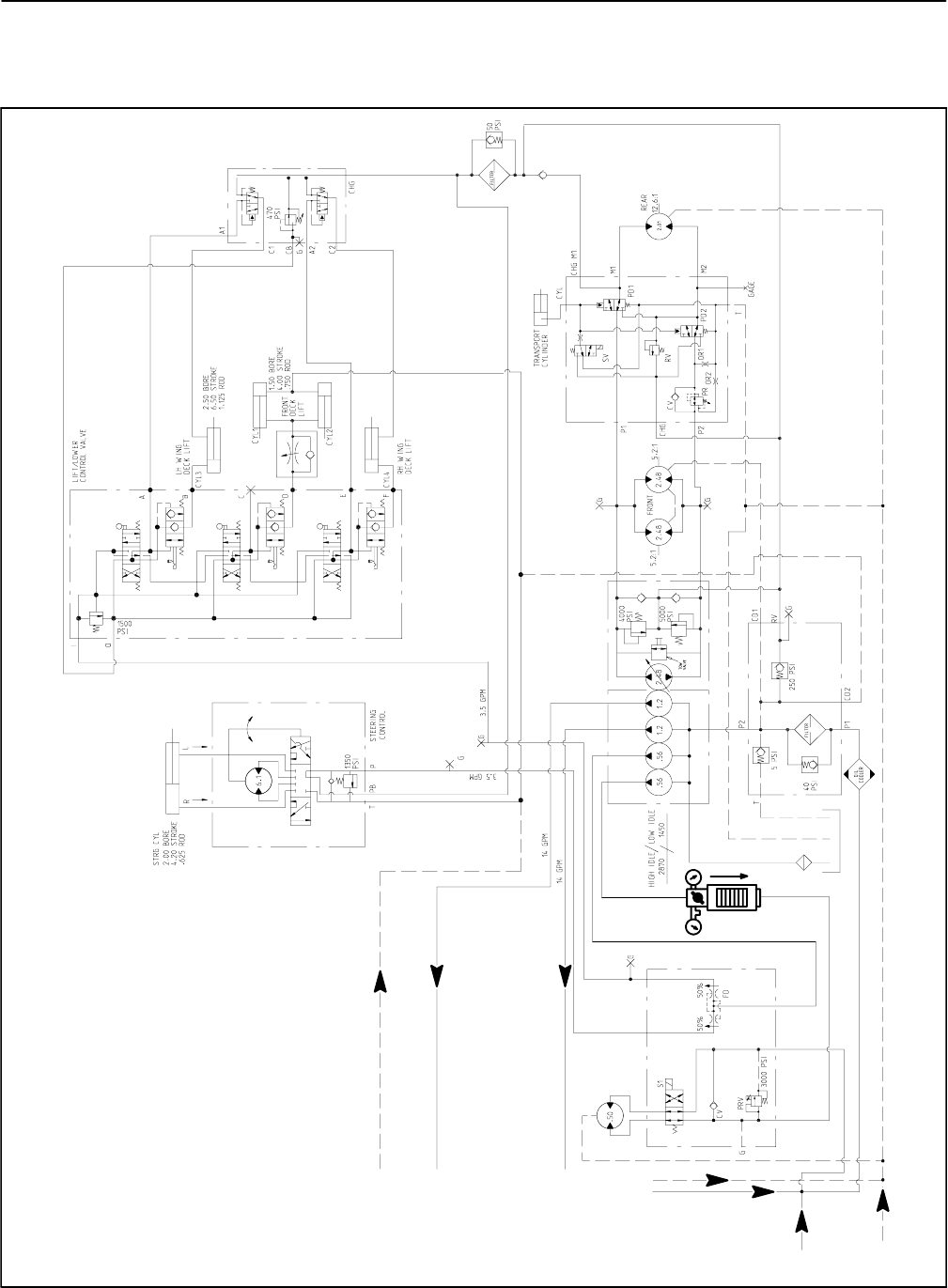
Hydraulic Schematic 4 -- 8........................
Hydraulic Flow Diagrams 4 -- 10...................
Special Tools 4 -- 26.............................
Troubleshooting 4 -- 28...........................
Testing 4 -- 31...................................
Adjustments 4 -- 60..............................
Service and Repairs 4 -- 61.......................
EATON MODEL 72400 SERVO CONTROLLED PIS-
TON PUMP REPAIR INFORMATION
EATON MODEL 74318 and 74348 PISTON MOTORS:
FIXED DISPLACEMENT, VALVE PLATE DESIGN
REPAIR INFORMATION
Chapter 5 -- Electrical System
General Information 5 -- 2........................
Special Tools 5 -- 3..............................
Troubleshooting 5 -- 5............................
Electrical System Quick Checks 5 -- 8..............
Adjustments 5 -- 9...............................
Component Testing 5 -- 11........................
Service and Repairs 5 -- 37.......................
Chapter 6 -- Axles, Planetaries and Brakes
Specifications 6 -- 2..............................
General Information 6 -- 3........................
Service and Repairs 6 -- 4........................
Chapter 7 -- Chassis
General Information 7 -- 1........................
Service and Repairs 7 -- 2........................
Chapter 8 -- Cutting Deck
Specifications 8 -- 2..............................
General Information 8 -- 3........................
Troubleshooting 8 -- 4............................
Service and Repairs 8 -- 6........................
Chapter 9 -- Foldout Drawings
Hydraulic Schematic 9 -- 3........................
Electrical Schematic 9 -- 4........................
Circuit Diagrams 9 -- 6...........................
Wire Harness Drawings 9 -- 12....................
SafetyProduct Records
and Maintenance
Kubota
Diesel Engine
Hydraulic
System
Electrical
System
Axles, Planetaries
and Brakes
Cutting Deck Chassis
Foldout
Drawings
Groundsmaster 4100--D
This page is intentionally blank.

Groundsmaster 4100--D Page 1 -- 1 Safety
Chapter 1
Safety
Table of Contents
GENERAL SAFETY INSTRUCTIONS 2............
Before Operating 2............................
While Operating 2.............................
Maintenance and Service 3....................
JACKING INSTRUCTIONS 4.....................
Jacking the Front End 4........................
Jacking the Rear End 4........................
SAFETY AND INSTRUCTION DECALS 5..........
Safety

Groundsmaster 4100--D
Page 1 -- 2
Safety
General Safety Instructions
The GROUNDSMASTER 4100-D was tested and certi-
fied by TORO for compliance with existing safety stan-
dards and specifications. Although hazard control and
accident prevention partially are dependent upon the
design and configuration of the machine, these factors
are also dependent upon the awareness, concern and
proper training of the personnel involved in the opera-
tion, transport, maintenance and storage of the ma-
chine.Improperuseormaintenanceofthemachinecan
resultininjuryordeath.Toreducethepotentialforinjury
or death, comply with the following safety instructions.
WARNING
To reduce the potential for injury or death,
comply with the following safety instructions.
Before Operating
1. Review and understand the contents of the Opera-
tor’s Manual and Operator’s DVD before starting and
operatingthevehicle. Become familiar with the controls
and know how to stop the vehicle and engine quickly.
AdditionalcopiesoftheOperator’sManualareavailable
on the internet at www.Toro.com.
2. Keep all shields,safety devices and decals in place.
Ifashield,safetydeviceordecalisdefective,illegibleor
damaged, repair or replace it before operating the ma-
chine.Alsotightenanyloosenuts,boltsorscrewstoen-
sure machine is in safe operating condition.
3. Assure interlock switches are adjusted correctly so
engine cannot be started unless traction pedal is in
NEUTRAL and cutting deck is DISENGAGED.
4. Since diesel fuel is highly flammable, handle it care-
fully:
A. Use an approved fuel container.
B. Donotremovefueltankcapwhileengineishotor
running.
C. Do not smoke while handling fuel.
D. Fillfueltankoutdoorsandonlytowithinaninchof
the top of the tank, not the filler neck. Do not overfill.
E. Wipe up any spilled fuel.
While Operating
1. Sit on the seat when starting and operating the ma-
chine.
2. Before starting the engine:
A. Apply the parking brake.
B. Make sure traction pedal is in neutral and the
PTO switch is OFF (disengaged).
C. Afterengineisstarted,releaseparkingbrakeand
keepfootofftractionpedal.Machinemust notmove.
If movement is evident, the traction pedal linkage is
adjusted incorrectly; therefore, shut engine off and
adjust linkage until machine does not move when
traction pedal is released.
3. Do not run engine in a confined area without ade-
quate ventilation. Exhaust fumes are hazardous and
could possibly be deadly.
4. Do not touch engine, muffler or exhaust pipe while
engineisrunningorsoonafteritisstopped.Theseareas
could be hot enough to cause burns.
5. Before getting off the seat:
A. Ensure that traction pedal is in neutral.
B. Apply parking brake.
C. Disengage cutting deck and wait for blades to
stop.
D. Stop engine and remove key from switch.
E. Toro recommends that anytime the machine is
parked (short or long term), the cutting deck should
be lowered to the ground. This relieves pressure
from the lift circuit and eliminates the risk of the cut-
ting deck unexpectedly lowering to the ground.
F. Donotparkonslopesunlesswheelsarechocked
or blocked.

Groundsmaster 4100--D Page 1 -- 3 Safety
Maintenance and Service
1. Beforeservicingormakingadjustments,lowerdeck,
stop engine, apply parking brake and remove key from
the switch.
2. Make sure machine is in safeoperating condition by
keeping all nuts, bolts and screws tight.
3. Never store the machine or fuel container inside
wherethereisanopenflame,suchasnearawaterheat-
er or furnace.
4. Makesureall hydraulic line connectors are tight and
all hydraulic hoses and lines are in good condition be-
fore applying pressure to the system.
5. Keepbodyandhandsawayfrompinholeleaksinhy-
drauliclinesthatejecthighpressurehydraulicfluid.Use
cardboard or paper to find hydraulic leaks. Hydraulic
fluid escaping under pressure can penetrate skin and
cause injury. Fluid accidentally injected into the skin
mustbesurgicallyremovedwithinafewhoursbyadoc-
tor familiar with this form of injury or gangrene may re-
sult.
6. Before disconnecting or performing any work onthe
hydraulic system, all pressure in system must be re-
lieved by stopping engine and lowering cutting deck to
the ground.
7. Ifmajorrepairsareeverneededorassistance isde-
sired, contact an Authorized Toro Distributor.
8. To reduce potential fire hazard, keep engine area
free of excessive grease, grass, leaves and dirt. Clean
protective screen on machine frequently.
9. Ifenginemustberunningtoperformmaintenanceor
an adjustment, keep hands, feet, clothing and other
partsofthebodyawayfromcuttingdeckandothermov-
ing parts. Keep bystanders away.
10.Do not overspeed the engine by changing governor
setting.Toassuresafetyandaccuracy,checkmaximum
engine speed.
11.Shut engine off before checking or adding oil to the
crankcase.
12.Disconnect battery before servicing the machine.
Disconnect negative cable first and positive cable last.
If battery voltage is required for troubleshooting or test
procedures,temporarilyconnectthebattery.Reconnect
positive cable first and negative cable last.
13.Battery acid is poisonous and can cause burns.
Avoid contact with skin, eyes and clothing. Protect your
face, eyes and clothing when working with a battery.
14.Battery gases can explode. Keep cigarettes, sparks
and flames away from the battery.
15.At the time of manufacture, the machine conformed
tothe safetystandardsfor ridingmowers.Toassure op-
timumperformanceandcontinuedsafetycertificationof
the machine, use genuine Toro replacement parts and
accessories.Replacementpartsandaccessoriesmade
by other manufacturers may result in non-conformance
with the safety standards and the warranty may be
voided.
16.When changing attachments, tires or performing
other service, use correct blocks, hoists and jacks.
Make sure machine is parked on a solid level surface
suchasaconcretefloor.Priortoraisingthemachine,re-
move any attachments that may interfere with the safe
and proper raising of the machine. Always chock or
block wheels. Use appropriate jack stands to support
the raised machine. If the machine is not properly sup-
ported by jack stands, the machine may move or fall,
whichmayresultinpersonalinjury(seeJackingInstruc-
tions in this chapter).
Safety

Groundsmaster 4100--D
Page 1 -- 4
Safety
Jacking Instructions
CAUTION
When changing attachments, tires or perform-
ing other service, use correct jacks and sup-
ports. Make sure machine is parked on a solid,
level surface such as a concrete floor. Prior to
raising machine, remove any attachments that
may interfere with the safe and proper raising of
themachine.Alwayschockorblockwheels.Use
jack stands to support the raised machine. If the
machine is not properly supported by jack
stands, the machine may move or fall, which
may result in personal injury.
Jacking the Front End (Fig. 1)
1. Set parking brake and chock both rear tires to pre-
vent the machine from moving.
2. Positionjack securely undertheframe,justtothein-
side of the front tire. Jack front wheel off the ground.
3. Once the machine is raised, position suitable jack
standunderthe frame as close tothewheel aspossible
to support the machine.
Jacking the Rear End (Fig. 2)
1. Place jack securely under the center of rear axle.
2. Chock both front tires. Jack rear of machine off the
ground.
3. Oncethemachineisraised,usesuitablejackstands
under the rear axle to support the machine.
1. Frame jacking point 2. Front tire
Figure 1
1
2
21
1. Rear axle jacking point 2. Rear tire
Figure 2
12
2

Groundsmaster 4100--D Page 1 -- 5 Safety
Safety and Instruction Decals
Numerous safety and instruction decals are affixed to
theGroundsmaster4100--D.Ifanydecalbecomesilleg-
ible or damaged, install a new decal. Decal part num-
bers are listed in your Parts Catalog.
Safety
Groundsmaster 4100--D
Page 1 -- 6
Safety
This page is intentionally blank.

Rev. A
Groundsmaster 4100--D Page 2 -- 1 Product Records and Maintenance
Chapter 2
Product Records and Maintenance
Table of Contents
PRODUCT RECORDS 1.........................
MAINTENANCE 1..............................
EQUIVALENTS AND CONVERSIONS 2...........
Decimal and Millimeter Equivalents 2............
U.S. to Metric Conversions 2...................
TORQUE SPECIFICATIONS 3...................
Fastener Identification 3.......................
Using a Torque Wrench with an Offset Wrench 3..
Standard Torque for Dry, Zinc Plated and
Steel Fasteners (Inch Series) 4...............
Standard Torque for Dry, Zinc Plated and
Steel Fasteners (Metric) 5....................
Other Torque Specifications 6..................
Conversion Factors 6.........................
Product Records
Insert Operator’s Manual and Parts Catalog for your
Groundsmaster4100--Dattheendofthischapter.Refer
to Operator’s Manual for recommended maintenance
intervals. Additionally, insert Installation Instructions,
Operator’s Manuals and Parts Catalogs for any acces-
sories that have been installed on your Groundsmaster
at the end of this section.
Maintenance
Maintenanceproceduresandrecommendedservicein-
tervals for the Groundsmaster 4100--D are covered in
the Operator’s Manual. Refer to that publication when
performing regular equipment maintenance. Several
maintenanceprocedureshavebreak--inintervalsidenti-
fiedintheOperator’sManual.RefertotheEngineOper-
ator’s Manual for additional engine specific
maintenance procedures.
Product Records
and Maintenance

0.09375
Groundsmaster 4100--DPage 2 -- 2Product Records and Maintenance
Equivalents and Conversions

Rev. A
Groundsmaster 4100--D Page 2 -- 3 Product Records and Maintenance
Torque Specifications
Recommended fastener torque values are listed in the
following tables. For critical applications, as determined
byToro,eithertherecommendedtorqueoratorquethat
is unique to the application is clearly identified and spe-
cified in this Service Manual.
These Torque Specifications for the installation and
tightening of fasteners shall apply to all fasteners which
do not have a specificrequirement identifiedin this Ser-
vice Manual. The following factors shall be considered
when applying torque: cleanliness of the fastener, use
of a thread sealant (e.g. Loctite), degree of lubrication
on the fastener, presence of a prevailing torque feature
(e.g. Nylock nut), hardness of the surface underneath
thefastener’sheadorsimilarconditionwhichaffectsthe
installation.
Asnotedinthefollowingtables,torquevaluesshouldbe
reduced by 25% for lubricated fasteners to achieve
the similar stress as a dry fastener. Torque values may
also have to be reduced when the fastener is threaded
into aluminum or brass. The specific torque value
should be determined based on the aluminum or brass
material strength, fastener size, length of thread en-
gagement, etc.
The standard method of verifying torque shall be per-
formed by marking a line on the fastener (head or nut)
and mating part, then back off fastener 1/4 of a turn.
Measurethe torquerequiredtotighten thefasteneruntil
thelinesmatchup.
Fastener Identification
Figure 1
Grade 1 Grade 5 Grade 8
Inch Series Bolts and Screws Figure 2
Class 8.8 Class 10.9
Metric Bolts and Screws
Using a Torque Wrench with an Offset Wrench
Useofanoffsetwrench(e.g.crowfootwrench)willaffect
torque wrench calibration due to the effective changeof
torque wrench length.Whenusingatorque wrench with
an offset wrench, multiply the listed torque recommen-
dation by the calculated torque conversion factor (Fig.
3) to determine proper tightening torque. Tightening
torque when using a torque wrench with an offset
wrench will be lower than the listed torque recommen-
dation.
Example: The measured effective length of the torque
wrench (distance from the center of the handle to the
center of the square drive) is 18”.
Themeasuredeffectivelengthofthetorquewrenchwith
the offset wrench installed (distance from the center of
the handle to the center of the offset wrench) is 19”.
The calculated torque conversion factor for this torque
wrenchwiththisoffsetwrenchwouldbe18/ 19 = 0.947.
If the listed torque recommendation for a fastener is
from 76 to 94 ft--lb, the proper torque when using this
torque wrench with an offset wrench would be from 72
to 89 ft--lb.
Figure 3
(effective length of
torque wrench)
TORQUE CONVERSION FACTOR = A / B
A
B
(effective length of torque
Torque wrenchOffset wrench
wrench + offset wrench)
Product Records
and Maintenance

Groundsmaster 4100--DPage 2 -- 4Product Records and Maintenance
Standard Torque for Dry, Zinc Plated and Steel Fasteners (Inch Series)
Thread Size Grade 1, 5 &
8withThin
Height Nuts
SAE Grade 1 Bolts, Screws, Studs &
Sems with Regular Height Nuts
(SAE J995 Grade 2 or Stronger Nuts)
SAE Grade 5 Bolts, Screws, Studs &
Sems with Regular Height Nuts
(SAE J995 Grade 2 or Stronger Nuts)
SAE Grade 8 Bolts, Screws, Studs &
Sems with Regular Height Nuts
(SAE J995 Grade 5 or Stronger Nuts)
in--lb in--lb N--cm in--lb N--cm in--lb N--cm
# 6 -- 32 UNC
1
0
+
2
1
3
+
2
1
4
7
+
2
3
15 + 2169 + 23 23 + 3262 + 34
# 6 -- 40 UNF 10 + 213 + 2147 + 23 17 + 2192 + 23 25 + 3282 + 34
# 8 -- 32 UNC
1
3
+
2
2
5
+
5
2
8
2
+
5
6
29 + 3328 + 34 41 + 5463 + 56
# 8 -- 36 UNF 13 + 225 + 5282 + 56 31 + 4350 + 45 43 + 5486 + 56
#10--24UNC
1
8
+
2
3
0
+
5
3
3
9
+
5
6
42 + 5475 + 56 60 + 6678 + 68
#10--32UNF 18 + 230 + 5339 + 56 48 + 5542 + 56 68 + 7768 + 79
1/4 -- 20 UNC 48 + 753 + 7599 + 79 100 + 10 1130 + 113 140 + 15 1582 + 169
1/4 -- 28 UNF 53 + 765 + 10 734 + 113 115 + 12 1299 + 136 160 + 17 1808 + 192
5/16 -- 18 UNC 115 + 15 105 + 15 1186 + 169 200 + 25 2260 + 282 300 + 30 3390 + 339
5/16 -- 24 UNF 138 + 17 128 + 17 1446 + 192 225 + 25 2542 + 282 325 + 33 3672 + 373
ft--lb ft--lb N--m ft--lb N--m ft--lb N--m
3/8 -- 16 UNC 16 + 216 + 222 + 330 + 341 + 443 + 558 + 7
3/8 -- 24 UNF 17 + 218 + 224 + 335 + 447 + 550 + 668 + 8
7/16 -- 14 UNC 27 + 327 + 337 + 450 + 568 + 770 + 795 + 9
7/16 -- 20 UNF 29 + 329 + 339 + 455 + 675 + 877 + 8104 + 11
1/2 -- 13 UNC 30 + 348 + 765 + 975 + 8102 + 11 105 + 11 142 + 15
1/2 -- 20 UNF 32 + 453 + 772 + 985 + 9115 + 12 120 + 12 163 + 16
5/8 -- 11 UNC 65 + 10 88 + 12 119 + 16 150 + 15 203 + 20 210 + 21 285 + 28
5/8 -- 18 UNF 75 + 10 95 + 15 129 + 20 170 + 18 230 + 24 240 + 24 325 + 33
3/4 -- 10 UNC 93 + 12 140 + 20 190 + 27 265 + 27 359 + 37 375 + 38 508 + 52
3/4 -- 16 UNF 115 + 15 165 + 25 224 + 34 300 + 30 407 + 41 420 + 43 569 + 58
7/8 -- 9 UNC 140 + 20 225 + 25 305 + 34 430 + 45 583 + 61 600 + 60 813 + 81
7/8 -- 14 UNF 155 + 25 260 + 30 353 + 41 475 + 48 644 + 65 667 + 66 904 + 89
NOTE: Reduce torque values listed in the table above
by 25% for lubricated fasteners. Lubricated fasteners
are defined as threads coated with a lubricant such as
engine oil or thread sealant such as Loctite.
NOTE: Torque values may have to be reduced when
installing fasteners into threaded aluminum or brass.
The specific torque value should be determined based
on the fastener size, the aluminum or base material
strength, length of thread engagement, etc.
NOTE: The nominal torque values listed above for
Grade 5 and 8 fasteners are based on 75% of the mini-
mumproofload specified in SAEJ429.The toleranceis
approximately + 10% of the nominal torque value. Thin
height nuts include jam nuts.

Groundsmaster 4100--D Page 2 -- 5 Product Records and Maintenance
Standard Torque for Dry, Zinc Plated and Steel Fasteners (Metric Series)
T
h
r
e
a
d
S
i
z
e
Class 8.8 Bolts, Screws and Studs with
R
e
g
u
l
a
r
H
e
i
g
h
t
N
u
t
s
Class 10.9 Bolts, Screws and Studs with
R
e
g
u
l
a
r
H
e
i
g
h
t
N
u
t
s
Thread Size Regular Height Nuts
(Class 8 or Stronger Nuts) Regular Height Nuts
(Class 10 or Stronger Nuts)
M5 X 0.8 57 + 6in--lb 644 + 68 N--cm 78 + 8in--lb 881 + 90 N--cm
M6 X 1.0 96 + 10 in--lb 1085 + 113 N--cm 133 + 14 in--lb 1503 + 158 N--cm
M8 X 1.25 19 + 2ft--lb 26 + 3N--m 28 + 3ft--lb 38 + 4N--m
M10 X 1.5 38 + 4ft--lb 52 + 5N--m 54 + 6ft--lb 73 + 8N--m
M12 X 1.75 66 + 7ft--lb 90 + 10 N--m 93 + 10 ft--lb 126 + 14 N--m
M16 X 2.0 166 + 17 ft--lb 225 + 23 N--m 229 + 23 ft--lb 310 + 31 N--m
M20 X 2.5 325 + 33 ft--lb 440 + 45 N--m 450 + 46 ft--lb 610 + 62 N--m
NOTE: Reduce torque values listed in the table above
by 25% for lubricated fasteners. Lubricated fasteners
are defined as threads coated with a lubricant such as
engine oil or thread sealant such as Loctite.
NOTE: Torque values may have to be reduced when
installing fasteners into threaded aluminum or brass.
The specific torque value should be determined based
on the fastener size, the aluminum or base material
strength, length of thread engagement, etc.
NOTE: The nominal torque values listed above are
based on 75% of the minimum proof load specified in
SAEJ1199.Thetoleranceisapproximately+10%ofthe
nominal torque value.
Product Records
and Maintenance

Groundsmaster 4100--DPage 2 -- 6Product Records and Maintenance
Other Torque Specifications
SAE Grade 8 Steel Set Screws
T
h
r
e
a
d
S
i
z
e
Recommended Torque
Thread Size Square Head Hex Socket
1/4 -- 20 UNC 140 + 20 in--lb 73 + 12 in--lb
5/16 -- 18 UNC 215 + 35 in--lb 145 + 20 in--lb
3/8 -- 16 UNC 35 + 10 ft--lb 18 + 3ft--lb
1/2 -- 13 UNC 75 + 15 ft--lb 50 + 10 ft--lb
Thread Cutting Screws
(Zinc Plated Steel)
Type 1, Type 23 or Type F
Thread Size Baseline Torque*
No. 6 -- 32 UNC 20 + 5in--lb
No. 8 -- 32 UNC 30 + 5in--lb
No. 10 -- 24 UNC 38 + 7in--lb
1/4 -- 20 UNC 85 + 15 in--lb
5/16 -- 18 UNC 110 + 20 in--lb
3/8 -- 16 UNC 200 + 100 in--lb
Wheel Bolts and Lug Nuts
Thread Size Recommended Torque**
7/16 -- 20 UNF
Grade 5 65 + 10 ft--lb 88 + 14 N--m
1/2 -- 20 UNF
Grade 5 80 + 10 ft--lb 108 + 14 N--m
M12 X 1.25
Class 8.8 80 + 10 ft--lb 108 + 14 N--m
M12 X 1.5
Class 8.8 80 + 10 ft--lb 108 + 14 N--m
** For steel wheels and non--lubricated fasteners.
Thread Cutting Screws
(Zinc Plated Steel)
Thread
S
i
z
e
Threads per Inch
B
a
s
e
l
i
n
e
T
o
r
q
u
e
*
Size Type A Type B Baseline Torque
*
No. 6 18 20 20 + 5in--lb
No. 8 15 18 30 + 5in--lb
No. 10 12 16 38 + 7in--lb
No. 12 11 14 85 + 15 in--lb
*Holesize,materialstrength,materialthicknessandfin-
ish must be considered when determining specific
torquevalues.Alltorquevaluesarebasedonnon--lubri-
cated fasteners.
Conversion Factors
in--lb X 11.2985 = N--cm N--cm X 0.08851 = in--lb
ft--lb X 1.3558 = N--m N--m X 0.7376 = ft--lb

Groundsmaster 4100--D Page 3 -- 1 Kubota Diesel Engine
Chapter 3
Kubota Diesel Engine
Table of Contents
GENERAL INFORMATION 2.....................
Operator’s Manual 2..........................
Stopping the Engine 2.........................
SPECIFICATIONS 3.............................
SERVICE AND REPAIRS 4......................
Air Filter System 4............................
Exhaust System 6............................
Fuel System 8................................
Check Fuel Lines and Connections 9...........
Empty and Clean Fuel Tank 9.................
Fuel Tank Removal 9........................
Fuel Tank Installation 9.......................
Radiator 10..................................
Engine 12....................................
Engine Removal 13..........................
Engine Installation 14........................
Spring Coupler 16.............................
KUBOTA WORKSHOP MANUAL, DIESEL ENGINE,
V2403--M--T--E3B SERIES
Kubota
Diesel Engine

Groundsmaster 4100--DPage 3 -- 2Kubota Diesel Engine
General Information
ThisChaptergivesinformationaboutspecificationsand
repair of the diesel engine used in the Groundsmaster
4100--D.
Generalmaintenanceproceduresaredescribedinyour
Operator’sManual.Informationonenginetroubleshoot-
ing,testing,disassemblyandreassemblyisidentifiedin
the Kubota Workshop Manual, Diesel Engine,
V2403--M--T--E3Bthatisincludedattheendofthissec-
tion.
Most repairs and adjustments require tools which are
commonly available in many service shops. Special
tools are described in the Kubota Workshop Manual,
DieselEngine,V2403--M--T--E3B.Theuseofsomespe-
cialized test equipment is explained. However, the cost
of the test equipment and the specialized nature of
somerepairsmaydictatethattheworkbedoneatanen-
gine repair facility.
Service and repair parts for Kubota engines are sup-
plied through your Authorized Toro Distributor. If no
partslistisavailable,bepreparedtoprovideyourdistrib-
utor with the Toro model and serial number of your ma-
chine.
Operator’s Manual
The Operator’s Manual provides information regarding
the operation, general maintenance and maintenance
intervalsforyourGroundsmastermachine.Refertothat
publicationforadditionalinformationwhenservicingthe
machine.
Stopping the Engine
IMPORTANT: Before stopping the engine after
mowing or full load operation, cool the turbo-char-
ger by allowing the engine to run at low idle speed
for 5 minutes. Failure to do so may lead to turbo-
charger trouble.

Groundsmaster 4100--D Page 3 -- 3 Kubota Diesel Engine
Specifications
Item Description
Make / Designation Kubota Model V2403--M--T--E3B: 4--Cycle, 4 Cylinder,
Water Cooled, Turbocharged, Diesel Engine
Bore 3.43” (87.0 mm)
Stroke 4.031” (102.4 mm)
Total Displacement cc (cu. in.) 148.5 in3(2434 cc)
Firing Order 1 (closest to gear case end) -- 3 -- 4 (closest to flywheel end) -- 2
Combustion Chamber Spherical Type (E--TVCS)
Compression Ratio 23.0:1
Direction of Rotation Counterclockwise (viewed from flywheel)
Fuel Diesel or Biodiesel (up to B20) Fuel with Low or Ultra Low
Sulfur Content
Fuel Capacity 19.0 U.S. gallons (72 liters)
Fuel Injection Pump Denso PFR 4M Type Mini Pump
Injection Nozzle Denso OPD Mini Nozzle
Governor Centrifugal Mechanical
Low Idle (no load) 1450 + 50 RPM
High Idle (no load) 2870 +50/--120 RPM
Engine Oil API CH--4, CI--4 or higher
Engine Oil Viscosity See Operator’s Manual
Crankcase Oil Capacity 10.0 U.S. Quarts (9.5 Liters) with Filter
Oil Pump Trochoid Type
Coolant Capacity 13 U.S. Quarts (12.3 Liters)
Starter 12 VDC, 2.0 kW
Alternator/Regulator 12 VDC
Standard Alternator 40 amp
Optional Alternator 90 amp
Engine Dry Weight 419 U.S. pounds (190 kg)
Kubota
Diesel Engine

Groundsmaster 4100--DPage 3 -- 4Kubota Diesel Engine
Service and Repairs
Air Filter System
Figure 1
1. Air cleaner hose
2. Hose clamp
3. Air cleaner assembly
4. Indicator
5. Air cleaner strap
6. Lock nut (2 used)
7. Hose clamp
8. Air cleaner hose
9. Hose clamp
10. Cap screw (2 used)
11. Flat washer (4 used)
12. Spring (2 used)
13. Flat washer (2 used)
14. Cap screw (2 used)
15. Adapter
16. Lock nut (2 used)
17. Flat washer (2 used)
VACUATOR
DIRECTION
FRONT
RIGHT
8
1
3
4
5
6
9
7
10
2
11
11 1213 14
15
16 17
12 to 15 in--lb
(1.4 to 1.6 N--m)

Groundsmaster 4100--D Page 3 -- 5 Kubota Diesel Engine
Removal (Fig. 1)
1. Parkmachineonalevel surface, lower cutting deck,
stop engine, apply parking brake and remove key from
the ignition switch.
2. Raise and support hood.
3. Remove air cleaner components as needed using
Figure 1 as a guide.
Installation (Fig. 1)
IMPORTANT: Any leaks in the air filter system will
causeseriousengine damage.Make surethat allair
cleaner components are in good condition and are
properly secured during assembly.
1. Assemble air cleaner system using Figure 1 as a
guide.
A. If service indicator (item 8) and adapter (item 9)
wereremovedfromaircleanerhousing,applythread
sealant to adapter threads before installing adapter
and indicator to housing. Install adapter so that
groovesinadapterhexandadapterfilterelementare
installed toward service indicator (Fig. 3). Torque in-
dicator from 12 to 15 in--lb (1.4 to 1.6 N--m).
2. When installing air cleaner hose (8) between air
cleaner and turbo--charger (Fig. 4):
A. Make sure that hose does not contact engine
valve cover. To ensure clearance, move and/or ro-
tate air cleaner body in air cleaner strap.
B. Position hose to allow maximum clearance be-
tween air cleaner hose and muffler bracket.
3. Lower and secure hood.
Figure 2
1. Air cleaner housing
2. Safety filter element
3. Air filter element
4. Air cleaner cover
5. Vacuator valve
1
3
2
4
5
Figure 3
1. Air cleaner assembly
2. Service indicator 3. Adapter
1
3
2
Figure 4
1. Air cleaner hose
2. Engine valve cover
3. Air cleaner strap
4. Air cleaner slots
5. Muffler bracket
2
1
5
3
4
Kubota
Diesel Engine

Groundsmaster 4100--DPage 3 -- 6Kubota Diesel Engine
Exhaust System
Figure 5
1. Muffler
2. Muffler bracket
3. Exhaust pipe
4. Flange head screw (4 used)
5. Exhaust gasket
6. Lock nut (2 used)
7. Cap screw (2 used)
8. Flat washer (4 used)
9. Spacer (2 used)
10. Rubber hanger
11. Flange nut (4 used)
12. Flange head screw (2 used)
13. Engine mount
14. Muffler clamp
15. Exhaust mount
16. Flange head screw (2 used)
16 to 22 ft--lb
(21to29N--m)
16 to 22 ft--lb
(21to29N--m)
16 to 22 ft--lb
(21to29N--m)
FRONT
RIGHT
1
14
3
4
7
5
8
8
7
6
9
13
11 2
12
10
16
11
8
8
6
15
16 to 22 ft--lb
(21to29N--m)
13 ft--lb
(17.6 N--m)

Rev. A
Groundsmaster 4100--D Page 3 -- 7 Kubota Diesel Engine
Removal (Fig. 5)
CAUTION
The muffler and exhaust pipe may be hot. To
avoid possible burns, allow the engine and ex-
haust system to cool before working on the muf-
fler.
1. Park machine on a level surface, lower cutting deck,
stop engine, apply parking brake and remove key from
the ignition switch.
2. Raise and support hood.
3. Remove exhaust system components from the en-
gine as necessary using Figure 5 as a guide.
Installation (Fig. 5)
IMPORTANT: If exhaust studs were removed from
engine cylinder head, thoroughly clean threads in
head and apply Loctite #277 (or equivalent) to stud
threads before installing studs into head.
NOTE: Make sure muffler flange and exhaust manifold
sealing surfaces are free of debris or damage that may
prevent a tight seal.
1. Install new exhaust gasket if original gasket is dam-
aged or torn.
IMPORTANT: Failure to follow the suggested muf-
fler fastener sequencemay result inpremature muf-
fler failure.
2. Installexhaustsystemcomponentstotheengineus-
ing Figure 5 as a guide. Hand tighten exhaust system
fastenersandthentorqueinthesequenceshowninFig.
6 as follows:
A. Torque lock nuts used on rubber hanger cap
screws from 16 to 22 ft--lb (21 to 29 N--m).
B. Torque flange nuts that secure muffler to muffler
bracket from 16 to 22 ft--lb (21 to 29 N--m).
C. Torque flange head screws that secure muffler
flange to engine from 16 to 22 ft--lb (21 to 29 N--m).
D. Torque flange nuts that secure muffler bracket to
engine from 16 to 22 ft--lb (21 to 29 N--m).
E. Torque flange screws that secure exhaust mount
to engine to 1 3 f t -- l b ( 1 7 . 6 N -- m ) .
3. Tailpipeshouldhaveequalclearancebetweenframe
and engine after installation.
4. Lower and secure hood.
Figure 6
B
D
C
A
E
Kubota
Diesel Engine

Groundsmaster 4100--DPage 3 -- 8Kubota Diesel Engine
Fuel System
Figure 7
1. Fuel tank
2. Fuel tank bracket
3. Air breather
4. Female hose barb
5. Tank support assembly
6. Fuel hose
7. Flange nut
8. Cap screw (4 used)
9. Flat washer
10. Cap screw (4 used)
11. Carriage screw (2 used)
12. Washer
13. Battery strap
14. Battery
15. Retaining ring (2 used)
16. Battery cover
17. Flat washer (2 used)
18. Knob (2 used)
19. Battery plate
20. Negative battery cable
21. Positive battery cable
22. Carriage screw (2 used)
23. Gasket
24. Bushing (3 used)
25. Stand pipe
26. Fuel sender
27. Lock washer (5 used)
28. Phillips head screw (5 used)
29. Fuel hose
30. Hose clamp
31. Elbow fitting
32. Fuel cap
33. Locking flange nut
34. Speed nut
35. Tank cover (2 used)
36. Phillips head screw
37. Vent tube
38. Insulated clip (3 used)
39. Washer head screw (3 used)
40. Hose clamp
41. ROPS assembly
8
9
5
3
4
7
18 17 16
12
7
1
24 31
32
23
30
33
222
39
38
6
11 10
25
26
21
20
37
13
27 28
15
36 35
29
34
40
19
41
14
60 to 80 in--lb
(7 to 9 N--m)
135 to 165 ft--lb
(183 to 223 N--m)
FRONT
RIGHT

Groundsmaster 4100--D Page 3 -- 9 Kubota Diesel Engine
DANGER
Becausedieselfuelishighlyflammable,usecau-
tion when storing or handling it. Do not smoke
while filling the fuel tank. Do not fill fuel tank
while engine is running, hot or when machine is
in an enclosed area. Always fill fuel tank outside
and wipe up any spilled diesel fuel before start-
ing the engine. Store fuel in a clean, safety--ap-
proved container and keep cap in place. Use die-
sel fuel for the engine only; not for any other
purpose.
Check Fuel Lines and Connections
Checkfuellinesandconnectionsperiodicallyasrecom-
mendedin theOperator’sManual. Checklinesfor dete-
rioration, damage, leaks or loose connections.Replace
hoses, clamps and connections as necessary.
Empty and Clean Fuel Tank
Empty and clean the fuel tank periodically as recom-
mended in the Operator’s Manual. Also, empty and
clean the fuel tank if the fuel system becomes contami-
nated or if the machine is to be stored for an extended
period.
To clean fuel tank, flush tank out with clean diesel fuel.
Make sure tank is free of contaminates and debris.
Fuel Tank Removal (Fig. 7)
1. Parkmachineonalevel surface, lower cutting deck,
stop engine, engage parking brake and remove key
from the ignition switch.
2. Raise and support seat and hood.
3. Remove battery cover and strap. Disconnect nega-
tive battery cable first and then positive battery cable.
Remove battery from machine.
4. Useafueltransferpump toremovefuelfromthefuel
tank and into a suitable container.
5. Disconnect electrical wiring from the fuel sender on
the fuel tank.
6. Disconnectfuelhosefromthestandpipeandventing
hoses from elbow fittings in top of tank.
7. Remove phillips head screws that secure two (2)
tank covers to ROPS assembly. Remove tank covers.
8. Remove fuel tank using Figure 7 as a guide.
Fuel Tank Installation (Fig. 7)
1. Install fuel tank using Figure 7 as a guide.
A. Torque two (2) flange nuts that secure the fuel
tank to the frame from 60 to 80 in--lb (7 to 9 N--m).
2. Install two (2) tank covers to ROPS assembly.
3. Connect fuel hose to the standpipe and venting
hoses to the elbow fittings.
4. Connect electrical wiring to the fuel sender.
A. Connect white wire to the center terminal and
black wire to any of the screws that secure the fuel
sender to the fuel tank.
B. Apply skin--over grease to the wire terminal con-
nections.
CAUTION
Connecting battery cables to the wrong battery
post could result in personal injury and/or dam-
age to the electrical system.
5. Positionbatteryinmachine.Connectpositivebattery
cable first and then negative battery cable. Install bat-
tery strap and cover.
6. Lower seat and hood.
7. Fill fuel tank.
Kubota
Diesel Engine

Groundsmaster 4100--DPage 3 -- 10Kubota Diesel Engine
Radiator
Figure 8
1. Radiator cap
2. Foam strip (2 used)
3. Foam strip (2 used)
4. Lower radiator hose
5. Upper radiator hose
6. Clamp (4 used)
7. Lower radiator shroud
8. Temperature sender
9. Radiator
10. Hose clamp (3 used)
11.Hose(2used)
12. Screw (4 used)
13. Rubber grommet
14. Flange nut (4 used)
15. Retaining ring (2 used)
16. Knob (2 used)
17. Bulb seal
18. Top radiator support
19. Retaining ring (2 used)
20. Oil cooler bracket
21. Oil cooler
22. Carriage screw (2 used)
23. 90ohydraulic fitting (2 used)
24. Cap screw (6 used)
25. Lock washer (6 used)
26. Oil cooler mount plate (2 used)
27. Upper radiator shroud
28. Flange nut (10 used)
29. Foam plug (2 used)
30. Lock nut (6 used)
31. Foam strip
32. Base bracket
33. Flange head screw (6 used)
34. Bulb seal (2 used)
35. Grommet (2 used)
36. Cover
37. Flange head screw (4 used)
38. Plate (2 used)
39. Flat washer (2 used)
40. Knob (2 used)
41. Cap screw (6 used)
42. Cable tie
43. Coolant reservoir
44. Tank bracket
45. Flat washer (10 used)
46. Foam pad
47. Cap screw (7 used)
48. Foam seal
49. Cap screw (3 used)
50. LH radiator support
51. RH radiator support
52. Flange nut (6 used)
53. Cap screw (6 used)
54. Fan motor bracket
55. Grommet (2 used)
56. Grommet
57. Harness clip
58. R--clamp (2 used)
59. Foam pad
60. Reservoir cap
61. Air cleaner hose
62. Plug
FRONT
RIGHT
32
31
40
33
28
30
27
25
29
26
35
38
3639
34
37
41
42
45
46
43
44
47
48
17
18
21
20
16 22
10
1
3
2
5
4
7
68
9
11
12
13
14 15
19
23
24
25
49
50
52
51
53
54
56
55
57
58
49
28
58
41
28
45
59
60
61
62

Groundsmaster 4100--D Page 3 -- 11 Kubota Diesel Engine
Removal (Fig. 8)
1. Parkmachineonalevel surface, lower cutting deck,
stop engine, apply parking brake and remove key from
the ignition switch.
2. Open and support hood.
CAUTION
Do not open radiator cap or drain coolant if the
radiator or engine is hot. Pressurized, hot cool-
ant can escape and cause burns.
Ethylene--glycol antifreeze is poisonous. Dis-
pose of coolant properly or store it in a properly
labeled container away from children and pets.
3. Drain radiator into a suitable container using the ra-
diator drain. The radiator drain hose is located near the
engine oil filter.
4. Disconnect upperand lower radiator hoses from the
radiator.
5. Remove air cleaner hose (item 61).
6. Disconnect reservoir hose from the vent tube near
the radiator cap.
7. Detach upper radiator shroud from the radiator and
lower radiator shroud. Remove upper shroud from ma-
chine.
8. Removefastenersthatsecurelower radiatorshroud
to radiator.
9. Remove six (6) flange head screws and flange nuts
that secure fan motor bracket to radiator.
10.Positionlowerradiatorshroudandfanmotorbracket
assembly away from radiator.
11.Removecapscrewsandflangenutssecuringthera-
diator to the support frame. Carefully pull radiator from
the machine.
12.Plugallradiatororhoseopeningstopreventcontam-
ination.
Installation (Fig. 8)
1. Remove all plugs placed during the removal proce-
dure.
2. Carefully position radiator to the support frame. Se-
cure radiator to the support frame with cap screws and
flange nuts.
3. Positionlowerradiatorshroudandfanmotorbracket
assembly to the radiator.
4. Secure fan motor bracket to radiator with six (6)
flange head screws and flange nuts.
5. Position upper radiator shroud to lower radiator
shroud to radiator. Secure shrouds with removed fas-
teners.
6. Attach radiator shroud assembly to the radiator with
cap screws and flat washers. Make sure that clearance
between shroud and cooling fan is at least 0.180” (4.6
mm) at all points.
7. Connect reservoir hose to the vent tube near the ra-
diator cap.
8. Connectupperandlowerradiatorhosestotheradia-
tor.
9. Reinstall air cleaner hose (item 61).
10.Make sure radiator drain is closed. Fill radiator with
coolant.
11.Close and secure hood.
Kubota
Diesel Engine

Groundsmaster 4100--DPage 3 -- 12Kubota Diesel Engine
Engine
Figure 9
1. Engine
2. Cap screw (4 used)
3. LH engine mount
4. Lock washer
5. Cap screw
6. Lock washer (5 used)
7. Cap screw (5 used)
8. Engine support (4 used)
9. Flange nut (12 used)
10. Rebound washer (4 used)
11. Cap screw (8 used)
12. Spring coupler
13. Washer (14 used)
14. Cap screw (6 used)
15. Flywheel plate
16. Cap screw (4 used)
17. Cap screw (2 used)
18. Lock washer (2 used)
19. LH engine mount
20. Cap screw (4 used)
21. RH engine mount
22. Cap screw (PTO manifold)
23. Lock washer
24. Ground cable
25. Cap screw
26. Lock washer
27. RH engine mount
FRONT
RIGHT 1
23
6
5
4
7
26
8
9
10
11
14
15
12
13
16
17
18
20
21
19
24
23
22
25
27
9
13
13
(38to43N--m)
28 to 32 ft--lb (40to44N--m)
29 to 33 ft--lb
(38to43N--m)
28 to 32 ft--lb
Loctite #242

Groundsmaster 4100--D Page 3 -- 13 Kubota Diesel Engine
Engine Removal (Fig. 9)
1. Parkmachineonalevel surface, lower cutting deck,
stop engine, apply parking brake and remove key from
the ignition switch.
2. Remove battery cover and strap. Disconnect nega-
tive battery cable first and then positive battery cable.
Remove battery from machine.
3. Open and support hood.
CAUTION
Do not open radiator cap or drain coolant if the
radiator or engine is hot. Pressurized, hot cool-
ant can escape and cause burns.
Ethylene--glycol antifreeze is poisonous. Dis-
pose of coolant properly or store it in a properly
labeled container away from children and pets.
4. Drain coolant from the radiator into a suitable con-
tainer (see Radiator Removal in this section). Discon-
nect upper and lower hoses from the radiator.
CAUTION
The muffler and exhaust pipe may be hot. To
avoid possible burns, allow the exhaust system
to cool before working on or near the muffler.
5. Remove exhaust system from engine (see Exhaust
System Removal in this section).
6. Removeaircleanersystemfrom engine (see Air Fil-
ter System Removal in this section).
7. Note location of cable ties used to secure wire har-
ness to the machine. Disconnect wires and/or electrical
connections from the following electrical components:
A. The dual temperature switch, temperature sen-
der and alternator (Fig 10).
B. The glow plug lead (Fig. 11).
C. The engine run solenoid (Fig. 12).
D. Battery,frameandwireharnessgroundattheen-
gine block.
E. The electric starter and low oil pressure switch
(on RH side of engine).
8. Disconnect fuel supply hose from injection pump
(Fig. 13).
Figure 10
1. Dual temperature switch
2. Temperature sender 3. Alternator
2
1
3
Figure 11
1. Glow plug wire
2. Glow plug lead 3. Cylinder #4 glow plug
3
12
Figure 12
1. Engine run solenoid
2. Alternator belt 3. Throttle cable
3
12
Kubota
Diesel Engine

Groundsmaster 4100--DPage 3 -- 14Kubota Diesel Engine
9. Disconnect throttle cable from the speed control le-
ver by removing the flat washer and lock nut (Fig. 14).
Loosen jam nut and separate cable from cable support.
Position cable away from engine.
10.Remove fasteners that secure the upper radiator
shroud to the lower shroud and radiator (see Radiator
Removal in this section). Position coolant reservoir and
bracket away from the radiator. Remove upper radiator
shroud from machine.
11.Remove fan hub and fan from hydraulic fan motor
(Fig. 15).
A. Removehexnut(item9)andwasher(item8)that
secure fan hub and fan assembly to fan motor.
NOTE: The fan motor shaft is tapered.
B. Usesuitablepullertoremovefanhub(withfanat-
tached) from fan motor shaft taking care to not dam-
age fan. Remove fan hub and fan from machine.
IMPORTANT: The hydraulic pumpassembly can re-
main in machine during engine removal. To prevent
pump from shifting or falling, make sure to support
pump assembly before mounting fasteners are re-
moved.
12.Support hydraulic pump assembly. Remove fasten-
ers that secure pump assembly to engine (see Pump
Assembly Removal in the Service and Repairs section
of Chapter 4 -- Hydraulic System).
13.Makesureallcabletiessecuringthewiringharness,
fuel lines or hydraulic hoses to theengine are removed.
14.Connect hoist or lift to the lift tabs on engine.
15.Remove flange nuts, rebound washers and cap
screws securing the engine mounts to the engine sup-
ports.
CAUTION
One person should operate lift or hoist while
another person guides the engine out of the ma-
chine.
IMPORTANT: Make sure not to damage the engine,
fuel and hydraulic lines, electrical harness or other
components while removing the engine.
16.Slowly remove engine assembly from the machine.
17.Ifnecessary,removeenginemountsfromtheengine
using Figure 9 as a guide.
Figure 13
1. Fuel pump
2. Fuel supply hose 3. Throttle cable
3
1
2
Figure 14
1. Lock nut
2. Flat washer
3. Throttle lever
4. Lock nut
5. Flange head screw
6. Cap screw
7. Flange head screw
8. Spring washer (2 used)
9. Ball joint
10. Cap screw (2 used)
11. Throttle cable
12. Cable support
234
8
9
67
15
10
11
12
Engine Installation (Fig. 9)
1. Ifremoved,installenginemountstotheengineusing
Figure 9 as a guide.
2. Connect hoist or lift to the engine lift tabs.
CAUTION
One person should operate lift or hoist while
another person guides the engine into the ma-
chine.
IMPORTANT: Make sure not to damage the engine,
fuel and hydraulic lines, electrical harness or other
parts while installing the engine.

Groundsmaster 4100--D Page 3 -- 15 Kubota Diesel Engine
3. Slowly lower engine into the machine.
4. Align engine to the engine supports and hydraulic
pumpinputshaft.Secureenginetoenginesupportswith
cap screws, rebound washers and flange nuts.
5. Secure hydraulic pump assembly to engine (see
Pump Assembly Installation in the Service and Repairs
section of Chapter 4 -- Hydraulic System).
6. Thoroughly clean tapered surfaces of fan motor
shaft and fan hub. Position fan hub (with fan attached)
onto motor shaft and secure with washer and hex nut
(Fig.15).Torquenutfrom27to33ft--lb (37to44N--m).
7. Positionupperradiatorshroudandcoolantreservoir
withbrackettotheradiator.Secureshroudandreservoir
bracket to the radiator and lower radiator bracket with
removedfasteners(seeRadiatorInstallationinthissec-
tion).Makesurethatclearancebetweenshroudandfan
is at least 0.180” (4.6 mm) at all points.
8. Connectthrottlecabletothespeedcontrolleverwith
washer and lock nut (Fig. 14). Secure cable to cable
support. Adjust throttle cable.
9. Connect fuel line to the injection pump.
10.Connect wires and/or electrical connections to the
following electrical components:
A. The dual temperature switch, temperature send-
er and alternator (Fig 10).
B. Theenginerun solenoid and fuel pump (Fig.13).
C. The glow plug (Fig. 11).
D. Battery,frameandwireharnessgroundtotheen-
gine block.
E. The starter and low oil pressure switch (near
starter).
11.Installaircleanerassemblytotheengine(seeAirFil-
ter System Installation in this section).
12.Installexhaustsystemtomachine(seeExhaustSys-
tem Installation in this section).
Figure 15
1. Fan motor
2. Cap screw (2 used)
3. Flat washer (2 used)
4. Fan motor bracket
5. Lock nut (2 used)
6. Washer (4 used)
7. Cap screw (4 used)
8. Hex nut
9. Washer
10. Fan hub
11. Fan
(37to44N--m)
27 to 33 ft--lb
(17to18N--m)
12 to 14 ft--lb
1
2
3
76
54
89
10
11
13.Connectcoolanthosestotheradiator.Makesurera-
diator drain is shut. Fill radiator and reservoir with cool-
ant.
14.Check position of wires, fuel lines, hydraulic hoses
and cables for proper clearance with rotating, high tem-
perature and moving components.
15.Position battery to machine. Connect positive bat-
tery cable first and then negative battery cable. Secure
battery to machine with strap and cover.
16.Check and adjust engine oil as needed.
17.Check and adjust hydraulic oil as needed.
18.Bleed fuel system.
19.Start engine and operate hydraulic controls to prop-
erlyfillhydraulicsystem(seeChargeHydraulicSystem
in Chapter 4 -- Hydraulic System).
20.Close and secure hood.
Kubota
Diesel Engine

Groundsmaster 4100--DPage 3 -- 16Kubota Diesel Engine
Spring Coupler
Figure 16
1. Spring coupler
2. Washer (14 used)
3. Cap screw (6 used)
4. Flywheel plate
5. Cap screw (4 used)
6. LH engine mount
7. Cap screw (2 used)
8. RH engine mount
1
2
3
6
5
4
7
2
8
FRONT
RIGHT
(38to43N--m)
28 to 32 ft--lb
(40to44N--m)
29 to 33 ft--lb
Loctite #242
2
2

Groundsmaster 4100--D Page 3 -- 17 Kubota Diesel Engine
Coupler Removal (Fig. 16)
NOTE: The hydraulic pump assembly needs to be re-
moved from engine before coupler can be removed.
1. Ifengineisinmachine,supportenginefrombelowto
prevent it from shifting while removing hydraulic pump
assembly (see Piston (Traction) Pump Removal in the
Service and Repairs section of Chapter 4 -- Hydraulic
System), transport cylinder assembly, flywheel plate,
engine mounts and spring coupler.
2. Remove flywheel plate and spring coupler from en-
gine using Figure 16 as a guide.
Coupler Installation (Fig. 16)
1. Position spring coupler to engine flywheel and align
mounting holes. Make sure that coupler hub is away
from engine flywheel (Fig. 17).
2. Apply Loctite #242 (or equivalent) to threads of cap
screws (item 3). Secure coupler to flywheel with six (6)
capscrewsandwashers.Torquecapscrewsinacross-
ing pattern from 29 to 33 ft--lb (40 to 44 N--m).
3. Positionflywheelplatetoengineandenginemounts.
Secure flywheel plate and mounts with cap screws
(items 5 and 7) and washers using a crossing pattern
tightening procedure. Torque cap screws in a crossing
pattern from 28 to 32 ft--lb (38 to 43 N--m).
4. If engine is in machine, install hydraulic pump as-
sembly (see Piston (Traction) Pump Installation in the
Service and Repairs section of Chapter 4 -- Hydraulic
System).
Figure 17
1. Spring coupler
2. Engine flywheel 3. Coupler hub
Engine Side Hydraulic
Pump Side
1
2
3
Kubota
Diesel Engine
Groundsmaster 4100--DPage 3 -- 18Kubota Diesel Engine
This page is intentionally blank.

Groundsmaster 4100--D Hydraulic SystemPage 4 -- 1
Chapter 4
Hydraulic System
Table of Contents
SPECIFICATIONS 2.............................
GENERAL INFORMATION 3.....................
Operator’s Manual 3..........................
Towing Traction Unit 3.........................
Check Hydraulic Fluid 3.......................
Hydraulic Hoses 4............................
Hydraulic Hose and Tube Installation 5..........
Hydraulic Fitting Installation 6...................
HYDRAULIC SCHEMATIC 8.....................
HYDRAULIC FLOW DIAGRAMS 10...............
Traction Circuit: 4WD (Mow) 10.................
Traction Circuit: Transport (2WD) 12.............
Lower Cutting Deck 14........................
Raise Cutting Deck 16.........................
Mow Circuit 18...............................
Mow Circuit Cutting Deck Blade Braking 20.......
Steering Circuit 22............................
Engine Cooling Fan Circuit 24..................
SPECIAL TOOLS 26............................
TROUBLESHOOTING 28........................
TESTING 31...................................
Traction Circuit Charge Pressure 32.............
Traction Circuit Relief Pressure 34..............
Counterbalance Pressure 36...................
Rear Traction Circuit (RV) Relief Pressure 38.....
Traction Circuit Reducing Valve (PR)
Pressure 40................................
Cutting Deck Circuit Pressure 42................
PTO Relief Pressure 44........................
Cutting Deck Gear Pump Flow 46...............
Cutting Deck Motor Case Drain Leakage 48......
Steering Circuit Relief Pressure 50..............
Lift/Lower Circuit Relief Pressure 52.............
Steering and Lift/Lower Gear Pump Flow 54......
Engine Cooling Fan Circuit 56..................
Engine Cooling Fan Circuit Gear Pump Flow 58...
ADJUSTMENTS 60.............................
Adjust Cutting Deck Flow Control Valve 60.......
SERVICE AND REPAIRS 61.....................
General Precautions for Removing and
Installing Hydraulic System Components 61....
Check Hydraulic Lines and Hoses 61............
Flush Hydraulic System 62.....................
Charge Hydraulic System 63...................
Hydraulic Reservoir 64........................
Hydraulic Oil Cooler 66........................
Gear Pump 68................................
Gear Pump Service 70.........................
Traction Circuit 72.............................
Piston (Traction) Pump 74......................
Piston (Traction) Pump Service 76..............
Rear Axle Motor 78
...........................
Front Wheel Motors 80........................
Rear Axle and Front Wheel Motor Service 82.....
4WD Manifold 84.............................
4WD Manifold Service 86......................
Filter Manifold 88.............................
Filter Manifold Service 90......................
Steering and Cooling Fan Circuits 92............
Steering Valve 94.............................
Steering Valve Service 96......................
Steering Cylinder 98...........................
Steering Cylinder Service 100..................
Engine Cooling Fan Motor 102..................
Engine Cooling Fan Motor Service 104...........
Fan Drive Manifold 108........................
Fan Drive Manifold Service 110.................
Mow Circuit 112..............................
Cutting Deck Motor 113........................
Cutting Deck Motor Service 114.................
Deck Manifolds 118...........................
Deck Manifold Service 120.....................
Lift/Lower Circuit 122..........................
Lift/Lower Control Valve 124....................
Lift/Lower Control Valve Service 126.............
Front Deck Lift Cylinder 128....................
Wing Deck Lift Cylinder 130....................
Deck Lift Cylinder Service 132..................
Counterbalance Manifold 134...................
Counterbalance Manifold Service 136............
EATON MODEL 72400 SERVO CONTROLLED PIS-
TON PUMP REPAIR INFORMATION
EATON MODEL 74318 and 74348 PISTON MOTORS:
FIXED DISPLACEMENT, VALVE PLATE DESIGN
REPAIR INFORMATION
Hydraulic
System

Groundsmaster 4100--DHydraulic System Page 4 -- 2
Specifications
Item Description
Piston (Traction) Pump Eaton Variable Displacement Piston Pump
(Model 72400)
System Relief Pressure: Forward 4000 PSI (274 bar)
System Relief Pressure: Reverse 5000 PSI (343 bar)
Charge Pressure 250 PSI (17 bar)
Front Wheel Motors Eaton Fixed Displacement Piston Motors
(Model 74328)
Rear Axle Motor Eaton Fixed Displacement Piston Motor
(Model 74315)
Gear Pump Casappa 4 section, positive displacement gear type pump
Section P1/P2 Displacement (per revolution) 1.37 Cubic Inches (22.46 cc)
Section P3/P4 Displacement (per revolution) 0.56 Cubic Inches (9.16 cc)
Steering Control Valve Eaton Steering Unit, Series 5
Steering Relief Pressure 1350 PSI (93 bar)
Lift/Lower Relief Pressure 2525 PSI (174 bar)
Cutting Deck Motors Sauer Danfoss Gear Motor
Cutting Deck Circuit Relief Pressure
Center and Left Side 3000 PSI (207 bar)
Right Side 2000 PSI (137 bar)
Engine Cooling Fan Motor Casappa Gear Motor
Displacement (per revolution) 0.50 Cubic Inches (8.3 cc)
Engine Cooling Fan Circuit Relief Pressure 3000 PSI (207 bar)
Hydraulic Filters Spin--on cartridge type
In--line Suction Strainer 100 mesh (in reservoir)
Hydraulic Reservoir 8 U.S. Gallons (30.3 Liters)
Hydraulic Oil See Operator’s Manual

Groundsmaster 4100--D Hydraulic SystemPage 4 -- 3
General Information
Operator’s Manual
The Operator’s Manual provides information regarding
the operation, general maintenance and maintenance
intervalsforyourGroundsmastermachine.Refertothat
publicationforadditionalinformationwhenservicingthe
machine.
Towing Traction Unit
IMPORTANT: If towing limits are exceeded, severe
damage to the piston pump may occur.
If it becomes necessary to tow (or push) the machine,
tow (or push) in a forward direction only and at a
speed below 3 mph. The piston (traction) pump is
equipped with a by--pass valve that needs to be turned
90ofor towing. See Operator’s Manual for Towing Pro-
cedures.
1. By--pass valve location
Figure 1
1
Check Hydraulic Fluid
The Groundsmaster 4100--D hydraulic system is de-
signed to operate on anti--wear hydraulic fluid. The res-
ervoir holds approximately 8 gallons (30.3 liters) of
hydraulic fluid. Check level of hydraulic fluid daily.
See Operator’s Manual for fluid level checking proce-
dure and hydraulic oil recommendations.
1. Hydraulic reservoir cap
Figure 2
1
Hydraulic
System

Groundsmaster 4100--DHydraulic System Page 4 -- 4
Hydraulic Hoses
Hydraulichosesare subject toextreme conditions such
aspressuredifferentialsduringoperationandexposure
to weather, sun, chemicals, very warm storage condi-
tionsormishandlingduringoperationandmaintenance.
These conditions can cause hose damage and deterio-
ration. Some hoses are more susceptible to these
conditions than others. Inspect all machine hydraulic
hoses frequently for signs of deterioration or damage:
Hard, cracked, cut, abraded, charred, leaking or
otherwise damaged hose.
Kinked, crushed, flattened or twisted hose.
Blistered, soft, degraded or loose hose cover.
Cracked, damaged or badly corroded hose fittings.
When replacing a hydraulic hose, be sure that the hose
is straight (not twisted) before tightening the fittings.
This can be done by observing the imprint (layline) on
thehose.Usetwowrenches;holdthehosestraightwith
one wrench and tighten the hose swivel nut onto the fit-
ting with the other wrench (See Hydraulic Hose and
Tube Installation in this section). If the hose has an el-
bowatoneend,tightentheswivelnutonthatendbefore
tightening the nut on the straight end of the hose.
For additional hydraulic hose information, refer to Toro
Service Training Book, Hydraulic Hose Servicing (Part
Number 94813SL).
WARNING
Beforedisconnecting orperformingany workon
hydraulic system, relieve all pressure in system
(seeRelieving HydraulicSystemPressure inthis
section).
Keepbodyandhandsawayfrompinholeleaksor
nozzles that eject hydraulic fluid under high
pressure. Use paper or cardboard, not hands, to
search for leaks. Hydraulic fluid escaping under
pressure can have sufficient force to penetrate
the skin and cause serious injury. If fluid is in-
jected into the skin, it must be surgically re-
moved within a few hours by a doctor familiar
withthistypeofinjury.Gangrenemayresultfrom
such an injury.

Groundsmaster 4100--D Hydraulic SystemPage 4 -- 5
Hydraulic Hose and Tube Installation (O--Ring Face Seal Fitting)
1. Makesurethreadsandsealingsurfacesofthehose/
tube and the fittingare free of burrs, nicks, scratches or
any foreign material.
2. Asapreventativemeasureagainstleakage,itisrec-
ommended that the face seal O--ring be replaced any
time the connection is opened. Make sure the O--ring is
installedandproperlyseatedinthefittinggroove.Lightly
lubricate the O--ring with clean hydraulic oil.
3. Place the hose/tube against the fitting body so that
theflatfaceofthehose/tubesleevefullycontactstheO--
ring in the fitting.
4. Thread the swivel nut onto the fitting by hand. While
holding the hose/tube with a wrench, use a torque
wrench to tighten the swivel nut to the recommended
installation torque shown in Figure 5. This tightening
process will require the use of an offset wrench (e.g.
crowfoot wrench). Use of an offset wrench will affect
torque wrench calibration due to the effective length
change of the torque wrench. Tightening torque when
usingatorquewrenchwithanoffsetwrenchwillbelower
than the listed installation torque (see Using a Torque
Wrench with an Offset Wrench in the Torque Specifica-
tionssectionof Chapter2 -- ProductRecords andMain-
tenance).
5. If a torque wrench is not available or if space at the
swivelnutpreventsuseofatorquewrench,analternate
method of assembly is the Flats From Wrench Resist-
ance (F.F.W.R.) method (Fig. 2).
A. Usingawrench,tightentheswivelnutontothefit-
tinguntillightwrenchresistanceisreached(approxi-
mately 30 in--lb).
B. Mark the swivel nut and fitting body. Hold the
hose/tube with a wrench to prevent it from turning.
C. Useasecondwrenchtotightenthenuttothecor-
rect Flats From Wrench Resistance (F.F.W.R.). The
markingsonthenutandfittingbodywillverifythatthe
connection has been properly tightened.
Size F.F.W.R.
4 (1/4 in. nominal hose or tubing) 1/2 to 3/4
6 (3/8 in.) 1/2 to 3/4
8 (1/2 in.) 1/2 to 3/4
10 (5/8 in.) 1/2 to 3/4
12 (3/4 in.) 1/3 to 1/2
16 (1 in.) 1/3 to 1/2
Figure 3
O--ring Fitting Body
Swivel Nut
Tube or Hose
Figure 4
Final
AT WRENCH RESISTANCE
Position
Mark Nut
and Fitting
Initial
Position
Extend Line
AFTER TIGHTENING
Body
Fitting Dash Size Hose/Tube Side Thread Size Installation Torque
49/16 -- 18 18to22ft--lb(25to29N--m)
611/16 -- 16 27to33ft--lb(37to44N--m)
813/16 -- 16 37to47ft--lb(51to63N--m)
10 1--14 60 to 74 ft--lb (82 to 100 N--m)
12 13/16--12 85 to 105 ft--lb (116 to 142 N--m)
16 17/16--12 110 to 136 ft--lb (150 to 184 N--m)
20 1 11/16 -- 12 140 to 172 ft--lb (190 to 233 N--m)
Figure 5
Hydraulic
System

Groundsmaster 4100--DHydraulic System Page 4 -- 6
Hydraulic Fitting Installation (SAE Straight Thread O--Ring Fitting into Component Port)
Non--Adjustable Fitting (Fig. 6)
1. Make sure all threads and sealing surfaces of fitting
and component port are free of burrs, nicks, scratches
or any foreign material.
2. Asapreventativemeasureagainstleakage,itisrec-
ommended that the O--ring be replaced any time the
connection is opened.
3. Lightly lubricate the O--ring with clean hydraulic oil.
Fittingthreadsshouldbecleanwithnolubricantapplied.
IMPORTANT: Before installing fitting into port, de-
termine port material. If fitting is to be installed into
an aluminum port, installation torque is reduced.
4. Install the fitting into the port. Then, use a torque
wrench and socket to tighten the fitting to the recom-
mended installation torque shown in Figure 7.
NOTE: Use of an offset wrench(e.g. crowfoot wrench)
will affect torque wrench calibration due to the effective
length change of the torque wrench. Tightening torque
when using a torque wrench with an offset wrench will
be less than the recommended installation torque. See
Using a Torque Wrench with an Offset Wrench in the
Torque Specifications section of Chapter 2 -- Product
RecordsandMaintenancetodeterminenecessarycon-
version information.
5. If a torque wrench is not available, or if space at the
portpreventsuseofatorquewrench,analternatemeth-
od of assembly is the Flats From Finger Tight (F.F.F.T.)
method.
A. Install the fitting into the port and tighten it down
full length until finger tight.
B. If port material is steel, tighten the fitting to the
listed F.F.F.T. If port material is aluminum, tighten fit-
ting to 60% of listed F.F.F.T.
Size F.F.F.T.
4 (1/4 in. nominal hose or tubing) 1.00 + 0.25
6(3/8in.) 1.50+0.25
8(1/2in.) 1.50+0.25
10 (5/8 in.) 1.50 + 0.25
12 (3/4 in.) 1.50 + 0.25
16 (1 in.) 1.50 + 0.25
Figure 6
O--ring
Fitting
Fitting
Dash Size Fitting Port Side
Thread Size Installation Torque Into
Steel Port Installation Torque Into
Aluminum Port
47/16 -- 20 15to19ft--lb(21to25N--m) 9to11ft--lb(13to15N--m)
51/2 -- 20 18to22ft--lb(25to29N--m) 11to15ft--lb(15to20N--m)
69/16 -- 18 34to42ft--lb(47to56N--m) 20to26ft--lb(28to35N--m)
83/4 -- 16 58to72ft--lb(79to97N--m) 35to43ft--lb(48to58N--m)
10 7/8 -- 14 99 to 121 ft--lb (135 to 164 N--m) 60 to 74 ft--lb (82 to 100 N--m)
12 11/16--12 134 to 164 ft--lb (182 to 222 N--m) 81 to 99 ft--lb (110 to 134 N--m)
14 13/16--12 160 to 196 ft--lb (217 to 265 N--m) 96 to 118 ft--lb (131 to 160 N--m)
16 15/16--12 202 to 248 ft--lb (274 to 336 N--m) 121 to 149 ft--lb (165 to 202 N--m)
20 15/8--12 247 to 303 ft--lb (335 to 410 N--m) 149 to 183 ft--lb (202 to 248 N--m)
Figure 7

Groundsmaster 4100--D Hydraulic SystemPage 4 -- 7
Adjustable Fitting (Fig. 8)
1. Make sure all threads and sealing surfaces of fitting
and component port are free of burrs, nicks, scratches
or any foreign material.
2. Asapreventativemeasureagainstleakage,itisrec-
ommended that the O--ring be replaced any time the
connection is opened.
3. Lightly lubricate the O--ring with clean hydraulic oil.
Fittingthreadsshouldbecleanwithnolubricantapplied.
4. Turn back the lock nut as far as possible. Make sure
the back up washer is not loose and is pushed up as far
as possible (Step 1 in Figure 9).
IMPORTANT: Before installing fitting into port, de-
termine port material. If fitting is to be installed into
an aluminum port, installation torque is reduced.
5. Install the fitting into the port and tighten finger tight
until the washer contacts the face of the port (Step 2).
6. Toputthefittinginthedesiredposition,unscrewitby
the required amount, but no more than one full turn
(Step 3).
7. Hold the fitting in the desired position with a wrench
and use a torque wrench to tighten the fitting to therec-
ommended installation torque shown in Figure 7. This
tightening process will require the use of an offset
wrench (e.g. crowfoot wrench). Use of an offset wrench
will affect torque wrench calibration due to the effective
length change of the torque wrench. Tightening torque
when using a torque wrench with an offset wrench will
be lower than the listed installation torque (see Using a
Torque Wrench with an Offset Wrench in the Torque
Specifications section of Chapter 2 -- Product Records
and Maintenance).
8. If a torque wrench is not available, or if space at the
portpreventsuseofatorquewrench,analternatemeth-
od of assembly is the Flats From Finger Tight (F.F.F.T.)
method. Hold the fitting in the desired position with a
wrench and, if port material is steel, tighten the lock nut
withasecondwrenchtothelistedF.F.F.T(Step4).Ifport
material is aluminum, tighten fitting to 60% of listed
F.F.F.T.
Size F.F.F.T.
4 (1/4 in. nominal hose or tubing) 1.00 + 0.25
6(3/8in.) 1.50+0.25
8(1/2in.) 1.50+0.25
10 (5/8 in.) 1.50 + 0.25
12 (3/4 in.) 1.50 + 0.25
16 (1 in.) 1.50 + 0.25
Figure 8
Lock Nut
Back--up Washer
O--ring
Figure 9
Step 3Step 1
Step 2 Step 4
Hydraulic
System

Groundsmaster 4100--DHydraulic System Page 4 -- 8
Hydraulic Schematic
NOTE: A larger hydraulic schematic is
4WD
MANIFOLD
COUNTERBALANCE
MANIFOLD
FILTER
MANIFOLD
FAN DRIVE
MANIFOLD
RH WING DECK
MANIFOLD
LH WING DECK
MANIFOLD
CENTER DECK
MANIFOLD
included in Chapter 9: Foldout Drawings

Groundsmaster 4100--D Hydraulic SystemPage 4 -- 9
This page is intentionally blank.
Hydraulic
System

Groundsmaster 4100--DHydraulic System Page 4 -- 10
Hydraulic Flow Diagrams
Traction Circuit (4WD Forward Shown)
Working Pressure
Low Pressure (Charge)
Return or Suction
Flow
Groundsmaster 4100--D
FAN DRIVE
MANIFOLD
4WD
MANIFOLD
COUNTERBALANCE
MANIFOLD
M1 M2 ST L
P1 P2T
P1
P2
P1
P2
P1
P2
LC2
LC1
RV1
RV2
RV1
RV2
M1
M2
M1
M2
S
LC2
LC1
OR
OR
S
M1
M2
RV1
RV2
LC2
LC1
S
RH WING DECK
MANIFOLD
LH WING DECK
MANIFOLD
CENTER DECK
MANIFOLD

Groundsmaster 4100--D Hydraulic SystemPage 4 -- 11
Traction Circuit: 4WD (Mow)
The traction circuit piston pump is a variable displace-
ment pump that is directly coupled to the engine fly-
wheel. Pushing the traction pedal engages a hydraulic
servo valve which controls the variable displacement
piston pump swash plate to create a flow of oil. This oil
isdirectedtothefrontwheelandrearaxlemotors.Oper-
ating pressure on the high pressure side of the closed
traction circuit loop is determined by the amount of load
developedatthefixeddisplacementwheelandaxlemo-
tors. As the load increases, circuit pressure can in-
crease to relief valve settings: 4000 PSI (274 bar) in
forward and 5000 PSI (343 bar) in reverse. If pressure
exceeds the relief setting, oil flows through the relief
valvetothelowpressuresideoftheclosedlooptraction
circuit. The traction circuit provides operation in either
4WD (mow) or transport (2WD).
Traction circuit pressure (forward and reverse) can be
measured at test ports on the sides of the machine.
The traction circuit pump and motors use a small
amount of hydraulic fluid for internal lubrication. Fluid is
designed to leak across traction pump and motor com-
ponents into the case drain. This leakage results in the
lossofhydraulicfluidfromtheclosedlooptractioncircuit
that must be replaced.The charge circuit is designed to
replace this traction circuit leakage.
The gear pump section that supplies oil to the steering
and lift/lower circuits also provides oil for thecharge cir-
cuit. This gear pump is driven directly off the traction
pump. It provides a constant supply of charge oil to
make up for oil that is lost due to internal leakage in the
traction pump and motors.
Pump flow for the charge circuit is directed through the
oil filter and to the low pressure side of the closed loop
traction circuit. A filter bypass valve allows charge oil
flow to the closed loop if the filter becomes plugged.
Chargepressureislimitedto250PSI(17bar)byarelief
valve located in the oil filter manifold. Charge pressure
canbemeasuredatthechargecircuitpressuretestport
on the oil filter manifold.
Forward Direction
When the transport/4WD switch is in the 4WD (mow)
position and the traction pedal is pushed in the forward
direction,oilfromthepistonpumpisdirectedtothefront
wheel motors and 4WD manifold. Oil flow to the front
wheel motors drives the motors in the forward direction
and then returns to the hydrostat. Oil flow to the 4WD
manifold enters the P1 port and then is directed to the
PD1 cartridge and out of the manifold M1 port to drive
therearaxlemotorintheforwarddirection.Oilreturning
from the rear motor re--enters the 4WD manifold at the
M2 port. Flow passes through the PD2 cartridge,
through the CV check valve, out manifold port P2 and
back to the hydrostat.
When going down a hill, the tractor becomes an over--
running load that drives the wheel and axle motors. In
this condition, the rear axle motor could lock up as the
oil pumped from the motor increases pressure as it re-
turnstothe hydrostat. To prevent rearwheellockup,an
adjustable relief valve (RV) in the 4WD manifold re-
ducesrearaxle motorpressurecreated indownhill,dy-
namic braking conditions.
Reverse Direction
The traction circuit operates essentially the same in re-
verse 4WD (mow) as it does in the forward direction.
However,theflowthroughthecircuitisreversed.Oilflow
from the hydrostat is directed to the front wheel motors
and also to the 4WD manifold. The oil to the front wheel
motors drives them in thereverse direction and then re-
turns to the hydrostat. The oil to the 4WD manifold en-
ters the manifold at port P2 and flows through pressure
reducing valve (PR) which limits the down stream pres-
suretotherearaxlemotorto650PSI(45bar)sotherear
wheels will not scuff the turf during reverse operation.
This reduced pressure flows through the PD2 cartridge
and out port M2 to the rear axle motor. Return oil from
the rear motor re--enters the 4WD manifold at port M1,
flows through the PD1 cartridge, exits the manifold at
port P1 and returns to the hydrostat.
Hydraulic
System

Groundsmaster 4100--DHydraulic System Page 4 -- 12
Traction Circuit (Transport Forward Shown)
Working Pressure
Low Pressure (Charge)
Return or Suction
Flow
Groundsmaster 4100--D
FAN DRIVE
MANIFOLD
COUNTERBALANCE
MANIFOLD
M1 M2 ST L
P1 P2T
P1
P2
P1
P2
P1
P2
LC2
LC1
RV1
RV2
RV1
RV2
M1
M2
M1
M2
S
LC2
LC1
OR
OR
S
M1
M2
RV1
RV2
LC2
LC1
S
RH WING DECK
MANIFOLD
LH WING DECK
MANIFOLD
CENTER DECK
MANIFOLD
4WD
MANIFOLD
(energized)
(shifted)
(shifted)

Groundsmaster 4100--D Hydraulic SystemPage 4 -- 13
Traction Circuit: Transport (2WD)
The traction circuit piston pump is a variable displace-
ment pump that is directly coupled to the engine fly-
wheel. Pushing the traction pedal engages a hydraulic
servo valve which controls the variable displacement
piston pump swash plate to create a flow of oil. This oil
isdirectedtothefrontwheelandrearaxlemotors.Oper-
ating pressure on the high pressure side of the closed
traction circuit loop is determined by the amount of load
developedatthefixeddisplacementwheelandaxlemo-
tors. As the load increases, circuit pressure can in-
crease to relief valve settings: 4000 PSI (274 bar) in
forward and 5000 PSI (343 bar) in reverse. If pressure
exceeds the relief setting, oil flows through the relief
valvetothelowpressuresideoftheclosedlooptraction
circuit. The traction circuit provides operation in either
4WD (mow) or transport (2WD).
Traction circuit pressure (forward and reverse) can be
measured at test ports on the sides of the machine.
The traction circuit pump and motors use a small
amount of hydraulic fluid for internal lubrication. Fluid is
designed to leak across traction pump and motor com-
ponents into the case drain. This leakage results in the
lossofhydraulicfluidfromtheclosedlooptractioncircuit
that must be replaced.The charge circuit is designed to
replace this traction circuit leakage.
The gear pump section that supplies oil to the steering
and lift/lower circuits also provides charge oil for the
traction circuit. This gear pump is driven directly off the
tractionpump.Itprovidesaconstantsupplyofchargeoil
to the traction circuit to make up for oil that is lost due to
internal leakage in the traction pump and motors.
Chargepumpflowisdirectedthroughtheoil filterandto
the low pressure side of the closed loop traction circuit.
A filter bypass valve allows charge oil flow to the closed
loopifthefilterbecomesplugged.Chargepressure isli-
mited to 250 PSI (17 bar) by a relief valve located in the
oil filter manifold. Charge pressure can be measured at
thecharge circuitpressuretest portontheoilfilter man-
ifold.
Forward Direction
With the transport/4WD switch in the transportposition,
solenoidvalve(SV)inthe4WDcontrolmanifoldisener-
gized. The solenoid valve spool shifts to direct charge
pressure that shifts the PD1 and PD2 control valve
spools. The shifted PD1 valve prevents hydraulic flow
from the piston pump to the rear axle motor. With flow
blocked to the rear axle motor, all pump flow is directed
to the front wheel motors to allow a higher transport
speed in the forward direction.
Without flow to the rear axle motor, the rotating rear
wheels drive the axle motor so it acts like a pump. Inlet
oiltothe axlemotorisprovided by a checkvalvethatal-
lows charge oil into the rear axle motor circuit. Oil leav-
ing the axle motor enters the 4WD control manifold at
port M2 and is directed back to the axle motor through
theshiftedPD1cartridgeandmanifoldportM1.Toallow
forrearwheelloopcoolingwheninforwardtransportop-
eration, a small amount of oil exits through the shifted
PD1 and PD2 cartridges that returns to the reservoir.
Reverse Direction
The traction circuit operates essentially the same in re-
versetransport(2WD)asitdoesintheforwarddirection.
However, the flow through the circuit is reversed. The
shifted solenoid valve (SV) and directional valves PD1
and PD2 in the 4WD manifold prevent oil flow from the
rear axle motor. Oil flow from the hydrostat is therefore
directed to only the front wheel motors. This oil drives
the front wheel motors in the reverse direction and then
returns to the hydrostat. Oil circulation through the rear
axle motor loop is the same as in the transport (2WD)
forward direction.
Hydraulic
System

Groundsmaster 4100--DHydraulic System Page 4 -- 14
Lower Cutting Deck (LH Deck Shown)
Working Pressure
Low Pressure (Charge)
Return or Suction
Flow
Groundsmaster 4100--D
FAN DRIVE
MANIFOLD
4WD
MANIFOLD
COUNTERBALANCE
MANIFOLD
M1 M2 ST L
P1 P2T
RV1
RV2
LC2
LC1
S
P1
P2
M1
M2
RV1
RV2
LC2
LC1
S
P1
P2
M1
M2
OR
RV1
RV2
LC2
LC1
S
P1
P2
M1
M2
OR
RH WING DECK
MANIFOLD
LH WING DECK
MANIFOLD
CENTER DECK
MANIFOLD

Groundsmaster 4100--D Hydraulic SystemPage 4 -- 15
Lower Cutting Deck
A four section gear pump is coupled to the piston (trac-
tion) pump. The third gear pump section supplies hy-
draulic flow to both the lift/lower control valve and the
steering control valve. Hydraulic flow from this pump
section is delivered to the steering and lift/lower circuits
through a proportional flow divider that is located in the
fan drive manifold. This pump section takes its suction
from the hydraulic reservoir.
When the cutting deck is in a stationary position, flow
from the gear pump is by--passed through the lift/lower
control valve, counterbalance manifold, oil filter and
traction charge circuit.
To lower the cutting deck, the center lift lever on the lift/
lower control valve is pushed to allow valve shift in the
lift/lowercontrol.Thisvalvechangeallowsapassagefor
oil flow from the rod end of the front deck lift cylinders.
The weight of the cutting deck causes the lift cylinders
to extend, and lower the cutting deck. Oil from the rod
end of the cylinders is allowed to return to the traction
chargecircuit.When the lift leverisreleased,thelift cyl-
inders and cutting deck is held in position.
The drop speed of the front cutting deck is regulatedby
anadjustable flowcontrolvalvethat islocatedin thehy-
draulic lines between the lift/lower control valve and the
deck lift cylinders.
Tolowerawingdeck,theappropriateliftleveronthelift/
lower control valve is pushed to allow valve shift in the
lift/lower control valve. This valve change causes a
valveshiftinthecounterbalancemanifoldandoilflowto
the barrel end of the lift cylinder. Higher hydraulic pres-
sure against the barrel end of the cylinder causes the
cylinder shaft to extend, and lower the wing deck. Oil
fromthepistonendofthecylinderreturns tothetraction
chargecircuit.When the lift leverisreleased,thelift cyl-
inder and wing deck is held in position.
Anadjustablecounterbalancevalve(CB)inthecounter-
balance manifold maintains back pressure on the deck
lift cylinders to allow some of the cutting deck weight to
be transferred to the traction unit to improve traction. A
reliefvalvelocatedinthelift/lowercontrolvalvelimitslift/
lowercircuitpressureto1500PSI(103bar).Excesscir-
cuit flow is routed to the oil filter and then to the traction
charge circuit.
Hydraulic
System

Groundsmaster 4100--DHydraulic System Page 4 -- 16
Raise Cutting Deck (LH Deck Shown)
Working Pressure
Low Pressure (Charge)
Return or Suction
Flow
Groundsmaster 4100--D
FAN DRIVE
MANIFOLD
4WD
MANIFOLD
COUNTERBALANCE
MANIFOLD
M1 M2 ST L
P1 P2T
RV1
RV2
LC2
LC1
S
P1
P2
M1
M2
OR
RV1
RV2
LC2
LC1
S
P1
P2
M1
M2
RV1
RV2
LC2
LC1
S
P1
P2
M1
M2
OR
RH WING DECK
MANIFOLD
LH WING DECK
MANIFOLD
CENTER DECK
MANIFOLD

Groundsmaster 4100--D Hydraulic SystemPage 4 -- 17
Raise Cutting Deck
A four section gear pump is coupled to the piston (trac-
tion) pump. The third gear pump section supplies hy-
draulicflowtothelift/lowercontrolvalveandthesteering
control valve. Hydraulic flow from this pump section is
delivered to the two circuits through a proportional flow
divider. The gear pump takes its suction from the hy-
draulic reservoir.
When the cutting deck is in a stationary position, flow
from the gear pump is by--passed through the lift/lower
control valve, counterbalance manifold, oil filter and
traction charge circuit.
To raise the cutting deck, the center lift lever on the lift/
lowercontrol valveis pulledtoallowvalveshiftin thelift/
lower control valve. This valve change allows hydraulic
pressure to the rod end of the front deck lift cylinders,
causingthe cylinderstoretract. Asthecylinders retract,
thecuttingdeckraises.Oilfromthepistonendofthecyl-
indersreturnstothehydraulicreservoir.Whentheliftle-
verisreleased,the lift cylinders andcuttingdeckis held
in position.
To raise a wing deck, the appropriate liftlever on the lift/
lowercontrol valveis pulledtoallowvalveshiftin thelift/
lower control valve. This valve change allows hydraulic
pressure to the piston end of the wing deck lift cylinder
andcauses thecylindershafttoretract,raisingthe wing
deck. Oil from the rod end of the cylinder flows to the
tractionchargecircuit.Whentheliftleverisreleased,the
lift cylinder and wing deck is held in position.
Anadjustablecounterbalancevalve(CB)inthecounter-
balance manifold maintains back pressure on the deck
lift cylinders to allow some of the cutting deck weight to
be transferred to the traction unit to improve traction. A
reliefvalvelocatedinthelift/lowercontrolvalvelimitslift/
lowercircuitpressureto1500PSI(103bar).Excesscir-
cuit flow is routed to the oil filter and then to the traction
charge circuit.
Hydraulic
System

Groundsmaster 4100--DHydraulic System Page 4 -- 18
Mow Circuit (All Deck Motors Rotating)
Working Pressure
Low Pressure (Charge)
Return or Suction
Flow
Groundsmaster 4100--D
FAN DRIVE
MANIFOLD
RH WING DECK
MANIFOLD
4WD
MANIFOLD
LH WING DECK
MANIFOLD
CENTER DECK
MANIFOLD
COUNTERBALANCE
MANIFOLD
M1 M2 ST L
P1 P2T
RV1
RV2
LC2
LC1
S
P1
P2
M1
M2
OR
RV1
RV2
LC2
LC1
S
P1
P2
M1
M2
RV1
RV2
LC2
LC1
S
P1
P2
M1
M2
OR

Groundsmaster 4100--D Hydraulic SystemPage 4 -- 19
Mow Circuit
Hydraulicflowforthemowcircuitissuppliedbytwosec-
tions of the gear pump. The gear pump section closest
to the piston (traction) pump supplies hydraulic flow to
the wing decks, while the next gear pump section sup-
plies the center deck.
Each cutting deck is controlled by a hydraulic manifold
equipped with a solenoid control valve (S), bypass car-
tridge (LC1), brake cartridge (LC2) and relief cartridge
(RV1).Whenthethedecksolenoidvalve(S)isnotener-
gized (PTO switch OFF), hydraulic flow by--passes the
deck motor through the bypass cartridge (LC1). When
the PTO switch is turned ON,the solenoid valve (S) en-
ergizes, causing a shift of the by--pass cartridge (LC1)
andallowinghydraulicflowtothedeckmotor.Brakecar-
tridge (LC2) and relief cartridge (RV2) control the stop-
pingrateofthe blade when the solenoid control valve is
de--energized as the PTO switch is turned OFF.
The solenoid valve (S) for each wing deck is de--ener-
gized any time the wing deck is raised.
Returnoilfromthedeckmotorsisdirectedtotheoilcool-
er and oil filter. Deck motor case drain leakage returns
to the hydraulic reservoir.
Maximum mow circuit pressure is limited at each deck
by a relief valve (RV1) in the hydraulic manifold. The
front and left deck relief valves are set at 3000 PSI (207
bar)andtherightdeckreliefvalveissetat2000PSI(137
bar).
Circuit pressure can be measured at port (G) of the hy-
draulic manifold for each cutting deck.
Hydraulic
System

Groundsmaster 4100--DHydraulic System Page 4 -- 20
Mow Circuit Cutting Deck Blade Braking
WhentheoperatorturnsthePTOswitchOFForifadeck
israisedwiththe PTOswitchON, deck control manifold
solenoid valve (S) is de--energized causing logic car-
tridge(LC1)toshift(refertoinformationinPTOMowCir-
cuit in this section). This shifted cartridge allows oil
return out manifold port P2. At the same time, solenoid
valve (S) in its neutral position prevents any sense line
flow through the spool which causes the logic cartridge
LC2 to shift to its neutral position blocking return flow
fromthedeckmotorandslowingthecuttingblades(Fig.
10).
Theinertiaoftherotatingcuttingblades,however,effec-
tively turns the deck motor into a pump causing an in-
creaseinpressure as the flowfromthemotor comesup
againsttheclosedlogiccartridge(LC2).Whenthispres-
sure builds to approximately 600 PSI (41 bar), relief
valve (RV2) opens which allows a small amount of hy-
draulic flow to return to tank through a manifoldsensing
line (Fig. 11). This flow causes a pressure increase that
shifts logic cartridge LC2 to once again allow oil flow
from the motor (Fig. 12). When motor return pressure
dropsbelow600PSI(41bar),reliefvalve(RV2)reseats
andcausesLC2tocloseagainblockingreturnflowfrom
the deck motor to further slow the cutting blades. This
actionofthebrakereliefvalveopeningandthelogiccar-
tridge shifting occurs several times in a very short time
frame as the blades finally come to a stop. Once the
bladeshavestopped,logiccartridgeLC2remainsinthe
neutral position to keep the deck motor from rotating.
Figure 10
MOTOR
CD
DECK
G
RV1
RV2
LC2
LC1
S
P1
P2
M1
M2
DECK MANIFOLD
Figure 11
MOTOR
CD
DECK
G
RV1
RV2
LC2
LC1
S
P1
P2
M1
M2
DECK MANIFOLD
Figure 12
DECK MANIFOLD
MOTOR
CD
DECK
G
RV1
RV2
LC2
LC1
S
P1
P2
M1
M2

Groundsmaster 4100--D Hydraulic SystemPage 4 -- 21
This page is intentionally blank.
Hydraulic
System

Groundsmaster 4100--DHydraulic System Page 4 -- 22
Steering Circuit (Left Turn Shown)
Working Pressure
Low Pressure (Charge)
Return or Suction
Flow
Groundsmaster 4100--D
FAN DRIVE
MANIFOLD
RH PTO
MANIFOLD
4WD
MANIFOLD
LH PTO
MANIFOLD
FRONT PTO
MANIFOLD
COUNTERBALANCE
MANIFOLD
M1 M2 ST L
P1 P2T
RV1
RV2
LC2
LC1
S
P1
P2
M1
M2
RV1
RV2
LC2
LC1
S
P1
P2
M1
M2
OR
RV1
RV2
LC2
LC1
S
P1
P2
M1
M2
OR

Groundsmaster 4100--D Hydraulic SystemPage 4 -- 23
Steering Circuit
A four section gear pump is coupled to the piston (trac-
tion) pump. The third gear pump section supplies hy-
draulicflowtothesteeringcontrolvalveandthelift/lower
controlvalve.Pumphydraulicflowisdeliveredtothetwo
circuitsthroughaproportionalflowdividerlocatedinthe
fandrivemanifold.Thegearpumptakesitssuctionfrom
thehydraulicreservoir.Steeringcircuitpressure islimit-
ed to 1350 PSI (93 bar) by a relief valve located in the
steering control.
With the steering wheel in the neutral position and the
enginerunning,flow enters the steering control valve at
the P port and goes through the steering control spool
valve, by--passing the rotary meter (V1) and steering
cylinder. Flow leaves the control valve through the PB
port to the oil filter and traction charge circuit.
Left Turn
When a left turn is made with the engine running, the
turningofthesteeringwheelpositionsthespoolvalveso
thatflowgoesthroughthetopofthespool.Flowentering
the steering control valve at the P port goes throughthe
spool and is routed to two places. First, most of the flow
through the valve is by--passed out the PB port back to
the oil filter and traction charge circuit. Second, the re-
mainder of the flow is drawn through the rotary meter
(V1) and out the L port. Pressure contracts the steering
cylinder piston for a left turn. The rotary meter ensures
that the oil flow to the cylinder is proportional to the
amount of the turning on the steering wheel. Fluid leav-
ing the cylinder flows back through the spool valvethen
through the T port and to the hydraulic reservoir.
Thesteeringcontrolvalvereturnstotheneutralposition
when turning is completed.
Right Turn
When a right turn is made with the engine running, the
turningofthesteeringwheelpositionsthespoolvalveso
thatflowgoes through the bottom of thespool.Flowen-
tering the steering control valve at the P port goes
throughthespoolandisroutedtotwoplaces.Asinaleft
turn,mostoftheflowthroughthevalveisby--passedout
the PB port back to the oil filter and traction charge cir-
cuit. Also like a left turn, the remainder of the flow is
drawn through rotary meter (V1) but goes out port R.
Pressure extends the steering cylinder pistonfor a right
turn.Therotarymeterensuresthattheoilflowtothecyl-
inder is proportional to the amount of the turning on the
steering wheel. Fluid leaving the cylinder flows back
through the spool valve then through the T port and to
the hydraulic reservoir.
Thesteeringcontrolvalvereturnstotheneutralposition
when turning is completed.
Figure 13
1350
PSI
PB STEERING
T
R
P
L
PISTON MOVEMENT
CONTROL
1350
PSI
PB
STEERING CYLINDER
STEERING
T
R
P
L
PISTON MOVEMENT
CONTROL
1350
PSI
PB
STEERING CYLINDER
STEERING
T
R
P
L
CONTROL
LEFT TURN
NEUTRAL POSITION RIGHT TURN
NO PISTON MOVEMENT
STEERING CYLINDER
Hydraulic
System

Groundsmaster 4100--DHydraulic System Page 4 -- 24
Engine Cooling Fan Circuit (Forward Direction Shown)
Working Pressure
Low Pressure (Charge)
Return or Suction
Flow
Groundsmaster 4100--D
FAN DRIVE
MANIFOLD
RH PTO
MANIFOLD
4WD
MANIFOLD
LH PTO
MANIFOLD
FRONT PTO
MANIFOLD
COUNTERBALANCE
MANIFOLD
M1 M2 ST L
P1 P2T
RV1
RV2
LC2
LC1
S
P1
P2
M1
M2
RV1
RV2
LC2
LC1
S
P1
P2
M1
M2
OR
RV1
RV2
LC2
LC1
S
P1
P2
M1
M2
OR

Groundsmaster 4100--D Hydraulic SystemPage 4 -- 25
Engine Cooling Fan Circuit
A four section gear pump is coupled to the piston (trac-
tion)pump.Thegearpumpsectionfarthestfromthepis-
ton pump supplies hydraulic flow for the fan drive
manifold and hydraulic engine cooling fan motor (Fig.
14).
The fan drive manifold controls the operation of the hy-
draulic motor that drives the engine cooling fan in addi-
tion to including the flow divider for the steering and lift
circuits. The electronically controlled proportional relief
valve(PRV)inthemanifoldcontrolstheoilflowtothefan
motor.Thefandrive manifoldcontrolsthespeedanddi-
rection of the fan motor based on electrical output from
the TEC--5002 controller.
Oil flow from the gear pump to the cooling fan motor is
controlled by the proportional relief valve (PRV) in the
fan drive manifold. This valve adjusts fan circuit pres-
sure and flow based on a PWM (Pulse Width Modula-
tion)signalfromtheTEC--5002controller.Thecontroller
uses engine coolant and hydraulic oil temperatures as
inputstodeterminetheproperPWMsignalforthe(PRV)
valve. The fan circuit flow determines the speed of the
coolingfanmotorandthus,thespeedofthecoolingfan.
If the fan motor is stalled for any reason, the manifold
proportionalreliefvalve(PRV)hasasecondaryfunction
as a circuit relief to limit fan motor pressure to 3000 PSI
(207 bar).
When the engine is shut off, the over--running inertia
load of the fan blades keeps driving the fan motor and
turnsitintoapump.Thecheckvalve(CV)inthefandrive
manifold will open to keep the motor circuit full of oil so
the fan motor will not cavitate.
Forward Direction Fan Operation
Oilflowfromthegearpumpissentthroughthede--ener-
gizedsolenoidvalve(S1)torotatethecoolingfanmotor.
Return flow from the motor re--enters the manifold (port
M2), through the de--energized solenoid valve (S1), out
ofthemanifold(portT)andthenisroutedthroughtheoil
cooler and oil filter.
Reverse Direction Fan Operation (Fig. 15)
TheTEC--5002 controller canreversethe coolingfanto
clean debris from the radiator, oil cooler and rear intake
screen. If hydraulic oil and/or engine coolant tempera-
turesincreasetoanunsuitablelevel,ahighPWMsignal
is sent to the (PRV) valveto slow the cooling fan and di-
rect pump oil flow to the reservoir. The controller then
energizes solenoid valve (S1) in the fan drive manifold
to reverse cooling fan motor oil flow so that the motor
runsinthereversedirection.AlowerPWMsignalissent
tothePRVvalveallowingoilflowtoreturntothefanmo-
tor but in the reverse direction causing the motor and
cooling fan to run in reverse. The controller determines
the length of time that the fan should be run in reverse
before fan rotation is returned to the forward direction.
1. Gear pump 2. Fan drive manifold
Figure 14
1
2
Figure 15
FAN DRIVE
MANIFOLD
M1 M2 L
P1 P2T
FROM GEAR PUMP
TO OIL COOLER
TO RESERVOIR
TO LIFT/LOWER
CIRCUIT
TO STEERING
CIRCUIT
REVERSE DIRECTION SHOWN
Hydraulic
System

Rev. A Groundsmaster 4100--DHydraulic System Page 4 -- 26
Special Tools
Order these special tools from your Toro Distributor.
Hydraulic Pressure Test Kit
Use to take various pressure readings for diagnostic
tests. Quick disconnect fittings provided attach directly
to mating fittings on machine test ports without tools. A
high pressure hose is provided for remote readings.
Contains one each: 1000 PSI (70 Bar), 5000 PSI (350
Bar) and 10000 PSI (700 Bar) gauges. Use gauges as
recommended in Testing section of this chapter.
Toro Part Number: TOR47009
Figure 16
Hydraulic Tester (Pressure and Flow)
This tester requires O--ring Face Seal (ORFS) adapter
fittings for use on this machine (see Hydraulic Test Fit-
ting Kit -- TOR4079 in this section).
1. INLET HOSE: Hose connected from the system cir-
cuit to the inlet side of the hydraulic tester.
2. LOAD VALVE: A simulated working load is created
in the circuit by turning the valve to restrict flow.
3. PRESSUREGAUGE:Glycerinefilled0to5000PSI
gauge to provide operating circuit pressure.
4. FLOW METER: This meter measures actual oil flow
in the operating circuit with a gauge rated from 1 to 15
GPM(5to55LPM).
5. OUTLET HOSE: A hose from the outlet side of the
hydraulictesterconnectstothehydraulicsystemcircuit.
6. FITTINGS:Anassortmentofhydraulicfittingsarein-
cluded with this kit.
Toro Part Number: TOR214678
Figure 17

Groundsmaster 4100--D Hydraulic SystemPage 4 -- 27
Hydraulic Test Fitting Kit
This kit includes a variety of O--ring Face Seal fittings to
enable you to connect test gauges into the system.
The kit includes: tee’s, unions, reducers, plugs, caps
and male test fittings.
Toro Part Number: TOR4079
Figure 18
TORO TEST FITTING KIT (NO. TOR4079)
Measuring Container
Use this container for doing hydraulic motor efficiency
testing(motorswithcasedrainlinesonly).Measureeffi-
ciency of a hydraulic motor by restricting the outlet flow
from the motor and measuring leakage from the case
drainlinewhilethemotorispressurizedbythehydraulic
system.
The table in Figure 20 provides gallons per minute
(GPM)conversionformeasuredmilliliterorouncemotor
case drain leakage.
Toro Part Number: TOR4077
Figure 19
Figure 20
Hydraulic
System

Groundsmaster 4100--DHydraulic System Page 4 -- 28
Troubleshooting
The charts that follow contain suggestions to assist in
troubleshooting. There may possibly be more than one
cause for a machine malfunction.
Refer to the Testing section of this Chapter for precau-
tions and specific test procedures.
NOTE: Whentroubleshooting traction problemsonthe
Groundsmaster 4100--D, if a problem exists in both
4WD and transport speeds, consider a faulty compo-
nent that affects the entire traction circuit (e.g. charge
circuit, relief valves, piston pump, front wheel motors).
Iftheproblemexistsin4WDbutnotintransport,consid-
er a problem in the 4WD traction system (e.g. rear axle
motor, 4WD manifold).
Problem Possible Cause
Hydraulic system operates hot.
NOTE: An indication that the hy-
draulic system is operating at exces-
sive temperatures would be frequent
reversing of the cooling fan and a
normal engine coolant temperature.
Engine RPM is too low.
Brakes are applied or sticking.
Hydraulic reservoir oil level is low.
Hydraulic oil is contaminated or the wrong type.
Piston pump by--pass valve is open or damaged.
Cooling system is not operating properly.
Charge pressure is low.
Traction circuit pressure is incorrect.
Pump(s) or motor(s) are damaged.
Hydraulic oil in reservoir foams. Hydraulic reservoir oil level is low.
Wrong type of oil is in the hydraulic system.
Air is leaking into a pump suction line.
Machine operates in one direction
only. Traction control linkage is faulty.
Traction relief valve is defective.
Traction pedal is sluggish. Traction control linkage is stuck or binding.
Charge pressure is low.
Piston (traction) pump servo control valve orifices are plugged or
damaged.
4WD manifold PD1 and PD2 pilot directional valves seals are leaking
or damaged.
Machine travels too far before stop-
ping when the traction pedal is re-
leased.
Traction linkage is out of adjustment.
Charge pressure is low.
Piston (traction) pump servo control valve orifices are plugged or da-
maged.
Traction pedal does not return to neutral.

Groundsmaster 4100--D Hydraulic SystemPage 4 -- 29
Problem Possible Causes
Traction power is lost or unit will not
operate in either direction. Hydraulic reservoir oil level is low.
Piston pump by--pass valve is open or damaged.
Charge pressure is low.
Traction circuit pressure is low.
Front wheel motor couplers are damaged.
Four wheel drive will not engage. Electrical problem exists (see Chapter 5 -- Electrical System).
Solenoid valve (SV) in 4WD hydraulic manifold is faulty.
Cartridge valve(s) in 4WD manifold is faulty.
Drive gear on rear axle motor or driven gear for rear axle is loose or
damaged.
Rear axle motor is damaged.
Four wheel drive will not disengage. Electrical problem exists (see Chapter 5 -- Electrical System).
Solenoid valve (SV) in 4WD hydraulic manifold is faulty.
Cartridge valve in 4WD manifold is damaged or sticking.
No cutting decks will operate. Electrical problem exists (see Chapter 5 -- Electrical System).
Gear pump or its coupler is damaged (Note: other hydraulic circuits
impacted as well).
One cutting deck will not operate. Electrical problem exists (see Chapter 5 -- Electrical System).
System pressure to the affected deck is low.
Woodruff key on affected deck motor is damaged.
Solenoid valve (S) in deck manifold is faulty.
Cartridge valve in deck manifold is damaged or sticking.
Deck motor or gear pump section is damaged.
All cutting decks operate slowly. Engine RPM is low.
Deck motor or gear pump sections are damaged.
Cutting deck stops under load. Relief valve in deck manifold is by--passing.
Deck motor has internal leakage (by--passing oil).
Cutting deck gear pump section is inefficient.
Hydraulic
System

Groundsmaster 4100--DHydraulic System Page 4 -- 30
Problem Possible Causes
Cutting deck (or wing decks) will not
raise. Engine RPM is too low.
Hydraulic oil level in reservoir is low.
Lift arm pivots are binding.
Relief valve in lift/lower control valve is stuck.
Pilot valve in lift/lower control valve is damaged or sticking.
Lift cylinder(s) is (are) damaged.
Gear pump section for lift/lower control valve is inefficient.
Cutting deck (or wing decks) raise,
but will not stay up.
NOTE: Lift cylinders cannot provide
an absolutely perfect seal. The cut-
ting deck will eventually lower if left
in the raised position during storage.
Lift circuit lines or fittings are leaking.
Lift cylinder is damaged.
Detents in lift/lower control valve are worn.
Front cutting deck drops too fast or
too slow. Flow control valve is not adjusted properly.
Cutting deck (or wing decks) will not
lower. Lift arm pivots are binding.
Counterbalance pressure is excessive.
Pilot valve in lift/lower control valve is damaged or sticking.
Lift cylinder is damaged.
Lift/lower control valve is worn or damaged.

Groundsmaster 4100--D Hydraulic SystemPage 4 -- 31
Testing
The most effective method for isolating problems in the
hydraulic system is by using hydraulic test equipment
suchas pressuregaugesandflow meters inthecircuits
during various operational checks (See the Special
Tools section in this Chapter).
Before Performing Hydraulic Tests
IMPORTANT: All obvious areas such as oil supply,
filter, binding linkages, loose fasteners or improper
adjustmentsmustbecheckedbeforeassumingthat
ahydrauliccomponentisthesourceoftheproblem.
Precautions for Hydraulic Testing
CAUTION
Failure to use gauges with recommended pres-
sure (PSI) rating as listed in test procedures
couldresultindamagetothegaugeandpossible
personal injury from leaking hot oil.
CAUTION
All testing should be performed by two (2)
people.Onepersonshouldbeintheseattooper-
ate the machine and the other should read and
record test results.
CAUTION
Operate all hydraulic controls to relieve system
pressure and avoid injury from pressurized hy-
draulic oil. Controls must be operated with the
ignitionswitchinOFF.Removekeyfromtheigni-
tion switch.
WARNING
Keepbodyandhandsawayfrompinholeleaks
or nozzles that eject hydraulic fluid under high
pressure. Do not use hands to search for
leaks; use paper or cardboard. Hydraulic fluid
escaping under pressure can have sufficient
force to penetrate the skin and cause serious
injury. If fluid is injected into the skin, it must
be surgically removed within a few hours by a
doctor familiar with this type of injury. Gan-
grene may result from such an injury.
WARNING
Before disconnecting or performing any work
on the hydraulic system, all pressure in the
system must be relieved and all rotating ma-
chine parts must be stopped. Stop engine;
lower or support attachments.
1. Clean machine thoroughly before disconnecting or
disassemblinganyhydrauliccomponents.Alwayskeep
in mind the need for cleanliness when working on hy-
draulic equipment. Contamination will cause excessive
wear of hydraulic components.
2. Put metal caps or plugs on any hydraulic lines left
open or exposed during testing or removal of compo-
nents.
3. Theenginemustbeingoodoperatingcondition.Use
a phototac when performing a hydraulic test. Engine
speed can affect the accuracy of the tester readings.
Check actual speed of the pump when performing flow
testing.
4. Theinletandtheoutlethosesfortesterwithpressure
and flow capabilities must be properly connected and
not reversed to prevent damage to the hydraulic tester
or components.
5. When using hydraulic tester with pressure and flow
capabilities, open load valve completely in the tester to
minimize the possibility of damaging components.
6. Install fittings finger tight and far enough to make
sure that they are not cross--threaded before tightening
them with a wrench.
7. Position tester hoses to prevent rotating machine
partsfromcontactinganddamagingthehosesortester.
8. Check oil level in the hydraulic reservoir. After con-
necting test equipment, make sure tank is full.
9. Check control linkages for improper adjustment,
binding or broken parts.
10.After installing test gauges, run engine at low speed
and check for any hydraulic oil leaks.
11.Allhydraulictestsshould bemadewiththehydraulic
oil at normal operating temperature.
12.Before returning machine to use, make sure thathy-
draulic reservoir has correct fluid level. Also, check for
hydraulic leaks after test equipment has beenremoved
from hydraulic system.
Hydraulic
System

Groundsmaster 4100--DHydraulic System Page 4 -- 32
Traction Circuit Charge Pressure (Using Pressure Gauge)
4WD
MANIFOLD
FILTER
MANIFOLD
TO COOLING FAN CIRCUIT
TO STEERING & LIFT CIRCUITS
FROM FRONT DECK
FROM COUNTERBALANCE
MANIFOLD
TO MOW CIRCUIT
CYLINDERS
FROM FRONT PTO MANIFOLD
FROM STEERING VALVE PORT T
FROM STEERING VALVE PORT PB
PRESSURE
GAUGE
TO MOW CIRCUIT
FROM DECK MANIFOLDS
FROM DECK MANIFOLDS AND FAN MOTOR

Groundsmaster 4100--D Hydraulic SystemPage 4 -- 33
ProcedureforTractionCircuitChargePressureTest
1. Make sure hydraulic oil is at normal operating tem-
peraturebyoperatingthemachineforapproximately10
minutes. Make sure the hydraulic tank is full.
2. Parkmachineonalevelsurfacewiththecuttingdeck
loweredandoff.Makesureengineisoffandtheparking
brake is engaged. Raise and support operator seat.
CAUTION
Prevent personal injury and/or damage to equip-
ment. Read all WARNINGS, CAUTIONS and Pre-
cautions for Hydraulic Testing at the beginning
of this section.
3. Connect a 1000 PSI (70 bar) gauge onto charge
pressure test port (Fig. 21) under operator seat.
4. After installing pressure gauge, start engine and run
at idle speed. Check for hydraulic leakage and correct
before proceeding with test.
5. Operatetheengineatfullenginespeed(2870RPM)
with no load on the hydraulic system.
GAUGE READING TO BE 200 to 300 PSI (13.8 to
20.6 bar).
6. Stop engine and record test results.
7. If there is no pressure, or pressure is low, check for
restrictioninpumpintakeline.Also,inspectchargerelief
valve located in filter manifold (see Hydraulic Manifold
Service: Filter Manifold in the Service and Repairs sec-
tionofthischapter).Ifnecessary,checkforinternaldam-
age or worn parts in gear pump.
8. Also, with the pressure gauge still connected to the
charge pressure test port, take a gauge reading while
operating the machine in forward andreverse. Start the
engineandputthrottleatfullenginespeed(2870RPM).
Apply the brakes and push the traction pedal forward,
then reverse.
GAUGE READING TO BE 200 to 300 PSI (13.8 to
20.6 bar).
9. Ifchargepressureisgoodundernoload,butconsis-
tently drops below specification when under traction
load,thepiston (traction) pump and/or traction motor(s)
shouldbesuspected ofwearandinefficiency.Whenthe
pumpand/ortractionmotor(s)arewornordamaged,the
chargepumpisnotabletokeepupwithinternalleakage
in traction circuit components.
10.When testing is completed, disconnect pressure
gauge from test port.
1. Charge pressure port 2. Filter manifold
Figure 21
1
2
Hydraulic
System

Groundsmaster 4100--DHydraulic System Page 4 -- 34
Traction Circuit Relief Pressure (Using Pressure Gauge)
4WD
MANIFOLD
FILTER
MANIFOLD
TO COOLING FAN CIRCUIT
TO STEERING & LIFT CIRCUITS
FROM FRONT DECK
FROM COUNTERBALANCE
MANIFOLD
FROM DECK MANIFOLDS
TO MOW CIRCUIT
CYLINDERS
FROM FRONT PTO MANIFOLD
FROM STEERING VALVE PORT T
FROM STEERING VALVE PORT PB
FROM DECK MANIFOLDS AND FAN MOTOR
PRESSURE
GAUGE
FORWARD TRACTION CIRCUIT RELIEF PRESSURE TEST SHOWN
TO MOW CIRCUIT

Groundsmaster 4100--D Hydraulic SystemPage 4 -- 35
Procedure for Traction Circuit Relief Pressure Test
1. Make sure hydraulic oil is at normal operating tem-
peraturebyoperatingthemachineforapproximately10
minutes. Make sure the hydraulic tank is full.
CAUTION
Movemachinetoanopenarea,awayfrompeople
and obstructions.
2. Drive machine to an open area, lower cutting deck,
turn the engine off and engage the parking brake.
CAUTION
Prevent personal injury and/or damage to equip-
ment. Read all WARNINGS, CAUTIONS and Pre-
cautions for Hydraulic Testing at the beginning
of this section.
3. Connecta10,000PSI(700bar)gaugetotractioncir-
cuit test port for function to be checked (Forward or Re-
verse: Fig. 22 or 23).
4. After installing pressure gauge, start engine and run
at idle speed. Check for hydraulic leakage and correct
before proceeding with test.
5. Operate the engine at full speed (2870 RPM).Make
sure that transport/4WD switch is in the transport posi-
tion.
6. Sitonseat,applybrakesfullyandslowlydepressthe
traction pedal in the appropriate direction. While pu-
shingtractionpedal,lookatpressurereadingongauge:
GAUGE READING TO BE:
Forward: 3750 to 4250 PSI (259 to 293 bar)
Reverse: 4750 to 5250 PSI (328 to 362 bar)
7. Releasetractionpedal and stopengine.Recordtest
results.
8. If traction pressure is too low, inspect traction pump
reliefvalves(Fig.24).Cleanorreplacevalvesasneces-
sary.Thesecartridgetypevalvesarefactorysetandare
notadjustable.Ifreliefvalvesareingoodcondition,trac-
tionpumporwheelmotorsshouldbesuspectedofwear
and inefficiency.
NOTE: Seal leakage across pilot directional valves
PD1 and PD2 in 4WD manifold can also cause low for-
ward traction pressure with reverse pressure meeting
specifications.
9. When testing is completed, disconnect pressure
gauge from test port.
1. Forward traction port 2. LH front tire
Figure 22
1
2
1. Reverse traction port 2. RH front tire
Figure 23
1
2
1. Forward relief valve
2. Reverse relief valve 3. Traction pump
Figure 24
FRONT
RIGHT
1
2
3
Hydraulic
System

Groundsmaster 4100--DHydraulic System Page 4 -- 36
Counterbalance Pressure (Using Pressure Gauge)
FAN DRIVE
MANIFOLD
4WD
MANIFOLD
FILTER
MANIFOLD
TO MOW CIRCUIT
TO MOW CIRCUIT
FROM FRONT DECK MANIFOLD
FROM DECK MOTORS
FROM RH DECK
MANIFOLD
FROM RH DECK
CIRCUIT
PRESSURE
GAUGE
COUNTERBALANCE
MANIFOLD
M1 M2 ST L
P1 P2T
FROM DECK MANIFOLDS

Groundsmaster 4100--D Hydraulic SystemPage 4 -- 37
Procedure for Counterbalance Pressure Test
1. Make sure hydraulic oil is at normal operating tem-
peraturebyoperatingthemachineforapproximately10
minutes. Make sure the hydraulic tank is full.
2. Parkmachineonalevelsurfacewiththecuttingdeck
loweredandoff.Makesureengineisoffandtheparking
brake is engaged. Remove console cover.
CAUTION
Prevent personal injury and/or damage to equip-
ment. Read all WARNINGS, CAUTIONS and Pre-
cautions for Hydraulic Testing at the beginning
of this section.
3. Determine system charge pressure (see Traction
Circuit Charge Pressure in this chapter).
4. Connect a 1000 PSI (70 bar) gauge to counterbal-
ance test port on manifold under console (Fig. 25).
5. After installing pressure gauge, start engine and run
at idle speed. Check for hydraulic leakage and correct
before proceeding with test.
6. Operatetheengineatfullenginespeed(2870RPM)
withno loadonthesystem.Do not engage the cutting
deck.
GAUGE READING TO BE 225 PSI (15.5 bar) over
system charge pressure (e.g.ifcharge pressureis
250PSI (17.2bar),counterbalance pressure should
be 475 PSI (32.7 bar)).
7. Stop the engine and record test results.
8. Adjustment of the counterbalance valve can be per-
formed as follows:
NOTE: Do not remove the counterbalance valve
from the hydraulic manifold for adjustment.
A. Loosen locknut on counterbalance valve (Fig.
25).
B. To increase pressure setting, turn the adjust-
ment screw on the valve in a clockwise direction. A
1/8turnonthescrewwillmakeameasurablechange
in counterbalance pressure.
C. To decrease pressure setting, turn the adjust-
mentscrewonthevalveinacounterclockwisedirec-
tion. A 1/8 turnon the screw will make a measurable
change in counterbalance pressure.
D. Tighten locknut to secure adjustment. After ad-
justment, recheck counterbalance pressure. Re-
adjust as needed.
9. When testing is completed, disconnect pressure
gauge from test port.
1. Counterbalance test port
2. Counterbalance valve 3. Locknut
4. Adjusting screw
Figure 25
1
2
3
4
Hydraulic
System

Groundsmaster 4100--DHydraulic System Page 4 -- 38
Rear Traction Circuit (RV) Relief Pressure (Using Pressure Gauge)
4WD
MANIFOLD
FILTER
MANIFOLD
TO COOLING FAN CIRCUIT
TO STEERING & LIFT CIRCUITS
FROM FRONT DECK
FROM COUNTERBALANCE
MANIFOLD
FROM DECK MANIFOLDS
TO MOW CIRCUIT
CYLINDERS
FROM FRONT PTO MANIFOLD
FROM STEERING VALVE PORT T
FROM STEERING VALVE PORT PB
FROM DECK MANIFOLDS AND FAN MOTOR
PRESSURE
GAUGE
TO MOW CIRCUIT

Groundsmaster 4100--D Hydraulic SystemPage 4 -- 39
ProcedureforRearTractionCircuit(RV)ReliefPres-
sure Test
1. Make sure hydraulic oil is at normal operating tem-
peraturebyoperatingthemachineforapproximately10
minutes. Make sure the hydraulic tank is full.
2. Parkmachineonalevelsurfacewiththecuttingdeck
loweredandoff.Makesureengineisoffandtheparking
brake is engaged.
CAUTION
Prevent personal injury and/or damage to equip-
ment. Read all WARNINGS, CAUTIONS and Pre-
cautions for Hydraulic Testing at the beginning
of this section.
3. Connect a 1000 PSI (70 bar) gauge to test port on
4WD control manifold under radiator (Fig. 26).
4. After installing pressure gauge, start engine and run
at idle speed. Check for hydraulic leakage and correct
before proceeding with test.
5. Operatetheengineatfullenginespeed(2870RPM).
6. Operate the machine in 4WD (not transport speed)
with the cutting deck lowered. Drive down a slope in a
forward direction, decrease pressure on the traction
pedalandmonitorthepressuregauge.Pressureshould
increase until the relief valve (RV) lifts. Record test re-
sults.
GAUGE READING TO BE 750 PSI (52 bar)
(approximate).
7. Relief valve (RV) is located on the lower, front side
ofthe 4WDcontrolmanifold (Fig.27).Adjustmentofthe
relief valve can be performed as follows:
NOTE: Do not remove the relief valve from the hy-
draulic manifold for adjustment.
A. To increase relief pressure setting, remove cap
onreliefvalve and turn theadjustmentsocket onthe
reliefvalvein a clockwise direction. A1/8turnonthe
socketwillmakeameasurablechangeinreliefpres-
sure (Fig. 28).
B. Todecreasepressuresetting,removecaponre-
liefvalveandturntheadjustmentsocketontherelief
valve in a counterclockwise direction. A 1/8 turn on
the socket will make a measurable change in relief
pressure (Fig. 28).
C. Recheckreliefpressure andreadjustasneeded.
8. When testing is completed, disconnect pressure
gauge from test port.
1. 4WD control manifold
2. Relief valve test port
Figure 26
1
2
1. Manifold: lower side 2. Relief valve (RV)
Figure 27
1
2
Figure 28
1. Relief valve cap 2. Adjustment socket
1
2
Hydraulic
System

Groundsmaster 4100--DHydraulic System Page 4 -- 40
Traction Circuit Reducing Valve (PR) Pressure (Using Pressure Gauge)
4WD
MANIFOLD
FILTER
MANIFOLD
TO COOLING FAN CIRCUIT
TO STEERING & LIFT CIRCUITS
FROM FRONT DECK
FROM COUNTERBALANCE
MANIFOLD
CYLINDERS
FROM FRONT PTO MANIFOLD
FROM STEERING VALVE PORT T
FROM STEERING VALVE PORT PB
PRESSURE
GAUGE
FROM DECK MANIFOLDS
TO MOW CIRCUIT
FROM DECK MANIFOLDS AND FAN MOTOR
TO MOW CIRCUIT

Groundsmaster 4100--D Hydraulic SystemPage 4 -- 41
Procedure for Traction Circuit Reducing Valve (PR)
Pressure Test
1. Make sure hydraulic oil is at normal operating tem-
peraturebyoperatingthemachineforapproximately10
minutes. Make sure the hydraulic tank is full.
2. Parkmachineonalevelsurfacewiththecuttingdeck
loweredandoff.Makesureengineisoffandtheparking
brake is engaged.
CAUTION
Prevent personal injury and/or damage to equip-
ment. Read all WARNINGS, CAUTIONS and Pre-
cautions for Hydraulic Testing at the beginning
of this section.
3. Connect a 1000 PSI (70 bar) gauge to test port on
4WD control manifold under radiator (Fig. 29).
4. After installing pressure gauge, start engine and run
at idle speed. Check for hydraulic leakage and correct
before proceeding with test.
5. Operatetheengineatfullenginespeed(2870RPM).
Makesurethattransport/4WDswitchisinthe4WDposi-
tion.
6. Sitonseat,applybrakesfullyandslowlydepressthe
traction pedal in the reverse direction. While pushing
traction pedal, look at pressure reading on gauge:
GAUGE READING TO BE 650 PSI (45 bar)
(approximate).
7. Stop engine and record test results.
8. Pressure reducing valve (PR) is located on the front
side of the 4WD control manifold (Fig. 30). Adjustment
of this valve can be performed as follows:
NOTE: Do not remove the pressure reducing valve
from the hydraulic manifold for adjustment.
A. To increase pressure setting, remove cap on re-
ducing valve and turn the adjustment socket on the
valveinaclockwisedirection.A1/8turnonthesock-
et will make a measurable change in pressure set-
ting.
B. Todecreasepressuresetting,removecaponre-
ducing valve and turn the adjustment socket on the
valve in a counterclockwise direction. A 1/8 turn on
the socket will make a measurable change in pres-
sure setting.
C. Recheck reducing valve (PR) pressure setting
and readjust as needed.
9. Disconnect pressure gauge from test port.
1. 4WD control manifold
2. Pressure test port
Figure 29
2
1
1. Manifold: front side 2. Reducing valve (PR)
Figure 30
1
2
Hydraulic
System

Groundsmaster 4100--DHydraulic System Page 4 -- 42
Cutting Deck Circuit Pressure (Using Pressure Gauge)
NOTE: CENTER DECK PRESSURE TEST SHOWN
MANIFOLD
MANIFOLD
MANIFOLD
FILTER
MANIFOLD
TO COOLING FAN CIRCUIT
FROM REAR AXLE MOTOR
TO STEERING & LIFT CIRCUITS
CHARGE CIRCUIT
FROM FRONT WHEEL MOTORS
FROM 4WD MANIFOLD
TRACTION CIRCUIT FLOW
FROM COOLING
FAN CIRCUIT
PRESSURE
GAUGE
RV1
RV2
LC2
LC1
S
P1
P2
M1
M2
RV1
RV2
LC2
LC1
S
P1
P2
M1
M2
OR
RV1
RV2
LC2
LC1
S
P1
P2
M1
M2
OR
TRACTION CIRCUIT FLOW
RH WING DECK
LH WING DECK
CENTER DECK

Groundsmaster 4100--D Hydraulic SystemPage 4 -- 43
Procedure for Cutting Deck Circuit Pressure Test
1. Make sure hydraulic oil is at normal operating tem-
peraturebyoperatingthemachineforapproximately10
minutes. Make sure the hydraulic tank is full.
2. Parkmachineonalevelsurfacewiththecuttingdeck
loweredandoff.Makesureengineisoffandtheparking
brake is engaged.
CAUTION
Prevent personal injury and/or damage to equip-
ment. Read all WARNINGS, CAUTIONS and Pre-
cautions for Hydraulic Testing at the beginning
of this section.
3. Install 5000 PSI (350 bar) pressure gauge with hy-
draulic hose attached to deck manifold test port for the
deck to be tested (Fig. 31, 32 and 33).
4. After installing pressure gauge, start engine and run
at idle speed. Check for hydraulic leakage and correct
before proceeding with test.
CAUTION
Keep away from deck during test to prevent per-
sonal injury from the cutting blades.
5. Operate engine at full speed (2870 RPM). Engage
the cutting deck.
6. Watch pressure gauge carefully while mowing with
the machine.
7. Cutting deck circuit pressure should be as follows
and will vary depending on mowing conditions:
LH Wing Deck: 1000 to 3000 PSI (69 to 207 bar)
Center Deck: 1000 to 3000 PSI (69 to 207 bar)
RH Wing Deck: 1000 to 2000 PSI (69 to 137 bar)
8. Disengage cutting deck and shut off engine. Record
test results.
9. When testing is completed, disconnect test gauge
with hose from manifold test port.
1. Center deck hydraulic manifold
2. Center deck circuit pressure test port
Figure 31
1
2
1. Right wing deck circuit pressure test port
Figure 32
1
1. Left wing deck circuit pressure test port
Figure 33
1
Hydraulic
System

Groundsmaster 4100--DHydraulic System Page 4 -- 44
PTO Relief Pressure (Using Tester with Pressure Gauges and Flow Meter)
RH WING DECK
MANIFOLD
LH WING DECK
MANIFOLD
CENTER DECK
MANIFOLD
FILTER
MANIFOLD
TO COOLING FAN CIRCUIT
FROM REAR AXLE MOTOR
TO STEERING & LIFT CIRCUITS
CHARGE CIRCUIT
FROM FRONT WHEEL MOTORS
FROM 4WD MANIFOLD
TRACTION CIRCUIT FLOW
FROM COOLING
FAN CIRCUIT
TESTER
RV1
RV2
LC2
LC1
S
P1
P2
M1
M2
RV1
RV2
LC2
LC1
S
P1
P2
M1
M2
OR
RV1
RV2
LC2
LC1
S
P1
P2
M1
M2
OR
TRACTION CIRCUIT FLOW
CENTER DECK PTO RELIEF PRESSURE TEST SHOWN

Groundsmaster 4100--D Hydraulic SystemPage 4 -- 45
Procedure for Cutting Deck Manifold Relief
Pressure Test
1. Make sure hydraulic oil is at normal operating tem-
peraturebyoperatingthemachineforapproximately10
minutes. Make sure the hydraulic tank is full.
2. Parkmachineonalevelsurfacewiththecuttingdeck
loweredandoff.Makesureengineisoffandtheparking
brake is engaged.
CAUTION
Prevent personal injury and/or damage to equip-
ment. Read all WARNINGS, CAUTIONS and Pre-
cautions for Hydraulic Testing at the beginning
of this section.
3. Locate deck manifold to be tested (Fig. 34). Discon-
nect hydraulic hose at deck manifold port (M1).
NOTE: Analternativetousingmanifoldport(M1)would
be to disconnect the inlet hydraulic hose at deck motor.
4. Install tester with pressure gauges and flow meter in
series with the the disconnected hose and hydraulic
manifold port (M1) (or motor inlet if hose was discon-
nected at deck motor).
5. Makesurethe flowcontrolvalve ontesteris fully
open.
6. After installing tester, start engine and run at idle
speed. Check for hydraulic leakage and correct before
proceeding with test.
CAUTION
Keep away from deck during test to prevent per-
sonal injury from the cutting blades.
7. Operate engine at full speed (2870 RPM). Engage
the cutting deck.
8. Watchpressuregaugecarefullywhile slowlyclosing
the flow control valve to fully closed.
9. As the relief valve lifts, system pressure should be
approximately:
2900 to 3100 PSI (200 to 213 bar) for the center
deck and LH wing deck
1900 to 2100 PSI (131 to 144 bar) for the RH wing
deck
10.Disengage cutting deck. Shut off engine and record
test results.
11.Ifspecification is not met,adjustorcleanreliefvalve
in deck manifold port (RV1). Adjust relief valve as fol-
lows:
NOTE: Do not remove valve from the hydraulic
manifold for adjustment.
A. Removecap on reliefvalvewithan allenwrench.
B. To increase pressure setting, turn the adjust-
ment screw on the valve in a clockwise direction. A
1/8turnonthescrewwillmakeameasurablechange
in relief pressure.
C. To decrease pressure setting, turn the adjust-
mentscrewonthevalveinacounterclockwisedirec-
tion. A 1/8 turnon the screw will make a measurable
change in relief pressure.
D. Install and tighten cap to secure adjustment. Re-
check relief pressure and readjust as needed.
12.Disconnect tester from manifold and hose. Recon-
nect hydraulic hose that was disconnected for test pro-
cedure.
1. Center deck manifold
2. LH wing deck manifold 3. RH wing deck manifold
Figure 34
FRONT
RIGHT
TO OIL COOLER
1
2
3
1. Deck manifold
2. Relief valve 3. Relief valve cap
Figure 35
1
2
3
FRONT DECK MANIFOLD SHOWN
Hydraulic
System

Groundsmaster 4100--DHydraulic System Page 4 -- 46
Cutting Deck Gear Pump Flow (Using Tester with Pressure Gauges and Flow Meter)
NOTE:CENTERGEARPUMP
SECTION FLOW TEST SHOWN
MANIFOLD
MANIFOLD
MANIFOLD
FILTER
MANIFOLD
TO COOLING FAN CIRCUIT
FROM REAR AXLE MOTOR
TO STEERING & LIFT CIRCUITS
CHARGE CIRCUIT
FROM FRONT WHEEL MOTORS
FROM 4WD MANIFOLD
TRACTION CIRCUIT FLOW
FROM COOLING
FAN CIRCUIT
RV1
RV2
LC2
LC1
S
P1
P2
M1
M2
RV1
RV2
LC2
LC1
S
P1
P2
M1
M2
OR
RV1
RV2
LC2
LC1
S
P1
P2
M1
M2
OR
TRACTION CIRCUIT FLOW
RH WING DECK
LH WING DECK
CENTER DECK
TESTER

Groundsmaster 4100--D Hydraulic SystemPage 4 -- 47
Procedure for Cutting Deck Gear Pump Flow Test
NOTE: Overaperiodoftime,thegearsandwearplates
in the gear pump can wear. A worn pump will by--pass
oilandmakethepumplessefficient.Eventually,enough
oillosswilloccurtocausethecuttingdeckmotorstostall
under heavy cutting conditions. Continued operation
with a worn, inefficient pump can generate excessive
heat and cause damage to the seals and other compo-
nents in the hydraulic system.
1. Make sure hydraulic oil is at normal operating tem-
peraturebyoperatingthemachineforapproximately10
minutes. Make sure the hydraulic tank is full.
2. Parkmachineonalevelsurfacewiththecuttingdeck
loweredandoff.Makesureengineisoffandtheparking
brake is engaged.
CAUTION
Prevent personal injury and/or damage to equip-
ment. Read all WARNINGS, CAUTIONS and Pre-
cautions for Hydraulic Testing at the beginning
of this section.
3. Locate deck manifold for gear pump section to be
tested.Disconnecthydraulichose atdeck manifoldport
(P1) (Fig. 36).
4. Install tester with pressure gauges and flow meter in
series with the the disconnected hose and hydraulic
manifold port (P1).
5. Make sure the flow control valve on the tester is
fully open.
6. After installing tester, start engine and run at idle
speed. Check for hydraulic leakage and correct before
proceeding with test.
IMPORTANT: Do not run engine at full speed during
testing. At full engine speed, cutting deck gear
pump output can exceed 15 GPM and cause tester
damage.
7. Usingaphototac,adjustenginespeedto2400RPM.
Do not engage the cutting deck.
IMPORTANT: Do not fully restrict oil flow through
tester. In this test, the flow tester is positioned be-
fore the relief valve. Pump damage can occur if the
oil flow is fully restricted.
8. Watchpressuregaugecarefullywhile slowlyclosing
the flow control valve until 2000 PSI is obtained. Verify
with a phototac that the engine speed is 2400 RPM.
9. For a normal pump, gear pump flow should be
approximately14GPM.Shutoffengine.Record testre-
sults.
10.Ifmeasuredflowislessthan12GPMorifapressure
of 2000 PSI cannot be obtained, check for restriction in
thepumpintakeline.Iflineisnotrestricted,removegear
pump and repair or replace as necessary.
11.Disconnectflowtesterfromhydraulichoseandman-
ifold port. Reconnect hose to the manifold.
12.Repeat test for second pump section if required.
1. Center deck manifold
2. Hyd. hose to front P1 3. LH wing deck manifold
4. Hyd. hose to side P1
Figure 36
FRONT
RIGHT
TO OIL COOLER
1
4
2
3
Hydraulic
System

Groundsmaster 4100--DHydraulic System Page 4 -- 48
Cutting Deck Motor Case Drain Leakage (Using Tester with Pressure Gauges and Flow
Meter)
MANIFOLD
MANIFOLD
MANIFOLD
FILTER
MANIFOLD
TO COOLING FAN CIRCUIT
FROM REAR AXLE MOTOR
TO STEERING & LIFT CIRCUITS
TRACTION CIRCUIT FLOW
CHARGE CIRCUIT
FROM FRONT WHEEL MOTORS
FROM 4WD MANIFOLD
TRACTION CIRCUIT FLOW
FROM COOLING
FAN CIRCUIT
CENTER CUTTING DECK MOTOR
CASE DRAIN LEAKAGE TEST SHOWN
MEASURING
CONTAINER
CAP
TESTER
RV1
RV2
LC2
LC1
S
P1
P2
M1
M2
RV1
RV2
LC2
LC1
S
P1
P2
M1
M2
OR
RV1
RV2
LC2
LC1
S
P1
P2
M1
M2
OR
RH WING DECK
LH WING DECK
CENTER DECK

Rev. A
Groundsmaster 4100--D Hydraulic SystemPage 4 -- 49
Procedure for Cutting Deck Motor Case Drain
Leakage Test
NOTE: Overaperiodoftime,adeckmotorcanwearin-
ternally. A worn motor may by--pass oil to its case drain
causing the motor to be less efficient. Eventually,
enough oil loss will cause the deck motor to stall under
heavy cutting conditions. Continued operation with a
worn, inefficient motor can generate excessive heat,
causedamagetosealsandothercomponentsinthehy-
draulic system and affect quality of cut.
NOTE: Onemethodtofindafailingormalfunctioning
deck motor is to have another person observe the ma-
chine while mowing in dense turf. A bad deck motor will
run slower, produce fewer clippings and may cause a
different appearance on the turf.
1. Make sure hydraulic oil is at normal operating tem-
peratureby operatingthemachine forapproximately10
minutes. Make sure the hydraulic tank is full.
2. Parkmachineonalevelsurfacewiththecuttingdeck
loweredandoff.Makesureengineisoffandtheparking
brake is engaged.
CAUTION
Prevent personal injury and/or damage to equip-
ment. Read all WARNINGS, CAUTIONS and Pre-
cautions for Hydraulic Testing at the beginning
of this section.
NOTE: The wing deck motors are connected in series.
To isolate a faulty motor, both motors in the circuit may
havetobetestedbystartingwiththeleftsidemotorfirst.
3. Disconnect return hose from the motor to be tested
(Fig. 37). Install flow tester in series with the motor and
thedisconnectedreturnhose.Makesurethe flowcon-
trol valve on tester is fully open.
4. Disconnect the motor case drain hose (small diame-
ter hose) where it connects to the machine (not at the
motor).Putasteelcaponthefitting;leavethecasedrain
hose open (Fig. 38).
5. Afterinstallingflowtester,startengineandrunatidle
speed. Check for hydraulic leakage and correct before
proceeding with test.
CAUTION
Cutting deck blades will rotate with PTO switch
inONposition.Keepawayfromcuttingdeckdur-
ing test to prevent personal injury from rotating
blades. Do not stand in front of the machine.
6. Sitonseatandoperatetheengineatfullspeed(2870
RPM). Move PTO switch to ON.
7. While watching pressure gauge, slowly close flow
control valve on tester until a pressure of 1200 PSI (83
bar) is obtained.
NOTE: Use a graduated container, special tool
TOR4077, to measure case drain leakage (Fig. 38).
8. Have another person measure flow from the case
drain line for 15 seconds, then move the PTO switch to
OFF. Open the tester flow control valve and stoptheen-
gine. Record test results.
TEST RESULTS: Flow less than 22.2 ounces (662
ml).
9. If flow is more than 22.2 ounces (662 ml),themotor
iswornordamagedandshouldberepairedorreplaced.
10.After testing is completed, disconnect tester from
motorandhose.Reconnecthosetothedeckmotor.Re-
movecapfrommachinefittingandreconnectcasedrain
hose.
11.If required, repeat test procedure for other deck mo-
tors.
1. Deck motor (RH shown)
2. Return hose 3. Case drain hose
Figure 37
13
2
Figure 38
Hydraulic
System

Groundsmaster 4100--DHydraulic System Page 4 -- 50
Steering Circuit Relief Pressure (Using Pressure Gauge)
FAN DRIVE
MANIFOLD
4WD
MANIFOLD
FILTER
MANIFOLD
TO MOW CIRCUIT
FROM FRONT DECK MANIFOLD
TO LIFT/LOWER CONTROL VALVE
FROM FRONT DECK LIFT CYLINDERS
FROM COUNTERBALANCE MANIFOLD
FROM DECK MOTORS
FROM RH DECK
MANIFOLD
FROM RH DECK
CIRCUIT
PRESSURE
GAUGE
M1 M2 ST L
P1 P2T
TO MOW CIRCUIT
FROM DECK MANIFOLDS

Groundsmaster 4100--D Hydraulic SystemPage 4 -- 51
Procedure for Steering Circuit Relief Pressure Test
1. Make sure hydraulic oil is at normal operating tem-
peraturebyoperatingthemachineforapproximately10
minutes. Make sure the hydraulic tank is full.
2. Parkmachineonalevelsurfacewiththecuttingdeck
loweredandoff.Makesureengineisoffandtheparking
brake is engaged.
CAUTION
Prevent personal injury and/or damage to equip-
ment. Read all WARNINGS, CAUTIONS and Pre-
cautions for Hydraulic Testing at the beginning
of this section.
3. Connect a 5000 PSI (350 bar) gauge onto steering
circuit pressure test port (Fig. 39).
4. After installing pressure gauge, start engine and run
at idle speed. Check for hydraulic leakage and correct
before proceeding with test.
5. Operatetheengineatfullenginespeed(2870RPM).
IMPORTANT: Hold steering wheel at full lock only
long enough to get a system pressure reading.
Holding the steering wheel against the stop for an
extended period will damage the steering motor.
6. Turn steering all the way in one direction and mo-
mentarily hold the steering wheel against resistance.
GAUGE READING TO BE 1300 to 1400 PSI (90 to
96 bar).
7. Stop the engine and record test results.
8. If pressure is incorrect, inspect steering relief valve
incontrolvalve(Fig.40).Ifsteeringreliefvalveisoperat-
ing properly and if lift/lower problems also exist, gear
pump should be suspected of wear and inefficiency. If
steeringwheelcontinuestoturnatendofcylindertravel
(with lower than normal effort), steering cylinder or
steeringvalveshould be suspected ofwearordamage.
9. When testing is completed, disconnect pressure
gauge from test port.
1. Steering circuit pressure test port
Figure 39
1
1. Steering tower 2. Steering relief valve
Figure 40
2
1
Hydraulic
System

Groundsmaster 4100--DHydraulic System Page 4 -- 52
Lift/Lower Circuit Relief Pressure (Using Pressure Gauge)
FAN DRIVE
MANIFOLD
4WD
MANIFOLD
FILTER
MANIFOLD
TO MOW CIRCUIT
FROM DECK MANIFOLDS
TO MOW CIRCUIT
FROM FRONT DECK MANIFOLD
FROM DECK MOTORS
FROM RH DECK
MANIFOLD
FROM RH DECK
CIRCUIT
PRESSURE
GAUGE
COUNTERBALANCE
MANIFOLD
M1 M2 ST L
P1 P2T

Groundsmaster 4100--D Hydraulic SystemPage 4 -- 53
Procedure for Lift/Lower Circuit Relief Pressure
Test
NOTE: Before attempting to check or adjust lift pres-
sure, make sure that counterbalance pressure is cor-
rectly adjusted.
1. Make sure hydraulic oil is at normal operating tem-
peraturebyoperatingthemachineforapproximately10
minutes. Make sure the hydraulic tank is full.
2. Parkmachineonalevelsurfacewiththecuttingdeck
loweredandoff.Makesureengineisoffandtheparking
brake is engaged.
CAUTION
Prevent personal injury and/or damage to equip-
ment. Read all WARNINGS, CAUTIONS and Pre-
cautions for Hydraulic Testing at the beginning
of this section.
3. Raise seat to gain access to hydraulic test fitting.
Connect a 5,000 PSI (345 bar) gauge to lift circuit test
port(Fig.41).Routegaugehosetoallowseattobesafe-
ly lowered.
4. After installing pressure gauge, start engine and run
at idle speed. Check for hydraulic leakage and correct
before proceeding with test.
5. Sit on the seat and operate the engine at full speed
(2870 RPM).
6. While sitting on the seat, pull lift lever back to raise
the cutting deck. Momentarily hold the lever with the lift
cylinder fully retracted (deck fully raised) while looking
at the gauge.
GAUGEREADINGTOBE2500to2550PSI(173to
175 bar).
7. Stop the engine and record test results.
8. Ifpressureistoohigh,adjustreliefvalveinliftcontrol
valve by rotating counterclockwise (Figure 42). If pres-
sure is too low, check for restriction in pump intake line.
Check the lift cylinder for internal leakage. If cylinder is
notleaking, adjustthe reliefvalveby rotating clockwise.
If pressure is still too low, pump or lift cylinder(s) should
be suspected of wear, damage or inefficiency.
9. When testing is completed, disconnect pressure
gauge from test port.
1. Fan drive manifold
2. Lift circuit test port 3. Lift control valve
4. Relief valve
Figure 41
1
2
3
4
1. Control valve assembly
2. Relief valve assembly
3. Washers
4. Spring
5. Poppet
Figure 42
2
3
1
4
5
Hydraulic
System

Groundsmaster 4100--DHydraulic System Page 4 -- 54
Steering and Lift/Lower Gear Pump Flow (Using Tester with Pressure Gauges and Flow
Meter)
FAN DRIVE
MANIFOLD
4WD
MANIFOLD
FILTER
MANIFOLD
TO MOW CIRCUIT
FROM DECK MANIFOLDS
TO MOW CIRCUIT
FROM FRONT DECK MANIFOLD
FROM DECK MOTORS
FROM RH DECK
MANIFOLD
FROM RH DECK
CIRCUIT
COUNTERBALANCE
MANIFOLD
M1 M2 ST L
P1 P2T
TESTER

Groundsmaster 4100--D Hydraulic SystemPage 4 -- 55
Procedure for Steering and Lift/Lower Gear Pump
Flow Test
Output from the steering and lift/lower gear pump sec-
tion is equally divided by a proportional valve toprovide
flowtothe steeringcircuitand theliftcircuit.To testgear
pump flow, testing of both steering and lift/lower circuits
is required. Total gear pump flow is the combined flow
from the two circuits.
1. Make sure hydraulic oil is at normal operating tem-
peraturebyoperatingthemachineforapproximately10
minutes. Make sure the hydraulic tank is full.
2. Parkmachineonalevelsurfacewiththecuttingdeck
loweredandoff.Makesureengineisoffandtheparking
brake is engaged. Raise seat.
CAUTION
Prevent personal injury and/or damage to equip-
ment. Read all WARNINGS, CAUTIONS and Pre-
cautions for Hydraulic Testing at the beginning
of this section.
IMPORTANT: Make sure that the oil flow indicator
arrow on the flow gauge is showing that the oil will
flow from the pump section, through the tester and
into the hydraulic hose.
3. Withtheengineoffandcuttingdecklowered,discon-
nect the hydraulic hose from the 90ofitting in the third
gear pump section which supplies the steering and lift/
lower circuits (Fig. 43).
4. Installtesterinseriesbetweenthe fittingandthedis-
connectedhose.Makesurethetesterflowcontrolvalve
is OPEN.
IMPORTANT: The pump is a positive displacement
type. If pump flow is completely restricted or
stopped, damage to the pump, tester or other com-
ponents could occur.
5. Starttheengineandmovethrottletofullspeed(2870
RPM). DO NOT engage the cutting deck.
6. While watching pressure gauges, slowly close flow
control valve until 1000 PSI (69 bar) is obtained on
gauge. Verify engine speed continues to be 2870 RPM.
GAUGE READING TO BE: Flow approximately 7
GPM (26.3 LPM) at 1000 PSI (69 bar).
7. Stop engine and record test results.
8. If a pressure of 1000 PSI (69 bar) could not be ob-
tained or flow is lower than 6GPM(22.3LPM)(85% of
expectedflow), checkforrestriction inpumpintakeline.
Ifintake lineisnot restricted,considerthat gear pumpis
worn or damaged.
9. When testing is complete, remove tester and recon-
nect hose to pump fitting.
1. Gear pump
2. Fan drive manifold 3. Steering/lift hose
4. 90ofitting
Figure 43
1
2
3
4
Hydraulic
System

Groundsmaster 4100--DHydraulic System Page 4 -- 56
Engine Cooling Fan Circuit (Using Pressure Gauge and Phototac)
FAN DRIVE
MANIFOLD
4WD
MANIFOLD
FILTER
MANIFOLD
FROM DECK MANIFOLDS
TO MOW MANIFOLD
FROM FRONT PTO MANIFOLD
FROM DECK MOTORS
FROM RH PTO
MANIFOLD
FROM RH PTO
CIRCUIT
COUNTERBALANCE
MANIFOLD
M1 M2 ST L
P1 P2T
TO MOW MANIFOLD

Groundsmaster 4100--D Hydraulic SystemPage 4 -- 57
Procedure for Engine Cooling Fan Circuit Test
1. Make sure hydraulic oil is at normal operating tem-
peraturebyoperatingthemachineforapproximately10
minutes. Make sure the hydraulic tank is full.
2. Park machine on a level surface with the cutting
decks lowered and off. Make sure engine is off and the
parking brake is applied. Raise and support hood.
CAUTION
Prevent personal injury and/or damage to equip-
ment. Read all WARNINGS, CAUTIONS and Pre-
cautions for Hydraulic Testing at the beginning
of this section.
3. Raise seat to gain access to cooling fan circuit test
port at the fan drive manifold (Fig. 44). Connect a 5,000
PSI(345bar)gaugewithhydraulichoseattachedtotest
port on top of manifold.
4. Start the engine. Move throttle to full speed (2870
RPM).
5. While monitoring the pressure gauge and using a
phototac to identify the cooling fan speed, disconnect
the wire harness connector (white/green and black
wires)fromthePRVsolenoidonfandrivemanifold.Both
fan speed and pressure should increase and stabilize
after the solenoid is disconnected.
PRESSURE GAUGE READING TO BE approxi-
mately 3000 PSI (207 bar).
PHOTOTAC READING TO BE: fan speed approxi-
mately 2800 RPM.
6. Stop engine and record test results.
7. If pressure rises to approximately 3000 PSI (207
bar) but fan speed is low, consider that the fan motor is
worn or damaged. If pressure and fan speed are both
low, consider that the gear pump is worn or damaged
(see Engine Cooling Circuit Gear Pump Flow Test).
NOTE: Ifpressureandfanspeedarebothlowandgear
pumpflowprovestobecorrect,suspectthatsealsinfan
drivemanifold are leakingorfaulty(see Fan DriveMan-
ifold Service in the Service and Repairs section of this
chapter).
8. When testing is complete, remove pressure gauge
and reconnect wire harness to PRV solenoid.
1. Fan drive manifold
2. PRV solenoid 3. Test port
Figure 44
1
23
Hydraulic
System

Groundsmaster 4100--DHydraulic System Page 4 -- 58
Engine Cooling Fan Circuit Gear Pump Flow (Using Tester with Pressure Gauges and
Flow Meter)
FAN DRIVE
MANIFOLD
4WD
MANIFOLD
FILTER
MANIFOLD
FROM DECK MANIFOLDS
TO MOW MANIFOLD
FROM FRONT PTO MANIFOLD
FROM DECK MOTORS
FROM RH PTO
MANIFOLD
FROM RH PTO
CIRCUIT
COUNTERBALANCE
MANIFOLD
M1 M2 ST L
P1 P2T
TESTER
TO MOW MANIFOLD

Groundsmaster 4100--D Hydraulic SystemPage 4 -- 59
Procedure for Engine Cooling Fan Circuit Gear
Pump Flow Test
1. Make sure hydraulic oil is at normal operating tem-
peraturebyoperatingthemachineforapproximately10
minutes. Make sure the hydraulic tank is full.
2. Parkmachineonalevelsurfacewiththecuttingdeck
loweredandoff.Makesureengineisoffandtheparking
brake is applied.
CAUTION
Prevent personal injury and/or damage to equip-
ment. Read all WARNINGS, CAUTIONS and Pre-
cautions for Hydraulic Testing at the beginning
of this section.
IMPORTANT: Make sure that the oil flow indicator
arrow on the flow gauge is showing that the oil will
flow from the pump section, through the tester and
into the hydraulic hose.
3. Withtheengineoffandcuttingdecklowered,discon-
nect the hydraulic hose from the 90ofitting in the last
gear pump section which supplies the engine cooling
circuit (Fig. 43).
4. Installtesterinseriesbetweenthe fittingandthedis-
connectedhose.Makesurethetesterflowcontrolvalve
is OPEN.
IMPORTANT: The pump is a positive displacement
type. If pump flow is completely restricted or
stopped, damage to the pump, tester or other com-
ponents could occur.
5. Starttheengineandmovethrottletofullspeed(2870
RPM). DO NOT engage the cutting deck.
6. Whilewatchingtesterpressuregauges,slowlyclose
flow control valve until 1000 PSI (69 bar) is obtained on
pressure gauge. Verify engine speed continues to be
2870 RPM.
GAUGE READING TO BE: Flow approximately 7
GPM (26.3 LPM) at 1000 PSI (69 bar).
7. Stop engine and record test results.
8. If a pressure of 1000 PSI (69 bar) could not be ob-
tained or flow is lower than 6GPM(22.3LPM)(85% of
expectedflow), checkforrestriction inpumpintakeline.
Ifintake lineisnot restricted,considerthat gear pumpis
worn or damaged.
9. When testing is complete, remove tester and recon-
nect hose to pump fitting.
1. Gear pump
2. Fan drive manifold 3. Engine cooling hose
4. 90ofitting
Figure 45
1
2
3
4
Hydraulic
System

Groundsmaster 4100--DHydraulic System Page 4 -- 60
Adjustments
Adjust Cutting Deck Flow Control Valve
The cutting deck lift circuit is equipped with an adjust-
able flow control valve used to adjust the rate at which
the cutting deck lowers. Thecontrol valve is located un-
der the front platform.
Adjust flow control valve as follows:
1. Runmachinetogethydraulicoilatoperatingtemper-
atures.Park machineona levelsurface, shutengineoff
and lower cutting deck to the ground.
2. Locate valve under front of machine (Fig. 46).
3. Loosen set screw on valve and rotate valve clock-
wise to slow drop rate of cutting deck.
4. Verify adjustment by raising and lowering cutting
deck several times. Readjust as required.
5. After desired drop rate is attained, tighten set screw
on flow control valve to secure adjustment.
1. Cutting deck lift flow control valve
2. Front deck hydraulic manifold
Figure 46
2
1

Groundsmaster 4100--D Hydraulic SystemPage 4 -- 61
Service and Repairs
General Precautions for Removing and Installing Hydraulic System Components
Before Repair or Replacement of Components
1. Before removing any parts from the hydraulic sys-
tem, park machine on a level surface, engage parking
brake, lower cutting deck or attachments and stop en-
gine. Remove key from the ignition switch.
2. Clean machine before disconnecting, removing or
disassembling any hydraulic components. Make sure
hydraulic components, hoses connections and fittings
are cleaned thoroughly. Always keep in mind the need
for cleanliness when working on hydraulic equipment.
CAUTION
Operate all hydraulic controls to relieve system
pressure and avoid injury from pressurized hy-
draulic oil. Controls must be operated with the
ignition switch in RUN and the engine OFF. Make
sure all electrically operated control valves are
actuated. Return ignition switch to OFF when
pressure has been relieved. Remove key from
the ignition switch.
3. Putcapsorplugsonanyhydrauliclines,hydraulicfit-
tings and components left open or exposed to prevent
contamination.
4. Put labels on disconnected hydraulic lines and
hosesforproperinstallationafterrepairsarecompleted.
5. Note the position of hydraulic fittings (especially el-
bow fittings) on hydraulic components before removal.
Markpartsifnecessarytomakesuretheywillbealigned
properly when reinstalling hydraulic hoses and tubes.
After Repair or Replacement of Components
1. Checkoillevelinthehydraulicreservoirandaddcor-
rect oil if necessary. Drain and refill hydraulic system
reservoir and change oil filter if component failure was
severe or system is contaminated (see Flush Hydraulic
System in this section).
2. Lubricate O--rings and seals with clean hydraulic oil
before installing hydraulic components.
3. Make sure all caps or plugs are removed from hy-
draulic tubes, hydraulic fittings and components before
reconnecting.
4. Use proper tightening methods when installing hy-
draulichosesandfittings (see Hydraulic Fitting Installa-
tion in the General Information section of this chapter).
5. After repairs, check control linkages or cables for
proper adjustment, binding or broken parts.
6. After disconnecting or replacing any hydraulic com-
ponents, operate machine functions slowly until air is
outofsystem(seeChargeHydraulicSysteminthissec-
tion).
7. Checkforhydraulicoilleaks.Shutoffengineandcor-
rectleaksifnecessary.Checkoillevelinhydraulicreser-
voir and add correct oil if necessary.
Check Hydraulic Lines and Hoses
WARNING
Keep body and hands away from pin hole leaks
or nozzles that eject hydraulic fluid under high
pressure. Use paper or cardboard, not hands, to
search for leaks. Hydraulic fluid escaping under
pressure can have sufficient force to penetrate
the skin and cause serious injury. If fluid is in-
jected into the skin, it must be surgically re-
moved within a few hours by a doctor familiar
withthistypeofinjury.Gangrenemayresultfrom
such an injury.
IMPORTANT: Checkhydrauliclinesandhosesdaily
for leaks, kinked lines, loose mounting supports,
wear, loosefittings ordeterioration. Makeallneces-
sary repairs before operating.
Hydraulic
System

Groundsmaster 4100--DHydraulic System Page 4 -- 62
Flush Hydraulic System
IMPORTANT: Flush the hydraulic system any time
there is a severe component failure or the systemis
contaminated (oil appears milky, black or contains
metal particles).
1. Parkmachineonalevel surface.Lowercuttingdeck
to the ground, stop engine and engage parking brake.
Remove key from the ignition switch.
CAUTION
Operate all hydraulic controls to relieve system
pressure and avoid injury from pressurized hy-
draulic oil.
IMPORTANT: Make sure to clean around any hy-
draulic connections that will be disconnected for
draining.
2. Drain hydraulic reservoir.
3. Drain hydraulic system. Drain all hoses, tubes and
components while the system is warm.
4. Change and replace both hydraulic oil filters.
5. Inspectand cleanhydraulicreservoir (seeHydraulic
Reservoir Inspection in this section).
6. Connect all hydraulic hoses, tubes and components
that were disconnected while draining system.
NOTE: UseonlyhydraulicfluidsspecifiedintheOpera-
tor’s Manual. Other fluids may cause system damage.
7. Fill hydraulic reservoir with new hydraulic fluid.
8. Disconnect wire harness connector from engine run
solenoid.
9. Turn ignition key switch and engage starter for ten
(10) seconds to prime hydraulic pumps. Repeat this
step again.
10.Connect wire harness connector to engine run sole-
noid.
11.Start engine and let it run at low idle (1450 RPM) for
aminimumof2minutes.Increaseenginespeedtohigh
idle (2870 RPM) for a minimum of 1 minute under no
load.
12.Raise and lower cutting deck several times. Turn
steering wheel fully left and right several times.
13.Shut off engine and check for hydraulic oil leaks.
Check oil level in hydraulic reservoir and add correct
amount of oil if necessary.
14.Operatemachinefor2hoursundernormaloperating
conditions.
15.Check condition of hydraulic oil. If the new fluid
shows any signs of contamination, repeat steps 1
through 14 again until oil is clean.
16.Assume normal operation and follow recommended
maintenance intervals.

Groundsmaster 4100--D Hydraulic SystemPage 4 -- 63
Charge Hydraulic System
NOTE: Wheninitiallystartingthehydraulicsystemwith
neworrebuiltcomponentssuchasmotors,pumpsorlift
cylinders, it is important that the hydraulic system be
charged properly. Air must be purged from the system
and its components to reduce the chance of damage.
IMPORTANT: Change hydraulic oil filter whenever
hydraulic components are repaired or replaced.
1. Parkmachineonalevel surface.Lowercuttingdeck
to the ground, stop engine and engage parking brake.
Remove key from the ignition switch.
2. Make sure all hydraulic connections, lines and com-
ponents are tight.
3. Ifcomponentfailurewassevereorthesystemiscon-
taminated, flush and refill hydraulic system and reser-
voir (see Flush Hydraulic System in this section).
4. Make sure hydraulic reservoir is full. Add correcthy-
draulic oil if necessary.
5. Check control rod to the piston (traction) pump for
proper adjustment, binding or broken parts.
6. Disconnect wire harness connector from engine run
solenoid to prevent the engine from starting.
7. Make sure traction pedal and lift control lever are in
theneutralposition.Turnignitionkeyswitchandengage
starter for ten (10) seconds to prime the traction and
gear pumps. Repeat this step again.
8. Connect wire harness connector to engine run sole-
noid.
WARNING
Beforejackingupthemachine,reviewandfollow
Jacking Instructions in Chapter 1 -- Safety.
9. Raise one front and one rear wheel off the ground
and place support blocks under the frame. Chock re-
maining wheels to prevent movement of the machine.
10.Make sure traction pedal and lift control lever are in
neutral. Start engine and run it at low idle (1400 RPM).
Thechargepumpshouldpickupoilandfillthehydraulic
system.Ifthereisnoindicationoffillin30seconds,stop
the engine and determine the cause.
11.Afterthehydraulic system starts to show signs offill,
actuate lift control lever until the lift cylinder rod moves
in and out several times. If the cylinder rod does not
move after fifteen (15) seconds or the pump emits ab-
normalsounds,shuttheengine offimmediatelyandde-
termine cause or problem. Inspect for the following:
A. Loose filter or suction lines.
B. Blocked suction line.
C. Faulty charge relief valve.
D. Faulty gear pump.
12.If cylinder does move in 15 seconds, proceed to
step 13.
13.Operatethetractionpedalintheforwardandreverse
directions. The wheels off the ground should rotate in
the proper direction.
A. If the wheels rotate in the wrong direction, stop
engine and check for proper hose connections at
traction pump and motors. Correct as needed.
B. If the wheels rotate in the proper direction, stop
engine.
14.Adjust traction pedal to the neutral position.
15.Check operation of the traction interlock switch.
16.Removeblocksfromframeandlowermachinetothe
ground. Remove chocks from remaining wheels.
17.If the piston (traction) pump or a wheel or axle motor
was replaced or rebuilt, run the machine so all wheels
turn slowly for 10 minutes.
18.Operate machine by gradually increasing it’s work
load to full over a 10 minute period.
19.Stop the machine. Check hydraulic reservoir and fill
ifnecessary.Checkhydrauliccomponentsforleaksand
tighten any loose connections.
Hydraulic
System

Groundsmaster 4100--DHydraulic System Page 4 -- 64
Hydraulic Reservoir
1. Hydraulic reservoir
2. Petcock
3. O--ring
4. Strap
5. Felt strap (2 used)
6. Bushing (2 used)
7. Bushing
8. Strap
9. Stand pipe (2 used)
10. Hose clamp (2 used)
11. Screen filter
12. Dipstick
13. O--ring
14. Reservoir cap
15. Suction hose
16. Tank strainer
17. Hose clamp
18. Hose
19. Hose clamp
20. Cap screw
21. Socket head screw (3 used)
22. Lock nut (3 used)
23. Hose
24. Hose
25. Elbow fitting
26. Flange nut
27. O--ring
28. Flat washer (4 used)
29. Front frame
30. Flange nut (4 used)
31. Cap screw (4 used)
Figure 47
FRONT
RIGHT
1
2
6
8
7
9
11
12
13 14
21
22
20
5
15
16
3
18
19
10
17
4
23
9
26
24
25 27
30 to 40 in--lb
(3.4 to 4.5 N--m)
(minimum)
28
31
30
29
NOTE: HYDRAULIC COMPONENTS
ATTACHED TO FRONT FRAME ARE
NOT SHOWN IN ILLUSTRATION

Groundsmaster 4100--D Hydraulic SystemPage 4 -- 65
NOTE: The front frame needs to be lowered from the
main frame to allow clearance to remove the hydraulic
reservoir from the machine.
Removal (Fig. 47)
1. Parkmachineonalevel surface, lower cutting deck,
stop engine, engage parking brake and remove key
from the ignition switch.
2. Remove front cutting deck (see Cutting Deck Re-
moval in the Service and Repairs section of Chapter 8
-- Cutting Deck).
3. Read the General Precautions for Removing and
Installing Hydraulic System Components at the begin-
ning of the Service and Repairs section of this chapter.
4. Drain reservoir into a suitable container.
5. Disconnect hydraulic hoses from reservoir. Label
disconnected hydraulic lines for proper installation.
6. Removestraps(items4 and 8) that securereservoir
tofrontframe.Removefeltstraps(item3)frombetween
straps and reservoir.
7. To allow front frame to be lowered for reservoir re-
moval, remove hydraulic tubes that connect hydraulic
components on front frame (wheel motors and front
deck PTO manifold) to components on main frame. Put
caps or plugs on open hydraulic lines and fittings.
8. Chockrearwheelstopreventthemachinefrommov-
ing. Use jack or hoist to raise front of machine and sup-
port machine with jackstands.
9. Support front frame to prevent it from moving.
10.Removecapscrews(item31),flatwashers(item28)
andflangenuts(item30)thatsecurefrontframetomain
frame.
11.Carefully lower front frame assembly to allow clear-
anceforreservoirremoval.Oncelowered,supportfront
frame to prevent it from shifting.
12.Carefully remove hydraulic reservoir from machine.
Inspection
1. Clean hydraulic reservoir and suction strainer with
solvent.
2. Inspect for leaks, cracks or other damage.
Installation (Fig. 47)
1. Using a wrench, turn tank strainer into port at least
1--1/2 to 2 full turns beyond finger tight.
2. Position reservoir to machine.
3. Carefully raise front frame assembly to main frame.
Align frame mounting holes and support front frame to
prevent it from moving.
4. Secure front frame to main frame with cap screws
(item 31), flat washers (item 28) and flange nuts (item
30).
5. Lower machine to ground.
6. Position felt straps (item 3) between straps and res-
ervoir.Securereservoirtofrontframewithstraps(items
4 and 8).
7. Remove caps and plugs from hydraulic lines and fit-
tings that were placed during the removal process. Us-
ing labels placed during removal, connect hydraulic
hoses and tubes to fittings on reservoir, wheel motors
and hydraulic manifold (see Hydraulic Hose and Tube
Installation in the General Information section of this
chapter).
8. Install front cutting deck (see Cutting Deck Installa-
tion in the Service and Repairs section of Chapter 8 --
Cutting Deck).
9. Fill reservoir with new hydraulic fluid to proper level.
10.Properly fill hydraulic system (see Charge Hydraulic
System in this section).
11.Stopengineandcheckforhydraulicoilleaks.Check
hydraulic reservoir oil level.
Hydraulic
System

Groundsmaster 4100--DHydraulic System Page 4 -- 66
Hydraulic Oil Cooler
1. Radiator
2. RH radiator support
3. Top radiator support
4. Knob (2 used)
5. Oil cooler bracket
6. Retaining ring (2 used)
7. Carriage screw (2 used)
8. O--ring
9. 90ohydraulic fitting (2 used)
10. O--ring
11. Cap screw (2 used)
12. Lock washer (6 used)
13. Oil cooler
14. Flange nut (2 used)
15. Cap screw(2 used)
16. Oil cooler mount plate (2 used)
17. Cap screw (4 used)
18. LH radiator support
Figure 48
1
2
5
8
7
9
3
10
46
15
16
17
18
11
12
13
14
12
FRONT
RIGHT
8
9
10
12 ft--lb
(16 N--m)

Groundsmaster 4100--D Hydraulic SystemPage 4 -- 67
Removal (Fig. 48)
CAUTION
The radiator and oil cooler may be hot. To avoid
possible burns, allow the engine and cooling
systemstocool beforeworking on theoil cooler.
1. Parkmachineonalevel surface, lower cutting deck,
stop engine, apply parking brake and remove key from
the ignition switch.
2. Read the General Precautions for Removing and
Installing Hydraulic System Components at the begin-
ning of the Service and Repairs section of this chapter.
3. Remove oil cooler using Figures 48 as a guide.
Inspection
1. Backflushoilcoolerwithcleaningsolvent.Aftercool-
er is clean, make sure all solvent is drained from the
cooler.
CAUTION
Use eye protection such as goggles when using
compressed air.
2. Dry inside of oil cooler using compressed air in the
opposite direction of the oil flow.
3. Plug both ends of oil cooler. Clean exterior ofcooler.
Make sure fins are clear of dirt and debris.
4. The oil cooler should be free of corrosion, cracked
tubes and excessive pitting of tubes.
Installation (Fig. 48)
1. Install oil cooler using Figures 48 as a guide.
2. Fill reservoir with hydraulic fluid as required.
Hydraulic
System

Groundsmaster 4100--DHydraulic System Page 4 -- 68
Gear Pump
1. Hydraulic tee fitting
2. Roll pin
3. 90ohydraulic fitting
4. Piston pump
5. Flat washer (2 used)
6. Cap screw (2 used)
7. Hydraulic fitting (2 used)
8. 90ohydraulic fitting
9. Hydraulic fitting
10. Hydraulic hose
11. O--ring
12. Pump spacer
13. O--ring (2 used)
14. O--ring
15. 90ohydraulic fitting (2 used)
16. Pump coupler
17. O--ring
18. Flat washer (2 used)
19. Cap screw (2 used)
20. Engine
21. Gear pump
22. O--ring
23. Hydraulic hose
24. O--ring
25. Hose clamp
26. Hydraulic hose
27. O--ring
28. Hose clamp
29. Hydraulic hose
30. O--ring
31. O--ring
32. Hydraulic hose
33. Hydraulic hose
34. Hydraulic fitting
Figure 49
FRONT
RIGHT
79 to 84 ft--lb
(108 to 113 N--m)
1
9
7
15
14
12
4
8
10
6
3
13
5
2
11
16
17
18
19
20
14
11
21
22
23
24
25
26
27
28
29
30
22
24
31
32
33
34
79 to 84 ft--lb
(108 to 113 N--m)
103 to 118 ft--lb
(140 to 160 N--m)

Groundsmaster 4100--D Hydraulic SystemPage 4 -- 69
Removal (Fig 49)
1. Parkmachineonalevel surface, lower cutting deck,
stop engine, engage parking brake and remove key
from the ignition switch.
2. Raiseseatandsecureitwithproprodtogainaccess
to gear pump.
3. Drain the hydraulic reservoir.
4. Topreventcontaminationofhydraulicsystemduring
pump removal, thoroughly clean exterior of pump and
fittings.
5. Read the General Precautions for Removing and
Installing Hydraulic System Components at the begin-
ning of this section.
6. Disconnect hydraulic lines from gear pump and put
caps or plugs on open hydraulic linesand fittings. Label
disconnected hydraulic lines for proper installation.
7. Support gear pump assembly to prevent it from fal-
ling.
8. Removetwo(2)capscrewsandwashersthatsecure
gear pump to piston pump. Remove gear pump, cou-
pler,spacerandO--ringsfrommachinethroughtheseat
opening.
Installation (Fig 49)
1. Lubricate new O--rings with clean hydraulic oil and
position on pump.
2. Slide coupler onto the piston pump output shaft.
3. Position O--rings and spacer to gear pump. Align
gear teeth and slide gear pump input shaft into coupler.
Secure gear pump to piston pump with two (2) cap
screws and washers. Torque cap screws from 79 to 84
ft--lb (108 to 113 N--m).
4. Remove caps or plugs from hydraulic lines and fit-
tings. Install hydraulic lines to gear pump.
5. Replace hydraulic filter and fill hydraulic reservoir
with new hydraulic oil.
6. Disconnectenginerun solenoid electrical connector
to prevent engine from starting. Prime the hydraulic
pumpbyturningtheignitionkeyswitchtostartandcrank
theengineforten(10)seconds.Wait15secondsandre-
peat cranking procedure again.
7. Connect engine run solenoid electrical connector,
start the engine and check for proper operation.
8. Properly fill hydraulic system (see Charge Hydraulic
System in this section).
9. Stopengineandcheckforhydraulicoilleaks.Check
hydraulic reservoir oil level.
Hydraulic
System

Groundsmaster 4100--DHydraulic System Page 4 -- 70
Gear Pump Service
1. Dust seal
2. Retaining ring
3. Flange washer
4. Shaft seal
5. Front cover
6. Dowel pin (16 used)
7. Pressure seal
8. Back--up gasket
9. Thrust plate (8 used)
10. Seal (8 used)
11. Idler gear
12. Drive shaft
13. Back--up gasket
14. Pressure seal
15. Front body
16. Splined connecting shaft (3 used)
17. Flange
18. Drive gear
19. Body
20. Body
21. Drive gear
22. Idler gear
23. Rear body
24. Rear cover
25. Cap screw (4 used)
26. Washer (4 used)
Figure 50
10
11
8
15
5
319
20
21
22
23
24
9
725 26
6
12
16 17
18
4
14
13
12
9
33 ft--lb
(45 N--m)
11
22
21
Disassembly (Fig. 50)
NOTE: Thegearpumpmustbereplacedasacomplete
assembly. Individual gears, housings and thrust plates
are not available separately. Disassemble gear pump
for cleaning, inspection and seal replacement only.
IMPORTANT: Keep bodies, gears, flanges and
thrustplatesforeachpumpsectiontogether;donot
mix parts between pump sections.
1. Plug pump ports and thoroughly clean exterior of
pump with cleaning solvent. Make sure work area is
clean.
2. Use a marker to make a diagonal line across the
gear pump for assembly purposes (Fig. 51).
Figure 51
DIAGONAL LINE

Groundsmaster 4100--D Hydraulic SystemPage 4 -- 71
IMPORTANT: Use caution when clamping gear
pumpinaviseto avoid distortinganypump compo-
nents.
3. Secure the front cover of the pump in a vise with the
drive shaft pointing down.
4. Loosenthefour(4)capscrewsthatsecurepumpas-
sembly.
5. Remove pump from vise and remove fasteners.
6. Supportthepumpassemblyandgentlytapthepump
case with a soft face hammer to loosen the pump sec-
tions. Be careful to not drop parts or disengage gear
mesh.
IMPORTANT: Mark therelative positionsof thegear
teeth and the thrust plates so they can be reassem-
bledinthesameposition.Donottouchthegearsur-
faces as residue on hands may be corrosive to gear
finish.
7. Removethethrustplatesandsealsfromeachpump
section. Before removing each gear set, apply marking
dye to mating teeth to retain ”timing”. Pump efficiency
maybeaffectediftheteeth arenotinstalled inthesame
positionduringassembly.Keepthepartsforeachpump
section together; do not mix parts between sections.
8. Clean all parts. Check all components for burrs,
scoring, nicks and other damage.
9. Replace the entire pump assembly if parts are ex-
cessively worn or scored.
Assembly (Fig. 50)
1. Apply clean hydraulic oil to all parts before assem-
bling.
NOTE: Pressure seals and back--up gaskets fit in
grooves machined into thrust plates. Body seals fit in
grooves machined in body faces.
2. Assemblepumpsectionsstartingatfront cover end.
Apply grease or petroleum jelly to new section seals to
hold them in position during gear pump assembly.
3. Afterpumphasbeenassembled,tightencapscrews
and nuts by hand. Rotate the drive shaft to check for
binding.Protectthe shaft ifusingaplierstorotateshaft.
4. Tighten the four (4) cap screws evenly in a crossing
pattern to a torque of 33 ft--lb (45 N--m).
Hydraulic
System

Groundsmaster 4100--DHydraulic System Page 4 -- 72
Traction Circuit
1. Piston (traction) pump
2. Gear pump
3. LH front wheel motor
4. Check valve
5. RH front wheel motor
6. 4WD manifold
7. Filter manifold
8. Rear axle motor
9. Cooling fan motor
Figure 52
FRONT
RIGHT
2
1
5
4
3
7
6
8
9
Figure52illustratesthecomponentsthatareusedinthe
Groundsmaster 4100--D traction circuit. Procedures for
removal, installation and disassembly/assembly of
these components are provided on the following pages
of this section.

Groundsmaster 4100--D Hydraulic SystemPage 4 -- 73
This page is intentionally blank.
Hydraulic
System

Groundsmaster 4100--DHydraulic System Page 4 -- 74
Piston (Traction) Pump
1. Hydraulic T fitting
2. Roll pin
3. 90ohydraulic fitting
4. Piston pump
5. Flat washer (2 used)
6. Cap screw (2 used)
7. Hydraulic fitting (2 used)
8. 90ohydraulic fitting
9. Hydraulic fitting
10. Hydraulic hose
11. O--ring
12. Pump spacer
13. O--ring (2 used)
14. O--ring
15. 90ohydraulic fitting (2 used)
16. Pump coupler
17. O--ring
18. Flat washer (2 used)
19. Cap screw (2 used)
20. Engine
21. Gear pump
22. O--ring
23. Hydraulic hose
24. O--ring
25. Hose clamp
26. Hydraulic hose
27. O--ring
28. Hose clamp
29. Hydraulic hose
30. O--ring
31. O--ring
32. Hydraulic hose
33. Hydraulic hose
34. Hydraulic fitting
Figure 53
FRONT
RIGHT
79 to 84 ft--lb
(108 to 113 N--m)
1
9
7
15
14
12
4
8
10
6
3
13
5
2
11
16
17
18
19
20
14
11
21
22
23
24
25
26
27
28
29
30
22
24
31
32
33
34
79 to 84 ft--lb
(108 to 113 N--m)
103 to 118 ft--lb
(140 to 160 N--m)

Groundsmaster 4100--D Hydraulic SystemPage 4 -- 75
Removal (Fig. 53)
1. Parkmachineonalevel surface, lower cutting deck,
stop engine, apply parking brake and remove key from
the ignition switch.
2. Topreventcontaminationofhydraulicsystemduring
removal, thoroughly clean exterior of pump assembly.
3. Remove traction rod from control arm on piston
pump by removing lock nut, spacer and cap screw (Fig.
54).
4. Disconnect wire harness connector from neutral
switch on piston pump.
5. Read the General Precautions for Removing and
Installing Hydraulic System Components at the begin-
ning of the Service and Repairs section of this chapter.
6. Forinstallationpurposes,labelallhydrauliclinesthat
connect to gear pump and piston pump.
7. Put a drain pan below the pump assembly. Remove
hydraulic hoses and fittings connected to piston and
gearpumps.Putplugsorcapsondisconnectedhydrau-
lic hoses to prevent contamination of the system. Put
plugs in open ports of pumps.
NOTE: If fuel tank is loosened and raised from the ma-
chine, the gear pump and piston pump can be removed
as a complete assembly.
8. Remove gear pump from machine (see Gear Pump
Removal in this section).
9. Support the piston pump to prevent it from falling
while removing two (2) cap screws and washers retain-
ing pump assembly to engine flywheel plate. Carefully
pull pump assembly from flywheel plate and raise it out
of the machine.
Installation (Fig. 53)
1. Carefully lower piston pump into the machine, align
pump input shaft to spring coupler on engine and posi-
tionittothe engineflywheelplate.Supportpumptopre-
vent it from producing any side load into coupler and
also to align pilot diameter of pump to flywheel plate
bore.
2. While maintaining pump alignment with spring cou-
pler and flywheel plate, install two (2) cap screws and
washerstosecurepistonpumptoengineflywheelplate.
Torque screws from 79 to 84 ft--lb (108 to 113 N--m).
3. Install gear pump to piston pump (see Gear Pump
Installation).
4. Position traction rod to control arm on piston pump
by installing cap screw, spacer and lock nut (Fig. 54).
5. Connectwireharnessconnectortoneutralswitchon
traction pump.
6. Remove plugs or caps from disconnected hydraulic
hoses and open ports of the pump assembly. Install fit-
tings and hoses to correct location on gear and piston
pumps.
7. Install new filter and fill hydraulic reservoir with cor-
rect oil.
8. Disconnectenginerun solenoid electrical connector
topreventenginefromstarting.Primepumpsbyturning
ignition key switch to crank engine for 10 seconds. Re-
peat cranking procedure again.
9. Connect engine run solenoid electrical connector,
start the engine and check for proper operation.
10.Properly fill hydraulic system (see Charge Hydraulic
System in this section).
11.Stopengineandcheckforhydraulicoilleaks.Check
hydraulic reservoir oil level.
1. Piston pump
2. Cap screw
3. Pump control arm
4. Spacer
5. Lock nut
6. Jam nut
7. Traction rod
8. Rod end
Figure 54
1
2
4
5
6
3
7
8
Hydraulic
System

Groundsmaster 4100--DHydraulic System Page 4 -- 76
Piston (Traction) Pump Service
1. Jam nut
2. Retaining ring
3. Retaining ring
4. Seal washer
5. Socket head screw
6. Rotating kit assembly
7. Servo piston assembly
8. Piston follower
9. Cover plate
10. Cover plate
11. Camplate assembly
12. Thrust race
13. Thrust bearing
14. Bypass valve
15. Cap screw
16. Relief valve (Reverse)
17. Socket head screw
18. Valve plate
19. Pump housing
20. Backplate assembly
21. Drive shaft
22. Nut
23. Lock washer
24. Washer
25. Shaft seal
26. Relief valve (Forward)
27. Control arm
28. Servo control assembly
29. Washer
30. Orifice plate (3 used)
31. Flat washer
32. Housing gasket
33. Cover plate gasket
34. Control assembly gasket
35. Plug
36. O--ring
37. Seal sub--assembly
38. Roll pin
39. Bearing
40. Dowel bushing
41. Cradle sub--assembly
42. Cap screw
43. Button head cap screw
44. Bushing
45. Bearing
Figure 55
20
8
32
6
7
31
5
18
11
9
33
19
33
10
129 4
3
12
13
24
3
21
31
25
2
34 30
2823 27
22 17
14
26
15
16
36
35
37
38
39
40 41 42
43
44
45
37
100 to 110 ft--lb
(136 to 149 N--m)
(136 to 149 N--m)
40 to 48 in--lb
150 to 160 in--lb
(17to18N--m)
(4.5 to 5.4 N--m)
40 to 48 in--lb 25 to 28 ft--lb
(34to38N--m)
27 to 31 ft--lb
(37to42N--m)
4to6ft--lb
(5 to 8 N--m)
40 to 48 in--lb
(4.5 to 5.4 N--m)
5
(4.5 to 5.4 N--m)
100 to 110 ft--lb
NOTE: Forserviceofthepiston(traction)pump(includ-
ing the servo control (item 28), see the Eaton Model
72400 Servo Controlled Piston Pump Repair Informa-
tion at the end of this chapter.

Groundsmaster 4100--D Hydraulic SystemPage 4 -- 77
This page is intentionally blank.
Hydraulic
System

Groundsmaster 4100--DHydraulic System Page 4 -- 78
Rear Axle Motor
1. Axle motor
2. 90ohydraulic fitting (2 used)
3. Hydraulic fitting
4. Cap screw (2 used)
5. Flat washer (2 used)
6. O--ring
7. External snap ring (2 used)
8. Pinion gear
9. External snap ring (2 used)
10. Gear
11. Needle bearing
12. O--ring
13. O--ring
14. O--ring
15. O--ring
16. Drive axle assembly
17. Cap screw (6 used)
18. Lock washer (6 used)
19. Dowel pin (2 used)
20. Cover plate
21. Gasket
Figure 56
FRONT
RIGHT
Arrow on side of
16
11
10
54
3
9
7
8
6
1
2
15
14
13
12
motor case points up
59 to 73 ft--lb
(80to99N--m)
18
21
19
17
20
2

Groundsmaster 4100--D Hydraulic SystemPage 4 -- 79
Removal (Fig. 56)
1. Parkmachineonalevel surface, lower cutting deck,
stop engine, apply parking brake and remove key from
the ignition switch.
2. Read the General Precautions for Removing and
Installing Hydraulic System Components at the begin-
ning of the Service and Repairs section of this chapter.
NOTE: To ease installation, tag the hydraulic hoses to
show their correct position on the axle motor.
3. Disconnect hydraulic hoses from motor. Put caps or
plugsonmotorportsandhoseopeningstopreventcon-
tamination.
IMPORTANT: Support axle motor to prevent motor
from falling during removal.
4. Remove motor from rear axle using Figure 56 as a
guide.
5. If hydraulic fittings are to be removed from motor,
mark fitting orientation to allow correct assembly. Re-
move fittings from motor and discard O--rings.
Installation (Fig. 56)
1. If fittings were removed from motor, lubricate and
place new O--rings onto fittings. Install fittings into port
openingsusingmarksmadeduringtheremovalprocess
to properly orientate fittings. Tighten fittings (see Hy-
draulic Fitting Installation in the General Information
section of this chapter).
2. If removed, install pinion gear to axle motor.
3. InstallO--ringonto motor.Positionmotor to rearaxle
assembly making sure that arrows on the side of motor
casepoint upward.Aligngear teethandslidemotorinto
place.
4. Secure motor to axle with cap screws and flat wash-
ers. Torque screws from 59 to 73 ft--lb (80 to 99 N--m).
5. Removeplugsfrommotor ports and hose openings.
Attach hydraulic hoses to axle motor.
6. Fill reservoir with hydraulic fluid as required.
7. After assembly is completed, verify that hydraulic
hoses and fittings do not contact anything.
Hydraulic
System

Groundsmaster 4100--DHydraulic System Page 4 -- 80
Front Wheel Motors
1. Front wheel motor
2. Internal retaining ring
3. Splined brake shaft
4. RH brake assembly
5. Planetary assembly
6. Cap screw (2 used per motor)
7. Flat washer (2 used per motor)
8. O--ring
9. Hex head plug
10. 90ohydraulic fitting
11. 90ohydraulic fitting
12. O--ring
13. O--ring
14. Hydraulic fitting
15. O--ring
16. O--ring
17. Hydraulic tee fitting
18. O--ring
19. O--ring
20. LH brake assembly
Figure 57
12
13
16
17
14 15
18
20
19
8
76
54
3
2
1
11
10
9
FRONT
RIGHT
Arrow on side of
motor case points up
1
5
8
11
11
12
12
13
13
13
14
14
15
15
15
16
16
19 Arrow on side of
motor case points up
16
2
3
75 to 85 ft--lb
(101 to 115 N--m)

Groundsmaster 4100--D Hydraulic SystemPage 4 -- 81
Removal (Fig. 57)
1. Parkmachineonalevel surface, lower cutting deck,
stop engine, apply parking brake and remove key from
the ignition switch.
2. Read the General Precautions for Removing and
Installing Hydraulic System Components at the begin-
ning of the Service and Repairs section of this chapter.
NOTE: To ease installation, tag the hydraulic hoses to
show their correct position on the wheel motor.
3. Disconnect hydraulic hoses and tubes from wheel
motor. Putcapsor plugsonmotorports andhoseopen-
ings to prevent contamination.
IMPORTANT: Before loosening fasteners, support
wheelmotortopreventmotorfromfallingduringre-
moval.
4. Remove wheel motor using Figure 57 as a guide.
5. If hydraulic fittings are to be removed from motor,
mark fitting orientation to allow correct assembly. Re-
move fittings from motor and discard O--rings.
Installation (Fig. 57)
1. If fittings were removed from motor, lubricate and
place new O--rings onto fittings. Install fittings into port
openingsusingmarksmadeduringtheremovalprocess
to properly orientate fittings. Tighten fittings (see Hy-
draulic Fitting Installation in the General Information
section of this chapter).
2. Positionwheelmotortobrakeassemblymakingsure
that arrows on the side of motor case point upward.
3. Alignsplines onmotor shaftandsplined brakeshaft.
Slide motor into brake assembly.
4. Secure motor to brake assembly with cap screws
andflatwashers.Tightencapscrewsfrom75to85ft--lb
(101 to 115 N--m).
5. Remove plugs from wheel motor ports and hose
openings. Attach hydraulic hoses and tubes to wheel
motor.
6. Fill reservoir with hydraulic fluid as required.
Hydraulic
System

Groundsmaster 4100--DHydraulic System Page 4 -- 82
Rear Axle and Front Wheel Motor Service
1. Drive shaft
2. Backplate (front motor shown)
3. Housing assembly
4. Rotating assembly
5. Cam plate insert
6. Retaining ring
7. Cap screw (6 used)
8. Shaft seal
9. Retaining ring
10. Thrust race
11. O--ring
12. Valve plate
13. Thrust bearing
14. Roll pin (3 used)
15. Roll pin
16. Bearing
17. Bearing
18. Washer
Figure 58
6
8
1
9
10 13
7
2
11
14
3
17
15
16
12
4
5
9
10
18
15 to 18 ft--lb
(20to24N--m)
NOTE: The front wheel motors are identical. The rear
axle motor has some differences from the front motors.
Service of the front and rear motors requires the same
procedures.
NOTE: For service of the wheel motors, see the Eaton
Model74318and74348PistonMotors:FixedDisplace-
ment, Valve Plate Design Repair Information at the end
of this chapter.

Groundsmaster 4100--D Hydraulic SystemPage 4 -- 83
This page is intentionally blank.
Hydraulic
System

Groundsmaster 4100--DHydraulic System Page 4 -- 84
4WD Manifold
1. Frame assembly
2. 4 wheel drive manifold
3. 90ohydraulic fitting
4. O--ring
5. O--ring
6. Quick fitting
7. O--ring
8. Fitting cap
9. Hydraulic fitting
10. O--ring
11. O--ring
12. 90ohydraulic fitting
13. O--ring
14. O--ring
15. Hydraulic fitting
16. Adapter
17. Plug (SAE #4)
18. Flange nut (2 used)
19. Cap screw (2 used)
Figure 59
FRONT
RIGHT
1
4
2
6
3
7
5
8
10
13
11
9
12
14
19
18
15
1716
910
11
12 13
11
7
4

Groundsmaster 4100--D Hydraulic SystemPage 4 -- 85
Removal (Fig. 59)
NOTE: The ports on the manifold are marked for easy
identification of components. Example: P1 is a piston
pumpconnectionportandSVisthelocationforthesole-
noid valve (See Hydraulic Schematic in Chapter 9 --
FoldoutDrawingstoidentifythefunctionofthehydraulic
lines and cartridge valves at each port).
1. Read the General Precautions for Removing and
Installing Hydraulic System Components at the begin-
ning of this section.
2. Topreventcontaminationofhydraulicsystemduring
manifold removal, thoroughly clean exterior of manifold
and fittings.
3. Disconnect electrical connector from the solenoid
valve.
4. Disconnect hydraulic lines from manifold and put
caps or plugs on open hydraulic linesand fittings. Label
disconnected hydraulic lines for proper installation.
5. Remove hydraulic manifold from the frame using
Figure 59 as guide.
Installation (Fig. 59)
1. Install hydraulic manifold to the frame using Figure
59 as guide.
2. Remove caps and plugs from fittings and hoses.
Properly connect hydraulic lines to manifold.
3. Connect electrical connector to the solenoid valve.
Hydraulic
System

Groundsmaster 4100--DHydraulic System Page 4 -- 86
4WD Manifold Service
1. Manifold body
2. Solenoid valve (port SV)
3. Solenoid coil
4. Check valve (port CV)
5. Nut
6. Directional valve (ports PD1 & PD2)
7. Pressure reducing valve (port PR)
8. Relief valve (port RV)
9. Orifice (0.030) (port SV)
10. #4 zero leak plug with O--ring
11. #6 zero leak plug with O--ring
12. Orifice (0.050) (ports OR1 and OR2)
13. #8 zero leak plug with O--ring
Figure 60
25 ft--lb
(34 N--m)
35 ft--lb
(47 N--m)
20 ft--lb
(27 N--m)
50 ft--lb
(67 N--m)
5 ft--lb
(6.7 N--m)
FRONT
UP
7
13
10
8
2
3
1
11
9
4
5
13
13
11
10
10 6
12
11
13
10
1
11
10
PLUG TORQUE
#4 Zero Leak: 20 ft--lb (27 N--m)
#6 Zero Leak: 25 ft--lb (34 N--m)
#8 Zero Leak: 50 ft--lb (67 N--m)
DOWN
REAR
NOTE: The ports on the manifold are marked for easy
identification of components. Example: P1 is a piston
pumpconnectionportandSVisthelocationforthesole-
noid valve (See Hydraulic Schematic in Chapter 9 --
FoldoutDrawingstoidentifythefunctionofthehydraulic
lines and cartridge valves at each port).

Groundsmaster 4100--D Hydraulic SystemPage 4 -- 87
4WD Manifold Service (Fig. 60)
1. Makesurethemanifoldiscleanbeforeremovingthe
valve.
2. If cartridge is solenoid operated, remove nut secur-
ing solenoid to the cartridge valve. Carefully slide sole-
noid off the valve.
IMPORTANT: Usecarewhenhandlingthevalvecar-
tridge. Slight bending or distortion of the stem tube
can cause binding and malfunction.
3. Remove cartridge valve with a deep socket wrench.
Note correct location for O--rings, sealing rings and
backup rings. Remove and discard seal kit.
4. Visually inspect the port in the manifold for damage
tothesealingsurfaces,damagedthreadsorcontamina-
tion.
5. Visuallyinspectcartridgevalvefor damagedsealing
surfaces and contamination.
A. Contaminationmaycausevalvestostickorhang
up.Contaminationcanbecomelodgedinsmallvalve
orifices or seal areas causing malfunction.
B. If valve sealing surfaces appear pitted or dam-
aged, the hydraulic system may be overheating or
there may be water in the system.
CAUTION
Use eye protection such as goggles when using
compressed air.
6. Clean cartridge valve using clean mineral spirits.
Submergevalveincleanmineralspiritstoflushoutcon-
tamination.Particlesasfineastalcumpowdercanaffect
the operation of high pressure hydraulic valves. If car-
tridgedesignallows,useawoodorplasticprobetopush
the internal spool in and out 20 to 30 times to flush out
contamination.Beextremely carefulnottodamagecar-
tridge. Use compressed air for cleaning.
7. The 4WD control manifold includes three (3) orifice
fittings (items 9 and 13). The 0.030 orifice (item 9) is
positioned in the SV port under the solenoid cartridge
valve. The 0.050 orifices (item 13) thread into the man-
ifold in ports OR1 and OR2. Before removing or instal-
ling the orifice in OR1, removal of the #6 plug in the
bottom of the manifold is necessary.
8. Reinstall the cartridge valve:
A. Lubricatenewsealkitcomponentswithcleanhy-
draulic oil and install on valve. The O--rings, sealing
ringsandbackupringsmustbearrangedproperlyon
the cartridge valve for proper operation and sealing.
IMPORTANT: Use care when handling the valve
cartridge. Slight bending or distortion of the
stem tube can cause binding and malfunction.
B. Thread cartridge valve carefully into manifold
port. The valve should go in easily without binding.
C. Torquecartridgevalveusingadeepsockettoval-
ue identified in manifold illustration.
D. If cartridge is solenoid operated, carefully install
solenoidcoiltothecartridgevalve.Torquenuttoval-
ue identified in manifold illustration.
9. If problems still exist, remove valve and clean again
or replace valve.
Hydraulic
System

Groundsmaster 4100--DHydraulic System Page 4 -- 88
Filter Manifold
1. Filter manifold
2. 45ohydraulic fitting
3. Test nipple
4. Dust cap
5. O--ring
6. O--ring
7. O--ring
8. Cap screw (3 used)
9. Flat washer (3 used)
10. Hydraulic fitting
11. O--ring
12. O--ring
13. 90ohydraulic fitting
14. Hydraulic hose
15. O--ring
16. O--ring
17. 90ohydraulic fitting
18. Hydraulic hose
19. Hydraulic tee fitting
20. 90ohydraulic fitting
21. O--ring
22. Hose clamp
23. Filter hose
24. Barb fitting
25. Oil filter
Figure 61
FRONT
RIGHT 13
10
89
19
1
17
2
3
20
23
18
14
4
21
16
12
15
7
11
5
6
22
24
25
6
11
11
6
NOTE: The ports on the manifold are marked for easy
identification of components. Example: P2 is the gear
pumpconnectionportandTistheconnectionforthehy-
draulic reservoir return port (See Hydraulic Schematic
in Chapter 9 -- Foldout Drawings to identify the function
of the hydraulic lines and cartridge valves at each port).

Groundsmaster 4100--D Hydraulic SystemPage 4 -- 89
Removal (Fig. 61)
1. Read the General Precautions for Removing and
Installing Hydraulic System Components at the begin-
ning of the Service and Repairs section of this chapter.
2. Topreventcontaminationofhydraulicsystemduring
manifold removal, thoroughly clean exterior of manifold
and fittings.
3. Disconnect hydraulic lines from manifold and put
caps or plugs on open hydraulic linesand fittings. Label
disconnected hydraulic lines for proper reassembly.
4. Remove filter manifold from the frame using Figure
61 as guide.
5. If hydraulic fittings are to be removed from manifold,
mark fitting orientation to allow correct assembly. Re-
move fittings from manifold and discard O--rings.
Installation (Fig. 61)
1. If fittings were removed from manifold, lubricate and
place new O--rings onto fittings. Install fittings into man-
ifold openings using marks made during the removal
process to properly orientate fittings. Tighten fittings
(see Hydraulic Fitting Installation in the General Infor-
mation section of this chapter).
2. Install filter manifold to the frame using Figure 61 as
guide.
3. Removecapsandplugs fromfittings andhoses.Us-
inglabelsplacedduringmanifoldremoval,properlycon-
nect hydraulic lines to manifold.
Hydraulic
System

Groundsmaster 4100--DHydraulic System Page 4 -- 90
Filter Manifold Service
1. Filter manifold
2. Check valve (reservoir return)
3. Oil filter element
4. Check valve (filter bypass)
5. Plug (Zero Leak #6) 6. Charge relief valve
7. Plug (Zero Leak #8)
Figure 62
FRONT
UP
6
7
1
5
5
4
2
FRONT
UP
3
3
25 ft--lb
(34 N--m)
30 ft--lb
(41 N--m)
50 ft--lb
(67 N--m)
25 ft--lb
(34 N--m)
25 ft--lb
(34 N--m)
30 ft--lb
(41 N--m)
NOTE: The ports on the manifold are marked for easy
identification of components. Example: P2 is the gear
pumpconnectionportandTistheconnectionforthehy-
draulic reservoir return port (See Hydraulic Schematic
in Chapter 9 -- Foldout Drawings to identify the function
of the hydraulic lines and cartridge valves at each port).

Groundsmaster 4100--D Hydraulic SystemPage 4 -- 91
Filter Manifold Service (Fig. 62)
For cartridge valve service procedures, see 4WD Man-
ifold Service in this section. Refer to Figure 62 for filter
manifold cartridge valve and plug installation torque.
Hydraulic
System

Groundsmaster 4100--DHydraulic System Page 4 -- 92
Steering and Cooling Fan Circuits
1. Gear pump
2. Steering control valve 3. Fan drive manifold
4. Fan motor 5. Steering cylinder
Figure 63
FRONT
RIGHT
21
5
4
3
Figure63illustratesthecomponentsthatareusedinthe
Groundsmaster4100--Dsteeringandcoolingfancircuit.
Procedures for removal, installation and disassembly/
assembly of these components are provided on the fol-
lowing pages of this section.

Groundsmaster 4100--D Hydraulic SystemPage 4 -- 93
This page is intentionally blank.
Hydraulic
System

Groundsmaster 4100--DHydraulic System Page 4 -- 94
Steering Valve
1. Hex nut
2. Flat washer
3. Steering wheel
4. Foam collar
5. Steering seal
6. External snap ring
7. Steering shaft assembly
8. Steering tower cover
9. O--ring
10. 90ohydraulic fitting
11. O--ring
12. Flange head screw
13. Hydraulic adapter (4 used)
14. Steering valve assembly
15. Nut insert
16. Steering tower
17. Flange locking nut (2 used)
18. Flange head screw (4 used)
19. Pivot hub (2 used)
20. Cap screw (2 used)
21. Steering column assembly
22. Flange bushing
23. Thrust washer
24. Steering wheel cover
25. In port (P)
26. Right turn port (R)
27. Load sensing port (PB)
28. Left turn port (L)
29. Out port (T)
Figure 64
1
2
3
4
5
6
7
23
22
8
17
21
20
19
12
16
15
18
10
12
13
14 9
11
9
11
24
25 26
27
28
29
FRONT
RIGHT
16 to 20 ft--lb
(22to27N--m)

Groundsmaster 4100--D Hydraulic SystemPage 4 -- 95
Removal (Fig. 64)
1. Parkmachineonalevel surface, lower cutting deck,
stop engine, engage parking brake and remove key
from the ignition switch.
2. Read the General Precautions for Removing and
Installing Hydraulic System Components at the begin-
ning of this section.
3. Topreventcontaminationofhydraulicsystemduring
steering valve removal, thoroughly clean exterior of
steering valve and fittings.
4. Remove steering valve from machine using Figure
64 as a guide.
5. If hydraulic fittings are to be removed from steering
valve, mark fitting orientation toallow correct assembly.
Remove fittings from valve and discard O--rings.
Installation (Fig. 64)
1. Iffittingswereremovedfromsteeringvalve,lubricate
and place new O--rings onto fittings. Install fittings into
port openings using marks made during the removal
process to properly orientate fittings. Tighten fittings
(see Hydraulic Fitting Installation in the General Infor-
mation section of this chapter).
2. Install steering valve using Figure 64 as a guide.
3. Makesurehydraulictankisfull.Addcorrectoilifnec-
essary before returning machine to service.
Hydraulic
System

Groundsmaster 4100--DHydraulic System Page 4 -- 96
Steering Valve Service
1. Steering valve housing
2. Dust seal
3. O--ring
4. Spool
5. Spring retaining ring
6. Pin
7. Sleeve
8. Centering springs/spacers
9. Cap screw (7 used)
10. End cap
11. O--ring
12. Seal ring
13. O--ring
14. Geroter
15. O--ring
16. Spacer
17. Geroter drive
18. Wear plate
19. Bearing race
20. Thrust bearing
21. Plug
22. O--ring
23. Relief valve
24. Quad seal
Figure 65
3
5
6
9
10
16
11
12
13
14
15
47
1
2
17
18
19
19 20
21
22
23
24
8
140 to 160 in--lb
(16to18N--m)
150 in--lb
(17 N--m)
Disassembly (Fig. 65)
NOTE: Cleanliness is extremely important when
repairing steering control units. Work in a clean area.
Before disconnecting the hydraulic lines, clean the port
area of the steering valve assembly. Before disassem-
bly, drain the oil, then plug the ports and thoroughly
clean the exterior. During repairs, always protect
machined surfaces.
1. Remove the seven (7) cap screws from the steering
valve assembly.
2. Remove end cap, geroter, spacer, geroter drive,
wear plate, seal ring and O--rings from housing.
3. Remove the plug and relief valve.
4. Slide the spool and sleeve assembly from the hous-
ing.
5. Remove the thrust bearing and bearing races (2).
6. Remove the quad seal.
7. Use a small blade screwdriver to carefully pry the
dustsealfromthehousing.Becarefultonotdamagethe
dust seal seat in the housing.
8. Remove the pin that holds the spool and sleeve to-
gether.
9. Carefully slide the spool out of the sleeve. The cen-
tering springs and spring retaining ring will stay with the
spool as it is removed.

Groundsmaster 4100--D Hydraulic SystemPage 4 -- 97
CAUTION
The centering springs are under tension. Re-
move the retaining ring carefully.
10.Remove the spring retaining ring and centering
springs from the spool.
Reassembly (Fig. 65)
Check all mating surfaces. Replace any parts with
scratches or burrs that could cause leakage. Wash all
metalpartsincleansolvent.Blowthemdrywithpressur-
ized air. Do not wipeparts dry with paper towels or cloth
as lint in a hydraulic system will cause damage.
NOTE: Always use new seals and O--rings when as-
sembling the steering valve.
IMPORTANT: During assembly, lubricate the new
seals with petroleum jelly. Also, lubricate machined
surfaces and bearings with clean hydraulic fluid.
1. Install the quad seal (Fig. 66):
A. Put one of the bearing races and sleeve into the
housing.
B. Together, the housing and bearing race create a
groove into which the quad seal will be installed.
C. Holdthebearingracetightlyagainsttheinputend
of the housing by pushing on the gerotor end of the
sleeve.
D. Fitthequadsealintoitsseatthroughtheinputend
of the housing. Be sure the seal is not twisted.
E. Remove the sleeve and bearing race.
2. Lubricate and install the dust seal.
3. Install the centering springs in the spool. It is best to
install the two flat pieces first. Next, install the curved
pieces, three at a time.
4. Fit the retaining ring over the centering springs.
5. Apply a light coating of clean hydraulic fluid to the
spool and slide it into the sleeve. Be sure the centering
springs fit into the notches in the sleeve.
6. Install the pin.
7. Apply a light coating of petroleum jelly to the inner
edge of the dust and quad seals.
8. Put the thrust bearing and races into the housing.
The thrust bearing goes between the two races
(Fig. 66).
IMPORTANT: Do notdamagethe dustor quadseals
when installing the spool and sleeve assembly.
9. Apply a light coating of clean hydraulic fluid to the
spool and sleeve assembly and carefully slide the as-
sembly into the housing.
10.Clampthehousinginavise.Useonlyenoughclamp-
ing force to hold the housing securely.
11.Lubricate and install a new O-ring seal in the groove
in the housing.
12.Install the wear plate and align screw holes in the
wear plate with threaded holes in the housing.
NOTE: The holes in the wear plate are symmetrical.
13.Install the geroter drive, making sure the slot in the
drive engages the pin.
14.Lubricate and install new O-ring in wear plate
groove.
15.Install the gerotor and align the screw holes.
16.Lubricate and install new O-ring in gerotor ring
groove.
17.Lubricate and installnewO-ringand sealringinger-
otor star groove.
18.Install the spacer.
19.Installtheendcapandseven(7)capscrews.Tighten
the cap screws, in a crossing pattern, from 140 to 160
in-lb (16 to 18 N--m).
20.Remove the steering valve from the vise.
21.Install the relief valve and plug. Tighten the plug to
150 in-lb (17 N--m).
Thrust Bearing
and Race (2)
Quad Seal
Dust Seal
Figure 66
Hydraulic
System

Groundsmaster 4100--DHydraulic System Page 4 -- 98
Steering Cylinder
1. Steering cylinder
2. Ball joint
3. Ball joint
4. Retaining ring
5. Grease fitting
6. Grease fitting
7. 90ohydraulic fitting
8. O--ring
9. O--ring
10. Drive axle assembly
11. Ball joint spacer
12. Axle washer
13. Hex slotted nut
14. Cotter pin
Figure 67
6
4
1
25
4
3
12
14 11
13
7
89
9
10
See text for
tightening
FRONT
RIGHT
procedure
See text for
tightening
procedure

Groundsmaster 4100--D Hydraulic SystemPage 4 -- 99
Removal (Fig. 67)
1. Parkmachineonalevel surface, lower cutting deck,
stop engine, engage parking brake and remove key
from the ignition switch.
2. Read the General Precautions for Removing and
Installing Hydraulic System Components at the begin-
ning of this section.
3. Topreventcontaminationofhydraulicsystemduring
steering cylinder removal, thoroughly clean exterior of
cylinder and fittings.
NOTE: Toeaseinstallation,labelthehydraulichosesto
show their correct position on the steering cylinder.
4. Remove hydraulic hoses from steering cylinder.
5. Remove cotter pins, hex slotted nuts, axle washer
andballjointspacerfromthethreadedendsofballjoints
(Fig. 67). Remove steering cylinder with ball joints from
machine.
6. If hydraulic fittings are to be removed from steering
cylinder, mark fitting orientation to allow correct assem-
bly. Remove fittings from cylinder and discard O--rings.
7. If needed, remove ball joints from steering cylinder.
Installation (Fig. 67)
1. If removed, install ball joints into steering cylinder.
2. If fittings were removed from steering cylinder, lubri-
cate and place new O--rings onto fittings. Install fittings
intoportopeningsusingmarksmadeduringtheremoval
process to properly orientate fittings. Tighten fittings
(see Hydraulic Fitting Installation in the General Infor-
mation section of this chapter).
3. Slideramendballjointthroughholeonsteeringarm.
Securewithaxlewasherandhexslottednut.Slidefixed
endofcylinderthroughholeonaxle.Securewithslotted
hexnut.Torqueslottedhexnutsto100ft--lbs(135N--m)
andthencontinuetighteningthenutuntilhexnutgroove
aligns with cotter pin hole in ball joint. Install cotter pin
to nut and ball joint.
4. Install hydraulic hoses to steering cylinder.
5. Fill reservoir with hydraulic fluid as required.
6. After assembly is completed, operate steering cylin-
dertoverifythathydraulichosesandfittingsarenotcon-
tacted by anything.
Hydraulic
System

Groundsmaster 4100--DHydraulic System Page 4 -- 100
Steering Cylinder Service
1. Tube assembly
2. Rod
3. Piston assembly
4. Head
5. Retaining ring
6. Backup ring
7. O--ring
8. Cap seal
9. Rod seal
10. O--ring
11. O--ring
12. Wiper
Figure 68
45 to 55 ft--lb
(62to74N--m)
1
6
7
3
9
10
4
11
2
8
5
12

Groundsmaster 4100--D Hydraulic SystemPage 4 -- 101
Disassembly (Fig. 68)
1. Pumpoilout ofcylinderintoa drain pan bySLOWLY
moving rod and piston in and out of cylinder bore. Plug
ports and clean outside of cylinder.
IMPORTANT: To prevent damage when clamping
cylinder in a vise, clamp only on pivotal ends. Use
of a vise with soft jaws is recommended.
2. Mountcylinderinavisesorodendofcylinderistilted
up slightly. Do not close vise so firmly that cylinder tube
could become distorted.
3. Loosen head from tube:
A. Use a spanner wrench to rotate head clockwise
untiltheedgeoftheretainingringappearsinthetube
opening.
B. Insert a screwdriver under the beveled edge of
the retaining ring to start the retaining ring through
the opening.
C. Rotatetheheadcounter--clockwisetoremovere-
taining ring from tube and head.
4. Grasp end of piston rod and use a twisting and pull-
ing motion to carefully extract piston, piston rod and
head from cylinder tube.
IMPORTANT: Do notclampvisejawsagainst piston
rod surface; the piston rod will become damaged.
5. Securelymountpiston,pistonrodandheadintovise
and remove piston. Remove head from rod.
6. Remove and discard all seals and O--rings from
head and piston.
7. Wash parts in clean solvent. Dry parts with com-
pressed air. Do not wipe parts dry with paper towels or
cloth. Lint in a hydraulic system will cause damage.
8. Carefully inspect internal surface of barrel for dam-
age (deep scratches, out--of--round, etc.). Replace en-
tirecylinder ifbarrelisdamaged.Inspect rod and piston
for evidence of excessive scoring, pitting or wear. Re-
place any damaged parts.
Assembly (Fig. 68)
1. Use a complete repair kit when rebuilding the cylin-
der. Put a coating of clean hydraulic oil on all new seals
and O--rings.
2. InstallnewO--ringsandsealstothepistonandhead.
3. Lubricate shaft with clean hydraulic oil. Slide head
ontoshaft.Installandtightenhead.Torqueheadfrom45
to 55 ft--lb (62 to 74 N--m).
4. Put a coating of clean hydraulic oil on all cylinder
parts to ease assembly.
5. Slide rod assembly into cylinder tube.
6. Mount steering cylinder in a vise with soft jaws. Se-
cure head in barrel:
A. Align retaining ring hole in the head with the ac-
cess slot in the tube.
B. Inserttheretainingringhookintothehole andro-
tate head clockwise until the retaining ring is com-
pletely pulled into the tube and the ring ends are
covered.
C. Apply silicone sealer to tube access slot.
Hydraulic
System

Groundsmaster 4100--DHydraulic System Page 4 -- 102
Engine Cooling Fan Motor
1. Hydraulic fan motor
2. O--ring
3. Bracket
4. 45ohydraulic fitting
5. O--ring
6. Hydraulic hose
7. Fan hub
8. Washer
9. Hex nut
10. Engine
11. Cap screw (4 used)
12. Washer (4 used)
13. Fan
14. Lock nut (2 used)
15. Hydraulic hose
16. O--ring
17. Hydraulic fitting
18. O--ring
19. Hydraulic hose
20. Cap screw (2 used)
21. Flat washer (2 used)
Figure 69
(37to44N--m)
27 to 33 ft--lb
(17to18N--m)
12 to 14 ft--lb
3
5
6
4
7
1
2
8
9
10
11
12
1314 15 16 17
4
2
5
18
19
20
21
FRONT
RIGHT

Groundsmaster 4100--D Hydraulic SystemPage 4 -- 103
Removal (Fig. 69)
1. Parkmachineonalevel surface, lower cutting deck,
stop engine, apply parking brake and remove key from
the ignition switch.
2. Read the General Precautions for Removing and
Installing Hydraulic System Components at the begin-
ning of the Service and Repairs section of this chapter.
3. Unlatch and raise hood.
4. Remove air cleaner hose and upper radiator shroud
to allow easier access to hydraulic fan motor (Fig. 70).
CAUTION
The radiator and oil cooler may be hot. To avoid
possible burns, allow the engine and cooling
systems to cool before removing fan motor.
IMPORTANT: Make sureto notdamage theradiator,
fan or other machine components while loosening
and removing the fan motor.
5. Removehexnut(item9)andwasher(item8)thatse-
cure fan hub and fan assembly to fan motor.
6. Use suitable puller to remove fan hub (with fan at-
tached) from fan motor shaft taking care to not damage
fan. Position fan assembly away from fan motor.
7. Topreventcontaminationofhydraulicsystemduring
fan motor removal, thoroughly clean exterior of motor
and fittings.
8. Disconnect hydraulic hoses from cooling fan motor.
Put caps or plugs on fittings and hoses to prevent con-
tamination. Tag hydraulic lines for proper assembly.
9. Support fan motor to prevent it from falling. Remove
two (2) cap screws (item 20), flatwashers (item 21) and
lock nuts (item 14) that secure fan motor to fan motor
bracket.
10.Carefullylowerfanmotorandremovefrommachine.
11.Ifhydraulicfittingsaretoberemovedfromfanmotor,
mark fitting orientation to allow correct assembly. Re-
move fittings from motor and discard O--rings.
Installation (Fig. 69)
1. Iffittingswereremovedfromfanmotor,lubricateand
place new O--rings onto fittings. Install fittings into port
openingsusingmarksmadeduringtheremovalprocess
to properly orientate fittings. Tighten fittings (see Hy-
draulic Fitting Installation in the General Information
section of this chapter).
IMPORTANT: Make sureto notdamage theradiator,
oil cooler or other machine components while
installing the fan motor.
2. Carefully position fan motor to fan motor bracket.
Loosely attach motor to bracket with cap screws (item
20), flat washers (item 21) and lock nuts (item 14).
3. Removecapsorplugsplacedduringremovaltopre-
ventcontamination.Connecthydraulichoses tocooling
fan motor (see Hydraulic Hose and Tube Installation in
the General Information section of this chapter).
4. Tighten fasteners to secure fan motor to bracket.
5. Thoroughly clean tapered surfaces of fan motor
shaft and fan hub. Position fan hub (with fan attached)
onto motor shaft and secure with washer (item 8) and
hex nut (item 9). Torque nut from 27 to 33 ft--lb (37 to
44 N--m).
6. Install upper radiator shroud and air cleaner hose
(Fig.70).Makesurethatclearancebetweenshroudand
cooling fan is at least 0.180” (4.6 mm) at all points.
7. Lower and secure hood.
1. Radiator
2. Upper radiator shroud
3. Screw (4 used)
4. Flat washer
5. Air cleaner hose
6. Flange nut (4 used)
7. Cap screw
Figure 70
3
5
6
4
7
1
2
4
4
Hydraulic
System

Groundsmaster 4100--DHydraulic System Page 4 -- 104
Engine Cooling Fan Motor Service
1. Flange washer
2. O--ring
3. Front flange
4. Dust seal
5. Retaining ring
6. Front wear plate
7. Shaft seal
8. Backup gasket
9. Pressure seal
10. Rear wear plate
11. Body
12. Idler gear
13. Cap screw (4 used)
14. Dowel (2 used)
15. Drive gear
16. Washer (4 used)
Figure 71
8
7
4
3
2
5
6
9
10
11
9
12
13
8
14
16
15
14
1
(45 N--m)
33 ft--lb
Disassembly (Fig. 71)
1. Plug motor ports and clean the outside of the motor
thoroughly. After cleaning, remove plugs and drain any
oil out of the motor.
2. Use a marker to make a diagonal line across the
front flange and body for assembly purposes (Fig. 72).
IMPORTANT: Prevent damage when clamping the
fanmotorinto avise;clamp onthefront flangeonly.
Also, use a vise with soft jaws.
3. Clamp front flange of motor in a vise with soft jaws
with the shaft end down.
4. Loosen cap screws from the rear cover.
5. Remove motor from the vise. Turn motor so that the
shaft end is facing down. Remove cap screws.
6. Carefully remove body. Lift body straight up to re-
move. Make sure the rear wear plate remains on the
drive and idler gear shafts. Remove and discard O--
rings from the body. Locate and retrieve dowel pins.
Figure 72
MARKER LINE
IMPORTANT: Note position of the open and closed
side of the wear plates before removing. Also, iden-
tify wear plates (front and rear) with a marker for
proper assembly.
7. Carefully remove rear wear plate, idler gear, drive
gear and front wear plate from the front flange.

Groundsmaster 4100--D Hydraulic SystemPage 4 -- 105
8. Removeanddiscardback--upgasketsandpressure
seals from wear plates.
9. Turn front flange over, with seal side up.
IMPORTANT: Make sure not to damage the front
flange counter bore when removing the seals from
the front flange.
10.Carefully remove dust seal, retaining ring, flange
washer and shaft seal from the front flange (Fig. 74).
Discard seals.
Inspection
1. Remove any nicks and burrs from all parts with
emery cloth.
CAUTION
Use eye protection such as goggles when using
compressed air.
2. Clean all parts with solvent. Dry all parts with com-
pressed air.
3. Inspect drive gears and idler gears for the following
(Fig. 73):
A. Gearshafts shouldbe freeofroughsurfaces and
excessivewearatbushingpointsandsealingareas.
Scoring, rough surfaces or wear on gear shafts indi-
cates need for replacement.
B. Gear teeth should be free of excessive scoring
and wear. Any broken or nicked gear teeth must be
replaced.
C. Inspect gear face edge for sharpness. Sharp
edges of gears will mill into wear plates and, thus,
must be replaced.
4. Inspect wear plates for the following:
A. Bearingareasshouldnothaveexcessivewearor
scoring.
B. Faceof wearplatesthatareincontactwith gears
should be free of wear, roughness or scoring.
C. Thickness of wear plates should be equal.
5. Inspect front flange and rear cover for damage or
wear.
1. Gear shaft spline
2. Gear shaft 3. Gear teeth
4. Gear face edge
Figure 73
3
4
1
2
1. Dust seal
2. Retaining ring 3. Flange washer
4. Shaft seal
Figure 74
1234
Assembly (Fig. 71)
NOTE: When assembling the motor, check the marker
line on each part to make sure the parts are properly
aligned during assembly.
1. LubricateO--rings,pressureseals,back--upgaskets
andwearplategrooves witha thincoatofpetroleum jel-
ly. Lubricate all other internal parts freely with clean hy-
draulic oil.
2. Install new seals into front flange (Fig. 74):
A. Press shaft seal into front flange until it reaches
the bottom of the bore.
B. Install flange washer into front flange and then
install retaining ring into the groove of the front
flange.
C. Install new dust seal into front flange.
3. Place front flange, seal side down, on a flat surface.
Hydraulic
System
Groundsmaster 4100--DHydraulic System Page 4 -- 106
4. Install the pressure seals, flat side outward, into the
grooves in the wear plates. Follow by carefully placing
the backup gaskets, flat side outward, between the
pressure seals and the grooves in the wear plate.
5. Applyalightcoatingofpetroleumjellytotheexposed
side of the front flange.
6. Lubricatethedrivegearshaftwithcleanhydraulicoil.
Insert the drive end of the drive shaft through the wear
platewiththepressuresealsidedownandtheopenside
of the pressure seal pointing to the inlet side of the mo-
tor. Carefully install shaft into front flange.
7. Lubricatetheidlergearshaftwithcleanhydraulicoil.
Install idler gear shaft into the remaining position in the
front wear plate. Apply a light coating of clean hydraulic
oil to gear faces.
8. Installrearwearplatewithpressuresealsideupand
open side of the pressure seal pointing to the inlet side
of the motor.
9. Apply a light coating of petroleum jelly to new O--
rings and O--ring grooves in the body. Install new O--
rings to the body.
10.Install locating dowels in body. Align marker line on
the body and front flange.
IMPORTANT: Do not dislodge seals during installa-
tion.
11.Gently slide the body onto the assembly. Firm hand
pressure should be sufficient to engage the dowels.
12.Installthefour(4)capscrewswithwashersandhand
tighten.
IMPORTANT: Prevent damage when clamping the
fanmotorinto avise;clamp onthefront flangeonly.
Also, use a vise with soft jaws.
13.Place front flange of the motor into a vise with soft
jaws and alternately torque the cap screws 33 ft--lb (45
N--m).
14.Remove motor from vise.
15.Placeasmallamountofcleanhydraulicoilintheinlet
ofthemotorandrotatethedriveshaftawayfromtheinlet
one revolution. If any binding is noted, disassemble the
motor and check for assembly problems.

Groundsmaster 4100--D Hydraulic SystemPage 4 -- 107
This page is intentionally blank.
Hydraulic
System

Groundsmaster 4100--DHydraulic System Page 4 -- 108
Fan Drive Manifold
1. Fan drive manifold
2. O--ring
3. Test fitting
4. Dust cap (2 used)
5. O--ring
6. 45ohydraulic fitting (2 used)
7. O--ring
8. Hydraulic hose
9. Hydraulic hose
10. Hydraulic fitting
11. Hydraulic hose
12. Hydraulic hose
13. 90ohydraulic fitting
14. 90ohydraulic fitting (2 used)
15. Cap screw (2 used)
16. Lock washer (2 used)
17. Hydraulic hose
18. O--ring
19. 90ohydraulic fitting
20. Hydraulic hose
21. Hydraulic hose
22. Hydraulic tee fitting
23. Hydraulic test fitting
24. Oil filter assembly
25. Cap screw (2 used)
26. Flat washer (2 used)
27. Manifold mount
Figure 75
7
9
1234
8
6
5
10
5
5
5
5
7
7
7
7
7
710
11
12
15
16
13
14
17
18
19
20
14
21
22
23
24
25
26
427
FRONT
RIGHT
NOTE: The ports on the manifold are marked for easy
identification of components. Example: P1 and P2 are
gearpumpconnectionportsandS1isthesolenoidvalve
port (See Hydraulic Schematic in Chapter 9 -- Foldout
Drawings to identify the function of the hydraulic lines
and cartridge valves at each port).

Groundsmaster 4100--D Hydraulic SystemPage 4 -- 109
Removal (Fig. 75)
1. Read the General Precautions for Removing and
Installing Hydraulic System Components at the begin-
ning of the Service and Repairs section of this chapter.
2. Topreventcontaminationofhydraulicsystemduring
manifold removal, thoroughly clean exterior of manifold
and fittings.
3. Disconnect wire harness connectors from the sole-
noid valve coils.
4. Disconnect hydraulic lines from manifold and put
caps or plugs on open hydraulic linesand fittings. Label
disconnected hydraulic lines for proper reassembly.
5. Remove hydraulic manifold from the frame using
Figure 75 as guide.
6. If hydraulic fittings are to be removed from manifold,
mark fitting orientation to allow correct assembly. Re-
move fittings from manifold and discard O--rings.
Installation (Fig. 75)
1. If fittings were removed from manifold, lubricate and
place new O--rings onto fittings. Install fittings into man-
ifold openings using marks made during the removal
process to properly orientate fittings. Tighten fittings
(see Hydraulic Fitting Installation in the General Infor-
mation section of this chapter).
2. Install hydraulic manifold to the frame using Figure
75 as guide.
3. Removecapsandplugs fromfittings andhoses.Us-
inglabelsplacedduringmanifoldremoval,properlycon-
nect hydraulic lines to manifold.
4. Connect wire harness connectors to the solenoid
valve coils.
Hydraulic
System

Groundsmaster 4100--DHydraulic System Page 4 -- 110
Fan Drive Manifold Service
1. Fan drive manifold
2. #4 zero leak plug (3 used)
3. Check valve
4. #6 zero leak plug (2 used)
5. Flow divider valve
6. Nut
7. Solenoid coil (2 used)
8. Proportional relief valve
9. Solenoid valve
10. Nut
Figure 76
FRONT
UP
B
1
2
3
4
52
2
4
7
9
8
610
7
20 ft--lb
(27 N--m)
20 ft--lb
(27 N--m)
20 ft--lb
(27 N--m)
50 ft--lb
(67 N--m)
25 ft--lb
(34 N--m)
25 ft--lb
(34 N--m)
25 ft--lb
(34 N--m)
25 ft--lb
(34 N--m) 25 ft--lb
(34 N--m)
5 ft--lb
(6.7 N--m) 5 ft--lb
(6.7 N--m)
FRONT
UP
NOTE: The ports on the manifold are marked for easy
identification of components. Example: P1 and P2 are
gearpumpconnectionportsandS1isthesolenoidvalve
port (See Hydraulic Schematic in Chapter 9 -- Foldout
Drawings to identify the function of the hydraulic lines
and cartridge valves at each port).

Groundsmaster 4100--D Hydraulic SystemPage 4 -- 111
Fan Drive Manifold Service (Fig. 76)
For cartridge valve service procedures, see 4WD Man-
ifold Service in this section. Refer to Figure 76 for fan
drive manifold cartridge valve and plug installation
torque.
Hydraulic
System

Groundsmaster 4100--DHydraulic System Page 4 -- 112
Mow Circuit
1. Gear pump
2. RH wing deck motor
3. LH wing deck motor
4. RH Wing Deck manifold
5. Front cutting deck motor
6. LH Wing Deck manifold
7. Front Deck manifold
8. Filter manifold
9. Oil cooler
Figure 77
FRONT
RIGHT
2
1
5
4
3
7
6
8
9
Figure77illustratesthecomponentsthatareusedinthe
Groundsmaster 4100--D mow circuits. Procedures for
removal, installation and disassembly/assembly of
these components are provided on the following pages
of this section.

Groundsmaster 4100--D Hydraulic SystemPage 4 -- 113
Cutting Deck Motor
Removal
1. Parkmachineonalevel surface, lower cutting deck,
stop engine, engage parking brake and remove key
from the ignition switch.
2. Read the General Precautions for Removing and
Installing Hydraulic System Components at the begin-
ning of this section.
3. Topreventcontaminationofhydraulicsystemduring
motor removal, thoroughly clean exterior of motor and
fittings.
4. Disconnect hydraulic lines from deck motor. Put
caps or plugs on fittings and hoses to prevent contami-
nation. Label hydraulic lines for proper installation.
5. Remove two (2) flange head screws that secure hy-
draulic motor to motor mount (Fig. 78).
6. Carefully remove hydraulic motor from cutting deck
takingcarenottodamagespiderhubattachedtomotor.
Locate and remove spider and mounting shim(s) (if
present) from the deck.
7. If required, remove spider hub from motor shaft.
Straighten tab washer and remove nut, spider and
woodruff key.
Installation
1. If spider hub was removed from motor shaft, thor-
oughly clean tapered surfaces of hub and shaft. Install
spider hub to motor shaft with tab washer and nut.
Torque nut from 27 to 33 ft--lb (37 to 45 N--m). Bend
small tab of washer into keyway and large tab against
nut.
2. Checkforproper clearance betweenspiderhuband
spindlepulley. Installmotortocuttingdeck withoutplac-
ing the spider in the spindle pulley. The clearance be-
tween hub and pulley valleys should be from 0.830” to
0.930” (21.1 to 23.6 mm). If required, use mounting
shims between motor and motor mount to adjust clea-
rance.
3. Position spider in spindle pulley. Place mounting
shim(s) (if required) on deck. Carefully install hydraulic
motortothe cutting deck takingcarenottodamage spi-
der hub attached to motor.
4. Securemotortocuttingdeckwithtwo(2)flangehead
screws (Fig. 78).
IMPORTANT: For proper hydraulic hose routing,
make sure cutting deck is fully lowered before
installing hoses to deck motor.
5. Remove caps or plugs from fittings and hoses. Con-
nect hydraulic hoses to deck motor.
6. After assembly is completed, verify that hydraulic
hoses and fittings are not contacted by moving compo-
nents through full range of deck movement.
1. Cutting deck motor
2. Flange head screw
3. Inlet hose
4. Return hose
5. Case drain hose
Figure 78
1
2
4
3
5
1. Cutting deck motor
2. O--ring
3. Hydraulic adapter
4. O--ring
5. Flange head screw (2)
6. O--ring
7. 90ohydraulic fitting
8. O--ring
9. 90ohydraulic fitting
10. Woodruff key
11. Shim (if required)
12. Spider hub
13. Tab washer
14. Nut
15. Spider
16. Cutting deck
Figure 79
(37to45N--m)
27 to 33 ft--lb
16
9
1
1011
4
2
6
8
7
12
13
15
14
524
3
Hydraulic
System

Groundsmaster 4100--DHydraulic System Page 4 -- 114
Cutting Deck Motor Service
1. Rear cover
2. Drive gear
3. Seal
4. Woodruff key
5. Nut
6. Tab washer
7. Spider hub
8. Pressure seal
9. Back--up ring
10. O--ring
11. Body
12. Idler gear
13. Cap screw (4 used)
14. Front flange
15. Dowel pin
Figure 80
8
7
43
1
2
5
6
9
10
11
10
9
12
(45to55N--m)
33 to 40 ft--lb
13
8
14 15
15
15
(37to45N--m)
27 to 33 ft--lb
Disassembly (Fig. 80)
1. Plug motor ports and clean the outside of the motor
thoroughly. After cleaning, remove plugs and drain any
oil out of the motor.
2. Straightentabsontabwashertoallowremovalofnut
from motor shaft. Remove tab washer, spider hub and
woodruff key from motor.
3. Useamarkertomakeadiagonal mark across the
frontflange,bodyandrearcoverforassemblypurposes
(Fig. 81).
IMPORTANT: Prevent damage when clamping the
deck motor into a vise; clamp on the front flange
only. Also, use a vise with soft jaws.
4. Clamp front flange of motor in a vise equipped with
soft jaws with the shaft end down.
5. Loosen cap screws that secure the rear cover.
6. Take motor from the vise and remove cap screws.
7. Removefrontflangefromthebody,thenremoverear
cover. Locate and remove dowel pins from body.
Figure 81
DIAGONAL MARK

Groundsmaster 4100--D Hydraulic SystemPage 4 -- 115
IMPORTANT: Mark therelative positionsof thegear
teeth and the bearing blocks so they can be re-
assembled in the same position. Do not touch the
gearsurfacesasresidueonhandsmaybecorrosive
to gear finish.
8. Placethemotoronitssideandpushontherearbear-
ingblocktoremove the bearing block andgearset(Fig.
82).
9. Carefully remove and discard O--rings, pressure
seals and back--up rings (Fig. 83) from motor. Do not
cause any damage to the machined grooves during the
removal process.
IMPORTANT: Make sure not to damage the counter
bore when removing the shaft seal from the front
plate.
10.Positionfrontflangewithsealsideup.Removeshaft
seal.
Inspection
1. Remove any nicks and burrs from all motor compo-
nents with emery cloth.
CAUTION
Use eye protection such as goggles when using
compressed air.
2. Clean all motor components with solvent. Dry all
parts with compressed air.
3. Inspect drive gear, idler gear and bearing blocks
(Fig. 84) for the following:
A. Gearshafts shouldbe freeofroughsurfaces and
excessivewearatbushingpointsandsealingareas.
Scoring, rough surfaces or wear on gear shafts indi-
cates need for replacement.
B. Gear teeth should be free of excessive scoring
and wear. Any broken or nicked gear teeth must be
replaced.
C. Inspect gear face edge for sharpness. Sharp
edgesofgearswillmillintobearingblocksand,thus,
must be replaced.
D. Bearing areas of bearing blocks should not have
excessive wear or scoring.
E. Face of bearing blocks that are in contact with
gears should be free of wear, roughness or scoring.
4. Inspect front flange and rear cover for damage or
wear.
1. Motor body 2. Bearing block & gear set
Figure 82
1
2
Figure 83
1. Drive gear
2. Idler gear 3. Bearing block
Figure 84
1
3
2
3
Hydraulic
System
Groundsmaster 4100--DHydraulic System Page 4 -- 116
Assembly (Fig. 80)
NOTE: When assembling the motor, check the identifi-
cation marks made during disassembly to make sure
the parts are properly aligned during assembly.
1. LubricateO--rings,pressureseals,back--upgaskets
and seal grooves with a thin coat of petroleum jelly. Lu-
bricateallotherinternalpartsfreely withcleanhydraulic
oil.
2. Install new shaft seal into front flange.
3. Install lubricated pressure seals into the grooves in
the front flange andrear cover. Follow by carefully plac-
ing the back--up rings into the grooves.
4. Install new O--rings to the body.
5. Lubricate gear faces and bearing surfaces of drive
gear, idler gear and bearing blocks with clean hydraulic
oil.Carefullyassemblebearing blocksandgearsnoting
identification marks made during disassembly.
6. Position the motor body on its side. Carefully slide
bearing block and gear assembly into the body cavity
using identification marks made during disassembly.
7. Remove any excess lubrication from mating sur-
faces of body, rear cover and front flange. Make sure
that these surfaces are clean and dry.
8. Install dowel pins in body.
IMPORTANT: Do not dislodge O--rings, pressure
seals or back--up rings during final assembly.
9. Gently slide the rear cover onto the assembly using
marker or scribe mark for proper location. Firm hand
pressure should be sufficient to engage the dowelpins.
10.Positionthemotorwithrearcoverdownwards.Care-
fullyslidethefrontflangeontotheassemblyusingmark-
er line for proper location.
11.Install the four (4) cap screws and hand tighten.
IMPORTANT: Prevent damage when clamping the
deck motor into a vise; clamp on the front flange
only. Also, use a vise with soft jaws.
12.Place motor front flange in a vise and alternately
torque the screws from 33 to 40 ft--lb (45 to 55 N--m).
13.Put a small amount of hydraulic oil in port on motor
and rotate driveshaft one revolution. Protect the shaft if
using a pliers. If drive shaft binds, disassemble motor
and repeat assembly process.
14.Make sure that tapered surface of motor shaft and
spider hub are thoroughly clean.
15.Place woodruff key in motor shaft slot. Install spider
hubandtabwasheronshaft.Securespiderhub toshaft
withnut.Torque nut from 27 to 33 ft--lb (37 to 45 N--m).
16.Securenuttomotorshaftbybendingsmalltaboftab
washer into keyway and large tab against nut.
17.Remove motor from vise.

Groundsmaster 4100--D Hydraulic SystemPage 4 -- 117
This page is intentionally blank.
Hydraulic
System

Groundsmaster 4100--DHydraulic System Page 4 -- 118
Deck Manifolds
1. Center deck manifold
2. O--ring
3. Hydraulic adapter
4. O--ring
5. Straight hydraulic fitting
6. O--ring
7. 90ohydraulic fitting
8. O--ring
9. Hydraulic tee fitting
10. O--ring
11. O--ring
12. Dust cap
13. Quick fitting
14. Flange nut
15. LH wing deck manifold
16. 45ohydraulic fitting
17. Cap screw (2 used per manifold)
18. O--ring
19. Hydraulic tee fitting
20. RH wing deck manifold
21. Hose
22. 90ohydraulic fitting
23. Hydraulic fitting
24. Hydraulic adapter
25. 90ohydraulic fitting
Figure 85
21
12
13
16
17
14
15
18
22
20
19
8
7
6
5
4
3
2
1
11
10
25
FRONT
RIGHT
2
6
6
4
2
810
98
8
10
25
11
11
12
12
13
13
14
14
17
6
6
6
16
4
4
46
16
16
14
4
23
24
18

Groundsmaster 4100--D Hydraulic SystemPage 4 -- 119
Removal (Fig. 85)
NOTE: The ports on the manifold are marked for easy
identification of components. Example: SV1 is the deck
solenoid valve and P1 is a gear pump connection port.
(SeeHydraulic SchematicinChapter 9 -- FoldoutDraw-
ingstoidentifythefunctionofthehydrauliclinesandcar-
tridge valves at each port).
The control manifolds for the three (3) cutting deck sec-
tions are very similar.
IMPORTANT: Whenservicingthedeckcontrolman-
ifolds, DO NOT interchange parts from one control
manifold to another.
1. Read the General Precautions for Removing and
Installing Hydraulic System Components at the begin-
ning of this section.
2. Topreventcontaminationofhydraulicsystemduring
manifold removal, thoroughly clean exterior of manifold
and fittings.
3. Disconnect electrical connector from the solenoid
valve.
4. Disconnect hydraulic lines from manifold and put
caps or plugs on open hydraulic linesand fittings. Label
disconnected hydraulic lines for proper installation.
5. Remove hydraulic manifold from the frame using
Figure 85 as guide.
6. If hydraulic fittings are to be removed from manifold,
mark fitting orientation to allow correct assembly. Re-
move fittings from manifold and discard O--rings.
Installation (Fig. 85)
1. If fittings were removed from manifold, lubricate and
place new O--rings onto fittings. Install fittings into man-
ifold openings using marks made during the removal
process to properly orientate fittings. Tighten fittings
(see Hydraulic Fitting Installation in the General Infor-
mation section of this chapter).
2. Install hydraulic manifold to the frame using Figure
85 as guide.
3. Remove caps and plugs from fittings and hoses.
Properly connect hydraulic lines to manifold.
4. Connect electrical connector to the solenoid valve.
Hydraulic
System

Groundsmaster 4100--DHydraulic System Page 4 -- 120
Deck Manifold Service
1. Manifold body
2. NWD SAE #4 plug with O--ring
3. Orifice (0.063) (port OR)
4. #8 zero leak plug with O--ring
5. Relief valve (port RV2)
6. Solenoid valve (port S)
7. Solenoid coil
8. Nut
9. Relief valve (port RV1)
10. Spool logic cartridge (port LC2)
11. Spool logic cartridge (port LC1)
Figure 86
10
8
9
4
2
6
7
1
5
3
11
25 ft--lb
(34 N--m)
20 ft--lb
(27 N--m)
50 ft--lb
(67 N--m)
5 ft--lb
(6.7 N--m)
25 ft--lb
(34 N--m)
20 ft--lb
(27 N--m)
20 ft--lb
(27 N--m)
20 ft--lb
(27 N--m)
RH WING DECK PTO MANIFOLD SHOWN
NOTE: The ports on the manifold are marked for easy
identificationofcomponents.Example:Sisthedeckso-
lenoid valve and P1 is the gear pump connection port.
(SeeHydraulic SchematicinChapter 9 -- FoldoutDraw-
ingstoidentifythefunctionofthehydrauliclinesandcar-
tridge valves at each port location).
The control manifolds for the three (3) cutting deck sec-
tions are very similar. The front deck control manifold
does not include an orifice (item 3).
IMPORTANT: Whenservicingthedeckcontrolman-
ifolds, DO NOT interchange parts from one control
manifold to another.

Groundsmaster 4100--D Hydraulic SystemPage 4 -- 121
PTO Manifold Service (Fig. 86)
For solenoid and control valve service procedures, see
4WDManifoldServiceinthissection.RefertoFigure86
for PTO manifold cartridge valve and plug installation
torque.
Hydraulic
System

Groundsmaster 4100--DHydraulic System Page 4 -- 122
Lift/Lower Circuit
1. Counterbalance manifold
2. RH wing deck lift cylinder
3. LH wing deck lift cylinder
4. Fan drive manifold
5. Lift control valve
6. Front deck flow control valve
7. Front lift cylinder
8. Oil filter
Figure 87
FRONT
RIGHT
2
1
5
4
3
7
68
7
Figure87illustratesthecomponentsthatareusedinthe
Groundsmaster 4100--D cutting deck lift and lower cir-
cuits. Procedures for removal, installation and disas-
sembly/assemblyofthesecomponentsare providedon
the following pages of this section.

Groundsmaster 4100--D Hydraulic SystemPage 4 -- 123
This page is intentionally blank.
Hydraulic
System

Groundsmaster 4100--DHydraulic System Page 4 -- 124
Lift/Lower Control Valve
1. Control valve assembly
2. Valve bracket
3. Isolator (6 used)
4. Cap screw
5. Lock nut (2 used)
6. Pivot bracket
7. LH lever assembly
8. Lever link (3 used)
9. Center lever assembly
10. Cotter pin (6 used)
11. RH lever assembly
12. Spacer
13. Flange head screw (2 used)
14. Knob (3 used)
15. Lock nut (4 used)
16. 90ohydraulic fitting (2 used)
17. O--ring
18. O--ring
19. Cap screw (2 used)
20. Hydraulic fitting (3 used)
21. Hydraulic fitting
22. O--ring
23. Flat washer (3 used)
24. Cap screw (3 used)
25. Control panel
26. Spring bracket
27. Extension spring
28. Lock nut (2 used)
29. R--clamp
Figure 88
10
7
8
9
11
14
2
23
24
543
16
19 21
20
1
18
17
18 17
17
22
12
6
13 25
15
28
FRONT
RIGHT
27
26 28
29

Groundsmaster 4100--D Hydraulic SystemPage 4 -- 125
Removal (Fig. 88)
1. Parkmachineonalevel surface, lower cutting deck,
stop engine, engage parking brake and remove key
from the ignition switch.
2. Read the General Precautions for Removing and
Installing Hydraulic System Components at the begin-
ning of this section.
3. Topreventcontaminationofhydraulicsystemduring
control valve removal, thoroughly clean exterior of con-
trol valve and fittings.
4. Remove lift/lower control valve using Figure 88 as a
guide.
5. If hydraulic fittings are to be removed from control
valve, mark fitting orientation toallow correct assembly.
Remove fittings from valve and discard O--rings.
Installation (Fig. 88)
1. If fittings were removed from control valve, lubricate
and place new O--rings onto fittings. Install fittings into
port openings using marks made during the removal
process to properly orientate fittings. Tighten fittings
(see Hydraulic Fitting Installation in the General Infor-
mation section of this chapter).
2. Install lift/lower control valve using Figure 88 as a
guide.
A. Ifvalvebracket(item2)wasremoved,tightencap
screw(item24)onlyuntilthewasher(item23)begins
to seat against the isolator (item 3). The isolator
should not be deformed.
3. After installation, check operation of cutting deck
raise and lower switches (see Cutting Deck Raise and
Lower Switches in the Adjustment section of Chapter 5
-- Electrical System).
4. Makesurehydraulictankisfull.Addcorrectoilifnec-
essary before returning machine to service.
Hydraulic
System

Groundsmaster 4100--DHydraulic System Page 4 -- 126
Lift/Lower Control Valve Service
1. Poppet
2. Spacer
3. Wiper seal
4. Seat
5. O--ring
6. Plug (3 used)
7. O--ring
8. Bushing
9. Spool cap (3 used)
10. Relief valve poppet
11. O--ring
12. Retaining ring
13. Washer
14. Washer
15. Washer
16. Washer
17. Plug
18. O--ring
19. Spool spring
20. Backup washer
21. Detent spring
22. Detent plunger
23. Detent plug (3 used)
24. O--ring
25. O--ring
26. Backup washer
27. Disc
28. Plunger (2 used)
29. Plug assembly (3 used)
30. Lockout spring
31. Relief valve spring
32. Relief plug assembly
33. Plunger
34. O--ring
35. Spool
36. Control valve body
Figure 89
33
29
30
1
4
5
28
23 27 21 22 24 17 18
7
20
32
34
13
14
15
31
10
3
8
16
19
2
12
9
6
11
11
26
25
35
20 to 25 ft--lb
(27to33N--m)
36

Groundsmaster 4100--D Hydraulic SystemPage 4 -- 127
Disassembly (Fig. 89)
1. Plug all ports and clean outside of valve thoroughly.
2. Remove spool caps (item 9). Do not remove retain-
ingrings(item12)fromspoolsunlessspoolspring(item
19) is broken.
NOTE: Spools and spool bores are matched sets. Be
sure each spool is identified with the correct valve body
spool bore.
3. Remove spools (item 35) from valve body (item 36).
4. Remove bushings (item 8) and O--rings (item 11)
from spools.
5. Remove plugs (item 6).
IMPORTANT: Check location and positioning of
plungerswhen removingfrom bodyto assureprop-
er assembly.
6. Remove plugs (item 29), lockout springs (item 30),
poppets (item 1), seats (item 4) and plungers (items 28
and 33).
7. Remove plug (item 17).
8. Removedetentplug(item23),disc(item27),detent
spring (item 21) and detent plunger (item 22).
9. Remove relief plug assembly (item 32), washers
(items 13, 14 and 15), relief valve spring (item 31) and
relief valve poppet (item 10).
10.RemoveallO--ringsandback--upringsfromallplugs
and seats.
11.Discard all removed O--rings, back--up washers,
wiper seals and nylon poppets.
Inspection
1. Remove all nicks and burns from parts and inspect
for excessive wear.
2. Inspect all plungers and poppet seats for burrs or
roughness.
3. Inspect spool springs (item 19), relief valve spring
(item 31), lockout springs (item 30) and detent spring
(item 21) for breakage.
4. If spools (item 35) have excessive wear, the control
valve becomes non--serviceable as the spools and
spool bores are matched. Damaged spools cannot be
replaced individually.
5. Inspect relief valve poppet (item 10) for breakage or
wear.
Assembly (Fig. 89)
1. Thoroughlycleananddryallparts.Applyalightcoat-
ingof cleanhydraulic oiltoallcontrolvalve partspriorto
assembly.
NOTE: All O--rings, back--up washers, wiper seals and
nylon poppets should be replaced as new items.
2. Install new O--rings (item 11) in proper grooves in
spool bores.
3. Install relief valve components (items 13, 14, 15, 31
and 10) with new O--ring (item 34) on plug assembly
(item 32).
4. Install plugs (item 6) with new back--up washers
(item 20) and new O--rings (item 7).
5. Install plungers (items 33 and 28).
IMPORTANT: Check location and positioning of
plungers during installation.
6. Install new O--rings (item 5) on seats (item 4). Install
new back--up washers (item 26) and O--rings (item 25)
on plugs (item 29).
7. Installseats(item4),newpoppets(item1)andplugs
(item 29).
8. Install plug (item 17) with new O--ring (item 18).
9. Installdetentplunger(item22),spring(item21),disc
(item 27) and plug (item 23) with new O--ring (item 24).
10.If retaining ring (item 12) has been removed to re-
place spool spring (item 19), install washer (item 16),
spring (item 19) and spacer (item 2) on spool. Secure
with retaining ring (item 12).
11.Slide bushings (item 8) over spools. Slide new O--
rings (item 11) over spools and position next to bush-
ings. Dip spools in clean hydraulic oil and install spool
assemblies into proper location of valve body.
12.Install spool caps (item 9) and tighten from 20 to 25
ft--lb (27 to 33 N--m).
13.Install new wiper seals (item 3).
Hydraulic
System

Groundsmaster 4100--DHydraulic System Page 4 -- 128
Front Deck Lift Cylinder
1. Lift cylinder (2 used)
2. Lift arm (LH shown)
3. Lock nut
4. Pin
5. Flange head screw
6. Grease fitting
7. O--ring
8. 90ohydraulic fitting
9. O--ring
10. Hydraulic fitting
11. Pivot pin
12. Cotter pin
13. Grease fitting
Figure 90
FRONT
RIGHT 8
542
7
13
9
9
10
12
1
3
6
11
7

Groundsmaster 4100--D Hydraulic SystemPage 4 -- 129
Removal (Fig. 90)
1. Parkmachineonalevel surface, lower cutting deck,
stop engine, engage parking brake and remove key
from the ignition switch.
2. Read the General Precautions for Removing and
Installing Hydraulic System Components at the begin-
ning of this section.
3. Topreventcontaminationofhydraulicsystemduring
lift cylinder removal, thoroughly clean exterior of cylin-
der and fittings.
NOTE: Toeaseinstallation,labelthehydraulichosesto
show their correct position on the lift cylinder.
4. Disconnect hydraulic hoses from lift cylinder.
5. Remove flange head screw and lock nut that secure
thepintotheliftarm.Removepinfromliftarmandcylin-
der shaft clevis which will free lift cylinder from lift arm.
6. Removeonecotter pin from upper lift pin. Pull upper
lift pin from frame and cylinder barrel clevis.
7. Remove lift cylinder from machine.
8. If hydraulic fittings are to be removed from lift cylind-
er,markfittingorientationtoallowcorrectassembly.Re-
move fittings from cylinder and discard O--rings.
Installation (Fig. 90)
1. If fittings were removed from lift cylinder, lubricate
and place new O--rings onto fittings. Install fittings into
port openings using marks made during the removal
process to properly orientate fittings. Tighten fittings
(see Hydraulic Fitting Installation in the General Infor-
mation section of this chapter).
2. Positioncylinderbarrelclevistoframeandinsertup-
perliftpinintoframeandclevis.Secureliftpinwithcotter
pin.
3. Insert pin through lift arm and cylinder shaft clevis.
Secure pin to lift arm with flange head screw and lock
nut.
4. Attach hydraulic hoses to lift cylinder.
5. Fill reservoir with hydraulic fluid as required.
6. After assembly is completed, operate lift cylinder to
verifythathydraulichosesandfittingsarenotcontacted
by anything.
Hydraulic
System

Groundsmaster 4100--DHydraulic System Page 4 -- 130
Wing Deck Lift Cylinder
1. Center deck
2. Grease fitting
3. Tapered stud
4. Spherical bearing
5. Flange nut
6. Retaining ring
7. Wing deck lift cylinder
8. Lock nut
9. Flat washer
10. Lock nut
11. Pilot spacer
12. Cap screw
13. Wing deck (RH shown)
Figure 91
FRONT
RIGHT
6
5
7
8
4
3
2
9
10
1
6
4
11
13
12
211
30 to 40 ft--lb
(41to54N--m)
160 to 180 ft--lb
(217 to 244 N--m)
160 to 180 ft--lb
(217 to 244 N--m)

Groundsmaster 4100--D Hydraulic SystemPage 4 -- 131
Removal (Fig. 91)
1. Parkmachineonalevel surface, lower cutting deck,
stop engine, engage parking brake and remove key
from the ignition switch.
2. Read the General Precautions for Removing and
Installing Hydraulic System Components at the begin-
ning of this section.
3. Remove deck covers as needed to allow access to
lift cylinder hoses and fasteners.
4. Topreventcontaminationofhydraulicsystemduring
lift cylinder removal, thoroughly clean exterior of cylin-
der and fittings.
NOTE: Toeaseinstallation,labelthehydraulichosesto
show their correct position on the lift cylinder.
5. Disconnect hydraulic hoses from lift cylinder.
6. Remove cap screw and lock nut that secure the lift
cylinder clevis to the wing deck.
7. Remove lock nut and flat washer from the tapered
stud on the barrel end of the lift cylinder.
8. Remove lift cylinder from deck assembly.
9. Remove spherical bearings from lift cylinder clevis
ends, if required.
A. On shaft clevis, remove retaining ring and then
press spherical bearing from clevis.
B. On barrel clevis, remove retaining ring and then
presstaperedstudwithsphericalbearingandflange
nut from clevis. Remove flange nut and then spheri-
cal bearing from stud.
Installation (Fig. 91)
1. Ifremoved,installsphericalbearingsintoliftcylinder
clevis ends.
A. On shaft clevis, press spherical bearing into cle-
vis and secure with retaining ring.
B. On barrel clevis, install spherical bearing on ta-
peredstudandsecurewithflangenut.Torqueflange
nut from 30 to 40 in--lb (41 to 54 N--m). Install stud
withspherical bearingintoclevis and securewithre-
taining ring.
2. Thoroughly clean tapered surfaces of lift cylinder
stud and mounting boss on deck.
3. Position lift cylinder to cutting deck. Insert tapered
stud into deck mounting boss. Secure stud with flat
washer and lock nut. Torque flange nut from 160 to 180
ft--lb (217 to 244 N--m).
4. Insert cap screw from the front of the deck through
the deck brackets and cylinder shaft clevis. Secure cap
screw with lock nut. Torque lock nut from 160 to 180 ft--
lb (217 to 244 N--m).
5. Attach hydraulic hoses to lift cylinder.
6. Install any removed deck covers.
7. Fill reservoir with hydraulic fluid as required.
8. After assembly is completed, operate lift cylinder to
verifythathydraulichosesandfittingsarenotcontacted
by anything.
Hydraulic
System

Groundsmaster 4100--DHydraulic System Page 4 -- 132
Deck Lift Cylinder Service
1. Barrel with clevis
2. Retaining ring
3. Shaft with clevis
4. Dust seal
5. Rod seal
6. O--ring
7. Back--up ring
8. Head
9. O--ring
10. Wear ring
11. Piston
12. Locking nut
13. Seal with loader
Figure 92
11
6
5
7
8
4
3
2
9
12
1
10
13
100 to 120 ft--lb
(136 to 162 N--m)
FRONTDECKLIFTCYLINDER
1. Barrel with clevis
2. Retaining ring
3. Shaft with clevis
4. Dust seal
5. Rod seal
6. O--ring
7. Back--up ring
8. Head
9. O--ring
10. Seal with O--ring
11. Piston
12. Lock nut
Figure 93
12 11
9
10
7
6
5
8
43
1
2
60 to 75 ft--lb
(82 to 101 N--m) WING DECK LIFT CYLINDER

Groundsmaster 4100--D Hydraulic SystemPage 4 -- 133
Disassembly (Figs. 92 and 93)
1. Removeoilfromliftcylinderintoadrainpanbyslowly
pumping the cylinder shaft. Plug both ports and clean
the outside of the cylinder.
IMPORTANT: Prevent damage when clamping the
cylinder in a vise; clamp on the clevis only. Do not
close vise enough to distort the barrel.
2. Mount lift cylinder securely in a vise by clamping on
the clevis end of the barrel. Use of a vise with soft jaws
is recommended.
3. Loosen head from barrel:
A. Use a spanner wrench to rotate head clockwise
untiltheedgeoftheretainingringappearsinthebar-
rel opening.
B. Insert a screwdriver under the beveled edge of
the retaining ring to start the retaining ring through
the opening.
C. Rotatetheheadcounter--clockwisetoremovere-
taining ring from barrel and head.
4. Extract shaft with head and piston by carefully twist-
ing and pulling on the shaft.
IMPORTANT: Do not clamp vise jaws against the
shaft surface. Protect shaft surface before mount-
ing in a vise.
5. Mountshaftsecurelyinavisebyclampingonthecle-
vis of the shaft. Remove lock nut and piston from the
shaft. Slide head off the shaft.
6. Remove and discard all seals and O--rings from the
piston and the head.
7. Wash parts in clean solvent. Dry parts with com-
pressed air. Do not wipe parts dry with paper towels or
cloth. Lint in a hydraulic system will cause damage.
8. Carefully inspect internal surface of barrel for dam-
age (deep scratches, out--of--round, etc.). Replace en-
tirecylinder ifbarrelisdamaged.Inspect piston rod and
pistonforevidenceofexcessivescoring,pittingorwear.
Replace any damaged parts.
Assembly (Figs. 92 and 93)
1. Make sure all cylinder components are clean before
assembly.
2. Coat new seal kit components with clean hydraulic
oil.
A. Install new seals and O--rings to the piston.
B. Installnewseals,O--ringandback--upringtothe
head.
IMPORTANT: Do not clamp vise jaws against the
shaft surface. Protect shaft surface before mount-
ing in a vise.
3. Mountshaftsecurelyinavisebyclampingonthecle-
vis of the shaft.
A. Coat shaft with clean hydraulic oil.
B. Carefully slide head and piston onto the shaft.
Secure piston to shaft with lock nut.
C. TorquelocknuttospecificationinFigure92(front
deck cylinder) or Figure 93 (wing cylinder).
4. Lubricateheadandpistonwithhydraulicoil.Careful-
ly slide shaft assembly into cylinder barrel.
IMPORTANT: Prevent damage when clamping the
cylinder’s barrel into a vise; clamp on the clevis
only. Do not close vise enough to distort the barrel.
5. Mount lift cylinder in a vise with soft jaws. Secure
head in barrel:
A. Align retaining ring hole in the head with the ac-
cess slot in the barrel.
B. Inserttheretainingringhookintothehole andro-
tate head clockwise until the retaining ring is com-
pletely pulled into the barrel and the ring ends are
covered.
C. Apply silicone sealer to barrel access slot.
Hydraulic
System

Groundsmaster 4100--DHydraulic System Page 4 -- 134
Counterbalance Manifold
1. Counterbalance hydraulic manifold
2. Valve plate
3. Flat washer (2 used)
4. Cap screw (2 used)
5. Isolator (4 used)
6. Flat washer (2 used)
7. Lock nut (2 used)
8. Hydraulic fitting (2 used)
9. O--ring
10. O--ring
11. 90ohydraulic fitting (4 used)
12. Cap screw (2 used)
13. 90ohydraulic fitting
14. O--ring
15. Test nipple
16. Dust cap
Figure 94
2
11 84
3
1
13
14
10
10 10
9
9
16
15
12
765
5
FRONT
RIGHT
NOTE: The ports on the manifold are marked for easy
identification of components. Example: C1 is the con-
nectionportfromtheLHdeckliftcylinderandCHGisthe
charge circuit connection (See Hydraulic Schematic in
Chapter 9 -- Foldout Drawings to identify the function of
the hydraulic lines and cartridge valves at each port).

Groundsmaster 4100--D Hydraulic SystemPage 4 -- 135
Removal (Fig. 94)
1. Read the General Precautions for Removing and
Installing Hydraulic System Components at the begin-
ning of the Service and Repairs section of this chapter.
2. Topreventcontaminationofhydraulicsystemduring
manifold removal, thoroughly clean exterior of manifold
and fittings.
3. Disconnect hydraulic lines from manifold and put
caps or plugs on open hydraulic linesand fittings. Label
disconnected hydraulic lines for proper reassembly.
4. Remove hydraulic manifold from the frame using
Figure 94 as guide.
5. If hydraulic fittings are to be removed from manifold,
mark fitting orientation to allow correct assembly. Re-
move fittings from manifold and discard O--rings.
Installation (Fig. 94)
1. If fittings were removed from manifold, lubricate and
place new O--rings onto fittings. Install fittings into man-
ifold openings using marks made during the removal
process to properly orientate fittings. Tighten fittings
(see Hydraulic Fitting Installation in the General Infor-
mation section of this chapter).
2. Install hydraulic manifold to the frame using Figure
94 as guide.
A. If valve plate (item 2) was removed, tighten lock
nut (item 7) until washer begins to seat in isolator
(item5).Donotcauseisolatortobedeformedduring
valve plate installation.
3. Removecapsandplugs fromfittings andhoses.Us-
inglabelsplacedduringmanifoldremoval,properlycon-
nect hydraulic lines to manifold.
Hydraulic
System

Groundsmaster 4100--DHydraulic System Page 4 -- 136
Counterbalance Manifold Service
1. Manifold body
2. Pilot valve 3. Seal kit
4. Relief valve (counterbalance) 5. Seal kit
Figure 95
2
1
2
3
5
4
3
35 to 40 ft--lb
(47to54N--m)
35 to 40 ft--lb
(47to54N--m)
35 to 40 ft--lb
(47to54N--m)
FRONT
UP
NOTE: The ports on the manifold are marked for easy
identification of components. Example: C1 is the con-
nectionportfromtheLHdeckliftcylinderandCHGisthe
charge circuit connection (See Hydraulic Schematic in
Chapter 9 -- Foldout Drawings to identify the function of
the hydraulic lines and cartridge valves at each port).
Counterbalance Manifold Service (Fig. 95)
For cartridge valve service procedures, see 4WD Man-
ifold Service in this section. Refer to Figure 95for coun-
terbalance manifold cartridge valve installation torque.

Groundsmaster 4100--D Page 5 -- 1 Electrical System
Chapter 5
Electrical System
Table of Contents
GENERAL INFORMATION 2.....................
Operator’s Manual 2..........................
Electrical Drawings 2..........................
SPECIAL TOOLS 3.............................
TROUBLESHOOTING 5.........................
Starting Problems 5...........................
General Run & Transport Problems 6............
Cutting Deck Operating Problems 7.............
ELECTRICAL SYSTEM QUICK CHECKS 8........
Battery Test (Open Circuit Test) 8...............
Charging System Test 8.......................
Check Operation of Interlock Switches 8.........
ADJUSTMENTS 9..............................
Wing Deck Position Switches 9.................
Cutting Deck Raise and Lower Switches 10......
COMPONENT TESTING 11......................
Ignition Switch 11.............................
Fuses 12....................................
Warning Lights 13.............................
PTO Switch 14...............................
Alarm Silence and Temperature Override
Switches 14................................
Transport/4WD Switch 15......................
Cooling Fan Switch 16.........................
Seat Switch 17...............................
Parking Brake Switch 18.......................
Hour Meter 19................................
Audio Alarm 19...............................
Glow and Power Relays 20.....................
Start, Engine Shutdown, Seat, Alarm, PTO, PTO
Overtemp, Down Latching and Over
Temperature Relays 21......................
Hydraulic Valve Solenoids 22...................
TEC--5002 Controller 23.......................
Fuel Sender 24...............................
Fuel Gauge 25...............................
Fuel Pump 26................................
Glow Controller 27............................
Temperature Sender 28........................
Dual Temperature Switch 29....................
Temperature Gauge 30........................
Traction Neutral Switch 31.....................
Diode Assemblies 31..........................
Diode Circuit Board 32.........................
Fusible Links 33..............................
Wing Deck Position Switches 34................
Cutting Deck Raise and Lower Switches 35......
Engine Coolant and Hydraulic Oil Temperature
Senders 36.................................
SERVICE AND REPAIRS 37.....................
Battery Storage 37............................
Battery Care 37...............................
Battery Service 38
............................
Electrical
System

Groundsmaster 4100--DPage 5 -- 2Electrical System
General Information
Operator’s Manual
The Operator’s Manual provides information regarding
the operation, general maintenance and maintenance
intervalsforyourGroundsmastermachine.Refertothat
publicationforadditionalinformationwhenservicingthe
machine.
Electrical Drawings
The electrical schematic, circuit diagrams and wire har-
ness drawings for the Groundsmaster 4100--D are lo-
cated in Chapter 9 -- Foldout Drawings.

Groundsmaster 4100--D Page 5 -- 3 Electrical System
Special Tools
Order special tools from your Toro Distributor. Some
tools may also be available from a local supplier.
Multimeter
The meter can test electrical components and circuits
for current, resistance or voltage.
NOTE: Toro recommends the use of a DIGITAL Volt--
Ohm--Amp multimeter when testing electrical circuits.
Thehighimpedance(internalresistance)ofadigitalme-
ter in the voltage mode will make sure that excess cur-
rent is not allowed through the meter. This excess
current can cause damage to circuits not designed to
carry it.
Figure 1
Skin--Over Grease
Specialnon--conductivegreasewhich formsa lightpro-
tective skin to help waterproof electrical switches and
contacts.
Toro Part Number: 505--165
Figure 2
Deck Proximity Switch Adjustment Tool
TheDeckProximitySwitchAdjustmentToolisdesigned
to assist in the adjustment of the cutting deck position
switches for cutting blade shutdown during deck lift.
Toro Part Number: TOR4095
Figure 3
Electrical
System

Groundsmaster 4100--DPage 5 -- 4Electrical System
Dielectric Gel
Dielectric gel should be used to prevent corrosion of
connectionterminals.Toensurecompletecoatingofter-
minals, liberally apply gel to both component and wire
harness connector, plug connector to component, un-
plug connector, reapply gel to both surfaces and recon-
nect harness connector to component. Connectors
should be thoroughly packed with gel for effective re-
sults.
Toro Part Number: 107--0342
Figure 4
Battery Terminal Protector
Aerosol spray that should be used on battery terminals
to reduce corrosion problems. Apply terminal protector
after the battery cable has been secured to the battery
terminal.
Toro Part Number: 107--0392
Figure 5
Battery Hydrometer
Use the Battery Hydrometer when measuring specific
gravity of battery electrolyte. Obtain this tool locally.
Figure 6

Groundsmaster 4100--D Page 5 -- 5 Electrical System
Troubleshooting
CAUTION
Remove all jewelry, especially rings and
watches, before doing any electrical trouble-
shooting or testing. Disconnect the battery
cables unless the test requires battery voltage.
Foreffectivetroubleshootingandrepairs,theremustbe
a good understanding ofthe electrical circuits and com-
ponentsusedonthis machine(see electricalschematic
and circuit diagrams in Chapter 9 -- Foldout Drawings).
If the machine has any interlock switches by--passed,
connect the switches for proper troubleshooting and
safety.
Starting Problems
Problem Possible Causes
All electrical power is dead, including gauges. The traction pedal is not in the neutral position.
The battery is discharged.
Fuse F2 (10 amp) to the ignition switch is faulty.
A bad ground connection exists on machine.
The ignition switch or circuit wiring is faulty.
The neutral switch or circuit wiring is faulty.
The fusible link from the battery is faulty.
Starter solenoid clicks, but starter will not crank.
NOTE: If the solenoid clicks, the problem is not in the
interlock circuit.
The battery is discharged.
The battery cables are loose or corroded.
A ground wire or cable is loose or corroded.
Wiring at the starter motor is faulty.
The starter solenoid is faulty.
The starter is faulty.
Nothing happens when start attempt is made. Control
panel lights and gauges operate with the ignition
switch in ON.
The traction pedal is not in neutral position.
The traction neutral switch or circuit wiring is faulty.
The ignition switch or circuit wiring is faulty.
The start relay or circuit wiring is faulty.
The starter solenoid is faulty.
The starter is faulty.
Engine starts, but stops when the ignition switch is
released from the START position. The engine run solenoid is out of adjustment or circuit
wiring is faulty.
The high temperature shutdown switch or circuit wiring
is faulty.
Electrical
System

Groundsmaster 4100--DPage 5 -- 6Electrical System
Problem Possible Causes
Engine cranks, but does not start. Engine is not cranking fast enough.
The engine run solenoid or circuit wiring is faulty.
The fuel pump is faulty.
An engine problem exists (see Chapter 3 -- Kubota
Engine).
Starter cranks, but should not when the traction pedal
is depressed. The traction neutral switch is out of adjustment.
The traction neutral switch or circuit wiring is faulty.
General Run and Transport Problems
Engine continues to run, but should not, when the
ignition switch is turned off. The engine run solenoid is stuck or is faulty.
The ignition switch or circuit wiring is faulty.
Engine continues to run, but should not, when the
traction pedal is engaged with no operator in the seat. The seat switch or circuit wiring is faulty.
The traction neutral switch or circuit wiring is faulty.
The engine stops during operation, but is able to
restart. The operator is lifting off the seat switch.
The seat switch or circuit wiring is faulty.
The engine shutdown delay is faulty.
The ignition switch or circuit wiring is faulty.
The engine kills when the traction pedal is depressed. The operator is lifting off the seat as the pedal is
depressed.
The seat switch or circuit wiring is faulty.
Battery does not charge. Loose, corroded or broken wire(s).
The fusible link to the battery is faulty.
The charge indicator lamp is faulty or burned out.
The charge indicator lamp wiring is loose, corroded or
damaged.
The battery is faulty.
The alternator is faulty.

Groundsmaster 4100--D Page 5 -- 7 Electrical System
Cutting Deck Operating Problems
The cutting deck remains engaged, but should not,
with no operator in the seat. The seat switch or circuit wiring is faulty.
Cutting deck runs, but should not, when raised. Deck
shuts off with PTO switch. The deck position switch or circuit wiring is faulty.
Cutting deck runs, but should not, when raised. Deck
does not shut off with the PTO switch. The deck position switch or circuit wiring and PTO
switch or circuit wiring are faulty.
A hydraulic problem exists (see Troubleshooting
section of Chapter 4 -- Hydraulic System).
Cutting deck runs, but should not, when lowered with
PTO switch in the OFF (disengage) position. The PTO switch or circuit wiring is faulty.
Cutting deck does not operate. The operator is lifting off the seat switch.
Traction circuit is in transport mode.
The seat switch, relay or circuit wiring is faulty.
The PTO switch, relay or circuit wiring is faulty.
The deck position switch or circuit wiring is faulty.
Center lift lever position switch is out of adjustment or
faulty.
The transport/4WD switch or circuit wiring is faulty.
Hydraulic valve solenoid(s) or circuit wiring is faulty.
A hydraulic problem exists (see Troubleshooting
section of Chapter 4 -- Hydraulic System).
Cutting deck shut off when PTO switch is released
from the engage position. Diode circuit board or circuit wiring is faulty.
PTO fuse blows when engaging cutting deck. Hydraulic valve solenoid coil is shorted.
Deck position switch is faulty.
Electrical
System

Groundsmaster 4100--DPage 5 -- 8Electrical System
Electrical System Quick Checks
Battery Test (Open Circuit Test)
Use a multimeter to measure the voltage between the
battery terminals.
Set multimeter to the DC volts setting. The battery
should be at a temperature of 60oF to 100oF(16
oCto
38oC).Theignitionkeyshouldbeoffandallaccessories
turned off. Connect the positive (+) meter lead to the
positive battery post and the negative (--) meter lead to
the negative battery post.
NOTE: Thistestprovidesarelativeconditionofthebat-
tery. Load testing of the battery will provide additional
and more accurate information.
Voltage Measured Battery Charge Level
12.68 V (or higher) Fully charged (100%)
12.45 V 75% charged
12.24 V 50% charged
12.06 V 25% charged
11.89 V 0% charged
Charging System Test
Thisis asimple testusedtodetermineifa chargingsys-
tem is functioning. It will tell you if the charging system
has an output, but not its capacity.
Use a digital multimeter set to DC volts. Connect the
positive (+) multimeter lead to the positive battery post
andthenegative(--)multimeterleadtothenegativebat-
tery post. Keep the test leads connected to the battery
posts and record the battery voltage.
NOTE: Upon starting the engine, the battery voltage
will drop and then should increase once the engine is
running.
NOTE: Depending upon the condition of the battery
chargeandbattery temperature, the battery voltage will
increase at different rates as the battery charges.
Start the engine and run at high idle (2870 RPM). Allow
the battery to charge for at least 3 minutes. Record the
battery voltage.
After running the engine for at least 3 minutes, battery
voltageshouldbeatleast0.50volthigherthaninitialbat-
tery voltage.
An example of a charging system that is functioning:
At least 0.50 volt over initial battery voltage.
Initial Battery Voltage = 12.30 v
Battery Voltage after 3 Minute Charge = 12.85 v
Difference = +0.55 v
Check Operation of Interlock Switches
CAUTION
Do not disconnect safety switches. They are for
theoperator’sprotection.Checktheoperationof
theinterlockswitchesdailyforproperoperation.
Replace any malfunctioning switches beforeop-
erating the machine.
InterlockswitchoperationisdescribedintheOperator’s
Manual. Testing of interlock switches and relays is in-
cluded in the Component Testing section of this Chap-
ter.

Groundsmaster 4100--D Page 5 -- 9 Electrical System
Adjustments
Wing Deck Position Switches
Adjustment
1. Parkmachineonalevel surface, lower cutting deck,
stop engine, engage parking brake and remove key
from the ignition switch.
2. Remove switch cover from deck to allow access to
position switch that requires adjustment.
NOTE: Use Deck Proximity Switch Adjustment Tool
(TOR4095) to assist with switch adjustment (see Spe-
cial Tools).
3. Loosen two (2) lock nuts that secure switch bracket
to center cutting deck (Fig. 7).
4. Whenadjustingswitchlocation,thetargetsurfaceof
position switch should be approximately 0.188” (4.8
mm) from actuator tab on wing deck link (Fig. 8).
5. Whenwingdeckpositionswitchisproperlyadjusted,
hydraulic motor on wing deck should turn off when wing
deck is raised and wing deck latch opens.
6. For switch testing information, see Wing Deck Posi-
tion Switches in the Component Testing section of this
chapter.
1. Position switch
2. Lock nut (2 used)
3. Flat washer (2 used)
4. Switch bracket
5. Carriage screw (2 used)
6. Center cutting deck
7. Screw (2 used)
Figure 7
2
1
3
4
5
67
1. Position switch
2. Actuator tab 3. Wing deck link
Figure 8
0.188”
(4.8 mm)
3
1
2
Electrical
System

Groundsmaster 4100--DPage 5 -- 10Electrical System
Cutting Deck Raise and Lower Switches
Adjustment (Fig. 9)
1. Parkmachineonalevel surface, lower cutting deck,
stop engine, engage parking brake and remove key
from the ignition switch. Remove console housing.
2. Thecuttingdeckraiseandlowerswitchescanbead-
justed for correct operation by repositioning the
switch(es).
A. The distance between switches should be from
0.595” to 0.655” (15.2 to 16.6 mm) (Fig. 10).
B. The lever bracket (item 4) should be parallel with
the center deck lift/lower lever. If lever bracket ad-
justment is needed, loosen flange bolts (item 6) and
reposition lever bracket.
C. Switch surfaces need to be parallel to each other
andalso tothe switchactuatoroncenterlift/lowerle-
ver(item9).Ifnecessary,switchplate(item3)canbe
rotated after loosening flange nut (item 5).
3. After any switch adjustment, unplug switch connec-
tor from machine harness and check for correct switch
operation using a multimeter:
A. The raise switch should be closed (continuity)
when the center deck lift/lower lever is in the neutral
position. As the lift/lower lever is slowly pulled back,
theraiseswitch shouldopen(nocontinuity) after the
lever has removed all free play (withno spool move-
mentinlift/lowercontrolvalve)butbeforethedeckis
lifted.
B. The lower switch should be open (no continuity)
when the center deck lift/lower lever is in the neutral
position. As the lift/lower lever is slowly pushed for-
ward, the lower switch should close (continuity) be-
fore the lever reaches full forward travel.
4. Ifswitchoperationistoosensitive,increasedistance
between switches by repositioning one or both
switches.Ifswitchoperationisnotsensitiveenough,de-
creasedistance betweenswitchesby repositioningone
or both switches. Recheck operation of switches after
repositioning.
5. If switches cannot be adjusted for correct operation,
exchange position of switches. Recheck operation of
switches.
NOTE: If correct switch operation cannot be achieved,
replaceoneorbothswitches.Recheckswitchoperation
after replacement.
1. Deck lower switch
2. Deck raise switch
3. Switch plate
4. Lever bracket
5. Flange nut
6. Flange bolt (2 used)
7. Tab plate
8. Deck lift/lower lever
9. Switch actuator
10. Lock nut (2 used)
Figure 9
9
2
4
3
1
8
7
6
5
10
1. Deck lower switch 2. Deck raise switch
Figure 10
21
0.595” to 0.655”
(15.2 to 16.6 mm)

Groundsmaster 4100--D Page 5 -- 11 Electrical System
Component Testing
For accurate resistance and/or continuity checks, elec-
tricallydisconnectthe component being testedfromthe
circuit (e.g. unplug the ignition switch connector before
doing a continuity check).
NOTE: For engine component testing information, see
the Kubota Workshop Manual, Diesel Engine,
V2403--M--T--E3B Series at the end of Chapter 3 -- Ku-
bota Diesel Engine.
CAUTION
When testing electrical components forcontinu-
ity with a multimeter (ohms setting), make sure
that power to the circuit has been disconnected.
Ignition Switch
The ignition (key) switch has three positions: OFF, ON/
PREHEAT and START (Fig. 11). The terminals are
marked as shown in Figure 12. The circuit wiring of the
ignition switch is shown in the chart. With the use of a
multimeter (ohms setting), the switch functions may be
tested to determine whether continuity exists between
the various terminals for each position. Verify continuity
between switch terminals.
POSITION CIRCUIT
OFF NONE
ON / PREHEAT B+I+A, X+Y
START B+I+S Figure 11
45°ON / PREHEAT
START
OFF
45°
Figure 12
A
B
SY
X
I
Electrical
System

Groundsmaster 4100--DPage 5 -- 12Electrical System
Fuses
Thefuseblocksarelocatedundertheoperator’scontrol
console.
Identification, Function and Wiring
Thefusesareheldinthree(3) fuse blocks. UseFigures
13 and 14 to identify each individual fuse andits correct
amperage.Eachfuseholderhasthefollowingfunctions
and wire connected to it.
FuseF1(5amp)(fuseblocklocationA1):Supplies
power to the seat switch and seat relay.
Fuse F2 (10 amp) (fuseblock location A2): Sup-
plies power to ignition switch terminal B.
Fuse F3 (10 amp) (fuseblock location A3): Sup-
plies power to the PTO switch.
Fuse F4 (10 amp) (fuseblock location A4): Sup-
plies power to the starter solenoid.
Fuse F5 (when optional lighting is installed) (15
amp) (fuseblock location B4): Supplies power for
optional light kit.
Fuse F8 (10 amp) (fuseblock location B1): Sup-
plies power to the power point outlet.
Fuse F9 (7.5 amp) (fuseblock location C4): Sup-
plies power for engine cooling fan operation
(TEC--5002 controller).
Fuse F10 (10 amp) (fuseblock location C3): Sup-
plies power for seat operation.
In addition to the fuses in the fuse blocks, a 2 amp fuse
isincludedinthewireharnesstoprotectthelogicpower
circuit for the TEC--5002 controller. This fuse resides in
a fuse holder near the battery.
Figure 13
A
B
1234
C
10A5A
10A
10A
10A OPT
15A
10A
7.5A
Figure 14

Groundsmaster 4100--D Page 5 -- 13 Electrical System
Warning Lights
Engine Oil Pressure Light
The oil pressure light should come on when the ignition
switch is in the ON position with the engine not running.
Also,itshould light with theenginerunningiftheengine
oil pressure drops below 7 PSI (0.5 kg/cm2).
1. Disconnect green wire from the oil pressure switch
on the engine (located near the starter motor).
2. Ground green wire to the engine block.
3. Turn ignition switch to ON; the oil pressure light
shouldcome onindicatingcorrect operationoftheelec-
trical wiring to the oil pressure switch.
4. Turnignition switchto OFF.Reconnectgreenwireto
the oil pressure switch. Apply skin--over grease (Toro
Part No. 505--165) to switch terminal.
High Temperature Warning Light
If the coolant temperature rises to approximately 220oF
(105oC), the high temperature warning light should illu-
minate as the dual temperature switch terminal closes.
NOTE: If the PTO is engaged when the dual tempera-
ture switch terminal closes, the PTO will disengage.
To test the high temperature warning light and its circuit
wiring, ground the blue wire attached to dual tempera-
ture switch on engine water flange. The high tempera-
ture warning light should illuminate.
Glow Plug Indicator Light
The glow plug indicator light should come on when the
ignitionswitchisplacedinONpriortoplacingtheignition
switch in START. The light should stay lit for approxi-
mately10secondswhile theignition switchisleftinON.
Charge Indicator Light
Thechargeindicatorlightshouldcomeonwhentheigni-
tion switch is in ON with the engine not running or with
an improperly operating charging circuit while the en-
gine is running.
Testing Warning Lights
1. Apply 12 VDC to terminals 1A and 2A.
2. Ground terminals 1B and 2B.
3. Both indicator lights should light.
1. Charge indicator
2. Engine oil pressure 3. High temp warning
4. Glow plug indicator
Figure 15
1
2
3
4
Figure 16
1. Charge indicator
2. Engine oil pressure
3. High temp shutdown
4. Glow plug indicator
5. Warning light back
1A (+)1B
2B 2A (+)
1
23
4
5
Electrical
System

Groundsmaster 4100--DPage 5 -- 14Electrical System
PTO Switch
ThePTOswitchisusedtoengageordisengagethecut-
tingdeck.ThePTOswitchisattachedtothecontrolcon-
sole next to the operator seat (Fig. 17).
TheswitchterminalsaremarkedasshowninFigure18.
The circuitry of the PTO switch is shown inthe chart be-
low. With the use of a multimeter (ohms setting), the
switch functions may be tested to determine whether
continuityexists betweenthevarious terminalsforeach
position. Verify continuity between switch terminals.
NOTE: The PTO ENGAGEposition requires lifting and
pushing the lever toward the switch keyway. The PTO
OFF position occurs when the lever is pushed opposite
the keyway.
SWITCH
POSITION NORMAL
CIRCUITS OTHER
CIRCUITS
PTO ENGAGE 1+2 4+5
CENTER (ON) 1+2 NONE
PTO OFF NONE NONE
1. PTO switch 2. Control console
Figure 17
1
2
Figure 18
12
45
BACK OF PTO SWITCH
Alarm Silence and Temperature Override Switches
The alarm silence and temperature override rocker
switches are located on the control console next to the
operator seat (Fig. 19). These switches are identical.
Testing
TheswitchterminalsareshowninFigure20.Thecircuit-
ry of the switches is shown in the chart below. With the
use of a multimeter (ohms setting), the switch functions
may be tested to determine whether continuity exists
between the various terminals for each position. Verify
continuity between switch terminals.
SWITCH
POSITION NORMAL
CIRCUITS OTHER
CIRCUITS
ON 2+3 5+6
OFF 1+2 4+5
NOTE: Terminals 7 (--) and 8 (+) on alarm silence and
temperature override switches are for the switch light.
1. Control console
2. Alarm silence switch 3. Temp. override switch
Figure 19
1
2
3
Figure 20
BACK OF ALARM SILENCE AND
132
45 6
8
7
TEMPERATURE OVERRIDE SWITCHES

Groundsmaster 4100--D Page 5 -- 15 Electrical System
Transport / 4WD Switch
The transport/4WD switch is used to set the machine
tractionspeedfor transport or mow. The transport/4WD
rocker switch is located on the control console next to
the operator seat (Fig. 21).
Testing
TheswitchterminalsareshowninFigure22.Thecircuit-
ry of the switches is shown in the chart below. With the
use of a multimeter (ohms setting), the switch functions
may be tested to determine whether continuity exists
between the various terminals for each position. Verify
continuity between switch terminals.
SWITCH
POSITION NORMAL
CIRCUITS OTHER
CIRCUITS
TRANSPORT 2+3 5+6
MOW 1+2 4+5
1. Control console 2. Transport/4WD switch
Figure 21
1
2
Figure 22
BACK OF TRANSPORT / 4WD SWITCH
132
456
Electrical
System

Groundsmaster 4100--DPage 5 -- 16Electrical System
Cooling Fan Switch
The cooling fan switch is used to control the operation
ofthehydraulic cooling fan and islocatedonthecontrol
console (Fig. 23). This switch has three (3) positions:
Reverse, Auto and Forward.
When the cooling fan switch is in the normal Auto posi-
tion, cooling fan operation is controlled by the
TEC--5002controller.Inthisswitchposition,ifeitheren-
gine coolant or hydraulic oil temperature is excessive,
thefanwillstopandthenreversedirectiontoallowauto-
matic debris cleaning of the radiator, oil cooler and rear
intake screen. The controller determines the length of
timethatthefanshouldberuninreversebeforefanrota-
tion is returned to the forward direction.
If the operator depresses the cooling fan switch to the
Reverse position, a fan reverse cycle that is controlled
bytheTEC--5002controllerisinitiated.Theswitchauto-
matically returns to the Auto position and fan operation
returnstothe forwarddirectionafterthereverse cycleis
completed.
If the cooling fan switch is placed in the Forward posi-
tion, the engine cooling fan will run only in the forward
direction.
Testing
TheswitchterminalsareshowninFigure24.Thecircuit-
ryoftheswitchisshowninthechartbelow.Withtheuse
ofamultimeter(ohmssetting),theswitchfunctionsmay
be tested to determine whether continuity exists be-
tween the various terminals for each position. Verify
continuity between switch terminals.
SWITCH
POSITION NORMAL
CIRCUITS OTHER
CIRCUITS
NORMAL 2+3 NONE
REVERSE 2+3 5+6
FORWARD NONE NONE
1. Control console 2. Cooling fan switch
Figure 23
1
2
Figure 24
BACK OF COOLING FAN SWITCH
132
456

Groundsmaster 4100--D Page 5 -- 17 Electrical System
Seat Switch
The seat switch is normally open and closes when the
operatorisontheseat.Theseatswitchanditselectrical
connector are located in the seat assembly. If the trac-
tionsystemorPTOswitchisengagedwhentheoperator
raisesoutoftheseat, theenginewill stop.Testingofthe
switchcanbedonewithoutseatremovalbydisconnect-
ing the seat wire from the machine wiring harness (Fig.
25).
Testing
1. Make sure the engine is off.
2. Disconnect wire harness electrical connector for the
seat switch.
3. Check the continuity of the switch by connecting a
multimeter (ohms setting) across the connector termi-
nals.
4. With no pressure on the seat, there should be no
continuity between the seat switch terminals.
5. Press directly onto the seat switch through the seat
cushion.Thereshouldbecontinuityastheseatcushion
approaches the bottom of its travel.
6. If testing determines that seat switch is faulty, re-
placeseatswitch(seeOperatorSeatServiceintheSer-
vice and Repairs section of Chapter 7 -- Chassis).
7. Connectseat switchtoharnessconnectoraftertest-
ing is complete.
1. Seat switch electrical connector
2. Operator seat
Figure 25
1
2
Electrical
System

Groundsmaster 4100--DPage 5 -- 18Electrical System
Parking Brake Switch
Theswitchusedfortheparkingbrakeisanormallyopen
switch that is located under the steering tower cover
(Fig. 26). When the parking brake is not applied, the
parking brake pawl depresses the switch plunger to
closetheswitch.Whentheparkingbrakeis applied,the
parking brake pawl is positioned away from the switch
plunger so the switch is in its normal, open state.
Testing
1. Make sure the engine is off. Locate parking brake
switch for testing.
2. Disconnect wire harness connector from the switch.
3. Check the continuity of the switch by connecting a
multimeter (ohms setting) across the connector termi-
nals.
4. When the switch plunger is extended there should
not be continuity between the switch terminals.
5. Whentheswitchplungerisdepressed,thereshould
be continuity between the switch terminals.
6. After testing, connect switch connector to wire har-
ness. 1. Parking brake switch
2. Parking brake rod 3. Parking brake pawl
Figure 26
1
32

Groundsmaster 4100--D Page 5 -- 19 Electrical System
Hour Meter
Thehourmeteris located on the controlconsolenextto
the operator seat.
Testing
1. Disconnectwireharnessconnectorfromhourmeter.
2. Connectthepositive(+)terminalofa12VDCsource
to the positive (+) terminal of the hour meter.
3. Connect the negative (--) terminal of the voltage
source to the other terminal of the hour meter.
4. The hour meter should move a 1/10 of an hour in six
(6) minutes.
5. Disconnect voltage source from the hour meter. Re-
connect harness connector to hour meter.
Figure 27
12
1. Positive (+) terminal 2. Negative (--) terminal
Audio Alarm
The audio alarm for low engine oil pressure or high en-
gine coolant temperature is attached to the control con-
sole next to the operator seat.
Testing
1. Disconnect wire harness connector from alarm.
IMPORTANT: Make sure to observe polarity on the
alarm terminals when testing. Damage to the alarm
may result from an improper connection.
2. Correctly connect 12VDC source to the alarm termi-
nals (Fig. 28).
3. Alarm should sound. Remove voltage source from
the alarm.
4. Reconnect harness connector to alarm.
1. Top view
2. Bottom view 3. Positive (+) terminal
4. Negative (--) terminal
Figure 28
12
3
4
Electrical
System

Groundsmaster 4100--DPage 5 -- 20Electrical System
Glow and Power Relays
The Groundsmaster 4100--D uses two (2) identical re-
lays to control electrical power circuits. The glow relay
is attached to the the right side of the fuel tank support
under the hood. The power relay is attached to the con-
trol panel under the console housing.
The glow relay supplies electrical power for the engine
glowplugswhenenergized.Thestartrelayisenergized
by the glow plug controller.
The power relay supplies electrical power for fuses F9
(TEC--5002outputs), F10,F11 andF12.Themainpow-
er relay is energized when the ignition switch is in the
START or RUN position.
Testing
1. Parkmachineonalevel surface, lower cutting deck,
stop engine, apply parking brake and remove key from
ignition switch.
2. Open hood to gain access to relay.
3. Locate relay and disconnect the machine wire har-
ness connector from the relay. Remove relay from ma-
chine for easier testing.
NOTE: Prior to taking small resistance readings with a
digital multimeter, short the meter test leads together.
The meter will display a small resistance value (usually
0.5 ohms or less). This resistance is due to the internal
resistanceof themeterandtestleads.Subtractthisval-
uefromfrom the measuredvalueofthecomponentyou
are testing.
4. Verify coil resistance between terminals 85 and 86
with a multimeter (ohms setting) (Fig. 29). Resistance
should be approximately 72 ohms.
5. Connectmultimeter(ohmssetting)leadstorelayter-
minals 30 and 87. Ground terminal 86 and apply +12
VDCtoterminal85.Therelayshouldhavecontinuitybe-
tweenterminals 30 and87as +12VDCis appliedtoter-
minal 85. The relay should not have continuity between
terminals30and87as +12VDC isremovedfromtermi-
nal 85.
6. After testing is complete, install relay to frame and
connect wire harness to relay.
7. Close and secure hood.
Figure 29
86 87
85 30
85 86
87
30

Groundsmaster 4100--D Page 5 -- 21 Electrical System
Start, Engine Shutdown, Seat, Alarm, PTO, PTO Overtemp, Down Latching and Over
Temperature Relays
These eight (8) relays are located under the console
housingcover (Fig.30).Thewiring harnessistaggedto
identify each relay.
Testing
1. Make sure that ignition switch is OFF.
2. Locate relay and disconnect the machine wire har-
ness connector from the relay. Remove relay from ma-
chine if necessary.
NOTE: Prior to taking small resistance readings with a
digital multimeter, short the meter test leads together.
The meter will display a small resistance value (usually
0.5 ohms or less). This resistance is due to the internal
resistanceof themeterandtestleads.Subtractthisval-
ue from the measured value of the component you are
testing.
3. Using a multimeter (ohms setting), measure coil re-
sistance between terminals 85 and 86 (Fig. 31). Resist-
ance should be between 70 and 90 ohms.
4. Connectmultimeter(ohmssetting)leadstorelayter-
minals 30 and 87. Ground terminal 86 and apply +12
VDCtoterminal85.Therelayshouldhavecontinuitybe-
tweenterminals 30 and87as +12VDCis appliedtoter-
minal 85. The relay should not have continuity between
terminals30and87as +12VDC isremovedfromtermi-
nal 85.
5. Disconnect voltage and multimeter leads from the
relay terminals.
6. Connectmultimeter(ohmssetting)leadstorelayter-
minals 30 and 87A. Ground terminal 86 and apply +12
VDCtoterminal85.Therelayshouldnothavecontinuity
betweenterminals30and87Aas+12 VDCisappliedto
terminal 85. The relay should have continuity between
terminals 30 and 87A as +12 VDC is removed from ter-
minal 85.
7. Disconnect voltage and multimeter leads from the
relay terminals.
8. Secure relay to machine if removed. Connect ma-
chine wire harness connector to relay.
1. Control panel 2. Relay location
Figure 30
1
2
2
Figure 31
86
85
87A 87
30
Electrical
System

Groundsmaster 4100--DPage 5 -- 22Electrical System
Hydraulic Valve Solenoids
Figure 32
1. 4WD manifold
2. LH deck manifold 3. RH deck manifold
4. Front deck manifold 5. Fan drive manifold
FRONT
RIGHT
1
2
3
4
5
There are several hydraulic valve solenoids on the
Groundsmaster4100--D(Fig.32).Testingofthesesole-
noids can be done with the solenoid on the hydraulic
valve.
Testing
NOTE: Prior to taking small resistance readings with a
digital multimeter, short the meter test leads together.
The meter will display a small resistance value (usually
0.5 ohms or less). This resistance is due to the internal
resistanceof themeterandtestleads.Subtractthisval-
uefromfrom the measuredvalueofthecomponentyou
are testing.
1. Make sure engine is off. Disconnect wire harness
connector from the solenoid (Fig. 33).
2. Measure resistance between the two (2) solenoid
connector terminals. The resistance for any solenoid
coil used on the Groundsmaster 4100--D should be
approximately 8.7 ohms.
3. Install new solenoid if necessary. Torque solenoid
nut to 5ft--lb(6.7 N--m). Over--tightening may damage
thesolenoidorcausethecartridgevalvetomalfunction.
4. Whentestingiscomplete,connectwireharnesscon-
nector to the solenoid.
Figure 33
1. Manifold (RH deck manifold shown)
2. Valve solenoid
3. Solenoid connector
21
3

Groundsmaster 4100--D Page 5 -- 23 Electrical System
TEC--5002 Controller
Groundsmaster4100--Dmachinesusea ToroElectron-
ic Controller (TEC) to control the operation of the hy-
draulic cooling fan. The controller is attached to the
operatorplatformundertheconsolehousingcover(Fig.
34).
Logic power is provided to the controller as long as the
battery cables are connected to the battery. A 2 amp
fuse in a fuse holder near the battery provides circuit
protection for this logic power to the controller.
The TEC--5002 controller monitors the states of the fol-
lowing components as inputs: ignition switch, hydraulic
temperature sender, engine coolant temperature send-
er and cooling fan switch.
The TEC--5002 controller controls electrical output to
the engine cooling fan hydraulic valve solenoid coils
(speed and direction). Circuit protection for TEC--5002
outputs is provided by fuse F9 (7.5 amp).
Because of the solid state circuitry built into the TEC,
thereisnomethodtotestthecontrollerdirectly.Thecon-
troller may be damaged if an attempt is made to test it
with an electrical test device (e.g. digital multimeter or
test light).
1. Fuses 2. TEC location
Figure 34
1
2
Electrical
System

Groundsmaster 4100--DPage 5 -- 24Electrical System
Fuel Sender
The fuel sender is located on top of the fuel tank.
Testing
1. Remove white wire and black ground wire from the
sender.
CAUTION
Iftestingcircuitwiringandfuelgauge,makesure
wire connections are secure before turning igni-
tion switch ON to prevent an explosion or fire
from sparks.
2. To test the circuit wiring and fuel gauge, connect
white and black wires and turn ignition switch to ON.
Fuel gauge needle should point to the right edge of the
green area (full). Turn ignition switch OFF and continue
testingfuelsenderifcircuitwiringandgaugeareaccept-
able.
3. Remove screws and lock washers that secure the
sender to the fuel tank.
4. Removesenderandgasketfromthefueltank.Clean
any fuel from the sender.
NOTE: Before taking small resistance readings with a
digital multimeter, short meter test leads together. The
meterwilldisplay a smallresistancevalue. This internal
resistance of the meter and test leads should be sub-
tracted from the measured value of the component.
CAUTION
Makesuresendingunitiscompletelydry(nofuel
on it) before testing. Perform test away from the
tank to prevent an explosion or fire from sparks.
5. Check resistance of the sender with a multimeter
(Fig. 35).
A. Resistancewiththefloatinthefullpositionshould
be 27.5 to 39.5 ohms.
B. Resistance with the float in the empty position
should be 240 to 260 ohms.
6. Replace sender as necessary. Reinstall sender into
fuel tank.
7. Reconnect wires to fuel sender. Apply skin--over
grease (Toro Part No. 505--165) to sender terminals.
Figure 35
FULL POSITION
EMPTY POSITION

Groundsmaster 4100--D Page 5 -- 25 Electrical System
Fuel Gauge
The fuel gauge can be tested using a new gauge as a
substitute or with the use of a DC voltage source and a
variableresistancebox(see Fuel Sender Testing inthis
section for additional information).
Testing
CAUTION
Make sure the voltage source is turned OFF be-
foreconnectingittotheelectricalcircuittoavoid
electrical shock and prevent damaging the
gauge.
1. Connect fuel gauge to the variable resistance and
DC voltage source (Fig. 36).
NOTE: When reading the gauge test point, there are
two white dots on the gauge face below the edge ofthe
glasscoverforeachtestpoint. For each variable resist-
ance setting, the needle must be pointed between the
two white dots.
2. Take test point readings (Fig. 37).
IMPORTANT: Allow circuit to warm up for at least 5
minutes before taking test readings.
A. Setvariableresistanceto240ohms.Applya14+
0.01 VDC to the circuit. The needle should point to
the left edge of the red area (empty).
B. Set variable resistance to 33 ohms. The needle
shouldpoint totheright edge ofthegreen area (full).
3. Turn off the voltage source. Disconnect voltage
source, gauge and variable resistance.
Figure 36
+
--
VARIABLE
RESISTANCE
14 VDC + 0.01 VDC
1. Empty position
2. Full position 3. Glass face edge
Figure 37
12
3
Electrical
System

Groundsmaster 4100--DPage 5 -- 26Electrical System
Fuel Pump
The fuel pump is attached to the frame above the fuel
water separator (Fig. 38).
Operational Test
1. Parkmachineonalevel surface, lower cutting deck,
stop engine and apply parking brake.
2. Disconnect wire harness electrical connector from
the fuel stop solenoid to prevent the engine from firing.
3. Disconnectfuelhose(pumpdischarge)fromthefuel
water separator.
4. Make sure fuel hoses attached to the fuel pump are
free of obstructions.
5. Place fuel hose (pump discharge) into a large, grad-
uated cylinder sufficient enough to collect 1 quart (0.95
liter).
6. Collect fuel in the graduated cylinder by turning igni-
tion switch to the ON position. Allow pump to run for 15
seconds, then turn switch to OFF.
7. The amount of fuel collected in the graduated cylin-
der should be approximately 16 fl oz (475 ml) after 15
seconds.
8. Replace fuel pump as necessary. Install fuel hoseto
the water separator.
9. Connectwireharnesselectricalconnectortothefuel
stop solenoid.
10.Prime fuel system.
1. Fuel water separator
2. Fuel pump 3. Pump inlet hose
4. Pump discharge hose
Figure 38
2
1
3
4
Fuel Pump Specifications
Pump Capacity 64 fl oz/min (1.9 l/min)
Pressure 7 PSI (48.3 kPa)
Current Draw 2.0 amp

Groundsmaster 4100--D Page 5 -- 27 Electrical System
Glow Controller
The glow controller is located under the console cover
(Fig. 39).
NOTE: Refer to electrical schematic and circuit draw-
ings in Chapter 9 -- Foldout Drawings when trouble-
shooting the glow controller.
Glow Controller Operation
1. WhentheignitionswitchisplacedintheONposition,
thecontroller energizestheglowplugsandlightsupthe
glow lamp for approximately 10 seconds.
2. When the ignition switch is held in the START posi-
tion, the glow plugs will energize and the glow lamp will
not light.
3. When the ignition switch is released from START to
ON, the glow plugs will deenergize and the glow lamp
will remain off.
Glow Controller Checks
1. Make sure there is power from the battery.
2. Disconnectelectricalconnectortotheenginerunso-
lenoid to prevent the engine from starting.
3. PlaceignitionswitchintheONposition.Verifythefol-
lowing while in the ON position:
A. Glow indicator lamp is illuminated.
B. Glow relay is energized.
C. Glow plugs are energized.
D. Glowindicatorlampgoesoutandglowplugsde--
energize after approximately 10 seconds.
4. Place ignition switch in the START position. Verify
the following while in the START position:
A. Glow indicator lamp is not illuminated.
B. Glow relay is energized.
C. Glow plugs are energized.
D. Power exists at terminal 1 of the glow controller.
NOTE: Ifthereisnopoweratterminal1oftheglowcon-
troller, verify continuity of the circuitry from the ignition
switch to the controller and perform step 4 again (see
electrical schematic in Chapter 9 -- Foldout Drawings).
1. Control panel 2. Controller location
Figure 39
12
1. Glow controller end view 2. Controller side view
Figure 40
3
2
1
6
4
5
21
TEMP (not used)
GLOW
GROUND
VIOLET
+12V
LAMP
START
BROWN
BLACK
YELLOW
ORANGE
CONTROLLER
1
2
3
4
5
6
CONNECTIONS
5. Ifanyoftheconditionsinstep3arenotmetorpower
to terminal 1 exists and any of the other conditions in
step 4 are not met:
A. Verifycontinuityofthecircuitryfromthebatteryto
the glow relay and glow plugs (see electrical sche-
matic in Chapter 9 -- Foldout Drawings).
B. Verifycontinuityofthecircuitryfromthebatteryto
ignitionswitch,glowcontroller,glowlamp,glowrelay
and ground (see electrical schematic in Chapter 9 --
Foldout Drawings).
C. Replace parts as necessary.
6. Connect electrical connector to the run solenoid.
Electrical
System

Groundsmaster 4100--DPage 5 -- 28Electrical System
Temperature Sender
The temperature sender is located near the alternator
onthewaterflangeattachedtotheenginecylinderhead
(Fig. 41). The resistance of the temperature sender re-
duces as the engine coolant temperature increases.
There is a gray harness wire attached to the terminal of
the switch.
Testing
1. Lower coolant level in the engine and remove the
temperature sender from water flange.
2. Suspendsenderinacontainerofoilwithathermom-
eter and slowly heat the oil (Fig. 42).
CAUTION
Handle the hot oil with extreme care to prevent
personal injury or fire.
NOTE: Priortotakingresistancereadingswitha digital
multimeter,shortthemetertestleadstogether.Theme-
ter will display a small resistance value (usually 0.5
ohms or less). This resistance is due to the internal re-
sistanceofthemeterandtestleads.Subtractthis value
fromfromthemeasuredvalueofthecomponentyouare
testing.
3. Check resistance of the sender with a multimeter
(ohms setting) as the temperature increases. Replace
sender if specifications are not met.
COOLANT TEMP TEMP SENDER RESISTANCE
100oF(38
oC) 460 ohms (approximate)
160oF(71
oC) 140 ohms (approximate)
200oF(93
oC) 54 to 78 ohms
221oF (105oC) 50 ohms (approximate)
4. After testing is complete, install sender to the water
flange.
A. Thoroughly clean threads of water flange and
sender. Apply thread sealant to the threads of the
sender.
B. Screwsenderintothewaterflange.Torquesend-
er from 16 to 20 ft--lb (22 to 27 N--m).
C. Reconnect gray harness wire to sender. Apply
skin--overgrease (ToroPartNo.505--165)to sender
terminal.
5. Fill engine cooling system.
Figure 41
1. Temperature sender 2. Alternator
1
2
Figure 42

Rev. A
Groundsmaster 4100--D Page 5 -- 29 Electrical System
Dual Temperature Switch
The dual temperature switch is attached to the engine
near the alternator on the water flange attached to the
engine cylinder head (Fig. 43). Two (2) electrical har-
ness wires (a blue wire and a yellow wire) are attached
to the switch.
Theterminalon theswitch isusedtoactivatetheengine
over temperature warning. The warning illuminates the
overtemp warning lightand also causes the PTO to dis-
engage. The wire harness blue wire attaches to the
switch terminal.
The wire lead on the switch is used to shutdown the en-
gine. The wire harness yellow wire attaches to the
switch lead.
Testing
CAUTION
Make sure engine is cool before removing the
temperature switch.
1. Lower coolant level in the engine and remove the
dual temperature switch from the engine water flange.
2. Put switch in a container of oil with a thermometer
and slowly heat the oil (Fig. 45).
CAUTION
Handle the hot oil with extreme care to prevent
personal injury or fire.
3. Check continuity of the switch with a multimeter
(ohms setting). Both circuits of the temperature switch
arenormallyopenandshouldcloseatthefollowingtem-
peratures:
A. The warning terminal should close from 214oto
226oF (101 to 108oC).
B. The shutdown wire lead should close from 234o
to 246oF(112to119
oC).
4. Replace switch if necessary.
5. Install switch to the water flange.
A. Clean threads of cylinder head and switch thor-
oughly. Apply thread sealant to the threads of the
switch.
B. Screw switch into the cylinder head and torque
switch from 22 to 28 ft--lb (29.4 to 39.2 N--m).
C. Connect harness wires to switch.
6. Fill engine cooling system.
1. Dual temp switch 2. Alternator
Figure 43
1
2
1. Dual temperature switch
2. Terminal (warning) 3. Wire lead (shutdown)
Figure 44
13
2
Figure 45
Electrical
System

Groundsmaster 4100--DPage 5 -- 30Electrical System
Temperature Gauge
The temperature gauge can be tested using a new
gauge as a substitute or with the use of a DC voltage
source and a variable resistance box.
Testing
CAUTION
Make sure the voltage source is turned OFF be-
fore connecting variable resistance to the elec-
trical circuit to avoid electrical shock and to pre-
vent damaging the gauge.
1. Connect temperature gauge to the variable resis-
tance and DC voltage source (Fig. 46).
NOTE: When reading the gauge test point, there are
two white dots on the gauge face below the edge ofthe
glasscoverforeachtestpoint. For each variable resist-
ance setting, the needle must be pointed between the
two white dots.
2. Take test point readings (Fig. 47).
IMPORTANT: Allow circuit to warm up for at least 5
minutes before taking test readings.
A. Set variable resistance to 71 ohms. Apply a 14 +
0.01 VDC to the circuit. The needle should point to
the middle of the green area (80oC).
B. Set variable resistance to 38 ohms. The needle
should point between the green and red area
(105oC).
3. Turn off the voltage source. Disconnect voltage
source, gauge and variable resistance.
Figure 46
+
--
VARIABLE
RESISTANCE
14 VDC + 0.01 VDC
1. Middle position
2. High temp. position 3. Edge of glass cover
Figure 47
1
2
3

Groundsmaster 4100--D Page 5 -- 31 Electrical System
Traction Neutral Switch
The traction neutral switch is closed when the traction
pedalisintheneutralpositionandopenswhenthepedal
isdepressedineitherdirection.Theswitchislocatedon
the right side of the piston (traction) pump (Fig. 48).
Testing
Test the switch by disconnecting the wires from the
switch terminals and connecting a continuity tester
across the two switch terminals. With the engineturned
off,slowlypushthetractionpedalinaforwardorreverse
direction while watching the continuity tester. There
should be indications that the traction neutral switch is
opening and closing. Allow the traction pedal to return
to the neutral position. There should be continuity
acrossthe switchterminalswhenthetractionpedalisin
the neutral position.
See the Eaton Model 72400 Servo Controlled Piston
Pump Repair Information at the end of Chapter 4 -- Hy-
draulic System for disassembly and assembly proce-
dures for the neutral switch.
1. Piston pump (bottom) 2. Neutral switch
Figure 48
1
2
Diode Assemblies
TheGroundsmaster4100--D electrical system includes
several diode assemblies (Fig. 49) that are used for cir-
cuit protection and circuit logic control. The diodes plug
into the wiring harness at various locations on the ma-
chine.
The diodes D2, D4, D5 and D6 are used for circuit
protectionfrominductivevoltagespikesthatoccurwhen
ahydraulicvalvesolenoid is de--energized. DiodeD2is
intheTransport/Mowcircuit,D4isintheleftcuttingdeck
circuit, D5 is in the front cutting deck circuit and D6 is in
the right cutting deck circuit.
Diode D9 provides logic for the high temperature warn-
ing system.
Diode D3 provides a latching circuit for the cuttingdeck
when in the lowered position.
If the machine is equipped with the optional cruise con-
trol kit, two (2) additional diodes are used. Diode D7 in
thiskitisusedforcircuitprotectionthatoccurwhenahy-
draulic valve solenoid is de--energized. Diode D8 pro-
vides a latching circuit to keep the cruise relay
energized.
Testing
The diodes can be individually tested using a digital
multimeter (diode test or ohms setting) and the table to
the right.
Figure 49
1
1. Diode
2. Male terminal 3. Female terminal
3
2
Multimeter
Red Lead (+)
on Terminal
Multimeter
Black Lead (--)
on Terminal Continuity
Female Male YES
Male Female NO
Electrical
System

Groundsmaster 4100--DPage 5 -- 32Electrical System
Diode Circuit Board
Thediodecircuitboard(Fig.50)containsfour(4)diodes
and is located under the console housing. Diode D1--A
provides logic for the interlock system. Diodes D1--B
(rightwingdeck),D1--C(frontdeck)andD1--D(leftwing
deck) provide latching circuits for the PTO relay.
Testing
The diodes can be individually tested using a digital
multimeter (ohms setting) and the table to the right. If
any of the diodes are damaged, the diode circuit board
must be replaced.
Applydielectricgrease(Toro partnumber107--0342)to
circuit board contacts whenever the circuit board is
installed into the wire harness. Figure 50
H
A
B
C
D
E
F
G
D1--A
D1--B
D1--C
D1--D
DIODE DIAGRAM
CIRCUIT BOARD
D1--D
D1--C
D1--B
D1--A
Red Lead (+)
on
Terminal
Black Lead (--)
on
Terminal Continuity
H A YES
A H NO
G B YES
B G NO
F C YES
C F NO
E D YES
D E NO

Groundsmaster 4100--D Page 5 -- 33 Electrical System
Fusible Links
The Groundsmaster 4100--D uses five (5) fusible links
for circuit protection. Three (3) of these fusible links are
located in a harness that connects the starter B+ termi-
nal to the wire harness (Fig. 51). An additional fusible
link is used that connects the starter B+ terminal to the
alternator B+ terminal (Fig. 52). The remaining fusible
link is included in the wire harness and connects the
starterterminaltotheenginerunsolenoidpullcoil.Ifany
of these links should fail, current to the protected circuit
will cease. Refer to the Electrical Schematic and Circuit
DiagramsinChapter 9 -- Foldout Diagramsforaddition-
al circuit information.
Testing
MakesurethatignitionswitchisOFF.Disconnectnega-
tivebatterycablefrombatteryterminalandthendiscon-
nect positive cable from battery (see Battery Service in
theService andRepairssection ofthischapter). Locate
and unplug fusible link connector. Use a multimeter to
makesurethatcontinuityexistsbetweenthefusiblelink
terminals. If a fusible link is open, replace the link.
After testing is complete, make sure that fusible link is
securely attached to engine component and wire har-
ness. Connect positive battery cable to battery terminal
first and then connect negative cable to battery.
Figure 51
FUSIBLE LINK
FUSIBLE LINK
FUSIBLE LINK
Figure 52
RED
SP1
B+
STARTER ALTERNATOR
B+
J1 J2
J1 J2
SP1
Electrical
System

Groundsmaster 4100--DPage 5 -- 34Electrical System
Wing Deck Position Switches
Thewingdeckposition switchesonthe Groundsmaster
4100--D are attached to the center deck housing (Fig.
53) and are normally open. The wing deck position
switch is a powered proximity switch that incorporates
an internal reed switch and relay (see schematic in Fig-
ure 54). The actuator for the position switch is bolted to
the wing deck link (Fig. 55).
When a wing deck is lowered, the actuator tab on the
wing deck link is positioned close to the position switch
causing the switch to close. The closed switch allows
current flow to the wing deck hydraulic valve solenoid
and allows that wing deck to operate.
When a wing deck is raised, the actuator tab is moved
awayfromthepositionswitchandtheswitchopens.The
open switch prevents current flow to the wing deck hy-
draulicvalvesolenoidandkeepsthatwingdeckfromop-
erating.
Testing
1. Park machine on a level surface, lower cutting deck
and raise wing decks. Stop engine, engage parking
brake and remove key from the ignition switch.
2. Remove switch cover from deck to allow access to
switchthatrequirestesting.Disconnectswitchfromwir-
ing harness.
NOTE: Deck Proximity Switch Adjustment Tool
(TOR4095) can be used for switch testing and adjust-
ment.
3. Groundswitchconnector terminal for black wireand
apply 12 VDC to switch connector terminal for redwire.
4. Using a multimeter, verify that switch connector ter-
minal for blue wire has 12 VDC and terminal for white
wire has 0 VDC.
5. Placeametalobjectnearsensingareaofswitch(op-
posite end from wires). Ground switch connector termi-
nalfor blackwireandapply 12VDCtoswitchconnector
terminal for red wire.
6. Using a multimeter, verify that switch connector ter-
minalforbluewirehas0VDCandterminalforwhitewire
has 12 VDC.
7. Replace switch as needed. For switch adjustment
procedure, see Wing Deck Position Switchesin the Ad-
justments section of this chapter.
8. Install switch cover to deck.
1. Switch cover
2. Position switch 3. Switch bracket
Figure 53
1
2
3
Figure 54
BLACK
BLUE
WHITE
RED
CONNECTOR
POSITION SWITCH
1. Position switch
2. Actuator tab 3. Wing deck link
Figure 55
0.188”
(4.8 mm)
3
1
2

Groundsmaster 4100--D Page 5 -- 35 Electrical System
Cutting Deck Raise and Lower Switches
The deck raise and lower switches are normally open
proximity switches that are located under the console
housing(Fig.56).Theseidenticalswitchesaremounted
inoppositedirectionssotheircircuitlogicdiffers.Theac-
tuator for the switches is on the center deck lift/lower le-
ver. The raise and lower switches are used in
conjunction with the down latching relay to provide cur-
rent to the PTO switch.
Thedeckraiseswitchisclosedwhenthecenterdecklift/
lower lever is either in the neutral (center) position or
pushedtothelower(forward)position.Ifthecenterdeck
lift/lower lever is pulled to the raise (rear) position, the
deck raise switch opens.
The deck lower switch is closed when the center deck
lift/lower lever is pushed to the lower (forward) position.
If the center deck lift/lower lever is in either the neutral
(center) position or the raise (rear) position, the deck
lower switch remains open.
Once the down latching relay is energized by lowering
thecuttingdeck,thecuttingdeckraiseswitchanddiode
D3providealatchingcircuittokeeptherelayenergized.
Testing
1. Parkmachineonalevel surface, lower cutting deck,
stop engine, engage parking brake and remove key
from the ignition switch.
2. Removeconsolecoverandlocatecuttingdeckraise
orlowerswitchto be tested.Disconnectswitchconnec-
tor from machine wiring harness.
3. Check switch continuity by connecting a multimeter
(ohms setting) across the switch connector terminals.
4. The raise switch should be closed (continuity) when
the center deck lift/lower lever is in the neutral position.
As the lift/lower lever is slowly pulled back, the raise
switchshouldopen(nocontinuity)aftertheleverhasre-
movedallfreeplay(withnospoolmovementinlift/lower
control valve) but before the deck is lifted.
5. The lower switch should be open (no continuity)
when the center deck lift/lower lever is in the neutral
position.Asthelift/lowerleverisslowlypushedforward,
the lower switch should close (continuity) before the le-
ver reaches full forward travel.
6. For switch adjustment procedure, see Cutting Deck
RaiseandLowerSwitchesintheAdjustmentssectionof
this chapter.
7. Connect switch to wiring harness. Install console
cover to machine.
1. Deck lower switch
2. Deck raise switch
3. Switch plate
4. Lever bracket
5. Flange nut
6. Flange bolt (2 used)
7. Tab plate
8. Deck lift/lower lever
9. Switch actuator
10. Lock nut (2 used)
Figure 56
9
2
4
3
1
8
7
6
5
10
Electrical
System

Rev. A Groundsmaster 4100--DPage 5 -- 36Electrical System
Engine Coolant and Hydraulic Oil Temperature Senders
The Groundsmaster 4100--D uses two (2) temperature
senders as inputs for the TEC--5002 to identify if either
the engine coolant or hydraulic oil temperature has
reached an excessive level. These senders are identi-
cal.Thecoolanttemperaturesenderthreadsintothera-
diator (Fig. 57). The hydraulic oil temperature sender is
attached to the hydraulic hydraulic tube on the left side
of the machine (Fig. 58).
Testing
1. Locate temperature sender that is to be tested. Dis-
connect wire harness connector from sender.
2. Thoroughly clean area around temperature sender
and remove sender.
3. Put sensing end of sender in a container of oil with
a thermometer and slowly heat the oil (Fig. 59).
CAUTION
Handle the hot oil with extreme care to prevent
personal injury or fire.
NOTE: Prior to taking resistance readings with a digital
multimeter,shortthe meter testleadstogether. The me-
ter will display a small resistance value (usually 0.5
ohms or less). This resistance is due to the internal re-
sistance of the meter and test leads. Subtract this value
fromfromthemeasuredvalueofthecomponentyouare
testing.
4. Check resistance of the sender with a multimeter
(ohms setting) as the oil temperature increases.
A. The meter should indicate from 11.6 to 13.5 kilo
ohms at 68oF(20
oC).
B. The meter should indicate from 2.3 to 2.5 kilo
ohms at 140oF(60
oC).
C. The meter should indicate from 605 to 669 ohms
at 212 oF(100
oC).
D. Replace sender if specifications are not met.
5. After allowing the sender to cool, install sender:
A. Install new O--ring on sender.
B. Installsenderintoportand torque from9to11ft--
lb (12.3 to 14.9 N--m).
C. Reconnect harness wire to sender.
6. Checkandfillsystem(coolantorhydraulic)toproper
level.
1. Radiator 2. Coolant temp sender
Figure 57
1
2
Figure 58
1. Hydraulic tube 2. Oil temp sender
1
2
Figure 59

Groundsmaster 4100--D Page 5 -- 37 Electrical System
Service and Repairs
NOTE: For engine component repair information, see
the Kubota Workshop Manual, Diesel Engine,
V2403--M--T--E3B Series at the end of Chapter 3 -- Ku-
bota Diesel Engine.
Battery Storage
If the machine will be stored for more than 30 days:
1. Remove the battery and charge it fully (see Battery
Service in this section).
2. Either store battery on a shelf or on the machine.
3. Leavecablesdisconnectedifthebatteryisstoredon
the machine.
4. Storebatteryinacoolatmospheretoavoidquickde-
terioration of the battery charge.
5. Tohelppreventthebatteryfromfreezing,makesure
it is fully charged (see Battery Service in this section).
Battery Care
1. Battery electrolyte level must be properly main-
tained. The top of the battery must be kept clean. lf the
machine is stored in a location where temperatures are
extremely high, the battery will discharge more rapidly
thanifthemachineisstoredinalocationwheretemper-
atures are cool.
WARNING
Wear safety goggles and rubber gloves when
working with electrolyte. Charge battery in a
well ventilated place so gasses produced
while charging can dissipate. Since the gases
are explosive, keep open flames and electrical
sparks away from the battery; do not smoke.
Nauseamayresultifthegasesareinhaled.Un-
plug charger from electrical outlet before con-
necting or disconnecting charger leads to or
from battery posts.
IMPORTANT: Do not remove fill caps while clean-
ing.
2. Check battery condition weekly or after every 50
hours of operation. Keep terminals and entire battery
casecleanbecauseadirtybatterywilldischargeslowly.
A. Cleanbatterybywashing entirecasewith asolu-
tionofbakingsodaandwater.Rinsewithclearwater.
B. Coatbatterypostsandcableconnectorswithter-
minal protector (Toro Part No. 107--0392) or petro-
leum jelly to prevent corrosion.
3. Battery cables must be tight on terminals to provide
good electrical contact.
WARNING
Connecting cables to the wrong post could re-
sultinpersonalinjuryand/ordamagetotheelec-
trical system.
4. If corrosion occurs at terminals, disconnect cables.
Always disconnect negative (--) cable first. Clean
clamps and terminals separately. Connect cables with
positive(+)cablefirst.Coatbatterypostsandcablecon-
nectors with terminal protector (Toro Part No.
107--0392) or petroleum jelly to prevent corrosion.
5. Checkelectrolytelevelevery25operatinghoursand
every 30 days if machine is in storage.
6. Maintaincell levelwithdistilledwater.Donot fillcells
above the fill line.
Electrical
System

Groundsmaster 4100--DPage 5 -- 38Electrical System
Battery Service
The battery is the heart of the electrical system. With
regularandproperservice,batterylifecanbeextended.
Additionally, battery and electrical component failure
can be prevented.
CAUTION
When working with batteries, use extreme cau-
tion to avoid splashing or spilling electrolyte.
Electrolytecandestroyclothingandburnskinor
eyes. Always wear safety goggles and a face
shield when working with batteries.
Electrolyte Specific Gravity
Fully charged: 1.265 corrected to 80oF (26.7oC)
Discharged: less than 1.240
Battery Specifications
BCI Group Size 24
650 CCA at 0oF (--17.8oC)
Reserve Capacity of 110 minutes at 80oF (26.7oC)
Dimensions (including terminal posts and caps)
Length 10.2 inches (259 mm)
Width 6.6 inches (167 mm)
Height 9.0 inches (228 mm)
Battery Removal and Installation (Fig. 60)
1. Raise and support operator seat. Remove battery
access panel.
2. Loosen and remove negative cable from battery. Af-
ternegative cable isremoved,loosen andremoveposi-
tive cable.
3. Loosen battery strap that secures battery to ma-
chine.
4. Carefully remove battery from machine.
5. Install battery in reverse order making sure to con-
nect and tighten positive cable to battery before con-
necting negative cable.
NOTE: Before connecting the negative (ground) cable
to the battery, connect a digital multimeter (set to DC
Amps)betweenthenegativebatterypostandthenega-
tive (ground) cable connector. The reading should be
lessthan0.1amp. If thereadingis0.1 amp or more,the
machine’s electrical system should be tested for short
circuits or faulty components and repaired.
6. Secure battery with battery strap. Install battery ac-
cess panel. Lower and secure operator seat.
1. Negative (--) cable
2. Positive (+) cable 3. Battery strap
Figure 60
3
2
1
Battery Inspection, Maintenance and Testing
1. Perform following inspections and maintenance:
A. Check for cracks. Replace battery if cracked or
leaking.
B. Check battery terminal posts for corrosion. Use
wire brush to clean corrosion from posts.
IMPORTANT: Before cleaning the battery, tape
or block vent holes to the filler caps and make
sure the caps are on tightly.
C. Check for signs of wetness or leakage on the top
ofthebatterywhichmightindicatealooseormissing
filler cap, overcharging, loose terminal post or over-
filling.Also,check battery case for dirtandoil.Clean
the battery with a solution of baking soda and water,
then rinse it with clean water.
D. Checkthatthecoversealisnotbrokenaway.Re-
place the battery if the seal is broken or leaking.
E. Checktheelectrolytelevelineachcell.Ifthelevel
is below the tops of the plates in any cell, fill all cells
withdistilledwaterbetweentheminimumandmaxi-
mum fill lines. Charge at 15 to 25 amps for 15 min-
utes to allow sufficient mixing of the electrolyte.

Groundsmaster 4100--D Page 5 -- 39 Electrical System
2. Conductahydrometer test of the battery electrolyte.
IMPORTANT: Make sure thearea aroundthe cellsis
clean before opening the battery caps.
A. Measure the specific gravity of each cell with a
hydrometer. Draw electrolyte in and out of the
hydrometerbarrelprior totakingareadingtowarm--
up the hydrometer. At the same time take the tem-
perature of the cell.
B. Temperature correct each cell reading. For each
10oF(5.5
oC) above 80oF (26.7oC) add 0.004 to the
specific gravity reading. For each 10oF(5.5
oC) be-
low 80oF (26.7oC) subtract 0.004 from the specific
gravity reading.
Example: Cell Temperature 100oF
Cell Gravity 1.245
100oF minus 80oF equals 20oF
(37.7oC minus 26.7oC equals 11.0oC)
20oF multiply by 0.004/10oF equals 0.008
(11oC multiply by 0.004/5.5oC equals 0.008)
ADD (conversion above) 0.008
Correction to 80oF(26.7oC) 1.253
C. If the difference between the highest and lowest
cell specific gravity is 0.050 or greater or the lowest
cellspecificgravityislessthan1.225,chargethebat-
tery. Charge at the recommended rate and time giv-
en in Charging or until all cells specific gravity is
1.225orgreaterwiththedifferenceinspecificgravity
betweenthe highest andlowestcell less than0.050.
If these charging conditions can not be met, replace
the battery.
3. Perform a high--discharge test with an adjustable
load tester.
Thisisoneofthemostreliablemeansoftestingabattery
asitsimulatesthecold--crankingtest.Acommercialbat-
tery load tester is required to perform this test.
CAUTION
Followthemanufacturer’sinstructions whenus-
ing a battery tester.
A. Check the voltage across the battery terminals
prior to testing the battery. If the voltage is less than
12.4 VDC, charge the battery before continuing with
load testing procedure.
B. If the battery has recently been charged, apply a
150 amp load for 15 seconds to remove the surface
charge. Use a battery load tester following the
manufacturer’s instructions.
C. Makesurebatteryterminalsarefreeofcorrosion.
D. Measure the temperature of the center cell.
E. Connectabattery loadtestertothebatterytermi-
nals following the manufacturer’s instructions.
Connectadigitalmultimetertothebatteryterminals.
F. Applyatestloadof325amps(onehalfthebattery
cold cranking amp rating) for 15 seconds.
G. Take a battery voltage reading at 15 seconds,
then remove the load.
H. Using the table below, determine the minimum
voltage for the cell temperature reading:
Minimum
Voltage Battery Electrolyte
Temperature
9.6 70oF (and up) 21.1oC (and up)
9.5 60oF15.6oC
9.4 50oF10.0oC
9.3 40oF4.4oC
9.1 30oF-- 1.1 oC
8.9 20oF-- 6.7 oC
8.7 10oF--12.2oC
8.5 0oF--17.8oC
I. If the test voltage is below the minimum, replace
the battery. If the test voltage is at or above the mini-
mum, return the battery to service.
Electrical
System

Groundsmaster 4100--DPage 5 -- 40Electrical System
Battery Charging
To minimize possible damage to the battery and allow
the battery to be fully charged, the slow charging meth-
od is presented here. This charging method can be ac-
complished with a constant current battery charger
which is readily available locally.
CAUTION
Followthemanufacturer’sinstructions whenus-
ing a battery charger.
NOTE: Using specific gravity of the battery cells is the
mostaccuratemethod of determiningbatterycondition.
1. Determine the battery charge level from either its
specific gravity or open circuit voltage.
Battery Charge
Level Specific
Gravity Open Circuit
Voltage
100% 1.265 12.68
75% 1.225 12.45
50% 1.190 12.24
25% 1.155 12.06
0% 1.120 11.89
2. Determinethechargingtimeandrateusingthebat-
tery charger manufacturer’s instructions or the fol-
lowing table.
Battery
Reserve
C
a
p
a
c
i
t
y
Battery Charge Level
(Percent of Fully Charged)
C
a
p
a
c
i
t
y
(Minutes) 75% 50% 25% 0%
80 or less 3.8 hrs
@
3amps
7.5 hrs
@
3amps
11.3 hrs
@
3amps
15 hrs
@
3amps
81 to 125 5.3 hrs
@
4amps
10.5 hrs
@
4amps
15.8 hrs
@
4amps
21 hrs
@
4amps
126 to
170 5.5 hrs
@
5amps
11 hrs
@
5amps
16.5 hrs
@
5amps
22 hrs
@
5amps
171 to
250 5.8 hrs
@
6amps
11.5 hrs
@
6amps
17.3 hrs
@
6amps
23 hrs
@
6amps
above
250 6hrs
@
10 amps
12 hrs
@
10 amps
18 hrs
@
10 amps
24 hrs
@
10 amps
CAUTION
Donot chargeafrozen batterybecause itcanex-
plode and cause injury. Let the battery warm to
60oF (15.5oC) before connecting to a charger.
Charge the battery in a well--ventilated place to
dissipate gases produced from charging. These
gases are explosive; keep open flame and elec-
tricalsparkawayfromthe battery. Donotsmoke.
Nausea may result if the gases are inhaled. Un-
plug the charger from the electrical outlet before
connecting or disconnecting the charger leads
from the battery posts.
3. Following the battery charger manufacturer’s
instructions,connectthechargercablestothebattery.
Make sure a good connection is made.
4. Charge the battery following the battery charger
manufacturer’s instructions.
5. Occasionally check the temperature of the battery
electrolyte. If the temperature exceeds 125oF (51.6oC)
or the electrolyte is violently gassing or spewing, the
charging rate must be lowered or temporarily stopped.
6. Three hours prior to the end of the charging, mea-
sure the specific gravity of a battery cell once per hour.
The battery is fully charged when the cells are gassing
freely at a low charging rate and there is less than a
0.003 change in specific gravity for three consecutive
readings.

Groundsmaster 4100--D Page 6 -- 1 Axles, Planetaries and Brakes
Chapter 6
Axles, Planetaries and Brakes
Table of Contents
SPECIFICATIONS 2.............................
GENERAL INFORMATION 3.....................
Operator’s Manual 3..........................
SERVICE AND REPAIRS 4......................
Brake Assembly 4............................
Brake Service 6..............................
Planetary Wheel Drive Assembly 8..............
Planetary Wheel Drive Service 10...............
Rear Axle Assembly 14........................
Bevel Gear Case and Axle Case 17.............
Differential Shafts 22..........................
Axle Shafts 23................................
Input Shaft/Pinion Gear 24.....................
Differential Gear 26...........................
Pinion Gear to Ring Gear Engagement 29........
Axles, Planetaries
and Brakes

Groundsmaster 4100--DPage 6 -- 2Axles, Planetaries and Brakes
Specifications
Item Specification
Tire pressure (front and rear) 25 to 30 PSI (172 to 207 kPa)
Rear wheel toe--in 0.125 in (3.18 mm)
Planetary gear drive oil SAE 85W--140 wt. gear lube
System gear lube capacity (each wheel) 16 fl. oz. (0.47 liters)
Rear axle lubricant SAE 85W--140 wt. gear lube
System gear lube capacity 80 fl. oz. (2.37 liters)
Rear axle gear box lubricant SAE 85W--140 wt. gear lube
System gear lube capacity 16 fl. oz. (0.47 liters)
Wheel lug nut torque 85 to 100 ft--lb (115 to 135 N--m), front and rear
Steering cylinder bolt torque 100 to 125 ft--lb (139 to 169 N--m)
Planetary, brake housing and front wheel motor 75 to 85 ft--lb (101 to 115 N--m)
mounting screw torque

Groundsmaster 4100--D Page 6 -- 3 Axles, Planetaries and Brakes
General Information
Operator’s Manual
The Operator’s Manual provides information regarding
the operation, general maintenance and maintenance
intervalsforyourGroundsmastermachine.Refertothat
publicationforadditionalinformationwhenservicingthe
machine.
Axles, Planetaries
and Brakes

Groundsmaster 4100--DPage 6 -- 4Axles, Planetaries and Brakes
Service and Repairs
Brake Assembly
1. Planetary assembly
2. Retaining ring
3. Splined brake coupler
4. Brake assembly (RH)
5. O--ring
6. Hydraulic wheel motor
7. Flat washer
8. Cap screw (2 used per side)
9. Flange head screw (4 used per side)
10. Brake assembly (LH)
11. Gasket
12. Flange head screw (6 used per side)
13. Tire and wheel assembly
14. Lug nut (8 used per wheel)
15. Jam nut
16. Compression spring
17. Spring plate
18. Brake cable
Figure 1
FRONT
RIGHT
75 to 85 ft--lb
(101 to 115 N--m)
85 to 100 ft--lb
(115 to 135 N--m)
75 to 85 ft--lb
(101 to 115 N--m)
5
15
2
1
2
3
45
6
12
13
910 11
8
7
14
1
6
11
3
16 17
18
Removal (Fig. 1)
1. Parkmachineonalevel surface, lower cutting deck,
stop engine, engage parking brake and remove key
from the ignition switch.
2. Drainoilfromplanetarywheeldrive/brakeassembly.
CAUTION
When removing front wheel, use correct jacks
andsupports.Makesuremachineisparkedona
solid, level surface such as a concrete floor.
Prior to raising machine, remove any attach-
ments that may interfere with the safe and prop-
erraisingof themachine.Alwayschockorblock
wheels. Use jack stands to support the raised
machine. If the machine is not properly sup-
portedbyjackstands,themachinemaymoveor
fall, which may result in personal injury.

Groundsmaster 4100--D Page 6 -- 5 Axles, Planetaries and Brakes
3. Chockrearwheelsandjackupfrontofmachine(see
JackingInstructionsinChapter1--Safety).Supportma-
chine with suitable jack stands.
4. Remove front wheel assembly.
5. Remove hydraulic wheel motor (see Front Wheel
Motors in Service and Repairs section of Chapter 4 --
Hydraulic System).
6. Disconnect brake cable from pull rod on brake as-
sembly.
7. Support brake assembly to prevent it from falling.
8. Remove four (4) flange head screws (item 9) secur-
ingbrakeassembly tomachine.Removebrakeassem-
bly taking care to not drop splined brake coupler as
brake assembly is removed.
9. Remove splined brake coupler.
10.Completebrakeinspectionandrepair(seeBrakeIn-
spection and Repair in this section).
Installation (Fig. 1)
1. Slide splined brake coupler into brake assembly.
NOTE:Thesteppedendofthecouplermustbeinstalled
toward the hydraulic wheel motor (Fig. 2).
2. Position brake assembly to frame, aligning splined
brake coupler with input shaft on planetary wheeldrive.
3. Install four (4) flange head screws to secure brake
assembly to frame. Torque screws in a crossing pattern
from 75 to 85 ft--lb (101 to 115 N--m).
4. Install brake cable to pull rod on brake assembly.
Brake cable end should be completely threaded onto
pull rod.
5. Install new O--ring on hydraulic wheel motor. Install
wheel motor and torque cap screws from 75 to 85 ft--lb
(101 to 115 N--m).
6. Install wheel assembly.
WARNING
Failure to maintain proper torque could result in
failureorlossofwheelandmayresultinperson-
al injury.
7. Lower machine to ground. Torque lug nuts from 85
to 100 ft--lb (115 to 135 N--m).
8. Make sure drain plug is installed in bottom of brake
assembly (Fig. 3). Fill planetary wheel drive/brake as-
sembly with SAE 85W--140 gear lube. Capacity is
approximately 16 fl. oz. (0.47 liters) per wheel.
9. Check and adjust brake cables for proper brake op-
eration. If necessary, adjust brake cable jam nuts at
frame bracket so that pull rod jam nutis positioned from
0.470” to 0.530” (12.0 to 13.4 mm) from brake casting
surface when brakes are disengaged (Fig. 4).
1. Brake coupler step
2. Hydraulic motor end 3. Planetary assembly end
Figure 2
1
2
3
1. Brake housing
2. Check plug 3. Drain plug
Figure 3
1
2
3
1. Pull rod jam nut
2. Brake cable end 3. Cable jam nut
4. Brake cable
Figure 4
1234
0.470” to 0.530”
(12.0 to 13.4 mm)
Axles, Planetaries
and Brakes

Groundsmaster 4100--DPage 6 -- 6Axles, Planetaries and Brakes
Brake Service
1. Brake housing (LH shown)
2. Seal
3. Pull rod
4. Clevis pin (2 used)
5. Link
6. Hitch pin (2 used)
7. Stationary disc (4 used)
8. Rotating disc (3 used)
9. Retaining ring
10. Gasket
11. Rotating actuator
12. Extension spring (3 used)
13. Ball (3 used)
14. Plug
15. O--ring
Figure 5
3
2
45
678
9
10
14 13 12 11
15
1
5
8
8
7
7
7
Brake Inspection and Repair (Fig. 5)
1. Scrapegasketmaterial(item10)frombrakehousing
and planetary wheel drive mounting surfaces.
2. Remove retaining ring (item 9).
3. Remove four (4) stationary discs (item 7) and three
(3) rotating discs (item 8).
4. Remove three (3) extension springs (item 12).
5. Remove actuator assembly (items 11, 6, 5, 4 and 3)
and balls (item 13).
6. Remove seal (item 2) from brake housing.
7. Washpartsincleaningsolvent.Inspectcomponents
for wear or damage.
A. Thestackoffour(4)stationaryandthree(3)rotat-
ingdiscsshouldhaveaminimumthicknessof0.440”
(11.2 mm).
8. Reverse steps 2 -- 6 to assemble brakes, installing
new parts as necessary. Install a new seal (item 2).
9. Useanewgasket(item10)wheninstallingbrakeas-
sembly to machine.

Groundsmaster 4100--D Page 6 -- 7 Axles, Planetaries and Brakes
This page is intentionally blank.
Axles, Planetaries
and Brakes

Groundsmaster 4100--DPage 6 -- 8Axles, Planetaries and Brakes
Planetary Wheel Drive Assembly
1. Planetary assembly
2. Retaining ring
3. Splined brake coupler
4. Brake assembly (RH)
5. O--ring
6. Hydraulic wheel motor
7. Flat washer
8. Cap screw (2 used per side)
9. Flange head screw (4 used per side)
10. Brake assembly (LH)
11. Gasket
12. Flange head screw (6 used per side)
13. Tire and wheel assembly
14. Lug nut (8 used per wheel)
Figure 6
FRONT
RIGHT
75 to 85 ft--lb
(101 to 115 N--m)
85 to 100 ft--lb
(115 to 135 N--m)
75 to 85 ft--lb
(101 to 115 N--m)
5
3
2
1
2
3
45
6
12
13
910 11
8
7
14
1
6
11

Groundsmaster 4100--D Page 6 -- 9 Axles, Planetaries and Brakes
Removal (Fig. 6)
1. Parkmachineonalevel surface, lower cutting deck,
stop engine, engage parking brake and remove key
from the ignition switch.
2. Drainoilfromplanetarywheeldrive/brakeassembly.
CAUTION
When removing front wheel, use correct jacks
andsupports.Makesuremachineisparkedona
solid, level surface such as a concrete floor.
Prior to raising machine, remove any attach-
ments that may interfere with the safe and prop-
erraisingof themachine.Alwayschockorblock
wheels. Use jack stands to support the raised
machine. If the machine is not properly sup-
portedbyjackstands,themachinemaymoveor
fall, which may result in personal injury.
3. Chockrearwheelsandjackupfrontofmachine(see
JackingInstructionsinChapter1--Safety).Supportma-
chine with suitable jack stands.
4. Remove front wheel assembly.
5. Remove four (4) flange head screws that secure
brake assembly to planetary assembly (see Brake As-
sembly Removal in this Chapter).
6. Support hydraulic wheel motor to prevent it from fal-
ling.Removetwo (2) cap screws thatsecure wheelmo-
tor to planetary assembly.
7. Supportplanetaryassemblytopreventitfromfalling.
Loosen and remove flange head screws that secure
planetary assembly to frame. Remove planetary as-
sembly from machine.
Installation (Fig. 6)
1. Inspectgasketbetweenbrakeandplanetaryassem-
blies. Replace as needed.
2. Position planetary assembly to machine. Install
flange head screws that secure planetary assembly to
frame. Torque screws from 75 to 85 ft--lb (101 to 115
N--m).
3. Secure brake assembly to planetary assembly with
four(4)flangeheadscrews(seeBrakeAssemblyInstal-
lationinthisChapter).Torquescrewsfrom75to85ft--lb
(101 to 115 N--m).
4. Securehydraulicwheelmotortoplanetaryassembly
withtwo(2)capscrews.Torquescrewsfrom75to85ft--
lb (101 to 115 N--m).
5. Install wheel assembly.
WARNING
Failure to maintain proper torque could result in
failureorlossofwheelandmayresultinperson-
al injury.
6. Lower machine from jack stands. Torque lug nuts
from 85 to 100 ft--lb (115 to 135 N--m).
7. Make sure drain plug is installed in bottom of brake
assembly (Fig. 7). Fill planetary wheel drive/brake as-
sembly with SAE 85W--140 gear lube. Capacity is
approximately 16 fl. oz. (0.47 l) per wheel.
8. Check for proper brake operation.
1. Brake housing
2. Wheel motor cap screw
3. Brake flange screw
4. Planetary flange screw
5. Brake drain plug
Figure 7
12
3
5
4
4
Axles, Planetaries
and Brakes

Groundsmaster 4100--DPage 6 -- 10Axles, Planetaries and Brakes
Planetary Wheel Drive Service
1. Spindle
2. Boot seal
3. Bearing cone
4. Bearing cup
5. Wheel stud (8 used)
6. Housing
7. Bearing cup
8. Bearing cone
9. Thrust washer
10. Retaining ring (external)
11. Ring gear
12. Retaining ring (internal)
13. Plug (2 used)
14. End cap
15. Thrust plug
16. Thrust washer
17. Drive shaft
18. Carrier assembly
19. Socket head screw (16 used)
20. Lock washer (16 used)
21. O--ring
22. O--ring
23. Dowel pin (2 used)
24. Seal
Figure 8
9ft--lb
(12 N--m)
1
23
4
19 20 6
78
910
23
511
13
14
15
16 12
17
21
22
18
24
21

Groundsmaster 4100--D Page 6 -- 11 Axles, Planetaries and Brakes
NOTE: Theplanetarywheeldriveassemblycanbeser-
viced with the planetary installed to machine. If the
spindle(item1)needstoberemovedfrommachine,see
Planetary Wheel Drive Assembly Removal in this sec-
tion.
Disassembly (Figs. 8 and 9)
1. Ifplanetary wheeldriveassemblyis installed onma-
chine:
A. Park machine on a level surface, lower cutting
decks,stop engineandremove key fromtheignition
switch.
B. Drain oil from planetary wheel drive/brake as-
sembly.
C. Chock rear wheels and jack up front of machine
(see Jacking Instructions in Chapter 1 -- Safety).
Support machine with jack stands.
D. Remove front wheel assembly.
2. Remove retaining ring (item 12).
3. Removeendcap(item14).Thrustplug(item15)and
thrust washer (item 16) usually remain in end cap bore
and should be removed for cleaning and inspection.
4. Remove drive shaft assembly (items 17).
5. Remove carrier assembly (item 18).
6. If wheel stud (item 5) removal is necessary, use
press to extract stud(s) from housing.
NOTE: Steps 6 through 10 are necessary only if in-
specting or replacing bearings and/or seals.
IMPORTANT: Do not reuse retaining ring (item 10)
after it has been removed.
7. Remove retaining ring (item 10) and thrust washer
(item 9). Discard retaining ring.
8. Remove housing (item 6) from spindle (item 1). Re-
move outer bearing cone (item 8).
9. Remove and discard all seals and O--rings (items 2,
21 and 24).
10.If bearings will be replaced, remove inner bearing
cone (item 3) from housing. Remove bearing cups
(items 4 and 7) from housing.
11.If necessary, remove socket head screws (item 19)
with lock washers (item 20) that secure ring gear (item
11)tohousing.Removeringgearandtwo(2)dowelpins
(item 23) from housing.
Figure 9
12
3
4
5
6
7
8
9
11 12
13
14
15
16
17
18
19
20 21
22
23
24
10 21
Assembly (Figs. 8 and 9)
1. Thoroughlycleanpartsinsolventanddrycompletely
after cleaning. Inspect parts for damage or excessive
wear and replace as necessary.
NOTE: Use new seal and shim kits when assembling
planetary wheel drive.
2. If spindle and housing were separated:
A. Press bearing cups (items 4 and 7) into housing.
Cupsshouldbepressedfullytoshoulderofthehous-
ing bore.
B. Set inner bearing cone (item 3) into bearing cup
(item 4) that is installed in housing.
C. Makesurethatsealboreinhousingisthoroughly
cleaned. If ODof seal (item 24) is notrubber or does
not have a sealant coating, apply light coating ofsili-
conesealantto seal bore inhousing.Install seal into
housing so it is flush with housing face. Lightly
grease seal lips.
D. Packbootseal(item2) withgreaseand installon
housing.
E. If ring gear was removed from housing, place
dowel pins (item 23) in housing. Secure ring gear to
housingwithlockwashers(item20)andsockethead
screws(item19).Torquesocketheadscrewsto9ft--
lb (12 N--m).
Axles, Planetaries
and Brakes

Groundsmaster 4100--DPage 6 -- 12Axles, Planetaries and Brakes
F. Lightly oilbearingjournals onspindleshaft.Slide
housingontospindle(item1)takingcaretonotdam-
age seal or spindle. Make sure that bearing inhous-
ing fully seats against spindle shaft shoulder.
G. Install outer bearing cone (item 8) onto spindle.
NOTE: Theplanetaryshimkitincludestheretaining
ring and several thrust washers with thickness in in-
cremental steps of 0.004 in. (0.10 mm).
H. Measure thickness of thrust washer (item 9) that
was removed during disassembly. Choose new
thrustwasherofequalthicknessorthenextavailable
thickness from thrust washers in the shim kit.
I. Apply a light coating of oil to spindle shaft, thrust
washer and retaining ring. Install thrust washer onto
spindle shaft.
WARNING
If retaining ring (item 10) is not fully installed in
spindle groove, loss of wheel and personal inju-
ry may result.
J. Carefully install new retaining ring (item 10) into
the spindle shaft groove taking care to not distort
ring. If the proper thrust washer has been installed,
theretainingringshould fittightlybetweenthe thrust
washer and spindle groove. Tap the OD of the retai-
ning ring starting in the center and working out to-
ward each end to ensure that the retaining ring is
properlyseatedintothespindlegroove.Aftercorrect
assembly, make sure that retaining ring ID is fully
seated to spindle shaft groove.
K. After retaining ring is installed, make sure that
there is no endplay in assembly. If required, remove
retaining ring and install a thrust washer of different
thickness to adjust endplay.
L. Install new O--ring (item 21) to housing.
3. Install carrier assembly (item 18) making sure that
carrier gear teeth align with ring gear and spline on
spindle shaft.
4. Install drive shaft (item 17) making sure that drive
shaft spline aligns with carrier gears.
5. Install thrust plug (item 15) and thrust washer (item
16) into end cap (item 14). Make sure that thrust plug
and thrust washer are captive on inside of end cap.
6. InstallnewO--ring(item 21)toend cap(item 14)and
theninstallendcap.Securecapwithretainingring(item
12).
7. Check operation of planetary wheel drive. With a
constant turning force applied, rotation of the planetary
should be consistent. If there is more drag at certain
points, gears are not rolling freely and the planetary
shouldbeexaminedforimproperassemblyordamaged
components.
8. Ifplanetary wheeldriveassemblyis installed onma-
chine:
A. Install wheel assembly.
WARNING
Failure to maintain proper wheel lug nut torque
could result in failure or loss of wheel and may
result in personal injury.
B. Lowermachinefromjackstands.Torquelugnuts
from 85 to 100 ft--lb (115 to 135 N--m).
C. Make sure drain plug is installed in bottom of
brakeassembly.Fill planetary wheeldrive/brakeas-
sembly with SAE 85W--140 gear lube. Capacity is
approximately 16 fl. oz. (0.47 liters) per wheel.

Groundsmaster 4100--D Page 6 -- 13 Axles, Planetaries and Brakes
This page is intentionally blank.
Axles, Planetaries
and Brakes

Groundsmaster 4100--DPage 6 -- 14Axles, Planetaries and Brakes
Rear Axle Assembly
1. Frame
2. Cap screw (6 used)
3. Flat washer
4. Bulkhead lock nut (2 used)
5. Washer
6. Thrust washer (thick)
7. Grease fitting (2 used)
8. Rear axle assembly
9. Thrust washer (thin)
10. Washer head screw
11. Pivot pin
12. Rear frame mount
13. Washer
14. Lock nut
15. Flange nut
16. Rear bumper
17. Hydraulic manifold (4WD)
18. Cap screw (2 used)
19. Flange nut (2 used)
Figure 10
FRONT
RIGHT
1
2
3
4
6
7
8
9
10
11
12
16
17
13 14
5
15
18
19
See text for
tightening
procedure
Removal (Fig. 10)
1. Parkmachineonalevel surface, lower cutting deck,
stop engine, engage parking brake and remove key
from the ignition switch.
CAUTION
When changing attachments, tires or perform-
ing other service, use correct jacks and sup-
ports. Make sure machine is parked on a solid,
level surface such as a concrete floor. Prior to
raising machine, remove any attachments that
may interfere with the safe and proper raising of
themachine.Alwayschockorblockwheels.Use
jack stands to support the raised machine. If the
machine is not properly supported by jack
stands, the machine may move or fall, which
may result in personal injury.
2. Chockfrontwheelsandjackuprearofmachine(see
JackingInstructionsinChapter1--Safety).Supportma-
chine with suitable jack stands.
3. Drain oil from rear axle and axle gearbox.
4. Remove both wheels from rear axle.
5. Remove hydraulic motor from rear axle assembly
(seeRearAxleMotorintheServiceandRepairssection
of Chapter 4 -- Hydraulic System).
6. Remove steering cylinder from rear axle (see Steer-
ingCylinderintheServiceandRepairssectionofChap-
ter 4 -- Hydraulic System).
7. Disconnect both steering cylinder hydraulic hoses
from hydraulic tubes at rear frame mount (Fig. 11). Re-
movebulkheadlocknutsandwashersthatsecuresteer-
ing cylinder hydraulic tubes to rear frame mount.
Separate tubes from frame mount.

Groundsmaster 4100--D Page 6 -- 15 Axles, Planetaries and Brakes
8. Removecap screwandflange nutthatsecures front
corner of 4WD hydraulic manifold to rear frame mount.
9. If required, remove tie rod ends from steering arms
onrearaxle(Fig.12).Removethecotterpinsandcastle
nuts from the tie rod ball joints. Use a ball joint fork and
remove the tie rod ends from the axle steering arms.
10.Support rear axle to prevent it from falling. Remove
six (6) cap screws, flat washersand flange nuts that se-
cure rear frame mount to equipment frame. Lower rear
axle and rear frame mount from machine.
11.Remove lock nut and washer from pivot pin that at-
taches rear axle to rear frame mount. Remove washer
head screw that secures flange of pivot pin to frame
mount (Fig. 13).
12.Remove pivot pin. Separate rear frame mount from
rear axle. Note location of thrust washers on both ends
of axle mounting boss.
Installation (Fig. 10)
1. Position rear frame mount to axle. Install thrust
washersbetweenaxleboss andframe mount.Thethin-
ner thrust washer should be installed on the hydraulic
motor end of the axle (toward the rear of the machine).
With washers installed, there should be from 0.002” to
0.020” (0.05 mm to 0.51 mm) clearance between rear
framemountand axle mounting boss. Add thrustwash-
ers if needed to adjust clearance.
2. Install axle pivot pin to secure axle to rear frame
mount. Tighten lock nut and then loosen it slightly to al-
low the axle pin to pivotfreely. Secure pivot pin to frame
mount with washer head screw (Fig. 13).
3. If removed, install the tie rod to rear axle (Fig. 12).
Tighten ball joint castle nuts and install new cotter pins.
4. Position axle and rear mount under machine with a
jack. Raise assembly to machine frame and align
mounting holes of rear mount and machine frame.
5. Secure rear mount to frame with six (6) cap screws,
flat washers and flange nuts.
6. Install cap screw and flange nut that secures front
corner of 4WD hydraulic manifold to rear frame mount.
7. Attachsteeringcylinderhydraulictubestorearframe
mount with washers and bulkhead lock nuts (Fig. 11).
Install steering cylinder hoses to hydraulic tubes.
1. Hydraulic hose
2. Hydraulic hose
3. Hydraulic tube
4. Hydraulic tube
5. Rear frame mount
Figure 11
4
3
2
1
5
1. Tie rod
2. Dust cover
3. Cotter pin
4. Castle nut
5. Tie rod end
6. Steering arm (LH)
Figure 12
1
2
3
5
4
6
1. Pivot pin 2. Washer head screw
Figure 13
12
Axles, Planetaries
and Brakes

Groundsmaster 4100--DPage 6 -- 16Axles, Planetaries and Brakes
8. Installsteeringcylinder toaxleassembly(seeSteer-
ingCylinderInstallationin the Service and Repairs sec-
tion of Chapter 4 -- Hydraulic System).
9. Install hydraulic motor to axle assembly (see Rear
Axle Motor Installation in the Service and Repairs sec-
tion of Chapter 4 -- Hydraulic System).
10.Install wheels to axle.
WARNING
Failure to maintain proper wheel lug nut torque
couldresultinfailureorlossofwheelandmayre-
sult in personal injury.
11.Lower machine to ground. Torque wheel lug nuts
from 85 to 100 ft--lb (115 to 135 N--m).
12.Fill axle and input gearbox with SAE 85W--140
weightgearlube.Lubricantcapacityisapproximately80
fl. oz. (2.37 liters) for the axle and 16 fl. oz. (0.47 liters)
for the gearbox.
13.Check rear wheel toe--in and adjust if necessary.
14.Check steering stop bolt adjustment. When the
steering cylinder is fully extended (right turn), a gap of
1/16” (1.6 mm) should exist between bevel gear case
casting and stop bolt on left axle case. Figure 14shows
stop bolt location.
1. Steering stop bolt 2. Bevel gear case (LH)
Figure 14
1
2

Groundsmaster 4100--D Page 6 -- 17 Axles, Planetaries and Brakes
Bevel Gear Case and Axle Case
The following procedures assume the rear axle assem-
blyhasbeenremovedfromthemachine(see RearAxle
Assembly Removal in this section).
Bevel Gear Case and Axle Case Removal
1. Remove the mounting screws, nuts and lock wash-
ers. Remove the bevel gear case/axle case assembly
and O-ring from the axle support (Fig. 15).
2. Mark both right and left bevel gear case/axle case
assemblies.
IMPORTANT: Do not interchange right and left bev-
el gear case/axle case assemblies.
1
23
4
5
6
1. Cap screw (4 used)
2. Lock nut (2 used)
3. Lock washer (2 used)
4. Axle support
5. Bevel gear case/axle
case assembly
6. O-ring
Figure 15
35 to 41 ft--lb
(47to56N--m)
35 to 41 ft--lb
(47to56N--m)
3. Remove the axle cover mounting screws. Remove
theaxlecoverfromtheaxlecaseasanassembly
(Fig. 16).
1. Axle case
2. Axle cover assembly 3. Mounting screw (6 used)
4. O-ring
Figure 16
1
2
3
4
17 to 20 ft--lb
(23to27N--m)
4. Removetheaxlecasesupportmountingscrews,the
axle case support and the support shims (Fig. 17).
1. Axle case
2. Axle case support 3. Mounting screw (2 used)
4. Support shim
Figure 17
1
2
3
4
57 to 67 ft--lb
(77to91N--m)
Threadlocking
Compound
Axles, Planetaries
and Brakes

Groundsmaster 4100--DPage 6 -- 18Axles, Planetaries and Brakes
5. Remove the knuckle pin mounting screws and the
knucklepin.Removethegasketandanyremaininggas-
ket material from either mating surface (Fig. 18).
6. Whileholdingthebevelgearcase,taptheupperend
of the bevel gear shaft out of the upper bearing and up-
per bevel gear.
7. Pull the bevel gear case from the axle case and re-
move the upper bevel gear and collar from the gear
case.
8. Remove the axle case cover screws, cover and the
O-ring from the axle case.
9. Removetheplugandsealingwasherfromthecenter
of the axle case cover. While holding the axle case cov-
er, lightly tap thelowerendof the bevel gearshaftout of
the lower bearing and lower bevel gear.
10.Remove and discardbevelgearshaftsealfromaxle
case (Fig. 18).
1. Knuckle pin
2. Mounting screw (4 used)
3. O--ring
4. Bevel gear case
5. Upper bearing
6. Bevel gear shaft
7. Collar
8. Upper bevel gear
9. Lower bevel gear
10. Lower bearing
11. Axle case
12. Axle case cover
13. O-ring
14. Shaft seal
15. Bushing
Figure 18
1
2
3
4
5
6
7
8
9
10
11
12
13
14
15
17 to 20 ft--lb
(23to27N--m)
17 to 20 ft--lb
(23to27N--m)
Threadlocking
Compound
Bevel Gear Case and Axle Case Inspection
1. MeasuretheknucklepinO.D.andtheaxlecasesup-
port bushing I.D. to determine the bushing to pin clear-
ance (Fig. 19). Replace components as necessary.
BUSHING TO PIN CLEARANCE:
0.002 to 0.016 in. (0.05 to 0.40 mm)
KNUCKLE PIN O.D. (Factory Spec.):
0.982 to 0.983 in. (24.95 to 24.98 mm)
AXLE CASE SUPPORT BUSHING I.D.
(Factory Spec.):
0.984 to 0.987 in. (25.00 to 25.08 mm)
2. Inspectallgears,shafts,bearings,casesandcovers
for damage and wear. Replace components as neces-
sary.
1. Knuckle pin 2. Axle case support
Figure 19
1
2

Groundsmaster 4100--D Page 6 -- 19 Axles, Planetaries and Brakes
Bevel Gear Case and Axle Case Installation
1. Coat new shaft seal with grease and install in axle
case as shown (Fig. 20).
1. Axle case
2. Bevel gear case 3. Shaft seal
Figure 20
1
2
3
2. Install the lower bevel gear and bevel gear shaft in
the axle case cover. Coat a new O-ring with grease and
install the axle case cover (Fig. 21). Tighten cover
screws from 17 to 20 ft-lb (23 to 27 N--m).
3. Slide the bevel gear case over the bevel gear shaft
andinstallthebevelgearandcollar.Makesurethebevel
gear shaft is completely seated in the upper and lower
bearings (Fig. 21).
4. Install the knuckle pin. Use medium strength Loctite
thread locker and tighten the knuckle pin mounting
screws from 17 to 20 ft-lb (23 to 27 N--m).
1. Axle case cover
2. Lower bevel gear
3. Bevel gear shaft
4. Lower bearing
5. Upper bevel gear
6. Collar
7. Upper bearing
8. Knuckle pin
Figure 21
1
2
3
4
5
6
7
8
Axles, Planetaries
and Brakes

Groundsmaster 4100--DPage 6 -- 20Axles, Planetaries and Brakes
5. Determine necessary quantity of support shims.
A. Lubricate the axle case support bushing with a
thin coat of grease and slide axle case support onto
knuckle pin.
B. Positionsupportshimsthatwereremovedduring
disassembly between axle case support and axle
case. Install mounting screws into axle case. Slowly
tighten screws while frequently checking for clear-
ance (vertical endplay) between axle case support
and knuckle pin. If binding of components is noted
beforescrewsarefullytightened,addadditionalsup-
portshims.Torquescrewsfrom57 to 67 ft--lb (77 to
91 N--m).
C. Use dial indicator to measure vertical endplay of
axle case (Fig. 22).
AXLE CASE ASSEMBLY ENDPLAY:
0.001 to 0.008 in. (0.02 to 0.20 mm)
D. Adjustendplaybyincreasingorreducingnumber
of axle case support shims.
NOTE: Axle case support shims are available in
0.004 in. (0.1 mm), 0.008 in. (0.2 mm) and 0.016 in.
(0.4 mm) thickness.
6. After correct support shims have been determined,
removemountingscrews,applyheavystrengththread--
locking compound to screw threads, reinstall screws
and torque from 57 to 67 ft--lb (77 to 91 N--m).
IMPORTANT: Correct engagement between bevel
gears is critical to axle performance and durability.
7. Temporarilyinstallthebevelgearcase/axlecaseas-
sembly on the axle support. Position a dial indicator at
the tooths center. Prevent the axle from turning and
measure the upper bevel gear to differential shaft gear
backlash (Fig. 23).
UPPER BEVEL GEAR BACKLASH:
0.004 to 0.016 in. (0.10 to 0.40 mm)
8. Adjustbacklashbyincreasingorreducingaxlebear-
ingshimthickness(seeDifferentialShaftsinthissection
of this manual).
NOTE: Axle bearing shims are available in 0.004 in.
(0.1 mm), 0.008 in. (0.2 mm) and 0.020 in. (0.5 mm)
thickness.
1. Axle case support
2. Axle case
3. Bevel gearcase
4. Dial indicator
5. Knuckle pin
6. Support shim location
Figure 22
1
2
4
5
3
6
VERTICAL
ENDPLAY
57 to 67 ft--lb
(77to91N--m)
12
3
4
5
1. Axle support
2. Upper bevel gear
3. Differential shaft gear
4. Dial indicator
5. Axle bearing shims
Figure 23
1. Axle cover assembly
2. Lower bevel gear
3. Axle gear
4. Dial indicator
5. Axle bearing shims
Figure 24
1
23
45

Groundsmaster 4100--D Page 6 -- 21 Axles, Planetaries and Brakes
9. Remove the bevel gear case/axle case assembly
from the axle support. Coat a new O-ring with grease
andtemporarilyinstalltheaxlecoverassembly.Position
a dial indicator at the tooths center. Prevent the axle
from turning and measure the lower bevel gear to axle
gear backlash (Fig. 24).
LOWER BEVEL GEAR BACKLASH:
0.004 to 0.016 in. (0.10 to 0.40 mm)
10.Adjustbacklashbyincreasingorreducingaxlebear-
ingshimthickness(seeAxleShaftsinthissectionofthis
manual).
NOTE: Axle bearing shims are available in 0.008 in.
(0.2 mm), 0.012 in. (0.3 mm) and 0.020 in. (0.5 mm)
thickness.
11.Tighten axle cover screws from 17 to 20 ft-lb (23 to
27 N--m).
12.Coat a new O-ring with grease and install the bevel
gear case/axle case assembly on the axle support.
Tighten mounting screws and nuts from 35 to 41 ft-lb
(47to56N--m)(Fig. 15).
Axles, Planetaries
and Brakes

Groundsmaster 4100--DPage 6 -- 22Axles, Planetaries and Brakes
Differential Shafts
The following procedures assume the rear axle assem-
blyhasbeenremovedfromthemachine(see RearAxle
Assembly Removal in this section).
Differential Shaft Removal
IMPORTANT: Do not interchange right and left dif-
ferential shaft assemblies.
1. Remove the mounting screws, nuts and lock wash-
ers. Remove the bevel gear case/axle case assembly
and O-ring from the axle support (Fig. 25).
2. Markandpullthedifferentialshaftassemblyfromthe
axle support.
3. Remove the retaining ring and bevel gear (Fig 26).
4. Drive the differential shaft out of the bearings. Re-
move the bearings and bearing shims.
5. Inspect all gears, shafts, bearings and cases for
damage and wear. Replace components as necessary.
Differential Shaft Installation
1. Press bearings onto differential shaft. Place correct
combination of bearing shims in axle support and drive
differential shaft and bearing assembly into axle sup-
port.
2. Install bevel gear and retaining ring.
3. Coat new O-ring with grease. Align differential shaft
splines with differential gear assembly and slide differ-
ential shaft assembly onto axle support.
4. Install bevel gear case/axle case assembly (see
BevelGear Case/Axle CaseAssemblyinthissectionof
this manual).
1
23
4
5
6
1. Cap screw (4 used)
2. Lock nut (2 used)
3. Lock washer (2 used)
4. Axle support
5. Bevel gear/axle case
assembly
6. O-ring
7. Stud (2 used)
Figure 25
7
35 to 41 ft--lb
(47to56N--m)
35 to 41 ft--lb
(47to56N--m)
1
2
3
4
5
6
1. Retaining ring
2. Bevel gear
3. Differential shaft
4. Bearing
5. Bearing shims
6. O-ring
Figure 26

Groundsmaster 4100--D Page 6 -- 23 Axles, Planetaries and Brakes
Axle Shafts
The following procedures assume the rear axle assem-
blyhasbeenremovedfromthemachine(see RearAxle
Assembly Removal in this section).
Axle Shaft Removal
1. Remove the axle cover mounting screws. Remove
theaxlecoverfromtheaxlecaseasanassembly
(Fig. 27).
2. Useabearingpullertoremovethebearingandbevel
gear as shown (Fig. 28).
3. Remove the shims, spacer and retaining ring. Drive
the axle out of the bearing and cover. Remove and dis-
card the axle shaft seal.
4. Inspect all gears, shafts, bearings, spacers and
cases for damage and wear. Replace components as
necessary.
Axle Shaft Installation
1. Coat new axle shaft seal with grease and install in
axle cover as shown (Fig. 29).
2. Press the axle cover and bearing assembly onto the
axle shaft. Press only on the inner race of the cover
bearing (Fig. 29).
3. Installretainingring,spacerandcorrectcombination
of bearing shims. Install bevel gear and bearing.
4. Coat a new O-ring with grease and install the axle
cover assembly. Tighten axle cover screws from 17 to
20 ft-lb (23 to 27 N--m).
1
2
3
4
1. Axle case
2. Axle cover assembly 3. Mounting screw (6 used)
4. O-ring
Figure 27
17 to 20 ft--lb
(23to27N--m)
1. Bearing
2. Bevel gear
3. Bearing shims
4. Spacer
5. Retaining ring
Figure 28
1
2
3
4
5
1. Axle shaft seal
2. Axle cover 3. Bearing
4. Axle shaft
Figure 29
1
23
4
Axles, Planetaries
and Brakes

Groundsmaster 4100--DPage 6 -- 24Axles, Planetaries and Brakes
Input Shaft/Pinion Gear
Figure 30
1
1. Nut (2 used)
2. Lockwasher (2 used)
3. Stud (2 used)
4. Locknut
5. Stake washer
6. Oil seal
7. O-ring
8. Seal collar
9. Bearing
10. O-ring
11. Input shaft/pinion gear
12. Bearing case
13. Shim
14. Screw (2 used)
15. Gear case
16. Gasket
17. Cover plate
18. Dowel pin
2
3
4
5
6
7
8
9
10
9
11
12
13
14
15
16
17
10
18
18
35 to 41 ft--lb
(47to56N--m)
35 to 41 ft--lb
(47to56N--m)
The following procedures assume the rear axle assem-
blyhasbeenremovedfromthemachine(see RearAxle
Assembly Removal in this section).
Removal (Fig. 30)
1. Remove the cover plate, gasket and gear case as-
semblyfromtheaxleassembly.Removethegasketand
any remaining gasket material.
2. Removethe retaining ringsandthedriven gearfrom
the input shaft/pinion gear.
3. Remove input shaft/pinion gear assembly from the
gear case. Remove the shims and bearing case O-
rings.
4. Release the stake washer and remove the locknut.
Remove and discard the stake washer.
5. Drive the input shaft/pinion gear out from the outer
bearing cone and bearing case. Remove and discard
the oil seal and O-ring.
6. Inspect all gears, shafts, bearings, spacers and
cases for damage and wear. Replace components as
necessary.
NOTE: Replacement input shaft/pinion gears are only
available in matched ring and pinion sets.
Installation (Fig. 30)
NOTE: When installing new bearing cones, press only
on the inner race of the bearing cone.
1. If the inner bearing cone was removed, press a new
bearingconeallthewayontotheinputshaft/piniongear.
2. Place the shaft and bearing assembly in the bearing
case and install the outer bearing cone.
NOTE: The bearings must be completely seated.
There should be no input shaft/pinion gear end play.
3. Coat a new oil seal with grease and install as shown
(Fig. 31). The seal should be installed with the garter
spring towards the hydraulic motor.
4. Coat new O-ring with grease. Install O-ring in the oil
seal collar and install the collar.
5. Install a new stake washer. Install the lock nut finger
tight.
6. Setthebearingpreloadbysecuringthebearingcase
in a vise. Thread a M12 x 1.5 hex head cap screw into
thesplinedendof the inputshaft/piniongear and slowly
tighten the locknut until 4to6in-lb(0.4to0.7N--m)of
force is required to rotate the input shaft/pinion gear in
the bearing case.

Groundsmaster 4100--D Page 6 -- 25 Axles, Planetaries and Brakes
7. Secure the lock nut with the stake washer.
8. Useadepthgaugetomeasurethedistancefromthe
endfaceoftheinputshaft/piniongeartothematingsur-
face of the bearing case. Subtract the “Design Cone
Center Distance” from this distance to determine initial
shim thickness (Fig. 32).
DESIGN CONE CENTER DISTANCE (distance
from mating surface of axle support to end face of
pinion gear):
1.870 + 0.002 in. (47.5 + 0.05 mm)
NOTE: Bearing case shims are available in 0.004 in.
(0.1 mm) and 0.008 in. (0.2 mm) thickness.
9. CoatnewO-ringswithgreaseandinstallthebearing
caseinthegearcase.Placeshimsonthegearcaseand
temporarily install gear case assembly into axle case.
Tighten mounting nuts and screws from 35 to 41 ft-lb
(47to56N--m).
10.Insert a screwdriver through the drain plug hole to
hold ring gear and measure the pinion gear to ring gear
backlash (Fig. 33).
PINION GEAR TO RING GEAR BACKLASH:
0.004 to 0.016 in. (0.10 to 0.40 mm)
11.Adjustbacklashbyincreasingorreducinggearcase
shim thickness.
12.Checkpiniongeartoringgearengagement(seePin-
ionGeartoRingGearEngagementinthissectionofthis
manual).
13.Place the correct combination of shims on the gear
case. Tighten mounting nuts and screws from 35 to 41
ft-lb (47 to 56 N--m).
14.Install retaining rings and driven gear on input shaft/
pinion gear.
15.If thedrivegear (ondrivemotorshaft)wasremoved,
install the retaining rings and drive gear on the motor
shaft.
16.Use a new gasket and install the cover plate.
1. Oil seal
2. Bearing case 3. Seal garter spring
Figure 31
0.040 in. (1.0 mm)
1
2
3
1. Input shaft/pinion gear 2. Bearing case
Figure 32
1
2
Design
Cone Center
Distance
1. Axle case
2. Screwdriver 3. Dial indicator
4. Input shaft/pinion gear
Figure 33
1
2
3
4
Axles, Planetaries
and Brakes

Groundsmaster 4100--DPage 6 -- 26Axles, Planetaries and Brakes
Differential Gear
The following procedures assume the rear axle assem-
blyhasbeenremovedfromthemachine(see RearAxle
Assembly Removal in this section).
Differential Gear Removal
1. Removebevelgearcase/axlecaseassemblies(see
BevelGear Case/Axle CaseAssemblyinthissectionof
this manual).
IMPORTANT: Do not interchange right and left dif-
ferential shafts assemblies.
2. Mark and pull the differential shaft assemblies from
the axle support.
3. Remove input shaft/pinion gear assembly, shims
and O-ring from the axle support (Fig. 34).
4. Removetheaxlesupportcasescrews.Separatethe
axle support halves and remove the O-ring.
5. Removethedifferentialgearassembly,bearingsand
adjusting shims from the axle case.
6. Drive the spring pin from the differential case with a
punch and hammer. Discard the spring pin (Fig. 35).
NOTE: Mark and arrange all components so they can
be reassembled in their original position.
7. Remove the differential pinion shaft, pinion gears
and pinion washers. Remove the differential side gears
and side gear shims. Remove the ring gear only if it will
be replaced (Fig. 36).
NOTE: Replacement ring gears are only available in
matched ring and pinion sets.
1. Gear Case
2. Pinion Gear
3. Axle support (left)
4. Axle support (right)
5. Case screw (8 used)
6. Differential gear
7. O-ring
Figure 34
1
3
4
5
6
7
2
35 to 41 ft--lb
(47to56N--m)
35 to 41 ft--lb
(47to56N--m)
1. Differential case 2. Spring pin
Figure 35
1
2
1. Differential pinion shaft
2. Pinion gear
3. Pinion washer
4. Side gear
5. Side gear shims
6. Ring gear
7. Differential case
8. Bolt/washer (8 used)
1
Figure 36
2
3
45
6
7
3
2
4
5
22 to 25 ft--lb
(30to34N--m)
Threadlocking
Compound
8

Groundsmaster 4100--D Page 6 -- 27 Axles, Planetaries and Brakes
Differential Gear Inspection
1. Measure the differential side gear O.D. and the dif-
ferential case I.D. to determine the side gear to case
clearance(Fig.37).Replacecomponentsasnecessary.
SIDE GEAR TO CASE CLEARANCE:
0.002 to 0.012 in. (0.05 to 0.30 mm)
SIDE GEAR O.D. (Factory Spec.):
1.335 to 1.337 in. (33.91 to 33.95 mm)
DIFFERENTIAL CASE I.D. (Factory Spec.):
1.339 to 1.341 in. (34.00 to 34.06 mm)
2. Measure the differential pinion shaft O.D. and the
pinion gear I.D. to determine the pinion shaft to pinion
gear clearance (Fig. 38). Replace components as nec-
essary.
PINION SHAFT TO PINION GEAR CLEARANCE:
0.001 to 0.010 in. (0.03 to 0.25 mm)
PINION SHAFT O.D. (Factory Spec.):
0.550 to 0.551 in. (13.97 to 13.10 mm)
PINION GEAR I.D. (Factory Spec.):
0.551 to 0.552 in. (13.10 to 14.02 mm)
3. Inspectallgears,shafts,bearings,casesandcovers
for damage and wear. Replace components as neces-
sary.
1. Side gear 2. Differential case
Figure 37
1
2
1. Pinion shaft 2. Pinion gear
Figure 38
1
2
Axles, Planetaries
and Brakes

Groundsmaster 4100--DPage 6 -- 28Axles, Planetaries and Brakes
Differential Gear Installation
1. If the ring gear was removed, use medium strength
thread locking compound and tighten the mounting
screws from 22 to 25 ft-lb (30 to 34 N--m).
2. Apply molybdenum disulfide grease to the splines
andbearingsurfacesofthedifferentialpiniongears,pin-
ion washers and side gears.
3. Install the side gear shims and side gears in their
original location in the differential case.
4. Place the differential pinion gears and pinion wash-
ersintheiroriginallocation in thedifferential case.Tem-
porarily install the differential pinion shaft.
5. Secure the differential case in a vise. Position a dial
indicator at the tooths center and measure the differen-
tial pinion gear to side gear backlash (Fig. 39).
PINION GEAR TO SIDE GEAR BACKLASH:
0.004 to 0.016 in. (0.10 to 0.40 mm)
6. Adjust backlash by increasing or reducing side gear
shim thickness.
NOTE: Side gear shims are available in 0.043 in. (1.1
mm), 0.047 in. (1.2 mm) and 0.051 in. (1.3 mm) thick-
ness.
7. Apply gear marking compound, such as DyKemR
Steel Blue lightly over several gear teeth.
8. While applying a light load to either side gear, rotate
either pinion gear until the side gears have made one
complete revolution.
9. Ideal tooth contact should cover more than 35% of
each tooth surface. The contact area should be in the
center of each tooth and extend 1/3 to 1/2 way across
each tooth from the toe (small) end (Fig. 40).
10.Adjust side gear shims if necessary to correct tooth
contact. Recheck differential pinion gear to side gear
backlash if any changes are made.
11.After backlash and tooth contact have been ad-
justed, align the hole in the differential pinion shaft with
the hole in the differential case and install a new spring
pin.
1. Vise
2. Differential gear case 3. Dial indicator
Figure 39
1
2
3
Figure 40
More than 35% total tooth contact
1/3 to 1/2 of entire width
from small end of tooth
12.Install differential gear assembly in right side axle
support half.
13.Coat a new O-ring with grease and install left side
axlesupporthalf.Tightenaxlesupportcasescrewsfrom
35 to 41 ft-lb (47 to 56 N--m).
14.Install input shaft/pinion gear assembly (see Input
shaft/Pinion in this section of this manual).
15.CoatnewO-ringswithgrease,aligndifferentialshaft
splines with differential gear assembly and slide differ-
ential shaft assemblies onto axle support.
16.Install bevel gear case/axle case assemblies (see
BevelGear Case/Axle CaseAssemblyinthissectionof
this manual).

Groundsmaster 4100--D Page 6 -- 29 Axles, Planetaries and Brakes
Pinion Gear to Ring Gear Engagement
The final position of the pinion gear is verified by using
the gear contact pattern method as described in the fol-
lowing procedure.
GEAR TOOTH DEFINITIONS (Fig. 41):
Toe -- the portion of the tooth surface at the end to-
wards the center.
Heel -- the portion of the gear tooth at the outer end.
Top Land -- top surface of tooth.
1. Paint the teeth of the ring gear, both drive and coast
side,withagearmarkingcompound,suchasDyKemR
Steel Blue.
2. Install the input shaft/pinion gear assembly into axle
case.
3. Whileapplyingalight loadtotheringgear,rotatethe
piniongearinthedirectionofforwardtraveluntilthering
gear has made one complete revolution.
Ideal tooth contact observed on the ring gear should
covermorethan35%ofeachtoothsurface.Thecontact
areashouldbeinthecenterofeachtoothandextend1/3
to 1/2 way across each tooth from the toe end (Fig. 42).
Adjustments to the gear contact position are made by
movingtheinputshaft/piniongear(bearingcaseshims)
orbymovingthedifferentialgearcase(differentialbear-
ing shims) (Fig. 43).
NOTE: Bearing case shims are available in 0.004 in.
(0.10 mm) and 0.008 in. (0.20 mm) thickness.
NOTE: Differential bearing shims are available in
0.004 in. (0.10 mm), 0.008 in. (0.20 mm) and 0.016 in.
(0.40 mm) thickness.
Study the different contact patterns (Figs. 44 and 45)
and correct gear engagement as necessary.
NOTE: When making changes, note that two variables
are involved (see Gear Pattern Movement Summary in
this section of this manual).
Example: If the pinion gear to ring gear backlash is set
correctly to specifications and the bearing case shim is
changed to adjust tooth contact, it may be necessary to
readjust backlash to the correct specification before
checking the contact pattern.
Figure 41
TOE
HEEL
PROFILE
TOP LAND
ROOT
LENGTHWISE
BEARING
ARC
Figure 42
More than 35% total tooth contact
1/3 to 1/2 of entire width
from small end of tooth
1. Input shaft/pinion gear
2. Bearing case shims
3. Differential gear case
4. Differential bearing
shims
Figure 43
1
2
3
4
Axles, Planetaries
and Brakes

Groundsmaster 4100--DPage 6 -- 30Axles, Planetaries and Brakes
Gear Pattern Movement Summary
Everygearhasacharacteristicpattern.Theillustrations
showtypicalpatternsonlyandexplainhowpatternsshift
as gear location is changed.
1. If contact is toward the heel or base of the gear (Fig.
44):
A. Install thicker or additional bearing case shim(s)
to move pinion shaft toward ring gear.
B. Install thinner or remove differential bearing
shim(s) to move ring gear backward.
C. Repeatuntilpropertoothcontactandpiniongear
to ring gear backlash are correct.
2. Ifcontactistoward thetoeortipofthegear (Fig.45):
A. Install thinner or remove bearing case shim(s) to
move pinion shaft away from ring gear.
B. Install thicker or additional differential bearing
shim(s) to move ring gear forward.
C. Repeatuntilpropertoothcontactandpiniongear
to ring gear backlash are correct.
Figure 44
Heel Contact Base Contact
Figure 45
Toe Contact Tip Contact

Groundsmaster 4100--D Page 7 -- 1 Chassis
Chapter 7
Chassis
Table of Contents
GENERAL INFORMATION 1.....................
Operator’s Manual 1..........................
SERVICE AND REPAIRS 2......................
Steering Tower 2..............................
Cutting Deck Lift Arms 4.......................
Operator Seat 6..............................
Operator Seat Service 8.......................
Operator Seat Suspension 10..................
Hood 12.....................................
General Information
Operator’s Manual
The Operator’s Manual provides information regarding
the operation, general maintenance and maintenance
intervalsforyourGroundsmastermachine.Refertothat
publicationforadditionalinformationwhenservicingthe
machine.
Chassis

Groundsmaster 4100--DPage 7 -- 2Chassis
Service and Repairs
Steering Tower
1. Hex nut
2. Flat washer
3. Steering wheel
4. Foam collar
5. Steering seal
6. External snap ring (2 used)
7. Knob
8. Steering tower cover
9. Steering shaft
10. Compression spring
11. Cap
12. Rod assembly
13. Extension spring
14. Tilt rod
15. Lock nut (2 used)
16. Parking brake switch
17. Cotter pin
18. Brake pawl
19. Cotter pin
20. Lock nut (2 used)
21. Nut insert (10 used)
22. Flange head screw (10 used)
23. Flange bushing (2 used)
24. Thrust washer (as needed)
25. Temperature gauge
26. Warning lamp (temp/glow plug)
27. Warning lamp (charge/oil pressure)
28. Steering column
29. Cap screw (2 used)
30. Pivot hub(2 used)
31. Flange head screw (4 used)
32. Switch bracket
33. Flange nut (2 used)
34. Cap screw (2 used)
35. Steering tower
36. Phillips head screw (2 used)
37. Clevis pin
38. Steering valve
39. Steering wheel cover
40. Front wire harness
41. Snap ring location
Figure 1
1
2
3
4
5
6
9
24
23
7
8
11
12
17
18
19
33
14
25 26 27
2829
30
22
35
37
38
13
15
16
20
31
34
32
21
36
21
10
40
39
FRONT
RIGHT
41
41
16 to 20 ft--lb
(22to27N--m)

Groundsmaster 4100--D Page 7 -- 3 Chassis
Disassembly (Fig. 1)
1. Parkmachineonalevel surface, lower cutting deck,
stop engine, engage parking brake and remove key
from the ignition switch.
2. DisassemblesteeringtowerasneededusingFigure
1 as a guide.
Assembly (Fig. 1)
1. Assemble steering tower using Figure 1 as a guide.
A. Thrust washer(s) (item 24) on steering column
are used as needed to remove end play of steering
shaft.
B. If steering wheel was removed, torque hex nut
(item 1) from 16 to 20 ft lb (22 to 27 N--m).
Chassis

Groundsmaster 4100--DPage 7 -- 4Chassis
Cutting Deck Lift Arms
1. Lift cylinder
2. Clevis pin
3. Cap screw
4. Grease fitting
5. Lift arm pin
6. Slotted roll pin
7. Lock nut
8. Cotter pin
9. Pivot pin
10. Hair pin
11. Spherical rod end
12. Damper
13. Yoke spacer
14. Flange nut
15. Lock nut
16. Flat washer
17. Grease fitting
18. Flange head screw
19. Lift cylinder pin
20. Flange nut
21. Spherical bearing
22. Tapered stud
23. Retaining ring
24. Cap screw
25. Grease fitting
26. Support hub
27. Clevis pin
28. Hair pin
29. Flat washer
30. Flange nut
31. Height--of--cut chain
32. U--bolt
33. Nut
34. Lock nut
35. Flange bushing (2 per lift arm)
36. Lift arm (LH)
37. Lock nut
38. Lift arm (RH)
Figure 2
FRONT
RIGHT
155 to 185 ft--lb
(211 to 251 N--m)
60 to 70 ft--lb
(81to94N--m)
12
3
45
6
7
8
9
10
11
12 13
14
15
16
17
18
19
20 21 22
23
24
25 1626 27
28 29
30
37
38
31
32
33 16 25 34
35
36
16
75 to 85 ft--lb
(102 to 115 N--m)
Loctite 242
on threads
11
30 to 40 ft--lb
(41to54N--m)
Removal (Fig. 2)
1. Parkmachineonalevel surface, lower cutting deck,
stop engine, engage parking brake and remove key
from the ignition switch.
2. Remove front cutting deck (see Cutting Deck Re-
moval in Chapter 8 -- Cutting Deck).

Groundsmaster 4100--D Page 7 -- 5 Chassis
CAUTION
When changing attachments, tires or perform-
ing other service, use correct jacks and sup-
ports. Make sure machine is parked on a solid,
level surface such as a concrete floor. Prior to
raising machine, remove any attachments that
may interfere with the safe and proper raising of
themachine.Alwayschockorblockwheels.Use
jack stands to support the raised machine. If the
machine is not properly supported by jack
stands, the machine may move or fall, which
may result in personal injury.
3. Chock rear wheels and jack up front of machine.
Support machine on jack stands. Remove front wheel
next to lift arm that is being removed.
4. Remove flange head screw and lock nut that secure
lift cylinder pin to lift arm. Remove pin and separate lift
cylinder from lift arm.
5. Removelocknutthatsecuresliftarmpin.Supportlift
arm and slide pin from frame and lift arm. Remove lift
armfromframe.
6. As needed, disassemble lift arm:
A. Remove height--of--cut chain and damper as-
sembly.
B. Press flange bearings from lift arm.
C. Remove flange nut, flat washer and support hub
fromtaperedstud.Removetaperedstudwithspheri-
calbearingfromliftarmafter removingretainingring
fromliftarm.Removeflangenutand spherical bear-
ing from stud.
Installation (Fig. 2)
1. If removed, install components to lift arm.
A. Assemble height--of--cut chain u--bolt so that
threadedportionofu--boltextends0.750”(19.1mm)
above mounting plate on lift arm (Fig. 3).
B. If rod ends were removed from damper, apply
Loctite#242to threads andinstallondamper.Install
damper assembly to lift arm with damper rod end to-
ward deck (Fig. 4).
C. Press flange bearings into lift arm.
D. Install spherical bearing on tapered stud and se-
curewithflange nut. Torqueflangenutfrom30 to 40
ft--lb(41to54N--m).Installstudwithsphericalbear-
ing into lift arm and secure with retaining ring.
E. Thoroughly clean tapered surfaces of stud and
mounting boss of support hub. Secure support hub
(position slotted hole in hub toward rear of deck) to
taperedstudwithflatwasherandflangenut.Tighten
flange nut from 155 to 185 ft--lb (211 to 251 N--m).
2. Position lift arm to frame and insert lift arm pin. En-
gage roll pin into frame slots and install lock nut on pin.
Torque lock nut from 60 to 70 ft--lb (81 to 94 N--m).
3. Align lift cylinder with lift arm. Slide lift cylinder pin
throughlift armandcylinder end.Securepinwithflange
head screw and lock nut.
4. Install front wheel assembly. Lower machine to the
ground.
5. Install cutting deck (see Cutting Deck Installation in
Chapter 8 -- Cutting Deck).
6. Lubricate lift arm grease fittings.
7. Afterassemblyiscompleted,raiseandlowerthecut-
tingdecktoverifythathydraulichosesandfittingsdonot
contact anything.
8. Check height--of--cut and deck pitch adjustment.
1. Lift arm 2. U--bolt threads
Figure 3
0.750”
(19.1 mm)
1
2
1. Lift arm
2. Deck castor arm 3. Support hub
4. Damper
Figure 4
1
2
3
4
Chassis

Groundsmaster 4100--DPage 7 -- 6Chassis
Operator Seat
1. Seat assembly
2. Flat washer (5 used)
3. Seat belt
4. Cap screw (4 used)
5. Seat platform
6. Flange nut (4 used)
7. Seat belt buckle
8. Cap screw (2 used)
9. R--clamp (2 used)
10. Manual tube
11. Screw
12. Lock nut
13. Seat belt mount
14. Lock washer (2 used)
15. R--clamp (2 used)
16. Wire harness seat switch lead
17. Screw (2 used)
18. Hair pin (2 used)
19. Clevis pin (2 used)
20. Spring
21. Latch shaft
22. Cotter pin (2 used)
23. Latch
24. Prop rod
Figure 5
FRONT
RIGHT
2
3
1
4
56
8
9
7
12
13
14
15
17
18
20
23
21 22
19
11
10
16
2
8
24

Groundsmaster 4100--D Page 7 -- 7 Chassis
Removal (Fig. 5)
1. Parkmachineonalevel surface, lower cutting deck,
stop engine, apply parking brake and remove key from
the ignition switch.
2. Remove seat from seat suspension:
A. Disconnect seat electrical connectors from ma-
chine wire harness (Fig. 6).
B. Remove four (4) Torx head screws that secure
seattoseatsuspension(Fig.7).Notethat the screw
near the seat adjustment handle is longer than the
other three (3) screws.
C. Lift seat from seat suspension and remove from
machine.
NOTE: Most of the seat suspension components can
be serviced with the seat suspension base mounted to
the frame platform.
3. Ifnecessary,removeseatsuspensionfromseatplat-
form:
A. Tilt seat to gain access to mounting fasteners.
Support seat suspension to prevent it from falling.
B. Remove four (4) cap screws and flange nuts that
secure seat suspension to seat plate. Note that two
(2) r--clamps that retain wire harness are secured
with seat suspension fasteners.
C. Lift seat suspension from machine.
Installation (Fig. 5)
1. If removed, install seat suspension to seat platform:
A. Position seat suspension onto seat plate.
B. Secureseatsuspensionandtwo(2)wireharness
r--clamps to seat platform with four (4) cap screws
and flange nuts.
C. Lower seat plate and suspension.
2. Install seat to seat suspension:
A. Carefully position seat to seat suspension.
B. Secureseat to seatsuspension with four (4)Torx
headscrews (Fig. 7).Makesure thatlongerscrewis
positioned near the seat adjustment handle.
C. Torque screws 18 ft--lb (25 N--m).
3. Connect seat electrical connectors to machine wire
harness (Fig. 6).
1. Operator seat
2. Seat switch connector 3. Suspension connector
Figure 6
1
2
3
1. Seat
2. Suspension assembly 3. Screw (M8x12) (3 used)
4. Screw (M8x16)
Figure 7
2
3
1
4
18 ft--lb
(25 N--m)
Chassis

Groundsmaster 4100--DPage 7 -- 8Chassis
Operator Seat Service
1. Backrest cushion
2. Seat cushion
3. Armrest cover
4. LH armrest
5. Bushing (2 used)
6. Backrest
7. Plug (2 used)
8. Cable tie (3 used)
9. LH adjustment rail
10. Bumper (2 used)
11. Washer
12. Cap screw (2 used)
13. Seat
14. Nut
15. Spring (2 used)
16. Magnet
17. Seat switch
18. Rivet (4 used)
19. Mounting plate
20. Return spring
21. Torx screw (5 used)
22. RH adjustment rail
23. Rail stop
24. Torx screw
25. Torx screw (3 used)
26. Washer (3 used)
27. Handle
28. Nut
29. Support bracket
30. Cap screw
Figure 8
8
10
6
5
7
43
2
1
11 14
12
13
15
16 17
18
19
20
21
21
28
29 30
9
23
24
25
26
22
27

Groundsmaster 4100--D Page 7 -- 9 Chassis
Disassembly (Fig. 8)
1. Disassemble operator seat as necessary using Fig-
ure 8 as a guide.
Assembly (Fig. 8)
1. Assemble operator seat using Figure 8 as a guide.
Chassis

Groundsmaster 4100--DPage 7 -- 10Chassis
Operator Seat Suspension
1. Cover
2. Cover
3. Level control
4. Air control valve
5. Shock absorber
6. Air spring
7. Air tube assembly
8. Wire harness
9. Compressor
10. Bellows
11. Stop
12. Bumper set (2 used)
13. Roller (4 used)
14. Washer (2 used)
15. Tether
16. Rivet (2 used)
17. Washer (4 used)
18. C--clip (4used)
19. Pin (2 used)
20. Rivet (2 used)
21. Washer (3 used)
22. Screw (2 used)
23. Washer
24. Housing support (4 used)
25. Spacer (4 used)
26. Hose nipple
27. Clamp (2 used)
28. Hose nipple
29. Screw
30. Handle
31. Bumper
32. Nut
33. Plastic plug (23 used)
34. Screw (2 used)
35. Roller (2 used)
36. Screw (4 used)
37. Base plate
38. Suspension frame
39. Upper plate
Figure 9
FRONT
RIGHT
11
8
7
30
10
15
6
12 13
5
3
4
2
1
9
21
33
16
17
18 19 20
22
23
24
25
26
27
28
29
31
32
33
34
35
36
14
37
38
39

Groundsmaster 4100--D Page 7 -- 11 Chassis
NOTE: Most of the seat suspension components can
be serviced with the seat suspension base mounted to
theframeplatform.Iftheairspringassembly(item6)re-
quiresremoval,theseatsuspensionbasewillhavetobe
removed from the seat platform.
Disassembly (Fig. 9)
1. Remove operator seat from seat suspension (see
Operator Seat Removal in this section).
2. Iftheairspring assembly (item6) orbaseplate(item
37) requires removal, remove seat suspension from
seat platform (see Operator Seat Removal in this sec-
tion).
3. Remove seat suspension components as needed
using Figure 9 as a guide.
Assembly (Fig. 9)
1. Installall removed seatsuspensioncomponents us-
ing Figure 9 as a guide.
2. Install seat suspension if it was removed from seat
platform (see Operator Seat Installation in this section):
3. Installoperatorseat to seatsuspension(seeOpera-
tor Seat Installation in this section).
4. Make sure that seat electrical connectors are se-
cured to machine wire harness (Fig. 10).
1. Operator seat
2. Seat switch connector 3. Suspension connector
Figure 10
1
2
3
Chassis

Groundsmaster 4100--DPage 7 -- 12Chassis
Hood
1. Rear screen
2. Top screen
3. Cap screw (22 used)
4. Screen assembly
5. Bulb seal
6. Flange nut (2 used)
7. Bulb seal
8. Screen corner seal (2 used)
9. Hair pin (2 used)
10. Screw (8 used)
11. Hood pivot (2 used)
12. Pivot bracket (2 used)
13. Hood
14. Handle (2 used)
15. Flange head screw (4 used)
16. Oil filter deflector
17. Flange nut (4 used)
18. Latch cover
19. Latch
20. Hood latch bracket
21. Washer head screw (2 used)
22. LH latch bracket
23. Latch bracket (2 used)
24. Screw (4 used)
25. Fuel tank support
26. Screw (4 used)
27. Screw (2 used)
28. Hood support
29. R--clamp (2 used)
30. Hair pin (2 used)
31. Clevis pin (2 used)
32. Hood rod (2 used)
33. RH screen mount
34. LH screen mount
35. Carriage bolt (2 used)
36. Flange nut (2 used)
37. Plastic plug (24 used)
38. Pop rivet (22 used)
39. Flat washer (22 used)
40. Lock nut (20 used)
41. Flat washer (21 used)
42. Foam seal (2 used)
43. RH latch bracket
44. Latch handle (2 used)
45. Latch keeper (2 used)
46. Flange head screw (4 used)
47. Flange nut (4 used)
Figure 11
FRONT
RIGHT
15
14
13
21 20
19
18
17
16
24 23
22
3
2
1
9
8
7
5
6
412
11
10
26
25
29
28
27 31
30
33
32
34
38
37
40
39
36
35
41
42
15
10
3
3
17
43
45
44 46
47

Groundsmaster 4100--D Page 7 -- 13 Chassis
Removal
1. Parkmachineonalevel surface, lower cutting deck,
stop engine, engage parking brake and remove key
from the ignition switch.
2. Remove hood using Figure 11 as a guide.
Installation
1. Install hood using Figure 11 as a guide.
2. Align hood to machine to allow correct operation of
hood latches and dust seals:
A. Place shim that is 3/8” to 7/16” (9.5 to 11.1 mm)
thickontopofframe(bothRHandLHsides)nearthe
sides of oil cooler (Figs. 12 and 13).
B. Close hood so that it rests on shims and fasten
the hood latches.
C. Loosen hood pivots at frame to adjust vertical
placement of pivots. Re--tighten hood pivot fasten-
ers.
D. Loosen pivot brackets to allow hood latches to
pull hood against radiator support. Re--tighten pivot
bracket fasteners.
3. After hood is assembled to machine, check for the
following:
A. Checkthatbulb seals are equally compressedat
all contact points with hood.
B. Hood should open and close without contacting
oil cooler hardware.
1. LH shim location
2. LH hood pivot 3. LH pivot bracket
Figure 12
1
2
3
1. RH shim location
2. RH hood pivot 3. RH pivot bracket
Figure 13
1
3
2
Chassis
Groundsmaster 4100--DPage 7 -- 14Chassis
This page is intentionally blank.

Groundsmaster 4100--D Cutting DeckPage 8 -- 1
Chapter 8
Cutting Deck
Table of Contents
SPECIFICATIONS 2.............................
GENERAL INFORMATION 3.....................
Operator’s Manual 3..........................
Castor Wheel Tire Pressure 3..................
Blade Stopping Time 3........................
TROUBLESHOOTING 4.........................
Factors That Can Affect Quality of Cut 4.........
SERVICE AND REPAIRS 6......................
Cutting Deck 6...............................
Wing Deck Service 10.........................
Cutting Deck Link Service 13...................
Wing Deck Latch 14...........................
Blade Spindle 16..............................
Blade Spindle Service 18......................
Idler Assembly 20.............................
Castor Forks and Wheels 22...................
Deck Rollers and Skids 24.....................
Cutting Deck

Groundsmaster 4100--DCutting Deck Page 8 -- 2
Specifications
MOUNTING:Cuttingdeckissupportedbyliftarmscon-
trolled with hydraulic lift levers.
CONSTRUCTION: Deck chamber is welded 12 gauge
steel construction reinforced with channels and plates.
HEIGHT--OF--CUT RANGE: 1” to 5” (25.4 mm to 127
mm) adjustable in 1/2” (12.7 mm) increments. Center
deckheight--of--cutadjustmentisachievedbychanging
spacers on castor wheels and adjusting length of deck
support chains. Wing deck adjustment achieved by
changing spacers on castor wheels, re--positioning the
castor wheel axles in the castor forks and securing the
castorwheelbrackettothecorrectheight--of--cutbrack-
et holes.
DECK DRIVE: Closed loop hydraulic system operates
hydraulic motor on each cutting deck section. Motor
drives one spindle directly with remaining deck section
spindle(s) driven by B section kevlar v--belt(s). Blade
spindles are 1--1/4” (31.7 mm) shafts supported by
greaseable, tapered roller bearings.
CUTTING BLADE: Cutting blade dimensions are 19”
(483 mm) long, 2.5” (64 mm) wide and 0.250” (6.4 mm)
thick. Anti--scalp cup installed on each cutting blade.
Center deck includes three blades and each wing deck
includes two blades.
WIDTH OF CUT: Front deck provides 54” (1372 mm)
width of cut. Each side deck has 37” (940 mm) width of
cut. Total width of cut is 124” (3150 mm).
DISCHARGE:Clippingsaredischargedfromtherearof
the cutting deck.
SUSPENSION SYSTEM: A fully floating suspension
with hydraulic counterbalance. Front deck suspended
from lift arms and has six castor wheels, two adjustable
skids and five anti--scalp rollers.

Groundsmaster 4100--D Cutting DeckPage 8 -- 3
General Information
CAUTION
Never install or work on the cutting deck or lift
arms with the engine running. Always stop en-
gine and remove ignition key first.
Operator’s Manual
The Operator’s Manual provides information regarding
the operation, general maintenance, adjustments and
maintenance intervals for your Groundsmaster cutting
deck.Referto that publication for additionalinformation
when servicing the machine.
Castor Wheel Tire Pressure
Castor tires on the cutting deck should be inflated to 50
PSI (345 kPa).
Blade Stopping Time
The blades of the cutting deck should come to a com-
pletestopin approximately (5)secondsafter the cutting
deck engagement switch is shut down.
NOTE: Makesurethedeckisloweredontoacleansec-
tion of turf or hard surface to avoid dust and debris.
To verify blade stopping stopping time, have a second
person stand back from the deck at least 20 feet and
watchoneofthecuttingdeckblades.Havetheoperator
shut the cutting deck down and record the time it takes
forthebladestocometoacompletestop.Ifthisstopping
time is excessive, the braking valve(s) (RV2) on the hy-
draulic deck control manifold(s) may need adjustment.
Cutting Deck

Groundsmaster 4100--DCutting Deck Page 8 -- 4
Troubleshooting
There are a number of factors that can contribute to un-
satisfactory quality of cut, some of which may be turf
conditions. Turf conditions such as excessive thatch,
uneven ground conditions, “sponginess” or attempting
tocutofftoomuchgrassheightmaynotalwaysbeover-
come by adjusting the machine.
Remember that the “effective” or actual height--of--cut
dependsoncuttingdeckweight,tirepressures,hydrau-
liccounterbalancesettingsandturfconditions.Effective
height--of--cutwillbedifferentthanthebenchsetheight--
of--cut.
Factors That Can Affect Quality of Cut
Factor Possible Problem/Correction
1. Maximum governed engine speed. Check maximum governed engine speed. Adjust
speed to specifications if necessary (see Chapter 3 --
Kubota Diesel Engine).
2. Blade speed. All deck blades should rotate at the same speed.
See items in Troubleshooting Section of Chapter 4 --
Hydraulic System.
3. Tire pressure. Check air pressure of each tire including castor tires.
Adjust to pressures specified in Operator’s Manual.
4. Blade condition. Sharpen blades if their cutting edges are dull or nicked.
Inspect blade sail for wear or damage. Replace blade if
needed.
5. Mower housing condition. Make sure that cutting chambers are in good condition.
Keep underside of deck clean. Debris buildup will
reduce cutting performance.
6. Height--of--cut. Make sure all deck height--of--cut adjustments are the
same. Adjust deck as specified in the Operator’s
Manual.
7. Cutting deck alignment and ground following. Check lift arms and cutting deck pivot linkages for
wear, damage or binding. Also, inspect for bent or
damaged pivot shafts.
8. Roller and castor wheel condition. All rollers and caster wheels should rotate freely.
Replace bearings if worn or damaged.
9. Grass conditions. Mow when grass is dry for best cutting results. Also,
remove only 1” (25 mm) or 1/3 of the grass blade when
cutting.

Groundsmaster 4100--D Cutting DeckPage 8 -- 5
This page is intentionally blank.
Cutting Deck

Groundsmaster 4100--DCutting Deck Page 8 -- 6
Service and Repairs
CAUTION
Never install or work on the cutting deck or lift
arms with the engine running. Always stop en-
gine and remove ignition key first.
Cutting Deck
1. Cutting deck
2. Cap screw
3. Lift arm (LH shown)
4. Flange nut
5. Spacer
6. Damper
7. Damper rod end (2 per damper)
8. Hair pin
9. Clevis pin
10. Cap screw
11. Flange nut
12. Hair pin
13. Hex nut
14. U--bolt
15. Height of cut chain
16. Support hub
17. Clevis pin
18. Flat washer
Figure 1
FRONT
RIGHT 8
5
4
213
9
10
18
1
3
6
11
7
18 14
15
16 17
18
12
11
75 to 85 ft--lb
(102 to 115 N--m)

Groundsmaster 4100--D Cutting DeckPage 8 -- 7
Removal (Fig. 1)
1. Position machine on a clean, level surface. Lower
cuttingdeck,stopengine,engageparkingbrakeandre-
move key from the ignition switch.
NOTE: Removal of clevis pins from deck and height--
of--cut chains is easier if deck is lifted slightly.
2. Remove hairpins and clevis pins that secure the
height--of--cut chains totherear ofthecuttingdeck(Fig.
2).
3. Remove hydraulic motors from cutting deck (see
CuttingDeckMotorRemovalintheServiceandRepairs
Section of Chapter 4 -- Hydraulic System). Position mo-
tors away from cutting deck.
4. Remove hairpins and clevis pins that secure damp-
erstoliftarms(Fig.3).Rotatedampersandplaceoncut-
ting deck.
5. Remove hydraulic hoses from wing deck lift cylin-
ders (Fig. 4):
A. Remove deck covers to allow access to wing
deck lift cylinders.
B. Thoroughlycleanexteriorofcylinder and fittings.
For assembly purposes, label hydraulic hoses to
show their correct position on the lift cylinder.
C. Disconnect hydraulic hoses from wing deck lift
cylinders.Caphosesandfittingstopreventcontami-
nation.
6. Disconnectcuttingdeckwireharnessfrommainma-
chine harness (Fig. 5).
7. Remove cap screws, flat washers and flange nuts
that secure support hubs to cutting deck castor arms
(Fig. 3).
8. Slide the cutting deck away from the traction unit.
Installation (Fig. 1)
1. Positionmachineonaclean,levelsurface.Lowerlift
arms, stop engine, engage parking brake and remove
key from the ignition switch.
2. Position the cutting deck to the lift arms.
3. Alignsupporthubtocuttingdeckcastorarmsandse-
cure with cap screws,flat washers and flange nuts (Fig.
3). Torque flange nuts from 75 to 85 ft--lb (102 to 115
N--m).
1. Hairpin and clevis pin 2. Height--of--cut chain
Figure 2
1
2
1. Lift arm
2. Castor arm 3. Support hub
4. Damper
Figure 3
1
24
3
1. Wing deck lift cylinder
2. Flat washer
3. Lock nut
4. Lock nut
5. Cap screw
6. Spacer
Figure 4
4
3
5
61
2
160 to 180 ft--lb
(217 to 244 N--m)
6
Cutting Deck

Groundsmaster 4100--DCutting Deck Page 8 -- 8
NOTE: Installationofclevispinstodeckandheight--of--
cut chains is easier if deck is lifted slightly.
4. Install clevis pins and hairpins that secure the
height--of--cut chains totherear ofthecuttingdeck(Fig.
2).
5. Remove plugs from hydraulic hoses and fittings on
wingdeckliftcylinders.Attachhydraulichosestoliftcyl-
inders.
6. Connect cutting deck wire harness to main machine
wire harness (Fig. 5).
7. Position dampers to lift arms. Install clevis pins and
hairpins to secure dampers to lift arms (Fig. 3).
8. Install any removed cutting deck covers.
9. Install hydraulic motors to cutting deck (see Cutting
DeckMotorInstallationin the Service and Repairs Sec-
tion of Chapter 4 -- Hydraulic System).
10.Lubricate grease fittings on cutting deck and lift as-
semblies.
11.Fill reservoir with hydraulic fluid as required.
1. Cutting deck wire harness connection
Figure 5
1

Groundsmaster 4100--D Cutting DeckPage 8 -- 9
This page is intentionally blank.
Cutting Deck

Groundsmaster 4100--DCutting Deck Page 8 -- 10
Wing Deck Service
1. Wing deck (RH shown)
2. Skid (RH shown)
3. Flange screw (2 used per skid)
4. Flange nut (2 used per skid)
5. Cap screw
6. Roller (2 used)
7. Lock nut
8. Pivot latch (2 used)
9. Flat washer
10. Retaining ring (2 used per latch)
11. Cap screw (3 used per latch)
12. Lock nut (3 used per latch)
13. Spring support
14. Compression spring
15. Lug nut
16. Lock roller (2 used per latch)
17. Bushing (3 used per latch)
18. Pivot pin (4 used)
19. Flange nut (front links)
20. Grease fitting
21. Link assembly (4 used)
22. Cap screw (front links)
23. Thrust washer (0.030” thick)
24. Flat washer (4 used)
25. Lock nut (4 used)
26. Carriage bolt (4 used)
27. Latch pin
28. Flat washer (2 used)
29. Cap screw (4 used)
30. Cap screw (rear links)
31. Hex jam nut (rear links)
32. Washer head screw (12 used)
33. Wing strap (2 used)
34. Flex shield (2 used)
35. Shield strap (center deck)
36. Switch tab (front links)
37. Tapered stud
38. Hose guide
39. Hardened spacer (0.120” thick)
40. Plug
41. Grease fitting
42. Foam washer (4 used)
43. Link skid (2 used)
44. Link skid (2 used)
45. Flat washer
46. Flange nut
47. Dust cap
48. Retaining ring
49. Spherical bearing
50. Switch shield (RH shown)
51. Center deck
52. Flange bushing
53. Grease fitting
54. Washer head screw (2 per shield)
Figure 6
FRONT
RIGHT
1
2
10
15
9
16
33
34
8
37
38
39 29
28
35
36
30
17
21
18
22 19
23
20
24
26
27
25
32
67
31
3
4
5
42
40
41
11
12 13
14
10 17
19
23
24
39
43
44
47
48
45 46
49
50
51
52
53
52
30 to 40 ft--lb
(41to54N--m)
160 to 180 ft--lb
(217 to 244 N--m)
54

Groundsmaster 4100--D Cutting DeckPage 8 -- 11
Removal (Fig. 6)
1. Position machine on a clean, level surface. Lower
cutting deck and engage parking brake.
2. Fully raise wing deck, stop engine and remove key
fromtheignition switch. Remove three (3) washer head
screws and shield strap that secure flex shield to wing
deck. Lower wing deck.
3. Remove hydraulic motor from wing deck (see Cut-
ting Deck Motor Removal in the Service and Repairs
Section of Chapter 4 -- Hydraulic System).
4. Removecapscrewandlocknutthatsecureliftcylin-
der clevis to the wing deck (Fig. 7).
5. Remove switch shield (item 50) from center deck.
6. Support wing deck to prevent it from falling as links
are removed.
7. Removecap screw(item29)frompivotpinon upper
end of both links. Cap screw onrear link also uses a flat
washer (item 28).
NOTE: Whenremovingpivotpinsfromdeck,noteloca-
tion of thrust washers (item 6) and hardened spacers
(item 42).
8. Removeflangenut(item19)fromcarriagebolt(item
26) and pull pivot pins (item 18) from deck. Locate and
retrieve thrust washers (item 6) and hardened spacers
(item 42) from between links and deck brackets.
9. Slide the wing deck away from the center deck.
10.If required, remove link(s) from wingdeck by remov-
ing lock nut and flat washer that secure tapered stud to
deck. Press tapered stud from deck to remove link as-
sembly. Remove foam washer (item 42) and link skid.
Installation (Fig. 6)
1. Parkmachineonaclean,levelsurface.Stopengine,
engage parking brake and remove key from the ignition
switch.
2. If links were removed from wing deck, thoroughly
clean tapered stud on link and mounting boss of wing
deck. Place foam washer on tapered stud and insert
stud into deck mounting boss. Position link skid to stud
andsecurewithflatwasherandlocknut.Torquelocknut
from 160 to 180 ft--lb (217 to 244 N--m).
NOTE: Pivot latches (item 8) may need to be manually
opened prior to wing deck installation.If necessary, use
a pry bar to carefully open latch.
3. Position the wing deck to the center deck.
1. Hydraulic motor
2. Flange head screw 3. Lift cylinder clevis
Figure 7
1
2
2
3
Figure 8
Front of center deck
Wing opens this way
0.060” to 0.090”
(1.5 to 2.2 mm)
(wing lowered & latched)
1. Wing deck blade 2. Center deck blade
Figure 9
(9.7 to 15.7 mm)
0.380” to 0.620”
1
2
Cutting Deck
Groundsmaster 4100--DCutting Deck Page 8 -- 12
4. Position upper end of links to center cutting deck
brackets.
5. Alignupperendoflinkswithmountingholesincenter
deck.Whileinstallingpivotpinstocenterdeckandlinks,
insert spacers and washers as follows:
A. Place a hardened spacer (item 42) on each side
of the front link. Use one or two thrust washers on
rear side of assembly so that link is snug between
deck brackets.
B. Place a thrust washer (item 6) on each side of
rear link.
6. Secure pins with carriage screw and flange head
screw.
7. Install cap screw (item 29) to pivot pin on both links.
Capscrewonrearlinkusesaflatwasher(item 28).Cap
screw on front link also secures hose guide (item 38).
8. Positionlift cylindertothe wing deck(Fig.7).Secure
cylinder with cap screw and lock nut.
9. Install hydraulic motor to cutting deck (see Cutting
DeckMotorInstallationin the Service and Repairs Sec-
tion of Chapter 4 -- Hydraulic System).
10.Fully raise wing deck, stop engine and remove key
from the ignition switch. Secure flex shield to wing deck
with shield strap and three (3) washer head screws.
Lower wing deck.
11.Lowerwingdeckandinspectdecklatchassemblyto
insure that front link is locked when the wing deck is in
theloweredposition.Thereshouldbeagapfrom0.060”
to0.090”(1.5to2.2mm)betweenthearmlatchactuator
andthelatch pivot (Fig. 8). Ifgapisincorrect,adjustlink
position by repositioning the location of the hardened
spacers(item42)andthrustwashers(item6).Atamini-
mum, there must be a hardened spacer positioned to
the rear of the front link.
12.Lubricategreasefittingsoncuttingdeckandliftcom-
ponents.
13.Check distance between inner deck blade on wing
deckandouterdeckbladeoncenterdeck.Distancebe-
tween blades should be 0.380” to 0.620” (9.7 to 15.7
mm) (Fig. 9). If blade distance is incorrect, loosen hex
jam nut (item 32) on rear link assembly and adjust cap
screw(item 31).Tightenjamnut whenbladedistance is
correct.
14.Checkoperationofwingdeckpositionswitch.Adjust
if necessary (see Wing Deck Position Switches in the
Adjustments section of Chapter 5 -- Electrical System).
15.Secure switch shield (item 50) to center deck.

Groundsmaster 4100--D Cutting DeckPage 8 -- 13
Cutting Deck Link Service
Disassembly (Fig. 10)
1. Press bushings from top of link.
2. Remove dust cap and retaining ring from link.
3. Presstaperedstudwithsphericalbearing,flatwash-
ers and flange nut from link.
4. Removeflangenutandpresssphericalbearingfrom
tapered stud.
Assembly (Fig. 10)
1. Install new spherical bearing onto tapered stud. Se-
cure bearing with flange nut. Torque nut from 30 to 40
ft--lb (41 to 54 N--m).
2. Position flat washer in both sides of spherical bear-
ing.
3. Presstaperedstudwithsphericalbearing,flatwash-
ers and flange nut into link. Secure spherical bearing
into link with retaining ring.
4. Press bushings into top bore of link.
5. If cap screw and jam nut were removed from rear
link,installcapscrewtoallow1.625”(41.3mm)between
the head of the screw and the side of the link (Fig. 11).
6. After link is installed on deck, check distance be-
tweencenterdeckbladeandwingdeckblade.Readjust
cap screw and jam nut on rear link if needed (see Wing
Deck Service in this Chapter).
1. Link
2. Bushing (2 used)
3. Tapered stud
4. Spherical bearing
5. Flat washer (2 used)
6. Retaining ring
7. Flange nut
8. Dust cap
Figure 10
30 to 40 ft--lb
(41to54N--m)
1
367
45
2
8
1. Rear link
2. Cap screw 3. Hex jam nut
Figure 11
1.625”
(41.3 mm)
1
2
3
Cutting Deck

Groundsmaster 4100--DCutting Deck Page 8 -- 14
Wing Deck Latch
Disassembly (Fig. 12)
1. Raise wing deck to transport position. Carefully ro-
tate latch to closed position.
2. Loosen lug nut to release compression spring ten-
sion.
3. Remove retaining ring and flat washer from bottom
of latch pin. Rotate lug nut enough to allow latch pin to
be removed from latch.
4. Remove lug nut from spring support. Remove latch
assembly from deck.
5. Disassemble latch (items 1 through 8) using Figure
12 as a guide.
Assembly (Fig. 12)
1. Assemble latch (items 1 through 8) using Figure 12
as a guide.
2. Slide spring onto spring support and insert end of
spring support into hole located on underside of center
deck. Start lug nut (tapered side towards plate on deck)
onto spring support.
3. Tighten lug nut until holes in front of deck align with
bushings in latch. Insert latch pin with retaining ring
downthroughdeckandlatch.Securelatchpinonunder-
side of deck with flat washer and retaining ring.
4. Carefully rotate latch to the open position. Lower
wing deck to allow link to engage latch.
5. Lubricate latch grease fitting.
1. Latch
2. Grease fitting
3. Lock roller
4. Bushing
5. Flange bushing
6. Cap screw (3 used)
7. Spring support
8. Lock nut (3 used)
9. Retaining ring
10. Flat washer
11. Compression spring
12. Lug nut
13. Latch pin
14. Center deck
Figure 12
5
6
1
7
3
8
10 11
2
9
4
13
9
14
12
34
5
4

Groundsmaster 4100--D Cutting DeckPage 8 -- 15
This page is intentionally blank.
Cutting Deck

Groundsmaster 4100--DCutting Deck Page 8 -- 16
Blade Spindle
1. Cutting deck
2. Drive spindle: single pulley (2 used)
3. Low driven spindle (3 used)
4. Drive spindle: double pulley (1 used)
5. Flange head screw
6. Flange nut
7. Blade bolt
8. Cutting blade (7 used)
9. Anti--scalp cup
10. High driven spindle (1 used)
11. Flat washer
12. Cap screw
Figure 13
4
3
1
10
11
12
88 to 108 ft--lb
(119 to 146 N--m)
2
FRONT
RIGHT
5
7
6
9
8
Removal (Fig. 13)
1. Parkmachineonalevel surface, lower cutting deck,
stop engine, engage parking brake and remove key
from the ignition switch.
2. If drive spindle is to be serviced, remove hydraulic
motor from cutting deck (see Cutting Deck Motor Re-
moval in the Service and Repairs Section of Chapter 4
-- HydraulicSystem).Position motorawayfrom spindle.
3. Removebeltcoversfromtopofcuttingdeck.Loosen
idler pulley to release belt tension (see Idler Assembly
Removalinthissection).Removedrivebeltfromspindle
to be serviced.
4. Start the engine and raise the cutting deck. Stop en-
gine and remove key from the ignition switch. Latch or
block up the cutting deck so it cannot fall accidentally.
5. Removecuttingblade,anti--scalpcupandbladebolt
from spindle to be serviced.
6. Remove spindle housing assembly from deck:
A. For driven spindle assemblies, remove eight (8)
flange head screws with flange nuts that secure
spindle to deck.
B. Fordrivespindleassemblies,loosenandremove
four (4) flange head screws with flange nuts that se-
cure spindle to deck. Then, remove four (4) cap
screwswithflatwashersthatsecurespindleandmo-
tor mount to deck.

Groundsmaster 4100--D Cutting DeckPage 8 -- 17
Installation (Fig. 13)
1. Positionspindle oncuttingdecknoting orientationof
greasefitting(Fig.15).Securespindleassemblytodeck
with removed fasteners.
2. Install cutting blade, anti--scalp cup and blade bolt.
Tighten blade bolt from 88 to 108 ft--lb (119 to 146
N--m).
3. Slowly rotate cutting blades to verify that blades do
not contact any deck component(s).
4. Installdrivebeltandadjustbelttension(seeIdlerAs-
sembly Installation in this section).
5. If drive spindle was removed, install hydraulic motor
to cutting deck (see Cutting Deck Motor Installation in
theServiceand RepairsSectionof Chapter4 -- Hydrau-
lic System).
6. Install belt covers to cutting deck.
1. Flange head screw 2. Hydraulic motor
Figure 14
1
2
1
1. Driven spindle
2. Driven spindle (high pulley) 3. Drive spindle (wing deck)
4. Drive spindle (center deck) 5. Spindle grease fitting location
Figure 15
5
3
2
5
1
1
43
5
15
5
5
Cutting Deck

Groundsmaster 4100--DCutting Deck Page 8 -- 18
Blade Spindle Service
1. Lock nut
2. Flat washer
3. Driven pulley
4. Spindle shaft
5. Drive pulley (single shown)
6. Hydraulic motor mount
7. O--ring
8. Oil seal
9. Bearing cup and cone
10. Outer bearing spacer
11. Inner bearing spacer
12. Spacer ring
13. Snap ring
14. Grease fitting
15. Spindle housing
16. Spindle shaft spacer
17. Spindle shaft
Figure 16
12
4
13
15 1
5
4
6
89
14
16
8
2
3
7
17
9
130 to 150 ft--lb
(176 to 203 N--m)
DRIVEN SPINDLE
DRIVE SPINDLE
11 12
10
Disassembly (Fig. 16)
1. Loosen and remove lock nut from top of spindle
shaft. Remove hardened washer and pulley from
spindle. For drive spindle, remove hydraulic motor
mount.
2. Remove the spindle shaft from the spindle housing
whichmayrequiretheuseofanarborpress.Thespindle
shaft spacer should remain on the spindle shaft as the
shaft is being removed.
3. Carefully remove oil seals from spindle housing tak-
ing care to not damage seal bore in housing.
4. Allow the bearing cones, inner bearing spacer and
spacer ring to drop out of the spindle housing (Fig. 17).
5. Using an arbor press, remove both of the bearing
cups and the outer bearing spacer from the housing.
6. The large snap ring can remain inside the spindle
housing. Removal of this snap ring is very difficult.
Assembly (Fig. 16)
NOTE: Areplacementspindlebearingsetcontainstwo
(2) bearings, a spacer ring and a large snap ring (items
1, 2 and 3 in Fig. 17). These parts cannot be purchased
separately. Also, do not mix bearing set components
from one deck spindle to another.
NOTE: A replacement bearing spacer set includes the
innerspacerandouterspacer(items4and5inFig.17).
Do not mix bearing spacers from one deck spindle to
another.
IMPORTANT: If new bearings are installed into a
usedspindlehousing,itmaynotbenecessarytore-
place the original large snap ring. If the original
snap ring is in good condition with no evidence of
damage (e.g. spun bearing), leave the snap ring in
the housing and discard the snap ring that comes
withthenewbearings.Ifthelargesnapringisfound
to be damaged, replace the snap ring.
1. Iflargesnapringwasremovedfromspindlehousing,
install snap ring into housing groove. Make sure snap
ring is fully seated in housing groove.

Groundsmaster 4100--D Cutting DeckPage 8 -- 19
2. Install outer bearing spacer into top of spindle hous-
ing. The spacer should fit against the snap ring.
3. Usingan arborpress, pushthebearingcupsinto the
top and bottom of the spindle housing. The top bearing
cup must contact the outer bearing spacer previously
installed, and the bottom bearing cup must contact the
snap ring. Make sure that the assembly is correct by
supportingthefirstbearingcupandpressingthesecond
cup against it (Fig 18).
4. Pack the bearing cones with grease. Apply a film of
grease on lips of oil seals and O--ring.
5. Install lower bearing cone and oil seal into bottom of
spindle housing. Note: The bottom seal must have the
lip facing out (down) (Fig. 19). This seal installation al-
lowsgreasetopurgefromthespindleduringthelubrica-
tion process.
IMPORTANT: If bearings are being replaced, make
suretouse thespacerringthat isincludedwithnew
bearing set (Fig. 17).
6. Slide spacer ring and inner bearing spacer into
spindle housing, then install upper bearing cone andoil
sealintotopofhousing.Note:Theuppersealmusthave
thelipfacingin(down)(Fig.19).Also,uppersealshould
beflushorupto0.060”(1.5mm)recessed intohousing.
7. Inspect the spindle shaft and shaft spacer to make
suretherearenoburrsornicksthatcouldpossiblydam-
age the oil seals. Lubricate the shaft and spacer with
grease.
8. Install spindle shaft spacer onto shaft. Place thin
sleeve or tape on spindle shaft splines to prevent seal
damage during shaft installation.
9. Carefully slide spindle shaft with spacer up through
spindlehousing.Thebottomoilsealandspindlespacer
fit together when the spindle is fully installed.
10.Install O--ring to top of spindle shaft. For drive
spindle,positionhydraulicmotormounttotopofspindle.
11.Installpulley (hubdown), hardenedwasher andlock
nuttospindleshaft. Tightenlocknutfrom130 to 150ft--
lb (176 to 203 N--m).
IMPORTANT: Pneumatic grease guns can produce
airpocketswhen fillinglargecavitiesand therefore,
are not recommended to be used for proper greas-
ing of spindle housings.
12.Attach a hand pump grease gun to grease fitting on
housing and fill housing cavity with grease until grease
starts to come out of lower seal.
13.Rotate spindle shaft to make sure that it turns freely.
1. Bearing
2. Spacer ring
3. Large snap ring
4. Inner bearing spacer
5. Outer bearing spacer
Figure 17
4
1
1
2
35
1. Bearing cups
2. Large snap ring
3. Large outer spacer
4. Arbor press
5. Support
6. Arbor press base
Figure 18
PRESS
52
4
36
1
1. Bottom seal installation 2. Upper seal installation
Figure 19
1
2
Cutting Deck

Groundsmaster 4100--DCutting Deck Page 8 -- 20
Idler Assembly
1. Center deck
2. Flange nut
3. Flange nut
4. Adjusting screw
5. Idler pulley
6. High driven pulley
7. Flat washer
8. Lock washer
9. Socket head screw
10. Stop bolt
11. Flange nut
12. Cap screw
13. Spacer
14. Shoulder bolt
15. Spring
16. Lock nut
17. Idler arm
18. Retaining ring
19. Thrust washer (4 used per idler)
20. Bushing (2 used per idler)
21. Grease fitting
22. Low driven pulley
23. Flange head screw
24. Drive belt
Figure 20
FRONT
RIGHT
1
2
4
3
5
6
789
10
11
12
15
16
13
14
17
18
5
78
19
20
23
21
24
22
19
NOTE: ThecenterdeckisshowninFigure20.Theidler
assemblies used on the wing decks use the same idler
components.

Groundsmaster 4100--D Cutting DeckPage 8 -- 21
Removal (Fig. 20)
1. Parkmachineonalevel surface, lower cutting deck,
stop engine, engage parking brake and remove key
from the ignition switch.
2. Remove deck covers from top of cutting deck.
CAUTION
Be careful when removing idler spring. The
spring is under heavy load and may cause per-
sonal injury.
3. Use spring hook tool to unhook the idler spring (item
15) from the adjusting screw (item 4).
4. Remove drive belt(s) from deck pulleys.
5. Loosen flange nuts (item 11) that secure idler stop
bolt(item10)tocuttingdecktoallowclearancebetween
idler arm and stop bolt.
6. Remove idler components as needed using Figure
20asaguide.Notelocationofwashers,idlerspacerand
screw as idler assemblies are being removed.
Installation (Fig. 20)
1. InstallremovedidlercomponentsusingFigure20as
a guide.
A. Make sure that one (1) thrust washer (item 19) is
placedbelowtheidlerarmandthree(3)thrustwash-
ers are placed between the idler and retaining ring
location.
B. Secure idler arm assembly to cutting deck with
snap ring.
C. Ifidlerstopbolt(item10)wasremovedfromdeck,
makesurethatitisinstalledintheholethatallowsthe
stop bolt head to align with the idler arm.
2. Install drive belt to pulleys.
CAUTION
Be careful when installing the idler spring. The
spring is under heavy load and may cause per-
sonal injury.
3. Use spring hook tool to attach the idler spring (item
15) onto the adjusting screw (item 4) and shoulder bolt
onidlerarm.Withtheidler armtensioningthedrivebelt,
the spring hook to hook length should be from 3.250” to
3.750”(82.6 to95.2mm) (Fig.21).Ifnecessary,discon-
nect spring and change position of adjusting screw.
When idler spring is the correct length, tighten second
flange nut to secure adjustment.
4. Adjust location of idler stop bolt (item 10) so that the
clearance between idler arm and idler stop bolt head is
from 0.125” to 0.185” (3.2 to 4.6 mm) (Fig. 21).
5. Install deck covers to cutting deck.
Figure 21
3.250” to 3.750”
(82.6 to 95.2 mm)
0.125” to 0.185”
(3.2 to 4.6 mm)
Cutting Deck

Groundsmaster 4100--DCutting Deck Page 8 -- 22
Castor Forks and Wheels
1. Castor arm (wing deck shown)
2. Cap screw (6 per arm)
3. Castor fork
4. Castor wheel bolt
5. Lock nut
6. Castor spacer
7. Thrust washer
8. Flange lock nut
9. Grease fitting
10. Flange bushing
11. Retaining ring
12. Cap washer
13. Compression spring
14. Cap
15. Flat washer (6 per arm)
16. Clevis pin (2 used per fork)
17. Lock nut
18. Carriage screw (3 used per fork)
19. Castor fork bracket
20. Shim
21. Castor fork bracket
22. Hairpin
23. Cutting deck (LH shown)
24. Decal
25. Flat washer
26. Tension rod
27. Bearing
28. Inner bearing spacer
29. Wheel hub
30. Wheel rim half
31. Castor tire
32. Wheel rim half
33. Plate
34. Flange nut (4 used per wheel)
Figure 22
34
32 33
30
27 28 29
31
60 to 80 ft--lb
(81 to 108 N--m)
DECK CASTOR ARM WING DECK CASTOR FORK
CASTOR WHEEL
20
21
19
22
24
17
18
16
4
25
8
20
23
26
5
60 to 80 ft--lb
(81 to 108 N--m)
27
9
1
11
6
12
13
14
10
7
7
3
4
5
8
2
15

Groundsmaster 4100--D Cutting DeckPage 8 -- 23
Disassembly (Fig. 22)
1. Parkmachineonalevel surface, lower cutting deck,
stop engine, engage parking brake and remove key
from the ignition switch.
2. Disassemble castor forks and wheels using Figure
22 as a guide.
Assembly (Fig. 22)
1. Assemble castor forks and wheels using Figure 22
as a guide.
2. Torque castor wheel lock nut from 60 to 80 ft--lb (81
to 108 N--m).
3. If castor fork was removed, lubricate grease fitting.
4. SeeOperator’sManualforcastorwheeladjustment.
Cutting Deck

Groundsmaster 4100--DCutting Deck Page 8 -- 24
Deck Rollers and Skids
1. Roller
2. Flange head screw
3. Roller shaft
4. Flange nut
5. Lock nut
6. Roller
7. Cap screw
8. Flange nut
9. Skid (RH shown)
10. Flange head screw
Figure 23
1
2
3
4
5
6
7
5
6
7
567
8
10 9
FRONT
RIGHT
Removal (Fig. 23)
1. Removeskidsandrollers from deck using Figure 23
as a guide.
Installation (Fig. 23)
1. InstallskidstodeckusingFigure23asaguide.Make
sure to install skids in the same mounting hole height
position (lower or upper).
2. When installing roller (item 6), install cap screw with
thethreadsorientatedtowardthecenterlineofthedeck.
Installandtightenlocknut untilrollerwillnotrotate,then
loosenlocknutonlyenoughtoallowrollertorotatefree-
ly.Makesuretoinstallalldeckrollersinthesamemount-
ing hole height position (lower or upper).

Groundsmaster 4100--D Foldout DrawingsPage 9 - 1
Chapter 9
Foldout Drawings
Table of Contents
HYDRAULIC SCHEMATIC 3.....................
ELECTRICAL SCHEMATIC
Sheet 1 of 2 4................................
Sheet 2 of 2 5................................
CIRCUIT DIAGRAMS
Glow Plug Circuits 6...........................
Crank Circuits 7..............................
Run (Transport) Circuits 8......................
Run (Mow) Circuits 9..........................
High Temperature Warning Circuits 10...........
Over Temperature Shutdown Circuits 11.........
WIRE HARNESS DRAWINGS
Console Wire Harness 12......................
Front Wire Harness 15.........................
Engine Wire Harness 17.......................
Jumper Wire Harness 19.......................
Cutting Deck Wire Harness 20..................
Foldout
Drawings
Groundsmaster 4100--DFoldout Drawings Page 9 - 2
This page is intentionally blank.

Page 9 - 3
Hydraulic Schematic
Groundsmaster 4100--D
4WD
MANIFOLD
COUNTERBALANCE
MANIFOLD
FILTER
MANIFOLD
FAN DRIVE
MANIFOLD
RH WING DECK
MANIFOLD
LH WING DECK
MANIFOLD
CENTER DECK
MANIFOLD

Page 9 - 4
All relays and solenoids
are shown as de--energized.
All ground wires are black.
CONTINUES TO SHEET 2
CONTINUES TO SHEET 2
CONTINUES TO SHEET 2
CONTINUES TO SHEET 2
(OPTIONAL CRUISE
CONTROL KIT) (OPTIONAL CRUISE
CONTROL KIT)
(OPTIONAL CRUISE
CONTROL KIT)
(OPTIONAL CRUISE
CONTROL KIT)
(OPTIONAL CRUISE
CONTROL KIT)
Electrical Schematic
Groundsmaster 4100--D
Sheet 1 of 2
2WD SOLENOID
PTO OVERTEMP
SHUTDOWN RELAY

Page 9 - 5
Electrical Schematic
Groundsmaster 4100--D
All relays and solenoids
are shown as de--energized.
All ground wires are black.
Sheet 2 of 2
CONTINUES FROM SHEET 1
COOLING FAN
CONTINUES FROM SHEET 1
CONTINUES FROM SHEET 1
SWITCH
CONTINUES FROM SHEET 1
POWER
RELAY

Page 9 - 6
Glow Plug Circuits
Power Current
Control Current
Indication Current
Groundsmaster 4100--D
CONTINUES TO SHEET 2
CONTINUES TO SHEET 2
CONTINUES TO SHEET 2
CONTINUES TO SHEET 2
(UNOCCUPIED)
RIGHT DECK
FRONT DECK
PTO SOLENOID
LEFTDECK
PTO SOLENOID
PTO SOLENOID
(OPTIONAL CRUISE
CONTROL KIT)
(OPTIONAL CRUISE
CONTROL KIT)
(OPTIONAL CRUISE
CONTROL KIT) (OPTIONAL CRUISE
CONTROL KIT)
(OPTIONAL CRUISE
CONTROL KIT)
(IGNITION SWITCH IN RUN)
2WD SOLENOID
PTO OVERTEMP
SHUTDOWN RELAY

Page 9 - 7
Crank Circuits
Power Current
Control Current
Indication Current
Groundsmaster 4100--D
CONTINUES TO SHEET 2
CONTINUES TO SHEET 2
CONTINUES TO SHEET 2
CONTINUES TO SHEET 2
(UNOCCUPIED)
RIGHT DECK
FRONT DECK
PTO SOLENOID
LEFTDECK
PTO SOLENOID
PTO SOLENOID
(OPTIONAL CRUISE
CONTROL KIT)
(OPTIONAL CRUISE
CONTROL KIT)
(OPTIONAL CRUISE
CONTROL KIT) (OPTIONAL CRUISE
CONTROL KIT)
(OPTIONAL CRUISE
CONTROL KIT)
(IGNITION SWITCH IN START)
2WD SOLENOID
PTO OVERTEMP
SHUTDOWN RELAY

Page 9 - 8
Run (Transport) Circuits
Power Current
Control Current
Indication Current
Groundsmaster 4100--D
CONTINUES TO SHEET 2
CONTINUES TO SHEET 2
CONTINUES TO SHEET 2
CONTINUES TO SHEET 2
(OCCUPIED)
RIGHT DECK
FRONT DECK
PTO SOLENOID
LEFTDECK
PTO SOLENOID
PTO SOLENOID
(OPTIONAL CRUISE
CONTROL KIT)
(OPTIONAL CRUISE
CONTROL KIT)
(OPTIONAL CRUISE
CONTROL KIT) (OPTIONAL CRUISE
CONTROL KIT)
(OPTIONAL CRUISE
CONTROL KIT)
(NOTIN NEUTRAL)
(IGNITION SWITCH IN RUN)
(DISENGAGED)
(IN TRANSPORT)
2WD SOLENOID
PTO OVERTEMP
SHUTDOWN RELAY

Page 9 - 9
Run (Mow) Circuits
Power Current
Control Current
Indication Current
Groundsmaster 4100--D
CONTINUES TO SHEET 2
CONTINUES TO SHEET 2
CONTINUES TO SHEET 2
CONTINUES TO SHEET 2
(OCCUPIED)
RIGHT DECK
FRONT DECK
PTO SOLENOID
LEFTDECK
PTO SOLENOID
PTO SOLENOID
(OPTIONAL CRUISE
CONTROL KIT)
(OPTIONAL CRUISE
CONTROL KIT)
(OPTIONAL CRUISE
CONTROL KIT) (OPTIONAL CRUISE
CONTROL KIT)
(OPTIONAL CRUISE
CONTROL KIT)
(NOTIN NEUTRAL)
(IGNITION SWITCH IN RUN)
(DISENGAGED)
(IN 4WD)
(DECK LOWERED)
(DECK LOWERED)
SWITCH IS IN THE ON POSITION.
WHEN THE PTO SWITCH IS MOVED TO THE ENGAGE POSITION, PTO SWITCH
TERMINALS 4 & 5 ARE MOMENTARILY CONNECTED ALLOWING A CURRENT
PATH TO ENERGIZE THE PTO RELAY, THE DECK POSITION SWITCHES AND
THE PTO SOLENOIDS. DIODES D1--B,D1--C AND D1--D WILL THEN CREATE
A LATCHING CIRCUIT TO KEEP THE PTO RELAY ENERGIZED WHEN THE PTO
2WD SOLENOID
THE DECK, THE DOWN LATCHING RELAY IS DE--ENERGIZED PREVENTING
WHEN THE CUTTING DECK LIFT LEVER IS MOVED TO LOWER THE DECK,
THE DECK LOWER SWITCH CLOSES TO ENERGIZE THE DOWN LATCHING
RELAY. THIS PROVIDES A CURRENT PATH FOR THE PTO SWITCH. THE DECK
RAISE SWITCH AND DIODE D3 CREATE ALATCHING CIRCUIT TO KEEP THE
DOWN LATCHING RELAY ENERGIZED. IF THE LIFT LEVER IS MOVED TO RAISE
AVAILABLE CURRENT FOR THE PTO CIRCUIT.
PTO OVERTEMP
SHUTDOWN RELAY

Page 9 - 10
High Temperature Warning Circuits
Power Current
Control Current
Indication Current
Groundsmaster 4100--D
CONTINUES TO SHEET 2
CONTINUES TO SHEET 2
CONTINUES TO SHEET 2
CONTINUES TO SHEET 2
(OCCUPIED)
RIGHT DECK
FRONT DECK
PTO SOLENOID
LEFTDECK
PTO SOLENOID
PTO SOLENOID
(OPTIONAL CRUISE
CONTROL KIT)
(OPTIONAL CRUISE
CONTROL KIT)
(OPTIONAL CRUISE
CONTROL KIT) (OPTIONAL CRUISE
CONTROL KIT)
(OPTIONAL CRUISE
CONTROL KIT)
(NOTIN NEUTRAL)
(IGNITION SWITCH IN RUN)
(DISENGAGED)
(IN 4WD)
(DECK LOWERED)
(DECK LOWERED)
2WD SOLENOID
PTO OVERTEMP
SHUTDOWN RELAY
IF THE ENGINE COOLANT TEMPERATURE RISES TO 220
TEMPERATURE WARNING SWITCH CLOSES. THIS CLOSED SWITCH CAUSES
THE OVER TEMPERATURE WARNING LIGHT TO ILLUMINATE AND ALSO
ENERGIZES THE PTO OVERTEMP SHUTDOWN RELAY. THIS ENERGIZED RELAY
CAUSES THE PTO RELAY TO DE--ENERGIZE AND SHUT OFF ELECTRICAL
oo
C), THE DUALF (105
TO THE DECK PTO SOLENOIDS.

Page 9 - 11
Over Temperature Shutdown Circuits
Power Current
Control Current
Indication Current
Groundsmaster 4100--D
CONTINUES TO SHEET 2
CONTINUES TO SHEET 2
CONTINUES TO SHEET 2
CONTINUES TO SHEET 2
(OCCUPIED)
RIGHT DECK
FRONT DECK
PTO SOLENOID
LEFTDECK
PTO SOLENOID
PTO SOLENOID
(OPTIONAL CRUISE
CONTROL KIT)
(OPTIONAL CRUISE
CONTROL KIT)
(OPTIONAL CRUISE
CONTROL KIT) (OPTIONAL CRUISE
CONTROL KIT)
(OPTIONAL CRUISE
CONTROL KIT)
(NOTIN NEUTRAL)
(IGNITION SWITCH IN RUN)
(DISENGAGED)
(IN 4WD)
(DECK LOWERED)
(DECK LOWERED)
2WD SOLENOID
PTO OVERTEMP
SHUTDOWN RELAY
IF THE ENGINE COOLANT TEMPERATURE RISES TO 240
TEMPERATURE SHUTDOWN SWITCH CLOSES. THIS CLOSED SWITCH CAUSES
THE OVER TEMPERATURE SHUTDOWN RELAY TO ENERGIZE AND REMOVES
ELECTRICAL POWER FROM THE ENGINE RUN SOLENOID AND FUEL PUMP
SHUTTING OFF THE ENGINE.
oo
C), THE DUALF(115
NOTE: IN THIS OVER TEMPERATURE CONDITION, THE ENGINE CAN BE STARTED
BY DEPRESSING THE OVERRIDE SWITCH WHICH DE--ENERGIZES THE OVER
TEMPERATURE SHUTDOWN RELAY RETURNING POWER TO THE ENGINE RUN
SOLENOID AND FUEL PUMP.

Page 9 - 12
Groundsmaster 4100--D
Console Wire Harness
COOLING
FAN
SWITCH (PTO SHUTDOWN DELAY)
(ENGINE SHUTDOWN DELAY)
FLOW
SWITCH
TRANSPORT/4WD
DIVIDER
SWITCH

Page 9 - 13
Groundsmaster 4100--D
Console Wire Harness
YELLOW
GRAY
WHITE
Sheet 1 of 2
YELLOW/BLACK
VIOLET
YELLOW YELLOW
GREEN
RED
BLACK
RED
RED
WHITE
RED
BLACK
GREEN
ORANGE
VIOLET
VIOLET
YELLOW
YELLOW
BLACK
YELLOW
TAN BLACK
BLUE
BLACK VIOLET
BLACK
YELLOW
ORANGE
BLACK BLUE
ORANGE
BLACK
TAN YELLOW
BLACK TAN
TAN
TAN
TAN
GRAY
GRAY
BLACK
WHITE
GRAY
WHITE
ORANGE
TAN
BLACK
BLUE
BLACK
WHITE
YELLOW
TAN
BLUE
YELLOW/BLACK
YELLOW
YELLOW
YELLOW
YELLOW
YELLOW
YELLOW
YELLOW
YELLOW
RED/BLACK
YELLOW
YELLOW
PINK
PINK
PINK
PINK
PINK
BLACK
BLACK ORANGE
BLACK
BLACK
PINK
WHITE
BLUE
GREEN
YELLOW
BLUE
RED
RED BLACK
PINK
WHITE
GREEN
WHITE/BLACK
GREEN
WHITE
GREEN
YELLOW/WHITE
BROWN/WHITE
GREEN
YELLOW/BLACK
VIOLET/BLACK
ORANGE
WHITE
BLUE
BROWN
BLUE
GREEN
GRAY
PINK
BLACK
GRAY
ORANGE
GREEN/BLACK
RED
VIOLET/BLACK
TO SHEET 2
TO SHEET 2
TO SHEET 2
TO SHEET 2
TO SHEET 2
TO SHEET 2
TO SHEET 2
FLOW DIVIDER
SWITCH
TRANSPORT/4WD
PT0 SHUTDOWN ENGINE SHUTDOWN
DELAY DELAY

Page 9 - 14
BLACK
RED YELLOW
TAN/BLACK
RED
BLACK
RED
RED
BLACK
RED
RED
BLACK
TAN/BLACK
YELLOW/GREEN
TAN/BLACK
VIOLET
GREEN/BLACK
BLACK
BLACK
YELLOW
BLACK TAN/BLACK
BLACK
ORANGE/BLACK
YELLOW/WHITE
WHITE/GREEN
WHITE/BLACK
BLUE/BLACK
BROWN/WHITE
GRAY
TAN/BLACK
BLACK
BLACK
BLACK
Groundsmaster 4100--D
Console Wire Harness
Sheet 2 of 2
WHITE/GREEN
YELLOW/GREEN
GREEN/BLACK
BLACK
ORANGE/BLACK
BLUE/BLACK
VIOLET
TO SHEET 1
TO SHEET 1
TO SHEET 1
TO SHEET 1
TO SHEET 1
TO SHEET 1
TO SHEET 1
COOLING FAN SWITCH

Page 9 - 15
Groundsmaster 4100--D
Front Wire Harness
FLOW DIVIDER
SOLENOID

Page 9 - 16
Groundsmaster 4100--D
Front Wire Harness
PINK
BLACK
WHITE
PINK
PINKPINK
BLACK
GREEN/BLACK
GRAY
TAN
BLACK
BROWN
YELLOW
PINK
ORANGE
WHITE
TAN
PINK
PINK
TAN
TAN
BLACK
BLACK
ORANGE ORANGE
BLACK
YELLOW/BLACK
GREEN/BLACK
GREEN/BLACK
GREEN/BLACK
BLACK
ORANGE
BLUE
BLACK
GRAY
GREEN
BLUE
VIOLET/BLACK
FLOW DIVIDER
SOLENOID

Page 9 - 17
Groundsmaster 4000--D
Engine Wire Harness
(STARTER)
(STARTER)
(STARTER)

Page 9 - 18
Groundsmaster 4000--D
Engine Wire Harness
RED/BLACK
BLACK
WHITE RED/BLACK
RED
YELLOW
ORANGE
BLACK
BLACK
BLACK
ORANGE
VIOLET/BLACK
BLACK
VIOLET/BLACK
BLACK
BLACK
BLACK
VIOLET/BLACK
BLACK
YELLOW/BLACK
ORANGE
YELLOW/BLACK
BLACK
YELLOW/BLACK
GREEN
BLACK
BLACK
RED
BLACK
BLACK
BROWN/WHITE
YELLOW/BLACK
ORANGE
BLUE
YELLOW
YELLOW/WHITE
GREEN
VIOLET/BLACK
WHITE
BROWN
BLACK
RED
RED
PINK
BLUE
GRAY
YELLOW
RED/BLACK
ORANGE
WHITE
GREEN
WHITE/BLACK
FUSIBLE LINK

Page 9 - 19
Groundsmaster 4100--D
Jumper Wire Harness
BLACK
BLUE
VIOLET
GRAY
YELLOW
GRAY
BLUE
GRAY
VIOLET
BLUE
VIOLET

Page 9 - 20
Groundsmaster 4100--D
Cutting Deck Wire Harness
ORANGE
YELLOW/BLACK
BLACK
VIOLET/BLACK
BLACK
ORANGE
BLACK
ORANGE
P15
P2
P1
DECK LIFT
SENSOR (LH) DECK LIFT
SENSOR (RH)