Toro Evolution Series Users Manual
2015-06-12
: Toro Toro-Evolution-Series-Users-Manual-138492 toro-evolution-series-users-manual-138492 toro pdf
Open the PDF directly: View PDF
.
Page Count: 30

i
EVOLUTIONTM Series Controller
User’s Guide
ii

iii
Table of Contents
Controller Introduction
Timing Mechanism- - - - - - - - - - - - - - - - - - - - - - - - - - - - - - - - - - - - - - - 1
Internal Components - - - - - - - - - - - - - - - - - - - - - - - - - - - - - - - - - - - - - - 2
Home Screen Messages - - - - - - - - - - - - - - - - - - - - - - - - - - - - - - - - - - - - - 3
Setup Screen - - - - - - - - - - - - - - - - - - - - - - - - - - - - - - - - - - - - - - - - - - 4
Installation
Cabinet Installation/Template - - - - - - - - - - - - - - - - - - - - - - - - - - - - - - - - - - 5
Power Supply Installation - - - - - - - - - - - - - - - - - - - - - - - - - - - - - - - - - - - - 6
Zone Expansion Module Installation- - - - - - - - - - - - - - - - - - - - - - - - - - - - - - - 7
Battery Installation - - - - - - - - - - - - - - - - - - - - - - - - - - - - - - - - - - - - - - - 7
Valve, Pump Relay and Sensor Installation - - - - - - - - - - - - - - - - - - - - - - - - - - - - 8
Time and Date Setup
Editing Time and Date - - - - - - - - - - - - - - - - - - - - - - - - - - - - - - - - - - - - - 9
Changing the Time and Date Format - - - - - - - - - - - - - - - - - - - - - - - - - - - - - - 9
Schedule Setup
Water Days - - - - - - - - - - - - - - - - - - - - - - - - - - - - - - - - - - - - - - - - - - 10
Schedule Start Setup - - - - - - - - - - - - - - - - - - - - - - - - - - - - - - - - - - - - - - 10
Zone Runtimes Setup- - - - - - - - - - - - - - - - - - - - - - - - - - - - - - - - - - - - - - 11
Water Now
Manually Activate a Schedule - - - - - - - - - - - - - - - - - - - - - - - - - - - - - - - - - - 11
Manually Activate a Specic Zone(s) - - - - - - - - - - - - - - - - - - - - - - - - - - - - - - - 12
Manually Activate All Zones- - - - - - - - - - - - - - - - - - - - - - - - - - - - - - - - - - - 12
Water O
Turn O Current Operation - - - - - - - - - - - - - - - - - - - - - - - - - - - - - - - - - - 13
Water O - - - - - - - - - - - - - - - - - - - - - - - - - - - - - - - - - - - - - - - - - - - 13
Advanced Functions
Zone Runtimes- - - - - - - - - - - - - - - - - - - - - - - - - - - - - - - - - - - - - - - - - 14
Zone Details - - - - - - - - - - - - - - - - - - - - - - - - - - - - - - - - - - - - - - - - - - 14
Schedule Starts - - - - - - - - - - - - - - - - - - - - - - - - - - - - - - - - - - - - - - - - - 15
iv
Schedule Details - - - - - - - - - - - - - - - - - - - - - - - - - - - - - - - - - - - - - - - - 15
Maximum Schedule- - - - - - - - - - - - - - - - - - - - - - - - - - - - - - - - - - - - - 15
Status - - - - - - - - - - - - - - - - - - - - - - - - - - - - - - - - - - - - - - - - - - - 15
Type- - - - - - - - - - - - - - - - - - - - - - - - - - - - - - - - - - - - - - - - - - - - 15
Weekday Scheduling- - - - - - - - - - - - - - - - - - - - - - - - - - - - - - - - - - - 16
Even Day Scheduling - - - - - - - - - - - - - - - - - - - - - - - - - - - - - - - - - - 16
Odd Day Scheduling - - - - - - - - - - - - - - - - - - - - - - - - - - - - - - - - - - 16
Interval Day Scheduling - - - - - - - - - - - - - - - - - - - - - - - - - - - - - - - - - 17
Restrictions- - - - - - - - - - - - - - - - - - - - - - - - - - - - - - - - - - - - - - - - - 17
Set Monthly Adjust - - - - - - - - - - - - - - - - - - - - - - - - - - - - - - - - - - - - - 18
Set Schedule as Grow In- - - - - - - - - - - - - - - - - - - - - - - - - - - - - - - - - - - 18
Erase Schedule - - - - - - - - - - - - - - - - - - - - - - - - - - - - - - - - - - - - - - - 19
Set MV/Pump Delay - - - - - - - - - - - - - - - - - - - - - - - - - - - - - - - - - - - - 19
Set Zone Delay - - - - - - - - - - - - - - - - - - - - - - - - - - - - - - - - - - - - - - - 19
Set MV/Pump In Delay - - - - - - - - - - - - - - - - - - - - - - - - - - - - - - - - - - - 19
Sensors - - - - - - - - - - - - - - - - - - - - - - - - - - - - - - - - - - - - - - - - - - - - 20
Diagnostics - - - - - - - - - - - - - - - - - - - - - - - - - - - - - - - - - - - - - - - - - - 20
Firmware - - - - - - - - - - - - - - - - - - - - - - - - - - - - - - - - - - - - - - - - - - - 21
Firmware Update - - - - - - - - - - - - - - - - - - - - - - - - - - - - - - - - - - - - - - - - 21
Factory Reset - - - - - - - - - - - - - - - - - - - - - - - - - - - - - - - - - - - - - - - - - - 21
Help/Setup - - - - - - - - - - - - - - - - - - - - - - - - - - - - - - - - - - - - - - - - - - - - 22
Alerts - - - - - - - - - - - - - - - - - - - - - - - - - - - - - - - - - - - - - - - - - - - - - 22
Contact Toro - - - - - - - - - - - - - - - - - - - - - - - - - - - - - - - - - - - - - - - - - - 22
Set Time/Date - - - - - - - - - - - - - - - - - - - - - - - - - - - - - - - - - - - - - - - - - 22
Load From USB - - - - - - - - - - - - - - - - - - - - - - - - - - - - - - - - - - - - - - - - 23
Save to USB - - - - - - - - - - - - - - - - - - - - - - - - - - - - - - - - - - - - - - - - - - 23
Preferences
Set Language - - - - - - - - - - - - - - - - - - - - - - - - - - - - - - - - - - - - - - - - 24
Set Display Contrast - - - - - - - - - - - - - - - - - - - - - - - - - - - - - - - - - - - - 24
Set Clock Format - - - - - - - - - - - - - - - - - - - - - - - - - - - - - - - - - - - - - - 24
Set Date Format - - - - - - - - - - - - - - - - - - - - - - - - - - - - - - - - - - - - - - 25
Set the Beginning of the Week - - - - - - - - - - - - - - - - - - - - - - - - - - - - - - - - 25
Specications - - - - - - - - - - - - - - - - - - - - - - - - - - - - - - - - - - - - - - - Back Cover
Electronic Compatibility - - - - - - - - - - - - - - - - - - - - - - - - - - - - - - - - - - Back Cover

1
ank you for purchasing Toro’s new EVOLUTIONTM Series Controller delivering unprecedented control and ease-of-use of your
irrigation system. e EVOLUTIONTM controller is easily expandable from 4-zones to 8- and even 12-, giving the controller the ability
to handle even the largest of residential irrigation systems. EVOLUTIONTM allows a rain sensor or soil sensor to be attached further
automating your irrigation needs. Using the bundled EVOLUTIONTM software for your PC, you can use online evapotranspiration (ET)
data to further automate irrigation. And lastly, the controller is housed in a rugged and durable case allowing for years of maintenance-free
service and steadfast performance. If you have any questions or problems with our controller, please call us toll-free at 1-800-367-8676 and
we will be happy to answer your questions and resolve any problem you might have.
Controller Introduction
Timing Mechanism
1
2
3
4
5
6
7
13
12
11
10
9
8
Figure 1
1 – LCD Screen
2 – Water O Button. Use to turn o scheduled and manually activated watering. For extended watering o, you can select
1-14 days or Remains O.
3 – Water Now Button. Use to manually activate a schedule, specic zone(s) or All Zones Test.
4 – Schedules Button. Use to set your active watering day(s), schedule start(s) and zone runtime(s).
5 – Adjust Water Button. Adjust your watering percentage per schedule or zone.
6 – Review Button. Use to review your schedule parameters.
7 – Advanced Button. Use to access the controller’s advanced features from zone and schedule details to sensor setup and
controller diagnostics.
8 – Home Button. Use to display the controller’s activity and alert messages.
9 – Help/Setup Button. Use to access and clear alerts, set the controller’s time and date, locate Toro contact information
and local Toro service providers, as well as modify controller preferences such as the display language and time and
date format. Use Setup also to save or load a schedule to or from your USB device.
10 – Up and Down Arrow Buttons. Use to navigate up or down through the menu items. ey is also used to modify
parameters.
11 – Left and Right Arrow Buttons. Use to navigate between menu parameters. e button is also used to revert back
to previous menu selections.
12 – Select Button. Use to select a menu item or enter and save parameters.
13 – LED Indicator. Indicates that Water O is active (constantly lit) or an Alert condition is detected (blinking).

2
Internal Components
1
4 5 6
7879
2 3
Figure 2
1 – Zones and Sensor Terminals
VALVE TEST – Use this terminal to test a valve for proper function.
24VAC – 24 VAC Power Source
GND – Power Source Ground
SENSOR – Sensor Terminals
MV PUMP – Master Valve Terminal
COM – Zones’ and Master Valve Common Terminals
1,2,3 and 4 – Zone 1, Zone 2, Zone 3, and Zone 4 Terminals
2 – Zones’ 5, 6, 7 and 8 Expansion Module Socket
3 – Zones’ 9, 10, 11 and 12 Expansion Module Socket
4 – Schedules USB Flash Drive Connector
5 – 9 Volt Battery Compartment
6 – Power Supply Terminal Compartment
7 – Smart ConnectTM Module
8 – EMOD-4, Four-Zone Expansion Module (available separately)
9 – EMOD-12, Twelve-Zone Expansion Module (available separately)

3
Home Screen Messages
HOME
01:09PM
WED
01/08
NEXT START 06:00AM
ALERT: PRESS HELP
B
C
A
ATitle Bar
HOME
e battery icon indicates that the controller’s VAC power is o and the timer is running under the
battery power.
Note: e 9-volt battery is used to retain schedule parameters and will not activate any zones when
the VAC power supply is o.
BMain Display
01:09PM TUES
01/08
Display the current time, day of the week and date.
SCHEDULE A/B/C OR AUX
Indicates which schedule (A, B or C) or auxilliary is associated with the displayed status. If only
Schedule A is active, EVOLUTIONTM will not display the Schedule “A”, “B” and “C” or AUX.
SCHEDULE A GROW IN
Indicates the displayed schedule is set as Grow In. e Grow In option is set in the Schedule Details
under the Advanced menu.
NOT WATERING TODAY
Indicates that the displayed schedule will not water that day.
NOT ACTIVE TODAY
e displayed auxilliary schedule (Aux) will not activate that day.
ZONE 1 00:05
Indicates that Zone 1 is active with a 5-minute remaining runtime. Pressing the Right arrow will
deactivate the running zone and activate the next zone (if additional zones are scheduled) in the schedule
regardless of the remaining runtime.
WATERING COMPLETE
e displayed schedule completed its watering cycle.
SCHEDULE COMPLETE
e displayed auxilliary schedule (Aux) completed its cycle.
NEXT START 06:00AM
Indicates the next start time of the displayed watering or auxilliary (Aux) schedule.
DELAY 00:05
Indicates that the controller is performing a zone delay before the next zone in the schedule is activated.
e zone delay is set in the Schedule Details under the Advanced menu.
SOAK 00:05
Indicates that the active zone is performing a soak delay before continuing operation. e soak delay is
set in the Zone Details under the Advanced menu.
RAIN HOLD
Indicates that the rain sensor is activated and the schedule is delayed until the rain sensor dries up.
If rain delay is set, the controller will indicate Rain Hold until the rain delay expires.
NEXT START 06:00AM
e scroll down arrow indicates that additional information are available. Use the Down arrow to
reveal the additional message(s).
BMessage Bar
ALERT: PRESS HELP
Indicates that the controller detected a condition that needs user attention. Check the alert messages in
the Alerts menu under the Help/Setup function. For a list of the Alert messages and description, please
refer to the Alert Messages section on page 20.
WATER OFF 04 DAYS
Indicates that scheduled watering has been suspended for the indicated days. Watering can be turned o
from 1–14 days, Remains O or will operate at the next scheduled start.
SYSTEM OK
Indicates that the system is functioning as expected.

4
Setup Screen
WELCOME
INITIALIZING
PLEASE WAIT . . .
SETUP
LANGUAGE ENGLISH
DATE FORMAT MM/DD/YY
CLOCK 12 HOUR
TIME 12:01AM
DATE 01/01/13
BEGIN WEEK SUNDAY
Upon power up, the initialization screen will display briey. On initial power up, the EVOLUTIONTM will display the SETUP screen. is
SETUP screen is only accessed during initial power up or after a factory reset is performed.
Set Language
Select the preferred display language. Select from English, Spanish, French, German, Italian or Portuguese.
Step 1 – While LANGUAGE is selected, press the Right arrow or SELECT .
Step 2 – Use the Up or Down arrows to select from English (default), Spanish, French, German, Italian or Portuguese.
Press SELECT .
Step 3 – Press the HOME button to return to the main screen.
Set Date Format
Step 1 – Use the Down arrow to select DATE FORMAT. Press the Right arrow or SELECT .
Step 2 – Use the Up or Down arrows to select MM/DD/YY (Month/Day/Year) (default) or DD/MM/YY (Day/Month/Year).
Press SELECT .
Step 3 – Press the HOME button to return to the main screen.
Set Clock Format
Step 1 – Use the Down arrow to select CLOCK. Press the Right arrow or SELECT .
Step 2 – Use the Up or Down arrows to select 12 HOUR (default) or 24 HOUR. Press SELECT .
Step 3 – Press the HOME button to return to the main screen.
Set the Current Time
Step 1 – Use the Down arrow to select TIME. Press the Right arrow or SELECT .
Step 2 – Use the Left or Right arrows to navigate between the Hour and Minute positions. Use the Up or Down
arrows to set the correct values. Press SELECT when nished.
Step 3 – Press the HOME button to return to the main screen.
Set the Current Date
Step 1 – Use the Down arrow to select DATE. Press the Right arrow or SELECT .
Step 2 – Use the Left or Right arrows to navigate between the Month, Day and Year positions. Use the Up or Down
arrows to set the correct values. Press SELECT when nished.
Step 3 – Press the HOME button to return to the main screen.
Set the Beginning of the Week
Step 1 – Use the Down arrow to select BEGIN WEEK. Press the Right arrow or SELECT .
Step 2 – Use the Up or Down arrows to select SUNDAY (default) or MONDAY as the beginning of the weekly schedule.
Press SELECT when nished.
Step 3 – Press the HOME button to return to the main screen.

5
Installation
AB
C
D
Cabinet Installation
Use this page as a template to mark the screw location of the EVOLUTIONTM cabinet.
ere are two mounting options for the EVOLUTIONTM. e rst option allows you
to mount the cabinet with three screws and the second option allows you to mount the
cabinet with two screws. For safe and reliable operation, select an installation site that
can provide the following conditions:
t'PS*OEPPSNPEFMDPOUSPMMFST - Inside a garage or other structure which will provide
protection from the weather.
t'PS0VUEPPSNPEFMDPOUSPMMFST - Protection from irrigation spray, wind and snow. A
shaded location is recommended.
tAccess to a grounded AC power source (within 4' [1.2 m] for indoor models) which
is not controlled by a switch or utilized by a high current load appliance, such as a
refrigerator or air conditioner.
tAccess to the sprinkler control valve wiring and optional accessory wiring.
AB
D
C
Option 1
Step 1 – Unplug the controller panel ribbon cable. Open the front panel about
90º and detach it from the cabinet by pulling the bottom portion
upwards. Removing it from the cabinet allows you to access the
mounting location.
Step 2 – Mark the mounting screw location A,B and D.
Step 3 – Drill 1/8" (3mm) pilot holes at the marked locations.
Step 4 – Secure the cabinet with screws.
Option 2
Step 2 – Mark the mounting screw location C and D.
Step 3 – Drill 1/8" (3mm) pilot holes at the marked locations.
Step 4 – Secure the cabinet with screws.
Figure 3
Figure 4 Figure 5

6
Power Supply Installation
8"3/*/( AC power wiring must be installed and connected by qualied personnel only. All electrical components and installation
procedures must comply with all applicable local and national electrical codes. Some codes may require a means of disconnecting from the
AC power source installed in the xed wiring and having a contact separation of at least 0.120" (3mm) in the line and neutral poles. Make
sure the power source is OFF prior to connecting the controller.
Indoor and 240 VAC Outdoor Models
Indoor models and the 240 VAC Outdoor model will be pre-wired with a power cord
Figure 6
ready to be plugged into a wall power socket.
110 VAC Outdoor Models
Step 1 – Route power and ground wires from a power source through a conduit Figure 7
#MBDL White (SFFO
7"$0VUEPPS.PEFMT
and into the EVOLUTIONTM cabinet.
Step 2 – Open the EVOLUTIONTM controller and access the internal components.
Step 3 – Remove the power compartment cover to access the transformer wiring.
Remove 1/2" (12.7mm) of insulation from the wire ends.
Step 4 – Using the provided wire nuts, secure the transformer Line (black) wire
to the black power source wire, Neutral (white) to the white power source
wire and Equipment Ground wire (green) to the green power source wire.
Note: Earlier EVOLUTIONTM model is equipped with two Equipment
Ground wires (green). Connect both wires to the green power source wire.
Step 5 – Install and secure the power compartment cover.
Step 6 – Apply power to the controller.
220 VAC Outdoor Models
Step 1 – Route power and ground wires from a power source through a conduit Figure 8
#SPXO (SFFO:FMMPX #MVF
(L) (N)
()
7"$0VUEPPS.PEFMT
and into the EVOLUTIONTM cabinet.
Step 2 – Open the EVOLUTIONTM controller and access the internal components.
Step 3 – Remove the power compartment cover to access the transformer terminals.
Step 4 – Remove 1/2" (12.7mm) of insulation from the power source wire ends and
install the brown wire into the Line (L)terminal. Install the green wire into
the Ground ( ) terminal and the blue wire into the Neutral (N) terminal.
Step 5 – Install and secure the power compartment cover.
Step 6 – Apply power to the controller.

7
Zone Expansion Module Installation
e EVOLUTIONTM controller can be expanded using the optional 4-zone (EMOD-4) or 12-zone (EMOD-12) modules to add more
zones to the system.
.PEVMF*OTUBMMBUJPO
A
A
B
B
Figure 9 Figure 10
Step 1 – Open the EVOLUTIONTM controller door and control panel to access the internal components.
Step 2 – Locate the module slot A and B. Install the module by placing the bottom hooked standos into slot A and push the module
tab towards the cabinet until a positive click is achieved. e click indicates that the module’s retaining tab is fully engaged.
Once installed, the EVOLUTIONTM controller will be able to read the additional zones and will make them available for
scheduling.
Note: If installing only one four-station module (EMOD-4), it must be installed in the zone 5-8 module slot.
.PEVMF3FNPWBM
Step 1 – Open the EVOLUTIONTM controller door and control panel to access the Figure 11
internal componenents.
Step 2 – Hold the module as shown in 'JHVSF. Press the retaining tab while
pulling the module away from the cabinet.
Battery Installation
Figure 12
e EVOLUTIONTM controller uses a 9-VDC battery to retain schedule parameters during
an extended period of power outages.
Step 1 – Open the EVOLUTIONTM controller door and control panel to access the
internal components.
Step 2 – Locate the battery compartment at the back of the control panel.
Step 3 – Align the polarity (– and +) of the battery then slide it into the battery
compartment as shown in 'JHVSF.+–

8
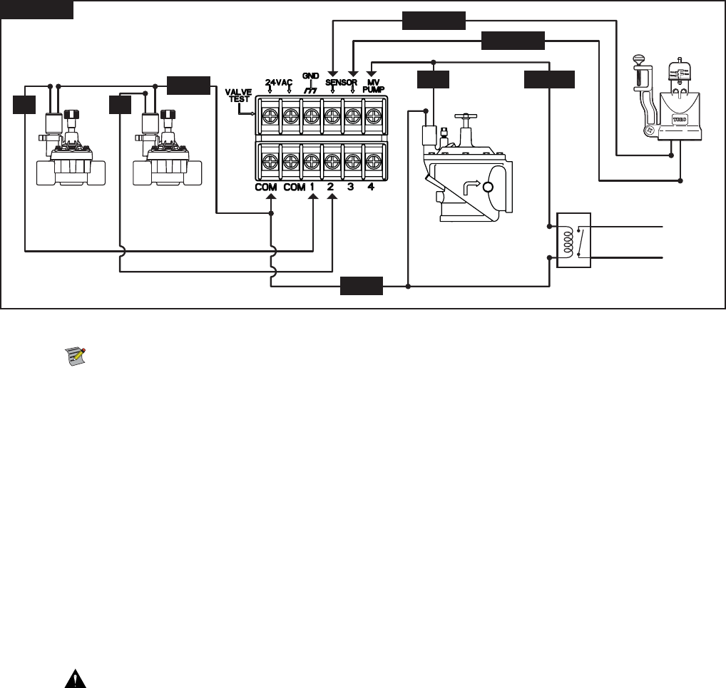
Valve, Pump Relay and Sensor Installation
Figure 13
1 2
MV PUMP
SENSOR
SENSOR
COM
COM
Step 1 – Route valve wires from the valves, master valves, pump relay and/or sensor into the controller cabinet.
Note: 18 AWG (1.0 mm2) multi-wire sprinkler valve connection cable can be used. is cable is insulated for direct burial
and is color-coded to simplify installation. It can be routed directly into the controller through the access hole provided for
valve wire conduit (if conduit is not used).
Step 2 –$POOFDUWBMWFTNBTUFSWBMWFTBOEQVNQTUBSUSFMBZUPUIFWBMWFXJSFT - Connect the white color-coded wire from the cable
to one wire from each valve solenoid and/or pump relay. (Either of the two wires from the solenoid or pump relay can be used
for this connection.) is connection will be designated as the valve common wire.
Connect a separate cable wire to the remaining wire from each valve solenoid. Note the wire color-code used for each valve and
the zone it controls. You will need this information when connecting the valve wires to the controller.
$POOFDUTFOTPSUPUIFWBMWFXJSFT - Connect any two unused color-coded wires to the sensor. Note the color-code of the
sensor wires for installation.
Step 3 – Secure all wire splices using wire nut connectors. To prevent corrosion and possible short circuits, always use an insulated wire
nut, grease cap or similar waterproong method.
Step 4 –$POOFDUWBMWFTXJSFTUPUIFDPOUSPMMFS- Secure the valve common wire (white) to either of the two terminals labeled COM.
Secure the individual valve wires to the appropriate zones they control, Zone 1 valve to terminal 1, Zone 2 valve to terminal 2, etc.
$POOFDUNBTUFSWBMWFQVNQSFMBZXJSFTUPUIFDPOUSPMMFS- Secure the valve common wire (white) to either of the two
terminals labeled COM. Secure the Master Valve or Pump Relay wire to the terminal labeled .716.1.
$BVUJPO To prevent controller damage, do not connect the pump motor starter directly to the controller.
$POOFDUTFOTPSXJSFTUPUIFDPOUSPMMFS- Remove the jumper wire from the SENSORS terminals. Secure the two sensor wires
to the sensor terminals. Refer to the provided sensor instructions for further installation instructions.
Step 5 – Test for proper operation.

9
Time and Date Setup
Editing Time and Date
Step 1 – Press the HELP/SETUP button.
Step 2 – Use the Up or Down arrows to navigate to SET TIME/DATE. Press SELECT .
HELP/SETUP
ALERTS
CONTACT TORO
SET TIME/DATE
LOAD FROM USB
SAVE TO USB
Step 3 – Use the Up or Down arrows to select TIME or DATE. Navigate to the TIME or DATE parameters using the Left
or Right arrows.
Step 4 – Use the Up or Down arrows to modify the TIME’s Hour and Minutes or the DATE’s Month, Day and Year (Day,
Month and Year for International Format).
SET TIME/DATE
TIME 11:25AM
DATE 05/01/13
Step 5 – Press SELECT to save the changes.
Step 6 – Press the BACK arrow to return to the previous menu or HOME to return to the main screen.
Changing the Time and Date Format
e EVOLUTIONTM controller display time and date in U.S. format. EVOLUTIONTM can also display the time and date in the
international format (24-Hours for TIME and Day/Month/Year for DATE). To change the time and date format, you have to access
PREFERENCES.
Step 1 – Press the HELP/SETUP button.
Step 2 – Use the Up or Down arrows to navigate to PREFERENCES. Press SELECT .
Step 3 – Use the Up or Down arrows to navigate to CLOCK or DATE FORMAT. Press the Right arrow or SELECT .
PREFERENCES
LANGUAGE ENGLISH
CONTRAST -15
CLOCK 12 HOUR
DATE FORMAT MM/DD/YY
BEGIN WEEK SUNDAY
Step 4 – Use the Up or Down arrows to modify the CLOCK or DATE FORMAT.
Step 5 – Press SELECT to save the changes.
Step 6 – Press the BACK arrow to return to the previous menu or HOME to return to the main screen.

10
Schedule Setup
e EVOLUTIONTM controller only displays one schedule by default. See the "EWBODFE'VODUJPOT section to activate additional schedules if
needed.
Water Days Setup
e EVOLUTIONTM controller allows for exible watering by giving you four schedule options: 7-day, Even days, Odd days or Interval
days. By default, the 7-day schedule is set for the schedule. To set watering days to Odd, Even or Interval, see the "EWBODFE'VODUJPOT
section.
7-Day Scheduling
e 7-day schedule allows you to activate or turn o any of the days in the week. By default, all days are active.
Step 1 – Press the SCHEDULES button.
Step 2 – (For controllers with multiple active schedules only.)
Use the Up or Down arrows to select the Schedule you want to edit. Press SELECT .
Note: e Schedule and Zone names can be customized using the EVOLUTIONTM Software which can be accessed at
www.toro.com/evolution.
Step 3 – Use the Up or Down arrows to navigate to WATER DAYS. Press SELECT .
SCHEDULE
S M T W T F S
Step 4 – Use the Left or Right arrows to navigate within the days of the week. Use the Up or Down arrows to activate
or turn o the day for watering. Repeat for all days of the week.
Step 5 – Press SELECT to save the changes and return to the SCHEDULES menu.
Step 6 – Press the BACK arrow to return to the previous menu or HOME to return to the main screen.
Schedule Start Setup
By default, the EVOLUTIONTM controller is set with 1 start time set to OFF. Additional Starts can be added with a maximum of four starts
per schedule. Once a start is activated, the schedule will activate the rst zone (lowest number). Once it is complete, the second zone will
water. e schedule will continue until all zones with runtimes have been activated.
Step 1 – Press the SCHEDULES button.
Step 2 – (For controllers with multiple active schedules only.)
Use the Up or Down arrows to select the Schedule you want to edit. Press SELECT .
Note: e Schedule name can be customized using the EVOLUTIONTM Software which can be accessed at
www.toro.com/evolution.
Step 3 – Use the Up or Down arrows to navigate to SCHEDULE STARTS. Press SELECT .
SCHEDULE
START 01:00AM
ADD START
EACH START RUNS ALL
SCHEDULED ZONES
Step 4 – Use the Left or Right arrows to navigate to the start time’s Hours, Minutes and AM/PM. Use the Up or Down
arrows to set your desired start time. Press SELECT to save.
Step 5 – Navigate to ADD START to add another start time. Press SELECT . Modify the new start time as indicated in Step 3.
Step 6 – To delete a start time, set the time to OFF. e OFF selection is located between the full hour of 11:00 AM/PM and the full
hour of 12:00 AM/PM (23:00 and 00:00).
Step 7 – Press the BACK arrow to return to the previous menu or HOME to return to the main screen.

11
Zone Runtimes Setup
e Zone Runtimes is where you select all the zones that will run in the schedule. By default, all zones are set to OFF. Modify the runtime
for each zone as necessary. Deactivate a zone by setting the runtime to OFF.
Step 1 – Press the SCHEDULES button.
Step 2 – (For controllers with multiple active schedules only.)
Use the Up or Down arrows to select the Schedule you want to edit. Press SELECT . If only Schedule A is
enabled, move to Step 3.
Note: e Schedule and Zone names can be customized using the EVOLUTIONTM Software which can be accessed at
www.toro.com/evolution.
Step 3 – Use the Up or Down arrows to navigate to ZONE RUNTIMES. Press SELECT .
Step 4 – Use the Up or Down arrows to navigate to the ZONE you want to set or edit. Press the Right arrow or SELECT .
SCHEDULE
ZONE 1 00:15
ZONE 2 00:05
3:FRONT YARD 00:15
4:BACK YARD 00:20
ZONE 5 OFF
Step 5 – Use the Up or Down arrows to set the desired runtime for that particular zone. Press SELECT to save.
Step 6 – Repeat Steps 4 and 5 for the remaining Zones. Set the Zone to OFF to disable.
Step 7 – Press the BACK arrow to return to the previous menu or HOME to return to the main screen.
Water Now
Water Now is used to manually activate a schedule, zone(s), or to test all zones.
Manually Activate a Schedule
Step 1 – Press the WATER NOW button.
Step 2 – Use the Up or Down arrows to navigate to SCHEDULE. Press SELECT . Watering will begin.
e selected schedule will run and activate all assigned zones.
(For controllers with multiple active schedules only.)
Use the Up or Down arrows to select the Schedule you want to activate. Press SELECT .
WATER NOW
SCHEDULE A
SCHEDULE B
ZONES
Note: e Schedule name can be customized using the EVOLUTIONTM Software which can be accessed at
www.toro.com/evolution.
Step 3 – Press BACK to return to the previous menu or HOME to return to the main screen.

12
Manually Activate a Specific Zone(s)
Step 1 – Press the WATER NOW button.
Step 2 – Use the Up or Down arrows to navigate to ZONES. Press SELECT .
Note: e Zone name can be customized using the EVOLUTIONTM Software which can be accessed at
www.toro.com/evolution.
Step 3 – Use the Up or Down arrows to select the specic zone to activate. Press the Right arrow or SELECT .
WATER NOW
ZONE 1 OFF
ZONE 2 -–:10
ZONE 3 OFF
Step 4 – Use the Up or Down arrows to assign the zone a runtime. Press SELECT .
e zone will activate until the specied runtime expires. A water drop icon is displayed to indicate that the zone is actively
watering.
Step 5 – Repeat Steps 3 and 4 to activate additional zones. Watering will occur in the order that the zones are entered.
Step 6 – Press the BACK arrow to return to the previous menu or HOME to return to the main screen.
Manually Activate All Zone Test
Step 1 – Press the WATER NOW button.
Step 2 – Use the Up or Down arrows to navigate to ALL ZONE TEST. Press the Right arrow or SELECT .
WATER NOW
SCHEDULE
ZONES
ALL ZONE TEST 02:00
Note: e Zone name can be customized using the EVOLUTIONTM Software which can be accessed at
www.toro.com/evolution.
Step 3 – Use the Up or Down arrows to assign a runtime. Press SELECT .
Note: e EVOLUTIONTM controller will sequentially water all active zones (only active zones will run) starting with
Zone 1. All active zones will run the specied runtime duration.
Step 4 – Press the BACK arrow to return to the previous menu or HOME to return to the main screen.
Note: All Zone Test will not aect the AUX schedule.

13
Water Off
Turn Off Current Operation
Step 1 – Press the WATER OFF button.
WATER OFF
RESUME WATERING
NEXT SCHEDULED START
All currently active automatic schedule(s) and manually activated schedules and zones will turn o. e EVOLUTIONTM
controller will not run any watering schedules while the WATER OFF screen is displayed.
Step 2 – Press the HOME button. Irrigation will resume at the next automatic scheduled start time.
Water Off
Step 1 – Press the WATER OFF button.
All currently active automatic schedule(s) and manually activated schedules and zones will turn o. e EVOLUTIONTM
controller will not run any schedules while the WATER OFF screen is displayed.
Step 2 – Use the Up or Down arrows to assign the number of days until watering resumes. Select a delay of 1–14 days, NEXT
SCHEDULED START or REMAINS OFF. Press SELECT to enter or HOME to cancel. Pressing SELECT will save
your selection and take you back to the HOME screen.
WATER OFF
RESUME WATERING
IN 05 DAYS

14
Advanced Functions
You can access the EVOLUTIONTM controller’s advanced functions by pressing the ADVANCED button and then pressing
SELECT button to conrm. In the Advanced Functions, you can activate additional schedules, check and set runtimes and start times to all
schedules in one screen, set schedule and zone details, set rain sensors to the schedules, perform diagnostics test, check rmware version and
reset the controller to factory defaults.
Zone Runtimes
e Zone Runtimes function is where you can set any of the zones to any of the three schedules (A, B and C). All the zones are listed from
least to greatest. You can then set any zone to a schedule by entering a runtime to its corresponding schedule column.
Step 1 – While in the ADVANCED menu, use the Up or Down arrows to select the ZONE RUNTIMES. Press SELECT
to access.
Step 2 – Use the Up or Down arrows to select the zone you want to edit. Press SELECT .
ZONE RUNTIMES
A B CC
01 00:05 OFF OFF
02 00:10 OFF OFF
03 00:05 OFF OFF
Step 3 – Use the Left or Right arrows to navigate to the runtime you want to edit. Enter runtime using the Up or
Down arrows. Moving to another parameter will save the changes as well as pressing the SELECT button.
Repeat Step 3 as necessary to assign runtimes to other schedules.
Note: e maximum runtime that you can assign to a zone is 12 hours. Water Adjustment will not increase the runtime
beyond 12 hours.
Step 4 – Repeat Steps 2 and 3 for the remaining zones as necessary.
Step 5 – To remove a zone from a schedule, set the runtime to OFF.
Step 6 – Press the BACK arrow to return to the previous menu or HOME to return to the main screen.
Note: A schedule will also need a Start Time for the zone to be activated.
Zone Details
Step 1 – While in the ADVANCED menu, use the Up or Down arrows to select the ZONE DETAILS.
Press SELECT to access.
Step 2 – Use the Up or Down arrows to select the zone you want edit. Press SELECT .
Step 3 – Use the Up or Down arrows to select the ZONE DETAILS you want to edit. Press SELECT .
ZONE 01
MV PUMP ON
CYCLE OFF
SOAK OFF
Step 4 – Use the Right arrow to navigate to the parameter. Use the Up or Down arrows to modify its values. Press
SELECT to save and select the next zone detail.
.716.1 – Set to ON if a master valve is used in conjunction with this zone. Connect the master valve relay to MV PUMP
terminals. If no master valve is used in conjunction with this zone, set to OFF.
$:$-& and SOAK – is function is used to break the zone’s runtime into shorter cycles to allow the water to penetrate the
soil and avoid runo or wasted water.
e cycle time is the length of time the zone will run before entering a soak time.
e soak time is set as a delay between zone cycles. It is usually used to allow water to penetrate the soil into the root system.
Allowing a soak time prevents water waste from water runo during irrigation. Water runo can occur when the applied
irrigation is higher than the absord rate of the soil being irrigated. e excess water will then accumulate on top of the soil and
will form a runo stream carrying water away from where it should be applied.
e cycle and soak will continue until the total runtime for the zone has been met.
Step 5 – Press the BACK arrow to return to the previous menu or HOME to return to the main screen.

15
Schedule Starts
e Schedule Starts function allows you to view the three schedules with all four possible start times.
Step 1 – While in the ADVANCED menu, use the Up or Down arrows to select the SCHEDULE STARTS.
Press SELECT .
Step 2 – Use the Left or Right arrows to navigate to start time you want to edit. You can also press SELECT until the
desired start time is selected.
ZONE RUNTIMES
A B C C
04:30A 07:45A OFF
08:00P OFF OFF
OFF OFF OFF
Step 3 – Use the Up or Down arrows to enter the desired start time. Moving to another parameter will save the changes as
well as pressing the SELECT button.
Step 4 – Repeat Steps 2 and 3 to edit or add another start time.
Step 5 – Place the start time to OFF to remove.
Step 6 – Press the BACK arrow to return to the previous menu or HOME to return to the main screen.
Schedule Details
Step 1 – While in the ADVANCED menu, use the Up or Down arrows to select SCHEDULE DETAILS. Press SELECT .
SCHEDULE DETAILS
MAX SCHEDULES 1
SCHEDULE A
SCHEDULE B
SCHEDULE C
AUX 1
Step 2 – Use the Up or Down arrows to select the schedule you want to edit. Press SELECT .
Step 3 – Use the Up or Down arrows to select through the menu items you want to edit. Press SELECT .
Step 4 – Use the Left or Right arrows to navigate to the parameter and use the Up or Down arrows to modify the
values. Press SELECT to save.
Set Maximum Schedules
e maximum concurrently running schedule is set in Schedule Details. e default setting is 1 schedule. e auxiliary schedule is not
included in the set maximum. You can set a maximum of 1–3 schedules to activate at the same time.
Step 1 – While in the ADVANCED/SCHEDULE DETAILS menu. Use the Up or Down arrows to select MAX
SCHEDULES. Press the Right arrow or SELECT .
SCHEDULE DETAILS
MAX SCHEDULES 1
SCHEDULE A
SCHEDULE B
SCHEDULE C
AUX 1
Step 2 – Use the Up or Down arrows to set the maximum schedules to activate concurrently. Press SELECT to save.
Step 3 – Press the BACK arrow to return to the previous menu or HOME to return to the main screen.
STATUS – Select the schedule’s mode. Place it in ENABLED (Active) or DISABLED (OFF).
5:1& – Select the schedule type. Select between Weekdays, Even, Odd or Interval scheduling.

16
Set Schedule Type
8FFLEBZ4DIFEVMJOH
Selecting Weekday scheduling will activate all 7 days of the week. You can disable any of the 7 days as a non-watering day.
Step 1 – While in the ADVANCED/SCHEDULE DETAILS menu, use the Up or Down arrows to select the Schedule you
want to edit. Press SELECT .
Step 2 – Use the Up or Down arrows to navigate to TYPE. Press the Right arrow or SELECT .
Step 3 – Use the Up or Down arrows to select WEEKDAY. Press SELECT .
SCHEDULE A
STATUS ENABLED
TYPE WEEKDAY
RESTRICTIONS
MONTHLY ADJUST
Step 4 – Press the BACK arrow to return to the previous menu or HOME to return to the main screen.
0EE%BZ4DIFEVMJOH
Selecting Odd scheduling will activate all odd-numbered days in the calendar as a watering day. e 31st day of the month is not a watering
day.
Step 1 – While in the ADVANCED/SCHEDULE DETAILS menu, use the Up or Down arrows to select the Schedule you
want to edit. Press SELECT .
Step 2 – Use the Up or Down arrows to navigate to TYPE. Press the Right arrow or SELECT .
Step 3 – Use the Up or Down arrows to select ODD. Press SELECT .
SCHEDULE A
STATUS ENABLED
TYPE ODD
RESTRICTIONS
MONTHLY ADJUST
Step 4 – Press the BACK arrow to return to the previous menu or HOME to return to the main screen.
&WFO%BZ4DIFEVMJOH
Selecting Even will activate all even-numbered days in the calendar as a watering day.
Step 1 – While in the ADVANCED/SCHEDULE DETAILS menu, use the Up or Down arrows to select the Schedule you
want to edit. Press SELECT .
Step 2 – Use the Up or Down arrows to navigate to TYPE. Press SELECT .
Step 3 – Use the Up or Down arrows to select EVEN. Press the Right arrow or SELECT .
SCHEDULE A
STATUS ENABLED
TYPE EVEN
RESTRICTIONS
MONTHLY ADJUST
Step 4 – Press the BACK arrow to return to the previous menu or HOME to return to the main screen.

17
*OUFSWBM%BZ4DIFEVMJOH
Selecting Interval watering allows you to specify the number of days between watering. Selecting an interval of 3 will prompt the controller
to water every 3rd day.
Step 1 – While in the ADVANCED/SCHEDULE DETAILS menu, use the Up or Down arrows to select the Schedule you
want to edit. Press SELECT .
Step 2 – Use the Up or Down arrows to navigate to TYPE. Press SELECT .
Step 3 – Use the Up or Down arrows to select INTERVAL. Press SELECT .
INTERVAL
WATERS EVERY 03 DAYS
CURRENT DAY 01
WATERS ON LAST DAY
OF INTERVAL
Step 4 – Use the Right arrow to navigate to WATERS EVERY designation. Modify using the Up or Down arrows. Press
SELECT to save and advance to the next parameter. Enter 2 for every other day, 3 for every third day, etc.
Step 5 – e CURRENT DAY designation represents the present day within the interval schedule. Enter 1 for rst day, 2 for second
day, 3 for third day, etc. Press SELECT to save.
INTERVAL
WATERS EVERY 03 DAYS
CURRENT DAY 02
WATERS ON LAST DAY
OF INTERVAL
Step 6 – Press the BACK arrow to return to the previous menu or HOME to return to the main screen.
4FU8BUFSJOH3FTUSJDUJPOs
Restrictions function allows you to select the day and time frame you do not want any scheduled watering activity.
3FTUSJDUJPO%BZT
Step 1 – While in the ADVANCED/SCHEDULE DETAILS menu, use the Up or Down arrows to select the Schedule you
want to edit. Press SELECT .
Step 2 – Use the Up or Down arrows to navigate to RESTRICTIONS. Press SELECT .
Step 3 – Use the Up or Down arrows to navigate to RESTRICTION DAYS. Press SELECT .
Step 4 – Use the Left or Right arrows to navigate through the days of the week. Use the Up or Down arrows to restrict
watering . To activate watering, select for that day. Press SELECT to save.
RESTRICTION DAYS
S M T W T F S
TODAY IS THURSDAY
3FTUSJDUJPO5JNF
Step 1 – While in the ADVANCED/SCHEDULE DETAILS menu, use the Up or Down arrows to select the Schedule you
want to edit. Press SELECT .
Step 2 – Use the Up or Down arrows to navigate to RESTRICTIONS. Press SELECT .
Step 3 – Use the Up or Down arrows to navigate to RESTRICTION TIME. Press SELECT .
Step 4 – Use the Up or Down arrows to select START or STOP. Press SELECT . Use the Left or Right arrows
to navigate between the hours and minutes. Use the Up or Down arrows to adjust the time. Press SELECT to
save. e EVOLUTIONTM controller will not allow any schedules to activate between the start time and the stop time during
restricted days.
RESTRICTION TIME
START 10:00AM
STOP 03:00PM
Note: Scheduled watering that continues into a restricted day will stop.

18
4FU.POUIMZ"EKVTU
Use the monthly adjust function to allow EVOLUTIONTM to automatically increase or decrease your watering with respect to the seasons
for all zones assigned to the schedule. During the winter and spring months, it may be necessary to decrease watering. In the summer
months, it might be necessary to increase watering.
Step 1 – While in the ADVANCED/SCHEDULE DETAILS menu, use the Up or Down arrows to select the Schedule you
want to edit. Press SELECT .
Step 2 – Use the Up or Down arrows to navigate to MONTHLY ADJUST. Press SELECT .
Step 3 – Use the Up or Down arrows to select the month you want to edit. Press SELECT . Use the Up or
Down arrows to enter the percentage you want your watering duration to increase or decrease. Press SELECT to save.
Repeat Step 3 for the remaining months as necessary.
MONTHLY ADJUST
JANUARY -15%
FEBRUARY ---
MARCH ---
APRIL ---
MAY ---
As an example, a runtime of 10 minutes with an adjustment of +50% will increase the actual runtime to 15 minutes. Similarly,
an adjustment of -50% will decrease the runtime to 5 minutes.
4FU4DIFEVMFBT(SPX*O
Use the Grow In function to set the schedule to water continuously for an extended period of time.
Step 4 – Use the Up or Down arrows to select the proper value. Press SELECT to save.
START – Enter the start time of the cycle.
END – Enter the end time of the cycle.
RUNTIME – Enter the duration the cycle will run. Set runtime in hours and minutes (HH:MM).
DELAY – Enter the duration between each cycle. Set delay in hours and minutes (HH:MM).
END AFTER – Enter the number of days the cycle will repeat. Select from 1-90 days.
GROW IN
START 07:00AM
END 05:00PM
RUNTIME 00:05
DELAY 00:20
END AFTER 10 DAYS
Note: Restricted days will not aect the Grow In schedule but an activated rain sensor will.

19
&SBTF4DIFEVMF
Use the erase schedule function to reset the selected schedule. e schedule’s status will be set to DISABLED (except for schedule A, it
remains ENABLED) and the schedule TYPE set to WEEKDAYS. All other settings within the schedule will be set to OFF.
Step 1 – While in the ADVANCED/SCHEDULE DETAILS menu, use the Up or Down arrows to select the Schedule you
want to edit. Press SELECT .
Step 2 – Use the Up or Down arrows to navigate to ERASE SCHEDULE. Press SELECT .
Step 3 – Use the Up or Down arrows to :FT to proceed to erase the schedule or No to cancel. Press SELECT .
ERASE SCHEDULE
ARE YOU SURE? NO
4FU.71VNQ%FMBZ
Use the MV/Pump Delay function to set a wait time between activating the master valve or pump, and activating the rst zone in the
schedule. is delay is usually used to allow the system enough time to build pressure for proper operation, or to ll the irrigation piping
system with water.
Step 1 – While in the ADVANCED/SCHEDULE DETAILS menu, use the Up or Down arrows to select the Schedule you
want to edit. Press SELECT .
Step 2 – Use the Up or Down arrows to navigate to MV/PUMP DELAY. Press SELECT .
Step 3 – Use the Up or Down arrows to adjust the delay time as necessary. Press SELECT .
SCHEDULE A
ERASE SCHEDULE
MV/PUMP DELAY 00:10
ZONE DELAY OFF
4FU;POF%FMBZ
Use the Zone Delay function to set a wait time after a zone ends watering and before another zone is activated. is delay is usually used
when the system is being fed by a well. e delay is used to allow the well enough time to recharge.
Step 1 – While in the ADVANCED/SCHEDULE DETAILS menu, use the Up or Down arrows to select the Schedule you
want to edit. Press SELECT .
Step 2 – Use the Up or Down arrows to navigate to ZONE DELAY. Press SELECT .
Step 3 – Use the Up or Down arrows to adjust the delay time as necessary. Press SELECT .
SCHEDULE A
MV/PUMP DELAY OFF
ZONE DELAY 00:10
MV/PUMP IN DELAY OFF
4FU.71VNQ*O%FMBZ
Use the MV/Pump In Delay to set whether the master valve or pump is active during zone delays. e default is set to OFF.
Step 1 – While in the ADVANCED/SCHEDULE DETAILS menu, use the Up or Down arrows to select the Schedule you
want to edit. Press SELECT .
Step 2 – Use the Up or Down arrows to navigate to MP/PUMP IN DELAY. Press SELECT .
Step 3 – Use the Up or Down arrows to set the MP/Pump In Delay to ON or OFF during zone delays. Press SELECT .
SCHEDULE A
MV/PUMP DELAY OFF
ZONE DELAY OFF
MV/PUMP IN DELAY ON

20
Sensors
e Sensors function allows you to assign a rain sensor to each of the schedules. Schedules with a rain sensor assigned will not water when
the sensor is activated.
Step 1 – While in the ADVANCED menu, use the Up or Down arrows to select the SENSORS. Press SELECT .
Step 2 – Use the Up or Down arrows to select the sensor you want to set.
Step 3 – Use the Left or Right arrows to select the schedule.
Step 4 – Use the Up or Down arrows to place a check mark under the desired schedules to assign the rain sensor. When the
rain sensor is activated, EVOLUTIONTM will prevent schedules from operating. Replace the check mark with a dash to disable
the sensor for that schedule.
SENSORS
A B Ca
RAIN
Use the Right arrows to select to access the sensor setup screen.
RAIN SENSOR
RAIN DELAY OFF
CURRENT STATE IS DRY
Step 5 – Select Rain Delay. Press SELECT or Right arrows to navigate to the parameter.
Step 6 – Use the Up or Down arrows to set a delay of 1-14 days or OFF. e rain delay is the waiting period after the rain
sensor is detected to be dry.
Step 7 – Press the BACK arrow to return to the previous menu or HOME to return to the main screen.
Diagnostics
e EVOLUTIONTM controller provides a diagnostic function to check whether the system’s zones are properly functioning. When
activated, the controller will test each available zone. EVOLUTIONTM will display dashes (--) for zones that are being tested and have not
been tested, OK for zones working within the current draw range, OVERCRNT for zones drawing above the recommended current draw,
or SHORT for zones that have a grounded circuitry.
DIAGNOSTICS
ZONE TEST
ZONE CURRENT TEST
MASTER VALVE OK
ZONE 1 OVERCRNT
ZONE 2 SHORT
ZONE 3 ––

21
Firmware
e Firmware function allows you to review the controller’s rmware version. Press SELECT to access the rmware version.
FIRMWARE
CONTROLLER 01.09
Firmware Update
e EVOLUTIONTM controller’s rmware can easily be updated by downloading the latest software from www.toro.com/evolution. A USB
ash drive is needed for this procedure.
Step 1 – Create a folder inside your USB ash drive with the name Evolution.
Step 2 – Create a folder inside the Evolution folder with the name Firmware.
Step 3 – Go to the EVOLUTIONTM website, www.toro.com/evolution, and download the most current rmware version. Save the
rmware inside the Firmware folder in your USB ash drive.
Step 4 – Turn O the power to the controller.
Step 5 – Press the Up and Down arrows simultaneously and turn On the power to the controller.
BOOT LOAD MODE V1.02
USB DRIVE PLEASE !
Step 6 – Connect your USB ash drive into the EVOLUTIONTM USB port. USB
Figure 14
Step 7 – Follow the controller prompts to nalize the rmware update.
Note: Although many USB ash drives may function well with the EVOLUTIONTM controller, the following USB
specications are recommended:
t USB Version 2.0 Compliant
t 1–8 GB Memory Size (Smaller memory size will perform faster.)
t FAT32 File System with 1 Logical Partition
Factory Reset
Select this function to reset the controller to the factory default parameters. Schedule B, C and Auxiliary will be disabled and all of their
parameters will be cleared or set to OFF. Schedule A will be set with a WEEKDAY schedule with all 7 days active. It will have one start time
set to OFF and all zone runtimes set to OFF.
FACTORY RESET
RESET TO FACTORY
DEFAULTS? YES

22
Help/Setup
Alerts
e EVOLUTIONTM controller always checks the system for proper function and it will provide feedback if it detects any system
abnormality. e Alerts menu allows you to view and clear detected system faults.
Alert Listings
Short - EVOLUTIONTM detected a short in the zone.
0WFSDVSSFOU - EVOLUTIONTM detected an over current in the zone. Over current occurs when a terminal exceeded the recommended
current rating.
-PX#BUUFSZ - EVOLUTIONTM detected no battery installed or the battery’s power is low. Once the Low Battery alert is cleared, it will not
display again unless a Factory Reset is performed.
-PX"$1PXFS - EVOLUTIONTM detected low or no A/C power.
'BDUPSZ3FTFU - EVOLUTIONTM encountered an error that required the system to reset to the factory defaults.
$PNNVOJDBUJPO&SSPS - EVOLUTIONTM encountered a communication error.
Clearing an Alert
You can clear an Alert individually or use the CLEAR ALL command to erase them all.
Step 1 – Press HELP/SETUP.
Step 2 – Use the Up or Down arrows to select the Alerts. Press SELECT .
Step 3 – Use the Up or Down arrows to select individual alerts or CLEAR ALL. Press SELECT .
ALERTS
CLEAR ALL
LOW BATTERY
Step 4 – Use the Up or Down arrows to conrm (Yes) or cancel (No). Press SELECT .
Local Contact
Available only when your local distributor or dealer has programmed the local contact information in the controller.
Contact Toro
Access Contact Toro to get the latest contact information.
Step 1 – Press HELP/SETUP.
Step 2 – Use the Up or Down arrows to select the Alerts. Press SELECT .
CONTACT TORO
US +1(800)367-8676
TORO.COM/EVOLUTION
FOR GLOBAL SUPPORT
SEND EMAIL TO
EVOLUTION@TORO.COM
Set Time/Date
Step 1 – Press the HELP/SETUP button.
Step 2 – Use the Up or Down arrows to navigate to SET TIME/DATE. Press SELECT .
HELP/SETUP
ALERTS
CONTACT TORO
SET TIME/DATE
LOAD FROM USB
SAVE TO USB
Step 3 – Use the Up or Down arrows to select TIME or DATE. Navigate to the TIME or DATE parameters using the
Right arrow or SELECT .
(Continued to the next page.)

23
Step 4 – Use the Up or Down arrows to modify the TIME’s Hour and Minutes or the DATE’s Month, Day and Year (Day,
Month and Year for International Format).
SET TIME/DATE
TIME 11:25AM
DATE 05/01/13
Step 5 – Press SELECT to save the changes.
Step 6 – Press the BACK arrow to return to the previous menu or HOME to return to the main screen.
Load From USB
Load from USB function is used to retrieve schedules saved in a USB Flash drive.
Note: Although many USB ash drives may function well with the EVOLUTIONTM controller, the following USB specications
are recommended:
t USB Version 2.0 Compliant
t 1–8 GB Memory Size (Smaller memory size will perform faster.)
t FAT32 File System with 1 Logical Partition
Step 1 – Plug your USB Flash drive into the EVOLUTIONTM USB port located at the back of the control panel. See 'JHVSF on page 2.
Step 2 – Press the HELP/SETUP button.
Step 3 – Use the Up or Down arrows to navigate to LOAD FROM USB. Press SELECT .
HELP/SETUP
ALERTS
CONTACT TORO
SET TIME/DATE
LOAD FROM USB
SAVE TO USB
e EVOLUTIONTM controller will list all available the schedule les. Use the Up or Down arrows to navigate to the
desired schedule. Use the Right arrow or SELECT to load the schedule.
Step 4 – Press the BACK arrow to return to the previous menu or HOME to return to the main screen.
Save to USB
Save to USB is used to save all the schedules that are programmed in the controller so it can be reloaded if accidentally erased. e Save to
USB function is also helpful when loading multiple controllers with the same schedule programs.
Note: Although many USB ash drives may function well with the EVOLUTIONTM controller, the following USB specications are
recommended:
t USB Version 2.0 Compliant
t 1–8 GB Memory Size (Smaller memory size will perform faster.)
t FAT32 File System with 1 Logical Partition
Step 1 – Plug your USB Flash drive into the EVOLUTIONTM USB port located at the back of the control panel. See 'JHVSF on page 2.
Step 2 – Press the HELP/SETUP button.
Step 3 – Use the Up or Down arrows to navigate to SAVE TO USB. Press SELECT .
HELP/SETUP
ALERTS
CONTACT TORO
SET TIME/DATE
LOAD FROM USB
SAVE TO USB
e EVOLUTIONTM controller will automatically save the schedules in the USB drive under the name format
MMDDHHMM.evo (MM = Month, DD = Day, HH = Hour and MM = Minute).
Step 4 – Press the BACK arrow to return to the previous menu or HOME to return to the main screen.

24
Preferences
Accessing the Preferences Menu
Step 1 – Press the HELP/SETUP button.
Step 2 – Use the Up or Down arrows to navigate to PREFERENCES. Press SELECT .
PREFERENCES
LANGUAGE ENGLISH
CONTRAST 00
CLOCK 12 HOUR
DATE FORMAT MM/DD/YY
BEGIN WEEK SUNDAY
Set Language
You can set the user interface to display in English (default), Spanish, French, German, Italian or Portuguese.
Step 1 – While in the PREFERENCES menu, use the Up or Down arrows to navigate to LANGUAGE. Press SELECT .
Step 2 – Use the Up or Down arrows to navigate to your preferred language. Press SELECT .
Step 3 – Press the BACK arrow to return to the previous menu or HOME to return to the main screen.
Set Display Contrast
Step 1 – While in the PREFERENCES menu, use the Up or Down arrows to navigate to CONTRAST. Press SELECT .
Step 2 – Use the Up or Down arrows to your preferred display contrast. Positive (+) setting will increase the contrast and
negative (–) setting will decrease the contrast. Once you nd the desired contrast, press SELECT .
Step 3 – Press the BACK arrow to return to the previous menu or HOME to return to the main screen.
Set Clock Format (12 Hour/24 Hour)
Step 1 – While in the PREFERENCES menu, use the Up or Down arrows to navigate to CLOCK. Press SELECT .
Step 2 – Use the Up or Down arrows to select 12-Hour (default) or 24-Hour format. Press SELECT .
Step 3 – Press the BACK arrow to return to the previous menu or HOME to return to the main screen.

25
Set Date Format
Step 1 – While in the PREFERENCES menu, use the Up or Down arrows to navigate to DATE FORMAT.
Press SELECT .
Step 2 – Use the Up or Down arrows to select Month/Day/Year (MM/DD/YY) (default) or Day/Month/Year (DD/MM/YY)
format. Press SELECT .
Step 3 – Press the BACK arrow to return to the previous menu or HOME to return to the main screen.
Set the Beginning of the Week
Step 1 – While in the PREFERENCES menu, use the Up or Down arrows to navigate to BEGIN WEEK.
Press SELECT .
Step 2 – Use the Up or Down arrows to select SUNDAY (default) or MONDAY as your starting point of the week.
Press SELECT .
Step 3 – Press the BACK arrow to return to the previous menu or HOME to return to the main screen.

26
Specifications
$BCJOFU%JNFOTJPOT
t8Y)Y%YYNN
1PXFS4QFDJGJDBUJPOT
t/PSUI"NFSJDB
Internal Transformer, Class 2, UL Listed, CSA Certified (or equivalent)
Input: 120 VAC, 60 Hz
Output: 24 VAC, 60 Hz, 1.25A
t&VSPQFBOE"VTUSBMJB
Internal Transformer, TUV Approved, SAA Approved
Input: 220–240 VAC, 50/60 Hz
Output: 24 VAC, 50/60 Hz, 30 VA
t5PUBM.BYJNVN-PBE
1.0A @ 24 VAC
4VSHF1SPUFDUJPO
6.0 KV common mode; 1.0 KV normal mode
#BUUFSZ5ZQF
t7"MLBMJOFOPUJODMVEFE
Electronic Compatibility
%PNFTUJDis equipment has been tested and found to comply with the limits for a Class B digital device, pursuant to Subpart J of Part
15 of the FCC Rules. ese limits are designed to provide reasonable protection against harmful interference in a residential installation.
is equipment generates, uses and can radiate radio frequency energy and, if not installed and used in accordance with the instructions,
may cause harmful interference to radio communications. However, there is no guarantee that interference will not occur in a particular
installation. If this equipment does harmful interference to radio or television reception, which can be determined by turning the
equipment o and on, the user is encouraged to try to correct the interference by one or more of the following measures:
1. Reorient or relocate the receiving antenna.
2. Increase the separation between the equipment and receiver.
3. Connect the equipment into an outlet on a circuit dierent from that to which the receiver is connected.
4. Consult the dealer or an experienced radio/TV technician for help.
e user may nd the following booklet prepared by the Federal Communications Commission helpful:
“How To Identify and Resolve Radio-TV Interference Problems.” is booklet is available from the U.S. Government Printing Oce,
Washington, DC 20402, stock # 004-000-00345-4.
*OUFSOBUJPOBM is is a CISPR 22 Class B product. In a domestic environment, this product may cause radio interference, in which case
the user may be required to take adequate measures. Each stations can activate up to two solenoids.
is product, utilizing a Class 2 transformer tested to UL1585, satises the requirements of a Class 2 Power Source as dened in the NFPA
70 (NEC), Article 725.121(A)(3).
Toro Contact Information
For U.S.A. support, call 1-800-367-8676.
For global support, send email to evolution@toro.com.
Visit the EVOLUTIONTM website for the latest news and information at www.toro.com/evolution.
ªɨF5PSP$PNQBOZt*SSJHBUJPO%JWJTJPOtXXXUPSPDPN 1BSU/VNCFSSFWJTJPO