Toro Sitepro Central Control Installation Instructions FIU New Rev C
2010 to the manual 26eb563d-c1cb-49ad-ab87-75f26239ca08
2015-06-12
: Toro Toro-Sitepro-Central-Control-Installation-Instructions-138560 toro-sitepro-central-control-installation-instructions-138560 toro pdf
Open the PDF directly: View PDF .
Page Count: 16

Introduction
The Field Interface Unit (FIU) provides the communications hardware link between the SiteProTM central computer, the SitePro
compatible field satellite controllers and the SitePro Central Decoder System components. The FIU is available in four configu-
rations to provide various combinations of wireline and radio communication paths. An auxiliary port is provided on all FIU
models for switch-type sensor input.
The FIU enclosure is designed for installation in a climate-controlled environment, next to or near the central computer, with a
maximum separation distance of 50' (15.2 m). Power for the FIU is provided by a 100–240 V a.c./12 V d.c. 50/60 Hz power
supply adaptable to both domestic and international plug receptacles. A lighted On/Off rocker switch located on the front of the
FIU controls power to the unit and is circuit-protected with a 1.5 amp fast-blow fuse. An array of indicator lights on the front
panel is provided for visual confirmation of system communication activity.
The following instructions cover installation of the Field Interface Unit (FIU), Surge Protection Unit (SPU), Duplex Modular Wall
Plate, optional Radio-Link components and optional SitePro Central Decoder System (CDS) components. For Network CDS
system installation, additional detailed installation information is provided with the Network CDS Decoder Interface Unit (DIU).
IMPORTANT: For your safety and equipment protection, please comply with all Caution and Warning statements
within this document. It is the responsibility of the installer to comply with all NEC and/or local electrical codes that
apply to the installation of this equipment. Please refer to page 16 for FCC and CISPR 22 information.
Note: Some cabling and hardware components are provided for installation of the FIU, Surge Protection Unit (SPU) and
duplex modular wall plate. All other materials; i.e., wire, conduit, grounding conductors, communication cable, radio(s) and
related radio hardware must be purchased separately.
The diagrams on pages 1–5 depict the various FIU model system configurations. See Figures 1 and 5 for model 2010
(Figure 1 - Satellite, Figure 5 - CDS), FIgure 2 for model 2020, Figure 3 for model 2011 and Figure 4 for model 2021.
SiteProTM Field Interface Unit, Models 2010, 2020, 2011 and 2021
Installation Instructions
13
16
12
14
15
CH 2
CH 3
CH 1
+12V DC
11
10
9
17
7
8
1
3
65
4
13
AUX
16
2
Figure 1 - Model 2010 (one wireline port) 1 - Field Interface Unit
2 - 12 V d.c. Power Jack
3 - Power Adapter
4 - Central Computer
5 - COM Port 1
6 - DB-9/DB-9 Serial Cable
7 - Channel 1 (in)
8 - COM Line 1 (out)
9 - RJ11 Modular Cable
10 - Duplex Modular Wall Plate
11 - Shielded Interface Cable
12 - Surge Protection Unit
13 - Communication Cable
14 - Satellite Controller
15 - Communication Cable - COM Path 1
(out to satellites)
16 - Auxiliary Port (optional for sensors)
17 - 1.5A Fuse
50' (15.2 m)
max.

6
5
5
7
15
8
9
10
11
13
16
14
17
18
20
12
19
22 21
23
24
12
3
4
Figure 2 - Model 2020 (two wireline ports)
1 - Central Computer
2 - Field Interface Unit
3 - COM Port 1
4 - COM Port 2
5 - DB-9/DB-9 Serial Cable
6 - Power Adapter
7 - Auxiliary Port (optional for sensors)
8 - Channel 2 (in)
9 - Channel 1 (in)
10 - 12 V d.c. Power Jack
11 - 1.5A Fuse
12 - COM Line 1 (out)
13 - COM Line 2 (out)
14 - RJ11 Modular Cable - COM Path 2
15 - RJ11 Modular Cable - COM Path 1
16 - Duplex Modular Wall Plate
17 - Shielded Interface Cable
18 - Surge Protection Unit
19 - Communication Cable - COM Path 1
20 - Satellite Controller - COM Path 1
21 - Communication Cable - COM Path 1 (out to satellites)
22 - Communication Cable - COM Path 2
23 - Satellite Controller - COM Path 2
24 - Communication Cable - COM Path 2 (out to satellites)
2
50' (15.2 m)
max.

3
6
7
13
8
9
10
11
14
15
16
18
17
19
12
12
20
3
5
54
21
24
23
25
26 22
1 - Central Computer
2 - Field Interface Unit
3 - COM Port 1
4 - COM Port 2
5 - DB-9/DB-9 Serial Cable
6 - Power Adapter
7 - Auxiliary Port (optional for sensors)
8 - Channel 3 (in)
9 - Channel 1 (in)
10 - 12 V d.c. Power Jack
11 - 1.5A Fuse
12 - COM Line 1
13 - RJ11 Modular Cable
14 - Duplex Modular Wall Plate
15 - Shielded Interface Cable - COM Path 1
16 - Surge Protection Unit
17 - Communication Cable - COM Path 1
18 - Satellite Controller - COM Path 1
19 - Communication Cable - COM Path 1 (out to satellites)
20 - COM Line 3 (out)
21 - Radio Adapter Cable Assembly
22 - Radio Power Supply Cable
23 - Motorola 2-Way Communication Radio
24 - External Radio Antennas
25 - Radio-Link Equipped Satellite Controller - COM Path 3
26 - Communication Cable - COM Path 3 (out to satellites)
Figure 3 - Model 2011 (one wireline port and one radio port)
Note: See page 9 for Radio-Link installation procedures.
50' (15.2 m)
max.

7
8
19
17
9
10
12
11
13
20
21
22
24
23
25
27
26
28
12
6
6
6
18
14
16
3
4
5
15
31
30
32
33 29
1 - Central Computer
2 - Field Interface Unit
3 - COM Port 1
4 - COM Port 2
5 - COM Port 3
6 - DB-9/DB-9 Serial Cable
7 - Power Adapter
8 - Auxiliary Port (optional for sensors)
9 - Channel 3 (in)
10 - Channel 2 (in)
11 - Channel 1 (in)
12 - 12 V d.c.
13 - 1.5A Fuse
14 - COM Line 3 (out)
15 - Radio Adapter Cable Assembly
16 - COM Line 2 (out)
17 - RJ11 Modular Cable - COM Path 2
18 - COM Line 1 (out)
19 - RJ11 Modular Cable - COM Path 1
20 - Duplex Modular Wall Plate
21 - Shielded Interface Cable
22 - Surge Protection Unit (SPU)
23 - Communication Cable - COM Path 1
24 - Satellite Controller - COM Path 1
25 - Communication Cable - COM Path 1 (out to satellites)
26 - Communication Cable - COM Path 2
27 - Satellite Controller - COM Path 2
28 - Communication Cable - COM Path 2 (out to satellites)
29 - Radio Power Supply Cable
30 - Motorola 2-Way Communication Radio
31 - External Radio Antenna
32 - Radio-Link Equipped Satellite Controller - COM Path 3
33 - Communication Cable - COM Path 3 (out to satellites)
4
Figure 4 - Model 2021 (two wireline ports and one radio port)
Note: See page 9 for Radio-Link installation procedures.
50' (15.2 m)
max.

Installing the Field Interface Unit, Wall Plate Assembly and Surge Protection Unit
1. Position the Field Interface Unit within 6' (1.8 m) of the PC.
Note: Maximum distance is 50' (15.2 m).
2. Using the serial cable(s) supplied, connect the PC to the FIU as illustrated
in the appropriate configuration diagram Figure 1–5.
3. Note: The methods of cable connection will vary depending on the avail-
ability of computer COM ports. DO NOT USE P0 FOR CONNECTION. P0
is recommended for an external modem.
4. With the power switch in the Off position, plug the power adapter into the
FIU 12 V d.c. receptacle and the wall socket outlet using the appropriate
AC power cord supplied. Leave the FIU power switch in the Off position
until the installation has been completed.
5. To prevent the power wire from being accidentally pulled out, install the
power wire through the strain relief and tighten securely as shown in
Figure 6.
Note: Regulatory agencies specify that when connecting plug-in equip-
ment, the socket-outlet shall be located near the equipment and shall be
easily accessible.
6. To facilitate installation of the modular wall plate, install a standard duplex junction box to the wall within 5' (1.5 m) of the
FIU. The RJ11 modular cable(s) provided are 6' (1.8 m) in length.
(continued)
5
15
15
16
18
18
17
17
16
5
6
11
7
8
9
12
13
14
10
12
3
4
1 - Central Computer
2 - Field Interface Unit
3 - COM Port 1
4 - DB-9/DB-9 Serial Cable
5 - Power Adapter
6 - Auxiliary Port (optional for sensors)
7 - Channel 1 (in)
8 - 12 V d.c. Power Jack
9 - 1.5A Fuse
10 - COM Line 1 (out)
11 - RJ11 Modular Cable - COM Path 1
12 - Duplex Modular Wall Plate
13 - Shielded Interface Cable
14 - Surge Protection Unit (SPU)
15 - Decoder Interface Unit
16 - Communication Cable
17 - RJ45 Modular Wall Plate Assembly
18 - RJ45 Modular Cable Assembly
+12V DC
L1
L1
+12V DC
Figure 6
Figure 5 - Model 2010 (one wireline port)
Note: See page 12 for Network CDS installation procedures.
50' (15.2 m)
max.

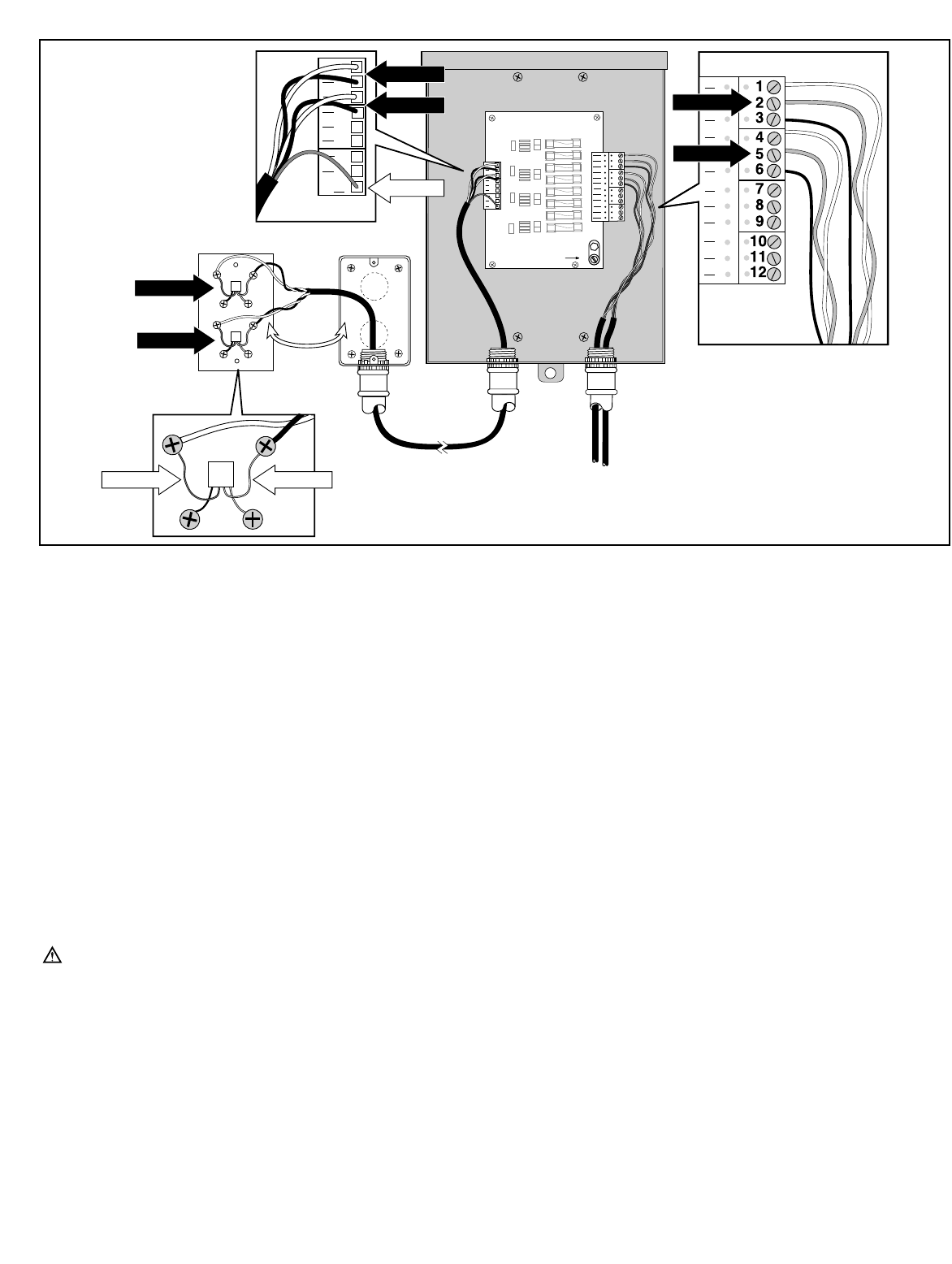
7. A 25' (7.6 m) length interface cable is supplied for the connection of the modular wall plate to the SPU. Select an installa-
tion site for the SPU on an outside wall, within the cable reach, and 3' to 5' (0.9 m to 1.5 m) above ground level for straight
and easy access to an earth ground. Attach the SPU securely to the wall using appropriate fasteners inserted through the
four mounting holes provided in the SPU enclosure.
8. Install 3/4" (19 mm) EMT conduit from the duplex junction box to the bottom left side of the SPU enclosure.
9. Pull the interface cable through the conduit from the duplex junction box into the SPU.
10. Secure the black and white wire pair(s) to the modular wall plate receptacle and the SPU as shown in Figure 7.
Note: Connections for two wireline communication paths are shown. If only one path is required, tape back the unused
wire pair for future use.
Note: The drain wire is connected to the last terminal position on the central side of the SPU and clipped flush with the
cable outer insulation at the wall plate receptacle.
11. Secure the modular wall plate receptacle to the junction box. Connect the FIU to the modular wall plate receptacle using
the RJ11 modular cable(s) supplied.
12. Route the communication cable(s) from satellite or DIU into the SPU and connect wires as shown in Figure 7.
Note: The communication cable drain wire(s) can be connected to terminals 3, 6, 9 or 12. These terminal positions are all
connected to the ground plane.
Earth Ground Installation
Important Notice To Installer: It is recommended that the electrical grounds for the central computer, FIU and SPU are
bonded together to achieve the same grounding potential. This is especially important for installation sites located in lightning-
prone regions. In addition, using a power strip or UPS with surge protection for the central computer and FIU is also recom-
mended.
The Surge Protection Unit must have an efficient pathway to earth ground. A 6 AWG (10 mm2) bare copper ground wire con-
necting the SPU ground lug to the earth ground device(s) must be installed in the most direct path as possible, avoiding sharp
bends. Resistance in the ground path (when measured with an earth ground resistance test device) must be within the follow-
ing tolerances: 0 to 10 ohms – excellent, 11 to 20 ohms – acceptable, 21–30 ohms – marginal.
The following instructions describe one of several acceptable grounding methods. Due to variables in soil composition, the
ground-rod method described may not be suitable for your installation site. Copper plate(s) or other grounding devices may be
required to achieve the required resistance level necessary for proper grounding protection. Recommended earth ground
resistance instruments are: AEMC Instruments, model 3710 clamp-on tester, or Biddle Megger, model 250260. Contact your
local Toro distributor for assistance in acquiring this test equipment.
GROUND
HERE
Figure 7
Green Shielded Interface Cable
Shielded Communication Cable
Note: In lightning-prone
areas, additional surge
protection is recommended
and can be easily added to
the SPU by installing the
SPU accessory kit,
P/N 102-0767.
Red
Junction Box
Wall Plate Assembly
Drain
Path 1
Path 1
Path 2
Path 2
Path 1
Path 2
6
Yellow
Gray
Drain

Procedure
1. Drive a 5/8" (16 mm) by 8' (2.5 cm) copper-clad steel
ground rod into well-moistened soil not more than
8' (2.5 cm) from the SPU. The top of the ground rod
should be 12" (30.5 cm) below grade level.
2. Install 3/4" (19 mm) conduit from the bottom of the SPU
enclosure to approximately 12" (30.5 cm) below grade
level. Use a 90°sweep elbow with a minimum radius of
8" (20.3 cm) at the end of the conduit.
3. Using a clamp or “Cad weld” fastener, attach a length
of 6 AWG (10 mm2) solid copper wire near the top of
the ground rod. Avoiding sharp bends, route the wire
through the conduit into the SPU. Secure the wire to
the large copper ground lug provided. See Figure 8.
4. To eliminate ground differential, attach the computer
and FIU power source equipment ground to the SPU
ground device.
Note: Make sure the soil surrounding the ground rod(s)
remains well moistened at all times. The addition of
some form of irrigation may be required if the SPU is
installed in a non-irrigated location.
5. Measure the ground resistance per the instructions pro-
vided with the ground test instrument. If the resistance
exceeds the acceptable limit, additional ground rod(s)
can be installed at a distance equal to twice the buried
depth of the first rod; i.e., 16' (4.9 m). Interconnect the
ground rods using #6 (10 mm2) solid copper wire and
test again. If the measured ground resistance continues
to read above the acceptable limit, contact your local
Toro distributor for further assistance and recommenda-
tions.
6. Install a valve box over the ground rod to provide access to the ground wire connection(s).
Satellite Communication Cable Installation
Please note the following communication cable installation
requirements and suggestions:
•The satellite is designed for use with shielded, twisted-
pair, communication cable. Consult with your local Toro
distributor for the cable type and wire size best suited
for your installation.
•More than one cable run can be routed from the SPU.
•A branch communication cable can be routed from
another satellite connection.
•If additional cable runs are installed for future system
expansion, the end of each cable run must be terminat-
ed with a 620 ohm resistor. See inset in Figure 9.
•If the communication cable is routed in the same trench
as main power wires, a minimum of 12" (30.5 cm) sepa-
ration is recommended to prevent voltage induction on
the communication cable. Check local codes for actual
requirements.
•If in-ground cable splices or repairs are required, the
connection must be properly insulated with a waterproof
splicing device. Using an appropriate splicing kit, such as Scotchcast 82-A1 (or equivalent), is recommended. Placing the
cable splice in a small valve box for protection and accessibility is also recognized as good
installation practice.
Procedure
1. Route the communication cable(s) from the SPU to the satellite locations as shown in Figure 9.
2. Connect the communication cable to the satellites per the installation instructions supplied with the satellite controller.
8' to 12'
(2.5 m to 3.7 m)
90°
12"
(30.5 cm)
Figure 8
Valve Box
8" (20.3 cm)
Minimum Radius
Ground Lug
Surge Protection Unit
#6 (10 mm2)
Solid Copper Wire
Wires To Additional Ground
Rod and Computer AC
Service Equipment Ground
8' (2.5 m) Copper-Clad
Steel Ground Rod
Figure 9 620 ohm
resistor
SPU
7

Communication Cable Test
Correct installation of the communication cable is essential for proper operation of the wireline control system. The communi-
cation cable must be tested for the presence of significant voltage, circuit continuity and excessive resistance. A digital multi-
meter and a 620 ohm resistor are required to perform the following tests.
A. Remove the communication wire connector plug(s) at the SPU.
B. Test for the presence of voltage on the communication and drain wires as follows:
Connect the positive lead of the voltmeter to either end of a wire circuit and the negative lead to an earth ground. If the volt-
meter indicates more than one volt, connect a 620 ohm resistor between the open end of wire circuit and earth ground.
Perform the voltage test again. If the voltage drops to less than one volt, the condition is acceptable. If the reading exceeds
one volt, it may be due to a direct connection or induced if the communication cable is run with the power wires. A minimum
spacing of 12" (30.5 cm) is required between the communication cable and power wires. Locate the source of power and
correct before continuing.
C. Test the communication and drain wire circuits for possible cross connection (yellow connected to gray, etc.). Perform the
test as follows:
Connect one ohmmeter lead to each communication wire; the Ohmmeter should indicate an open circuit. If the Ohmmeter
indicates a complete circuit, check the communication wire connector plug at each satellite controller or DIU location for a
possible crossed connection. When the wire circuit has been corrected and/or tested successfully, continue to the next step.
D. Test the communication and drain wire circuit for continuity and total resistance. Perform test as follows:
At the furthest satellite controller or DIU location, install a jumper wire across the communication wires. At the SPU, touch
the Ohmmeter leads to the signal wire connector plug. If the circuit continuity is good, the Ohmmeter will indicate some
resistance. Record the resistance reading for future reference. If the circuit is open (no resistance), check the communica-
tion wire connector plug at each satellite or DIU location for loose or improperly installed wires. When the circuit has been
tested successfully and resistance recorded, remove the jumper wire and replace with a 620 ohm resistor.
E. Determine if the measured resistance of the communication wire circuit is less than or equal to the maximum allowable
resistance. The allowable resistance of 16 AWG (1.0 mm2) signal wire is 7 ohms per 1000' (305 m). The allowable resist-
ance of 18 AWG (0.75 mm2) signal wire is 11 ohms per 1000' (305 m). Calculate the resistance as follows:
Divide the length of the circuit by 1000' (305 m). Multiply the quotient by 7 for 16 AWG (1.0 mm2) wire or 11 for 18 AWG
(0.75 mm2) wire. The product is the maximum allowable resistance for the circuit.
Example: Total length of 16 AWG (1.0 mm2) wire circuit is 3500' (1067 m)
3500' (1067 m) ÷1000' (305 m) = 3.5
3.5 x 7 ohms = 24.5 ohms
F. Compare the actual circuit resistance measured in Step D with the calculated allowable resistance. If the actual resistance
exceeds the maximum allowable, check the cable for damage and/or a possible break. Also check the connection at each
satellite for loose or improperly installed wires. If the actual resistance is less than or equal to the allowable resistance, the
circuit is properly installed. When both wire circuits have been tested successfully, reconnect the communication cable con-
nector plug at the SPU and at all satellite or DIU locations.
FIU Front Panel Components
The front panel provides information on the communication activity
between the PC, FIU and satellites or DIU by displaying a series of indi-
cator lights. An illuminated power switch is provided to turn the FIU on
and off.
Note: Refer to the Troubleshooting section on page 12 if the indicator
lights do not function as described.
PC Connected + : Indicator light flashes rapidly when the PC is trans-
mitting data to the FIU. During idle periods of non-transmission, the light
will be off.
PC Connected – : Indicator light flashes rapidly when the PC is trans-
mitting data to the FIU. During idle periods of non-transmission, light will
remain ON. The light will also be ON if PC connected and the FIU’s
power is off.
FIU Active + : Indicator light flashes rapidly when the FIU is transmitting
data to the PC. During idle periods of non-transmission, the light will
remain off.
FIU Active – : Indicator light flashes rapidly when the FIU is transmitting
data to the PC. During idle periods of non-transmission, the light will
remain on.
Note: For FIU-2011 and FIU 2021 models, the Ch 3 FIU Active light will
be on if the PC is not connected.
FIU Ready: Indicator light will be on when the data lines are open and
ready for communication.
Figure 10
Power
Switch
8

Processor Ready: Indicator light will illuminate when the microprocessor in the FIU has received configuration instructions
from PC and is ready to communicate with satellites or DIUs.
Field Transmit: Indicator light will illuminate or flash during transmission of data to field satellites or DIU(s).
Field Receive/Busy: Indicator light will illuminate or flash when receiving data from field satellites or detection of a busy chan-
nel by the radio.
Sensors (1–4): (Pending availability of SitePro sensor capability.) Sensor contacts are connected to a 12 V d.c. source within
the FIU and will be Normally Open operation type. Upon sensor activation, the contacts will close or connect, the light will illu-
minate and the FIU will signal the PC accordingly.
Note: An example of FIU sensor application is a rain switch. Purchase of sensors is optional (Sensor kit, Toro P/N 102-0397).
These sensors do not apply to sensors connected to field satellites.
Satellite System Setup
1. Check all cable connections at the Field Interface Unit, PC, Modular Wall Plate and SPU.
2. Switch on the Field Interface Unit.
3. From the SitePro program menu bar, select: Setup> Hardware.
4. From the “System” tab, select the applicable satellite hardware type.
5. From the “Communications” tab, select the “Wire” subtab.
6. Using the scroll down list provided, select the computer Com port associated with the FIU COM Port [L1] and/or [L2].
7. To establish a radio communication path, click on the “Radio” subtab and select the computer COM port associated with
this FIU connection.
8. Click OK to exit the setup window. This completes the setup procedure.
9. If the FIU is not active, restart SitePro with FIU COM Port Defined.
Radio-Link Installation (Models 2011 and 2021 only)
Note: The required Motorola®two-way communications radio, power supply and antenna components are not supplied.
CAUTION: Only the following 2-way radio and power supply models have been tested and approved for use with
the Radio-Link system. Radios and/or power supplies other than the following are subject to damage if installed. Per
FCC, Narrow Band is preferred over Wide Band.
Note: Per FCC recommendations, Narrow Band is preferred over Wide Band.
•Motorola M1225, model number M44DGC90J2-A (Narrow Band). Maximum output - 25W.
•Motorola Radius SM50, model number M34DGC00A2AA (Narrow Band). Maximum output - 10W.
•Motorola MAXTRAC 300, model number D34MJA77A3CK (Wide Band), Maximum output - 1W.
•Motorola power supply models HPN4001 or HPN4002
CAUTION: Base station and satellite radio output wattage must not exceed the limit specified by the applicable
license. Special licensing and frequencies may be required for high wattage output.
CAUTION: High wattage output of the satellite radio can impair satellite operation. Ensure adequate spacing is
provided between the antenna and satellite to prevent the timing mechanism from malfunctioning due to induced RF.
The installation requirements listed below are essential for proper operation of the Radio-Link control system. If you have
any questions regarding the requirements and/or radio setup procedures, please contact a Toro distributor for assistance.
The following services and procedures must be provided by an authorized Toro representative or Motorola vendor:
•An installation site survey to analyze the location for the best radio frequency.
•Procurement of the radio frequency license.
•Selection of the required antenna type, size and height based on the distance and terrain between the central and satellite
controllers.
•The antenna cable type, length and installation method required for proper radio operation.
•Specific antenna requirements (height, power, location and lightning protection) to meet product safety and FCC regulations.
•Procurement of the required radio and power supply.
•The radio must be configured for Radio-Link operation as follows:
•Inputs and outputs set with Motorola radio service software similar to the example shown in Figure 12 for the MAXTRAC
300 radio, Figure 13 for the SM50 radio, or Figure 14 for the M1225 radio.
•Tx and Rx squelch type must be set to CSQ (open squelch).
9

Note: The Motorola radio service software screens shown in
Figure 12, 13, and 14 are for example only. Later service
software versions may not be formatted as shown, however,
the items within boxes must be set as indicated to enable
system operation.
Radio Components Connection
1. Using the cables provided in the kit, connect the radio,
power supply, FIU and central computer as shown in
Figure 15.
Note: FIU CH #3 may be connected to other computer
COM ports depending on COM port availability.
MOTOROLA
Radio Service Software
MaxTrac 300
Version RO5.30.00
Model: D34MJA77A3_K
Serial: 428AUC0648
Software: 008
Coded Squelch
UHF
X W
RANGE/VIEW:RADIO WIDE:CONN CON SCREEN PRINT UTILITY
ACCESSORY CONNECTOR CONFIGURATION
INTERNAL ACCESSORY:NONE EXTERNAL ACCESSORY:PUBLIC ADDRESS CUSTOM:YES
PIN
NUMBER
4
6
8
9
12
14
FUNCTION
# DESCRIPTION
07 CSQ Detect
00 NULL
05 PL/DPL & CSQ Det
02 Emergency Switch
00 NULL
04 PA Switch
DATA
DIRECTION
OUTPUT
INPUT
OUTPUT
INPUT
INPUT
INPUT
DEBOUNCE
NO
NO
NO
YES
NO
YES
ACTIVE
LEVEL
HIGH
LOW
HIGH
HIGH
LOW
LOW
POWER-UP DELAY: 0.187 SEC
15 Feb 95
21:23 MOTOROLA
Radio Service Software
Radius SM50 Version RO1.00.00
Model: M34DGC20A2__
Serial: PATSNBASIC
Coded Squelch
X W UHF Band
CHANGE/VIEW:RADIO WIDE:ACCESSORY
ACCESSORY CONFIGURATION
PIN
ACC. External......General I/O
ACC. Rx Audio......Unmuted
Power-Up Delay......2.5
ACC. Custom.........Y
4
8
9
12
14
FUNCTION
CSQ Detect
PL/DPL & CSQ Det
NULL
NULL
External PTT
DIRECTION
OUTPUT
OUTPUT
INPUT
INPUT
INPUT
DEBOUNCE
N
N
N
N
Y
ACT LEVEL
03 Sep 96
16:00
HIGH
HIGH
LOW
LOW
LOW
Figure 12 - MAXTRAC 300 Radio Figure 13 – Radius SM50 Radio
Figure 15
FIU Power
Supply
DB-9/DB-9
Serial Cable
Cable Assembly
P/N 89-7610
Antenna
Motorola
2-Way Radio
Radio Power Supply
Figure 14 – M1225 Radio
10
50' (15.2 m)
max.

Radio-Link System Setup
1. Reconnect power to the FIU and switch on all components. The central computer should be booted up and the SitePro pro-
gram operational. See Figure 3 and 4 respectively for hardware configuration of model FIU-2011 and FIU-2021.
2. From the SitePro program menu bar, select: Setup> Hardware.
3 From the “System” tab, select the applicable satellite hardware type.
4 From the “Communications” tab, select the “Radio” subtab for the Radio Communications page.
5. Select the applicable computer COM port used for the Radio-Link connection.
6. From the Radio Communications page, click on “Advanced.” The following advanced parameter settings will be displayed.
To edit the default parameters, place the cursor in the field and use the keyboard.
Lead Tone – The minimum time a radio transmitter must be turned on prior to transmitting any signal. The lead tone time usu-
ally ranges from a few tenths of a second to a few seconds. This field will accept an entry in the range of 0.00 to 10.00 sec-
onds. Adjust setting to 0.5 seconds.
Retries – Selects the number of retries of a command or data request before SitePro stops trying and reports a communica-
tions error. Adjust setting to three retries.
RF Busy Time-out – Sets the wait time during which the system will look for an RF channel before it gives up and declares
the channel "busy". The default is 10 seconds.
Max Transmit Duration – This field allows you to define the maximum duration of a continuous transmission from a radio (in
order to allow others to transmit on the channel). The default duration is 10 seconds.
First and Last Cycle Times – Defines the polling windows for satellites that communicate via radio transmission. No polling
activity will take place outside this window. Manually initiated activities or auto-system updates may occur outside this window.
The default for the first cycle time is 12:00 a.m. The last cycle time default is 11:59 p.m.
Polling Interval – Specifies in hours and minutes how often the central will poll the radio satellites. The range is 0 hours and
0 minutes (no polling) to 23 hours and 59 minutes. The default is one hour.
7. When finished editing the advanced radio parameters, click on "OK" to close the screen.
8. Continue to "Testing Radio-Link Operation" on the following page.
Testing Radio-Link Operation
1. Verify that all cables are properly connected.
2. Verify that the satellite controllers are powered up and operational.
3. Verify that the central and satellite radios are switched on and operating on the same channel (frequency).
4. Verify that voice communication exists between the central and satellite radios.
5. From the SitePro program menu bar, select Setup-Hardware-Communications tab, select the Radio subtab.
For the FIU Radio Port, select the COM port which is connected to the FIU radio port.
6. From the Control System page, select the Groups tab. In the Com Mode column, verify that Radio is selected, and click OK.
7. Verify that the satellite address is correctly set at the satellite(s).
8. Perform a download to the field to configure lead tones for the satellites.
9. From the menu bar, select Tools, then click Communication Monitor for the "FIU Monitor" page.
10. From the menu bar, select Reports, then click Satellites with Reports.
11. From the Satellites With Reports page, select No Communication.
12. Click on the Start Button. SitePro will poll the satellites and report the results.
Note: If "No Response" is indicated, recheck all cable connections at the central and satellite(s). Recheck the radios for proper
setup and operation. Reperform the test procedure.
11

SitePro Central Decoder System Connection
The SitePro Central Decoder System (CDS) program works in conjunction with the SitePro Field Interface Unit Model 2010
and the Decoder Interface Unit (DIU).
Connect the FIU, central computer, SPU and the DIU(s) as shown in Figure 16. All hardware is provided for connection except
shielded, twisted-pair communication cable. For additional decoder system information, refer to the installation instructions pro-
vided with the DIU.
Decoder Interface Unit Communication Cable Installation
(Refer to FIgure 16 for the following procedure.)
1. To facilitate installation of the RJ45 modular plug wall plate assembly provided with each DIU, install a duplex conduit box
to the wall within 5' (1.5 m) of each DIU (the RJ45 modular cable assembly provided is is 7' [2.1 m] in length).
2. Install conduit between the SPU and the first DIU conduit box. If multiple DIUs are being installed, install conduit between
each additional DIU conduit box.
Note: If the RJ45 modular wall plate assembly will be installed outdoors, it must be protected in a weather-resistant enclosure.
3. Route communication cable from the SPU to the DIU conduit box(es) as shown.
4. At the SPU, remove insulation to expose 16" (41 cm) of communication wires. Strip off 3/8" (10 mm) of insulation from the
communication wires. Attach the wire pair to the top connector terminals as shown.
5. At the wall plate assembly conduit box(es), remove insulation to expose 4" (10 cm) of communication wires. Strip off 3/8"
(10 mm) of insulation from the communication wires. Connect the yellow wire(s) to Pin 1 and grey wire(s) to Pin 2.
6. Install a 620 ohm resistor across pins 1 and 2 of the RJ45 wall plate assembly. If multiple DIUs are used, install the resistor
only on the last DIU wall plate assembly in the system.
7. Secure the RJ45 wall plate assembly to the conduit box. Attach the RJ45 modular cable to the wall plate receptacle and
DIU receptacle located on the back of DIU control panel. See Figure 17.
Central Decoder System Setup
1. Check all cable connections at the FIU, central computer, wall plates, SPU and the DIU.
2. Place the FIU power switch in the On (I) position.
3. From the SitePro program menu bar, select: Setup > Hardware.
4. From the “System” tab, select the Central Decoder System.
5. From the “Communications” tab, select the “Wire” subtab.
6. Using the scroll down list provided, select the computer COM port associated with the FIU COM Port.
7. Click OK to exit the setup window. This completes the SitePro setup procedure.
12

4
5
66
5
4
2
7
Pin 2
Pin 2
Pin 1 Pin 1
2
3
3
1
Figure 16 - DIU Connection Overview
Figure 17
RJ45 Cable to Wall Plate
13
Yellow
Yellow
Yellow
Gray
Gray
Gray
1 - Surge Protection Unit
2 - Communication Cable
3 - Duplex Conduit Box
4 - RJ45 Modular Wall Plate Assembly
5 - RJ45 Modular Cable
6 - Decoder Interface Unit
7 - 620 Ohm Resistor

14
Figure 18 - Illustrated Parts Listing, FIU Models 2010, 2020, 2011 and 2021
See Detail B
See Detail C
Detail B
Detail C
Phone Jack
View A-A
(Bottom View of Item 9)
A
A

15
Item No. Part No. Description Quantity
Per Assy.
Refer to Figure 18 for the following items:
1 - - - - - - - Housing, SNCX, FIU 1
2 - - - - - - - Bracket, FIU (See Service Item 102-0867) 1
3 - - - - - - - Front Plate, LED Display (See Service Item 102-0872) 1
4 360-0750 Holder, Fuse 1
5 360-0749 Fuse, 1.5 Amp, (10-pack) 1
6 - - - - - - - Rocker Switch, Power (See Service Item 102-0873) 1
7 - - - - - - - PCB Assy., Serial, Back Plane (See Service Items 102-0869 through 102-0871) 1
8 - - - - - - - PCB Assy., LED (See service item 102-0872) 1
1
1
9 - - - - - - - PCB Assy., Standard Modem (See Service Item 102-0864) 2
10 - - - - - - - PCB Assy., Universal Modem (See Service Item 102-0866
11 - - - - - - - Phone Jack Adapter, Standard Modem (See Service Item 102-0864) 2
12 - - - - - - - Spacer, #6-32 x 15/16" (See Service Assy. 102-0864) 2
13 - - - - - - - Fuse, 0.75 Amp (See Service Item 102-3819) 4
14 - - - - - - - Cable, FIU Power Switch (See Service Item 102-0875) 1
15 - - - - - - - Wire Assy., Black (See Service Item 102-0874) 1
16 - - - - - - - Cable Assy., Universal Modem (See Service Item 102-0866
17 - - - - - - - Cable Assy., 30-Pin, Female Connectors (See Service Item 102-0876) 1
18 - - - - - - - Power Cord, U.S./Canada (See Service Item 102-0877) 1
19 - - - - - - - Power Cord, Europe (See Service Item 102-0879) 1
20 - - - - - - - Power Cord, English (See Service Item 102-0881) 1
21 - - - - - - - Transformer, 12 V d.c., 1.5A (See Service Item 102-0878) 1
22 - - - - - - - Transformer (Australian), 12V d.c., 1.5A (See Service Item 102-0882) 1
23 1-7204 Cable Clamp, 3/16" 1
24 4-1063 Screw, Tap, #6 1
25 1-3086 Flat Washer, #6, Brass 1
SERVICE ITEMS
102-1201 Kit, Service, Cable, SitePro, FIU (9-pin Male to 25-pin Female Serial Cable)
102-0864 PCB Assy., Standard Modem (Includes Items 9, 11, 12 & 13)
102-3819 3/4A Fuse (Includes Item 13) (10-pack)
102-0866 Universal Modem (Includes Items 10 &16)
102-0867 FIU Bracket (Includes Item 2)
102-0868 1.5A Fuse Assy. (Includes 1 each of Items 4 & 5)
102-0869 PCB Assy. (FIU-2010), Serial Back Plane (Includes Item 7)
102-0870 PCB Assy. (FIU-2020 and FIU-2011), Serial Back Plane (Includes Item 7)
102-0871 PCB Assy. (FIU-2021), Serial Back Plane (Includes Item 7)
102-0872 PCB Assy., LED, FIU (Includes Item 3)
102-0873 Rocker Switch, Power (Includes Item 6)
102-0874 Wire Assy., Black (Includes Item 15)
102-0875 Cable, FIU Power Switch (Includes Item 14)
102-0876 Cable Assy., 30-pin Female Connectors, (Includes Item 17)
102-0877 Power Cord, U.S./Canada (Includes Item 18)
102-0878 Transformer, 12V d.c., 1.5A (Includes Item 21)
102-0879 Power Cord, Europe (Includes Item 19)
102-0881 Power Cord, English (Includes Item 20)
102-0882 Transformer, Australian, 12V d.c., 1.5A (Includes Item 22)
*102-0397 FIU Sensor Kit
*102-0767 FIU Additional Surge Protection Kit
*89-9116 FIU Wireline Path Upgrade Kit
*89-9117 FIU Radio-Link Accessory Kit
* Order through Finished Goods Distribution System.
Note: Service items subject to change without notice.
FIU Internal Modem Breakdown
Model No. Standard Modem(s) Universal Modem
Model 2010 1 0
Model 2011
Model 2020 2 0
11
Model 2021 2 1

Troubleshooting
If a malfunction occurs, follow the suggested steps to identify and fix the problem. If the problem cannot be resolved there
may be a problem with the FIU, the satellite or the DIU. If you have current NSN support, please call Toro NSN at 1-800-527-
4248. Otherwise, please call our Toro Help Line, 1-800-664-4740 Monday through Friday, 7:30 AM – 4:00 PM (Pacific Time).
Field Interface Unit Specifications
Enclosure Dimensions: 5 3/8'' W x 7.5'' D x 13'' H (13.7 cm W x 19 cm D x 33 cm H)
Input: 12 V d.c., 1.5A (max.) Output: NEC Class 2 Fuse Protection: 1.5A (fast-blow)
Caution: For continued protection against risk of fire, replace only with the same type and rating of fuse.
Power Supply Input: 100–250V a.c., 50/60 Hz, 0.38A, +/- 10% Power Supply Output: 12 V d.c., 1.5A
Electromagnetic Compatibility
Domestic: This equipment has been tested and found to comply with the limits for a FCC Class B digital device, pursuant to
part 15 of the FCC Rules. These limits are designed to provide reasonable protection against harmful interference when the
equipment in a residential installation. This equipment generates, uses, and can radiate radio frequency energy and, if not
installed and used in accordance with the instruction, may cause harmful interference to the radio communications. However,
there is no guarantee that interference will not occur in a particular installation. If this equipment does harmful interference to
radio or television reception, which can be determined by turning the equipment off and on, the user is encouraged to try to
correct the interference by one or more of the following measures:
1. Reorient or relocate the receiving antenna
2. Increase the separation between the equipment and receiver.
3. Connect the equipment into an outlet on a circuit different from that to which the receiver is connected.
4. Consult the dealer or an experienced radio/TV technician for help.
The user may find the following booklet prepared by the Federal Communications Commission helpful:
''How To Identify and Resolve Radio-TV Interference Problems''. This booklet is available form the U.S. Government Printing
Office, Washington, DC 20402. Stock No. 004-000-00345-4
International: This is a CISPR 22 Class B product.
“PC Connected – ” Light Off.
“FIU Active – ” Light Off
“FIU Ready” Light Off
“Processor Ready” Light Off
”Field Transmit” Light never turns On.
“Field Receive/Busy” Light never turns On.
1. FIU is not powered up.
2. Defective cable.
3. Defective FIU.
1. FIU is not powered up.
2. Defective cable.
3. Defective FIU.
1. SitePro is not downloaded prop-
erly and/or COM port driver
needs to be restarted/reloaded.
2. Bad processor or bad FIU.
1. Bad connection between modem
card and Serial Back Plane
(motherboard) inside the FIU.
2. Bad modem card.
1. Bad connection between FIU and
field satellite or DIU.
1. Apply power.
2. Replace cable.
3. Contact Toro distributor / NSN.
1. Apply power.
2. Replace cable.
3. Contact Toro distributor / NSN.
1. Restart SitePro program with FIU
COM port defined. Repeat sys-
tem setup procedure (see p.9).
2. Contact Toro distributor / NSN.
1. Contact Toro distributor / NSN.
2. Contact Toro distributor / NSN.
1. Contact Toro distributor / NSN.
© 2003 The Toro Company, Irrigation Division Form Number 373-0085 Rev. C