Toshiba Ras 10Gavp E Service Manual
2014-12-13
: Toshiba Toshiba-Ras-10Gavp-E-Service-Manual-127627 toshiba-ras-10gavp-e-service-manual-127627 toshiba pdf
Open the PDF directly: View PDF
.
Page Count: 116 [warning: Documents this large are best viewed by clicking the View PDF Link!]

R410A
FILE NO. A05-008
PRINTED IN JAPAN, Nov.,2005 ToMo
SERVICE MANUAL
SPLIT TYPE
Indoor Unit Outdoor Unit
<High Wall, Heat Pump Type> <Heat Pump Type>
RAS-B10GKVP-E RAS-10GAVP-E
RAS-B13GKVP-E RAS-13GAVP-E
RAS-B16GKVP-E RAS-16GAVP-E
– 2 –
CONTENTS
1. SAFETY PRECAUTIONS .......................................................................... 3
2. SPECIFICATIONS ..................................................................................... 5
3. REFRIGERANT R410A ............................................................................. 7
4. CONSTRUCTION VIEWS ........................................................................ 15
5. WIRING DIAGRAM .................................................................................. 17
6. SPECIFICATIONS OF ELECTRICAL PARTS ......................................... 18
7. REFRIGERANT CYCLE DIAGRAM ........................................................ 19
8. CONTROL BLOCK DIAGRAM ................................................................ 22
9. OPERATION DESCRIPTION................................................................... 24
10. INSTALLATION PROCEDURE ................................................................ 47
11. HOW TO DIAGNOSE THE TROUBLE...................................................... 60
12. HOW TO REPLACE THE MAIN PARTS................................................... 82
13. EXPLODED VIEWS AND PARTS LIST ................................................. 101
Cord Heater Installation Work ........................................................ Appendix-1

– 3 –
1. SAFETY PRECAUTIONS
For general public use
Power supply cord of outdoor unit shall be more than 1.5 mm 2 (H07RN-F or 245IEC66) polychloroprene
sheathed flexible cord.
•Read this “SAFETY PRECAUTIONS” carefully before servicing.
•The precautions described below include the important items regarding safety. Observe them without fail.
•After the servicing work, perform a trial operation to check for any problem.
•Turn off the main power supply switch (or breaker) before the unit maintenance.
CAUTION
New Refrigerant Air Conditioner Installation
• THIS AIR CONDITIONER ADOPTS THE NEW HFC REFRIGERANT (R410A) WHICH DOES NOT
DESTROY OZONE LAYER.
R410A refrigerant is apt to be affected by impurities such as water, oxidizing membrane, and oils because
the working pressure of R410A refrigerant is approx. 1.6 times of refrigerant R22. Accompanied with the
adoption of the new refrigerant, the refrigeration machine oil has also been changed. Therefore, during
installation work, be sure that water, dust, former refrigerant, or refrigeration machine oil does not enter into
the new type refrigerant R410A air conditioner circuit.
To prevent mixing of refrigerant or refrigerating machine oil, the sizes of connecting sections of charging
port on main unit and installation tools are different from those used for the conventional refrigerant units.
Accordingly, special tools are required for the new refrigerant (R410A) units. For connecting pipes, use new
and clean piping materials with high pressure fittings made for R410A only, so that water and/or dust does
not enter. Moreover, do not use the existing piping because there are some problems with pressure fittings
and possible impurities in existing piping.
CAUTION
TO DISCONNECT THE APPLIANCE FROM THE MAIN POWER SUPPLY
This appliance must be connected to the main power supply by a circuit breaker or a switch with a contact
separation of at least 3 mm.
The installation fuse (25A D type ) must be used for the power supply line of this air conditioner.
DANGER
• ASK AN AUTHORIZED DEALER OR QUALIFIED INSTALLATION PROFESSIONAL TO IN-
STALL/MAINTAIN THE AIR CONDITIONER.
INAPPROPRIATE SERVICING MAY RESULT IN WATER LEAKAGE, ELECTRIC SHOCK OR FIRE.
•TURN OFF MAIN POWER SUPPLY BEFORE ATTEMPTING ANY ELECTRICAL WORK. MAKE SURE
ALL POWER SWITCHES ARE OFF. FAILURE TO DO SO MAY CAUSE ELECTRIC SHOCK.
DANGER: HIGH VOLTAGE
The high voltage circuit is incorporated.
Be careful to do the check service, as the electric shock may be caused in case of touching parts
on the P.C. board by hand.
•CORRECTLY CONNECT THE CONNECTING CABLE. IF THE CONNECTING CABLE IS INCOR-
RECTLY CONNECTED, ELECTRIC PARTS MAY BE DAMAGED.
•CHECK THAT THE EARTH WIRE IS NOT BROKEN OR DISCONNECTED BEFORE SERVICE AND
INSTALLATION. FAILURE TO DO SO MAY CAUSE ELECTRIC SHOCK.

– 4 –
•DO NOT INSTALL NEAR CONCENTRATIONS OF COMBUSTIBLE GAS OR GAS VAPORS. FAILURE
TO FOLLOW THIS INSTRUCTION CAN RESULT IN FIRE OR EXPLOSION.
•TO PREVENT THE INDOOR UNIT FROM OVERHEATING AND CAUSING A FIRE HAZARD, PLACE
THE UNIT WELL AWAY (MORE THAN 2 M) FROM HEAT SOURCES SUCH AS RADIATORS, HEAT
REGISTORS, FURNACE, STOVES, ETC.
•WHEN MOVING THE AIR-CONDITIONER FOR INSTALLATION IN ANOTHER PLACE, BE VERY CARE-
FUL NOT TO ALLOW THE SPECIFIED REFRIGERANT (R410A) TO BECOME MIXED WITH ANY
OTHER GASEOUS BODY INTO THE REFRIGERATION CIRCUIT. IF AIR OR ANY OTHER GAS IS
MIXED IN THE REFRIGERANT, THE GAS PRESSURE IN THE REFRIGERATION CIRCUIT WILL
BECOME ABNORMALLY HIGH AND IT MAY RESULT IN THE PIPE BURSTING AND POSSIBLE PER-
SONNEL INJURIES.
•IN THE EVENT THAT THE REFRIGERANT GAS LEAKS OUT OF THE PIPE DURING THE SERVICE
WORK AND THE INSTALLATION WORK, IMMEDIATELY LET FRESH AIR INTO THE ROOM. IF THE
REFRIGERANT GAS IS HEATED, SUCH AS BY FIRE, GENERATION OF POISONOUS GAS MAY
RESULT.
WARNING
•Never modify this unit by removing any of the safety guards or bypass any of the safety interlock
switches.
•Do not install in a place which cannot bear the weight of the unit. Personal injury and property
damage can result if the unit falls.
•After the installation work, confirm that refrigerant gas does not leak.
If refrigerant gas leaks into the room and flows near a fire source, such as a cooking range, noxious gas
may generate.
•The electrical work must be performed by a qualified electrician in accordance with the Installation
Manual. Make sure the air conditioner uses an exclusive circuit.
An insufficient circuit capacity or inappropriate installation may cause fire.
•When wiring, use the specified cables and connect the terminals securely to prevent external
forces applied to the cable from affecting the terminals.
•Be sure to provide grounding.
Do not connect ground wires to gas pipes, water pipes, lightning rods or ground wires for telephone cables.
•Conform to the regulations of the local electric company when wiring the power supply.
Inappropriate grounding may cause electric shock.
CAUTION
•Exposure of unit to water or other moisture before installation may result in an electrical short.
Do not store in a wet basement or expose to rain or water.
•Do not install in a place that can increase the vibration of the unit. Do not install in a place that can amplify
the noise level of the unit or where noise or discharged air might disturb neighbors.
•To avoid personal injury, be careful when handling parts with sharp edges.
•Perform the specified installation work to guard against an earthquake.
If the air conditioner is not installed appropriately, accidents may occur due to the falling unit.
For Reference:
If a heating operation would be continuously performed for a long time under the condition that the outdoor
temperature is 0°C or lower, drainage of defrosted water may be difficult due to freezing of the bottom plate,
resulting in a trouble of the cabinet or fan.
It is recommended to procure an antifreeze heater locally for a safe installation of the air conditioner.
For details, contact the dealer.

– 5 –
2. SPECIFICATIONS
2-1. Specifications
RAS-B10GKVP-E/RAS-B13GKVP-E/RAS-B16GKVP-E, RAS-10GAVP-E/RAS-13GAVP-E/RAS-16GAVP-E
Indoor RAS-B10GKVP-E RAS-B13GKVP-E RAS-B16GKVP-E
Unit model Outdoor RAS-10GAVP-E RAS-13GAVP-E RAS-16GAVP-E
Cooling capacity (kW) 2.5 3.5 4.5
Cooling capacity range (kW) 0.5–3.5 0.6–4.5 0.8–5.0
Heating capacity (kW) 3.2 4.2 5.5
Heating capacity range (kW) 0.6–5.8 0.6–6.6 0.8–7.8
Power supply 1 Ph/50Hz/220–240 V, 1 Ph/60Hz/220 V
Operation mode Cooling Heating Cooling Heating Cooling Heating
Running current (A) 0.15 0.15 0.15 0.15 0.15 0.15
Power consumption (W) 30 30 30 30 30 30
Indoor
Power factor (%)878787878787
Operation mode Cooling Heating Cooling Heating Cooling Heating
Running current (A) 2.48/2.37/2.26 3.25/3.10/2.96 4.25/4.06/3.89 4.52/4.31/4.13 6.45/6.17/5.90 7.07/6.76/6.47
Power consumption (W) 520 680 890 945 1350 1480
Power factor (%)959595959595
Electric
characteristics
Outdoor
Starting current (A) 3.40/3.25/3.11 4.67/4.46/4.28 7.22/6.91/6.62
COP (Cooling/Heating) 4.55/4.51 3.80/4.31 3.26/3.64
High (Cooling/Heating) (dB•A) 42/43 43/44 45/45
Medium (Cooling/Heating) (dB•A) 33/34 34/35 36/36
Indoor
Low (Cooling/Heating) (dB•A) 27/27 27/27 29/29
Operating
noise
Outdoor (Cooling/Heating) (dB•A) 46/47 48/50 49/50
Unit model RAS-B10GKVP-E RAS-B13GKVP-E RAS-B16GKVP-E
Height (mm) 250 250 250
Width (mm) 790 790 790Dimension
Depth (mm) 215 215 215
Net weight (kg) 9 9 9
Fan motor output (W) 30 30 30
Indoor unit
Air flow rate (Cooling/Heating) (m³/h) 550/610 560/640 640/660
Unit model RAS-10GAVP-E RAS-13GAVP-E RAS-16GAVP-E
Height (mm) 550 550 550
Width (mm) 780 780 780
Dimension
Depth (mm) 290 290 290
Net weight (kg) 35 37 37
Motor output (W) 750 750 750
Type Twin rotary type with DC-inverter variable speed controlCompressor
Model DA111A1F-20F1 DA111A1F-20F1 DA111A1F-20F1
Fan motor output (W) 43 43 43
Outdoor unit
Air flow rate (Cooling/Heating) (m³/h) 2150/2150 2410/2410 2410/2410
Type Flare connection Flare connection Flare connection
Liquid side Ø6.35 Ø6.35 Ø6.35
Indoor unit Gas side Ø9.52 Ø9.52 Ø12.7
Liquid side Ø6.35 Ø6.35 Ø6.35
Outdoor unit Gas side Ø9.52 Ø9.52 Ø12.7
Maximum length (m) 25 25 25
Maximum chargeless length (m) 15 15 15
Piping
connection
Maximum height difference (m) 10 10 10
Name of refrigerant R410A R410A R410A
Refrigerant Weight (kg) 0.82 0.96 0.96
Power supply 3 Wires : includes earth (Outdoor)
Wiring
connection Interconnection 4 Wires : includes earth
Indoor (Cooling/Heating) (°C) 21–32/0–28 21–32/0–28 21–32/0–28
Usable temperature range Outdoor (Cooling/Heating) (°C) 5–43/–15–24 5–43/–15–24 5–43/–15–24
Installation plate 1 1 1
Wireless remote controller 1 1 1
Batteries 222
Remote controller holder 1 1 1
Zeolite-plus filter 1 1 1
Mounting screw 6 (Ø4 × 25L) 6 (Ø4 × 25L) 6 (Ø4 × 25L)
Remote controller holder
mounting screw 2 (Ø3.1 × 16L) 2 (Ø3.1 × 16L) 2 (Ø3.1 × 16L)
Plasma pure filter 1 1 1
Installation manual 1 1 1
Indoor unit
Owner’s manual 1 1 1
Drain nipple 1 1 1
Accessory
Outdoor unit Water-proof rubber cap 2 2 2
•The specifications may be subject to change without notice for purpose of improvement.

– 6 –
* Capacity ratio : 100% = 2.5 kW (RAS-B10GKVP-E)
3.5 kW (RAS-B13GKVP-E)
4.5 kW (RAS-B16GKVP-E)
100
110
90
80
70
60
5032 34 36 38 40 4233 35 37 39 41 43 44 45 46
Outdoor temp. (˚C)
Capacity ratio (%)
120
100
80
60
40
20
0
–15 –10 –50 510
Capacity ratio (%)
Outdoor temp. (˚C)
• Conditions
Indoor : DB 20˚C
Indoor air flow : High
Pipe length : 7.5m
• Conditions
Indoor : DB27˚C/WB19˚C
Indoor air flow : High
Pipe length : 7.5m
RAS-B10GKVP-E
RAS-B13GKVP-E
RAS-B16GKVP-E
RAS-B10GKVP-E
RAS-B13GKVP-E
RAS-B16GKVP-E
7
8
6
5
4
3
2
1
0
Current (A)
Compressor speed (rps)
0 20406080 120100
• Conditions
Indoor : DB 27˚C/WB 19˚C
Outdoor : DB 35˚C
Air flow : High
Pipe length : 7.5m
Voltage : 230V
Current (A)
RAS-B10GKVP-E
RAS-B13GKVP-E
RAS-B16GKVP-E
RAS-B10GKVP-E
RAS-B13GKVP-E
RAS-B16GKVP-E
7
8
99
10 10
6
5
4
3
2
1
0
Compressor speed (rps)
0 20406080 120140 140
100
• Conditions
Indoor : DB 20˚C
Outdoor : DB 7˚C/WB 6˚C
Air flow : High
Pipe length : 7.5m
Voltage : 230V
2-2. Operation Characteristic Curve
<Cooling> <Heating>
2-3. Capacity Variation Ratio According to Temperature
<Cooling> <Heating>
– 7 –
3. REFRIGERANT R410A
This air conditioner adopts the new refrigerant HFC
(R410A) which does not damage the ozone layer.
The working pressure of the new refrigerant R410A
is 1.6 times higher than conventional refrigerant
(R22). The refrigerating oil is also changed in
accordance with change of refrigerant, so be careful
that water, dust, and existing refrigerant or refrigerat-
ing oil are not entered in the refrigerant cycle of the
air conditioner using the new refrigerant during
installation work or servicing time.
The next section describes the precautions for air
conditioner using the new refrigerant. Conforming to
contents of the next section together with the
general cautions included in this manual, perform
the correct and safe work.
3-1. Safety During Installation/Servicing
As R410A’s pressure is about 1.6 times higher than
that of R22, improper installation/servicing may
cause a serious trouble. By using tools and materi-
als exclusive for R410A, it is necessary to carry out
installation/servicing safely while taking the following
precautions into consideration.
1. Never use refrigerant other than R410A in an air
conditioner which is designed to operate with
R410A.
If other refrigerant than R410A is mixed, pressure
in the refrigeration cycle becomes abnormally
high, and it may cause personal injury, etc. by a
rupture.
2. Confirm the used refrigerant name, and use tools
and materials exclusive for the refrigerant R410A.
The refrigerant name R410A is indicated on the
visible place of the outdoor unit of the air condi-
tioner using R410A as refrigerant. To prevent
mischarging, the diameter of the service port
differs from that of R22.
3. If a refrigeration gas leakage occurs during
installation/servicing, be sure to ventilate fully.
If the refrigerant gas comes into contact with fire,
a poisonous gas may occur.
4. When installing or removing an air conditioner, do
not allow air or moisture to remain in the refrig-
eration cycle. Otherwise, pressure in the refrig-
eration cycle may become abnormally high so
that a rupture or personal injury may be caused.
5. After completion of installation work, check to
make sure that there is no refrigeration gas
leakage.
If the refrigerant gas leaks into the room, coming
into contact with fire in the fan-driven heater,
space heater, etc., a poisonous gas may occur.
6. When an air conditioning system charged with a
large volume of refrigerant is installed in a small
room, it is necessary to exercise care so that,
even when refrigerant leaks, its concentration
does not exceed the marginal level.
If the refrigerant gas leakage occurs and its
concentration exceeds the marginal level, an
oxygen starvation accident may result.
7. Be sure to carry out installation or removal
according to the installation manual.
Improper installation may cause refrigeration
trouble, water leakage, electric shock, fire, etc.
8. Unauthorized modifications to the air conditioner
may be dangerous. If a breakdown occurs
please call a qualified air conditioner technician
or electrician.
Improper repair’s may result in water leakage,
electric shock and fire, etc.
3-2. Refrigerant Piping Installation
3-2-1. Piping Materials and Joints Used
For the refrigerant piping installation, copper pipes
and joints are mainly used. Copper pipes and joints
suitable for the refrigerant must be chosen and
installed. Furthermore, it is necessary to use clean
copper pipes and joints whose interior surfaces are
less affected by contaminants.
1. Copper Pipes
It is necessary to use seamless copper pipes
which are made of either copper or copper alloy
and it is desirable that the amount of residual oil
is less than 40 mg/10 m. Do not use copper
pipes having a collapsed, deformed or discolored
portion (especially on the interior surface).
Otherwise, the expansion valve or capillary tube
may become blocked with contaminants.
As an air conditioner using R410A incurs pres-
sure higher than when using R22, it is necessary
to choose adequate materials.
Thicknesses of copper pipes used with R410A
are as shown in Table 3-2-1. Never use copper
pipes thinner than 0.8 mm even when it is
available on the market.

– 8 –
Table 3-2-1 Thicknesses of annealed copper pipes
Nominal diameter
1/4
3/8
1/2
5/8
Outer diameter (mm)
6.35
9.52
12.70
15.88
Thickness (mm)
R410A R22
0.80 0.80
0.80 0.80
0.80 0.80
1.00 1.00
2. Joints
For copper pipes, flare joints or socket joints are used. Prior to use, be sure to remove all contaminants.
a) Flare Joints
Flare joints used to connect the copper pipes cannot be used for pipings whose outer diameter exceeds
20 mm. In such a case, socket joints can be used.
Sizes of flare pipe ends, flare joint ends and flare nuts are as shown in Tables 3-2-3 to 3-2-6 below.
b) Socket Joints
Socket joints are such that they are brazed for connections, and used mainly for thick pipings whose
diameter is larger than 20 mm.
Thicknesses of socket joints are as shown in Table 3-2-2.
Table 3-2-2 Minimum thicknesses of socket joints
Nominal diameter
1/4
3/8
1/2
5/8
Reference outer diameter of
copper pipe jointed (mm)
6.35
9.52
12.70
15.88
Minimum joint thickness
(mm)
0.50
0.60
0.70
0.80
3-2-2. Processing of Piping Materials
When performing the refrigerant piping installation, care should be taken to ensure that water or dust does not
enter the pipe interior, that no other oil than lubricating oils used in the installed air-water heat pump is used,
and that refrigerant does not leak. When using lubricating oils in the piping processing, use such lubricating oils
whose water content has been removed. When stored, be sure to seal the container with an airtight cap or any
other cover.
1. Flare processing procedures and precautions
a) Cutting the Pipe
By means of a pipe cutter, slowly cut the pipe so that it is not deformed.
b) Removing Burrs and Chips
If the flared section has chips or burrs, refrigerant leakage may occur.
Carefully remove all burrs and clean the cut surface before installation.
c) Insertion of Flare Nut

– 9 –
A
ØD
d) Flare Processing
Make certain that a clamp bar and copper
pipe have been cleaned.
By means of the clamp bar, perform the flare
processing correctly.
Use either a flare tool for R410A or conven-
tional flare tool.
Flare processing dimensions differ according
to the type of flare tool. When using a con-
ventional flare tool, be sure to secure “dimen-
sion A” by using a gauge for size adjustment. Fig. 3-2-1 Flare processing dimensions
Table 3-2-3 Dimensions related to flare processing for R410A
Nominal
diameter
1/4
3/8
1/2
5/8
Outer
diameter
(mm)
6.35
9.52
12.70
15.88
Thickness
(mm)
0.8
0.8
0.8
1.0
A (mm)
Flare tool for R410A
clutch type
0 to 0.5
0 to 0.5
0 to 0.5
0 to 0.5
Conventional flare tool
Clutch type Wing nut type
1.0 to 1.5 1.5 to 2.0
1.0 to 1.5 1.5 to 2.0
1.0 to 1.5 2.0 to 2.5
1.0 to 1.5 2.0 to 2.5
Table 3-2-4 Dimensions related to flare processing for R22
Nominal
diameter
1/4
3/8
1/2
5/8
Outer
diameter
(mm)
6.35
9.52
12.70
15.88
Thickness
(mm)
0.8
0.8
0.8
1.0
A (mm)
Flare tool for R22
clutch type
0 to 0.5
0 to 0.5
0 to 0.5
0 to 0.5
Conventional flare tool
Clutch type Wing nut type
0.5 to 1.0 1.0 to 1.5
0.5 to 1.0 1.0 to 1.5
0.5 to 1.0 1.5 to 2.0
0.5 to 1.0 1.5 to 2.0
Table 3-2-5 Flare and flare nut dimensions for R410A
Nominal
diameter
1/4
3/8
1/2
5/8
Outer diameter
(mm)
6.35
9.52
12.70
15.88
Thickness
(mm)
0.8
0.8
0.8
1.0
Dimension (mm)
ABCD
9.1 9.2 6.5 13
13.2 13.5 9.7 20
16.6 16.0 12.9 23
19.7 19.0 16.0 25
Flare nut width
(mm)
17
22
26
29

– 10 –
43˚ to 45˚
45˚ to 46˚
B A CD
Table 3-2-6 Flare and flare nut dimensions for R22
Nominal
diameter
1/4
3/8
1/2
5/8
3/4
Outer diameter
(mm)
6.35
9.52
12.70
15.88
19.05
Thickness
(mm)
0.8
0.8
0.8
1.0
1.0
Dimension (mm)
ABCD
9.0 9.2 6.5 13
13.0 13.5 9.7 20
16.2 16.0 12.9 20
19.7 19.0 16.0 23
23.3 24.0 19.2 34
Flare nut width
(mm)
17
22
24
27
36
Fig. 3-2-2 Relations between flare nut and flare seal surface
2. Flare Connecting Procedures and Precautions
a) Make sure that the flare and union portions do not have any scar or dust, etc.
b) Correctly align the processed flare surface with the union axis.
c) Tighten the flare with designated torque by means of a torque wrench. The tightening torque for R410A is
the same as that for conventional R22. Incidentally, when the torque is weak, the gas leakage may occur.
When it is strong, the flare nut may crack and may be made non-removable. When choosing the tighten-
ing torque, comply with values designated by manufacturers. Table 3-2-7 shows reference values.
NOTE :
When applying oil to the flare surface, be sure to use oil designated by the manufacturer.
If any other oil is used, the lubricating oils may deteriorate and cause the compressor to burn out.
Table 3-2-7 Tightening torque of flare for R410A [Reference values]
Nominal
diameter
1/4
3/8
1/2
5/8
Outer diameter
(mm)
6.35
9.52
12.70
15.88
Tightening torque
N•m (kgf•cm)
14 to 18 (140 to 180)
33 to 42 (330 to 420)
50 to 62 (500 to 620)
63 to 77 (630 to 770)
Tightening torque of torque
wrenches available on the market
N•m (kgf•cm)
16 (160), 18 (180)
42 (420)
55 (550)
65 (650)

– 11 –
3-3. Tools
3-3-1. Required Tools
The service port diameter of packed valve of the outdoor unit in the air-water heat pump using R410A is
changed to prevent mixing of other refrigerant. To reinforce the pressure-resisting strength, flare processing
dimensions and opposite side dimension of flare nut (For Ø12.7 copper pipe) of the refrigerant piping are
lengthened.
The used refrigerating oil is changed, and mixing of oil may cause a trouble such as generation of sludge,
clogging of capillary, etc. Accordingly, the tools to be used are classified into the following three types.
1. Tools exclusive for R410A (Those which cannot be used for conventional refrigerant (R22))
2. Tools exclusive for R410A, but can be also used for conventional refrigerant (R22)
3. Tools commonly used for R410A and for conventional refrigerant (R22)
The table below shows the tools exclusive for R410A and their interchangeability.
Tools exclusive for R410A (The following tools for R410A are required.)
Tools whose specifications are changed for R410A and their interchangeability
No.
1
2
3
4
5
6
7
8
9
10
Used tool
Flare tool
Copper pipe gauge for
adjusting projection
margin
Torque wrench
(For Ø12.7)
Gauge manifold
Charge hose
Vacuum pump adapter
Electronic balance for
refrigerant charging
Refrigerant cylinder
Leakage detector
Charging cylinder
Usage
Pipe flaring
Flaring by
conventional flare tool
Connection of flare nut
Evacuating, refrigerant
charge, run check, etc.
Vacuum evacuating
Refrigerant charge
Refrigerant charge
Gas leakage check
Refrigerant charge
R410A
air-water heat pump installation
Existence of
new equipment
for R410A
Ye s
Ye s
Ye s
Ye s
Ye s
Ye s
Ye s
Ye s
(Note 2)
Whether conven-
tional equipment
can be used
*(Note 1)
*(Note 1)
×
×
×
×
×
×
×
Conventional air-water
heat pump installation
Whether new equipment
can be used with
conventional refrigerant
¡
*(Note 1)
×
×
¡
¡
×
¡
×
(Note 1) When flaring is carried out for R410A using the conventional flare tools, adjustment of projection
margin is necessary. For this adjustment, a copper pipe gauge, etc. are necessary.
(Note 2) Charging cylinder for R410A is being currently developed.
General tools (Conventional tools can be used.)
In addition to the above exclusive tools, the following equipments which serve also for R22 are necessary
as the general tools.
1. Vacuum pump
Use vacuum pump by attaching
vacuum pump adapter.
2. Torque wrench (For Ø6.35, Ø9.52)
3. Pipe cutter
4. Reamer
5. Pipe bender
6. Level vial
7. Screwdriver (+, –)
8. Spanner or Monkey wrench
9. Hole core drill (Ø65)
10. Hexagon wrench
(Opposite side 4mm)
11. Tape measure
12. Metal saw
Also prepare the following equipments for other installation method and run check.
1. Clamp meter
2. Thermometer
3. Insulation resistance tester
4. Electroscope

– 12 –
Connect the charge hose to packed valve service
port at the outdoor unit’s gas side.
Recover the refrigerant, and check no refrigerant
remains in the equipment.
(For refrigerant charging, see the figure below.)
Connect the charge hose to the vacuum pump
adapter.
Open fully both packed valves at liquid and gas
sides.
Place the handle of the gauge manifold Low in the
fully opened position, and turn on the vacuum pump’s
power switch. Then, evacuating the refrigerant in the
cycle.
When the compound gauge’s pointer has indicated
–0.1 Mpa (–76 cmHg), place the handle Low in the
fully closed position, and turn off the vacuum pump’s
power switch.
Keep the status as it is for 1 to 2 minutes, and ensure
that the compound gauge’s pointer does not return.
Set the refrigerant cylinder to the electronic balance,
connect the connecting hose to the cylinder and the
connecting port of the electronic balance, and charge
liquid refrigerant.
(Water heat
exchanger unit) (Outdoor unit)
Opened
Opened
Refrigerant cylinder
(with siphon)
Check valve
Open/close
valve for charging
Electronic balance for refrigerant charging
Opened
Closed
Service port
3-4. Recharging of Refrigerant
When it is necessary to recharge refrigerant, charge the specified amount of new refrigerant according to the
following steps.
1. Never charge refrigerant exceeding the specified amount.
2. If the specified amount of refrigerant cannot be charged, charge refrigerant bit by bit in COOL mode.
3. Do not carry out additional charging.
When additional charging is carried out if refrigerant leaks, the refrigerant composition changes in the
refrigeration cycle, that is characteristics of the air conditioner changes, refrigerant exceeding the
specified amount is charged, and working pressure in the refrigeration cycle becomes abnormally high
pressure, and may cause a rupture or personal injury.
Fig. 3-4-1 Configuration of refrigerant charging

– 13 –
Gauge manifold
[ Cylinder with siphon ] [ Cylinder without siphon ]
OUTDOOR unit Gauge manifold OUTDOOR unit
Refrigerant
cylinder
Electronic
balance
Refrigerant
cylinder
Electronic
balance
Siphon
1. Be sure to make setting so that liquid can be charged.
2. When using a cylinder equipped with a siphon, liquid can be charged without turning it upside down.
It is necessary for charging refrigerant under condition of liquid because R410A is mixed type of refrigerant.
Accordingly, when charging refrigerant from the refrigerant cylinder to the equipment, charge it turning the
cylinder upside down if cylinder is not equipped with siphon.
R410A refrigerant is HFC mixed refrigerant.
Therefore, if it is charged with gas, the composi-
tion of the charged refrigerant changes and the
characteristics of the equipment varies.
3-5. Brazing of Pipes
3-5-1. Materials for Brazing
1. Silver brazing filler
Silver brazing filler is an alloy mainly composed
of silver and copper. It is used to join iron, copper
or copper alloy, and is relatively expensive though
it excels in solderability.
2. Phosphor bronze brazing filler
Phosphor bronze brazing filler is generally used
to join copper or copper alloy.
3. Low temperature brazing filler
Low temperature brazing filler is generally called
solder, and is an alloy of tin and lead. Since it is
weak in adhesive strength, do not use it for
refrigerant pipes.
1. Phosphor bronze brazing filler tends to react
with sulfur and produce a fragile compound
water solution, which may cause a gas
leakage. Therefore, use any other type of
brazing filler at a hot spring resort, etc., and
coat the surface with a paint.
2. When performing brazing again at time of
servicing, use the same type of brazing filler.
3-5-2. Flux
1. Reason why flux is necessary
•By removing the oxide film and any foreign
matter on the metal surface, it assists the flow
of brazing filler.
•In the brazing process, it prevents the metal
surface from being oxidized.
•By reducing the brazing filler’s surface tension,
the brazing filler adheres better to the treated
metal.
Fig. 3-4-2

– 14 –
Nitrogen gas
cylinder
Pipe
Flow meter
M
Stop valve
From Nitrogen cylinder
Nitrogen
gas
Rubber plug
2. Characteristics required for flux
•Activated temperature of flux coincides with the
brazing temperature.
•Due to a wide effective temperature range, flux
is hard to carbonize.
•It is easy to remove slag after brazing.
•The corrosive action to the treated metal and
brazing filler is minimum.
•It excels in coating performance and is harm-
less to the human body.
As the flux works in a complicated manner as
described above, it is necessary to select an
adequate type of flux according to the type and
shape of treated metal, type of brazing filler and
brazing method, etc.
3. Types of flux
•Noncorrosive flux
Generally, it is a compound of borax and boric
acid.
It is effective in case where the brazing tem-
perature is higher than 800°C.
•Activated flux
Most of fluxes generally used for silver brazing
are this type.
It features an increased oxide film removing
capability due to the addition of compounds
such as potassium fluoride, potassium chloride
and sodium fluoride to the borax-boric acid
compound.
4. Piping materials for brazing and used
brazing filler/flux
1. Do not enter flux into the refrigeration cycle.
2. When chlorine contained in the flux remains
within the pipe, the lubricating oil deteriorates.
Therefore, use a flux which does not contain
chlorine.
3. When adding water to the flux, use water
which does not contain chlorine (e.g. distilled
water or ion-exchange water).
4. Remove the flux after brazing.
3-5-3. Brazing
As brazing work requires sophisticated techniques,
experiences based upon a theoretical knowledge, it
must be performed by a person qualified.
In order to prevent the oxide film from occurring in
the pipe interior during brazing, it is effective to
proceed with brazing while letting dry Nitrogen gas
(N2) flow.
Never use gas other than Nitrogen gas.
1. Brazing method to prevent oxidation
1) Attach a reducing valve and a flow-meter to
the Nitrogen gas cylinder.
2) Use a copper pipe to direct the piping mate-
rial, and attach a flow-meter to the cylinder.
3) Apply a seal onto the clearance between the
piping material and inserted copper pipe for
Nitrogen in order to prevent backflow of the
Nitrogen gas.
4) When the Nitrogen gas is flowing, be sure to
keep the piping end open.
5) Adjust the flow rate of Nitrogen gas so that it
is lower than 0.05 m3/Hr or 0.02 MPa
(0.2kgf/cm2) by means of the reducing valve.
6) After performing the steps above, keep the
Nitrogen gas flowing until the pipe cools down
to a certain extent (temperature at which
pipes are touchable with hands).
7) Remove the flux completely after brazing.
Fig. 3-5-1 Prevention of oxidation during brazing
Piping material
Copper - Copper
Copper - Iron
Iron - Iron
Used brazing filler
Phosphor copper
Silver
Silver
Used flux
Do not use
Paste flux
Vapor flux

– 15 –
4. CONSTRUCTION VIEWS
4-1. Indoor Unit
RAS-B10GKVP-E
RAS-B13GKVP-E
RAS-B16GKVP-E
Parts name of remote controller WH-H03JE
Connecting pipe
(Outside length:0.4m)
Flare Ø9.52
(RAS-B16GKVP-E : Ø12.7)
Minimum
distance
to ceilinfg
Minimum
distance
to wall
Minimum
distance
to wall
Hanging
section
Front panel
Plasma pure filter
53
790
790 215
60
250
7
53
60 54.5
60
53
6054.5
53
5
64
58
1010
1010
25
790
9130430491
674
450
288
91
290 19
125.5
163
250
167.5
42
42
3
47 or more
74 or more
140 or more
7
Knockout system Knockout system
Zeolite-plus filter Air ionizer
Installation plate hanging section
Remote controller holder
Wireless remote controller
Stud bolt hole
for Ø6
Stud bolt hole
for Ø8 to Ø10
Outline of
installation plate
Lower part
hanging section
Center line of
installation plate
Center line
of main unit
Drain hose
(Outside length:0.54m)
Installation plate
hanging section
Connecting pipe
(Outside length:0.45m)
Flare Ø6.35
Air filter
Indoor heat exchanger

– 16 –
4-2. Outdoor Unit
RAS-10GAVP-E, RAS-13GAVP-E, RAS-16GAVP-E
Pipe dia. Ø9.52:RAS-10GAVP-E, RAS-13GAVP-E
Ø12.7:RAS-16GAVP-E
2-Ø20x88 drain long hole
leg part Ø25 drain hole Ø11-14U-shape hole
(for Ø8-Ø10 anchor bolt)
Connecting pipe port
Connecting pipe port
(Pipe dia. Ø6.35)
8-Ø7 hole
(for fixing outdoor unit)
Ø11x14 long hole
(for Ø8-Ø10 anchor bolt)
Packed valve cover
Charging port
Outside line
of product
Outside line
of product
Outside line
of product
4-Ø4.5 embossment
Fin guard
Fan guard
Mounting dimensions of anchor bolt
When installing the outdoor unit,
leave open in at least two of
directions (A), (B), (C) and (D)
shown in the figure below.
A
leg part
B
320
306
290
145.5
(Anchor bort
long hole pitch)
Ø7 hole pitch
30
54
108
600 90
125
60
30
20
( )
69.5 147
31 143
342
483 257
108
137
320
93
145
Z
157 79
218
71
780
50032
25
22
54
21
600
52
35
449
483 6
550
600
600
38
38
320 320
54
54
11
11
R5.5
R5.5
R15
2-Ø7 hole
2-Ø7 hole
R15
Detailed leg part
A
Detailed leg part
B
view
Z
D
B
C
250 or more
Minimum distance
from wall
2-Ø11x14 long hole
(for Ø8-Ø10 anchor bolt)
2-Ø11x14U- Shape hole
(for Ø8-Ø10 anchor bolt)
Intake
Intake
Outlet
50 or more
200 or more
100 or more
A

– 17 –
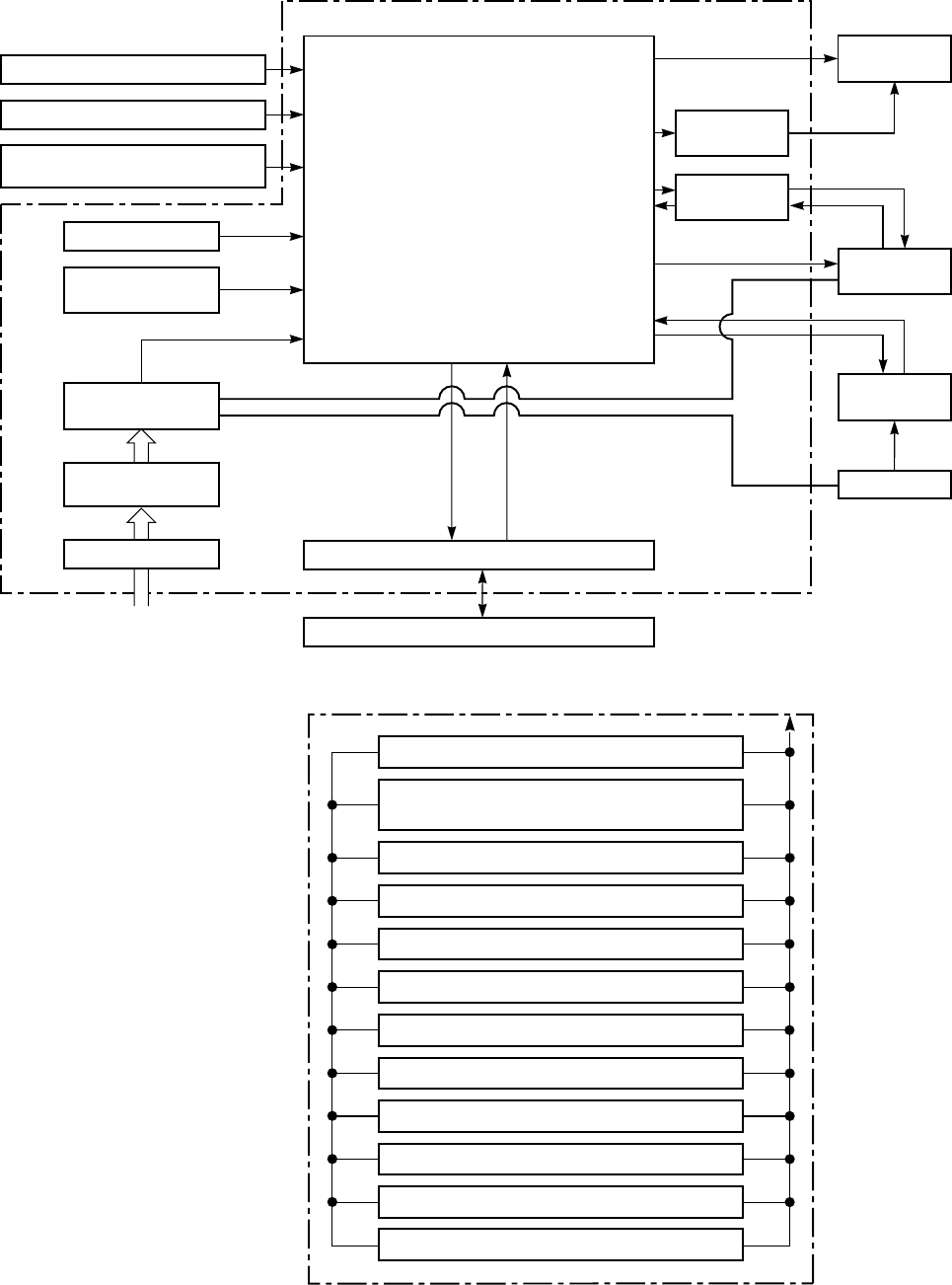
5. WIRING DIAGRAM
5-1. Outdoor Unit
RAS-10GAVP-E, RAS-13GAVP-E, RAS-16GAVP-E
5-2. Indoor Unit
RAS-B10GKVP-E, RAS-B13GKVP-E, RAS-B16GKVP-E
MAIN P.C. BOARD
(MCC-5020)
HEAT EXCHANGER
SENSOR (TC)
CN07
(WHI)
CN13
(WHI)
CN100
(WHI)
CN08 (WHI)
MCC-899
Wireless Unit Assembly
POWER SUPPLY
CIRCUIT
21 43
BLK
1
2
3
4
5
6
7
8
9
1
2
3
4
5
6
7
8
9
BLU
BLK
BLU
BLU
BLU
BLU
BLU
BLU
BLU
10 10
9
8
7
6
5
4
3
2
1
9
8
7
6
5
4
3
2
1
CN01
(BLU)
CN10
(WHI)
1
21
2
THERMO SENSOR
(TA)
BLK
BLK
BLK
CN03
(WHI)
1
21
2
WHI
1
2
3
4
5
1
2
3
4
5
1
21
2
1
2
3
4
5
1
2
3
4
5
LOUVER MOTOR
FAN MOTOR
INDOOR
TERMINAL
BLOCK
DC MOTOR
WHI
YEL
YEL
YEL
YEL
FUSE
F01
1
3
4
5
1
3
4
5
RED
BLK
WHI
YEL
66BLU
DC5V
DC12V
DB01
CN21
CN23
CN34
CN22
AC 250V
BLK WHI
21
3 1
3
RED GRN & YEL
T3.15A
Heat
exchanger
Micro SW
BRW
BLU
(RED)
LINE
FILTER
TNR
CN33
(WHI)
BLK
1 2 3 4
1 2 3 4
1 2 3 4
1 2 3 4
RED
BRW
BRW
BRW
Ion electrode
High-voltage
Power supply
Air purifier
Electrode
1
2
3
4
5
6
1
2
3
4
5
6
Color
Identification
RED
WHI
BLK
BLU
BRW
ORN
PUR
YEL
GRY
PNK
GRN&
YEL
:
:
:
:
:
:
:
:
:
:
:
RED
WHITE
BLACK
BLUE
BROWN
ORANGE
PURPUL
YELLOW
GRAY
PINK
GREEN&
YELLOW
220-240V ~50Hz
220V ~60Hz

– 18 –
6. SPECIFICATIONS OF ELECTRICAL PARTS
6-1. Indoor Unit
RAS-B10GKVP-E, RAS-B13GKVP-E, RAS-B16GKVP-E
6-2. Outdoor Unit
RAS-10GAVP-E, RAS-13GAVP-E, RAS-16GAVP-E
No.
1
2
3
4
Parts name
Fan motor (for indoor)
Room temp. sensor (TA-sensor)
Heat exchanger temp. sensor (TC-sensor)
Louver motor
Type
MF-280-30-5R
( – )
( – )
MP24Z
Specifications
DC280–340V, 30W
10kΩ at 25°C
10kΩ at 25°C
Output (Rated) 1W, 16 poles, DC12V
No.
1
2
3
4
5
6
7
8
9
10
Parts name
Reactor
Outside fan motor
Suction temp. sensor (TS sensor)
Discharge temp. sensor (TD sensor)
Outside air temp. sensor (TO sensor)
Heat exchanger temp. sensor (TE sensor)
Terminal block (6P)
Compressor
Coil for P.M.V.
Coil for 4-way valve
Model name
CH-57
ICF-140-43-4R
(Inverter attached)
(Inverter attached)
(Inverter attached)
(Inverter attached)
——
DA111A1F-20F1
CAM-MD12TF
VHV
Rating
L = 10mH, 16A × 2
DC140V, 43W
10kΩ (25°C)
62kΩ (20°C)
10kΩ (25°C)
10kΩ (25°C)
20A, AC250V
3-phases 4-poles 750W
DC12V
AC220–240V

– 19 –
7. REFRIGERANT CYCLE DIAGRAM
7-1. Refrigerant Cycle Diagram
RAS-B10GKVP-E/RAS-10GAVP-E
NOTE :
•The maximum pipe length of this air conditioner is 25 m. When the pipe length exceeds 15m, the additional
charging of refrigerant, 20g per 1m for the part of pipe exceeded 15m is required. (Max. 200g)
Deoxidized copper pipe
Outer dia. : 9.52mm
Thickness : 0.8mm
NOTE : Gas leak check position
Refrigerant flow (Cooling)
Refrigerant flow (Heating)
INDOOR UNIT
T1
TO
Temp. measurement
TC
TA
Indoor heat
exchanger
Cross flow fan
Deoxidized copper pipe
Outer dia. : 6.35mm
Thickness : 0.8mm
Sectional shape
of heat insulator
Allowable height
difference : 10m
Allowable pipe length
P
Pressure measurement
Gauge attaching port
Vacuum pump connecting port
Strainer
Pulse motor
valve at liquid side
(CAM-B22YGTF-3)
TD
4-way valve
(STF-0108Z)
Compressor
DA111A1F-20F1
TS
T2
Outdoor heat
exchanger
Temp. measurement
Propeller fan Refrigerant amount : 0.82kg
OUTDOOR UNIT
Muffler
Muffler
TE
Max. : 25m
Min. : 2m
Chargeless : 15m
Charge : 20g/m
(16 to 25m)
Strainer

– 20 –
RAS-B13GKVP-E/RAS-13GAVP-E, RAS-B16GKVP-E/RAS-16GAVP-E
NOTE :
•The maximum pipe length of this air conditioner is 25 m. When the pipe length exceeds 15m, the additional
charging of refrigerant, 20g per 1m for the part of pipe exceeded 15m is required. (Max. 200g)
Max. : 25m
Min. : 2m
Chargeless : 15m
Charge : 20g/m
(16 to 25m)
Deoxidized copper pipe
Outer dia. : 9.52mm(13),
12.7mm(16)
Thickness : 0.8mm
NOTE : Gas leak check position
Refrigerant flow (Cooling)
Refrigerant flow (Heating)
INDOOR UNIT T1
TO
Temp. measurement
Indoor heat
exchanger
Cross flow fan
Deoxidized copper pipe
Outer dia. : 6.35mm
Thickness : 0.8mm
Sectional shape
of heat insulator
Allowable height
difference : 10m
Allowable pipe length
P
Pressure measurement
Gauge attaching port
Vacuum pump connecting port
Strainer
Pulse motor
valve at liquid side
(CAM-B22YGTF-3)
Ø1.2 x 80
Ø1.2 x 80
TD
4-way valve
(STF-0108Z)
Compressor
DA111A1F-20F1
TS
T2
Outdoor heat
exchanger Split capillary
Temp. measurement
Propeller fan Refrigerant amount : 0.96kg
OUTDOOR UNIT
Muffler
Muffler
TE
TC
TA

– 21 –
7-2. Operation Data
<Cooling>
<Heating>
Temperature
condition (°C)
Indoor Outdoor
27/19 35/–
Model name
RAS-
B10GKVP-E
B13GKVP-E
B16GKVP-E
Standard
pressure
P (MPa)
0.9 to 1.1
0.8 to 1.0
0.7 to 0.9
Heat exchanger
pipe temp.
T1 (°C) T2 (°C)
13 to 15 42 to 44
11 to 14 42 to 45
8 to 11 43 to 47
Indoor
fan mode
High
High
High
Outdoor
fan mode
High
High
High
Compressor
revolution
(rps)
37
59
82
Temperature
condition (°C)
Indoor Outdoor
20/–7/6
Model name
RAS-
B10GKVP-E
B13GKVP-E
B16GKVP-E
Standard
pressure
P (MPa)
2.2 to 2.4
2.5 to 2.7
2.8 to 3.0
Heat exchanger
pipe temp.
T1 (°C) T2 (°C)
37 to 39 0 to 3
42 to 45 0 to 2
48 to 49 0 to 2
Indoor
fan mode
High
High
High
Outdoor
fan mode
High
High
High
Compressor
revolution
(rps)
54
65
86
NOTES :
1. Measure surface temperature of heat exchanger pipe around center of heat exchanger path U bent.
(Thermistor themometer)
2. Connecting piping condition : 7.5 m

– 22 –
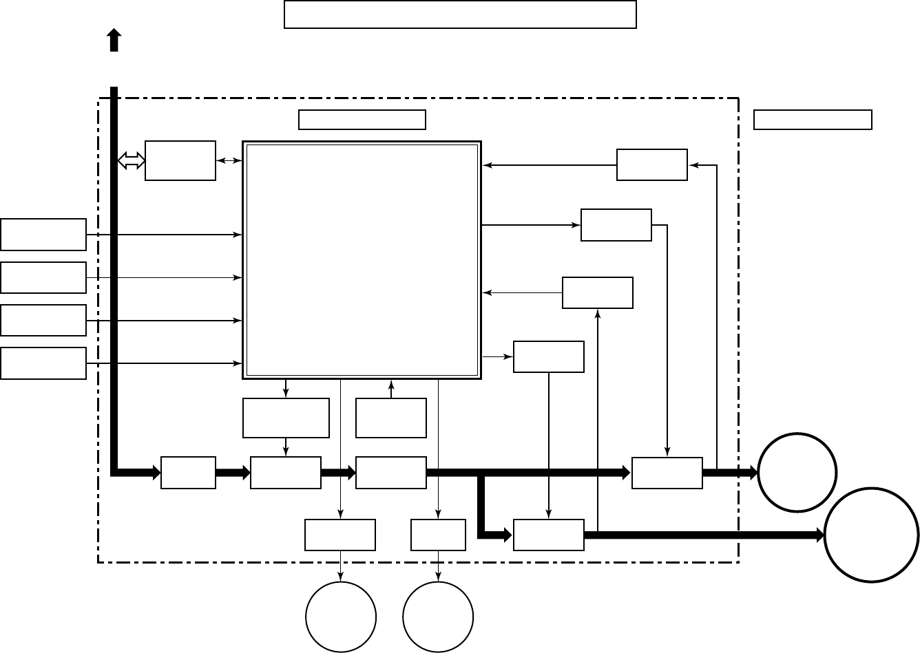
8. CONTROL BLOCK DIAGRAM
8-1. Indoor Unit
RAS-B10GKVP-E, RAS-B13GKVP-E, RAS-B16GKVP-E
M.C.U. Indoor Unit Control Unit
From Outdoor Unit
220-240V ~50Hz
220V ~60Hz
Serial Signal Communication
(Operation Command and Information)
Serial Signal Transmitter/Receiver
Micro Switch
Converter
(D.C circuit)
Noise Filter
Indoor
Fan Motor
Air purifier
unit
Louver
Motor
Louver Motor
Drive Control
Indoor Fan
Motor Control
Initializing Circuit
Clock Frequency
Oscillator Circuit
Power Supply
Circuit
Infrared Rays, 36.7kHz
Remote Controller
Operation (START/STOP)
Thermo. Setting
Fan Speed Selection
ON TIMER Setting
OFF TIMER Setting
Louver AUTO Swing
Louver Direction Setting
Hi-POWER
SLEEP
Operation Mode Selection
AUTO, COOL, DRY, HEAT
REMOTE CONTROLLER
ECO
Air Purifier
Heat Exchanger Sensor (Tc)
Room Temperature Sensor (Ta)
Infrared Rays Signal Receiver
and Indication
Functions
•Cold draft preventing Function
•3-minute Delay at Restart for Compressor
•Fan Motor Starting Control
•Processing
(Temperature Processing)
•Timer
•Serial Signal Communication
•Clean Function

– 23 –
8-2. Outdoor Unit (Inverter Assembly)
RAS-10GAVP-E, RAS-13GAVP-E, RAS-16GAVP-E
220–240 V ~50Hz
220 V ~60Hz
MICRO-COMPUTER BLOCK DIAGRAM
Driver circuit
of P.M.V.
Heat exchanger
temp.sensor
Suction temp.
sensor
Outdoor air
temp. sensor
Discharge
temp. sensor
Indoor unit
send/receive
circuit
Relay
circuit
Noise
Filter Converter
(AC → DC)
Clock
frequency
4MHz
High Power
factor Correction
circuit
Input current
sensor
• PWM synthesis function
• Input current release control
• IGBT over-current detect control
• Outdoor fan control
• High power factor correction control
• Inverter output frequency control
• A/D converter function
• P.M.V. control
• Discharge temp. control
• 4-way valve control
• Signal communication to indoor unit
P.M.V. : Pulse Motor Valve
M.C.U. : Micro Control Unit
M.C.U
For INDOOR UNIT
4-way
valve
P.M.V.
Inverter
(DC → AC)
Gate drive
circuit
Gate drive
circuit
Inverter
(DC → AC)
Outdoor
Fan motor
Compressor
MCC5009 (P.C.B) OUTDOOR UNIT
Current
detect
Current
detect

– 24 –
9. OPERATION DESCRIPTION
9-1. Outline of Air Conditioner Control
This air conditioner is a capacity-variable type air
conditioner, which uses DC motor for the indoor fan
motor and the outdoor fan motor. And the capacity-
proportional control compressor which can change the
motor speed in the range from 13 to 115 rps is
mounted. The DC motor drive circuit is mounted to the
indoor unit. The compressor and the inverter to control
fan motor are mounted to the outdoor unit.
The entire air conditioner is mainly controlled by the
indoor unit controller.
The indoor unit controller drives the indoor fan motor
based upon command sent from the remote controller,
and transfers the operation command to the outdoor
unit controller.
The outdoor unit controller receives operation com-
mand from the indoor unit side, and controls the
outdoor fan and the pulse motor valve. (P.M.V)
Besides, detecting revolution position of the compres-
sor motor, the outdoor unit controller controls speed of
the compressor motor by controlling output voltage of
the inverter and switching timing of the supply power
(current transfer timing) so that motors drive according
to the operation command.
And then, the outdoor unit controller transfers reversely
the operating status information of the outdoor unit to
control the indoor unit controller.
As the compressor adopts four-pole brushless
DC motor, the frequency of the supply power
from inverter to compressor is two-times cycles
of the actual number of revolution.
1. Role of indoor unit controller
The indoor unit controller judges the operation
commands from the remote controller and assumes
the following functions.
•Judgment of suction air temperature of the indoor
heat exchanger by using the indoor temp. sensor.
(TA sensor)
•Judgment of the indoor heat exchanger tempera-
ture by using heat exchanger sensor (TC sensor)
(Prevent-freezing control, etc.)
•Louver motor control
•Indoor fan motor operation control
•LED (Light Emitting Diode) display control
•Transferring of operation command signal (Serial
signal) to the outdoor unit
•Reception of information of operation status
(Serial signal including outside temp. data) to the
outdoor unit and judgment/display of error
•Air purifier operation control
2. Role of outdoor unit controller
Receiving the operation command signal (Serial
signal) from the indoor unit controller, the outdoor
unit performs its role.
•Compressor operation control
•Operation control of outdoor fan motor
•P.M.V. control
•4-way valve control
Operations followed to judgment
of serial signal from indoor side.
•Detection of inverter input current and current
release operation
•Over-current detection and prevention operation
to IGBT module (Compressor stop function)
•Compressor and outdoor fan stop function when
serial signal is off (when the serial signal does not
reach the board assembly of outdoor control by
trouble of the signal system)
•Transferring of operation information (Serial
signal) from outdoor unit controller to indoor unit
controller
•Detection of outdoor temperature and operation
revolution control
•Defrost control in heating operation (Temp.
measurement by outdoor heat exchanger and
control for 4-way valve and outdoor fan)
3. Contents of operation command signal
(Serial signal) from indoor unit controller to
outdoor unit controller
The following three types of signals are sent from
the indoor unit controller.
•Operation mode set on the remote controller
•Compressor revolution command signal defined
by indoor temperature and set temperature
(Correction along with variation of room tempera-
ture and correction of indoor heat exchanger
temperature are added.)
•Temperature of indoor heat exchanger
•For these signals ([Operation mode] and [Com-
pressor revolution] indoor heat exchanger tem-
perature), the outdoor unit controller monitors the
input current to the inverter, and performs the
followed operation within the range that current
does not exceed the allowable value.
4. Contents of operation command signal
(Serial signal) from outdoor unit controller
to indoor unit controller
The following signals are sent from the outdoor unit
controller.
•The current operation mode
•The current compressor revolution
•Outdoor temperature
•Existence of protective circuit operation
For transferring of these signals, the indoor unit
controller monitors the contents of signals, and
judges existence of trouble occurrence.
Contents of judgment are described below.
•Whether distinction of the current operation
status meets to the operation command signal
•Whether protective circuit operates
When no signal is received from the outdoor
unit controller, it is assumed as a trouble.
– 25 –
9-2. Operation Description
9-2. 1. Basic operation ........................................................................................................... 26
1. Operation control ................................................................................................... 26
2. Cooling/Heating operation ..................................................................................... 27
3. AUTO operation ..................................................................................................... 27
4. DRY operation ........................................................................................................ 27
2. Indoor fan motor control ............................................................................................. 28
3. Outdoor fan motor control........................................................................................... 30
4. Capacity control .......................................................................................................... 31
5. Current release control ............................................................................................... 31
6. Release protective control by temperature of indoor heat exchanger........................ 32
7. Quick heating control .................................................................................................. 33
8. Defrost control (Only in heating operation) ................................................................ 33
9. Louver control ............................................................................................................. 34
1) Louver position ....................................................................................................... 34
2) Air direction adjustment ......................................................................................... 34
3) Swing ..................................................................................................................... 34
10. ECO operation ............................................................................................................ 35
11. Temporary operation................................................................................................... 36
12. Air purifying control [Detection of abnormality] .......................................................... 37
13. Discharge temperature control ................................................................................... 37
14. Pulse motor valve (P.M.V.) control .............................................................................. 38
15. Clean operation .......................................................................................................... 39
16. Clean operation release ............................................................................................ 40
17. Select switch on remote controller ............................................................................. 41
9-3. Auto Restart Function.............................................................................................42
9-3-1. How to Set the Auto Restart Function.................................................................... 42
9-3-2. How to Cancel the Auto Restart Function ............................................................. 43
9-3-3. Power Failure During Timer Operation ................................................................... 43
9-4. FILTER Indicator ...................................................................................................... 43
9-4-1. How to Turn Off FILTER Indicator............................................................................ 43
9-5. Remote Controller and Its Fuctions ...................................................................... 44
9-5-1. Parts Name of Remote Controller ........................................................................... 44
9-5-2. Name and Functions of Indications on Remote Controller ................................. 45
9-6. Hi-POWER Mode
([Hi-POWER] button on the remote controller is pressed) ..................................46

– 26 –
Item
1. Basic
operation
Operation flow and applicable data, etc.
1. Operation control
Description
Receiving the user’s operation condition setup, the operation statuses of indoor/outdoor units are
controlled.
1) The operation conditions are selected by the remote controller as shown in the below.
2) A signal is sent by ON button of the remote controller.
3) The signal is received by a sensor of the indoor unit and processed by the indoor controllers as
shown in the below.
4) The indoor controller controls the indoor fan motor and louver motor.
5) The indoor controller sends the operation command to the outdoor controller, and sends/receives
the control status with a serial signal.
6) The outdoor controller controls the operation as shown in the left, and also controls the compres-
sor, outdoor fan motor, 4-way valve and pulse motor valve.
Remote controller
Indoor unit
Control contents of remote controller
• ON/OFF (Air conditioner/Air purifier)
• Operation select (COOL/HEAT/AUTO/DRY)
• Temperature setup
• Air direction
• Swing
• Air volume select (AUTO/LOW/LOW+/MED/MED+/HIGH)
• ECO
• ON timer setup
• OFF timer setup
• High power
Indoor unit control
• Command signal generating function of
indoor unit operation
• Calculation function (temperature calculation)
• Activation compensation function of indoor fan
• Cold draft preventive function
• Timer function
• Indoor heat exchanger release control
• Indoor fan motor
• Louver motor
Outdoor unit
Outdoor unit control
• Frequency control of inverter output
• Waveform composite function
• Calculation function
(Temperature calculation)
• AD conversion function
• Quick heating function
• Delay function of compressor reactivation
• Current release function
• GTr over-current preventive function
• Defrost operation function
• Compressor
• Outdoor fan motor
• 4-way valve
• Pulse motor valve
(P.M.V.)
Signal receiving
Indoor unit control
Operation command
Serial signal send/receive
Selection of
operation conditions
ON/OFF
Serial signal send/receive
Outdoor unit control
Inverter
~

– 27 –
Operation ON Setup of remote controller
Indoor fan motor control / Louver control
Indoor unit control
Sending of operation command signal
Outdoor unit control
[ ]
Compressor revolution control / Outdoor fan motor control /
4-way valve control In cooling operation: ON
In heating operation: OFF
Pulse motor valve control
Item
1. Basic
operation
Operation flow and applicable data, etc.
2. Cooling/Heating operation
Description
The operations are performed in the following parts by controls according to cooling/heating conditions.
1) Receiving the operation ON signal of the remote controller, the cooling or heating operation signal
starts being transferred form the indoor controller to the outdoor unit.
2) At the indoor unit side, the indoor fan is operated according to the contents of “2. Indoor fan
motor control” and the louver according to the contents of “9. Louver control”, respectively.
3) The outdoor unit controls the outdoor fan motor, compressor, pulse motor valve and
4-way valve according to the operation signal sent from the indoor unit.
*1. The power coupler of 4-way valve is usually turned off, and it is turned on during defrost
operation. (Only in heating)
3. AUTO operation
Selection of operation mode
As shown in the following figure, the operation starts by
selecting automatically the status of room temperature
(Ta) when starting AUTO operation.
*1. When reselecting the operation mode, the fan
speed is controlled by the previous operation mode.
4. DRY operation
DRY operation is performed according to the difference
between room temperature and the setup temperature as
shown below.
In DRY operation, fan speed is controlled in order to
prevent lowering of the room temperature and to avoid air
flow from blowing directly to persons.
1) Detects the room temperature (Ta) when
the DRY operation started.
2) Starts operation under conditions in the
left figure according to the temperature
difference between the room tempera-
ture and the setup temperature (Tsc).
Setup temperature (Tsc)
= Set temperature on remote controller
(Ts) + (0.0 to 1.0)
3) When the room temperature is lower
1°C or less than the setup temperature,
turn off the compressor.
1) Detects the room temperature (Ta) when
the operation started.
2) Selects an operation mode from Ta in
the left figure.
3) Fan operation continues until an
operation mode is selected.
4) When AUTO operation has started
within 2 hours after heating operation
stopped and if the room temperature is
20°C or more, the fan operation is
performed with ”Super Ultra LOW” mode
for 3 minutes.
Then, select an operation mode.
5) If the status of compressor-OFF
continues for 15 minutes the room
temperature after selecting an operation
mode (COOL/HEAT), reselect an
operation mode.
Ts + 1
Ts – 1
Ta
Cooling operation
Monitoring (Fan)
Heating operation
Tsc
+0.5
+1.0
[˚C]
Ta
Fan speed
L– (W5)
(W5+W3) / 2
SL (W3)

– 28 –
Item
2. Indoor fan
motor control
Operation flow and applicable data, etc.
<In cooling operation>
(This operation controls the fan speed at indoor unit side.)
The indoor fan (cross flow fan) is operated by the phase-
control induction motor. The fan rotates in 5 stages in
MANUAL mode, and in 5 stages in AUTO mode, respec-
tively. (Table 1)
Description
* Symbols
UH : Ultra High
H : High
M+ : Medium+
M : Medium
L+ : Low+
L: Low
L- : Low–
UL : Ultra Low
SUL : Super Ultra Low
* The fan speed broadly varies due
to position of the louver, etc.
The described value indicates one
under condition of inclining
downward blowing.
1) When setting the fan speed to L,
L+, M, M+ or H on the remote
controller, the operation is
performed with the constant
speed shown in Fig. 1.
2) When setting the fan speed to
AUTO on the remote controller,
revolution of the fan motor is
controlled to the fan speed level
shown in Fig. 2 and Table 1
according to the setup tempera-
ture, room temperature, and heat
exchanger temperature.
(Fig. 1)
(Fig. 2)
(Table 1) Indoor fan air flow rate
Fan speed
level
WF
WE
WD
WC
WB
WA
W9
W8
W7
W6
W5
W4
W3
W2
W1
COOL
UH
H
M+
M
L+
L
L–
UL
SUL
HEAT
UH
H
M+
M
L+
L
L–
UL
SUL
DRY
L+
L
L–
UL
SUL
RAS-B10GKVP-E
Fan speed Air flow rate
(rpm) (m3/h)
1630 684
1480 609
1400 569
1350 544
1200 468
1110 423
980 358
910 323
900 318
890 313
880 308
730 232
580 157
430 82
400 67
RAS-B13GKVP-E
Fan speed Air flow rate
(rpm) (m3/h)
1650 694
1530 634
1440 589
1390 564
1240 488
1150 443
1010 373
910 323
900 318
890 313
880 308
730 232
580 157
430 82
400 67
RAS-B16GKVP-E
Fan speed Air flow rate
(rpm) (m3/h)
1650 694
1580 659
1550 644
1530 634
1380 559
1230 483
1080 408
970 353
960 348
950 343
940 338
790 263
640 187
490 112
400 67
+2.5
Ta
[˚C]
+2.0
+1.5
+1.0
+0.5
Tsc
a
b
c
d
e
M+(WB)
*3
*4
*5
L(W6)
Air volume AUTO
L
L+
M
M+
H
W6
(L + M) / 2
W9
(M + H) / 2
WC
Indication Fan speed
Fan speed setup
COOL ON
AUTO
MANUAL
*3 : Fan speed = (M + –L) x 3/4 + L
*4 : Fan speed = (M + –L) x 2/4 + L
*5 : Fan speed = (M + –L) x 1/4 + L
(Linear approximation
from M+ and L)

– 29 –
Item
2. Indoor fan
motor control
Operation flow and applicable data, etc.
<In heating operation>
Description
1) When setting the fan speed to L,
L+, M, M+ or H on the remote
controller, the operation is per-
formed with the constant speed
shown in Fig. 3 and Table 1.
2) When setting the fan speed to
AUTO on the remote controller,
revolution of the fan motor is
controlled to the fan speed level
shown in Fig. 5 according to the set
temperature and room temperature.
3) Min air flow rate is controlled by
temperature of the indoor heat
exchanger (Tc) as shown in Fig. 4.
4) Cold draft prevention, the fan
speed is controlled by temperature
of the indoor heat exchanger (Tc)
as shown in Fig. 6.
[In starting and in stability]
(Fig. 3)
(Fig. 4)
(Fig. 5)
Cold draft preventive control
(Fig. 6)
Fan spee
d
A
U
T
O
Basi
c
fan
co
ntr
ol
* No limitation while fan speed MANUAL mode is in stabilit
y.
* A: Wh
e
n T
sc
≥
24
,
A is 24
,
and when Tsc < 24
,
A is Ts
c
Tsc: Set valu
e
TS
C
T
A
[
˚
C
]
b
–
0
.
5
c
–1.0 d
–1.5 e
–2.0 f
–2.5 g
–5.0
–
5
.
5
L
(
W8
)
M+ (WD)
*1
*2
*3
H
(
WE
)
H
(
WE
)
Line-approximate
H and S
U
L with Tc
.
SUL
(
W2
)
Stop
46 46
T
c
34
45 45 33
33 33 21
32 32 20
*A+4 *A+4 *A+4
*A-4 *A-4 *A-4
Fan speed MAN
U
AL in startin
g
Fan speed AUTO in stabilit
y
Fan speed AUTO in startin
g
L
L+
M
M+
H
W8
(L + M) / 2
WA
(M + H) / 2
WE
Indication Fan speed
Fan speed setup
HEAT
ON
AUTO
YES
NO
MANUAL
TC ≥ 42˚CMin air flow rat
e
c
ontro
l
Tc
52
51
42
41
Limited to Min WD tap
*Fan spee
d
=
(
TC
–
–
W8
)
+ W
8
N
o
limi
t
*
*
1:
4+L
*
2:
4+L
–
FAN AUTO
FAN Manual
In starting
•Until 12 minutes passed after operation start
•When 12 to 25 minutes passed after operation
start and room temp. is 3°C or lower than set temp.
•Room temp. < Set temp. –4°C
In stability
•When 12 to 25 minutes passed after operation start
and room temp. is higher than (set temp. –3°C)
•When 25 minutes or more passed after operation start
•Room temp. ≥ Set temp. –3.5°C

– 30 –
Item
3. Outdoor fan
motor control
Operation flow and applicable data, etc.
The blowing air volume at the outdoor unit side is controlled.
Receiving the operation command from the controller of
indoor unit, the controller of outdoor unit controls fan speed.
* For the fan motor, a DC motor with non-stage variable
speed system is used. However, it is limited to 8 stages for
reasons of controlling.
Description
1) The operation command sent
from the remote controller is
processed by the indoor unit
controller and transferred to the
controller of the outdoor unit.
2) When strong wind blows at
outdoor side, the operation of air
conditioner continues with the
fan motor stopped.
3) Whether the fan is locked or not
is detected, and the operation of
air conditioner stops and an
alarm is displayed if the fan is
locked.
4) According to each operation
mode, by the conditions of
outdoor temperature (To) and
compressor revolution, the speed
of the outdoor fan shown in the
table is selected.
Outdoor fan speed (rpm)
Tap
f 1
f 2
f 3
f 4
f 5
f 6
f 7
f 8
10GAVP-E 13GAVP-E 16GAVP-E
200 200 200
300 300 300
390 390 390
450 450 450
500 500 500
500 500 500
600 600 600
600 600 600
Tap
f 9
f A
f B
f C
f D
f E
f F
10GAVP-E 13GAVP-E 16GAVP-E
700 700 700
700 700 700
700 700 700
700 700 700
750 840 920
750 840 920
750 840 920
2) Fan speed ≥ 400
when the motor stopped.
Air conditioner ON
(Remote controller)
YES
YES
NO
NO
Indoor unit controller
Fan motor ON
3) Fan lock
OFF status of
fan motor continues.
4) Motor operates as shown in the table below.
1) Outdoor unit
operation command
(Outdoor fan control)
Air conditioner
OFF Alarm
display
Compressor speed (rps)
To > 38°C
To > 28°C
To To > 15°C
To > 5.5°C
To > 0°C
During To > 38°C
ECO mode To < 38°C
When To is abnormal
~ 13.8 ~ 31.7
32.3 ~ MAX
MIN MAX MIN MAX MIN MAX
f 2f 3f Cf Df Ef F
f 2 f 3 f B f C f E f F
f 2 f 3 f 8 f 9 f A f B
f 2 f 3 f 6 f 7 f 8 f 9
f 1 f 2 f 4 f 5 f 6 f 7
f 2 f 3f Bf Cf Cf D
f 2 f 3 f 2 f 3 f B f C
f Df Ff Df Ff Df F
In cooling operation
Compressor speed (rps)
To > 15°C
To To < 15°C
To < 5.5°C
To < –5.0°C
To > 15°C
During To < 15°C
ECO mode To < 5.5°C
To < –5.5°C
When To is abnormal
~16.8 ~47.9
48.5 ~ MAX
f 3 f 8 f 9
f 3 f 9 f A
f 8 f A f D
f B f C f D
f 3 f 3 f 6
f 3 f 3 f 8
f 5 f 9 f 9
f 7 f A f B
f A f B f D
In Heating operation

– 31 –
Item
4. Capacity
control
Operation flow and applicable data, etc.
The cooling or heating capacity depending on the load is
adjusted.
According to difference between the setup value of tempera-
ture and the room temperature, the capacity is adjusted by
the compressor revolution.
Description
1) The difference between set
temperature on remote controller
(Ts) and room temperature (Ta)
is calculated.
2) According to the temperature
difference, the correction value of
Hz signal which determines the
compressor speed is set up.
3) The rotating position and speed
of the motor are detected by the
electromotive force occurred on
the motor winding with operation
of the compressor.
4) According to the difference
resulted from comparison of the
correction value of Hz signal with
the present operation Hz, the
inverter output and the commuta-
tion timing are varied.
5) Change the compressor motor
speed by outputting power to the
compressor.
* The contents of control
operation are same in cooling
operation and heating
operation
This function prevents troubles on the electronic parts of the
compressor driving inverter.
This function also controls drive circuit of the compressor
speed so that electric power of the compressor drive circuit
does not exceed the specified value.
5. Current release
control
Set temp. (Ts) Room temp. (Ta)
Correction of Hz signal
Outdoor temp. To
Setup of current release point
Capacity control continues.
Outdoor temp.
45˚C
40˚C44˚C
6.45A
6.75A
8.47A
7.72A
9.22A
10.80A
16˚C39˚C
11˚C 15.5˚C
10.5˚C
Cooling current
release value Heating current
release value
Detection of electromotive force
of compressor motor winding
Detection of motor speed and rotor position
Inverter output change
Commutation timing change
Change of compressor speed
Remote controller Indoor unit
Ts –Ta
Current decrease
Correction value of Hz signal ≤ Operating Hz
Outdoor unit inverter main
circuit control current
High
Low
Reduce compressor speed
Operating current ≤
Setup value
1) The input current of the outdoor
unit is detected in the inverter
section of the outdoor unit.
2) According to the detected
outdoor temperature, the
specified value of the current is
selected.
3) Whether the current value
exceeds the specified value or
not is judged.
4) If the current value exceeds the
specified value, this function
reduces the compressor speed
and controls speed up to the
closest one commanded from the
indoor unit within the range
which does not exceed the
specified value.

– 32 –
Item
6. Release protective
control by tempera-
ture of indoor heat
exchanger
Operation flow and applicable data, etc.
<In cooling/dry operation>
(Prevent-freezing control for indoor heat exchanger)
In cooling/dry operation, the sensor of indoor heat
exchanger detects evaporation temperature and
controls the compressor speed so that temperature of
the heat exchanger does not exceed the specified
value.
Description
1) When temperature of the indoor
heat exchanger drops below 5°C,
the compressor speed is
reduced. (P zone)
2) When temperature of the indoor
heat exchanger rises in the
range from 6°C to under 7°C, the
compressor speed is kept.
(Q zone)
3) When temperature of the indoor
heat exchanger rises to 7°C or
higher, the capacity control
operation returns to the usual
control in cooling operation.
(R zone)
1) When temperature of the indoor
heat exchanger rises in the
range from 50°C to 55°C, the
compressor speed is kept.
(Q zone)
When temperature of the indoor
heat exchanger drops in the
range from 46°C to under 55°C,
the compressor speed is kept.
(Q zone)
2) When temperature of the indoor
heat exchanger rises to 55°C or
higher, the compressor speed is
reduced. (P zone)
3) When temperature of the indoor
heat exchanger does not rise to
50°C, or when it drops below to
46°C, the capacity control
operation returns to the usual
control in heating operation.
(R zone)
<In heating operation>
(Prevent-overpressure control for refrigerating cycle)
In heating operation, the sensor of indoor heat ex-
changer detects condensation temperature and controls
the compressor speed so that temperature of the heat
exchanger does not exceed the specified value.
7˚C
6˚C
5˚C
R
Q
P
55˚C
50˚C
46˚C
P
Q
R
Usual cooling capacity control
Reduction of compressor speed
Indoor heat exchanger temperature
When the value is
in Q zone, the
compressor speed
is kept.
Reduction of compressor speed
Usual heating capacity control
Indoor heat exchanger temperature
When the value is
in Q zone, the
compressor speed
is kept.

– 33 –
Item
7. Quick heating
control
Operation flow and applicable data, etc.
This function quickens the starting of heating opera-
tion when indoor/outdoor temperature is low.
(Available only in heating operation)
When indoor temperature is low, this function stores
the heat by heating winding depended on the outdoor
temperature and then it enables the hot air blowing
out quickly.
Description
When the following conditions are
satisfied, winding is heated by output
varied by the outdoor heat exchanger
temperature.
Condition 1 :
The previous operation was heating.
Condition 2 :
2 hours passed after operation stop.
Condition 3 :
The room temperature is 20°C or lower.
The indoor temperature sensor detects
the room temperature.
If the detected room temperature is 20°C
or lower, the outdoor heat exchanger
temperature sensor detects the outdoor
heat exchanger temperature. As shown in
the left figure, winding of the compressor
is heated for each division of the tempera-
ture ( for each outdoor temperature) and
the heat is stored.
8. Defrost control
(Only in heating
operation)
(This function removes frost adhered to the outdoor
heat exchanger.)
The temperature sensor of the outdoor heat ex-
changer (Te sensor) judges the frosting status of the
outdoor heat exchanger and the defrost operation is
performed with 4-way valve reverse defrost system.
The necessity of defrost operation is
detected by the outdoor heat exchanger
temperature. The conditions to detect the
necessity of defrost operation differ in A,
B, or C zone each. (Table 1)
<Defrost operation>
•Defrost operation in A to C zones
1) Stop operation of the compressor for
20 seconds.
2) Invert (ON) 4-way valve 10 seconds
after stop of the compressor.
3) The outdoor fan stops at the same time
when the compressor stops.
4) When temperature of the indoor heat
exchanger becomes 38°C or lower,
stop the indoor fan.
<Finish of defrost operation>
•Returning conditions from defrost
operation to heating operation
1) Temperature of outdoor heat exchanger
rises to +8°C or higher.
2) Temperature of outdoor heat exchanger
is kept at +5°C or higher for 80 seconds.
3) Defrost operation continues for
15 minutes.
<Returning from defrost operation>
1) Stop operation of the compressor for
approx. 50 seconds.
2) Invert (OFF) 4-way valve approx. 40
seconds after stop of the compressor.
3) The outdoor fan starts rotating at the
same time when the compressor starts.
Table 1
* The minimum value of Te sensor 10 to 15 minutes
after start of operation is stored in memory as Te0.
20˚C
–1˚C
–3˚C
–6˚C
–8˚C
OFF
Heating output for winding
20W or equivalent
20W or equivalent
Winding is not heated.
Indoor temperature
Outdoor heat exchanger
temperature
The previous operation was heating and
2 hours passed after the operation had stopped.
In case of operation stop
YES
NO
–5˚C
0’10’15’27’40”34’
–7˚C
–20˚C
Operation time
(Minute)
Start of heating operation
*
Outdoor heat exchanger temperature
C zone
A zone
B zone
A zone
B zone
C zone
When Te0 - TE ≥ 2.5 continued for 2 minutes in A zone,
defrost operation starts.
When the operation continued for 2 minutes in B zone,
defrost operation starts.
When Te0 - TE ≥ 3 continued for 2 minutes in C zone,
defrost operation starts.

– 34 –
Horizontal
blowing Inclined
blowing Blowing
downward
Air direction
Inclined
blowing Horizontal
blowing
Powerful
Room temp. (Ta) < Set temp. (Tsc) + 3.5 Room temp. (Ta) ≥ Set temp. (Tsc) + 3.5
Initial setting of “Cooling storage position”
Louver : Directs downward (9˚)Initial setting of “Cooling storage position”
Louver : Directs downward (9˚)“Inclined blowing”
Louver : Directs downward (14˚)
Heating operation/
AUTO (HEAT)
ECO operation
Room temp. (Ta) < Set temp. (Tsc) – 3
or 25 minutes after start of operation Room temp. (Ta) ≥ Set temp. (Tsc) – 3
Initial setting of “Heating storage position”
Louver : Directs downward (76˚)“Heating storage position”
Louver : Directs downward (76˚)“Cooling storage position”
Louver : Directs downward (9˚)
Cooling/AUTO
(COOL)/DRY operation Powerful
operation Cooling memory
position
Room temp. ≥ Set temp. +3.5
Cooling memory
position Inclined
blowing
Room temp. ≥
Set temp. +3.5
YES
YES
NO
YES
NO
NO
Heating operation ECO
operation
Heating memory
position
Horizontal
position
Heating memory
position
Room temp. ≥
Set temp. –3.0
Room temp. ≥ Set temp. –3.0
YES
YES
YES
NO
NO
NO
Louver angle Horizontal
(0˚)
Item
9. Louver control
1) Louver
position
Operation flow and applicable data, etc.
This function controls the air direction of the indoor unit.
Description
•Swing operation is performed in width 35° with the stop position as
the center.
•If the stop position exceeds either upper or lower limit position,
swing operation is performed in width 35° from the limit which the
stop position exceeded.
3) Swing
2) Louver position in heating operation
•Swing
When pressing
[SWING] button during
operation, the louver
starts swinging.
•The position is automatically controlled according to the operation mode (COOL/HEAT).
•The set louver position is stored in memory by the microcomputer, and the louver returns to the
stored position when the next operation is performed. (Cooling/heating memory position)
The angle of the louver is indicated as the horizontal angle is 0°.
When the louver closes fully, it directs approx. 49° upward.
1) Louver position in cooling operation
2) Air direction adjustment •The louver position can
be arbitrarily set up by
pressing [FIX] button.

– 35 –
Item
10. ECO
operation
Operation flow and applicable data, etc.
When pressing [ECO] button on the remote controller, a quiet
and mild operation is performed by reducing the fan speed and
the compressor speed.
<Cooling operation>
This function operates the air conditioner with the difference
between the set and the room temperature as shown in the
following figure.
The time correction is performed for 8 minutes each.
(However, the first correction is performed 150 seconds after
start of the operation.)
Description
<Cooling operation>
1) The room temperature (Tao) at
the start time of DRY operation is
detected.
2) According to difference between
the room temperature and the
set temperature (Tsc), the
operation starts with the condi-
tions shown in the left figure.
Set temp.
(Tsc) = Set temp. on remote
controller (Ts) + (0.0 to 1.0)
3) If the room temperature is down
by 2°C or more, turn off the
compressor.
<Heating operation> <Heating operation>
1) The indoor fan speed is con-
trolled within (W7) as maximum
value.
2) Setting the compressor speed to
Max. 52Hz, the temperature zone
in which the operation can be
performed with Max. 16Hz is
gradually widened after 30
minutes passed when starting
ECO operation.
3) The louver position is set
horizontally (Standard cooling
position) when the room tem-
perature comes close to the set
temperature or when 25 minutes
passed after starting ECO
operation.
Time correction
+ 1
± 0
–1 zone: min 1
Fan
L+ (W7)
L (W6)
L– (W5)
UL (W4)
Frequency
DRY max
*12
*11
*10
*9
*8
COOL min
OFF
Zone
12
11
10
9
8
7
6
5
4
3
2
1
0
TA
[˚C]
+4.0
+3.5
+3.0
+2.5
+2.0
+1.5
+1.0
+0.5
TSC
–0.5
–1.0
–2.0
* 12 (DRY max - COOL min) /6 x 5 + COOL min
* 11 (DRY max - COOL min) /6 x 4 + COOL min
* 10 (DRY max - COOL min) /6 x 3 + COOL min
* 9 (DRY max - COOL min) /6 x 2 + COOL min
* 8 (DRY max - COOL min) /6 x 1 + COOL min
30 minutes
A
B
C
A
B
C
→ Time Compressor
speed
0Hz
A zone
16Hz
B zone
16 to 52Hz
C zone
52Hz
0
–0.5
–1.0
–1.5
–2.0
–2.5
–3.0
–4.0
–5.0
–6.0
–7.0
–8.0
–9.0
–10.0
–11.0
(Room temp. – Set temp.)

– 36 –
Item
11. Temporary
operation
Operation flow and applicable data, etc.
Pressing [RESET] button starts the temporary opera-
tion of [AUTO] operation. When keeping [RESET]
button pressed for 10 seconds or more, the temporary
[COOL] operation is performed.
Description
1) When pressing [RESET] button, the
temporary [AUTO] operation starts.
2) When keeping [RESET] button pressed
for 3 seconds or more, Pi, Pi, Pi sound is
heard and [AUTO RESTART] control is
changed.
3) When keeping [RESET] button pressed
for 10 seconds or more, “Pi” sound is
heard and the temporary [COOL]
operation starts.
4) If the filter lamp goes on, press [RESET]
button to go off the filter lamp, and then
press [RESET] button again.
5) To stop the temporary operation, press
the button again.
12. Air
purifying
control
This function generates nagative ion while cleaning the air in the room.
If air purifier-ON signal is received while the air conditioner stops, the air purifier starts operation,
and if it is received while the air conditioner operates, the air conditioner and the air purifier start
operation.
The air ion generator operates linked with the air purifying operation.
* When the previous operation was the
operation of air conditioner + air purifier,
an operation of air conditioner + air purifier
starts by pushing AC button on the remote
controller.
(Operation of air conditioner + air purifier
is stored in memory.)
*1 Swing is available
*2 Fan speed is Fan Auto mode varies in
order, (M + 1) → (L) → (L–) → (SL).
Filter lamp ON Press RESET button.
Did you press [RESET] button
for 3 seconds or more?
Did you press [RESET] button
for 10 seconds or more?
Switch to [AUTO RESTART] control.
YES
YES
NO
NO
NO
YES
Temporary [AUTO] operation
Temporary [COOL] Operation
Sending air purifier-ON
Operation lamp ON
Fan ON
Air purifier ON
Air purifying operation
Start of air purifier-ON
Operation lamp OFF Filter-OFF
Memory position
of louver/COOL Air conditioner +
air purifier operate Fan stop
Air purifier-OFF
Louver close
All stop
Air conditioner operates
Sending air purifier-OFF
1,23
1 2 3 4
,4
Air conditioner operatesAir conditioner stops Air purifier operates Air conditioner +
Air purifier operate
*1
*2
Present status
Stop
Air purifier only
Air conditioner
Joint use of AC and air purifier
Operation button
PURE button Air conditioner
Air purifier AC operation*
Stop (All) AC + Air purifier
AC + Air purifier All stop
AC operation All stop
Air purifying operation
AC + Air purifying operation
Louver*1
Cooling position
Follows to AC operation
Fan speed *2
AUTO, L, L+, M, M+, H
Follows to AC operation

– 37 –
Item Operation flow and applicable data, etc. Description
1. Purpose
The air purifying control function is to
alert the user to trouble in the ionizing or
air purifying operation.
2. Description
Trouble is determined to have occurred
(indicated by the FILTER indicator) in the
following four cases.
1) When a count of 1000H has been
reached on the timer
2) When the panel switch has been set to
OFF by the opening of the air inlet
grile, etc.
3) When an abnormal discharge caused
by a symptom such as the build-up of
dirt has been detected while the air
purifier is ON
4) When the electric dust collector has
not been installed correctly
* Trouble case (2) or (3) is deemed to
have occurred when the action
concerned continues for more than
one second.
3. Operation
The sequence that FILTER indicator is
turned on are described in the left
flowchart.
1) When 1000H timer counts up, the
FILTER indicator keeps lighting even if
the operation is stopped by the remote
controller.
The timer is stored in memory of the
microcomputer, and the operation time
is cleared by filter RESET button on
the indoor unit or a power failure.
(FILTER indicator goes off.)
2) A trouble detected within 1 minute
after activation of the air is immedi-
ately judged as an error and the
FILTER indicator goes on.
3) In case that 1 minute passed after
activation of the purifier, the purifier is
turned off while the PURE indicator
keeps ON. After 10 minutes passed,
restart the purifier and an error is
judged again.
13. Discharge temperature control
1) Reset by RESET button.
2) Reset by RESET button or by the stop direction
from the remote controller.
* When the breaker is turned [ON] (In restart time
after power failure) or RESET button is pressed
while the FILTER indicator is turned on, the air
purifier is not turned on until the integrated
operation time of the indoor fan exceeds 1 hour
after operation start (It is nor the air purifier
operation time).
It is the safety measures considering an incom-
plete drain when electric dust collector has been
cleaned with water.
1. Purpose
This function detects error on the
refrigerating cycle or error on the com-
pressor, and performs protective control.
2. Operation
•Control of the compressor speed
The speed control is performed as
described in the left table based upon
the discharge temperature.
Purifying operation
Filter lamp ON
Purifier power OFF
Purifier power OFF
Purifier power OFF
Error input
Total operation
time 1000H
Purifier power ON
after 10 minutes
from the error input.
Error input
Purifier power ON
1 minute or less Filter lamp-OFF
continues.
Filter lamp ON
Purifier power OFF
1 2 3
Purifier power ON
NO
NO
NO
NO
YES
YES
YES
YES
Td value
117°C
112°C
108°C
105°C
98°C
Control operation
Judges as an error and stops the compressor.
Reduce the compressor speed.
Reduce slowly compressor speed.
Keeps the compressor speed.
If the operation is performed with lower speed than one
commanded by the serial signal, speed is slowly raised
up to the commanded speed.
Operates with speed commanded by the serial signal.
12. Air purifying control [Detection of abnormality]

– 38 –
Item
14. Pulse motor
valve (P.M.V.)
control
Operation flow and applicable data, etc.
This function controls throttle amount of the
refrigerant in the refrigerating cycle.
According to operating status of the air conditioner,
this function also controls the open degree of valve
with an expansion valve with pulse motor.
Description
1) When starting the operation, move the
valve once until it fits to the stopper.
(Initialize)
* In this time, “Click” sound may be
heard.
2) Adjust the open degree of valve by super
heat amount. (SH control)
3) If the discharge temperature was exces-
sively up, adjust the open degree of valve
so that it is in the range of set tempera-
ture.
(Discharge temp. control)
4) When defrost operation is performed, the
open degree of valve is adjusted accord-
ing to each setup conditions during
preparation for defrost and during defrost
operation (4-way valve is inversed.).
5) To turn off the compressor while the air
conditioner stops by control of the
thermostat or by remote controller, adjust
the open degree of valve to the setup
value before stop of the compressor.
* SH (Super Heat amount) =
Ts (Temperature of suction pipe of the compressor) –
Tc or Te (Heat exchanger temperature at evaporation side)
* PMV: Pulse Motor Valve
Starting up
Defrost
Initialize
Move to
initial position
PMV open degree control
SH control Td
release control
Stop by
remote controller
Power OFF
Room temp. sensor
(Ta sensor) control
Compressor ON

– 39 –
Item
15. Clean operation
Operation flow and applicable data, etc.
•During clean operations: The louver opens
slightly. The indoor fan operates continuously at
a speed of 260 rpm.
Clean operation times
•To stop an ongoing clean operation at any time
Press the start/stop button on the remote controller twice during the clean
operation. (After pressing the button for the first time, press it for the
second time without delay (within 10 minutes).)
Description
1. Purpose
The clean operation is to minimize the
growth of mold, bacteria etc. by running
the fan and drying so as to keep the
inside of the air conditioner clean.
Clean operation
When the cooling or dry operation shuts
down, the unit automatically starts the
clean operation which is then performed
for the specified period based on duration
of the operation which was performed
prior to the shutdown, after which the
clean operation stops.
(The clean operation is not performed
after a heating operation.)
2. Operation
1) When the stop signal from the remote
controller is received, the S.CLEAN
indicator (green) on the main body
lights, and the clean operation starts.
(Neither the OPERATION indicator nor
the TIMER indicator light.)
2) The period of the clean operation is
determined by the duration of the
operation performed prior to the
reception of the stop code.
3) After the clean operation has been
performed for the specified period, the
unit stops operating.
Operation mode
Cooling: Auto (cooling) Dry
Heating: Auto (heating)
Auto (fan only)
Shutdown
Operation time Clean operation time
Up to 10 minutes No clean operation
performed (0 minutes)
From 10 minutes up 2 hours
to 1 hour
1 hour or longer 4 hours
No clean operation performed
Unit now performing cooling or dry operation
Press “STOP” button
Only S.CLEAN indicator lights, and clean operation starts
Time set now elapses
Operation stops

– 40 –
Item
16. Clean operation
release
Operation flow and applicable data, etc.
Setting the clean operation release
Description
* J04 will be near the MCU so take
steps to ensure that it will not be
exposed to excessive levels of
heat.
Also take care to avoid solder
bridging with the surrounding
components.
Setting the clean operation
Indoor P.C. board
Add J04 of the indoor P.C. board assembly.
* This cancels the auto restart function.
Hold down the auto operation switch on the indoor unit
for at least 3 seconds but not more than 10 seconds.
The indoor unit’s buzzer emits three beeps, and
the OPERATION indicator flashes at 5 Hz intervals.
This completes the clean operation release setting.
Cut J04 of the indoor P.C. board
* This step may be skipped if the auto restart function
is not required.
Hold down the auto operation switch on the indoor unit
for at least 3 seconds but not more than 10 seconds.
The indoor unit’s buzzer emits three beeps, and
the OPERATION indicator flashes at 5 Hz intervals.
This completes the clean operation setting.
J04

– 41 –
Both indoor units
start operation.
Unnecessary set
[Remote controller select]
Press the operation button
on the remote controller.
YES
NO
CLOCK
CHECK
RESET
CLR SET
SWING
FIX FAN
ON
OFF
HiPOWER
ECO MEMO
SLEEP
1.3.5.9H
When switching between
settings “A” and “B”, always
switch the indoor unit board and
the remote controller as a pair.
(Otherwise, the indoor unit will
not accept the remote
controller’s signals.)
Cutting direction
Jumper wire
Position of remote controller selector switch
Selector switch
Select “B” as the setting for
one of the two indoor units and
for the remote controller.
(See below for details.)
Item
17. Select switch on
remote controller
Operation flow and applicable data, etc. Description
1. Purpose
This operation is to operate only one
indoor unit using one remote controller.
2. Description
When operating one indoor unit in a
situation where two indoor units have
been installed in the same room or
nearby rooms, this operation prevents the
remote controller signal from being
received simultaneously by both units,
thus preventing both units from operating.
3. Operation
The indoor unit on which the remote
controller selection has been set to B
receives the signal of the remote control-
ler also set to B.
(At the factory the remote controller
selection is set to A on all the indoor
units. There is no A setting display.)
Setting the remote controller
Switching between A and B is enabled by cutting the jumper wire
inside the battery box using pliers.
1) Slide open the remote controller cover and remove the
batteries.
2) Cut the jumper wire inside the battery compartment using
nippers.
•The jumper wire should not remain in contact after being cut.
Also, be careful not to let plastic scraps, jumper wire cuttings
or other debris enter the inside of the remote controller.
3) Insert the batteries. “B” appears in the remote controller
display.
* Even after the jumper wire has been cut, switching between
A and B is still possible by pressing the CHECK button and
FIX button together.
The A or B setting, which was switched by pressing the
CHECK button and FIX button together, is restored to the
setting established prior to the switching when the battery is
replaced or the RESET button is pressed.
Setting the selector switch on the main unit
•Remove the front panel, and then set the selector switch to “B”.
•After making the switch setting, remount the front panel.

– 42 –
Operation
Press [RESET] button for more than
three seconds. (Less than 10 seconds)
Motions
The unit is on standby.
↓
The unit starts to operate. The green indicator is on.
↓After approx. three seconds,
The unit beeps three times The green indicator flashes
and continues to operate. for 5 seconds.
If the unit is not required to operate at this time, press [RESET]
button once more or use the remote controller to turn it off.
Operation
Press [RESET] button for more than
three seconds. (Less than 10 seconds)
Motions
The unit is in operation. The green indicator is on.
↓
The unit stops operating. The green indicator is turned off.
↓After approx. three seconds,
The unit beeps three times. The green indicator flashes
for 5 seconds.
If the unit is required to operate at this time, press [RESET] button
once more or use the remote controller to turn it on.
9-3. Auto Restart Function
This indoor unit is equipped with an automatic restarting function which allows the unit to restart operating with
the set operating conditions in the event of a power supply being accidentally shut down.
The operation will resume without warning three minutes after power is restored.
This function is not set to work when shipped from the factory. Therefore it is necessary to set it to work.
9-3-1. How to Set the Auto Restart Function
To set the auto restart function, proceed as follows:
The power supply to the unit must be on ; the function will not set if the power is off.
Press the [RESET] button located in the center of the front panel continuously for three seconds.
The unit receives the signal and beeps three times.
The unit then restarts operating automatically in the event of power supply being accidentally shut down.
•When the unit is standby (Not operating)
•When the unit is in operation
•When the unit is turned on by this function, the louver will not swing even though it was swinging automatically
before shutting down.
•While the filter check indicator is on, the RESET button has the function of filter reset button.

– 43 –
Operation
Press [RESET] button for more than
three seconds. (Less than 10 seconds)
Motions
The unit is on standby.
↓
The unit starts to operate. The green indicator is on.
↓After approx. three seconds,
The unit beeps three times and continues to operate.
If the unit is not required to operate at this time, press [RESET]
button once more or use the remote controller to turn it off.
Operation
Press [RESET] button for more than
three seconds. (Less than 10 seconds)
Motions
The unit is in operation. The green indicator is on.
↓
The unit stops operating. The green indicator is turned off.
↓After approx. three seconds,
The unit beeps three times.
If the unit is required to operate at this time, press [RESET] button
once more or use the remote controller to turn it on.
9-3-2. How to Cancel the Auto Restart Function
To cancel auto restart function, proceed as follows :
Repeat the setting procedure : the unit receives the signal and beeps three times.
The unit will be required to be turned on with the remote controller after the main power supply is turned off.
•When the system is on stand-by (not operating)
•When the system is operating
9-3-3. Power Failure During Timer Operation
When the unit is turned off because of power failure
during timer operation, the timer operation is can-
celled. In that case, set the timer operation again.
NOTE :
The Everyday Timer is reset while a command signal
can be received from the remote controller even if it
stopped due to a power failure.
9-4. FILTER Indicator
When the elapsed time reaches 1000 hours after air
purifier operation, the FILTER indicator lights.
After cleaning the filters, turn off the FILTER indicator.
9-4-1. How to Turn Off FILTER Indicator
Press [RESET] button on the indoor unit.
NOTE :
If [RESET] button is pushed while the FILTER indica-
tor is not lit, the indoor unit will start the automatic
operation.
When you want a temporary operation while the
FILTER lamp lights, press [RESET] button to turn off
the FILTER lamp. (See page 36)

– 44 –
9-5. Remote Controller and Its Fuctions
9-5-1. Parts Name of Remote Controller
1
Infrared signal emitter
Transmits signal to the indoor unit.
2
button
Press the button to start operation.
(A receiving beep is heard.)
Press the button again to stop operation.
(A receiving beep is heard.)
If no receiving sound is heard from the indoor unit,
press the button twice.
3
Mode select button (MODE)
Press this button to select a mode.
Each time you press the button, the modes cycle in
order from A : Auto changeover control,
: Cool, : Dry, : Heat and back to A.
(A receiving beep is heard.)
4
Temperature button (
TEM
P
)
.. The temperature setting is increased to 30°C.
.. The temperature setting is reduced to 17°C.
(A receiving beep is heard.)
5
Fan speed button (FAN)
Press this button to select the fan speed.
When you select AUTO, the fan speed is automati-
cally adjusted according to the room temperature.
You can also manually select the desired fan speed
from five available settings.
(LOW , LOW
+
, MED , MED
+
,
HIGH ) (A receiving beep is heard.)
6
Auto louver button (SWING)
Press this button to swing the louver.
(A receiving beep is heard.)
Press this button again to stop the louver from
swinging. (A receiving beep is heard.)
7
Set louver button (FIX)
Press this button again to adjust the air flow
direction. (A receiving beep is heard.)
8
ON timer button (ON)
Use this button to change the clock and ON timer
times.
To move up the time, press of the “ON
ON
”
button.
To move down the time, press of the “ON
ON
”
button.
9
OFF timer button (OFF)
Use this button to change the OFF timer times.
To move up the time, press of the “OFF
OFF
”
button.
To move down the time, press of the “OFF
OFF
”
button.
10
Reserve button (SET)
Press this button to store the time settings.
(A receiving beep is heard.)
11
Cancel button (CLR)
Press this button to cancel the ON timer and OFF
timer. (A receiving beep is heard.)
12
High power button (Hi POWER)
Press this button to start high power operation.
13
Memory button (MEMO)
Press this button to ready for storing the settings.
Hold down the button for more than 3 seconds to
store the setting indicated on the remote controller
and until the mark is displayed.
14
Automatic operation button (AUTO)
Press this button to operate the air conditioner
automatically. (A receiving beep is heard.)
15
Economy button (ECO)
Press this button to operate the air conditioner
economically.
16
PRESET button
Press this button to operate the air conditioner to
the settings stored using the MEMO button.
17
PURE button (PURE)
Press this button to start the electrical air purifying
operation.
Press the button again to stop operation.
18
Sleep time button (SLEEP)
Press this button to start the sleep timer (OFF
timer) operation.
You can select the OFF timer time from among four
settings (1, 3, 5 or 9 hours).
TEMP
1.3.5.9H
PURE AUTO
PRESET
MODE
CLOCK
CHECK
RESET
HiPOWER
ECO MEMO
CLR SET
SWING
FIX FAN
SLEEP
ON
OFF
4
3
7
8
6
15
10
14
13 5
16
18
9
1
17
12
11
2

– 45 –
AUTO
AUTO
3
95
76
12
8
4
10
9-5-2. Name and Functions of Indications on Remote Controller
[Display]
All indications, except for the clock time indicator, are displayed by pressing the button.
1
Transmission mark
This transmission mark indicates when the
remote controller transmits signals to the indoor
unit.
2
Mode indicator
Indicates the current operation mode.
(AUTO : Automatic control, A : Auto changeover
control, : Cool, : Dry, : Heat)
3
Temperature indicator
Indicates the temperature setting.
(17°C to 30°C)
4
PURE indicator
Shows that the electrical air purifying operation is
in progress.
5
FAN speed indicator
Indicates the selected fan speed.
AUTO or five fan speed levels
(
LOW , LOW
+
, MED , MED
+
,
HIGH ) can be shown.
Indicates AUTO when the operating mode is
either AUTO or : Dry.
6
TIMER and clock time indicator
The time setting for timer operation or the clock
time is indicated.
The current time is always indicated except
during TIMER operation.
7
Hi-POWER indicator
Indicates when the Hi-POWER operation starts.
Press the Hi-POWER button to start and press it
again to stop the operation.
8
(MEMORY) indicator
Flashes for 3 seconds when the MEMO button is
pressed during operation.
The mark is shown when holding down the
button for more than 3 seconds while the mark is
flashing.
Press another button to turn off the mark.
9
ECO indicator
Indicates when the ECO is in activated.
Press the ECO button to start and press it again
to stop operation.
10
A, B change indicator remote controller
When the remote controller switching function is
set, “B” appears in the remote controller display.
(When the remote controller setting is “A”, there is
no indication at this position.)
•In the illustration, all indications are shown for
purposes of explanation.
During operation, only the relevant indicators are
shown on the remote controller.
– 46 –
9-6. Hi-POWER Mode
([Hi-POWER] button on the remote controller is pressed)
When [Hi-POWER] button is pressed while the indoor unit is in Auto, Cooling or Heating operation, Hi-POWER
mark is indicated on the display of the remote controller and the unit operates as follows.
1. Automatic operation
•The indoor unit operates in according to the current operation.
2. Cooling operation
•The preset temperature drops 1°C.
(The value of the preset temperature on the remote controller does not change.)
•If the difference between the preset temperature and the room temperature is big, the horizontal louver
moves to the Hi-POWER position automatically.
Then when the difference between them gets smaller, the horizontal louver returns automatically.
3. Heating operation
•The preset temperature increases 2°C.
(The value of the preset temperature on the remote controller does not change.)
4. The Hi-POWER mode can not be set in Dry operation

– 47 –
10. INSTALLATION PROCEDURE
10-1. Safety Cautions
1 Installation plate
Insert the cushion between
the indoor unit and wall, and
tilt the indoor unit for better
installation work.
Make sure the drain hose is
sloped downward.
The auxiliary piping can be
connected at the left, rear left,
rear right, right, bottom right or
bottom left as shown below.
Extension drain hose
(Option: RB-821SW)
6 mm thick heat resisting
polyethylene foam
For the rear left and left piping
Do not allow the drain hose
to become slack.
Cut the piping
hole slightly
sloped
Insulate the refrigerant pipes
separately, not together.
250 mm or more
from wall
In principle,
leave open
When installing the outdoor unit,
leave open in at least two of
directions (A), (B), (C) and (D)
shown in the right figure.
Ensure sufficient space
to allow drainage
(A)
(B)
(C)
(D)
Power cord
Y
Wall
Bottom right
Rear
right
Right
Left
Bottom left
Rear left
As shown in the figure, position power cord and
connecting cable downward, and lead out along
piping connection port.
Before installing the wireless remote controller
• With the remote controller cover
removed, correctly load the
supplied batteries while
observing their polarity.
3 Batteries
Cover
2 Wireless remote controller
2 Wireless
remote controller
100 mm or more
from wall
4 Remote controller holder
(Mounting holes on both
left and right sides)
8 Remote controller
holder mounting screw
50 mm or more
from wall
80 mm or more only
when unobstructed to
the front and both sides
Air filters
6 Plasma pure filter
5 Zeolite-plus filter
140 mm or more
Hook
Hook
Hook
47 mm or more
74 mm
or more
Z Shield pipe
(for extension
drain hose)
7 Mounting screw
200 mm
or more

– 48 –
10-2. Optional Parts, Accessories and Tools
10-2-1. Optional Installation Parts
Part Code
Y
Z
Parts name
Refrigerant piping
Indoor unit name Liquid side (Outer diameter) Gas side (Outer diameter)
RAS-B10GKVP-E, B13GKVP-E 6.35 mm 9.52 mm
RAS-B16GKVP-E 6.35 mm 12.7 mm
Shield pipe (for extension drain hose) (polyethylene foam, 6 mm thick)
Q’ty
1 ea.
1
Attachment bolt arrangement of outdoor unit
•Secure the outdoor unit with the attachment bolts and
nuts if the unit is likely to be exposed to a strong wind.
•Use Ø8 mm or Ø10 mm anchor bolts and nuts.
If it is necessary to drain the defrost water, attach drain
nipple to the base plate of the outdoor unit before
installing it.
10-2-2. Accessory and Installation Parts
Suction side
Diffuser
Elongated
drain hole
(
)
Drain hole
(
)
Part name (Q’ty)
Installation plate × 1
Wireless remote control × 1
Battery × 2
Remote control holder × 1
Part No.
Part name (Q’ty)
Zeolite-plus filter × 1
Plasma pure filter × 1
Mounting screw Ø4 × 25L × 6
Remote control
holder mounting screw
Ø3.1 × 16L × 2
Part No.
Part name (Q’ty)
Drain nipple* × 1
(RAS-10GAVP-E,
13GAVP-E, 16GAVP-E)
Water-proof rubber cap* × 2
(RAS-10GAVP-E,
13GAVP-E, 16GAVP-E)
<Others>
Name
Owner’s manual
Installation manual
Important information and warning*
B/W strips*
(Energy efficiency labels)
Parts marked with asterisk (*) are
packaged with the outdoor unit.
This model is not equipped with an extension drain hose.
Part No.

– 49 –
10-2-3. Installation/Servicing Tools
Changes in the product and components
In the case of an air conditioner using R410A, in order to prevent any other refrigerant from being charged
accidentally, the service port diameter of the outdoor unit control valve (3 way valve) has been changed.
(1/2 UNF 20 threads per inch)
•In order to increase the pressure resisting strength of the refrigerant piping flare processing diameter and size
of opposite side of flare nuts has been changed. (for copper pipes with nominal dimensions 1/2 and 5/8)
New tools for R410A
New tools for R410A
Gauge manifold
Charge hose
Electronic balance
for refrigerant charging
Torque wrench
(nominal diam. 1/2, 5/8)
Flare tool (clutch type)
Gauge for projection
adjustment
Vacuum pump adapter
Gas leakage detector
Applicable to R22 model
×
×
¡
×
¡
——
¡
×
Changes
As pressure is high, it is impossible to measure by means of
conventional gauge. In order to prevent any other refrigerant from
being charged, each port diameter has been changed.
In order to increase pressure resisting strength, hose materials
and port size have been changed (to 1/2 UNF 20 threads per inch).
When purchasing a charge hose, be sure to confirm the port size.
As pressure is high and gasification speed is fast, it is difficult to
read the indicated value by means of charging cylinder, as air
bubbles occur.
The size of opposite sides of flare nuts have been increased.
Incidentally,
a common wrench is used for nominal diameters 1/4 and 3/8.
By increasing the clamp bar’s receiving hole, strength of spring in
the tool has been improved.
Used when flare is made by using conventional flare tool.
Connected to conventional vacuum pump. It is necessary to use
an adapter to prevent vacuum pump oil from flowing back to the
charge hose. The charge hose connecting part has two ports-one
for conventional refrigerant (7/16 UNF 20 threads per inch) and
one for R410A. If the vacuum pump oil (mineral) mixes with R410A
a sludge may occur and damage the equipment.
Exclusive for HFC refrigerant.
•Incidentally, the “refrigerant cylinder” comes with the refrigerant designation (R410A) and protector coating in the
U. S’s ARI specified rose color (ARI color code: PMS 507).
•Also, the “charge port and packing for refrigerant cylinder” require 1/2 UNF 20 threads per inch corresponding to
the charge hose’s port size.

– 50 –
10-3. Indoor Unit
10-3-1. Installation Place
•A place which provides enough spaces around the
indoor unit as shown in the diagram.
•A place where there are no obstacle near the air
inlet and outlet.
•A place which allows easy installation of the piping
to the outdoor unit.
•A place which allows the front panel to be opened.
•The indoor unit shall be installed so that the top of
the indoor unit is positioned at least 2m in height.
•Also, avoid putting anything on the top of the
indoor unit.
CAUTION
•Direct sunlight on the indoor unit wireless
receiver should be avoided.
•The microprocessor in the indoor unit should
not be too close to r-f sources.
(For details, see the owner's manual.)
Remote controller
•Should be placed where there are no obstacles,
such as curtains, that may block the signal.
•Do not install the remote controller in a place
exposed to direct sunlight or close to a heating
source, such as a stove.
•Keep the remote controller at least 1 m away from
the nearest TV set or stereo equipment.
(This is necessary to prevent image disturbances or
noise interference.)
•The location of the remote controller should be
determined as shown below.
Fig. 10-3-1
10-3-2. Drilling a Hole and Mounting Instal-
lation Plate
Drilling a hole
When install the refrigerant pipes from the rear.
Fig. 10-3-2
1. After determining the pipe hole position on the
installation plate ( ð ) drill the pipe hole (Ø65
mm) at a slight downward slant to the outdoor
side.
NOTE :
•When drilling into a wall that contains a metal lath,
wire lath or metal plate, be sure to use a pipe hole
brim ring sold separately.
Mounting the installation plate
Indoor unit
(Top view)
(Side view)
Remote
controller Remote controller
Indoor unit
*: Axial distance
Reception
range
Reception
range
42 mm
65 mm
The center of the
pipe hole
Pipe
hole
Fig. 10-3-3
91 mm
25 mm
Anchor bolt holes
Pipe hole
Pipe hole
Indoor unit
7 Mounting screw 1 Installation plate

– 51 –
When the installation plate is directly
mounted on the wall
1. Securely fit the installation plate onto the wall by
screws with the upper and lower catches, that
hold the indoor unit, facing out.
2. To mount the installation plate on a concrete wall
use anchor bolts. Drill the anchor bolt holes as
illustrated in the above figure.
3. Install the installation plate horizontally and level.
CAUTION
When installing the installation plate with mount-
ing screw, do not use the anchor bolt hole.
Otherwise the unit may fall down and result in
personal injury and property damage.
Fig. 10-3-4
Fig. 10-3-5
CAUTION
Failure to securely install the unit may result in
personal injury and/or property damage if the
unit falls.
•In case of block, brick, concrete or similar type
walls, drill 5 mm dia. holes in the wall.
•Insert clip anchors for the mounting screws.
NOTE :
•Install the installation plate using mounting screws
between 4 to 6, being sure to secure all four
corners.
Anchor bolt
Projection
15mm or less
5 mm dia. hole
Clip anchor
(local parts)
7 Mounting screw
Ø4 × 25L
10-3-3. Electrical Work
1. The supply voltage must be the same as the
rated voltage of the air conditioner.
2. Prepare a power source for the exclusive use of
the air conditioner.
NOTE :
•Wire type :
More than H07RN-F or 245IEC66 (1.0mm²)
CAUTION
•This appliance can be connected to a main
circuit breaker in either of the following two
ways.
1. Connection to fixed wiring:
A switch or circuit breaker which discon-
nects all poles and has a contact separa-
tion of at least 3 mm must be incorporated
in the fixed wiring. An approved circuit
breaker or switch must be used.
2. Connection with power supply plug:
Attach power supply plug with power cord
and plug it into wall outlet. An approved
power supply cord and plug must be used.
NOTE :
•Perform wiring work being sure the wire length is
long enough.
10-3-4. Wiring Connection
How to connect the connecting cable
Wiring the connecting cable can be carried
out without removing the front panel.
1. Remove the air inlet grille. Open the air inlet grille
upward and pull it toward you.
2. Remove the terminal cover and cord clamp.
3. Insert the connecting cable (or as according to
local regulations/codes) into the pipe hole on the
wall.
4. Pull the connecting cable through the cable slot
on the rear panel so that it protrudes about
15 cm out of the front.
5. Insert the connecting cable fully into the terminal
block and secure it tightly with screws.
6. Tightening torque: 1.2 N•m (0.12 kgf•m)
7. Secure the connecting cable with the cord clamp.
8. Attach the terminal cover, rear plate bushing and
air inlet grille on the indoor unit.

– 52 –
CAUTION
•Be sure to refer to the wiring system diagram
labeled inside the front panel.
•Check local electrical regulations for any
specific wiring instructions or limitations.
10-3-5. Piping and Drain Hose Installation
Piping and drain hose forming
•Since condensation results in machine trouble,
make sure to insulate both the connecting pipes
separately.
(Use polyethylene foam as insulating material.)
Fig. 10-3-6
Fig. 10-3-7
Fig. 10-3-8
Fig. 10-3-9
NOTE :
WIRE TYPE : more than H07 RN-F or 245 IEC 66.
(1.0mm²)
Screw Screw
Terminal cover
Cord clamp
Terminal block
Earth wire
Connecting cable
Terminal block
Connecting cable
About 15 cm
Earth line
70 mm
10 mm
10 mm 50 mm
Fig. 10-3-10
1. Die-cutting front panel slit
Cut out the slit on the left or right side of the front
panel for the left or right connection and the slit
on the bottom left or side of thefront panel for the
bottom left or right connection with a pair of
nippers.
2. Changing drain hose
For left connection, left-bottom connection and
rear-left connection’s piping, it is necessary to
relocate the drain hose and drain cap.
How to remove the drain cap
Clip drain cap with needle-nose pliers, and pull out.
Fig. 10-3-11
How to remove the drain hose
The drain hose is secured in place by a screw.
Remove the screw securing the drain hose, then pull
out the drain hose.
Die-cutting
Front panel slit
Changing
drain hose
Piping preparation
Rear right
Rear left
Bottom left
Left
Bottom right
Right
Screw Drain hose
Fig. 10-3-12

– 53 –
4 mm
No gap
Insert a hexagon
wrench (Ø4mm)
Do not apply lubricating oil
(refrigerant machine oil)
when inserting the drain cap.
If applied, deterioration and
drain leakage of the drain
plug may occur.
How to attach the drain cap
1. Insert hexagonal wrench (4 mm).
Fig. 10-3-13
2. Firmly insert drain cap.
Fig. 10-3-14
How to attach the drain hose
Always use the original screw that secured the
drain hose to the unit. If using a different screw
may cause water to leak.
Insert the drain hose firmly until the connector
contacts with the insulation, then secure it in place
using the original screw.
CAUTION
Securely insert the drain hose and drain cap;
otherwise, water may leak.
In case of right or left piping
•After making slits on the front panel with a knife or
similar tool, cut them out with a pair of nippers or
an equivalent tool.
Fig. 10-3-15
Fig. 10-3-16
Left-hand connection with piping
Bend the connecting pipes so that they are posi-
tioned within 43 mm above the wall surface.
If the connecting pipes are positioned more than
43 mm above the wall surface, the indoor unit may
be unstable.
When bending the connecting pipe, make sure to
use a spring bender to avoid crushing the pipe.
Refer to the table below for the bending
radius of each connection pipe.
Fig. 10-3-17
NOTE :
If the pipe is incorrectly bent, the indoor unit may be
unstable on the wall.
After passing the connecting pipe through the pipe
hole, connect the connecting pipe to the auxiliary
pipes and wrap the facing tape around them.
In case of bottom right or bottom left piping
•After making slits on the front panel with a knife or
similar tool, cut them out with a pair of nippers or
an equivalent tool.
To connect the pipe after installation of the
unit (figure)
Outer diameter
6.35 mm
9.52 mm
12.7 mm
Bending radius
30 mm
40 mm
50 mm
Slit
Slit
43 mm
Use a screwdriver handle, etc.
(To the front flare)
Outward form of indoor unit
Gas side
220 mm
170 mm
R30 or less (Ø6.35), R40 or less (Ø9. 52), R50 or less (Ø12. 7)
Use polishing (polyethylene core or the like for bending pipe).
Liquid side

– 54 –
CAUTION
•Bind the auxiliary pipes (two) and connecting
cable with facing tape tightly.
In case of leftward piping and rear-leftward
piping, bind the auxiliary pipes (two) only with
facing tape.
Fig. 10-3-18
•Carefully arrange the pipes so that none of the
pipes stick out of the rear plate of the indoor unit.
•Carefully connect the auxiliary pipes and
connecting pipes to each other and cut off the
insulating tape wound on the connecting pipe
to avoid double-taping at the joint, moreover,
seal the joint with the vinyl tape, etc.
•Since condensation can result in machine
performance trouble, be sure to insulate both
connecting pipes. (Use polyethylene foam as
insulating material.)
•When bending a pipe, be careful not to crush it.
10-3-6. Indoor Unit Installation
1. Pass the pipe through the hole in the wall, and
hook the indoor unit on the installation plate at
the upper hooks.
2. Swing the indoor unit to right and left to confirm
that it is firmly hooked on the installation plate.
3. While pressing the indoor unit onto the wall, hook
it at the lower part on the installation plate.
Pull the indoor unit toward you to confirm that it is
firmly hooked on the installation plate.
Installation
plate
Indoor unit
Connecting
cable
Auxiliary pipes
10-3-7. Drainage
1. Run the drain hose at a downward sloped angle.
NOTE :
•Hole should be made at a slight downward slant
on the outdoor side.
Fig. 10-3-21
2. Put water in the drain pan and make sure that the
water is being drained outside.
3. When connecting extension drain hose, insulate
the connection part of extension drain hose with
shield pipe.
Fig. 10-3-22
CAUTION
Install the drain pipe for proper drainage.
Improper drainage can result in water dripping
inside the room.
This air conditioner has been designed to drain
water collected from condensation which forms on
the back of the indoor unit, to the drain pan.
Therefore, do not locate the power cord and other
parts at a high place than the drain guide.
Fig. 10-3-19
•For detaching the indoor unit from the installation
plate pull the indoor unit toward you while pushing
the bottom up at the specified places.
Fig. 10-3-20
Push Push
Push (unhook)
1Installation
plate
Hook here
2
Hook
1
50 mm
or more
Do not rise the drain hose. Do not form the drain hose
into the waved shape.
Do not put the
drain hose end
into water.
Do not put the drain
hose end in the
drainage ditch.
Shield pipe
Extension drain hose
Inside the room
Drain hose
Space for
pipes
Wall
Drain
guide
Fig. 10-3-23

– 55 –
10-4. Outdoor Unit
10-4-1. Installation Place
•A place which provides enough space around the
outdoor unit as shown in the diagram.
•A place which can bear the weight of the outdoor
unit and does not allow an increase in noise level
and vibration.
•A place where the operation noise and discharged
air do not disturb neighbors.
•A place which is not exposed to a strong wind.
•A place free of combustible gases.
•A place which does not block a passageway.
•When the outdoor unit is to be installed in an
elevated position, be sure to secure its feet.
•This air conditioner accepts a connection piping
length of up to 25 m.
•There is no need to add refrigerant as long as
the length of the connection piping is 15 m or
less.
•You will need to add 20 g of refrigerant per meter
of added connection piping for installations
requiring connection piping to be between 16 m
to 25 m.
•An allowable height level is up to 10 m.
•A place where the drain water does not cause any
problems.
Precautions for adding refrigerant
•Use a scale having a precision with at least 10 g
per index line when adding the refrigerant.
Do not use a bathroom scale or similar instrument.
•Use liquid refrigerant when refilling the refrigerant.
Since the refrigerant is in liquid form, it can fill
quickly.
Therefore, perform the filling operation carefully
and insert the refrigerant gradually.
CAUTION
1. Install the outdoor unit without anything
blocking the discharging air.
2. When the outdoor unit is installed in a place
always exposed to strong winds like on the
coast or on a high story of a building, secure
the normal fan operation using a duct or a
wind shield.
3. Especially in windy areas, install the unit to
prevent the admission of wind.
4. Installation in the following places may result
in trouble.
Do not install the unit in such places.
•A place full of machine oil.
•A saline-place such as the coast.
•A place full of sulfide gas.
•A place where high-frequency waves are
likely to be generated, such as from audio
equipment, welders, and medical equip-
ment.
Fig. 10-4-1
Strong
wind

– 56 –
Base plate
9 Drain nipple
10
Water-proof rubber caps
(supplied with the outdoor unit)
10-4-2. Draining the Water
•Holes are provided on the base plate of the
outdoor unit to ensure that the defrost water
produced during heating operations is drained off
efficiently.
If a centralized drain is required when installing the
unit on a balcony or wall, follow the steps below to
drain off the water.
1. Proceed with water-proofing by installing the
water-proof rubber caps in the 2 elongated
holes on the base plate of the outdoor unit. [How
to install the water-proof rubber caps]
1) Place four fingers into each cap, and insert
the caps into the water drain holes by pushing
them into place from the underside of the
base plate.
2) Press down on the outer circumferences of
the caps to ensure that they have been
inserted tightly.
(Water leaks may result if the caps have not
been inserted properly, if their outer circumfer-
ences lift up or the caps catch on or wedge
against something.)
Fig. 10-4-2
2. Install the drain nipple and a commercially
available drain hose (with 16 mm inside diam-
eter), and drain off the water.
(For the position where the drain nipple is
installed, refer to the installation diagram of the
indoor and outdoor units.)
•Check that the outdoor unit is horizontal, and
route the drain hose at a downward sloped
angle while ensuring that it is connected tautly.
Do not use ordinary garden hose, but one can
flatten and prevent water from draining.
Fig. 10-4-3
Commercially available
drain hose
Base plate 9 Drain nipple
10-4-3. Refrigerant Piping Connection
Flaring
1. Cut the pipe with a pipe cutter.
Fig. 10-4-4
2. Insert a flare nut into the pipe, and flare the pipe.
•Projection margin in flaring : A (Unit : mm)
Rigid (Clutch type)
Fig. 10-4-5
Imperial (Wing nut type)
•Flaring size : B (Unit : mm)
Fig. 10-4-6
•In case of flaring for R410A with the conventional
flare tool, pull it out approx. 0.5 mm more than that
of R22 to adjust to the specified flare size.
The copper pipe gauge is useful for adjusting
projection margin size.
90˚
Obliquity Roughness Warp
Die Pipe
A
+0
–0.4
B
Outer dia. of
copper pipe
6.35
9.52
12.7
R410A
tool used
0 to 0.5
0 to 0.5
0 to 0.5
Conventional
tool used
1.0 to 1.5
1.0 to 1.5
1.0 to 1.5
Outer dia. of
copper pipe
6.35
9.52
12.7
R410A
1.5 to 2.0
1.5 to 2.0
2.0 to 2.5
Outer dia. of copper pipe
6.35
9.52
12.7
B
R410A R22
9.1 9.0
13.2 13.0
16.6 16.2

– 57 –
Tightening Connection
Align the centers of the connecting pipes and tighten
the flare nut as much as possible with your fingers.
Then tighten the nut with a wrench and torque
wrench as shown in the figure.
Fig. 10-4-7
CAUTION
• Do not apply excessive force.
Otherwise, the nut may break.
(Unit : N·m)
•Tightening torque for connection of flare pipe
The pressure of R410A is higher than R22.
(Approx. 1.6 times.) Therefore securely tighten the
flare pipes which connect the outdoor unit and the
indoor unit with the specified tightening torque
using a torque wrench.
If any flare pipe is
incorrectly connected,
it may cause not only
a gas leakage but also
trouble in the
refrigeration cycle.
Outer dia. of copper pipe
Ø6.35 mm
Ø9.52 mm
Ø12.7 mm
Tightening torque
14 to 18 (1.4 to 1.8 kgf•m)
33 to 42 (3.3 to 4.2 kgf•m)
50 to 62 (5.0 to 6.2 kgf•m)
Fig. 10-4-8
Half union Flare nut
Externally
threaded side Internally
threaded side
Use a wrench
to secure. Use a torque wrench
to secure.
Flare at
indoor unit
side
Flare at
outdoor unit
side
10-4-4. Evacuating
After the piping has been connected to the indoor
unit, perform the air purge.
AIR PURGE
Evacuate the air in the connecting pipes and in
the indoor unit using a vacuum pump.
Do not use the refrigerant in the outdoor unit.
For details, see the vacuum pump manual.
Fig. 10-4-9
CAUTION
•IMPORTANT POINTS FOR PIPING WORK
1. Keep dust and moisture from entering the
pipes.
2. Tighten connections carefully (between pipes
and unit).
3. Evacuate the air in the connecting pipes
using a VACUUM PUMP.
4. Check for gas leaks at all connections.
Use a vacuum pump
Be sure to use a vacuum pump with counter-flow
prevention function so that oil inside the pump does
not flow back into the air conditioner pipes when the
pump stops. (If oil inside the vacuum pump enters
into the air conditioner circuit which uses R410A,
trouble with the refrigeration system may develop.)
1. Connect the charge hose from the manifold valve
to the service port of the gas side packed valve.
2. Connect the charge hose to the port of the
vacuum pump.
3. Open fully the low pressure side handle of the
gauge manifold valve.
4. Operate the vacuum pump to begin evacuating.
Perform evacuating for about 15 minutes if the
piping length is 20 meters (15 minutes for 20
meters) (assuming a pump capacity of 27 liters
per minute).
Confirm that the compound pressure gauge
reading is –101 kPa (–76 cmHg).
5. Close the low pressure valve handle of gauge
manifold.
6. Open fully the valve stem of the packed valves
(both sides of Gas and Liquid).
7. Remove the charging hose from the service port.
8. Securely tighten the caps on the packed valves.
Compound
pressure
gauge
Pressure gauge
Manifold valve
Handle Hi
(Keep full closed)
Charge hose
(For R410A only)
Vacuum pump
adapter for
counter-flow
prevention
(For R410A only)
Packed valve at liquid side
Packed valve at gas side
Service port
(Valve core (Setting pin))
Connecting
pipe
Handle Lo
Charge hose
(For R410A only)
-101kPa
(-76cmHg)
Vacuum
pump

– 58 –
Packed Valve handling precautions
•Open the valve stem all the way; but do not try to
open it beyond the stopper.
•Securely tighten the valve stem cap with torque in
the following table:
Hexagonal wrench is required.
Fig. 10-4-10
10-4-5. Wiring Connection
1. Remove the valve cover, the electric parts cover
and the cord clamp from the outdoor unit.
2. Connect the connecting cable to the terminal as
identified by the matching numbers on the
terminal block of indoor and outdoor unit.
3. Insert the power cord and the connecting cable
fully into the terminal block and secure it tightly
with screws.
4. Insulate the unused cords (conductors) from
water entering in the outdoor unit. Locate them
so that they do not touch any electrical or metal
parts.
5. Secure the power cord and the connecting cable
with the cord clamp.
6. Attach the electric parts cover and the valve
cover on the outdoor unit.
Stripping length of connecting cable
Fig. 10-4-11
Fig. 10-4-12
4mm
123 LN
Terminal block
Connecting cable Power cord
30
30
10 LN10123
10
10
40
40
Earth line Earth line
Connecting
cable Power cord
Gas side (Ø12.7 mm)
Gas side (Ø9.52 mm)
Liquid side (Ø6.35 mm)
Service port
50 to 62 N•m (5.0 to 6.2 kgf•m)
33 to 42 N•m (3.3 to 4.2 kgf•m)
14 to 18 N•m (1.4 to 1.8 kgf•m)
14 to 18 N•m (1.4 to 1.8 kgf•m)
CAUTION
•Incorrect wiring connection may cause electri-
cal parts to burn out.
•Be sure to comply with local regulations/codes
when running the wire from outdoor unit to
indoor unit.
(Size of wire and wiring method etc.)
•Every wire must be securely connected.
•This installation fuse (25A D type )
must be used for the power supply line.
•If incorrect or incomplete wiring is carried out,
fire or smoke may result.
•Prepare the power supply for the exclusive use
of the air conditioner.
•This product can be connected to the main
breaker.
Connection to fixed wiring:
A switch which disconnects all poles and has a
contact separation of at least 3 mm must be
incorporated in the fixed wiring when connect-
ing to a main breaker circuit.
Model RAS-
Power source
Maximum running
current
Installation fuse
rating
Power cord
Connection cable
10GAVP-E 13GAVP-E 16GAVP-E
220 – 240 V ~50 Hz
220 V ~60 Hz
12 A
25A (D type )
H07RN-F or 245IEC66 (1.5 mm²)
H07RN-F or 245IEC66 (1.0 mm²)

– 59 –
10-5. Test Operation
10-5-1. Gas Leak Test
•Check the flare nut connections for gas leaks with
a gas leak detector and/or soapy water.
Fig. 10-5-1
10-5-2. Test Operation
To test the system, press and hold RESET button for
10 sec. (There will be one short beep.)
Fig. 10-5-2
10-5-3. Auto Restart Setting
This product is designed so that, after a power
failure, it can restart automatically in the same
operating mode as before the power failure.
Information
The product was shipped with Auto Restart
function in the OFF position.
Turn it ON as required.
How to Set the Auto Restart
•Press and hold the RESET button for about 3
seconds. After 3 seconds, three short electric
beeps will be heard to inform you that the Auto
Restart has been selected.
•To cancel the Auto Restart, follow the steps
described in the section Auto Restart Function on
Owner’s Manual.
10-5-4. Remote Controller Selector Switch
Setting
Remote controller selector switch
•If two indoor units are installed in the same room
or adjoining rooms, the second unit can inadvert-
ently receive a remote controller signal and start
operation when operating the first unit. This can be
prevented by setting one of the indoor units and
the corresponding remote controller to the B
setting (the A setting is the default setting).
1. Setting the selector switch on the main unit
• Remove the front panel, and then set the
selector switch to “B”.
• After making the switch setting, remount the
front panel.
2. Setting the remote controller
1) Slide open the remote controller cover and
remove the batteries.
2) Cut the jumper wire inside the battery
compartment using nippers.
•The jumper wire should not remain in
contact after being cut. Also, be careful
not to let plastic scraps, jumper wire
cuttings or other debris enter the inside of
the remote controller.
3) Insert the batteries. “B” appears in the
remote controller display.
3. Check that the indoor unit can be operated by
the modified remote controller.
Check places for
flare nut connections
(indoor unit)
Check places
for outdoor unit
Valve cover
Electric parts
Fig. 10-5-3
Fig. 10-5-4
Position of remote controller selector switch
Selector switch
CLOCK
CHECK
RESET
CLR SET
SWING
FIX FAN
ON
OFF
HiPOWER
ECO MEMO
SLEEP
1.3.5.9H
When switching between settings “A” and
“B”, always switch the indoor unit board
and the remote controller as a pair.
(Otherwise, the indoor unit will not
accept the remote controller’s signals.)
Jumper wire
Cutting direction

– 60 –
11. HOW TO DIAGNOSE THE TROUBLE
The pulse motor circuits are mounted to both indoor and outdoor units. Therefore, diagnose troubles according
to the trouble diagnosis procedure as described below. (Refer to the check points in servicing written on the
wiring diagrams attached to the indoor/outdoor units.)
Table 11-1
KPrecautions when handling the new inverter (3DV Inverter)
CAUTION: HIGH VOLTAGEN
The high voltage circuit is incorporated.
Be careful to do the check service, as the electric shock may be caused in case of touching parts on the
P.C. board by hand.
The new inverter (3DV inverter) will be incorporated starting with this unit.
(3DV: 3-shunt Discrete Vector control)
KThe control circuitry has an uninsulated construction.
Fig. 11-1
No.
1
2
3
4
5
Troubleshooting Procedure
First Confirmation
Primary Judgment
Judgment by Flashing LED of Indoor Unit
Self-Diagnosis by Remote Controller
Judgment of Trouble by Every Symptom
Page
62
63
63
64
67
No.
6
7
8
9
10
Troubleshooting Procedure
How to Check Simply the Main Parts
Troubleshooting
How to Diagnose Trouble in Outdoor Unit
How to Check Simply the Main Parts
How to Simply Judge Whether Outdoor
Fan Motor is Good or Bad
Page
72
73
75
76
81
IGBT × 6
FET × 6
MCU
Compressor
Fan motor
GAVP-E, EAVP-E series (uninsulated type)
Shared potential
Driver
Driver
Amplifier
Amplifier
G-Tr
FET
(6IN1)
MCU
Compressor
Fan motor
JAVP-E series (insulated type)
Shared potential
Photocoupler
Photocoupler
Hall device

– 61 –
CAUTION
A high voltage (equivalent to the supply voltage) is also energized to ground through the
sensors, PMV and other low-voltage circuits. The sensor leads and other wires are covered
with insulated tubes for protection. Nevertheless, care must be taken to ensure that these
wires are not pinched.
Take sufficient care to avoid directly touching any of the circuit parts without first turning off
the power.
At times such as when the circuit board is to be replaced, place the circuit board assembly in
a vertical position.
Laying the board flat on an electrically conductive object (such as the top panel of the air conditioner's
outdoor unit) while a charge is still retained by the electrolytic capacitors of the inverter's main circuit may
cause short-circuiting between the electrolytic capacitors and secondary circuit components and result in
damage to the components.
Sensor leads
Do NOT lay the circuit board assembly flat.
KPrecautions when inspecting the control section of the outdoor unit
NOTE :
A large-capacity electrolytic capacitor is used in the outdoor unit controller (inverter). Therefore, if the power
supply is turned off, charge (charging voltage DC280 to 380V) remains and discharging takes a lot of time.
After turning off the power source, if touching the charging section before discharging, an electrical shock may
be caused. Discharge the electrolytic capacitor completely by using soldering iron, etc.
< Discharging method >
1. Remove the inverter cover (plating) by opening four mounting claws.
2. As shown below, connect the discharge resistance (approx. 100Ω40W) or plug of the soldering iron to
voltage between + – terminals of the C14 (“CAUTION HIGH VOLTAGE” is indicated.) electrolytic capacitor
(500µF/400V) on P.C. board, and then perform discharging.
Fig. 11-2
Discharging position
(Discharging period
10 seconds or more)
Plug of
soldering iron
Inverter cover P. C. board
(Soldered surface)
Fig. 11-3

– 62 –
11-1. First Confirmation
11-1-1. Confirmation of Power Supply
Confirm that the power breaker operates (ON) normally.
11-1-2. Confirmation of Power Voltage
Confirm that power voltage is AC 220–230–240 ± 10%.
If power voltage is not in this range, the unit may not operate normally.
11-1-3. Operation Which is not a Trouble (Program Operation)
For controlling the air conditioner, the program operations are built in the microcomputer as described in the
following table.
If a claim is made for running operation, check whether or not it meets to the contents in the following table.
When it does, we inform you that it is not trouble of equipment, but it is indispensable for controlling and main-
taining of air conditioner.
Table 11-1-1
No.
1
2
3
4
5
6
Operation of air conditioner
When power breaker is turned “ON”, the
operation indicator (Green) of the indoor
unit flashes.
Compressor may not operate even if the
room temperature is within range of
compressor-ON.
In Dry and ECO mode, FAN (air flow)
display does not change even though FAN
(air flow select) button is operated.
Increasing of compressor motor speed
stops approx. 30 seconds after operation
started, and then compressor motor speed
increases again approx. 30 seconds after.
In AUTO mode, the operation mode is
changed.
In HEAT mode, the compressor motor
speed does not increase up to the maxi-
mum speed or decreases before the
temperature arrives at the set temperature.
Description
The OPERATION lamp of the indoor unit flashes when
power source is turned on. If [START/STOP] button is
operated once, flashing stops.
(Flashes also in power failure)
The compressor does not operate while compressor
restart delay timer (3-minutes timer) operates.
The same phenomenon is found after power source has
been turned on because 3-minutes timer operates.
The air flow indication is fixed to [AUTO].
For smooth operation of the compressor, the compres-
sor motor speed is restricted to Max. 41 rps for 2 min-
utes, and Max.91 rps for 2 minutes to 3 minutes, respec-
tively after the operation has started.
After selecting Cool or Heat mode, select an operation
mode again if the compressor keeps stop status for 15
minutes.
The compressor motor speed may decrease by high-
temp. release control (Release protective operation by
temp.-up of the indoor heat exchanger) or current
release control.

– 63 –
11-2. Primary Judgment
To diagnose the troubles, use the following methods.
1) Judgment by flashing LED of indoor unit
2) Self-diagnosis by service check remote controller
3) Judgment of trouble by every symptom
Firstly use the method 1) for diagnosis. Then, use the method 2) or 3) to diagnose the details of troubles.
11-3. Judgment by Flashing LED of Indoor Unit
While the indoor unit monitors the operation status of the air conditioner, if the protective circuit operates, the
contents of self-diagnosis are displayed with block on the indoor unit indication section.
Table 11-3-1
NOTES :
1. The contents of items B and C and a part of item E are displayed when air conditioner operates.
2. When item B and C, and item B and a part of item E occur concurrently, priority is given to the block of item B.
3. The check codes can be confirmed on the remote controller for servicing.
OPERATION (Green)
Flashing display (1 Hz)
OPERATION (Green)
TIMER (Yellow)
FILTER (Orange)
Flashing display (5 Hz)
OPERATION (Green)
FILTER (Orange)
Flashing display (5 Hz)
OPERATION (Green)
TIMER (Yellow)
Flashing display (5 Hz)
OPERATION (Green)
Flashing display (5 Hz) Protective circuit operation for indoor P.C. board
Protective circuit operation for connecting cable
and serial signal system
Protective circuit operation for outdoor P.C. board
Protective circuit operation for others
(including compressor)
Power failure (when power is ON)
Indoor indication
lamp flashes.
Which lamp
does flash?
Item
A
B
C
D
E
Check
code Block display Description for self-diagnosis

– 64 –
11-4. Self-Diagnosis by Remote Controller (Check Code)
1. If the lamps are indicated as shown B to E in Table 11-3-1, execute the self-diagnosis by the remote controller.
2. When the remote controller is set to the service mode, the indoor controller diagnoses the operation condi-
tion and indicates the information of the self-diagnosis on the display of the remote controller with the check
codes. If a fault is detected, all lamps on the indoor unit will flash at 5Hz and it will beep for 10 seconds
(Beep, Beep, Beep ... ). The timer lamp usually flashes (5Hz) during self-diagnosis.
11-4-1. How to Use Remote Controller in Service Mode
TEMP
PURE AUTO
PRESET
MODE
1.3.5.9H
CLOCK
CHECK
RESET
HiPOWER
ECO MEMO
CLR SET
SWING
FIX FAN
SLEEP
ON
OFF
Press [CHECK] button with a tip of pencil to set the
remote controller to the service mode.
• “ ” is indicated on the display of the remote
controller.
Press [ON ] or [OFF ] button
If there is no fault with a code, the indoor unit will beep
once (Beep) and the display of the remote controller will
change as follows :
• The TIMER indicator of the indoor unit flashes continuously.
(5 times per 1 sec.)
• Check the unit with all 52 check codes ( to )
as shown in Table-11-4-1.
• Press [ON ] or [OFF ] button to change the check
code backward.
If there is a fault, the indoor unit will beep for 10
seconds (Beep, Beep, Beep...).
Note the check code on the display of the remote
controller.
• 2-digits alphanumeric will be indicated on the display.
• All indicators on the indoor unit will flash.
(5 times per 1 sec.)
Press [START/STOP] button to release the service mode.
• The display of the remote controller returns to as it
was before service mode was engaged.
Time shortening method.
1. Press SET button while pushing CHECK button.
2. Press [START/STOP] button.
1
2
3
4
Alphanumeric characters are
used for the check codes.
is 5. is 6.
is A. is B.
is C. is D.
• • •
Fig. 11-4-1

– 65 –
Check
code
Check
code
Judgment and action
1. Check the room temp. sensor.
2. When the room temp. sensor is
normal, check P.C. board.
1. Check heat exchanger sensor.
2. When heat exchanger sensor is
normal, check P.C. board.
1. Check the motor.
2. When the motor is normal,
check P.C. board.
Replace P.C. board.
1. When the outdoor unit never
operate:
1) Check connecting cable, and
correct if defective wiring.
2) Check 25A fuse of inverter
P.C. board.
3) Check 3.15A of inverter P.C.
board.
2. To display [Other] block during
operation, check compressor
thermo. operation and supply
gas (check gas leak also).
3. Unit operates normally during
check.
If return serial signal does not
stop between indoor terminal
board 2 and 3, replace inverter
P.C. board.
If signal stops between indoor
terminal board 2 and 3, replace
indoor P.C. board.
11-4-2. Caution at Servicing
1. After servicing, press the START/STOP button to return to the normal mode.
2. After servicing by the check code, turn off breaker of the power supply, and turn on breaker of the power
supply again so that memory in the microcomputer returns the initial status.
However, the check codes are not deleted even if the power supply is turned off because they are stored in
the fixed memory.
3. After servicing, press [CLR] button under check mode status and then send the check code “7F” to the
indoor unit. The error code stored in memory is cleared.
Table 11-4-1
Block distinction Operation of diagnosis function
Block
Indoor P.C.
board etc.
Not
displayed
Connecting
cable and
serial signal
Cause of operation
Short-circuit or discon-
nection of the room
temperature sensor
(TA sensor).
Being out of place,
disconnection, short-
circuit, or migration of
heat exchanger sensor
(TC sensor)
Lock of indoor fan or
trouble on the indoor fan
circuit
Trouble on other indoor
P.C. boards
Return serial signal is not
sent to indoor side from
operation started.
1) Defective wiring of
connecting cable
2) Operation of compres-
sor thermo Gas
shortage Gas leak
Air
conditioner
status
Operation
continues.
Operation
continues.
All off
Operation
continues.
Operation
continues.
Remarks
Displayed when
error is detected.
Displayed when
error is detected.
Displayed when
error is detected.
Displayed when
error is detected.
Flashes when
trouble is detected
on Return serial
signal, and normal
status when signal
is reset.

– 66 –
Check
code
Check
code
Block distinction
Judgment and action
Even if trying operation again, all
operations stop immediately. :
Replace P.C. board.
1. Even if connecting lead wire of
compressor is removed,
position-detect circuit error
occurred. : Replace P.C. board.
2. Measure resistance between
wires of compressor, and
perform short-circuit. : Replace
compressor.
Even if trying operation again, all
operations stop immediately. :
Replace P.C. board.
1. Check sensors (TE, TS).
2. Check P.C. board.
1. Check discharge temp. sensor
(TD).
2. Check P.C. board
Position-detect error, over-current
protective operation of outdoor fan
drive system, fan lock, etc. :
Replace P.C. board or fan motor.
1. Check outdoor temp. sensor
(TO).
2. Check P.C. board.
When 20 seconds passed after
start-up, position-detect circuit error
occurred. : Replace compressor.
Trouble on P.M.V.
1. Repeat Start and Stop with
interval of approx. 10 to 40
minutes. (Code is not displayed
during operation.)
Supply gas.
(Check also gas leak).
2. Unit operates normally during
check.
If return serial signal does not
stop between indoor terminal
block 2 and 3, replace inverter
P.C. board.
If signal stops between indoor
terminal block 2 and 3, replace
indoor P.C. board.
1. Trouble on compressor
2. Trouble on wiring of compressor
(Missed phase)
1. Check dischage temp. sensor
(TD).
2. Gas leakage
3. Trouble on P.M.V.
1. Check power voltage.
(220–230–240 V +10%)
2. Overload operation of refrigera-
tion cycle
Check installation condition
(Short-circuit of outdoor diffuser).
1. Check 4-way valve operation.
Block
Outdoor P.C.
board
Not
displayed
Outdoor P.C.
board
Others
(including
compressor)
Operation of diagnosis function
Cause of operation
Inverter over-current
protective circuit
operates. (Short time)
Position-detect circuit
error or short-circuit
between windings of
compressor
Current-detect circuit
error
Being out of place,
disconnection or short-
circuit of the outdoor
heat exchanger sensor
(TE) or suction temp.
sensor (Ts)
Disconnection or short-
circuit of discharge
temp. sensor
Outdoor fan drive
system error
Outdoor heat exchanger
temp. sensor error
Compressor drive output
error, Compressor error
(lock, missing, etc.),
Break down
Return serial signal has
been sent when
operation started, but it
is not sent from halfway.
1) Compressor thermo.
operation
Gas shortage
Gas leak
2) Instantaneous power
failure
Compressor does not
rotate.
(Current protective
circuit does not operate
when a specified time
passed after compressor
had been activated.)
Discharge temp.
exceeded 117°C
Break down of
compressor
4-way valve inverse error
(TC sensor value
lowered during heating
operation.)
Air
conditioner
status
All off
All off
All off
All off
All off
All off
Operation
continues
All off
Operation
continues
All off
All off
All off
Operation
continues
Remarks
Displayed when
error is detected.
Displayed when
error is detected.
Displayed when
error is detected.
Displayed when
error is detected.
Displayed when
error is detected.
Displayed when
error is detected.
——
Displayed when
error is detected.
Flashes when
trouble is detected
on return serial
signal, and normal
status when signal
is reset.
Displayed when
error is detected.
Displayed when
error is detected.
Displayed when
error is detected.
——

– 67 –
11-5. Judgment of Trouble by Every Symptom
11-5-1. Indoor Unit (Including Remote Controller)
(1) Power is not turned on (Does not operate entirely)
<Primary check>
1. Is the supply voltage normal?
2. Is the normal voltage provided to the outdoor unit?
3. Is the crossover cable connected properly?
4. Is the fuse (F01) blown?
•Be sure to disconnect the motor connector CN10 after shut off the power supply, or it will be a cause of
damage of the motor.
(2) Power is not turned on though Indoor P.C. board is replaced
<Confirmation procedure>
NO
Turn off power supply once, and
5 second later, turn it on again.
Is OPERATION indicator flashing?
Is it possible to turn on
power supply by pushing
[START/STOP] button
on remote controller?
Is voltage
(DC12V or 5V)
indicated on rear of
indoor control
board normal?
Does transmission mark
on remote controller flash
normally,and is its signal
transmitted properly?
Is DC310–340V
supplied between
CN10 1 – 3 ?
Does fan
motor connector
between CN10 1 –
3 short-circuit?
Item by symptoms
Operation
Check Item
Considerable principle cause
Measures
Parts (R04, R05, DB01, C01,
C03, IC01 and T01) are defective.
Remote controller is defective.
Refer to (5) “Troubleshooting
for remote controller”.
Parts of a power supply circuit
defective.
Unit operates normally.
Replace main
P.C. board
Replace fan
motor.
Is fuse (F01)
of indoor control
board blown?
Microcomputer
is defective.
NO NO
NO
NO NO
NO
YES
YES
YES
YES YES
YES YES
YES YES
NO NO
To item of
“Power supply is not turned on”.
Turn on power supply.
Does OPERATION indicator flash? Is wired correctly to white and
black lead wires of terminal block? Correct wiring.

– 68 –
Turn off power
supply once, and
turn it on again.
Start to operate
indoor unit in cooling
operation at airflow
level “LOW”.
Turn off indoor unit and
remove connector from motor.
Then start to operate indoor
unit with remote controller.
Turn off indoor unit and remove
connector from motor.
Then push START/STOP button
on remote controller to stop
flashing lamp on indoor unit.
Change airflow level
to “HIGH”.
Turn off indoor unit
and rotate cross-flow
fan by hand when the
unit is on standby.
At this time, is it possible to
detect DC 1V or more
between
5
+ and
3
–
of motor connector
(CN10).
Start to operate the
indoor unit in except
heating operation.
At this time, is it possible
to detect DC 1V or more
between
5
+ and
3
–
of motor connector (CN10)?
(Check this condition
within 15 seconds after
starting unit.)
Start to operate the
indoor unit in except
heating operation.
At this time, is it possible to
detect DC 1V or more between
5
+ and
3
– of motor
connector (CN10)?
Is it possible to detect
DC 1V or more between
5
+ and
3
– of
motor connector (CN10).
Is it possible to detect
DC 310–340V between
1
+ and
3
– of motor
connector (CN10).
(Motor connection condition)
Is it possible to detect DC 15V
between
4
+ and
3
– of
motor connector (CN10).
Is it possible to detect
DC 15V between
4
+
and
3
– of motor
connector (CN10).
Is it possible to
change airflow level
to “HIGH”?
Is it possible to
rotate cross-flow fan by
hand properly?
Does fan motor
continue to operate?
Does indoor
fan operate?
Fan motor
operates normally.
Peplace indoor
fan motor.
Peplace main
P.C. board.
Peplace
bearing.
YES
YES
YES
YES
YES
YES
YES
YES
YES
YES
NO
NO
YES
NO
NO
NO
NO
NO
NO
NO
NO
NO
(3) Only the indoor motor fan does not operate
<Primary check>
1. Is it possible to detect the power supply voltage (AC220–240V) between Q and R on the terminal block?
2. Does the indoor fan motor operate in cooling operation?
(In heating operation, the indoor fan motor does not operate for approximately 10 minutes after it is turned
on, to prevent a cold air from blowing in.)

– 69 –
Indoor fan starts rotating when power supply is turned on.
(Check output DC voltage of fan motor on P.C. board.)
Measure voltage between 3 (GND : BLACK)
and 5 (V line : YELLOW) of motor connector (CN10)
while indoor fan motor is rotating.
DC 1.0V or more
P.C. board is defective.
6 (Blue)
5 (Yellow)
4 (White)
3 (Black)
2 –
1 (Red)
Motor is defective.
Under DC 1.0V
CN10
Yellow
Black
P.C. board
DC
Replace P.C. board. Replace motor.
(4) Indoor fan motor automatically starts to rotate by turning on power supply
<Cause>
The IC is built in the indoor fan motor. Therefore the P.C. board is also mounted to inside of the motor.
If the P.C. board is soldered imperfectly or the IC is defective, the fan motor may automatically rotate by turning
on power supply.
<Inspection procedure>
1. Remove the front panel. (Remove 2 screws.)
2. Remove the cover of the fan motor lead wires.
3. Check DC voltage with CN10 connector while the fan motor is rotating.
NOTE :
•Do not disconnect the connector while the fan motor is rotating.
•Use a thin test rod.

– 70 –
NO
YES
Push the START/STOP button.
Is transmission
mark indicated?
The unit does not beep at all.
Operation lamp on indoor
unit is not indicated.
NOTE : After replacing batteries,
push the RESET button
with a tip of a pencil.
Is receiver
on indoor unit
exposed to
direct sunlight?
Avoid direct
sunlight.
Is there any
thyristor
fluorescent light
nearby?
Keep indoor unit
away from thyristor
fluorescent light.
Does indoor unit
operate when moving
remote controller
near receiver or
indoor unit?
Batteries are
exhausted.
Does radio sound
is affected by remote
controller when a signal is
transmitted at distance of
5 cm from radio?
Is transmission
mark indicated?
P.C. board
is defective.
Replace
P.C. board. Replace
batteries. Replace
remote controller.
Normal
operation
Remote controller
is defective.
NO
YES
NO
YES
NO
YES
NO
YES
NO
YES
NO
YES
NO
YES
Does indoor unit
start to operate by
automatic restart
function?
Push the START/
STOP button
Does indoor unit
beep and operate?
Push RESET button
on remote controller
with tip of pencil.
(5) Troubleshooting for remote controller
<Primary check>
Check that A or B selected on the main unit is matched with A or B selected on the remote controller.

– 71 –
Refer to the chart in 11-6.
Gas leak
P.M.V. is defective.
Miswiring of connecting wires of indoor/outdoor units
Clogging of pipe and coming-off of TC sensor
Gas circulation amount is down.
Measure gas pressure.
Gas shortage
Gas leak
Pipe clogging
Thermo. operation of compressor
Red
White
Terminal block
S5277G
Tester
3
2
1
Terminal block at indoor side
S5277G or equivalent (G or J type)
(Diode with rated voltage of 400V
or more is acceptable.)
To item of Outdoor unit does not operate.
11-5-2. Wiring Failure (Interconnecting and Serial Signal Wire)
(1) Outdoor unit does not operate
1) Is the voltage between R and S of the indoor terminal block varied?
Confirm that transmission from indoor unit to outdoor unit is correctly performed based upon the follow-
ing diagram.
NOTE:
•Measurement should be performed 2 minutes and 30 seconds after starting of the operation.
•Be sure to prepare a diode for judgment.
Normal time : Voltage swings between DC15 and 60V. ...................Inverter Assembly check (11-8-1.)
Abnormal time : Voltage does not vary.
(2) Outdoor unit stops in a little while after operation started
<Check procedure> Select phenomena described below.
1) The outdoor unit stops 10 to 20 minutes after operation started, and 10 minutes or more are required to
restart the unit.
2) If the unit stops once, it does not operate until the power will be turned on again.
3) The outdoor unit stops 10 minutes to 1 hour after operation started, and an alarm is displayed.
(Discharge temp. error check code 03, 1E Sensor temp. error check code 02, 1C)

– 72 –
NO
NO
NO
NO
YES
YES
YES
YES
YES
Gas leakage,
disconnection of TS/TC
sensors (Check code 02, 1C)
Discharge temp. error,
gas leakage
(Check code 03, 1E)
1C 1E
Gas amount check and valve clogging check
Remove TC sensor connector from the P.C. board in indoor unit.
(Remove connector from the P.C. board.)
Operate the air conditioner in COOL mode by TEMP button
(“Beep” sound is heard if keeping pushed for 10 seconds.).
The operation enters temporary operation mode which fixes opening degree of compressor speed.
Check condensation at outlet of PMV, and then check operating pressure from the service port.
Valve drive check
Check the operating pressure from service port, and add gas if pressure is low.
Is connecter of coil connected to inverter?
Is coil of the pulse motor valve
(P.M.V.) correctly set?
Existence of condensation at outlet of P.M.V.
If there is condensation at outlet (1/4 inch=Ø6.35mm valve side),
the valve is clogged.
Are temp. sensors of indoor/outdoor units correctly set to the holder?
NOTE :
The temperature sensors which are used to control pulse motor valve
include indoor heat exchanger sensor (TC), outdoor heat exchanger temp.
sensor (TE), outdoor suction temp. sensor (TS) and outdoor sensor (TO).
Set it correctly.
Set it correctly.
Set it correctly.
Replace coil valve.
Replace valve.
Add gas.
Is positioning sound of valve (sound hitting to stopper) heard
from valve when the air conditioner starts the operation after turning off power
of the air conditioner once?
11-6. Check Code 1C (Miswiring in indoor/outdoor units) and 1E
<Check procedure>

– 73 –
Primary checkOperation check
Turn off the power breaker once,
and turn on again after 10 seconds.
Does the OPERATION indicator flash?
Turn off the power breaker and remove
CN34 (Micro switch connector).
Short-circuit between and pin
of CN34 at PC side, and turn on the
power breaker after 10 seconds.
1) Check operation while short-circuiting CN34 of the main P.C. board.
2) Perform air purifying operation by the remote controller.
• In this time, check that the remote controller is in status which is shortened by time on
the reactivation preventive timer and all display indicators go on for approx. 3 seconds
when a signal is received.
If time on the reactivation preventive timer is not shortened,
the high-voltage is not applied to electrode of the air purifier for approx. 1 hour.
• While the air purifier operates, check that the fan speed [AUTO] is not displayed.
(Because the power ON/OFF is controlled on the program)
3) Be sure not to touch the electric dust collector, ionizer, or ionized wire unit with the human body.
Is there conduction of
micro-switch connector under
OFF status of the micro-switch
(Front panel opened)?
Is there conduction of
micro-switch connector under
ON status of the micro-switch
(Front panel closed)?
Does the indoor fan rotate?
Does the PURE indicator (Blue) or
the FILTER indicator (Orange) go on?
Is DC12V applied
between (Red/DC12V) and
(Brown/GND) of CN1 of the
high-voltage generator?
Is DC12V applied
between (+) and (–)
of CN33 of the main
P.C. board (MCC5020)?
Micro-switch is stuck
Micro-switch malfunction
To item “Power supply is not turned on”
Replace the main P.C. board (MCC5020)
Replace micro-switch.
Does the PURE indicator
go off within 2 seconds after
it was ON, and does the FILTER
indicator (Orange) go on?
Are the electric dust
collector and ionizer dried?
(Electrode check)
Dry the electric
dust collector
and ionizer.
Is DC-5V to DC-10V
applied between
(Brown/Negative voltage)
and (Brown/GND)
of CN33 of the main
P.C. board?
Is output of the ionizer
approx. 4.0 kV to 4.8 kV?
Is output of the collector
approx. 3.0 kV to 3.8 kV?
Are the electric dust
collector/ionizer/ionized
wire units dirty?
Is an abnormal sound
(cracking noise) heard
from the electrode?
Referring to the right figure, check the
high-output voltage of the air filter unit.
(NOTE)
Use an exclusive high voltage tester;
otherwise the tester may be broken.
No trouble
Replace the main P.C. board (MCC5020).
Replace the high-voltage generator.
To item “Only indoor fan does not operate”
YES
YES
NO
YES
YES
YES
YES
YES
YES
NO NO
NO
NO
NO
YES
NO
YES
YES
YES
NO
NO
NO
YES
NO
NO
( )
( )
Refer to items, cleaning and check
for the electric dust collector/ionizer/
ionized wire units.
When the ionized wire is
disconnected or when dirt is
not cleaned even cleaned,
replace each unit.
• Conduction check of micro-switch
Tester
ON
GND
• How to check output of the air purifier
<Caution on High Voltage!!>
Ionizer
output
Collector
output
High-voltage tester
42
1 1 2
1 2
Push the switch
→ ON
Release the switch
→ OFF
Be sure not to come
to contact to the gray
part or not to touch
the ionized cables.
11-7. Troubleshooting
11-7-1. How to Check Whether the Air Purifier is Good or Not

– 74 –
11-7-2. How to Check Whether the Minus Ion Generator is Good or Not
1) Check operation while short-circuiting CN34 of the main P.C. board.
2) Perform air purifying operation by the remote controller.
• In this time, check that the remote controller is in status which is shortened by time on
the reactivation preventive timer and all display indicators go on for approx. 3 seconds
when a signal is received.
If time on the reactivation preventive timer is not shortened,
the high-voltage is not applied to electrode of the air purifier for approx. 1 hour.
• While the air purifier operates, check that the fan speed [AUTO] is not displayed.
(Because the power ON/OFF is controlled on the program)
3) Be sure not to touch the electrode with the human body.
( )
Does the electrode
output approx. –6kV?
Replace the main P.C. board (MCC5020).
No trouble
YES
Primary checkOperation check
Turn off the power breaker once,
and turn on again after 10 seconds.
Does the OPERATION indicator flash?
Turn off the power breaker and remove
CN34 (Micro switch connector).
Short-circuit between and pin
of CN34 at PC side, and turn on the
power breaker after 10 seconds.
Is there conduction of
micro-switch connector under
OFF status of the micro-switch
(Front panel opened)?
Is there conduction of
micro-switch connector under
ON status of the micro-switch
(Front panel closed)?
Does the indoor fan rotate?
Does the PURE indicator (Blue) or
the FILTER indicator (Orange) go on?
Is DC12V applied
between (Red/DC12V) and
(Brown/GND) of CN1 of the
high-voltage generator
in the air purifier?
Micro-switch is stuck
Micro-switch malfunction
To item “Power supply is not turned on”
Replace micro-switch.
Push the switch
→ ON
Release the switch
→ OFF
Does the PURE indicator
go off within 2 seconds after
it was ON, and does the FILTER
indicator (Orange) go on?
Replace the
high-voltage generator
To item “Only indoor fan does not operate”
To item “How to check whether
the air purifier is good or not”
YES
YES
NO
YES
YES
YES
NO
NO
NO
NO
NO
NO
NO
YES
YES
NO
• Conduction check of micro-switch
Tester
ON
• How to check output of minus ion
<Caution on High Voltage!!>
1
2
12
Replace the power P.C. board
(MCC5020) or the housing assembly.
high-voltage
unit
Electrode
High-voltage tester
Referring to the right figure, check the
high-voltage output of the air ionizer.
In this time, peel the thermal insulator, and attach
it to the original position after check operation.
NOTE :
Use an exclusive high voltage tester; otherwise
the tester may be broken.
GND

– 75 –
11-8. How to Diagnose Trouble in Outdoor Unit
11-8-1. Summarized Inner Diagnosis of Inverter Assembly
Table 11-8-1
Diagnosis/Process flowchart Item
Preparation
Check
Check
Operation
Measure-
ment
Check
Stop
Check
Measure-
ment
Contents
Tu r n “OFF” the power supply
breaker, and remove 3P
connector which connects
inverter and compressor.
•Check whether 25A fuse
on the control board
assembly is blown or not.
(F01)
Turn on the power breaker,
and operate the air condi-
tioner in COOL mode by time
shortening.
Measure terminal voltage of
the electrolytic capacity.
760µF:400WV × 3
After operation, turn off the
power breaker after 2
minutes 20 seconds passed,
and discharge the electro-
lytic capacitor by soldering
iron.
Check voltage between
motor phases.
•Is not winding between Q-
R‚ R-S, or Q-S opened
or short-circuited?
•Is not frame grounded with
Q, R, or S?
Summary
If fuse was blown, be sure to
check the electrolytic
capacitor and diode block.
(DB01)
•Connect discharge
resistance (approx. 100Ω,
40W) or soldering iron
(plug) between +, –
terminals of the electro-
lytic capacitor (760µF) of
C14 (with printed CAU-
TION HIGH VOLTAGE) on
P.C. board.
OK if 760µF →
DC280 to 380V
Remove CN300 while
pushing the part indicated
by an arrow because CN300
is a connector with lock.
→Resistance between
phases should be
approx. 55 to 77Ω
→Should be 10MΩ or
more.
Replace
outdoor
fan motor.
Remove connector
of compressor.
NG
NG
NG
NO
OK
OK
OK
YES
Check 25A fuse
(Part No.F01).
Does outdoor
fan rotate?
Replace fuse.
Check
electrolytic
capacitor, diode
block (DB01),
etc.
Check
electrolytic
capacitor, diode
(DB01),
etc.
Remove connector
CN300 of outdoor fan
motor, and using a
tester, check resistance
value between every
phases at motor side.
Check
terminal voltage
of electrolytic
capacitor.
BA
Discharging position
(Discharging period
10 seconds or more) Plug of
soldering
iron

– 76 –
Diagnosis/Process flowchart Item
Check
Operation
Contents
Check winding resistance
between phases of compres-
sor, and resistance between
outdoor frames by using a
tester.
•Is not grounded.
•Is not short-circuited
between windings.
•Winding is not opened.
Remove connector CN300 of
the outdoor fan motor, turn
on the power supply breaker,
and perform the operation.
(Stops though activation is
prompted.)
Check operation within 2
minutes 20 seconds after
activation stopped.
NG
OK
BA
Replace control
board assembly.
Replace
control board. Replace
compressor.
Check
compressor
winding
resistance.
Summary
→OK if 10MΩ or more
→ OK if 0.51Ω → 0.57Ω
(Check by a digital tester.)
11-9. How to Check Simply the Main Parts
11-9-1. How to Check the P.C. Board (Indoor Unit)
(1) Operating precautions
1) When removing the front panel or the P.C. board, be sure to shut off the power supply breaker.
2) When removing the P.C. board, hold the edge of the P.C. board and do not apply force to the parts.
3) When connecting or disconnecting the connectors on the P.C. board, hold the whole housing. Do not pull
at the lead wire.
(2) Inspection procedures
1) When a P.C. board is judged to be defective, check for disconnection, burning, or discoloration of the
copper foil pattern or this P.C. board.
2) The P.C. board consists of the following 2 parts
a. Main P.C. board part :
DC power supply circuit (5V, 12V, 15V), Indoor fan motor control circuit, CPU and peripheral circuits,
buzzer, and Driving circuit of louver.
b. Indication unit of infrared ray receiving infrared ray receiving circuit, LED :
To check defect of the P.C. board, follow the procedure described below.

– 77 –
(3) Check procedures
Table 11-9-1
No.
1
2
3
4
5
6
7
Procedure
Turn off the power supply breaker
and remove the P.C. board
assembly from electronic parts
base. Remove the connecting
cables from the terminal block.
Remove the connector of the
motor and turn on the power
supply breaker. If OPERATION
indicator flashes (once per
second), it is not necessary to
check steps (1 to 3) in the right
next column.
Push [START/STOP] button once
to start the unit. (Do not set the
mode to On-Timer operation.)
Shorten the restart delay timer
and start unit.
Push [START/STOP] button once
to start the unit,
•Shorten the restart delay timer.
•Set the operation mode to
COOL.
•Set the fan speed level to
AUTO.
•Set the preset temperature
much lower than the room
temperature. (The unit (com-
pressor) operates continuously
in the above condition.)
If the above condition (No. 5) still
continues, start the unit in the
following condition.
•Set the operation mode to
HEAT.
•Set the preset temperature
much higher than room tem-
perature.
Connect the motor connector to
the motor and turn on the power
supply.
Start the unit the following
condition.
•Set the fan speed level to HIGH.
(The unit (compressor) operates
continuously in the above
condition in No. 5.)
Check points
Check whether or not the fuse (F01)
is blown.
Check power supply voltage :
1. Between No. 1 and No. 3 of CN23
(AC 220–240V)
2. Between and of C03
(DC 310–340V)
3. Between of C10 and output
side of IC08 (DC 15V)
4. Between 12V and GND
5. Between 5V and GND
Check power supply voltage :
1. Between CN21 and
No. 1 of CN23 (DC 15–60V)
Check whether or not all indicators
(OPERATION, TIMER, FILTER,
PURE) are lit for 3 seconds and they
return to normal 3 seconds later.
1. Check whether or not the com-
pressor operates.
2. Check whether or not the OP-
ERATION indicator flashes.
1. Check whether or not the com-
pressor operates.
2. Check whether or not the OP-
ERATION indicator flashes.
1. Check it is impossible to detect
the voltage (DC 15V) between 3
and 4 of the motor terminals.
2. The motor does not operate or
the fan motor does not rotate with
high speed.
(But it is possible to receive the
signal from the remote controller.)
3. The motor rotates but vibrates
strongly.
Causes
Impulse voltage was applied or the
indoor fan motor short-circuited.
1. The terminal block or the crossover
cable is connected wrongly.
2. The capacitor (C01), line filter
(L01), resistor (R05), or the diode
(DB01) is defective.
3. IC01, IC08 and T01 are defective.
4. IC01, IC08 and T01 are defective.
5. IC01, IC08, IC07 and T01 are
defective.
IC03 and IC04 are defective.
The indicators are defective or the
housing assembly (CN13) is defective.
1. The temperature of the indoor heat
exchanger is extremely low.
2. The connection of the heat ex-
changer sensor is loose.
(The connector is disconnected.)
(CN01)
3. The heat exchanger sensor and the
P.C. board are defective.
(Refer to Table 11-4-1.)
4. The main P.C. board is defective.
1. The temperature of the indoor heat
exchanger is extremely high.
2. The connection of the heat ex-
changer sensor short-circuited.
(CN01)
3. The heat exchanger sensor and the
P.C. board are defective.
(Refer to Table 11-4-1.)
4. The main P.C. board is defective
1. The indoor fan motor is defective.
(Protected operation of P.C. board.)
2. The P.C. board is defective.
3. The connection of the motor
connector is loose.

– 78 –
11-9-2. P.C. Board Layout
GND
+12V
+5V
100
30
40
50
60
70
80
90
20
10
00102030 4050
Resistance value (k )
Temperature (˚C)
TD : Discharge temp. sensor
TA : Room temp. sensor
TC : Heat exchanger temp. sensor
TO : Outdoor temp. sensor
TE : Outdoor heat exchanger temp. sensor
TS : Suction temp. sensor
TA, TC, TO, TE, TS
TD
[1] Sensor characteristic table

– 79 –
11-9-3. Indoor Unit (Other Parts)
11-9-4. Outdoor Unit
No.
1
Part name
Room temp. (TA) sensor
Heat exchanger (TC) sensor
Checking procedure
Disconnect the connector and measure the resistance value with tester.
(Normal temp.)
No.
1
Part name
Compressor
(Model : DA111A1F-20F1)
Checking procedure
Measure the resistance value of each winding by using the tester.
Position
Red - White
White - Black
Black - Red
Resistance value
0.88 to 0.98Ω
Measure the resistance value of winding by using the tester.
Red
White Blac
k
Red
White Blac
k
Measure the resistance value of winding by using the tester.
Resistance value
1435 ± 144Ω
Under 20°C
Measure the resistance value of winding by using the tester.
COM
COM
254
Y
W
BR BL
1
R
6
O
3
Position
Red - White
White - Orange
Brown- Yellow
Brown- Blue
Resistance value
42 to 50kΩ
42 to 50kΩ
42 to 50kΩ
42 to 50kΩ
Temperature
Sensor
TA, TC (kΩ)
10°C 20°C 25°C 30°C 40°C
20.7 12.6 10.0 7.9 4.5
5
4
3
2
1
White
Yellow
Yellow
Yellow
Yellow 5
4
3
2
1
Refer to 11-5-1. (5).
Measure the resistance value of each winding coil by using the tester.
(Under normal temp. 25°C)
Position
1 to 2
1 to 3
1 to 4
1 to 5
Resistance value
380 ± 40Ω
Refer to 11-5-1. (3) and (4).
Under 20°C
Disconnect the connector, and measure resistance value with the tester.
(Normal temperature)
Outdoor temperature sensor
(TO), discharge temperature
sensor (TD), suction
temperature sensor (TS),
outdoor heat exchanger
temperature sensor (TE)
Temperature
Sensor
TD (kW)
TO,TS,TE (kW)
10°C 20°C 25°C 30°C 40°C 50°C
100 64 50 41 27 18
20.7 12.6 10.0 7.9 4.5 —
2
3
Remote controller
Louver motor
MP24Z
4Indoor fan motor
Under 20°C
Position
Red - White
White - Black
Black- Red
Resistance value
17 to 25kΩ
17 to 25kΩ
17 to 25kΩ
2
3
4
5
Outdoor fan motor
(Model : ICF-140-43-4R)
4-way valve coil
(Model : VHV)
Pulse motor valve coil
(Model : CAM-MD12TF-6)

– 80 –
11-9-5. Checking Method for Each Part
No.
1
Part name
Electrolytic capacitor
(For boost, smoothing)
Checking procedure
1. Turn OFF the power supply breaker.
2. Discharge all three capacitors completely.
3. Check that safety valve at the bottom of capacitor is not broken.
4. Check that vessel is not swollen or exploded.
5. Check that electrolytic liquid does not blow off.
6. Check that the normal charging characteristics are shown in continuity test by
the tester.
MCC-5009
Soldered
surface
Heat sink IGBT side
C12 C13 C14
Case that product is good
Pointer swings once, and returns
slowly. When performing test
once again under another
polarity, the pointer should return.
C12, C13, C14 → 760µF/400V
Resistance value
in good product
∞
Tester rod
+–
~
2
~
3
~
2
~
3
–
4
~~~
+–~
1
123
(DBO1)
4
4
23
+
1
+
–
10 to 20 Ω when the multimeter probe
is reversed
2Diode block 1. Turn OFF the power supply breaker.
2. Completely discharge the four electrolytic capacitors.
3. Remove the diode block from the PCB (which is soldered in place).
4. Use a multimeter with a pointer to test the continuity, and check that the
diode block has the proper rectification characteristics.

– 81 –
11-10. How to Simply Judge Whether Outdoor Fan Motor is Good or Bad
1. Symptom
•Outdoor fan motor does not rotate.
•Outdoor fan motor stops within several tens seconds though it started rotating.
•Outdoor fan motor rotates or does not rotate according to the position where the fan stopped, etc.
Remote controller check code “02 : Outdoor block, 1A : Outdoor fan drive system error”
2. Cause
The following causes are considered when the outdoor fan motor does not normally rotate.
1) Mechanical lock of the outdoor fan motor
2) Winding failure of the outdoor fan motor
3) Position-detect circuit failure inside of the outdoor fan motor
4) Motor drive circuit failure of the outdoor P.C. board
3. How to simply judge whether outdoor fan motor is good or bad
NOTE :
However, GND circuit error inside of the motor may be accepted in some cases when the above check is
performed.
When the fan motor does not become normal even if P.C. board is replaced, replace the outdoor fan motor.
If the resistance value between
1 (Red lead) – 2 (White lead)
2 (White lead) – 3 (Black lead)
3 (Black lead) – 1 (Red lead)
of the connector
(CN300 : Motor winding)
is 17 to 25Ω, it is normal.
Turn OFF the breaker.
Fan motor is normal.
Does the fan rotate without trouble
when rotating it with hands?
Disconnect two connectors (CN300) of the
outdoor fan motor from the outdoor P.C. board.
(Outdoor P.C. board error)
Fan motor error
YES
YES
NO
NO
CN300

– 82 –
12. HOW TO REPLACE THE MAIN PARTS
WARNING
• Since high voltages pass through the electrical parts, turn off the power without fail before proceeding with
the repairs.
Electric shocks may occur if the power plug is not disconnected.
• After the repairs have been completed (after the front panel and cabinet have been installed), perform a
test run, and check for smoking, unusual sounds and other abnormalities.
If this check is omitted, a fire and/or electric shocks may occur.
Before proceeding with the test run, install the front panel and cabinet.
• Ensure that the following steps are taken when doing repairs on the refrigerating cycle.
1. Do not allow any naked flames in the surrounding area.
If a gas stove or other appliance is being used, extinguish the flames before proceeding.
If the flames are not extinguished, they may ignite any oil mixed with the refrigerant gas.
2. Do not use welding equipment in an airtight room.
Carbon monoxide poisoning may result if the room is not properly ventilated.
3. Do not bring welding equipment near flammable objects.
Flames from the equipment may cause the flammable objects to catch fire.
•If keeping the power on is absolutely unavoidable while doing a job such as inspecting the cir-
cuitry, wear rubber gloves to avoid contact with the live parts.
Electric shocks may be received if the live parts are touched.
High-voltage circuits are contained inside this unit.
Proceed very carefully when conducting checks since directly touching the parts on the control circuit
board may result in electric shocks.
12-1. Indoor Unit
No.
Part name
Front panel
Procedures
1) Stop operation of the air conditioner and
turn off its main power supply.
2) Open the air inlet grille, push the arm
toward the outside, and remove the grille.
3) Remove the left and right air filters, and
remove the electric dust collector.
Remarks

– 83 –
No.
Part name
Front panel
Procedures
4) Press “ ” part under the front panel
and remove hooks of the front panel from
the installation plate.
Remarks
Pull here
Press here
Press here
Press
Front panel
Installation plate
Holder
Holder
Protrusion
Protrusion
Electric dust
Electric dust
collector
collector
Holder
Holder
Protrusion
Protrusion
Electric dust
Electric dust
collector
collector
Holder
Protrusion
Electric dust
collector
Holder
Protrusion
Electric dust
collector
5) Remove the front panel fixing screws.
(2 pcs.)
6) Press the electric parts box with the right
thumb while pulling the both sides of the
front panel toward you.
<How to assemble the front panel>
1) Press three center positions and two lower center positions of the air outlet, and
then hang the hanging hooks (4 pcs.) at the top side of the front panel to the rear
plate.
2) Insert the electric dust collector and left and right air filters.
Press in the electric dust collector until the protrusions on both sides are completely
inserted into the holders.
If installation is incomplete, the FILTER indicator (orange) may light.
3) Tighten two screws.
•Incomplete hanging or incomplete pressing may cause a dewdrops or generation
of a fluttering sound.

– 84 –
Air ionizer
Connector
Drain guide
Press the
claw here
Press the
claw here
Pull here
Screw
No.
Part name
High voltage
generator
Procedures
1) Follow to the procedure in the item .
2) Remove the drain guide.
3) To remove the air ionizer from the back body,
pull it toward you while pressing down on its left
and right claws.
Disconnect the two leads (black) connected to
the air ionizer from where they are fitted into
the other components.
(Caution: do not remove the Faston.)
4) Disconnect the connectors of the high-voltage
generator, and disconnect the four leads from
where they are fitted into the other compo-
nents.
5) Remove the fixing screw which secures the
high voltage generator, and remove the high
voltage generator from the evaporator.
Remarks
<How to assemble the high voltage generator>
1) Insert the high voltage generator straight into
the evaporator, and secure it using the fixing
screw.
Claw
Claw
Claw
Check whether the
completely inserted.
2) Pass the leads of the high voltage generator
through the area designated and insert them
into its connectors.
3) Attach the air ionizer to the back body, and
pass the two leads (black) through the area
designated on the electric parts box assembly.
4) Attach the drain guide.

– 85 –
No.
Part name
Electric parts
box assembly
Procedures
1) Follow the procedure up to 4) in above.
2) Remove screw of earth lead attached to the
end plate of the evaporator.
3) Remove the lead wire cover, and remove
connector (5P) for the fan motor and connec-
tor (5P) for the louver motor from the electric
parts box assembly.
4) Pull out TC sensor from sensor holder of the
evaporator.
Remarks
Fixing screw
TC sensor
Louver moter
connector
Fan motor
connector
Screw
Press the
drain pan
Pull the display
unit toward you
5) Disengage the two claws at the top of the
display unit.
(They can be easily disengaged by pressing
the drain pan above the claws and at the
same time pulling the display unit toward you.)
6) Remove the fixing screw that secures the
electric parts box assembly, and remove the
assembly.
<How to assemble the electric parts box>
1) Hook the top part of the electric parts box
assembly onto the claws on the back body,
and secure it using the fixing screw.
Now attach the display unit. Connect the
connectors for the fan motor and louver motor.
2) Secure the grounding wire using the fixing
screw. Insert the TC sensor into the sensor
holder.
* Be absolutely sure to loop the grounding
wire and TC sensor leads once at the
bottom.

– 86 –
No.
Part name
Horizontal louver
Procedures
1) Remove shaft of the horizontal
louver from the back body.
(First remove the left shaft, and
then remove other shafts while
sliding the horizontal louver
leftward.)
Evaporator
(Heat exchanger) 1) Follow to the procedure in the item .
2) Remove the pipe holder from the rear side of the main unit.
3) Remove two fixing screws at the left side of the end plate of the heat exchanger.
Slide the horizontal
louver leftward
Remarks
Disengage the claw
Pipe holder
Screw
Heat exchanger
fixing holder
Screw
4) Remove the heat exchanger fixing holder
by removing the two fixing screws used to
secure it.
5) Remove right side of the end plate from
two fixing ribs while sliding slightly the
heat exchanger rightward.

– 87 –
Screw
Bearing
base
Screw
Raise the left side
Remove in this direction
Bearing base
Bearing
Drain pipe
Bearing base
Drain pipe
No.
Part name
Bearing
Procedures
1) Follow to the procedure in the items .
2) Remove the two fixing screws used to secure
the left edge panel of the heat exchanger, and
remove the two screws used to secure the
bearing base.
3) Raise the left side of the heat exchanger
slightly, and remove the bearing base.
<Caution at assembling>
•If the bearing is out from the housing, push it
into the specified position and then incorporate
it in the main body.
•After assembling the bearing base, check that it
is fitted into the stepped part of the drain pipe.
Remarks

– 88 –
No.
Part name
Fan motor
Procedures
1) Follow to the procedure in the item .
2) Loosen the set screw of the cross flow fan.
3) Remove two fixing screws of the motor band
(Right), and then remove the motor band
(Right).
4) Pull the fan motor outward.
In assembling work, install the fan motor as
follows.
•When assembling the fan motor, the fan
motor must be installed in such a way that
the fan motor leads will be taken out is
positioned at the bottom front.
•After assembling the two hooking claws of
the motor band (right) into the main body,
position the fan motor, insert it, and then
secure the motor band (right) using the two
fixing screws.
Remarks
1) Follow to the procedure in the item .
2) Remove the heat exchanger fixing holder by
removing the two fixing screws used to
secure it.
3) Loosen the set screw of the cross flow fan.
4) Lift the left side of the heat exchanger, and
pull out the cross flow fan.
Cross flow fan
Set screw
Screw
Screw
sing
Secure using
screw
the fixing screw
using
Secure using
g screw
the fixing screw
nd (Right)
Motor band (Right)
F
a
n motor l
eads
Raise the
left side
Pull out here

– 89 –
No.
Part name
Cross flow fan
Procedures
<Caution at reassembling>
1) At assembling work of the bearing base,
check that the drain pipe is surely incorpo-
rated in the back body.
(Otherwise, water leak is caused.)
2) To incorporate the fan motor, remove the fan
motor rubber (at shaft core side), incorporate
the motor into the position in the following
figure, and then install the fan motor.
Remarks
Drain pipe
U groove
Bearing base
70.5mm
Joint
•Install the cross flow fan so that the right
end of the 1st joint from the right of the
cross flow fan is set keeping 70.5 mm from
wall of rear plate of the main unit.
•Holding the set screw, install the cross flow
fan so that U-groove of the fan motor comes
to the mounting hole of the set screw.
•Perform positioning of the fan motor as
follows:
•When assembling the fan motor, the fan
motor must be installed in such a way that
the fan motor leads will be taken out is
positioned at the bottom front.
•After assembling the two hooking claws of
the motor band (right) into the main body,
position the fan motor, insert it, and then
secure the motor band (right) using the two
fixing screws.

– 90 –
No.
Part name
Common procedure
Procedure
1) Turn the power supply off to stop the
operation of air-conditioner.
2) Remove the front panel.
•Remove the 2 fixing screws.
3) Remove the electrical part base.
Remarks
Replace terminal block,
microcomputer ass’y and the
P.C. board ass’y.
12-2. Microcomputer
<P.C. board layout>
R05 L01 C01 CN23 FUSE R04 R01 CN10
J04
IC03C20IC01
T01
C03
DB01

– 91 –
12-3. Outdoor Unit
No.
Part name
Common
procedure
Procedure
1. Detachment
NOTE
Wear gloves for this job.
Otherwise, you may injure your
hands on the parts, etc.
1) Stop operation of the air conditioner,
and turn off the main switch of the
breaker for air conditioner.
2) Remove the valve cover.
(ST1TØ4 × 8L 1 pc.)
•After removing screw, remove the
valve cover pulling it downward.
3) Remove wiring cover (ST1TØ4 × 8L
2 pcs.), and then remove connecting
cable.
4) Remove the upper cabinet.
(ST1TØ4 × 8L 5 pcs.)
•After removing screws, remove the
upper cabinet pulling it upward.
2. Attachment
1) Attach the water-proof cover.
NOTE
The water-proof cover must be
attached without fail in order to
prevent rain water, etc. from entering
inside the indoor unit.
2) Attach the upper cabinet.
(ST1TØ4 × 8L 5 pcs.)
3) Perform cabling of connecting cable,
and attach the wiring cover.
•Place the wiring cover over the
opening used to work on the con-
necting wires of the side cabinet,
and secure it using the two fixing
screws (ST1TØ4 × 8L 2 pcs.).
At this point, the top cushion of the
wiring cover must be on the inside of
the opening.
4) Attach the valve cover.
(ST1TØ4 × 8L 1 pc.)
•Insert the upper part into the square
hole of the side cabinet, set hook
claws of the valve cover to square
holes (at three positions) of the main
unit, and attach it pushing upward.
Remarks
Upper cabinet
Water
proof
cover
Valve cover
Insert the bent part
into the rear panel
of th
e
inv
e
rt
er
Brin
g
into contact
against these parts
How to mount the water-proof cover
Ali
g
n the stitch line
with the top ed
g
e
of the front cabinet
Bend downward, and ali
g
n
with th
e
in
s
i
de
su
rf
ace
of the front cabinet

– 92 –
No.
Part name
Front cabinet
Procedure
1. Detachment
1) Perform step 1 in .
2) Remove the fixing screws (ST1TØ4 × 8L
2 pcs.) used to secure the front cabinet
and inverter cover, the screws (ST1TØ4
× 8L 3 pcs.) used to secure the front
cabinet at the bottom, and the fixing
screws (ST1TØ4 × 8L 2 pcs.) used to
secure the motor base.
•The front cabinet is fitted into the side
cabinet (left) at the front left side so
pull up the top of the front cabinet to
remove it.
2. Attachment
1) Insert the claw on the front left side into
the side cabinet (left).
2) Hook the bottom part of the front right
side onto the concave section of the
bottom plate. Insert the claw of the side
cabinet (right) into the square hole in the
front cabinet.
3) Return the screws that were removed
above to their original positions, and
attach them.the main unit, and attach it
pushing upward.
Remarks
Square
hole
Claw
Front cabinet
Concave section

– 93 –
No.
Part name
Inverter
assembly
Procedure
1) Perform work of item 1 in .
2) Remove screw (ST1TØ4 × 8L 2 pcs.) of the
upper part of the front cabinet.
•If removing the inverter cover in this
condition, P.C. board can be checked.
•If there is no space above the unit, perform
work of 1 in .
Be careful to check the inverter because
high-voltage circuit is incorporated in it.
3) Perform discharging by connecting ,
polarity by discharging resistance (approx.
100Ω40W) or plug of soldering iron to ,
terminals a of the C14 (printed “CAUTION
HIGH VOLTAGE” is attached.) electrolytic
capacitor (760µF) on P.C. board.
Be careful to discharge the capacitor
because the electrolytic capacitor
cannot naturally discharge and voltage
remains according to trouble type in
some cases.
NOTE
This capacitor is one with mass capacity.
Therefore, it is dangerous that a large
spark generates if short-circuiting
between , polarity with screwdriver,
etc. for discharging.
4) Remove screw (ST1TØ4 × 8L 2 pcs.) fixing
the main body and the inverter box.
5) Remove the front cabinet by performing step
1 in , and remove the fixing screws
(ST1TØ4 × 8L) for securing the main body
and inverter box.
6) Remove various lead wires from the holder
at upper part of the inverter box.
7) Pull the inverter box upward.
8) Disconnect connectors of various lead wires.
Requirement
As each connector has a lock mecha-
nism, avoid to remove the connector by
holding the lead wire, but by holding the
connector.
Remarks
P
u
t
eac
h l
eads
through the hole
Put the compresso
r
leads through
the hole
Inverter cover P. C. board
(Soldered surface)
Discharging position
(Discharging period
10 seconds or more)
Plug of
soldering
iron
A
sc
r
ew
(
STIT-4X8MSZN
)
T
e
rmin
a
l
b
lo
ck
The connector is one
with lock, so remove
it while pushing the
part indicated by an
arrow.
Be sure to remove the connector by
holding the connector, not by pulling
the lead wire.

– 94 –
No.
Part name
Control board
assembly
Procedure
1. Disconnect the leads and connectors connected to
the other parts from the control board assembly.
1) Leads
•3 leads (black, white, orange) connected to
terminal block.
•Lead connected to compressor :
Disconnect the connector (3P).
•Lead connected to reactor :
Disconnect the two connectors (2P).
2) Connectors (×8)
CN300 : Outdoor fan motor (3P: white)*
(See NOTE)
CN701 : 4-way valve (2P: yellow)*
CN600 : TE sensor (2P: white)*
CN700 : PMW (6P: white)
CN603 : TS sensor (3P: white)*
CN601 :TD sensor (3P: white)*
CN602 : TO sensor (2P: white)
NOTE
These connectors have a disconnect prevention
mechanism: as such, the lock on their housing
must be released before they are disconnected.
2. Remove the control board assembly from the P.C.
board base. (Remove the heat sink and control
board assembly while keeping them screwed
together.)
NOTE
Disengage the four claws of the P.C. board base,
hold the heat sink, and lift to remove it.
3. Remove the two fixing screws used to secure the
heat sink and control board assembly.
4. Mount the new control board assembly.
NOTE
When mounting the new control board assembly,
ensure that the P.C. board is inserted properly
into the P.C. board support groove.
Remarks
CN300, CN701, CN600 and
CN603 are connectors with
locking mechanisms: as such,
to disconnect them, they must
be pressed in the direction of
the arrow while pulling them
out.
P.C. board base
P.C. board
CN700 CN602 CN300
CN701
CN603
CN601 CN600

– 95 –
No.
Part name
Side cabinet
Procedure
1. Side cabinet (right)
1) Perform step 1 in and all the steps in
.
2) Remove the fixing screw (ST1TØ4 × 8L
5 pcs.) used for securing the side
cabinet to the bottom plate and valve
fixing panel.
2. Side cabinet (left)
1) Perform step 1 in .
2) Remove the fixing screw (ST1TØ4 × 8L
1 pcs.) used to secure the side cabinet
(left) onto the heat exchanger.
3) Remove the fixing screw (ST1TØ4 × 8L
2 pc.) used for securing the side cabinet
to the bottom plate and heat exchanger.
Remarks
A
B
C
The back body section is hooked
onto the bottom plate here.
Hook the claw onto
the bottom plate here.
Detail A Detail B Detail C
1) Perform work of item 1 of and .
2) Remove the flange nut fixing the fan motor
and the propeller.
•Flange nut is loosened by turning clock-
wise. (To tighten the flange nut, turn
counterclockwise.)
3) Remove the propeller fan.
4) Disconnect the connector for fan motor
from the inverter.
5) Remove the fixing screws (2 pc.) holding
by hands so that the fan motor does not
fall.
* Precautions when assembling the fan
motor
Tighten the flange nut using a tightening
torque of 4.9 N•m.
Fan motor
Propeller fan
Flange nut
Fan motor

– 96 –
No.
Part name
Compressor
Procedure
1) Perform work of item 1 of and , , ,
.
2) Extract refrigerant gas.
3) Remove the partition board.
(ST1TØ4 × 8L 3 pcs.)
4) Remove the sound-insulation material.
5) Remove terminal cover of the compressor,
and disconnect lead wire of the compressor
from the terminal.
6) Remove pipe connected to the compressor
with a burner.
•Take care to keep the 4-way valve away
from naked flames. (Otherwise, it may
malfunction.)
7) Remove the fixing screw of the bottom plate
and heat exchanger. (ST1TØ4 × 8L 1 pc.)
8) Remove the fixing screw of the bottom plate
and valve fixing plate.
(ST1TØ4 × 8L 1 pc.)
9) Pull upward the refrigeration cycle.
10) Remove BOLT (3 pcs.) fixing the compres-
sor to the bottom plate.
*Precautions when assembling the com-
pressor.
Tighten the compressor bolts using a
tightening torque of 4.9 N•m.
Remarks
Reactor 1) Perform work of item 1 of , and .
2) Remove screws fixing the reactor.
(ST1TØ4 × 8L 4 pcs.)
Valve
fixing
plate
Compressor
Partition
board
Reactor

– 97 –
No.
Part name
Electronic
expansion valve
coil
Procedure
1. Detachment
1) Perform step 1 in , all the steps in
and 1 in .
2) Remove the coil by pulling it up from the
electronic control valve body.
2. Attachment
1) When assembling the coil into the valve
body, ensure that the coil anti-turn lock is
installed properly in the pipe.
<Handling precaution>
When handling the parts, do not pull the leads.
When removing the coil from the valve body, use
your hand to secure the body in order to prevent
the pipe from being bent out of shape.
Remarks
Hooking claw
Minus screwdriver
Coil inserting
position
Coil anti-turn
lock position
Coil
anti-turn
lock
Fan guard 1. Detachment
1) Perform work of item 1 of .
2) Remove the front cabinet, and put it down
so that fan guard side directs downward.
Perform work on a corrugated cardboard,
cloth, etc. to prevent flaw to the product.
3) Remove the hooking claws by pushing minus
screwdriver according to the arrow mark in
the right figure, and remove the fan guard.
2. Attachment
1) Insert claws of the fan guard in the holes
of the front cabinet. Push the hooking
claws (9 positions) by hands and fix the
claws.
All the attaching works have completed.
Check that all the hooking claws are fixed
to the specified positions.

– 98 –
No.
11
Part name Procedure Remarks
TE sensor (outdoor heat exchanging temperature sensor)
• Attachment
With the leads pointing downward and the sensor leads
pointing in the direction shown in the figure, install the sensor
onto the straight pipe part of the condenser output pipe.
CAUTION
During the installation work (and on its completion), take care not to damage the coverings of
the sensor leads on the edges of the metal plates or other parts. It is dangerous for these
coverings to be damaged since damage may cause electric shocks and/or a fire.
CAUTION
After replacing the parts, check whether the positions where the sensors were installed are the
proper positions as instructed. The product will not be controlled properly and trouble will result
if the sensors have not been installed in their proper positions.
Detail B
Detail A
Arrow D
Detail C
• Shown in the above figure is the
model 13GAVP-E.
• The sensor mounting positions
in the model 10GAVP-E are all
the same with the sole excep-
tion of the TE sensor. Refer to
the figure shown on the left.
Detail C for 13, 16GAVP-E
Detail C for 10GAVP-E
TS sensor (Suction pipe temperature sensor)
• Attachment
With its leads pointing downward, point the sensor in the
direction of the packed valve, and install it onto the straight
pipe part of the suction pipe.
TD sensor (Discharge pipe temperature sensor)
• Attachment
With its leads pointed downward, install the sensor onto the
vertical straight pipe part of the discharge pipe.
TO sensor (Outside air temperature sensor)
• Attachment
Insert the outdoor air temperature sensor into the holder, and
install the holder onto the heat exchanger.
Detail B
TS sensor Detail A
TD sensor Arrow D
TO sensor
12
13
14

– 99 –
No.
15
Part name
Replacement of
temperature sensor
for servicing only
Common service
parts of sensor TO,
TS, TE, TD
Procedure
1) Cut the sensor 100 mm longer than old
one.
2) Cut the protective tube after pulling out
it (200 mm).
3) Move the protective tube toward the
thermal sensor side and tear the tip of
lead wire in two then strip the covering
part.
4) Pass the stripped part through the
thermal constringent tube.
5) Cut the old sensor 100 mm length on
the connector side, and recycle that
connector.
6) Tear the lead wire in two on the con-
nector side and strip the covering part.
7) Twist the leads on the connector and
sensor sides, and solder them.
8) Move the thermal constringent tubes
toward the soldered parts and heat
them with the dryer and constring
them.
9) Wind the attached color tape round the
both terminals of the protective tube
when colored protective tube is used.
10) Fix the sensor again.
Remarks
1
2
3
4
5
6
Parts name
Sensor
Sensor Spring (A)
Sensor Spring (B)
Thermal constringent tube
Color tape
Terminal
Q'ty
1
1
1
3
1
3
Cutting here
Cutting here
Cutting here
Soldered part
Dryer
Winding the color tape
100
200
Connector
Thermal
sensor part
Thermal
constringent tube
70
15
100
70
15
NOTE
1) Store the joint part of the sensor and the connector in the electric parts
box.
2) Never joint them near the thermal sensor part. Otherwise it would cause
insulation inferiority because of dew drops.
3) When replacing the sensor using the colored protective tube, wind the
color tape matching the color of that tube.
These are parts for
servicing sensors.
Please check that
the accessories
shown in the right
table are packed.
Remarks
Length : 3m
For spare
For spare
Including one spare
9 colors

– 100 –
MCC-5009

– 101 –
Location
Part Description
No. No.
201 43005633 Panel Ass’y, Front
202 43005610 Grille, Air Inlet
203 4301V052 Plate, Fix
204 43080512 Filter, Air, Right
205 43080521 Filter, Air, Left
206 43009675 Louver, Horizontal
207 43009682 Louver, Vertical
209 4302C067 Motor, Fan
210 4302C063 Motor, Louver
211 4306A024 Cord, Motor, Louver
212 43039363 Band, Motor, Left
213 43039321 Base, Bearing
214 43020346 Fan, Cross Flow
215 43039314 Band, Motor
216 43020253 Bearing
217 4301V028 Holder, Pipe
218 43049701 Pipe, Shield (B16GKVP-E)
219 43049698 Pipe, Shield
(B10GKVP-E, B13GKVP-E)
221 43047671 Pipe, Outlet
(B10GKVP-E, B13GKVP-E)
222 43047672 Pipe, Outlet (B16GKVP-E)
Location
Part Description
No. No.
223 43049674 Spring, Suction
(B16GKVP-E)
224 43047673 Pipe, Inlet
225 43044803 Evaporator
(B10GKVP-E, B13GKVP-E)
226 43044804 Evaporator (B16GKVP-E)
227 43039324 Guide, Drain
228 43049728 Guide, Drain, Left
229 43019904 Holder, Sensor
230 43049770 Holder, Evaporator, Right
232 43062256 Cover, Terminal
233 43062247 Cover, Lead
234 43082293 Plate, Installation
235 4306S577 Remote Controller
236 43083071 Holder, Remote, Comtroller
238 43003307 Body Ass’y, Back
239 43070188 Hose, Drain
240 43079268 Cap, Drain
245 43080516 Electrical Air Purifying Filter
246 43080527 Generator Ass’y, HV
247 4308N732 Owner’s Manual
13. EXPLODED VIEWS AND PARTS LIST
13-1. Indoor Unit (1)
∗The parts in the following parts list are conformed to RoHS.
Therefore be sure to use the following parts for repairing and replacing.
233
232
239
207
218, 219
212
230
223
210 211
215
209
217
234
240
238
214
225, 226
213
216
247
235
236
201 203 221, 222, 224
246
227
228
245
204
205
202
206
229

– 102 –
Location
Part Description
No. No.
401 4306A123 Terminal Block, 2P
402 43062263 Cover, E-Parts
403 43050425 Sensor, TC (F6)
404 43050426 Sensor, TA
405 4306S728 P.C. Board Ass’y, WRS-LED
406 43051346 SW-Micro Ass’y
Location
Part Description
No. No.
407 4306S709 P.C. Board Ass’y
(B10GKVP-E)
408 4306S710 P.C. Board Ass’y
(B13GKVP-E)
409 4306S711 P.C. Board Ass’y
(B16GKVP-E)
410 43067115 Clamp, Cord
Indoor Unit (2)
406
405
401
402
403
404
407, 408, 409
410
∗The parts in the following parts list are conformed to RoHS.
Therefore be sure to use the following parts for repairing and replacing.

– 103 –
13-2. Outdoor Unit
735
34
745 46 10
398
2
48
28, 29
44
30, 31
14, 15, 17, 18, 20
21, 23, 24, 25, 26
47
27
37
32
13, 16, 19, 22
35
33
34
38
43
10
11, 12
4
36
6
3
2
40
39
41
42
1
5

– 104 –
Location
Part Description
No.
1 43005657 Cabinet, Front
2 43005642 Cabinet, Upper
3 43005658 Cabinet, Side, Right
4 43005634 Cabinet, Side, Left
5 4301V035 Guard, Fan
6 4301V053 Guard, Fin
7 43042489 Base Ass’y
8 43119471 Cover, Valve, Packed
9 43062262 Cover, Wiring Ass’y
10 43041634 Compressor,
DA111A1F-20F1, RoHS
11 43043749 Condenser Ass’y
(10GAVP-E)
12 43043751 Condenser Ass’y
(13GAVP-E, 16GAVP-E)
13 37546845 Valve, Packed, 6.35
14 43046442 Valve, Packed, 9.52
(10GAVP-E, 13GAVP-E)
15 37546846 Valve, Packed, 12.7
(16GAVP-E)
16 43147196 Bonnet, 1/4 IN
17 43047401 Bonnet, 3/8 IN
(10GAVP-E, 13GAVP-E)
18 43147195 Bonnet, 1/2 IN (16GAVP-E)
19 43047676 Nut, Flare, 6.35
20 43047677 Nut, Flare, 9.52
(10GAVP-E, 13GAVP-E)
21 43047678 Nut, Flare, 12.7 (16GAVP-E)
22 43047679 Cap, Valve, Packed, 6.35
23 43047680 Cap, Valve, Packed, 9.52
(10GAVP-E, 13GAVP-E)
Location
Part Description
No.
24 43047681 Cap, Valve, Packed, 12.7
(16GAVP-E)
25 43047674 Cap, Charge, Port
(10GAVP-E, 13GAVP-E)
26 43047675 Cap, Charge, Port
(16GAVP-E)
27 44246239 Tube, Capillary, I.D 1.2
(13GAVP-E, 16GAVP-E)
28 43046444 Valve, 4-Way,
STF-0108Z, RoHS
29 43046443 Coil, 4-Way valve
30 37546848 Valve, Pulse, Motor,
CAM-B22YGTF-3
31 37546849 Coil, PMV, CAM-MD12TF-6
32 43058277 Reactor
33 4302C068 Motor, Fan, ICF-140-43-4R
34 43020329 Fan, Propeller, PJ421
35 43047669 Nut, Flange
36 43039392 Base, Motor Ass’y
37 43004233 Plate, Partition
38 4301V064 Plate, Fix, Valve, Packed
39 43032441 Nipple, Drain
40 43089160 Cap, Waterproof
41 4301P703 Mark, TOSHIBA
42 4301P702 Mark, DAISEIKAI
43 43049749 Rubber, Cushion
44 43062176 Sleeve, Flag
45 43063321 Holder, Sensor (TD)
46 43063322 Holder, Sensor (TS)
47 43063325 Holder, Sensor (TE)
48 43063339 Holder, Sensor (TO)
∗The parts in the following parts list are conformed to RoHS.
Therefore be sure to use the following parts for repairing and replacing.

– 105 –
Location
Part Description
No.
701 43050422 Sensor, TE
702 43050423 Sensor, TS
703 43050427 Sensor, TO
704 43062228 Base, P.C. board
Location
Part Description
No.
705 43160566 Terminal Block, 6P
706 43050430 Sensor, TD
707 4306S737 P.C. board Ass’y, MCC5009
13-3. P.C. Board Layout
704 Base, P.C. Board
707 P.C. Board Ass’y
705 Terminal (6P)
706 Sensor, TD (Ø4)
701 Sensor, TE
702 Sensor, TS
703 Sensor, TO
∗The parts in the following parts list are conformed to RoHS.
Therefore be sure to use the following parts for repairing and replacing.

Appendix-1
Appendix
No.
1
2
3
4
5
6
7
8
9
10
11
12
Cord Heater Installation Work
Applicable Models: RAS-10GAVP-E, RAS-13GAVP-E, RAS-16GAVP-E
1. Required parts for installation work (Recommendation)
The above products conform to RoHS (2002/95/EC). Therefore when procuring and using the following recom-
mended parts at local site, it is recommended to confirm each part conforms to RoHS before use.
Remarks
Procured locally
Procured locally
Procured locally
Procured locally
Procured locally
Procured locally
Procured locally
Procured locally
Procured locally
Procured locally
Procured locally
Procured locally
Specifications/Vendor
Drain line heaters CSC2 (1.5m, 40W/m) by Flexelec com.
(Please go to the following URL.)
http://www.flexelec.com
US-622AXRLQE by ASAHI KEIKI
Operating temperature: on 4 ± 4°C, off 15 ± 3°C
A thermostat holder is incorporated with a thermostat in the package.
(Please go to the following URL.)
http://www.asahikeiki.co.jp/product/product.html
On self-responsibility, you can use a product manufactured by other
company (For example, Texas Instruments) if its characteristics are
equivalent to those of ASAHI KEIKI. However, when the shape of the
thermostat holder is different from that of ASAHI KEIKI, apply some
treatment to No.14 thermostat fixing plate and then fix the holder.
ES3-5000, 250V / 5A by NAGASAWA Electric Co.
(Please go to the following URL.)
http://www.nagasawa-el.co.jp/
On self-responsibility, you can use a product manufactured by other
company if its characteristics are equivalent to those of NAGASAWA
Electric Co.
GM1H-02 by NAGASAWA Electric Co.
(Please go to the following URL.)
http://www.nagasawa-el.co.jp/
On self-responsibility, you can use a product manufactured by other
company if its characteristics are equivalent to those of NAGASAWA
Electric Co.
Use heat-resistance, weatherproof and non-hydrolytic type.
Material: 4-fluorinated ethylene copolymer
Harness diameter: Ø5.9
Use equivalence with the above specifications.
11 pieces are used to fix the cord heater to the outdoor unit base plate.
One piece is used to fix the power cord to the thermostat fixing plate .
One piece is used to fix the power cord to the terminal fixing plate.
Use heat-resistance, weatherproof and non-hydrolytic type.
Material: 4-fluorinated ethylene copolymer
Harness diameter: Ø9.1
Use equivalence with the above specifications.
One piece is used to fix the cord heater to the outdoor unit base plate.
Self-tapping screw type-B Ø4 × 6mm, truss head, stainless
These screws are used to fix the cord heater to the outdoor unit base
plate with P-shape clamp.
Self-tapping screw type-B Ø4 × 8mm, truss head, stainless
Two screws are used to fix the thermostat fixing plate to the side cabinet (R).
One screw is used to fix the power cord to the thermostat fixing plate.
One screw is used to fix the power cord to the terminal fixing plate.
Self-tapping screw type-B Ø3.5 × 6mm, pan head
These screws are used to fix the thermostat to the thermostat fixing
plate with the thermostat holder.
#250 They are used for the connecting part to the thermostat.
UL sleeve for #250
Use the most appropriate connector with the power cord diameter.
Q’ty
1
1
1
1
13
1
12
4
2
2
2
2
Part name
Cord heater
Thermostat
Fuse
Fuse holder
P-shape
clamp
P-shape
clamp
Screw
Screw
Screw
Faston
Sleeve for
Faston
Close-end
connector

Appendix
Appendix-2
No. RemarksSpecifications/VendorQ’tyPart name
NOTE: The parts on the above table are recommended parts.
13
14
15
16
17
Power cord
Thermostat
fixing plate
PVC tube
Shield tube
Bundling tie
1
1
1
1
1
2-cores x 0.75mm² or more, H05RN-F
Material: SGCC-Z08, Board thickness: 0.8t
Inside diameter Ø8 x outside diameter Ø11 x 70 mm
Inside diameter Ø18 x outside diameter Ø26 x 70 mm
Material: Polyethylene foam
Bundling tie for securing the wires
Material: 6/6 nylon
Procured locally
Procured locally
(Drawing attached)
Procured locally
Procured locally
Procured locally
Usage
It is used for disassembling and assembling of each cabinet.
It is used for disassembling and assembling of compressor fixing nuts.
It is used to make the additional holes on the base or the side cabinet
(R).
It is used to process the side cabinet (L).
2. Required tools for installation work
No.
1
2
3
4
5
6
7
8
9
10
Part name
Plus screwdriver
Wrench
Motor drill
Faston crimping tool
Close-end connec-
tor crimping tool
Cutting plier
Stripper
Cutter knife
Insulation tape
Metal-cutting shears
Specifications
Drill diameter:
Ø3.2 and Ø5.0
Fixing jig for #250

Appendix-3
Appendix
3. Cord heater installation wiring diagram
LN
Fuse Thermostat Cord heater
Outdoor unit
Earth leakage circuit breaker Power supply for air conditioner
Earth leakage circuit breaker Power supply for cord heater
* Be sure to connect the fuse and the thermostat to LIVE side of the cord heater.
NOTE:
Separate the cord heater power from the air conditioner power, and connect it to its exclusive breaker.
By doing so, the power consumption can be decreased because the breaker can be turned off if there is no
possibility of freezing of the base plate in cooling operation, etc.
When the cord heater power is connected to the inverter P.C. board assembly or others without connected to the
exclusive breaker, the control P.C. board of the inverter assembly may cause a failure.
When the cord heater has been mounted on a base plate, do not mount the water-proof cap and drain nipple which
are provided with the outdoor unit on the base plate.

Appendix
Appendix-4
4. Cord heater installation work procedure
No. Photo / Explanatory diagram Procedure
1Remove each cabinet, inverter assembly, motor base assembly, and partition board assembly.
* Do not damage the electric parts such as cables, connectors, etc. while this work.
Remove the upper cabinet and the valve cover.
Related parts / Screws list
Used screw
Part name Screw type Quantity
Upper cabinet Ø4 × 85
Valve cover Ø4 × 11
1-1
Remove the front cabinet, the wiring cover and the
water-proof cover.
Related parts / Screws list
Used screw
Part name Screw type Quantity
Front cabinet Ø4 × 87
Wiring cover Ø4 × 82
1-2
Remove the side cabinet (R/L) and the inverter
assembly.
Related parts / Screws list
Used screw
Part name Screw type Quantity
Side cabinet (R) Ø4 × 87
Side cabinet (L) Ø4 × 83
Inverter assembly Ø4 × 81
1-3
Remove the inverter assembly.
No. Part name Connector No. Connector color
1 TE sensor CN600 White
2 TD sensor CN601 White
3 TO sensor CN602 White
4 TS sensor CN603 White
54-way valve
coil CN701 Yellow
6 PMV coil CN700 White
7 Fan motor CN300 White
8Compressor
lead (Intermediate connector) White
9Reactor
(2 pieces.) (Intermediate connector) White
1-4
Upper cabine
t
V
a
lv
e
c
ov
er
W
irin
g
cove
r
Water-proof
cover
Front
cab
in
et
Side cabinet
(
L
)
Side cabinet
(
R
)
Inverter assembl
y

Appendix-5
Appendix
No. Photo / Explanatory diagram Procedure
Remove the motor base assembly, partition plate assembly
and the sound insulation board.
Related parts / Screws list
Used screw
Part name Screw type Quantity
Motor base assembly
(Including motor and fan) Ø4 × 82
Partition plate assembly
(Including reactor) Ø4 × 83
1-5
Remove the fixing screws of the heat exchanger and the
valve fixing plate. Remove the compressor fixing bolt.
Related parts / Screws list
Used screw
Part name Screw type Quantity
Heat exchanger Ø4 × 81
Valve fixing plate Ø4 × 81
Compressor bolt 3
1-6
As shown in the left figure, remove the set of refrigeration cycle
assembly from the outdoor unit base plate.
* In this time, work attentively so that the cycle pipes are not
damaged by dent or deformation. Apply protective
measures to pipes if necessary.
1-7
S
ound
in
su
l
a
tion
b
o
a
r
d
Partition plate
assembl
y
M
o
t
o
r
base
assembl
y
Valve fixin
g
plat
e
Heat exchan
g
e
r
Compresso
r

Appendix
Appendix-6
No. Photo / Explanatory diagram Procedure
2
Cord heater installation work
Drill a hole on the outdoor unit base plate, and fix the cord heater to the outdoor unit base plate using P-shape
clamp.
Connect the cord heater cables.
2-1
Using a motor drill, etc., drill Ø3.2 holes on the outdoor unit base plate. (12 positions) See Appendix-10 for the
additional hole positions.
These holes are used to fix the cord heater to the outdoor unit base plate with P-shape clamp.
2-2
Insert the PVC tube into the cord heater.
This tube is designed to protect the cord heater from
the fixing screws used to secure the anchoring feet.
As shown in the left figure, install the cord heater
(1.5m) to the outdoor unit base plate by using P-
shape clamp and screws (Self-tapping screw type-B
Ø4 × 6mm, stainless).
Pay attention to the direction of P-shape clamp so
that it is set to the same direction in the left figure.
* If the drain port is frozen due to installation
status, etc., draw around the cord heater so that
the end part of the heater is inserted into the
drain port. In this case, add some fixing
positions to fix the cord heater surely.
* The end part from the marked part of the cord
heater heats up. When there is the heating part
near the electric parts box, a fire may generate.
Be sure to set the heating part on the outdoor
unit base plate at the fan room side or near it.
(within 20cm from the outdoor unit base plate)
* Be careful that the cord heater does not hit the
fan.
Fix the cord heater without any loosening or sag.
2-3
Drill a hole on the side cabinet (R) for fixing the
thermostat fixing plate.
Ø5 hole at two positions
When drilling a hole on the side cabinet (R), be
sure not to damage the cabinet.
A
dded
h
o
l
e
2
-
φ
5
Side cabinet
(
R
)
7
5
46
Ø9.1 P-shape clamp
PV
C
tub
e
The PV
C
tube must be inserted
into th
e
c
or
d
h
ea
t
e
r
be
tw
ee
n
the fixin
g
screws in order to
protect the cord heater from
th
ese
sc
r
e
w
s
.
U
n
de
r no
ci
r
cu
m
s
t
a
n
ces
m
us
t
th
e
t
ube
be
a
llow
ed
to ri
de
ov
e
r
the tip of the fixing screws.
Enlar
g
e
d
marked par
t
Heatin
g
par
t

Appendix-7
Appendix
No. Photo / Explanatory diagram Procedure
2-4
Rework the side cabinet (L) to remove part of it.
The area to be removed is indicated by the shaded
lines in the left figure.
After removing part of the side cabinet (L), deburr the
edges of the side cabinet (L).
2-5
Perform end process and bundling of each cable.
Using fixing screws (Self-tapping screw type-B Ø3.5
× 6mm), fix the thermostat to the thermostat fixing
plate.
Perform end process for various lead cables and
connect them according to the wiring diagram.
Attach #250 Faston and UL-approved sleeves each
to the end of lead cables which are connected to the
thermostat.
Using insulation tape, apply protective measures to
the connected parts by the close-end connectors.
Using P-shape clamp and the screws (Self-tapping
screw type-B Ø4 × 8mm), fix the power cord to the
thermostat fixing plate.
When the power cord size does not match with P-
shape clamp, procure the most appropriate one at
the local site.
F
use
Fuse holde
r
Thermostat
Th
e
rmo
s
t
a
t
fixin
g
plat
e
P-shape clamp
Pow
e
r
c
or
d
C
ord heate
r
* Transparent
L
s
i
de
Close-end connector
insulation tap
e
D
e
l
e
t
e
Side cabinet
(
L
)

Appendix
Appendix-8
No. Photo / Explanatory diagram Procedure
3
Assembly
Return a set of the refrigeration cycle assembly into the outdoor unit base plate and reassemble sound insulation
board, partition plate assembly, fan motor assembly, and side cabinet (R/L) as original. Fix the thermostat fixing
plate to the side cabinet (R), built in the inverter assembly, and then connect various cables. After then,
incorporate front cabinet, upper cabinet, wiring cover, and valve cover as before.
3-1
Return a set of the refrigeration cycle assembly into the
outdoor unit base plate, and assemble sound insulation
board, partition plate assembly, fan motor assembly, and
side cabinet (R/L) as original.
3-2
Using screws (Self-tapping screw type-B Ø4 × 8mm,
stainless), fix the thermostat fixing plate to the side
cabinet (R).
3-3
After incorporating the inverter assembly as before,
furthermore perform cable process for cord heater and
power cord.
For the cord heater, perform cable process so that there
is no looseness or sag at the fan side.
Perform cable process for the cord heater together with
the fan motor lead cable, and collect the remained part
of cables at cable process part of the inverter.
Secure the power cord for the cord heater to the
terminal block mounting plate using the P-shape clamp,
and pull it out from the wiring area of the side cabinet
(R).
* Check that there is the marked part of the cord heater
on the outdoor unit base plate or near it.
When there is the heating part near the electric parts
box, a fire may generate.
Since the lead wires connected to the cord heater and
thermostat may come into contact with the edges of the
sheet metal or tips of the screws, wrap the shield tubes
around the leads to protect them and use the bundling
ties to secure them.
3-4 Incorporate front cabinet, upper cabinet, wiring cover, water-proof cover and valve cover as before.
4In installation work, connect power cord for the cord heater to another breaker separated from one for power cord
of the air conditioner.
Side cabinet
(
R
)
Thermostat fixin
g
plat
e
Perform cable process for collected
c
or
d
h
ea
t
e
r
a
n
d
f
a
n motor l
ead
cab
l
es.
Pow
e
r
c
or
d
for
c
or
d
h
ea
t
er
P-shape
clamp
To keep the lead wires from comin
g
into contact with the
edges of the sheet metal or tips of the screws, wrap the
shield tubes around the leads to protect them and use
the bundling ties to secure them.
Do not make cord heater loose.
Do not put the heating part near the electric parts box.

Appendix-9
Appendix
28
24
55
11
11
18
45
18
37
56
36
46
11
11
8
5.8
3-Ø3.4 burring hole
(Downward)
2-Ø3.4 burring hole
(Upward)
Material: SGCC-Z08, Thickness: 0.8t
5. Drawing of thermostat fixing plate

Appendix
Appendix-10
6. Diagram showing positions φφ
φφ
φ3.2 mm holes to be additionally drilled in base plate

TOSHIBA CARRIER CORPORATION
2 CHOME 12-32, KONAN, MINATOKU, TOKYO, 108-0075, JAPAN
Copyright © 1999 to 2005 TOSHIBA CARRIER CORPORATION, ALL Rights Reserved.
This product is compliant with Directive 2002/95/EC, and cannot be disposed as unsorted municipal waste.