Toshiba Ras 13Uav E2 Service Manual
2014-12-13
: Toshiba Toshiba-Ras-13Uav-E2-Service-Manual-127824 toshiba-ras-13uav-e2-service-manual-127824 toshiba pdf
Open the PDF directly: View PDF
.
Page Count: 88

FILE NO. SVM-03008
SERVICE MANUAL
AIR CONDITIONER
SPLIT WALL TYPE
Jun., 2003
RAS-13UKV-E2 / RAS-13UAV-E2
– 1 –
FILE NO. SVM-03008
CONTENTS
1. SPECIFICATIONS
1-1 Specifications
1-2 Operation Characteristic Curve
1-2 Capacity Variation Ratio According to Temperature
2. REFRIGERANT R410A
2-1 Safety During Installation/Servicing
2-2 Refrigerant Piping Installation
2-3 Tools
2-4. Recharging of Refrigerant
2-5. Brazing of Pipes
3. CONSTRUCTION VIEWS
3-1 Indoor Unit
3-2 Outdoor Unit
4. WIRING DIAGRAM
4-1 Indoor Unit
4-2 Outdoor Unit
5. SPECIFICATION OF ELECTRICAL PARTS
5-1 Indoor Unit
5-2 Outdoor Unit
6. REFRIGERANT CYCLE DIAGRAM
6-1 Refrigerant Cycle Diagram
6-2 Operation Data
7. CONTROL BLOCK DIAGRAM
7-1 Indoor Unit
7-2 Outdoor Unit (Inverter Assembly)
8. OPERATION DESCRIPTION
8-1 Outlined of Air Conditioner Control
8-2 Description of Operation Circuit
8-3 Temporary Operation
8-4 Auto Restart Function
8-5 Filter Check Lamp
8-6 Remote Control and its Functions
8-7 Hi POWER Mode ([Hi POWER] button on the remote control is pushed.)
9. INSTALLATION PROCEDURE
9-1 Safety Cautions
9-2 INDOOR UNIT
9-3 OUTDOOR UNIT
– 2 –
FILE NO. SVM-03008
10. HOW TO DIAGNOSE THE TROUBLE
10-1 First Confirmation
10-2 Primary Judgment
10-3 Judgment by Flashing LED of Indoor Unit
10-4 Self-Diagnosis by Remote Control (Check Code)
10-5 Judgment of Trouble by Every Symptom
10-6 Check Code 1C (Miswiring in indoor/outdoor units) and 1E
10-7 How to Diagnose Trouble in Outdoor Unit
10-8 How to Check Simply the Main Parts
10-9 How to Simply Judge Whether Outdoor Fan Motor is Good or Bad
11. HOW TO REPLACE THE MAIN PARTS
11-1 Indoor Unit
11-2 Microcomputer
11-3 Outdoor Unit
12. EXPLODED VIEWS AND PARTS LIST
12-1 Indoor Unit (E-Parts Assy)
12-2 Indoor Unit
12-3 Outdoor Unit
12-4 Outdoor Unit (E-Parts Assy)

– 3 –
FILE NO. SVM-03008
1. SPECIFICATIONS
1-1. Specifications
Unit model Indoor RAS-13UKV-E2
Outdoor RAS-13UAV-E2
Current limited —
Cooling capacity (kW) 3.5
Cooling capacity range (kW) 0.9 – 4.0
Heating capacity (kW) 4.2
Heating capacity range (kW) 0.9 – 6.0
Power supply 220 – 240V –1Ph –50/60Hz
Electric Indoor Operation mode Cooling Heating
characteristics Running current (A) 0.15 0.15
Power consumption (W) 30 30
Power factor (%) 87 87
Outdoor Operation mode Cooling Heating
Running current (A) 4.65 5.01
Power consumption (W) 1020 1100
Power factor (%) 95 95
Starting current (A) 5.31
COP (Cooling / Heating) 3.33/3.72
Operation noise Indoor High (Cooling / Heating) (dB•A) 39/39
Medium (Cooling / Heating) (dB•A) 33/34
Low (Cooling / Heating) (dB•A) 26/28
Outdoor (Cooling / Heating) (dB•A) 48/50
Indoor unit Unit model RAS-13UKV-E2
Dimension Height (mm) 275
Width (mm) 790
Depth (mm) 208
Net weight (kg) 10
Fan motor output (W) 30
Air flow rate (Cooling / Heating) (m3/h) 530/620
Outdoor unit Unit model RAS-13UAV-E2
Dimension Height (mm) 550
Width (mm) 780
Depth (mm) 720
Net weight (kg) 40
Compressor Motor output (W) 750
Type Twin rotary type with DC-inverter variable speed control
Model DA91A1F-45F
Fan motor output (W) 43
Air flow rate (Cooling / Heating) (m3/h) 2410/2410
Piping connection Type Flare connection
Indoor unit Liquid side ∅6.35
Gas side ∅9.52
Outdoor unit Liquid side ∅6.35
Gas side ∅9.52
Maximum length (Per unit) (m) 15
Maximum chargeless length (m) 15
Maximum height difference (m) 10
Refrigerant Name of refrigerant R410A
Weight (kg) 0.9
Wiring connection Power supply 3 Wires: includes earth (Outdoor)
Interconnection 4 Wires: includes earth
Usable temperature range Indoor (Cooling / Heating) (°C) 21 – 32 / 0 – 28
Outdoor (Cooling / Heating) (°C) 10 – 43 / –10 – 24
Accessory Indoor unit Installation plate 1
Wireless remote control 1
Remote controller holder 1
Flat head wood screw 2 (∅3.1 x 16L)
Purifying filter 1
Zeolite filter 1
Batteries 2
Mounting screw 6 (∅4 x 25L)
Installation manual 1
Owner’s manual 1
Outdoor unit Drain nipple 1
•The specification may be subject to change without nitice for purpose of improvement.

– 4 –
FILE NO. SVM-03008
1-2. Operation Characteristic Curve
<Cooling> <Heating>
7
6
5
4
3
2
1
0
Current (A)
Compressor speed (rps)
0 20 40 60 80 100
• Conditions
Indoor : DB 27°C/WB 19°C
Outdoor : DB 35°C
Air flow : High
Pipe length : 5m
230V
7
6
5
4
3
2
1
0
Current (A)
Compressor speed (rps)
0 20 40 60 80 100
• Conditions
Indoor : DB 20°C
Outdoor : DB 7°C/WB 6°C
Air flow : High
Pipe length : 5m
230V
1-3. Capacity Variation Ratio According to Temperature
<Cooling> <Heating>
120
110
100
90
80
70
60
50
40
30
20
10
0
−
10
−
9
−
8
−
7
−
6
−
5
−
4
−
3
−
2
−
1
012345678910
Capacity ratio (%)
Outdoor temp. (°C)
• Conditions
Indoor : DB 20°C
Indoor air flow : High
Pipe length : 5m
* Capacity ratio : 100% = 3.5 kW
105
100
95
90
85
80
75
70
65
60
55
50
32 34 36 38 40 4233 35 37 39 41 43
Outdoor temp. (°C)
Capacity ratio (%)
• Conditions
Indoor : DB27°C/WB19°C
Indoor air flow : High
Pipe length 5m
Current Limited Start
– 5 –
FILE NO. SVM-03008
(5) After completion of installation work, check to
make sure that there is no refrigeration gas
leakage.
If the refrigerant gas leaks into the room, coming
into contact with fire in the fan-driven heater,
space heater, etc., a poisonous gas may occur.
(6) When an air conditioning system charged with a
large volume of refrigerant is installed in a small
room, it is necessary to exercise care so that,
even when refrigerant leaks, its concentration
does not exceed the marginal level.
If the refrigerant gas leakage occurs and its
concentration exceeds the marginal level, an
oxygen starvation accident may result.
(7) Be sure to carry out installation or removal
according to the installation manual.
Improper installation may cause refrigeration
trouble, water leakage, electric shock, fire, etc.
(8) Unauthorized modifications to the air conditioner
may be dangerous. If a breakdown occurs please
call a qualified air conditioner technician or
electrician.
Improper repair’s may result in water leakage,
electric shock and fire, etc.
2-2. Refrigerant Piping Installation
2-2-1. Piping materials and joints used
For the refrigerant piping installation, copper pipes and
joints are mainly used. Copper pipes and joints suit-
able for the refrigerant must be chosen and installed.
Furthermore, it is necessary to use clean copper pipes
and joints whose interior surfaces are less affected by
contaminants.
(1) Copper Pipes
It is necessary to use seamless copper pipes
which are made of either copper or copper alloy
and it is desirable that the amount of residual oil is
less than 40 mg/10 m. Do not use copper pipes
having a collapsed, deformed or discolored
portion (especially on the interior surface).
Otherwise, the expansion valve or capillary tube
may become blocked with contaminants.
As an air conditioner using R410A incurs pressure
higher than when using R22, it is necessary to
choose adequate materials.
Thicknesses of copper pipes used with R410A are
as shown in Table 2-2-1. Never use copper pipes
thinner than 0.8 mm even when it is available on
the market.
2. REFRIGERANT R410A
This air conditioner adopts the new refrigerant HFC
(R410A) which does not damage the ozone layer.
The working pressure of the new refrigerant R410A is
1.6 times higher than conventional refrigerant (R22).
The refrigerating oil is also changed in accordance
with change of refrigerant, so be careful that water,
dust, and existing refrigerant or refrigerating oil are not
entered in the refrigerant cycle of the air conditioner
using the new refrigerant during installation work or
servicing time.
The next section describes the precautions for air
conditioner using the new refrigerant. Conforming to
contents of the next section together with the general
cautions included in this manual, perform the correct
and safe work.
2-1. Safety During Installation/Servicing
As R410A’s pressure is about 1.6 times higher than
that of R22, improper installation/servicing may cause
a serious trouble. By using tools and materials exclu-
sive for R410A, it is necessary to carry out installation/
servicing safely while taking the following precautions
into consideration.
(1) Never use refrigerant other than R410A in an air
conditioner which is designed to operate with
R410A.
If other refrigerant than R410A is mixed, pressure
in the refrigeration cycle becomes abnormally
high, and it may cause personal injury, etc. by a
rupture.
(2) Confirm the used refrigerant name, and use tools
and materials exclusive for the refrigerant R410A.
The refrigerant name R410A is indicated on the
visible place of the outdoor unit of the air condi-
tioner using R410A as refrigerant. To prevent
mischarging, the diameter of the service port
differs from that of R22
(3) If a refrigeration gas leakage occurs during instal-
lation/servicing, be sure to ventilate fully.
If the refrigerant gas comes into contact with fire,
a poisonous gas may occur.
(4) When installing or removing an air conditioner,
do not allow air or moisture to remain in the
refrigeration cycle. Otherwise, pressure in the
refrigeration cycle may become abnormally high
so that a rupture of personal injury may be
caused.

– 6 –
FILE NO. SVM-03008
Table 2-2-1 Thicknesses of annealed copper pipes
Thickness (mm)
Nominal diameter Outer diameter (mm) R410A R22
1/4 6.35 0.80 0.80
3/8 9.52 0.80 0.80
1/2 12.70 0.80 0.80
5/8 15.88 1.00 1.00
b) Socket Joints
Socket joints are such that they are brazed for
connections, and used mainly for thick pipings
whose diameter is larger than 20 mm.
Thicknesses of socket joints are as shown in
Table 2-2-2.
(2) Joints
For copper pipes, flare joints or socket joints are
used. Prior to use, be sure to remove all
contaminants.
a) Flare Joints
Flare joints used to connect the copper pipes
cannot be used for pipings whose outer
diameter exceeds 20 mm. In such a case,
socket joints can be used.
Sizes of flare pipe ends, flare joint ends and
flare nuts are as shown in Tables 2-2-3 to 2-2-6
below.
Table 2-2-2 Minimum thicknesses of socket joints
Nominal diameter Reference outer diameter of Minimum joint thickness
copper pipe jointed (mm) (mm)
1/4 6.35 0.50
3/8 9.52 0.60
1/2 12.70 0.70
5/8 15.88 0.80
d) Flare Processing
Make certain that a clamp bar and copper pipe
have been cleaned.
By means of the clamp bar, perform the flare
processing correctly.
Use either a flare tool for R410A or
conventional flare tool.
Flare processing dimensions differ according to
the type of flare tool. When using a
conventional flare tool, be sure to secure
“dimension A” by using a gauge for size
adjustment.
Fig. 2-2-1 Flare processing dimensions
2-2-2. Processing of piping materials
When performing the refrigerant piping installation,
care should be taken to ensure that water or dust does
not enter the pipe interior, that no other oil other than
lubricating oils used in the installed air conditioner is
used, and that refrigerant does not leak. When using
lubricating oils in the piping processing, use such
lubricating oils whose water content has been removed.
When stored, be sure to seal the container with an
airtight cap or any other cover.
(1) Flare Processing Procedures and Precautions
a) Cutting the Pipe
By means of a pipe cutter, slowly cut the pipe
so that it is not deformed.
b) Removing Burrs and Chips
If the flared section has chips or burrs,
refrigerant leakage may occur. Carefully
remove all burrs and clean the cut surface
before installation.
c) Insertion of Flare Nut
∅DA

– 7 –
FILE NO. SVM-03008
A (mm)
Conventional flare tool
Clutch type Wing nut type
1/4 6.35 0.8 0 to 0.5 1.0 to 1.5 1.5 to 2.0
3/8 9.52 0.8 0 to 0.5 1.0 to 1.5 1.5 to 2.0
1/2 12.70 0.8 0 to 0.5 1.0 to 1.5 2.0 to 2.5
5/8 15.88 1.0 0 to 0.5 1.0 to 1.5 2.0 to 2.5
Table 2-2-3 Dimensions related to flare processing for R410A
Nominal
diameter
Outer
diameter
(mm)
Thickness
(mm) Flare tool for R410A
clutch type
A (mm)
Conventional flare tool
Clutch type Wing nut type
1/4 6.35 0.8 0 to 0.5 0.5 to 1.0 1.0 to 1.5
3/8 9.52 0.8 0 to 0.5 0.5 to 1.0 1.0 to 1.5
1/2 12.70 0.8 0 to 0.5 0.5 to 1.0 1.0 to 2.0
5/8 15.88 1.0 0 to 0.5 0.5 to 1.0 1.0 to 2.0
Table 2-2-4 Dimensions related to flare processing for R22
Nominal
diameter
Outer
diameter
(mm)
Thickness
(mm) Flare tool for R410A
clutch type
Dimension (mm)
ABCD
1/4 6.35 0.8 9.1 9.2 6.5 13 17
3/8 9.52 0.8 13.2 13.5 9.7 20 22
1/2 12.70 0.8 16.6 16.0 12.9 23 26
5/8 15.88 1.0 19.7 19.0 16.0 25 29
Table 2-2-5 Flare and flare nut dimensions for R410A
Nominal
diameter
Outer
diameter
(mm)
Thickness
(mm)
Flare nut
width
(mm)
Dimension (mm)
ABCD
1/4 6.35 0.8 9.0 9.2 6.5 13 17
3/8 9.52 0.8 13.0 13.5 9.7 20 22
1/2 12.70 0.8 16.2 16.0 12.9 20 24
5/8 15.88 1.0 19.7 19.0 16.0 23 27
3/4 19.05 1.0 23.3 24.0 19.2 34 36
Table 2-2-6 Flare and flare nut dimensions for R22
Nominal
diameter
Outer
diameter
(mm)
Flare nut
width
(mm)
Thickness
(mm)

– 8 –
FILE NO. SVM-03008
(2) Flare Connecting Procedures and Precautions
a) Make sure that the flare and union portions do
not have any scar or dust, etc.
b) Correctly align the processed flare surface with
the union axis.
c) Tighten the flare with designated torque by
means of a torque wrench. The tightening
torque for R410A is the same as that for
conventional R22. Incidentally, when the torque
is weak, the gas leakage may occur.
Fig. 2-2-2 Relations between flare nut and flare seal surface
When it is strong, the flare nut may crack and
may be made non-removable. When choosing
the tightening torque, comply with values
designated by manufacturers. Table 2-2-7
shows reference values.
Note:
When applying oil to the flare surface, be sure to use
oil designated by the manufacturer. If any other oil is
used, the lubricating oils may deteriorate and cause
the compressor to burn out.
Tightening torque of torque
Nominal Outer diameter Tightening torque wrenches available on the market
diameter (mm) N·m (kgf·cm) N·m (kgf·m)
1/4 6.35 14 to 18 (140 to 180) 16 (160), 18 (180)
3/8 9.52 33 to 42 (330 to 420) 42 (420)
1/2 12.70 50 to 62 (500 to 620) 55 (550)
5/8 15.88 63 to 77 (630 to 770) 65 (650)
Table 2-2-7 Tightening torque of flare for R410A [Reference values]

– 9 –
FILE NO. SVM-03008
2-3. Tools
2-3-1. Required tools
The service port diameter of packed valve of the outdoor unit in the air conditioner using R410A is changed to
prevent mixing of other refrigerant. To reinforce the pressure-resisting strength, flare processing dimensions and
opposite side dimension of flare nut (For ∅12.70 copper pipe) of the refrigerant piping are lengthened.
The used refrigerating oil is changed, and mixing of oil may cause a trouble such as generation of sludge,
clogging of capillary, etc. Accordingly, the tools to be used are classified into the following three types.
(1) Tools exclusive for R410A (Those which cannot be used for conventional refrigerant (R22))
(2) Tools exclusive for R410A, but can be also used for conventional refrigerant (R22)
(3) Tools commonly used for R410A and for conventional refrigerant (R22)
The table below shows the tools exclusive for R410A and their interchangeability.
Tools exclusive for R410A (The following tools for R410A are required.)
Tools whose specifications are changed for R410A and their interchangeability
R410A air conditioner Conventional air
installation conditioner installation
No. Used tool Usage Existence of Whether Whether new equipment
new equipment conventional can be used with
for R410A equipment can conventional refrigerant
be used
1Flare tool Pipe flaring Yes *(Note 1)
2Copper pipe gauge Flaring by
for adjusting projection conventional flare Yes *(Note 1) *(Note 1)
margin tool
3Torque wrench Connection of Yes
(For ∅12.70) flare nut
4Gauge manifold
5Charge hose
6Vacuum pump adapter Vacuum evacuating Yes
7Electronic balance for Refrigerant charge Yes
refrigerant charging
8Refrigerant cylinder Refrigerant charge Yes
9Leakage detector Gas leakage check Yes
!Charging cylinder Refrigerant charge (Note 2)
Evacuating,
refrigerant charge, Yes
run check, etc.
(Note 1) When flaring is carried out for R410A using the conventional flare tools, adjustment of projection
margin is necessary. For this adjustment, a copper pipe gauge, etc. are necessary.
(Note 2) Charging cylinder for R410A is being currently developed.
General tools (Conventional tools can be used.)
In addition to the above exclusive tools, the following equipments which serve also for R22 are necessary as
the general tools.
(1) Vacuum pump (4) Reamer (9) Hole core drill (∅65)
Use vacuum pump by (5) Pipe bender (10) Hexagon wrench
attaching vacuum pump adapter. (6) Level vial (Opposite side 5 mm)
(2) Torque wrench (For ∅6.35) (7) Screwdriver (+, –) (11) Tape measure
(3) Pipe cutter (8) Spanner of Monkey wrench (12) Metal saw
Also prepare the following equipments for other installation method and run check.
(1) Clamp meter (3) Insulation resistance tester
(2) Thermometer (4) Electroscope

– 10 –
FILE NO. SVM-03008
2-4. Recharging of Refrigerant
When it is necessary to recharge refrigerant, charge the specified amount of new refrigerant according to the
following steps.
Recover the refrigerant, and check no refrigerant
remains in the equipment.
Connect the charge hose to packed valve service
port at the outdoor unit’s gas side.
Connect the charge hose to the vacuum pump
adapter.
Open fully both packed valves at liquid and gas
sides.
Place the handle of the gauge manifold Low in
the fully opened position, and turn on the vacuum
pump’s power switch. Then, evacuating the
refrigerant in the cycle.
When the compound gauge’s pointer has indi-
cated -0.1 Mpa (-76 cmHg), place the handle Low
in the fully closed position, and turn off the
vacuum pump’s power switch.
Keep the status as it is for 1 to 2 minutes, and
ensure that the compound gauge’s pointer does
not return.
Set the refrigerant cylinder to the electronic
balance, connect the connecting hose to the
cylinder and the connecting port of the electronic
balance, and charge liquid refrigerant.
(For refrigerant charging, see the figure below.)
1Never charge refrigerant exceeding the specified amount.
2If the specified amount of refrigerant cannot be charged, charge refrigerant bit by bit in COOL mode.
3Do not carry out additional charging.
When additional charging is carried out if refrigerant leaks, the refrigerant composition changes in the
refrigeration cycle, that is characteristics of the air conditioner changes, refrigerant exceeding the
specified amount is charged, and working pressure in the refrigeration cycle becomes abnormally high
pressure, and may cause a rupture or personal injury.
Fig. 2-4-1 Configuration of refrigerant charging
(INDOOR unit) (Liquid side)
(OUTDOOR unit)
Opened
(Gas side)
Closed
Service port
Electronic balance for refrigerant charging
Check valve
Open/Close valve
for charging
Refrigerant cylinder
(With siphon pipe)

– 11 –
FILE NO. SVM-03008
1Be sure to make setting so that liquid can be charged.
2When using a cylinder equipped with a siphon, liquid can be charged without turning it upside down.
It is necessary for charging refrigerant under condition of liquid because R410A is mixed type of refrigerant.
Accordingly, when charging refrigerant from the refrigerant cylinder to the equipment, charge it turning the
cylinder upside down if cylinder is not equipped with siphon.
[Cylinder with siphon] [Cylinder without siphon]
Fig. 2-4-2
R410A refrigerant is HFC mixed refrigerant.
Therefore, if it is charged with gas, the composition
of the charged refrigerant changes and the
characteristics of the equipment varies.
2-5. Brazing of Pipes
2-5-1. Materials for brazing
(1) Silver brazing filler
Silver brazing filler is an alloy mainly composed of
silver and copper. It is used to join iron, copper or
copper alloy, and is relatively expensive though it
excels in solderability.
(2) Phosphor bronze brazing filler
Phosphor bronze brazing filler is generally used to
join copper or copper alloy.
(3) Low temperature brazing filler
Low temperature brazing filler is generally called
solder, and is an alloy of tin and lead. Since it is
weak in adhesive strength, do not use it for
refrigerant pipes.
1Phosphor bronze brazing filler tends to react
with sulfur and produce a fragile compound
water solution, which may cause a gas leakage.
Therefore, use any other type of brazing filler at
a hot spring resort, etc., and coat the surface
with a paint.
2When performing brazing again at time of
servicing, use the same type of brazing filler.
2-5-2. Flux
(1) Reason why flux is necessary
•By removing the oxide film and any foreign
matter on the metal surface, it assists the flow
of brazing filler.
•In the brazing process, it prevents the metal
surface from being oxidized.
•By reducing the brazing filler’s surface tension,
the brazing filler adheres better to the treated
metal.
Gauge manifold
Refrigerant
cylinder
Electronic
balance
OUTDOOR unit
Refrigerant
cylinder
Electronic
balance
Siphon
Gauge manifold OUTDOOR unit

– 12 –
FILE NO. SVM-03008
(2) Characteristics required for flux
•Activated temperature of flux coincides with the
brazing temperature.
•Due to a wide effective temperature range, flux
is hard to carbonize.
•It is easy to remove slag after brazing.
•The corrosive action to the treated metal and
brazing filler is minimum.
•It excels in coating performance and is
harmless to the human body.
As the flux works in a complicated manner as
described above, it is necessary to select an
adequate type of flux according to the type and
shape of treated metal, type of brazing filler and
brazing method, etc.
(3) Types of flux
•Noncorrosive flux
Generally, it is a compound of borax and boric
acid.
It is effective in case where the brazing
temperature is higher than 800°C.
•Activated flux
Most of fluxes generally used for silver brazing
are this type.
It features an increased oxide film removing
capability due to the addition of compounds
such as potassium fluoride, potassium chloride
and sodium fluoride to the borax-boric acid
compound.
(4) Piping materials for brazing and used brazing
filler/flux
Piping Used brazing Used
material filler flux
Copper - Copper Phosphor copper Do not use
Copper - Iron Silver Paste flux
Iron - Iron Silver Vapor flux
2-5-3. Brazing
As brazing work requires sophisticated techniques,
experiences based upon a theoretical knowledge, it
must be performed by a person qualified.
In order to prevent the oxide film from occurring in the
pipe interior during brazing, it is effective to proceed
with brazing while letting dry Nitrogen gas (N2) flow.
Never use gas other than Nitrogen gas.
(1) Brazing method to prevent oxidation
1Attach a reducing valve and a flow-meter to the
Nitrogen gas cylinder.
2Use a copper pipe to direct the piping material,
and attach a flow-meter to the cylinder.
3Apply a seal into the clearance between the
piping material and inserted copper pipe for
Nitrogen in order to prevent backflow of the
Nitrogen gas.
4When the Nitrogen gas is flowing, be sure to
keep the piping end open.
5Adjust the flow rate of Nitrogen gas so that it is
lower than 0.05 m3/Hr or 0.02 Mpa (0.2 kgf/
cm2) by means of the reducing valve.
6After performing the steps above, keep the
Nitrogen gas flowing until the pipe cools down
to a certain extent (temperature at which pipes
are touchable with hands).
7Remove the flux completely after brazing.
Fig. 2-5-1 Prevention of oxidation during brazing
1Do not enter flux into the refrigeration cycle.
2When chlorine contained in the flux remains
within the pipe, the lubricating oil deteriorates.
Therefore, use a flux which does not contain
chlorine.
3When adding water to the flux, use water which
does not contain chlorine (e.g. distilled water or
ion-exchange water).
4Remove the flux after brazing.
Nitrogen gas
cylinder
MFlow meter
Stop valve
From Nitrogen cylinder
Nitrogen
gas
Rubber plug
Pipe

– 13 –
FILE NO. SVM-03008
3. CONSTRUCTION VIEWS
3-1. Indoor Unit
Connecting pipe (0.33m)
Flare ∅9.52
Knock out system
Back body
Front panel
Air outlet
Air inlet Air filter Heat exchanger
Knock out system
660
275
790 208
48
48
26
4519040
32
64
590
320
620
235 235
215 215
9090
275 45
150150 160160
120 80
53
660
Hanger
Hanger
Hanger
Hanger Hanger
Drain hose (0.54m) Connecting pipe (0.43m)
(Flare ∅6.35)
For stud bolt
(∅8~∅10)
For stud bolt (∅6)
Installation plate outline
Center line
Minimum
distance
to ceiling
170 or more
Minimum
distance
to ceiling
170 or more
65 or more
Minimum
distance
to ceiling
Wireless remote control
57 18
160

– 14 –
FILE NO. SVM-03008
3-2. Outdoor Unit
52
R15
R5.5
36
Service port
Gas side
(Flare ∅9.52)
Liquid side
(Flare ∅6.35)
Electrical
part cover
B Detail drawing (Front Leg)
B
600 or more
A Detail drawing (Back Leg)
600
32.5 115 125
310
302
530
265
120
75
54
310
302
∅6 Hole
∅436
270 600
780
90 310
330
62
∅30 Drain outlet
FAN GUARD
Z View
600
320
Installation dimension
600 or more
600 or more
Air outlet
Air inlet
100 or more
4 x ∅11 x 14 Long holes (For ∅8 − ∅10 anchorbolt)
Z
COVER PV
∅6 Hole
R15
36
52
310
102
302
∅11 x 14 Hole
2-∅11 x 14 Hole
(For ∅8-∅10 anchor bolt)
A

– 15 –
FILE NO. SVM-03008
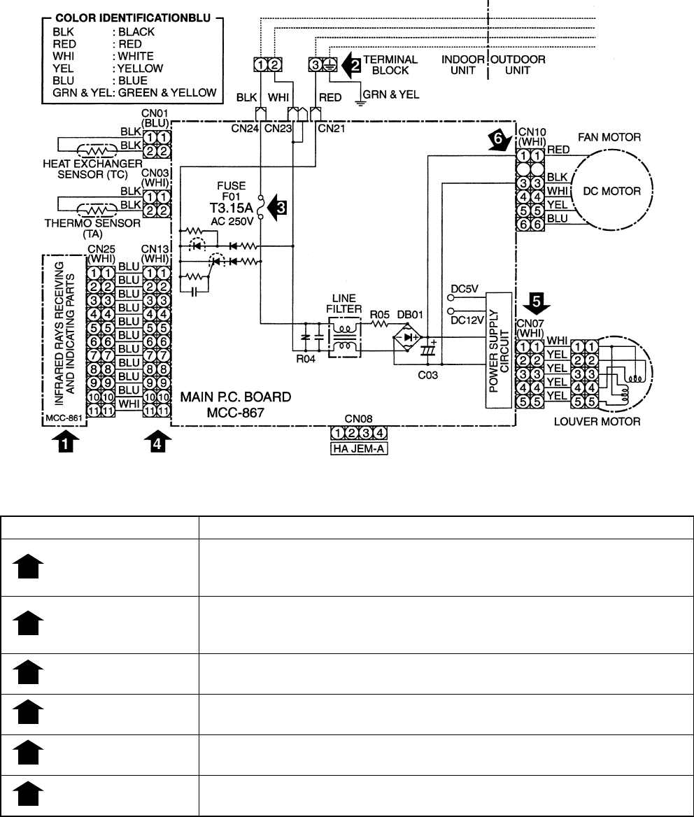
4. WIRING DIAGRAM
4-1. Indoor Unit
Table 4-1-1 Simple Check for Failure Diagnosis
Refer to the service data for the detailed failure diagnosis.
1
2
3
4
5
6
Diagnosis Result
Check to see if the OPERATION indicator goes on and off when the main
switch or breaker is turned on.
(Check the primary and secondary voltage of the transformer.)
Check the power supply voltage between 1 and 2. (Refer to the name plate.)
(Check the primary and secondary voltage of the transformer.)
Check the fluctuating voltage between 2 and 3. (DC15 to 60 V)
Check to see if the fuse blows out.
(Check the R04 of the varistor.)
Check the voltage at the No. 4 pin on CN13 connector of the infrared receiver.
(Check the transformer and the power supply circuit of the rated voltage.)
Check the voltage at the white lead of the louver motor.
(Check the transformer and the power supply circuit of the rated voltage.)
Check the voltage at the No. 1 pin on CN10 connector.
(Check the DB01, R05 and C03.)
Check Item
OPERATION
INDICATOR
TERMINAL BLOCK
FUSE 3.15A
DC5V
DC12V
DC325V
(DC310 to 340V)

– 16 –
FILE NO. SVM-03008
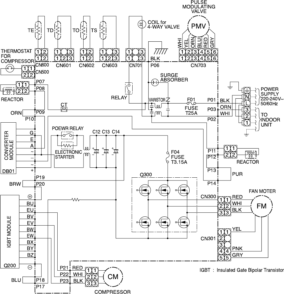
4-2.Outdoor Unit
P.C. BOARD
(MCC-813)

– 17 –
FILE NO. SVM-03008
5. SPECIFICATION OF ELECTRICAL PARTS
5-1. Indoor Unit
No. Parts name Type Specifications
1 Fan motor (for indoor) ICF-340-30-2 DC 340 V, 30 W
2 Thermo. sensor (TA-sensor) ——— 10 kΩ at 25°C
3 DC-DC transformer (T01) SWT-70 DC 390 V, Secondary DC 15 V, 12 V, 7 V
4 Microcomputer µPD780024AGK
5 Heat exchanger sensor ——— 10 kΩ at 25°C
(TC-sensor)
6 Line filter (L01 SS11V-06270 27mH, AC 0.6A
7 Diode (DB01) D3SBA60 4A, 600 V
8 Capacitor (C03) KMH450VNSN120M25C 120µF, 450 V
9 Fuse (F01) FCU250V, 3.15A T3.15A, 250 V
10 Power supply IC (IC01) STR-L472
11 Varistor (R21, R109) 15G561K 560 V
12 Resistor (R01) RF-5TK4R7 4.7Ω, 5 W
13 Louver motor MP24GA Output (Rated) 1 W,16 poles, 1 phase,
DC 12 V
5-2. Outdoor Unit
No. Parts name Model name Rating
1 SC coil L01 ADR2516-0R6TB 20A, 150µH
(Noise filter) L03 ADR2520-R15TB 15A, 0.6mH
Primary side DC280V, Secondary
2 DC-DC transformer SWT-43 side 7.5 V x 1, 13 V x 1, 26.5V x 3,
16 V x 1, 15 V x 1
3 Reactor CH-57-Z-T L=10mH, 16A x 2
4 Outside fan motor ICF-140-43-1 DC140 V, 43 W
5 Suction temp. sensor (Inverter attached) 10 kΩ (25°C)
(TS sensor)
6Discharge temp. sensor (Inverter attached) 62 kΩ (20°C)
(TD sensor)
7Outside air temp. sensor (Inverter attached) 10 kΩ (25°C)
(TO sensor)
8Heat exchanger temp. (Inverter attached) 10 kΩ (25°C)
sensor (TE sensor)
9 Terminal block (6P) ——— 20A, AC 250 V
10 Fuse For protection of switching power source 3.15A, AC 250 V
For protection of inverter input overcurrent 25A, AC 250 V
11 Electrolytic capacitor LLQ2G501KHUATF, 400LISN500K35F 500µF, DC 400 V x 3 pieces
12 Transistor module 6MBI25GS-060-01 or 6MBI25GS-060-01A 25A, 600 V
13 Compressor DA91A1F-45F 3-phases 4-poles 750 W
14 Compressor thermo. PW-2AL OFF: 125 ± 4°C, ON: 90 ± 5°C
15 Converter module MP7003 Diode: 25A, 600 V,
IGBT: 40 A, 600V

– 18 –
FILE NO. SVM-03008
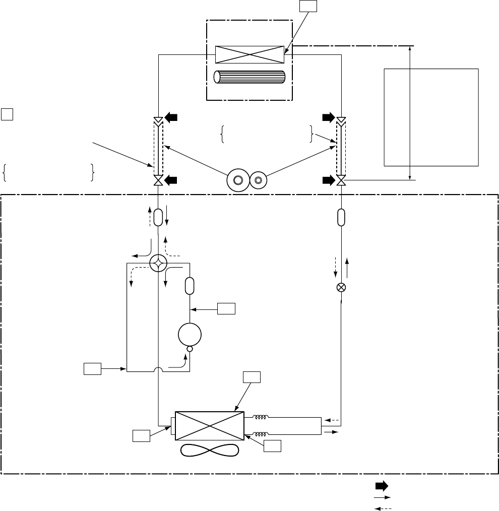
6. REFRIGERANT CYCLE DIAGRAM
6-1. Refrigerant Cycle Diagram
Note :
•The maximum length of the pipe for this air conditioner is 15 m. The additional charging of refrigerant is
unnecessary because this air conditioner is designed with charge-less specification.
Deoxidized copper pipe
NOTE : Gas leak check position
Refrigerant flow (Cooling)
Refrigerant flow (Heating)
INDOOR UNIT T1
TO
Temp. measurement
Indoor heat
exchanger
Cross flow fan
Deoxidized copper pipe
Outer dia. : 6.35 mm
Thickness : 0.8 mm
Sectional shape
of heat insulator
Allowable height
difference : 10m
Allowable pipe length
Max. : 15 m
P
Pressure measurement
Gauge attaching port
Vacuum pump connecting port
Strainer
Pulse modulating
valve at liquid side
(SEV16RC3)
∅1.5 x 200
s
∅1.5 x 200
s
TD
4-way valve
(CHV-0213)
Compressor
DA91A1F-45F
TS
T2
Outdoor heat
exchanger Split capillary
Temp. measurement
Propeller fan Refrigerant amount : 0.9 kg
OUTDOOR UNIT
Muffler
Muffler
TE
Outer dia. : 9.52 mm
Thickness : 0.8 mm

– 19 –
FILE NO. SVM-03008
Note :
(1) Measure surface temperature of heat exchanger pipe around center of heat exchanger path U bent.
(Thermistor themometer)
(2) Connecting piping condition : 5m
Temperature
condition (°C)
Indoor Outdoor
27/19 35/–13UKV-E2 0.8 to 1.0 9 to 11 49 to 45 High High 77
Model
name
Standard
pressure
P (MPa)
Heat exchanger
pipe temp.
T1 (°C) T2 (°C)
Indoor
fan
mode
Outdoor
fan
mode
Compressor
revolution
(rps)
Temperature
condition (°C)
Indoor Outdoor
20/–7/6 13UKV-E2 2.5 to 2.7 42 to 44 0 to 3 High High 83
Model
name
Standard
pressure
P (MPa)
Heat exchanger
pipe temp.
T1 (°C) T2 (°C)
Indoor
fan
mode
Outdoor
fan
mode
Compressor
revolution
(rps)
6-2. Operation Data
<Cooling>
<Heating>

– 20 –
FILE NO. SVM-03008
REMOTE CONTROL
Remote Control
Operation (START/STOP)
Operation Mode Selection
AUTO, COOL, DRY, HEAT, FAN ONLY
Temperature Setting
Fan Speed Selection
ON TIMER Setting
OFF TIMER Setting
Louver Auto Swing
Louver Direction Setting
ECO
Hi power
Filter Reset
Infrared Rays
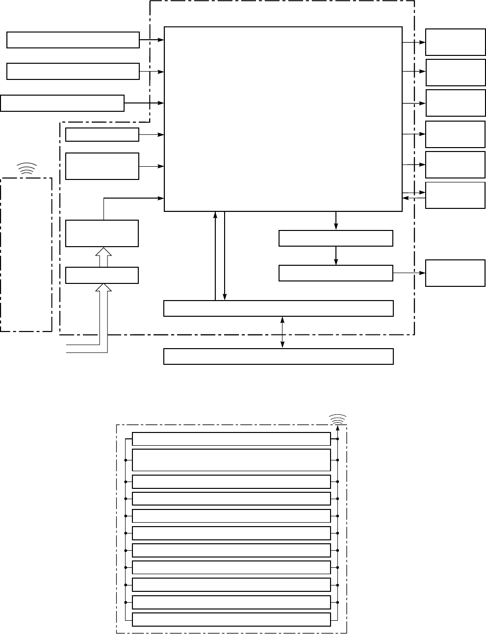
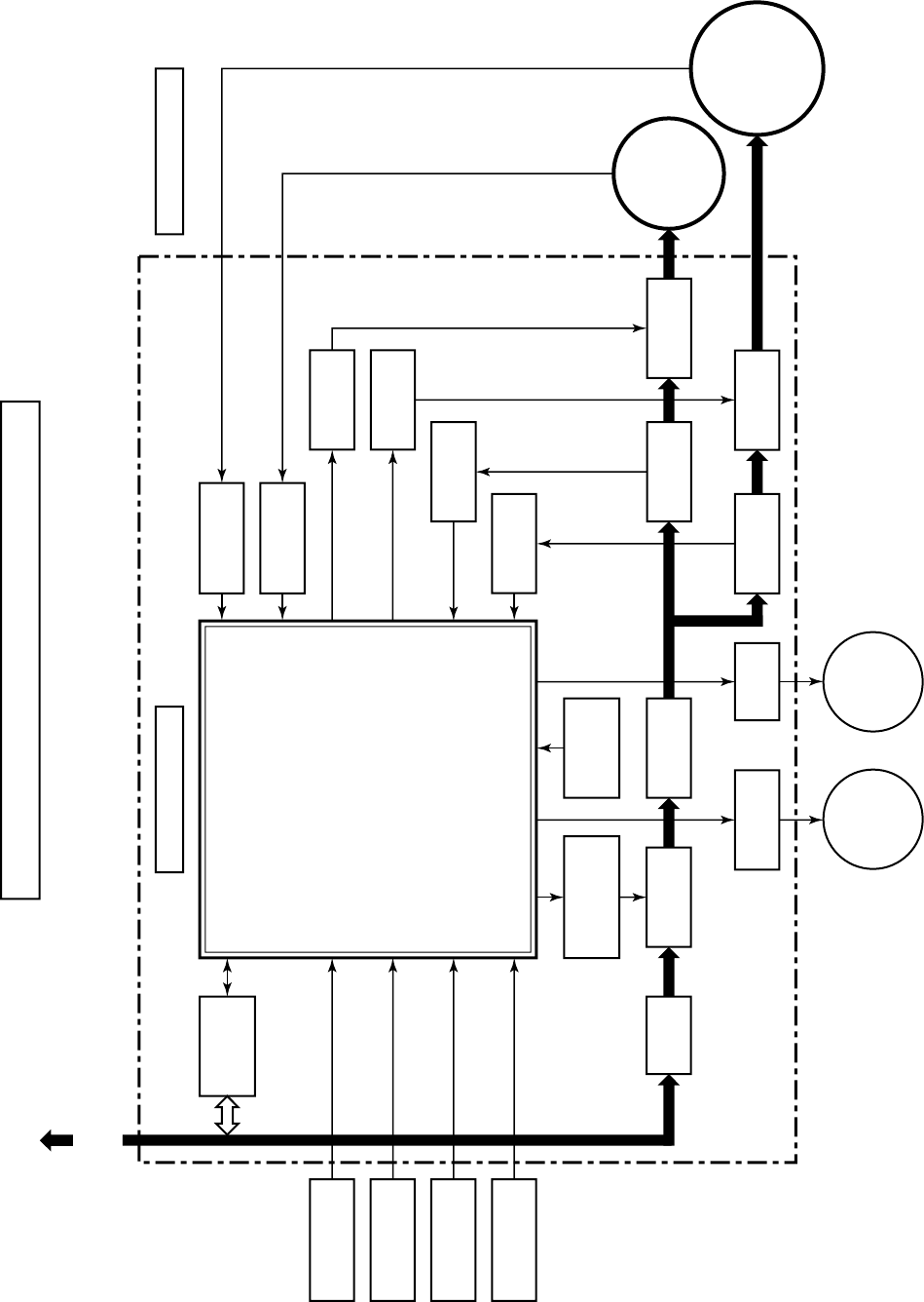
7. CONTROL BLOCK DIAGRAM
7-1. Indoor Unit
• Louver Control
•
3-minute Delay at Restart for Compressor
•
Motor Revolution Control
•
Timer
•
Serial Signal Communication
•
Processing
(Temperature Processing)
Functions
M.C.U
Indoor Unit Control Panel
From Outdoor Unit
Remote
Control
Heat Exchanger Sensor
Temperature Sensor
Infrared Rays Signal Receiver
Infrared
Rays
Initiallizing Circuit
Clock Frequency
Oscillator Circuit
Louver Motor
36.7KHz
Power Supply
Circuit
Noise Filter
Filter
Sign Display
PRE DEF.
Sign Display
Indoor
Fan Motor
Louver
Motor
Timer
Display
Operation
Display
Louver Driver
Louver ON/OFF Signal
Serial Signal Communication
Serial Signal Transmitter/Receiver

– 21 –
FILE NO. SVM-03008
7-2. Outdoor Unit (Inverter Assembly)
220 − 240 V
50/60 Hz
MICRO-COMPUTER BLOCK DIAGRAM
Over current
sensor
Driver circuit
of P.M.V.
Over current
sensor
Heat exchanger
temp.sensor
Suction temp.
sensor
Outdoor air
temp. sensor
Discharge
temp. sensor
Inddor unit
send/receive
circuit
Relay
circuit
Noise
Filter Converter
(AC → DC)
Clock
frequency
16MHz
High Power
factor Correction
circuit
Input current
sensor
Rotor position
detect circuit
Rotor position
detect circuit
• PWM synthesis function
• Input current release control
• IGBT over-current detect control
• Outdoor fan control
• High power factor correction control
• Inverter output frequency control
• A/D converter function
• P.M.V. control
• Discharge temp. control
• 4-way valve control
• Signal communication to indoor unit
P.M.V : Pulse Modulating Valve
M.C.U : Micro Control Unit
M.C.U
For INDOOR UNIT
4-way
valve
P.M.V.
Inverter
(DC → AC)
Over current
detect circuit
Gate drive
circuit
Gate drive
circuit
Over current
sensor Inverter
(DC → AC)
Outdoor
Fan motor
Compressor
MCC813 (P.C.B) OUTDOOR UNIT

FILE NO. SVM-03008
– 22 –
(1) Role of indoor unit controller
The indoor unit controller judges the operation
commands from the remote controller and
assumes the following functions.
•Judgment of suction air temperature of the
indoor heat exchanger by using the indoor
temp. sensor (TA sensor)
•Temperature setting of the indoor heat
exchanger by using heat exchanger sensor
(TC sensor) (Prevent-freezing control)
•Louver motor control
•Indoor fan motor operation control
•LED (Light Emitting Diode) display control
•Transferring of operation command signal
(Serial signal) to the outdoor unit
•Reception of information of operation status
(Serial signal including outside temp. data) to
the outdoor unit and judgment/display of error
(2) Role of outdoor unit controller
Receiving the operation command signal (Serial
signal) from the indoor controller, the outdoor unit
performs its role.
•Compressor operation
control
•Operation control of
outdoor fan motor
•P.M.V. control
•Detection of inverter input current and current
release operation
•Over-current detection and prevention
operation to IGBT module (Compressor stop
function)
•Compressor and outdoor fan stop function
when serial signal is off (when the serial signal
does not reach the board assembly of outdoor
control by trouble of the signal system).
•Transferring of operation information (Serial
signal) from outdoor unit to indoor unit
•Detection of outdoor temperature and
operation revolution control
•Defrost control in heating operation (Temp.
measurement by outdoor heat exchanger and
control for 4-way valve and outdoor fan)
8. OPERATION DESCRIPTION
8-1. Outlined of Air Conditioner Control
This air conditioner is a capacity-variable type air
conditioner, which uses DC motor for the indoor fan
motor and the outdoor fan motor. And the capacity
proportional control compressor which can change the
motor speed in the range from 13 to 110 rps is
mounted. The DC motor drive circuit is mounted to the
indoor unit. The compressor and the inverter to control
fan motor are mounted to the outdoor unit.
The entire air conditioner is mainly controlled by the
indoor unit controller.
The indoor unit controller drives the indoor fan motor
based upon command sent from the remote control,
and transfers the operation command to the outdoor
unit controller.
The outdoor unit controller receives operation
command from the indoor unit side, and controls the
outdoor fan and the pulse modulating valve. (P.M.V)
Besides, detecting revolution position of the
compressor motor, the outdoor unit controller controls
speed of the compressor motor by controlling output
voltage of the inverter and switching timing of the
supply power (current transfer timing) so that motors
drive according to the operation command. And then,
the outdoor unit controller transfers reversely the
operating status information of the outdoor unit to
control the indoor unit controller.
As the compressor adopts four-pole brushless
DC motor, the frequency of the supply power
from inverter to compressor is two-times
cycles of the actual number of revolution.
Operations followed
to judgment of serial
signal from indoor
side.

FILE NO. SVM-03008
– 23 –
(3) Contents of operation command signal (Serial
signal) from indoor unit controller to outdoor unit
controller
The following three types of signals are sent from
the indoor unit controller.
•Operation mode set on the remote control
•Compressor revolution command signal
defined by indoor temperature and set tem-
perature (Correction along with variation of
room
temperature and correction of indoor heat
exchanger temperature are added.)
•For these two types of signals ([Operation
mode] and [Compressor revolution]), the
outdoor unit controller monitors the input
current to the inverter, and performs the
followed operation within the range that current
does not exceed the allowable value.
•Temperature of indoor heat exchanger by
indoor heat exchanger sensor
(Minimum revolution control)
(4) Contents of operation command signal (Serial
signal) from outdoor unit controller to indoor unit
controller
The following signals are sent from the outdoor
unit controller.
•The current operation mode
•The current compressor revolution
•Outdoor temperature
•Existence of protective circuit operation
For transferring of these signals, the indoor unit
controller monitors the contents of signals, and
judges existence of trouble occurrence.
Contents of judgment are described below.
•Whether distinction of the current operation
status meets to the operation command signal
•Whether protective circuit operates
When no signal is received from the outdoor
unit controller, it is assumed as a trouble.
8-1-1. Capacity control
The cooling and heating capacity is varied by changing
compressor motor speed. The inverter changes
compressor motor speed by changing
AC 220-240 V power to DC once, and controls capac-
ity by changing supply power status to the compressor
with transistor module (includes 6 transistors). The
outline of the control is as follows:
The revolution position and revolution speed of the
motor are detected by detecting winding electromotive
force of the compressor motor under operation, and
the revolution speed is changed so that the motor
drives based upon revolution speed of the operation
command by changing timing (current transfer timing)
to exchange inverter output voltage and supply power
winding.
Detection of the revolution position for controlling is
performed 12 times per 1 revolution of compressor.
The range of supply power frequency to the
compressor differs according to the operation status
(COOL, HEAT, DRY).
Table 8-1-1 Compressor revolution range
8-1-2. Current release control
The outdoor main circuit control section (Inverter
assembly) detects the input current to the outdoor unit.
If the current value with compressor motor speed
instructed from indoor side exceeds the specified
value, the outdoor main circuit control section controls
compressor motor speed by reducing motor speed so
that value becomes closest to the command within the
limited value.
8-1-3. Power factor improvement control
Power factor improvement control is performed mainly
aiming to reduce the current on much power consump-
tion of cooling/heating operation. Controlling starts
from the time when input power has reached at a
certain point. To be concrete, IGBT of the power factor
improvement circuit is used, and the power factor is
improved by keeping IGBT on for an arbitrary period to
widen electro-angle of the input current.
Operation Model
mode name
COOL 13UKV-E2
HEAT
Compressor
revolution (rps)
13 to 88
16 to 110

FILE NO. SVM-03008
– 24 –
8-1-4. Prevent-freezing control
The indoor heat exchanger sensor detects refrigerant
vapor temperature in COOL/DRY operation. If the
temperature is below the specified value, compressor
motor speed is reduced so that operation is performed
in temperature below the specified value to prevent-
freezing of indoor heat exchanger.
8-1-5. P.M.V. (Pulse Modulating Valve)
Using P.M.V., refrigerant flow of refrigeration cycle is
varied for the optimum temperature.
After the power has been turned on, when a serial
operation signal is received from indoor at the first
time, or when PMV alarm is detected and the equip-
ment is reactivated, move the valve once until it hits on
the stopper for positioning of the valve. In this case,
ticktack sound may be heard.
8-1-6. Louver control
(1) Vertical air flow louvers
Positions of vertical air flow louvers are
automatically controlled according to the operation
status (AUTO (A), COOL ( ), DRY ( ), HEAT( )
and FAN ONLY ( ). Besides, positions of vertical
air flow louvers can be arbitrarily set by pushing
the [FIX] button.
(2) Swing
If the [SWING] button is pressed during running
operation, vertical air flow louvers start swinging.
When the [FIX] button is pushed, swinging stops.
LOW+=
MED+=
LOW+MED
2
MED+HIGH
2
8-1.7. Indoor fan control (DC fan motor)
(1) The indoor fan is operated by the stepless speed
change DC motor.
(2) For air flow level, speed of the indoor fan motor is
controlled in five steps (LOW, LOW+, MED, MED+
and HIGH). If AUTO mode is selected, the fan
motor speed is automatically controlled by the
difference between the preset temperature and
the room temperature.
Table 8-1-2
RAS-13UKV-E2
Motor speed Air flow rate
(rpm) (m3/h)
H 1210 530
COOL M 1010 420
L 810 330
DRY — 780 320
H 1290 620
HEAT M 1110 470
L 930 380
Operation
mode Fan
mode

FILE NO. SVM-03008
– 25 –
8-1-8. Outdoor fan control (DC fan motor)
Although the outdoor fan motor drives the outdoor fan by non-step variable system of the revolution speed, the
revolution speed is restricted to three steps on the convenience of controlling. If a strong wind is lashing outside
of the room, the operation may be continued as the outdoor fan stops in order to protect the outdoor fan motor.
If a fan lock occurred due to entering of foreign matter, the air conditioner stops and an alarm is displayed.
<COOL, DRY>
Table 8-1-3
<HEAT>
Table 8-1-4
Model name RAS-13UAV-E2
Compressor revolution (rps) To 16.8 To 57.4 From 58.0
Outdoor temp. sensor TO TO ≥ 5°C 390 650 840
TO < 5°C 650 650 840
ECONO. operation TO ≥ 5°C 390 390 650
TO < 5°C 390 650 650
TO is abnormal 390 650 840
Model name RAS-13UAV-E2
Compressor revolution (rps) To 13.8 To 34.7 From 35.3
TO ≥ 38°C 390 840 840
Outdoor temp. sensor TO TO < 38°C 390 700 840
TO < 15°C 390
TO ≥ 38°C 390 700 840
ECONO. operation TO < 38°C 390 390 700
TO < 15°C 390
TO is abnormal 700 700 840

FILE NO. SVM-03008
– 26 –
8-2. Description of Operation Circuit
•Turning [ON] the breaker flashes the operation
lamp. (1Hz)
This is the display of power-ON (or notification of
power failure).
•When pushing [START/STOP] button of the
remote control, receive sound is issued from the
main unit, and the next operations are performed
together with opening the vertical air flow louvers.
8-2-1. Cooling operation
(The Remote Control MODE Button is Set to
the COOL Position)
•Once the setting is made, the operation mode is
memorized in the microcomputer so that the same
operation can be effected thereafter simply by
pushing [START/STOP] button.
•A cooling operation signal is transmitted to
outdoor unit.
•The outdoor unit controls the outdoor fan relay
R01, R02 and R03, and the compressor motor
speed according to the operation command signal
sent from the indoor unit.
•When [FAN] button is set to AUTO, the indoor fan
motor operates as shown in Fig. 8-2-1. When
[FAN] button is set to LOW , LOW+ ,
MED , MED+ , HIGH , the
motor operates with a constant air flow.
NOTE :
*1: Calculated from difference in motor speed of M+
and L, and controlled.
Fig. 8-2-1 Setting of air flow [Fan AUTO]
(1) Cooling capacity control
•The cooling capacity and room temperature
are controller by changing the compressor
motor speed according to both the difference
between the temperature detected by the room
temperature sensor and the temperature set by
TEMP button and also any change in room
temperature.
•When compressor has been activated or
reactivated, it operates with Max.41 rps for 2
minutes, with Max.91 rps from 2 minutes to 3
minutes, and with Max.88 rps after 3 minutes
passed.
•When room temperature is lower than set
temperature, indoor fan motor is operated at
fan speed L as shown in Fig. 8-2-1 while the
outdoor unit stops.
(2) Prevent-freezing control
If temperature of indoor heat exchanger detected
by the indoor heat exchanger sensor is 5°C lower,
compressor motor speed is gradually lowered to
prevent freezing of the indoor heat exchanger. If
temperature is 7°C or higher, return the operation
to the above item (1).
(3) Current release control
The input current of compressor and outdoor fan
motor (Precisely inverter main circuit control
section) which occupy most of air conditioner input
is detected by the outdoor current sensor, and
compressor motor speed is gradually lowered so
that current value does not exceed 9.0A if current
value exceeds 9.0A. When the current value
lowers to 8.5A, return the operation to the above
item (1).
Fig. 8-2-2
Set
temp.
+3
M+
*1
*1
*1
L
+2.5
+2
+1.5
+1
+0.5
0
−0.5
°C
(Room temp.) − (Set temp.)
In normal
operation
Normal control
9.0
8.5
Current value (A)
Comp. motor
speed down
Comp. motor
speed keep

FILE NO. SVM-03008
– 27 –
Air flow rate RAS-13UKV-E2
(rps)
HIGH 77
M+ 65
MED. 53
L–, L 30
UL, SUL 30
(4) Limit for maximum compressor motor speed
by indoor fan speed
When outdoor temperature sensor detected 32°C
or lower, and indoor heat exchanger sensor
detected 17°C or lower, the maximum compressor
motor speed is limited by the indoor fan speed.
For example, the compressor motor speed is
limited as described in the table below.
Table 8-2-1
rps : round per second
(5) Louver control
The vertical air flow louvers are automatically set
to horizontal or cool memory position.
When temperature of indoor heat exchanger
becomes 5°C or lower by the prevent-freezing
control and the compressor is turned off, the
vertical air flow louvers close once and then return
to the position of previous time.
(6) Discharge temperature control
(Common control to cooling and heating)
The discharge temperature of refrigerant gas from
the compressor is detected by the discharge
temperature sensor, and controls operating
compressor motor speed.
1) Control 1 (A zone) : Normal operation zone
When TD detect value is 98°C or lower, the
operation is performed with operating motor
speed instructed by the serial signal.
2) Control 2 (B zone) : Slow-up zone of motor
speed
When TD detect value is 98°C or higher,
operating motor speed is slowly up.
3) Control 3 (C zone) : Keep zone
When TD detect value is 105°C or higher,
operating motor speed is not changed if raising
operation speed.
4) Control 4 (D zone) : Slow down zone of motor
speed
When TD detect value is 108°C or higher,
operating motor speed is slowly down.
5) Control 5 (E zone) : Normal down of motor
speed
When TD detect value is 112°C or higher,
operating motor speed is down.
6) Control 6 (F zone) : Operation stop zone
If TD detect value exceeds 117°C during
operation, stop the operation immediately.
Then, restart the operation when TD detect
value becomes 105°C or lower.
Fig. 8-2-3 Compressor motor speed control
(7) ECO operation control
When the ECO button of the remote control is
pushed, quiet and mild operation is performed by
restraining air flow and operating motor speed.
1) Indoor air flow is controlled between SUL and
L.
2) The set temperature increases 0.5°C per 1
hour up to +2°C starting from the set
temperature when ECO mode has been
received.
Fig. 8-2-4
Zone
Operation stop zone
Normal down zone
of motor speed
Slow down of
motor speed
Keep zone :
Motor speed is not changed.
Slow-up zone of motor speed
Normal operation zone
F
117
TD
(°C)
112
108
105
98
E
D
C
B
A
Release of
motor speed
L−
UL
SUL
rps FAN
L
40
35
31
27
22
18
13
OFF
+4.0
TA [°C]
+3.5
+3.0
+2.5
+2.0
+1.5
+1.0
+0.5
Tsc
−0.5
−1.0
−2.0

FILE NO. SVM-03008
– 28 –
[Basic control]
*1,*2 : Approximate revolution speed of M+ and L to
linear accordingly to temperature.
Fig. 8-2-6 Setting of air flow
[Cold draft preventing control]
The upper limit of fan revolution speed is shown below.
Fig. 8-2-7 Cold draft preventing control
NOTES :
*1 : Stops for 2 minutes after thermostat-OFF.
*2 : 24°C when the set temp. is 24°C or more
Set temp. when the set temp. is below 24°C
*3 : SUL : Super ultra low
8-2-2. DRY operation
(The Remote Control MODE Button is Set to
the DRY Position)
•Once the setting is made, the operation mode is
memorized in the microcomputer so that the same
operation can be effected thereafter simply by
pushing [START/STOP] button.
•Dry operation signal is transmitted to outdoor unit.
•The Cooling operation giving priority to
dehumidifying, which restrains the indoor fan speed
and compressor motor speed, is performed.
•The indoor fan motor operates as shown in
Fig. 8-2-5. (Fan speed is AUTO only.)
•The outdoor fan motor operates as described in
Table 8-1-3, and the compressor motor speed
according to the operation command signal sent
from the indoor unit.
NOTE :
*1 : Middle motor speed between L– and SUL
Fig. 8-2-5 Setting of air flow
8-2-3. Heating operation
Transferring of heat operation signal from indoor unit to
outdoor unit starts.
The indoor fan motor operates by the room
temperature when selecting “AUTO” of “FAN” as shown
in Fig. 8-2-6, and operates with a set air flow when
selecting “LOW ” to “HIGH ”.
However, to prevent cold draft, revolution speed of the
fan is restricted by indoor heat exchanger when air
flow is AUTO (Fig. 8-2-7) and starting of FAN Manual.
−0.5
0
+0.5
+1.0
+1.5
+2.0
+2.5
*1
L−
SUL
(Room temp.) − (Set temp.)
Set
temp.
0
−0.5
−1
−1.5
−2
−5.0
−5.5
(Room temp.) −
(Set temp.)
Set
temp.
[FAN AUTO]
* 2
* 1
LOW
M+
HIGH
33
*
3
*
2
32
44
43
20
19
31
30
A
A − 8
A + 4
A − 8
HIGH
SUL
SUL
FAN
AUTO
Starting
of FAN
Manual
Approximate
revolution speed
of HIGH and SUL
linear by Tc.
Stop
( NOTE :
*
1)

FILE NO. SVM-03008
– 29 –
Fig. 8-2-8
(4) Defrost control
1) Detection of frost
In heating operation, time duration while the
compressor operates is counted, and defrost
operation starts by any condition described
below.
a. The counted time is 28 minutes or more,
and status that temperature of the outdoor
heat exchanger detected by the outdoor
heat exchanger is –20°C or lower continued
for 2 minutes or more.
b. The counted time is 28 minutes or more,
and status that temperature of the outdoor
heat exchanger detected by the outdoor
heat exchanger is –7°C or lower and
temperature lowered by 2.5°C than the
minimum value of the outdoor heat
exchanger during 10 to 15 minutes count
time continued for 2 minutes or more.
c. The counted time is 34 minutes or more,
and status that temperature of the outdoor
heat exchanger detected by the outdoor
heat exchanger is -5°C or lower and
temperature lowered by 3.0°C than the
minimum value of the outdoor heat
exchanger during 10 to 15 minutes count
time continued for 2 minutes or more.
d. If the following three conditions are satis-
fied, defrost operation (Timer defrost) starts
after heating operation for 37 minutes.
1Setting on remote control, HEAT
(mode), HIGH (Fan), 30°C
(temp.).
2Room temp. is 19°C to 24°C, and
outside air temp. is 5°C or lower.
3Defrost operation has been already
performed once.
[In starting and in stability]
The outdoor unit controls the outdoor fan based upon
the operation signal sent from the indoor unit, and also
controls revolution speed of the compressor motor.
The power coupler (IC20) for 4-way valve is turned on,
and turned off in defrost operation.
(1) Heating capacity control
Calculate the difference between temperature
detected by room temp. sensor every minute and
the set temp. set on “Temp. indicator” and variation
amount of room temp.
Then, obtain the correction amount of the com-
mand signal, and correct the current frequency
command signal.
(2) High-temp. release control
If temperature of the indoor heat exchanger
detected by the indoor heat exchanger sensor is
55°C or higher, compressor motor speed is
gradually lowered to prevent over-temp. rising of
compressed pressure.
If temperature becomes below 48°C, return to
above item (1).
(3) Current release control
The input current of compressor and outdoor fan
motor (Precisely inverter main circuit control
section) which occupies most of air conditioner
input is detected by the outdoor current sensor.
The compressor motor speed is lowered gradually
according to the range of TO (outside air temp.) if
the input current exceeds the current value
determined in each zone as shown in Fig. 8-2-8 so
that the input current does not exceed the set
value.
In case that the current lowered by approx. 0.5A
than each set value, return to above item (1).
Outside air temp. (°C)
16.0
10.3A
10.8A
9.8A
TO
15.5
11.0
10.5
In starting
•Until 12 minutes
passed after
operation start
•When 12 to 25
minutes passed
after operation
start and room
temp. is 3°C or
lower than set
temp.
•Room temp. < Set
temp. –4°C
FAN
AUTO
FAN
Manual
In stability
•When 12 to 25
minutes passed
after operation
start and room
temp. is higher
than (set temp.
–3°C)
•When 25 minutes
or more passed
after operation
start
•Room temp.
Set temp. –3.5°C

FILE NO. SVM-03008
– 30 –
2) Defrost operation
Operation of the compressor is stopped once,
turn off power coupler for 4-way valves after
10 seconds, and then exchange the 4-way
valves.
After 20 seconds, restart operation of the
compressor. Turn off the outdoor fan just when
the compressor stopped.
If temperature of the indoor heat exchanger
lowered than 38°C, stop the indoor fan.
3) Defrost reset
Resetting operation from defrost to heating is
performed when anyone of the following
conditions is satisfied.
a. Temperature of the outdoor heat exchanger
rose to +8°C or higher.
b. A status that temperature of the outdoor
heat exchanger is +5°C or higher continued
for 80 seconds.
c. Defrost operation continued for 15 minutes.
In resetting defrost operation, the compressor
stops for 50 seconds if defrost has started under
condition a. to c. in item1), but the compressor is
reset to heating operation keeping operated if
defrost has started under condition d. in item 1).
(5) Louver control
When the compressor is turned off by high-temp.
release control, the vertical air flow louvers close
once and then return to the position of previous
time.
8-2-4. Automatic operation
(1) As shown in Fig. 8-2-9, the operation mode
(COOL, DRY, HEAT) is selected according to the
outside temperature and room temperature when
the operation has started.
The operation in Fan mode continues until an
operation mode is selected.
If the room temperature is 20°C or higher when
“AUTO” operation started within 2 hours after
“HEAT” operation had stopped, select an operation
mode after Fan operation of ultra low fan.
In AUTO operation, the set temperature of each
operation can be corrected by the remote
controller in the range of 17 to 30°C.
(2) After selecting the operation mode (COOL, DRY,
HEAT), select an operation mode again when a
status that the compressor was turned off by the
room temperature or outside air temperature
continues for 15 minutes.
(3) Powerful Cool mode control
When the outside temperature is above 32°C and
indoor temperature is above 28°C, select Cool
mode control. In Cool mode, the air flow louver
directs downward. When the room temperature
gains access to the set temperature, it becomes
cool memory position.
Fig. 8-2-9
TA
28
26
24
23
20
5
−2−10+1
15 18 24 32 To
Ts correction by
outside temperature
( To)
Heating with setting
on remote controller
Ts = 25°C
Powerful Cooling/Drying with
setting on remote controller
Ts = 25°C
Cooling/Drying with setting
on remote controller
Ts = 25°C
Monitoring
(Follow to the Fan control in
previous mode when being
selected again.)

FILE NO. SVM-03008
– 31 –
8-3. Temporary Operation
•Temporary Auto operation, existence of Auto
Restart, and Temporary Cooling operation can be
set by the TEMPORARY button of the indoor
controller.
Fig. 8-3-1
Table 8-3-1
8-3-1. Temporary auto operation
•When the TEMPORARY button is pushed, the
Auto operation with set temperature fixed at 25°C
starts. Controlling is same as that of Auto opera-
tion by the remote controller.
•When the TEMPORARY button is pushed again,
the operation stops.
•During Temporary Auto operation, operation by the
remote controller is accepted.
•Using the Auto Restart function, the Temporary
Auto operation starts when power failure is reset.
8-3-2. Temporary cooling operation
•When the TEMPORARY operation button keeps
pushed for 10 seconds, Cooling operation of
which compressor motor speed and the indoor fan
speed are fixed starts.
Compressor motor speed :
13 : 30 rps
Indoor fan speed : Low
•When the TEMPORARY operation button is
pushed again, the operation stops.
•Auto Restart function is unavailable.
TEMPORARY button
TEMPORARY button
TEMPORARY button
OFF → ON
After pushing button
for 3 seconds
After pushing button
for 10 seconds
Control
Temporary Auto operation start
Auto Restart
control select
Temporary Cooling
operation start

FILE NO. SVM-03008
– 32 –
8-4-1. How to set auto restart function
To set the auto restart function, proceed as follows:
The power supply to the unit must be on; the function
will not set if the power is off.
Push the [TEMPORARY] button located in the center
of the front panel continuously for three seconds.
The unit receives the signal and beeps three times.
The unit then restarts operating automatically in the
event of power supply being accidentally shut down.
8-4. Auto Restart Function
The indoor unit is equipped with an automatic
restarting function which allows the unit to restart
operating with the set operating conditions in the event
of power supply being accidentally shut down. The
operation will resume without warning three minutes
after power is restored. This function is not set to work
when shipped from the factory. Therefore it is
necessary to set it to work.
•When the unit is on standby (Not operating)
•When the unit is in operation
•While this function is being set, if the unit is in
operation, the orange lamp is on.
•This function can not be set if the timer operation
has been selected.
•When the unit is turned on by this function, the
louver will not swing even though it was swinging
automatically before shutting down.
Operation Motions
Push [TEMPORARY] button for more The unit is on standby.
than three seconds.
The unit starts to operate. The green lamp is on.
After approx. three seconds,
The unit beeps three times The lamp changes from
and continues to operate. green to orange.
If the unit is not required to operate at this time, push [TEMPORARY]
button once more or use the remote control to turn it off.
→→
TEMPORARY button
0
3S
Operation Motions
Push [TEMPORARY] button for more The unit is in operation. The green lamp is on.
than three seconds.
The unit stops operating. The green lamp is turned off.
After approx. three seconds,
The unit beeps three times.
If the unit is required to operate at this time, push [TEMPORARY]
button once more or use the remote control to turn it on.
→→
TEMPORARY button
0
3S
•While the filter check lamp is on, the
TEMPORARY button has the function of filter
reset button.

FILE NO. SVM-03008
– 33 –
8-4-3. Power failure during timer operation
When the unit is in timer operation, if it is turned off
because of power failure, the timer operation is
cancelled. Therefore, set the timer operation again.
NOTE:
The Every Timer is reset while a command signal can
be received from the remote controller even if it
stopped due to a power failure.
8-5. Filter Check Lamp
When the elapsed time reaches 1000 hours, the filter
check lamp indicates. After cleaning the filters, turn off
the filter check lamp.
8-4-2. How to cancel auto restart function
To cancel auto restart function, proceed as follows:
Repeat the setting procedure: the unit receives the
signal and beeps three times.
The unit will be required to be turned on with the
remote control after the main power supply is turned
off.
•When the system is on standby (Not operating)
•When the system is operating
•While this function is being set, if the unit is in operation, the orange lamp is on.
Operation Motions
Push [TEMPORARY] button for more The unit is on standby.
than three seconds.
The unit starts to operate. The orange lamp is on.
After approx. three seconds,
The unit beeps three times The lamp changes from
and continues to operate. orange to orange.
If the unit is not required to operate at this time, push [TEMPORARY]
button once more or use the remote control to turn it off.
→→
TEMPORARY button
0
3S
Operation Motions
Push [TEMPORARY] button for more The unit is in operation. The orange lamp is on.
than three seconds.
The unit stops operating. The orange lamp is turned off.
After approx. three seconds,
The unit beeps three times.
If the unit is required to operate at this time, push [TEMPORARY]
button once more or use the remote control to turn it on.
→→
TEMPORARY button
0
3S
8-5-1. How to turn off filter check lamp
Push [FILTER] button on the remote control.
Or push [TEMPORARY] button on the indoor unit.
Then we have to clarify it.
NOTE :
If [TEMPORARY] button is pushed while the filter
check lamp is not indicating, the indoor unit will start
the automatic operation.
When you want a temporary operation while the filter
lamp lights, put out the lamp once, and then push the
TEMPORARY button.

FILE NO. SVM-03008
– 34 –
8-6. Remote Control and its Functions
8-6-1. Parts name of remote control
11
11
1Infrared signal emitter
Transmits a signal to the indoor unit.
22
22
2START/STOP button
Push the button to start operation.
(A receiving beep is heard.)
Push the button again to stop operation.
(A receiving beep is heard.)
If no receiving sound is heard from the indoor unit,
push the button twice.
33
33
3Mode select button (MODE)
Push this button to select a mode.
Each time you press the button, a mode is
selected in a sequence that goes from A : Auto
changeover control, : Cool, : Dry, : Heat,
: Fan only, and back to A.
(A receiving beep is heard.)
44
44
4Temperature button ( )
,....... The set temperature is increased up to
30°C.
9.......The set temperature is dropped down to
17°C.
(A receiving beep is heard.)
55
55
5Fan speed button (FAN)
Push this button to select fan speed. When you
select AUTO, the fan speed is automatically
adjusted according to the room temperature.
You can also manually select the desired fan
speed from among five settings.
(LOW , LOW+ , MED , MED+ ,
HIGH )
(A receiving beep is heard.)
66
66
6Auto louver button (SWING)
Push this button to swing the louver.
(A receiving beep is heard.)
Push the FIX button to stop the louver swinging.
(A receiving beep is heard.)
77
77
7Set louver button (FIX)
Push this button to adjust the air flow direction.
(A receiving beep is heard.)
88
88
8Off timer button (OFF)
Push this button to set the OFF timer.
99
99
9On timer button (ON)
Push this button to set the ON timer.
!!
!!
!Reserve button (SET)
Push this button to reserve time settings.
(A receiving beep is heard.)
""
""
"Cancel button (CLR)
Push this button to cancel ON timer and OFF
timer. (A receiving beep is heard.)
##
##
#High power button (Hi-POWER)
Push this button to start the high power operation.
$$
$$
$Memory button (MEMO)
Keep pushing the MEMO button for 2 seconds
from the beginning, or keep pushing the button for
2 seconds after pushing it once for a short time.
Then the set data is stored in the memory and
is displayed.
%%
%%
%Automatic operation button (AUTO)
Push this button to operate the air conditioner
automatically.
&&
&&
&ECO timer button (ECO)
Push this button to start the ECO timer (OFF
timer) operation.
You can select the OFF timer from among four
settings (1,3,5 or 9 hours).
((
((
(FILTER button
Push this button to turn off the filter cleaning lamp
on the indoor unit.
Push this button after cleaning the air filter.
))
))
)PRESET button
Push this button to operate the air conditioner
according to settings memorized by the MEMO
button.
~~
~~
~TIMER button
Use this button to change the clock, ON timer, and
OFF timer times.
To forward the time, push the “TIMER ” button.
To set back the time, push the “TIMER ” button.
PRESET
FAN MODE
Hi-POWER
ON
OFF SET CLR
ECO
AUTO
TIMER
CLOCK CHECKRESET
FILTER
1
44
FIX
SWING
MEMO
START/STOP
13
13
14
14
11
11
3
15
15
12
12
10
10
18
18
17
17
13
14
11
3
15
12
10
18
17
2
5
6
7
9
8
16
16
2
5
6
7
9
8
16
A
B
AUTOA

FILE NO. SVM-03008
– 35 –
•In the illustration, all indications are indicated for explanation.
During operation, only the relevant indications will be indicated on the remote control.
8-6-2. Names and functions of indications on
remote control
[Display]
All indications, except for clock time indication, are
indicated by pushing the START/STOP button.
11
11
1Transmission mark
This transmission mark , indicates when the
remote controller transmits signals to the indoor
unit.
22
22
2Mode display
Indicates the current operation mode.
(AUTO : Automatic control, A : Auto changeover
control, : Cool, : Dry, : Heat, : Fan only)
33
33
3Temperature display
Indicates the temperature setting (17 C to 30 C).
When you set the operating mode to : Fan only,
no temperature setting is indicated.
44
44
4Louver operation display
Indicates the louver positioning and operation.
Five selectable positions
,,,,
Automatic
Swing
55
55
5FAN speed display
Indicates the selected fan speed. AUTO or one of
five fan speed levels (LOW , LOW+ ,
MED , MED+ , HIGH ) can
be indicated.
Indicates AUTO when the operating mode is either
AUTO or : Dry.
66
66
6TIMER and clock time display
The time set for timer operation or clock time is
indicated.
The present time is always indicated except for
TIMER operation.
77
77
7Hi-POWER display
Indicates when the Hi-POWER operation starts.
Push the Hi-POWER button to start and push it
again to stop the operation.
88
88
8 (MEMORY) display
Flashes for 4 seconds when the MEMO button is
pushed during operation.
mark is indicated when keeping the button
depressed for more than 4 seconds while the
mark is flashing.
Push another button to turn off the mark.
99
99
9ECO TIMER display
Indicates when the ECO TIMER is in operation.
Each time you push the ECO button, the display
changes in the sequence of 1,3,5 or 9h.
13 2 8
9 67 5
A
B
AUTOA
4
A
B
A
FILE NO. SVM-03008
– 36 –
8-7. Hi POWER Mode ([Hi POWER] button
on the remote control is pushed.)
When [Hi POWER] button is pushed while the indoor
unit is in Auto, Cooling or Heating operation, Hi
POWER mark is indicated on the display of the remote
control and the unit operates as follows.
(1) Automatic operation
•The indoor unit operates in according to the
current operation.
(2) Cooling operation
•The preset temperature drops 1°C.
(The value of the preset temperature on the
remote controller does not change.)
•If the difference between the preset tempera-
ture and the room temperature is big, the
horizontal louver moves to the Hi POWER
position automatically. Then when the differ-
ence between them gets smaller, the horizontal
louver returns automatically.
(3) Heating operation
•The preset temperature increases 2°C. (The
value of the preset temperature on the remote
control does not change.)
•If the difference between the preset tempera-
ture and the room temperature is big, the
horizontal louver moves to the Hi POWER
position automatically. Then when the differ-
ence between them gets smaller, the horizontal
louver returns automatically.
(4) The Hi POWER mode can not be set in Dry or Fan
only operation.

– 37 –
FILE NO. SVM-03008
9. INSTALLATION PROCEDURE
9-1. Safety Cautions
CAUTION
•THIS AIR CONDITIONER USES THE NEW HFC REFRGERANT (R410A), WHICH DOES NOT
DESTROY THE OZONE LAYER.
R410A refrigerant is apt to be affected by impurity such as water, oxidizing membranes, and oils because
the pressure of R410A refrigerant is approx. 1.6 times of refrigerant R22. As well as the adoption of this new
refrigerant, refrigerating machine oil has also been changed. Therefore, during installation work, be sure that
water, dust, former refrigerant, or refrigerating machine oil does not enter into the refrigerating cycle of a
new-refrigerant air conditioner.
To avoid mixing refrigerant and refrigerating machine oil, the sizes of charging port connecting sections on
the main unit are different from those for the conventional refrigerant, and different size tools are also
required. Accordingly, special tools are required for the new refrigerant (R410A) as shown below. For
connecting pipes, use new and clean piping materials with high-pressure withstand capabilities, designed for
R410A only, and ensure that water or dust does not enter. Moreover, do not use any existing piping as its
pressure withstand may be insufficient, and may contain impurities.
New Refrigerant Air conditioner Installation
For general public use
Power supply cord of parts of appliance for outdoor use shall be at least polychloroprene sheathed flexible
cord (design H07RN-F), or cord designation 245 IEC66. (1.5 mm2 or more)
CAUTION
This appliance must be connected to the main power supply by means of a circuit breaker or a switch with a
contact separation of at least 3 mm.
The installation fuse (25A D type ) must be used for the power supply line of this air
conditioner. (RAS-13UKV-E2 only)
To Disconnect the Appliance from the Main Power Supply

– 38 –
FILE NO. SVM-03008
DANGER
•FOR USE BY QUALIFIED PERSONS ONLY.
•TURN OFF MAIN POWER SUPPLY BEFORE ATTEMPTING ANY ELECTRICAL WORK. MAKE SURE
ALL POWER SWITCHES ARE OFF. FAILURE TO DO SO MAY CAUSE ELECTRIC SHOCK.
•CONNECT THE CONNECTING CABLE CORRECTLY. IF THE CONNECTING CABLE IS CONNECTED
WRONGLY, ELECTRIC PARTS MAY BE DAMAGED.
•CHECK THE EARTH WIRE THAT IT IS NOT BROKEN OR DISCONNECTED BEFORE INSTALLATION.
•DO NOT INSTALL NEAR CONCENTRATIONS OF COMBUSTIBLE GAS OR GAS VAPORS.
FAILURE TO FOLLOW THIS INSTRUCTION CAN RESULT IN FIRE OR EXPLOSION.
•TO PREVENT OVERHEATING THE INDOOR UNIT AND CAUSING A FIRE HAZARD, PLACE THE UNIT
WELL AWAY (MORE THAN 2 M) FROM HEAT SOURCES SUCH AS RADIATORS, HEATERS,
FURNACE, STOVES, ETC.
•WHEN MOVING THE AIR-CONDITIONER FOR INSTALLING IT IN ANOTHER PLACE AGAIN, BE VERY
CAREFUL NOT TO GET THE SPECIFIED REFRIGERANT WITH ANY OTHER GASEOUS BODY INTO
THE REFRIGERATION CYCLE. IF AIR OR ANY OTHER GAS IS MIXED IN THE REFRIGERANT, THE
GAS PRESSURE IN THE REFRIGERATION CYCLE BECOMES ABNORMALLY HIGH AND IT
RESULTINGLY CAUSES BURST OF THE PIPE AND INJURIES ON PERSONS.
•IN THE EVENT THAT THE REFRIGERANT GAS LEAKS OUT OF THE PIPE DURING THE
INSTALLATION WORK, IMMEDIATELY LET FRESH AIR INTO THE ROOM. IF THE REFRIGERANT GAS
IS HEATED BY FIRE OR SOMETHING ELSE, IT CAUSES GENERATION OF POISONOUS GAS.
WARNING
•Never modify this unit by removing any of the safety guards or bypassing any of the safety interlock
switches.
•Do not install in a place which cannot bear the weight of the unit.
Personal injury and property damage can result if the unit falls.
•Before doing the electrical work, attach an approved plug to the power supply cord.
Also, make sure the equipment is properly earthed.
•Appliance shall be installed in accordance with national wiring regulations.
If you detect any damage, do not install the unit. Contact your TOSHIBA dealer immediately.
CAUTION
•Exposure of unit to water or other moisture before installation could result in electric shock.
Do not store it in a wet basement or expose to rain or water.
•After unpacking the unit, examine it carefully for possible damage.
•Do not install in a place that can increase the vibration of the unit. Do not install in a place that can amplify
the noise level of the unit or where noise and discharged air might disturb neighbors.
•To avoid personal injury, be careful when handling parts with sharp edges.
•Please read this installation manual carefully before installing the unit. It contains further important
instructions for proper installation.

– 39 –
FILE NO. SVM-03008
9-1-1. Installation Diagram of Indoor and Outdoor Units
Shield
pipe
Air filter
Hook
Hook
(Attach to the front panel)
65 mm or more
1 Installation
plate
170 mm
or more170 mm
or more
For the rear left and left
piping
Insert the cushion between
the indoor unit and wall, and
lift the indoor unit for better
operation.
Wall
Insulate the refrigerant
pipes separately with
insulation, not together.
6 mm thick heat resisting
polyethylene foam
50 mm or more
from wall
Vinyl tape Apply
after carrying out
a drainage test
Extension
drain hose
(Option:
RB–821SW)
200 mm or more
600 mm or more
100 mm or more
from wall
Saddle
Do not allow the drain hose
to get slack.
Make sure to run the drain
hose sloped downward.
Cut the piping
hole sloped
slightly
Left
Rear
left
Right
Rear right
Bottom
right Bottom left
The auxiliary piping can be
connected the left, rear left,
rear right, right, bottom right
or bottom left.
250 mm or more
from wall
6Purifying filter
5 Zeolite filter
Before installing the
wireless remote control
•With the remote control cover
open, load the batteries supplied
correctly, observing their polarity.
2 Wireless remote control
3 Batteries
Cover
2Wireless remote control
8Flat head wood screw
4 Remote control holder
As show in the figure, hang
power cord and connecting
cable downward, and take out it
along piping connection port.
Fig. 9-1-1

– 40 –
FILE NO. SVM-03008
9-1-2. Optional installation parts
<Fixing bolt arrangement of outdoor unit>
Fig. 9-1-2
•Secure the outdoor unit with the fixing bolts and nuts if the unit is likely to be exposed to a strong wind.
•Use ∅8 mm or ∅10 mm anchor bolts and nuts.
•If it is necessary to drain the defrost water, attach drain nipple to the bottom plate of the outdoor unit
before installing it.
Parts name
Refrigerant piping
Liquid side : ∅6.35 mm
Gas side : ∅9.52 mm
Pipe insulating material
(polyethylene foam, 6 mm thick)
Putty, PVC tapes
Part
Code
A
B
C
Q’ty
One
each
1
One
each
Diffuser
Suction side
Drain hole
600
115
310
76

– 41 –
FILE NO. SVM-03008
Part
No.
1
2
3
Part name (Q’ty)
Installation plate x 1
Wireless remote control x 1
Battery x 2
Part name (Q’ty)
Remote control holder x 1
Zeolite filter x 1
Purifying filter x 1
Part
No.
4
5
6
Part
No.
7
8
9
Others Name
Owner’s manual
Installation manual
Part name (Q’ty)
Mounting screw ∅4 x 25 s x 6
Flat head wood screw
∅3.1 x 16 s x 2
Drain nipple* x 1
This model is not equipped with an extension drain hose.
Option :
For the extension drain hose, use an optionally available RB-821SW or commercially available one.
9-1-3. Accessory and installation parts
The part marked with asterisk (*) is packaged with the
outdoor unit.

– 42 –
FILE NO. SVM-03008
•Incidentally, the “refrigerant cylinder” comes with the refrigerant designation (R410A) and protector coating in
the U. S’s ARI specified rose color (ARI color code: PMS 507).
•Also, the “charge port and packing for refrigerant cylinder” require 1/2 UNF 20 threads per inch
corresponding to the charge hose’s port size.
9-1-4. Installation/Servicing Tools
<Changes in the product and components>
In the case of an air conditioner using R410A, in order to prevent any other refrigerant from being charged
accidentally, the service port diameter of the outdoor unit control valve (3 way valve) has been changed.
(1/2 UNF 20 threads per inch)
•In order to increase the pressure resisting strength of the refrigerant piping, flare processing diameter and
size of opposite side of flare nuts has been changed. (for copper pipes with nominal dimensions 1/2 and 5/8)
New tools for R410A
Applicable to R22 model Changes
As pressure is high, it is impossible to measure by
means of conventional gauge. In order to prevent any
other refrigerant from being charged, each port
diameter has been changed.
In order to increase pressure resisting strength, hose
materials and port size have been changed (to 1/2
UNF 20 threads per inch).
When purchasing a charge hose, be sure to confirm
the port size.
As pressure is hight and gasification speed is fast, it
is difficult to read the indicated value by means of
charging cylinder, as air bubbles occur.
The size of opposite sides of flare nuts have been
increased. Incidentally, a common wrench is used for
nominal diameters 1/4 and 3/8.
By increasing the clamp bar’s receiving hole, strength
of spring in the tool has been improved.
Used when flare is made by using conventional flare
tool.
Connected to conventional vacuum pump. It is
necessary to use an adapter to prevent vacuum
pump oil from flowing back to the charge hose.
The charge hose connecting part has two ports-one
for conventional refrigerant (7/16 UNF 20 threads per
inch) and one for R410A. If the vacuum pump oil
(mineral) mixes with R410A a sludge may occur and
damage the equipment.
Exclusive for HFC refrigerant.
New tools for R410A
Gauge manifold
Charge hose
Electronic balance
for refrigerant charging
Torque wrench
(nominal diam. 1/2, 5/8)
Flare tool
(clutch type)
Gauge for projection
adjustment
Vacuum pump adapter
Gas leakage detector
—

– 43 –
FILE NO. SVM-03008
9-2. Indoor Unit
9-2-1. Installation place
•A place which provides the spaces around the
indoor unit as shown in the above diagram.
•A place where there is no obstacle near the air inlet
and outlet.
•A place that allows easy installation of the piping to
the outdoor unit.
•A place which allows the front panel to be opened.
•The indoor unit shall be installed as top of the
indoor unit comes to at least 2 m height.
Also it must be avoided to put anything on the top of
the indoor unit.
CAUTION
•Direct sunlight to the indoor unit’s wireless
receiver should be avoided.
•The microprocessor in the indoor unit should not
be too close to RF noise sources.
(For details, see the owner’s manual.)
<Remote controller>
•A place where there are no obstacles such as a
curtain that may block the signal from the indoor
unit.
•Do not install the remote control in a place exposed
to direct sunlight or close to a heating source, such
as a stove.
•Keep the remote control at least 1 m apart from the
nearest TV set or stereo equipment. (This is
necessary to prevent image disturbances or noise
interference.)
•The location of the remote control should be
determined as shown below.
Fig. 9-2-1
(Top view)
Indoor unit
* : Axial distance
Reception
range
Reception
range
Remote
control Remote
control
(Side view)
9-2-2. Cutting a hole and mounting installation
plate
<Cutting a hole>
When installing the refrigerant pipes from the rear.
Fig. 9-2-2
1. After determining the pipe hole position on the
mounting plate (A), drill the pipe hole (∅65 mm) at
a slight downward slant to the outdoor side.
NOTE:
•When drilling a wall that contains a metal lath, wire
lath or metal plate, be sure to use a pipe hole brim
ring sold separately.
<Mounting the installation plate>
For installation of the indoor unit, use the paper pattern
on the back.
Fig. 9-2-3
Indoor unit
5 m
5 m
45°
45°
75°
* 7 m
7 m
65 mm
100 mm
The center of the pipe
hole is above the arrow.
Pipe hole
Hook
Anchor bolt holes
2 m or more from floor
62
85
82.5
170
Pipe
hole
Pipe hole
Indoor unit
Thread
Weight
Hook
7 Mounting screw
Hook 1
Installation
plate

– 44 –
FILE NO. SVM-03008
<When the installation plate is directly mounted on
the wall>
1. Securely fit the installation plate onto the wall by
screwing it in the upper and lower parts to hook up
the indoor unit.
2. To mount the installation plate on a concrete wall
with anchor bolts, utilize the anchor bolt holes as
illustrated in the above figure.
3. Install the installation plate horizontally in the wall.
CAUTION
When installing the installation plate with a
mounting screw, do not use the anchor bolt hole.
Otherwise the unit may fall down and result in
personal injury and property damage.
Fig. 9-2-4
Fig. 9-2-5
Projection
15 mm or less
Clip anchor
(local parts)
5 mm dia. hole
Anchor
bolt
77
77
7Mounting
screw
∅4 x 25ss
ss
s
CAUTION
Failure to firmly install the unit may result in
personal injury and property damage if the unit falls.
•In case of block, brick, concrete or similar type
walls, make 5 mm dia. holes in the wall.
•Insert clip anchors for appropriate mounting screws
7.
NOTE:
•Secure four corners and lower parts of the
installation plate with 4 to 6 mounting screws to
install it.
Installation plate
<Keep horizontal direction>
9-2-3. Electrical work
1. The supply voltage must be the same as the rated
voltage of the air conditioner.
2. Prepare the power source for exclusive use with the
air conditioner.
NOTE:
•Wire type : More than H07RN-F or 245 IEC66
(1.0 mm2 or more)
CAUTION
•This appliance can be connected to the mains in
either of the following two ways.
(1) Connection to fixed wiring :
A switch or circuit breake which disconnects
all poles and has a contact separation of at
least 3 mm must be incorporate in the fixed
wiring. An approved circuit breaker or
switches must used.
(2) Connection with power supply plug :
Attach power supply plug with power cord and
plug it into wall outlet. An approved power
supply cord and plug must be used.
NOTE:
•Perform wiring works so as to allow a generous
wiring capacity.

– 45 –
FILE NO. SVM-03008
9-2-4. Wiring connection
<How to connect the connecting cable>
Wiring of the connecting cable can be carried out
without removing of the front panel.
1. Remove the air inlet grille.
Open the air inlet grille upward and pull it toward
you.
2. Remove the terminal cover and cord clamp.
3. Insert the connecting cable (according to the local
cords) into the pipe hole on the wall.
4. Take out the connecting cable through the cable
slot on the rear panel so that it protrudes about
15 cm from the front.
5. Insert the connecting cable fully into the terminal
block and secure it tightly with screws.
6. Tightening torque : 1.2 N·m (0.12 kgf·m)
7. Secure the connecting cable with the cord clamp.
8. Fix the terminal cover, rear plate bushing and air
inlet grille on the indoor unit.
CAUTION
•Be sure to refer to the wiring system diagram
labeled inside the front panel.
•Check local electrical cords and also any specific
wiring instructions or limitations.
Fig. 9-2-6
NOTE:
•Wire type : More than H07RN-F or 245 IEC66
(1.0 mm2 or more)
Fig. 9-2-7 Stripping length of connecting cable
Terminal cover
Screw
Cord clamp
Connecting cable
Screw Screw
Terminal block
Earth line
Connecting
cable
Earth line
10 mm
10 mm
10 mm
50 mm
80 mm
9-2-5. Piping and drain hose installation
<Piping and Drain Hose Forming>
* Since dewing results in a machine trouble, make
sure to insulate both the connecting pipes. (Use
polyethylene foam as insulating material.)
Fig. 9-2-8
1. Die-cutting Front panel slit
Cut out the slit on the left or right side of the front panel
for the left or right connection and the slit on the
bottom left or right side of the front panel for the
bottom left or right connection with a pair of nippers.
2. Changing drain hose
For left connection, bottom-leftward connection and
rear-leftward connection’s piping, it is necessary to
change the drain hose and drain cap.
<How to remove the Drains Cap>
Clip drain cap by needle-nose pliers, and pull out.
Fig. 9-2-9
<How to install the Drain Hose>
Firmly insert drain hose connecting part until hitting on
a heat insulator.
Fig. 9-2-10
Rear right
Rear left
Die-cutting
Front panel slit
Changing
drain hose
Piping preparation
Bottom left
Left
Bottom right
Right
Heat insulator
Drain hose
About 15 cm

– 46 –
FILE NO. SVM-03008
<How to fix the Drains Cap>
1) Insert hexagonal wrench (∅4 mm) in a center head.
Fig. 9-2-11
2) Firmly insert drains cap.
Fig. 9-2-12
CAUTION
Firmly insert the drain hose and drain cap;
otherwise, water may leak.
<In case of right or left piping>
•After scribing slits of the front panel with a knife or a
making-off pin, cut them with a pair of nippers or an
equivalent tool.
Fig. 9-2-13
<In case of bottom right or bottom left piping>
•After scribing slits of the front panel with a knife or a
making-off pin, cut them with a pair of nippers or an
equivalent tool.
Fig. 9-2-14
∅4 mm
Do not apply lubricating oil
(refrigerant machine oil) when
inserting the drain cap. Application
causes deterioration and drain
leakage of the plug.
Insert a hexagon
wrench (∅4 mm)
No gap
Slit
Slit
<Left-hand connection with piping>
Bend the connecting pipe so that it is laid within 43 mm
above the wall surface. If the connecting pipe is laid
exceeding 43 mm above the wall surface, the indoor
unit may unstably be set on the wall. When bending the
connecting pipe, make sure to use a spring bender so
as not to crush the pipe.
Bend the connection pipe within a radius of 30 mm
(∅6.35) 40 mm (∅9.52).
To connect the pipe after installation of the unit (figure)
Fig. 9-2-15
NOTE:
If the pipe is bent incorrectly, the indoor unit may
unstably be set on the wall.
After passing the connecting pipe through the pipe
hole, connect the connecting pipe to the auxiliary pipes
and wrap the facing tape around them.
CAUTION
•Bind the auxiliary pipes (two) and connecting
cable with facing tape tightly. In case of leftward
piping and rear-leftward piping, bind the auxiliary
pipes (two) only with facing tape.
Fig. 9-2-16
•Carefully arrange pipes so that any pipe does not
stick out of the rear plate of the indoor unit.
•Carefully connect the auxiliary pipes and
connecting pipes to each other and cut off the
insulating tape wound on the connecting pipe to
avoid double-taping at the joint, moreover, seal
the joint with the vinyl tape, etc.
•Since dewing results in a machine trouble, make
sure to insulate both the connecting pipes. (Use
polyethylene foam as insulating material.)
•When bending a pipe, carefully do it not to crush it.
(To the forefront of flare)
Liquid side
Outward form of indoor unit
R 30 mm or less (∅6.35) R 40 mm or less (∅9.52)
(Use polisin (polyethylene core) or the like for
bending pipe.)
Use the handle of screwdriver, etc.
Gas side
270 mm
170 mm
43 mm
80
Auxiliary pipes
Indoor unit
Connecting cable
Installation plate

– 47 –
FILE NO. SVM-03008
2. Put water in the drain pan and make sure that the
water is drained out of doors.
3. When connecting extension drain hose, insulate the
connecting part of extension drain hose with shield
pipe.
Fig. 9-2-20
CAUTION
Arrange the drain pipe for proper drainage from the
unit.
Improper drainage can result in dew-dropping.
This air conditioner has the structure designed to drain
water collected from dew, which forms on the back of
the indoor unit, to the drain pan.
Therefore, do not store the power cord and other parts
at a height above the drain guide.
Fig. 9-2-21
Inside the room
Drain hose
Shield pipe
Extension drain hose
Wall
Drain guide
Space for pipes
9-2-6. Indoor unit fixing
1. Pass the pipe through the hole in the wall, and hook
the indoor unit on the installation plate at the upper
hooks.
2. Swing the indoor unit to right and left to confirm that
it is firmly hooked up on the installation plate.
3. While pressing the indoor unit onto the wall, hook it
at the lower part on the installation plate. Pull the
indoor unit toward you to confirm that it is firmly
hooked up on the installation plate.
Fig. 9-2-17
•For detaching the indoor unit from the installation
plate pull the indoor unit toward you while pushing
its bottom up at the specified parts.
Fig. 9-2-18
9-2-7. Drainage
1. Run the drain hose sloped downwards.
NOTE:
•Hole should be made at a slight downward slant on
the outdoor side.
Fig. 9-2-19
PushPush
Hook
1 Installation plate
Hook here
Push
(unhook)
1
2
Do not put
the drain
hose end in
the drainage
ditch.
Do not form the
drain hose into
a wavy shape.
Do not put
the drain
hose end
into water.
Do not rise the
drain hose.
50 mm
or more

– 48 –
FILE NO. SVM-03008
9-3-2. Refrigerant piping connection
<Flaring>
1. Cut the pipe with a pipe cutter.
Fig. 9-3-2
2. Insert a flare nut into the pipe, and flare the pipe.
•Projection margin in flaring : A (Unit : mm)
Fig. 9-3-3
Rigid (Clutch type)
Imperial (wing nut type)
<Tightening connection>
Align the centers of the connecting pipes and tighten
the flare nut as far as possible with your fingers. Then
tighten the nut with a spanner and torque wrench as
shown in the figure.
Fig. 9-3-4
CAUTION
•Do not apply excess torque.
•Otherwise, the nut may crack depending on the
conditions.
9-3. Outdoor Unit
9-3-1. Installation place
•A place which provides the spaces around the
outdoor unit as shown in the left diagram.
•A place which can bear the weight of the outdoor
unit and does not allow an increase in noise level
and vibration.
•A place where the operation noise and discharged
air do not disturb users neighbors.
•A place which is not exposed to a strong wind.
•A place free of a leakage of combustible gases.
•A place which does not block a passage.
•When the outdoor unit is to be installed in an
elevated position, be sure to secure its feet.
•An allowable length of the connecting pipe is up
15 m.
•An allowable height level is up to 10 m.
•A place where the drain water does not raise any
problem.
CAUTION
1. Install the outdoor unit without anything blocking
the air discharging.
2. When the outdoor unit is installed in a place
exposed always exposed to strong wind like a
coast or on a high storey of a building, secure
the normal fan operation using a duct or a wind
shield.
3. In particularly windy areas, install the unit such
as to avoid admission of wind.
4. Installation in the following places may result in
trouble.
Do not install the unit in such places.
•A place full of machine oil.
•A saline-place such as the coast.
•A place full of sulfide gas.
•A place where high-frequency waves are likely
to be generated as from audio equipment,
welders, and medical equipment.
Fig. 9-3-1
Strong
wind
Outer dia. R410A Conventional
of copper pipe tool used tool used
6.35 0 to 0.5 1.0 to 1.5
9.52 0 to 0.5 1.0 to 1.5
90°
Roughness
Obliquity
A
Die Pipe
Warp
Outer dia. R410A
of copper pipe
6.35 1.5 to 2.0
9.52 1.5 to 2.0
Flare nutHalf union
Use a wrench to secure. Use a torque wrench to tighten.
Externally
threaded side Internally
threaded side

– 49 –
FILE NO. SVM-03008
9-3-3. Evacuating
After the piping has been connected to the indoor unit,
you can perform the air purge together at once.
AIR PURGE
Evacuate the air in the connecting pipes and in the
indoor unit using a vacuum pump. Do not use the
refrigerant in the outdoor unit. For details, see the
manual of the vacuum pump.
<Using a vacuum pump>
Be sure to use a vacuum pump with counter-flow
prevention function so that inside oil of the pump does
not flow backward into pipes of the air conditioner
when the pump stops. (If oil inside of the vacuum pump
enters into the air conditioner, which use R410A,
refrigeration cycle trouble may result.)
1. Connect the charge hose from the manifold valve to
the service port of the gas side packed valve.
2. Connect the charge hose to the port of the vacuum
pump.
3. Open fully the low pressure side handle of the
gauge manifold valve.
4. Operate the vacuum pump to start evacuating.
Perform evacuating for about 15 minutes if the
piping length is 20 meters. (15 minutes for
20 meters) (assuming a pump capacity of 27 liters
per minute. Then confirm that the compound
pressure gauge reading is –101 kPa (–76 cmHg).
5. Close the low pressure side valve handle of gauge
manifold.
6. Open fully the valve stem of the packed valves
(both side of Gas and Liquid).
7. Remove the charging hose from the service port.
8. Securely tighten the caps on the packed valves.
Fig. 9-3-7
•Tightening torque of flare pipe connections
The operating pressure of R410A is higher than that of
R22. (Approx. 1.6 times).
It is therefore necessary to firmly tighten the flare pipe
connecting sections (which connect the indoor and
outdoor units) up to the specified tightening torque.
Incorrect connections may cause not only a gas
leakage, but also damage to the refrigerant cycle.
Fig. 9-3-5
<Shaping pipes>
1. How to shape the pipes
Shape the pipes along the incused line on the
outdoor unit.
2. How to fit position of the pipes
Put the edges of the pipes to the place with a
distance of 85 mm from the incused line.
Fig. 9-3-6
(Unit : N·m)
Outer dia. Tightening torque
of copper pipe
∅6.35 mm 16 to 18 (1.6 to 1.8 kgf·m)
∅9.52 mm 30 to 42 (3.0 to 4.2 kgf·m)
Flare at
indoor unit side
Flare at
outdoor unit side
Incused line
85mm
CAUTION
•KEEP IMPORTANT 4 POINTS FOR PIPING
WORK
(1) Take away dust and moisture (Inside of the
connecting pipes.)
(2) Tight connection (between pipes and unit)
(3) Evacuate the air in the connecting pipes using
VACUUM PUMP.
(4) Check gas leak (connected points)
Compound
pressure
gauge
Pressure gauge
Manifold valve
Handle Hi
(Keep full closed)
Charge hose
(For R410A only)
Vacuum pump
adapter for
counter-flow
prevention
(For R410A only)
Packed valve at liquid side
Packed valve at gas side
Service port
(Valve core (Setting pin))
Connecting
pipe
Handle Lo
Charge hose
(For R410A only)
-101kPa
(-76cmHg)
Vacuum
pump

– 50 –
FILE NO. SVM-03008
<Stripping length of connection cable>
Fig. 9-3-9
CAUTION
•Wrong wiring connection may cause some
electrical parts burn out.
•Be sure to comply with local codes on running
the wire from indoor unit to outdoor unit (size of
wire and wiring method etc).
•Every wire must be connected firmly.
•This installation fuse (25A D type ) must
be used for the power supply line of this air
conditioner.
•If incorrect or incomplete wiring is carried out, it
will cause an ignition or smoke.
•Prepare the power supply for exclusive use with
the air conditioner.
•This product can be connected to the mains.
Connection to fixed wiring: A switch which
disconnects all poles and has a contact
separation of at least 3 mm must be incorporated
in the fixed wiring.
NOTE: Connecting cable
•Wire type: More than H07RN-F or 245 IEC66
(1.0 mm2 or more)
<Packed valve handling precautions>
•Open the valve stem all the way out; but do not try
to open it beyond the stopper.
•Securely tighten the valve stem cap with torque in
the following table:
Fig. 9-3-8
9-3-4. Wiring connection
1. Remove the valve cover from the outdoor unit.
2. Connect the connecting cable to the terminal as
identified with their respective matched numbers on
the terminal block of indoor and outdoor unit.
3. When connecting the connecting cable to the
outdoor unit terminal, make a loop as shown in the
installation diagram of indoor and outdoor unit, to
prevent water coming in the outdoor unit.
4. Insulate the unused cords (conductors) from any
water coming in the outdoor unit. Proceed them so
that they do not touch any electrical or metal parts.
4 mm
Hexagonal wrench
is required.
Terminal block
Connecting cable
Model RAS-13UKV-E2
Power source 50/60 Hz, 220 – 240 V Single phase
Maximum 11A
running current
Installation fuse 25A (D type )
rating
Power cord H07RN-F or 245 IEC66 (1.5 mm2
or more)
Gas side 30 to 42 N·m
(∅9.52 mm) (3.0 to 4.2 kgf·m)
Liquid side 16 to 18 N·m
(∅6.35 mm) (1.6 to 1.8 kgf·m)
Service port 9 to 10 N·m
(0.9 to 1.0 kgf·m)
Power cord
Earth line Earth line
Connecting cable Power cord
10
10
10
10
30 30
40 40
LN
123

– 51 –
FILE NO. SVM-03008
9-3-5. Gas leak test
Fig. 9-3-10
•Check the flare nut connections for the gas leak
with a gas leak detector or soap water.
9-3-6. Test operation
To switch the TEST RUN (COOL) mode, push
TEMPORARY button for 10 sec.
(The beeper will make a short beep.)
Fig. 9-3-11
9-3-7. Auto restart setting
This product is designed so that, after a power failure,
it can restart automatically in the same operating mode
as before the power failure.
Information
The product was shipped with Auto Restart function
in the off position. Turn it on as required.
<How to set the auto restart>
•Press and hold down the TEMPORARY button for
about 3 seconds. After 3 seconds, the electronic
beeper makes three short beeps to tell you the Auto
Restart has been selected.
•To cancel the Auto Restart, follow the steps
described in the section Auto Restart Function of
the Owner’s Manual.
Check places
for outdoor unit
Valve cover
Check places for
indoor unit (Flare
nut connection)
Electric parts
cover
TEMPORARY button

– 52 –
FILE NO. SVM-03008
Inverter cover
P. C. board
(Soldered surface)
Discharging position
(Discharging period
10 seconds or more)
Plug of
soldering
iron
10. HOW TO DIAGNOSE THE TROUBLE
The pulse modulating circuits are mounted to both
indoor and outdoor units. Therefore, diagnose troubles
according to the diagnosis procedure as described
below. (Refer to the check points in servicing written
on the wiring diagrams attached to the indoor/outdoor
units.)
Table 10-1
No. Troubleshooting Procedure Page
1 First Confirmation 52
2 Primary Judgment 53
3 Judgment by Flashing LED 54
of Indoor Unit
4 Self-Diagnosis by Remote Control 55
5 Judgment of Trouble by 58
Every Symptom
6 How to Check Simply the Main Parts 66
Fig. 10-1
NOTE:
A large-capacity electrolytic capacitor is used in the
outdoor unit control (inverter). Therefore, if the power
supply is turned off, charge (charging voltage DC280V)
remains and discharging takes a lot of time. After
turning off the power source, if touching the charging
section before discharging, an electrical shock may be
caused. Discharge the electrolytic capacitor completely
by using soldering iron, etc.
<Discharging method>
(1) Remove the inverter cover (plating) by opening four
mounting claws.
(2) As shown below, connect the discharge resistance
(approx. 100Ω40W) or plug of the soldering iron to
voltage between + – terminals of the C14
(“CAUTION HIGH VOLTAGE 380 V” is indicated.)
electrolytic capacitor (500µF/400 V) on P.C. board,
and then perform discharging.
10-1. First Confirmation
10-1-1. Confirmation of power supply
Confirm that the power breaker operates (ON)
normally.
10-1-2. Confirmation of power voltage
Confirm that power voltage is AC 220-240 V ± 10%. If
power voltage is not in this range, the unit may not
operate normally.

– 53 –
FILE NO. SVM-03008
10-1-3. Operation which is not a trouble (Program operation)
For controlling the air conditioner, the program operations are built in the microcomputer as described in the
following table. If a claim is made for running operation, check whether or not it meets to the contents in the
following table. When it does, we inform you that it is not trouble of equipment, but it is indispensable for control-
ling and maintaining of air conditioner.
10-2. Primary Judgment
To diagnose the troubles, use the following methods.
(1) Judgment by flashing LED of indoor unit
(2) Self-diagnosis by service check remote control
(3) Judgment of trouble by every symptom
Firstly, use the method (1) for diagnosis. Then, use the method (2) and (3) to diagnose the details of troubles.
Table 10-1-1
1 When power breaker is turned “ON”,
the operation lamp (Green) of the
indoor unit flashes.
2 Compressor may not operate even if
the room temperature is within range of
compressor-ON.
3 In Dry and ECO. mode, FAN (air flow)
display does not change even though
FAN (air flow select) button is operated.
4 Increasing of compressor motor speed
stops approx. 30 seconds after
operation started, and then compressor
motor speed increases again approx.
30 seconds after.
5 The set value of the remote control
should be below the room temperature.
6 In AUTO mode, the operation mode is
changed.
7 In HEAT mode, the compressor motor
speed does not increase up to the
maximum speed or decreases before
the temperature arrives at the set
temperature.
No. Operation of air conditioner Description
The OPERATION lamp of the indoor unit flashes when power source
is turned on. If [START/STOP] button is operated once, flashing stops.
(Flashes also in power failure)
The compressor does not operate while compressor restart delay
timer (3-minutes timer) operates. The same phenomenon is found
after power source has been turned on because 3-minutes timer
operates.
The air flow indication is fixed to [AUTO].
For smooth operation of the compressor, the compressor motor speed
is restricted to Max. 41 rps for 2 minutes, and Max.91 rps for 2 minutes
to 3 minutes, respectively after the operation has started.
If the set value is above the room temperature, Cooling operation is
not performed. And check whether battery of the remote control is
consumed or not.
After selecting Cool or Heat mode, select an operation mode again if
the compressor keeps stop status for 15 minutes.
The compressor motor speed may decrease by high-temp. release
control (Release protective operation by temp.-up of the indoor heat
exchanger) or current release control.

– 54 –
FILE NO. SVM-03008
10-3. Judgment by Flashing LED of Indoor Unit
While the indoor unit monitors the operation status of the air conditioner, if the protective circuit operates, the
contents of self-diagnosis are displayed with block on the indoor unit indication section.
NOTES:
(1) The contents of items B and C and a part of item E are displayed when air conditioner operates.
(2) When item B and C, and item B and a part of item E occur concurrently, priority is given to the block of item B.
(3) The check codes can be confirmed on the remote control for servicing.
Table 10-3-1
Item
A
B
C
D
E
Check
code Block display Description for self-diagnosis

– 55 –
FILE NO. SVM-03008
PRESET
FAN MODE
Hi-POWER
ON
OFF SET CLR
ECO
AUTO
TIMER
CLOCK CHECKRESET
FILTER
FIX
SWING
MEMO
START/STOP
A
B
AUTOA
SET CLR
CLOCK CHECKRESET
10-4. Self-Diagnosis by Remote Control
(Check Code)
(1) If the lamps are indicated as shown B to H in
Table 10-3-1, excute the self-diagnosis by the
remote control.
(2) When the remote control is set to the service
mode, the indoor control diagnoses the operation
condition and indicate the information of the
self-diagnosis on the display of the remote control
with the check codes. If a fault is detected, all
lamps on the indoor unit will flashes at 5Hz and it
will beep for 10 seconds (Pi, Pi, Pi....). The timer
lamp usually flashes (5Hz) during self-diagnosis.
10-4-1. How to use remote control in service mode
(1) Push [CHECK] button with a tip of pencil to set the
remote control to the service mode.
•“00” is indicated on the display of the remote
control.
•The timer lamp of the indoor unit flashes
continuously. (5 times per 1 sec.)
(4) Push [START/STOP] button to release the service
mode.
•The display of the remote control returns to as it
was before service mode was engaged.
(2) Push [TIMER 8] button.
If there is no fault with a code, the indoor unit will
beep once (Pi) and the display of the remote
control will change as follows:
•Check the unit with all 35 check codes (00 to 22)
as shown in Table 10-4-1.
•Push [TIMER 9] button to change the check
code backward.
If there is a fault, the indoor unit will beep for 10
seconds (Pi, Pi, Pi...).
Note the check code on the display of the remote
control.
•2-digits alphanumeric will be indicated on the
display.
•All lamps on the indoor unit will flash. (5 times
per 1 sec.)
(3) Push [CLR] button. After service finish for clear
service code in memory.
•“7F” is indicated on the display of the remote
control.
00 01 1d 1E02 22
Alphanumeric characters are used for the check code.
is 5. is 6.
is A. is B.
is C. is D.
Fig. 10-4-1

– 56 –
FILE NO. SVM-03008
10-4-2. Caution at servicing
(1) After servicing, push the START/STOP button to return to the normal mode.
(2) After servicing by the check code, turn off breaker of the power supply, and turn on breaker of the power
supply again so that memory in the microcomputer returns the initial status. However, the check codes are
not deleted even if the power supply is turned off because they are stored in the fixed memory.
Table 10-4-1
Block distinction Operation of diagnosis function
Judgment and action
Check Block Check Cause of operation Air conditioner Remarks
code code status
Short-circuit or disconnec-
tion of the room
temperature sensor
(TA sensor).
Being out of place,
disconnection, short-circuit,
or migration of heat
exchanger sensor
(TC sensor)
Lock of indoor fan or trouble
on the indoor fan circuit
Trouble on other indoor
P.C. boards
Return serial signal is not
sent to indoor side from
operation started.
(1) Defective wiring of
connecting cable
(2) Operation of
compressor thermo.
Gas shortage
Gas leak
Operation command signal
is not sent to outdoor side.
Operation
continues.
Operation
continues.
All off
Operation
continues.
Operation
continues.
Operation
continues.
Displayed when
error is detected.
Displayed when
error is detected.
Displayed when
error is detected.
Displayed when
error is detected.
Flashes when
trouble is
detected on
return serial
signal, and
normal status
when signal is
reset.
Flashes when
trouble is
detected on
operation
command signal,
and normal status
when signal is
reset.
1. Check the room temp. sensor.
2. When the room temp. sensor is
normal, check P.C. board.
1. Check heat exchanger sensor.
2. When heat exchanger sensor is
normal, check P.C. board.
1. Check P.C. board.
2. When P.C. board is normal, check
the motor.
Replace P.C. board.
1. When the outdoor unit never
operate:
(1) Check connecting cable, and
correct if defective wiring.
(2) Check 25A fuse of inverter
P.C. board
(3) Check 3.15A of inverter
P.C. board.
2. To display [Other] block during
operation, check compressor
thermo. operation and supply gas
(check gas leak also).
3. Unit operates normally during
check.
If Return serial signal does not
stop between 2 and 3 of the
indoor terminal block, replace
inverter P.C. board.
If signal stops between indoor
terminal block 2 and 3, replace
indoor P.C. board.
If return serial signal does not stop
between indoor terminal block 2
and 3, replace inverter P.C. board.
If signal stops between indoor
terminal block 2 and 3, replace
indoor P.C. board.
Indoor
P. C .
board
etc.
Not
displayed
Connec-
ting cable
and serial
signal

– 57 –
FILE NO. SVM-03008
Block distinction Operation of diagnosis function
Judgment and action
Check Block Check Cause of operation Air conditioner Remarks
code code status
Inverter over-current
protective circuit operates.
(Short time)
Position-detect circuit error
or short-circuit between
windings of compressor
Current-detect circuit error
Being out of place,
disconnection or short-
circuit of outdoor temp.
sensor
Disconnection or short-
circuit of discharge temp.
sensor
Outdoor fan drive system
error
Outdoor heat exchanger
temp. sensor error
Compressor drive output
error, Compressor error
(lock, missing, etc.),
Break down
Return serial signal has
been sent when operation
started, but it is not sent
from halfway.
(1) Compressor thermo.
operation
Gas shortage
Gas leak
(2) Instantaneous power
failure
Compressor does not
rotate. (Current protective
circuit does not operate
when a specified time
passed after compressor
had been activated.)
Discharge temp. exceeded
117°C
Break down of compressor
Four-way valve inverse error
(TC sensor value lowered
during heating operation.)
All off
All off
All off
All off
All off
All off
Operation
continues.
All off
Operation
continues.
All off
All off
All off
Operation
continues.
Displayed when
error is detected.
Displayed when
error is detected.
Displayed when
error is detected.
Displayed when
error is detected.
Displayed when
error is detected.
Displayed when
error is detected.
–––
Displayed when
error is detected.
Flashes when
trouble is
detected on
return serial
signal, and
normal status
when signal is
reset.
Displayed when
error is detected.
Displayed when
error is detected.
Displayed when
error is detected.
–––
Even if trying operation again, all
operations stop immediately. :
Replace P.C. board.
1. Even if connecting lead wire of
compressor is removed, position-
detect circuit error occurred.
: Replace P.C. board.
2. Measure resistance between
wires of compressor, and perform
short circuit. : Replace
compressor.
Even if trying operation again, all
operations stop immediately. :
Replace P.C. board.
1. Check outdoor temp. sensors
(TE, TS).
2. Check P.C. board.
1. Check discharge temp. sensor (TD).
2. Check P.C. board.
Position-detect error, over-current
protective operation of outdoor fan
drive system, fan lock, etc. :
Replace P.C. board or fan motor.
1. Check outdoor heat exchanger
temp. sensor (TE).
2. Check P.C. board.
When 20 seconds passed after
startup, position-detect circuit error
occurred. : Replace compressor.
1. Repeat Start and Stop with
interval of approx. 10 to 40
minutes. (Code is not displayed
during operation.)
Supply gas. (Check also gas leak.)
2. Unit operates normally during
check.
If return serial signal does not
stop between indoor terminal
block, 2 and 3 replace inverter
P.C. board.
If signal stops between indoor
terminal block, 2 and 3 replace
indoor P.C. board.
1. Trouble on compressor
2. Trouble on wiring of compressor
(Missed phase)
1. Check discharge temp. sensor (TD).
2. Degassing
3. Trouble on P.M.V.
1. Check power voltage. (220-240 V
+10%)
2. Overload operation of
refrigeration cycle
Check installation condition
(Short-circuit of outdoor diffuser.)
1. Check 4-way valve operation.
Ondoor
P. C .
board
Not
displayed
Ondoor
P. C .
board
Others
(including
compres-
sor)

– 58 –
FILE NO. SVM-03008
10-5. Judgment of Trouble by Every Symptom
10-5-1. Indoor unit (Including remote contro)
(1) Power is not turned on (Does not operate entirely)
<Primary check>
1. Is the supply voltage normal?
2. Is the normal voltage provided to the outdoor unit?
3. Is the crossover cable connected properly?
4. Is the fuse (F01) blown?
NO
Turn off power supply once, and
5 second later, turn it on again.
Is OPERATION lamp flashing?
Is it possible to turn on
power supply by pushing
[START/STOP] button
on remote control?
Is voltage
(DC12 V or 5 V)
indicated on rear of
indoor control
board normal?
Does transmission mark
on remote control flash
normally, and is its signal
transmitted properly?
Is DC310-340 V
supplied to
primary side of
transfer switch?
Are DC15 V, 12 V
and 7 V supplied to
secondary side of
transfer switch?
Are DC15 V, 12 V
and 7 V supplied to
secondary side of
transfeor switch?
Does fan
motor connector
between 1 and 2
short-circuit?
Item by symptoms
Operation
Check Item
Considerable principle cause
Measures
Parts (R01, R04, DB01, C01,
C03, IC01 and T01) are defective.
Remote control is defective.
Refer to (5) Troubleshooting
for remote control .
Turn off breaker once
and turn it on again
after removing motor.
Refer to <Primary check>
or this problem is one step
short of power P.C. board block.
Transfer swith,
IC (IC01) for
power supply or
fan motor is
defective.
Unit operates normally.
Replace main
P.C. board
Replace motor.
Is fuse (F01)
of indoor control
board blown?
Microcomputer
is defective.
NO NO
NO
NO NO
NO NO
NO
YES
YES YES
YES
YES
YES YES
YES YES
•Be sure to disconnect the motor connector CN10 after shut off the power supply, or it will be a cause of
damage of the motor.

– 59 –
FILE NO. SVM-03008
(2) Power is not turned on though Indoor P.C. board is replaced
<Confirmation procedure>
Turn on power supply.
Does operation
lamp flash?
YES YES
NO NO
Is wired connectly to white and black
lead wires of terminal block? Correct wirng.
To item of Power supply
is not turned on .

– 60 –
FILE NO. SVM-03008
(3) Only indoor fan motor does not operate.
<Primary check>
(1) Is it possible to detect the power supply voltage (200 – 240 V) between 1 and 2 on the terminal block?
(2) Does the indoor fan motor operate in cooling operation?
(In heating operation, the indoor fan motor does not operate for approximately 5 minutes after it is turned on,
to prevent a cold air from blowing in.)
Turn off power
supply once, and
turn it on again.
Start to operate
indoor unit in cooling
operation at airflow
level LOW .
Turn off indoor unit and
remove connector from motor.
Then start to operate indoor
unit with remote control.
Turn off indoor unit and remove
connector from motor.
Then push START/STOP button
on remote control to stop
flashing lamp on indoor unit.
Change airflow level
to HIGH .
Turn off indoor unit
and rotate cross-flow
fan by hand when the
unit is on standby.
At this time, is it possible
to detect DC 1V or more
between 5e and 3d
of motor connector
(CN10).
Start to operate the
indoor unit in except
heating operation.
At this time, is it possible
to detect DC 1V or more
between 5e and 3d
of motor connector (CN10)?
(Check this condition
within 15 seconds after
starting unit.)
Start to operate the
indoor unit in except
heating operation.
At this time, is it possible to
detect DC 1V or more between
5e and 3d of motor
connector (CN10)?
Is it possible to detect
DC 1V or more between
5e and 3d of
motor connector (CN10).
Is it possible to detect
DC 310−340 V between
1e and 3d of motor
connector (CN10).
(Motor connection condition)
Is it possible to detect DC 15 V
between 4e and 3d of
motor connector (CN10).
Is it possible to detect
DC 15 V between
4e and 3d of motor
connector (CN10).
Is it possible to
change airflow level
to HIGH ?
Is it possible to
rotate cross-flow fan by
hand properly?
Does fan motor
continue to operate?
Does indoor
fan operate?
Fan motor
operates normally.
Peplace indoor
fan motor.
Peplace main
P.C. board.
Peplace
bearing.
YES
YES
YES
YES
YES
YES
YES
YES
YES
YES
NO
NO
YES
NO
NO
NO
NO
NO
NO
NO
NO
NO

– 61 –
FILE NO. SVM-03008
(4) Indoor fan motor automatically starts to rotate by turning on power supply.
<Cause>
The IC is built in the indoor fan motor. Therefore the P.C. board is also mounted to inside of the motor.
If the P.C. board is soldered imperfectly or the IC is defective, the fan motor may automatically rotate by turning
on power supply.
<Inspection procedure>
(1) Remove the front panel. (Remove 4 screws.)
(2) Remove the cover of the fan motor lead wires.
(3) Check DC voltage with CN10 connector while the fan motor is rotating.
NOTE:
•Do not disconnect the connector while the fan motor is rotating.
•Use a thin test rod.
DC
P.C. board
CN10
6 (Blue)
5 (Yellow)
4 (White)
3 (Black)
2 —
1 (Red)
Black
Yellow
Indoor fan starts rotating when power supply is turned on.
(Check output DC voltage of fan motor on P.C. board.)
Measure voltage between 2 (GND:BLACK)
and 3 (V line:YELLOW) of motor connector
(CN10) while indoor fan motor is rotating.
DC 1.0 V or more
P.C. board is defective.
Replace P.C. board.
Under DC 1.0 V
Motor is defective.
Replace motor.

– 62 –
FILE NO. SVM-03008
Press START/STOP
button.
Is transmission
mark indicated?
Press RESET button
on remote control
with tip of pencil.
Is receiver on
indoor unit exposed
to direct sunlight?
Is there any
thyristor fluorescent
light nearby?
Does indoor unit
operate when
moving remote control
near receiver or
indoor unit?
Press START/STOP
button.
Batteries are
exhausted.
Is transmission mark
indicated?
Does indoor unit
beep and operate?
Remote control
is defective.
Does indoor unit
start to operate by
automatic restart
function?
Does radio sound
is affected by
remote control when
a signal is transmitted
at distance of 5 cm
from radio?
P.C. board is
defective.
Keep indoor unit
away from
thyristor
fluorescent light.
Avoid direct
sunlight. Replace
P.C. board. Replace
batteries. Normal
operation Replace
remote control.
The unit does not beep at all.
OPERATION lamp on
indoor unit is not indicated.
Note : After replacing batteries,
press the RESET button
with a tip of a pencil.
NO
YES
YES
NO
NO NO
YES
YES
NO
YES
NO
YES
YES
YES
NO
NO
(5) Troubleshooting for remote control

– 63 –
FILE NO. SVM-03008
Measure gas pressure.
Gas shortage
Pipe clogging
Thermo operation of compressor
Gas circulation amount is down.
Gas leak
10-5-2. Wiring Failure (Interconnecting and serial signal wire)
(1) Outdoor unit does not operate.
1) Is the voltage between indoor terminal block 2 and 3 varied?
Confirm that transmission from indoor to outdoor is correctly performed based on the following diagram.
NOTE:
•Measurement should be performed 2 minutes and 30 seconds after starting of the operation.
•Be sure to prepare a diode for judgment.
Normal time : Voltage swings between DC15 V and 60 V.
Abnormal time : Voltage does not vary.
(2) Outdoor unit stops in a little while after operation started.
<Check procedure> Select phenomena described below.
1) The outdoor unit stops 10 to 20 minutes after operation started, and 10 minutes or more are
required to restart the unit.
2) If the unit stops once, it dose not operate until the power will be turned on again.
3) The outdoor unit stops 10 minutes to 1 hour after operation started, and an alarm is displayed.
(Discharge temp. error check code 03, 1E Sensor temp. error check code 02, 1C)
To item of compressor does not operate.
Gas leak
P.M.V. is defective.
Miswiring of connecting wires of indoor/outdoor units
Clogging of pipe and coming-off TC sensor
Refer to the chart in 10-6.
2
1
3
Terminal block on indoor side
S5277G
Terminal block Tester
S5277G or equivalent (G or J type)
(Diode with rated voltage of 400 V
or more is acceptable.)
Red
White

– 64 –
FILE NO. SVM-03008
10-6. Check Code 1C (Miswiring in indoor/outdoor units) and 1E
<Check procedure>
NO
NO
NO
NO
YES
YES
YES
YES
YES
Gas leakage,
disconnection of TS/TC
sensors (Check code 02, 1C)
Discharge temp. error,
gas leakage
(Check code 03, 1E)
1C 1E
Gas amount check and valve clogging check
Remove TC sensor connector from the P.C. board in indoor unit.(Remove connector from the P.C. board.)
Operate the air conditioner in COOL mode by TEMP button ( Pi sound is heard if keeping pushed for 10 seconds.).
The operation enters temporary operation mode which fixes opening degree of P.M.V. and No. of revolution of
compressor. Check condensation at outlet of P.M.V., and then check operating pressure from the service port.
Valve drive check
Check the operating pressure from service port, and add gas if pressure is low.
Is connector of coil connected to inverter?
Is coil of the pulse modulation valve
(P.M.V.) correctly set?
Existence of condensation at outlet of P.M.V.
If there is condensation at outlet (1/4 inch=∅6.35mm valve side),
the valve is clogged.
Is positioning sound of valve (sound hitting to stopper) heard from valve
when the air conditioner starts the operation after turning off power of the
air conditioner once?
NOTE :
After all the operations stopped by the remote control, the power keeps
being supplied to outdoor unit for approx. 3 minutes. If operating the air
conditioner by remote control again just after all the operations stopped by the
remote control, positioning of the valve is not performed when outdoor unit
is activated because supplying power to the outdoor unit is not interrupted.
After positioning of the valve, activate the compressor and the outdoor fan.
It takes approx. 7 seconds for positioning of the valve, and sound ticktack
(hitting sound to stopper) is heard for approx. 0.5 seconds at least of that
period. As the sound is low, check sound by using screwdriver, etc.
Are temp. sensors of indoor/outdoor units correctly set to the holder?
NOTE :
The temperature sensors which are used to control electronic control valve
include indoor heat exchanger sensor (TC), outdoor heat exchanger temp.
sensor (TE), and outdoor suction temp. sensor (TS).
Set it correctly.
Set it correctly.
Set it correctly.
Replace coil valve.
Replace valve.
Add gas.

– 65 –
FILE NO. SVM-03008
10-7. How to Diagnose Trouble in Outdoor Unit
10-7-1. Summarized inner diagnosis of inverter assembly
Diagnosis/Process flowchart Item Contents Summary
Preparation
Check
Check
Operation
Measurement
Check
Stop
Check
Measurement
If fuse was blown,
be sure to check the
electrolytic capacitor
and diode block. (DB01)
•Connect discharge
resistance (approx.
100Ω40W) or soldering
iron (plug) between +, –
terminals of the electrolytic
capacitor (500µF)
of C14 (with printed
CAUTION HIGH VOLT-
AGE) on P.C. board.
OK if 500µF →
DC280 to 380 V
Remove CN300 by pushing
the part an arrow because
CN01 is a connector with
lock.
→Resistance between
phases should be approx.
55 to 77Ω.
→Should be 10MΩ or
more.
Turn “OFF” the power
breaker, and remove 3P
connector which connects
inverter and compressor.
•Check whether 25 A fuse
on the control board
assembly is blown or not.
(F01)
Turn on power breaker, and
operate the air conditioner in
COOL mode by short-circuit
of the timer.
Measure terminal voltage of
electrolytic capacity.
500µF: 400WV x 3
After operation, turn off the
power breaker after 2
minutes 20 seconds passed,
and discharge the electrolytic
capacity by soldering iron.
Check voltage between
motor phases.
•Is not winding
between 1-2, 2-3, or
1-3 opened or
short-circuited?
•Is not frame grounded with
1, 2 or 3?
Discharging position
(Discharging period
10 seconds or more)
Plug of
soldering
iron
A B C
NG
NG
NO
NG
NO
OK
OK
OK
YES
YES
Remove
connector of
compressor.
Check 15 A fuse
(Part No.F01).
Replace fuse.
Check
electrolytic
capacitor,
diode block
(DB01), etc.
Check
terminal voltage
of electrolytic
capacitor.
Check
electrolytic
capacitor,
diode
(DB01), etc.
Does outdoor
fan rotate?
Does LED on control
board flash or go on?
Remove connector
CN300 of outdoor
fan motor, and using
a tester, check
resistance value
between every phase
at motor side
Replace
outdoor
fan motor.
Table 10-7-1

– 66 –
FILE NO. SVM-03008
Check
Operation
→OK if 10MΩ or more →
OK if 0.51Ω → 0.57Ω
(Check by a digital tester.)
a) One or two of three
voltages should be 5 V,
and others should be 0V.
(When all are 0V or 5 V,
it is not accepted.)
b) When rotating the fan
slowly with hands, the
voltage between pins
should move from 0V to 5 V.
(Check it with an analog
tester.)
Check winding resistance
between phases of
compressor, and resistance
between outdoor frames by
using a tester.
• Is not grounded.
• Is not short-circuited
between windings.
• Winding is not opened.
Remove connector CN300 of
the outdoor fan motor, turn on
the power breaker, and
perform the operation. (Stops
though activation is
prompted.)
Check operation within 2
minutes 20 seconds after
activation stopped.
<Output check of fan motor
position detect signal>
While connecting connector
5P (CN301) for position
detection, using a tester,
measure voltage between
1-5. Between 5-4 : 5 V
(2) Inspection procedures
1) When a P.C. board is judged to be defective,
check for disconnection, burning, or discolora-
tion of the copper foil pattern or this P.C. board.
2) The P.C. board consists of the following 2 parts
a. Main P.C. board part:
DC power supply circuit (5 V, 12 V, 15 V),
Indoor fan motor control circuit, CPU and
peripheral circuits, buzzer, and Driving circuit
of louver.
b. Indication unit of infrared ray receiving
Infrared ray receiving circuit, LED:
To check defect of the P.C. board, follow the
procedure described below.
Diagnosis/Process flowchart Item Contents Summary
}
NG
NG
NG
OK
OK
OK
Check
winding of
compressor.
Check
fan motor
position
detect
signal.
Replace
com-
pressor.
CBA
Replace
outdoor
fan
motor.
Replace control
board assembly.
Replace
control board. Replace
compressor.
Check
compressor
winding
resistance.
10-8. How to Check Simply the Main Parts
10-8-1. How to check the P.C. board (Indoor unit)
(1) Operating precautions
1) When removing the front panel or the P.C.
board, be sure to shut off the power supply
breaker.
2) When removing the P.C. board, hold the edge
of the P.C. board and do not apply force to the
parts.
3) When connecting or disconnecting the connec-
tors on the P.C. board, hold the whole housing.
Do not pull at the lead wire.

– 67 –
FILE NO. SVM-03008
Table 10-8-1
(3) Check procedures
No. Procedure Check points (Symptom) Causes
1 Turn off the power supply and
remove the P.C. board assembly
from electronic parts base. Remove
the connecting cables from the
terminal block.
2 Remove the connector of the motor
and turn on the power supply. If
OPERATION lamp flashes (once
per second), it is not necessary to
check steps (1 to 3) in the right
next column.
3 Push [START/STOP] button once to
start the unit. (Do not set the mode
to Fan Only or On-Timer operation.)
4 Shorten the line of the restart delay
timer and start unit.
5 Push [START/STOP] button once to
start the unit.
•Shorten the time of the restart
delay timer.
•Set the operation mode to COOL.
•Set the fan speed level to AUTO.
•Set the preset temperature much
lower than the room temperature.
(The unit (compressor) operates
continuously in the above
condition.)
6 If the above condition (No. 5) still
continues, start the unit in the
following condition.
•Set the operation mode to HEAT.
•Set the preset temperature much
higher than room temperature.
7 Connect the motor connector to the
motor and turn on the power supply.
Start the unit the following condition
•Set the operation mode to FAN.
•Set the fan speed level to HIGH.
(The unit (compressor) operates
continuously in the above
condition.)
Check whether or not the fuse (F01)
is blown.
Check power supply voltage :
1. Between TP2 and TP3
(AC 220-240 V)
2. Between e and d (DC 310-340 V)
3. Between d of C10 and output side
of IC08 (DC 15 V)
4. Between 12 V and GND
5. Between 5 V and GND
Check power supply voltage :
1. Between CN23 and CN24
(DC 15-60 V)
Check whether or not all lamps
(OPERATION, TIMER, PRE. DEF,
FILTER and Hi POWER) are
indicated for 3 seconds and they
return to normal 3 seconds later.
1. Check whether or not the
compressor operates.
2. Check whether or not the
OPERATION lamp flashes.
1. Check whether or not the
compressor operates.
2. Check whether or not the OPERA-
TION lamp flashes.
1. Check it is impossible to detect the
voltage (DC 15 V) between 3 and 4
of the motor terminals.
2. The motor does not operate. (But it
is possible to receive the signal
from the remote control.)
3. The motor rotates but vibrates
strongly.
Impulse voltage was applied or the
indoor fan motor short-circuited.
1. The terminal block or the cross-
over cable is connected wrongly.
2. The capacitor (C01), line filter
(L01), resistor (R01), or the diode
(DB01) is defective.
3. IC01, IC02 and T01 are defective.
4. IC01, IC02 and T01 are defective.
5. IC01, IC02, IC07 and T01 are
defective.
<Heating and cooling model>
IC03 and IC04 are defective.
The lamps are defective or the
housing assembly (CN13) is
defective.
1. The temperature of the indoor
heat exchanger is extremely low.
2. The connection of the heat
exchanger sensor is loose.
(The connector is disconnected.)
(CN01)
3. The heat exchanger sensor and
the P.C. board are defective.
(Refer to Table 10-4-1.)
4. The main P.C. board is defective.
1. The temperature of the indoor
heat exchanger is extremely high.
2. The connection of the heat
exchanger sensor short-circuited.
(CN01)
3. The heat exchanger sensor and
the P.C. board are defective.
(Refer to Table 10-4-1.)
4. The main P.C. board is defective.
1. The indoor fan motor is defective
(Protected operation of P.C.
board.)
2. The connection or the motor
connector is loose.
3. The P.C. board is defective.

– 68 –
FILE NO. SVM-03008
10-8-2. P.C. board layout
[1] Sensor characteristic table
TD : Discharge temp. sensor
TA : Room temp. sensor
TC : Heat exchanger temp. sensor
TO : Outdoor temp. sensor
TE : Outdoor heat exchanger temp. sensor
TS : Suction temp. sensor
GND
+12V
+5V
Bottom View
(For the Top View, refer to page 65.)
TD
100
90
80
70
60
50
40
30
20
10
0
TA, TC, TO, TE, TS
100203040
Temperature (°C)
Resistance value (kΩ)
50

– 69 –
FILE NO. SVM-03008
1 Room temp. (TA) sensor
Heat exchanger (TC) sensor
2 Remote control
3 Louver motor
MP24GA
4 Indoor fan motor
Disconnect the connector and measure the resistance value with tester.
(Normal temp.)
To item of How to judge whether remote control is good or bad of the Judgment
of trouble by symptom.
Measure the resistance value of each winding coil by using the tester.
(Under normal temp. 25°C)
Since judgment of DC motor is difficult on the single motor, refer to 10-5-1. (3)
10-8-3. Indoor unit (Other parts)
No. Part name Checking procedure
10-8-4. Outdoor unit
1 Compressor
(Model : DA91A1F-45F)
2 Outdoor fan motor
(Model : ICF-140-43-1)
3 Compressor thermo. Bimetal type
(Model : US-622KXTMQO-SS)
4 Outdoor temperature sensor
(TO), discharge temperature
sensor (TD), suction temperature
sensor (TS), outdoor heat
exchanger temperature sensor
(TE)
Temperature 10°C 20°C 25°C 30°C 40°C
Sensor
TA, TC (kΩ) 20.7 12.6 10.0 7.9 4.5
No. Part name Checking procedure
White Black
Red
Position Resistance value
1 to 2
1 to 3 380±40Ω
1 to 4
1 to 5
Measure the resistance value of each winding by using the tester.
Measure the resistance value of winding by using the tester.
For details, refer to Section 10-9.
Check conduction by using the tester.
Disconnect the connector, and measure resistance value with the tester.
(Normal temperature)
TGa : Heat pump model only.
TO, TS, TE : Refer to the TA, TC characteristic table in Indoor
(Refer to Table 10-8-3, No.1).
Position Resistance value
Yellow - Pink 5 to 20kΩ
Under 20°C
Position Resistance value
Red - White
White - Black 0.51 to 0.57Ω
Black - Red
Temperature 10°C 20°C 30°C 40°C 50°C
Sensor
TA, TC (kΩ) 105 64 41 27 18

– 70 –
FILE NO. SVM-03008
1 Electrolytic capacitor 1. Turn OFF the power supply breaker.
(For raising pressure, smoothing) 2. Discharge all three capacitors completely.
3. Check that safety valve at the bottom of capacitor is not broken.
4. Check that vessel is not swollen or exploded.
5. Check that electrolytic liquid does not blow off.
6. Check that the normal charging characteristics are show in
continuity test by the tester.
C12, C13, C14 → 500µF/400V
2 Converter module 1. Turn OFF the power supply breaker.
2. Discharge all four capacitors completely.
3 Check that the normal rectification characteristics are shown in continuity
test by the tester.
10-8-5. Checking Method for Each Part
Case that product is good
Pointer swings once, and
returns slowly. When
performing test once again
under another polarity, the
pointer should return.
No. Part name Checking procedure
Resistance value
in good product
Diode check IGBT check
Tester rod
−
−
−
−
Resistance value
in good product
Ω
Ω
Ω
Ω
Tester rod
−

– 71 –
FILE NO. SVM-03008
If the resistance value between
1 (Yellow lead) − 4 (Pink lead)
of the connector
(CN301 : Motor position detection)
is 5k to 20kΩ, it is normal.
If the resistance value between
1 (Red lead) − 2 (White lead)
2 (White lead) − 3 (Black lead)
3 (Black lead) − 1 (Red lead)
of the connector
(CN300 : Motor winding)
is 17 to 25Ω, it is normal.
Turn OFF the breaker.
Fan motor is normal.
Does the fan rotate without trouble
when rotating it with hands?
Disconnect two connectors (CN300 and CN301)
of the outdoor fan motor from the inverter.
(Outdoor P.C. board error)
Fan motor error
YES
YES
NO
NO
NO
YES
CN300
CN301
10-9. How to Simply Judge Whether Outdoor Fan Motor is Good or Bad
1. Symptom
•Outdoor fan motor does not rotate.
•Outdoor fan motor stops within several ten seconds though it starts rotating.
•Outdoor fan motor rotates or does not rotate according to the position where the fan stopped., etc.
Remote controller check code “02 : Outdoor block, 1A : Outdoor fan drive system error”
2. Cause
The following causes are considered when the outdoor fan motor does not normally rotate.
1) Mechanical lock of the outdoor fan motor
2) Winding failure of the outdoor fan motor
3) Position-detect circuit failure inside of the outdoor fan motor
or
4) Motor drive circuit failure of the outdoor P.C. board
3. How to simply judge whether outdoor fan motor is good or bad
NOTE :
However, GND circuit error inside of the motor may be accepted in some cases when the above check is
performed.
When the fan motor does not become normal even if P.C. board is replaced, replace the outdoor fan motor.

FILE NO. SVM-03008
– 72 –
11-1. Indoor Unit
11. HOW TO REPLACE THE MAIN PARTS
No. Part name Procedures Remarks
24-Screws
2
2 2
3
2 Screws
3 Drain guide
5 TC Sensor
6 Screws 4
2-Connectors
3 Left shaft 2 Center shaft
How to remove the front panel
1) Stop operation of the air conditioner and turn off
its main power supply.
2) Pull the air inlet grille toward you to open it and
remove the air inlet grille.
Then remove the 4 screws fixing the front panel.
3) Open the horizontal louver, and then remove the
front panel from the back body by pulling it
toward you.
How to mount the front panel
Mount the front panel in position and make sure
all hooks are locked.
How to remove the electrical part.
1) Remove the front panel with the procedure 1.
2) Remove the screw holding the electrical part
cover.
3) Remove the drain guide.
4) Disconnect the connector (6P) for the fan motor
and the connector (5P) for the louver motor from
the P.C. board assembly.
5) Pull out the TC sensor from the sensor holder.
6) Remove each screw for the ground wire, the
electrical part box and the LED unit. Then
remove the LED unit and the electrical part box
from the main unit.
How to mount the electrical part.
1) Fix the electrical part box by the upper hook of
the back body.
2) Tighten 2 screws on the electrical part box.
3) Connect the 2 connectors and arrange the
wiring same as original condition and then
tighten the screw to fix the LED unit to the back
body.
4) Attach the TC sensor to the holder.
5) Tighten the screw for the ground wire.
6) Mount the drain guide (the TC sensor wire
should be covered with the drain guide).
7) Tighten the screw of the electrical part cover.
1) Remove the front panel and the electrical part
with the procedure 2.
2) Remove the center shaft of the horizontal louver
from the back body.
3) Remove the left shaft from the back body.
4) Remove the horizontal louver from the back
body.
1Front panel
2Electrical part
3Horizontal louver
6 2-Screws

FILE NO. SVM-03008
– 73 –
1) Remove the front panel, electrical part and the
horizontal louver with the procedure 3.
2) Remove the pipe holder on the rear side of the
main unit.
3) Remove 2 screws of the heat exchanger on the
base bearing side.
4) Remove 2 screws of the heat exchanger on the
left side (upper and lower) from the back body,
and then pull out the upper side of the heat
exchanger slowly.
1) Remove the front panel and the electrical part
with the procedure 2.
2) Loosen the set screw of the cross flow fan.
3) Remove 2 screws fixing the motor band (R).
4) Pull out the fan motor.
4Heat exchanger
5Fan motor
2 Pipe holder
3 2-Screws
4 2-Screws
No. Part name Procedures Remarks
Reference
line
Pull out the lead
wires of the fan motor
from this hole.
Reference line
When mouting the fan motor,
put the R end of the connector
cover this reference line.
Connector cover
Mounting the fan motor as shown in
figure below.

FILE NO. SVM-03008
– 74 –
1) Remove the front panel, electrical part,
horizontal louver and the heat exchanger with
the procedure 4.
2) Remove 2 screws of the band motor (L) and
other 2 screws of the band motor (R) and then
remove the cross flow fan.
3) Loosen the set screw of the cross flow fan then
disconnect the fan and the fan motor.
Notice
For position of the fan motor connector and
drawing out of the lead cables, refer to the
procedure 5.
Fix the cross flow fan with the set screw at the
position where the gap between the back body and
the right surface of the cross flow fan is 4.5 mm.
1) Remove the front panel, electrical part,
horizontal louver, heat exchanger and the cross
flow fan with the procedure 5and 6.
2) Remove the 2 screws fixing the base bearing.
3) Remove the bearing from the base bearing.
If the housing protrudes from the base bearing,
put the housing in position and attach the
bearing to the base bearing.
2 2-Screws (R)
2 2-Screws (L)
2 2-Screws
No. Part name Procedures Remarks
6Cross flow fan
7Base bearing
4.5 mm
3 Set screws

FILE NO. SVM-03008
– 75 –
Fuse C01
T01 IC01 C02 R01
R04 CN10
C03
R05
L01
DB01
RY01 CN13
IC03
IC02
CN04
1) Turn the power supply off to stop the operation
of air conditioner.
2) Remove the front panel.
•Remove the 4 fixing screws.
3) Remove the electrical part base.
1Common
procedure
11-2. Microcomputer
Replace the thermal fuse, terminal
block, microcomputer ass’y and the
P.C. board ass’y
<P.C. board layout>
Top View
No. Part name Procedures Remarks

FILE NO. SVM-03008
– 76 –
11-3. Outdoor Unit
1. Detachment
1) Stop operation of the air conditioner, and turn off
the main switch of the breaker for the air
conditioner.
2) Remove the valve cover. (ST1T∅4 x 10s 1 pc.)
•After removing screw, remove the valve cover
pulling it downward.
3) Remove wiring cover (ST1T∅4 x 10s 2 pcs.),
and then remove connecting cable.
4) Remove the upper cabinet.
(ST1T∅4 x 10s 2 pcs.)
•After removing screws, remove the upper
cabinet pulling it upward.
2. Attachment
1) Attach the upper cabinet.
(ST1T∅4 x 10s 2 pcs.)
•Hook the rear side of the upper cabinet to
claw of the rear cabinet, and then put it on the
front cabinet.
2) Perform cabling of connecting cable, and attach
the wiring cover.
•Insert the upper part into the upper cabinet,
insert claw which has been hooked to the
lower part into the square hole, and then fix it
with screw. (ST1T∅4 x 10s 1 pc.)
3) Attach the valve cover. (ST1T∅4 x 10s 1 pc.)
•Insert the upper part to the upper cabinet,
set hook claw of the valve cover to square
holes (at three positions) of the main unit,
and attach it pushing upward.
1. Detachment
1) Perform work of item 1 of 1.
2) Remove screw (ST1T∅4 x 10s 2 pc.) of the
front cabinet and inverter cover and screws
(ST1T∅4 x 10s 3 pcs.) of the front cabinet and
lower part.
•The left side of the front is made to insert to
the rear cabinet, so remove it pulling upward.
2. Attachment
1) Insert claw at the left side of the front into the
rear cabinet.
2) Hook the lower part at the right side of the front
to concave part of the bottom plate. Insert claw
of the rear cabinet into square hole of the front
cabinet.
3) Attach the removed screws to the original
positions.
1Common
procedure
2Front cabinet
No. Part name Procedures Remarks
Upper cabinet
Wiring cover
Valve cover
Square hole
Claw
Concave section

FILE NO. SVM-03008
– 77 –
1) Perform work of item 1 of 1.
2) Remove screw (ST1T∅4 x 10s 2 pc.) of the
upper part of the front cabinet.
•If removing the inverter cover in this condition,
P.C. board can be checked.
•If there is no space in the upper part of the
upper cabinet, perform work of 2.
Be careful to check the inverter because
high-voltage circuit is incorporated in it.
3) Perform discharging by connecting e, d
polarity by discharging resistance (approx.
100Ω40W) or plug of soldering iron to e, d
terminals of the C14 (printed “CAUTION HIGH
VOLTAGE” is attached.) electrolytic capacitor
(500 µF) on P.C. board.
Be careful to discharge the capacitor
because the electrolytic capacitor cannot
naturally discharge and voltage remains
according to trouble type in some cases.
NOTE :
This capacitor is one with mass capacity.
Therefore, it is dangerous that a large
spark generates if short-circuiting
between the ee
ee
e,dd
dd
d polarity with screw-
driver, etc. for discharging.
4) Remove screw (ST1T∅4 x 10s 2 pc.) fixing the
main body and the inverter box.
5) Remove various lead wires from the holder at
upper part of the inverter box and wiring holder
at right side of the terminal block.
6) Remove the lead wire from the bundled part at
left side of the terminal block.
7) Pull the inverter box upward.
8) Disconnect connectors of various lead wires.
Requirement :
As each connector has a lock
mechanism, avoid to remove the
connector by holding the lead wire,
but by holding the connector.
3Inverter
assembly
The connector is one
with lock, so remove it
while pushing the part
indicated by an arrow.
Be sure to remove the connector by
holding the connector, not by pulling
the lead wire.
No. Part name Procedures Remarks
Inverter cover
P. C. board
(Soldered surface)
Discharging position
(Discharging period
10 seconds or more)
Plug of
soldering
iron
Terminal block
Bundled
part
Holder

FILE NO. SVM-03008
– 78 –
1) Disconnect lead wires and connectors
connected from the control board
assembly to other parts.
1. Lead wires
•Connection with terminal block :
3 wires (Black, White, Orange)
•Connection with compressor :
Remove the connector (3P)
•Connection with reactor :
Remove the relay connectors from P07, 08
(2P, White) and P12, 13 (2P, Yellow).
2. Connectors
CN300 : Outdoor fan (3P, White)
CN301 : Outdoor fan position detection
(5P, White)
CN701 : 4-way valve (3P, Yellow)
CN600 : TE sensor (2P, White)
CN601 : TD sensor (3P, White)
CN603 : TS sensor (3P, White)
CN602 : TO sensor (2P, White)
CN500 : Case thermo. (2P, White)
CN703 : Pulse modulating valve
(6P, White)
2) Remove the control board assembly from
P.C. board base.
1. Main control board assembly side
•Remove two claws of P.C. board base, and
remove upward the heat sink with hands.
•Remove three screws fixing the heat sink
and main control board assembly side, and
replace the board with a new one.
1) Perform work of item 1 of 1, 1 and 2, 3.
2) Remove fixed screws fixing to the bottom plate.
(ST1T∅4 x 10s 3 pcs.)
3) Remove fixed screws fixing to the heat
exchanger. (ST1T∅4 x 10s 2 pcs.)
4) Remove fixed screw fixing to the valve mounting
plate. (ST1T∅4 x 10s 1 pc.)
4Control board
assembly
5Rear cabinet
CN300, CN301 and CN701, etc. at the
control board assembly side are
connectors with locks. Therefore,
remove the connector while pushing
the part indicated by an arrow.
No. Part name Procedures Remarks
CN701
CN500
CN703 CN602 CN301
CN300
CN603
CN601 CN600
P.C. board base
P.C. board
When mounting a new board, check
that the board is correctly set in the
groove of base holder of P.C. board
base.
Reactor

FILE NO. SVM-03008
– 79 –
1) Perform work of item 1 of 1 and 2.
2) Remove the flange nut fixing the fan motor and
the propeller fan.
•Flange nut is loosened by turning clockwise.
(To tighten the flange nut, turn counterclock-
wise.)
3) Remove the propeller fan.
4) Disconnect the connector for fan motor from the
inverter.
5) Remove the fixing screws (3 pcs.) holding by
hand so that the fan motor does not fall.
1) Perform work of item 1 of 1 and 2, 3, 4, 5.
2) Extract refrigerant gas.
3) Remove the partition board.
(ST1T∅4 x 10s 2 pcs.)
4) Remove the sound-insulation material.
5) Remove the terminal cover of the
compressor, and disconnect lead wire of the
compressor thermo. and the compressor from
the terminal.
6) Remove pipe connected to the compressor with
a burner.
7) Remove the fixing screw of the bottom plate
and heat exchanger.
(ST1T∅4 x 10s 2 pc.)
8) Remove the fixing screw of the bottom plate
and valve clamping plate.
(ST1T∅4 x 10s 2 pcs.)
9) Pull upward the refrigeration cycle.
10) Remove the nut fixing the compressor to the
bottom plate.
1) Perform work of item 1 of 1 and 3.
2) Remove lead wires clung in holder on the
partition board.
3) Remove the screw fixing the reactor.
(ST1T∅4 x 10s 2 pcs.)
6Fan motor
7Compressor
8Reactor
No. Part name Procedures Remarks
Fan motor
Propeller fan
Flange nut
Valve
clamping
plate
Compressor
thermo.
Compressor
Partition
board
Reactor

FILE NO. SVM-03008
– 80 –
1. Detachment
1) Perform work of item 1 of 1, and 2, 3, 5.
2) Turn the coil clockwise (counterclockwise) by
90 degrees, and remove coil from the pulse
modulating valve.
2. Attachment
1) Set take-out part of the lead wire of coil to the
coil inserting position of the pulse modulating
valve, and attach the coil.
2) Turn the coil by 90 degrees, set surely the
concave part at lower part of the coil to the
positioning hole of the pulse modulating valve,
and then fix the coil.
The pulse modulating valve has A room
side and B room side. After mounting it,
check that coil at B room side (Red
marking is marked on the pulse modulat-
ing valve.) is connected to CN13 of the
control board assembly.
1. Detachment
1) Perform work of item 1 of 1, and 2.
2) Remove the front cabinet, and put it down so
that fan guard side directs downward.
Perform work on a corrugated cardboard,
cloth, etc. to prevent flaw to the product.
3) Remove the hooking claws by pushing minus
screwdriver according to the arrow mark in the
right figure, and remove the fan guard.
2. Attachment
1) Insert claw of the fan guard in the hole of the
front cabinet. Push the hooking claws
(10 positions) by hands and fix the claws.
All the attaching works have completed.
Check that all the hooking claws are fixed
to the specified positions.
9Pulse modulating
valve coil
!Fan guard
No. Part name Procedures Remarks
Take-out part
of lead wire
Notch
Coil inserting
position
Coil inserting
position
Coil fix
position
Positioning
hole
Hooking claw
Minus screwdriver

FILE NO. SVM-03008
– 81 –
1) Cut the sensor 100 mm longer than old one.
2) Cut the protective tube after pulling out it
(200 mm).
3) Move the protective tube toward the thermal
sensor side and tear the tip of lead wire in two,
then strip the covering part.
4) Pass the stripped part through the thermal
constringent tube.
5) Cut the old sensor 100 mm length on the
connector side, and recycle that connector.
6) Tear the lead wire in two on the connector side
and strip and covering part.
7) Twist the leads on the connector and sensor
sides, and solder them.
8) Move the thermal constringent tubes toward
the soldered parts and heat them with the
dryer and constring them.
9) Wind the attached color tape round the both
terminals of the protective tube when colored
protective tube is used.
10) Fix the sensor again.
NOTES:
1) Store the joint part of the sensor and the
connector in the electric parts box.
2) Never joint them near the thermal sensor part.
Otherwise, it would cause insulation inferiority
because of dew drops.
3) When replacing the sensor using the colored
protective tube, wind the color tape matching
the color of that tube.
"Replacement of
temperature
sensor for
servicing only
Common service
parts of sensor
TO, TS, TE, TD
These are parts for
servicing sensors.
Please check that
the accessories
shown in the right
table are packed.
Part name Q’ty Remarks
1 Sensor 1 Length: 3 m
2 Sensor Spring (A) 1 For spare
3 Sensor Spring (B) 1 For spare
4 Thermal constringent tube 3 Including one spare
5 Color tape 1 9 colors
6 Terminal 3
No. Part name Procedures Remarks
Cutting here
Cutting here
Thermal
constringent tube
Soldered part
Dryer
Winding the color tape
200
100
15
70
Thermal
sensor part Connector
Cutting here
100
15
70

FILE NO. SVM-03008
– 82 –
<P.C. board layout>
MCC-813

FILE NO. SVM-03008
– 83 –
12. EXPLODED VIEWS AND PARTS LIST
12-1. Indoor Unit (E-Parts Assy)
Location Part Description
No. No.
401 43T69319 Temperature Sensor, TC 10kΩ 25°C
402 43T60001 Terminal, 2P AC300V, 20A
403 43T69320 Temperature Sensor, TA 10kΩ 25°C
Location Part Description
No. No.
404 43T62003 Cord Clamp
405 43169079 P.C. Board ASSY, WRS-LED
406 43T69322 P.C. Board, MCC-867
406
405
402
401
404
403

FILE NO. SVM-03008
– 84 –
12-2. Indoor Unit
Location Part Description
No. No.
201 43T00366 Front Panel Assy
202 43T09316 Inlet Grille Assy
203 43T03302 Back Body Assy
204 43T80301 Air Filter
205 43T09309 Horizontal Louver
206 43T08350 LED Panel Assy
207 43T70002 Drain Hose
208 43T79301 Cap Drain
209 43T21321 Motor, Louver, MP24GA, DC 12V
210 43T44320 Refrigeration Cycle Assy
211 43T47006 Pipe, Delivery ∅6.35
212 43T47305 Pipe, Suction ∅8.00
214 43T11301 Pipe Shield
215 43T19302 Holder Sensor
216 43T49302 Plate of EVA Seal
217 43T49006 Holder, Plate EVA Seal
Location Part Description
No. No.
218 43T79302 Guide Drain
219 43T22002 Bearing
220 43T39301 Base, Bearing
221 43T20302 Cross Flow Fan
222 43T39302 Band Motor-L
223 43T21327 Motor, Fan, ICF-340-30-2, DC 340V
224 43T39303 Band Motor-R
225 43T82301 Plate, Installation
226 43T69306 Remote Control
227 43T83003 Holder Remote Control
228 43T85325 Owner’s Manual
229 43T62302 Terminal Cover
231 43T60317 Cord Motor Louver
232 43T60316 Cord Motor Fan
233 43T07303 Holder Pipe
234 43T01003 Mark
217
210
211
212
201
204
202
204
234 206
228
229
205
220
219
215
218
217
214
208
203
225
207
222
223
224
209
231
232
226
Electric Parts
Assembly
227
221
233
216

FILE NO. SVM-03008
– 85 –
12-3. Outdoor Unit
Location Part Description
No. No.
01 43T00377 Cabinet, Front, Assy
02 43T00381 Cabinet, Back, Assy
03 43T42304 Base, Assy
04 43T00380 Cabinet, Upper, Assy
05 43T09318 Guard, Fan
06 43T52310 Cover, Packed Valve
07 43T62311 Cover, Wiring, Assy
08 43T41336 Compressor
09 43T43330 Condenser, Assy
10 43T46317 Valve, Packed 6.35 Dia.
11 43T46320 Valve, Packed 9.52 Dia.
12 43T47020 Bonnet, 6.35 Dia.
13 43T47021 Bonnet, 9.52 Dia.
14 43T03303 Fixing Plate Valve, Assy
15 43T47008 Tube, Capillary
Location Part Description
No. No.
16 43T46326 Body-PMV
17 43T63305 Coil-PMV
18 43T58303 Reactor
19 43T54304 Thermostat, Bimetal
20 43T63005 Holder, Thermostat, Bimetal
21 43T20307 Fan, Propeller
22 43T21334 Motor, Fan
23 43T47001 Nut, Flange
24 42T47324 Bolt, Compressor (M6)
25 43T49308 Cushion, Rubber
26 43T46323 Valve, 4-way
27 43T63304 Coil, 4-way, Assy
28 43T63306 Holder, Sensor
29 43T79305 Nipple, Drain

FILE NO. SVM-03008
– 86 –
12-4. Outdoor Unit (E-Parts Assy)
Location Part Description
No. No.
701 43T62312 Heatsink
702 43T69345 P.C. Board
703 43T60027 Terminal 6P
704 43T60326 Fuse
Location Part Description
No. No.
705 43T50305 Temperature Sensor
706 43T50304 Temperature Sensor
707 43T62313 Base-Plate-P.C.
701 702
707
706
705
703
TE Sensor (∅6)
TS Sensor (∅6)
TO Sensor (∅6)
TD Sensor (∅4)
3
2
1
4
3
2
1
704

FILE NO. SVM-03008
– 87 –
TOSHIBA CARRIER CORPORATION