Toyota 2003 Land Cruiser Owners Manual
2015-10-24
: Toyota Toyota-2003-Toyota-Land-Cruiser-Owners-Manual-819446 toyota-2003-toyota-land-cruiser-owners-manual-819446 toyota pdf
Open the PDF directly: View PDF
.
Page Count: 8

1
2002 L/C100 from Aug. ’02 Prod. (OM60986U)
OPERATION OF INSTRUMENTS AND
CONTROLS
Overview of instruments and controls
Instrument panel overview 2. . . . . . . . . . . . . . . . . . . . . . . . . . . . . . . . . . . . .
Instrument cluster overview 5. . . . . . . . . . . . . . . . . . . . . . . . . . . . . . . . . . . .
Indicator symbols on the instrument panel 6. . . . . . . . . . . . . . . . . . . . . . .
SECTION
1
–
1

2
2002 L/C100 from Aug. ’02 Prod. (OM60986U)
1. Side vents
2. Side defroster outlets
3. Instrument cluster
4. Center vents
5. Electric moon roof switches and/or
personal lights
6. Glove box
7. Power door lock switches
8. Power window switches
9. Automatic transmission selector lever
10. Seat heater switches
11. Rear seat audio system
12. Cup holder
13. Parking brake lever
14. Second start mode selector button and
driving pattern selector button
15. Four–wheel drive control lever
16. Lower vent
17. Hood lock release lever
18. Fuel filler door opener
19. Window lock switch
Instrument panel overview
View A

3
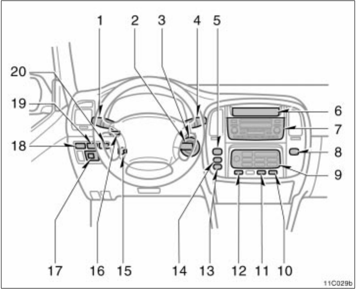
2002 L/C100 from Aug. ’02 Prod. (OM60986U)
1. Headlight, turn signal and front fog
light switches
2. Cruise control switch
3. Ignition switch
4. Wiper and washer switches
5. Emergency flasher switch
6. Clock, outside temperature and trip infor-
mation display
7. Car audio
8. Front passenger’s seat belt reminder
light
9. Air conditioning controls
10. Outside rear view mirror heater switch
11. Rear air conditioning switch
12. Rear window defogger switch
13. Center differential lock switch
14. Power antenna switch
15. Power tilt and telescopic steering
switch
16. Instrument panel light control dial
17. Power rear view mirror control switches
18. Power quarter window switch (left–hand
side)
19. Power quarter window switch (right–
hand side)
20. Roll sensing of curtain shield airbags
off switch
View B

4
2002 L/C100 from Aug. ’02 Prod. (OM60986U)
1. Ashtray
2. Cigarette lighter
3. Power outlet
Lower part of center cluster panel

5
2002 L/C100 from Aug. ’02 Prod. (OM60986U)
Instrument cluster overview
1. Voltmeter
2. Speedometer
3. Service reminder indicators and
indicator lights
4. Tachometer
5. Engine oil pressure gauge
6. Engine coolant temperature gauge
7. Odometer and two trip meters
8. Trip meter reset knob
9. Fuel gauge

6
2002 L/C100 from Aug. ’02 Prod. (OM60986U)
Indicator symbols on the instrument panel
Brake system warning light∗1
Malfunction indicator lamp∗1
Headlight high beam indicator light
Turn signal indicator lights
Driver’s seat belt reminder light∗1
Anti–lock brake system warning light∗1
Open door warning light∗1
SRS warning light∗1
Low fuel level warning light∗1
Automatic transmission fluid temperature warning
light∗1
Unengaged ”Park” warning light∗1
Discharge warning light∗1
Engine oil replacement reminder light
Center differential lock indicator light
Driving pattern (”POWER” mode) indicator
light
Automatic transmission second start indicator
light
Cruise control indicator light∗2
Automatic transmission indicator lights

7
2002 L/C100 from Aug. ’02 Prod. (OM60986U)
∗1: For details, see ”Service reminder indicators and warning
buzzers” on page 118.
∗2: If this light flashes, see ”Cruise control” on page 138.
∗3: For details, see ”Roll sensing of curtain shield airbags off
switch” on page 65.
Vehicle skid control system off indicator light∗1
Vehicle skid control system and active traction
control system warning light∗1
Active traction control system indicator light
Slip indicator light
Roll sensing of curtain shield airbags off indicator light∗3
8
2002 L/C100 from Aug. ’02 Prod. (OM60986U)