Trane TTA075A TTA200B Ssprc003enbk1.p65 User Manual To The 2f0893ce 44e3 4047 B341 744330882c3b
User Manual: Trane TTA075A-TTA200B to the manual
Open the PDF directly: View PDF
.
Page Count: 77

Split System Cooling Units
TTA075A-TTA200B
Air Handlers
TWE050A-TWE200B
50 Hz
Split System
Cooling Units
January 2004
SS-PRC003-EN

©American Standard Inc. 2001 SS-PRC003-EN
Introduction
Split System Cooling Units . . .
Designed With Your Needs In Mind.
The Trane reputation for quality and
reliability in air conditioning continues
with the Odyssey™ family of light
commercial split systems. Trane paid
attention to your needs to make sure you
get a system that will meet your job
requirements every time...and at a
competitive price.
Couple Trane’s reputation for quality and
reliability in split system air conditioners
with efficiency, flexibility and installation
ease...and you have systems that will
give you “ Simply the Best Value”.
Manufacturing Control
Trane’s exclusive control over the design
and manufacturing of all major
components is unique in the industry.
This approach assures us total control
over both the quality and reliability of
these components. And allows us to
custom match components to deliver the
best in split system performance.
Designing the Details
Careful attention was given to designing
the details — from control wiring to the
access panels. Odyssey units feature
time-saving colored and numbered
wiring and removable panels which
allow complete access to all major
components and controls. All outdoor
units feature external high and low
pressure switches for easy diagnosing
and servicing of the unit. And service
valves with gauge ports are provided.
Standardized Cabinets
In addition all cabinets have been
standardized; so when you are servicing
an outdoor unit or an air handler all
components are in the same location
from unit to unit.
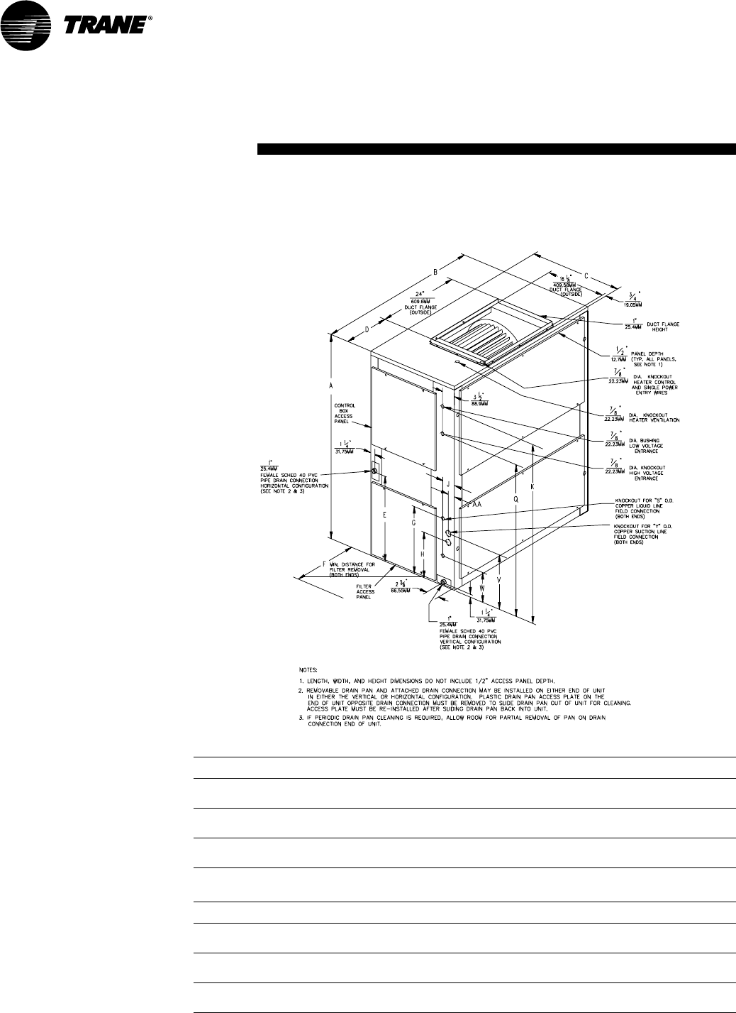
Filters
The TWE050, 075, and 100 air handlers
are supplied with 1" (25.4 mm)
throwaway filters as standard. The filter
racks were designed to easily convert for
installation of 2" (50.8 mm) filters. The
TWE155 and 200 air handlers are
supplied with 2" (50.8 mm) filters as
standard.
Rated in Accordance to UL and ARI
Trane meets or exceeds all nationally
recognized agency safety and design
standards. Each condensing unit is
designed in accordance to UL 1995
standards for central cooling air
conditioners, refrigeration and air
conditioning condensing and compressor
units. Each air handler is designed in
accordance to UL 465 and UL 1995
standard for heat pumps. Each unit is
certified in accordance with ARI Standard
340/360 or 365.

3SS-PRC003-EN
Contents
Introduction
Features and Benefits
Application Considerations
Selection Procedure
Model Number Description
General Data
Performance Data
Cooling Performance
Fan Performance
Controls
Electric Power
Dimension and Weights
Mechanical Specifications
2
4
8
9
10
11
14
15
30
43
44
56
78

4SS-PRC003-EN
Features
and Benefits
Condensing Unit Options
The Odyssey split system product line
includes condensing units in single,
unloading and dual compressor
options.
The TTA075A, 085A and 100A single
compressor models feature single
refrigeration circuitry lowering job
installation costs by requiring only
one set of refrigerant lines. These
units are ideal for the low cost, new
construction jobs as well as
renovation and replacement
buildings.
Equally important, Odyssey offers a
single refrigerant circuit/capacity
unloading option in TTA100C and
155C condensing units. These
unloading units feature dual
manifolded scroll compressors. They
offer an excellent opportunity for both
new construction and replacement
jobs with two stages of capacity
modulation and a single refrigeration
circuit.
In addition, Odyssey includes a
TTA100B, 100C, 125B, 155B, 155C and
200B dual scroll compressor unit to
give true stand-by protection; if one
compressor fails, the second will
automatically start-up. Also, the first
compressor can be serviced without
shutting down the unit since refrigerant
circuits are independent.
Dual compressors are not just for
protection, they also save energy costs.
Most buildings are designed for the peak
load requirements yet the building
usually operates at less than peak load.
During light load conditions only one
compressor functions to maintain the
space comfort thus reducing the need
for energy.
Trane split systems have been specified
in thousands of applications and you’ll
find Odyssey will win you even more
jobs with it’s smaller, more manageable
cabinet. This lighter, compact design will
save time and money for rigging and
installation. And the compactness will
permit Trane’s unit to replace almost any
unit — effortlessly.
Low Ambient Cooling Operation
Each condensing unit can operate to
50°F (10°C) as standard. An accessory
Head Pressure Control gives you the
capability to operate to 0 F (-17.8°C). All
condensing units offer these accessories:
•Head Pressure Control
• Coil Guard Kits
•Isolators both Rubber-in-Shear and
Spring Type
•Anti-Short-Cycle Kit
•Time Delay Relay
•Black Epoxy Coated Coil
Air Handlers Offer More Flexibility
Flexibility is a key to meeting changing
market requirements. Odyssey split
systems offer not only various
compressor options but also convertible
air handlers. The air handlers can be
installed either vertically in a mechanical
room or horizontally above a ceiling. And
it doesn’t require any removal of panels
to make either airflow application work.
These air handlers have a double sloped
condensate drain pan that allows for
either airflow configuration. And the
drain pan can easily be removed for
cleaning. All the air handlers feature
factory-installed belt drive and ball
bearing evaporator fans with adjustable
sheaves for maximum airflow
performance.

5SS-PRC003-EN
Features
and Benefits
Odyssey — A Complete Split
System
Odyssey delivers the flexibility to select
a complete system that meets your
particular job requirements. Air
handlers are designed, tested, and
rated with outdoor units to let you
select the proper match between
capacity and load. Heat pumps can also
be matched with Trane built-up air
handlers. Also, these matched systems
can be quickly engineered for specific
applications using Trane’s computerized
selection and load programs.
Odyssey air handler versatility is further
increased by a complete line of
accessories designed to match and install
smoothly:
•Discharge Plenum and Grille
•Return Grille
•Subbase
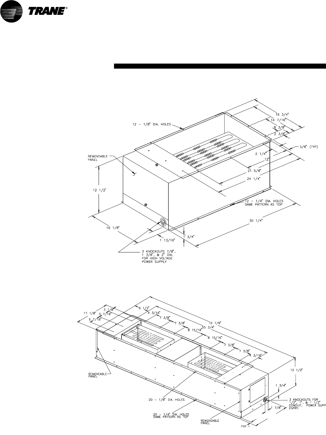
•Electric Heaters
•High Static Evaporator Motor
•Isolators both Rubber-in-Shear and
Spring Type
•A Full Line of Thermostats
•Outdoor Thermostat
Odyssey Lowers
Installation Costs
Your installation costs are reduced with
Odyssey. Both outdoor units and air
handlers are factory packaged and
assembled so jobsite installation is quick
and easy. You get a complete unit with all
the components, controls and the internal
wiring factory ready for a smooth jobsite
start-up.
Unlike some competitive models the
following components are factory-
installed in Trane air handlers:
●Single Point Power Entry
●Blower wheel and housing
●Evaporator motor with
sheaves and pulleys
●Low Voltage Terminal Board
●Transformer
●Contactor
●Fan relay
●DX Coil with complete
refrigeration circuitry
●Expansion Valve and
Check Valves
There’s no need to install components
and put together the air handler on the
job. This provides you with less labor cost
and fewer chances for installation errors
which cause callbacks. All this means
saving you money both in replacement
and new construction applications.
(Most Models)

6SS-PRC003-EN
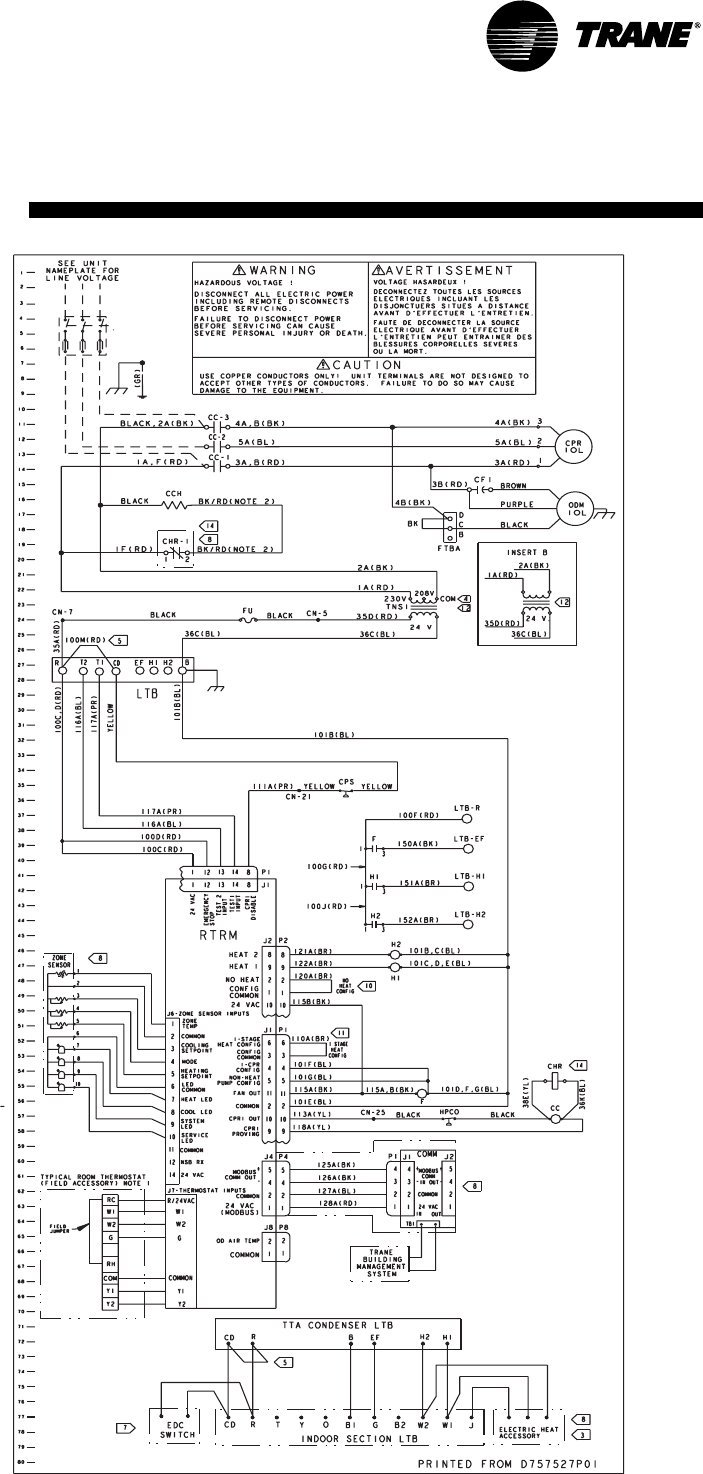
Micro Controls
Several years ago, Trane was the first to
introduce microprocessor controls into
the Light Commercial Market. That
design, along with immeasurable
experience, has provided the technology
for Trane’s second-generation ReliaTel™
microprocessor controls in Odyssey split
unit systems — the first in the industry.
ReliaTel™ Micro:
• Provides unit control for heating and
cooling, by utilizing input from sensors
that measure indoor temperature.
• Improves quality and reliability through
the use of time-tested microprocessor
controls and logic.
• Prevents the unit from short cycling,
considerably improving compressor
life.
• Ensures that the compressor will run for
a specific amount of time, which allows
oil to return for better lubrication,
enhancing the reliability of the
compressor.
• Reduces the number of components
required to operate the unit, thereby
reducing possibilities for component
failure.
• Eliminates the need for field-installed
components with its built-in anti-short-
cycle timer, time delay relay and
minimum ‘’on’’ time controls. These
controls are factory tested to assure
proper operation.
• Requires no special tools to run the unit
through its paces during testing. Simply
place a jumper between Test 1 and Test
2 terminals on the Low Voltage Terminal
Board and the unit will walk through its
operational steps. The unit
automatically returns control to the
zone sensor after stepping through the
test mode a single time, even if the
jumper is left on the unit.
• As long as the unit has power and the
LED is lit, the Micro is operational. The
light indicates that the Micro is
functioning properly.
• Features expanded diagnostic
capabilities when used with Trane’s
Integrated Comfort TM Systems.
• As an energy benefit, softens electrical
‘’spikes’’ by staging on fans,
compressors and heaters.
• The Intelligent Fallback or Adaptive
Control is a benefit to the building
occupant. If a component goes astray,
the unit will continue to operate at
predetermined temperature set points.
• Intelligent Anticipation is a standard
feature of the Micro. Functioning
constantly, the Micro and zone sensors
work together in harmony, to provide
tight comfort control.
Electromechanical Controls
•For the simpler job that does not
require a building automation system,
or expanded diagnostics capabilities,
the unit offers electromechanical
controls. This 24-volt control includes
the control transformer, contactor
pressure lugs for power wiring.
Features and
Benefits

7SS-PRC003-EN
VariTrac™
VariTrac
When Trane’s changeover VAV System
for light commercial applications is
coupled with split unit systems, it
provides the latest in technological
advances for comfort management
systems and can allow thermostat
control in every zone served by VariTrac.
• We perform a 100% coil leak test at the
factory. The evaporator and condenser
coils are leak tested at 375 psig and
pressure tested to 420 psig.
• All parts are inspected at the point of
final assembly. Sub-standard parts are
identified and rejected immediately.
• Every unit receives a 100% unit run test
before leaving the production line to
make sure it lives up to rigorous Trane
requirements.
We test designs at our factory not on our
customers!
Quality And Reliability Testing
•All units were rigorously rain tested at
the factory to ensure water integrity.
• Actual shipping tests were performed
to determine packaging requirements.
Units were test shipped around the
country to determine the best
packaging.
• Factory shake and drop tests were
used as part of the package design
process to help assure that the unit
arrives at the job site in top condition.
• Rigging tests include lifting a unit into
the air and letting it drop one foot,
assuring that the lifting lugs and rails
hold up under stress.
Features and
Benefits

8SS-PRC003-EN
Application
Considerations
Low Ambient Cooling
As manufactured, these units can
operate to 50° F (10°C) in the cooling
mode of operation. An accessory head
pressure control will allow operation to
0° F (-17.8°C) outdoor ambient. When
using these units with control systems
such as bypass changeover Variable Air
Volume, make sure you consider the
requirement for a head pressure control
to allow low ambient cooling.
Application of this product should be
within the catalogued airflow and
performance considerations.
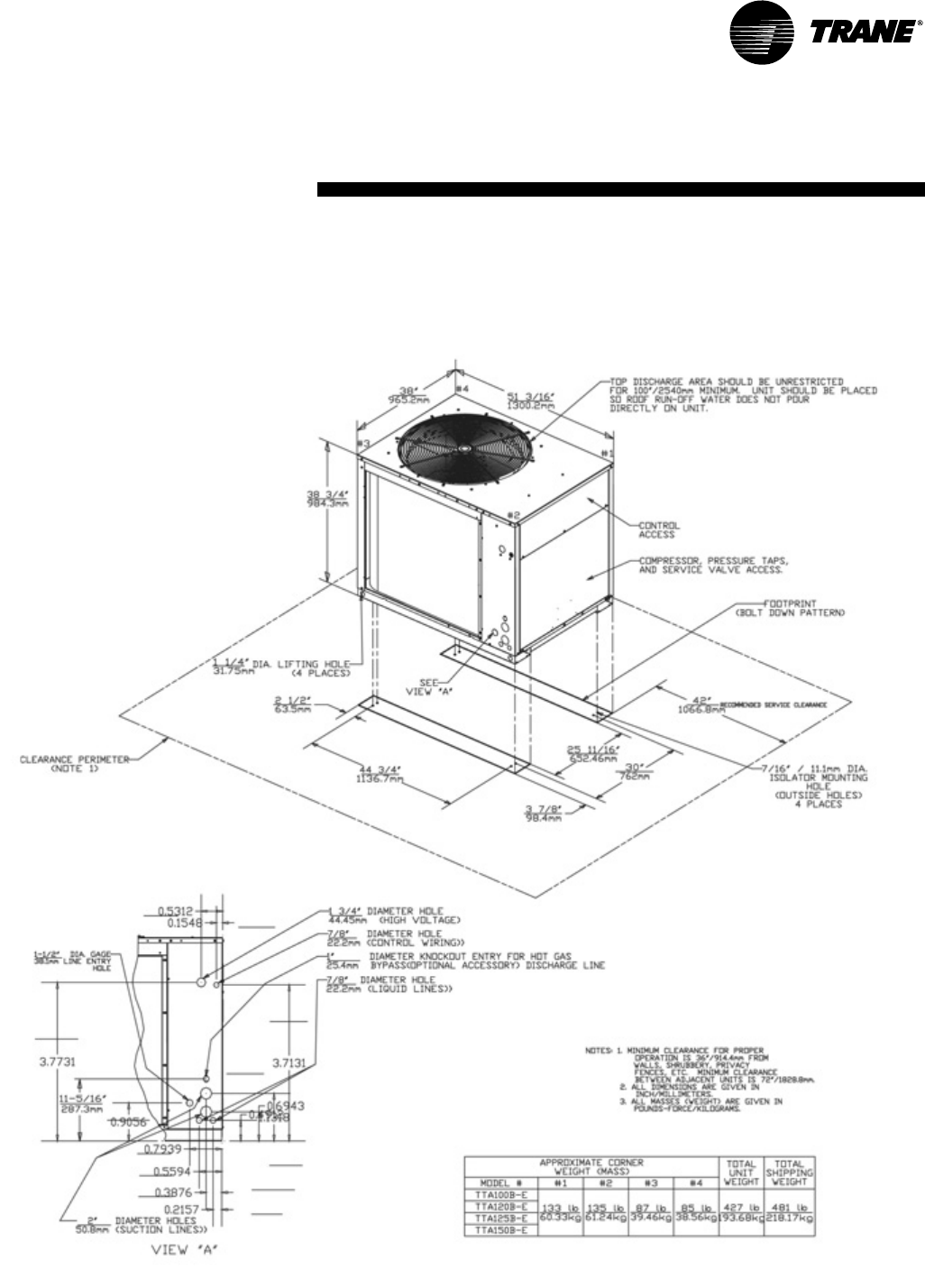
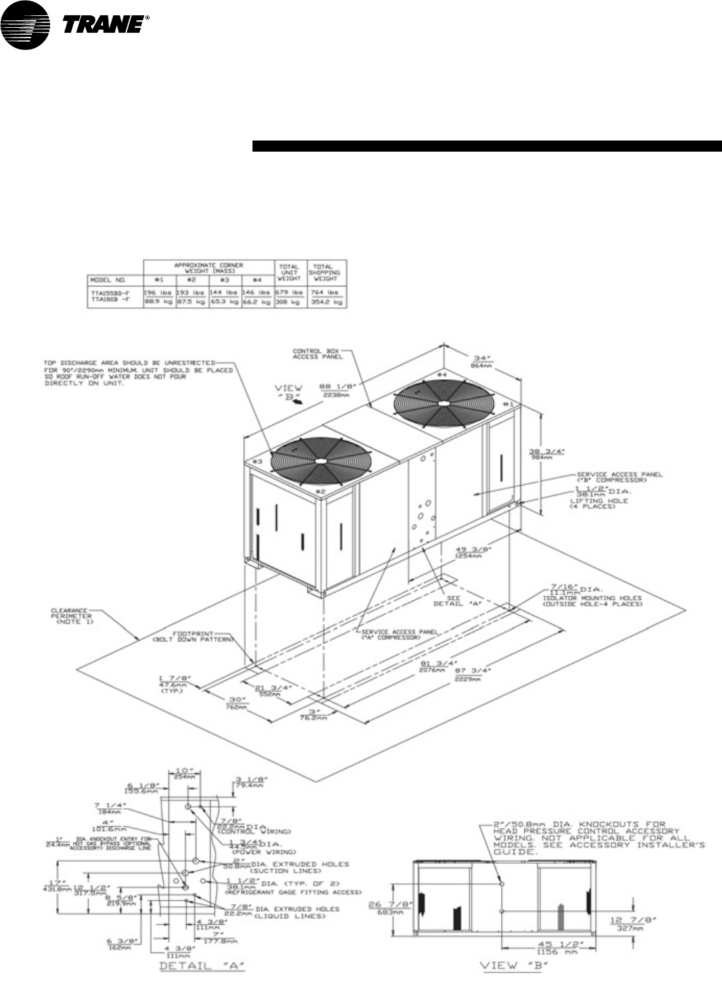
Clearance Requirements
The recommended clearances identified
with unit dimensions should be
maintained to assure adequate
serviceability, maximum capacity and
peak operating efficiency. Actual
clearances which appear inadequate
should be reviewed with the local Trane
Representative.
180° Blower Rotation
The TWE050, 075, and 100 air handler
blower section can be rotated 180° to
change the discharge pattern. This
modification must be done in the field
and requires an addition of kit. See unit
installer's guide.
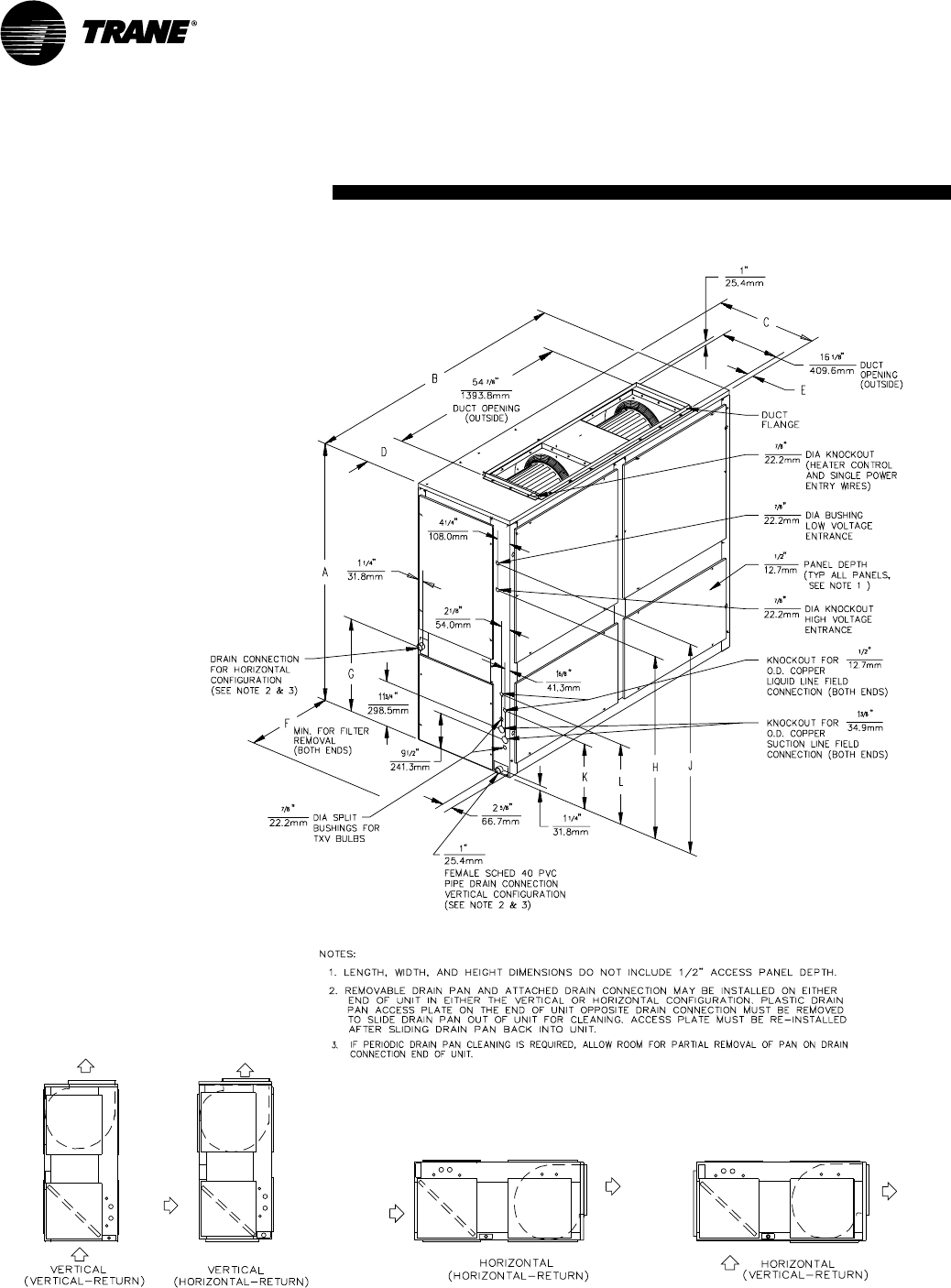
Typical Split System Application
Typical Horizontal Air Handler Application
ATTACHING
Typical Vertical Air Handler Application
DISCHARGE PLENUM
AND GRILL ASSEMBLY
HEATING COIL AND
ENCLOSURE ASSEMBLY
AIR HANDLER
RETURN AIR GRILLE
SUB-BASE
ISOLATORS
(SPRING OR RUBBER)
VERTICAL DRAIN
HORIZONTAL
DRAIN

9SS-PRC003-EN
Selection
Procedure
Cooling Capacity
Step 1 — Calculate the building’s total
and sensible cooling loads at design
conditions. Use the Trane calculation
form or any other standard accepted
method.
Step 2 — Size the equipment using Table
PD-1. Match the cooling loads at design
conditions.
Example: The following are the building
cooling requirements
a
Electrical Characteristics: 380-415/50/3
b
Summer Design Conditions: Entering
Evaporator Coil: 80 DB/67 WB
(27 DB/19 WB C)
Outdoor Ambient: 95° F (35° C)
c
Total Cooling Load: 75 MBh (22 kW)
d
Sensible Cooling Load: 53 MBh
(15.5 kW)
e
Airflow: 3000 cfm (5097 m3/h)
External Static Pressure: 0.77 in.
(192.5 Pa)
Table PD-1 shows that a TTA075A
matched with a TWE075A has a gross
cooling capacity of 86.5 MBh (25.3 kW)
and 64.4 MBh (18.8 kW) sensible
capacity at 95 DB (35° C) ambient and
3000 cfm (5097 m3/h) and 80 DB/67 WB
(27 DB/19 WB) air entering the
evaporator.
To find the net cooling capacities, fan
motor heat must be subtracted.
Determine the total unit static pressure:
In. Pa
External Static 0.77 193
Standard Filter 0.10 25
Supplementary
Electric Heat 0.23 57
Total Static Pressure 1.10 275
Note: The Evaporator Fan Performance
Table has included the effect of a 1 in.
(250 Pa) filter already. Therefore, the
actual Total Static Pressure is 1.10 - 0.10 =
1.00 in. (275 - 25 = 250 Pa).
With 3000 cfm (5097 m3/h) and 1.00
inches (250 Pa), Table PD-29 shows a
1.17 bhp (0.8 kW).
Note: The formula below the table can
be used to calculate Fan Motor Heat,
3.5 x Bhp = MBh
3.5 x 1.17 = 4.10 MBh
(1.375 x (kW) = kW)
(1.375 x 0.8 = 1.1 kW)
Net Total Cooling Capacity =
86.5 MBh – 4.10 = 82.4 MBh
18.8 - 1.1 = 17.7 kW
Net Sensible Cooling Capacity =
64.4 MBh – 4.10 = 60.3 MBh
25.3 - 1.1 = 24.2 kW
Heating Capacity
Step 1 — Calculate the building heating
load.
Step 2 — Size the system heating
capacity to match the calculated building
heating load. The following are building
heating requirements:
a
Total Heating Load at 97.0 MBh (28.4 kW)
b
3000 cfm (5097 m3/h)
c
Electric Supplementary Heaters
Table PD-39, the 34.88 kW heater has a
capacity of 119,045 btu. From Table
ED-5, the 34.88 kW indicates the heater
model number is BAYHTRL435A. This
heater will adequately cover the
building’s heating requirement.
Air Delivery Selection
External static pressure drop through
the air distribution system has been
calculated to be 0.77 inches (192.5 Pa) of
water gauge. From Table PD-38 static
pressure drop through the electric
heater is 0.23 inches (57.5 Pa) of water
(0.77 + 0.23 = 1.00 in.) (192.5 + 57.5 = 250
Pa). Enter Table 39-1 for TWE075AD at
3000 cfm (5097 m3/h) and 1.00 static
pressure (250 Pa). The standard motor at
821 rpm will give the desired airflow.

10 SS-PRC003-EN
Model
Number
Description
Digit 9, 10 - Factory - Installed Options
00 = Packed Stock
0S = Black Epoxy Coated Coil
0R = ReliaTel™ Controls
0T = ReliaTel Controls with Black Epoxy
Coated Coil
0U= ReliaTel Controls with LonTalk
Communications Interface (RLCI)
0W = ReliaTel Controls with LonTalk®
Communications Interface (RLCI)
and Black Epoxy Coated Coil
Digit 8 - Electrical Characteristics
D = 380-415/50/3
Split System Condensing Unit Model Nomenclature
Digits 4, 5, 6 - Nominal Gross Cooling
Capacity (MBh)
075 = 75
085 = 85
100 = 100
155 = 15 5
200 = 200
Digit 7- Major Development Sequence
A = 1 Refrigerant Circuit
B = 2 Refrigerant Circuits
C = Manifold Scroll Compressors
Digit 11- Minor Design Sequence
B = Second
TT A 120 A 4 0 0 E A
1 2 3 4 5 6 7 8 9 10 11 12
Digits 1, 2, 3 - Product Type
TTA = Split System Cooling
Digit 12- Service Digit
A = First
Air Handler Model Nomenclature
Digit 9, 10 - Factory - Installed Options
00 = Packed Stock
Digits 1, 2, 3 - Product Type
TWE = Split System Heat
Pump/Cooling Air Handler
Digits 4, 5, 6 - Nominal Gross Cooling
Capacity (MBh)
050 = 50
075 = 75
100 = 100
155 = 150
200 = 200
Digit 7- Refrigerant Circuit
A = Single
B = Dual
Digit 12- Service Digit
A = First
Digit 11- Minor Design Sequence
E = Current Design Sequence
TWE 090 A 1 0 0 E A
1 2 3 4 5 6 7 8 9 10 11 12
Digit 8 - Electrical Characteristics
0 = 380-415/3/50

11SS-PRC003-EN
General
Data Condensing Unit
Table GD-1 — General Data
TTA075A TTA085A TTA100A TTA100B
Cooling Performance1
Gross Cooling Capacity, btu (kW)
Matched Air Handler (kW) 84,000(24.60) 90,000(26.35) 114,000(33.38) 112,000(32.79)
Condensing Unit Only2 (kW) 84,000(24.60) 93,000(27.23) 114,000(33.38) 112,000(32.79)
ARI Net Cooling Capacity3 (kW) 81,000(23.72) 88,000(25.77) 110,000(32.21) 108,000(31.62)
System Power kW 7.81 7.867 10.27 10.06
Condensing Unit Power kW 7.05 7.07 9.26 9.13
Compressor
Number 1 1 1 2
Type Trane 3-D® Scroll Trane 3-D® Scroll Trane 3-D® Scroll Trane Climatuff™ Scroll
No. Motors (each) 1 1 1 1
Motor HP (kW) 6.25 (4.7) 6.91(5.15) 8.33(6.21) 4.15(3.1)
Motor RPM 2875 2875 2875 2875
ARI Sound Rating (Bels)48.8 8.8 8.8 8.8
System Data5
No. Refrigerant Circuits 1 1 1 2
Suction Line in. (mm) OD 1.375(34.9) 1.375(34.9) 1.375(34.9) 1.125(28.58)
Liquid Line in. (mm) OD 0.500(12.7) 0.500(12.7) 0.500(12.7) 0.375(9.53)
Outdoor Coil — Type Plate Fin Plate Fin Plate Fin Plate Fin
Tube Size in. (mm) OD 0.375(9.5) 0.375(9.5) 0.375(9.5) 0.375(9.53)
Face Area, sq. ft (m2) 19.25(1.79) 24.0(2.23) 24.0(2.23) 24.0(2.23)
Rows 2 2 2 2
Fins Per Inch 18 20 20 20
Outdoor Fan Type Propeller Propeller Propeller Propeller
No. Used 1 1 1 1
Diameter in. (mm) 26.00(660.4) 28.00(711.2) 28.00(711.2) 28.00(711.2)
Drive Type Direct Direct Direct Direct
No. Speeds 1 1 1 1
CFM6 (m3/h) 4700(7985.30) 8120(13795.0) 8120(13795.0) 8120(13795.0)
No. Motors 1 1 1 1
Motor HP (kW) 0.33(.25) 0.75(.56) 0.75(.56) 0.75(.56)
Motor RPM 925 925 975 975
R-22 Refrigerant Charge, lb7 (kg) 16.0(7.26) 19.0(8.62) 19.0(8.62) 21.0(9.53)
Notes:
1. Cooling Performance is rated at 95°F (35°C) ambient, 80°F (26.7°C) entering dry bulb, 67°F (19.4°C) entering wet bulb and nominal cfm listed. ARI rating cfm is 350 cfm/ton for
this product. Gross capacity does not include the effect of fan motor heat. ARI capacity is net and includes the effect of fan motor heat. Units are suitable for operation to ±20%
of nominal cfm. Certified in accordance with the Unitary Large Equipment certification program, which is based on ARI Standard 340/360 or 365-00.
2. Condensing Unit Only Gross Cooling Capacity rated at 45°F (7.2°C) saturated suction temperature and at 95°F (35°C) ambient.
3. ARI Net Cooling Capacity is calculated with matched blower coil and 25 ft (7.2 m) of 1.375, 0.500 OD interconnecting tubing. EER and/or SEER are rated at ARI conditions and in
accordance with DOE test procedures. Integrated Part Load Value is based on ARI Standard 340/360 or 365-00. Units are rated at 80°F (26.7°C) ambient, 80°F (26.7°C) entering
dry bulb, and 67°F (19.4°C) entering wet bulb at ARI rated cfm.
4. Sound Rating shown is tested in accordance with ARI Standard 270.
5. System Data based on maximum linear length 80 ft (26.7 m) Maximum lift: suction 60 ft (18.3 m) liquid 60 ft (18.3 m) For greater lengths, refer to refrigerant piping applications
manual.
6. Outdoor Fan cfm is rated with standard air-dry coil outdoor.
7. Refrigerant (operating) charge is for condensing unit (all circuits) with matching blower coils and 25 ft (7.6 m) of interconnecting refrigerant lines.

12 SS-PRC003-EN
General
Data Condensing Unit
Table GD-2— General Data
TTA100C TTA125B TTA155B TTA155C TTA200B
Cooling Performance1
Gross Cooling Capacity, btu (kW)
Matched Air Handler 113,000(33.09) 134,000(39.24) 166,000(48.60) 167,000(48.90) 220,000(64.42)
Condensing Unit Only2113,000(33.09) 130,000(38.06) 166,000(48.60) 167,000(48.90) 220,000(64.42)
ARI Net Cooling Capacity3110,000(32.21) 130,000(38.06) 160,000(46.85) 161,000(47.14) 212,000(62.07)
System Power kW 10.34 12.63 16.18 16.17 21.22
Condensing Unit Power kW 9.31 11.52 14.33 14.28 18.56
Compressor
Number 2 2 2 2 2
Type Manifolded Copeland Scroll Trane Climatuff™Scroll Trane 3-D® Scroll Trane 3-D® Scroll Trane 3-D® Scroll
No. Motors (each) 1 1 1 1 1
Motor HP (kW) 4.16(3.10) 5.20(3.9) 6.25(4.7) 6.25(4.7) 8.33(6.21)
Motor RPM 2875 2875 2875 2875 2875
ARI Sound Rating (Bels)48.8 8.8 8.8 8.8 8.8
System Data5
No. Refrigerant Circuits 1 2 2 1 2
Suction Line in. (mm) OD 1.375(34.9) 1.125(28.58) 1.375(34.9) 1.625(41.3) 1.375(34.9)
Liquid Line in. (mm) OD 0.500(12.7) 0.375(9.53) 0.500(12.7) 0.625(15.9) 0.500(12.7)
Outdoor Coil — Type Plate Fin Plate Fin Plate Fin Plate Fin Plate Fin
Tube Size in. (mm) OD 0.375(9.5) 0.375(9.5) 0.375(9.5) 0.375(9.5) 0.375(9.5)
Face Area, sq. ft (m2) 24.0(2.23) 24.0(2.23) 33.33(3.10) 33.33(3.10) 50.2(4.66)
Rows 2 2 2 2 2
Fins Per Inch 20 20 20 20 18
Outdoor Fan Type Propeller Propeller Propeller Propeller Propeller
No. Used 1 1 2 2 2
Diameter in. (mm) 28.00(711.2) 28.00(711.2) 26.00(660.4) 26.00(660.4) 28.00(711.2)
Drive Type Direct Direct Direct Direct Direct
No. Speeds 1 1 1 1 1
CFM6 (m3/h) 8120(13795.0) 8120(13795.0) 9400(15970.60) 9400(15970.60) 13400(22766.60)
No. Motors 1 1 1 1 2
Motor HP (kW) 0.75(.56) 0.75(.56) 0.33(.25) 0.33(.25) 0.75(.56)
Motor RPM 925 925 925 925 925
R-22 Refrigerant Charge, lb7 (kg) 20.5(9.30) 23.6(10.70) 30.0(13.61) 28.0(12.70) 39.5(17.92)
Notes:
1. Cooling Performance is rated at 95°F (35°C) ambient, 80°F (26.7°C) entering dry bulb, 67°F (19.4°C) entering wet bulb and nominal cfm listed. ARI rating cfm is 350 cfm/ton for
this product. Gross capacity does not include the effect of fan motor heat. ARI capacity is net and includes the effect of fan motor heat. Units are suitable for operation to ±20%
of nominal cfm. Certified in accordance with the Unitary Large Equipment certification program, which is based on ARI Standard 340/360 or 365-00.
2. Condensing Unit Only Gross Cooling Capacity rated at 45°F (7.2°C) saturated suction temperature and at 95°F (35°C) ambient.
3. ARI Net Cooling Capacity is calculated with matched blower coil and 25 ft (7.2 m) of 1.375, 0.500 OD interconnecting tubing. EER and/or SEER are rated at ARI conditions and in
accordance with DOE test procedures. Integrated Part Load Value is based on ARI Standard 340/360 or 365-00. Units are rated at 80°F (26.7°C) ambient, 80°F (26.7°C) entering dry
bulb, and 67°F (19.4°C) entering wet bulb at ARI rated cfm.
4. Sound Rating shown is tested in accordance with ARI Standard 270.
5. System Data based on maximum linear length 80 ft (26.7 m) Maximum lift: suction 60 ft (18.3 m) liquid 60 ft (18.3 m) For greater lengths, refer to refrigerant piping applications
manual.
6. Outdoor Fan cfm is rated with standard air-dry coil outdoor.
7. Refrigerant (operating) charge is for condensing unit (all circuits) with matching blower coils and 25 ft (7.6 m) of interconnecting refrigerant lines.

13SS-PRC003-EN
General
Data
Table GD-3 — General Data
TWE050A TWE075A TWE100A TWE100B
System Data1
No. Refrigerant Circuits 1 1 1 2
Suction Line in. (mm) OD 1.120(28.4) 1.380(35.0) 1.380(35.0) 1.380(35.0)
Liquid Line in. (mm) OD 0.38(9.7) 0.50(12.7) 0.50(12.7) 0.50(12.7)
Indoor Coil — Type Plate Fin Plate Fin Plate Fin Plate Fin
Tube Size in. (mm) OD 0.375(9.5) 0.375(9.5) 0.375(9.5) 0.375(9.5)
Face Area sq. ft (m2) 5.00(.47) 8.07(.75) 11.18(1.0) 11.18(1.0)
Rows 3344
Fins Per Inch 12 12 12 12
Refrigerant Control Expansion Valve Expansion Valve Expansion Valve Expansion Valve
Drain Connection No. 4 4 4 4
Drain Connection Size in. (mm) 0.75(19.0) 0.75(19.0) 0.75(19.0) 0.75(19.0)
Drain Connection Type PVC PVC PVC PVC
Indoor Fan Type FC Centrifugal FC Centrifugal FC Centrifugal FC Centrifugal
No. Used 1 1 1 1
Diameter in. (mm) 12.0(304.8) 15.0(381) 15.0(381) 15.0(381)
Width in. (mm) 12.0(304.8) 15.0(381) 15.0(381) 15.0(381)
Drive Type Belt Belt Belt Belt
No. Speeds 1 1 1 1
CFM (m3/h) 1670(2837) 2500(4247) 3325(5649) 3325(5649)
No. Motors 1 1 1 1
Motor HP (kW)
- Standard/Oversized 0.75/1.0(.55/.74) 1.0/1.5(.74/1.11) 1.5/2.0(1.11/1.49) 1.5/2.0(1.11/1.49)
Motor RPM (Standard) 1425 1425 1425 1425
Motor Frame Size (Standard) 56 56 56 56
Filters — Type Throwaway Throwaway Throwaway Throwaway
Furnished Yes Yes Yes Yes
No. 1/1 3 4 4
Recommended Size, in. (mm) 16x20x1/20x20x1 16x25x1 16x25x1 16x25x1
(406.4x508x25.4/ (406.4x635x25.4) (406.4x635x25.4) (406.4x635x25.4)
508x508x25.4)
Notes:
1. ARI certified with various condensing units per ARI Standard 210/240 or 340/360 or 365-00. Refer to Performance
Data section in this catalog.
Table GD-4 — General Data
TWE155B TWE200B
System Data
No. Refrigerant Circuits 2 2
Suction Line in. (mm) OD 1.38(35.0) 1.38(35.0)
Liquid Line in. (mm) OD 0.500(12.7) 0.500(12.7)
Indoor Coil — Type Plate Fin Plate Fin
Tube Size in. (mm) OD 0.375(9.5) 0.375(9.5)
Face Area sq. ft (m2) 16.33(1.52) 21.63(2.01)
Rows 3 3
Fins Per Inch 12 12
Refrigerant Control Expansion Valve Expansion Valve
Drain Connection No. 4 4
Drain Connection Size in. (mm) 1.000(25.4) 1.000(25.4)
Drain Connection Type PVC PVC
Indoor Fan Type FC Centrifugal FC Centrifugal
No. Used 2 2
Diameter in. (mm) 15.0(381) 15.0(381)
Width in. (mm) 15.0(381) 15.0(381)
Drive Type Belt Belt
No. Speeds 1 1
CFM (m3/h) 5000(8494) 6650(11297)
No. Motors 1 1
Motor HP — Standard/Oversized 2.0/3.0(1.49/2.24) 3.0/5.0(2.24/3.72)
Motor RPM (Standard) 1425 1425
Motor Frame Size (Standard) 145T 184T
Filters — Type Throwaway Throwaway
Furnished Yes Yes
No. 8 4/4
Recommended Size, in. (mm) 15x20x2 16x20x2/16x25x2
(381x508x50.8) (406.4x508x50.8/
406.4x635x50.8)
Notes:
1. ARI certified with various condensing units per ARI Standard 210/240 or 340/360 or 365-00. Refer to Performance
Data section in this catalog.
Air Handler

14 SS-PRC003-EN
Performance
Data System
Table PD-1 — Gross Cooling Capacities (kW) TTA075A Condensing Unit with TWE075A Air Handler (SI)
Ambient Temperature (°C)
29.4 35.0 40.6 46.1
Enter.
Dry Entering Wet Bulb (°C)
m3/h Bulb 16.1 19.4 22.8 16.1 19.4 22.8 16.1 19.4 22.8 16.1 19.4 22.8
Airflow (°C) TGC SHC TGC SHC TGC SHC TGC SHC TGC SHC TGC SHC TGC SHC TGC SHC TGC SHC TGC SHC TGC SHC TGC SHC
24 22.6 17.7 25.0 14.9 27.6 10.2 21.9 17.4 24.2 14.6 26.6 9.8 21.0 16.9 23.2 14.2 25.5 9.5 20.0 16.5 22.1 13.7 24.3 9.0
3823 27 22.7 20.7 25.1 17.1 27.6 13.3 22.0 20.3 24.3 16.8 26.6 12.9 21.2 19.9 23.3 16.3 25.6 12.5 20.2 19.4 22.1 15.8 24.3 12.1
29 23.2 23.2 25.1 20.0 27.6 16.3 22.6 22.6 24.3 19.6 26.7 15.9 21.8 21.8 23.3 19.2 25.6 15.5 21.0 21.0 22.2 18.7 24.4 15.1
32 24.3 24.3 25.2 22.9 27.7 19.3 23.7 23.7 24.4 22.6 26.7 18.9 23.0 23.0 23.5 22.1 25.6 18.5 22.1 22.1 22.4 21.7 24.4 18.0
24 23.1 18.6 25.5 14.6 28.0 10.4 22.3 18.2 24.6 14.3 27.0 10.0 21.4 17.7 23.6 13.8 25.9 9.6 20.4 17.2 22.5 13.4 24.7 9.2
4248 27 23.2 21.8 25.5 17.9 28.0 13.7 22.5 21.4 24.7 17.5 27.1 13.3 21.6 21.0 23.7 17.0 26.0 12.9 20.7 20.5 22.5 16.5 24.7 12.5
29 23.9 23.9 25.6 21.0 28.1 17.0 23.3 23.3 24.7 20.6 27.1 16.6 22.5 22.5 23.7 20.2 26.0 16.2 21.6 21.6 22.6 19.7 24.8 15.8
32 25.2 25.2 25.8 24.2 28.1 20.2 24.5 24.5 24.9 23.9 27.2 19.8 23.7 23.7 24.0 23.4 26.1 19.4 22.8 22.8 22.8 22.8 24.8 18.9
24 23.5 19.3 25.9 15.1 28.4 10.5 22.7 19.0 25.0 14.7 27.4 10.2 21.8 18.5 23.9 14.3 26.2 9.8 20.7 18.0 22.8 13.8 24.9 9.3
4672 27 23.7 22.8 25.9 18.6 28.4 14.1 22.9 22.5 25.0 18.2 27.4 13.8 22.1 22.0 24.0 17.7 26.3 13.3 21.0 21.0 22.8 17.2 25.0 12.9
29 24.6 24.6 26.0 22.0 28.5 17.7 24.0 24.0 25.1 21.6 27.5 17.3 23.1 23.1 24.1 21.2 26.3 16.9 22.2 22.2 22.9 20.7 25.0 16.4
32 25.9 25.9 26.2 25.5 28.5 21.1 25.2 25.2 25.4 25.1 27.5 20.7 24.3 24.3 24.4 24.4 26.4 20.3 23.4 23.4 23.4 23.4 25.1 19.8
24 23.8 20.1 26.2 15.5 28.7 10.7 23.0 19.7 25.3 15.2 27.7 10.3 22.0 19.2 24.2 14.8 26.5 9.9 21.0 18.7 23.0 14.3 25.2 9.4
5097 27 24.1 23.9 26.2 19.2 28.8 14.5 23.2 23.2 25.3 18.8 27.7 14.1 22.4 22.4 24.3 18.4 26.6 13.7 21.5 21.5 23.1 17.9 25.3 13.3
29 25.2 25.2 26.3 22.9 28.8 18.3 24.5 24.5 25.4 22.5 27.8 18.0 23.7 23.7 24.4 22.1 26.6 17.5 22.7 22.7 23.2 21.6 25.3 17.0
32 26.5 26.5 26.5 26.5 28.8 22.0 25.8 25.8 25.8 25.8 27.8 21.6 24.9 24.9 24.9 24.9 26.7 21.1 23.9 23.9 23.9 23.9 25.4 20.6
Equal TGC and SHC values constitute dry coil conditions. Total Gross Cooling (TGC) shown to the left is not applicable. In this case the Sensible Heat Capacity (SHC) is the total
capacity.
All capacities shown are gross and have not considered indoor fan heat.
To obtain net cooling capacities subtract indoor fan heat.
TGC = Total Gross Cooling Capacity
SHC = Sensible Heat Capacity
Table PD-1 — Gross Cooling Capacities (MBh) TTA075A Condensing Unit with TWE075A Air Handler (I-P)
Ambient Temperature (°F)
85 95 105 115
Enter.
Dry Entering Wet Bulb (°F)
CFMBulb616773 61 6773616773616773
Airflow (°F) TGC SHC TGC SHC TGC SHC TGC SHC TGC SHC TGC SHC TGC SHC TGC SHC TGC SHC TGC SHC TGC SHC TGC SHC
75 77.2 60.6 85.4 50.9 94.1 34.7 74.8 59.4 82.6 49.8 90.9 33.6 71.8 57.9 79.3 48.4 87.2 32.3 68.4 56.2 75.5 46.9 83.0 30.8
2250 80 77.6 70.5 85.6 58.4 94.2 45.3 75.2 69.3 82.8 57.2 91.0 44.1 72.3 67.9 79.5 55.8 87.3 42.7 69.0 66.2 75.6 54.0 83.2 41.2
85 79.1 79.1 85.7 68.3 94.3 55.6 77.0 77.0 83.0 67.0 91.2 54.4 74.6 74.6 79.6 65.6 87.5 53.0 71.7 71.7 75.9 63.9 83.4 51.5
90 83.1 83.1 86.1 78.3 94.5 65.9 81.0 81.0 83.4 77.1 91.2 64.5 78.4 78.4 80.2 75.6 87.6 63.0 75.4 75.4 76.6 74.0 83.5 61.4
75 78.8 63.4 87.0 49.9 95.7 35.4 76.2 62.1 84.1 48.7 92.4 34.2 73.2 60.6 80.7 47.2 88.5 32.9 69.6 58.9 76.7 45.6 84.2 31.4
2500 80 79.3 74.3 87.2 61.1 95.8 46.8 76.8 73.1 84.2 59.7 92.5 45.6 73.9 71.6 80.8 58.2 88.7 44.2 70.5 70.0 76.9 56.4 84.4 42.6
85 81.7 81.7 87.4 71.8 96.0 58.1 79.6 79.6 84.5 70.5 92.7 56.8 77.0 77.0 81.0 69.0 88.9 55.4 73.9 73.9 77.2 67.3 84.6 53.9
90 85.9 85.9 87.9 82.8 96.0 69.0 83.7 83.7 85.2 81.5 92.7 67.7 80.9 80.9 81.9 80.0 89.0 66.2 77.8 77.8 77.8 77.8 84.8 64.5
75 80.1 66.1 88.3 51.5 97.0 36.0 77.5 64.8 85.3 50.3 93.5 34.8 74.3 63.2 81.8 48.8 89.6 33.4 70.7 61.5 77.7 47.2 85.2 31.8
2750 80 80.9 78.0 88.4 63.4 97.1 48.2 78.3 76.7 85.5 62.1 93.7 47.0 75.3 75.2 81.9 60.5 89.8 45.6 71.9 71.9 77.9 58.8 85.4 44.0
85 84.1 84.1 88.7 75.1 97.3 60.4 81.8 81.8 85.7 73.8 93.9 59.1 79.0 79.0 82.3 72.2 90.0 57.7 75.8 75.8 78.3 70.5 85.5 55.9
90 88.4 88.4 89.6 87.1 97.4 72.0 86.0 86.0 86.8 85.8 94.0 70.7 83.1 83.1 83.2 83.2 90.1 69.2 79.8 79.8 79.9 79.9 85.8 67.5
75 81.3 68.6 89.5 53.1 98.0 36.5 78.5 67.3 86.4 51.9 94.5 35.2 75.3 65.7 82.7 50.4 90.5 33.8 71.6 63.9 78.6 48.7 85.9 32.2
3000 80 82.3 81.5 89.6 65.7 98.2 49.6 79.4 79.4 86.5 64.4 94.7 48.3 76.6 76.6 82.9 62.8 90.7 46.9 73.5 73.5 78.8 61.1 86.3 45.3
85 86.1 86.1 89.9 78.3 98.4 62.6 83.7 83.7 86.9 76.9 94.9 61.3 80.8 80.8 83.4 75.4 90.8 59.6 77.5 77.5 79.4 73.7 86.4 57.9
90 90.5 90.5 90.6 90.6 98.5 75.0 88.0 88.0 88.1 88.1 95.0 73.6 85.0 85.0 85.1 85.1 91.1 72.1 81.6 81.6 81.7 81.7 86.7 70.4
Equal TGC and SHC values constitute dry coil conditions. Total Gross Cooling (TGC) shown to the left is not applicable. In this case the Sensible Heat Capacity (SHC) is the total
capacity.
All capacities shown are gross and have not considered indoor fan heat.
To obtain net cooling capacities subtract indoor fan heat.
TGC = Total Gross Cooling Capacity
SHC = Sensible Heat Capacity

SS-PRC003-EN 15
Performance
Data System
Table PD-2 — Gross Cooling Capacities (MBh) TTA075A Condensing Unit with TWE100A Air Handler (I-P)
Ambient Temperature (°F)
85 95 105 115
Enter.
Dry Entering Wet Bulb (°F)
CFMBulb616773 61 6773616773616773
Airflow (°F) TGC SHC TGC SHC TGC SHC TGC SHC TGC SHC TGC SHC TGC SHC TGC SHC TGC SHC TGC SHC TGC SHC TGC SHC
75 82.1 66.3 90.5 55.2 99.3 36.7 79.5 65.0 87.6 54.0 95.9 35.6 76.2 63.4 84.0 52.6 92.0 34.3 72.3 61.5 80.0 51.0 87.6 32.8
2550 80 82.6 77.8 90.7 63.7 99.4 48.7 80.0 76.5 87.8 62.5 96.1 47.5 76.9 75.0 84.1 60.8 92.2 46.1 73.3 73.2 80.1 59.1 87.9 44.5
85 85.2 85.2 90.8 75.0 99.6 60.5 83.0 83.0 87.9 73.7 96.3 59.2 80.2 80.2 84.4 72.2 92.5 57.8 77.1 77.1 80.4 70.5 88.1 56.3
90 89.5 89.5 91.3 86.6 99.7 72.2 87.1 87.1 88.5 85.3 96.3 70.7 84.3 84.3 85.1 83.8 92.5 69.2 81.1 81.1 81.2 81.2 88.2 67.6
75 83.7 69.7 92.2 54.1 100.8 37.5 81.0 68.4 89.1 52.8 97.4 36.2 77.6 66.7 85.4 51.3 93.3 34.8 73.7 64.9 81.3 49.7 88.8 33.2
2850 80 84.5 82.4 92.2 66.7 101.0 50.5 81.9 81.2 89.2 65.4 97.6 49.2 78.6 78.6 85.5 63.8 93.6 47.8 75.3 75.3 81.4 62.1 89.2 46.2
85 88.1 88.1 92.4 79.2 101.2 63.4 85.7 85.7 89.4 77.9 97.7 62.1 82.8 82.8 85.8 76.4 93.8 60.7 79.5 79.5 81.8 74.6 89.4 59.2
90 92.5 92.5 93.3 92.0 101.2 75.9 90.1 90.1 90.1 90.1 97.8 74.6 87.1 87.1 87.2 87.2 93.9 73.1 83.7 83.7 83.8 83.8 89.5 71.4
75 85.1 72.9 93.5 56.0 102.0 38.0 82.2 71.6 90.3 54.8 98.5 36.8 78.8 69.9 86.6 53.3 94.4 35.4 74.8 68.0 82.3 51.6 89.8 33.8
3150 80 86.0 86.0 93.6 69.7 102.3 52.1 83.6 83.6 90.4 68.3 98.7 50.9 80.6 80.6 86.7 66.7 94.7 49.5 77.3 77.3 82.5 64.9 90.2 47.9
85 90.5 90.5 93.8 83.3 102.5 66.2 88.0 88.0 90.8 82.0 98.9 64.9 85.0 85.0 87.1 80.4 94.8 63.2 81.6 81.6 83.0 78.6 90.4 61.5
90 95.1 95.1 95.2 95.2 102.5 79.6 92.5 92.5 92.6 92.6 99.0 78.3 89.4 89.4 89.5 89.5 95.1 76.8 85.9 85.9 86.0 86.0 90.6 75.1
75 86.2 76.0 94.6 57.9 103.1 38.6 83.3 74.6 91.3 56.6 99.4 37.3 79.9 73.0 87.5 55.1 95.3 35.9 75.9 71.1 83.0 53.1 90.6 34.3
3450 80 88.0 88.0 94.7 72.5 103.3 53.7 85.5 85.5 91.5 71.1 99.7 52.5 82.5 82.5 87.7 69.5 95.7 51.1 79.0 79.0 83.4 67.7 91.1 49.5
85 92.7 92.7 95.1 87.2 103.4 68.6 90.1 90.1 92.0 85.9 99.8 67.2 86.9 86.9 88.3 84.3 95.8 65.7 83.4 83.4 84.2 82.5 91.3 64.0
90 97.4 97.4 97.4 97.4 103.6 83.2 94.6 94.6 94.7 94.7 100.0 81.9 91.4 91.4 91.5 91.5 96.0 80.4 87.8 87.8 87.9 87.9 91.5 78.7
Equal TGC and SHC values constitute dry coil conditions. Total Gross Cooling (TGC) shown to the left is not applicable. In this case the Sensible Heat Capacity (SHC) is the total
capacity.
All capacities shown are gross and have not considered indoor fan heat.
To obtain net cooling capacities subtract indoor fan heat.
TGC = Total Gross Cooling Capacity
SHC = Sensible Heat Capacity
Table PD-2 — Gross Cooling Capacities (kW) TTA075A Condensing Unit with TWE100A Air Handler (SI)
Ambient Temperature (°C)
29.4 35.0 40.6 46.1
Enter.
Dry Entering Wet Bulb (°C)
m3/h Bulb 16.1 19.4 22.8 16.1 19.4 22.8 16.1 19.4 22.8 16.1 19.4 22.8
Airflow (°C) TGC SHC TGC SHC TGC SHC TGC SHC TGC SHC TGC SHC TGC SHC TGC SHC TGC SHC TGC SHC TGC SHC TGC SHC
23.9 24.0 19.4 26.5 16.2 29.1 10.8 23.3 19.0 25.6 15.8 28.1 10.4 22.3 18.6 24.6 15.4 26.9 10.0 21.2 18.0 23.4 14.9 25.7 9.6
4332 26.7 24.2 22.8 26.6 18.7 29.1 14.3 23.4 22.4 25.7 18.3 28.1 13.9 22.5 22.0 24.6 17.8 27.0 13.5 21.5 21.4 23.5 17.3 25.7 13.0
29.4 25.0 25.0 26.6 22.0 29.1 17.7 24.3 24.3 25.7 21.6 28.2 17.3 23.5 23.5 24.7 21.1 27.1 16.9 22.6 22.6 23.5 20.6 25.8 16.5
32.2 26.2 26.2 26.7 25.3 29.2 21.1 25.5 25.5 25.9 25.0 28.2 20.7 24.7 24.7 24.9 24.5 27.1 20.3 23.7 23.7 23.8 23.8 25.8 19.8
23.9 24.5 20.4 27.0 15.8 29.5 11.0 23.7 20.0 26.1 15.5 28.5 10.6 22.7 19.5 25.0 15.0 27.3 10.2 21.6 19.0 23.8 14.5 26.0 9.7
4842 26.7 24.7 24.1 27.0 19.5 29.6 14.8 24.0 23.8 26.1 19.2 28.6 14.4 23.0 23.0 25.0 18.7 27.4 14.0 22.0 22.0 23.8 18.2 26.1 13.5
29.4 25.8 25.8 27.1 23.2 29.6 18.6 25.1 25.1 26.2 22.8 28.6 18.2 24.3 24.3 25.1 22.4 27.5 17.8 23.3 23.3 23.9 21.8 26.2 17.3
32.2 27.1 27.1 27.3 26.9 29.6 22.2 26.4 26.4 26.4 26.4 28.6 21.8 25.5 25.5 25.5 25.5 27.5 21.4 24.5 24.5 24.5 24.5 26.2 20.9
23.9 24.9 21.4 27.4 16.4 29.9 11.1 24.1 21.0 26.4 16.0 28.8 10.8 23.1 20.5 25.3 15.6 27.6 10.4 21.9 19.9 24.1 15.1 26.3 9.9
5352 26.7 25.2 25.2 27.4 20.4 29.9 15.3 24.5 24.5 26.5 20.0 28.9 14.9 23.6 23.6 25.4 19.5 27.7 14.5 22.6 22.6 24.2 19.0 26.4 14.0
29.4 26.5 26.5 27.5 24.4 30.0 19.4 25.8 25.8 26.6 24.0 29.0 19.0 24.9 24.9 25.5 23.5 27.8 18.5 23.9 23.9 24.3 23.0 26.5 18.0
32.2 27.8 27.8 27.9 27.9 30.0 23.3 27.1 27.1 27.1 27.1 29.0 22.9 26.2 26.2 26.2 26.2 27.8 22.5 25.1 25.1 25.2 25.2 26.5 22.0
23.9 25.2 22.3 27.7 17.0 30.2 11.3 24.4 21.9 26.7 16.6 29.1 10.9 23.4 21.4 25.6 16.1 27.9 10.5 22.2 20.8 24.3 15.6 26.5 10.0
5862 26.7 25.8 25.8 27.7 21.2 30.3 15.7 25.0 25.0 26.8 20.8 29.2 15.4 24.2 24.2 25.7 20.3 28.0 15.0 23.1 23.1 24.4 19.8 26.7 14.5
29.4 27.1 27.1 27.8 25.5 30.3 20.1 26.4 26.4 26.9 25.1 29.2 19.7 25.5 25.5 25.8 24.7 28.1 19.2 24.4 24.4 24.6 24.2 26.7 18.7
32.2 28.5 28.5 28.5 28.5 30.3 24.4 27.7 27.7 27.7 27.7 29.3 24.0 26.8 26.8 26.8 26.8 28.1 23.5 25.7 25.7 25.7 25.7 26.8 23.0
Equal TGC and SHC values constitute dry coil conditions. Total Gross Cooling (TGC) shown to the left is not applicable. In this case the Sensible Heat Capacity (SHC) is the total
capacity.
All capacities shown are gross and have not considered indoor fan heat.
To obtain net cooling capacities subtract indoor fan heat.
TGC = Total Gross Cooling Capacity
SHC = Sensible Heat Capacity

16 SS-PRC003-EN
Performance
Data System
Table PD-3 — Gross Cooling Capacities (kW) TTA085A Condensing Unit with TWE075A Air Handler (SI)
Ambient Temperature (°C)
29.4 35.0 40.6 46.1
Enter.
Dry Entering Wet Bulb (°C)
m3/h Bulb 16.1 19.4 22.8 16.1 19.4 22.8 16.1 19.4 22.8 16.1 19.4 22.8
Airflow (°C) TGC SHC TGC SHC TGC SHC TGC SHC TGC SHC TGC SHC TGC SHC TGC SHC TGC SHC TGC SHC TGC SHC TGC SHC
24 24.2 18.5 26.8 15.6 29.8 10.9 23.3 18.0 25.9 15.2 28.7 10.5 22.4 17.6 24.9 14.8 27.6 10.1 21.5 17.1 23.9 14.4 26.5 9.7
3823 27 24.2 21.3 26.9 17.9 29.8 14.1 23.4 20.9 26.0 17.4 28.7 13.7 22.5 20.5 25.0 17.0 27.7 13.3 21.6 20.0 24.0 16.6 26.5 12.8
29 24.6 24.4 27.0 20.8 29.9 17.1 23.7 23.7 26.0 20.3 28.8 16.7 23.0 23.0 25.0 19.9 27.7 16.3 22.2 22.2 24.0 19.4 26.6 15.9
32 25.7 25.7 27.0 23.7 29.9 20.1 25.0 25.0 26.1 23.2 28.9 19.7 24.2 24.2 25.2 22.8 27.8 19.3 23.4 23.4 24.2 22.3 26.7 18.8
24 24.7 19.3 27.4 15.4 30.3 11.1 23.8 18.8 26.4 15.0 29.3 10.7 22.9 18.4 25.4 14.5 28.1 10.3 21.9 17.9 24.3 14.1 26.9 9.9
4248 27 24.8 22.5 27.5 18.7 30.4 14.5 24.0 22.0 26.5 18.3 29.3 14.1 23.1 21.6 25.4 17.7 28.2 13.7 22.1 21.1 24.4 17.3 27.0 13.3
29 25.3 25.3 27.5 21.8 30.5 17.8 24.6 24.6 26.6 21.4 29.4 17.4 23.8 23.8 25.6 20.9 28.3 17.0 23.0 23.0 24.5 20.4 27.1 16.6
32 26.6 26.6 27.7 25.0 30.5 21.1 25.9 25.9 26.7 24.6 29.4 20.6 25.1 25.1 25.8 24.1 28.3 20.2 24.3 24.3 24.8 23.7 27.2 19.7
24 25.2 20.1 27.9 15.9 30.8 11.3 24.3 19.6 26.9 15.5 29.7 10.9 23.3 19.2 25.8 15.0 28.5 10.5 22.3 18.7 24.7 14.6 27.3 10.1
4672 27 25.3 23.5 27.9 19.4 30.9 15.0 24.5 23.1 26.9 18.9 29.7 14.6 23.5 22.6 25.9 18.5 28.6 14.1 22.6 22.2 24.8 18.0 27.4 13.7
29 26.1 26.1 28.0 22.8 31.0 18.5 25.3 25.3 27.0 22.3 29.8 18.1 24.5 24.5 26.0 21.9 28.7 17.7 23.7 23.7 24.9 21.4 27.5 17.3
32 27.5 27.5 28.2 26.3 31.0 22.0 26.7 26.7 27.3 25.8 29.9 21.5 25.9 25.9 26.3 25.4 28.8 21.1 25.0 25.0 25.3 24.9 27.6 20.6
24 25.6 20.8 28.3 16.4 31.2 11.5 24.6 20.4 27.2 15.9 30.0 11.1 23.6 19.9 26.2 15.5 28.8 10.7 22.6 19.4 25.0 15.0 27.6 10.2
5097 27 25.8 24.6 28.3 20.1 31.3 15.4 24.9 24.1 27.3 19.6 30.1 15.0 24.0 23.7 26.2 19.1 28.9 14.5 22.9 22.9 25.1 18.6 27.7 14.1
29 26.8 26.8 28.5 23.7 31.4 19.2 26.0 26.0 27.4 23.3 30.2 18.8 25.1 25.1 26.4 22.8 29.1 18.4 24.3 24.3 25.3 22.3 27.8 17.8
32 28.2 28.2 28.7 27.5 31.4 22.8 27.4 27.4 27.8 27.0 30.3 22.4 26.5 26.5 26.8 26.6 29.1 21.9 25.6 25.6 25.7 25.7 27.9 21.5
Equal TGC and SHC values constitute dry coil conditions. Total Gross Cooling (TGC) shown to the left is not applicable. In this case the Sensible Heat Capacity (SHC) is the total
capacity.
All capacities shown are gross and have not considered indoor fan heat.
To obtain net cooling capacities subtract indoor fan heat.
TGC = Total Gross Cooling Capacity
SHC = Sensible Heat Capacity
Table PD-3 — Gross Cooling Capacities (MBh) TTA085A Condensing Unit with TWE075A Air Handler (I-P)
Ambient Temperature (°F)
85 95 105 115
Enter.
Dry Entering Wet Bulb (°F)
CFMBulb616773 61 6773616773616773
Airflow (°F) TGC SHC TGC SHC TGC SHC TGC SHC TGC SHC TGC SHC TGC SHC TGC SHC TGC SHC TGC SHC TGC SHC TGC SHC
75 82.5 63.0 91.6 53.2 101.7 37.2 79.6 61.5 88.4 51.9 98.1 35.9 76.5 60.0 85.0 50.5 94.3 34.6 73.3 58.3 81.5 49.1 90.4 33.2
2250 80 82.8 72.9 91.9 61.0 101.7 48.1 80.0 71.4 88.7 59.6 98.2 46.7 77.0 69.9 85.4 58.1 94.5 45.3 73.8 68.3 81.9 56.6 90.6 43.8
85 84.0 83.3 92.1 70.9 102.0 58.4 81.0 81.0 88.9 69.4 98.4 57.0 78.5 78.5 85.5 67.9 94.8 55.6 75.9 75.9 82.1 66.3 90.9 54.1
90 87.7 87.7 92.4 80.8 102.2 68.7 85.3 85.3 89.3 79.4 98.7 67.3 82.7 82.7 86.0 77.9 95.0 65.9 80.1 80.1 82.6 76.3 91.0 64.1
75 84.4 65.9 93.6 52.5 103.7 37.9 81.4 64.4 90.3 51.1 99.9 36.6 78.2 62.8 86.8 49.6 96.0 35.3 74.8 61.1 83.1 48.1 91.9 33.9
2500 80 84.8 76.7 93.9 63.8 103.7 49.6 81.9 75.2 90.6 62.3 100.0 48.2 78.8 73.7 86.9 60.6 96.2 46.8 75.6 72.1 83.3 59.0 92.2 45.3
85 86.4 86.4 94.1 74.4 104.0 60.9 83.9 83.9 90.8 72.9 100.4 59.5 81.3 81.3 87.3 71.4 96.5 58.1 78.6 78.6 83.7 69.8 92.6 56.6
90 90.9 90.9 94.5 85.3 104.3 72.1 88.4 88.4 91.3 83.9 100.4 70.4 85.7 85.7 88.0 82.4 96.7 68.9 82.9 82.9 84.5 80.8 92.7 67.3
75 85.9 68.6 95.2 54.2 105.2 38.7 82.8 67.0 91.8 52.8 101.4 37.3 79.5 65.4 88.2 51.3 97.3 36.0 76.1 63.7 84.4 49.8 93.1 34.5
2750 80 86.5 80.4 95.3 66.1 105.4 51.1 83.5 78.9 91.9 64.6 101.6 49.7 80.4 77.3 88.4 63.0 97.6 48.2 77.1 75.7 84.7 61.4 93.5 46.8
85 89.0 89.0 95.7 77.8 105.7 63.3 86.4 86.4 92.3 76.3 101.9 61.9 83.7 83.7 88.8 74.7 98.0 60.4 80.9 80.9 85.1 73.1 93.9 59.0
90 93.8 93.8 96.4 89.7 105.8 75.0 91.1 91.1 93.2 88.2 102.1 73.5 88.3 88.3 89.8 86.7 98.2 72.0 85.4 85.4 86.3 85.1 94.2 70.4
75 87.3 71.2 96.6 55.9 106.6 39.4 84.1 69.6 93.1 54.4 102.6 38.0 80.7 68.0 89.4 52.9 98.5 36.5 77.2 66.2 85.5 51.3 94.2 35.0
3000 80 88.1 83.9 96.8 68.5 106.8 52.5 85.1 82.4 93.3 67.0 102.9 51.1 81.9 80.8 89.6 65.3 98.9 49.6 78.3 78.3 85.8 63.7 94.7 48.1
85 91.4 91.4 97.2 81.0 107.2 65.6 88.7 88.7 93.7 79.5 103.3 64.2 85.9 85.9 90.1 77.9 99.3 62.7 82.9 82.9 86.3 76.3 94.9 60.8
90 96.3 96.3 98.2 93.9 107.3 78.0 93.5 93.5 94.9 92.4 103.5 76.5 90.6 90.6 91.4 90.8 99.5 74.9 87.6 87.6 87.6 87.6 95.4 73.3
Equal TGC and SHC values constitute dry coil conditions. Total Gross Cooling (TGC) shown to the left is not applicable. In this case the Sensible Heat Capacity (SHC) is the total
capacity.
All capacities shown are gross and have not considered indoor fan heat.
To obtain net cooling capacities subtract indoor fan heat.
TGC = Total Gross Cooling Capacity
SHC = Sensible Heat Capacity

17SS-PRC003-EN
Performance
Data System
Table PD-4 — Gross Cooling Capacities (MBh) TTA085A Condensing Unit with TWE100A Air Handler (I-P)
Ambient Temperature (°F)
85 95 105 115
Enter.
Dry Entering Wet Bulb (°F)
CFMBulb616773 61 6773616773616773
Airflow (°F) TGC SHC TGC SHC TGC SHC TGC SHC TGC SHC TGC SHC TGC SHC TGC SHC TGC SHC TGC SHC TGC SHC TGC SHC
75 87.7 68.7 97.0 57.2 107.1 39.2 84.5 67.1 93.5 55.8 103.1 37.9 81.1 65.4 89.8 54.3 98.9 36.4 77.6 63.7 86.0 52.7 94.6 35.0
2500 80 88.0 80.1 97.3 66.3 107.2 51.4 84.9 78.5 93.8 64.8 103.4 49.9 81.6 76.9 90.1 63.2 99.3 48.4 78.2 75.1 86.1 61.3 95.1 46.9
85 89.8 89.8 97.5 77.6 107.6 63.2 87.2 87.2 94.0 76.0 103.7 61.7 84.4 84.4 90.3 74.3 99.7 60.2 81.5 81.5 86.5 72.7 95.5 58.7
90 94.4 94.4 97.9 89.0 107.8 74.9 91.7 91.7 94.4 87.4 103.9 73.5 88.9 88.9 90.9 85.8 99.8 71.6 85.9 85.9 87.3 84.2 95.6 70.0
75 89.6 72.2 99.1 56.7 109.0 40.0 86.3 70.6 95.4 55.2 104.9 38.6 82.8 68.9 91.6 53.6 100.5 37.2 79.2 67.1 87.6 52.0 96.0 35.6
2800 80 90.2 84.8 99.4 69.7 109.3 53.3 87.0 83.2 95.5 67.8 105.3 51.8 83.7 81.6 91.7 66.2 101.1 50.3 80.2 79.9 87.8 64.4 96.7 48.7
85 93.1 93.1 99.5 81.9 109.6 66.3 90.4 90.4 95.9 80.3 105.6 64.8 87.4 87.4 92.1 78.6 101.5 63.3 84.4 84.4 88.2 76.9 97.1 61.7
90 98.0 98.0 100.2 94.6 109.7 78.8 95.1 95.1 96.7 93.0 105.7 77.2 92.1 92.1 93.1 91.4 101.6 75.6 89.0 89.0 89.1 89.1 97.3 73.9
75 91.2 75.5 100.7 58.8 110.5 40.8 87.8 73.9 96.9 57.3 106.2 39.4 84.2 72.1 93.0 55.7 101.8 37.9 80.5 70.3 88.9 54.1 97.2 36.3
3100 80 92.1 89.4 100.9 72.5 111.0 55.1 88.9 87.8 97.1 70.8 106.8 53.6 85.2 85.2 93.2 69.1 102.5 52.1 82.1 82.1 89.2 67.4 98.1 50.5
85 96.1 96.1 101.2 86.1 111.3 69.2 93.1 93.1 97.5 84.5 107.2 67.7 90.1 90.1 93.7 82.8 102.9 66.2 86.9 86.9 89.7 81.1 98.3 64.1
90 101.1 101.1 102.3 100.0 111.5 82.7 98.1 98.1 98.8 98.5 107.4 81.1 94.9 94.9 95.0 95.0 103.1 79.5 91.6 91.6 91.7 91.7 98.7 77.8
75 92.6 78.7 102.1 60.8 111.8 41.5 89.1 77.0 98.2 59.2 107.4 40.0 85.5 75.3 94.2 57.6 102.9 38.4 81.7 73.5 90.0 56.0 98.2 36.8
3400 80 93.9 93.8 102.3 75.4 112.4 56.8 90.5 90.5 98.5 73.7 108.1 55.3 87.4 87.4 94.5 72.0 103.7 53.8 84.1 84.1 90.3 70.2 99.2 52.2
85 98.6 98.6 102.7 90.1 112.8 72.0 95.6 95.6 99.0 88.5 108.3 70.1 92.4 92.4 95.0 86.8 104.0 68.5 89.0 89.0 91.0 85.1 99.4 66.7
90 103.8 103.8 103.9 103.9 112.9 86.4 100.7 100.7 100.8 100.8 108.7 84.8 97.4 97.4 97.5 97.5 104.4 83.2 94.0 94.0 94.0 94.0 99.9 81.4
Equal TGC and SHC values constitute dry coil conditions. Total Gross Cooling (TGC) shown to the left is not applicable. In this case the Sensible Heat Capacity (SHC) is the total
capacity.
All capacities shown are gross and have not considered indoor fan heat.
To obtain net cooling capacities subtract indoor fan heat.
TGC = Total Gross Cooling Capacity
SHC = Sensible Heat Capacity
Table PD-4 — Gross Cooling Capacities (kW) TTA085A Condensing Unit with TWE100A Air Handler (SI)
Ambient Temperature (°C)
29.4 35.0 40.6 46.1
Enter.
Dry Entering Wet Bulb (°C)
m3/h Bulb 16.1 19.4 22.8 16.1 19.4 22.8 16.1 19.4 22.8 16.1 19.4 22.8
Airflow (°C) TGC SHC TGC SHC TGC SHC TGC SHC TGC SHC TGC SHC TGC SHC TGC SHC TGC SHC TGC SHC TGC SHC TGC SHC
24 25.7 20.1 28.4 16.7 31.4 11.5 24.7 19.6 27.4 16.3 30.2 11.1 23.7 19.2 26.3 15.9 29.0 10.7 22.7 18.6 25.2 15.4 27.7 10.2
4248 27 25.8 23.4 28.5 19.4 31.4 15.1 24.9 23.0 27.5 19.0 30.3 14.6 23.9 22.5 26.4 18.5 29.1 14.2 22.9 22.0 25.2 18.0 27.9 13.7
29 26.3 26.3 28.5 22.7 31.5 18.5 25.5 25.5 27.5 22.2 30.4 18.1 24.7 24.7 26.4 21.8 29.2 17.6 23.9 23.9 25.3 21.3 28.0 17.2
32 27.6 27.6 28.7 26.1 31.6 21.9 26.8 26.8 27.7 25.6 30.4 21.5 26.0 26.0 26.6 25.1 29.2 21.0 25.1 25.1 25.6 24.7 28.0 20.5
24 26.2 21.1 29.0 16.6 31.9 11.7 25.3 20.7 27.9 16.2 30.7 11.3 24.2 20.2 26.8 15.7 29.4 10.9 23.2 19.6 25.6 15.2 28.1 10.4
4757 27 26.4 24.8 29.1 20.4 32.0 15.6 25.5 24.4 28.0 19.9 30.8 15.2 24.5 23.9 26.9 19.4 29.6 14.7 23.5 23.4 25.7 18.9 28.3 14.3
29 27.3 27.3 29.1 24.0 32.1 19.4 26.5 26.5 28.1 23.5 30.9 19.0 25.6 25.6 27.0 23.0 29.7 18.5 24.7 24.7 25.8 22.5 28.4 18.1
32 28.7 28.7 29.3 27.7 32.1 23.1 27.9 27.9 28.3 27.2 31.0 22.6 27.0 27.0 27.3 26.8 29.8 22.1 26.1 26.1 26.1 26.1 28.5 21.7
24 26.7 22.1 29.5 17.2 32.4 12.0 25.7 21.6 28.4 16.8 31.1 11.5 24.7 21.1 27.2 16.3 29.8 11.1 23.6 20.6 26.0 15.8 28.5 10.6
5267 27 27.0 26.2 29.5 21.2 32.5 16.1 26.0 25.7 28.4 20.7 31.3 15.7 25.0 25.0 27.3 20.2 30.0 15.2 24.0 24.0 26.1 19.7 28.7 14.8
29 28.1 28.1 29.6 25.2 32.6 20.3 27.3 27.3 28.5 24.7 31.4 19.8 26.4 26.4 27.4 24.2 30.1 19.4 25.4 25.4 26.3 23.7 28.8 18.8
32 29.6 29.6 30.0 29.3 32.6 24.2 28.7 28.7 28.9 28.8 31.4 23.7 27.8 27.8 27.8 27.8 30.2 23.3 26.8 26.8 26.9 26.9 28.9 22.8
24 27.1 23.1 29.9 17.8 32.7 12.1 26.1 22.6 28.8 17.3 31.5 11.7 25.0 22.0 27.6 16.9 30.1 11.2 23.9 21.5 26.4 16.4 28.8 10.8
5777 27 27.5 27.5 30.0 22.1 32.9 16.6 26.5 26.5 28.8 21.6 31.7 16.2 25.6 25.6 27.7 21.1 30.4 15.7 24.6 24.6 26.4 20.6 29.0 15.3
29 28.9 28.9 30.1 26.4 33.0 21.1 28.0 28.0 29.0 25.9 31.7 20.5 27.0 27.0 27.8 25.4 30.4 20.0 26.1 26.1 26.6 24.9 29.1 19.5
32 30.4 30.4 30.4 30.4 33.1 25.3 29.5 29.5 29.5 29.5 31.8 24.8 28.5 28.5 28.6 28.6 30.6 24.4 27.5 27.5 27.5 27.5 29.2 23.8
Equal TGC and SHC values constitute dry coil conditions. Total Gross Cooling (TGC) shown to the left is not applicable. In this case the Sensible Heat Capacity (SHC) is the total
capacity.
All capacities shown are gross and have not considered indoor fan heat.
To obtain net cooling capacities subtract indoor fan heat.
TGC = Total Gross Cooling Capacity
SHC = Sensible Heat Capacity

18 SS-PRC003-EN
Table PD-5 — Gross Cooling Capacities (MBh) TTA100A Condensing Unit with TWE100A Air Handler (I-P)
Ambient Temperature (°F)
85 95 105 115
Enter.
Dry Entering Wet Bulb (°F)
CFMBulb616773 61 6773616773616773
Airflow (°F) TGC SHC TGC SHC TGC SHC TGC SHC TGC SHC TGC SHC TGC SHC TGC SHC TGC SHC TGC SHC TGC SHC TGC SHC
75 104.7 81.7 115.8 68.5 127.7 46.8 100.9 79.7 111.5 66.8 123.0 45.1 96.8 77.7 107.1 65.0 118.1 43.5 92.4 75.5 102.5 63.2 112.9 41.7
3025 80 105.2 95.0 116.1 78.6 127.8 61.1 101.5 93.1 111.9 76.8 123.2 59.3 97.5 91.1 107.5 75.0 118.3 57.5 93.3 89.0 102.9 73.0 113.3 55.6
85 106.9 106.9 116.3 92.0 128.1 74.9 103.8 103.8 112.1 90.1 123.5 73.1 100.4 100.4 107.7 88.1 118.7 71.3 96.9 96.9 103.1 86.1 113.7 69.5
90 112.3 112.3 116.8 105.4 128.4 88.7 109.1 109.1 112.7 103.5 123.8 86.9 105.7 105.7 108.4 101.6 119.0 85.1 102.1 102.1 104.1 99.7 113.8 82.9
75 106.8 85.3 118.0 67.1 129.8 47.6 102.8 83.3 113.6 65.3 124.9 46.0 98.6 81.2 109.0 63.4 119.8 44.2 94.2 79.1 104.3 61.5 114.5 42.4
3350 80 107.5 99.9 118.3 82.1 130.0 63.0 103.7 98.0 113.9 80.3 125.2 61.2 99.6 96.0 109.4 78.4 120.2 59.4 95.4 93.9 104.5 76.0 115.0 57.5
85 110.4 110.4 118.4 96.5 130.3 78.1 107.1 107.1 114.1 94.6 125.5 76.3 103.7 103.7 109.6 92.6 120.6 74.5 100.0 100.0 104.9 90.5 115.4 72.6
90 116.1 116.1 119.2 111.2 130.5 93.1 112.7 112.7 115.0 109.3 125.6 90.9 109.1 109.1 110.7 107.4 120.7 89.0 105.4 105.4 106.3 105.4 115.6 87.0
75 108.6 88.8 119.7 69.3 131.5 48.5 104.5 86.8 115.2 67.4 126.5 46.8 100.2 84.7 110.6 65.5 121.2 44.9 95.6 82.4 105.7 63.5 115.8 43.0
3675 80 109.5 104.7 120.1 85.4 131.7 64.8 105.6 102.7 115.4 83.2 126.8 63.1 101.6 100.7 110.8 81.2 121.7 61.2 97.0 97.0 105.9 79.1 116.4 59.3
85 113.5 113.5 120.3 100.8 132.1 81.1 110.1 110.1 115.8 98.8 127.2 79.3 106.4 106.4 111.2 96.8 122.1 77.5 102.6 102.6 106.5 94.8 116.8 75.6
90 119.4 119.4 121.4 116.8 132.2 96.8 115.8 115.8 117.2 114.9 127.3 94.9 112.1 112.1 112.2 112.2 122.3 92.9 108.2 108.2 108.3 108.3 117.0 90.9
75 110.1 92.1 121.2 71.3 132.9 49.2 105.9 90.0 116.6 69.4 127.8 47.4 101.5 87.9 111.9 67.5 122.4 45.5 96.9 85.7 106.9 65.6 116.8 43.6
4000 80 111.4 109.2 121.4 88.2 133.2 66.6 107.5 107.3 116.9 86.2 128.2 64.8 103.1 103.1 112.1 84.2 123.0 63.0 99.3 99.3 107.2 82.0 117.6 61.1
85 116.3 116.3 121.9 105.0 133.6 84.0 112.7 112.7 117.4 103.0 128.6 82.2 108.9 108.9 112.7 101.0 123.4 80.4 105.0 105.0 107.9 98.9 117.8 78.0
90 122.3 122.3 123.5 122.3 133.8 100.7 118.6 118.6 118.7 118.7 128.8 98.7 114.7 114.7 114.8 114.8 123.7 96.8 110.7 110.7 110.8 110.8 118.3 94.7
Equal TGC and SHC values constitute dry coil conditions. Total Gross Cooling (TGC) shown to the left is not applicable. In this case the Sensible Heat Capacity (SHC) is the total
capacity.
All capacities shown are gross and have not considered indoor fan heat.
To obtain net cooling capacities subtract indoor fan heat.
TGC = Total Gross Cooling Capacity
SHC = Sensible Heat Capacity
Table PD-5 — Gross Cooling Capacities (kW) TTA100A Condensing Unit with TWE100A Air Handler (SI)
Ambient Temperature (°C)
29.4 35.0 40.6 46.1
Enter.
Dry Entering Wet Bulb (°C)
m3/h Bulb 16.1 19.4 22.8 16.1 19.4 22.8 16.1 19.4 22.8 16.1 19.4 22.8
Airflow (°C) TGC SHC TGC SHC TGC SHC TGC SHC TGC SHC TGC SHC TGC SHC TGC SHC TGC SHC TGC SHC TGC SHC TGC SHC
24 30.7 23.9 33.9 20.1 37.4 13.7 29.5 23.3 32.7 19.6 36.0 13.2 28.3 22.7 31.4 19.0 34.6 12.7 27.1 22.1 30.0 18.5 33.1 12.2
5139 27 30.8 27.8 34.0 23.0 37.4 17.9 29.7 27.3 32.8 22.5 36.1 17.4 28.5 26.7 31.5 22.0 34.6 16.8 27.3 26.1 30.1 21.4 33.2 16.3
29 31.3 31.3 34.0 26.9 37.5 21.9 30.4 30.4 32.8 26.4 36.2 21.4 29.4 29.4 31.5 25.8 34.7 20.9 28.4 28.4 30.2 25.2 33.3 20.3
32 32.9 32.9 34.2 30.9 37.6 26.0 31.9 31.9 33.0 30.3 36.2 25.5 30.9 30.9 31.8 29.8 34.8 24.9 29.9 29.9 30.5 29.2 33.3 24.3
24 31.3 25.0 34.5 19.7 38.0 13.9 30.1 24.4 33.3 19.1 36.6 13.5 28.9 23.8 31.9 18.6 35.1 12.9 27.6 23.1 30.5 18.0 33.5 12.4
5692 27 31.5 29.3 34.6 24.0 38.1 18.5 30.3 28.7 33.4 23.5 36.7 17.9 29.2 28.1 32.0 23.0 35.2 17.4 27.9 27.5 30.6 22.3 33.7 16.8
29 32.3 32.3 34.7 28.3 38.1 22.9 31.4 31.4 33.4 27.7 36.8 22.3 30.3 30.3 32.1 27.1 35.3 21.8 29.3 29.3 30.7 26.5 33.8 21.3
32 34.0 34.0 34.9 32.6 38.2 27.2 33.0 33.0 33.7 32.0 36.8 26.6 31.9 31.9 32.4 31.4 35.3 26.1 30.9 30.9 31.1 30.9 33.8 25.5
24 31.8 26.0 35.1 20.3 38.5 14.2 30.6 25.4 33.7 19.7 37.0 13.7 29.3 24.8 32.4 19.2 35.5 13.2 28.0 24.1 30.9 18.6 33.9 12.6
6244 27 32.1 30.6 35.2 25.0 38.6 19.0 30.9 30.1 33.8 24.4 37.1 18.5 29.7 29.5 32.4 23.8 35.6 17.9 28.4 28.4 31.0 23.2 34.1 17.4
29 33.2 33.2 35.2 29.5 38.7 23.7 32.2 32.2 33.9 28.9 37.2 23.2 31.2 31.2 32.6 28.4 35.8 22.7 30.0 30.0 31.2 27.8 34.2 22.1
32 35.0 35.0 35.6 34.2 38.7 28.3 33.9 33.9 34.3 33.7 37.3 27.8 32.8 32.8 32.8 32.8 35.8 27.2 31.7 31.7 31.7 31.7 34.3 26.6
24 32.2 27.0 35.5 20.9 38.9 14.4 31.0 26.4 34.2 20.3 37.4 13.9 29.7 25.7 32.8 19.8 35.8 13.3 28.4 25.1 31.3 19.2 34.2 12.8
6796 27 32.6 32.0 35.6 25.8 39.0 19.5 31.5 31.4 34.2 25.2 37.5 19.0 30.2 30.2 32.8 24.6 36.0 18.4 29.1 29.1 31.4 24.0 34.4 17.9
29 34.0 34.0 35.7 30.7 39.1 24.6 33.0 33.0 34.4 30.2 37.7 24.1 31.9 31.9 33.0 29.6 36.1 23.5 30.7 30.7 31.6 29.0 34.5 22.8
32 35.8 35.8 36.2 35.8 39.2 29.5 34.7 34.7 34.8 34.8 37.7 28.9 33.6 33.6 33.6 33.6 36.2 28.3 32.4 32.4 32.4 32.4 34.6 27.7
Equal TGC and SHC values constitute dry coil conditions. Total Gross Cooling (TGC) shown to the left is not applicable. In this case the Sensible Heat Capacity (SHC) is the total
capacity.
All capacities shown are gross and have not considered indoor fan heat.
To obtain net cooling capacities subtract indoor fan heat.
TGC = Total Gross Cooling Capacity
SHC = Sensible Heat Capacity
Performance
Data System

19SS-PRC003-EN
Performance
Data System
Table PD-6 — Gross Cooling Capacities (MBh) TTA100B Condensing Unit with TWE100B Air Handler (I-P)
Ambient Temperature (°F)
85 95 105 115
Enter.
Dry Entering Wet Bulb (°F)
CFMBulb616773 61 6773616773616773
Airflow (°F) TGC SHC TGC SHC TGC SHC TGC SHC TGC SHC TGC SHC TGC SHC TGC SHC TGC SHC TGC SHC TGC SHC TGC SHC
75 103.0 80.9 114.1 68.0 125.6 46.6 99.4 79.0 110.0 66.4 120.7 44.9 95.6 77.1 105.7 64.6 115.6 43.2 91.7 75.1 101.3 62.8 110.3 41.3
3025 80 103.7 94.4 114.8 78.7 126.6 61.2 100.2 92.5 110.3 76.3 122.0 59.4 96.5 90.6 106.1 74.4 117.2 57.6 92.7 88.6 101.7 72.3 112.0 55.7
85 105.9 105.9 115.1 91.6 127.3 75.2 102.9 102.9 111.1 89.7 122.8 73.5 99.7 99.7 106.8 87.7 118.0 71.7 96.4 96.4 102.4 85.7 112.9 69.8
90 111.5 111.5 115.8 105.1 127.4 88.5 108.4 108.4 111.9 103.3 123.0 86.7 105.2 105.2 107.8 101.3 118.3 84.7 101.7 101.7 103.5 99.3 113.3 82.6
75 105.2 84.5 116.3 67.0 127.5 47.3 101.4 82.6 112.1 65.2 122.5 45.6 97.5 80.6 107.6 63.4 117.2 43.8 93.4 78.5 103.0 61.5 111.7 41.9
3350 80 106.1 99.2 116.6 81.5 128.8 63.2 102.4 97.3 112.4 79.6 124.0 61.4 98.6 95.4 108.1 77.5 119.0 59.6 94.7 93.4 103.5 75.4 113.7 57.7
85 109.5 109.5 117.4 96.1 129.6 78.5 106.3 106.3 113.2 94.2 124.9 76.7 103.0 103.0 108.8 92.2 120.0 74.9 99.5 99.5 104.2 90.0 114.2 72.1
90 115.4 115.4 118.3 110.9 129.8 92.7 112.1 112.1 114.3 109.0 125.2 90.8 108.7 108.7 110.1 107.1 120.4 88.8 105.0 105.0 105.8 105.1 115.2 86.7
75 107.0 87.9 118.1 69.2 129.0 48.1 103.0 85.9 113.7 67.4 123.9 46.4 99.0 83.9 109.1 65.5 118.5 44.6 94.8 81.8 103.6 62.8 112.8 42.7
3675 80 108.2 103.9 118.6 84.6 130.6 65.1 104.4 102.0 114.3 82.6 125.8 63.3 100.6 100.0 109.7 80.6 120.6 61.5 96.5 96.5 105.0 78.4 115.1 59.5
85 112.6 112.6 119.3 100.4 131.5 81.5 109.3 109.3 115.0 98.4 126.2 79.0 105.8 105.8 110.5 96.4 121.1 76.9 102.1 102.1 105.9 94.3 115.8 74.7
90 118.8 118.8 120.7 116.5 131.8 96.7 115.4 115.4 116.6 114.6 127.2 94.8 111.7 111.7 111.8 111.8 122.1 92.7 107.8 107.8 107.9 107.9 116.8 90.6
75 108.5 91.2 119.7 71.3 130.4 48.9 104.5 89.2 115.2 69.5 125.1 47.2 100.4 87.1 109.7 66.6 119.5 45.2 96.1 84.9 104.9 64.4 113.6 43.3
4000 80 110.1 108.5 120.2 87.6 132.2 66.9 105.8 105.8 115.8 85.6 127.2 65.1 102.3 102.3 111.2 83.5 121.9 63.2 98.6 98.6 106.3 81.2 116.3 61.3
85 115.5 115.5 121.0 104.5 132.6 83.7 112.0 112.0 116.7 102.6 127.8 81.7 108.3 108.3 112.1 100.5 122.6 79.6 104.4 104.4 107.3 98.3 117.1 77.3
90 121.8 121.8 122.8 121.9 133.5 100.5 118.2 118.2 118.3 118.3 128.8 98.6 114.4 114.4 114.5 114.5 123.6 96.5 110.4 110.4 110.5 110.5 118.2 94.3
Equal TGC and SHC values constitute dry coil conditions. Total Gross Cooling (TGC) shown to the left is not applicable. In this case the Sensible Heat Capacity (SHC) is the total
capacity.
All capacities shown are gross and have not considered indoor fan heat.
To obtain net cooling capacities subtract indoor fan heat.
TGC = Total Gross Cooling Capacity
SHC = Sensible Heat Capacity
Table PD-6 — Gross Cooling Capacities (kW) TTA100B Condensing Unit with TWE100B Air Handler (SI)
Ambient Temperature (°C)
29.4 35.0 40.6 46.1
Enter.
Dry Entering Wet Bulb (°C)
m3/h Bulb 16.1 19.4 22.8 16.1 19.4 22.8 16.1 19.4 22.8 16.1 19.4 22.8
Airflow (°C) TGC SHC TGC SHC TGC SHC TGC SHC TGC SHC TGC SHC TGC SHC TGC SHC TGC SHC TGC SHC TGC SHC TGC SHC
24 30.2 23.7 33.4 19.9 36.8 13.6 29.1 23.1 32.2 19.4 35.3 13.1 28.0 22.6 31.0 18.9 33.9 12.6 26.9 22.0 29.7 18.4 32.3 12.1
5139 27 30.4 27.6 33.6 23.0 37.1 17.9 29.3 27.1 32.3 22.4 35.7 17.4 28.3 26.5 31.1 21.8 34.3 16.9 27.1 25.9 29.8 21.2 32.8 16.3
29 31.0 31.0 33.7 26.8 37.3 22.0 30.1 30.1 32.5 26.3 36.0 21.5 29.2 29.2 31.3 25.7 34.6 21.0 28.2 28.2 30.0 25.1 33.1 20.4
32 32.7 32.7 33.9 30.8 37.3 25.9 31.8 31.8 32.8 30.2 36.0 25.4 30.8 30.8 31.5 29.7 34.6 24.8 29.8 29.8 30.3 29.1 33.2 24.2
24 30.8 24.7 34.1 19.6 37.3 13.8 29.7 24.2 32.8 19.1 35.9 13.4 28.5 23.6 31.5 18.6 34.3 12.8 27.3 23.0 30.1 18.0 32.7 12.3
5692 27 31.1 29.1 34.1 23.9 37.7 18.5 30.0 28.5 32.9 23.3 36.3 18.0 28.9 27.9 31.6 22.7 34.9 17.5 27.7 27.3 30.3 22.1 33.3 16.9
29 32.1 32.1 34.4 28.1 37.9 23.0 31.1 31.1 33.2 27.6 36.6 22.5 30.1 30.1 31.9 27.0 35.1 21.9 29.1 29.1 30.5 26.4 33.4 21.1
32 33.8 33.8 34.6 32.5 38.0 27.1 32.8 32.8 33.5 31.9 36.7 26.6 31.8 31.8 32.3 31.4 35.2 26.0 30.7 30.7 31.0 30.8 33.7 25.4
24 31.3 25.7 34.6 20.3 37.8 14.1 30.2 25.2 33.3 19.7 36.3 13.6 29.0 24.6 32.0 19.2 34.7 13.1 27.8 23.9 30.3 18.4 33.0 12.5
6244 27 31.7 30.4 34.7 24.8 38.2 19.1 30.6 29.9 33.5 24.2 36.8 18.5 29.5 29.3 32.1 23.6 35.3 18.0 28.2 28.2 30.7 23.0 33.7 17.4
29 33.0 33.0 34.9 29.4 38.5 23.9 32.0 32.0 33.7 28.8 36.9 23.1 31.0 31.0 32.4 28.2 35.5 22.5 29.9 29.9 31.0 27.6 33.9 21.9
32 34.8 34.8 35.3 34.1 38.6 28.3 33.8 33.8 34.1 33.6 37.2 27.8 32.7 32.7 32.7 32.7 35.8 27.1 31.6 31.6 31.6 31.6 34.2 26.5
24 31.8 26.7 35.0 20.9 38.2 14.3 30.6 26.1 33.7 20.3 36.6 13.8 29.4 25.5 32.1 19.5 35.0 13.2 28.1 24.9 30.7 18.9 33.3 12.7
6796 27 32.2 31.8 35.2 25.7 38.7 19.6 31.0 31.0 33.9 25.1 37.3 19.1 30.0 30.0 32.5 24.4 35.7 18.5 28.9 28.9 31.1 23.8 34.0 17.9
29 33.8 33.8 35.4 30.6 38.8 24.5 32.8 32.8 34.2 30.0 37.4 23.9 31.7 31.7 32.8 29.4 35.9 23.3 30.6 30.6 31.4 28.8 34.3 22.6
32 35.7 35.7 36.0 35.7 39.1 29.4 34.6 34.6 34.6 34.6 37.7 28.9 33.5 33.5 33.5 33.5 36.2 28.3 32.3 32.3 32.3 32.3 34.6 27.6
Equal TGC and SHC values constitute dry coil conditions. Total Gross Cooling (TGC) shown to the left is not applicable. In this case the Sensible Heat Capacity (SHC) is the total
capacity.
All capacities shown are gross and have not considered indoor fan heat.
To obtain net cooling capacities subtract indoor fan heat.
TGC = Total Gross Cooling Capacity
SHC = Sensible Heat Capacity

20 SS-PRC003-EN
Performance
Data System
Table PD-7 — Gross Cooling Capacities (MBh) - Both Compressors - TTA100C Condensing Unit with TWE100A Air Handler (I-P)
Ambient Temperature (°F)
85 95 105 115
Enter.
Dry Entering Wet Bulb (°F)
CFMBulb616773 61 6773616773616773
Airflow (°F) TGC SHC TGC SHC TGC SHC TGC SHC TGC SHC TGC SHC TGC SHC TGC SHC TGC SHC TGC SHC TGC SHC TGC SHC
75 103.7 81.4 114.8 68.3 126.3 46.7 100.1 79.6 110.8 66.7 121.8 45.1 96.3 77.6 106.5 65.0 116.9 43.5 92.3 75.6 102.0 63.2 111.6 41.7
3025 80 104.3 94.9 115.3 78.8 126.8 61.2 100.8 93.0 111.3 77.1 122.4 59.5 97.1 91.1 107.1 75.3 117.7 57.8 93.3 89.2 102.4 72.8 112.7 55.9
85 106.4 106.4 115.5 92.0 127.3 75.1 103.5 103.5 111.6 90.2 123.0 73.5 100.3 100.3 107.4 88.2 118.4 71.8 97.0 97.0 103.0 86.2 113.4 69.9
90 112.0 112.0 116.2 105.5 127.6 89.0 108.9 108.9 112.3 103.7 123.1 86.9 105.7 105.7 108.3 101.8 118.5 85.0 102.2 102.2 104.0 99.9 113.6 83.0
75 105.8 85.0 117.0 67.2 128.2 47.5 102.1 83.1 112.8 65.5 123.5 45.9 98.1 81.2 108.4 63.6 118.5 44.1 94.0 79.1 103.8 61.7 113.1 42.3
3350 80 106.7 99.8 117.5 82.4 128.9 63.1 103.1 97.9 113.0 80.1 124.4 61.5 99.3 96.0 108.7 78.1 119.6 59.7 95.4 94.0 104.1 76.0 114.4 57.8
85 110.0 110.0 117.7 96.5 129.4 78.3 106.9 106.9 113.7 94.6 125.0 76.7 103.5 103.5 109.3 92.7 120.2 74.9 100.0 100.0 104.8 90.6 115.1 73.1
90 115.8 115.8 118.6 111.3 129.5 92.8 112.5 112.5 114.8 109.5 125.1 91.0 109.1 109.1 110.6 107.6 120.4 89.1 105.4 105.4 106.3 105.6 115.4 87.1
75 107.6 88.5 118.8 69.4 129.7 48.3 103.7 86.6 114.5 67.6 125.0 46.7 99.7 84.5 109.9 65.8 119.8 44.9 95.5 82.4 105.2 63.9 114.2 43.0
3675 80 108.8 104.5 119.0 85.1 130.6 65.0 105.1 102.7 114.8 83.2 126.0 63.3 101.3 100.7 110.3 81.1 121.1 61.5 97.0 97.0 105.6 79.0 115.8 59.6
85 113.1 113.1 119.6 100.8 131.2 81.4 109.8 109.8 115.4 98.9 126.6 79.7 106.3 106.3 111.0 96.9 121.7 77.9 102.6 102.6 106.4 94.8 116.1 75.2
90 119.0 119.0 120.9 116.9 131.4 96.8 115.7 115.7 117.0 115.1 126.9 95.0 112.1 112.1 112.2 112.2 122.0 93.0 108.2 108.2 108.3 108.3 116.9 90.9
75 109.1 91.8 120.2 71.5 131.1 49.1 105.2 89.8 115.9 69.7 126.2 47.4 101.1 87.8 111.2 67.8 120.9 45.5 96.8 85.6 105.8 65.1 115.2 43.6
4000 80 110.7 109.1 120.6 88.0 132.1 66.8 106.4 106.4 116.3 86.1 127.4 65.1 102.9 102.9 111.7 84.1 122.4 63.3 99.2 99.2 106.9 81.9 116.9 61.4
85 115.9 115.9 121.2 104.9 132.7 84.3 112.5 112.5 117.0 103.1 127.7 81.9 108.8 108.8 112.6 101.1 122.7 80.0 105.0 105.0 107.9 98.9 117.4 77.8
90 121.9 121.9 123.0 122.3 133.0 100.6 118.5 118.5 118.6 118.6 128.3 98.8 114.8 114.8 114.9 114.9 123.4 96.8 110.7 110.7 110.8 110.8 118.1 94.7
Equal TGC and SHC values constitute dry coil conditions. Total Gross Cooling (TGC) shown to the left is not applicable. In this case the Sensible Heat Capacity (SHC) is the total
capacity.
All capacities shown are gross and have not considered indoor fan heat.
To obtain net cooling capacities subtract indoor fan heat.
TGC = Total Gross Cooling Capacity
SHC = Sensible Heat Capacity
Table PD-7 — Gross Cooling Capacities (kW) - Both Compressors - TTA100C Condensing Unit with TWE100A Air Handler (SI)
Ambient Temperature (°C)
29.4 35.0 40.6 46.1
Enter.
Dry Entering Wet Bulb (°C)
m3/h Bulb 16.1 19.4 22.8 16.1 19.4 22.8 16.1 19.4 22.8 16.1 19.4 22.8
Airflow (°C) TGC SHC TGC SHC TGC SHC TGC SHC TGC SHC TGC SHC TGC SHC TGC SHC TGC SHC TGC SHC TGC SHC TGC SHC
24 30.4 23.8 33.6 20.0 37.0 13.7 29.3 23.3 32.4 19.5 35.7 13.2 28.2 22.7 31.2 19.0 34.2 12.7 27.0 22.1 29.9 18.5 32.7 12.2
5139 27 30.5 27.8 33.8 23.1 37.1 17.9 29.5 27.2 32.6 22.6 35.8 17.4 28.4 26.7 31.4 22.1 34.5 16.9 27.3 26.1 30.0 21.3 33.0 16.4
29 31.2 31.2 33.8 26.9 37.3 22.0 30.3 30.3 32.7 26.4 36.0 21.5 29.4 29.4 31.4 25.8 34.7 21.0 28.4 28.4 30.2 25.2 33.2 20.5
32 32.8 32.8 34.0 30.9 37.4 26.1 31.9 31.9 32.9 30.4 36.0 25.4 30.9 30.9 31.7 29.8 34.7 24.9 29.9 29.9 30.5 29.2 33.3 24.3
24 31.0 24.9 34.3 19.7 37.5 13.9 29.9 24.3 33.0 19.2 36.2 13.4 28.7 23.8 31.7 18.6 34.7 12.9 27.5 23.2 30.4 18.1 33.1 12.4
5692 27 31.2 29.2 34.4 24.1 37.7 18.5 30.2 28.7 33.1 23.4 36.4 18.0 29.1 28.1 31.8 22.9 35.0 17.5 27.9 27.5 30.5 22.3 33.5 16.9
29 32.2 32.2 34.5 28.2 37.9 22.9 31.3 31.3 33.3 27.7 36.6 22.4 30.3 30.3 32.0 27.1 35.2 21.9 29.3 29.3 30.7 26.5 33.7 21.4
32 33.9 33.9 34.7 32.6 37.9 27.2 33.0 33.0 33.6 32.1 36.6 26.6 31.9 31.9 32.4 31.5 35.3 26.1 30.9 30.9 31.1 30.9 33.8 25.5
24 31.5 25.9 34.8 20.3 38.0 14.1 30.4 25.3 33.5 19.8 36.6 13.7 29.2 24.7 32.2 19.3 35.1 13.2 28.0 24.1 30.8 18.7 33.4 12.6
6244 27 31.9 30.6 34.8 24.9 38.2 19.0 30.8 30.1 33.6 24.3 36.9 18.5 29.7 29.5 32.3 23.8 35.5 18.0 28.4 28.4 30.9 23.1 33.9 17.5
29 33.1 33.1 35.0 29.5 38.4 23.8 32.2 32.2 33.8 29.0 37.1 23.3 31.1 31.1 32.5 28.4 35.6 22.8 30.1 30.1 31.2 27.8 34.0 22.0
32 34.8 34.8 35.4 34.2 38.5 28.3 33.9 33.9 34.2 33.7 37.1 27.8 32.8 32.8 32.8 32.8 35.7 27.2 31.7 31.7 31.7 31.7 34.2 26.6
24 32.0 26.9 35.2 20.9 38.4 14.4 30.8 26.3 33.9 20.4 37.0 13.9 29.6 25.7 32.6 19.9 35.4 13.3 28.3 25.1 31.0 19.1 33.7 12.8
6796 27 32.4 32.0 35.3 25.8 38.7 19.5 31.2 31.2 34.1 25.2 37.3 19.1 30.1 30.1 32.7 24.6 35.8 18.5 29.1 29.1 31.3 24.0 34.2 18.0
29 33.9 33.9 35.5 30.7 38.9 24.7 32.9 32.9 34.3 30.2 37.4 24.0 31.9 31.9 33.0 29.6 35.9 23.4 30.7 30.7 31.6 29.0 34.4 22.8
32 35.7 35.7 36.0 35.8 38.9 29.5 34.7 34.7 34.7 34.7 37.6 28.9 33.6 33.6 33.6 33.6 36.1 28.3 32.4 32.4 32.5 32.5 34.6 27.7
Equal TGC and SHC values constitute dry coil conditions. Total Gross Cooling (TGC) shown to the left is not applicable. In this case the Sensible Heat Capacity (SHC) is the total
capacity.
All capacities shown are gross and have not considered indoor fan heat.
To obtain net cooling capacities subtract indoor fan heat.
TGC = Total Gross Cooling Capacity
SHC = Sensible Heat Capacity

21SS-PRC003-EN
Performance
Data System
Table PD-8 — Gross Cooling Capacities (MBh) - Single Compressor - TTA100C Condensing Unit with TWE100A Air Handler (I-P)
Ambient Temperature (°F)
85 95 105 115
Enter.
Dry Entering Wet Bulb (°F)
CFMBulb616773 61 6773616773616773
Airflow (°F) TGC SHC TGC SHC TGC SHC TGC SHC TGC SHC TGC SHC TGC SHC TGC SHC TGC SHC TGC SHC TGC SHC TGC SHC
75 63.8 62.6 69.8 46.0 76.2 29.7 61.3 61.3 67.2 45.0 73.4 28.6 59.2 59.2 64.6 43.8 70.4 27.7 57.0 57.0 61.8 42.6 67.1 26.6
3025 80 67.3 67.3 70.1 59.5 76.9 43.1 65.2 65.2 67.6 58.5 74.0 41.8 63.0 63.0 65.0 57.4 71.1 40.7 60.7 60.7 62.2 56.3 68.1 40.8
85 71.2 71.2 71.3 71.3 77.1 56.3 69.1 69.1 69.2 69.2 74.4 55.3 66.8 66.8 66.9 66.9 71.5 54.2 64.4 64.4 64.5 64.5 68.5 53.1
90 75.2 75.2 75.3 75.3 77.5 69.9 73.0 73.0 73.1 73.1 74.8 69.0 70.7 70.7 70.8 70.8 72.0 67.9 68.2 68.2 68.3 68.3 69.1 66.8
75 64.8 64.8 70.6 48.6 76.9 29.7 62.7 62.7 67.9 46.8 74.0 28.7 60.5 60.5 65.2 45.7 70.9 27.7 58.2 58.2 62.4 44.4 67.5 26.7
3350 80 68.8 68.8 70.9 62.7 77.7 44.9 66.7 66.7 68.4 61.6 74.8 44.0 64.4 64.4 65.7 60.5 71.9 43.0 62.0 62.0 63.0 59.4 68.7 42.0
85 72.9 72.9 73.0 73.0 77.9 59.1 70.7 70.7 70.8 70.8 75.1 58.1 68.4 68.4 68.4 68.4 72.2 57.0 65.9 65.9 65.9 65.9 69.1 55.9
90 77.0 77.0 77.1 77.1 78.4 74.0 74.7 74.7 74.8 74.8 75.7 73.0 72.3 72.3 72.4 72.4 73.0 72.0 69.7 69.7 69.8 69.8 69.8 69.8
75 66.0 66.0 71.2 49.7 77.4 30.2 63.9 63.9 68.5 48.6 74.4 29.2 61.6 61.6 65.8 47.4 71.2 28.2 59.3 59.3 62.9 46.2 67.8 27.2
3675 80 70.2 70.2 71.7 65.7 78.3 46.7 68.0 68.0 69.1 64.6 75.4 45.7 65.6 65.6 66.4 63.5 72.4 44.8 63.1 63.1 63.6 62.3 69.2 43.7
85 74.4 74.4 74.4 74.4 78.6 61.9 72.1 72.1 72.1 72.1 75.7 60.8 69.7 69.7 69.7 69.7 72.8 59.8 67.1 67.1 67.1 67.1 69.6 58.6
90 78.6 78.6 78.7 78.7 79.3 78.0 76.2 76.2 76.3 76.3 76.3 76.3 73.7 73.7 73.8 73.8 73.8 73.8 71.0 71.0 71.1 71.1 71.1 71.1
75 67.1 67.1 71.7 51.4 77.8 30.7 64.9 64.9 69.1 50.3 74.7 29.7 62.6 62.6 66.3 49.1 71.5 28.7 60.2 60.2 63.3 47.8 68.0 27.6
4000 80 71.4 71.4 72.3 68.6 78.8 48.3 69.1 69.1 69.8 67.5 75.9 47.4 66.7 66.7 67.1 66.4 72.9 46.4 64.1 64.1 64.2 64.2 69.6 45.4
85 75.6 75.6 75.7 75.7 79.1 64.5 73.3 73.3 73.3 73.3 76.2 63.5 70.8 70.8 70.9 70.9 73.3 62.4 68.1 68.1 68.2 68.2 70.1 61.2
90 79.9 79.9 80.0 80.0 80.1 80.1 77.5 77.5 77.6 77.6 77.6 77.6 74.9 74.9 75.0 75.0 75.0 75.0 72.1 72.1 72.2 72.2 72.3 72.3
Equal TGC and SHC values constitute dry coil conditions. Total Gross Cooling (TGC) shown to the left is not applicable. In this case the Sensible Heat Capacity (SHC) is the total
capacity.
All capacities shown are gross and have not considered indoor fan heat.
To obtain net cooling capacities subtract indoor fan heat.
TGC = Total Gross Cooling Capacity
SHC = Sensible Heat Capacity
Table PD-8 — Gross Cooling Capacities (kW) - Single Compressor - TTA100C Condensing Unit with TWE100A Air Handler (SI)
Ambient Temperature (°C)
29.4 35.0 40.6 46.1
Enter.
Dry Entering Wet Bulb (°C)
m3/h Bulb 16.1 19.4 22.8 16.1 19.4 22.8 16.1 19.4 22.8 16.1 19.4 22.8
Airflow (°C) TGC SHC TGC SHC TGC SHC TGC SHC TGC SHC TGC SHC TGC SHC TGC SHC TGC SHC TGC SHC TGC SHC TGC SHC
24 18.7 18.3 20.4 13.5 22.3 8.7 18.0 18.0 19.7 13.2 21.5 8.4 17.3 17.3 18.9 12.8 20.6 8.1 16.7 16.7 18.1 12.5 19.7 7.8
5139 27 19.7 19.7 20.5 17.4 22.5 12.6 19.1 19.1 19.8 17.1 21.7 12.2 18.5 18.5 19.0 16.8 20.8 11.9 17.8 17.8 18.2 16.5 19.9 11.9
29 20.9 20.9 20.9 20.9 22.6 16.5 20.2 20.2 20.3 20.3 21.8 16.2 19.6 19.6 19.6 19.6 20.9 15.9 18.9 18.9 18.9 18.9 20.0 15.6
32 22.0 22.0 22.1 22.1 22.7 20.5 21.4 21.4 21.4 21.4 21.9 20.2 20.7 20.7 20.7 20.7 21.1 19.9 20.0 20.0 20.0 20.0 20.2 19.6
24 19.0 19.0 20.7 14.2 22.5 8.7 18.4 18.4 19.9 13.7 21.7 8.4 17.7 17.7 19.1 13.4 20.7 8.1 17.0 17.0 18.3 13.0 19.8 7.8
5692 27 20.2 20.2 20.8 18.3 22.7 13.2 19.5 19.5 20.0 18.0 21.9 12.9 18.9 18.9 19.3 17.7 21.1 12.6 18.2 18.2 18.4 17.4 20.1 12.3
29 21.3 21.3 21.4 21.4 22.8 17.3 20.7 20.7 20.7 20.7 22.0 17.0 20.0 20.0 20.0 20.0 21.1 16.7 19.3 19.3 19.3 19.3 20.2 16.4
32 22.6 22.6 22.6 22.6 23.0 21.7 21.9 21.9 21.9 21.9 22.2 21.4 21.2 21.2 21.2 21.2 21.4 21.1 20.4 20.4 20.4 20.4 20.4 20.4
24 19.3 19.3 20.8 14.5 22.7 8.8 18.7 18.7 20.1 14.2 21.8 8.6 18.0 18.0 19.3 13.9 20.8 8.3 17.3 17.3 18.4 13.5 19.8 8.0
6244 27 20.5 20.5 21.0 19.2 22.9 13.7 19.9 19.9 20.2 18.9 22.1 13.4 19.2 19.2 19.5 18.6 21.2 13.1 18.5 18.5 18.6 18.3 20.3 12.8
29 21.8 21.8 21.8 21.8 23.0 18.1 21.1 21.1 21.1 21.1 22.2 17.8 20.4 20.4 20.4 20.4 21.3 17.5 19.6 19.6 19.7 19.7 20.4 17.2
32 23.0 23.0 23.0 23.0 23.2 22.8 22.3 22.3 22.3 22.3 22.4 22.4 21.6 21.6 21.6 21.6 21.6 21.6 20.8 20.8 20.8 20.8 20.8 20.8
24 19.7 19.7 21.0 15.1 22.8 9.0 19.0 19.0 20.2 14.7 21.9 8.7 18.3 18.3 19.4 14.4 20.9 8.4 17.6 17.6 18.5 14.0 19.9 8.1
6796 27 20.9 20.9 21.2 20.1 23.1 14.2 20.2 20.2 20.4 19.8 22.2 13.9 19.5 19.5 19.7 19.5 21.3 13.6 18.8 18.8 18.8 18.8 20.4 13.3
29 22.1 22.1 22.2 22.2 23.2 18.9 21.5 21.5 21.5 21.5 22.3 18.6 20.7 20.7 20.7 20.7 21.5 18.3 19.9 19.9 20.0 20.0 20.5 17.9
32 23.4 23.4 23.4 23.4 23.4 23.4 22.7 22.7 22.7 22.7 22.7 22.7 21.9 21.9 22.0 22.0 22.0 22.0 21.1 21.1 21.1 21.1 21.2 21.2
Equal TGC and SHC values constitute dry coil conditions. Total Gross Cooling (TGC) shown to the left is not applicable. In this case the Sensible Heat Capacity (SHC) is the total
capacity.
All capacities shown are gross and have not considered indoor fan heat.
To obtain net cooling capacities subtract indoor fan heat.
TGC = Total Gross Cooling Capacity
SHC = Sensible Heat Capacity

22 SS-PRC003-EN
Performance
Data System
Table PD-9 — Gross Cooling Capacities (MBh) TTA125B Condensing Unit with TWE100B Air Handler (I-P)
Ambient Temperature (°F)
85 95 105 115
Enter.
Dry Entering Wet Bulb (°F)
CFMBulb616773 61 6773616773616773
Airflow (°F) TGC SHC TGC SHC TGC SHC TGC SHC TGC SHC TGC SHC TGC SHC TGC SHC TGC SHC TGC SHC TGC SHC TGC SHC
75 109.9 81.1 121.9 71.0 135.2 49.8 106.3 79.2 117.8 69.3 130.6 48.0 102.0 76.9 113.3 67.5 125.5 46.3 97.6 74.6 108.5 65.5 120.2 44.3
3025 80 110.2 92.5 122.2 78.4 135.2 63.2 106.5 90.6 118.1 76.5 130.6 61.3 102.5 88.4 113.7 74.5 125.6 59.3 98.1 86.1 108.9 72.3 120.2 57.1
85 110.6 104.2 122.5 90.4 135.4 75.2 107.1 102.3 118.2 88.3 130.8 73.3 103.3 100.2 113.8 86.1 125.9 71.3 99.2 98.0 109.1 83.8 120.6 69.2
90 113.5 113.5 122.7 101.8 135.7 87.3 110.5 110.5 118.6 99.8 131.1 85.4 107.3 107.3 114.2 97.7 126.2 83.3 103.6 103.6 109.5 95.4 120.9 81.2
75 112.6 84.5 124.7 68.5 138.0 50.8 108.5 82.3 120.4 66.6 133.2 49.1 104.3 80.0 115.7 64.5 127.9 47.2 99.8 77.7 110.7 62.3 122.3 45.3
3350 80 112.8 96.8 125.0 81.5 138.0 65.0 109.0 94.7 120.7 79.6 133.2 63.0 104.8 92.5 116.1 77.5 128.0 61.0 100.3 90.1 111.1 75.3 122.4 58.8
85 113.6 109.5 125.1 94.2 138.3 78.0 110.0 107.6 120.8 92.1 133.5 76.1 106.1 105.5 116.3 90.0 128.3 74.1 101.8 101.8 111.4 87.6 122.8 71.9
90 117.6 117.6 125.5 106.7 138.6 91.1 114.5 114.5 121.3 104.6 133.8 89.1 111.0 111.0 116.7 102.5 128.7 87.1 107.2 107.2 111.8 100.1 123.2 84.9
75 114.6 87.3 127.0 70.4 140.3 51.8 110.7 85.3 122.5 68.5 135.3 50.0 106.4 83.0 117.7 66.4 129.9 48.2 101.6 80.6 112.5 64.1 124.1 46.2
3675 80 115.1 100.8 127.3 84.5 140.3 66.6 111.2 98.7 122.9 82.5 135.4 64.7 106.9 96.4 118.1 80.4 130.0 62.6 102.1 94.0 113.0 78.1 124.3 60.4
85 116.3 114.6 127.5 97.9 140.6 80.7 112.2 112.2 123.1 95.8 135.7 78.7 108.7 108.7 118.4 93.6 130.4 76.6 104.8 104.8 113.3 91.2 124.7 74.5
90 121.3 121.3 127.9 111.3 141.0 94.7 117.9 117.9 123.5 109.2 136.1 92.7 114.3 114.3 118.8 107.0 130.5 90.3 110.4 110.4 113.8 104.7 124.9 87.9
75 116.6 90.2 129.0 72.3 142.3 52.7 112.5 88.1 124.4 70.3 137.1 51.0 108.1 85.8 119.4 68.1 131.5 49.1 103.2 83.3 114.1 65.9 125.6 46.9
4000 80 117.1 104.5 129.4 87.2 142.3 68.2 113.0 102.4 124.8 85.2 137.3 66.2 108.6 100.2 119.6 82.7 131.8 64.1 103.9 97.7 114.4 80.3 125.9 61.9
85 118.5 118.5 129.6 101.4 142.7 83.2 115.1 115.1 125.1 99.3 137.7 81.2 111.5 111.5 120.2 97.0 132.2 79.1 107.5 107.5 114.9 94.6 126.4 76.9
90 124.5 124.5 130.0 115.8 143.1 98.1 121.1 121.1 125.5 113.7 137.8 95.7 117.3 117.3 120.7 111.4 132.4 93.5 113.2 113.2 115.6 109.1 126.6 91.1
Equal TGC and SHC values constitute dry coil conditions. Total Gross Cooling (TGC) shown to the left is not applicable. In this case the Sensible Heat Capacity (SHC) is the total
capacity.
All capacities shown are gross and have not considered indoor fan heat.
To obtain net cooling capacities subtract indoor fan heat.
TGC = Total Gross Cooling Capacity
SHC = Sensible Heat Capacity
Table PD-9 — Gross Cooling Capacities (kW) TTA125B Condensing Unit with TWE100B Air Handler (SI)
Ambient Temperature (°C)
29.4 35.0 40.6 46.1
Enter.
Dry Entering Wet Bulb (°C)
m3/h Bulb 16.1 19.4 22.8 16.1 19.4 22.8 16.1 19.4 22.8 16.1 19.4 22.8
Airflow (°C) TGC SHC TGC SHC TGC SHC TGC SHC TGC SHC TGC SHC TGC SHC TGC SHC TGC SHC TGC SHC TGC SHC TGC SHC
24 32.2 23.7 35.7 20.8 39.6 14.6 31.1 23.2 34.5 20.3 38.2 14.1 29.9 22.5 33.2 19.8 36.8 13.6 28.6 21.8 31.8 19.2 35.2 13.0
5139 27 32.3 27.1 35.8 23.0 39.6 18.5 31.2 26.5 34.6 22.4 38.2 17.9 30.0 25.9 33.3 21.8 36.8 17.4 28.7 25.2 31.9 21.2 35.2 16.7
29 32.4 30.5 35.9 26.5 39.6 22.0 31.4 29.9 34.6 25.8 38.3 21.5 30.2 29.3 33.3 25.2 36.9 20.9 29.0 28.7 31.9 24.6 35.3 20.3
32 33.2 33.2 35.9 29.8 39.7 25.5 32.4 32.4 34.7 29.2 38.4 25.0 31.4 31.4 33.5 28.6 36.9 24.4 30.3 30.3 32.1 27.9 35.4 23.8
24 33.0 24.7 36.5 20.1 40.4 14.9 31.8 24.1 35.2 19.5 39.0 14.4 30.5 23.4 33.9 18.9 37.5 13.8 29.2 22.7 32.4 18.2 35.8 13.3
5692 27 33.0 28.3 36.6 23.9 40.4 19.0 31.9 27.7 35.3 23.3 39.0 18.5 30.7 27.1 34.0 22.7 37.5 17.9 29.4 26.4 32.5 22.1 35.9 17.2
29 33.3 32.1 36.6 27.6 40.5 22.8 32.2 31.5 35.4 27.0 39.1 22.3 31.1 30.9 34.0 26.3 37.6 21.7 29.8 29.8 32.6 25.7 36.0 21.1
32 34.4 34.4 36.8 31.2 40.6 26.7 33.5 33.5 35.5 30.6 39.2 26.1 32.5 32.5 34.2 30.0 37.7 25.5 31.4 31.4 32.7 29.3 36.1 24.9
24 33.6 25.6 37.2 20.6 41.1 15.2 32.4 25.0 35.9 20.0 39.6 14.7 31.1 24.3 34.5 19.4 38.0 14.1 29.8 23.6 32.9 18.8 36.3 13.5
6244 27 33.7 29.5 37.3 24.7 41.1 19.5 32.5 28.9 36.0 24.1 39.6 18.9 31.3 28.2 34.6 23.5 38.1 18.3 29.9 27.5 33.1 22.9 36.4 17.7
29 34.0 33.6 37.3 28.7 41.2 23.6 32.8 32.8 36.0 28.0 39.7 23.0 31.8 31.8 34.7 27.4 38.2 22.4 30.7 30.7 33.2 26.7 36.5 21.8
32 35.5 35.5 37.5 32.6 41.3 27.7 34.5 34.5 36.2 32.0 39.8 27.1 33.5 33.5 34.8 31.3 38.2 26.4 32.3 32.3 33.3 30.7 36.6 25.7
24 34.1 26.4 37.8 21.2 41.7 15.4 32.9 25.8 36.4 20.6 40.2 14.9 31.7 25.1 35.0 19.9 38.5 14.4 30.2 24.4 33.4 19.3 36.8 13.7
6796 27 34.3 30.6 37.9 25.5 41.7 20.0 33.1 30.0 36.5 25.0 40.2 19.4 31.8 29.3 35.0 24.2 38.6 18.8 30.4 28.6 33.5 23.5 36.9 18.1
29 34.7 34.7 38.0 29.7 41.8 24.3 33.7 33.7 36.6 29.1 40.3 23.8 32.6 32.6 35.2 28.4 38.7 23.2 31.5 31.5 33.7 27.7 37.0 22.5
32 36.5 36.5 38.1 33.9 41.9 28.7 35.4 35.4 36.7 33.3 40.3 28.0 34.3 34.3 35.3 32.6 38.8 27.4 33.1 33.1 33.9 31.9 37.1 26.7
Equal TGC and SHC values constitute dry coil conditions. Total Gross Cooling (TGC) shown to the left is not applicable. In this case the Sensible Heat Capacity (SHC) is the total
capacity.
All capacities shown are gross and have not considered indoor fan heat.
To obtain net cooling capacities subtract indoor fan heat.
TGC = Total Gross Cooling Capacity
SHC = Sensible Heat Capacity

23SS-PRC003-EN
Performance
Data System
Table PD-10 — Gross Cooling Capacities (MBh) TTA125B Condensing Unit with TWE155B Air Handler (I-P)
Ambient Temperature (°F)
85 95 105 115
Enter.
Dry Entering Wet Bulb (°F)
CFMBulb616773 61 6773616773616773
Airflow (°F) TGC SHC TGC SHC TGC SHC TGC SHC TGC SHC TGC SHC TGC SHC TGC SHC TGC SHC TGC SHC TGC SHC TGC SHC
75 124.0 98.6 136.6 82.4 149.8 55.6 119.5 96.3 131.6 80.4 144.1 53.6 114.6 93.8 126.1 78.2 137.9 51.5 109.3 91.2 120.3 75.9 131.3 49.3
3750 80 124.7 115.3 136.9 94.8 150.4 73.4 120.2 113.0 131.9 92.5 144.8 71.3 115.5 110.6 126.5 90.1 138.9 69.1 110.5 108.1 120.8 87.5 132.5 66.8
85 128.0 128.0 137.5 111.4 151.0 90.7 124.2 124.2 132.5 109.1 145.4 88.7 120.1 120.1 127.1 106.7 139.5 86.5 115.6 115.6 121.4 104.1 132.8 83.5
90 134.5 134.5 138.2 128.2 151.2 107.1 130.6 130.6 133.3 125.9 145.7 104.9 126.3 126.3 128.2 123.6 139.9 102.5 121.7 121.7 122.8 121.1 133.6 100.0
75 126.6 103.5 139.2 81.3 152.2 56.6 121.9 101.2 134.0 79.1 146.3 54.6 116.9 98.7 128.4 76.8 140.0 52.4 111.4 96.0 121.9 73.8 133.2 50.2
4200 80 127.6 122.0 139.6 99.3 153.0 76.1 123.1 119.7 134.4 97.0 147.3 74.0 118.3 117.3 128.8 94.5 141.2 71.8 113.1 113.1 122.9 91.8 134.6 69.4
85 132.5 132.5 140.2 117.6 153.7 95.2 128.5 128.5 135.0 115.3 147.6 92.4 124.1 124.1 129.5 112.8 141.5 90.0 119.4 119.4 123.6 110.2 135.0 87.4
90 139.3 139.3 141.3 136.2 154.0 112.9 135.1 135.1 136.4 133.9 148.3 110.6 130.6 130.6 130.7 130.7 142.2 108.2 125.8 125.8 125.9 125.9 135.8 105.6
75 128.8 108.2 141.4 84.2 154.2 57.7 123.9 105.8 136.0 82.1 148.1 55.6 118.7 103.3 129.7 79.0 141.6 53.4 113.1 100.5 123.6 76.3 134.6 51.0
4650 80 130.2 128.5 141.8 103.6 155.2 78.7 125.3 125.3 136.5 101.2 149.3 76.5 120.9 120.9 130.8 98.7 143.0 74.3 116.1 116.1 124.7 96.0 136.2 71.9
85 136.4 136.4 142.4 123.5 155.6 98.5 132.2 132.2 137.2 121.2 149.7 96.2 127.5 127.5 131.5 118.6 143.5 93.7 122.6 122.6 125.6 116.0 136.9 91.1
90 143.4 143.4 144.2 144.0 156.3 118.4 139.0 139.0 139.2 139.2 150.4 116.1 134.3 134.3 134.4 134.4 144.2 113.6 129.2 129.2 129.3 129.3 137.6 111.0
75 130.6 112.7 142.7 86.5 155.8 58.6 125.6 110.3 137.3 84.1 149.6 56.4 120.3 107.7 131.3 81.4 142.9 54.1 114.7 104.9 125.1 78.6 135.8 51.7
5100 80 132.5 132.5 143.7 107.7 157.0 81.1 128.3 128.3 138.3 105.3 151.0 79.0 123.7 123.7 132.4 102.7 144.5 76.7 118.8 118.8 126.2 100.0 137.6 74.4
85 139.7 139.7 144.4 129.2 157.5 102.2 135.4 135.4 139.1 126.9 151.5 99.9 130.6 130.6 133.3 124.3 145.2 97.3 125.5 125.5 127.3 121.7 138.4 94.7
90 147.0 147.0 147.2 147.2 158.2 123.7 142.5 142.5 142.6 142.6 152.2 121.3 137.6 137.6 137.7 137.7 145.9 118.8 132.3 132.3 132.4 132.4 139.1 116.2
Equal TGC and SHC values constitute dry coil conditions. Total Gross Cooling (TGC) shown to the left is not applicable. In this case the Sensible Heat Capacity (SHC) is the total
capacity.
All capacities shown are gross and have not considered indoor fan heat.
To obtain net cooling capacities subtract indoor fan heat.
TGC = Total Gross Cooling Capacity
SHC = Sensible Heat Capacity
Table PD-10 — Gross Cooling Capacities (kW) TTA125B Condensing Unit with TWE155B Air Handler (SI)
Ambient Temperature (°C)
29.4 35.0 40.6 46.1
Enter.
Dry Entering Wet Bulb (°C)
m3/h Bulb 16.1 19.4 22.8 16.1 19.4 22.8 16.1 19.4 22.8 16.1 19.4 22.8
Airflow (°C) TGC SHC TGC SHC TGC SHC TGC SHC TGC SHC TGC SHC TGC SHC TGC SHC TGC SHC TGC SHC TGC SHC TGC SHC
24 36.3 28.9 40.0 24.1 43.9 16.3 35.0 28.2 38.5 23.5 42.2 15.7 33.6 27.5 36.9 22.9 40.4 15.1 32.0 26.7 35.2 22.2 38.5 14.4
6371 27 36.5 33.8 40.1 27.8 44.0 21.5 35.2 33.1 38.6 27.1 42.4 20.9 33.8 32.4 37.0 26.4 40.7 20.2 32.4 31.6 35.4 25.6 38.8 19.6
29 37.5 37.5 40.3 32.6 44.2 26.6 36.4 36.4 38.8 32.0 42.6 26.0 35.2 35.2 37.2 31.2 40.9 25.3 33.8 33.8 35.5 30.5 38.9 24.4
32 39.4 39.4 40.5 37.5 44.3 31.4 38.2 38.2 39.0 36.9 42.7 30.7 37.0 37.0 37.5 36.2 40.9 30.0 35.6 35.6 35.9 35.5 39.1 29.3
24 37.1 30.3 40.8 23.8 44.6 16.6 35.7 29.6 39.2 23.2 42.8 16.0 34.2 28.9 37.6 22.5 41.0 15.4 32.6 28.1 35.7 21.6 39.0 14.7
7136 27 37.4 35.7 40.9 29.1 44.8 22.3 36.0 35.1 39.4 28.4 43.1 21.7 34.6 34.3 37.7 27.7 41.3 21.0 33.1 33.1 36.0 26.9 39.4 20.3
29 38.8 38.8 41.0 34.4 45.0 27.9 37.6 37.6 39.5 33.7 43.2 27.1 36.3 36.3 37.9 33.0 41.4 26.3 35.0 35.0 36.2 32.3 39.5 25.6
32 40.8 40.8 41.4 39.9 45.1 33.1 39.6 39.6 39.9 39.2 43.4 32.4 38.2 38.2 38.3 38.3 41.7 31.7 36.8 36.8 36.9 36.9 39.8 30.9
24 37.7 31.7 41.4 24.7 45.1 16.9 36.3 31.0 39.8 24.0 43.4 16.3 34.8 30.2 38.0 23.1 41.5 15.6 33.1 29.4 36.2 22.3 39.4 14.9
7900 27 38.1 37.6 41.5 30.3 45.4 23.0 36.7 36.7 40.0 29.6 43.7 22.4 35.4 35.4 38.3 28.9 41.9 21.8 34.0 34.0 36.5 28.1 39.9 21.1
29 39.9 39.9 41.7 36.2 45.6 28.9 38.7 38.7 40.2 35.5 43.8 28.2 37.3 37.3 38.5 34.7 42.0 27.4 35.9 35.9 36.8 34.0 40.1 26.7
32 42.0 42.0 42.2 42.2 45.8 34.7 40.7 40.7 40.7 40.7 44.1 34.0 39.3 39.3 39.4 39.4 42.2 33.3 37.8 37.8 37.9 37.9 40.3 32.5
24 38.2 33.0 41.8 25.3 45.6 17.2 36.8 32.3 40.2 24.6 43.8 16.5 35.2 31.5 38.5 23.8 41.8 15.8 33.6 30.7 36.6 23.0 39.8 15.1
8665 27 38.8 38.8 42.1 31.5 46.0 23.8 37.6 37.6 40.5 30.8 44.2 23.1 36.2 36.2 38.8 30.1 42.3 22.5 34.8 34.8 37.0 29.3 40.3 21.8
29 40.9 40.9 42.3 37.8 46.1 29.9 39.6 39.6 40.7 37.1 44.4 29.2 38.2 38.2 39.0 36.4 42.5 28.5 36.7 36.7 37.3 35.6 40.5 27.7
32 43.0 43.0 43.1 43.1 46.3 36.2 41.7 41.7 41.8 41.8 44.6 35.5 40.3 40.3 40.3 40.3 42.7 34.8 38.7 38.7 38.8 38.8 40.7 34.0
Equal TGC and SHC values constitute dry coil conditions. Total Gross Cooling (TGC) shown to the left is not applicable. In this case the Sensible Heat Capacity (SHC) is the total
capacity.
All capacities shown are gross and have not considered indoor fan heat.
To obtain net cooling capacities subtract indoor fan heat.
TGC = Total Gross Cooling Capacity
SHC = Sensible Heat Capacity

24 SS-PRC003-EN
Performance
Data System
Table PD-11 — Gross Cooling Capacities (MBh) TTA155B Condensing Unit with TWE155B Air Handler (I-P)
Ambient Temperature (°F)
85 95 105 115
Enter.
Dry Entering Wet Bulb (°F)
CFMBulb616773 61 6773616773616773
Airflow (°F) TGC SHC TGC SHC TGC SHC TGC SHC TGC SHC TGC SHC TGC SHC TGC SHC TGC SHC TGC SHC TGC SHC TGC SHC
75 153.4 120.3 169.3 101.1 185.9 68.9 148.2 117.6 163.3 98.6 178.9 66.4 142.0 114.4 156.3 95.8 170.9 63.7 134.9 110.8 148.4 92.6 162.0 60.6
4500 80 154.3 140.1 169.6 116.0 186.6 90.3 149.1 137.4 163.7 113.2 179.8 87.7 143.0 134.3 156.7 110.0 172.0 84.8 136.2 130.8 149.0 106.4 163.5 81.7
85 157.3 157.3 170.5 135.7 187.4 111.0 152.9 152.9 164.5 132.9 180.6 108.4 147.7 147.7 157.6 129.7 172.9 105.5 141.7 141.7 149.9 126.2 163.9 101.7
90 165.4 165.4 171.3 155.6 187.6 130.6 160.8 160.8 165.5 152.8 180.9 127.9 155.3 155.3 158.8 149.7 173.3 124.7 149.2 149.2 151.4 146.3 165.0 121.3
75 156.6 125.7 172.5 99.4 188.8 70.0 151.1 122.9 166.2 96.8 181.5 67.5 144.6 119.7 158.9 93.8 173.3 64.7 137.3 116.0 150.8 90.5 164.2 61.6
5000 80 157.7 147.5 172.9 120.9 189.8 93.3 152.4 144.8 166.7 118.1 182.7 90.7 146.1 141.6 159.5 114.8 174.7 87.7 139.2 138.0 151.6 111.2 166.0 84.6
85 162.6 162.6 173.8 142.5 190.6 115.9 157.9 157.9 167.6 139.6 183.6 113.3 152.4 152.4 160.4 136.4 175.2 109.4 146.1 146.1 152.5 132.8 166.5 105.9
90 171.0 171.0 175.0 164.3 191.1 137.0 166.1 166.1 169.0 161.6 184.1 134.1 160.3 160.3 162.2 158.4 176.2 130.9 153.9 153.9 154.0 154.0 167.6 127.4
75 159.3 130.9 175.1 102.7 191.1 71.3 153.6 128.1 168.6 100.0 183.6 68.7 146.9 124.7 161.1 97.0 175.2 65.9 139.4 120.9 152.2 92.7 165.9 62.6
5500 80 160.8 154.6 175.7 125.6 192.4 96.1 155.3 151.8 169.2 122.7 185.1 93.5 149.0 148.6 161.9 119.4 176.9 90.5 141.9 141.9 153.7 115.7 167.9 87.3
85 167.2 167.2 176.5 148.9 192.8 119.7 162.3 162.3 170.1 146.0 185.6 116.8 156.5 156.5 162.8 142.7 177.5 113.6 149.9 149.9 154.7 139.1 168.7 110.0
90 175.9 175.9 178.3 172.8 194.0 143.0 170.7 170.7 172.2 170.0 186.7 140.1 164.7 164.7 164.8 164.8 178.6 136.8 157.9 157.9 158.1 158.1 169.8 133.3
75 161.5 135.9 177.3 105.9 193.1 72.5 155.6 132.9 170.6 103.2 185.5 69.7 148.8 129.5 162.4 99.0 176.8 66.7 141.2 125.7 154.0 95.3 167.3 63.5
6000 80 163.6 161.5 178.0 130.1 194.7 98.8 157.4 157.4 171.4 127.2 187.2 96.1 151.6 151.6 163.8 123.8 178.8 93.2 145.0 145.0 155.5 120.0 169.6 90.0
85 171.3 171.3 178.9 155.2 195.3 123.8 166.1 166.1 172.4 152.3 187.8 120.8 160.0 160.0 164.9 148.9 179.6 117.5 153.2 153.2 156.8 145.3 170.6 113.9
90 180.2 180.2 181.4 181.0 196.5 148.8 174.7 174.7 174.9 174.9 188.8 145.8 168.5 168.5 168.6 168.6 180.7 142.5 161.5 161.5 161.6 161.6 171.7 139.0
Equal TGC and SHC values constitute dry coil conditions. Total Gross Cooling (TGC) shown to the left is not applicable. In this case the Sensible Heat Capacity (SHC) is the total
capacity.
All capacities shown are gross and have not considered indoor fan heat.
To obtain net cooling capacities subtract indoor fan heat.
TGC = Total Gross Cooling Capacity
SHC = Sensible Heat Capacity
Table PD-11 — Gross Cooling Capacities (kW) TTA155B Condensing Unit with TWE155B Air Handler (SI)
Ambient Temperature (°C)
29.4 35.0 40.6 46.1
Enter.
Dry Entering Wet Bulb (°C)
m3/h Bulb 16.1 19.4 22.8 16.1 19.4 22.8 16.1 19.4 22.8 16.1 19.4 22.8
Airflow (°C) TGC SHC TGC SHC TGC SHC TGC SHC TGC SHC TGC SHC TGC SHC TGC SHC TGC SHC TGC SHC TGC SHC TGC SHC
24 44.9 35.2 49.6 29.6 54.4 20.2 43.4 34.4 47.8 28.9 52.4 19.4 41.6 33.5 45.8 28.0 50.0 18.6 39.5 32.4 43.5 27.1 47.4 17.8
7646 27 45.2 41.0 49.7 34.0 54.6 26.4 43.7 40.2 47.9 33.1 52.6 25.7 41.9 39.3 45.9 32.2 50.4 24.8 39.9 38.3 43.6 31.2 47.9 23.9
29 46.1 46.1 49.9 39.7 54.9 32.5 44.8 44.8 48.2 38.9 52.9 31.7 43.2 43.2 46.2 38.0 50.6 30.9 41.5 41.5 43.9 36.9 48.0 29.8
32 48.4 48.4 50.2 45.6 54.9 38.3 47.1 47.1 48.5 44.8 53.0 37.4 45.5 45.5 46.5 43.8 50.8 36.5 43.7 43.7 44.3 42.8 48.3 35.5
8495 24 45.8 36.8 50.5 29.1 55.3 20.5 44.2 36.0 48.7 28.3 53.1 19.8 42.4 35.0 46.5 27.5 50.7 18.9 40.2 34.0 44.2 26.5 48.1 18.0
27 46.2 43.2 50.6 35.4 55.6 27.3 44.6 42.4 48.8 34.6 53.5 26.5 42.8 41.5 46.7 33.6 51.2 25.7 40.8 40.4 44.4 32.6 48.6 24.8
29 47.6 47.6 50.9 41.7 55.8 33.9 46.2 46.2 49.1 40.9 53.8 33.2 44.6 44.6 47.0 39.9 51.3 32.0 42.8 42.8 44.6 38.9 48.8 31.0
32 50.1 50.1 51.2 48.1 56.0 40.1 48.6 48.6 49.5 47.3 53.9 39.3 46.9 46.9 47.5 46.4 51.6 38.3 45.1 45.1 45.1 45.1 49.1 37.3
9345 24 46.6 38.3 51.3 30.1 56.0 20.9 45.0 37.5 49.4 29.3 53.8 20.1 43.0 36.5 47.2 28.4 51.3 19.3 40.8 35.4 44.6 27.1 48.6 18.3
27 47.1 45.3 51.4 36.8 56.3 28.1 45.5 44.5 49.6 35.9 54.2 27.4 43.6 43.5 47.4 35.0 51.8 26.5 41.6 41.6 45.0 33.9 49.2 25.6
29 49.0 49.0 51.7 43.6 56.5 35.1 47.5 47.5 49.8 42.8 54.3 34.2 45.8 45.8 47.7 41.8 52.0 33.3 43.9 43.9 45.3 40.7 49.4 32.2
32 51.5 51.5 52.2 50.6 56.8 41.9 50.0 50.0 50.4 49.8 54.7 41.0 48.2 48.2 48.3 48.3 52.3 40.1 46.2 46.2 46.3 46.3 49.7 39.0
10194 24 47.3 39.8 51.9 31.0 56.5 21.2 45.6 38.9 50.0 30.2 54.3 20.4 43.6 37.9 47.5 29.0 51.8 19.5 41.3 36.8 45.1 27.9 49.0 18.6
27 47.9 47.3 52.1 38.1 57.0 28.9 46.1 46.1 50.2 37.2 54.8 28.2 44.4 44.4 48.0 36.2 52.3 27.3 42.5 42.5 45.5 35.1 49.7 26.3
29 50.2 50.2 52.4 45.4 57.2 36.3 48.6 48.6 50.5 44.6 55.0 35.4 46.9 46.9 48.3 43.6 52.6 34.4 44.9 44.9 45.9 42.5 50.0 33.4
32 52.8 52.8 53.1 53.0 57.5 43.6 51.2 51.2 51.2 51.2 55.3 42.7 49.3 49.3 49.4 49.4 52.9 41.7 47.3 47.3 47.3 47.3 50.3 40.7
Equal TGC and SHC values constitute dry coil conditions. Total Gross Cooling (TGC) shown to the left is not applicable. In this case the Sensible Heat Capacity (SHC) is the total
capacity.
All capacities shown are gross and have not considered indoor fan heat.
To obtain net cooling capacities subtract indoor fan heat.
TGC = Total Gross Cooling Capacity
SHC = Sensible Heat Capacity

25SS-PRC003-EN
Performance
Data System
Table PD-12— Gross Cooling Capacities (MBh) TTA155B Condensing Unit with TWE200B Air Handler (I-P)
Ambient Temperature (°F)
85 95 105 115
Enter.
Dry Entering Wet Bulb (°F)
CFMBulb616773 61 6773616773616773
Airflow (°F) TGC SHC TGC SHC TGC SHC TGC SHC TGC SHC TGC SHC TGC SHC TGC SHC TGC SHC TGC SHC TGC SHC TGC SHC
75 157.9 124.4 174.3 103.2 191.0 70.7 152.4 121.5 168.0 100.6 183.7 68.2 145.9 118.2 160.7 97.7 175.3 65.3 138.5 114.5 152.5 94.4 166.2 62.2
4500 80 158.8 145.1 174.6 119.9 192.0 93.1 153.4 142.3 168.4 117.0 184.9 90.5 147.0 139.1 161.1 113.7 176.9 87.5 139.9 135.4 153.1 110.0 168.1 84.2
85 162.4 162.4 175.4 140.4 192.8 114.7 157.7 157.7 169.2 137.6 185.8 112.0 152.2 152.2 162.0 134.3 177.8 109.1 146.0 146.0 154.0 130.6 168.5 105.0
90 170.7 170.7 176.3 161.3 193.0 135.2 165.8 165.8 170.2 158.4 186.1 132.3 160.1 160.1 163.3 155.2 178.2 129.1 153.7 153.7 155.6 151.7 169.6 125.6
75 161.2 130.3 177.6 102.7 193.9 71.9 155.4 127.3 171.0 100.0 186.4 69.3 148.7 123.9 163.4 96.9 177.8 66.4 141.0 120.1 155.0 93.5 168.4 63.2
5000 80 162.4 153.1 178.0 125.2 195.2 96.3 156.8 150.2 171.5 122.2 187.9 93.6 150.3 146.9 164.0 118.8 179.7 90.6 142.6 142.6 155.8 115.1 170.6 87.4
85 167.9 167.9 178.8 147.8 196.1 119.9 163.0 163.0 172.4 144.8 188.9 117.3 157.2 157.2 164.9 141.5 180.1 113.2 150.6 150.6 156.7 137.8 171.3 109.6
90 176.6 176.6 180.2 170.7 196.5 141.9 171.4 171.4 173.9 167.9 189.3 139.0 165.4 165.4 166.9 164.6 181.2 135.8 158.7 158.7 158.9 158.9 172.4 132.2
75 164.0 135.9 180.2 106.3 196.3 73.2 158.0 132.9 173.5 103.5 188.6 70.6 151.0 129.4 165.7 100.4 179.8 67.6 143.2 125.5 156.3 95.6 170.1 64.4
5500 80 165.6 160.8 180.8 130.2 197.9 99.4 159.9 157.9 174.1 127.2 190.4 96.7 153.0 153.0 166.5 123.8 182.0 93.6 146.3 146.3 158.0 120.0 172.7 90.4
85 172.8 172.8 181.7 154.8 198.4 124.0 167.6 167.6 175.0 151.8 190.9 121.0 161.5 161.5 167.5 148.4 182.6 117.6 154.7 154.7 159.1 144.7 173.6 114.0
90 181.7 181.7 183.6 179.9 199.4 148.4 176.3 176.3 177.4 177.0 192.0 145.5 170.0 170.0 170.2 170.2 183.7 142.2 163.0 163.0 163.2 163.2 174.7 138.6
75 166.3 141.2 182.5 109.7 198.4 74.4 160.2 138.2 174.9 105.9 190.4 71.7 153.0 134.6 167.0 102.3 181.4 68.6 145.1 130.7 158.8 100.2 171.5 65.3
6000 80 168.7 168.3 183.2 135.1 200.2 102.3 162.7 162.7 176.4 132.0 192.5 99.6 156.5 156.5 168.5 128.5 183.9 96.5 149.6 149.6 159.9 124.7 174.5 93.3
85 177.1 177.1 184.2 161.6 200.8 128.4 171.6 171.6 177.4 158.6 193.2 125.3 165.3 165.3 169.7 155.1 184.8 121.9 158.2 158.2 161.3 151.4 175.5 118.2
90 186.3 186.3 186.5 186.5 201.8 154.7 180.6 180.6 180.8 180.8 194.3 151.7 174.1 174.1 174.3 174.3 185.9 148.4 166.8 166.8 167.0 167.0 176.7 144.8
Equal TGC and SHC values constitute dry coil conditions. Total Gross Cooling (TGC) shown to the left is not applicable. In this case the Sensible Heat Capacity (SHC) is the total
capacity.
All capacities shown are gross and have not considered indoor fan heat.
To obtain net cooling capacities subtract indoor fan heat.
TGC = Total Gross Cooling Capacity
SHC = Sensible Heat Capacity
Table PD-12 — Gross Cooling Capacities (kW) TTA155B Condensing Unit with TWE200B Air Handler (SI)
Ambient Temperature (°C)
29.4 35.0 40.6 46.1
Enter.
Dry Entering Wet Bulb (°C)
m3/h Bulb 16.1 19.4 22.8 16.1 19.4 22.8 16.1 19.4 22.8 16.1 19.4 22.8
Airflow (°C) TGC SHC TGC SHC TGC SHC TGC SHC TGC SHC TGC SHC TGC SHC TGC SHC TGC SHC TGC SHC TGC SHC TGC SHC
23.9 46.2 36.4 51.0 30.2 55.9 20.7 44.6 35.6 49.2 29.5 53.8 20.0 42.7 34.6 47.0 28.6 51.3 19.1 40.5 33.5 44.6 27.6 48.7 18.2
7646 26.7 46.5 42.5 51.1 35.1 56.2 27.3 44.9 41.7 49.3 34.3 54.1 26.5 43.0 40.7 47.2 33.3 51.8 25.6 41.0 39.7 44.8 32.2 49.2 24.7
29.4 47.5 47.5 51.4 41.1 56.4 33.6 46.2 46.2 49.5 40.3 54.4 32.8 44.6 44.6 47.4 39.3 52.1 31.9 42.7 42.7 45.1 38.2 49.3 30.7
32.2 50.0 50.0 51.6 47.2 56.5 39.6 48.6 48.6 49.8 46.4 54.5 38.7 46.9 46.9 47.8 45.5 52.2 37.8 45.0 45.0 45.6 44.4 49.7 36.8
23.9 47.2 38.1 52.0 30.1 56.8 21.1 45.5 37.3 50.1 29.3 54.6 20.3 43.5 36.3 47.8 28.4 52.1 19.4 41.3 35.2 45.4 27.4 49.3 18.5
8495 26.7 47.6 44.8 52.1 36.6 57.2 28.2 45.9 44.0 50.2 35.8 55.0 27.4 44.0 43.0 48.0 34.8 52.6 26.5 41.7 41.7 45.6 33.7 50.0 25.6
29.4 49.2 49.2 52.4 43.3 57.4 35.1 47.7 47.7 50.5 42.4 55.3 34.3 46.0 46.0 48.3 41.4 52.7 33.1 44.1 44.1 45.9 40.3 50.1 32.1
32.2 51.7 51.7 52.7 50.0 57.5 41.6 50.2 50.2 50.9 49.2 55.4 40.7 48.4 48.4 48.9 48.2 53.1 39.8 46.5 46.5 46.5 46.5 50.5 38.7
23.9 48.0 39.8 52.8 31.1 57.5 21.4 46.3 38.9 50.8 30.3 55.2 20.7 44.2 37.9 48.5 29.4 52.6 19.8 41.9 36.7 45.8 28.0 49.8 18.8
9345 26.7 48.5 47.1 52.9 38.1 58.0 29.1 46.8 46.2 51.0 37.3 55.8 28.3 44.8 44.8 48.7 36.2 53.3 27.4 42.8 42.8 46.3 35.1 50.6 26.5
29.4 50.6 50.6 53.2 45.3 58.1 36.3 49.1 49.1 51.3 44.4 55.9 35.4 47.3 47.3 49.0 43.5 53.5 34.4 45.3 45.3 46.6 42.4 50.8 33.4
32.2 53.2 53.2 53.8 52.7 58.4 43.5 51.6 51.6 51.9 51.8 56.2 42.6 49.8 49.8 49.8 49.8 53.8 41.6 47.7 47.7 47.8 47.8 51.2 40.6
23.9 48.7 41.4 53.4 32.1 58.1 21.8 46.9 40.5 51.2 31.0 55.7 21.0 44.8 39.4 48.9 30.0 53.1 20.1 42.5 38.3 46.5 29.3 50.2 19.1
10194 26.7 49.4 49.3 53.7 39.6 58.6 30.0 47.6 47.6 51.6 38.7 56.4 29.1 45.8 45.8 49.4 37.6 53.8 28.3 43.8 43.8 46.8 36.5 51.1 27.3
29.4 51.8 51.8 53.9 47.3 58.8 37.6 50.3 50.3 52.0 46.4 56.6 36.7 48.4 48.4 49.7 45.4 54.1 35.7 46.3 46.3 47.2 44.3 51.4 34.6
32.2 54.5 54.5 54.6 54.6 59.1 45.3 52.9 52.9 52.9 52.9 56.9 44.4 51.0 51.0 51.0 51.0 54.4 43.5 48.8 48.8 48.9 48.9 51.7 42.4
Equal TGC and SHC values constitute dry coil conditions. Total Gross Cooling (TGC) shown to the left is not applicable. In this case the Sensible Heat Capacity (SHC) is the total
capacity.acity (SHC) is the total capacity.
All capacities shown are gross and have not considered indoor fan heat.
To obtain net cooling capacities subtract indoor fan heat.
TGC = Total Gross Cooling Capacity
SHC = Sensible Heat Capacity

26 SS-PRC003-EN
Performance
Data System
Table PD-13 — Gross Cooling Capacities (MBh) - Both Compressors - TTA155C Condensing Unit With TWE155B Air Handler (I-P)
Ambient Temperature (°F)
85 95 105 115
Enter.
Dry Entering Wet Bulb (°F)
CFMBulb616773 61 6773616773616773
Airflow (°F) TGC SHC TGC SHC TGC SHC TGC SHC TGC SHC TGC SHC TGC SHC TGC SHC TGC SHC TGC SHC TGC SHC TGC SHC
75 153.7 120.4 169.7 101.2 186.5 69.1 148.4 117.7 163.7 98.8 179.5 66.6 142.2 114.5 156.6 95.9 171.4 63.8 135.1 110.9 148.7 92.7 162.4 60.8
4500 80 154.5 140.2 170.0 116.1 187.2 90.5 149.4 137.5 164.1 113.4 180.3 87.9 143.3 134.4 157.1 110.2 172.5 85.0 136.4 130.9 149.3 106.6 163.9 81.8
85 157.6 157.6 170.9 135.9 187.9 111.2 153.2 153.2 164.9 133.1 181.1 108.6 147.9 147.9 158.0 129.9 173.4 105.7 141.9 141.9 150.2 126.3 164.9 102.6
90 165.7 165.7 171.7 155.8 188.2 130.9 161.1 161.1 165.9 153.0 181.5 128.1 155.6 155.6 159.1 149.9 173.9 124.9 149.4 149.4 151.7 146.5 165.4 121.5
75 156.9 125.9 172.9 99.6 189.5 70.2 151.4 123.1 166.6 97.0 182.1 67.7 144.9 119.8 159.3 93.9 173.8 64.9 137.6 116.1 151.2 90.6 164.7 61.8
5000 80 158.0 147.6 173.4 121.1 190.4 93.5 152.6 144.9 167.1 118.3 183.3 90.9 146.4 141.7 159.9 115.0 175.3 87.9 139.4 138.1 151.9 111.3 166.4 84.8
85 162.9 162.9 174.2 142.7 191.2 116.1 158.2 158.2 168.0 139.8 184.2 113.5 152.7 152.7 160.8 136.5 175.7 109.7 146.3 146.3 152.8 132.9 167.0 106.1
90 171.4 171.4 175.4 164.5 191.6 137.2 166.4 166.4 169.4 161.8 184.7 134.3 160.7 160.7 162.5 158.6 176.8 131.1 154.2 154.2 154.3 154.3 168.1 127.6
75 159.6 131.1 175.5 102.9 191.8 71.5 153.9 128.2 169.0 100.2 184.3 68.9 147.2 124.8 161.5 97.2 175.8 66.1 139.6 121.1 152.5 92.8 166.4 62.8
5500 80 161.1 154.8 176.1 125.8 193.0 96.4 155.6 152.0 169.7 122.9 185.7 93.7 149.3 148.7 162.3 119.6 177.5 90.7 142.1 142.1 154.0 115.9 168.5 87.5
85 167.6 167.6 177.0 149.2 193.4 120.0 162.6 162.6 170.6 146.2 186.2 117.1 156.8 156.8 163.2 142.9 178.1 113.8 150.2 150.2 155.1 139.3 169.2 110.2
90 176.3 176.3 178.7 173.0 194.5 143.2 171.1 171.1 172.6 170.2 187.3 140.3 165.0 165.0 165.2 165.2 179.2 137.1 158.2 158.2 158.4 158.4 170.4 133.5
75 161.9 136.0 177.8 106.1 193.8 72.7 156.0 133.1 171.1 103.3 186.1 70.0 149.1 129.7 162.8 99.2 177.4 66.9 141.4 125.9 154.3 95.4 167.8 63.6
6000 80 163.9 161.7 178.5 130.3 195.3 99.1 157.7 157.7 171.9 127.4 187.8 96.4 151.9 151.9 164.3 124.0 179.4 93.4 145.3 145.3 155.9 120.2 170.2 90.2
85 171.6 171.6 179.4 155.4 195.8 124.0 166.4 166.4 172.8 152.5 188.5 121.1 160.4 160.4 165.4 149.1 180.2 117.8 153.5 153.5 157.1 145.5 171.1 114.1
90 180.6 180.6 181.9 181.2 196.9 149.0 175.2 175.2 175.3 175.3 189.5 146.1 168.9 168.9 169.0 169.0 181.3 142.8 161.9 161.9 162.0 162.0 172.3 139.2
Equal TGC and SHC values constitute dry coil conditions. Total Gross Cooling (TGC) shown to the left is not applicable. In this case the Sensible Heat Capacity (SHC) is the total
capacity.
All capacities shown are gross and have not considered indoor fan heat.
To obtain net cooling capacities subtract indoor fan heat.
TGC = Total Gross Cooling Capacity
SHC = Sensible Heat Capacity
Table PD-13 — Gross Cooling Capacities (kW) - Both Compressors - TTA155C Condensing Unit With TWE155B Air Handler (SI)
Ambient Temperature (°C)
29.4 35.0 40.6 46.1
Enter.
Dry Entering Wet Bulb (°C)
m3/h Bulb 16.1 19.4 22.8 16.1 19.4 22.8 16.1 19.4 22.8 16.1 19.4 22.8
Airflow (°C) TGC SHC TGC SHC TGC SHC TGC SHC TGC SHC TGC SHC TGC SHC TGC SHC TGC SHC TGC SHC TGC SHC TGC SHC
24 45.0 35.3 49.7 29.6 54.6 20.2 43.5 34.5 47.9 28.9 52.6 19.5 41.6 33.5 45.9 28.1 50.2 18.7 39.6 32.5 43.6 27.2 47.6 17.8
7646 27 45.2 41.1 49.8 34.0 54.8 26.5 43.7 40.3 48.0 33.2 52.8 25.7 41.9 39.4 46.0 32.3 50.5 24.9 39.9 38.3 43.7 31.2 48.0 24.0
29 46.1 46.1 50.0 39.8 55.0 32.6 44.9 44.9 48.3 39.0 53.0 31.8 43.3 43.3 46.3 38.0 50.8 31.0 41.6 41.6 44.0 37.0 48.3 30.0
32 48.5 48.5 50.3 45.6 55.1 38.3 47.2 47.2 48.6 44.8 53.1 37.5 45.6 45.6 46.6 43.9 50.9 36.6 43.8 43.8 44.4 42.9 48.4 35.6
24 45.9 36.9 50.6 29.2 55.5 20.6 44.3 36.0 48.8 28.4 53.3 19.8 42.4 35.1 46.6 27.5 50.9 19.0 40.3 34.0 44.3 26.5 48.2 18.1
8495 27 46.3 43.2 50.8 35.5 55.7 27.4 44.7 42.4 48.9 34.6 53.7 26.6 42.9 41.5 46.8 33.7 51.3 25.8 40.8 40.4 44.5 32.6 48.7 24.8
29 47.7 47.7 51.0 41.8 56.0 34.0 46.3 46.3 49.2 40.9 53.9 33.2 44.7 44.7 47.1 40.0 51.4 32.1 42.8 42.8 44.7 38.9 48.9 31.1
32 50.2 50.2 51.4 48.2 56.1 40.2 48.7 48.7 49.6 47.4 54.1 39.3 47.0 47.0 47.6 46.4 51.8 38.4 45.1 45.1 45.2 45.2 49.2 37.4
24 46.7 38.4 51.4 30.1 56.2 20.9 45.1 37.5 49.5 29.3 54.0 20.2 43.1 36.6 47.3 28.4 51.5 19.3 40.9 35.4 44.7 27.2 48.7 18.4
9345 27 47.2 45.3 51.6 36.8 56.5 28.2 45.6 44.5 49.7 36.0 54.4 27.4 43.7 43.6 47.5 35.0 52.0 26.6 41.6 41.6 45.1 33.9 49.3 25.6
29 49.1 49.1 51.8 43.7 56.6 35.1 47.6 47.6 49.9 42.8 54.5 34.3 45.9 45.9 47.8 41.9 52.2 33.3 44.0 44.0 45.4 40.8 49.6 32.3
32 51.6 51.6 52.3 50.7 56.9 41.9 50.1 50.1 50.5 49.8 54.8 41.1 48.3 48.3 48.4 48.4 52.5 40.1 46.3 46.3 46.4 46.4 49.9 39.1
24 47.4 39.8 52.1 31.1 56.7 21.3 45.7 39.0 50.1 30.3 54.5 20.5 43.7 38.0 47.7 29.1 52.0 19.6 41.4 36.9 45.2 27.9 49.1 18.6
10194 27 48.0 47.3 52.3 38.2 57.2 29.0 46.2 46.2 50.3 37.3 55.0 28.2 44.5 44.5 48.1 36.3 52.5 27.3 42.5 42.5 45.6 35.2 49.8 26.4
29 50.3 50.3 52.5 45.5 57.3 36.3 48.7 48.7 50.6 44.6 55.2 35.5 47.0 47.0 48.4 43.7 52.8 34.5 45.0 45.0 46.0 42.6 50.1 33.4
32 52.9 52.9 53.3 53.1 57.6 43.6 51.3 51.3 51.3 51.3 55.5 42.8 49.4 49.4 49.5 49.5 53.1 41.8 47.4 47.4 47.4 47.4 50.4 40.8
Equal TGC and SHC values constitute dry coil conditions. Total Gross Cooling (TGC) shown to the left is not applicable. In this case the Sensible Heat Capacity (SHC) is the total
capacity.
All capacities shown are gross and have not considered indoor fan heat.
To obtain net cooling capacities subtract indoor fan heat.
TGC = Total Gross Cooling Capacity
SHC = Sensible Heat Capacity

27SS-PRC003-EN
Performance
Data System
Table PD-14 — Gross Cooling Capacities (MBh) - Single Compressor - TTA155C Condensing Unit with TWE155B Air Handler (I-P)
Ambient Temperature (°F)
85 95 105 115
Enter.
Dry Entering Wet Bulb (°F)
CFMBulb616773 61 6773616773616773
Airflow (°F) TGC SHC TGC SHC TGC SHC TGC SHC TGC SHC TGC SHC TGC SHC TGC SHC TGC SHC TGC SHC TGC SHC TGC SHC
75 94.3 92.3 103.0 67.8 112.7 43.8 91.7 91.0 99.8 66.5 108.7 42.4 88.2 88.2 96.0 64.8 104.3 41.0 84.6 84.6 91.6 62.9 99.3 39.4
4500 80 99.4 99.4 103.6 87.7 113.5 63.2 96.8 96.8 100.4 86.4 109.6 61.8 93.7 93.7 96.6 84.8 105.3 60.1 90.0 90.0 92.3 83.0 100.6 58.3
85 105.3 105.3 105.4 105.4 114.2 83.1 102.5 102.5 102.6 102.6 110.4 81.7 99.2 99.2 99.3 99.3 106.1 80.1 95.4 95.4 95.5 95.5 101.4 78.3
90 111.3 111.3 111.5 111.5 114.8 103.2 108.4 108.4 108.5 108.5 111.2 101.9 104.9 104.9 105.0 105.0 107.0 100.3 100.9 100.9 101.0 101.0 102.3 98.5
75 95.8 95.8 104.2 72.0 113.7 43.9 93.3 93.3 100.9 70.8 109.5 42.6 90.1 90.1 97.0 69.3 105.0 41.1 86.4 86.4 92.5 65.6 100.0 39.5
5000 80 101.8 101.8 104.9 92.4 114.9 66.6 99.1 99.1 101.6 91.1 110.9 65.3 95.8 95.8 97.8 89.5 106.5 63.9 92.0 92.0 93.4 87.6 101.6 62.3
85 107.9 107.9 108.0 108.0 115.4 87.3 105.0 105.0 105.0 105.0 111.6 85.9 101.5 101.5 101.6 101.6 107.2 84.3 97.6 97.6 97.6 97.6 102.3 82.5
90 114.1 114.1 114.3 114.3 116.3 109.4 111.0 111.0 111.1 111.1 112.6 108.1 107.4 107.4 107.5 107.5 108.4 106.5 103.3 103.3 103.4 103.4 103.5 103.5
75 97.7 97.7 105.2 73.3 114.5 44.7 95.0 95.0 101.8 71.9 110.2 43.4 91.8 91.8 97.8 70.2 105.6 41.9 88.0 88.0 93.2 68.2 100.4 40.3
5500 80 103.8 103.8 106.0 97.0 115.8 69.3 101.0 101.0 102.7 95.6 111.8 68.0 97.6 97.6 98.8 94.0 107.3 66.5 93.6 93.6 94.4 92.1 102.4 64.9
85 110.1 110.1 110.2 110.2 116.4 91.5 107.0 107.0 107.1 107.1 112.5 90.0 103.4 103.4 103.5 103.5 108.1 88.4 99.4 99.4 99.4 99.4 103.1 86.5
90 116.5 116.5 116.6 116.6 117.6 115.4 113.3 113.3 113.4 113.4 113.5 113.5 109.5 109.5 109.6 109.6 109.7 109.7 105.3 105.3 105.4 105.4 105.5 105.5
75 99.3 99.3 106.0 75.9 115.1 45.5 96.6 96.6 102.6 74.5 110.7 44.1 93.2 93.2 98.5 72.7 106.1 42.6 89.3 89.3 93.9 70.7 100.8 41.0
6000 80 105.6 105.6 107.0 101.4 116.6 71.8 102.6 102.6 103.7 100.0 112.5 70.5 99.1 99.1 99.8 98.3 107.9 69.1 95.1 95.1 95.1 95.1 103.0 67.5
85 112.0 112.0 112.1 112.1 117.2 95.5 108.9 108.9 109.0 109.0 113.3 94.0 105.2 105.2 105.2 105.2 108.8 92.3 101.0 101.0 101.0 101.0 103.9 90.5
90 118.5 118.5 118.6 118.6 118.7 118.7 115.2 115.2 115.3 115.3 115.4 115.4 111.4 111.4 111.5 111.5 111.5 111.5 107.0 107.0 107.1 107.1 107.2 107.2
Equal TGC and SHC values constitute dry coil conditions. Total Gross Cooling (TGC) shown to the left is not applicable. In this case the Sensible Heat Capacity (SHC) is the total
capacity.
All capacities shown are gross and have not considered indoor fan heat.
To obtain net cooling capacities subtract indoor fan heat.
TGC = Total Gross Cooling Capacity
SHC = Sensible Heat Capacity
Table PD-14 — Gross Cooling Capacities (kW) - Single Compressor - TTA155C Condensing Unit with TWE155B Air Handler (SI)
Ambient Temperature (°C)
29.4 35.0 40.6 46.1
Enter.
Dry Entering Wet Bulb (°C)
m3/h Bulb 16.1 19.4 22.8 16.1 19.4 22.8 16.1 19.4 22.8 16.1 19.4 22.8
Airflow (°C) TGC SHC TGC SHC TGC SHC TGC SHC TGC SHC TGC SHC TGC SHC TGC SHC TGC SHC TGC SHC TGC SHC TGC SHC
24 27.6 27.0 30.2 19.9 33.0 12.8 26.8 26.7 29.2 19.5 31.8 12.4 25.8 25.8 28.1 19.0 30.5 12.0 24.8 24.8 26.8 18.4 29.1 11.6
7646 27 29.1 29.1 30.3 25.7 33.2 18.5 28.4 28.4 29.4 25.3 32.1 18.1 27.4 27.4 28.3 24.8 30.8 17.6 26.3 26.3 27.0 24.3 29.4 17.1
29 30.8 30.8 30.9 30.9 33.4 24.3 30.0 30.0 30.1 30.1 32.3 23.9 29.1 29.1 29.1 29.1 31.1 23.4 27.9 27.9 28.0 28.0 29.7 22.9
32 32.6 32.6 32.6 32.6 33.6 30.2 31.7 31.7 31.8 31.8 32.6 29.8 30.7 30.7 30.7 30.7 31.3 29.4 29.6 29.6 29.6 29.6 30.0 28.9
24 28.0 28.0 30.5 21.1 33.3 12.9 27.3 27.3 29.6 20.7 32.1 12.5 26.4 26.4 28.4 20.3 30.8 12.0 25.3 25.3 27.1 19.2 29.3 11.6
8495 27 29.8 29.8 30.7 27.1 33.6 19.5 29.0 29.0 29.8 26.7 32.5 19.1 28.0 28.0 28.6 26.2 31.2 18.7 26.9 26.9 27.3 25.7 29.8 18.2
29 31.6 31.6 31.6 31.6 33.8 25.6 30.7 30.7 30.8 30.8 32.7 25.2 29.7 29.7 29.7 29.7 31.4 24.7 28.6 28.6 28.6 28.6 30.0 24.2
32 33.4 33.4 33.5 33.5 34.0 32.0 32.5 32.5 32.5 32.5 33.0 31.6 31.4 31.4 31.5 31.5 31.7 31.2 30.2 30.2 30.3 30.3 30.3 30.3
24 28.6 28.6 30.8 21.5 33.5 13.1 27.8 27.8 29.8 21.1 32.3 12.7 26.9 26.9 28.6 20.6 30.9 12.3 25.8 25.8 27.3 20.0 29.4 11.8
9345 27 30.4 30.4 31.0 28.4 33.9 20.3 29.6 29.6 30.1 28.0 32.7 19.9 28.6 28.6 28.9 27.5 31.4 19.5 27.4 27.4 27.6 27.0 30.0 19.0
29 32.2 32.2 32.3 32.3 34.1 26.8 31.3 31.3 31.4 31.4 32.9 26.4 30.3 30.3 30.3 30.3 31.6 25.9 29.1 29.1 29.1 29.1 30.2 25.3
32 34.1 34.1 34.1 34.1 34.4 33.8 33.2 33.2 33.2 33.2 33.2 33.2 32.1 32.1 32.1 32.1 32.1 32.1 30.8 30.8 30.9 30.9 30.9 30.9
24 29.1 29.1 31.0 22.2 33.7 13.3 28.3 28.3 30.0 21.8 32.4 12.9 27.3 27.3 28.8 21.3 31.1 12.5 26.1 26.1 27.5 20.7 29.5 12.0
10194 27 30.9 30.9 31.3 29.7 34.1 21.0 30.1 30.1 30.4 29.3 32.9 20.6 29.0 29.0 29.2 28.8 31.6 20.2 27.8 27.8 27.9 27.9 30.1 19.8
29 32.8 32.8 32.8 32.8 34.3 28.0 31.9 31.9 31.9 31.9 33.2 27.5 30.8 30.8 30.8 30.8 31.9 27.0 29.6 29.6 29.6 29.6 30.4 26.5
32 34.7 34.7 34.7 34.7 34.7 34.7 33.7 33.7 33.8 33.8 33.8 33.8 32.6 32.6 32.6 32.6 32.7 32.7 31.3 31.3 31.4 31.4 31.4 31.4
Equal TGC and SHC values constitute dry coil conditions. Total Gross Cooling (TGC) shown to the left is not applicable. In this case the Sensible Heat Capacity (SHC) is the total
capacity.
All capacities shown are gross and have not considered indoor fan heat.
To obtain net cooling capacities subtract indoor fan heat.
TGC = Total Gross Cooling Capacity
SHC = Sensible Heat Capacity

28 SS-PRC003-EN
Performance
Data System
Table PD-15 — Gross Cooling Capacities (MBh) TTA200B Condensing Unit with TWE200B Air Handler (I-P)
Ambient Temperature (°F)
85 95 105 115
Enter.
Dry Entering Wet Bulb (°F)
CFMBulb616773 61 6773616773616773
Airflow (°F) TGC SHC TGC SHC TGC SHC TGC SHC TGC SHC TGC SHC TGC SHC TGC SHC TGC SHC TGC SHC TGC SHC TGC SHC
75 203.5 160.6 224.5 134.3 247.0 91.4 195.8 156.6 215.9 130.8 237.4 88.1 187.6 152.4 207.0 127.2 227.3 84.6 179.2 148.2 197.8 123.5 216.6 81.0
6000 80 204.7 187.3 224.9 154.7 247.8 120.1 197.2 183.4 216.5 150.8 238.4 116.6 189.3 179.4 207.7 146.8 228.7 113.0 181.1 175.3 198.6 142.6 218.6 109.2
85 209.3 209.3 226.0 181.2 248.8 148.0 202.9 202.9 217.6 177.4 239.4 144.5 196.1 196.1 208.8 173.4 229.8 140.8 189.0 189.0 199.7 169.2 219.8 137.2
90 220.0 220.0 227.3 208.2 249.1 174.6 213.4 213.4 219.1 204.4 239.8 170.9 206.5 206.5 210.7 200.5 230.3 167.0 199.3 199.3 202.0 196.5 220.4 162.9
75 207.6 168.0 228.8 132.3 250.9 93.0 199.6 164.0 219.9 128.6 240.9 89.6 191.2 159.7 210.7 124.8 230.5 86.0 182.5 155.4 201.2 121.0 219.8 82.4
6675 80 209.3 197.5 229.3 161.5 252.0 124.2 201.6 193.5 220.5 157.5 242.3 120.6 193.6 189.5 211.4 153.4 232.3 117.0 185.4 185.3 202.1 149.2 221.9 113.2
85 216.3 216.3 230.4 190.6 253.1 154.7 209.6 209.6 221.6 186.6 243.5 151.1 202.4 202.4 212.6 182.6 232.8 146.5 195.0 195.0 203.3 178.4 222.5 142.3
90 227.5 227.5 232.3 220.2 253.6 183.3 220.6 220.6 224.0 216.4 244.0 179.4 213.3 213.3 215.4 212.5 234.1 175.5 205.7 205.7 205.9 205.9 223.9 171.4
75 211.1 175.1 232.2 136.8 254.0 94.7 202.8 171.0 223.1 133.1 243.7 91.2 194.2 166.7 213.7 129.3 233.2 87.5 185.3 162.3 203.0 124.3 222.2 83.7
7350 80 213.4 207.2 232.9 168.0 255.5 128.1 205.6 203.3 223.9 163.9 245.5 124.5 196.9 196.9 214.6 159.8 235.3 120.8 189.3 189.3 205.0 155.5 224.6 117.0
85 222.4 222.4 234.0 199.5 256.7 161.0 215.4 215.4 225.1 195.5 246.1 156.2 208.0 208.0 216.0 191.4 236.0 152.2 200.3 200.3 206.5 187.2 225.5 148.0
90 234.1 234.1 236.9 231.9 257.3 191.6 226.8 226.8 228.5 228.1 247.5 187.7 219.2 219.2 219.5 219.5 237.3 183.6 211.3 211.3 211.5 211.5 226.9 179.5
75 214.1 181.9 235.2 141.1 256.7 96.2 205.6 177.7 225.8 137.3 246.2 92.5 196.8 173.4 215.4 132.3 235.3 88.7 187.8 168.9 205.5 127.9 224.1 84.8
8025 80 217.3 216.7 236.0 174.2 258.5 131.8 208.9 208.9 226.8 170.1 248.3 128.1 201.4 201.4 217.3 165.8 237.8 124.4 193.6 193.6 207.5 161.5 226.9 120.6
85 227.9 227.9 237.3 208.1 259.2 165.7 220.6 220.6 228.3 204.1 249.1 161.8 212.9 212.9 218.9 200.0 238.7 157.7 204.9 204.9 209.4 195.7 228.0 153.4
90 239.9 239.9 240.1 240.1 260.5 199.6 232.4 232.4 232.6 232.6 250.4 195.6 224.5 224.5 224.7 224.7 240.1 191.5 216.3 216.3 216.5 216.5 229.4 187.3
Equal TGC and SHC values constitute dry coil conditions. Total Gross Cooling (TGC) shown to the left is not applicable. In this case the Sensible Heat Capacity (SHC) is the total
capacity.
All capacities shown are gross and have not considered indoor fan heat.
To obtain net cooling capacities subtract indoor fan heat.
TGC = Total Gross Cooling Capacity
SHC = Sensible Heat Capacity
Table PD-15 — Gross Cooling Capacities (MBh) TTA200B Condensing Unit with TWE200B Air Handler (SI)
Ambient Temperature (°C)
29.4 35.0 40.6 46.1
Enter.
Dry Entering Wet Bulb (°C)
m3/h Bulb 16.1 19.4 22.8 16.1 19.4 22.8 16.1 19.4 22.8 16.1 19.4 22.8
Airflow (°C) TGC SHC TGC SHC TGC SHC TGC SHC TGC SHC TGC SHC TGC SHC TGC SHC TGC SHC TGC SHC TGC SHC TGC SHC
24 59.6 47.0 65.7 39.3 72.3 26.8 57.3 45.8 63.2 38.3 69.5 25.8 54.9 44.6 60.6 37.3 66.5 24.8 52.5 43.4 57.9 36.2 63.4 23.7
10194 27 59.9 54.8 65.9 45.3 72.5 35.2 57.7 53.7 63.4 44.2 69.8 34.1 55.4 52.5 60.8 43.0 67.0 33.1 53.0 51.3 58.1 41.8 64.0 32.0
29 61.3 61.3 66.2 53.1 72.8 43.3 59.4 59.4 63.7 51.9 70.1 42.3 57.4 57.4 61.1 50.8 67.3 41.2 55.3 55.3 58.5 49.6 64.3 40.2
32 64.4 64.4 66.6 61.0 72.9 51.1 62.5 62.5 64.2 59.8 70.2 50.0 60.5 60.5 61.7 58.7 67.4 48.9 58.3 58.3 59.1 57.5 64.5 47.7
24 60.8 49.2 67.0 38.7 73.5 27.2 58.4 48.0 64.4 37.7 70.5 26.2 56.0 46.8 61.7 36.6 67.5 25.2 53.4 45.5 58.9 35.4 64.3 24.1
11341 27 61.3 57.8 67.1 47.3 73.8 36.4 59.0 56.7 64.6 46.1 71.0 35.3 56.7 55.5 61.9 44.9 68.0 34.2 54.3 54.3 59.2 43.7 65.0 33.2
29 63.3 63.3 67.5 55.8 74.1 45.3 61.4 61.4 64.9 54.6 71.3 44.2 59.3 59.3 62.2 53.5 68.2 42.9 57.1 57.1 59.5 52.2 65.2 41.7
32 66.6 66.6 68.0 64.5 74.2 53.7 64.6 64.6 65.6 63.4 71.5 52.5 62.4 62.4 63.1 62.2 68.6 51.4 60.2 60.2 60.3 60.3 65.6 50.2
24 61.8 51.3 68.0 40.1 74.4 27.7 59.4 50.1 65.3 39.0 71.4 26.7 56.9 48.8 62.6 37.8 68.3 25.6 54.3 47.5 59.4 36.4 65.0 24.5
12488 27 62.5 60.7 68.2 49.2 74.8 37.5 60.2 59.5 65.6 48.0 71.9 36.4 57.6 57.6 62.8 46.8 68.9 35.4 55.4 55.4 60.0 45.5 65.8 34.3
29 65.1 65.1 68.5 58.4 75.2 47.1 63.1 63.1 65.9 57.2 72.1 45.7 60.9 60.9 63.2 56.0 69.1 44.6 58.6 58.6 60.5 54.8 66.0 43.3
32 68.5 68.5 69.4 67.9 75.3 56.1 66.4 66.4 66.9 66.8 72.5 55.0 64.2 64.2 64.3 64.3 69.5 53.8 61.9 61.9 61.9 61.9 66.4 52.6
24 62.7 53.3 68.9 41.3 75.2 28.2 60.2 52.0 66.1 40.2 72.1 27.1 57.6 50.8 63.1 38.7 68.9 26.0 55.0 49.5 60.2 37.5 65.6 24.8
13634 27 63.6 63.5 69.1 51.0 75.7 38.6 61.2 61.2 66.4 49.8 72.7 37.5 59.0 59.0 63.6 48.6 69.6 36.4 56.7 56.7 60.7 47.3 66.4 35.3
29 66.7 66.7 69.5 60.9 75.9 48.5 64.6 64.6 66.8 59.8 72.9 47.4 62.3 62.3 64.1 58.6 69.9 46.2 60.0 60.0 61.3 57.3 66.8 44.9
32 70.2 70.2 70.3 70.3 76.3 58.4 68.0 68.0 68.1 68.1 73.3 57.3 65.7 65.7 65.8 65.8 70.3 56.1 63.3 63.3 63.4 63.4 67.2 54.9
Equal TGC and SHC values constitute dry coil conditions. Total Gross Cooling (TGC) shown to the left is not applicable. In this case the Sensible Heat Capacity (SHC) is the total
capacity.
All capacities shown are gross and have not considered indoor fan heat.
To obtain net cooling capacities subtract indoor fan heat.
TGC = Total Gross Cooling Capacity
SHC = Sensible Heat Capacity

29SS-PRC003-EN
Performance
Data Condensing Unit
Table PD-16 — Cooling Performance (MBh) TTA075A Condensing Unit Only (I-P)
OD Temp Suction Reference Temperature °F
°F 30 35 40 45 50 55
Head press PSIG 161 167 172 178 184 190
65 Cap. Btuh/1000 72.3 80.0 88.0 96.3 104.9 113.5
OD Unit KW 4.91 5.01 5.12 5.24 5.37 5.50
Head press PSIG 187 193 198 205 211 217
75 Cap. Btuh/1000 70.4 77.8 85.4 93.2 101.1 109.1
OD Unit KW 5.40 5.51 5.63 5.76 5.89 6.03
Head press PSIG 215 221 227 233 240 247
85 Cap. Btuh/1000 67.7 74.7 81.9 89.3 96.8 104.4
OD Unit KW 5.97 6.10 6.23 6.37 6.50 6.65
Head press PSIG 245 251 258 265 271 279
95 Cap. Btuh/1000 64.5 71.1 77.9 84.9 91.9 99.1
OD Unit KW 6.65 6.78 6.91 7.05 7.19 7.34
Head press PSIG 278 284 291 298 305 313
105 Cap. Btuh/1000 60.7 66.9 73.3 79.8 86.5 93.3
OD Unit KW 7.40 7.53 7.66 7.80 7.94 8.09
Head press PSIG 313 320 327 334 341 349
115 Cap. Btuh/1000 56.4 62.2 68.2 74.4 80.7 87.2
OD Unit KW 8.23 8.35 8.48 8.62 8.76 8.91
Performance Data Calculated at 15 deg. subcooling and 15 deg. superheat.
Table PD-16 — Cooling Performance (kW) TTA075A Condensing Unit Only (SI)
OD Te mp Suction Reference Temperature °C
°C -1.1 1.7 4.4 7.2 10.0 12.8
Head pressure (kPA) 1113 1149 1187 1228 1270 1313
18.3 Capacity (kW) 21.2 23.4 25.8 28.2 30.7 33.2
OD Unit Power (kW) 4.91 5.01 5.12 5.24 5.37 5.50
Head pressure (kPA) 1290 1328 1368 1410 1453 1498
23.9 Capacity (kW) 20.6 22.8 25.0 27.3 29.6 32.0
OD Unit Power (kW) 5.40 5.51 5.63 5.76 5.89 6.03
Head pressure (kPA) 1481 1522 1565 1609 1654 1701
29.4 Capacity (kW) 19.8 21.9 24.0 26.2 28.3 30.6
OD Unit Power (kW) 5.97 6.10 6.23 6.37 6.50 6.65
Head pressure (kPA) 1690 1733 1778 1824 1871 1921
35.0 Capacity (kW) 18.9 20.8 22.8 24.8 26.9 29.0
OD Unit Power (kW) 6.65 6.78 6.91 7.05 7.19 7.34
Head pressure (kPA) 1915 1960 2007 2055 2104 2156
40.6 Capacity (kW) 17.8 19.6 21.5 23.4 25.3 27.3
OD Unit Power (kW) 7.40 7.53 7.66 7.80 7.94 8.09
Head pressure (kPA) 2156 2203 2251 2301 2353 2407
46.1 Capacity (kW) 16.5 18.2 20.0 21.8 23.6 25.5
OD Unit Power (kW) 8.23 8.35 8.48 8.62 8.76 8.91
Performance Data Calculated at 8.3 deg. subcooling and 8.3 deg. superheat.

30 SS-PRC003-EN
Performance
Data Condensing Unit
Table PD-17 — Cooling Performance (MBh) TTA085A Condensing Unit Only (I-P)
OD Temp Suction Reference Temperature °F
°F 30 35 40 45 50 55
Head press PSIG 154 159 164 169 175 180
65 Cap. Btuh/1000 82.0 90.5 99.4 108.7 118.4 128.5
OD Unit KW 4.93 5.03 5.13 5.24 5.36 5.49
Head press PSIG 178 183 188 194 199 205
75 Cap. Btuh/1000 78.5 86.5 94.9 103.8 113.0 122.7
OD Unit KW 5.41 5.51 5.63 5.75 5.88 6.02
Head press PSIG 205 210 215 221 227 233
85 Cap. Btuh/1000 74.7 82.3 90.3 98.7 107.6 116.9
OD Unit KW 6.00 6.11 6.23 6.36 6.49 6.64
Head press PSIG 234 239 245 251 257 264
95 Cap. Btuh/1000 70.7 77.9 85.5 93.6 102.1 111.0
OD Unit KW 6.69 6.80 6.93 7.07 7.22 7.37
Head press PSIG 265 271 277 283 290 297
105 Cap. Btuh/1000 66.4 73.3 80.7 88.4 96.6 105.0
OD Unit KW 7.48 7.61 7.74 7.89 8.04 8.20
Head press PSIG 300 306 312 319 326 333
115 Cap. Btuh/1000 61.9 68.6 75.7 83.2 91.0 99.1
OD Unit KW 8.37 8.51 8.66 8.81 8.97 9.13
Performance Data Calculated at 15 deg. subcooling and 15 deg. superheat.
Table PD-17 — Cooling Performance (kW) TTA085A Condensing Unit Only (SI)
OD Temp Suction Reference Temperature °C
°C -1.1 1.7 4.4 7.2 10.0 12.8
Head pressure (kPA) 1063 1095 1129 1165 1203 1244
18.3 Capacity (kW) 24.0 26.5 29.1 31.8 34.7 37.6
OD Unit Power (kW) 4.93 5.03 5.13 5.24 5.36 5.49
Head pressure (kPA) 1229 1262 1297 1334 1374 1416
23.9 Capacity (kW) 23.0 25.3 27.8 30.4 33.1 35.9
OD Unit Power (kW) 5.41 5.51 5.63 5.75 5.88 6.02
Head pressure (kPA) 1412 1446 1482 1521 1563 1607
29.4 Capacity (kW) 21.9 24.1 26.4 28.9 31.5 34.2
OD Unit Power (kW) 6.00 6.11 6.23 6.36 6.49 6.64
Head pressure (kPA) 1612 1648 1686 1727 1771 1817
35.0 Capacity (kW) 20.7 22.8 25.0 27.4 29.9 32.5
OD Unit Power (kW) 6.69 6.80 6.93 7.07 7.22 7.37
Head pressure (kPA) 1830 1869 1910 1953 1999 2047
40.6 Capacity (kW) 19.4 21.5 23.6 25.9 28.3 30.8
OD Unit Power (kW) 7.48 7.61 7.74 7.89 8.04 8.20
Head pressure (kPA) 2067 2109 2153 2199 2246 2297
46.1 Capacity (kW) 18.1 20.1 22.2 24.4 26.6 29.0
OD Unit Power (kW) 8.37 8.51 8.66 8.81 8.97 9.13
Performance Data Calculated at 8.3 deg. subcooling and 8.3 deg. superheat.

31SS-PRC003-EN
Performance
Data Condensing Unit
Table PD-18 — Cooling Performance (MBh) TTA100A Condensing Unit Only (I-P)
OD Temp Suction Reference Temperature °F
°F 30 35 40 45 50 55
Head press PSIG 166 172 178 185 192 200
65 Cap. Btuh/1000 101.6 111.9 122.6 133.8 145.5 157.6
OD Unit KW 6.30 6.46 6.63 6.81 7.01 7.22
Head press PSIG 191 197 203 210 218 226
75 Cap. Btuh/1000 97.1 106.8 116.9 127.6 138.7 150.3
OD Unit KW 6.95 7.12 7.30 7.50 7.71 7.94
Head press PSIG 218 224 231 238 246 254
85 Cap. Btuh/1000 92.3 101.4 111.1 121.3 131.9 143.0
OD Unit KW 7.73 7.91 8.11 8.32 8.55 8.79
Head press PSIG 248 254 261 269 277 286
95 Cap. Btuh/1000 87.1 95.8 105.1 114.8 125.0 135.7
OD Unit KW 8.64 8.83 9.04 9.27 9.50 9.75
Head press PSIG 280 287 294 302 311 320
105 Cap. Btuh/1000 81.6 90.1 99.0 108.4 118.1 128.3
OD Unit KW 9.66 9.87 10.10 10.34 10.59 10.84
Head press PSIG 315 322 330 339 348 357
115 Cap. Btuh/1000 76.0 84.1 92.8 101.8 111.1 120.8
OD Unit KW 10.80 11.04 11.28 11.54 11.79 12.05
Performance Data Calculated at 15 deg. subcooling and 15 deg. superheat.
Table PD-18 — Cooling Performance (kW) TTA100A Condensing Unit Only (SI)
OD Temp Suction Reference Temperature °C
°C -1.1 1.7 4.4 7.2 10.0 12.8
Head pressure (kPA) 1146 1187 1230 1276 1326 1378
18.3 Capacity (kW) 29.8 32.8 35.9 39.2 42.6 46.1
OD Unit Power (kW) 6.30 6.46 6.63 6.81 7.01 7.22
Head pressure (kPA) 1316 1358 1402 1450 1501 1556
23.9 Capacity (kW) 28.4 31.3 34.2 37.4 40.6 44.0
OD Unit Power (kW) 6.95 7.12 7.30 7.50 7.71 7.94
Head pressure (kPA) 1502 1546 1593 1643 1696 1753
29.4 Capacity (kW) 27.0 29.7 32.5 35.5 38.6 41.9
OD Unit Power (kW) 7.73 7.91 8.11 8.32 8.55 8.79
Head pressure (kPA) 1707 1753 1802 1854 1910 1969
35.0 Capacity (kW) 25.5 28.1 30.8 33.6 36.6 39.7
OD Unit Power (kW) 8.64 8.83 9.04 9.27 9.50 9.75
Head pressure (kPA) 1929 1977 2030 2085 2144 2205
40.6 Capacity (kW) 23.9 26.4 29.0 31.7 34.6 37.6
OD Unit Power (kW) 9.66 9.87 10.10 10.34 10.59 10.84
Head pressure (kPA) 2169 2221 2277 2335 2397 2461
46.1 Capacity (kW) 22.2 24.6 27.2 29.8 32.5 35.4
OD Unit Power (kW) 10.80 11.04 11.28 11.54 11.79 12.05
Performance Data Calculated at 8.3 deg. subcooling and 8.3 deg. superheat.

32 SS-PRC003-EN
Performance
Data Condensing Unit
Table PD-19 — Cooling Performance (MBh) TTA100B Condensing Unit Only (I-P)
OD Te mp Suction Reference Temperature °F
°F 30 35 40 45 50 55
Head press PSIG 159 163 169 174 180 186
65 Cap. Btuh/1000 99.0 108.9 119.2 130.1 141.5 153.4
OD Unit KW 6.08 6.30 6.54 6.81 7.10 7.43
Head press PSIG 184 189 194 200 207 214
75 Cap. Btuh/1000 94.4 103.9 114.0 124.5 135.5 147.1
OD Unit KW 6.66 6.90 7.16 7.45 7.77 8.11
Head press PSIG 211 217 223 229 236 243
85 Cap. Btuh/1000 89.6 98.8 108.6 118.7 129.4 140.5
OD Unit KW 7.35 7.60 7.88 8.19 8.52 8.89
Head press PSIG 241 247 254 261 268 276
95 Cap. Btuh/1000 84.8 93.7 103.0 112.8 123.1 133.7
OD Unit KW 8.16 8.42 8.71 9.03 9.37 9.75
Head press PSIG 274 281 288 295 303 311
105 Cap. Btuh/1000 79.8 88.4 97.4 106.8 116.5 126.6
OD Unit KW 9.08 9.34 9.64 9.96 10.31 10.68
Head press PSIG 310 317 324 332 340 348
115 Cap. Btuh/1000 74.8 83.1 91.6 100.6 109.8 119.3
OD Unit KW 10.10 10.37 10.66 10.98 11.33 11.70
Performance Data Calculated at 15 deg. subcooling and 15 deg. superheat.
Table PD-19 — Cooling Performance (kW) TTA100B Condensing Unit Only (SI)
OD Te mp Suction Reference Temperature °C
°C -1.1 1.7 4.4 7.2 10.0 12.8
Head pressure (kPA) 1094 1127 1163 1201 1241 1285
18.3 Capacity (kW) 29.0 31.9 34.9 38.1 41.4 44.9
OD Unit Power (kW) 6.08 6.30 6.54 6.81 7.10 7.43
Head pressure (kPA) 1266 1302 1341 1382 1426 1473
23.9 Capacity (kW) 27.6 30.4 33.4 36.5 39.7 43.1
OD Unit Power (kW) 6.66 6.90 7.16 7.45 7.77 8.11
Head pressure (kPA) 1455 1494 1536 1581 1628 1678
29.4 Capacity (kW) 26.2 28.9 31.8 34.8 37.9 41.1
OD Unit Power (kW) 7.35 7.60 7.88 8.19 8.52 8.89
Head pressure (kPA) 1663 1705 1750 1798 1848 1901
35.0 Capacity (kW) 24.8 27.4 30.2 33.0 36.0 39.1
OD Unit Power (kW) 8.16 8.42 8.71 9.03 9.37 9.75
Head pressure (kPA) 1889 1934 1983 2033 2087 2142
40.6 Capacity (kW) 23.4 25.9 28.5 31.3 34.1 37.1
OD Unit Power (kW) 9.08 9.34 9.64 9.96 10.31 10.68
Head pressure (kPA) 2134 2183 2234 2288 2344 2402
46.1 Capacity (kW) 21.9 24.3 26.8 29.5 32.2 34.9
OD Unit Power (kW) 10.10 10.37 10.66 10.98 11.33 11.70
Performance Data Calculated at 8.3 deg. subcooling and 8.3 deg. superheat.

33SS-PRC003-EN
Table PD-20 — Gross Cooling Capacities (MBh) - Both Compressors - (I-P)
TTA100C Condensing Unit Only
OD Temp Suction Reference Temperature °F
°F 30 35 40 45 50 55
Head press PSIG 168.5 174.3 180.4 187.0 193.9 201.2
65 Cap. Btuh/1000 100.5 110.4 120.9 131.8 143.2 154.9
OD Unit KW 6.3 6.5 6.8 7.1 7.4 7.8
Head press PSIG 192.9 198.9 205.3 212.2 219.3 226.8
75 Cap. Btuh/1000 95.7 105.3 115.5 126.0 136.9 148.0
OD Unit KW 6.9 7.1 7.4 7.8 8.1 8.5
Head press PSIG 219.7 226.1 232.9 240.1 247.6 255.4
85 Cap. Btuh/1000 90.8 100.1 109.9 120.0 130.5 141.1
OD Unit KW 7.6 7.9 8.2 8.5 8.8 9.2
Head press PSIG 249.5 256.3 263.4 270.9 278.7 286.8
95 Cap. Btuh/1000 85.9 94.9 104.2 113.9 123.9 133.9
OD Unit KW 8.4 8.7 9.0 9.3 9.7 10.1
Head press PSIG 282.0 289.1 296.6 304.4 312.5 320.8
105 Cap. Btuh/1000 80.9 89.5 98.5 107.7 117.1 126.6
OD Unit KW 9.3 9.6 9.9 10.2 10.6 11.0
Head press PSIG 317.4 324.9 332.7 340.7 349.0 357.6
115 Cap. Btuh/1000 75.8 84.1 92.6 101.3 110.2 119.1
OD Unit KW 10.4 10.6 10.9 11.3 11.6 12.0
Performance Data Calculated at 15 deg. subcooling and 15 deg. superheat.
Performance
Data Condensing Unit
Table PD-20 — Gross Cooling Capacities (kW) - Both Compressors - (SI)
TTA100C Condensing Unit Only
OD Te mp Suction Reference Temperature °C
°C -1.1 1.7 4.4 7.2 10.0 12.8
Head pressure (kPA) 1162 1202 1244 1289 1337 1387
18.3 Capacity (kW) 29.4 32.3 35.4 38.6 41.9 45.4
OD Unit Power (kW) 6.30 6.54 6.82 7.12 7.45 7.80
Head pressure (kPA) 1330 1372 1416 1463 1512 1564
23.9 Capacity (kW) 28.0 30.8 33.8 36.9 40.1 43.3
OD Unit Power (kW) 6.89 7.15 7.43 7.75 8.09 8.46
Head pressure (kPA) 1515 1559 1606 1656 1708 1761
29.4 Capacity (kW) 26.6 29.3 32.2 35.1 38.2 41.3
OD Unit Power (kW) 7.58 7.86 8.16 8.48 8.84 9.22
Head pressure (kPA) 1720 1767 1816 1868 1921 1977
35.0 Capacity (kW) 25.2 27.8 30.5 33.4 36.3 39.2
OD Unit Power (kW) 8.40 8.68 8.98 9.31 9.67 10.06
Head pressure (kPA) 1944 1994 2045 2099 2154 2212
40.6 Capacity (kW) 23.7 26.2 28.8 31.5 34.3 37.1
OD Unit Power (kW) 9.32 9.60 9.91 10.24 10.60 10.98
Head pressure (kPA) 2188 2240 2294 2349 2407 2466
46.1 Capacity (kW) 22.2 24.6 27.1 29.7 32.3 34.9
OD Unit Power (kW) 10.35 10.63 10.93 11.25 11.60 11.98
Performance Data Calculated at 8.3 deg. subcooling and 8.3 deg. superheat.

34 SS-PRC003-EN
Performance
Data Condensing Unit
Table PD-21 — Gross Cooling Capacities (MBh) - Single Compressor - (I-P)
TTA100C Condensing Unit Only
OD Temp Suction Reference Temperature °F
°F 30 35 40 45 50 55
Head press PSIG 138.6 141.3 144.1 147.0 150.1 153.4
65 Cap. Btuh/1000 51.3 56.5 61.9 67.7 73.7 80.1
OD Unit KW 3.1 3.2 3.3 3.4 3.5 3.6
Head press PSIG 161.5 164.4 167.3 170.4 173.7 177.2
75 Cap. Btuh/1000 48.9 54.0 59.3 64.9 70.8 77.0
OD Unit KW 3.4 3.4 3.5 3.7 3.8 3.9
Head press PSIG 186.8 189.9 193.0 196.3 199.8 203.4
85 Cap. Btuh/1000 46.5 51.4 56.6 62.1 67.8 73.8
OD Unit KW 3.7 3.7 3.8 4.0 4.1 4.2
Head press PSIG 214.8 218.1 221.4 225.0 228.6 232.3
95 Cap. Btuh/1000 44.1 48.8 53.8 59.1 64.6 70.4
OD Unit KW 4.0 4.1 4.2 4.3 4.4 4.6
Head press PSIG 245.6 249.1 252.7 256.4 260.2 264.2
105 Cap. Btuh/1000 41.6 46.1 51.0 56.1 61.4 66.8
OD Unit KW 4.4 4.5 4.6 4.7 4.9 5.0
Head press PSIG 279.4 283.0 286.8 290.7 294.7 298.9
115 Cap. Btuh/1000 39.0 43.4 48.1 52.9 58.0 63.2
OD Unit KW 4.9 5.0 5.1 5.2 5.3 5.5
Performance Data Calculated at 15 deg. subcooling and 15 deg. superheat.
Table PD-21 — Gross Cooling Capacities (kW) - Single Compressor - (SI)
TTA100C Condensing Unit Only
OD Temp Suction Reference Temperature °C
°C -1.1 1.7 4.4 7.2 10.0 12.8
Head pressure (kPA) 956 974 994 1014 1035 1057
18.3 Capacity (kW) 15.0 16.5 18.1 19.8 21.6 23.4
OD Unit Power (kW) 3.13 3.21 3.30 3.39 3.50 3.62
Head pressure (kPA) 1114 1133 1154 1175 1198 1222
23.9 Capacity (kW) 14.3 15.8 17.4 19.0 20.7 22.6
OD Unit Power (kW) 3.36 3.45 3.54 3.65 3.77 3.89
Head pressure (kPA) 1288 1309 1331 1354 1378 1402
29.4 Capacity (kW) 13.6 15.1 16.6 18.2 19.9 21.6
OD Unit Power (kW) 3.65 3.74 3.85 3.96 4.08 4.21
Head pressure (kPA) 1481 1504 1527 1551 1576 1602
35.0 Capacity (kW) 12.9 14.3 15.8 17.3 18.9 20.6
OD Unit Power (kW) 4.01 4.10 4.20 4.32 4.44 4.58
Head pressure (kPA) 1694 1717 1742 1768 1794 1821
40.6 Capacity (kW) 12.2 13.5 14.9 16.4 18.0 19.6
OD Unit Power (kW) 4.42 4.51 4.62 4.73 4.86 5.00
Head pressure (kPA) 1926 1951 1977 2004 2032 2061
46.1 Capacity (kW) 11.4 12.7 14.1 15.5 17.0 18.5
OD Unit Power (kW) 4.89 4.98 5.08 5.20 5.32 5.46
Performance Data Calculated at 8.3 deg. subcooling and 8.3 deg. superheat.

35SS-PRC003-EN
Table PD-22 — Cooling Performance (MBh) TTA125B Condensing Unit Only (I-P)
OD Temp Suction Reference Temperature °F
°F 30 35 40 45 50 55
Head press PSIG 175 181 187 193 200 207
65 Cap. Btuh/1000 116.6 128.0 139.9 152.2 164.9 178.1
OD Unit KW 8.04 8.25 8.47 8.70 8.95 9.20
Head press PSIG 201 207 214 221 228 235
75 Cap. Btuh/1000 111.2 122.1 133.4 145.2 157.5 170.0
OD Unit KW 8.83 9.06 9.29 9.53 9.79 10.06
Head press PSIG 230 237 244 251 259 267
85 Cap. Btuh/1000 105.6 116.0 126.9 138.1 149.8 161.8
OD Unit KW 9.73 9.97 10.22 10.48 10.75 11.02
Head press PSIG 262 269 276 284 292 300
95 Cap. Btuh/1000 99.9 109.7 120.0 130.8 141.8 153.2
OD Unit KW 10.73 10.98 11.25 11.52 11.80 12.09
Head press PSIG 296 304 311 320 328 337
105 Cap. Btuh/1000 94.0 103.2 113.0 123.1 133.6 144.5
OD Unit KW 11.83 12.09 12.37 12.66 12.95 13.26
Head press PSIG 334 341 349 358 367 376
115 Cap. Btuh/1000 87.9 96.6 105.7 115.2 125.2 135.5
OD Unit KW 13.02 13.30 13.59 13.89 14.20 14.52
Performance Data Calculated at 15 deg. subcooling and 15 deg. superheat.
Performance
Data Condensing Unit
Table PD-22 — Cooling Performance (kW) TTA125B Condensing Unit Only (SI)
OD Temp Suction Reference Temperature °C
°C -1.1 1.7 4.4 7.2 10.0 12.8
Head pressure (kPA) 1205 1245 1287 1331 1377 1425
18.3 Capacity (kW) 34.1 37.5 41.0 44.6 48.3 52.1
OD Unit Power (kW) 8.04 8.25 8.47 8.70 8.95 9.20
Head pressure (kPA) 1387 1430 1474 1521 1571 1623
23.9 Capacity (kW) 32.6 35.8 39.1 42.5 46.1 49.8
OD Unit Power (kW) 8.83 9.06 9.29 9.53 9.79 10.06
Head pressure (kPA) 1587 1633 1681 1731 1783 1838
29.4 Capacity (kW) 30.9 34.0 37.2 40.4 43.9 47.4
OD Unit Power (kW) 9.73 9.97 10.22 10.48 10.75 11.02
Head pressure (kPA) 1806 1855 1905 1958 2013 2071
35.0 Capacity (kW) 29.2 32.1 35.2 38.3 41.5 44.9
OD Unit Power (kW) 10.73 10.98 11.25 11.52 11.80 12.09
Head pressure (kPA) 2044 2095 2148 2203 2261 2322
40.6 Capacity (kW) 27.5 30.2 33.1 36.0 39.1 42.3
OD Unit Power (kW) 11.83 12.09 12.37 12.66 12.95 13.26
Head pressure (kPA) 2301 2354 2409 2466 2527 2591
46.1 Capacity (kW) 25.7 28.3 30.9 33.7 36.7 39.7
OD Unit Power (kW) 13.02 13.30 13.59 13.89 14.20 14.52
Performance Data Calculated at 8.3 deg. subcooling and 8.3 deg. superheat.

36 SS-PRC003-EN
Performance
Data Condensing Unit
Table PD-23 — Cooling Performance (MBh) TTA155B Condensing Unit Only (I-P)
OD Te mp Suction Reference Temperature °F
°F 30 35 40 45 50 55
Head press PSIG 171 178 185 192 200 208
65 Cap. Btuh/1000 144.5 159.5 175.1 191.3 207.8 225.0
OD Unit KW 9.84 10.10 10.37 10.67 11.00 11.35
Head press PSIG 197 204 211 218 227 235
75 Cap. Btuh/1000 140.1 154.4 169.2 184.4 200.2 216.4
OD Unit KW 10.85 11.13 11.43 11.74 12.09 12.45
Head press PSIG 225 232 239 247 256 265
85 Cap. Btuh/1000 134.4 148.0 162.0 176.4 191.4 206.7
OD Unit KW 12.02 12.32 12.64 12.97 13.32 13.70
Head press PSIG 255 263 270 278 287 297
95 Cap. Btuh/1000 127.6 140.5 153.7 167.3 181.5 196.1
OD Unit KW 13.38 13.68 14.00 14.33 14.70 15.08
Head press PSIG 288 296 303 312 321 331
105 Cap. Btuh/1000 119.9 132.0 144.4 157.3 170.7 184.6
OD Unit KW 14.89 15.19 15.50 15.83 16.19 16.58
Head press PSIG 323 331 339 347 357 367
115 Cap. Btuh/1000 111.3 122.6 134.3 146.4 159.1 172.4
OD Unit KW 16.56 16.84 17.14 17.45 17.81 18.20
Performance Data Calculated at 15 deg. subcooling and 15 deg. superheat.
Table PD-23 — Cooling Performance (kW) TTA155B Condensing Unit Only (SI)
OD Te mp Suction Reference Temperature °C
°C -1.1 1.7 4.4 7.2 10.0 12.8
Head pressure (kPA) 1180 1225 1273 1324 1378 1436
18.3 Capacity (kW) 42.3 46.7 51.3 56.0 60.8 65.9
OD Unit Power (kW) 9.84 10.10 10.37 10.67 11.00 11.35
Head pressure (kPA) 1357 1404 1454 1506 1563 1623
23.9 Capacity (kW) 41.0 45.2 49.5 54.0 58.6 63.4
OD Unit Power (kW) 10.85 11.13 11.43 11.74 12.09 12.45
Head pressure (kPA) 1550 1599 1651 1705 1764 1826
29.4 Capacity (kW) 39.4 43.3 47.4 51.7 56.0 60.5
OD Unit Power (kW) 12.02 12.32 12.64 12.97 13.32 13.70
Head pressure (kPA) 1760 1811 1864 1920 1981 2045
35.0 Capacity (kW) 37.4 41.1 45.0 49.0 53.1 57.4
OD Unit Power (kW) 13.38 13.68 14.00 14.33 14.70 15.08
Head pressure (kPA) 1986 2038 2093 2150 2213 2280
40.6 Capacity (kW) 35.1 38.6 42.3 46.0 50.0 54.1
OD Unit Power (kW) 14.89 15.19 15.50 15.83 16.19 16.58
Head pressure (kPA) 2228 2282 2337 2396 2461 2530
46.1 Capacity (kW) 32.6 35.9 39.3 42.9 46.6 50.5
OD Unit Power (kW) 16.56 16.84 17.14 17.45 17.81 18.20
Performance Data Calculated at 8.3 deg. subcooling and 8.3 deg. superheat.

37SS-PRC003-EN
Performance
Data Condensing Unit
Table PD-24 — Gross Cooling Capacities (MBh) - Both Compressors - (I-P)
TTA155C Condensing Unit Only
OD Te mp Suction Reference Temperature °F
°F 30 35 40 45 50 55
Head press. PSIG 169.8 176.2 183.0 190.1 197.8 206.0
65 Cap. Btuh/1000 144.3 159.3 175.0 191.1 207.7 224.9
OD Unit KW 9.8 10.0 10.3 10.6 10.9 11.3
Head press. PSIG 195.5 202.2 209.2 216.8 224.9 233.4
75 Cap. Btuh/1000 140.0 154.3 169.1 184.4 200.2 216.4
OD Unit KW 10.8 11.1 11.4 11.7 12.0 12.4
Head press. PSIG 223.5 230.5 237.9 245.9 254.3 263.0
85 Cap. Btuh/1000 134.2 147.9 161.9 176.5 191.4 206.8
OD Unit KW 12.0 12.3 12.6 12.9 13.3 13.6
Head press. PSIG 253.9 261.2 269.0 277.2 285.9 294.9
95 Cap. Btuh/1000 127.5 140.3 153.7 167.4 181.6 196.2
OD Unit KW 13.3 13.6 13.9 14.3 14.6 15.0
Head press. PSIG 286.6 294.1 302.2 310.8 319.8 329.0
105 Cap. Btuh/1000 119.7 131.8 144.3 157.3 170.8 184.6
OD Unit KW 14.8 15.1 15.4 15.8 16.1 16.5
Head press. PSIG 321.6 329.3 337.7 346.5 355.9 365.5
115 Cap. Btuh/1000 111.1 122.4 134.2 146.5 159.2 172.4
OD Unit KW 16.5 16.8 17.1 17.4 17.8 18.1
Performance Data Calculated at 15 deg. subcooling and 15 deg. superheat.
Table PD-24 — Gross Cooling Capacities (kW) - Both Compressors - (SI)
TTA155C Condensing Unit Only
OD Te mp Suction Reference Temperature °C
°C -1.1 1.7 4.4 7.2 10.0 12.8
Head pressure (kPA) 1171 1215 1262 1311 1364 1421
18.3 Capacity (kW) 42.3 46.6 51.2 56.0 60.8 65.9
OD Unit Power (kW) 9.79 10.04 10.31 10.60 10.92 11.26
Head pressure (kPA) 1348 1394 1443 1495 1551 1609
23.9 Capacity (kW) 41.0 45.2 49.5 54.0 58.6 63.4
OD Unit Power (kW) 10.79 11.07 11.36 11.68 12.02 12.37
Head pressure (kPA) 1541 1589 1640 1695 1753 1813
29.4 Capacity (kW) 39.3 43.3 47.4 51.7 56.1 60.5
OD Unit Power (kW) 11.97 12.26 12.57 12.91 13.26 13.62
Head pressure (kPA) 1751 1801 1854 1911 1971 2034
35.0 Capacity (kW) 37.3 41.1 45.0 49.0 53.2 57.4
OD Unit Power (kW) 13.32 13.62 13.94 14.28 14.63 15.01
Head pressure (kPA) 1976 2028 2084 2143 2205 2269
40.6 Capacity (kW) 35.0 38.6 42.3 46.1 50.0 54.0
OD Unit Power (kW) 14.83 15.12 15.44 15.78 16.14 16.51
Head pressure (kPA) 2217 2270 2328 2389 2454 2520
46.1 Capacity (kW) 32.5 35.8 39.3 42.9 46.6 50.5
OD Unit Power (kW) 16.49 16.77 17.08 17.41 17.77 18.14
Performance Data Calculated at 8.3 deg. subcooling and 8.3 deg. superheat.

38 SS-PRC003-EN
Performance
Data Condensing Unit
Table PD-25 — Cooling Performance (MBh) - Single Compressor - (I-P)
TTA155C Condensing Unit Only
OD Te mp Suction Reference Temperature °F
°F 30 35 40 45 50 55
Head press. PSIG 139.0 141.9 145.1 148.5 152.1 155.9
65 Cap. Btuh/1000 71.8 79.5 87.9 96.8 106.2 116.1
OD Unit KW 4.9 4.9 5.0 5.1 5.1 5.2
Head press. PSIG 163.0 166.2 169.6 173.1 176.9 180.8
75 Cap. Btuh/1000 70.8 78.4 86.5 95.1 104.0 113.3
OD Unit KW 5.3 5.3 5.4 5.5 5.6 5.7
Head press. PSIG 189.4 192.8 196.4 200.1 204.0 208.0
85 Cap. Btuh/1000 68.9 76.4 84.2 92.4 100.9 109.6
OD Unit KW 5.8 5.9 5.9 6.0 6.1 6.2
Head press. PSIG 218.1 221.8 225.6 229.5 233.6 237.8
95 Cap. Btuh/1000 66.3 73.5 81.0 88.8 96.9 105.3
OD Unit KW 6.4 6.5 6.5 6.6 6.7 6.8
Head press. PSIG 249.6 253.5 257.5 261.6 265.9 270.3
105 Cap. Btuh/1000 63.0 69.9 77.1 84.5 92.3 100.3
OD Unit KW 7.1 7.2 7.2 7.3 7.4 7.5
Head press. PSIG 283.6 287.8 292.0 296.3 300.8 305.5
115 Cap. Btuh/1000 59.1 65.6 72.5 79.6 87.0 94.7
OD Unit KW 7.9 7.9 8.0 8.1 8.2 8.2
Performance Data Calculated at 15 deg. subcooling and 15 deg. superheat.
Table PD-25 — Cooling Performance (kW) - Single Compressor - (SI)
TTA155C Condensing Unit Only
OD Te mp Suction Reference Temperature °C
°C -1.1 1.7 4.4 7.2 10.0 12.8
Head pressure (kPA) 959 979 1000 1024 1049 1075
18.3 Capacity (kW) 21.0 23.3 25.7 28.3 31.1 34.0
OD Unit Power (kW) 4.89 4.93 4.99 5.06 5.13 5.21
Head pressure (kPA) 1124 1146 1169 1194 1220 1246
23.9 Capacity (kW) 20.7 23.0 25.3 27.8 30.5 33.2
OD Unit Power (kW) 5.29 5.35 5.42 5.49 5.57 5.66
Head pressure (kPA) 1306 1329 1354 1380 1406 1434
29.4 Capacity (kW) 20.2 22.4 24.7 27.0 29.5 32.1
OD Unit Power (kW) 5.79 5.86 5.93 6.01 6.10 6.18
Head pressure (kPA) 1504 1529 1555 1583 1611 1640
35.0 Capacity (kW) 19.4 21.5 23.7 26.0 28.4 30.8
OD Unit Power (kW) 6.38 6.46 6.54 6.62 6.70 6.79
Head pressure (kPA) 1721 1748 1775 1804 1833 1864
40.6 Capacity (kW) 18.4 20.5 22.6 24.7 27.0 29.4
OD Unit Power (kW) 7.08 7.15 7.23 7.31 7.39 7.48
Head pressure (kPA) 1956 1984 2013 2043 2074 2107
46.1 Capacity (kW) 17.3 19.2 21.2 23.3 25.5 27.7
OD Unit Power (kW) 7.86 7.93 8.00 8.08 8.16 8.25
Performance Data Calculated at 8.3 deg. subcooling and 8.3 deg. superheat.

39SS-PRC003-EN
Table PD-26 — Cooling Capacities (MBh) TTA200B Condensing Unit Only (I-P)
OD Temp Suction Reference Temperature °F
°F 30 35 40 45 50 55
Head press PSIG 168 174 180 186 193 200
65 Cap. Btuh/1000 198.0 217.3 237.4 258.3 280.0 302.5
OD Unit KW 12.47 12.77 13.08 13.42 13.79 14.18
Head press PSIG 194 200 206 213 220 227
75 Cap. Btuh/1000 188.9 207.0 226.1 245.9 266.6 288.2
OD Unit KW 13.83 14.16 14.50 14.88 15.28 15.71
Head press PSIG 222 228 235 242 249 257
85 Cap. Btuh/1000 179.1 196.3 214.4 233.4 253.2 273.7
OD Unit KW 15.45 15.80 16.19 16.59 17.03 17.48
Head press PSIG 253 259 266 274 282 290
95 Cap. Btuh/1000 168.7 185.1 202.5 220.6 239.6 259.2
OD Unit KW 17.31 17.70 18.12 18.56 19.02 19.50
Head press PSIG 286 293 301 309 317 326
105 Cap. Btuh/1000 157.8 173.7 190.3 207.7 225.9 244.6
OD Unit KW 19.42 19.85 20.31 20.78 21.26 21.75
Head press PSIG 321 329 337 346 355 364
115 Cap. Btuh/1000 146.5 161.9 177.9 194.7 212.0 229.8
OD Unit KW 21.75 22.23 22.73 23.23 23.74 24.23
Performance Data Calculated at 15 deg. subcooling and 15 deg. superheat.
Performance
Data Condensing Unit
Table PD-26 — Cooling Capacities (MBh) TTA200B Condensing Unit Only (SI)
OD Temp Suction Reference Temperature °C
°C -1.1 1.7 4.4 7.2 10.0 12.8
Head pressure (kPA) 1159 1198 1239 1282 1327 1376
18.3 Capacity (kW) 58.0 63.6 69.5 75.6 82.0 88.6
OD Unit Power (kW) 12.47 12.77 13.08 13.42 13.79 14.18
Head pressure (kPA) 1336 1377 1420 1466 1514 1565
23.9 Capacity (kW) 55.3 60.6 66.2 72.0 78.1 84.4
OD Unit Power (kW) 13.83 14.16 14.50 14.88 15.28 15.71
Head pressure (kPA) 1530 1573 1619 1668 1719 1773
29.4 Capacity (kW) 52.4 57.5 62.8 68.3 74.1 80.1
OD Unit Power (kW) 15.45 15.80 16.19 16.59 17.03 17.48
Head pressure (kPA) 1741 1788 1836 1888 1943 2000
35.0 Capacity (kW) 49.4 54.2 59.3 64.6 70.1 75.9
OD Unit Power (kW) 17.31 17.70 18.12 18.56 19.02 19.50
Head pressure (kPA) 1970 2020 2072 2128 2185 2246
40.6 Capacity (kW) 46.2 50.8 55.7 60.8 66.1 71.6
OD Unit Power (kW) 19.42 19.85 20.31 20.78 21.26 21.75
Head pressure (kPA) 2216 2270 2327 2386 2448 2511
46.1 Capacity (kW) 42.9 47.4 52.1 57.0 62.1 67.3
OD Unit Power (kW) 21.75 22.23 22.73 23.23 23.74 24.23
Performance Data Calculated at 8.3 deg. subcooling and 8.3 deg. superheat.

40 SS-PRC003-EN
Performance
Data Air Handler
Table PD-28 — Blower Speeds — TWE050A
Motor DriveTurns Open
Drive 6543210
Standard N/A 590 639 688 737 786 835
High Static N/A 713 772 832 891 951 1009
Table PD-27— Evaporator Fan Performance — TWE050A (I-P)
External Static Pressure (Inches of Water Column)
.10" .20" .30" .40" .50" .60" .70" .80" .90" 1.00" 1.10"
CFM RPM BHP RPM BHP RPM BHP RPM BHP RPM BHP RPM BHP RPM BHP RPM BHP RPM BHP RPM BHP RPM BHP
1400 ————6460.37 698 0.42 751 0.47 803 0.52 856 0.56 908 0.61 941 0.65 973 0.68 1006 0.71
1500 — — 607 0.36 661 0.40 713 0.45 764 0.50 816 0.54 867 0.59 919 0.64 952 0.67 984 0.71 — —
1600 — — 625 0.38 676 0.43 727 0.48 778 0.52 828 0.57 879 0.62 930 0.67 963 0.70 995 0.74 — —
1700 601 0.35 648 0.40 696 0.44 744 0.49 792 0.54 841 0.59 889 0.64 937 0.69 971 0.73 1005 0.77 — —
1800 625 0.36 671 0.41 716 0.46 762 0.51 807 0.56 853 0.61 898 0.66 944 0.71 979 0.76 ————
1900 642 0.40 687 0.45 731 0.50 776 0.55 820 0.60 865 0.66 909 0.71 951 0.75 987 0.80 ————
2000 659 0.44 703 0.49 745 0.54 790 0.60 833 0.65 877 0.70 920 0.75 957 0.80 994 0.84 ————
2100 674 0.48 722 0.54 770 0.60 817 0.65 857 0.70 897 0.75 936 0.80 973 0.85 1009 0.89 ————
0.75 HP Standard Motor 1.0 HP Oversized Motor
and Standard Static Drive and High Static Drive
Notes:
1. Performance based on a wet coil and 1 inch (25.4 mm) throwaway filters.
2. Tabulated brake horsepower is the motor shaft output required.
3. Factory setting of motor sheave is 1.5 turns open. Adjustments are made in 0.5 turn increments.
Table PD-27— Evaporator Fan Performance — TWE050A (SI)
External Static Pressure (Pascal)
25 50 75 100 125 150 174 199 224 249 274
m3/hr RPM kW RPM kW RPM kW RPM kW RPM kW RPM kW RPM kW RPM kW RPM kW RPM kW RPM kW
2379 ————6460.28 698 0.31 751 0.35 803 0.39 856 0.42 908 0.45 941 0.48 973 0.51 1006 0.53
2549 — — 607 0.27 661 0.30 713 0.34 764 0.37 816 0.40 867 0.44 919 0.48 952 0.50 984 0.53 — —
2718 — — 625 0.28 676 0.32 727 0.36 778 0.39 828 0.43 879 0.46 930 0.50 963 0.52 995 0.55 — —
2888 601 0.26 648 0.30 696 0.33 744 0.37 792 0.40 841 0.44 889 0.48 937 0.51 971 0.54 1005 0.57 — —
3058 625 0.27 671 0.31 716 0.34 762 0.38 807 0.42 853 0.45 898 0.49 944 0.53 979 0.57 ————
3228 642 0.30 687 0.34 731 0.37 776 0.41 820 0.45 865 0.49 909 0.53 951 0.56 987 0.60 ————
3398 659 0.33 703 0.37 745 0.40 790 0.45 833 0.48 877 0.52 920 0.56 957 0.60 994 0.63 ————
3568 674 0.36 722 0.40 770 0.45 817 0.48 857 0.52 897 0.56 936 0.60 973 0.63 1009 0.66 ————
0.56 kW Standard Motor 0.75 kW Oversized Motor
and Standard Static Drive and High Static Drive
Notes:
1. Performance based on a wet coil and 1 inch (25.4 mm) throwaway filters.
2. Tabulated brake horsepower is the motor shaft output required.
3. Factory setting of motor sheave is 1.5 turns open. Adjustments are made in 0.5 turn increments.

41SS-PRC003-EN
Performance
Data Air Handler
Table PD-30 — Blower Speeds — TWE075A
Motor Drive Turns Open
Drive 6543210
Standard N/A 600 650 700 750 800 850
Low Static N/A 428 464 499 535 571 606
High Static N/A 700 750 800 850 900 950
Table PD-29— Evaporator Fan Performance TWE075A (I-P)
External Static Pressure (In. Of Water Column)
0.10 0.20 0.30 0.40 0.50 0.60 0.70 0.80 0.90 1.00 1.10
CFM RPM BHP RPM BHP RPM BHP RPM BHP RPM BHP RPM BHP RPM BHP RPM BHP RPM BHP RPM BHP RPM BHP
2000 — — 443 0.44 489 0.49 535 0.54 581 0.59 627 0.64 673 0.69 719 0.74 765 0.79 791 0.83 818 0.89
2125 — — 453 0.46 499 0.52 546 0.57 592 0.63 638 0.68 684 0.74 730 0.79 771 0.85 798 0.90 825 0.96
2250 — — 463 0.49 510 0.55 556 0.61 602 0.67 649 0.73 695 0.79 742 0.85 776 0.91 804 0.97 831 1.03
2375 — — 473 0.51 520 0.57 567 0.64 613 0.70 660 0.77 706 0.83 753 0.90 782 0.97 810 1.03 838 1.10
2500 445 0.47 489 0.54 533 0.60 578 0.67 622 0.73 667 0.80 711 0.86 756 0.93 784 0.99 813 1.07 842 1.14
2625 464 0.50 506 0.57 548 0.63 589 0.69 631 0.76 672 0.82 714 0.88 757 0.95 786 1.01 815 1.09 844 1.17
2750 484 0.53 523 0.59 562 0.66 601 0.72 640 0.78 678 0.84 717 0.91 758 0.97 787 1.03 817 1.12 847 1.21
2875 504 0.56 540 0.62 576 0.68 612 0.74 648 0.81 684 0.87 720 0.93 759 0.99 789 1.05 819 1.15 850 1.24
3000 524 0.59 557 0.65 590 0.71 624 0.77 657 0.83 690 0.89 723 0.95 760 1.01 790 1.07 821 1.17 853 1.27
1.0 HP Standard Motor 1.0 HP Standard Motor 1.5 HP Oversized Motor
and Low Static Drive and Drive and High Static Drive
Notes:
1. Performance based on a wet coil and 1 inch (25.4 mm)
throwaway filters.
2. Tabulated brake horsepower is the motor shaft output
required.
3. Factory setting of motor sheave is 1.5 turns open.
Adjustments are made in 0.5 turn increments.
Table PD-29 — Evaporator Fan Performance TWE075A (SI)
External Static Pressure (Pascal)
25 50 75 100 125 150 174 199 224 249 274
m3/hr RPM kW RPM kW RPM kW RPM kW RPM kW RPM kW RPM kW RPM kW RPM kW RPM kW RPM kW
3338 — — 443 0.33 489 0.37 535 0.4 581 0.44 627 0.48 673 0.51 719 0.55 765 0.59 791 0.62 818 0.66
3547 — — 453 0.34 499 0.39 546 0.43 592 0.47 638 0.51 684 0.55 730 0.59 771 0.63 798 0.67 825 0.72
3755 — — 463 0.37 510 0.41 556 0.45 602 0.5 649 0.54 695 0.59 742 0.63 776 0.68 804 0.72 831 0.77
3964 — — 473 0.38 520 0.43 567 0.48 613 0.52 660 0.57 706 0.62 753 0.67 782 0.72 810 0.77 838 0.82
4173 445 0.35 489 0.4 533 0.45 578 0.5 622 0.54 667 0.6 711 0.64 756 0.69 784 0.74 813 0.8 842 0.85
4381 464 0.37 506 0.43 548 0.47 589 0.51 631 0.57 672 0.61 714 0.66 757 0.71 786 0.75 815 0.81 844 0.87
4590 484 0.4 523 0.44 562 0.49 601 0.54 640 0.58 678 0.63 717 0.68 758 0.72 787 0.77 817 0.84 847 0.9
4798 504 0.42 540 0.46 576 0.51 612 0.55 648 0.6 684 0.65 720 0.69 759 0.74 789 0.78 819 0.86 850 0.92
5007 524 0.44 557 0.48 590 0.53 624 0.57 657 0.62 690 0.66 723 0.71 760 0.75 790 0.8 821 0.87 853 0.95
.75 kW Standard Motor .75 kW Standard Motor 1.12 kW Oversized Motor
and Low Static Drive and Drive and High Static Drive
Notes:
1. Performance based on a wet coil and 1 inch (25.4 mm)
throwaway filters.
2. Tabulated brake horsepower is the motor shaft
output required.
3. Factory setting of motor sheave is 1.5 turns open.
Adjustments are made in 0.5 turn increments.
Table PD-29 — Continued
External Static Pressure (In. Of Water Column)
1.20 1.30 1.40 1.50 1.60
CFM RPM BHP RPM BHP RPM BHP RPM BHP RPM BHP
2000 844 0.96 871 1.02 897 1.09 924 1.15 950 1.21
2125 852 1.03 879 1.09 906 1.16 933 1.22 — —
2250 859 1.10 886 1.17 914 1.23 942 1.30 — —
2375 866 1.17 894 1.24 922 1.30 950 1.37 — —
2500 870 1.21 899 1.29 928 1.36 ————
2625 874 1.25 903 1.33 932 1.42 ————
2750 877 1.29 907 1.38 937 1.47 ————
2875 880 1.33 911 1.43 942 1.52 ————
3000 884 1.37 915 1.48 946 1.58 ————
1.5 HP Oversized Motor
and High Static Drive
1.0 HP Standard Motor
and Drive
Table PD-29 — Continued
External Static Pressure (Pascal)
299 324 349 374 398
m3/hr RPM kW RPM kW RPM kW RPM kW RPM kW
3338 844 0.72 871 0.76 897 0.81 924 0.86 950 0.9
3547 852 0.77 879 0.81 906 0.87 933 0.91 — —
3755 859 0.82 886 0.87 914 0.92 942 0.97 — —
3964 866 0.87 894 0.92 922 0.97 950 1.02 — —
4173 870 0.9 899 0.96 928 1.01 ————
4381 874 0.93 903 0.99 932 1.06 ————
4590 877 0.96 907 1.03 937 1.1 ————
4798 880 0.99 911 1.07 942 1.13 ————
5007 884 1.02 915 1.1 946 1.18 ————
1.12 kW Oversized Motor and High Static Drive
.75 kW Standard Motor
and Drive

42 SS-PRC003-EN
Table PD-32 — Blower Speeds — TWE100A, TWE100B
Motor Sheave Turns Open
Drive 6543210
Standard N/A 587 629 671 713 755 796
Low Static N/A 453 485 518 550 583 615
High Static N/A 606 641 677 713 748 784
High Static II N/A 745 789 833 877 920 965
Table PD-31— Evaporator Fan Performance TWE0100A, TWE100B (SI)
External Static Pressure (Pascal)
25 50 75 100 125 150 174 199 224 249 299
m3/hr RPM kW RPM kW RPM kW RPM kW RPM kW RPM kW RPM kW RPM kW RPM kW RPM kW RPM kW
1.12 kW Standard Motor and Low Static Drive
4417 460 0.24 493 0.29 527 0.35 565 0.41 603 0.47 641 0.53 679 0.59 717 0.65 744 0.7 772 0.75 826 0.87
4715 473 0.28 506 0.34 540 0.4 576 0.45 613 0.51 649 0.57 686 0.63 723 0.69 748 0.75 775 0.8 830 0.89
5012 487 0.32 519 0.37 552 0.43 587 0.5 623 0.56 658 0.62 693 0.68 728 0.74 751 0.79 779 0.84 833 0.93
5309 501 0.37 532 0.42 565 0.48 599 0.54 632 0.6 666 0.66 700 0.72 734 0.78 755 0.83 783 0.88 737 0.97
5607 520 0.43 548 0.48 581 0.54 613 0.6 644 0.66 677 0.73 710 0.79 740 0.84 759 0.89 787 0.93 841 1.02
5904 541 0.51 568 0.57 600 0.63 631 0.69 658 0.75 691 0.8 721 0.87 746 0.9 764 0.95 793 1 846 1.1
6201 562 0.61 588 0.66 618 0.72 648 0.78 671 0.83 703 0.89 732 0.95 753 0.98 772 1.03 801 1.08 853 1.19
6499 582 0.72 608 0.77 637 0.83 666 0.89 685 0.94 711 0.98 739 1.03 763 1.07 787 1.13 815 1.18 862 1.3
6796 602 0.83 628 0.87 656 0.94 683 1.01 698 1.04 720 1.07 747 1.12 773 1.18 801 1.22 829 1.28 872 1.41
1.12 kW Standard Motor and Drive 1.49 kW Oversized Motor
and High Static Drive
Notes:
1. Performance based on a wet coil and 1 inch (25.4 mm)
throwaway filters.
2. Tabulated brake horsepower is the motor shaft output required.
3. Factory setting of motor sheave is 3.0 turns open. Adjustments are
made in 0.5 turn increments.
4. Low Static Drive must be field supplied.
Table PD-31 — Evaporator Fan Performance TWE100A, TWE100B (I-P)
External Static Pressure (In. Of Water Column)
0.10 0.20 0.30 0.40 0.50 0.60 0.70 0.80 0.90 1.00 1.20
CFM RPM BHP RPM BHP RPM BHP RPM BHP RPM BHP RPM BHP RPM BHP RPM BHP RPM BHP RPM BHP RPM BHP
1.5 HP Standard Motor and Low Static Drive
2600 460 0.32 493 0.39 527 0.47 565 0.55 603 0.63 641 0.71 679 0.79 717 0.87 744 0.94 772 1.01 826 1.16
2775 473 0.37 506 0.45 540 0.53 576 0.61 613 0.69 649 0.77 686 0.85 723 0.93 748 1.00 775 1.07 830 1.20
2950 487 0.43 519 0.50 552 0.58 587 0.67 623 0.75 658 0.83 693 0.91 728 0.99 751 1.06 779 1.12 833 1.25
3125 501 0.49 532 0.56 565 0.64 599 0.72 632 0.81 666 0.89 700 0.97 734 1.05 755 1.11 783 1.18 737 1.30
3300 520 0.58 548 0.65 581 0.73 613 0.81 644 0.89 677 0.98 710 1.06 740 1.13 759 1.19 787 1.25 841 1.37
3475 541 0.69 568 0.76 600 0.84 631 0.93 658 1.00 691 1.08 721 1.16 746 1.21 764 1.28 793 1.34 846 1.48
3650 562 0.82 588 0.88 618 0.97 648 1.05 671 1.11 703 1.19 732 1.27 753 1.31 772 1.38 801 1.45 853 1.59
3825 582 0.96 608 1.03 637 1.11 666 1.20 685 1.26 711 1.31 739 1.38 763 1.44 787 1.51 815 1.58 862 1.74
4000 602 1.11 628 1.17 656 1.26 683 1.35 698 1.40 720 1.43 747 1.50 773 1.58 801 1.64 829 1.71 872 1.89
1.5 HP Standard Motor and Drive 2.0 HP Oversized Motor
and High Static Drive
Notes:
1. Performance based on a wet coil and 1 inch (25.4 mm) throwaway filters.
2. Tabulated brake horsepower is the motor shaft output required.
3. Factory setting of motor sheave is 1.5 turns open. Adjustments are
made in 0.5 turn increments.
4. Low Static Drive must be field supplied.
Table PD-31— Continued
External Static Pressure (In. Of Water Column)
1.40 1.60
CFM RPM BHP RPM BHP
2.0 HP Oversized Motor
and High Static Drive
2600 881 1.30 936 1.45
2775 884 1.36 938 1.51
2960 886 1.41 939 1.57
3125 889 1.47 941 1.64
3300 892 1.54 945 1.73
3475 897 1.63 950 1.85
3650 902 1.73 955 1.99
3825 912 1.89 960 2.18
4000 922 2.04 965 2.30
Table PD-31— Continued
External Static Pressure (Pascal)
349 398
m3/hr RPM kW RPM kW
1.49 kW Oversized Motor
and High Static Drive
4417 881 0.97 936 1.08
4715 884 1.01 938 1.13
5012 886 1.05 939 1.17
5309 889 1.1 941 1.22
5607 892 1.15 945 1.29
5904 897 1.22 950 1.38
6201 902 1.29 955 1.48
6499 912 1.41 960 1.63
6796 922 1.52 965 1.72
Performance
Data Air Handler

43SS-PRC003-EN
Performance
Data Air Handler
Table PD-34— Blower Speeds — TWE155B
Motor Sheave Turns Open
Drive 6543210
Standard 619 648 677 705 734 763 N/A
High Static 777 806 835 863 892 921 950
Table PD-33 — Evaporator Fan Performance TWE155B (SI)
External Static Pressure (Pascal)
25 50 75 100 125 150 174 199 224 249 299 349
m3/hr RPM kW RPM kW RPM kW RPM kW RPM kW RPM kW RPM kW RPM kW RPM kW RPM kW RPM kW RPM kW
2.24 kW Oversized Motor
1.49 kW Standard Motor and Drive and High Static Drive
6796 628 1 653 1.03 678 1.07 692 1.1 708 1.13 723 1.17 738 1.19 749 1.2 759 1.21 795 1.24 851 1.38 907 1.51
7221 633 1.02 658 1.05 683 1.09 697 1.13 713 1.16 728 1.19 743 1.21 751 1.22 770 1.22 806 1.28 862 1.42 918 1.57
7646 637 1.04 662 1.07 687 1.11 701 1.14 717 1.18 732 1.22 747 1.23 754 1.23 782 1.25 817 1.31 873 1.46 929 1.63
8070 641 1.06 666 1.12 691 1.14 705 1.2 721 1.22 736 1.23 751 1.24 765 1.25 793 1.28 828 1.35 884 1.5 940 1.69
8495 645 1.07 670 1.13 695 1.16 710 1.23 725 1.25 739 1.25 758 1.27 777 1.3 806 1.35 839 1.42 896 1.59 — —
8937 650 1.09 675 1.14 700 1.19 716 1.25 728 1.27 741 1.29 765 1.3 790 1.36 819 1.43 849 1.51 907 1.7 — —
9345 652 1.1 678 1.16 703 1.22 721 1.28 734 1.3 747 1.33 775 1.36 804 1.43 832 1.51 861 1.6 920 1.82 — —
9769 653 1.1 680 1.17 706 1.25 726 1.31 743 1.3 761 1.39 789 1.45 817 1.52 846 1.61 875 1.71 935 1.95 — —
10194 655 1.11 681 1.19 709 1.3 731 1.34 752 1.35 774 1.45 803 1.53 831 1.62 860 1.71 889 1.82 950 2.07 — —
Notes:
1. Performance based on a wet coil and 2 inch (51 mm) throwaway filters.
2. Tabulated brake horsepower is the motor shaft output required.
3. Factory setting of motor sheave is 1.5 turns open. Adjustments are made in 0.5 turn increments.
Table PD-33 — Evaporator Fan Performance — TWE155B (I-P)
External Static Pressure (Inches of Water Column)
.10" .20" .30" .40" .50" .60" .70" .80" .90" 1.00" 1.20" 1.40"
CFM RPM BHP RPM BHP RPM BHP RPM BHP RPM BHP RPM BHP RPM BHP RPM BHP RPM BHP RPM BHP RPM BHP RPM BHP
3.0 HP Oversized Motor
2.0 HP Standard Motor and Drive and High Static Drive
4000 628 1.34 653 1.38 678 1.43 692 1.48 708 1.52 723 1.57 738 1.60 749 1.61 759 1.62 795 1.66 851 1.85 907 2.03
4250 633 1.37 658 1.41 683 1.46 697 1.51 713 1.55 728 1.60 743 1.62 751 1.63 770 1.64 806 1.71 862 1.90 918 2.11
4500 637 1.40 662 1.44 687 1.49 701 1.53 717 1.58 732 1.63 747 1.64 754 1.65 782 1.67 817 1.76 873 1.96 929 2.19
4750 641 1.42 666 1.50 691 1.53 705 1.61 721 1.63 736 1.65 751 1.66 765 1.67 793 1.72 828 1.81 884 2.01 940 2.27
5000 645 1.44 670 1.52 695 1.56 710 1.65 725 1.67 739 1.68 758 1.70 777 1.74 806 1.81 839 1.91 896 2.13 — —
5260 650 1.46 675 1.53 700 1.59 716 1.67 728 1.70 741 1.73 765 1.75 790 1.82 819 1.92 849 2.03 907 2.28 — —
5500 652 1.47 678 1.55 703 1.63 721 1.71 734 1.75 747 1.78 775 1.83 804 1.92 832 2.03 861 2.15 920 2.44 — —
5750 653 1.48 680 1.57 706 1.68 726 1.76 743 1.81 761 1.86 789 1.94 817 2.04 846 2.16 875 2.29 935 2.61 — —
6000 655 1.49 681 1.59 709 1.74 731 1.80 752 1.87 774 1.94 803 2.05 831 2.17 860 2.29 889 2.44 950 2.78 — —
Notes:
1. Performance based on a wet coil and 2 inch (51 mm) throwaway filters.
2. Tabulated brake horsepower is the motor shaft output required.
3. Factory setting of motor sheave is 1.5 turns open. Adjustments are made in 0.5 turn increments.

44 SS-PRC003-EN
Performance
Data Air Handler
Table PD-36— Blower Speeds — TWE200B
Motor Sheave Turns Open
Drive 6543210
Standard 706 732 758 784 811 837 863
Low Static I 457 478 500 521 542 563 585
Low Static II 574 595 617 638 659 680 702
High Static N/A 821 862 903 945 986 1027
Table PD-35 — Continued
External Static Pressure (In. Of Water Column)
1.60 1.80
CFM RPM BHP RPM BHP
5.0 HP Oversized Motor and High Static Drive
System
5200 944 2.75 989 3.12
5525 952 2.96 997 3.33
5850 961 3.17 1006 3.54
5175 970 3.38 1015 3.75
8500 978 3.59 1023 3.96
8825 986 3.80 — —
7150 994 4.01 — —
7475 1003 4.25 — —
7800 1012 4.50 — —
Table PD-35 — Evaporator Fan Performance TWE200B (I-P)
External Static Pressure (In. Of Water Column)
0.10 0.20 0.30 0.40 0.50 0.60 0.70 0.80 0.90 1.00 1.20 140
CFM RPM BHP RPM BHP RPM BHP RPM BHP RPM BHP RPM BHP RPM BHP RPM BHP RPM BHP RPM BHP RPM BHP RPM BHP
5200 — — 461 0.74 503 0.91 545 1.07 587 1.03 619 1.17 685 1.40 723 1.59 750 1.74 777 1.89 851 2.19 898 2.39
5525 — — 479 0.88 521 1.04 563 1.21 605 1.21 640 1.35 701 1.58 739 1.77 766 1.92 793 2.07 859 2.37 906 2.60
5850 — — 497 1.01 539 1.18 581 1.34 623 1.39 661 1.53 717 1.76 755 1.95 782 2.10 809 2.25 868 2.55 915 2.81
6175 473 0.99 515 1.15 557 1.31 599 1.48 641 1.57 682 1.71 732 1.94 769 2.12 796 2.27 823 2.43 877 2.73 924 3.02
6500 492 1.12 534 1.28 576 1.45 618 1.61 660 1.75 702 1.90 748 2.12 784 2.30 811 2.45 838 2.60 886 2.91 933 3.22
6825 510 1.25 552 1.42 594 1.59 636 1.75 678 1.91 723 2.10 763 2.30 794 2.47 820 2.62 846 2.77 894 3.09 941 3.42
7150 528 1.38 570 1.56 612 1.73 654 1.90 697 2.07 744 2.30 779 2.49 804 2.64 830 2.78 855 2.94 903 3.26 950 3.62
7475 550 1.61 594 1.77 640 1.92 683 2.08 721 2.29 760 2.50 790 2.67 815 2.81 840 2.96 865 3.11 914 3.47 959 3.85
7800 572 1.83 618 1.97 668 2.10 712 2.27 746 2.52 776 2.69 802 2.84 826 2.99 851 3.13 876 3.27 926 3.67 969 4.08
3.0 HP Standard 3.0 HP Standard 3.0 HP Standard Motor 5.0 HP Oversized Motor
Motor and Low Motor and Low and Standard and High Static
Static Drive Static Drive System II Drive System Drive System
Notes:
1. Performance based on a wet coil and 2 inch (51mm) throwaway filters.
2. Tabulated brake horsepower is the motor shaft output required.
3. Factory setting of motor sheave is 1.5 turns open. Adjustments are made in
0.5 turn increments.
4. Low static drive components referencing this note are field supplied.
Table PD-35 — Evaporator Fan Performance TWE200B (SI)
External Static Pressure (Pascal)
25 50 75 100 125 150 174 199 224 249 299 349
m3/hr RPM kW RPM kW RPM kW RPM kW RPM kW RPM kW RPM kW RPM kW RPM kW RPM kW RPM kW RPM kW
8835 — — 461 0.55 503 0.68 545 0.8 587 0.77 619 0.87 685 1.04 723 1.19 750 1.3 777 1.41 851 1.63 898 1.78
9387 — — 479 0.66 521 0.78 563 0.9 605 0.9 640 1.01 701 1.18 739 1.32 766 1.43 793 1.54 859 1.77 906 1.94
9939 — — 497 0.75 539 0.88 581 1 623 1.04 661 1.14 717 1.31 755 1.45 782 1.57 809 1.68 868 1.9 915 2.1
10491 473 0.74 515 0.86 557 0.98 599 1.1 641 1.17 682 1.28 732 1.45 769 1.58 796 1.69 823 1.81 877 2.04 924 2.52
11044 492 0.84 534 0.95 576 1.08 618 1.2 660 1.3 702 1.42 748 1.58 784 1.72 811 1.83 838 1.94 886 2.17 933 2.4
11596 510 0.93 552 1.06 594 1.19 636 1.3 678 1.42 723 1.57 763 1.72 794 1.84 820 1.95 846 2.07 894 2.3 941 2.55
12148 528 1.03 570 1.16 612 1.29 654 1.42 697 1.54 744 1.72 779 1.86 804 1.97 830 2.07 855 2.19 903 2.43 950 2.7
12700 550 1.2 594 1.32 640 1.43 683 1.55 721 1.71 760 1.87 790 1.99 815 2.1 840 2.21 865 2.32 914 2.59 959 2.87
13252 572 1.36 618 1.47 668 1.57 712 1.69 746 1.88 776 2.01 802 2.12 826 2.23 851 2.33 876 2.44 926 2.74 969 3.04
2.24 kW Standard 2.24 kW Standard 2.24 kW Standard 3.73 kW Oversized Motor
Motor and Low Motor and Low Motor and Standard and High Static Drive System
Static Drive System Static Drive System II Drive System
Notes:
1. Performance based on a wet coil and 2 inch (51mm) throwaway filters.
2. Tabulated brake horsepower is the motor shaft output required.
3. Factory setting of motor sheave is 1.5 turns open. Adjustments are made in
0.5 turn increments.
4. Low static drive components referencing this note are field supplied.
Table PD-35 — Continued
External Static Pressure (Pascal)
398 448
m3/hr RPM kW RPM kW
3.73 kW Oversized Motor
and High Static Drive System
8835 944 2.05 989 2.33
9387 952 2.21 997 2.48
9939 961 2.36 1006 2.64
10491 970 2.52 1015 2.8
11044 978 2.68 1023 2.95
11596 986 2.83 — —
12148 994 2.99 — —
12700 1003 3.17 — —
13252 1012 3.36 — —

45SS-PRC003-EN
Table PD-37— Discharge Plenum And Grille Assembly Throw Distance — Air Handle — ft (m)
Unit Louver Angle Deflection Position
Model No. CFM m3/h Straight 20 40 55
1400 2380 38 (11.6) 24 (7.3) 22 (6.7) 18 (5.5)
1600 2718 42 (12.8) 31 (9.4) 26 (7.9) 20 (6.1)
TWE050 1800 3060 46 (14.0) 37 (11.3) 29 (8.8) 22 (6.7)
2000 3398 48 (14.6) 43 (13.1) 33 (10.1) 24 (7.3)
2200 3737 51 (15.5) 50 (15.2) 36 (11.0) 25 (7.6)
2100 3568 49 (14.9) 38 (11.6) 31 (9.4) 27 (8.2)
TWE075 2400 4079 52 (15.9) 43 (13.1) 35 (10.7) 29 (8.8)
2700 4586 55 (16.8) 48 (14.6) 38 (11.6) 31 (9.4)
3000 5098 58 (17.7) 53 (16.2) 42 (12.8) 32 (9.8)
3200 5436 56 (17.1) 46 (14.0) 38 (11.6) 30 (9.1)
3600 6116 62 (18.9) 51 (15.5) 42 (12.8) 33 (10.1)
TWE100 4000 6797 66 (20.1) 57 (17.4) 47 (14.3) 35 (10.7)
4400 7477 71 (21.6) 62 (18.9) 52 (15.9) 38 (11.6)
4800 8154 76 (23.2) 67 (20.4) 56 (17.1) 42 (12.8)
4300 7304 42 (12.8) 32 (9.8) 29 (8.8) 21 (6.4)
4900 8327 47 (14.3) 38 (11.6) 32 (9.8) 25 (7.6)
TWE155 5400 9176 52 (15.9) 44 (13.4) 37 (11.3) 29 (8.8)
6000 10195 57 (17.4) 49 (14.9) 41 (12.5) 32 (9.8)
5600 9515 50 (15.2) 40 (12.2) 33 (10.1) 27 (8.2)
6400 10872 56 (17.1) 46 (14.0) 38 (11.6) 30 (9.1)
TWE200 7200 12233 62 (18.9) 51 (15.5) 42 (12.8) 33 (10.1)
8000 13594 66 (20.1) 57 (17.4) 47 (14.3) 35 (10.7)
Throw distance values are based on a terminal velocity of 75 FPM (0.38 m/s).
Throw distance values at other terminal velocities may be established by multiplying throw distances in table
above by throw factor:
Terminal Velocity Throw Factor
50 fpm (.25 m/s) x 1.50
100 fpm (.51 m/s) x .75
150 fpm (.76 m/s) x .50
Performance
Data
Table PD-38— Static Pressure Drop Through Accessories (Inches Of Water Column)
1
— Air Handler
Discharge Electric Heaters (kW)
Unit Return Grille Plenum and Grille25-10 15-20 25-30 35-50
Model No. CFM m3/h In. wc1Pascal In. wc1Pascal In. wc (Pascal)
1400 2380 .09 (22.4) .16 (39.8) .06 (15.0) .06 (15.0) .12 (29.9) —
TWE050A 1600 2718 .12 (29.9) .21 (52.3) 08 (19.9) .08 (19.9) .14 (34.9) —
2000 3398 .18 (44.8) .33 (82.2) .13 (32.4) .13 (32.4) .19 (47.3) —
2100 3568 .05 (12.5) .19 (47.3) .02 (5.0) .03 (7.5) .05 (12.5) .08 (19.9)
TWE075A 2400 4079 .08 (19.9) .27 (67.2) .03 (7.5) .06 (15.0) .08 (19.9) .12 (29.9)
3000 5098 .13 (32.4) .40 (99.6) .06 (15.0) .12 (29.9) .17 (42.4) .23 (57.3)
TWE100A 2800 4756 .04 (10.0) .34 (84.7) .03 (7.5) .04 (10.0) .14 (34.9) .20 (49.8)
TWE100B 3200 5436 .07 (17.4) .43 (107.1) .06 (15.0) .13 (32.4) .19 (47.3) .26 (64.8)
4300 7304 .07 (17.4) .18 (44.8) .02 (5.0) .02 (5.0) .04 (10.0) .05 (12.5)
TWE155B 4800 8154 .09 (22.4) .23 (57.3) .03 (7.5) .03 (7.5) .06 (15.0) .08 (19.9)
6000 10195 .15 (37.4) .34 (84.7) .06 (15.0) .06 (15.0) .12 (29.9) .17 (42.4)
5600 9515 .07 (17.4) .32 (79.7) .04 (10.0) .04 (10.0) .10 (25.0) .15 (37.4)
TWE200B 6400 10872 .11 (27.4) .43 (107.1) .06 (15.0) .06 (15.0) .13 (32.4) .19 (47.3)
8000 13594 .17 (42.3) .66 (164.3) .10 (25.0) .10 (25.0) .20 (49.8) .30 (74.7)
1. Return air filter ESP included in Fan Performance Table data.
2. At louver opening angle of 42°F (5.5°C). For ESP at other angle openings, see accessory Installer’s Guide.

46 SS-PRC003-EN
Performance
Data
Table PD-39 — Auxiliary Electric Heat Capacity — Air Handler
No. Stage 1 Stage 2 Total
Unit Total of kW Btu kW Btu kW Btu
Model No. kW Stages Input Output Input Output Input Output
5.00 1 5.00 17,065 — — 5.00 17,065
TWE050/075/100AD 9.96 1 9.96 33,993 — — 9.96 33,993
TWE100BD 14.96 1 14.96 51,058 — — 14.96 51,058
24.92 2 14.96 51,058 9.96 33,993 24.92 85,051
TWE075, 100AD
TWE100BD 34.88 2 19.92 67,987 14.96 51,058 34.88 119,045
10.00 1 10.00 34,130 — — 10.00 34,130
TWE155,200B 19.92 1 19.92 67,987 — — 19.92 67,987
29.92 2 19.92 67,987 10.00 34,130 29.92 102,117
49.84 2 29.92 102,117 19.92 67,987 49.84 170,104
*Heaters are rated at 400v. For other than rated voltage,
Capacity = Voltage 2 x Rated Capacity and kW = Voltage 2 Rated kW.
(Rated Voltage )(
Rated Voltage )

47SS-PRC003-EN
Electrical
Data
Table ED-4 — Unit Wiring — Air Handler
Minimum Maximum Fuse
Unit Unit Operating Circuit Size or Maximum
Model No. Voltage Range Ampacity Circuit Breaker
TWE050 380/415 4 15
TWE075 380/415 5 15
TWE100 380/415 5 15
TWE155 380/415 6 15
TWE200 380/415 10 15
Table ED-1 — Unit Wiring — Condensing Units
Minimum Maximum Fuse Size
Unit Unit Operating Circuit or Maximum Circuit
Model No. Voltage Ampacity Breaker
TTA075A 380/415 15.5 25
TTA085A 380/415 17.8 25
TTA100A 380/415 22.5 35
TTA100B 380/415 23.9 30
TTA125B 380/415 28.1 35
TTA155B 380/415 28.3 35
TTA155C 380/415 35.1 45
TTA200B 380/415 41.0 50
Table ED-2 — Electrical Characteristics — Motors — Condensing Units
Compressor Motor Condenser Fan Motor
Amps Amps
Unit RLA LRA FLA LRA
Model No. No. Phase (Ea.) (Ea.) No. Phase (Ea.) (Ea.)
TTA075A 1 3 11.0 90.0 1 1 1.6 4.0
TTA085A 1 3 13 .1 1 0 0 . 0 1 1 2.7 9.3
TTA100A 1 3 15.8 124.0 1 1 2.7 9.3
TTA100B 2 3 9.4 63.0 1 1 2.7 9.3
TTA125B 2 3 11.3 75.0 2 1 2.7 9.3
TTA155B 2 3 11.0 90.0 2 1 1.6 4.0
TTA155C 1 3 14.0 92.5 2 1 1.6 4.0
TTA200B 2 3 15.8 124.0 2 1 2.7 9.3
NOTE:
1. Electrical characteristics reflect nameplate values and are calculated in accordance with UL and ARI specifications.
Table ED-3 — Electrical Characteristics — Motors — Air Handler
Standard Fan Motor Oversized Fan Motor
Unit Amps Amps
Model No. Volts Phase FLA LRA Phase FLA LRA
TWE050 380/415 3 2.9 8.2 3 1.8 21.6
TWE075 380/415 3 3.8 19.7 3 4.0 27.5
TWE100 380/415 3 4.0 27.5 3 5.3 37.5
TWE155 380/415 3 4.5 36.2 3 6.9 39.2
TWE200 380/415 3 7.6 45.0 3 9.0 65.1

48 SS-PRC003-EN
Electric Heat
Data
Table ED-5 — Unit Wiring With Electric Heat (Single Point Connection) — Air Handlers
Heater Heater To Use Control Minimum Maximum
Model No. kW Rating1with Unit Stages Circuit Ampacity 2Fuse Breaker Size 2
BAYHTRL405A 5.00 1 11 15
BAYHTRL410A 9.96 TWE050AD 1 17 20
BAYHTRL415A 14.96 1 24 25
BAYHTRL425A 24.92 2 37 40
BAYHTRL405A 5.00 1 12 15
BAYHTRL410A 9.96 1 18 20
BAYHTRL415A 14.96 TWE075AD 1 25 25
BAYHTRL425A 24.92 2 38 40
BAYHTRL435A 34.88 2 51 60
BAYHTRL405A 5.00 1 12 15
BAYHTRL410A 9.96 1 19 20
BAYHTRL415A 14.96 TWE10 0AD, TWE10 0BD 1 25 25
BAYHTRL425A 29.92 2 38 40
BAYHTRL435A 34.88 2 52 60
BAYHTRM410A 10.00 1 19 20
BAYHTRM420A 19.92 TWE155BD 1 32 35
BAYHTRM430A 29.92 2 46 50
BAYHTRM450A 49.84 2 72 80
BAYHTRM410A 10.00 1 23 25
BAYHTRM420A 19.92 TWE200BD 1 36 40
BAYHTRM430A 29.92 2 49 50
BAYHTRM450A 49.84 2 76 80
1. kW ratings are at 400v for 3 phase, 400v air handlers
For other than rated voltage, ampacity = Voltage 2 x Rated Capacity and kW = Voltage 2 Rated kW.
(Rated Voltage)(
Rated Voltage )
2. Any power supply and circuits must be wired and protected in accordance with local codes. MCA and Maximum Fuse Size is based on 400V.
3. Field wire must be rated at least 167°F (75°C).
4. Field wire must be rated at least 194°F (90°C).

49SS-PRC003-EN
Wiring shown with dashed lines is to be
furnished and installed by the customer.
All customer- supplied wiring must be
copper only and must conform to local
electrical codes.
NOTE:
1. When electric heater accessory is
used, single point power entry or dual
point power entry is field optional.
Single point power entry option is
through electric heater only.
TTA050/TWE050A
Field Wiring:
A — 3 power wires. Line voltage for
3 phase, 2 wires for single phase.
B — 3 power wires. Line voltage for
3 phase, 2 wires for single phase.
C — Cooling only thermostat: 3 wires,
24 volts.
— One-stage electric heat: add
1 additional wire, 24 volts.
— Two-stage electric heat: add
2 additional wires, 24 volts.
D — 2 wires, 24 volts.
(2) TTA050/TWE100B
Field Wiring:
A — 3 power wires. Line voltage for
3 phase, 2 wires for single phase.
B — 3 power wires. Line voltage for
3 phase, 2 wires for single phase.
C — Cooling only thermostat: 4 wires,
24 volts.
— One-stage electric heat add
1 additional wire, 24 volts.
— Two-stage electric heat: add
2 additional wires, 24 volts.
D — 2 wires, 24 volts to outdoor
section ‘’A’’
— 2 wires, 24 volts to outdoor
section ‘’B’’
TTA075A/TWE075A;
TTA085/TWE075A;
TTA085/TWE100A;
TTA100A/TWE100A
Field Wiring:
A — 3 power wires, line voltage.
B — 3 power wires, line voltage for
3 phase; 2 wires for single phase.
C — Cooling only thermostat: 3 wires,
24 volts.
— One-stage electric heat: add
1 additional wire, 24 volts.
— Two-stage electric heat: add
2 additional wires; 24 volts.
D — 4 wires, 24 volts.
TTA100B/TWE100B
Field Wiring:
A — 3 power wires, line voltage.
B — 3 power wires, line voltage for
3 phase; 2 wires for single phase.
C — Cooling only thermostat: 4 wires,
24 volts.
— One-stage electric heat: add
1 additional wire, 24 volts.
— Two-stage electric heat: add
2 additional wires, 24 volts.
Jobsite
Connections
D — 5 wires, 24 volts.
TTA125B/TWE155B;
TTA155B/TWE155B;
TTA200B/TWE200B;
TTA155C/TWE155B
Field Wiring
A — 3 power wires, line voltage
B — 3 power wires, line voltage
C — Cooling only thermostat: 4 wires,
24 volts.
— One-stage electric heat: add
1 additional wire, 24 volts.
— Two-stage electric heat: add
2 additional wires, 24 volts.
D — 5 wires, 24 volts.
(2) TTA075A/TWE155B;
(2) TTA100A/TWE200B
Field Wiring:
A — 3 power wires, line voltage.
B — 3 power wires, line voltage.
C — Cooling only thermostat: 4 wires,
24 volts.
— One-stage electric heat: add
1 additional wire, 24 volts.
— Two-stage electric heat: add
2 additional wires, 24 volts.
D — 6 wires, 24 volts.

50 SS-PRC003-EN
Typical
Wiring Air Handler
Air Handler
Typical wiring diagram. For specific
wiring, see individual Service Facts.

51SS-PRC003-EN
Typical
Wiring Condensing Unit
Air Handler
Typical unit wiring diagram. For specific
wiring, see individual Service Facts.

52 SS-PRC003-EN
Typical
Wiring Condensing Unit
Condensing Unit — Single Compressor

53SS-PRC003-EN
Typical
Wiring Condensing Unit
Condensing Unit — Dual Compressor
Typical wiring diagram. For specific
wiring, see individual Service Facts.

54 SS-PRC003-EN
Typical
Wiring Condensing Unit
Condensing Unit — Dual Compressor

55SS-PRC003-EN
Dimensional
Data

56 SS-PRC003-EN
Figure DD-1 — TTA075 Condensing Units
All dimensions are in inches and millimeters.
Dimensional
Data

57SS-PRC003-EN
Dimensional
Data
Figure DD-2 — TTA085A and 100A Condensing Units
All dimensions are in inches and millimeters.

58 SS-PRC003-EN
Dimensional
Data
Figure DD-3 — TTA100C Condensing Units
All dimensions are in inches and millimeters.

59SS-PRC003-EN
Dimensional
Data
Figure DD-4 — TTA100B and TTA125B Condensing Units
All dimensions are in inches and millimeters.

60 SS-PRC003-EN
Dimensional
Data
Figure DD- 5— TTA155B Condensing Unit
All dimensions are in inches and millimeters.

61SS-PRC003-EN
Dimensional
Data
Figure DD-6 — TTA155C Condensing Units
All dimensions are in inches and millimeters.

62 SS-PRC003-EN
Dimensional
Data
Figure DD-7 — TTA200B Condensing Unit
All dimensions are in inches and millimeters.

63SS-PRC003-EN
Figure DD-8 — TWE050A Air Handlers
All dimensions are in inches and millimeters.
Dimensional
Data
Table DD-1 — Air Handler Dimensions — in. (mm)
Model No. A B C D E F G H
TWE050A 48 38 22 8 19-1/2 26 15-7/8 14-1/8
(1219.20) (965.20) (558.80) (203.20) (495.30) (660.40) (403.23) (358.78)
Table DD-1 — (Continued)
Model No. J K Q S V W Y AA
TWE050A 1-7/8 42-1/8 34-5/8 3/8 — — 1-1/8 1-7/8
(47.63) (1069.98) (879.48) (9.53) — — (28.58) (47.63)

64 SS-PRC003-EN
Dimensional
Data
Figure DD-9— TWE075A; TWE100A, 100B Air Handlers
All dimensions are in inches and millimeters.
Table DD-2 — Air Handler Dimensions — in. (mm)
Tons Model No. A B C D E F G H
TWE075A 54 47-1/2 25 11-3/4 22-3/8 22 — 17-3/4
(1371.60) (1206.50) (635.00) (298.45) (568.33) (558.80) — (450.85)
TWE100A 54 63-12 25 19-3/4 22-3/8 22 — 17-3/4
(1371.60) (1612.90) (635.00) (501.65) (568.33) (558.80) — (450.85)
TWE100B 54 63-1/2 25 19-3/4 22-3/8 22 20-1/8 16
(1371.60) (1612.90) (635.00) (501.65) (568.33) (558.80) (511.18) (406.40)
Table DD-2 — (Continued)
Model No. J K Q S V W Y AA
TWE075A 4 45-1/4 38-1/8 1/2 — 15 1-3/8 2
(101.60) (1149.35) (968.38) (12.70) — (381.00) (34.93) (50.80)
TWE100A 4 45-1/4 38-1/8 1/2 — 15 1-3/8 2
(101.60) (1149.35) (968.38) (12.70) — (381.00) (34.93) (50.80)
TWE100B 2-1/8 45-1/4 38-1/8 3/8 18-3/4 14 1-1/8 2-1/8
(53.98) (1149.35) (968.38) (9.53) (476.25) (355.60) (28.58) (53.98)

65SS-PRC003-EN
Dimensional
Data
Figure DD-10 — TWE050A, 075A 100A; TWE100B Air Handlers
All dimensions are in inches and
millimeters.
Table DD-3 — Air Handler Dimensions — in. (mm)
Model No. L M N P R T X Z
TWE050A 34-5/8 2-7/8 35-5/8 12-1/4 32-1/4 12-1/2 7-5/8 2
(879.48) (73.03) (904.88) (311.15) (819.15) (317.50) (193.68) (50.80)
TWE075A 36-7/8 6-5/8 45-1/8 16-1/8 41-3/4 16-1/4 6-7/8 1-3/4
(936.63) (168.28) (1146.18) (409.58) (1060.45) (412.75) (174.63) (44.45)
TWE100A, 100B 36-7/8 6-5/8 61-1/8 16-1/8 57-3/4 16-1/4 6-7/8 1-3/4
(936.63) (168.28) (1552.58) (409.58) (1466.85) (412.75) (174.63) (44.45)

66 SS-PRC003-EN
Dimensional
Data
Figure DD-11— TWE155B and 200B Air Handlers
All dimensions are in inches and millimeters.

67SS-PRC003-EN
Dimensional
Data
Figure DD-12 — TWE155B and 200B Air Handlers
All dimensions are in inches and millimeters.
PANEL
Table DD-4— Air Handler Dimensions — in. (mm)
Model No. A B C D E F G H J K
TWE155B 69 79-1/2 27-5/8 12-3/8 1-5/8 26 25-1/8 49-1/8 56-1/4 15-1/2
(1752.60) (2019.30) (701.68) (314.33) (41.28) (660.40) (638.18) (1247.78) (1428.75) (393.70)
TWE200B 71-7/8 92-1/2 30-1/2 18-7/8 4-1/2 31 28 51-7/8 59-1/8 18-1/8
(1825.63) (2349.50) (774.70) (479.43) (114.30) (787.40) (711.20) (1317.63) (1501.78) (460.38)
Table DD-4 — (Continued)
Model No. L M N P R S T U V W
TWE155B 19-1/2 77-1/4 1-1/4 48 35 35 2-7/8 73-7/8 3-3/4 3-3/8
(495.30) (1962.15) (31.75) (1219.20) (889.00) (889.00) (73.03) (1876.43) (95.25) (85.73)
TWE200B 20-7/8 89-1/4 1-3/4 50-7/8 39-1/8 39-1/8 4-7/8 82-7/8 4-5/8 3-1/8
(530.23) (2266.95) (44.45) (1292.23) (993.78) (993.78) (123.83) (2105.03) (117.48) (79.38)
Table DD-4 — (Continued)
Model No. Y Z AA AB AC AD AE AF
TWE155B 18 73-7/8 3-3/4 2-7/8 18 3-5/8 35 35
(457.20) (1876.43) (95.25) (73.03) (457.20) (92.08) (889.00) (889.00)
TWE200B 20-1/8 82-7/8 4-5/8 4-7/8 20-1/8 3 39-1/8 39-1/8
(511.18) (2105.03) (117.48) (123.83) (511.18) (76.20) (993.78) (993.78)

68 SS-PRC003-EN
Figure DD-13 — Electric Heater for TWE050, 075, 100 Air Handlers
All dimensions are in inches and millimeters.
Figure DD-14 — Electric Heater for TWE155 and 200 Air Handlers
Dimensional
Data
18 1/8”

69SS-PRC003-EN
Dimensional
Data
Figure DD-15 — Discharge Plenum and Grille
All dimensions are in inches and millimeters.
Figure DD-16 — Subbase
Table DD-7 — Subbase Dimensions
— in. (mm)
Model Model No. A B
TWE050 BAYBASE001 38 22
(965.2) (558.8)
TWE075 BAYBASE002 471/225
(1206.5) (635)
TWE100 BAYBASE003 631/225
(1612.9) (635)
TWE155 BAYBASE004 791/2275/8
(2019.3) (701.7)
TWE200 BAYBASE005 921/2303/8
(2349.5) (771.5)
Table DD-5 — Discharge Plenum And
Grille Dimensions — in. (mm)
Model Model No. A B C
TWE050 BAYPLNM015 377/8217/828
(962) (555.6) (711.2)
TWE075 BAYPLNM016 471/225 28
(1206.5) (635) (711.2)
TWE100 BAYPLNM017 631/225 28
(1612.9) (635) (711.2)
Table DD-6 — Discharge Plenum And
Grille Dimensions — in. (mm)
For Use with Electric Heat
Model Model No. A B C
TWE050 BAYPLNM025 377/8217/829
(962) (555.6) (736.6)
TWE075 BAYPLNM026 471/225 29
(1206.5) (635) (736.6)
TWE100 BAYPLNM027 631/225 29
(1612.9) (635) (736.6)
TWE155 BAYPLNM028 791/2275/835
(2019.3) (701.7) (889)
TWE200 BAYPLNM029 921/2303/835
(2349.5) (771.5) (889)

70 SS-PRC003-EN
Weights
TTA075, 100, 125
TTA155, 200
Table W-1 — Unit and Corner Weights — Net Lbs (kg)
Unit Shipping Net Corner Weights
Model No. Maximum (lbs) Maximum (lbs) 1 2 3 4
TTA075A 370 (167.8) 326 (147.9) 105 (47.6) 83 (37.6) 61 (27.7) 77 (34.9)
TTA085A, 100A 443 (200.9) 399 (181.0) 149 (67.6) 116 (52.6) 78 (35.4) 100 (45.4)
TTA100B 481 (218.2) 427 (193.7) 133 (60.3) 135 (61.2) 87 (39.5) 85 (38.6)
TTA100C 492 (223.2) 437 (198.2) 139 (63.1) 122 (55.3) 87 (39.5) 95 (43.1)
TTA125B 481 (218.2) 427 (193.7) 133 (60.3) 135 (61.2) 87 (39.5) 85 (38.6)
TTA155B 764 (346.6) 679 (308.0) 196 (88.9) 193 (87.5) 144 (65.3) 146 (66.2)
TTA155C 764 (346.6) 679 (308.0) 196 (88.9) 193 (87.5) 144 (65.3) 146 (66.2)
TTA200B 948 (430.0) 863 (391.5) 247 (112.0) 244 (110.7) 185 (83.9) 187 (84.8)
Table W-2 — Accessory Weights — Net Lbs (kg)
Unit RIS Steel Spring Anti-Short Coil Low
Model No. Isolators Isolators Cycle Timer Guard Thermostats Ambient
TTA075A 2 (.9) 12 (5.4) 1 (.5) 8 (3.6) 1 (.5) 23 (10.4)
TTA100A
TTA100B 2 (.9) 12 (5.4) 1 (.5) 11 (5.0) 1 (.5) 23 (10.4)
TTA100C
TTA125B 2 (.9) 12 (5.4) 1 (.5) 20 (9.1) 1 (.5) 23 (10.4)
TTA155B 2 (.9) 12 (5.4) 1 (.5) 22 (10.0) 1 (.5) 23 (10.4)
TTA155C
TTA200B 2 (.9) 12 (5.4) 1 (.5) 34 (15.4) 1 (.5) 23 (10.4)

71SS-PRC003-EN
Weights
Vertical
TWE050, 075, 100 Vertical
TWE155, 200
Horizontal
TWE155, 200
Horizontal
TWE050, 075, 100
Table W-3 — Air Handlers and Corner Weights — lb
1
(kg)
Unit Shipping Net Corner Weights — Vertical Corner Weights — Horizontal
Model No. Maximum Maximum 1234 ABCD
TWE050A 298 (135.2) 232 (105.2) 59 (26.8) 59 (26.8) 59 (26.8) 59 (26.8) 54 (24.5) 64 (29.0) 64 (29.0) 54 (24.5)
TWE075A 388 (176.0) 317 (143.8) 79 (35.8) 79 (35.8) 79 (35.8) 79 (35.8) 73 (33.1) 81 (36.7) 84 (38.1) 77 (34.9)
TWE100A
TWE100B 439 (199.1) 392 (177.8) 98 (44.5) 98 (44.5) 98 (44.5) 98 (44.5) 95 (43.1) 101 (45.8) 101 (45.8) 95 (43.1)
TWE155B 754 (342.0) 692 (313.9) 173 (78.5) 173 (78.5) 173 (78.5) 173 (78.5) 156 (70.8) 174 (78.9) 190 (86.2) 170 (77.1)
TWE200B 886 816 204 (92.5) 204 (92.5) 204 (92.5) 204 (92.5) 179 (81.2) 221 (100.2) 228 (103.4) 185 (83.9)
NOTE:
1. If application requires steam or hot water heating coils, field supplied isolators must be utilized.
Table W-4 — Accessory Weights — Net Lbs (kg)
RIS RIS
Discharge Discharge Discharge Electric Isolator Isolator
Unit Plenum Plenum Plenum Return Heat Oversized Floor Suspended
Model No. And Grille1And Grille2And Grill3Air Grille Min./Max. Subbase Motor Mount Mount
TWE050A 63 (28.6) 58 (26.3) 93 (42.2) 3 (1.4) 32/43 (14.5/19.5) 14 (6.4) 31 (14.1) 2 (.91) 9 (4.1)
TWE075A 78 (35.4) 73 (33.1) 123 (55.8) 5 (2.3) 27/45 (12.2/20.4) 19 (8.6) 48 (21.8) 2 (.91) 6 (2.7)
TWE120A
TWE120B 97 (44.0) 92 (41.7) 156 (70.8) 7 (3.2) 27/45 (12.2/20.4) 23 (10.4) 50 (22.7) 2 (.91) 7 (3.2)
TWE180B — 124 (56.2) 230 (104.3) 10 (4.5) 79/100 (35.8/45.4) 27 (12.2) 80 (36.3) 2 (.91) 7 (3.2)
TWE240B — 145 (65.8) 264 (119.8) 12 (5.4) 79/100 (35.8/45.4) 31 (14.1) 88 (39.9) 2 (.91) 9 (4.1)
NOTES:
1. For use when no heat is supplied.
2. For use with electric heat.

72 SS-PRC003-EN
Mechanical
Specifications Condensing Units
General
Units shall be assembled on heavy
gauge steel mounting/lifting rails and
shall be weatherproofed. Units shall
include a reciprocating compressor(s),
plate fin condenser coil(s), fan(s) and
motor(s), control(s), and holding charge
of nitrogen. Operating range shall be
between 115°F (46.1°C) and 50°F (10°C)
in cooling as standard from the factory.
Units shall be rated in accordance with
ARI Standard 340/360 or 365.
Casing
Unit casing shall be constructed of 18
gauge zinc coated, heavy gauge,
galvanized steel. Exterior surfaces shall
be cleaned, phosphatized, and finished
with a weather-resistant baked enamel
finish. The surface of the unit shall be
tested 500 hours in salt spray test. Units
shall have removable end panels which
allow access to all major components
and controls.
Refrigeration System – Single
Compressor
TTA075A, TTA100A units shall have a
single refrigeration circuit. Each
refrigeration circuit has an integral
subcooling circuit. A refrigeration filter
drier shall be provided as standard. The
TTA075, TTA100 units shall have both a
liquid line and suction gas line service
valve with gauge port.
TTA075A, TTA100A units shall have one
direct-drive, hermetic scroll compressor
with centrifugal oil pump providing
positive lubrication to moving parts.
Motor shall be suction gas-cooled and
shall have a voltage utilization range of
plus or minus 10 percent of unit
nameplate voltage. Crankcase heater,
discharge line thermostat, and current-
sensitive motor overloads shall be
included for maximum protection. Scroll
type compressor shall provide inherently
low vibration and noise by having no
suction and discharge valves. External
high and low pressure cutout devices
shall be provided. Evaporator defrost
control provided in indoor blower coil
shall prevent compressor slugging by
temporarily interrupting compressor
operation when low evaporator coil
temperatures are encountered.
Refrigeration System – Dual
Compressor
TTA10 0B,TTA125B, TTA155B, TTA200B
units shall have two separate and
independent refrigeration circuits. Each
refrigeration circuit shall have an integral
subcooling circuit. A refrigeration filter
drier shall be provided as standard. Units
shall have both a liquid line and suction
gas line service valve with gauge port.
TTA100B,TTA125, TTA155B, TTA200B
units shall have two Trane direct-drive,
hermetic scroll compressors with
centrifugal oil pump and provide positive
lubrication to all moving parts. Motor
shall be suction gas-cooled and shall
have a voltage utilization range of plus or
minus 10 percent of nameplate voltage.
Crankcase heater, discharge line
thermostat, and current-sensitive motor
overloads shall be included for maximum
protection. Scroll compressor shall
provide inherently low vibration and
noise by having no suction and discharge
valves. External high and low pressure
cutout devices shall be provided.
Evaporator defrost control provided in
indoor blower coil shall prevent
compressor slugging by temporarily
interrupting compressor operation when
low evaporator coil temperatures are
encountered.
Refrigeration System — Dual
Manifolded Compressors
TTA 100C and TTA155C units shall have a
single refrigeration circuit with an integral
subcooling circuit. A refrigeration filter
drier shall be provided as standard. Units
shall have both a liquid line and suction
gas line service valve with gauge port.
General
Units shall be assembled on heavy
gauge steel mounting/lifting rails and
shall be weather proofed. Units shall
include hermetic scroll compressors,
plate fin condenser coils, fans and
motors, controls and holding charge of
nitrogen. Operating range shall be
between 115°F and 50°F in cooling as
standard from the factory. Units shall be
UL 1995 listed, certified and rated in
accordance with ARI Standard 340/360
or 365.
Casing
Unit casing shall be constructed of 18
gauge zinc coated heavy gauge,
galvanized steel. Exterior surfaces shall
be cleaned, phosphatized and finished
with a weather-resistant baked enamel
finish. Units surface shall be tested 500
hours in salt spray test. Units shall have
removable end panels which allow
access to all major components and
controls.
Refrigeration System – Single
Compressor
TTA090A, TTA120A units shall have a
single refrigeration circuit. Each
refrigeration circuit has an integral
subcooling circuit. A refrigeration filter
drier shall be provided as standard. The
TTA090A, TTA120A units shall have
both a liquid line and suction gas line
service valve with gauge port.
TTA090A, TTA120A units shall have one
direct-drive hermetic scroll compressor
with centrifugal oil pump providing
positive lubrication to moving parts.
Motor shall be suction gas-cooled and
shall have a voltage utilization range of
plus or minus 10 percent of unit
nameplate voltage. Crankcase heater,
internal temperature and current-
sensitive motor overloads shall be
included for maximum protection. Scroll
type compressor shall provide
inherently low vibration and noise by
having no suction and discharge valves.
External high and low pressure cutout
devices shall be provided. Evaporator
defrost control provided in indoor
blower coil shall prevent compressor
slugging by temporarily interrupting
compressor operation when low
evaporator coil temperatures are
encountered.
Refrigeration System – Dual
Compressor
TTA120B,TTA150B, TTA180B, TTA240B
units shall have two separate and
independent refrigeration circuits. Each
refrigeration circuit shall have an
integral subcooling circuit. A
refrigeration filter drier shall be
provided as standard. Units shall have
both a liquid line and suction gas line
service valve with gauge port.
TTA120B,TTA150B, TTA180B, and
TTA240B units shall have two Trane
direct-drive hermetic scroll
compressors with centrifugal oil pump
and provide positive lubrication to all
moving parts. Motor shall be suction
gas-cooled and shall have a voltage
utilization range of plus or minus 10
percent of nameplate voltage.
Crankcase heater, internal temperature
and current-sensitive motor overloads
shall be included for maximum
protection. Scroll compressor shall
provide inherently low vibration and
noise by having no suction and
discharge valves. External high and low
pressure cutout devices shall be
provided. Evaporator defrost control
provided in indoor blower coil shall
prevent compressor slugging by
temporarily interrupting compressor
operation when low evaporator coil
temperatures are encountered.
Refrigeration System — Dual
Manifolded Compressors
TTA 120C and TTA180C units shall have
a single refrigeration circuit with an
integral subcooling circuit. A
refrigeration filter drier shall be
provided as standard. Units shall have
both a liquid line and suction gas line
service valve with gauge port.
The units shall have two scroll
compressors manifolded together.
Motor shall be suction gas-cooled and
shall have a voltage utilization range of
plus or minus 10 percent of nameplate
voltage. Crankcase heater, internal
temperature and current-sensitive
motor overloads shall be included for
maximum protection. Scroll type
compressor shall provide inherently low
vibration and noise by having no suction
and discharge valves. External high and
low pressure cutout devices shall be
provided. Evaporator defrost control
provided in the indoor blower coil shall
prevent compressor slugging by
temporarily interrupting compressor
operation when low evaporator coil
temperatures are encountered.
Condenser Coil
Coils shall be internally finned or smooth
bore 3/8" copper tubes mechanically
bonded to configured aluminum plate
fin as standard. Factory pressure and
leak tested to 420 psig air pressure.
Metal grilles with PVC coating for coil
protection is optional.
Condenser Fan And Motor(s)
Direct-drive, statically and dynamically
balanced 26 or 28 inch propeller fan(s)
with aluminum blades and electro-
coated steel hubs shall be used in
draw-through vertical discharge
position. Either permanently lubricated
totally enclosed or open construction
motors shall be provided and shall have
built in current and thermal overload
protection. Motor(s) shall have be either
ball or sleeve bearing type.

73SS-PRC003-EN
Mechanical
Specifications Condensing Units
FACTORY INSTALLED ACCESSORIES
Black Epoxy Coated Condenser Coil —
This option is designed to provide
corrosion protection of air cooled
condenser coils for seacoast
application. The black epoxy coil
protection is a factory applied
thermoset vinyl coating, bonded to
normal aluminum fin stock. The uniform
thickness of the bonded vinyl layer
exhibits excellent corrosion protection
in salt spray tests performed in
accordance with ASTM B177.
ACCESSORIES
Low Ambient Head Pressure Control —
Shall modulate the RPM of unit outdoor
fan motor in response to outdoor
ambient temperature and discharge line
pressure. Accessory provides unit
cooling operation to outdoor
temperatures of 0F.
Vibration Isolation Packages — Shall
reduce transmission of noise and
vibration to building structures,
equipment and adjacent spaces.
Packages shall be available in either
neoprene-in-shear or spring-flex types.
Hot Gas Bypass Kit — Shall be
available to provide capacity
modulation.
Time Delay Relay — Shall prevent
compressors in dual compressor unit
from coming on line simultaneously.
Timer shall be 24-volt, 60 cycle, with
four minute timing period.
Anti-Short-Cycle Timer — Shall prevent
rapid on-off compressor cycling in light
load conditions by not allowing
compressor to operate for
5-7 minutes upon shutdown. Shall
consist of a solid state timing device, 24-
volt, 60 cycle with either 5 or 7 minute
fixed-off timing period.
Condenser Coil Guard — Metal grille
with PVC coating shall be provided to
alleviate coil damage.
Controls
Condensing units shall be completely
factory wired with necessary controls
and contactor pressure lugs or terminal
block for power wiring. Unit shall
provide an external location for
mounting a fused disconnect device.
A choice of microprocessor or electro-
mechanical controls shall be available.
The 24-volt electro-mechanical control
circuit shall include control transformer
and contactor pressure lugs for power
wiring. Units shall have single point
power entry as standard.
The microprocessor controls shall
provide for all 24-volt control functions.
The resident control algorithms shall
make all heating, cooling and/or
ventilating decisions in response to
electronic signals from sensors
measuring indoor and outdoor
temperatures. The control algorithm
maintains accurate temperature
control, minimizes drift from set point,
and provides better building comfort. A
centralized microprocessor shall
provide anti-short cycle timing and time
delay between compressors to provide
a higher level of machine protection.
Time delay timers shall be provided to
help prevent compressors in dual
compressor units from simultaneous
start-up. An anti-short cycle timer shall
be available as an optional accessory.
Zone Sensor
This field installed control shall be
provided to interface with the Micro
equipped units and shall be available in
either manual, automatic programmable
with night setback, with system
malfundtion lights, or remote sensor
options.
Thermostat
Two stage heating and cooling operation
or one stage heating and cooling shall be
available for field installation in either
manual or automatic changeover.
Automatic programmable electronic with
night setback shall also be available.
LonTalk® Communication Interface
This factory or field installed option shall
be provided to allow the unit to communi-
cate as aTracer™ LCI-R device or directly
with generic LonTalk Network Building
Automation System Controls.
Low Ambient Operation
Standard units shall start and operate to
approximately 50°F when matched with
air handlers and coils. Optional head
pressure control accessory permits
operation to 0°F.

74 SS-PRC003-EN
Mechanical
Specifications Air Handlers
General
Air handler units shall be completely
factory assembled including coil,
condensate drain pan, fan motor(s),
filters, and controls in an insulated
casing that can be applied in either
vertical or horizontal configuration. Units
shall be rated and tested in accordance
with ARI standard 210/240, 340/360.
Casing
Unit casing shall be constructed of zinc
coated, heavy gauge, galvanized steel.
Exterior surfaces shall be cleaned,
phosphatized, and finished with a
weather-resistant baked enamel finish.
Casing shall be completely insulated
with cleanable, foil faced, fire- retardant,
permanent, odorless glass fiber material.
All insulation edges shall be either
captured or sealed. Knockouts shall be
provided for unit electrical power and
refrigerant piping connections. Captive
screws shall be standard on all access
panels.
Refrigeration System
The TWE050A, TWE075A, TWE10 0A units
shall have a single refrigeration circuit
and the TWE050A, TWE075A, TWE10 0B,
TWE155B, TWE200B units shall have
dual refrigeration circuits. Each
refrigeration circuit is controlled by a
factory installed thermal expansion
valve.
Evaporator Coil
Configured aluminum fin surface shall
be mechanically bonded to 3/8” (10 mm)
internally enhanced copper tubing and
factory pressure and leak tested at 375
psig (2,586 kPa). Coil is arranged for
draw-thru airflow and shall provide a
double sloped condensate drain pan
constructed of PVC plastic. The drain pan
shall be removable for cleaning. The
condensate drain pan can be installed in
any of four positions allowing for vertical
or horizontal application and providing
external connections on either side of
the unit.
Evaporator Fan
Double inlet, double width, forward
curved, centrifugal-type fan(s) with
adjustable belt drive shall be standard.
Thermal overload protection shall be
standard on motor. Fan and motor
bearings shall be permanently
lubricated. Oversized motors shall be
available as an option for high static
application.
Controls
Magnetic evaporator fan contactor, low
voltage terminal strip, check valve(s), and
single point power entry shall be
included. All necessary controls shall be
factory-installed and wired. Evaporator
defrost control shall be included to
prevent compressor slugging by
temporarily interrupting compressor
operation when low evaporator coil
temperatures are encountered.
Filters
One inch, throwaway filters shall be
standard on TWE050A, TWE075A,
TWE100A and TWE100B model air
handlers. Filters shall be accessible from
the side coil access panel. Filter rack can
be field converted to two-inch capability.
Two-inch throwaway filters shall be
standard on TWE155B and TWE200B
models.
Accessories
Electric Heaters — Approved electric
heat modules shall be available for
installation directly on fan discharge.
Electric heaters shall be available in a
wide range of capacities with one or
two-stage control, single-point electric
power connection and terminal strip
connections. Electric heater elements
shall be constructed on heavy-duty
nickel chromium elements internally
wye connected on 480/600 volt, three
phase and delta connected on 208/240
volt, three phase. Each 208/240 volt,
three phase heater shall have pilot duty
with secondary backup fuse links for
automatic reset of high limit controls.
Each 480/600 volt heater shall have
automatic line break high limit controls.
Discharge Plenums and Grilles —
Accessory discharge plenums shall be
available for vertical, free discharge
applications. Plenums shall be
constructed of heavy-gauge, zinc coated,
galvanized steel finished with baked
enamel to match the air handler unit.
Grilles shall be satin finished aluminum
and have four-way adjustable louvers.
Return Air Grilles — Accessory return air
grille shall be provided for vertical front,
free return applications. Grilles shall be
installed in place of the front lower side
panel. Grille shall be satin finished
aluminum with non-adjustable louvers.
Mounting Subbase — This accessory
shall be available for vertical floor mount
configurations. Subbase shall be
constructed of heavy gauge, zinc coated,
galvanized steel with baked enamel
finish to match air handler unit. Subbase
is required in the vertical air flow
application for condensate drain
trapping and when isolators are
required.
Vibration Isolators — This accessory
shall reduce transmission of noise and
vibration to building structures,
equipment, and adjacent spaces.
Packages shall be available in either
neoprene-in shear or spring-flex types in
floor or suspended mountings.
Oversized Motors — Field installed
oversized motors shall be available for
high static pressure applications.
Control Options
Standard Indoor Thermostats — Two
stage heating and cooling operation or
one stage heating and cooling
thermostats shall be available in either
manual or automatic changeover.
Programmable Electronic Night Setback
Thermostat — The option shall provide
heating setback and cooling setup with
7-day programming capability.

75

76

Trane has a policy of continuous product and product data improvement and reserves the right to change
design and specifications without notice.
Literature Order Number SS-PRC003-EN
File No. PL-UN-SS-PRC003-EN-0104
Supersedes PL-UN-SS-PRC003-EN-1103
Stocking Location Electronic Only
Trane
A business of American Standard
Companies
www.trane.com
For more information contact your
local district office, or e-mail us at
comfort@trane.com