Trane Gas Unit Heaters Installation And Maintenance Manual GLND SVX01B EN 03/16/2012 Installation, Operation, Heater Indoor Fired Duct Furnace S GL
2015-04-02
: Trane Trane-Gas-Unit-Heaters-Installation-And-Maintenance-Manual-684285 trane-gas-unit-heaters-installation-and-maintenance-manual-684285 trane pdf
Open the PDF directly: View PDF
.
Page Count: 43

SAFETY WARNING
Only qualified personnel should install and service the equipment. The installation, starting up, and
servicing of heating, ventilating, and air-conditioning equipment can be hazardous and requires specific
knowledge and training. Improperly installed, adjusted or altered equipment by an unqualified person could
result in death or serious injury. When working on the equipment, observe all precautions in the literature
and on the tags, stickers, and labels that are attached to the equipment.
Gas Unit Heater
Indoor Gas-Fired Duct Furnace
March 2012 GLND-SVX01B-EN
Installation, Operation,
and Maintenance

© 2012 Trane All rights reserved GLND-SVX01B-EN
Warnings, Cautions and Notices
Warnings, Cautions and Notices. Note that warnings,
cautions and notices appear at appropriate intervals
throughout this manual. Warnings are provide to alert
installing contractors to potential hazards that could result
in death or personal injury. Cautions are designed to alert
personnel to hazardous situations that could result in
personal injury, while notices indicate a situation that
could result in equipment or property-damage-only
accidents.
Your personal safety and the proper operation of this
machine depend upon the strict observance of these
precautions.
Read this manual thoroughly before operating or servicing
this unit.
Important
Environmental Concerns!
Scientific research has shown that certain man-made
chemicals can affect the earth’s naturally occurring
stratospheric ozone layer when released to the
atmosphere. In particular, several of the identified
chemicals that may affect the ozone layer are refrigerants
that contain Chlorine, Fluorine and Carbon (CFCs) and
those containing Hydrogen, Chlorine, Fluorine and
Carbon (HCFCs). Not all refrigerants containing these
compounds have the same potential impact to the
environment. Trane advocates the responsible handling of
all refrigerants-including industry replacements for CFCs
such as HCFCs and HFCs.
Responsible Refrigerant Practices!
Trane believes that responsible refrigerant practices are
important to the environment, our customers, and the air
conditioning industry. All technicians who handle
refrigerants must be certified. The Federal Clean Air Act
(Section 608) sets forth the requirements for handling,
reclaiming, recovering and recycling of certain
refrigerants and the equipment that is used in these
service procedures. In addition, some states or
municipalities may have additional requirements that
must also be adhered to for responsible management of
refrigerants. Know the applicable laws and follow them.
ATTENTION: READ THIS MANUAL AND ALL LABELS
ATTACHED TO THE UNIT CAREFULLY BEFORE
ATTEMPTING TO INSTALL, OPERATE OR SERVICE THESE
UNITS! CHECK UNIT DATA PLATE FOR TYPE OF GAS AND
ELECTRICAL SPECIFICATIONS AND MAKE CERTAIN THAT
THESE AGREE WITH THOSE AT POINT OF INSTALLATION.
RECORD THE UNIT MODEL AND SERIAL No.(s) IN THE
SPACE PROVIDED. RETAIN FOR FUTURE REFERENCE.
ATTE NT ION : Warnings, Cautions and Notices appear at
appropriate sections throughout this literature. Read
these carefully:
WARNING Indicates a potentially hazardous
situation which, if not avoided, could
result in death or serious injury.
CAUTIONsIndicates a potentially hazardous
situation which, if not avoided, could
result in minor or moderate injury. It
could also be used to alert against
unsafe practices.
NOTICE: Indicates a situation that could result in
equipment or property-damage only
WARNING
Proper Field Wiring and Grounding
Required!
All field wiring MUST be performed by qualified
personnel. Improperly installed and grounded field
wiring poses FIRE and ELECTROCUTION hazards. To
avoid these hazards, you MUST follow requirements for
field wiring installation and grounding as described in
NEC and your local/state electrical codes. Failure to
follow code could result in death or serious injury.
WARNING
Personal Protective Equipment (PPE)
Required!
Installing/servicing this unit could result in exposure to
electrical, mechanical and chemical hazards.
• Before installing/servicing this unit, technicians
MUST put on all Personal Protective Equipment (PPE)
recommended for the work being undertaken.
ALWAYS refer to appropriate MSDS sheets and OSHA
guidelines for proper PPE.
• When working with or around hazardous chemicals,
ALWAYS refer to the appropriate MSDS sheets and
OSHA guidelines for information on allowable
personal exposure levels, proper respiratory
protection and handling recommendations.
• If there is a risk of arc or flash, technicians MUST put
on all Personal Protective Equipment (PPE) in
accordance with NFPA 70E or other country-specific
requirements for arc flash protection, PRIOR to
servicing the unit.
Failure to follow recommendations could result in death
or serious injury.

Warnings, Cautions and Notices
GLND-SVX01B-EN 3
Trademarks
Trane and the Trane logo are trademarks of Trane in the
United States and other countries. All trademarks
referenced in this document are the trademarks of their
respective owners.
Dow Corning is a registered trademark of Dow Corning
Corporation.
WARNING
Hazardous Service Procedures!
The maintenance and troubleshooting procedures
recommended in this manual could result in exposure
to electrical, mechanical or other potential safety
hazards. Always refer to the safety warnings provided
throughout this manual concerning these procedures.
When possible, disconnect all electrical power
including remote disconnect and discharge all energy
storing devices such as capacitors before servicing.
Follow proper lockout/tagout procedures to ensure the
power can not be inadvertently energized. When
necessary to work with live electrical components,
have a qualified licensed electrician or other individual
who has been trained in handling live electrical
components perform these tasks. Failure to follow all of
the recommended safety warnings provided, could
result in death or serious injury.
WARNING
Overheating or Flooding Could Cause Fire
or Explosion!
Overheating or flooding (where any part of the duct
furnace has been under water) could result in fire or
explosion. Should overheating occur, or the gas supply
fails to shut off, shut off the manual gas valve to the
duct furnace before shutting off the electrical supply.
Do not use the duct furnace if any part has been under
water. Immediately call a qualified service technician to
inspect the duct furnace and replace any gas control
which has been underwater. Failure to follow these
recommendations could result in death or serious
injury.
WARNING
Hazardous Gases and Flammable
Vapors!
Exposure to hazardous gases from fuel substances
have been shown to cause cancer, birth defects or
other reproductive harm. Improper installation,
adjustment, alteration, service or use of this product
could cause flammable mixtures. To avoid hazardous
gases and flammable vapors follow proper
installation and set up of this product and all
warnings as provided in this manual. Failure to follow
all instructions could result in death or serious injury.

4GLND-SVX01B-EN
Introduction
For Your Safety
The use and storage of gasoline or other flammable
vapors and liquids in open containers in the vicinity
of this appliance is hazardous.
If you smell gas:
1. Open windows.
2. Do not touch electrical switches.
3. Extinguish any open flame.
4. Immediately call your gas supplier from a
neighbor’s phone. Follow the gas supplier’s
instructions.
Approved For Use in California When
Equipped With Spark Ignition
Installer’s Responsibility
Installer Please Note: This equipment has been test fired
and inspected. It has been shipped free from defects from
our factory. However, during shipment and installation,
problems such as loose wires, leaks, or loose fasteners
may occur. It is the installer’s responsibility to inspect and
correct any problems that may be found.
Receiving Instructions
Inspect shipment immediately when received to
determine if any damage has occurred to the unit during
shipment. After the unit has been uncrated, check for any
visible damage to the unit. If any damage is found, the
consignee should sign the bill of lading indicating such
damage and immediately file claim for damage with the
transportation company.
Important: It is the equipment owner’s responsibility to
provide any scaffolding or other apparatus
required to perform emergency service or
annual/periodic maintenance to this
equipment.
WARNING
Safety Alert!
You MUST follow all recommendations below. Failure
to do so could result in death or serious injury.
WARNING
Toxic Hazard!
Install, operate and maintain unit in accordance with
manufacturer’s instructions to avoid exposure to fuel
substances or substances from incomplete combustion
which could result in death or serious illness. The state
of California has determined that these substances may
cause cancer, birth defects, or other reproductive harm.

Table of Contents
GLND-SVX01B-EN 5
Warnings, Cautions and Notices . . . . . . . . . . 2
Model Number Descriptions . . . . . . . . . . . . . . 6
Indoor Gas Heating Units . . . . . . . . . . . . . . . 6
Horizontal Blower Assembly . . . . . . . . . . . . 6
General Information . . . . . . . . . . . . . . . . . . . . . 7
Description . . . . . . . . . . . . . . . . . . . . . . . . . . . 7
General Safety Information . . . . . . . . . . . . . 7
Identification of Parts . . . . . . . . . . . . . . . . . . 8
Unit Dimensions and Weights . . . . . . . . . . . . 9
Installation: Mechanical . . . . . . . . . . . . . . . . . 11
Clearances . . . . . . . . . . . . . . . . . . . . . . . . . 12
Air Flow . . . . . . . . . . . . . . . . . . . . . . . . . . . 13
Combustion Inlet Air Ventilation . . . . . . . 13
Suspension . . . . . . . . . . . . . . . . . . . . . . . . 13
Nozzle Assembly . . . . . . . . . . . . . . . . . . . 14
Installation: Piping . . . . . . . . . . . . . . . . . . . . . . 16
Gas Piping . . . . . . . . . . . . . . . . . . . . . . . . . . . 16
Pipe Sizing . . . . . . . . . . . . . . . . . . . . . . . . 16
Pipe Installation . . . . . . . . . . . . . . . . . . . . . . 17
Installation: Venting . . . . . . . . . . . . . . . . . . . 18
Venting for Power Vented (Category III) Duct
Furnaces . . . . . . . . . . . . . . . . . . . . . . . . . . 19
Installation: Electrical . . . . . . . . . . . . . . . . . . . 25
Electrical Connections . . . . . . . . . . . . . . . . . 25
Thermostat Wiring and Location . . . . . . 25
Start-Up . . . . . . . . . . . . . . . . . . . . . . . . . . . . . . . 27
Operation . . . . . . . . . . . . . . . . . . . . . . . . . . . . 27
Power Vented Duct Furnaces with Intermit-
tent (Spark) Pilot Ignition . . . . . . . . . . . . . 27
Gas Equipment Start-Up . . . . . . . . . . . . . . . 32
Maintenance . . . . . . . . . . . . . . . . . . . . . . . . . . . 33
Periodic Service . . . . . . . . . . . . . . . . . . . . 33
Installation Instructions for Field Replace-
ment of Power Venter Motor . . . . . . . . . . 36
How to Order Replacement Parts . . . . . . 37
Diagnostics . . . . . . . . . . . . . . . . . . . . . . . . . . . . 38
Troubleshooting . . . . . . . . . . . . . . . . . . . . . . 38
Wiring Diagrams . . . . . . . . . . . . . . . . . . . . . . . .42

6 GLND-SVX01B-EN
Model Number Descriptions
Indoor Gas Heating
Units
Note: All units are AGA approved. For
CGA approved units, contact Air
Handling Product Support.
Digit 1 — Gas Heating
Equipment
G = Gas Heating Equipment
Digit 2 — Product Type
L = High Efficiency Indoor Duct
Furnace
Digit 3 — Fuel
N= Natural Gas
P=LP Gas (Propane)
Digit 4 — Development
Sequence
D = Fourth Generation
Digits 5, 6, 7 — Input Capacity
Single Furnace
Digit 8 — Main Power Supply
Digit 9 — Gas Control Option
D = Single-Stage, Intermittent Pilot
Ignition
E = Two-Stage, Intermittent Pilot
Ignition
H = Electronic Modulating with
Room
T-Stat, Intermittent Pilot Ignition
J = Electronic Modulating with
Duct-Stat, Intermittent Pilot
Ignition
L = Electronic Modulating with
External 4–20 mA Input
N = Electronic Modulating with
External 0–10 Vdc Input
T = Single Stage Direct Spark
Ignition
V = Two-Stage, Direct Spark Ignition
Digit 10 — Design Sequence
G = Seventh Design
Digit 11 — Heat Exchanger
Material
1 = Aluminized Steel
3 = #321 Stainless Steel
Digit 12 — Rooftop
Arrangements
0 = None (Indoor Unit)
Digit 13 — Rooftop Heating Unit
Motor Selection
0 = None (Indoor Unit and Rooftop
Duct Furnace)
Digit 14 — Rooftop Fan Section
0 = None (Indoor Unit and Rooftop
Duct Furnace)
Digit 15 — Miscellaneous
Options
0=None
A = #409 Stainless Steel Burners
B = Orifices For Elevation Above
2000 Feet (Specify Elevation)
C = #409 Stainless Steel Draft
Diverter
D = Summer-Winter Switch
F = Horizontal Louvers
G = Horizontal and Vertical Louvers
K = Side Access Burner Drawer (Left
Hand)1
L = Fan Time Delay Control
M = Side Access Burner Drawer
(Right Hand)1
Horizontal Blower
Assembly
Digit 1, 2, 3 — Horizontal
Blower Assembly
Digit 4 — Development
Sequence
C = Third Generation
Digit 5, 6 — Blower Size
15 = Nominal 1500 cfm
20 = Nominal 2000 cfm
30 = Nominal 3000 cfm
45 = Nominal 4500 cfm
Digit 7 — Transition Size
(Specifies Duct Furnace Size)
Digit 8 — Main Power Supply
Digit 9 — Motor Horsepower
Digit 10 — Design Sequence
D = Fourth Design
Digit 11 — Miscellaneous
Options
0=None
1 = Insulation
3 = Totally Enclosed Motor
003 = 30 MBh 015 = 150 MBh
004 = 45 MBh 017 = 175 MBh
006 = 60 MBh 020 = 200 MBh
007 = 75 MBh 022 = 225 MBh
009 = 90 MBh 025 = 250 MBh
010 = 100 MBh 030 = 300 MBh
012 = 125 MBh 035 = 350 MBh
040 = 400 MBh
A = 115/60/1 D = 230/60/3
B = 230/60/1 E = 460/60/3
C = 208/60/3 F = 575/60/3
1The left or right hand side of the side access burn-
er drawer, options K & M, is determined by facing
the air outlet side of the duct furnace.
0 = None
A = 100 MBh F = 225 MBh
B = 125 MBh G = 250 MBh
C = 150 MBh H = 300 MBh
D = 175 MBh J = 350 MBh
E=200 MBh K=400 MBh
A = 115/60/1 D = 230/60/3
B = 230/60/1 E = 460/60/3
C = 208/60/3
A = 1/3 hp D = 1 hp
B = 1/2 hp E = 1-1/2 hp
C = 3/4 hp F = 2 hp

GLND-SVX01B-EN 7
General Information
Description
The duct furnace design is certified by ETL for use with
natural and LP (propane) gases. ANSI and NFPA Standards
as well as Canadian installation codes referred to in this
manual are the ones that were applicable at the time that
the design was certified. In addition, the duct furnace may
be installed on the downstream side of a cooling unit,
without need of a bypass duct.
If the unit is to be installed at an altitude exceeding
2,000 feet (610 m) above sea level, derate the input by
4 percent for each 1,000 foot (305 m) rise above sea level.
Special orifices are required for installations above
2,000 feet (610 m).
When units are installed in Canada, any reference to
derations at altitudes in excess of 2000 feet (610 m) are to
be ignored. At altitudes of 2000 to 4500 feet (610 to
1372 m), the units must be orificed to 90 percent of the
normal altitude rating, and be so marked in accordance
with the ETL certification.
General Safety Information
Important: This product must be installed by a licensed
plumber or gas fitter when installed within
the Commonwealth of Massachusetts.
• Installation must be made in accordance with
local codes, or in absence of local codes with the
latest edition of ANSI Standard Z223.1 (N.F.P.A.
No. 54) National Fuel Gas Code.
All of the ANSI and NFPA Standards referred to
in these installation instructions are those that
were applicable at the time the design of this
appliance was certified. The ANSI Standards are
available from the CSA Information Services,
1-800-463-6727. The NFPA Standards are
available from the National Fire Protection
Association, Batterymarch Park, Quincy, MA
02269. These duct furnaces are designed for use
in airplane hangars when installed in
accordance with current ANSI/NFPA No. 409
and in public garages when installed in
accordance with current NFPA No. 88A and
NFPA No. 88B.
If installed in Canada, the installation must
conform with local building codes, or in absence
of local building codes, with CSA-B149.1
“Installation Codes for Natural Gas Burning
Appliances and Equipment” or CSA-B149.2
“Installation Codes for Propane Gas Burning
Appliances and Equipment”. These indoor duct
furnaces have been designed and certified to
comply with CSA 2.6. Also see sections on
installation in “Aircraft Hangers,” p. 11 and
“Public Garages,” p. 11.
• Do not alter the duct furnace in any way or
damage to the unit and/or severe personal injury
or death could occur!
• Turn off the gas supply and disconnect all
electric power, including remote disconnects
before servicing unit. Follow proper lockout/
tagout procedures to ensure the power can not
be inadvertently energized and the gas can not
be inadvertently turned on. Failure to turn off
gas or disconnect power before servicing could
result in death or serious injury.
• Follow installation instructions CAREFULLY to
avoid creating unsafe conditions. All wiring
should be done and checked by a qualified
electrician, using copper wire only. All external
wiring must conform to applicable local codes
and to the latest edition of the National
Electrical Code ANSI/NFPA No. 70.
• All gas connections should be made and leak-
tested by a suitably qualified individual, per
instructions in this manual. Also follow
procedures listed in “Gas Equipment Start-Up,”
p. 32.
• Use only the fuel for which the duct furnace is
designed (see rating plate). Using LP gas in a
heater that requires natural gas, or vice versa,
will create the risk of gas leaks, carbon
monoxide poisoning and explosion.
Important: Do not attempt to convert the furnace
for use with a fuel other than the one
intended. Such conversion is
dangerous, as it could create the risks
listed previously.
• Make certain that the power source conforms to
the electrical requirements of the furnace.
• All field-installed wiring must be completed by
qualified personnel. All field-installed wiring
must comply with NEC and applicable local
codes. Failure to follow this instruction could
result in death or serious injuries.
• Special attention must be given to any
grounding information pertaining to this duct
furnace. To prevent the risk of electrocution, the
furnace must be securely and adequately
grounded. This should be accomplished by
connecting a grounded conductor between the
service panel and the furnace. To ensure a proper
WARNING
Safety Alert!
You MUST follow all recommendations below. Failure
to do so could result in death or serious injury.

General Information
8 GLND-SVX01B-EN
ground, the grounding means must be tested by
a qualified electrician.
• Do not insert fingers or foreign objects into the
furnace or its air moving device. Do not block or
tamper with the heater in any manner while in
operation or just after it has been turned off, as
some parts may be hot enough to cause injury.
• This furnace is intended for general heating
applications ONL
Y. It must NOT be used in
potentially dangerous locations such as
flammable, explosive, chemical-laden or wet
atmospheres.
• In cases in which property damage may result
from malfunction of the furnace, a backup
system or a temperature sensitive alarm should
be used.
• When connecting to existing gas lines be sure to
valve off the gas supply ahead of connection
point. To avoid explosion or possible fire, always
purge all residual gas from piping before cutting
into existing line or removing threaded fittings.
Failure to remove all gas vapors could result in
death or serious injury or equipment or property-
only-damage.
Unless otherwise specified, the following conversions
may be used for calculating SI unit measurements:
Identification of Parts
1 foot = 0.305 m 1 inch water column = 0.249 kPa
1 inch = 25.4 mm 1 meter/second = FPM ÷ 196.8
1 psig = 6.894 kPa 1 liter/second = CFM x 0.472
1 pound = 0.453 kg 1000 Btu per hour = 0.293 kW
1 gallon = 3.785 L 1000 Btu/Cu. Ft. = 37.5 MJ/m3
1 cubic foot = 0.028 m3
Figure 1. Burner assembly parts (bottom view)
OR ELECTRODE/SENSING
LEAD LOCATION
Figure 2. Duct furnace components
Figure 3. Burners/Controls (bottom view)
1. “Packaged” Gas Valve
2. Pilot Observation Point
3. Pilot Burner Assembly Parts
4. Burner “Drawer”
5. Flame Carryover
6. Main Burner
1
2
3
1
2
3
4
5
6

GLND-SVX01B-EN 9
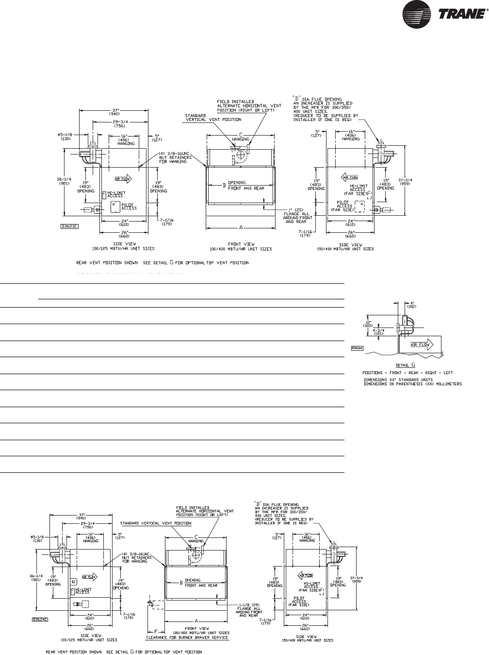
Unit Dimensions and Weights
Figure 4. Power Vented Furnace—bottom service access
Figure 5. Power Vented Duct Furnace—side service access
Table 1. Power Vented Duct Furnace
Unit Size
A B C D (Dia.) F
Gas Inlet
in. Weight
in. (mm) in. (mm) in. (mm) in. (mm) in. (mm) Nat. LP lb (kg)
100 17-7/8 15-1/2 17-1/8 4 23-7/8 1/2 1/2 173
(454) (394) (435) (102) (606) (78)
125 20-5/8 18-1/4 19-7/8 4 25-5/8 1/2 1/2 186
(524) (464) (505) (102) (651) (84)
150 20-5/8 18-1/4 19-7/8 4 26-5/8 1/2 1/2 197
(524) (464) (505) (102) (676) (89)
175 23-3/8 21 22-5/8 4 29-3/8 1/2 1/2 216
(594) (533) (575) (102) (746) (98)
200 26-1/8 23-3/4 25-3/8 5 32-1/8 1/2 1/2 232
(664) (603) (645) (127) (816) (105)
225 28-7/8 26-1/2 28-1/8 5 34-7/8 3/4 1/2 or 3/4 254
(733) (673) (714) (127) (886) (115)
250 31-5/8 29-1/4 30-7/8 5 37-5/8 3/4 1/2 or 3/4 263
(803) (743) (784) (127) (956) (119)
300 37-1/8 34-3/4 36-3/8 6 43-1/8 3/4 1/2 or 3/4 312
(943) (883) (924) (152) (1095) (142)
350 42-5/8 40-1/4 41-7/8 6 48-5/8 3/4 1/2 or 3/4 389
(1083) (1022) (1064) (152) (1235) (176)
400 48-1/8 45-3/4 47-3/8 6 54-1/8 3/4 1/2 or 3/4 403
(1222) (1162) (1203) (152) (1375) (183)

Unit Dimensions and Weights
10 GLND-SVX01B-EN
Table 2. Performance data
Unit Size
Input
Output MIN Temp. Rise P.D. MAX Temp. Rise P.D.MAX MIN
MBh (kW) MBh (kW) MBh (kW) cfm (m3/s) °F (°C) in. of H2O (kPa) cfm (m3/s) °F (°C) in. of H2O (kPa)
100 100 50 80 929 80 0.12 2469 30 0.90
(29.3) (14.6) (23.4) (0.438) (44) (0.03) (1.165) (17) (0.22)
125 125 62.5 100 1157 80 0.13 3086 30 0.80
(36.6) (18.3) (29.3) (0.546) (44) (0.03) (1.457) (17) (0.20)
150 150 75 120 1389 80 0.15 3704 30 0.75
(43.9) (22.0) (35.1) (0.656) (44) (0.04) (1.748) (17) (0.19)
175 175 87.5 140 1620 80 0.14 4321 30 0.75
(51.2) (25.6) (41.0) (0.765) (44) (0.03) (2.040) (17) (0.19)
200 200 100 160 1852 80 0.14 4938 30 0.75
(58.6) (29.3) (46.9) (0.874) (44) (0.03) (2.331) (17) (0.19)
225 225 112.5 180 2083 80 0.14 5556 30 0.75
(65.9) (32.9) (52.7) (0.983) (44) (0.03) (2.622) (17) (0.19)
250 250 125 200 2315 80 0.14 6173 30 0.80
(73.2) (36.6) (58.6) (1.093) (44) (0.03) (2.914) (17) (0.20)
300 300 150 240 2778 80 0.13 7407 30 0.90
(87.8) (43.9) (70.3) (1.311) (44) (0.03) (3.496) (17) (0.22)
350 350 175 280 3241 80 0.13 8642 30 0.90
(102.5) (51.2) (82.0) (1.530) (44) (0.03) (4.079) (17) (0.22)
400 400 200 320 3704 80 0.14 9877 30 0.90
(117.1) (58.6) (93.7) (1.748) (44) (0.03) (4.662) (17) (0.22)
Notes:
1. Ratings are shown for unit installations at elevations between 0 and 2,000 ft. (610 m).
2. For unit installations in U.S.A. above 2,000 ft. (610 m), the unit input must be derated 4 percent for each 1,000 ft. (305 m) above sea level; refer to
local codes, or in absence of local codes, refer to the latest edition of the National Fuel Gas Code, ANSI Standard Z223.1 (N.F.P.A. No. 54).
3. For installations in Canada, any references to deration at altitudes in excess of 2,000 ft. (610 m) are to be ignored.
4. At altitudes of 2,000 to 4,500 ft. (610 to 1372 m), the unit must be derated 90 percent of the normal altitude rating, and be so marked in accordance
with the ETL certification.
Figure 6. Temperature rise and pressure drop graph

GLND-SVX01B-EN 11
Installation: Mechanical
When the unit is equipped with an automatic gas ignition
system, the duct furnaces must be installed such that the
gas ignition control system is not directly exposed to water
spray, rain, or dripping water.
Note: Location of duct furnaces is related directly to the
selection of sizes. Basic rules are as follows:
Aircraft Hangers. Duct furnaces must be installed in
aircraft hangars and public garages as follows: in aircraft
hangars, duct furnaces must be at least 10 feet (3.0 m)
above the upper surface of wings or engine enclosures of
the highest aircraft to be stored in the hangar, and 8 feet
(2.4 m) above the floor in shops, offices and other sections
of the hangar where aircraft are not stored or housed.
Refer to current ANSI/NFPA No. 409, Aircraft Hangars. In
Canada, installation is suitable in aircraft hangars when
acceptable to the enforcing authorities.
Public Garages. In repair garages, duct furnaces must
be installed in a detached building or room separate from
repair areas as specified in the latest edition of NFPA 88B,
Repair Garages.
In parking structures, duct furnaces must be installed so
that the burner flames are located a minimum of 18 inches
(457 mm) above the floor or protected by a partition not
less than 18 inches (457 mm) high. Refer to the latest
edition of NFPA 88A, Parking Structures.
In Canada, installation must be in accordance with the
latest edition of CSA B149 “Installation Codes for Gas
Burning Appliances and Equipment.”
NOTICE:
Equipment Damage!
Do not install duct furnaces in corrosive or flammable
atmospheres! Premature failure of, or severe damage to
the unit could result! Avoid locations where extreme
drafts can affect burner operation. Duct furnaces must
not be installed in locations where air for combustion
would contain chlorinated, halogenated or acidic
vapors. If located in such an environment, premature
failure of the unit could occur!
NOTICE:
Maintain Minimum Thermostat Setting!
Duct furnaces should not be installed to maintain low
temperatures and/or freeze protection of buildings. A
minimum of 50°F (10°C) thermostat setting must be
maintained. If duct furnaces are operated to maintain
lower than 50°F (10°C), hot flue gases are cooled inside
the heat exchanger to a point where water vapor (a flue
gas by-product) condenses onto the heat exchanger
walls. The result is a mildly corrosive acid that
prematurely corrodes the aluminized heat exchanger
and can actually drip water down from the duct furnace
onto the floor surface. Additional duct furnaces should
be installed if a minimum 50°F (10°C) thermostat
setting cannot be maintained. Failure to follow these
recommendations could result in equipment or
property damage.
WARNING
Overheating or Flooding Could Cause Fire
or Explosion!
Overheating or flooding (where any part of the duct
furnace has been under water) could result in fire or
explosion. Should overheating occur, or the gas supply
fails to shut off, shut off the manual gas valve to the
duct furnace before shutting off the electrical supply.
Do not use the duct furnace if any part has been under
water. Immediately call a qualified service technician to
inspect the duct furnace and replace any gas control
which has been underwater. Failure to follow these
recommendations could result in death or serious
injury.
WARNING
Hazardous Gases and Flammable Vapors!
Exposure to hazardous gases from fuel substances
have been shown to cause cancer, birth defects or other
reproductive harm. Improper installation, adjustment,
alteration, service or use of this product could cause
flammable mixtures. To avoid hazardous gases and
flammable vapors follow proper installation and set up
of this product and all warnings as provided in this
manual. Failure to follow all instructions could result in
death or serious injury.

Installation: Mechanical
12 GLND-SVX01B-EN
Clearances
Maintain adequate clearances around air openings into
combustion chamber:
Accessibility
If the unit is a bottom service access type, allow a
minimum of 21 inches (533 mm) at the bottom of the unit
to facilitate servicing the burners and pilot, or six inches
(152 mm) if the unit has a side access burner drawer.
Provision should also be made to assure accessibility for
recurrent maintenance purposes.
Drafts
Avoid installing the duct furnace in an extremely drafty
location. Strong drafts may cause pilot outage. Units with
intermittent pilot ignition may be preferable in areas
where drafts cannot be avoided.
Atmospheres containing commercial solvents or
chlorinated hydrocarbons will produce corrosive acids
when coming in contact with the flames. This will greatly
reduce the life of the gas duct furnace and may void the
warranty. Avoid such areas.
The duct furnace must be installed on the positive
pressure side of the air circulation blower.
Ductwork
Properly designed and installed ductwork, providing a
uniformly distributed flow of air across the surfaces of the
heat exchanger, is essential to satisfactory unit
performance and life of the equipment.
All duct connection flanges/seams must be sealed to
prevent air leaks. Sealant/tape must be suitable for
temperatures 250°F (121°C) minimum.
If uniform air distribution is not obtained, install additional
baffles and/or turning vanes in the ductwork.
Figure 7 and Figure 8 illustrate recommended ductwork
designs for both the straight-through and elbowed air inlet
arrangements.
WARNING
Combustible Materials!
Maintain proper clearance between the unit heat
exchanger, vent surfaces, and combustible materials.
Refer to unit nameplate and installation instructions for
proper clearances. Improper clearances could result in a
fire hazard. Failure to maintain proper clearances could
result in death or serious injury or property damage.
Table 3. Minimum clearances
Sides 6” (152 mm)
Top 6” (152 mm)
Bottom 6” (152 mm)
Flue 6” (152 mm)
Note: When the clearances required for accessibility are greater than the
minimum required safety clearances, the accessibility clearances
take precedence.
WARNING
Fire Hazard!
If the gas duct furnace is to be used in a building
classified as having a hazardous atmosphere, the
installation must comply with the standards set by the
National Board of Fire Underwriters. Consult the
authorities having jurisdiction before starting the job.
Failure to follow recommendations could result in
death or serious injury.
NOTICE:
Use 90° Duct Connection Flanges!
Ducts must be properly connected to duct furnaces for
operation. Do not straighten the 90° duct connection
flanges on the duct furnaces. Straightening the 90° duct
connection flanges will affect the operation of the
furnace and will void the warranty.
Figure 7. Recommended design for field installation of
ductwork for straight-through arrangement

Installation: Mechanical
GLND-SVX01B-EN 13
Access panels large enough to observe smoke and
reflected light, and to detect the presence of leaks in the
heating equipment, are required both upstream and
downstream from gas duct furnaces. These panels must
be sealed to prevent air leaks. If allowed by local
regulations, install canvas connectors between the
ductwork and fan discharge opening to eliminate the
transmission of mechanical vibration.
Air Flow
The installation is to be adjusted to obtain an air
throughput within the range specified on the appliance
rating plate.
Combustion Inlet Air Ventilation
Inlet Air From Another Room
If the duct furnace is installed in a tightly constructed room
or compartment, provide two inlet air openings. The size
of each vent opening should be no less than one square
inch (6.452 square centimeters) of free area for each 1000
Btu/hr. (293 W) input. Each opening must not be less than
100 square inches (645 square centimeters).
Inlet Air From Outdoors
If the enclosed space is to have inlet combustion air from
the outside, the vent opening must not be smaller than one
square inch (6.452 square centimeters) of free area for
each 2500–3000 Btu/hr (733–879 W) input. Each opening
must not be less than 100 square inches (645 square
centimeters).
Bypass
When a gas duct furnace is installed to operate in
conjunction with a summer air conditioning system, the
cfm air delivery of the system blower should be adjusted
to meet the design air volume requirements for cooling. If
this cfm delivery is greater than that required for heating,
resulting in a low air temperature rise, install a damper
bypass around the gas duct furnace to bypass a portion of
the air.
Suspension
Figure 8. Recommended ductwork design for elbowed
arrangement
WARNING
Heavy Objects!
Ensure that all hardware used in the suspension of each
duct furnace is capable of supporting the unit weight.
Failure to do so could result in unit falling off its
mounting location, which could result in death or
serious injury.
NOTICE:
Equipment Damage!
The duct furnace must be hung level from side to side
and front to back, from four suspension points provided
at the top of the unit. Failure to do so could result in
poor performance and/or premature failure of the unit.
Refer to Figure 9, p. 14 for typical suspension
arrangements.
WARNING
Heavy Objects!
Make certain that the lifting methods used to lift the
duct furnace and the method of suspension used in the
field installation of the duct furnace are capable of
uniformly supporting the weight of the furnace at all
times. Make certain that the structure to which the
furnace is mounted is capable of supporting its weight.
Under no circumstances must the heater gas lines, the
venting system or the electrical conduit be used for
support. Failure to follow recommendations could
result in death, serious injury, or property damage.

Installation: Mechanical
14 GLND-SVX01B-EN
Nozzle Assembly
Use the following procedure for assembling the 30-, 60-, or
90-degree nozzle assembly to your unit heater.
1. Remove the louvers and the cone springs from the unit
heater.
2. Remove the four (4) screws from the upper section of
the front of the unit heater and use these same screws
to temporarily attach the top bracket
(P/N 252-07948-00X).
a. Using the holes in the top bracket as a guide, pre-
drill a 1/8” (0.125”) hole at each location across the
front panel of the unit heater.
b. Using the enclosed screws, permanently attach the
top bracket.
3. Remove the upper two (2) screws from the lower
section on the front of the unit heater. Repeat the
procedure described in Step 2 using the bottom
bracket (P/N 252-07949-00X).
4. Using the sixteen (16) 5/16-12 x 1/2 screws, attach the
left and right side panel (P/N 251-07944 and 251-07946)
to the unit heater using the holes to which the louvers
were attached.
5. Using the enclosed #8-18 x 1/2 screws and with the top
panel oriented such that the side with the larger holes
is facing the unit heater, attach the top panel
(P/N 251-07942-00X) to the top bracket and the two (2)
side panels.
Note: The top panel must be attached so that the side
with the larger holes is facing the unit heater;
this is a requirement for later steps in this
installation procedure.
6. Using the enclosed #8-18 x 1/2 screws and with the
bottom panel oriented such that the side with the larger
holes is facing the unit heater, attach the bottom panel
(P/N 251-07943-00X) to the bottom bracket and the two
(2) side panels.
Note: The bottom panel must be attached so that the
side with the larger holes is facing the unit
heater; this is a requirement for later steps in
this installation procedure.
7. For 30-degree nozzle assemblies: Go to Step 10.
8. For 60- and 90-degree nozzle assemblies: Using the
enclosed #8-18 x 1/2 screws and with the top and
bottom panels oriented such that the sides with the
larger holes are facing the unit heater, create a
sub-assembly by attaching the top panel
(P/N 251-07942-00X) and the bottom panel
(P/N 251-07943-00X) to the left side panel
(P/N 251-07945) and to the right side panel
(P/N 251-07947).
Note: The top and bottom panels must be attached so
that the sides with the larger holes are facing
the unit heater; this makes the assembly easier.
Figure 9.

Installation: Mechanical
GLND-SVX01B-EN 15
Note: For 90-degree nozzle assemblies, repeat Step 8
to create a second sub-assembly.
9. For 60- and 90-degree nozzle assemblies: Using the
enclosed #8-18 x 1/2 screws, attach the sub-assembly
created in Step 8 to the 30-degree assembly installed to
the unit (in Step 1 through Step 6 of this procedure).
Attach the corresponding panels (i.e., top panel to top
panel, right side panel to right side panel, etc).
Note: For 90-degree nozzle assemblies, install the
second sub-assembly by attaching it to the first
sub-assembly. Attach the corresponding panels
(i.e., top panel to top panel, right side panel to
right side panel, etc).
10. Install the louvers and cone springs.

16 GLND-SVX01B-EN
Installation: Piping
Gas Piping
Pipe Sizing
To provide adequate gas pressure at the gas duct furnace,
size the gas piping as follows:
1. Find the ft3/hr by using the following formula:
2. Refer to Ta b l e 4, p. 17. Match “Length of Pipe” with
appropriate “Gas Input - Ft3/Hr” value. This value can
then be matched to the pipe size at the left of the table.
Example: It is determined that a 67 foot (20.4 m) run of
gas pipe is required to connect a 200 MBtu gas duct
furnace to a 1,000 Btu/ft3 (0.29 kW) natural gas supply.
Using Table 4, p. 17, a 1-inch nominal diameter pipe is
needed.
Notes:
•See “General Safety Information,” p. 7 for English/SI
(metric) unit conversion factors.
•If more than one gas duct furnace is to be served by the
same piping arrangement, the total cubic feet per hour
input and length of pipe must be considered.
•If the gas duct furnace is to be fired with LP gas, refer
to Table 4 and consult the local LP gas dealer for pipe
size information.
Before any connection is made to an existing line
supplying other gas appliances, contact the local gas
company to make certain that the existing line is of
adequate size to handle the combined load.
WARNING
Flammable Vapors!
When connecting to existing gas lines be sure to valve
off the gas supply ahead of connection point. To avoid
explosion or possible fire, always purge all residual gas
from piping before cutting into existing line or
removing threaded fittings. Failure to remove all gas
vapors could result in death or serious injury or
equipment or property-only damage.
ft3/hr = Input
Btu per ft3
200,000 Btu/hr = 200 ft3/hr
1,000 Btu/ft3
WARNING
Hazard of Explosion and Fire!
Heater installation for use with propane (LP gas) must
be made by a qualified LP Gas Dealer or LP Gas Installer
to ensure that all appropriate codes, installation
procedures, and precautions have been followed.
Failure to follow these instructions could result in death
or serious injury.

Installation: Piping
GLND-SVX01B-EN 17
Pipe Installation
1. Install the gas piping in accordance with applicable
local codes.
2. Check gas supply pressure. Each duct furnace must be
connected to a manifold pressure and a gas supply
capable of supplying its full rated capacity as specified
in Ta b l e 5, p. 18. A field LP tank regulator must be used
to limit the supply pressure to maximum of 14 in. wc
(3.5 kPa). All piping should be sized in accordance with
the latest edition of ANSI Standard Z223.1 National
Fuel Gas Code; in Canada, according to CSA B149. See
Ta b l e 1, p. 9, and Tab l e 4, p. 17 for correct gas supply
piping size.
If gas pressure is excessive on natural gas applications,
install a pressure regulating valve in the line upstream
from the main shutoff valve.
3. To prevent the mixing of moisture with gas, run the
take-off piping from the top, or side, of the main.
4. Standard gas duct furnaces, optional two-stage units,
and hydraulic modulating units are supplied with a
combination valve which includes:
a. Manual “A” valve
b. Manual “B” valve
c. Solenoid valve
d. Pilot safety
e. Pressure regulator
Table 4. Gas pipe size(a)
Nominal
Iron Pipe
Size, in.
Internal
Diameter,
in. (mm)
Length of Pipe, ft (m)
10 20 30 40 50 60 70 80 90 100 125 150 175 200
(3.0) (6.1) (9.1) (12.2) (15.2) (18.3) (21.3) (24.4) (27.4) (30.5) (38.1) (45.7) (53.3) (61.0)
1/2 0.622 175 120 97 82 73 66 61 57 53 50 44 40 37 35
(16) (4.96) (3.40) (2.75) (2.32) (2.07) (1.87) (1.73) (1.61) (1.50) (1.42) (1.25) (1.13) (1.05) (0.99)
3/4 0.824 360 250 200 170 151 138 125 118 110 103 93 84 77 72
(21) (10.2) (7.08) (5.66) (4.81) (4.28) (3.91) (3.54) (3.34) (3.11) (2.92) (2.63) (2.38) (2.18) (2.04)
1 1.049 680 465 375 320 285 260 240 220 205 195 175 160 145 135
(27) (19.3) (13.2) (10.6) (9.06) (8.07) (7.36) (6.80) (6.23) (5.80) (5.52) (4.96) (4.53) (4.11) (3.82)
1-1/4 1.380 1400 950 770 660 580 530 490 460 430 400 360 325 300 280
(35) (39.6) (26.9) (21.8) (18.7) (16.4) (15.0) (13.9) (13.0) (12.2) (11.3) (10.2) (9.20) (8.50) (7.93)
1-1/2 1.610 2100 1460 1180 990 900 810 750 690 650 620 550 500 460 430
(41) (59.5) (41.3) (33.4) (28.0) (25.5) (22.9) (21.2) (19.5) (18.4) (17.6) (15.6) (14.2) (13.0) (12.2)
2 2.067 3950 2750 2200 1900 1680 1520 1400 1300 1220 1150 1020 950 850 800
(53) (112) (77.9) (62.3) (53.8) (47.6) (43.0) (39.6) (36.8) (34.5) (32.6) (28.9) (26.9) (24.1) (22.7)
2-1/2 2.469 6300 4350 3520 3000 2650 2400 2250 2050 1950 1850 1650 1500 1370 1280
(63) (178) (123) (99.7) (85.0) (75.0) (68.0) (63.7) (58.0) (55.2) (52.4) (46.7) (42.5) (38.8) (36.2)
3 3.068 11000 7700 6250 5300 4750 4300 3900 3700 3450 3250 2950 2650 2450 2280
(78) (311) (218) (177) (150) (135) (122) (110) (105) (97.7) (92.0) (83.5) (75.0) (69.4) (64.6)
4 4.026 23000 15800 12800 10900 9700 8800 8100 7500 7200 6700 6000 5500 5000 4600
(102) (651) (447) (362) (309) (275) (249) (229) (212) (204) (190) (170) (156) (142) (130)
Notes:
1. Determine the required ft3/h by dividing the rated heater input by 1000. For SI / Metric measurements: Convert unit Btu/h to kilowatts. Multiply the
unit input (kW) by 0.0965 to determine m3/h.
2. FOR NATURAL GAS: Select the pipe size directly from the table.
3. FOR PROPANE GAS: Multiply the ft3/h (m3/h) value by 0.633; then use the table.
4. Refer to the metric conversion factors listed in “General Safety Information,” p. 7 for more SI unit measurements/conversions.
(a)Maximum capacity of pipe in cubic feet of gas per hour (cubic meters per hour) for gas pressures of 0.5 psig (3.5 kPa) or less, and a pressure drop of
0.5 inch water column (124.4 Pa) (based on a 0.60 specific gravity gas).
WARNING
Hazard of Explosion!
Adequately support the piping to prevent strain on the
gas manifold and controls. To prevent explosion, fire, or
gas leaks, support piping so that piping does not sag or
put pressure on the burners internal to the unit. Failure
to follow these recommendations could result in death
or serious injury or equipment or property-only-
damage.

Installation: Piping
18 GLND-SVX01B-EN
Pipe directly in to combination valve (see Figure 10,
p. 18).
5. A 1/8 in. N.P.T. plugged tapping, accessible for test
gauge connection, must be installed immediately
upstream of the gas supply connection to the
appliance.
6. Provide a drip leg in the gas piping near the gas duct
furnace. A ground joint union and a manual gas shutoff
valve should be installed ahead of the unit heater
controls to permit servicing. The manual main shutoff
valve must be located external to the jacket (see
Figure 10, p. 18).
7. Make certain that all connections have been
adequately doped and tightened.
Note: Use pipe joint sealant resistant to the action of
liquefied petroleum gases regardless of gas
conducted.
The appliance and its individual shutoff valve must be
disconnected from the gas supply piping system during
any pressure testing of that system at test pressures in
excess of 1/2 psig (3.5 kPa).
The appliance must be isolated from the gas supply piping
system by closing its individual manual shutoff valve
during any pressure testing of the gas supply piping
system at test pressures equal to or less than 1/2 psig
(3.5 kPa).
Installation: Venting
ANSI now organizes vented appliances into four
categories.
Category I
Includes non-condensing appliances with negative vent
pressure, like the traditional atmospheric unit heater.
Category II
Groups condensing appliances with negative vent
pressure.
Category III
Appliances are non-condensing and operate with a
positive vent pressure.
Category IV
Covers condensing appliances with positive vent
pressure.
Note: Category II and IV do not apply to equipment
specified within this manual.
NOTICE:
Overtightening!
Do not overtighten the inlet gas piping into the valve.
This may cause stresses that could crack the valve!
WARNING
Hazard of Explosion!
Never use an open flame to detect gas leaks. Explosive
conditions may occur. Use a leak test solution or other
approved methods for leak testing. Failure to follow
recommended safe leak test procedures could result in
death or serious injury or equipment or property-only-
damage.
Figure 10. Pipe installation, standard controls
Table 5. Gas piping requirements
Gas Type Natural Gas Propane (LP) Gas
Single Stage Gas Piping Requirements(a)
(a)For single stage applications only, at normal altitudes.
Manifold Pressure 3.5 in. wc 10.0 in. wc
(0.9 kPa) (2.5 kPa)
Supply Inlet Pressure 14.0 in. wc Max. 14.0 in. wc Max.
(3.5 kPa) (3.5 kPa)
5.0 in wc Min. 11.0 in wc Min.
(1.2 kPa) (2.7 kPa)
Two Stage Gas Piping Requirements(b)
(b)For two stage applications only, at normal altitudes.
Supply Inlet Pressure 6.5 in. wc Min. 11.5 in. wc Min.
(1.6 kPa) (2.9 kPa)
Table 6. Venting categories
Non Condensing Condensing
Negative Vent Pressure I II
Positive Vent Pressure III IV

Installation: Piping
GLND-SVX01B-EN 19
Venting for Power Vented (Category III)
Duct Furnaces
All duct furnaces must be vented!
All venting installations shall be in accordance with the
latest edition of Part 7, venting of Equipment of the
National Fuel Gas Code, ANSI Z223.1, or applicable
provisions of local building codes for power vented units.
Also see p. 21 for additional Canadian installations.
Horizontal vent systems must be in compliance with UL
1738 for installations in the United States, and ULS636 for
installations in Canada.
Power vented units are designed to be used with single
wall vent pipe utilizing horizontal or vertical venting
arrangements. These arrangements must terminate
external to the building using either a single wall or
double wall vent. See Figure 11, p. 20 through Figure 19,
p. 24 for special installation requirements regarding these
venting conditions.
If double wall venting (other than Type B; see preceding
warning) is used, components which are UL Listed and
approved for Category III positive pressure venting
systems MUST be used.
A Briedart Type L, Field Starkap or an equivalent vent cap
must be supplied by the customer for each power vented
unit. The vent pipe diameter MUST be as specified in
Table 1, p. 9 (“D” Dia. Flue Opening). A reducer must be
field installed for 100 through 175 MBh Unit Sizes. All 300
through 400 MBh Unit sizes are factory equipped with the
required flue increaser. Refer to Figure 11, p. 20 through
Figure 19, p. 24 for additional requirements.
The venting system for these appliances shall terminate at
least four feet (1.2 m) below, four feet (1.2 m) horizontal
from, or one foot (0.3 m) above any door, window, or
gravity air inlet into any building.
Through the wall vents for these appliances shall NOT
terminate over public walkways, or over an area where
condensate or vapor could create a nuisance or hazard or
could be detrimental to the operation of regulators, relief
valves, or other equipment.
The vent pipe equivalent length must be five feet (1.5 m)
minimum and must not exceed 50 feet (15.2 m).
Equivalent length is the total length of straight sections
PLUS 15 feet (4.6 m) for each 90 degree elbow, eight feet
(2.4 m) for each 45 degree elbow, and 10 feet (3.0 m) for
the vent cap.
Maintain six inches (152 mm) between vent pipe and
combustible materials. A minimum of 12 inches (305 mm)
of straight pipe is required from the venter outlet before
installing an elbow in the vent system. Never attach an
elbow directly to the venter (see preceding warning).
Use single wall pipe constructed of 26 gauge galvanized
steel or material of equivalent durability and corrosion
resistance for the vent system. For installation in Canada,
use pipe constructed from 0.025-inch thick aluminum or
0.018-inch thick stainless steel.
Any run of single wall vent pipe passing through an
unheated space must be insulated with an insulation
suitable to 550°F.
WARNING
Carbon Monoxide!
Your venting system must not be blocked by any snow,
snow drifts, or any foreign matter. Inspect your venting
system to ensure adequate ventilation exists at all
times! A blocked venting system could result in carbon
monoxide poisoning. Symptoms of such condition
include grogginess, lethargy, inappropriate tiredness, or
flu-like symptoms. Failure to follow these
recommendations could result in death or serious
injury.
WARNING
Carbon Monoxide!
Your venting system must not be blocked by any snow,
snow drifts, or any foreign matter. Inspect your venting
system to ensure adequate ventilation exists at all
times! A blocked venting system could result in carbon
monoxide poisoning. Symptoms of such condition
include grogginess, lethargy, inappropriate tiredness,
or flu-like symptoms. Failure to follow these
recommendations could result in death or serious
injury.
WARNING
Risk of Fire and Carbon Monoxide
Poisoning with Improper Piping!
Never use a pipe of a diameter other than that specified
in Table 1, p. 9! To prevent pipe from melting and
introducing exhaust fumes into the air supply, never
use PVC, ABS or any other non-metallic pipe for
venting! To prevent fan restriction, an elbow should
never be attached directly to the venter. Failure to
follow recommendations could result in death or
serious injury or equipment damage.
WARNING
Risk of Carbon Monoxide Poisoning with
Type B Vent!
Do not use a type B double wall vent internally within
the building on power vented units! Type B vent does
not seal well under positive pressure and could result in
exhaust fume leaks. Failure to follow these
recommendations could result in death or serious
injury.

Installation: Piping
20 GLND-SVX01B-EN
The vent terminal must be installed with a minimum
clearance of four feet (1.2 m) from electric meters, gas
meters, regulators and relief equipment.
Seal ALL vent pipe joints and seams to prevent leakage.
Use General Electric RTV-108 or Dow Corning® RTV-732
silicone sealant or 3M #425 aluminum foil tape or
equivalent.
The vent system must be installed to prevent collection of
condensate. Vertical vent pipes should be equipped with
condensate drains. Pitch horizontal pipes downward 1/4
inch per foot (21 mm per m) toward outlet for condensate
drainage.
Horizontal portions of the venting system shall be
supported at maximum intervals of four feet (1.2 m) to
prevent sagging (in Canada, support at three feet (1 m)
minimum intervals).
Insulate single wall vent pipe exposed to cold air or
running through unheated areas.
Units are shipped from the factory set up for vertical
venting. To convert the power venter for horizontal
venting, remove the shipping support bracket; refer to
Figure 11, p. 20 and Figure 23, p. 35, and follow this
procedure:
1. Hold power venter motor in position.
2. Remove the three Phillips-head screws from the motor
adaptor plate.
3. Remove the three screws which connect the power
venter stack to the power venter housing.
4. Rotate the power venter housing to the horizontal
position.
5. Replace screws accordingly.
Note: The motor, pressure switch, and junction box
bracket MUST remain located as shipped from the
factory for safe operation. Rotate only the blower
housing! If the power venter housing is to be
moved to the right horizontal position, the junction
box must be rotated 90 degrees CCW to clear the
connection. To do this, remove all wires, conduit
and conduit connector from the junction box,
noting location of wires. Move box, using holes
provided. Move
7/8-inch plug from bottom of box to side.
Reconnect all wires according to the unit’s wiring
diagram.
WARNING
Carbon Monoxide!
Never operate duct furnaces without combustion air
and flue gas piping in place. Each unit MUST have its
own combustion air system and MUST NOT be
connected to other vent systems or to a chimney. Your
venting system must not be blocked by any snow, snow
drifts, or any foreign matter. Inspect your venting
system to ensure adequate ventilation exists at all
times! Failure to follow these recommendations could
result in death or serious injury.
Figure 11. (Optional) Top vent position
Table 7. Vent systems—termination clearance
requirements(a)
(a) If the vent terminal is to be installed near ground level, the vent terminal
must be positioned at least six inches above the maximum anticipated
snow depth (see following for Canadian requirements).
Structure
Minimum for
Termination Locations
Door, window or any gravity air inlet 4 feet below
4 feet horizontally
1 foot above
Forced air inlet within 10 ft. 3 feet above
Adjoining building or parapet 6 feet
Adjacent public walkways 7 feet above grade

Installation: Piping
GLND-SVX01B-EN 21
The following instructions apply to Canadian installations
in addition to installation and operating instructions:
1. Installation must conform with local building codes, or
in absence of local codes, with current CSA B149.1,
“Installation Codes for Natural Gas Burning
Appliances and Equipment”, or CSA B149.2,
“Installation Codes for Propane Gas Burning
Appliances and Equipment”.
2. Any references to U.S. standards or codes in these
instructions are to be ignored and the applicable
Canadian standards or codes applied.
3. If using a metal vent system under positive gauge
pressure in Canada, a slip fit vent connection must be
secured by at least two corrosion-resistant screws, or
other mechanical locking means.
4. The vent shall not terminate:
a. Less than six feet (1.8 m) from a combustion air inlet
or another appliance.
b. Less than three feet (1 m) from any other building
opening or any gas service regulator.
c. Directly above a gas utility meter or service
regulator.
Figure 12. Adaptor installation
Refer to specification table and installation manual for proper usage.
Note: USA units—The reducer must be field supplied for 100, 125,
150, and 175 MBh unit sizes.

Installation: Piping
22 GLND-SVX01B-EN
Figure 13. Horizontal arrangement—single wall vent system to single wall termination
Figure 14. Vertical arrangement—single wall vent system to single wall termination

Installation: Piping
GLND-SVX01B-EN 23
Figure 15. Horizontal arrangement—single wall vent system to double wall termination
Figure 16. Vertical arrangement—single wall vent system to double wall termination

Installation: Piping
24 GLND-SVX01B-EN
Figure 17. Horizontal left vent position (rear view of
unit heater)
Figure 18. Horizontal right vent position (rear view of
unit heater)
Figure 19. Vertical vent position (side view of unit
heater)
Tee With Drip Leg &
Cleanout Cap At Lowes t
Point Of Vent System (Typ.) D4072
To Horizontal Flue
Vent Termination
Reducer/Increaser
Where Applicable
Power Venter
Power Venter
Tee With Drip Leg &
Cleanout Cap At Lowes t
Point Of Vent System (Typ.)
D4073
To Horizontal Flue
Vent Termination
Reducer/Increaser
Where Applicabl e
D4071
AI R FLO W
Power Venter
Tee With
Drip Leg &
Cleanout Cap
To Vertical Flue
Vent Termination
Reducer/Increaser
Where Applicable

GLND-SVX01B-EN 25
Installation: Electrical
Electrical Connections
Standard units are shipped for use on 115 volt, 60 hertz
single phase electric power. The motor nameplate and
electrical rating of the transformer should be checked
before energizing the duct furnace electrical system. All
external wiring must conform to the latest edition of ANSI/
NFPA No. 70 National Electrical Code and applicable local
codes; in Canada, to the Canadian Electrical Code, Part 1
CSA Standard C22.1.
It is recommended that the electrical power supply to each
duct furnace be provided by a separate, fused, and
permanently live electrical circuit. A disconnect switch of
suitable electrical rating for each duct furnace should be
located as close to the gas valve and controls as possible.
Each duct furnace must be electrically grounded in
accordance with the latest edition of the National Electric
Code, ANSI/NFPA No. 70 or CSA Standard C22.1.
Thermostat Wiring and Location
Note: The thermostat must be mounted on a vertical,
vibration-free surface, free from air currents, and in
accordance with the furnished instructions.
Mount the thermostat approximately 5 feet (1.5 m) above
the floor in an area where it will be exposed to a free
circulation of average temperature air. Always refer to the
thermostat instructions as well as our unit wiring diagram,
and wire accordingly. Avoid mounting the thermostat in
the following locations:
1. Cold areas—Outside walls or areas where drafts may
affect the operation of the control.
2. Hot areas—Areas where the sun’s rays, radiation, or
warm air currents may affect control operation.
3. Dead areas—Areas where air cannot circulate freely,
such as behind doors or in corners.
Note: Thermostat wires tagged “W” and “G” must be
connected together except when using a general
purpose “SPDT” 24 Vac relay and a standard
thermostat with subbase, or when using
Honeywell T834H or T834N thermostats. Also refer
to Figure 20, p. 25 for other wiring connections.
Thermostat Heat Anticipator Adjustments. The
initial heat anticipator setpoint should equal the heater
control circuit’s current amperage draw when the unit is
firing. This current should be measured for the best
WARNING
Hazardous Service Procedures!
The maintenance and troubleshooting procedures
recommended in this section of the manual could result
in exposure to electrical, mechanical or other potential
safety hazards. Always refer to the safety warnings
provided throughout this manual concerning these
procedures. When possible, disconnect all electrical
power including remote disconnect and discharge all
energy storing devices such as capacitors before
servicing. Follow proper lockout/tagout procedures to
ensure the power can not be inadvertently energized.
When necessary to work with live electrical
components, have a qualified licensed electrician or
other individual who has been trained in handling live
electrical components perform these tasks. Failure to
follow all of the recommended safety warnings
provided, could result in death or serious injury.
WARNING
Hazardous Voltage and Gas!
Turn off the gas supply and disconnect all electric
power, including remote disconnects before servicing
unit. Follow proper lockout/tagout procedures to
ensure the power can not be inadvertently energized
and the gas can not be inadvertently turned on. Failure
to turn off gas or disconnect power before servicing
could result in death or serious injury.
WARNING
Proper Field Wiring and Grounding
Required!
All field wiring MUST be performed by qualified
personnel. Improperly installed and grounded field
wiring poses FIRE & ELECTROCUTION hazards. To
avoid these hazards, you MUST follow requirements for
field wiring installation and grounding as described in
NEC and your local/state electrical codes. Failure to
follow these requirements could result in death or
serious injury.
NOTICE:
Use Copper Conductors Only!
Unit terminals are not designed to accept other types
of conductors. Failure to use copper conductors could
result in equipment damage.
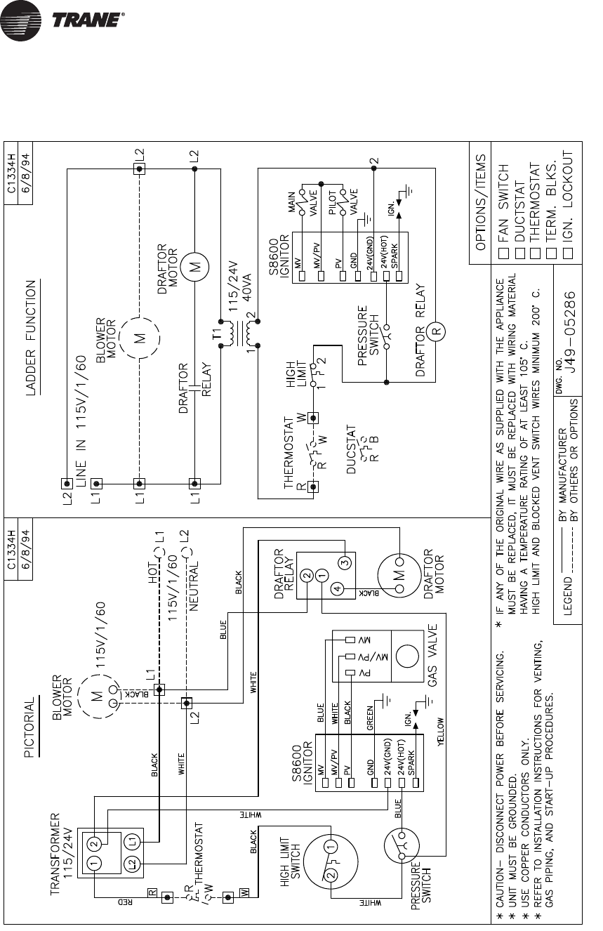
Figure 20. C1267G, thermostat wiring diagram

Installation: Electrical
26 GLND-SVX01B-EN
results. Use the recommended ranges as a guide. If further
information is needed, consult your thermostat
manufacturer’s instructions.
Recommended Heat Anticipator Setting Ranges:
Fan Time Delay Control
Leads from the time delay controls are factory wired to the
junction box (when ordered as an optional component).
The fan control is a time delay relay (approximately
45 seconds ON, 65 seconds OFF). The fan control is rated
at 17 amps.
Notes:
•The start-up fan delay must not exceed 90 seconds
from a cold start.
•For all wiring connections, refer to the wiring diagram
shipped with your unit (either affixed to the side jacket
or enclosed in your unit’s installation instruction
envelope). Should any original wire supplied with the
heater have to be replaced, it must be replaced with
wiring material having a temperature rating of at least
105°C.
Should any high limit switch wires have to be replaced,
they must be replaced with wiring material having a
temperature rating of 200°C minimum.
25 ft. (7.6 m) T’stat
Wiring 50 ft. (15.2 m) T’stat Wiring
0.85 to 0.90 A 0.90 to 1.1 A Max. Setting on T’stat

GLND-SVX01B-EN 27
Start-Up
Operation
Power Vented Duct Furnaces with
Intermittent (Spark) Pilot Ignition
Explanation of Controls
1. The duct furnace is equipped with a dual automatic gas
valve and electric ignition device (separate from the
gas valve on most models) which provide the following
functions:
a. The duct furnace is equipped with a power vent
system consisting of a power venter motor and
blower, pressure switch, and sealed flue collector in
place of the conventional draft diverter.
b. The power venter motor is energized by the room
thermostat on a call for heat. The pressure switch
measures the flow through the vent system and
energizes the indirect spark ignition system when
the flow is correct.
c. The indirect spark ignition system consists of an
ignition control module, a dual combination gas
valve, and a spark-ignited pilot burner. When the
pressure switch closes, the pilot valve opens and a
spark is generated to light the pilot burner. When
the flame sensing circuit senses that pilot flame is
established, the main gas valve is opened to supply
gas to the main burners. When the thermostat is
satisfied, the vent system is de-energized and both
valves are closed to stop all flow of gas to the unit.
d. Pilot solenoid valve also functions as a main gas
valve to provide redundancy.
e. Pressure regulator provides proper and steady gas
pressure to the main burners.
f. Manual shutoff valve for service and long term
shut-down. (Separate from the automatic valve on
some models.)
2. The high limit switch interrupts the flow of electric
current to the main gas valve in case the heater
becomes overheated.
3. The fan switch delays the operation of the fan until the
heater is warmed, then keeps the fan running after the
gas has been turned off until the useful heat has been
removed. The start-up fan delay must not exceed
90 seconds from a cold start.
4. The wall thermostat (supplied optionally) is a
temperature sensitive switch which operates the vent
system and ignition system; it turns the main gas valve
ON or OFF to control the temperature of the space
being heated. It must be mounted on a vibration free,
vertical surface away from air currents, in accordance
with the instructions furnished with the thermostat
(also refer to “Installation: Electrical,” p. 25).
Start-Up
1. Open the manual valve supplying gas to the unit
heater, and with the union connection loose, purge air
from the gas line. Tighten the union and check for gas
leaks, using a soapy water solution only.
2. Open the manual valve on the unit heater.
3. Turn ON electrical power.
WARNING
Check and Test Safety Devices!
It is the installer’s responsibility to check all safety
controls! Check and test the operational functions of all
safety devices supplied with this unit, and ensure that
all are operating effectively. Failure to do so could result
in unsafe conditions and could result in death, serious
injury or property damage.
NOTICE:
Operate Unit within Specified Units!
Never operate the unit beyond the specified limits,
severe damage to, and/or premature failure of the unit
will result!
WARNING
Risk of Fire and Carbon Monoxide
Poisoning!
The pressure switch MUST NOT be bypassed. The unit
MUST NOT be fired unless the power venter is
operating. Failure to follow these recommendations
could result in death or serious injury.
NOTICE:
Additional Devices!
The addition of external draft hoods or power venters is
not permitted. Addition of such devices could cause
severe unit malfunction or failure!
WARNING
Hazard of Explosion!
Never use an open flame to detect gas leaks. Explosive
conditions may occur. Use a leak test solution or other
approved methods for leak testing. Before attempting
to light or relight the pilot, wait 5 minutes to allow gas
which may have accumulated in the burner
compartment to escape. Failure to follow
recommended safe leak test procedures or pilot
lighting/relighting instructions could result in death or
serious injury or equipment or property-only-damage.

Start-Up
28 GLND-SVX01B-EN
4. The unit should be under the control of the thermostat.
Turn the thermostat to the highest point and determine
that the power venter motor starts and the pilot and
main burners ignite. Turn the thermostat to the lowest
point and determine that the power venter motor shuts
off and pilot and main burners are extinguished.
5. If pilot adjustment is required, remove the pilot
adjustment seal cap and adjust the pilot screw to
obtain proper flame. Clockwise rotation decreases
pilot flame size. Replace the cap.
6. Turn the thermostat to the desired position.
7. Refer to “Gas Pressure Adjustments,” p. 30 for more
specifications.
Shut-Down
1. Turn the valve selector knob to the “OFF” position.
2. Turn off the electricity.
3. To relight, follow the instructions in “Start-Up,” p. 27
(preceding section).
See Figure 21, p. 29 for burner component parts/
identification.

Start-Up
GLND-SVX01B-EN 29
Figure 21. Burner components—intermittent pilot ignition(a)
(a) Also refer to Figure 1, p. 8 through Figure 3, p. 8, Figure 23, p. 35, and Figure 24, p. 36 for component locations.
1
2
Burner Drawer Common Parts:
1. Main Burners
2. Burner Manifold
Note: Manifold shown for duct furnaces with
bottom service access.
3. Air Shutters
4. Burner Springs
5. Main Burner Orifice
6. Transformer
7. Pilot Tubing
Controls:
8A.Main Gas Valve (Honeywell)
8B.Main Gas Valve (White-Rodgers)
9. Honeywell Ignitor
10. Honeywell Pilot Burner
11. Honeywell Pilot Orifice
13. High Limit (Safety device located on the rear
header plate of the heat exchanger, air inlet side.)
1
3
54
10
11
7
D4298A
8A
C
10
SPARK
1
M
V
2
MV/PV
34
GND
(BURNER)
P
V
567
8
9
24V
(GND
)
24V
TH-W
(OPT.)
Honeywell
WARNING
S8600M
CONTINUOUS RE-TRY
100% SHUTOFF IP
90 SEC. TRIAL FOR IGNITION
9
8B
13
D3684A
6

Start-Up
30 GLND-SVX01B-EN
Gas Input Rate
Check the gas input rate as follows:
1. Turn off all gas appliances that utilize gas through the
same gas meter as the heater.
2. Turn gas on to the unit heater.
3. Using the gas meter, clock the time that it takes to burn
one cubic foot of gas (Heating Value).
4. Insert the time, in seconds, into the formula below:
Example: If the heating value = 1000 BTU/ft3 and the time/
ft3 = 18 s/ft3 then
Input Rate = 200,000 BTU/hr
(Refer to “General Safety Information,” p. 7 for metric
conversions.)
Note: If the computation exceeds, or is less than 95
percent of the gas Btu/h input rating (see “Unit
Dimensions and Weights,” p. 9), adjust the gas
pressure:.
Gas Pressure Adjustments
Adjust the gas pressure as follows:
1. NATURAL GAS: Best results are obtained when the
heater is operating at its full input rating with the
manifold pressure of 3.5 inches wc (0.9 kPa).
Adjustment of the pressure regulator is not normally
necessary since it is preset at the factory.
However, field adjustment may be made as follows:
a. Attach manometer at pressure tap plug adjacent to
control outlet.
b. Remove the regulator adjustment screw cap,
located on the combination gas valve.
c. With a small screwdriver, rotate the adjustment
screw counterclockwise to decrease or clockwise to
increase pressure. Do not force beyond stop limits.
d. Replace regulator adjustment screw cap.
2. PROPANE GAS: An exact manifold pressure of
10.0 inches wc (2.5 kPa) must be maintained for proper
operation of the heater. If the unit is equipped with a
pressure regulator on the combination gas valve,
follow Step a through Step d (above). If the unit is not
so equipped, the propane gas supply system pressure
must be regulated to attain this manifold operating
pressure.
Primary Air Shutter Adjustment
After the unit has been operating for at least 15 minutes,
adjust the primary air flow to the burners. Turn the friction-
locked, manually-rotated air shutters clockwise to close, or
counterclockwise to open.
For correct air adjustment, close the air shutter until yellow
tips in the flame appear. Then open the air shutter to the
point just beyond the position where yellow tipping
disappears. Refer to Figure 22.
Note: There may be momentary and spasmodic orange
flashes in the flame. This is caused by the burning
of airborne dust particles, and should not be
confused with the yellow tipping, which is a stable
or permanent situation when there is insufficient
primary air.
NOTICE:
Overfiring!
Never overfire the duct furnace, as this could cause
unsatisfactory operation, or shorten the life of the
heater.
Input Rate = Heating Value (Btu/ft3) (3600 s/hr)
Time (s/ft3)
Input Rate = (1000 BTU/ft3) (3600 s/hr)
18 s/ft3
Table 8. Main burner orifice schedule(a)
(a) This schedule is for units operating at normal altitudes of 2000 feet
(610 m) or less. SPECIAL ORIFICES ARE REQUIRED FOR INSTALLA-
TIONS ABOVE 2,000 FEET (610 m).
Input in
1000
BTU(a)
Type of Gas Natural Propane
No. of
Burner
Orifices
Heating
Value
1075 BTU/ft3
(40.1 MJ/m3)
2500 BTU/ft3
(93.1 MJ/m3)
Manifold
Pressure 3.5” wc (0.9 kPA)
10” wc (2.5 kPA)
100 ft3/hr 96 40 4
Orifice Drill 42 54
125 ft3/hr 120 50 5
Orifice Drill 42 54
150 ft3/hr 140 60 6
Orifice Drill 42 54
175 ft3/hr 163 70 7
Orifice Drill 42 54
200 ft3/hr 186 80 8
Orifice Drill 42 54
225 ft3/hr 210 90 9
Orifice Drill 42 54
250 ft3/hr 233 100 10
Orifice Drill 42 54
300 ft3/hr 280 120 12
Orifice Drill 42 54
350 ft3/hr 326 140 14
Orifice Drill 42 54
400 ft3/hr 372 160 16
Orifice Drill 42 54
Note: When installed in Canada, any references to deration at altitudes in
excess of 2000 feet (610 m) are to be ignored. At altitudes of 2000
to 4500 feet (610 to 1372 m), the unit heaters must be orificed to
90 percent of the normal altitude rating, and be so marked in
accordance with the ETL certification.

Start-Up
GLND-SVX01B-EN 31
Pilot Adjustment
1. Remove the pilot adjustment cap.
2. Adjust the pilot screw to provide a properly sized
flame.
3. A proper pilot flame is a soft steady flame that
envelops 3/8- to 1/2-inch (9.5 to 12.7 mm) of the flame
sensor tip.
4. Replace the pilot adjustment cap.
Manifold Pressure Adjustment
If the manifold pressure requires minor adjustment,
remove the cap from the pressure regulator and turn the
adjustment screw clockwise to increase the pressure, or
counterclockwise to decrease the pressure. The adjusted
manifold pressure should not vary more than 10 percent
from the pressures specified in Table 8, p. 30.
Figure 22. Main burner flames
LIFTING
(TOO MUCH AIR)
NORMAL
(HARD FLAME)
YELLOW TIPPING
(MARGINAL)
YELLOW FLAME
(TOO LITTLE AIR)

Start-Up
32 GLND-SVX01B-EN
Gas Equipment Start-Up
Customer _____________________________________________ Job Name & Number _________________________
Pre-Inspection Information with Power and Gas Off
Type of Equip: Indoor Duct Furnace
Serial Number: _________________________ Model Number: _____________________________
Name Plate Voltage: ____________________ Name Plate Amperage: ______________________
Type of Gas: Natural LP Tank Capacity: _______ lb Rating: _______ Btu @ ____ °F
_______ kg ________ kW @ ____ °C
Are all panels, doors, vent caps in place?
Has the unit suffered any external damage? Damage ______________________________
Does the gas piping and electric wiring appear to be installed in a professional manner?
Has the gas and electric been inspected by the local authority having jurisdiction?
Is the gas supply properly sized for the equipment?
Were the installation instructions followed when the equipment was installed?
Have all field installed controls been installed?
Do you understand all the controls on this equipment? If not, contact your wholesaler or rep. (DO NOT START
this equipment unless you fully understand the controls.)
Remarks: _____________________________________________________________________________________________________
_______________________________________________________________________________________________________________
_______________________________________________________________________________________________________________
GENERAL
With power and gas off.
Make certain all packing has been removed.
Tighten all electrical terminals and connections.
Check all controls for proper settings.
GAS HEATING
With power and gas on.
Inlet gas pressure. ____ in. wc or ____ kPa
Pilot and main burner ignition.
Manifold gas pressure. ____ in. wc or ____ kPa
Check electronic modulation. Set at: __________
Cycle and check all other controls not listed.
Check operation of remote panel.
Entering air temp. _____ °F or ____ °C
Discharge air temp. (high fire) ____ °F. or ____ °C
External static pressure _________ in. wc
Cycle by thermostat or operating control.
Carbon Monoxide ____ ppm
Carbon Dioxide ____ %

GLND-SVX01B-EN 33
Maintenance
Periodic Service
All Maintenance/Service information should be recorded
accordingly on the inspection sheet provided in this
manual (see “Gas Equipment Start-Up,” p. 32).
Note: The heater and vent system should be checked
once a year by a qualified technician.
Important: Gas tightness of the safety shut-off valves
must be checked on at least an annual basis.
To check gas tightness of the safety shut-off valves, turn off
the manual valve upstream of the appliance combination
control. Remove the 1/8-inch pipe plug on the inlet side of
the combination control and connect a manometer to that
tapping. Turn the manual valve on to apply pressure to the
combination control. Note the pressure reading on the
manometer, then turn the valve off. A loss of pressure
indicates a leak. If a leak is detected, use a soap solution to
check all threaded connections. If no leak is found,
combination control is faulty and must be replaced before
putting appliance back in service.
Should maintenance be required, perform the following
inspection and service routine:
1. Inspect the area near the unit to be sure that there is no
combustible material located within the minimum
clearance requirements listed in this manual (see
“Installation: Mechanical,” p. 11 and Table 3, p. 12).
2. Turn off the manual gas valve and electrical power to
the gas duct furnace.
3. To clean or replace the main burners, remove the
bottom panel and compress the spring by moving the
burner toward the manifold. Slide the opposite end of
the burner downward from the locating slot while
retaining spring is still compressed. Pull the burners
away from the manifold.
4. With the burners removed, wire brush the inside
surfaces of the heat exchanger.
5. Remove any dirt, dust, or other foreign matter from the
burners using a wire brush and/or compressed air.
Ensure that all parts are unobstructed. Inspect and
clean pilot burner if necessary.
6. Reassemble the gas duct furnace by replacing all parts
in reverse order.
7. Complete the appropriate unit start-up procedure as
given in “Operation,” p. 27 (see lighting instruction
plate on the access side of the unit).
8. Check the burner adjustment (see “Primary Air Shutter
Adjustment,” p. 30).
9. Check all gas control valves and pipe connections for
leaks.
10. Check the operation of the automatic gas valve by
lowering the setting of the thermostat, stopping the
operation of the gas duct furnace. The gas valve should
close tightly, completely extinguishing the flame on
the main burners.
11. Check the operation of the pilot safety device by
closing the pilot line valve, extinguishing the pilot
flame. Within one minute the automatic gas valve
WARNING
Hazardous Service Procedures!
The maintenance and troubleshooting procedures
recommended in this section of the manual could
result in exposure to electrical, mechanical or other
potential safety hazards. Always refer to the safety
warnings provided throughout this manual concerning
these procedures. When possible, disconnect all
electrical power including remote disconnect and
discharge all energy storing devices such as capacitors
before servicing. Follow proper lockout/tagout
procedures to ensure the power can not be
inadvertently energized. When necessary to work with
live electrical components, have a qualified licensed
electrician or other individual who has been trained in
handling live electrical components perform these
tasks. Failure to follow all of the recommended safety
warnings provided, could result in death or serious
injury.
WARNING
Hazardous Voltage and Gas!
Turn off the gas supply and disconnect all electric
power, including remote disconnects before servicing
unit. Follow proper lockout/tagout procedures to
ensure the power can not be inadvertently energized
and the gas can not be inadvertently turned on. Failure
to turn off gas or disconnect power before servicing
could result in death or serious injury.
WARNING
Hazard of Explosion!
Never use an open flame to detect gas leaks. Explosive
conditions may occur. Use a leak test solution or other
approved methods for leak testing. Failure to follow
recommended safe leak test procedures could result in
death or serious injury or equipment or property-only-
damage.
WARNING
Combustible Materials!
Maintain proper clearance between the unit heat
exchanger, vent surfaces and combustible materials.
Refer to unit nameplate and installation instructions for
proper clearances. Improper clearances could result in a
fire hazard. Failure to maintain proper clearances could
result in death or serious injury or property damage.

Maintenance
34 GLND-SVX01B-EN
should close, extinguishing the flame on the main
burners.
12. Inspect and service the blower section of the system.
13. Check and test the operational functions of all safety
devices supplied with your unit.

Maintenance
GLND-SVX01B-EN 35
Figure 23. Power venter assembly (Power Vented Duct Furnaces only)
For usage, see Figure 4, p. 9, Figure 5, p. 9, Figure 12, p. 21, Figure 17, p. 24, Figure 19, p. 24, and Tab l e 1 , p . 9.
Ref. No. Description
1 Blower Housing Assembly
2Speed Nut
3 Motor
4 Washer, Plain
5 Plate Adapter
6 Blower Wheel
7 Mounting Bracket (Pressure Switch)
8 Mounting Bracket (Junction Box)
9Screw, S.T.
10 Screw, Machine (L = 3/4”)
11 Nut, Keps (Ext. Lock Washer)
12 Air Pressure Switch
13 Drill Screw
14 Junction Box Assembly
Ref. No. Description
15 Snap Bushing
16 Relay
17 Straight Connector
19 Shield (Pressure Switch)
20 Anti-Short
21 Flex Conduit (23” Long)
22 Flex Conduit (24” Long)
23 Slotted Head Machine Screw (L = 7/8”)
24 Draftor Stack Assembly
25 1/4” Aluminum Tubing
26 Male Connector
27 Locknut
28 Nut, Keps (Ext. Lockwasher)
29 7/8” Plug

Maintenance
36 GLND-SVX01B-EN
Installation Instructions for Field
Replacement of Power Venter Motor
Important: This replacement must be performed only
by a qualified technician.
Note: All hardware (screws, nuts, washers) that will be
removed from the unit will be reused for this motor
replacement. DO NOT LOSE ANY OF THESE
PARTS.
Tools and Parts Needed
Wire Stripper and Crimper; Slotted Head and #2 Phillips
Head Screwdriver; 3/8-in. Wrench; 1/8-in. Allen Wrench
(long handle); marker; (1) 1/4-in. push on terminal for Wire.
Notes:
•Remove the cover from the Relay Junction Box (Item 1)
by removing two screws (Item 2) top and bottom.
Disconnect both wires from the motor lead ends. One
is connected to terminal #4 on the venter relay, and the
other is connected with a wire nut to a black wire.
•Remove the sensing tube (Item 3) from the Pressure
Switch/Mounting Bracket (Item 3) at motor end only.
Separated Combustion Units: Remove both tubes at
motor end only—note location.
•Mark locations of the Relay Junction Box and Pressure
Switch Mounting Brackets along with the Motor (Item
10) mounts on the Mounting Adapter Plate (Item 4)—
using a marker.
•Remove nut (Item 5) that secures the Motor Support
Shipping Bracket (Item 6) to the Mounting Adapter
Plate. Pull this bracket away from the Motor Mounting
Adapter Plate.
•Remove three phillips head screws (Item 7) on the
Motor mounting Adapter Plate. Remove the Motor/
Blower Wheel/Adapter Plate assembly from the Power
Venter Blower Housing (Item 8).
•Remove the Blower Wheel (Item 9) from the motor
shaft by removing the set screw (Item 14) using a 1/8-in.
Allen Wrench.
•Remove the three Motor Mounting Nuts (Item 5),
Space Washers (Item 11), and Screws (Item 12). Do not
lose these parts! Using caution—the motor will
disengage from the Mounting Adapter Plate, along
with the Relay Junction Box and Pressure Switch
Mounting Brackets will also disengage.
•Reverse order to install the new Power Venter Motor.
•TEST FIRE THE UNIT FOR A FEW CYCLES, MAKING
SURE THAT THE UNIT IS OPERATING
SATISFACTORILY.
Figure 24. Identification of parts
Ref. No. Description
1 Relay Junction Box/Mounting
Bracket Assembly
2 #8 Drill Screws (2 required)
3 Pressure/Mounting Bracket
Assembly
4 Mounting Plate Adapter
5 Keps Nut w/External Tooth
Lockwasher (4 required)
6 Motor Support Shipping Bracket
7 Phillips Head Screws (3 required)
8 Power Venter Blower Housing
9Blower Wheel
10 Motor
11 Space Washers (3 required)
12 Machine Screw (3 required)
13 Sensing Tube
14 Set Screw

Maintenance
GLND-SVX01B-EN 37
How to Order Replacement Parts
Please send the following information to your local Parts
center; If further assistance is needed, contact the
manufacturer’s customer service department.
•Model number
• Serial Number
• Part description and Number as shown in the
Replacement Parts Catalog.

38 GLND-SVX01B-EN
Diagnostics
Troubleshooting
WARNING
Hazardous Service Procedures!
The maintenance and troubleshooting procedures
recommended in this section of the manual could result
in exposure to electrical, mechanical or other potential
safety hazards. Always refer to the safety warnings
provided throughout this manual concerning these
procedures. When possible, disconnect all electrical
power including remote disconnect and discharge all
energy storing devices such as capacitors before
servicing. Follow proper lockout/tagout procedures to
ensure the power can not be inadvertently energized.
When necessary to work with live electrical
components, have a qualified licensed electrician or
other individual who has been trained in handling live
electrical components perform these tasks. Failure to
follow all of the recommended safety warnings
provided, could result in death or serious injury.
Table 9. Troubleshooting guide
Symptoms Possible Cause(s) Corrective Action
A. Flame lifting from burner ports. 1. Pressure regulator set too high. 1. Reset manifold pressure. Refer to “Operation,” p. 27.
2. Defective regulator. 2. Replace regulator section of combination gas valve or
complete valve.
3. Burner orifice too large. 3. Check with local gas supplier for proper orifice size and
replace. Refer to “Operation,” p. 27.
B. Flame pops back. 1. Excessive primary air. 1. Close air shutter. Refer to “Operation,” p. 27.
2. Burner orifice too small. 2. Check with local gas supplier for proper orifice size and
replace. Refer to “Operation,” p. 27.
C. Noisy flame. 1. Too much primary air. 1. Close air shutter.
2. Noisy pilot. 2. Reduce pilot gas. Refer to “Operation,” p. 27.
3. Irregular orifice causing whistle or
resonance. 3. Replace orifice.
4. Excessive gas input. 4. Reset manifold pressure. Refer to “Operation,” p. 27;
Replace regulator section of combination gas valve or
complete valve; or check with local gas supplier for proper
orifice size and replace. Refer to “Operation,” p. 27.
D. Yellow tip flame (some yellow
tipping on propane gas is
permissible).
1. Insufficient primary air. 1. Open air shutters. Refer to “Operation,” p. 27.
2. Clogged main burner ports. 2. Clean main burner ports.
3. Misaligned orifices. 3. Replace manifold assembly.
4. Clogged draft hood. 4. Clean draft hood.
5. Air shutter linted. 5. Check for dust or lint at air mixer opening and around the
air shutter.
6. Insufficient combustion air. 6. Clean combustion air inlet openings in bottom panel; see
“Installation: Piping,” p. 16.
E. Floating flame. 1. Blocked venting. 1. Clean flue. Refer to “Installation: Piping,” p. 16.
2. Insufficient combustion air. 2. Clean combustion air inlet openings in bottom panel; see
“Installation: Piping,” p. 16.
3. Blocked heat exchanger. 3. Clean heat exchanger.
4. Air leak into combustion chamber
or draft hood. 4. Determine cause and repair accordingly.

Diagnostics
GLND-SVX01B-EN 39
F. Gas Odor. 1. Shut off gas supply
immediately!
1. Inspect all gas piping and repair.
2. Blocked heat exchanger/venting. 2. Clean heat exchanger/flue.
3. Drafts around heater. 3. Eliminate drafts. Refer to “Installation: Mechanical,” p. 11.
4. Negative pressure in building. 4. See “Installation: Piping,” p. 16.
5. Blocked draft hood. 5. Clean draft hood.
G. Delayed ignition. 1. Excessive primary air. 1. Close air shutter. Refer to “Operation,” p. 27.
2. Main burner ports clogged near
pilot. 2. Clean main burner ports.
3. Pressure regulator set too low. 3. Reset manifold pressure. Refer to “Operation,” p. 27.
4. Pilot decreases in size when main
burners come on. 4. Supply piping is inadequately sized. Refer to “Installation:
Piping,” p. 16.
5. Pilot flame too small. 5. Clean pilot orifice. Refer to “Operation,” p. 27.
6. Drafts around heater. 6. Eliminate drafts. Refer to “Installation: Mechanical,” p. 11.
7. Improper venting. 7. Refer to “Installation: Piping,” p. 16.
H. Failure to ignite. 1. Main gas off. 1. Open all manual gas valves.
2. Lack of power at unit. 2. Replace fuse or turn on power supply.
3. Thermostat not calling for heat. 3. Turn up thermostat.
4. Defective limit switch. 4. Check limit switch with continuity tester. If open, replace
limit switch.
5. Improper thermostat or
transformer wiring. 5. Check wiring per diagrams.
6. Defective gas valve. 6. Replace gas valve.
7. Defective thermostat. 7. Check thermostat and replace if defective.
8. Defective transformer. 8. Be sure 115 volts is supplied to the transformer primary,
then check for 24 volts at secondary terminal before
replacing.
9. Loose wiring. 9. Check and tighten all wiring connections per diagrams.
10. Defective ignition control. 10. Replace, if necessary. Also see U, V, and W symptoms.
I. Condensation of water vapor. 1. Improper venting 1. Refer to “Installation: Venting,” p. 18.
J. Burner won't turn off. 1. Poor thermostat location. 1. Relocate thermostat away from drafts.
2. Defective thermostat. 2. Replace thermostat.
3. Improper thermostat or
transformer wiring at gas valve. 3. Check wiring per diagrams.
4. Short circuit. 4. Check operation at valve. Check for short (such as staples
piercing thermostat wiring), and correct.
5. Defective or sticking gas valve. 5. Replace gas valve.
6. Excessive gas supply pressure. 6. Refer to “Installation: Piping,” p. 16.
K. Rapid burner cycling. 1. Loose electrical connections at gas
valve or thermostat. 1. Tighten all electrical connections.
2. Excessive thermostat heat
anticipator. 2. Adjust thermostat heat anticipator for longer cycles. Refer
to “Installation: Electrical,” p. 25.
3. Unit cycling on high limit. 3. Check for proper air supply across heat exchanger.
4. Poor thermostat location. 4. Relocate thermostat. (Do not mount thermostat on unit).
5. Draft on pilot. 5. Eliminate drafts. Refer to “Installation: Mechanical,” p. 11.
6. Defective ignitor control. 6. Replace ignitor.
7. Defective high limit switch. 7. Jumper high limit switch terminals 1 and 2. If burner
operates normally, replace switch.
L. Noisy power venter. 1. Power venter wheel loose. 1. Replace or tighten.
2. Power venter wheel dirty. 2. Clean power venter wheel.
3. Power venter wheel rubbing
housing. 3. Realign power venter wheel.
4. Bearings are dry. 4. Oil bearings on power venter motor. (Refer to label on
motor.)
M. Pilot will not light or will not stay
lit. 1. Main gas off. 1. Open all manual gas valves.
Table 9. Troubleshooting guide (continued)
Symptoms Possible Cause(s) Corrective Action

Diagnostics
40 GLND-SVX01B-EN
2. Pilot adjustment screw turned too
low on combination/automatic
main gas valve.
2. Refer to “Operation,” p. 27.
3. Air in gas line. 3. Purge air from gas supply.
4. Incorrect lighting procedure. 4. Follow lighting instruction label adjacent to gas valve.
5. Dirt in pilot orifice. 5. Remove pilot orifice. Clean with compressed air or solvent.
(Do not ream.)
6. Extremely high or low gas
pressure. 6. Refer to “Operation,” p. 27.
7. Defective thermocouple (standing
pilot units only). 7. Check thermocouple connection, and replace if defective.
8. Drafts around unit. 8. Eliminate drafts. Refer to “Installation: Mechanical,” p. 11.
9. Pilot valve not opening (faulty
wiring). 9. Inspect and correct all wiring.
10. No spark (if applicable) (faulty
wiring). 10. Inspect and correct ignition system wiring. See symptoms
U, V, and W.
11. Defective gas valve. 11. Replace.
N. Power venter will not run. 1. Loose wiring. 1. Check and tighten all wiring connections per diagrams.
Thermostat wires tagged “W” and “G” must be connected
together (unless special thermostats are used; if so, see
thermostat wiring diagram, “Electrical Connections,” p. 25).
2. Defective motor overload
protector or defective motor. 2. Replace motor.
3. Defective power venter relay. 3. Check for 24V across 1 and 3 terminals on fan relay. If 24V
is present, jumper terminals numbered 2 and 4. If motor
runs, the fan relay is defective and must be replaced. If 24V
is not present, check wiring per diagrams.
O. Power venter motor turns on and
off while burner is operating. 1. Fan relay heater element
improperly wired. 1. Be sure venter relay heater terminals are connected per
diagrams.
2. Defective venter relay switch. 2. Replace venter relay.
3. Motor overload protector cycling
on and off. 3. Check motor amps against motor name plate rating, check
voltage, replace venter relay motor if defective.
4. Motor not properly oiled. 4. Refer to label on motor.
P. Power venter motor will not stop. 1. Improperly wired venter relay. 1. Check all wiring.
2. Main burners not lighting while
thermostat calls for heat. 2. Refer to H and N symptoms.
3. Defective venter relay. 3. Replace venter relay.
Q. Not enough heat. 1. Incorrect gas input. 1. Refer to “Operation,” p. 27.
2. Heater undersized. 2. This is especially true when the heated space is enlarged.
Have the heat loss calculated and compare to the heater
output (80 percent of input). Your gas supplier or installer
can furnish this information. If heater is undersized, add
additional heaters.
3. Thermostat malfunction. 3. Replace thermostat.
4. Heater cycling on limit control. 4. Check air movement through heat exchanger. Check
voltage to fan motor. Clean power venter blade and heat
exchanger and oil power venter motor.
5. Check outside dampers if used. 5. Adjust dampers accordingly.
R. Too much heat. 1. Thermostat malfunction. 1. Replace thermostat.
2. Heater runs continuously. 2. Check wiring per diagrams; check operation at valve. Look
for short (such as staples piercing thermostat wiring), and
correct; replace gas valve. Refer to “Operation,” p. 27.
S. Cold air is delivered on start up. 1. Fan relay heater element
improperly wired. 1. Be sure fan relay heater terminals are connected per
diagrams.
T. Cold air is delivered during heater
operation. 1. Incorrect manifold pressure or
input. 1. Refer to “Operation,” p. 27.
2. Voltage to unit too high. 2. Check motor voltage with fan running. Should be 115 volts
AC.
3. Air throughput too high. 3. Refer to “Operation,” p. 27.
Table 9. Troubleshooting guide (continued)
Symptoms Possible Cause(s) Corrective Action

Diagnostics
GLND-SVX01B-EN 41
U. No Spark. 1. Thermostat not calling for heat. 1. Close thermostat contacts.
2. No low voltage. 2. Check for 24V across 24V terminals of S8600.
3. Spark gap closed or too wide. 3. Set gap to 0.1.
4. Broken or cracked ceramic on
spark electrode. 4. Replace pilot assembly.
V. Spark present but pilot does not
light. 1. Loose S8600 connections. 1. Check all connections, term. PV feeds 24V to pilot valve.
2. Improper gas pressure. 2. Check pressure—pressure that is either too high or too low
may cause a problem.
3. Is spark in pilot gas stream? 3. Spark should arc from electrode.
4. No pilot gas — do not use match to
test - presence of gas is easily
detected by the odor.
4. Check pilot line for kinks. Ensure there are no drafts.
W. Pilot lights — Main valve does not
energize. 1. Loose S8600 connections. 1. Check connections-term. MV feeds main valve.
2. Cracked or broken sensor
ceramic. 2. Replace pilot assembly.
3. Check sensor/spark lead for
continuity. 3. Replace if needed.
4. Measure 24 volts from term. MV to
term. MV/PV. 4. If present, replace main valve; if not, replace S8600 Igniter.
X. Hi-Limit switch tripping 1. Vertical run of flue is too short.
(Standard unit only—as Category
I.)
1. Lengthen vertical run of flue pipe (see “Installation:
Venting,” p. 18).
2. Unit is overfiring. 2. Manifold pressure too high; adjust. Burner orifice may be
too large: verify/replace if required.
3. Air flow too low. 3. Increase air flow; check fan size. Check for proper voltage.
4. Defective switch. 4. Replace.
Table 9. Troubleshooting guide (continued)
Symptoms Possible Cause(s) Corrective Action

42 GLND-SVX01B-EN
Wiring Diagrams
Figure 25. Indoor Gas-Fired Duct Furnace

Trane optimizes the performance of homes and buildings around the world. A business of Ingersoll Rand, the
leader in creating and sustaining safe, comfortable and energy efficient environments, Trane offers a broad
portfolio of advanced controls and HVAC systems, comprehensive building services, and parts.
For more information, visit www.Trane.com.
Trane has a policy of continuous product and product data improvement and reserves the right to change design and specifications without notice.
We are committed to using environmentally
conscious print practices that reduce waste.
© 2012 Trane All rights reserved
GLND-SVX01B-EN 16 Mar 2012
Supersedes GLND-SVX01A-EN (01 Mar 2010)