Trane Geh Users Manual WSHP SVX01D EN
GEH to the manual 4f7f0c09-59f5-44c0-9561-89d20db630f2
2015-01-21
: Trane Trane-Geh-Users-Manual-236213 trane-geh-users-manual-236213 trane pdf
Open the PDF directly: View PDF
.
Page Count: 90

WSHP-SVX01D-EN
Models
“A” and later Design Sequence
Installation
Owner
Diagnostics
AxiomTM Horizontal/Vertical
Water-Source Comfort System
Models GEH and GEV
6 - 15 Ton
15 - 25 Ton
1/2 - 5 Ton
6 - 10 Ton
GEV
006 - 060 – 60 HZ
006 - 060 – 50 HZ
072 - 300 – 60 HZ
072 - 240 – 50 HZ
GEH
006 - 060 – 60 HZ
006 - 060 – 50 HZ
072 - 180 – 60 HZ
072 - 150 – 50 HZ

© 2004 American Standard Inc. All rights reserved. WSHP-SVX01D-EN
Notice
NOTICE:
Warnings and Cautions appear at appropriate sections throughout this manual.
Read these carefully.
WARNING -Indicates a potentially hazardous situation which, if
not avoided, could result in death or serious injury.
CAUTION -Indicates a potentially hazardous situation which, if
not
avoided, may result in minor or moderate injury. It
may also be used to alert against unsafe practices.
CAUTION -Indicates a situation that may result in equipment or
property-damage-only accidents.
NOTICE:
Unit contains HCFC (R-22) Refrigerant
Instructions!
Section 608, Paragraph C of the 1990 Clean Air Act states:
Effective July 1, 1992, it shall be unlawful for any person, in course of
maintaining, servicing, repairing, or disposing of an air conditioning system, to
knowingly vent or release any CFC or HCFC refrigerant. Minimal releases (air
purges or refrigerant hoses) associated with good faith attempts to recapture or
recycle are exempt from the ban on venting.
Important!
Equipment is shipped FOB (Free on
Board) at the manufacturer. Therefore,
freight claims for damages against the
carrier must be initiated by the receiver.

WSHP-SVX01D-EN 3
Contents
Installation/Startup/Commissioning
4
Pre-installation Checklist 4
General Information 5
Dimensions/Weights 7
Installation Instructions 48
Electrical Requirements 67
Pre-Startup Checklist 73
Startup/Commissioning
74
Sequence of Operation 74
Startup Checklist & Log 81
Maintenance
82
Warranty Information
83
Troubleshooting Checklist
84
Unit Wiring
86

4WSHP-SVX01D-EN
WARNING
Fiberglass Wool!
Product contains fiberglass wool. Disturbing the insulation in this
product during installation, maintenance or repair will expose you to
airborne particles of glass wool fibers and ceramic fibers known to the
state of California to cause cancer through inhalation. Glass wool fibers
may also cause respiratory, skin or eye irritation.
Jobsite Inspection
Always perform the following checks before accepting a unit:
1. Verify that the nameplate data matches the data on the sales order and bill of
lading (including electrical data).
2. Verify that the power supply complies with the unit nameplate specifica-
tions.
3. Visually inspect the exterior of the unit, for signs of shipping damage. Do not
sign the bill of lading accepting the unit(s) until inspection has been com-
pleted. Check for damage promptly after the unit(s) are unloaded. Once the
bill of lading is signed at the jobsite, the unit(s) are now the property of the
SOLD TO party and future freight claims MAY NOT be accepted by the
freight company.
4. Verify that the refrigerant charge has been retained during shipment by use
of gauges. Schrader taps are located internal to the cabinet.
5. After assuring that charge has been retained, reinstall the schrader caps to
assure that refrigerant leakage does not occur.
WARNING
Microbial Growth!
Wet interior unit insulation can become an amplification site for
microbial growth (mold), which may cause odors and serious health
related indoor air quality problems. If there is evidence of microbial
growth (mold) on the interior insulation, remove or replace the
insulation prior to operating the system. Failure to remove microbial
growth could result in serious health problems.
Jobsite Storage
This unit is intended for indoor use only. To protect the unit from damage due to
the elements, and to prevent possible IAQ contaminant sources from growing,
the unit should be stored indoors. If indoor storage is not possible, the following
provisions for outdoor storage must be met:
1. Place the unit(s) on a dry surface or raise above the ground to assure ade-
quate air circulation beneath the unit.
2. Cover the unit(s) with a water proof tarp to protect them from the elements.
3. Make provisions for continuous venting of the covered units to prevent
moisture from standing on the unit(s) surfaces. Wet interior unit insulation
can become an amplification site for microbial growth (mold) which has
been determined to be a cause of odors and serious health related indoor air
quality problems.
4. Store units in the normal UP orientation to maintain oil in the compressor.
5. Horizontal units may be stacked no more than three units high. Do not stack
the vertical unit configurations.
Pre-installation
Checklist

WSHP-SVX01D-EN 5
General
Information
Unit Nameplate
The unit nameplate is located on the
outside of the control box access panel
at the front of the unit. It includes the
unit model number, serial number,
electrical characteristics, refrigerant
charge, and other pertinent unit data.
Compressor Nameplate
The nameplate for the compressors
are located on the compressor shell.
Unit Description
Before shipment, each unit is leak test-
ed, dehydrated, charged with refriger-
ant and run tested for proper control
operation.
Air-to-Refrigerant Coil
The air-to-refrigerant coil is aluminum
fin, mechanically bonded to the cop-
per tubing.
Water-to-Refrigerant Coil
The water-to-refrigerant coil is a cop-
per or cupro-nickel (option) and steel
tube (tube-within-a-tube) design, leak
tested to assure there is no cross leak-
age between the water tube (copper/
cupro-nickel) and refrigerant gas (steel
tube).
Controls
The control system offered to con-
trol the unit is a Basic 24 Volt control
for the 1/2 through 5 ton sizes, a De-
luxe 24 Volt control option for all unit
sizes, a TracerTM ZN510, LonTalk
TM
certified control option for the 1/2
through 5 ton unit sizes, or a Tracer
ZN524, LonTalk certified control op-
tion for all unit sizes.
All power wiring to the equipment is
made at the unit contactor for the 1/2
through 5 ton, and at the high voltage
terminal block for the 6 through 25 ton.
All low voltage wiring is made at the
unit’s low voltage terminal board.
System Input Devices and
Functions
A thermostat, zone sensor or building
automation system is required to op-
erate the water-source heat pump. The
flexibility of having several mode ca-
pabilities depends upon the type of
sensor and/or remote panel selected.
Troubleshooting and connection dia-
grams for the 24 Volt control systems
may be located in the back of this man-
ual. All digital control troubleshooting
tips and connection diagrams are lo-
cated in WSHP-IOP-2 (ZN510) or
WSHP-PRB002-EN (ZN524).
Basic 24V Controls
Safety devices for equipment contain-
ing the basic 24V control option in-
clude a low pressure switch or suction
line temperature sensor to prevent
compressor operation during low tem-
perature activity. The switch or sensor
is set to activate at refrigerant pres-
sures of 20 psig (1/2 to 5 ton units) or
7 psig (6 to 25 ton units) to fit most ap-
plications.
A high pressure switch prevents com-
pressor operation during high or ex-
cessive discharge pressures
exceeding 395 psig.
The lockout relay communicates the
low or high pressure situation to the
compressor to prevent operation. For
units that contain a condensate over-
flow switch option, a condensate over-
flow situation will also be
communicated to the compressor
through the lockout relay if an over-
flow condition exists. The relay may
be reset at the thermostat, or by cy-
cling power to the unit.
General alarm is accomplished
through the lockout relay and is used
in driving light emitting diodes (LEDs).
This feature will drive dry contacts
only, and cannot be used to drive field
installed control inputs.
(option) Deluxe 24V Controls
Units containing the Deluxe 24V con-
trol design will incorporate a micro-
processor-based control board. The
Trane microprocessor board is factory
wired to a terminal strip to provide all
necessary terminals for field connec-
tion. The deluxe board is equipped
with a random start relay, anti-short
cycle timer, brown out protection,
compressor disable, condensate over-
flow, unit safety control, diagnostics
and a generic relay (which may be
available for field use). See page 56 for
diagnostic information and thermostat
connections.
(option) Tracer ZN510 or ZN524
Controls
The digital ZN510 and ZN524 control-
ler is designed to support the 1/2
through 25 ton water-source heat
pumps in either a standalone, peer-to-
peer with a Tracer Loop Controller, or
as a full building automation (open
protocal) system. The 1/2 through 5
ton units that incorporate direct digital
controls will typically come equipped
with the ZN510 control board. The ex-
ception to this would be if the equip-
ment contained hot gas reheat,
waterside economizer, or boilerless
control with electric heat. The ZN524
digital control board is designed to in-
terface and run these mechanical op-
tions. All units over 5 tons would ship
with the Tracer ZN524 control board.
For installation, operation and diag-
nostics of the ZN510 and ZN524
WSHP-IOP-2 (ZN510) and/or WSHP-
PRB002-EN (ZN524).
(option) Waterside Economizer
Instructions for mechanical connec-
tion of the waterside economizer to
the water-source heat pump may be
found in the dimensional section of
this manual.
The waterside economizer is designed
to begin economizing mode when wa-
ter temperatures fall below the field
adjustable temperature of 25, 35, 45,
55 or 65 F (for the Deluxe control op-
tion), or below the programmed set-
point (for the ZN524 control option).
When the temperature is less than the
setpoint, fluid will flow into the econo-
mizing coil, while simultaneously halt-
ing mechanical operation of the
compressor. Mechanical cooling will
continue on a call for a second stage
from the thermostat or system control.

6WSHP-SVX01D-EN
(option) Boilerless Control/Electric
Heat
Systems that do not contain a boiler
may contain a boilerless control with
electric heat. Trane offers both a facto-
ry mounted electric heat option, and a
field mounted duct heater option.
If the 1/2 through 5 ton GEH and GEV
unit incorporates the factory mounted
option, the unit will ship from the fac-
tory with an internally mounted
nichrome open wire heating element,
designed to start-up electric heat as
the systems primary heat in the event
entering water temperature falls be-
low 55 F. Once the entering water tem-
perature rises above 60 F, the
boilerless controller returns the unit to
normal compressor heating operation,
and locks out the electric heater.
If the unit contains a cooling only heat
pump design, the electric heat contac-
tor is wired directly to the thermostat
for primary heating, and the compres-
sor contactor for cooling.
For units comprised of the field in-
stalled duct heater option, the unit will
ship from the factory with controls
available to interface with the field
provided electric heat selection.
Note: For geothermal applications, the
boilerless controller has an adjustable
setting of 25, 35, 45, 55 and 60 de-
grees.
(option) Supplemental or
Boilerless Electric Heat
The 6 through 25 ton models which
contain boilerless control electric heat
or supplemental electric heat will con-
tain the controls interface ONLY for
field provided electric heat selection.
The heater for this model shall be ex-
ternal to the equipment by the contrac-
tor for ease of installation. All power
connections for the electric heater will
be completely separate from the unit
for field supplied electric heat.
Note: When the unit has boilerless
control, the electric heat is not used as
supplemental electric heat, but as a
primary heat.
(option) Hot Gas Reheat
With the reheat option, the return-air
from the space is conditioned by the
air-to-refrigerant coil, then reheated
by the reheat coil to control not only
the space temperature, but to also re-
duce the relative humidity of the
space. When operating in the reheat
mode (meaning the sensible tempera-
ture has been met in the space), the
humidistat signals the reheat relay coil
to energize, allowing the high pres-
sure refrigerant gas to flow from the
compressor through the reheat valve,
into the reversing valve, or reheat coil
for dehumidification.
A switching relay has been provided
for the reheat application to adjust the
blower motor from normal operation
to low speed when the hot gas reheat
is energized (for 1/2 through 5 ton
equipment only).
Notes:
• A high static blower motor is re-
quired to support the hot gas re-
heat option for the 1/2 through 5
ton equipment.
• Units containing the hot gas reheat
option should not be used as a
make-up air unit.
• Water regulating valves should not
be used with the hot gas reheat op-
tion. Trane places a thermal expan-
sion valve on all WSHPs as well as
GSHPs to regulate refrigerant flow
vs. water flow to the unit.
General
Information

WSHP-SVX01D-EN 7
Table 1: Unit weights
GEH
60 HZ GEH
50 HZ GEV
60 HZ GEV
50 HZ Shipping Weight
with pallet Shipping Weight
w/o pallet
006-015 006-012 188 lb (85 kg) 158 lb (71 kg)
018-030 015-024 278 lb (125 kg) 248 lb (112 kg)
036-042 030-036 318 lb (143 kg) 288 lb (130 kg)
048-060 042-060 428 lb (193 kg) 398 lb (179 kg)
072 -701 lb (318 kg) 652 lb (296 kg)
090 072 714 lb (325 kg) 666 lb (303 kg)
120 090 831 lb (377 kg) 789 lb (359 kg)
150 120 907 lb (412 kg) 865 lb (393 kg)
180 150 999 lb (454 kg) 957 lb (435 kg)
006-015 006-012 178 lb (80 kg) 158 lb (71 kg)
018-030, 040 015-024 268 lb (121 kg) 248 lb (112 kg)
036, 042 030, 036 308 lb (139 kg) 288 lb (130 kg)
048, 060 042-060 396 lb (178 kg) 248 lb (112 kg)
Operating Weight
072 -617 lb (280 kg) 577 (262 kg)
090 072 648 (294 kg) 608 (276 kg)
120 090 861 (391 kg) 821 (373 kg)
150 120 1215 lb (547 kg) 1170 lb (527 kg)
180 150 1225 lb (551 kg) 1180 lb (531 kg)
240 180 1615 lb (727 kg) 1580 lb (711 kg)
300 240 1665 lb (749 kg) 1640 lb (738 kg)
Table 2: Waterside economizer weight
GEV
60 HZ GEV
50 HZ Economizer
Weight GEH
60 HZ GEH
50 HZ Economizer
Weight GEH
60 HZ GEH
50 HZ Economizer
Weight
072 -148 lb (67 kg) 006-015 006-012 54 lb (24.5 kg) 072 -138 lb (63 kg)
090 072 168 lb (76 kg) 018-030 015-024 65 lb (29.5 kg) 090 072 144 lb (65 kg)
120 090 207 lb (94 kg) 036-042 030-036 76 lb (35 kg) 120 090 166 lb (75 kg)
150, 180 120, 150 275 lb (125 kg) 048-060 042-060 97 lb (44 kg) 150 120 213 lb (97 kg)
240 180 310 lb (141 kg) 180 150 213 lb (97 kg)
300 240 395 lb (179 kg)
WARNING
Improper Unit Lift!
Test lift unit approximately 24 inches
to verify proper center of gravity lift
point. To avoid dropping of unit,
reposition lifting point if unit is not
level. Failure to properly lift unit could
result in death or serious injury or
possible equipment or property-only
damage.
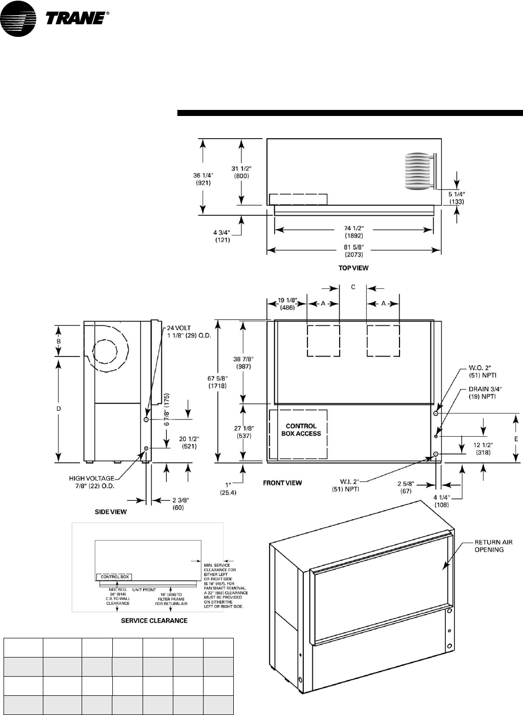
Dimensions/Weights
Weight Distribution for Hanging
the GEH Model
• Approximate weight distribution
for proper hanging of the GEH unit
is indicated by the diagram to the
right.
• Tolerance on the weights deter-
mined are ± 15%.
• Total weights for each unit size are
listed above.
1/2 through 5-ton 6 through 15-ton

8WSHP-SVX01D-EN
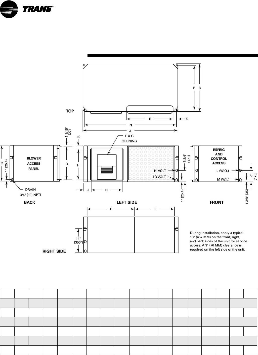
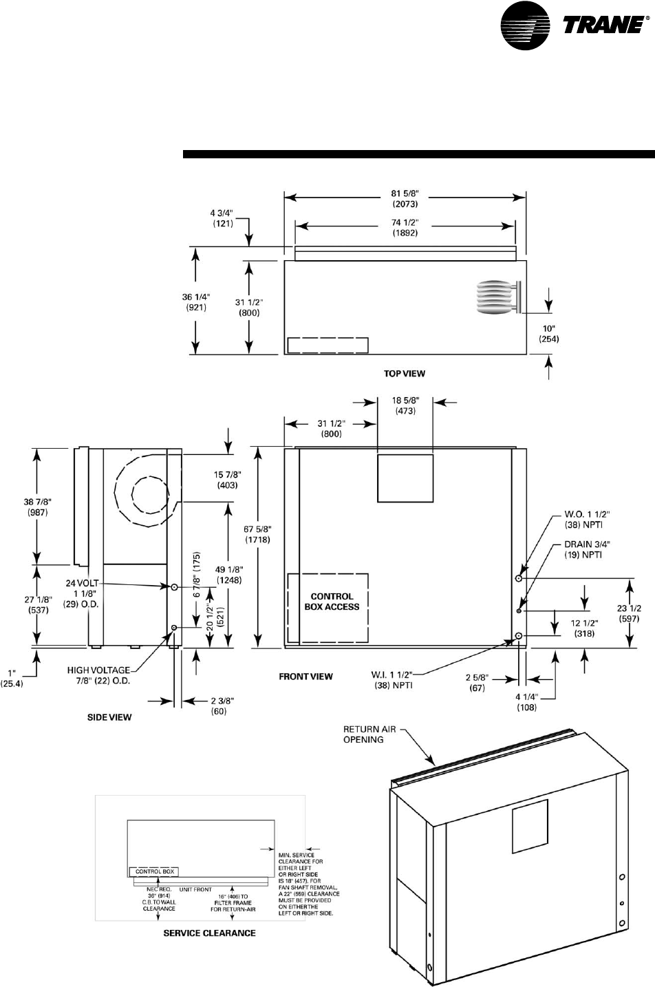
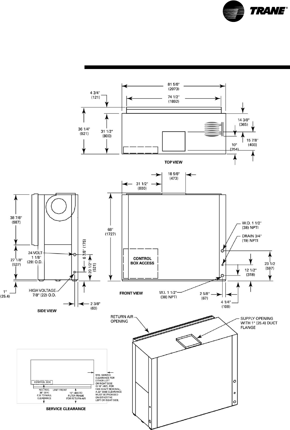
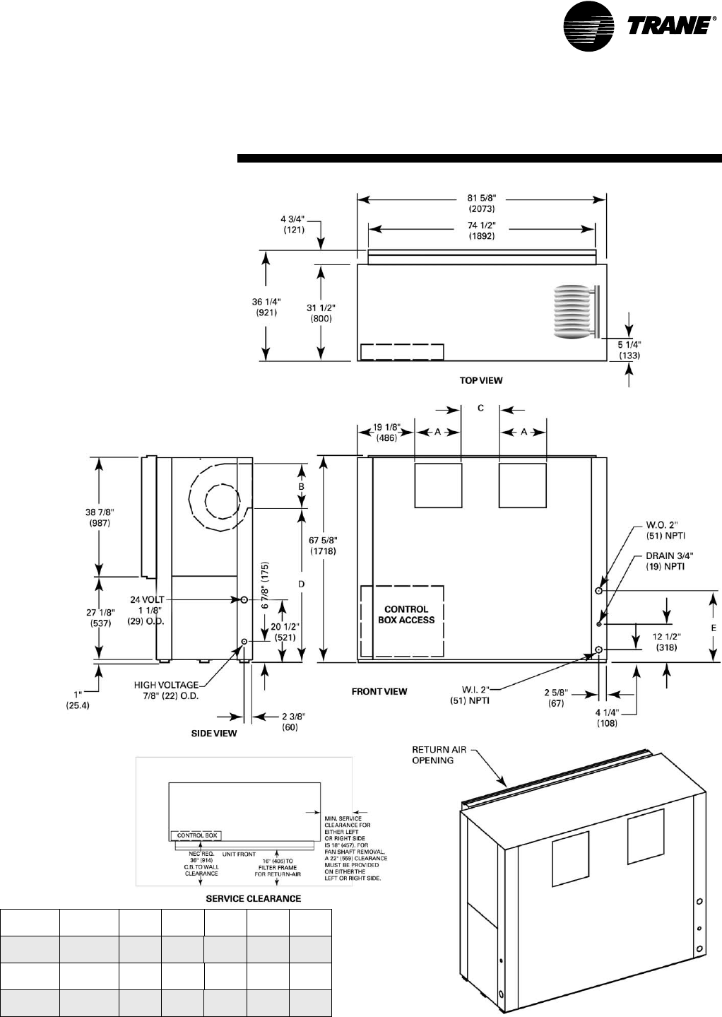
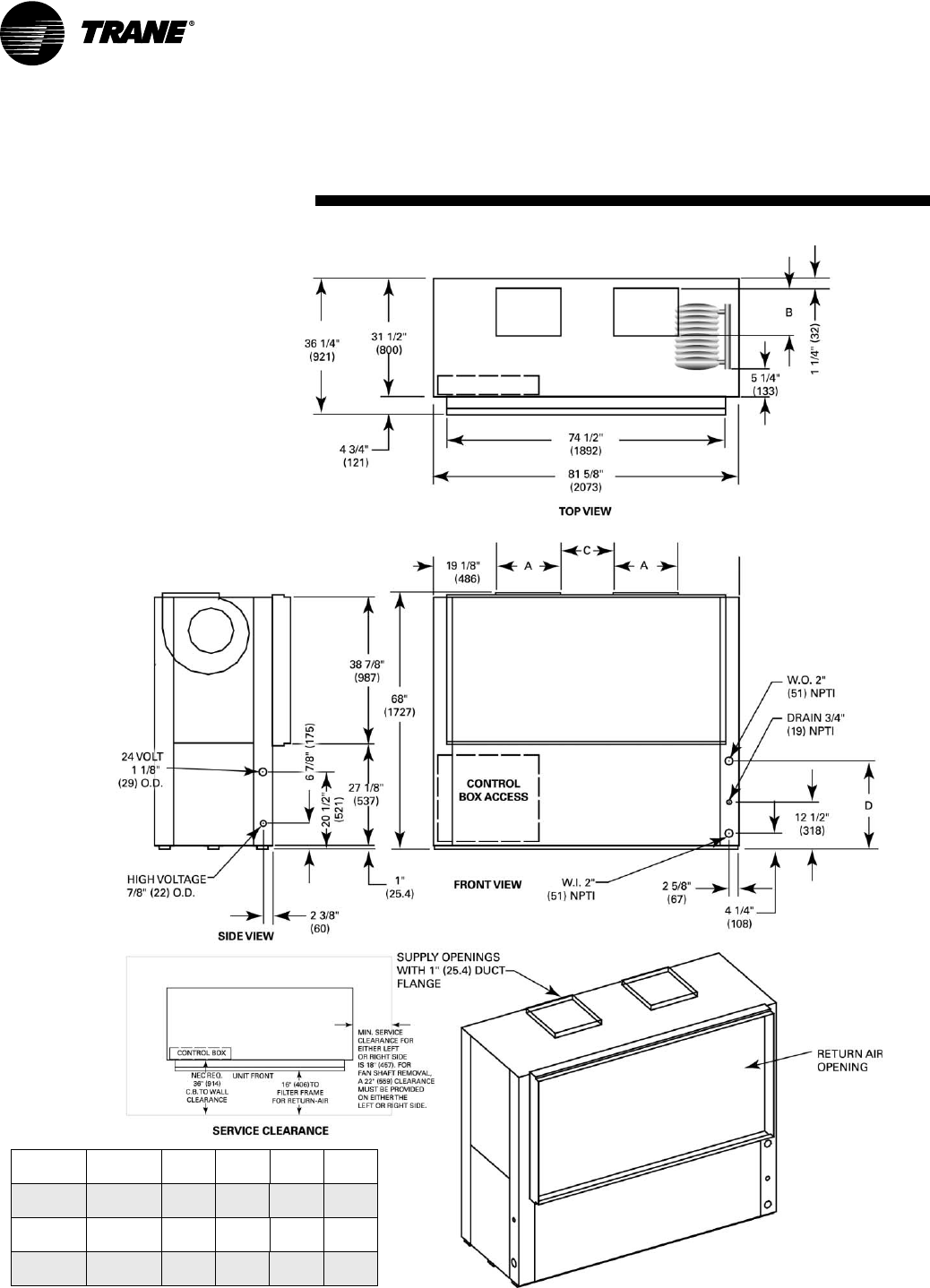
Dimensions/Weights
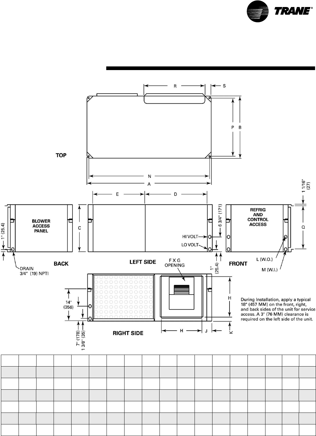
Clearance
GEH Clearance Dimensions
Access to the unit for service pur-
poses should be provided at instal-
lation. All 1/2 through 5 ton
configurations require an 18" (457
mm) surround clearance from oth-
er mechanical and electrical equip-
ment (where shown) to enable
panel removal from the unit for
service/maintenance ability. Some
local codes require a greater ser-
vice clearance than listed below.
Check all code requirements prior
to unit installations.
Equipment containing a same-side
supply/return combination re-
quires a 3" (229 mm) limitation on
one side. Access to the TXV may
not be possible with this 3" (229
mm) clearance. This configuration
is typically applied in a corridor in-
stallation, where space limitations
force the left or right side of the
unit against a wall.
Service clearance dimensions for
the 6 through 15 ton horizontal in-
cludes a two side access appropri-
ate for control and blower motor/
wheel access. Some local codes
require a greater service clearance
than listed below. Check all code
requirements prior to unit installa-
tions.
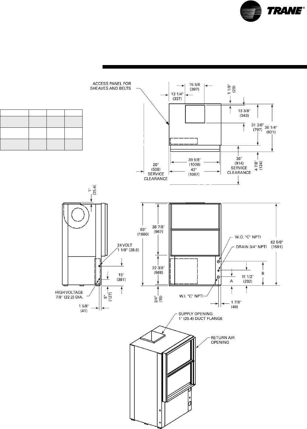
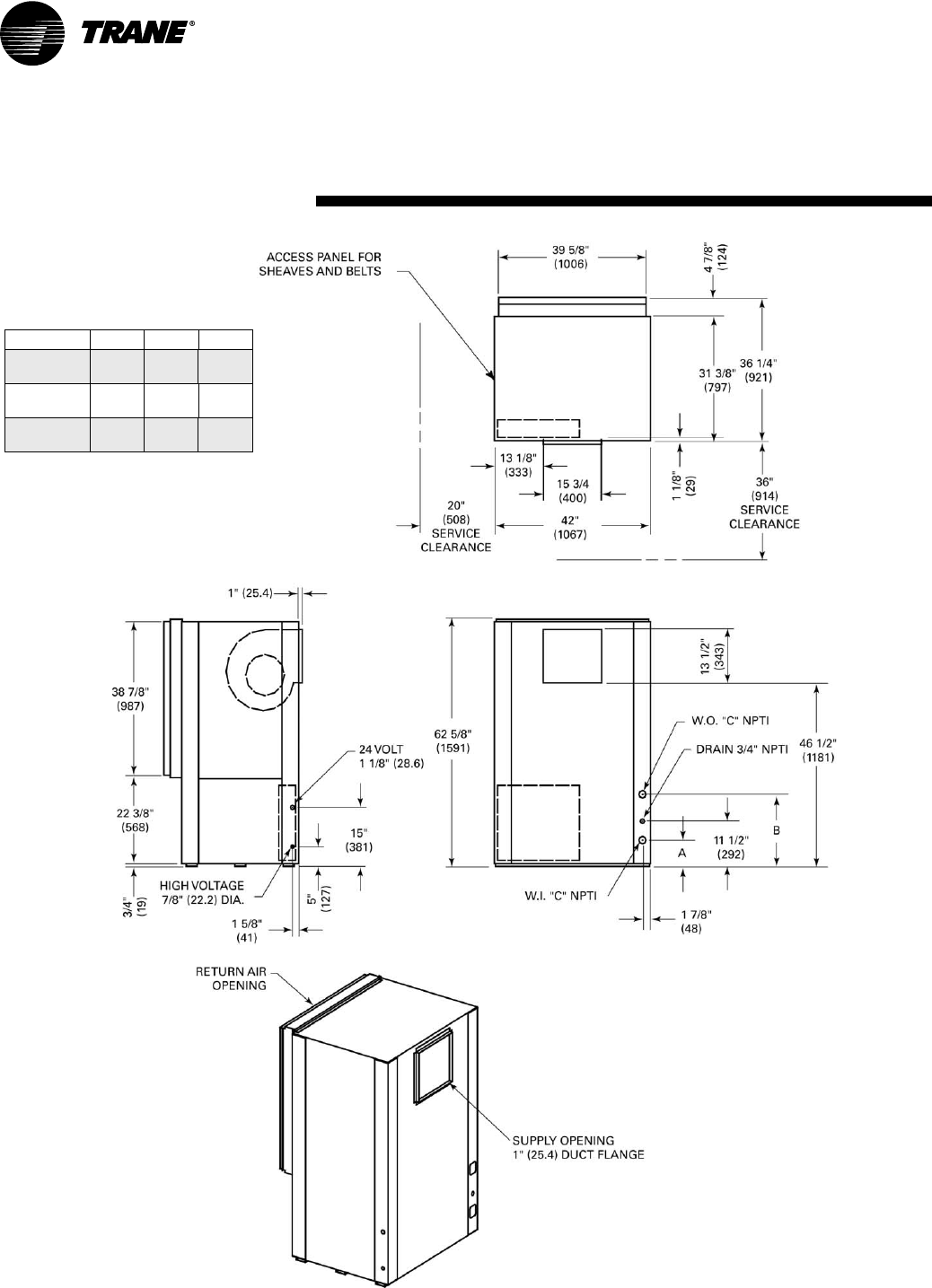
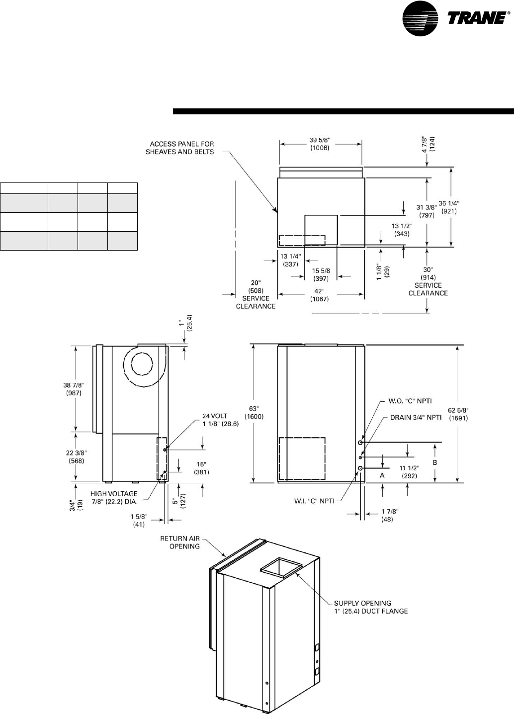
GEH 1/2 through 5 Ton Clearance
GEH 6 through 15 Ton Clearance

WSHP-SVX01D-EN 9
Dimensions/Weights
Clearance
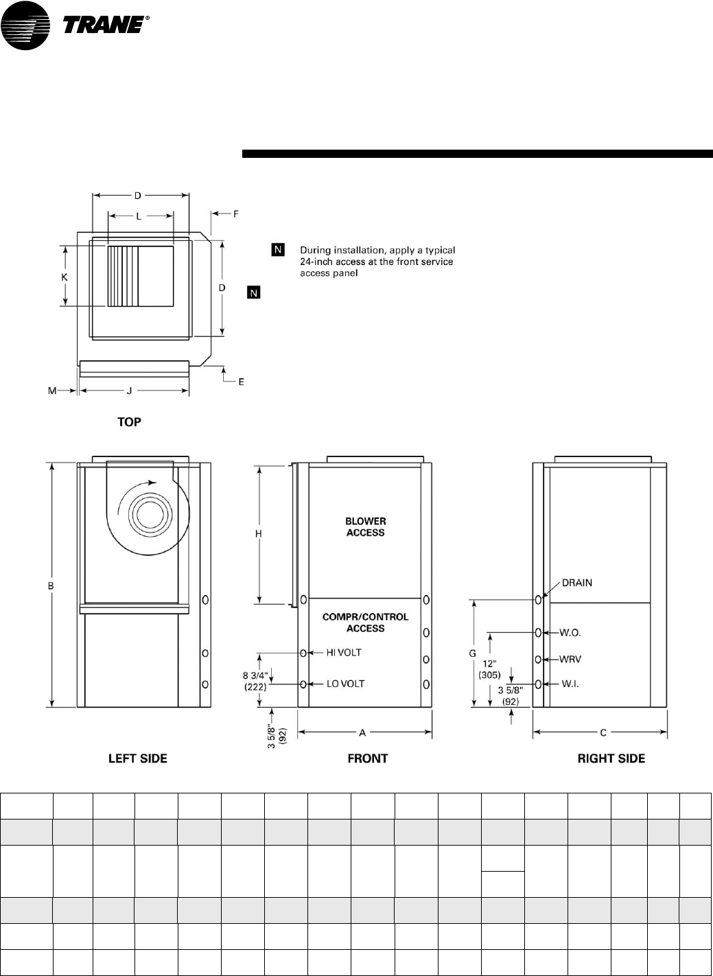
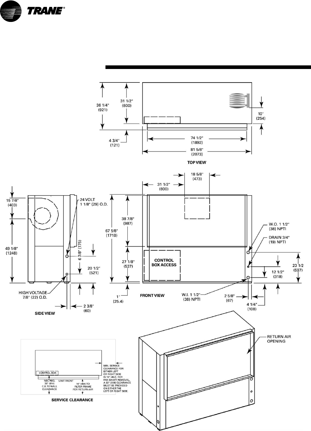
GEV 1/2 through 5 Ton Clearance
Dimensions (Figure 1)
Access to the unit for service purposes
should be provided at installation. All
configurations require an 24" (610 mm)
surround clearance from other me-
chanical and electrical equipment
(where shown) to enable panel remov-
al from the unit for service/mainte-
nance ability. Some local codes require
a greater service clearance than listed
below. Check all code requirements
prior to unit installations. Units in a free
return application will require more
than a 1" (25.4) clearance to provide
proper air flow to the units air-to-refrig-
erant coil.
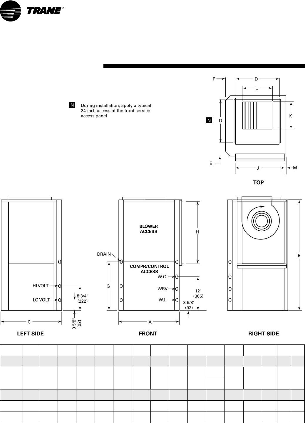
GEV 6 through 10 Ton Clearance
Dimensions (Figure 2)
Minimum access for service clearances
are provided below. Any one unit side
other than the control panel or return-
air side may be placed against a wall.
The unit may be serviced through the
three remaining open sides. Some lo-
cal codes require a greater service
clearance than listed below. Check all
code requirements prior to unit instal-
lations.
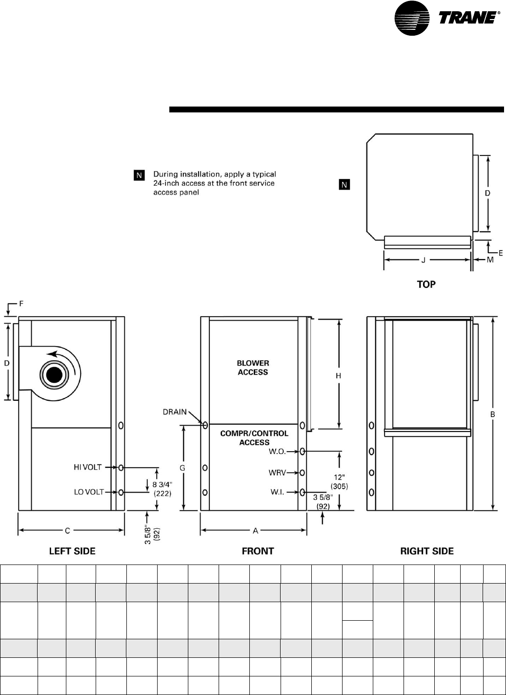
GEV 12 1/2 through 25 Ton
Clearance Dimensions (Figure 3)
The diagram below outlines the mini-
mum required unit service clearances.
Any one unit side other than the con-
trol panel or return-air side may be
placed against a wall. The unit may be
serviced through the three remaining
open sides. Some local codes require a
greater service clearance than listed
below. Check all code requirements
prior to unit installations.
Figure 1: GEV 1/2 through 5 Ton Clearance
Figure 2: GEV 6 through 10 Ton Clearance
Figure 3: GEV 12 1/2 through 25 Ton Clearance

10 WSHP-SVX01D-EN
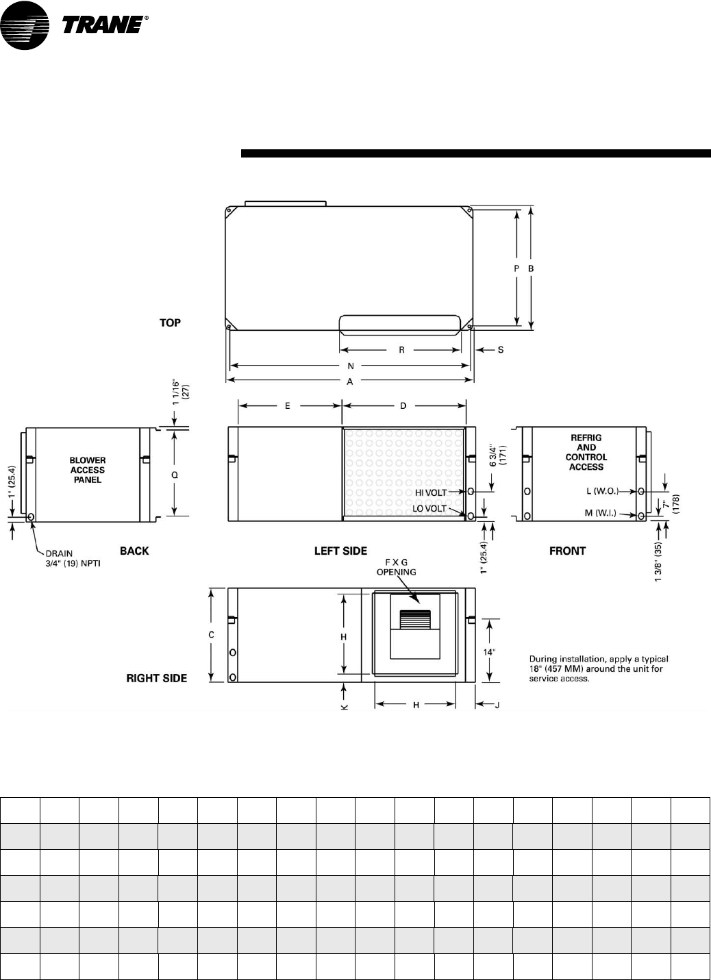
Dimensions/Weights
Left Return/Left Supply
Unit A B C D E F G H J K L
NPTI
M
NPTI NPQRS
006,009 40"
(1016)
20"
(508)
15"
(381)
20"
(508)
15"
(381)
6 7/8"
(175)
8"
(203)
11 1/2"
(292)
4 1/4"
(108)
2 1/8"
(54)
1/2"
(12.7)
1/2"
(12.7)
38 3/4"
(984)
18 3/4"
(476)
13 5/8"
(346)
18 1/2"
(470)
3 3/8"
(86)
012, 015 40"
(1016)
20"
(508)
15"
(381)
20"
(508)
15"
(381)
6 7/8"
(175)
9 7/8"
(251)
11 1/2"
(292)
4 1/4"
(108)
2 5/8"
(67)
1/2"
(12.7)
1/2"
(12.7)
38 3/4"
(984)
18 3/4"
(476)
13 5/8"
(346)
18 1/2"
(470)
3 3/8"
(86)
018 46"
(1168)
23"
(584)
17"
(432)
23"
(584)
18"
(457)
8 1/4"
(210)
9 3/4"
(248)
13 1/2"
(343)
4 3/4"
(121)
2 7/8"
(73)
3/4"
(19)
3/4"
(19)
44 3/4"
(1137)
21 3/4"
(552)
15 5/8"
(397)
18 1/2"
(470)
4 1/4"
(108)
024, 030 46"
(1168)
23"
(584)
17"
(432)
23"
(584)
18"
(457)
8 1/4"
(210)
11 3/8"
(289)
13 1/2"
(343)
4 3/4"
(121)
2 7/8"
(73)
3/4"
(19)
3/4"
(19)
44 3/4"
(1137)
21 3/4"
(552)
15 5/8"
(397)
18 1/2"
(470)
4 1/4"
(108)
036, 042 50"
(1270)
25"
(635)
19"
(483)
25"
(635)
20"
(508)
10 1/2"
(267)
13 1/2"
(343)
16 3/8"
(416)
4"
(102)
1 3/4"
(45)
3/4"
(19)
3/4"
(19)
48 3/4"
(1238)
23 3/4"
(603)
17 5/8"
(448)
23 1/2"
(597)
3 1/4"
(83)
048, 060 58"
(1473)
33"
(838)
21"
(533)
25"
(635)
28"
(711)
13 7/8"
(352)
13 7/8"
(352)
18"
(457)
6 5/8"
(168)
2"
(51)
1"
(25.4)
1"
(25.4)
56 3/4"
(1441)
31 3/4"
(806)
19 5/8"
(498)
23 1/2"
(597)
5 1/2"
(140)

WSHP-SVX01D-EN 11
Dimensions/Weights
Left Return/Back Supply
Unit A B C D E F G H J K L
NPTI
M
NPTI NPQRS
006,009 40"
(1016)
20"
(508)
15"
(381)
20"
(508)
15"
(381)
6 7/8"
(175)
8"
(203)
11 1/2"
(292)
4 1/4"
(108)
2 1/8"
(54)
1/2"
(12.7)
1/2"
(12.7)
38 3/4"
(984)
18 3/4"
(476)
13 5/8"
(346)
18 1/2"
(470)
3 3/8"
(86)
012, 015 40"
(1016)
20"
(508)
15"
(381)
20"
(508)
15"
(381)
6 7/8"
(175)
9 7/8"
(251)
11 1/2"
(292)
4 1/4"
(108)
2 5/8"
(67)
1/2"
(12.7)
1/2"
(12.7)
38 3/4"
(984)
18 3/4"
(476)
13 5/8"
(346)
18 1/2"
(470)
3 3/8"
(86)
018 46"
(1168)
23"
(584)
17"
(432)
23"
(584)
18"
(457)
8 1/4"
(210)
9 3/4"
(248)
13 1/2"
(343)
4 3/4"
(121)
2 7/8"
(73)
3/4"
(19)
3/4"
(19)
44 3/4"
(1137)
21 3/4"
(552)
15 5/8"
(397)
18 1/2"
(470)
4 1/4"
(108)
024, 030 46"
(1168)
23"
(584)
17"
(432)
23"
(584)
18"
(457)
8 1/4"
(210)
11 3/8"
(289)
13 1/2"
(343)
4 3/4"
(121)
2 7/8"
(73)
3/4"
(19)
3/4"
(19)
44 3/4"
(1137)
21 3/4"
(552)
15 5/8"
(397)
18 1/2"
(470)
4 1/4"
(108)
036, 042 50"
(1270)
25"
(635)
19"
(483)
25"
(635)
20"
(508)
10 1/2"
(267)
13 1/2"
(343)
16 3/8"
(416)
4"
(102)
1 3/4"
(45)
3/4"
(19)
3/4"
(19)
48 3/4"
(1238)
23 3/4"
(603)
17 5/8"
(448)
23 1/2"
(597)
3 1/4"
(83)
048, 060 58"
(1473)
33"
(838)
21"
(533)
25"
(635)
28"
(711)
13 7/8"
(352)
13 7/8"
(352)
18"
(457)
6 5/8"
(168)
2"
(51)
1"
(25.4)
1"
(25.4)
56 3/4"
(1441)
31 3/4"
(806)
19 5/8"
(498)
23 1/2"
(597)
5 1/2"
(140)

12 WSHP-SVX01D-EN
Dimensions/Weights
Left Return/Right Supply
Unit
60 HZ
Unit
50 HZ ABCDEFGHJKL
NPTI
M
NPTI NPQR
006-009 006 40"
(1016)
20"
(508)
15"
(381)
20"
(508)
15"
(381)
6 7/8"
(175)
8"
(203)
11 1/2"
(292)
4 1/4"
(108)
2 1/8"
(54)
1/2"
(12.7)
1/2"
(12.7)
38 3/4"
(984)
18 3/4"
(476)
13 5/8"
(346)
18 1/2"
(470)
012-015 009-012 40"
(1016)
20"
(508)
15"
(381)
20"
(508)
15"
(381)
6 7/8"
(175)
9 7/8"
(251)
11 1/2"
(292)
4 1/4"
(108)
2 5/8"
(67)
1/2"
(12.7)
1/2"
(12.7)
38 3/4"
(984)
18 3/4"
(476)
13 5/8"
(346)
18 1/2"
(470)
018 015 46"
(1168)
23"
(584)
17"
(432)
23"
(584)
18"
(457)
8 1/4"
(210)
9 3/4"
(248)
13 1/2"
(343)
4 3/4"
(121)
2 7/8"
(73)
3/4"
(19)
3/4"
(19)
44 3/4"
(1137)
21 3/4"
(552)
15 5/8"
(397)
18 1/2"
(470)
024-030 018-024 46"
(1168)
23"
(584)
17"
(432)
23"
(584)
18"
(457)
8 1/4"
(210)
11 3/8"
(289)
13 1/2"
(343)
4 3/4"
(121)
2 7/8"
(73)
3/4"
(19)
3/4"
(19)
44 3/4"
(1137)
21 3/4"
(552)
15 5/8"
(397)
18 1/2"
(470)
036-042 030-036 50"
(1270)
25"
(635)
19"
(483)
25"
(635)
20"
(508)
10 1/2"
(267)
13 1/2"
(343)
16 3/8"
(416)
4"
(102)
1 3/4"
(45)
3/4"
(19)
3/4"
(19)
48 3/4"
(1238)
23 3/4"
(603)
17 5/8"
(448)
23 1/2"
(597)
048-060 042-060 58"
(1473)
33"
(838)
21"
(533)
29 1/2"
(749)
21 1/2"
(546)
13 7/8"
(352)
13 7/8"
(352)
18"
(457)
6 5/8"
(168)
2"
(51)
1"
(25.4)
1"
(25.4)
56 3/4"
(1441)
31 3/4"
(806)
19 5/8"
(498)
23 1/2"
(597)

WSHP-SVX01D-EN 13
Dimensions/Weights
Right Return/Left Supply
Unit A B C D E F G H J K L
NPTI
M
NPTI NPQRS
006,009 40"
(1016)
20"
(508)
15"
(381)
20"
(508)
15"
(381)
6 7/8"
(175)
8"
(203)
11 1/2"
(292)
4 1/4"
(108)
2 1/8"
(54)
1/2"
(12.7)
1/2"
(12.7)
38 3/4"
(984)
18 3/4"
(476)
13 5/8"
(346)
18 1/2"
(470)
3 3/8"
(86)
012, 015 40"
(1016)
20"
(508)
15"
(381)
20"
(508)
15"
(381)
6 7/8"
(175)
9 7/8"
(251)
11 1/2"
(292)
4 1/4"
(108)
2 5/8"
(67)
1/2"
(12.7)
1/2"
(12.7)
38 3/4"
(984)
18 3/4"
(476)
13 5/8"
(346)
18 1/2"
(470)
3 3/8"
(86)
018 46"
(1168)
23"
(584)
17"
(432)
23"
(584)
18"
(457)
8 1/4"
(210)
9 3/4"
(248)
13 1/2"
(343)
4 3/4"
(121)
2 7/8"
(73)
3/4"
(19)
3/4"
(19)
44 3/4"
(1137)
21 3/4"
(552)
15 5/8"
(397)
18 1/2"
(470)
4 1/4"
(108)
024, 030 46"
(1168)
23"
(584)
17"
(432)
23"
(584)
18"
(457)
8 1/4"
(210)
11 3/8"
(289)
13 1/2"
(343)
4 3/4"
(121)
2 7/8"
(73)
3/4"
(19)
3/4"
(19)
44 3/4"
(1137)
21 3/4"
(552)
15 5/8"
(397)
18 1/2"
(470)
4 1/4"
(108)
036, 042 50"
(1270)
25"
(635)
19"
(483)
25"
(635)
20"
(508)
10 1/2"
(267)
13 1/2"
(343)
16 3/8"
(416)
4"
(102)
1 3/4"
(45)
3/4"
(19)
3/4"
(19)
48 3/4"
(1238)
23 3/4"
(603)
17 5/8"
(448)
23 1/2"
(597)
3 1/4"
(83)
048, 060 58"
(1473)
33"
(838)
21"
(533)
25"
(635)
28"
(711)
13 7/8"
(352)
13 7/8"
(352)
18"
(457)
6 5/8"
(168)
2"
(51)
1"
(25.4)
1"
(25.4)
56 3/4"
(1441)
31 3/4"
(806)
19 5/8"
(498)
23 1/2"
(597)
5 1/2"
(140)

14 WSHP-SVX01D-EN
Dimensions/Weights
Right Return/Back Supply
Unit A B C D E F G H J K L
NPTI
M
NPTI NPQRS
006,009 40"
(1016)
20"
(508)
15"
(381)
20"
(508)
15"
(381)
6 7/8"
(175)
8"
(203)
11 1/2"
(292)
4 1/4"
(108)
2 1/8"
(54)
1/2"
(12.7)
1/2"
(12.7)
38 3/4"
(984)
18 3/4"
(476)
13 5/8"
(346)
18 1/2"
(470)
3 3/8"
(86)
012, 015 40"
(1016)
20"
(508)
15"
(381)
20"
(508)
15"
(381)
6 7/8"
(175)
9 7/8"
(251)
11 1/2"
(292)
4 1/4"
(108)
2 5/8"
(67)
1/2"
(12.7)
1/2"
(12.7)
38 3/4"
(984)
18 3/4"
(476)
13 5/8"
(346)
18 1/2"
(470)
3 3/8"
(86)
018 46"
(1168)
23"
(584)
17"
(432)
23"
(584)
18"
(457)
8 1/4"
(210)
9 3/4"
(248)
13 1/2"
(343)
4 3/4"
(121)
2 7/8"
(73)
3/4"
(19)
3/4"
(19)
44 3/4"
(1137)
21 3/4"
(552)
15 5/8"
(397)
18 1/2"
(470)
4 1/4"
(108)
024, 030 46"
(1168)
23"
(584)
17"
(432)
23"
(584)
18"
(457)
8 1/4"
(210)
11 3/8"
(289)
13 1/2"
(343)
4 3/4"
(121)
2 7/8"
(73)
3/4"
(19)
3/4"
(19)
44 3/4"
(1137)
21 3/4"
(552)
15 5/8"
(397)
18 1/2"
(470)
4 1/4"
(108)
036, 042 50"
(1270)
25"
(635)
19"
(483)
25"
(635)
20"
(508)
10 1/2"
(267)
13 1/2"
(343)
16 3/8"
(416)
4"
(102)
1 3/4"
(45)
3/4"
(19)
3/4"
(19)
48 3/4"
(1238)
23 3/4"
(603)
17 5/8"
(448)
23 1/2"
(597)
3 1/4"
(83)
048, 060 58"
(1473)
33"
(838)
21"
(533)
25"
(635)
28"
(711)
13 7/8"
(352)
13 7/8"
(352)
18"
(457)
6 5/8"
(168)
2"
(51)
1"
(25.4)
1"
(25.4)
56 3/4"
(1441)
31 3/4"
(806)
19 5/8"
(498)
23 1/2"
(597)
5 1/2"
(140)

WSHP-SVX01D-EN 15
Dimensions/Weights
Right Return/Right Supply
Unit A B C D E F G H J K L
NPTI
M
NPTI NPQRS
006,009 40"
(1016)
20"
(508)
15"
(381)
20"
(508)
15"
(381)
6 7/8"
(175)
8"
(203)
11 1/2"
(292)
4 1/4"
(108)
2 1/8"
(54)
1/2"
(12.7)
1/2"
(12.7)
38 3/4"
(984)
18 3/4"
(476)
13 5/8"
(346)
18 1/2"
(470)
3 3/8"
(86)
012, 015 40"
(1016)
20"
(508)
15"
(381)
20"
(508)
15"
(381)
6 7/8"
(175)
9 7/8"
(251)
11 1/2"
(292)
4 1/4"
(108)
2 5/8"
(67)
1/2"
(12.7)
1/2"
(12.7)
38 3/4"
(984)
18 3/4"
(476)
13 5/8"
(346)
18 1/2"
(470)
3 3/8"
(86)
018 46"
(1168)
23"
(584)
17"
(432)
23"
(584)
18"
(457)
8 1/4"
(210)
9 3/4"
(248)
13 1/2"
(343)
4 3/4"
(121)
2 7/8"
(73)
3/4"
(19)
3/4"
(19)
44 3/4"
(1137)
21 3/4"
(552)
15 5/8"
(397)
18 1/2"
(470)
4 1/4"
(108)
024, 030 46"
(1168)
23"
(584)
17"
(432)
23"
(584)
18"
(457)
8 1/4"
(210)
11 3/8"
(289)
13 1/2"
(343)
4 3/4"
(121)
2 7/8"
(73)
3/4"
(19)
3/4"
(19)
44 3/4"
(1137)
21 3/4"
(552)
15 5/8"
(397)
18 1/2"
(470)
4 1/4"
(108)
036, 042 50"
(1270)
25"
(635)
19"
(483)
25"
(635)
20"
(508)
10 1/2"
(267)
13 1/2"
(343)
16 3/8"
(416)
4"
(102)
1 3/4"
(45)
3/4"
(19)
3/4"
(19)
48 3/4"
(1238)
23 3/4"
(603)
17 5/8"
(448)
23 1/2"
(597)
3 1/4"
(83)
048, 060 58"
(1473)
33"
(838)
21"
(533)
25"
(635)
28"
(711)
13 7/8"
(352)
13 7/8"
(352)
18"
(457)
6 5/8"
(168)
2"
(51)
1"
(25.4)
1"
(25.4)
56 3/4"
(1441)
31 3/4"
(806)
19 5/8"
(498)
23 1/2"
(597)
5 1/2"
(140)

16 WSHP-SVX01D-EN
Dimensions/Weights
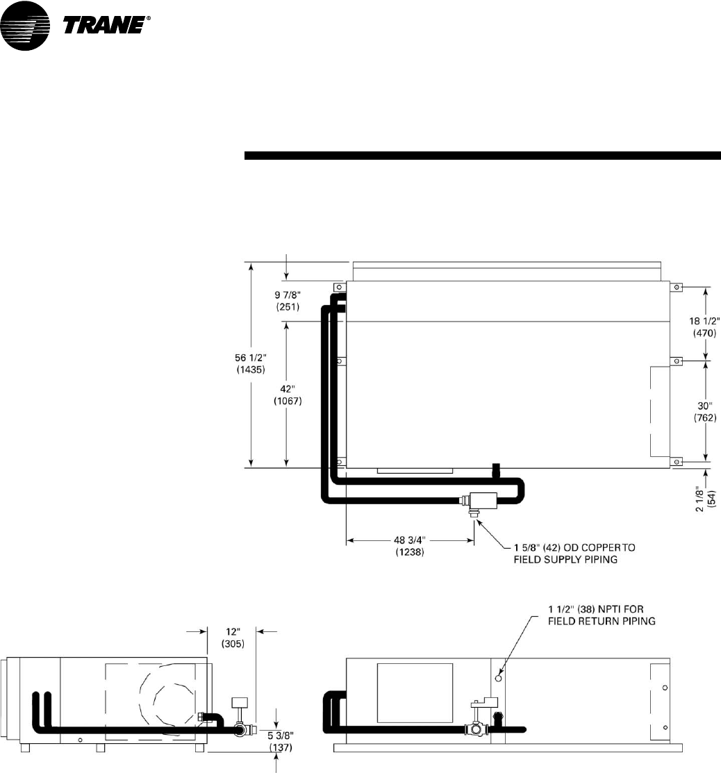
Left Return/Top Supply
Unit
GEV AB C D E F G H J K L M N
W.I.
NPTI
W.O.
NPTI
Drain
FPT
006-015 19 1/2"
(495)
31 1/4"
(794)
21 1/2"
(546)
11 1/2"
(292)
4"
(102)
3 3/4"
(95)
16 1/2"
(419)
15"
(381)
18"
(457)
6 7/8"
(175)
8"
(203)
3/4"
(19)
2"
(51)
1/2"
(12.7)
1/2"
(12.7)
3/4"
(19)
018, 024,
030, 040
21 1/2"
(546)
39 1/4"
(997)
21 1/2"
(546)
13 1/2"
(343)
4"
(102)
4"
(1021)
17 1/2"
(445)
23 3/4"
(603)
17"
(432)
8 1/4"
(368)
9 3/4"
(248) 3/4"
(19)
2"
(51)
3/4"
(19)
3/4"
(19)
3/4"
(19)
11 3/8"
(289)
036, 042 24 1/2"
(622)
41 7/8"
(1064)
26 1/2"
(673)
18"
(457)
3 1/4"
(83)
1 7/8"
(48)
19 1/2"
(495)
19"
(483)
23"
(584)
10 1/2"
(267)
13 1/2"
(343)
1 3/4"
(19) 03/4"
(19)
3/4"
(19)
3/4"
(19)
Std-048 26 1/2"
(673)
46 7/8"
(1191)
30 1/2"
(775)
18"
(457)
4 1/4"
(108)
2"
(51)
21 1/2"
(546)
29"
(737)
27"
(686)
13 7/8"
(352)
13 7/8"
(352)
2 1/4"
(57)
3 1/2"
(89)
1"
(25.4)
1"
(25.4)
3/4"
(19)
Hi-048,
060
26 1/2"
(673)
46 7/8"
(1191)
30 1/2"
(775)
18"
(457)
4 1/4"
(108)
2"
(51)
21 1/2"
(546)
29"
(737)
27"
(686)
13 1/8"
(333)
11 3/8"
(289)
2 1/4"
(57)
3 1/2"
(89)
1"
(25.4)
1"
(25.4)
3/4"
(19)

WSHP-SVX01D-EN 17
Dimensions/Weights
Left Return/Back Supply
Unit
GEV AB C D E F G H J K L M N
W.I.
NPTI
W.O.
NPTI
Drain
FPT
006-015 19 1/2"
(495)
31 1/4"
(794)
21 1/2"
(546)
11 1/2"
(292)
4"
(102)
3 3/4"
(95)
16 1/2"
(419)
15"
(381)
18"
(457)
6 7/8"
(175)
8"
(203)
3/4"
(19)
2"
(51)
1/2"
(12.7)
1/2"
(12.7)
3/4"
(19)
018, 024,
030, 040
21 1/2"
(546)
39 1/4"
(997)
21 1/2"
(546)
13 1/2"
(343)
4"
(102)
4"
(1021)
17 1/2"
(445)
23 3/4"
(603)
17"
(432)
8 1/4"
(368)
9 3/4"
(248) 3/4"
(19)
2"
(51)
3/4"
(19)
3/4"
(19)
3/4"
(19)
11 3/8"
(289)
036, 042 24 1/2"
(622)
41 7/8"
(1064)
26 1/2"
(673)
18"
(457)
3 1/4"
(83)
1 7/8"
(48)
19 1/2"
(495)
19"
(483)
23"
(584)
10 1/2"
(267)
13 1/2"
(343)
1 3/4"
(19) 03/4"
(19)
3/4"
(19)
3/4"
(19)
Std-048 26 1/2"
(673)
46 7/8"
(1191)
30 1/2"
(775)
18"
(457)
4 1/4"
(108)
2"
(51)
21 1/2"
(546)
29"
(737)
27"
(686)
13 7/8"
(352)
13 7/8"
(352)
2 1/4"
(57)
3 1/2"
(89)
1"
(25.4)
1"
(25.4)
3/4"
(19)
Hi-048,
060
26 1/2"
(673)
46 7/8"
(1191)
30 1/2"
(775)
18"
(457)
4 1/4"
(108)
2"
(51)
21 1/2"
(546)
29"
(737)
27"
(686)
13 1/8"
(333)
11 3/8"
(289)
2 1/4"
(57)
3 1/2"
(89)
1"
(25.4)
1"
(25.4)
3/4"
(19)

18 WSHP-SVX01D-EN
Dimensions/Weights
Right Return/Top Supply
Unit
GEV AB C D E F G H J K L M N
W.I.
NPTI
W.O.
NPTI
Drain
FPT
006-015 19 1/2"
(495)
31 1/4"
(794)
21 1/2"
(546)
11 1/2"
(292)
4"
(102)
3 3/4"
(95)
16 1/2"
(419)
15"
(381)
18"
(457)
6 7/8"
(175)
8"
(203)
3/4"
(19)
2"
(51)
1/2"
(12.7)
1/2"
(12.7)
3/4"
(19)
018, 024,
030, 040
21 1/2"
(546)
39 1/4"
(997)
21 1/2"
(546)
13 1/2"
(343)
4"
(102)
4"
(1021)
17 1/2"
(445)
23 3/4"
(603)
17"
(432)
8 1/4"
(368)
9 3/4"
(248) 3/4"
(19)
2"
(51)
3/4"
(19)
3/4"
(19)
3/4"
(19)
11 3/8"
(289)
036, 042 24 1/2"
(622)
41 7/8"
(1064)
26 1/2"
(673)
18"
(457)
3 1/4"
(83)
1 7/8"
(48)
19 1/2"
(495)
19"
(483)
23"
(584)
10 1/2"
(267)
13 1/2"
(343)
1 3/4"
(19) 03/4"
(19)
3/4"
(19)
3/4"
(19)
Std-048 26 1/2"
(673)
46 7/8"
(1191)
30 1/2"
(775)
18"
(457)
4 1/4"
(108)
2"
(51)
21 1/2"
(546)
29"
(737)
27"
(686)
13 7/8"
(352)
13 7/8"
(352)
2 1/4"
(57)
3 1/2"
(89)
1"
(25.4)
1"
(25.4)
3/4"
(19)
Hi-048,
060
26 1/2"
(673)
46 7/8"
(1191)
30 1/2"
(775)
18"
(457)
4 1/4"
(108)
2"
(51)
21 1/2"
(546)
29"
(737)
27"
(686)
13 1/8"
(333)
11 3/8"
(289)
2 1/4"
(57)
3 1/2"
(89)
1"
(25.4)
1"
(25.4)
3/4"
(19)

WSHP-SVX01D-EN 19
Dimensions/Weights
Right Return/Back Supply
Unit
GEV AB C D E F G H J K L M N
W.I.
NPTI
W.O.
NPTI
Drain
FPT
006-015 19 1/2"
(495)
31 1/4"
(794)
21 1/2"
(546)
11 1/2"
(292)
4"
(102)
3 3/4"
(95)
16 1/2"
(419)
15"
(381)
18"
(457)
6 7/8"
(175)
8"
(203)
3/4"
(19)
2"
(51)
1/2"
(12.7)
1/2"
(12.7)
3/4"
(19)
018, 024,
030, 040
21 1/2"
(546)
39 1/4"
(997)
21 1/2"
(546)
13 1/2"
(343)
4"
(102)
4"
(1021)
17 1/2"
(445)
23 3/4"
(603)
17"
(432)
8 1/4"
(368)
9 3/4"
(248) 3/4"
(19)
2"
(51)
3/4"
(19)
3/4"
(19)
3/4"
(19)
11 3/8"
(289)
036, 042 24 1/2"
(622)
41 7/8"
(1064)
26 1/2"
(673)
18"
(457)
3 1/4"
(83)
1 7/8"
(48)
19 1/2"
(495)
19"
(483)
23"
(584)
10 1/2"
(267)
13 1/2"
(343)
1 3/4"
(19) 03/4"
(19)
3/4"
(19)
3/4"
(19)
Std-048 26 1/2"
(673)
46 7/8"
(1191)
30 1/2"
(775)
18"
(457)
4 1/4"
(108)
2"
(51)
21 1/2"
(546)
29"
(737)
27"
(686)
13 7/8"
(352)
13 7/8"
(352)
2 1/4"
(57)
3 1/2"
(89)
1"
(25.4)
1"
(25.4)
3/4"
(19)
Hi-048,
060
26 1/2"
(673)
46 7/8"
(1191)
30 1/2"
(775)
18"
(457)
4 1/4"
(108)
2"
(51)
21 1/2"
(546)
29"
(737)
27"
(686)
13 1/8"
(333)
11 3/8"
(289)
2 1/4"
(57)
3 1/2"
(89)
1"
(25.4)
1"
(25.4)
3/4"
(19)

20 WSHP-SVX01D-EN
Dimensional Data
GEH-Right Return/Left Supply
GEH 072-120 (60 Hz)
GEH
60 Hz
GEH
50 Hz ABCD
072 -36 1/4"
(921)
15 5/8"
(397)
6 5/8"
(168)
1 1/4"
(32)
090 072 36 1/8"
(917)
12 3/4"
(324)
6 3/4"
(171)
1 1/4"
(32)
120 090 36 1/8"
(917)
13"
(330)
7 1/4"
(184)
1 1/2"
(38)
GEH 072-090 (50 Hz)

WSHP-SVX01D-EN 21
Dimensional Data
GEH-Right Return/Back Supply
GEH 072-120 (60 Hz)
GEH
60 Hz
GEH
50 Hz ABCD
072 -36 1/4"
(921)
15 5/8"
(397)
6 5/8"
(168)
1 1/4"
(32)
090 072 36 1/8"
(917)
12 3/4"
(324)
6 3/4"
(171)
1 1/4"
(32)
120 090 36 1/8"
(917)
13"
(330)
7 1/4"
(184)
1 1/2"
(38)
GEH 072-090 (50 Hz)

22 WSHP-SVX01D-EN
Dimensional Data
GEH-Left Return/Right Supply
GEH 072-120 (60 Hz)
GEH
60 Hz
GEH
50 Hz ABCD
072 -36 1/8"
(917)
17"
(432)
8"
(203)
1 1/4"
(32)
090 072 36 1/8"
(917)
13 3/4"
(349)
7 3/4"
(197)
1 1/4"
(32)
120 090 36 1/8"
(917)
13"
(330)
7 1/4"
(184)
1 1/2"
(38)
GEH 072-090 (50 Hz)

WSHP-SVX01D-EN 23
Dimensional Data
GEH-Left Return/Back Supply
GEH 072-120 (60 Hz)
GEH
60 Hz
GEH
50 Hz ABCD
072 -36 1/8"
(917)
17"
(432)
8"
(203)
1 1/4"
(32)
090 072 36 1/8"
(917)
13 3/4"
(349)
7 3/4"
(197)
1 1/4"
(32)
120 090 36 1/8"
(917)
13"
(330)
7 1/4"
(184)
1 1/2"
(38)
GEH 072-090 (50 Hz)

24 WSHP-SVX01D-EN
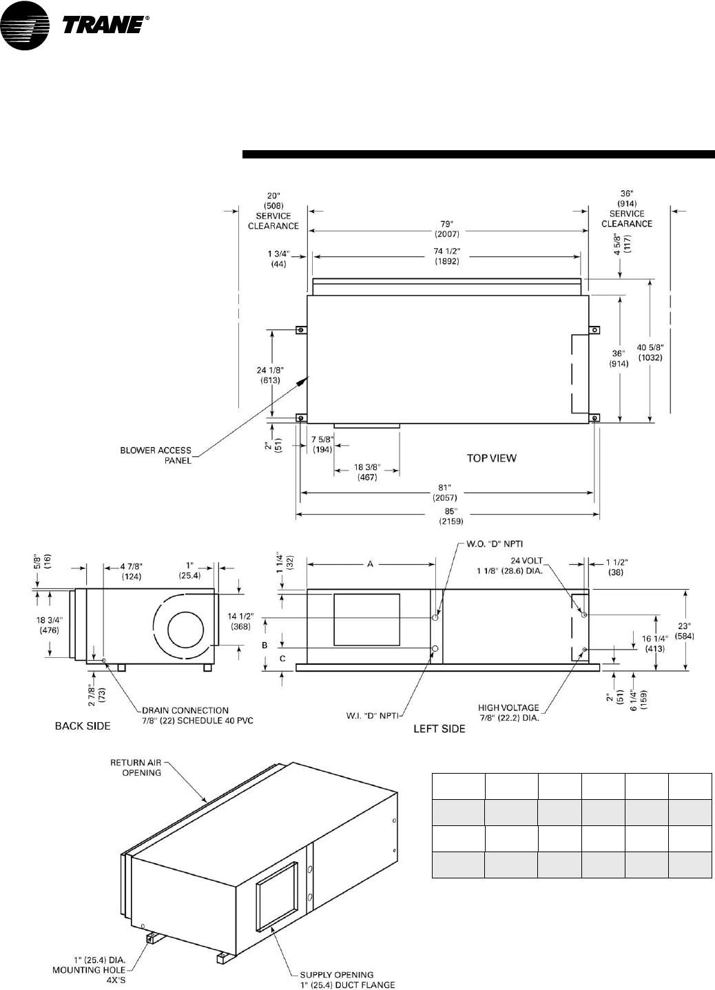
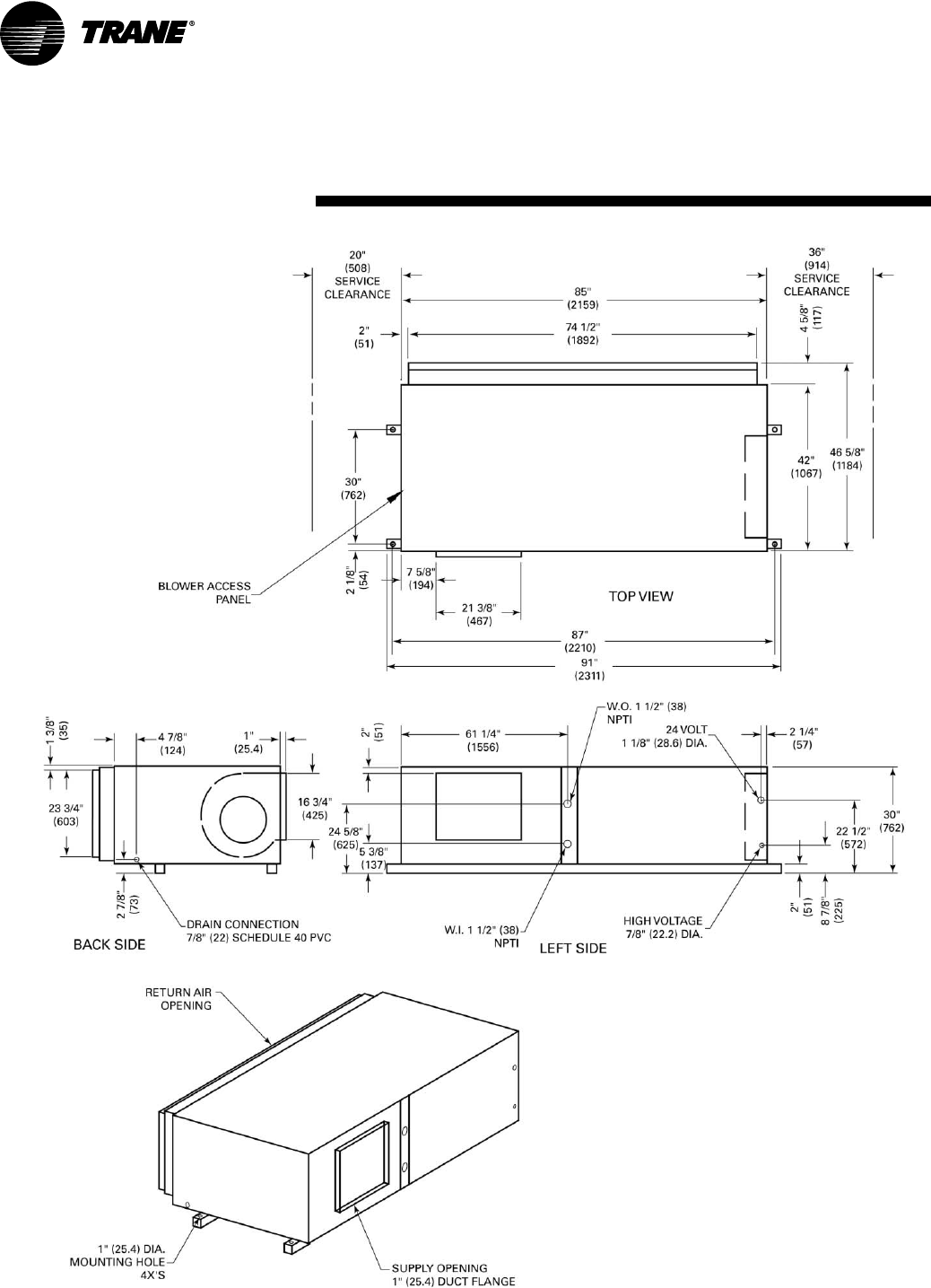
Dimensional Data
GEH-Right Return/Left Supply
GEH 150-180 (60 Hz)
GEH 120-150 (50 Hz)

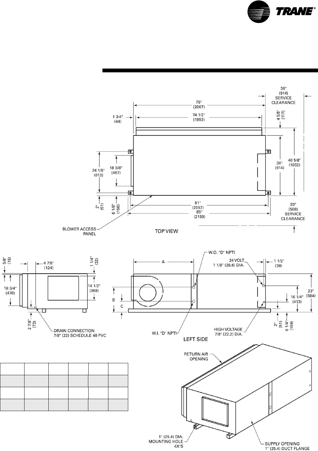
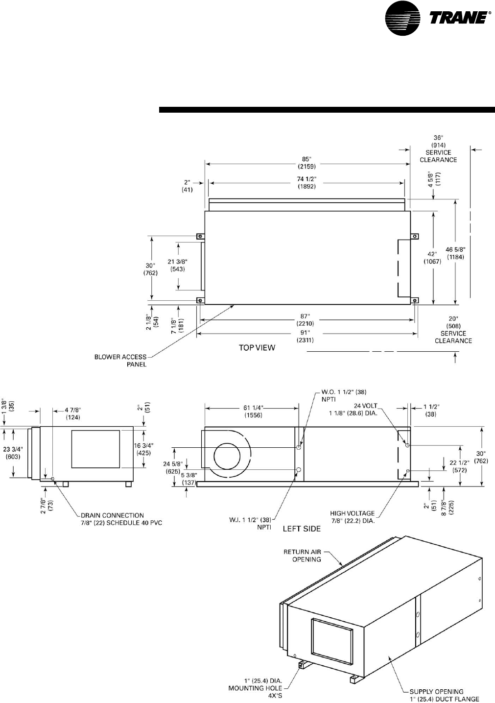
WSHP-SVX01D-EN 25
Dimensional Data
GEH-Right Return/Back Supply
GEH 150-180 (60 Hz)
GEH 120-150 (50 Hz)

26 WSHP-SVX01D-EN
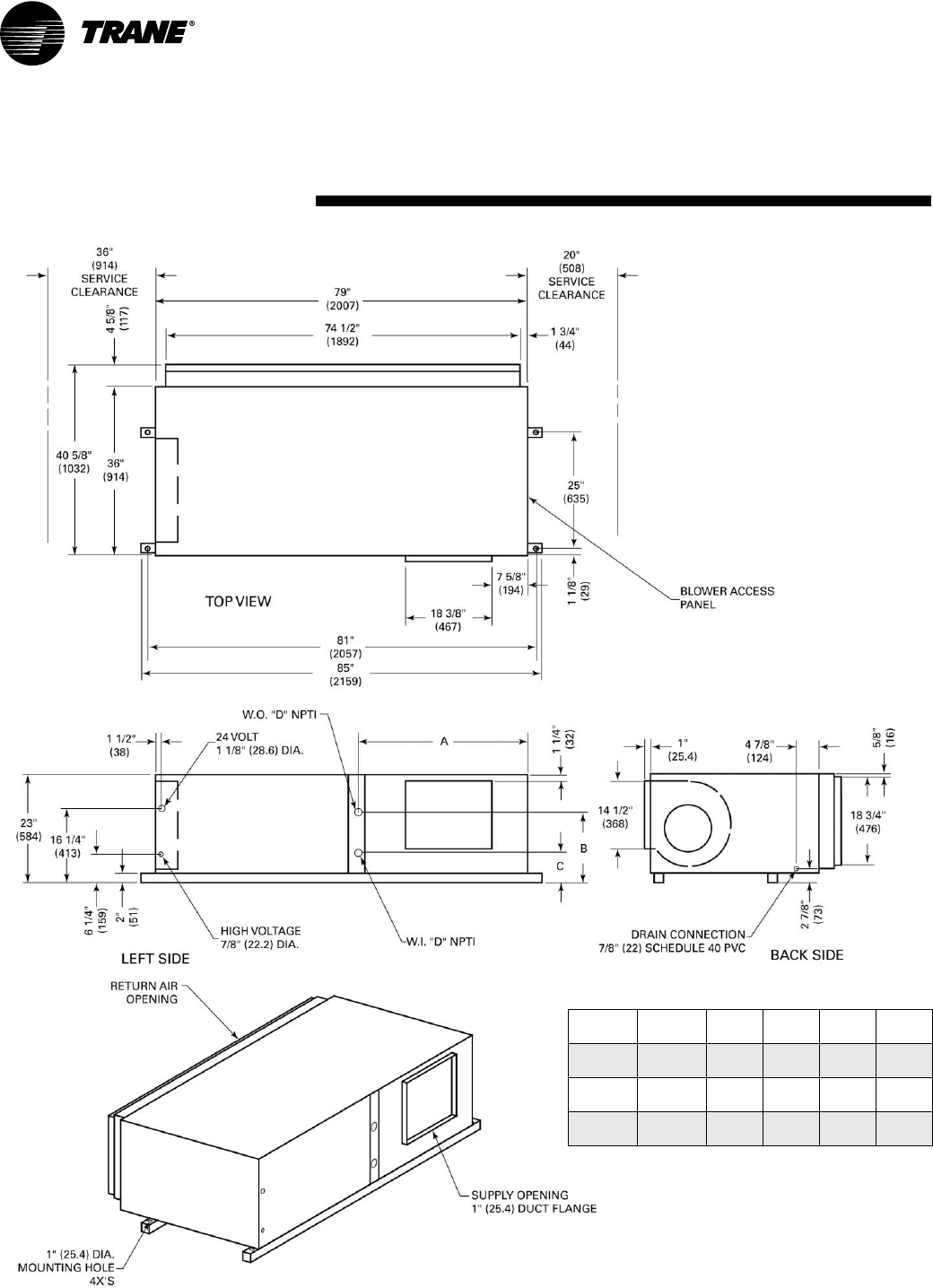
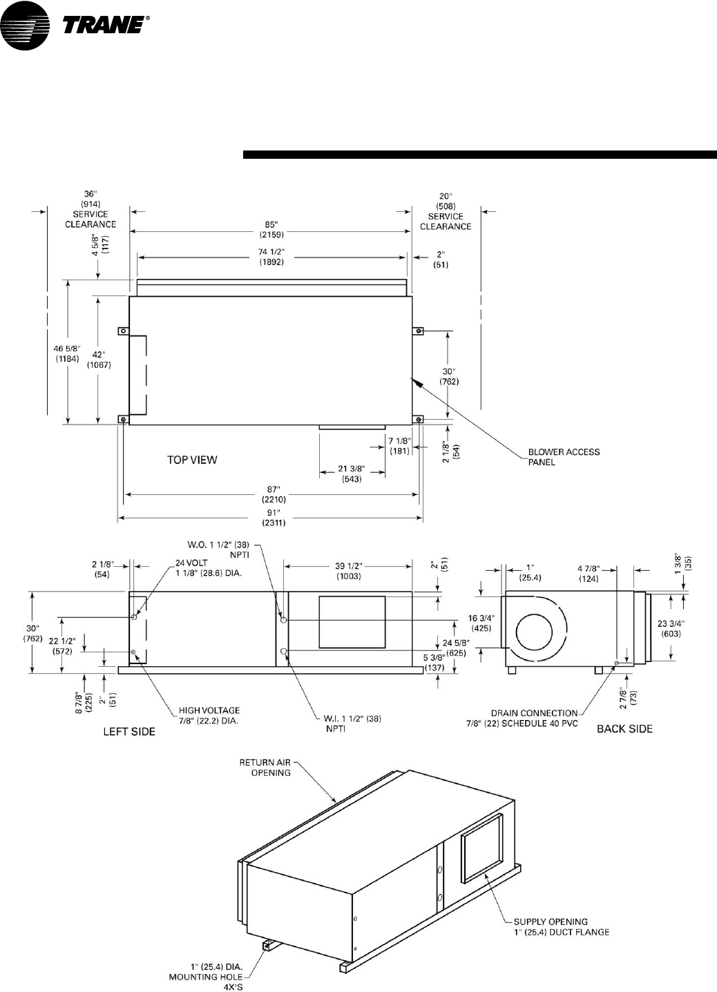
Dimensional Data
GEH-Left Return/Right Supply
GEH 150-180 (60 Hz)
GEH 120-150 (60 Hz)

WSHP-SVX01D-EN 27
Dimensional Data
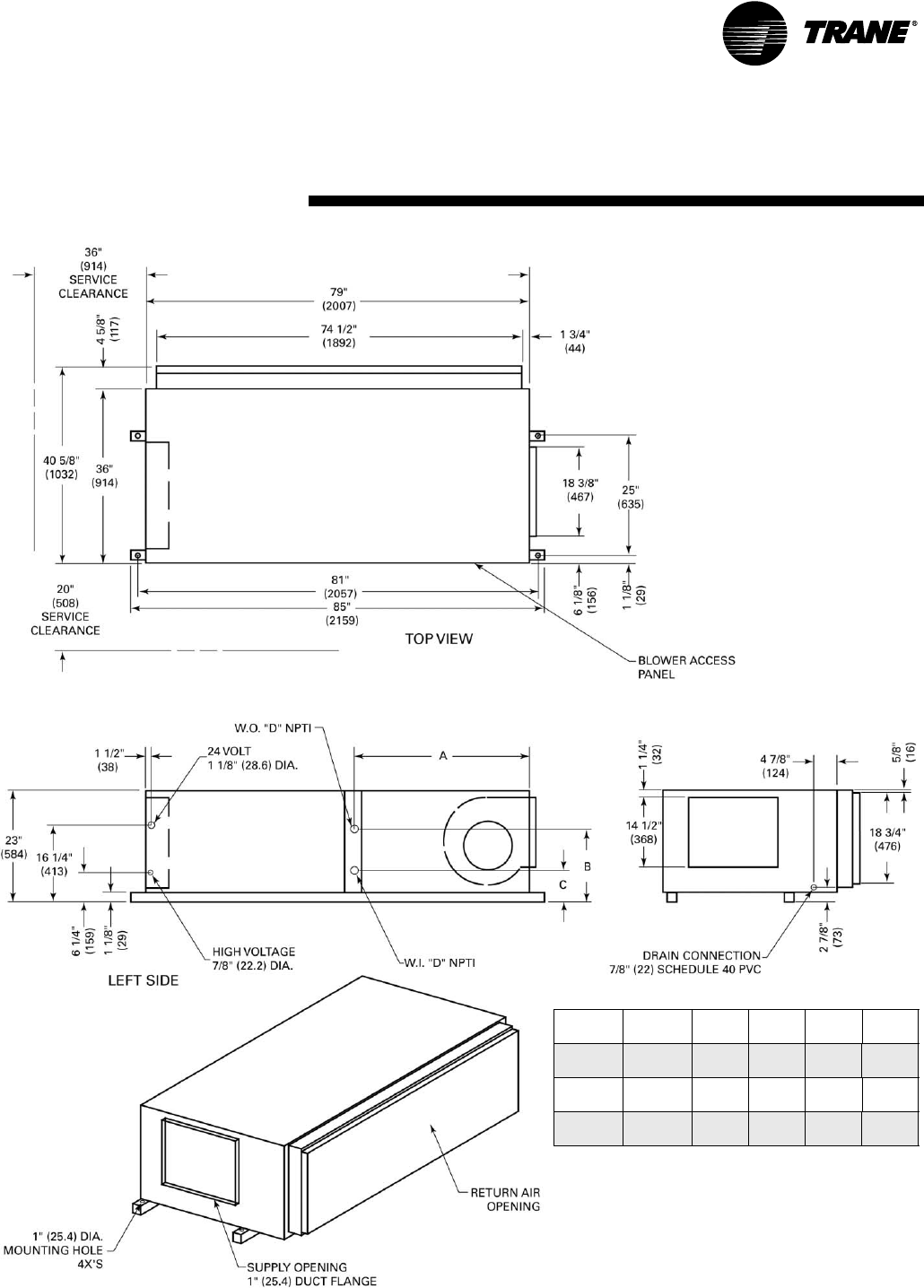
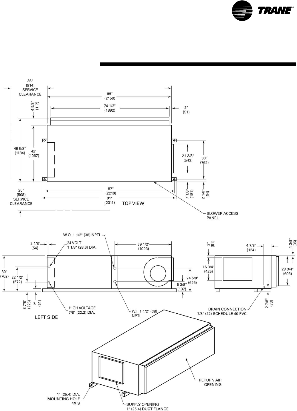
GEH-Left Return/Back Supply
GEH 150-180 (60 Hz)
GEH 120-150 (50 Hz)

28 WSHP-SVX01D-EN
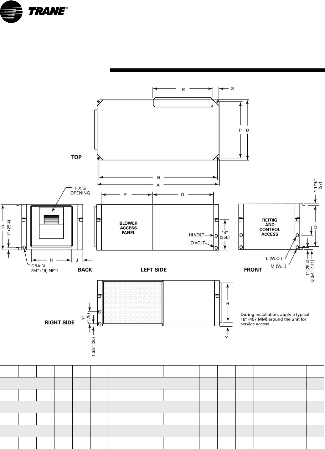
Dimensions/Weights
Front Return/Back Supply
Unit Size A B C
6 Ton 6 5/8"
(168)
18 3/8"
(467)
1 1/4"
7. 5 To n 6 5/8"
(168)
18 3/8"
(403)
1 1/4"
10 Ton 6 1/2"
(165)
18 1/2"
(470)
1 1/2"
6 - 10 Ton (60 HZ)
6 and 7 1/2 Ton (50 HZ)

WSHP-SVX01D-EN 29
Dimensions/Weights
Front Return/Top Supply
Unit Size A B C
6 Ton 6 5/8"
(168)
18 3/8"
(467)
1 1/4"
7. 5 To n 6 5/8"
(168)
18 3/8"
(403)
1 1/4"
10 Ton 6 1/2"
(165)
18 1/2"
(470)
1 1/2"
6 - 10 Ton (60 HZ)
6 and 7 1/2 Ton (50 HZ)

30 WSHP-SVX01D-EN
Dimensions/Weights
Back Return/Front Supply
Unit Size A B C
6 Ton 6 5/8"
(168)
18 3/8"
(467)
1 1/4"
7. 5 To n 6 5/8"
(168)
18 3/8"
(403)
1 1/4"
10 Ton 6 1/2"
(165)
18 1/2"
(470)
1 1/2"
6 - 10 Ton (60 HZ)
6 and 7 1/2 Ton (50 HZ)

WSHP-SVX01D-EN 31
Dimensions/Weights
Back Return/Top Supply
6 - 10 Ton (60 HZ)
Unit Size A B C
6 Ton 6 5/8"
(168)
18 3/8"
(467)
1 1/4"
7. 5 To n 6 5/8"
(168)
18 3/8"
(403)
1 1/4"
10 Ton 6 1/2"
(165)
18 1/2"
(470)
1 1/2"
6 and 7 1/2 Ton (50 HZ)

32 WSHP-SVX01D-EN
12 1/2 and 15 Ton (60 HZ)
and
10 and 12 1/2 Ton (50 HZ)
Dimensions/Weights
Front Return/Back Supply

WSHP-SVX01D-EN 33
12 1/2 and 15 Ton (60 HZ)
and
10 and 12 1/2 Ton (50 HZ)
Dimensions/Weights
Back Return/Front Supply

34 WSHP-SVX01D-EN
12 1/2 and 15 Ton (60 HZ)
and
10 and 12 1/2 Ton (50 HZ)
Dimensions/Weights
Front Return/Top Supply

WSHP-SVX01D-EN 35
12 1/2 and 15 Ton (60 HZ)
and
10 and 12 1/2 Ton (50 HZ)
Dimensions/Weights
Back Return/Top Supply

36 WSHP-SVX01D-EN
20 and 25 Ton (60 HZ)
and
15 and 20 Ton (50 HZ)
Dimensions/Weights
Front Return/Back Supply
Unit
60 HZ
Unit
50 HZ ABCDE
20 Ton 15 Ton 15 5/8"
(397)
13 1/2"
(341)
12"
(305)
51 5/8"
(1310)
20 7/8"
(530)
25 Ton
Std Static
20 Ton
Std Static
14 3/4"
(375)
15 7/8"
(403)
13 7/8"
(352)
49 1/8"
(1248)
23 1/2"
(597)
25 Ton
High Static
20 Ton
High Static
15 5/8"
(397)
13 1/2"
(343)
12"
(305)
51 5/8"
(1311)
23 1/2"
(597)

WSHP-SVX01D-EN 37
20 and 25 Ton (60 HZ)
and
15 and 20 Ton (50 HZ)
Dimensions/Weights
Back Return/Front Supply
Unit
60 HZ
Unit
50 HZ ABCDE
20 Ton 15 Ton 15 5/8"
(397)
13 1/2"
(341)
12"
(305)
51 5/8"
(1310)
20 7/8"
(530)
25 Ton
Std Static
20 Ton
Std Static
14 3/4"
(375)
15 7/8"
(403)
13 7/8"
(352)
49 1/8"
(1248)
23 1/2"
(597)
25 Ton
High Static
20 Ton
High Static
15 5/8"
(397)
13 1/2"
(343)
12"
(305)
51 5/8"
(1311)
23 1/2"
(597)

38 WSHP-SVX01D-EN
20 and 25 Ton (60 HZ)
and
15 and 20 Ton (50 HZ)
Dimensions/Weights
Front Return/Top Supply
Unit
60 HZ
Unit
50 HZ ABCD
20 Ton 15 Ton 15 5/8"
(397)
13 1/2"
(341)
12"
(305)
20 7/8"
(530)
25 Ton
Std Static
20 Ton
Std Static
14 3/4"
(375)
15 7/8"
(403)
13 7/8"
(352)
23 1/2"
(597)
25 Ton
High Static
20 Ton
High Static
15 5/8"
(397)
13 1/2"
(343)
12"
(305)
23 1/2"
(597)

WSHP-SVX01D-EN 39
20 and 25 Ton (60 HZ)
and
15 and 20 Ton (50 HZ)
Dimensions/Weights
Back Return/Top Supply
Unit
60 HZ
Unit
50 HZ ABCD
20 Ton 15 Ton 15 5/8"
(397)
13 1/2"
(341)
12"
(305)
20 7/8"
(530)
25 Ton
Std Static
20 Ton
Std Static
14 3/4"
(375)
15 7/8"
(403)
13 7/8"
(352)
23 1/2"
(597)
25 Ton
High Static
20 Ton
High Static
15 5/8"
(397)
13 1/2"
(343)
12"
(305)
23 1/2"
(597)

40 WSHP-SVX01D-EN
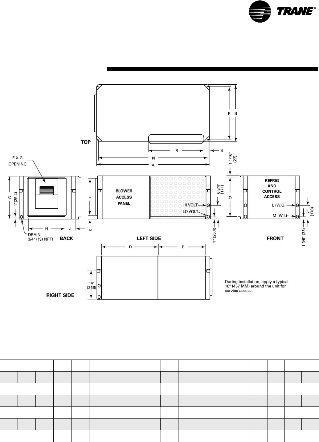
Model GEH
Dimensions/Weights
Waterside Economizer
Unit
60 HZ
Unit
50 HZ
A
NPTI
B
NPTI CDEFGHJKLMN Filter Size
(nominal)
006-015 006-012 1/2"
(12.7)
1/2"
(12.7)
16 1/8"
(410)
13 5/8"
(346)
1 1/2"
(38)
10 3/4"
(273)
23"
(584)
2 1/4"
(57)
7 1/2"
(191)
1/2"
(12.7)
1"
(25.4)
4"
(102)
18 1/2"
(470)
14 3/4" x 23 3/4"
375 mm x 518 mm
018-030 015-024 3/4"
(19)
3/4"
(19)
18 1/2"
(470)
15 5/8"
(397)
1 1/2"
(38)
13 3/4"
(349)
26"
(660)
3 1/4"
(83)
6 7/8"
(175)
1/2"
(12.7)
1"
(25.4)
4"
(102)
18 1/2"
(470)
16 3/4" x 23 3/4"
426 mm x 603 mm
036-042 030-036 3/4"
(19)
3/4"
(19)
21"
(533)
17 5/8"
(448)
2 1/4"
(57)
16 1/2"
(419)
30"
(762)
3 3/4"
(95)
6 1/4"
(159)
1 1/4"
(32)
2"
(50.8)
4 1/2"
(114)
23 1/2"
(597)
18 3/4" x 25 1/2"
476 mm x 648 mm
048, 060 042-060 1"
(25.4)
1"
(25.4)
23 1/8"
(587)
19 5/8"
(498)
2 1/2"
(64)
19 1/2"
(495)
34"
(864)
5 1/4"
(133)
5 7/8"
(149)
1 1/4"
(32)
2"
(50.8)
4 1/2"
(114)
23 1/2"
(597)
20 3/4" x 29 7/8"
528 mm x 759 mm

WSHP-SVX01D-EN 41
Dimensions/Weights
Waterside Economizer
Hanging Unit
Unit
60 HZ
Unit
50 HZ A B C D E Hanging
Weight
Shipping
Weight
006-015 006-012 38 3/4"
(984)
18 3/4"
(476)
21 3/4"
(552)
17"
(432) 0" 54 lbs
(24.5 kg)
84 lbs
(38.2 kg)
018-030 015-024 44 3/4"
(1137)
21 3/4"
(552)
24 3/4"
(629)
21"
(533)
1"
(25.4)
65 lbs
(29.5 kg)
95 lbs
(43.2 kg)
036-042 030-036 48 3/4"
(1238)
23 3/4"
(603)
28 3/4"
(730)
21"
(533)
2"
(50.8)
76 lbs
(35 kg)
106 lbs
(48 kg)
048-060 042-060 56 3/4"
(1442)
31 3/4"
(806)
32 3/4"
(832)
25"
(635)
1"
(25.4)
97 lbs
(44 kg)
127 lbs
(58 kg)

42 WSHP-SVX01D-EN
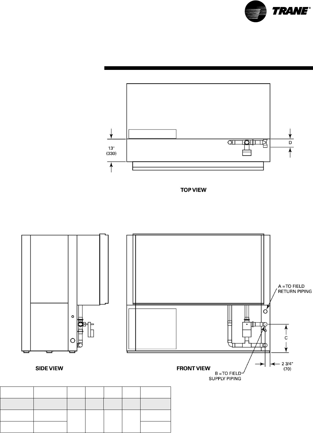
Dimensional Data
Waterside Economizer
GEH 072-120, Right Return (60 Hz)
GEH
60 Hz
GEH
50 Hz ABCDE
072-090 072 1 1/4"
(32)
1 3/8"
(35)
31"
(787)
9 7/8"
(251)
3 7/8"
(98)
120 090 1 1/2"
(38)
1 5/8"
(41)
30 3/4"
(781)
12 1/2"
(318)
4 1/2"
(114)
GEH 072-090, Right Return (50 Hz)

WSHP-SVX01D-EN 43
Dimensional Data
Waterside Economizer
GEH 072-120, Left Return (60 Hz)
GEH
60 Hz
GEH
50 Hz ABCDE
072-090 072 1 1/4"
(32)
1 3/8"
(35)
31"
(787)
9 7/8"
(251)
3 7/8"
(98)
120 090 1 1/2"
(38)
1 5/8"
(41)
30 3/4"
(781)
12 1/2"
(318)
4 1/2"
(114)
GEH 072-090, Left Return (50 Hz)

44 WSHP-SVX01D-EN
Dimensional Data
Waterside Economizer
GEH 150-180, Right Return (60 Hz)
GEH 120-150, Right Return (50 Hz)

WSHP-SVX01D-EN 45
Dimensional Data
Waterside Economizer
GEH 150-180, Left Return (60 Hz)
GEH 120-150, Left Return (50 Hz)

46 WSHP-SVX01D-EN
Dimensions/Weights
Waterside Economizer
6 - 10 Ton (60 HZ)
6 and 7 1/2 Ton (50 HZ)
Unit Size A B C
6 & 7 1/2 Ton 1 3/8"
(35)
1 3/8"
(35)
4"
(102)
10 Ton 1 5/8"
(41)
1 5/8"
(41)
4 3/8"
( 111 )

WSHP-SVX01D-EN 47
Dimensions/Weights
Waterside Economizer
Unit
60 HZ
Unit
50 HZ
A
NPTI
B
I.D. CD
OPERATING
WEIGHT
12 1/2, 15 Ton 10, 12 1/2 Ton 1 1/2""
(38)
1 5/8"
(41)
15 7/8"
(403)
4 3/8"
( 111 )
275 lb
(125 kg)
20 Ton 15 Ton 2"
(51)
2 1/8"
(54)
16 1/4"
(413)
4 7/8"
(124)
310 lb
(141 kg)
25 Ton 20 Ton 395 lb
(179)
GEV 12 1/2 through 25 Ton

48 WSHP-SVX01D-EN
General Installation Checks
The checklist below is a summary of
the steps required to successfully in-
stall a commercial unit. This checklist
is intended to acquaint the installing
personnel with what is required in the
installation process. It does not re-
place the detailed instructions called
out in the applicable sections of this
manual.
1 Remove packaging and inspect the
unit. Check the unit for shipping
damage and material shortage; file
a freight claim and notify appropri-
ate sales representation.
Note: The 1/2 through 5 ton units
have been tied to the skid by (2)
shipping bolts. The removal of
these bolts will require a 3/8" (9.7
mm) ratchet with a 1/2" (12.7 mm)
socket.
The GEV 6 through 25 ton units
have been anchored to the skid
with (4) angle brackets. Remove
these brackets before lifting unit
into place.
The GEH 6 through 15 ton units are
anchored to the cross brace of the
skid with (4) wood screws. Re-
move these screws prior to lifting
the unit into place.
2 Verify the correct model, options
and voltage from the unit name-
plate.
3 Pull out all field attached parts (i.e.
filter rack, duct collar, filter and
mounting screws) from the unit
packaging for field mounting.
4 Verify the installation location of
the unit will provide the required
clearance for proper operation.
5 Remove refrigeration access panel
and inspect the unit. Be certain the
refrigerant tubing has clearance
from adjacent parts.
6 Fabricate and install duct work.
7 Install and connect a condensate
drain line and trap to the drain
connection.
WARNING
Hazardous
Voltage!
Disconnect all electric power,
including remote disconnects
before servicing. Follow proper
lockout/tagout procedures to
ensure the power can not be
inadvertently energized. Failure to
disconnect power before
servicing could result in death or
serious injury.
Main Electrical
8 Verify the power supply complies
with the unit nameplate specifica-
tions.
9 Inspect all control panel compo-
nents; tighten any loose connec-
tions.
10 Connect properly sized and pro-
tected power supply wiring to a
field-supplied/installed discon-
nect switch and to the main pow-
er terminal block 1K1 for 1/2
through 5 ton equipment or
1TB1 for 6 through 25 ton equip-
ment in the unit control panel.
11 Install proper grounding wires to
an earth ground.
Note: All field-installed wiring must
comply with NEC and applicable local
codes.
Electric Heat Requirements
12 Verify that the power supply com-
plies with the electric heater
specifications on the unit and
heater nameplate.
13 Inspect the heater junction box
and control panel; tighten any
loose connections.
14 Check electric heat circuits for
continuity.
Low Voltage Wiring (AC & DC)
Requirements
15 Install the zone thermostat, with
or without switching subbase.
16 Connect properly sized control
wiring to the proper termination
points between the zone thermo-
stat and the unit control panel.
Filter Installation
17 Each unit ships with 1" (25.4) or 2"
(50.8 mm) filters. The quantity of
filters is determined by unit size.
The horizontal1/2 through 5 ton
units requires a field installation
of the 1"/2" filter rack. All sheet-
metal bracket, filter and hardware
are in a box located on the side of
the unit within the unit packaging.
All 1/2 through 25 ton verticals
and 6 through 15 ton horizontal
units ship with the filter rack and
filters factory installed.
Note: Do not operate the unit without
filters.
Installation

WSHP-SVX01D-EN 49
Supply-Air Ductwork
Install the 1" (25.4 mm) supply-air duct
flange to the vertical and horizontal
equipment with the (8) 5/16" (7.94 mm)
factory supplied Torx head screws.
The duct collar assembly for each unit
is located:
• Model GEH 1/2 to 5 ton = in a box
on the side of the unit
• Model GEV 1/2 to 10ton = inside of
the refrigeration section of the unit
• Model GEH 6 to 15 ton = of the re-
frigeration section of the unit
• Model GEV 12 1/2 to 25 ton = facto-
ry ship with a duct collar installed
for units containing a top supply-
air location. For units with a back
or front supply-air location, the
duct collar assembly must be or-
dered separately from the factory,
or be field provided.
When attaching the field ductwork to
the unit, provide a watertight flexible
connector at the unit to prevent oper-
ating sounds from transmitting
through the ductwork. See Figure 4.
Elbows with turning vanes or splitters
are recommended to minimize air
noise due to turbulence and to reduce
static pressure.
Return-Air Ductwork
Install the 1"/2" (25.4/50.8 mm) adjust-
able filter rack to the horizontal equip-
ment only with the use of (4) 5/16"
(7.94 mm) factory supplied Torx head
screws. The vertical equipment factory
ships with the filter rack and filter(s) in-
stalled.
When attaching the field ductwork to
the unit, provide a water tight flexible
connector at the unit to prevent oper-
ating sounds from transmitting
through the ductwork. See Figure 5.
Elbows with turning vanes or splitters
are recommended to minimize air
noise due to turbulence and to reduce
static pressure.
Installation
Figure 4: Flexible supply-air connector (field provided)
Figure 5: Flexible return-air connector (field provided)

50 WSHP-SVX01D-EN
Dual Filtration (GEH 1/2 to 5 ton)
The horizontal, GEH model, allows the
installer flexibility in design applica-
tions such as a dual filtration option.
With the dual filtration design, the unit
will contain a lower static which trans-
lates into a decrease in filter mainte-
nance. For installation of a dual
filtration accessory for the GEH mod-
el, verify that an extra set of return-air
filter racks and filter have been or-
dered from the factory. This accessory
will be shipped separate from the unit,
and should be located in a separate
box than the unit.
(1) Remove the return-air side panel
from the GEH unit. This panel is held
in place by six Torx head screws.
(2) Install the top/bottom filter rack at
the new opening. The 1"/2" (25.4/50.8
mm) adjustable filter rack is held in
place with four Torx head screws that
once held the panel.
(3) Install the 1"/2" (25.4/50.8 mm)
filter.
Return-Air Duct Panel
The return-air arrangement may be
easily converted from a free return-air
system, to a ducted return-air system
with the addition of a return-air side
panel on the GEH unit. By replacing
the filter racks with the return-air pan-
el, a complete seal from the ductwork
to the unit is possible. The 1 1/2" (38
mm) duct flange facilitates ease of
field hook-up to the mechanical
system.
(1) Install the return-air duct panel to
the return-air opening with the six
Torx head screws provided for the fil-
ter rack assembly.
Table 3: Opening size and part number
Unit Size
60 HZ
Unit Size
50 HZ A B Duct Collar
Part Number
006-015 006-012 17 1/2" (445) 13" (330) 4474 1133 0100
018-030 015-024 20 1/2" (521) 15" (381) 4474 1134 0100
036-042 030-036 22 1/2" (572) 17" (432) 4474 1135 0100
048-060 042-060 26 1/2" (673) 19" (483) 4474 1136 0100
Installation
1
2
3
Note:
The dual-filtration design is
typically used in a free-return
application.
1
Note:
The ducted panel design is
typically used in combination
with a field installed ceiling
filter rack design.

WSHP-SVX01D-EN 51
Sound Attenuation Pad
For sound sensitive installations, a vi-
bration pad (field provided) should be
placed beneath the horizontal or verti-
cal equipment. For the horizontal unit,
the pad should be approximately
twice the size of the unit foot print. For
the vertical unit, the pad should be 1/2"
(12.7 mm) thick, and equal to the over-
all unit foot print.
Hanging the Horizontal Unit
To hang the horizontal configuration:
(1) Install the hanging isolators (locat-
ed in the return-air section of the unit)
into the four hanging brackets.
(2) Secure the equipment to a joist,
concrete, etc. with the use of 3/8"
(9.7 mm) field provided (all-thread)
rod. Each corner should contain field
provided nuts and washers to com-
plete the hanging installation.
(3) Unit slope or pitch should conform
to national and local codes. This is the
responsibility of the contractor.
Condensate Drain Connection
Install proper trapping to the equip-
ment. The unit drain connection is 3/4"
(19 mm) for all GEH and GEV models.
When designing the condensate trap
for the water-source system, it’s im-
portant to consider the unit’s draw-
thru design requiring negative pres-
sure trapping.
In a properly trapped system,
when condensate forms during
normal operation, the water level
in the trap rises until there is a
constant flow. It is imperative to
maintain water in the trap and
not allow the trap to dry out dur-
ing heating season. Keeping
trap primed at all times will
enable the water to flow
properly. See Figure 6 for
appropriate dimensions
required in a negative pressure
system.
Installation
WARNING
Improper Unit Lift!
Test lift unit approximately 24
inches to verify proper center of
gravity lift point. To avoid drop-
ping of unit, reposition lifting
point if unit is not level. Failure to
properly lift unit could result in
death or serious injury or
possible equipment or prop-
erty-only damage.
Figure 6: Negative pressure system

52 WSHP-SVX01D-EN
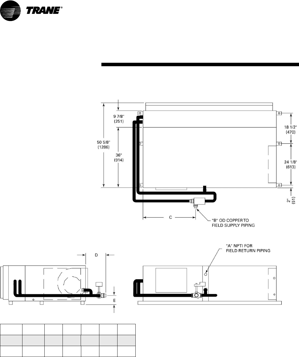
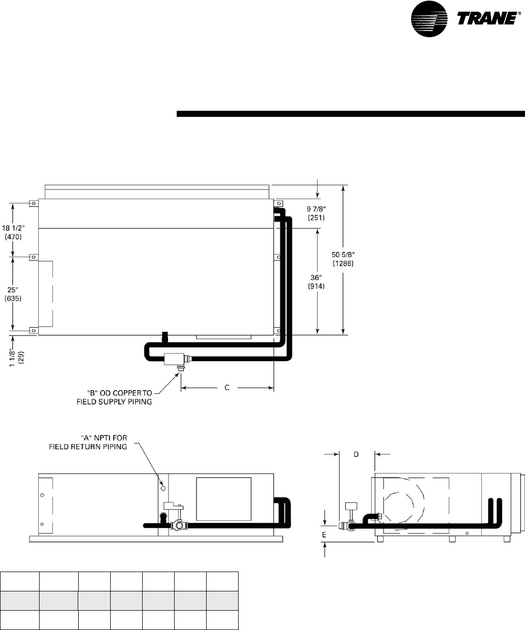
Supply/Return Pipe Connections
Connect the supply and return hoses to
the water-inlet (from supply) and
water-outlet (to return)
of the unit. For
vibration isola-
tion, it is rec-
ommended
that flexible
steel braided
hoses be in-
stalled instead
of hard piping
the equipment
to the main
loop system.
Figure 7 shows
connection of a
Hays Measurf-
lo balancing
hose kit to the
water-in and
water-out of a
vertical unit.
Types of Hose Connections
Whether installing the units in a central
pump (main/auxiliary pump for the en-
tire zone) design, or as a distributed
pump (1-pump per unit) design, a shut-
off device and flexible hose is recom-
mended to transition from the hard pip-
ing of the closed or open loop water
system to the unit. There are multiple
hose combinations which may be used
to fit the design or specification criteria
for the installation.
(1) A steel braided hose without a shut-
off device is the least expensive means
of connecting the heat pump to the sup-
ply/return water loop.
(2) With the addition of a shut-off device
on the supply and return of the system,
the unit may be isolated during service
or maintenance situation. This system
may be installed as a wide open (full wa-
ter flow to the equipment) design, or
manually balanced by utilizing the pres-
sure/temperature ports on the top of the
ball valve/shut-off device.
Installation
Option 1: Flexible hoses
Option 2: Flexible hoses with ball valves
Note:
The Figure 7 example
incorporates the Hays
Measurflo balancing hose kit and a 2-posi-
tion isolation valve into the system design.
An isolation valve is often used in variable
speed pumping applications. The isolation
valve is designed to stop water flow to the
unit during non operation times. This al-
lows the loop water pumps to run only
when a requirement for pumping is needed
for greater energy efficiency of the overall
system design.
Figure 7: Supply/Return pipe connections

WSHP-SVX01D-EN 53
Types of Hose Connections
(3) A circuit setter provides a means of
manually balancing the water flow to
the heat pump. This manual in-line
balancing method is accurate up to
±20%. In order to determine flow rate,
the user must record both handle posi-
tion, and differential pressure drop.
Then, the user must consult a chart
containing both pieces of information
and make the necessary adjustments
to the circuit setter.
(4) For self balancing flow control, a
Hays Measurflo® balancing hose kit
provides a constant flow rate over the
pressure differential range of 2 to 80
psid. As system pressures change
(through the addition of heat pumps,
for example) each individual flow con-
trol valve will automatically adjust to
the new system conditions.
Additional accessories, such as a
strainer are recommended for use to
eliminate contaminants from entering
the co-axial water-to-refrigerant heat
exchanger.
Cleaning and Flushing
the Water Loop
After the piping system is complete,
the flexible hose connectors should be
doubled back to complete the water
circuit external to the unit (avoiding
trash settle-out in the condenser). An
extra pipe may be necessary to con-
nect the hose kits.
(1) Water circulation system should be
filled with clean water using the water
make up connections. Note: Air vents
should be open during filling.
(2) With the air vents closed, start the
circulating pump and then crack the air
vents to bleed off the trapped air, as-
suring circulation through all compo-
nents of the system.
Installation
Option 3: Flexible hoses with ball valves and circuit setter
Option 4: Flexible hoses with automatic balancing flow control
Note: Make up water must be available
to the system to replace the volume
formerly occupied by the air that is
bled off.
(3) With the air vented and the water
circulating, the entire system should
be checked for leaks with repairs made
as required.
(4) Operate the supplementary heat
system (boiler) making checks per
manufacturer’s instructions. During
this operation, visual checks should be
made for leaks that may have occurred
due to increased heat. Repair as re-
quired.
(5) Open the system at the lowest point
for the initial blow down (making sure
the make up water is equal to the water
being dumped). Continue blow down
until the water leaving the drain runs
clear, but not less than 2 hours.
(6) Shut down pumps and supplemen-
tary heat system. Reconnect the hoses
placing the water-to-refrigerant heat
exchanger in the water circulating sys-
tem.
Note: Vents should be open when the
pumps and supplementary heat sys-
tem are shut down.

54 WSHP-SVX01D-EN
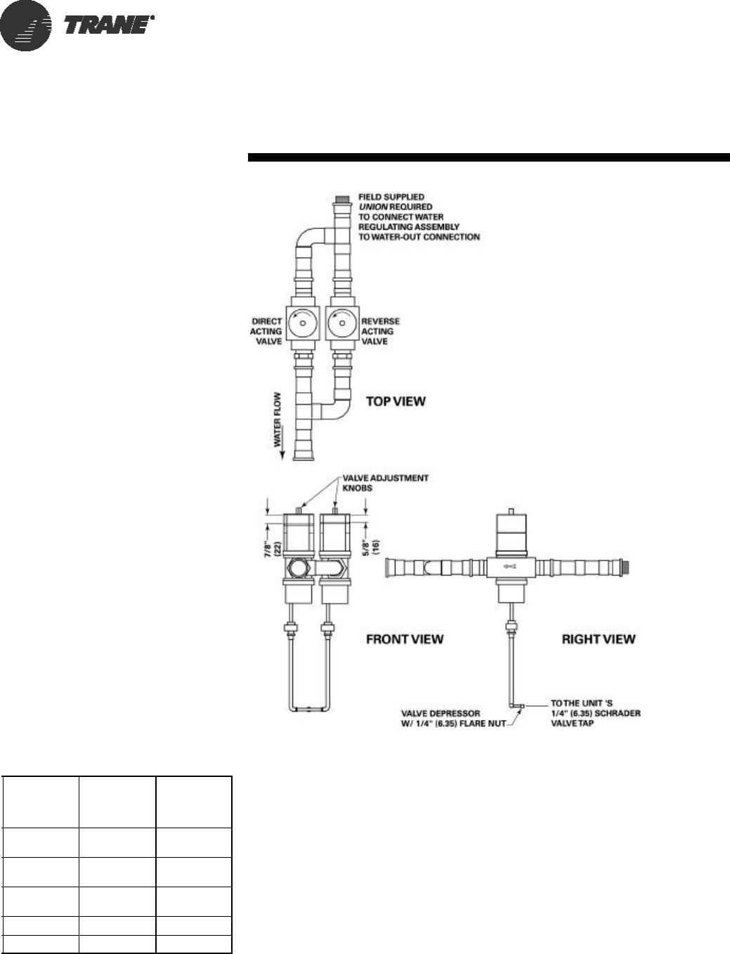
Connecting a
Water Regulating Valve
The water regulating valve assembly
is shipped as a separate item. Connec-
tions from the valve assembly to the
unit must be made by the installing
contractor.
IMPORTANT: These valves are not
positive shut-off devices. Use a slow-
closing solenoid valve in the heat
pump’s leaving water line to assure
positive shut-off in variable-pump-
ing applications.
Installation for
Single Compressor Units
(1) Connect the MPT connection on
the valve assembly to the unit water
out FPT connection. Note: A field sup-
plied union or elbow may be required
to connect the water regulating valve
assembly to the unit. All field supplied
fittings should be brass or copper.
(2) Connect the valve depressor with a
1/4" (6.35 mm) flare nut to the 1/4"
(6.35 mm) schrader tap on the unit.
Note: The pressure-sensing lines from
both regulators have been "tee’d" to-
gether.
(3) Adjust the regulator head pressure
to meet specified conditions. See
Table 4.
Table 4: Typical water regulating valve
operating pressures
Water Temp
Entering WSHP
Unit
Discharge
Pressure
Cooling Cycle
80F Return Air
Suction
Pressure
Heating Cycle
70F Return-Air
45 F 160 psig
(minimum) 46-54 psig
50 F 160 psig
(minimum) 52-60 psig
55 F 160 psig
(minimum) 56-66 psig
60 F 166-190 psig 60-72 psig
65 F 178-204 psig 62-74 psig
Note: If the unit has not been ordered
with a water regulating tap, and the
tap is field installed, it is important the
tap be made on the copper tube be-
tween the reversing valve and the wa-
ter-to-refrigerant heat exchanger. This
is the only part of the heat pump re-
frigerant circuit that serves as both a
discharge line during the cooling cy-
cle, and a suction line during the heat-
ing cycle. To avoid shavings, particles
and dirt from entering the system, it is
recommended that the 1/4" (6.35 mm)
hole be burned in the copper vs.
drilled in the copper.
Installation for
Multiple Compressor Units
A water regulating schrader option is
not available factory shipped on the
12 1/2 through 25 ton units. All prepa-
rations for the acceptance of a water
regulating valve assembly must be
made in the field.
Installation
Note:
Water regulating valves are most com-
monly applied with vapor-cycle refrigera-
tion systems that use capillary tube
metering devices to maintain suitable
head or suction pressure levels for proper
compressor loading. They are seldom ap-
plied when thermal expansion valves
(TXV’s) are used.

WSHP-SVX01D-EN 55
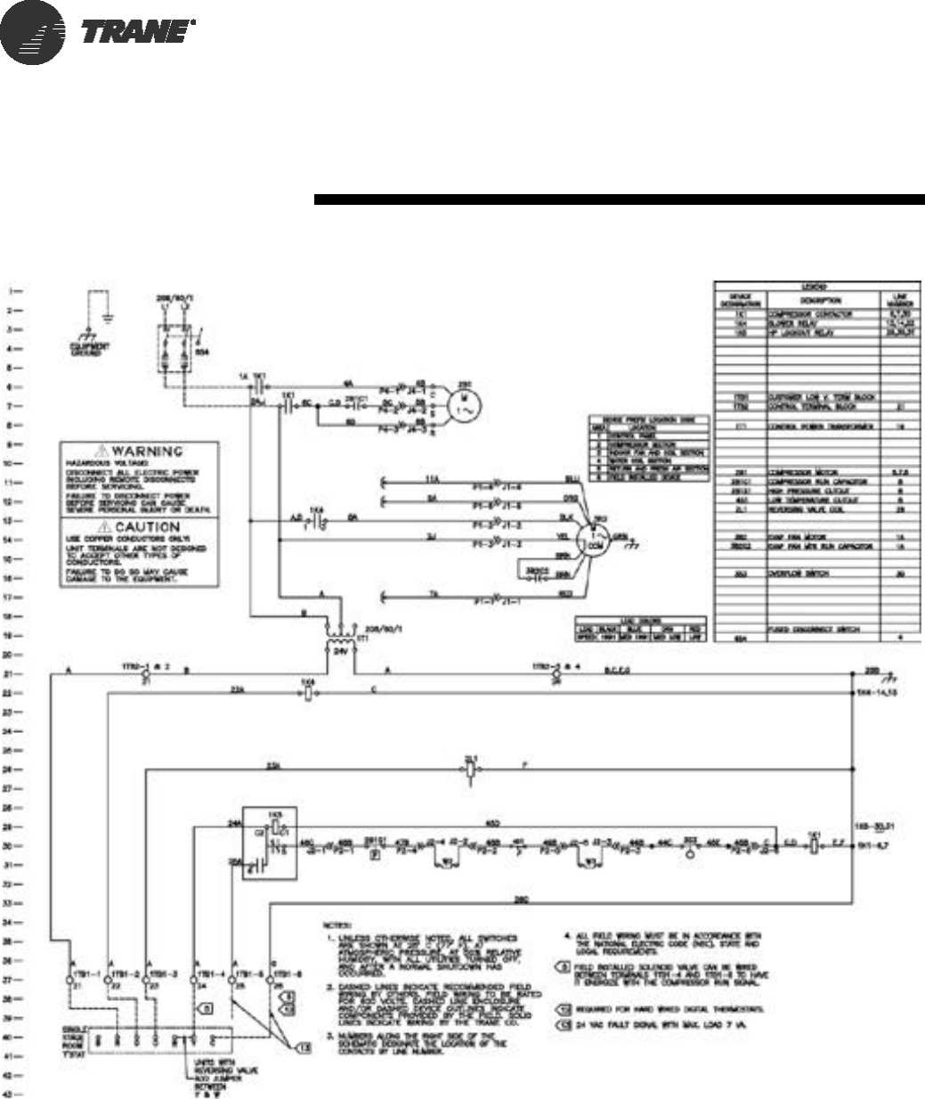
Field Installed Power Wiring
Power wiring to the equipment must
conform to National and Local Electric
Codes (NEC) by a professional
electrician.
WARNING
Live Electrical
Components!
During installation, testing, ser-
vicing and troubleshooting of this
product, it may be necessary to
work with live electrical compo-
nents. Have a qualified licensed
electrician or other individual
who has been properly trained in
handling live electrical compo-
nents perform these tasks. Failure
to follow all electrical safety pre-
cautions when exposed to live
electrical components could re-
sult in death or serious injury.
Verify that the power supply available
is compatible with the unit’s name-
plate. Use only copper conductors to
connect the power supply to the unit.
CAUTION
Use Copper
Conductors Only!
Unit terminals are not designed
to accept other types of conduc-
tors. Failure to use copper con-
ductors may result in equipment
damage.
Main Unit Power Wiring
A field supplied disconnect switch
must be installed at or near the unit
in accordance with the National Elec-
tric Code (NEC latest edition).
Location of the applicable electric
service entrance for HIGH (line volt-
age) may be found on the unit sub-
mittal at the front of this manual
(pages 10 through 47).
The high voltage connection is made
at the 1K1 contactor or 1TB1 power
block inside the unit control box. See
Figure 8. Refer to the customer con-
nection diagram that is shipped with
the unit for specific termination points.
Provide proper grounding for the unit
in accordance with the local and na-
tional codes.
Control Power Transformer
The 24-volt control power transform-
ers are to be used only with the acces-
sories called out in this manual.
Transformers rated greater than 50 VA
are equipped with internal circuit
breakers. If a circuit breaker trips, turn
OFF all power to the unit before at-
tempting to reset it.
WARNING
Hazardous Voltage!
Disconnect all electric power, in-
cluding remote disconnects be-
fore servicing. Follow proper
lockout/tagout procedures to en-
sure the power can not be inad-
vertently energized. Failure to
disconnect power before servic-
ing could result in death or seri-
ous injury.
The transformer is located in the
control panel.
Installation
Power Wiring
Figure 8: Example of power wiring

56 WSHP-SVX01D-EN
Thermostat Location
Location of the thermostat or zone
sensor is an important element of ef-
fective room control.
Areas where the thermostat or zone
sensor should not be located include:
Behind doors or corners; Near hot or
cold air ducts; Near radiant heat (heat
emitted from appliances or the sun);
Near concealed pipes or chimneys; On
outside walls or other non conditioned
surfaces; In air-flows from adjacent
zones or other units. See Figure 9 for
thermostat/sensor location.
Controls Using 24 VAC
Before installing any wire, refer to the
electrical access locations on the unit
submittals located on page 10.
Ensure that the AC control wiring be-
tween the controls and the unit’s ter-
mination point does not exceed three
(3) ohms/conductor for the length of
the run.
Note: Resistance in excess of 3-ohms
per conductor may cause component
failure due to insufficient AC voltage
supply.
Check all loads and conductors for
grounds, shorts, and mis-wiring.
Use copper conductors unless other-
wise specified.
Do not run the AC low voltage wiring
in the same conduit with the high volt-
age power wiring.
Low voltage connection diagrams for
basic and deluxe 24 volt control pack-
ages mounted on 1/2 through 5 ton
equipment sizes are shown in Figure
10.
Table 5: 24V AC conductors
Distance
from unit to Control
Recommended
Wire Size
000-460 feet 18 gauge
461-732 feet 16 gauge
733-1000 feet 14 gauge
Installation
Low Voltage Wiring
Figure 9: Thermostat/sensor location
Figure 10: Low voltage connection (1/2
through 5 ton equipment)

WSHP-SVX01D-EN 57
Controls Using 24 VAC
There are two factory thermostat op-
tions for the dual circuited (6 through
25 ton) equipment. Low voltage con-
nection diagrams for deluxe 24 volt
control packages for these thermo-
stats mounted on 6 through 25 ton
equipment sizes are shown in Figure
11.
For controls using DC analog input/
outputs, see appropriate installation,
operation and diagnostic manuals for
connection. WSHP-IOP-2 (ZN510) and
WSHP-PRB002-EN (ZN524).
Deluxe Board Diagnostics
Three light emitting diodes (LEDs) are
provided for indicating the operating
mode of the Deluxe Controller. The
LEDs are intended to aid in trouble-
shooting and for unit maintenance.
The LEDs are labeled on the circuit
board with numbers as referenced in
Table 6.
Table 6: Deluxe controller diagnostic LEDs
Color: Green Color: Red Controller
Mode
LED1 LED2 LED3
OFF OFF OFF Control OFF
ON OFF OFF Normal/Compressor OFF
ON OFF FLASH Anti-short cycle
ON OFF ON Normal/Compressor ON
FLASH ON OFF Brownout Condition
ON FLASH ON Soft Lockout (low pressure)
ON FLASH FLASH Soft Lockout (high pressure)
ON ON ON Manual Lockout (low pressure)
ON ON FLASH Manual Lockout (high pressure)
ON FLASH OFF Manual Lockout (condensate over-
flow)
ON ON OFF Compressor Disable
Installation
Low Voltage Wiring
Figure 11: Low voltage connection (6 to 25 ton)

58 WSHP-SVX01D-EN
Blower Motor Speed-Tap Retrofit (for 1/2 Through 5 Ton Units ONLY)
Motors installed in the unit include 4-speed and 3-speed configurations. All voltages include a 4-speed configuration, with
the exception of 380V, 415V, 460V which contain a 3-speed arrangement and 575V which contains a 2-speed arrangement.
To modify the rpm of the motor, the following steps may be followed.
WARNING
Hazardous Voltage!
Disconnect all electric power, in-
cluding remote disconnects before
servicing. Follow proper lockout/
tagout procedures to ensure the
power can not be inadvertently
energized. Failure to disconnect
power before servicing could result
in death or serious injury.
Step 1 Step 2
Remove service access panel at the unit
front.
Step 3
Find the blower motor relay. The relay is
highlighted above. The relay location is
consistent in all control configurations.
Step 4:
For units w/o Hot Gas Reheat
Remove undesired speed-tap wire from 1K4
relay at spade 3. Wire tie the lead, to
eliminate a short.
Step 5:
For units w/o Hot Gas Reheat
Select desired speed-tap wire.
Connect desired speed tap wire to 1K4 relay
at spade 3.
Step 6:
Install service front panel.
Reconnect power to the unit.
For units with Hot Gas Reheat
Remove undesired speed-tap wire from 1K8
relay at spade 6. Wire tie the lead, to
eliminate a short.
For units with Hot Gas Reheat
Select desired speed-tap wire.
Connect desired speed tap wire to 1K8 relay
at spade 6.
Installation
Air Flow Adjustment
4-Speed Motor (115, 208, 230, 265)
Lead Colors
Lead
Speed
Black Blue Orange Red
High Medium
High Medium
Low Low
Note: When using the medium or low speed tap, the
purple wire must be jumpered to the high speed tap (blk).
3-Speed Motor (380, 415, 460)
Lead Colors
Lead Speed Black Blue Orange
High Medium Low
2-Speed Motor (575)
Lead Colors
Lead
Speed
Black Blue
High Low

WSHP-SVX01D-EN 59
Air Flow Adjustment
(6 through 25 ton units ONLY)
To increase CFM, loosen the turns
open set screw on the sheave, and
turn the sheave clockwise.
To decrease CFM, Loosen the turns
open set screw on the sheave, and
turn the sheave counterclockwise.
To increase belt tension, loosen the
adjustment bolt and pull motor
mounting plate back until the belt is
tight. Tighten the adjustment bolt after
the belt has reached the desired ten-
sion.
See Figure 12 for fan motor and
sheave adjustment.
WARNING
Rotating Components!
Disconnect all electric power, in-
cluding remote disconnects be-
fore servicing. Follow proper
lockout/tagout procedures to en-
sure the power can not be inad-
vertently energized. Failure to
disconnect power before servic-
ing could result in death or seri-
ous injury.
Installation
Air Flow Adjustment
Figure 12: Fan motor and sheave
adjustment

60 WSHP-SVX01D-EN
WARNING
Hazardous
Voltage!
Disconnect all electric power,
including remote disconnects
before servicing. Follow proper
lockout/tagout procedures to
ensure the power can not be
inadvertently energized. Failure to
disconnect power before
servicing could result in death or
serious injury.
The following steps were sequenced
to aid in the installation and mating of
a water side economizer to a water-
source heat pump (GEH 1/2 to 5 ton).
1 Remove the control side service
panel of the water-source heat
pump unit.
2 Remove rubber isolation grom-
mets from the return-air section.
Place them in a convenient loca-
tion.
3 Attach ducted panel to the water-
source heat pump unit with six
factory provided Torx® head
screws. This panel is shipped
loose with the water-source heat
pump but must be field installed
to the unit.
Step 3
4 Attach the water side economiz-
ing unit to the ducted panel of the
water-source heat pump with 10-
factory provided Torx head
screws. The economizing pack-
age fits to the outside of the of the
water-source heat pump. Trane
recommends the mating of the
systems be made via 3-screws
spaced evenly across the top,
3-screws spaced evenly across
the bottom (installed immediate-
ly after hanging the unit), and 2-
screws on each side.
Step 4
5 Install the 18-inch steel braided
hose between the upper most
piping connection of the econo-
mizer, and the water-in of the
heat pump. The hose is shipped
loose with the water-side econo-
mizer.
Step 5
6 Install the SUPPLY and RETURN
hoses to the (1) 2-position valve’s
threaded connection (2) water-
out threaded connection of the
water-source heat pump.
Step 6
7 VERIFY
The control board for the water
side economizer is located at the
back of the control box. The tem-
perature rating of this board is
factory set to 55ºF.
For units with boilerless (electric
heat) control and water side
economizer, the boilerless con-
trol board is factory set to 45ºF.
Step 7
Installation
Waterside Economizer

WSHP-SVX01D-EN 61
8 Thread the bulb and wire through
the low voltage hole of the water-
source heat pump.
Step 8
9 Wire-tie the sensor to the water
SUPPLY side of the piping (ON,
or BEFORE) the 2-position valve.
Step 9
10 Bundle excess sensor wire, and
wire tie the bundle neatly.
Step 10
11 Thread the valve’s wire lead
through the low voltage hole of
the heat pump.
Step 11
12 Wire the valve to the terminal
strip according to the unit wire
diagram located on the service
control panel.
RED = 1TB1-14
BLK = 1TB1-18
WHT = 1TB1-15
13 Bundle excess valve wire, and
wire tie the bundle neatly.
Step 13
14 Install control side service panel.
15 Install the six hanging isolation
grommets into the hanging
brackets The unit isolators were
located in the return-air section
of the unit. See Step 2. Isolators
for the economizing package are
located with the economizer.
Step 15
16 Insulate the economizing piping
package and the supply/return/
by-pass hoses (3-hoses) via field
provided pipe insulation. Insu-
lating the piping will stop con-
densation from forming on the
pipe and dripping onto the ceil-
ing tiles.
Note: Trane does not provide in-
sulation on the economizing
piping package. This insulation
must be field provided and field
installed.
17 Install filter rack (top and bottom)
to the economizing package. The
filter rack is located in the unit’s
packaging along with the filter.
18 Hang Unit. See page 51 for hang-
ing of the packaged unit. Bottom
screws referenced in step 4
must be installed at this time.
Installation
Waterside Economizer

62 WSHP-SVX01D-EN
19 Field pipe the drain lines of the
waterside economizer and wa-
ter-source heat pump together
prior to installing a condensate
trap. See page 51 for proper
trapping of condensation.
Step 19
Unit
60 HZ Unit
50 HZ Waterside Economizer
Part Number
006-015 006-012 4474 1690 0100
018-030 015-024 4474 1691 0100
036-042 030-036 4474 1692 0100
048-060 042-060 4474 1693 0100
Installation
Waterside Economizer

WSHP-SVX01D-EN 63
WARNING
Hazardous
Voltage!
Disconnect all electric power, in-
cluding remote disconnects be-
fore servicing. Follow proper
lockout/tagout procedures to en-
sure the power can not be inad-
vertently energized. Failure to
disconnect power before servic-
ing could result in death or seri-
ous injury.
The following steps were sequenced
to aid in the installation and mating of
a waterside economizer to a water-
source heat pump (GEV and GEH 6
through 25 ton models).
1 Remove the filter frame from the
unit.
2 Remove the waterside service
panel from the unit.
3 Remove the control box service
panel from the unit.
4 Remove the economizer and mis-
cellaneous mounting parts from
it’s packaging.
5 GEV ONLY: Mount the economiz-
er support angle (4475 1637 0100)
found in the economizer packag-
ing in the same holes of the re-
turn air filter frame removed in
step 1. The support angle screws
into the unit roof.
6 GEV ONLY: Hang the economizer
assembly from the economizer
support angle mounted in step 5.
7 Secure the economizer to the unit
using the four plates (4475 1630
0100) found in the economizer
packaging. Two plates should be
applied to each economizer side.
GEV ONLY: Secure the bracket on
the bottom of the economizer
cabinet to the unit compressor
compartment center post.
8 Install the field portion of the wa-
ter piping and the 3-way valve to-
gether.
9 VERIFY
The control board for the water-
side economizer is located at the
back of the control box. The tem-
perature rating of this board is
factory set to 55ºF.
10 Thread the economizer’s enter-
ing water temperature sensor
(4RT1) through the water-in line
of the water-source heat pump.
This sensor is used by the econo-
mizer’s 3-way valve to determine
if water flow should be directed
through the waterside economiz-
ing coil.
11 Tie wrap the thermistor to the
water line (supply side) upstream
of the water pipe to the econo-
mizer. The thermistor must be sit-
uated so that the thermistor is
capable of reading the actual en-
tering water temperature regard-
less of the economizer’s on or off
situation.
12 Insulate the thermistor with tub-
ing insulation.
13 Tie wrap each end of the tubing
insulation to prevent air filtration.
The tie wraps and insulation are
located in a baggie and shipped
inside of the unit.
14 Thread the factory wire harness
through the low voltage hole of
the heat pump to the 3-way
valve’s wire harness.
15 Connect the factory installed
wire harness to the to the wire
harness supplied with the 3-way
valve.
16 Bundle excess valve wire, and
wire tie the bundle neatly.
17 Install control side service panel
to the heat pump.
18 Install the unit filter frame to the
economizing inlet.
19 Insulate the economizing piping
package with field supplied pipe
insulation. Insulating the piping
will help stop condensation from
forming on the pipe.
Note: Trane does not provide
insulation on the economizing
piping package. This insulation
must be field provided and field
installed.
20 Install waterside service panel to
the heat pump.
21 Field pipe the drain lines of the
waterside economizer and water-
source heat pump together prior
to installing a condensate trap.
See page 51 for proper trapping
of condensation. The economizer
condensate line must be trapped
prior to the unit’s drain line. This
helps prevent air from being
sucked through the drain line
causing condensate to spit or
build-up in the economizer or
unit drain pans.
Actuator Wire #
Color Factory Harness Wire #
Color
1 BLK =25L-Black
2 WHT =23T-White
3 WHT =73A-White
Installation
Waterside Economizer

64 WSHP-SVX01D-EN
Start-up Sequence
1 Set the thermostat to the highest position.
2 Set the thermostat system switch to COOL with the fan control to AUTO. The compressor should NOT run.
3 Reduce the thermostat setting until the compressor, reversing valve, solenoid valve, and loop pump are energized.
Adjust water flow utilizing pressure/temperature plugs and comparing to tables contained in specification sheet data.
Water leaving the heat exchanger should be warmer than the entering water temperature (approximately 9-12ºF);
blower operation should be smooth; compressor and blower amps should be within data plate ratings; the suction
line should be cool with no frost observed in the refrigerant circuit.
4 Check the cooling refrigerant pressures against values in Table 7 on page 75. NOTE: If cooling mode is activated, and
the entering water temperature of the heat pump falls below 55ºF, the 2-position, water side economizing valve will
become energized (open) and compressor operation will halt allowing for free cooling in the space.
5 Turn the thermostat system switch to the OFF position. Unit should stop running and the reversing valve should de-
energize.
6 Leave unit off for approximately FIVE minutes to allow for pressure equalization.
7 Turn the thermostat to the lowest setting.
8 Set the thermostat system switch to the HEAT position.
9 Adjust the temperature setting upward until the unit is energized. Warm air should blow from the register. A water
temperature decrease of approximately 5-9 F leaving the heat exchanger should be noted. The blower and compressor
operation should be smooth with no frost observed in the refrigeration circuit.
10 Check the heating refrigerant pressures against values in Table 7 on page 75. NOTE: For units with boilerless electric
heat option...In heating mode, if the entering water temperature of the heat pump falls below 45ºF, the electric heater
will be energized, and compressor operation will halt. Once the entering water temperature rises above 50ºF, the boil-
erless controls returns the unit to normal operation.
11 Set the thermostat to maintain the desired space temperature.
12 Instruct the owner on system operation.
Installation
Waterside Economizer

WSHP-SVX01D-EN 65
Waterside Economizing Three-Way Valve Specifications
The valve body is constructed from forged brass with nickel plating, with the ball
and stem constructed of stainless steel.
For other information pertaining to the economizing water valve, see the valve’s
data plate.
Unit Size
60 HZ Unit Size
50 HZ
Valve
Connection
Size
Valve
Pressure
Rating
Valve
Close-off
Pressure
Valve
Temperature
Range Actuator
GEH
006-015 GEH
006-012 1/2" FPT 600 psi 200 psi 0ºF to 212ºF
-18ºC to 121ºC
• Non-spring return type
• 24 VAC +/- 20%
• 135 second stroke time
• 10 Cv at full port
GEH
018-042 GEH
015-036 3/4" FPT 600 psi 200 psi 0ºF to 212ºF
-18ºC to 121ºC
• Non-spring return type
• 24 VAC +/- 20%
• 135 second stroke time
• 30 Cv at full port
GEH
048-060 GEH
042-060 1" FPT 600 psi 200 psi 0ºF to 212ºF
-18ºC to 121ºC
• Non-spring return type
• 24 VAC +/- 20%
• 135 second stroke time
• 23 Cv at full port
GEV/GEH
6 - 7 1/2 Ton GEV
6 Ton 1 1/4 FPT 600 psi 200 psi 0ºF to 212ºF
-18ºC to 121ºC
• Non-spring return type
• 24 VAC +/- 20%
• 135 second stroke time
• 33 Cv at full port
GEV/GEH
10-15 Ton
GEV/GEH
7 1/2-12 1/2
Ton 1 1/2" FPT 600 psi 200 psi 0ºF to 212ºF
-18ºC to 121ºC
• Non-spring return type
• 24 VAC +/- 20%
• 135 second stroke time
• 37 Cv at full port
GEV
20 & 25 Ton GEV
15 & 20 Ton 2" FPT 600 psi 200 psi 0ºF to 212ºF
-18ºC to 121ºC
• Non-spring return type
• 24 VAC +/- 20%
• 135 second stroke time
• 57 Cv at full port
Installation
Waterside Economizer

66 WSHP-SVX01D-EN
Electrical
Requirements
E1-Electrical performance
Model No. Volts Total
FLA
Comp
RLA
(ea)
Comp
LRA
(ea)
No. of
Compres.
Cmp
MCC
Blower
Motor
FLA
Blower
Motor
HP
Fan
Motor
Num
Minimum
Circuit
Ampacity
Maximum
Overcur-
rent
Protec-
tive
Device
Electric
Heat
kW
Electric
Heat
Amps
006 115/60/1 6.8 5.70 36.2 19.1 1.20 1/12 18.3 15 0 0
208/60/1 3.4 2.80 17.7 14.6 0.60 1/12 14.1 15 0 0
208/60/1 4.48 2.8 17.7 14.6 0.60 1/12 15.6 15 0.82 3.9
230/60/1 3.4 2.80 17.7 14.6 0.60 1/12 14.1 15 0 0
230/60/1 4.88 2.8 17.7 14.6 0.60 1/12 16.1 15 1.00 4.3
220-240/50/1 3.6 3.10 18.8 15.2 0.52 1/12 14.4 15 0 0
220-240/50/1 7.3 3.1 18.8 15.2 0.52 1/12 19.2 15 1.64 6.8
265/60/1 3.0 2.45 15.0 13.9 0.52 1/12 13.6 15 0 0
265/60/1 5.5 2.5 15.0 13.9 0.52 1/12 16.9 15 1.33 5.0
009 115/60/1 8.3 7.20 45.6 110.9 1.20 1/12 110.2 15 0 0
208/60/1 4.0 3.40 22.2 16.4 0.60 1/12 14.9 15 0 0
208/60/1 6.48 3.4 22.2 16.4 0.60 1/12 18.1 15 1.23 5.9
230/60/1 4.0 3.40 22.2 16.4 0.60 1/12 14.9 15 0 0
230/60/1 7.08 3.4 22.2 16.4 0.60 1/12 18.9 15 1.50 6.5
220-240/50/1 5.0 4.30 22.2 16.6 0.72 1/8 16.1 15 0 0
220-240/50/1 9.72 4.3 22.2 16.6 0.72 1/8 112.2 15 2.17 9.0
265/60/1 3.6 3.10 18.8 15.2 0.52 1/12 14.4 15 0 0
265/60/1 8.0 3.1 18.8 15.2 0.52 1/12 110.0 15 2.00 7.5
012 115/60/1 12.2 10.60 56.7 116.0 1.57 1/8 114.8 25 0 0
208/60/1 5.7 5.00 27.9 18.3 0.70 1/8 17.0 15 0 0
208/60/1 8.5 5.0 27.9 18.3 0.70 1/8 110.6 15 1.63 7.8
230/60/1 5.7 5.00 27.9 18.3 0.70 1/8 17.0 15 0 0
230/60/1 9.4 5.0 27.9 18.3 0.70 1/8 111.8 15 2.00 8.7
220-240/50/1 5.5 4.80 27.0 18.5 0.72 1/8 16.7 15 0 0
220-240/50/1 12.02 4.8 27.0 18.5 0.72 1/8 115.0 15 2.70 11.3
265/60/1 5.0 4.30 22.2 16.6 0.72 1/8 16.1 15 0 0
265/60/1 10.72 4.3 22.2 16.6 0.72 1/8 113.4 15 2.65 10.0
015 - Std
Static 220-240/50/1 7.1 6.3 32.0 110.0 0.80 1/8 18.7 15 0 0
220-240/50/1 14.5 6.3 32.0 110.0 0.80 1/8 118.1 20 3.28 13.7
015 - Hi
Static
208/60/1 6.1 5.40 29.0 19.2 0.70 1/8 17.5 15 0 0
208/60/1 10.3 5.4 29.0 19.2 0.70 1/8 112.9 15 2.00 9.6
230/60/1 6.1 5.40 29.0 19.2 0.70 1/8 17.5 15 0 0
230/60/1 11.6 5.4 29.0 19.2 0.70 1/8 114.5 15 2.50 10.9
220-240/50/1 7.8 6.30 32.0 110.0 1.53 1/3 19.4 15 0 0
220-240/50/1 15.23 6.3 32.0 110.0 1.53 1/3 119.0 20 3.28 13.7
265/60/1 5.5 4.80 27.0 18.5 0.72 1/8 16.7 15 0 0
265/60/1 13.22 4.8 27.0 18.5 0.72 1/8 116.5 20 3.30 12.5
018 - Std
Static 208/60/1 8.5 7.6 45.0 113.0 0.9 1/8 110.4 15 0 0
208/60/1 12.7 7.6 45.0 113.0 0.90 1/8 115.9 20 2.46 11.8
230/60/1 8.5 7.6 45.0 113.0 0.90 1/8 110.4 15 0 0
230/60/1 13.9 7.6 45.0 113.0 0.90 1/8 117.4 20 3.0 13.0
265/60/1 7.1 6.3 32.0 110.0 0.80 1/8 18.7 15 0 0
265/60/1 15.9 6.3 32.0 110.0 0.80 1/8 119.9 20 4.00 15.1
018 - Hi
Static
208/60/1 9.4 7.60 45.0 113.0 2.10 1/3 111.6 15 0 0
208/60/1 13.6 7.6 45.0 113.0 2.10 1/3 117.4 20 2.46 11.8
230/60/1 9.4 7.60 45.0 113.0 2.10 1/3 111.6 15 0 0
230/60/1 14.8 7.6 45.0 113.0 2.10 1/3 118.9 20 3.00 13.0
220-240/50/1 11.4 9.90 55.0 113.8 1.53 1/3 113.9 20 0 0
220-240/50/1 19.63 9.9 55.0 113.8 1.53 1/3 124.5 25 4.35 18.1
265/60/1 7.8 6.30 32.0 110.0 1.53 1/3 19.4 15 0 0
265/60/1 16.63 6.3 32.0 110.0 1.53 1/3 120.8 25 4.00 15.1
380-415/50/3 4.9 3.90 25.0 15.4 0.95 1/3 15.8 15 0 0
380-415/50/3 11.45 3.9 25.0 15.4 0.95 1/3 114.3 15 4.35 10.5

WSHP-SVX01D-EN 67
Electrical
Requirements
E2-Electrical performance (continued)
Model No. Volts Total
FLA
Comp
RLA
(ea)
Comp
LRA
(ea)
No. of
Compres.
Cmp
MCC
Blower
Motor
FLA
Blower
Motor
HP
Fan
Motor
Num
Minimum
Circuit
Ampacity
Maximum
Overcur-
rent
Protec-
tive
Device
Electric
Heat
kW
Electric
Heat
Amps
024 208/60/1 12.7 10.90 56.0 115.3 2.10 1/3 115.7 25 0 0
208/60/1 17.5 10.9 56.0 115.3 2.10 1/3 122.3 25 3.26 15.7
230/60/1 12.7 10.90 56.0 115.3 2.10 1/3 115.7 25 0 0
230/60/1 19.2 10.9 56.0 115.3 2.10 1/3 124.0 25 4.00 17.4
220-240/50/1 12.4 10.90 58.0 115.3 1.53 1/3 115.2 25 0 0
220-240/50/1 24.03 10.9 58.0 115.3 1.53 1/3 130.0 35 5.40 22.5
265/60/1 11.4 9.90 55.0 113.8 1.53 1/3 113.9 20 0 0
265/60/1 21.53 9.9 55.0 113.8 1.53 1/3 126.9 30 5.30 20.0
208/60/3 9.3 7.50 51.0 110.5 2.10 1/3 111.5 15 0 0
208/60/3 10.8 7.5 51.0 110.5 2.10 1/3 113.9 15 3.26 9.0
230/60/3 9.3 7.50 51.0 110.5 2.10 1/3 111.5 15 0 0
230/60/3 11.8 7.5 51.0 110.5 2.10 1/3 115.1 15 4.00 10.0
380-415/50/3 5.0 4.00 28.0 15.6 0.95 1/3 16.0 15 0 0
380-415/50/3 8.45 4.0 28.0 15.6 0.95 1/3 110.6 15 5.40 7.5
460/60/3 4.9 3.90 25.0 15.4 0.95 1/3 15.8 15 0 0
460/60/3 7.65 3.9 25.0 15.4 0.95 1/3 19.6 15 5.30 6.7
030 208/60/1 14.2 12.40 61.0 117.4 2.10 1/3 117.6 30 0 0
208/60/1 21.5 12.4 61.0 117.4 2.10 1/3 127.3 30 4.10 19.7
230/60/1 14.2 12.40 61.0 117.4 2.10 1/3 117.6 30 0 0
230/60/1 23.5 12.4 61.0 117.4 2.10 1/3 129.8 30 5.00 21.7
220-240/50/1 16.4 13.60 64.0 119.1 2.77 1/2 119.8 30 0 0
220-240/50/1 29.97 13.6 64.0 119.1 2.77 1/2 137.5 40 6.52 27.2
265/60/1 12.4 10.90 58.0 115.3 1.53 1/3 115.2 25 0 0
265/60/1 26.43 10.9 58.0 115.3 1.53 1/3 133.0 35 6.60 24.9
208/60/3 9.5 7.70 55.0 110.8 2.10 1/3 111.7 15 0 0
208/60/3 13.2 7.7 55.0 110.8 2.10 1/3 116.9 20 4.10 11.4
230/60/3 9.5 7.70 55.0 110.8 2.10 1/3 111.7 15 0 0
230/60/3 14.4 7.7 55.0 110.8 2.10 1/3 118.4 20 5.00 12.6
380-415/50/3 6.6 4.90 33.0 16.9 1.70 1/2 17.8 15 0 0
380-415/50/3 10.8 4.9 33.0 16.9 1.70 1/2 113.5 15 6.52 9.1
460/60/3 5.0 4.00 28.0 15.6 0.95 1/3 16.0 15 0 0
460/60/3 9.25 4.0 28.0 15.6 0.95 1/3 111.6 15 6.60 8.3
036 208/60/1 19.3 16.00 82.0 122.4 3.60 1/2 123.6 35 0 0
208/60/1 26.87 16.0 82.0 122.4 3.60 1/2 134.0 35 4.90 23.6
230/60/1 19.3 16.00 82.0 122.4 3.60 1/2 123.6 35 0 0
230/60/1 29.37 16.0 82.0 122.4 3.60 1/2 137.1 40 6.00 26.1
265/60/1 16.4 13.60 64.0 119.1 2.77 1/2 119.8 30 0 0
265/60/1 32.77 13.6 64.0 119.1 2.77 1/2 141.0 45 7.95 30.0
208/60/3 13.7 10.40 65.5 114.6 3.60 1/2 116.6 25 0 0
208/60/3 16.87 10.4 65.5 114.6 3.60 1/2 121.5 25 4.90 13.6
230/60/3 13.7 10.40 65.5 114.6 3.60 1/2 116.6 25 0 0
230/60/3 18.37 10.4 65.5 114.6 3.60 1/2 123.4 25 6.00 15.1
380-415/50/3 6.5 4.80 40.0 16.7 1.70 1/2 17.7 15 0 0
380-415/50/3 11.6 4.8 40.0 16.7 1.70 1/2 114.5 15 7.15 9.9
460/60/3 6.6 4.90 33.0 16.9 1.70 1/2 17.8 15 0 0
460/60/3 11.7 4.9 33.0 16.9 1.70 1/2 114.6 15 7.95 10.0
GEV 040 208/60/1 19.4 16.1 82.0 122.5 3.60 1/2 123.6 35 0 0
208/60/1 29.27 16.1 82.0 122.5 3.60 1/2 137.0 40 5.40 26.0
230/60/1 19.4 16.1 82.0 122.5 3.60 1/2 123.7 35 0 0
230/60/1 31.97 16.1 82.0 122.5 3.60 1/2 140.4 45 6.60 28.7
265/60/1 17.8 15.0 83.0 121.0 2.77 1/2 121.5 35 0 0
265/60/1 35.97 15.0 83.0 10.0 2.77 1/2 145.0 45 8.80 33.2
208/60/3 13.3 10.0 70.0 114.0 3.60 1/2 116.1 25 0 0
208/60/3 18.27 10.0 70.0 114.0 3.60 1/2 123.3 25 5.40 15.0
230/60/3 13.3 10.0 70.0 114.0 3.60 1/2 116.1 25 0 0
230/60/3 19.87 10.0 70.0 114.0 3.60 1/2 125.3 25 6.60 16.6
460/60/3 6.8 5.1 33.0 17.1 1.70 1/2 18.1 15 0 0
460/60/3 12.7 5.1 33.0 17.1 1.70 1/2 115.9 20 8.80 11.0

68 WSHP-SVX01D-EN
Electrical
Requirements
E3-Electrical performance (continued)
Model No. Volts Total
FLA
Comp
RLA
(ea)
Comp
LRA
(ea)
No. of
Compres.
Cmp
MCC
Blower
Motor
FLA
Blower
Motor
HP
Fan
Motor
Num
Minimum
Circuit
Ampacity
Maximum
Overcur-
rent
Protective
Device
Electric
Heat
kW
Electric
Heat
Amps
042 - Hi
Static
208/60/1 21.3 18.00 96.0 125.2 3.60 1/2 126.1 40 0 0
208/60/1 30.67 18.0 96.0 125.2 3.60 1/2 138.8 40 5.70 27.4
230/60/1 21.3 18.00 96.0 125.2 3.60 1/2 126.1 40 0 0
230/60/1 33.67 18.0 96.0 125.2 3.60 1/2 142.5 45 7.00 30.4
208/60/3 14.7 11.40 75.0 116.0 3.60 1/2 117.9 25 0 0
208/60/3 19.07 11.4 75.0 116.0 3.60 1/2 124.3 25 5.70 15.8
230/60/3 14.7 11.40 75.0 116.0 3.60 1/2 117.9 25 0 0
230/60/3 20.87 11.4 75.0 116.0 3.60 1/2 126.5 30 7.00 17.6
380-415/50/3 9.1 6.40 42.0 18.9 2.70 1 1 10.7 15 0 0
380-415/50/3 14.7 6.4 42.0 18.9 2.70 1 1 18.4 20 8.60 12.0
460/60/3 6.5 4.80 40.0 16.7 1.70 1/2 17.7 15 0 0
460/60/3 13.4 4.8 40.0 16.7 1.70 1/2 116.8 20 9.30 11.7
575/60/3 5.4 4.10 31.0 15.7 1.31 1/2 16.4 15 0 0
042 - Std
Static 380-415/50/3 7.8 6.4 42.0 18.9 1.40 1/2 19.4 15 0 0
380-415/50/3 13.4 6.4 42.0 18.9 1.40 1/2 116.8 20 8.60 12.0
048 - Hi
Static
208/60/1 25.8 20.40 102.0 128.5 5.40 1 1 30.9 50 0 0
208/60/1 36.7 20.4 102.0 128.5 5.40 1 1 45.9 50 6.50 31.3
230/60/1 25.8 20.40 102.0 128.5 5.40 1 1 30.9 50 0 0
230/60/1 40.2 20.4 102.0 128.5 5.40 1 1 50.3 60 8.00 34.8
208/60/3 19.4 14.00 91.0 119.7 5.40 1 1 22.9 35 0 0
208/60/3 23.4 14.0 91.0 119.7 5.40 1 1 29.3 35 6.50 18.0
230/60/3 19.4 14.00 91.0 119.7 5.40 1 1 22.9 35 0 0
230/60/3 25.5 14.0 91.0 119.7 5.40 1 1 31.9 35 8.00 20.1
380-415/50/3 10.2 7.50 49.5 110.5 2.70 1 1 12.1 15 0 0
380-415/50/3 14.7 7.5 49.5 110.5 2.70 1 1 18.4 20 8.60 12.0
460/60/3 9.1 6.40 42.0 18.9 2.70 1 1 10.7 15 0 0
460/60/3 16.0 6.4 42.0 18.9 2.70 1 1 20.0 25 10.60 13.3
575/60/3 7.4 5.20 39.0 17.3 2.20 1 1 8.7 15 0 0
048 - Std
Static 208/60/1 23.2 20.4 102.0 128.5 2.80 1/2 128.3 50 0 0
208/60/1 34.1 20.4 102.0 128.5 2.80 1/2 142.6 50 6.50 31.3
230/60/1 23.2 20.4 102.0 128.5 2.80 1/2 128.3 50 0 0
230/60/1 37.6 20.4 102.0 128.5 2.80 1/2 147.0 50 8.00 34.8
208/60/3 16.8 14.0 91.0 119.7 2.80 1/2 120.3 35 0 0
208/60/3 20.8 14.0 91.0 119.7 2.80 1/2 126.0 35 6.50 18.0
230/60/3 16.8 14.0 91.0 119.7 2.80 1/2 120.3 35 0 0
230/60/3 22.9 14.0 91.0 119.7 2.80 1/2 128.6 35 8.00 20.1
460/60/3 7.8 6.4 42.0 18.9 1.40 1/2 19.4 15 0 0
460/60/3 14.7 6.4 42.0 18.9 1.40 1/2 118.4 25 10.60 13.3
575/60/3 6.3 5.2 39.0 17.3 1.10 1/2 17.6 15 0 0
060 208/60/1 33.4 28.00 169.0 139.0 5.40 1 1 40.4 60 0 0
208/60/1 36.7 28.0 169.0 139.0 5.4 1 1 45.9 60 6.50 31.3
230/60/1 33.4 28.00 169.0 135.0 5.40 1 1 40.4 60 0 0
230/60/1 40.2 28.0 169.0 139.0 5.4 1 1 50.3 60 8.00 34.8
208/60/3 25.4 20.00 123.0 128.0 5.40 1 1 30.4 50 0 0
208/60/3 25.4 20.0 123.0 127.0 5.4 1 1 30.4 50 6.50 18.0
230/60/3 25.4 20.00 123.0 128.0 5.40 1 1 30.4 50 0 0
230/60/3 25.5 20.0 123.0 127.0 5.4 1 1 31.9 50 8.00 20.1
380-415/50/3 12.8 10.00 62.0 114.0 2.70 1 1 15.2 25 0 0
380-415/50/3 14.7 10.0 62.0 114.0 2.7 1 1 18.4 25 8.60 12.0
460/60/3 10.2 7.50 49.5 110.5 2.70 1 1 12.1 15 0 0
460/60/3 16.0 7.5 49.5 110.5 2.7 1 1 20.0 25 10.60 13.3
575/60/3 8.6 6.40 40.0 19.0 2.20 1 1 10.2 15 0 0

WSHP-SVX01D-EN 69
Electrical
Requirements
E4-Electrical performance (continued)
Model No. Volts Total
FLA
Comp
RLA
(ea)
Comp
LRA
(ea)
No. of
Compres.
Cmp
MCC
Blower
Motor
FLA
Blower
Motor
HP
Fan
Motor
Num
Minimum
Circuit
Ampacity
Maximum
Overcur-
rent
Protective
Device
Electric
Heat
kW
Electric
Heat
Amps
GEH 072 208/60/1 38.6 16.00 82.0 222.4 6.55 1 1 42.6 50
230/60/1 38.5 16.00 82.0 222.4 6.47 1 1 42.5 50
208/60/1 41.3 16.00 82.0 222.4 9.34 1.5 145.3 60
230/60/1 40.9 16.00 82.0 222.4 8.94 1.5 144.9 60
208/60/1 43.2 16.00 82.0 222.4 11.20 2 1 47.2 60
230/60/1 42.2 16.00 82.0 222.4 10.23 2 1 46.2 60
380-415/50/3 12.9 6.40 42.0 28.9 1.70 0.75 114.5 20
208/60/3 24.3 10.40 65.5 214.6 3.50 1 1 26.9 35
230/60/3 24.6 10.40 65.5 214.6 3.80 1 1 27.2 35
380-415/50/3 13.3 6.40 42.0 28.9 2.10 1 1 14.9 20
460/60/3 11.6 4.90 33.0 26.9 1.80 1 1 12.8 15
208/60/3 26.4 10.40 65.5 214.6 5.60 1.5 129.0 35
230/60/3 25.6 10.40 65.5 214.6 4.80 1.5 128.2 35
380-415/50/3 14.2 6.40 42.0 28.9 3.00 1.5 115.8 20
460/60/3 23.5 4.90 33.0 26.9 2.40 1.5 113.4 15
208/60/3 27.9 10.40 65.5 214.6 7.10 2 1 30.5 40
230/60/3 27.0 10.40 65.5 214.6 6.20 2 1 29.6 40
380-415/50/3 14.6 6.40 42.0 28.9 3.40 2 1 16.2 20
460/60/3 12.9 4.90 33.0 26.9 3.11 2 1 14.1 15
380-415/50/3 16.7 6.40 42.0 28.9 5.50 3 1 18.3 25
GEV 072 208/60/1 38.6 16.00 82.0 222.4 6.55 1 1 42.6 50
230/60/1 38.5 16.00 82.0 222.4 6.47 1 1 42.5 50
208/60/1 41.3 16.00 82.0 222.4 9.34 1.5 145.3 60
230/60/1 40.9 16.00 82.0 222.4 8.94 1.5 144.9 60
208/60/1 43.2 16.00 82.0 222.4 11.20 2 1 47.2 60
230/60/1 42.2 16.00 82.0 222.4 10.23 2 1 46.2 60
380-415/50/3 12.9 6.40 42.0 28.9 1.70 .75 114.5 20
208/60/3 24.3 10.40 65.6 214.6 3.50 1 1 26.9 35
230/60/3 24.6 10.40 65.6 214.6 3.80 1 1 27.2 35
380-415/50/3 13.3 6.40 42.0 28.9 2.10 1 1 14.9 20
460/60/3 11.6 4.90 33.0 26.9 1.80 1 1 12.8 15
208/60/3 26.4 10.40 65.6 214.6 5.60 1.5 129.0 35
230/60/3 25.6 10.40 65.6 214.6 4.80 1.5 128.2 35
380-415/50/3 14.2 6.40 42.0 28.9 3.00 1.5 115.8 20
460/60/3 12.2 4.90 33.0 26.9 2.40 1.5 113.4 15
208/60/3 27.9 10.40 65.6 214.6 7.10 2 1 30.5 40
230/60/3 27.0 10.40 65.6 214.6 6.20 2 1 29.6 40
380-415/50/3 14.6 6.40 42.0 28.9 3.40 2 1 16.2 20
460/60/3 12.9 4.90 33.0 26.9 3.11 2 1 14.1 15
GEH 090 208/60/3 28.9 11.4/14.00 75.0/91.0 216.0/19.7 3.50 1 1 32.4 45
230/60/3 29.2 11.4/14.00 75.0/91.0 216.0/19.7 3.80 1 1 32.7 45
460/60/3 13.0 4.8/6.40 40.0/42.0 26.7/8.9 1.80 1 1 14.6 20
575/60/3 11.0 4.1/5.20 31.0/39.0 25.2/7.3 1.70 1 1 12.3 15
208/60/3 31.0 11.4/14.00 75.0/91.0 216.0/19.7 5.60 1.5 134.5 45
230/60/3 30.2 11.4/14.00 75.0/91.0 216.0/19.7 4.80 1.5 133.7 45
380-415/50/3 18.0 4.8/7.50 40.0/46.5 26.7/10.5 3.00 1.5 119.9 25
460/60/3 13.6 4.8/6.40 40.0/42.0 26.7/8.9 2.40 1.5 115.2 20
575/60/3 11.2 4.1/5.20 31.0/39.0 25.2/7.3 1.90 1.5 112.5 15
208/60/3 32.5 11.4/14.00 75.0/91.0 216.0/19.7 7.10 2 1 36.0 50
230/60/3 31.6 11.4/14.00 75.0/91.0 216.0/19.7 6.20 2 1 35.1 45
380-415/50/3 18.4 4.8/7.50 40.0/46.5 26.7/10.5 3.40 2 1 20.3 25
460/60/3 14.3 4.8/6.40 40.0/42.0 26.7/8.9 3.11 2 1 15.9 20
575/60/3 11.6 4.1/5.20 31.0/39.0 25.2/7.3 2.30 2 1 12.9 15
208/60/3 34.8 11.4/14.00 75.0/91.0 216.0/19.7 9.40 3 1 38.3 50
230/60/3 33.6 11.4/14.00 75.0/91.0 216.0/19.7 8.20 3 1 37.1 50
380-415/50/3 20.5 4.8/7.50 40.0/46.5 26.7/10.5 5.50 3 1 22.4 25
460/60/3 15.3 4.8/6.40 40.0/42.0 26.7/8.9 4.10 3 1 16.9 20
575/60/3 12.6 4.1/5.20 31.0/39.0 25.2/7.3 3.30 3 1 13.9 15

70 WSHP-SVX01D-EN
Electrical
Requirements
E5-Electrical performance (continued)
Model No. Volts Total
FLA
Comp
RLA
(ea)
Comp
LRA
(ea)
No. of
Compres.
Cmp
MCC
Blower
Motor
FLA
Blower
Motor
HP
Fan
Motor
Num
Minimum
Circuit
Ampacity
Maximum
Overcur-
rent
Protective
Device
Electric
Heat
kW
Electric
Heat
Amps
GEV 090 208/60/3 28.9 11.4/14.00 75.0/91.0 216.0/19.7 3.50 1 1 32.4 45
230/60/3 29.2 11.4/14.00 75.0/91.0 216.0/19.7 3.80 1 1 32.7 45
380-415/50/3 17.1 4.8/7.50 40.0/46.5 26.7/10.5 2.10 1 1 19.0 25
460/60/3 13.0 4.8/6.40 40.0/42.0 26.7/8.9 1.80 1 1 14.6 20
575/60/3 11.0 4.1/5.20 31.0/39.0 25.2/7.3 1.70 1 1 12.3 15
208/60/3 31.0 11.4/14.00 75.0/91.0 216.0/19.7 5.60 1.5 134.5 45
230/60/3 30.2 11.4/14.00 75.0/91.0 216.0/19.7 4.80 1.5 133.7 45
380-415/50/3 18.0 4.8/7.50 40.0/46.5 26.7/10.5 3.00 1.5 119.9 25
460/60/3 13.6 4.8/6.40 40.0/42.0 26.7/8.9 2.40 1.5 115.2 20
575/60/3 11.2 4.1/5.20 31.0/39.0 25.2/7.3 1.90 1.5 112.5 15
208/60/3 32.5 11.4/14.00 75.0/91.0 216.0/19.7 7.10 2 1 36.0 50
230/60/3 31.6 11.4/14.00 75.0/91.0 216.0/19.7 6.20 2 1 35.1 45
380-415/50/3 18.4 4.8/7.50 40.0/46.5 26.7/10.5 3.40 2 1 20.3 25
460/60/3 14.3 4.8/6.40 40.0/42.0 26.7/8.9 3.11 2 1 15.9 20
575/60/3 11.6 4.1/5.20 31.0/39.0 25.2/7.3 2.30 2 1 12.9 15
208/60/3 34.8 11.4/14.00 75.0/91.0 216.0/19.7 9.40 3 1 38.3 50
230/60/3 33.6 11.4/14.00 75.0/91.0 216.0/19.7 8.20 3 1 37.1 50
380-415/50/3 20.5 4.8/7.50 40.0/46.5 26.7/10.5 5.50 3 1 22.4 25
460/60/3 15.3 4.8/6.40 40.0/42.0 26.7/8.9 4.10 3 1 16.9 20
575/60/3 12.6 4.1/5.20 31.0/39.0 25.2/7.3 3.30 3 1 13.9 15
GEH 120 380-415/50/3 20.3 9.10 58.0 212.8 2.10 1 1 22.6 25
208/60/3 44.2 19.30 123.0 227.0 5.60 1.5 149.0 60
230/60/3 43.4 19.30 123.0 227.0 4.80 1.5 148.2 60
380-415/50/3 21.2 9.10 58.0 212.8 3.00 1.5 123.5 30
460/60/3 17.4 7.50 49.5 210.5 2.40 1.5 119.3 25
575/60/3 14.7 6.40 40.0 29.0 1.90 1.5 116.3 20
208/60/3 45.7 19.30 123.0 227.0 7.10 2 1 50.5 60
230/60/3 44.8 19.30 123.0 227.0 6.20 2 1 49.6 60
380-415/50/3 21.6 9.10 58.0 212.8 3.40 2 1 23.9 30
460/60/3 18.1 7.50 49.5 210.5 3.11 2 1 20.0 25
575/60/3 15.1 6.40 40.0 29.0 2.30 2 1 16.7 20
208/60/3 48.0 19.30 123.0 227.0 9.40 3 1 52.8 70
230/60/3 46.8 19.30 123.0 227.0 8.20 3 1 51.6 70
380-415/50/3 23.7 9.10 58.0 212.8 5.50 3 1 26.0 35
460/60/3 19.1 7.50 49.5 210.5 4.10 3 1 21.0 25
575/60/3 16.1 6.40 40.0 29.0 3.30 3 1 17.7 20
208/60/3 54.6 19.30 123.0 227.0 16.00 5 1 59.4 70
230/60/3 52.6 19.30 123.0 227.0 14.00 5 1 57.4 70
380-415/50/3 27.5 9.10 58.0 212.8 9.30 5 1 29.8 40
460/60/3 22.0 7.50 49.5 210.5 7.00 5 1 23.9 30
575/60/3 18.0 6.40 40.0 29.0 5.20 5 1 19.6 25
GEV 120 208/60/3 44.2 19.30 123.0 227.0 5.60 1.5 149.0 60
230/60/3 43.4 19.30 123.0 227.0 4.80 1.5 148.2 60
460/60/3 17.4 7.50 49.5 210.5 2.40 1.5 119.3 25
575/60/3 14.7 6.40 40.0 29.0 1.90 1.5 116.3 20
208/60/3 45.7 19.30 123.0 227.0 7.10 2 1 50.5 60
230/60/3 44.8 19.30 123.0 227.0 6.20 2 1 49.6 60
460/60/3 18.1 7.50 49.5 210.5 3.11 2 1 20.0 25
575/60/3 15.1 6.40 40.0 29.0 2.30 2 1 16.7 20
208/60/3 48.0 19.30 123.0 227.0 9.40 3 1 52.8 70
230/60/3 46.8 19.30 123.0 227.0 8.20 3 1 51.6 70
460/60/3 19.1 7.50 49.5 210.5 4.10 3 1 21.0 25
575/60/3 16.1 6.40 40.0 29.0 3.30 3 1 17.7 20
208/60/3 54.6 19.30 123.0 227.0 16.00 5 1 59.4 70
230/60/3 52.6 19.30 123.0 227.0 14.00 5 1 57.4 70
460/60/3 22.0 7.50 49.5 210.5 7.00 5 1 23.9 30
575/60/3 18.0 6.40 40.0 29.0 5.20 5 1 19.6 25
380-415/50/3 23 10.00 64.0 214.0 3.00 1.5 125.5 35
380-415/50/3 23.4 10.00 64.0 214.0 3.40 2 1 25.9 35
380-415/50/3 25.5 10.00 64.0 214.0 5.50 3 1 28.0 35

WSHP-SVX01D-EN 71
Electrical
Requirements
E6-Electrical performance (continued)
Model No. Volts Total
FLA
Comp
RLA
(ea)
Comp
LRA
(ea)
No. of
Compres.
Cmp
MCC
Blower
Motor
FLA
Blower
Motor
HP
Fan
Motor
Num
Minimum
Circuit
Ampacity
Maximum
Overcur-
rent
Protective
Device
Electric
Heat
kW
Electric
Heat
Amps
GEH 150 208/60/3 44.2 19.30 137.0 227.0 5.60 1.5 149.0 60
230/60/3 43.4 19.30 137.0 227.0 4.80 1.5 148.2 60
380-415/50/3 27.0 12.00 90.5 217.0 3.00 1.5 130.0 40
460/60/3 20.6 9.10 62.0 212.8 2.40 1.5 122.9 30
575/60/3 17.7 7.90 50.0 211.0 1.90 1.5 119.7 25
208/60/3 45.7 19.30 137.0 227.0 7.10 2 1 50.5 60
230/60/3 44.8 19.30 137.0 227.0 6.20 2 1 49.6 60
380-415/50/3 27.4 12.00 90.5 217.0 3.40 2 1 30.4 40
460/60/3 21.3 9.10 62.0 212.8 3.11 2 1 23.6 30
575/60/3 18.1 7.90 50.0 211.0 2.30 2 1 20.1 25
208/60/3 48.0 19.30 137.0 227.0 9.40 3 1 52.8 70
230/60/3 46.8 19.30 137.0 227.0 8.20 3 1 51.6 70
380-415/50/3 29.5 12.00 90.5 217.0 5.50 3 1 32.5 40
460/60/3 22.3 9.10 62.0 212.8 4.10 3 1 24.6 30
575/60/3 19.1 7.90 50.0 211.0 3.30 3 1 21.1 25
208/60/3 54.6 19.30 137.0 227.0 16.00 5 1 59.4 70
230/60/3 52.6 19.30 137.0 227.0 14.00 5 1 57.4 70
380-415/50/3 33.3 12.00 90.5 217.0 9.30 5 1 36.3 45
460/60/3 25.2 9.10 62.0 212.8 7.00 5 1 27.5 35
575/60/3 21.0 7.90 50.0 211.0 5.20 5 1 23.0 30
GEV 150 208/60/3 45.7 19.30 137.0 227.0 7.10 2 1 50.5 60
230/60/3 44.8 19.30 137.0 227.0 6.20 2 1 49.6 60
380-420/50/3 23 10.00 64.0 214.0 3.00 1.5 125.5 35
460/60/3 23.11 10.00 62.0 214.0 3.11 2 1 25.6 35
575/60/3 18 7.85 50.0 211.0 2.30 2 1 20.0 25
208/60/3 48 19.30 137.0 227.0 9.40 3 1 52.8 70
230/60/3 46.8 19.30 137.0 227.0 8.20 3 1 51.6 70
380-420/50/3 23.4 10.00 64.0 214.0 3.40 2 1 25.9 35
460/60/3 24.1 10.00 62.0 214.0 4.10 3 1 26.6 35
575/60/3 19 7.85 50.0 211.0 3.30 3 1 21.0 25
208/60/3 54.6 19.30 137.0 227.0 16.00 5 1 59.4 70
230/60/3 52.6 19.30 137.0 227.0 14.00 5 1 57.4 70
380-420/50/3 25.5 10.00 64.0 214.0 5.50 3 1 28.0 35
460/60/3 27 10.00 62.0 214.0 7.00 5 1 29.5 35
575/60/3 20.9 7.85 50.0 211.0 5.20 5 1 22.9 30
GEH 180 208/60/3 57.1 25.00 164.0 235.0 7.10 2 1 63.4 80
230/60/3 56.2 25.00 164.0 235.0 6.20 2 1 62.5 80
460/60/3 27.1 12.00 100.0 217.0 3.11 2 1 30.1 40
575/60/3 20.9 9.30 78.0 213.0 2.30 2 1 23.2 30
208/60/3 59.4 25.00 164.0 235.0 9.40 3 1 65.7 90
230/60/3 58.2 25.00 164.0 235.0 8.20 3 1 64.5 80
460/60/3 28.1 12.00 100.0 217.0 4.10 3 1 31.1 40
575/60/3 21.9 9.30 78.0 213.0 3.30 3 1 24.2 30
208/60/3 66.0 25.00 164.0 235.0 16.00 5 1 72.3 90
230/60/3 64.0 25.00 164.0 235.0 14.00 5 1 70.3 90
460/60/3 31.0 12.00 100.0 217.0 7.00 5 1 34.0 45
575/60/3 23.8 9.30 78.0 213.0 5.20 5 1 26.1 35
208/60/3 75.0 25.00 164.0 235.0 25.00 7.5 181.3 100
230/60/3 71.6 25.00 164.0 235.0 21.60 7.5 177.9 100
460/60/3 34.8 12.00 100.0 217.0 10.80 7.5 137.8 45
575/60/3 26.8 9.30 78.0 213.0 8.20 7.5 129.1 35

72 WSHP-SVX01D-EN
Electrical
Requirements
E7-Electrical performance (continued)
E8-Electrical minimum and maximum
Model No. Volts Total
FLA
Comp
RLA
(ea)
Comp
LRA
(ea)
No. of
Compres.
Cmp
MCC
Blower
Motor
FLA
Blower
Motor
HP
Fan
Motor
Num
Minimum
Circuit
Ampacity
Maximum
Overcur-
rent
Protec-
tive
Device
Electric
Heat
kW
Electric
Heat
Amps
GEV 180 208/60/3 59.4 25.00 164.0 235.0 9.40 3 1 65.7 90
230/60/3 58.2 25.00 164.0 235.0 8.20 3 1 64.5 80
380-420/50/3 27.4 12.00 90.5 217.0 3.40 2 1 30.4 40
460/60/3 28.1 12.00 100.0 217.0 4.10 3 1 31.1 40
575/60/3 21.9 9.30 78.0 213.0 3.30 3 1 24.2 30
208/60/3 66 25.00 164.0 235.0 16.00 5 1 72.3 90
230/60/3 64 25.00 164.0 235.0 14.00 5 1 70.3 90
380-420/50/3 29.5 12.00 90.5 217.0 5.50 3 1 32.5 40
460/60/3 31 12.00 100.0 217.0 7.00 5 1 34.0 45
575/60/3 23.8 9.30 78.0 213.0 5.20 5 1 26.1 35
208/60/3 75 25.00 164.0 235.0 25.00 7.5 181.3 100
230/60/3 71.6 25.00 164.0 235.0 21.60 7.5 177.9 100
380-420/50/3 33.3 12.00 90.5 217.0 9.30 5 1 36.3 45
460/60/3 34.8 12.00 100.0 217.0 10.80 7.5 137.8 45
575/60/3 26.8 9.30 78.0 213.0 8.20 7.5 129.1 35
GEV 240 208/60/3 79.4 31.70 232.0 249.5 16.00 5 1 87.4 110
230/60/3 77.4 31.70 261.0 249.5 14.00 5 1 85.4 110
380-420/50/3 38.9 16.70 133.0 226.0 5.50 3 1 43.1 50
460/60/3 35.2 14.10 112.0 222.0 7.00 5 1 38.7 50
575/60/3 27.6 11.20 92.0 217.5 5.20 5 1 30.4 40
208/60/3 88.4 31.70 232.0 249.5 25.00 7.5 196.4 125
230/60/3 85 31.70 261.0 249.5 21.60 7.5 193.0 110
380-420/50/3 42.7 16.70 133.0 226.0 9.30 5 1 46.9 60
460/60/3 39 14.10 112.0 222.0 10.80 7.5 142.5 50
575/60/3 30.6 11.20 92.0 217.5 8.20 7.5 133.4 40
208/60/3 96.4 31.70 232.0 249.5 33.00 10 1 104.7 125
230/60/3 91.4 31.70 261.0 249.5 28.00 10 1 99.4 125
380-420/50/3 46.4 16.70 133.0 226.0 13.00 7.5 150.6 60
460/60/3 42.2 14.10 112.0 222.0 14.00 10 1 45.7 50
575/60/3 33.4 11.20 92.0 217.5 11.00 10 1 36.2 45
208/60/3 108.2 31.70 232.0 249.5 44.80 15 1 119.5 150
230/60/3 104 31.70 261.0 249.5 40.60 15 1 114.2 150
380-420/50/3 50.9 16.70 133.0 226.0 17.50 10 1 55.3 70
460/60/3 48.5 14.10 112.0 222.0 20.30 15 1 53.6 70
575/60/3 38.6 11.20 92.0 217.5 16.20 15 1 42.7 50
GEV 300 208/60/3 110.2 47.10 245.0 266.0 16.00 5 1 122.0 150
230/60/3 108.2 47.10 245.0 266.0 14.00 5 1 120.0 150
380-420/50/3 44.7 19.60 118.0 227.5 5.50 3 1 49.6 60
460/60/3 46.2 19.60 125.0 227.5 7.00 5 1 51.1 70
575/60/3 36.8 15.80 100.0 222.2 5.20 5 1 40.8 50
208/60/3 119.2 47.10 245.0 266.0 25.00 7.5 1131.0 175
230/60/3 115.8 47.10 245.0 266.0 21.60 7.5 1127.6 150
380-420/50/3 48.5 19.60 118.0 227.5 9.30 5 1 53.4 70
460/60/3 50 19.60 125.0 227.5 10.80 7.5 154.9 70
575/60/3 39.8 15.80 100.0 222.2 8.20 7.5 143.8 50
208/60/3 127.2 47.10 245.0 266.0 33.00 10 1 139.0 175
230/60/3 122.2 47.10 245.0 266.0 28.00 10 1 134.0 175
380-420/50/3 52.2 19.60 118.0 227.5 13.00 7.5 157.1 70
460/60/3 53.2 19.60 125.0 227.5 14.00 10 1 58.1 70
575/60/3 42.6 15.80 100.0 222.2 11.00 10 1 46.6 60
208/60/3 139 47.10 245.0 266.0 44.80 15 1 150.8 175
230/60/3 134.8 47.10 245.0 266.0 40.60 15 1 146.6 175
380-420/50/3 56.7 19.60 118.0 227.5 17.50 10 1 61.6 80
460/60/3 59.5 19.60 125.0 227.5 20.30 15 1 64.6 80
575/60/3 47.8 15.80 100.0 222.2 16.20 15 1 51.9 60
Digit 8 Rated
Voltage
HZ Ph Minimum
Utilization
Voltage
Maximum
Utilization
Voltage
0 115 60 1104 126
1208 60 1197 229
2230 60 1207 253
3208 60 3187 229
4460 60 3414 506
E8-Electrical minimum and maximum (continued)
Digit 8 Rated
Voltage
HZ Ph Minimum
Utilization
Voltage
Maximum
Utilization
Voltage
5575 60 3 518 633
6220-240 50 1 198 264
7265 60 1 239 292
8230 60 3 207 253
9380-415 60 3 342 456

WSHP-SVX01D-EN 73
Pre-Start
Checklist
Pre-Start-up Checklist
Before energizing the unit, the following system devices must be checked:
____ Is the high voltage power supply correct and in accordance with the nameplate ratings?
____ Is phasing of the unit correct per compressor rotation (scroll compressor only)?
____ Is the field wiring and circuit protection the correct size?
____ Is the low voltage control circuit wiring correct per the unit wiring diagram?
____ Is the piping system clean/complete and correct? (A recommendation of all system flushing of debris from the water-
to-refrigerant heat exchanger, along with air purging from the water-to-refrigerant heat exchanger be done in accor-
dance with the Closed-Loop/Ground Source Heat Pump Systems Installation Guide).
____ Is vibration isolation provided? (i.e. unit isolation pad, hosekits)
____ Is unit serviceable? (See clearance specifications on pages 8 and 9).
____ Are the low/high-side pressure temperature caps secure and in place?
____ Are all the unit access panels secure and in place?
____ Is the thermostat in the OFF position?
____ Is the water flow established and circulating through all the units?
____ Is the duct work correctly sized, run, taped, insulated and weather proofed with proper unit arrangement?
____ Is the condensate line properly sized, run, trapped, pitched and primed?
____ Is the zone sensor correctly wired and in a good location?
____ Does the indoor blower turn freely without rubbing?
____ Has all work been done in accordance with applicable local and national codes?
____ Has heat transfer fluid been added in the proper mix to prevent freezing in closed system application?

74 WSHP-SVX01D-EN
Initial Unit Start-up
Note: Start-up for the Terminal Unit Controller (TUC) may be found in WSHP-IOP-1. Start-up for the Tracer ZN510 controller may
be found in WSHP-IOP-2. Start-up for the Tracer ZN524 controller may be found in WSHP-PRB002-EN.
Start-up with the conventional thermostat is included below:
1.Set the thermostat to the highest position.
2.Set the thermostat system switch to COOL with the fan control to AUTO. The compressor should NOT run.
3.Reduce the thermostat setting until the compressor, reversing valve, solenoid valve, and loop pump are energized.
Adjust water flow utilizing pressure/temperature plugs and comparing to tables contained in specification sheet data.
Water leaving the heat exchanger should be warmer than the entering water temperature (approximately 9-12ºF);
blower operation should be smooth; compressor and blower amps should be within data plate ratings; the suction
line should be cool with no frost observed in the refrigerant circuit.
4.Check the cooling refrigerant pressures against values in Table 7. (Page 75).
5.Turn the thermostat system switch to the OFF position. Unit should stop running and the reversing valve should de-
energize.
6.Leave unit off for approximately FIVE minutes to allow for pressure equalization.
7.Turn the thermostat to the lowest setting.
8.Set the thermostat system switch to the HEAT position.
9.Adjust the temperature setting upward until the unit is energized. Warm air should blow from the register. A water
temperature decrease of approximately 5-9ºF leaving the heat exchanger should be noted. The blower and
compressor operation should be smooth with no frost observed in the refrigeration circuit.
10.Check the heating refrigerant pressures against values in Table 7. (Page 75)
11.Set the thermostat to maintain the desired space temperature.
12.Instruct the owner on system operation.
Sequence
of Operation

WSHP-SVX01D-EN 75
Operating Pressures
GENERAL: There are many variables (airflow, air temperatures) in an air conditioning system that will affect operating refrigerant pressures and
temperatures. The charts below shows approximate conditions and is based on air flow at the rated SCFM, entering air at 80.6 °F(DB), 66.2 °F(WB)
in cooling, 68 °F(DB) in heating. (+)Heating data with 35 °F EWT is based on the use of an anti-freeze solution having a freezing point 20 °F lower
than the minimum expected entering temperature.
Table 7: Operating pressures in cooling/heating
Operating Data
Model
GEH/GEV Entering
Water Temp,
°F
Water
Flow
GPM
Cooling Heating
Suction Pres-
sure,
PSIG
Discharge
Pressure,
PSIG
Water
Temp Rise
°F
Air Temp
Drop
°F DB
Suction
Pressure
PSIG
Discharge
Pressure
PSIG
Water Temp
Drop
°F
Air Temp
Rise
°F DB
006 (60 HZ) 35° 1.2 42 - 48 165 - 210 6 - 7 23 - 29
1.5 45 - 52 168 - 214 5 - 6 23 - 29
45° 1.2 68 - 78 143 - 182 14 - 18 24 - 30 52 - 60 176 - 224 7 - 9 26 - 34
1.5 68 - 78 134 - 170 11 - 14 24 - 31 56 - 64 180 - 229 6 - 7 27 - 34
55° 1.2 68 - 79 139 - 177 13 - 17 23 - 30 63 - 73 189 - 241 8 - 10 30 - 39
1.5 68 - 78 129 - 164 11 - 14 24 - 30 67 - 77 193 - 246 7 - 8 31 - 39
68° 1.2 71 - 82 153 - 195 13 - 16 23 - 29 78 - 90 206 - 262 10 - 12 35 - 45
1.5 70 - 81 144 - 183 10 - 13 23 - 29 82 - 94 210 - 268 8 - 10 36 - 45
75° 1.2 73 - 84 172 - 219 13 - 16 23 - 29 85 - 98 214 - 272 10 - 13 38 - 48
1.5 72 - 83 163 - 207 10 - 13 23 - 29 89 - 103 219 - 279 8 - 11 38 - 48
86° 1.2 75 - 86 206 - 262 12 - 16 22 - 28 95 - 109 225 - 287 11 - 14 41 - 52
1.5 74 - 85 196 - 250 10 - 13 23 - 29 99 - 114 231 - 294 9 - 12 41 - 52
95° 1.2 76 - 87 231 - 294 12 - 16 22 - 28
1.5 75 - 86 222 - 282 10 - 13 22 - 28
009 (60 HZ)
006 (50 HZ)
35° 1.7 44 - 50 163 - 208 5 - 7 21 - 26
2.1 45 - 51 166 - 211 4 - 5 21 - 27
45° 1.7 69 - 79 134 - 171 13 - 16 21 - 27 52 - 60 174 - 221 6 - 8 24 - 30
2.1 69 - 79 131 - 167 10 - 13 21 - 27 54 - 62 176 - 224 5 - 7 24 - 31
55° 1.7 71 - 81 137 - 174 12 - 16 20 - 26 63 - 72 186 - 236 7 - 9 27 - 34
2.1 70 - 81 132 - 168 10 - 13 20 - 26 65 - 75 188 - 239 6 - 8 28 - 35
68° 1.7 72 - 83 157 - 199 12 - 15 20 - 25 78 - 89 201 - 256 9 - 11 31 - 40
2.1 72 - 83 151 - 192 10 - 12 20 - 25 80 - 92 204 - 259 7 - 9 32 - 40
75° 1.7 73 - 84 173 - 221 12 - 15 19 - 24 85 - 98 211 - 268 9 - 12 33 - 42
2.1 73 - 84 167 - 212 10 - 12 19 - 25 87 - 100 213 - 271 8 - 10 34 - 43
86° 1.7 75 - 86 205 - 261 11 - 15 19 - 24 96 - 110 221 - 281 10 - 13 36 - 46
2.1 74 - 86 198 - 252 9 - 12 19 - 24 97 - 112 223 - 284 9 - 11 37 - 47
95° 1.7 76 - 88 235 - 299 11 - 14 18 - 23
2.1 76 - 87 228 - 290 9 - 12 18 - 23
012 (60 HZ)
009 (50 HZ)
35° 2.2 42 - 48 159 - 202 5 - 7 21 - 27
2.8 43 - 50 161 - 205 4 - 6 21 - 27
45° 2.2 68 - 78 149 - 190 14 - 18 22 - 28 52 - 59 170 - 216 6 - 8 24 - 30
2.8 68 - 79 144 - 184 11 - 14 23 - 29 53 - 61 172 - 218 5 - 7 24 - 31
55° 2.2 69 - 80 133 - 169 13 - 17 21 - 27 58 - 66 178 - 227 7 - 9 26 - 33
2.8 70 - 80 128 - 163 10 - 13 22 - 27 59 - 68 180 - 229 6 - 7 27 - 34
68° 2.2 71 - 82 158 - 201 13 - 16 21 - 26 63 - 72 184 - 234 8 - 10 29 - 37
2.8 71 - 82 153 - 195 10 - 13 21 - 26 64 - 74 186 - 237 6 - 8 29 - 37
75° 2.2 72 - 83 175 - 223 13 - 16 20 - 26 67 - 77 187 - 238 9 - 11 30 - 38
2.8 72 - 83 170 - 217 10 - 13 20 - 26 68 - 79 189 - 240 7 - 9 30 - 39
86° 2.2 74 - 85 204 - 259 13 - 16 19 - 25 71 - 81 194 - 247 9 - 12 32 - 40
2.8 74 - 85 199 - 253 10 - 13 20 - 25 72 - 83 196 - 249 7 - 9 32 - 41
95° 2.2 75 - 86 235 - 299 12 - 16 19 - 24
2.8 75 - 86 230 - 293 10 - 12 19 - 24
015 (60 HZ)
012 (50 HZ)
35° 2.8 43 - 49 166 - 211 5 - 6 20 - 26
3.5 44 - 51 167 - 213 4 - 5 21 - 26
45° 2.8 69 - 79 117 - 149 12 - 16 21 - 27 52 - 60 179 - 227 6 - 8 23 - 30
3.5 68 - 79 112 - 143 10 - 13 21 - 27 54 - 62 180 - 230 5 - 6 24 - 30
55° 2.8 70 - 80 127 - 162 12 - 15 21 - 26 62 - 72 191 - 244 7 - 9 27 - 34
3.5 69 - 80 123 - 156 10 - 12 20 - 26 64 - 73 193 - 246 6 - 8 27 - 35
68° 2.8 71 - 82 151 - 192 12 - 15 20 - 25 74 - 85 207 - 264 8 - 11 31 - 39
3.5 71 - 82 147 - 187 9 - 12 20 - 25 75 - 87 209 - 266 7 - 9 31 - 39
75° 2.8 72 - 83 168 - 213 11 - 15 19 - 25 79 - 91 214 - 272 9 - 11 32 - 41
3.5 72 - 83 164 - 208 9 - 12 19 - 25 80 - 92 216 - 275 7 - 9 33 - 41
86° 2.8 74 - 85 199 - 254 11 - 14 19 - 24 83 - 96 215 - 274 10 - 12 34 - 43
3.5 73 - 84 194 - 247 9 - 11 19 - 24 84 - 97 217 - 276 8 - 10 34 - 43
95° 2.8 75 - 86 228 - 291 11 - 14 18 - 23
3.5 75 - 86 222 - 283 9 - 11 18 - 23
Operation Pressures

76 WSHP-SVX01D-EN
Operating Data
Model
GEH/GEV
Entering
Water Temp,
°F
Water
Flow
GPM
Cooling Heating
Suction Pres-
sure,
PSIG
Discharge
Pressure,
PSIG
Water
Temp Rise
°F
Air Temp
Drop
°F DB
Suction
Pressure
PSIG
Discharge
Pressure
PSIG
Water Temp
Drop
°F
Air Temp
Rise
°F DB
018 (60 HZ)
015 (50 HZ)
35° 3.3 39 - 45 155 - 197 5 - 7 21 - 26
4.2 40 - 46 156 - 198 4 - 5 21 - 27
45° 3.3 70 - 81 110 - 141 14 - 18 23 - 29 47 - 55 164 - 209 6 - 8 24 - 30
4.2 70 - 80 107 - 136 11 - 14 23 - 29 49 - 56 165 - 211 5 - 6 24 - 31
55° 3.3 72 - 83 132 - 167 14 - 18 23 - 29 56 - 65 174 - 222 7 - 9 27 - 34
4.2 72 - 82 127 - 162 11 - 14 23 - 29 58 - 67 176 - 224 6 - 8 27 - 35
68° 3.3 74 - 85 149 - 190 13 - 17 22 - 28 68 - 78 188 - 239 9 - 11 31 - 39
4.2 74 - 85 144 - 183 10 - 13 22 - 28 70 - 80 189 - 241 7 - 9 32 - 40
75° 3.3 75 - 87 164 - 209 13 - 16 21 - 27 74 - 85 195 - 248 10 - 12 33 - 42
4.2 75 - 86 159 - 202 10 - 13 21 - 27 76 - 87 197 - 251 8 - 10 34 - 43
86° 3.3 77 - 88 195 - 248 13 - 16 20 - 26 83 - 96 207 - 263 10 - 13 36 - 46
4.2 76 - 88 189 - 240 10 - 13 20 - 26 85 - 98 209 - 266 8 - 11 37 - 47
95° 3.3 78 - 89 223 - 284 13 - 16 19 - 24
4.2 77 - 89 217 - 276 10 - 13 19 - 25
024 (60 HZ)
018 (50 HZ)
35° 4.4 42 - 48 163 - 207 6 - 7 21 - 27
5.5 43 - 49 164 - 209 5 - 6 22 - 28
45° 4.4 67 - 77 125 - 160 15 - 18 23 - 30 50 - 58 175 - 223 7 - 9 25 - 32
5.5 66 - 76 120 - 153 12 - 15 23 - 30 52 - 59 177 - 225 6 - 7 26 - 32
55° 4.4 69 - 79 137 - 174 14 - 18 22 - 28 59 - 68 188 - 239 8 - 10 29 - 36
5.5 68 - 79 131 - 166 12 - 15 22 - 29 61 - 70 190 - 242 7 - 8 29 - 37
68° 4.4 72 - 82 163 - 207 14 - 17 21 - 27 70 - 81 204 - 259 9 - 12 33 - 42
5.5 71 - 82 155 - 198 11 - 14 22 - 28 72 - 82 206 - 263 8 - 10 33 - 42
75° 4.4 73 - 84 181 - 231 14 - 17 21 - 27 75 - 87 211 - 269 10 - 13 35 - 44
5.5 73 - 83 174 - 221 11 - 14 21 - 27 77 - 88 214 - 272 8 - 10 35 - 45
86° 4.4 75 - 86 215 - 274 13 - 17 20 - 26 82 - 95 220 - 281 11 - 14 37 - 47
5.5 74 - 86 207 - 263 10 - 13 20 - 26 84 - 97 223 - 284 9 - 11 38 - 48
95° 4.4 77 - 88 246 - 313 13 - 16 19 - 25
5.5 76 - 87 238 - 302 10 - 13 20 - 25
030 (60 HZ)
024 (50 HZ) 35° 5.5 42 - 48 161 - 205 5 - 6 20 - 25
6.9 43 - 50 163 - 207 4 - 5 20 - 26
45° 5.5 67 - 77 118 - 151 13 - 16 22 - 28 51 - 58 172 - 219 6 - 8 23 - 29
6.9 67 - 77 115 - 146 10 - 13 22 - 27 52 - 59 174 - 221 5 - 6 23 - 30
55° 5.5 68 - 78 129 - 165 12 - 16 21 - 27 59 - 68 185 - 235 7 - 9 26 - 33
6.9 67 - 77 126 - 160 10 - 13 21 - 27 60 - 69 187 - 238 6 - 7 27 - 34
68° 5.5 71 - 82 154 - 196 12 - 15 20 - 26 69 - 80 199 - 254 8 - 10 30 - 38
6.9 71 - 82 150 - 191 10 - 12 21 - 26 71 - 81 201 - 256 7 - 8 30 - 39
75° 5.5 73 - 84 171 - 217 12 - 15 20 - 25 74 - 86 206 - 262 9 - 11 32 - 40
6.9 73 - 83 166 - 212 10 - 12 20 - 26 76 - 87 208 - 264 7 - 9 32 - 41
86° 5.5 75 - 86 201 - 256 12 - 15 19 - 25 81 - 93 217 - 277 9 - 12 34 - 43
6.9 74 - 86 196 - 250 9 - 12 20 - 25 82 - 95 219 - 279 8 - 10 34 - 44
95° 5.5 76 - 88 229 - 292 11 - 14 19 - 24
6.9 76 - 87 224 - 285 9 - 11 19 - 24
036 (60 HZ)
030 (50 HZ)
35° 6.6 39 - 45 155 - 198 5 - 6 19 - 24
8.3 41 - 47 158 - 201 4 - 5 19 - 24
45° 6.6 66 - 77 118 - 150 13 - 16 21 - 26 49 - 57 169 - 215 6 - 8 23 - 29
8.3 66 - 76 113 - 144 10 - 13 21 - 26 51 - 58 170 - 217 5 - 6 23 - 29
55° 6.6 69 - 79 132 - 168 12 - 16 20 - 26 59 - 68 181 - 230 7 - 9 26 - 33
8.3 69 - 79 126 - 161 10 - 13 21 - 26 60 - 69 183 - 233 6 - 8 26 - 34
68° 6.6 71 - 82 156 - 199 12 - 16 20 - 25 72 - 83 197 - 251 9 - 11 30 - 39
8.3 71 - 82 151 - 192 10 - 13 20 - 26 74 - 85 200 - 254 7 - 9 31 - 39
75° 6.6 73 - 84 173 - 220 12 - 15 20 - 25 78 - 90 206 - 262 10 - 12 33 - 42
8.3 73 - 84 167 - 212 10 - 12 20 - 26 80 - 93 209 - 266 8 - 10 33 - 42
86° 6.6 75 - 86 202 - 257 12 - 15 20 - 25 88 - 101 218 - 278 10 - 13 35 - 45
8.3 74 - 86 195 - 248 10 - 12 20 - 26 91 - 104 222 - 282 8 - 11 36 - 45
95° 6.6 76 - 88 228 - 290 12 - 15 20 - 25
8.3 76 - 88 221 - 282 10 - 12 20 - 26
040 (60 HZ) 35° 7.4 39 - 45 167 - 213 5 - 6 19 - 25
9.2 40 - 46 168 -214 4 - 5 20 - 25
45° 7.4 63 - 73 119 - 151 13 - 16 21 - 27 48 - 56 180 - 230 6 - 7 23 - 29
9.2 62 - 72 115 - 147 10 - 13 21 - 27 50 - 58 181 - 231 5 - 6 23 - 29
55° 7.4 66 - 76 133 - 169 13 - 16 21 - 27 57 -65 194 - 246 7 - 8 26 - 33
9.2 66 - 76 128 - 164 10 - 13 21 - 27 59 - 67 195 - 249 5 - 7 26 - 33
68° 7.4 69 - 79 157 - 199 12 - 16 21 - 26 69 - 79 211 - 269 8 -10 30 - 38
9.2 69 - 79 151 - 193 10 - 12 21 - 26 71 - 81 213 - 271 6 - 8 30 - 39
75° 7.4 71 - 81 172 - 218 12 - 15 20 - 26 76 - 88 221 - 281 9 - 11 32 - 41
9.2 71 - 81 166 - 212 10 - 12 20 - 26 78 - 90 223 - 283 7 - 9 33 - 42
86° 7.4 73 - 83 200 - 254 12 - 15 20 - 25 83 - 95 234 - 298 9 - 12 35 - 44
9.2 73 - 83 193 - 245 9 - 12 20 - 25 85 - 97 236 - 300 8 - 10 35 - 45
95° 7.4 74 - 86 225 - 287 11 - 14 19 - 24
9.2 74 - 86 217 - 277 9 - 12 19 - 24
Operation Pressures

WSHP-SVX01D-EN 77
Operating Data
Model
GEH/GEV
Entering
Water Temp,
°F
Water
Flow
GPM
Cooling Heating
Suction Pres-
sure,
PSIG
Discharge
Pressure,
PSIG
Water
Temp Rise
°F
Air Temp
Drop
°F DB
Suction
Pressure
PSIG
Discharge
Pressure
PSIG
Water Temp
Drop
°F
Air Temp
Rise
°F DB
042 (60 HZ)
036 (50 HZ)
35° 7.8 38 - 44 163 - 207 5 - 6 19 - 24
9.7 40 - 46 165 - 210 4 - 5 19 - 25
45° 7.8 66 - 76 122 - 155 13 - 16 21 - 27 47 - 54 176 - 225 6 - 7 22 - 28
9.7 66 - 75 118 - 150 10 - 13 21 - 27 48 - 55 178 - 227 5 - 6 22 - 29
55° 7.8 67 - 77 133 - 170 13 - 16 21 - 27 55 - 64 192 - 245 7 - 9 25 - 32
9.7 66 - 76 129 - 164 10 - 13 21 - 27 57 - 66 194 - 247 6 - 7 26 - 32
68° 7.8 70 - 81 156 - 199 12 - 15 21 - 26 68 - 78 213 - 271 8 - 10 29 - 37
9.7 70 - 80 151 - 192 10 - 12 21 - 26 69 - 80 215 - 273 7 - 8 30 - 38
75° 7.8 72 - 82 172 - 219 12 - 15 20 - 26 74 - 85 223 - 283 9 - 11 32 - 40
9.7 71 - 82 166 - 212 10 - 12 20 - 26 76 - 87 225 - 286 7 - 9 32 - 41
86° 7.8 73 - 85 200 - 255 12 - 15 19 - 25 83 - 95 236 - 301 10 - 12 34 - 43
9.7 73 - 84 194 - 248 9 - 12 19 - 25 84 - 97 238 - 303 8 - 10 34 - 44
95° 7.8 75 - 86 227 - 289 11 - 14 19 - 24
9.7 75 - 86 220 - 280 9 - 12 19 - 24
048 (60 HZ)
042 (50 HZ)35° 8.8 40 - 46 155 - 197 5 - 6 20 - 25
11 41 - 47 156 - 199 4 - 5 20 - 26
45° 8.8 66 - 77 117 - 149 14 - 17 21 - 27 49 - 56 165 - 209 6 - 8 23 - 29
11 66 - 76 113 - 144 11 - 14 22 - 28 50 - 57 166 - 211 5 - 6 23 - 30
55° 8.8 69 - 79 132 - 168 13 - 17 21 - 27 57 - 66 175 - 223 7 - 9 26 - 33
11 68 - 79 127 - 162 11 - 14 21 - 27 59 - 67 177 - 225 6 - 7 27 - 34
68° 8.8 72 - 82 156 - 199 13 - 17 20 - 26 69 - 79 189 - 241 8 - 11 30 - 38
11 71 - 82 150 - 192 10 - 13 21 - 26 70 - 81 191 - 243 7 - 9 31 - 39
75° 8.8 73 - 84 172 - 219 13 - 16 20 - 25 73 - 84 195 - 249 9 - 11 32 - 40
11 72 - 83 166 - 211 10 - 13 20 - 26 74 - 85 197 - 250 7 - 9 32 - 41
86° 8.8 74 - 85 200 - 255 12 - 16 19 - 25 77 - 89 201 - 256 9 - 12 33 - 42
11 74 - 85 193 - 246 10 - 13 19 - 25 78 - 90 202 - 257 8 - 10 34 - 43
95° 8.8 76 - 87 226 - 288 12 - 15 19 - 24
11 75 - 86 219 - 279 10 - 12 19 - 24
060 (60 HZ)
048 (50 HZ)
35° 11.6 40 - 46 164 - 209 5 - 6 21 - 27
14.5 41 - 47 166 - 211 4 - 5 21 - 27
45° 11.6 64 - 74 111 - 142 12 - 15 21 - 27 48 - 55 175 - 223 6 - 8 24 - 31
14.5 64 - 74 108 - 138 9 - 12 21 - 26 49 - 57 177 - 225 5 - 6 24 - 31
55° 11.6 67 - 77 127 - 162 12 - 15 20 - 26 58 - 67 187 - 238 7 - 9 27 - 35
14.5 67 - 77 123 - 156 9 - 12 21 - 26 59 - 68 188 - 240 6 - 7 28 - 35
68° 11.6 70 - 80 152 - 194 12 - 15 20 - 26 70 - 81 202 - 257 8 - 11 31 - 40
14.5 69 - 80 147 - 187 9 - 12 20 - 26 72 - 82 203 - 259 7 - 9 32 - 40
75° 11.6 70 - 81 168 - 214 12 - 15 20 - 25 76 - 88 209 - 266 9 - 12 33 - 42
14.5 70 - 81 163 - 207 9 - 12 20 - 26 78 - 90 211 - 269 7 - 9 34 - 43
86° 11.6 71 - 82 197 - 250 11 - 14 20 - 25 85 - 98 220 - 280 10 - 13 36 - 45
14.5 71 - 82 190 - 242 9 - 12 20 - 25 87 - 100 222 - 282 8 - 10 36 - 46
95° 11.6 72 - 83 223 - 283 11 - 14 19 - 24
14.5 72 - 83 216 - 274 9 - 11 19 - 25
060 (50 HZ) 35° 11.6 36 - 41 151 - 192 4 - 5 17 - 22
14.5 37 - 42 152 - 193 3 - 4 17 - 22
45° 11.6 67 - 77 114 - 145 11 - 14 20 - 26 44 - 51 161 - 206 5 - 7 21 - 26
14.5 67 - 77 111 - 141 9 - 11 20 - 26 45 - 52 163 - 207 4 - 6 21 - 27
55° 11.6 70 - 81 129 - 165 11 - 14 20 - 25 54 - 62 173 - 220 6 - 8 23 - 30
14.5 70 - 80 125 - 159 9 - 11 20 - 25 55 - 64 175 - 222 5 - 6 24 - 30
68° 11.6 72 - 83 155 - 197 11 - 14 20 - 25 66 - 76 188 - 239 7 - 9 27 - 34
14.5 72 - 83 149 - 190 9 - 11 20 - 25 68 - 78 190 - 242 6 - 8 27 - 35
75° 11.6 73 - 84 171 - 217 11 - 14 19 - 25 72 - 83 196 - 249 8 - 10 29 - 37
14.5 73 - 84 165 - 210 9 - 11 20 - 25 74 - 85 197 - 251 7 - 8 29 - 37
86° 11.6 74 - 85 199 - 253 11 - 14 19 - 24 81 - 93 2069 - 263 9 - 11 31 - 39
14.5 74 - 85 193 - 245 9 - 11 19 - 24 83 - 95 208 - 265 7 - 9 31 - 39
95° 11.6 75 - 86 225 - 286 11 - 13 19 - 24
14.5 75 - 86 218 - 277 8 - 11 19 - 24
Operation Pressures

78 WSHP-SVX01D-EN
Operation Pressures
Operating Data
Model
GEH/GEV Entering
Water Temp,
°F
Water
Flow
GPM
Cooling Heating
Suction Pres-
sure,
PSIG
Discharge
Pressure,
PSIG
Water
Temp Rise
°F
Air Temp
Drop
°F DB
Suction
Pressure
PSIG
Discharge
Pressure
PSIG
Water Temp
Drop
°F
Air Temp
Rise
°F DB
072 (60 HZ) 35 12 26 - 33 139 - 177 5 - 7 14 - 18
35 18 27 - 34 140 - 179 3 - 4 14 - 19
45 12 69 - 79 107 - 136 14 - 18 21 - 26 36 - 46 152 - 193 7 - 8 18 - 23
45 18 68 - 78 98 - 125 9 - 12 21 - 27 37 - 48 153 - 195 4 - 6 19 - 24
55 12 70 - 80 127 - 162 14 - 18 20 - 26 47 - 60 165 - 210 8 - 10 22 - 29
55 18 69 - 79 118 - 150 9 - 12 20 - 26 49 - 62 168 - 213 5 - 7 23 - 29
68 12 71 - 82 156 - 199 13 - 17 19 - 25 63 - 80 184 - 235 9 - 12 28 - 36
68 18 70 - 81 145 - 185 9 - 11 20 - 25 66 - 84 188 - 239 6 - 8 29 - 37
75 12 72 - 83 173 - 220 13 - 17 19 - 24 71 - 90 194 - 246 10 - 12 31 - 39
75 18 71 - 82 161 - 205 9 - 11 19 - 25 76 - 97 200 - 254 7 - 8 32 - 41
86 12 74 - 85 202 - 257 13 - 16 18 - 24 84 - 107 209 - 266 11 - 14 35 - 44
86 18 73 - 84 188 - 240 8 - 11 19 - 24 91 - 116 217 - 276 7 - 9 37 - 47
95 12 76 - 88 228 - 290 12 - 16 18 - 23
95 18 75 - 86 213 - 271 8 - 10 18 - 23
090 (60 HZ)
072 (50 HZ)35 15.0 26 - 45 139 - 204 5 - 6 16 - 21
35 22.5 27 - 46 140 - 206 3 - 4 17 - 22
45 15.0 69 - 80 107 - 148 14 - 18 20 - 26 36 - 55 152 - 217 6 - 8 20 - 25
45 22.5 68 - 80 98 - 135 9 - 12 20 - 26 37 - 57 153 - 219 4 - 6 20 - 26
55 15.0 70 - 80 127 - 173 13 - 17 20 - 25 47 - 66 165 - 231 7 - 9 23 - 30
55 22.5 69 - 80 118 - 160 9 - 11 20 - 25 49 - 69 168 - 234 5 - 6 24 - 31
68 15.0 71 - 82 156 - 213 13 - 17 19 - 24 63 - 83 184 - 250 9 - 11 28 - 36
68 22.5 70 - 82 145 - 196 9 - 11 19 - 25 66 - 87 188 - 254 6 - 8 29 - 37
75 15.0 72 - 83 173 - 235 13 - 17 19 - 24 71 - 93 194 - 262 9 - 12 31 - 39
75 22.5 71 - 82 161 - 216 9 - 11 19 - 24 76 - 97 200 - 266 6 - 8 32 - 41
86 15.0 73 - 85 202 - 274 13 - 16 18 - 23 84 - 110 209 - 281 10 - 13 34 - 44
86 22.5 73 - 84 188 - 253 8 - 11 18 - 24 91 - 116 217 - 286 7 - 9 36 - 46
95 15.0 74 - 88 228 - 310 12 - 16 18 - 23 0 - 0 0 - 0 83 - 106 -60 - -77
95 22.5 74 - 86 213 - 285 8 - 10 18 - 23 0 - 0 0 - 0 83 - 106 -60 - -77
120 (60 HZ)
090(50 HZ)
35 20 0 - 0 0 - 0 -31 - -40 70 - 90 35 - 45 161 - 204 5 - 6 19 - 24
35 30 0 - 0 0 - 0 -31 - -40 70 - 90 36 - 46 162 - 206 3 - 4 19 - 25
45 20 70 - 80 116 - 148 13 - 17 19 - 25 43 - 55 170 - 217 6 - 8 22 - 28
45 30 70 - 80 106 - 135 9 - 11 19 - 25 45 - 57 172 - 219 4 - 6 22 - 28
55 20 70 - 80 136 - 173 13 - 17 19 - 25 52 - 66 181 - 231 8 - 10 24 - 31
55 30 70 - 80 126 - 160 9 - 11 19 - 25 54 - 69 183 - 234 5 - 7 25 - 32
68 20 71 - 82 167 - 213 13 - 17 19 - 24 65 - 83 196 - 250 9 - 11 28 - 36
68 30 71 - 82 154 - 196 9 - 11 19 - 24 68 - 87 200 - 254 6 - 8 29 - 37
75 20 72 - 83 185 - 235 13 - 17 19 - 24 73 - 93 205 - 262 9 - 12 31 - 39
75 30 71 - 82 170 - 216 8 - 11 19 - 24 76 - 97 209 - 266 6 - 8 31 - 40
86 20 73 - 84 215 - 274 13 - 17 18 - 23 87 - 110 220 - 281 11 - 14 34 - 44
86 30 73 - 84 199 - 253 8 - 11 18 - 23 91 - 115 225 - 286 7 - 9 35 - 45
95 20 74 - 85 244 - 310 13 - 16 18 - 23
95 30 74 - 85 224 - 285 8 - 11 18 - 23

WSHP-SVX01D-EN 79
Operating Data
Model
GEH/GEV Entering
Water Temp,
°F
Water
Flow
GPM
Cooling Heating
Suction
Pressure,
PSIG
Discharge
Pressure,
PSIG
Water
Temp Rise
°F
Air Temp
Drop
°F DB
Suction
Pressure
PSIG
Discharge
Pressure
PSIG
Water Temp
Drop
°F
Air Temp
Rise
°F DB
150 (60 HZ)
120 (50 HZ)
35 25.0 34 - 44 151 - 193 5 - 8 17 - 23
35 37.5 36 - 46 153 - 196 3 - 5 18 - 24
45 25.0 69 - 80 100 - 128 12 - 16 18 - 25 42 - 54 160 - 204 7 - 9 20 - 26
45 37.5 69 - 80 96 - 123 8 - 11 18 - 25 42 - 55 161 - 205 4 - 6 20 - 26
55 25.0 69 - 80 120 - 153 12 - 16 18 - 24 51 - 65 169 - 216 8 - 11 22 - 29
55 37.5 69 - 80 115 - 147 8 - 11 18 - 24 54 - 70 172 - 220 5 - 8 23 - 31
68 25.0 70 - 81 148 - 189 12 - 16 18 - 24 64 - 82 182 - 232 9 - 13 26 - 34
68 37.5 70 - 81 142 - 182 8 - 11 18 - 24 68 - 88 186 - 238 7 - 9 27 - 36
75 25.0 71 - 82 164 - 210 12 - 16 18 - 24 71 - 92 189 - 242 10 - 14 28 - 37
75 37.5 71 - 82 158 - 202 8 - 11 18 - 24 77 - 99 194 - 248 7 - 10 30 - 39
86 25.0 72 - 84 192 - 246 12 - 16 17 - 23 85 - 109 201 - 257 12 - 16 31 - 41
86 37.5 72 - 84 185 - 237 8 - 11 18 - 23 92 - 118 208 - 266 8 - 12 33 - 43
95 25.0 73 - 85 218 - 278 11 - 16 17 - 23
95 37.5 73 - 85 210 - 268 7 - 11 17 - 23
180 (60 HZ)
150 (50 HZ) 35 30 30 - 40 147 - 189 5 - 8 17 - 23
35 45 32 - 42 150 - 192 3 - 5 18 - 24
45 30 66 - 77 106 - 136 12 - 17 18 - 25 38 - 49 156 - 199 6 - 9 20 - 26
45 45 66 - 77 102 - 131 8 - 11 18 - 25 40 - 53 159 - 203 4 - 7 21 - 27
55 30 66 - 77 126 - 161 12 - 17 18 - 24 46 - 59 165 - 211 8 - 11 23 - 30
55 45 66 - 77 120 - 153 8 - 11 18 - 24 50 - 64 169 - 216 5 - 8 24 - 31
68 30 68 - 79 154 - 196 12 - 16 18 - 24 58 - 75 178 - 227 9 - 13 26 - 35
68 45 67 - 78 147 - 187 8 - 11 18 - 24 63 - 81 183 - 234 6 - 9 28 - 37
75 30 68 - 80 170 - 217 12 - 16 18 - 24 65 - 84 185 - 237 10 - 14 29 - 37
75 45 68 - 79 162 - 208 8 - 11 18 - 24 71 - 92 191 - 245 7 - 10 30 - 40
86 30 70 - 81 199 - 254 12 - 16 17 - 23 78 - 100 198 - 253 12 - 16 32 - 42
86 45 69 - 81 190 - 243 8 - 11 17 - 23 85 - 109 206 - 263 8 - 12 34 - 44
95 30 71 - 82 224 - 287 12 - 16 17 - 23
95 45 70 - 82 215 - 274 8 - 11 17 - 23
GEV
240 (60 HZ)
180 (50 HZ)
35 40 31 - 40 157 - 201 5 - 8 19 - 25
35 60 32 - 42 160 - 204 3 - 5 20 - 26
45 40 65 - 76 113 - 145 13 - 18 19 - 25 37 - 48 166 - 212 7 - 10 21 - 28
45 60 65 - 76 109 - 140 9 - 12 19 - 25 40 - 51 168 - 215 4 - 7 22 - 29
55 40 66 - 77 134 - 171 13 - 18 19 - 25 45 - 58 174 - 223 8 - 11 23 - 31
55 60 65 - 76 125 - 160 9 - 12 19 - 25 48 - 61 177 - 227 5 - 8 24 - 32
68 40 67 - 78 163 - 209 13 - 18 18 - 25 55 - 72 186 - 238 9 - 12 27 - 35
68 60 67 - 77 152 - 195 9 - 12 19 - 25 59 - 76 190 - 243 6 - 9 28 - 36
75 40 67 - 79 180 - 231 13 - 18 18 - 24 62 - 80 193 - 247 10 - 13 28 - 37
75 60 67 - 78 169 - 215 9 - 12 18 - 24 66 - 85 198 - 252 7 - 10 30 - 39
86 40 69 - 80 210 - 269 13 - 18 18 - 24 72 - 93 205 - 261 11 - 15 31 - 41
86 60 68 - 80 197 - 251 9 - 12 18 - 24 77 - 99 210 - 268 8 - 11 33 - 43
95 40 70 - 81 238 - 303 13 - 18 18 - 23
95 60 69 - 81 222 - 284 9 - 12 18 - 24
GEV
300 (60 HZ)
240 (50 HZ)
35 50 27 - 36 162 - 207 5 - 7 18 - 24
35 75 30 - 39 165 - 211 3 - 5 19 - 25
45 50 64 - 74 115 - 148 13 - 17 18 - 24 35 - 45 171 - 219 6 - 9 20 - 27
45 75 64 - 74 111 - 142 8 - 12 18 - 24 37 - 49 175 - 224 4 - 6 21 - 28
55 50 65 - 76 134 - 171 12 - 17 18 - 24 43 - 55 181 - 232 7 - 10 23 - 30
55 75 66 - 77 128 - 164 8 - 12 18 - 24 46 - 60 186 - 237 5 - 7 24 - 31
68 50 66 - 77 160 - 205 12 - 16 18 - 23 55 - 71 195 - 249 9 - 12 26 - 34
68 75 67 - 78 154 - 197 8 - 11 18 - 23 60 - 77 201 - 257 6 - 9 27 - 36
75 50 67 - 78 176 - 225 12 - 16 17 - 23 62 - 80 203 - 260 10 - 13 28 - 37
75 75 68 - 79 169 - 216 8 - 11 17 - 23 68 - 87 210 - 268 7 - 10 29 - 39
86 50 68 - 79 203 - 260 12 - 16 17 - 23 74 - 95 216 - 277 11 - 15 31 - 40
86 75 69 - 81 196 - 250 8 - 11 17 - 23 81 - 104 224 - 287 8 - 11 33 - 43
95 50 69 - 81 228 - 292 12 - 16 17 - 22
95 75 69 - 80 220 - 281 8 - 11 17 - 22
Operation Pressures

80 WSHP-SVX01D-EN
Operation Pressures
Water Pressure Drop
Tables 8 and 9 should be used to define feet of head/pressure drop. Please note the feet of pressure (ft/head) provided is at ARI/ISO stan-
dard. Note: To calculate feet of head, when using gauges that read in PSIG,multiply PSI by 2.31.
Table 8: Cooling water pressure drops (WPD) in feet of head
Unit Size
60 HZ
Unit Size
50 HZ
EWT
FGPM Ft.
Pressure
006 -86 1.5 2.5
009 006 86 2.1 4.2
012 009 86 2.8 7.6
015 012 86 3.5 6.5
018 015 86 4.2 6.9
024 018 86 5.5 6.9
030 024 86 6.9 12.6
036 030 86 8.3 8.7
040 -86 9.2 11.4
042 036 86 9.7 12.4
048 042 86 11.0 9.1
060 048 86 14.5 12.5
-060 86 14.5 12.5
GEH 072 -86 18.0 12.7
GEH 090 GEH 072 86 22.5 13.2
GEH 120 GEH 090 86 30.0 13.6
GEH 150 GEH 120 86 37.5 13.7
GEH 180 GEH 150 86 45.0 19.3
GEV 072 -86 18.0 12.7
GEV 090 GEV 072 86 22.5 13.2
GEV 120 GEV 090 86 30.0 13.6
GEV 150 GEV 120 86 37.5 13.7
GEV 180 GEV 150 86 45.0 19.3
GEV 240 GEV 180 86 60.0 13.2
GEV 300 GEV 240 86 75.0 13.1
Water Volume
Table 10 is provided for use in calculating glycol requirements for the unit.
Table 10: Water volume
Unit Size
60 HZ
Unit Size
50 HZ
Water Side
Volume
Cubic In.
Water Side
Volume
Cubic Ft.
Water Side
Volume
Gallons
006-009 006 13.6 0.008 0.059
012 009 17.0 0.010 0.074
015-018 015 36.0 0.021 0.156
024 018 48.0 0.028 0.208
030 024 55.0 0.032 0.238
036 030 71.0 0.041 0.307
042 036 76.0 0.044 0.329
048 042 105.0 0.061 0.455
060 048, 060 171.0 0.099 0.740
072 -181.0 0.105 0.783
090 072 214 0.125 0.927
120 090 390 0.227 1.690
150, 180 120, 150 508 0.296 2.201
240 180 779 0.453 3.374
300 240 1057 0.615 4.576
Table 9: Heating water pressure drops (WPD) in feet of head
Unit Size
60 HZ
Unit Size
50 HZ
EWT
FGPM Ft. Pressure
006 -68 1.5 2.7
009 006 68 2.1 4.7
012 009 68 2.8 8.3
015 012 68 3.5 7.2
018 015 68 4.2 7.6
024 018 68 5.5 8.1
030 024 68 6.9 14.5
036 030 68 8.3 9.9
040 -68 9.2 12.5
042 036 68 9.7 14.0
048 042 68 11.0 9.7
060 048 68 18.0 14.2
-060 68 14.5 13.5
GEH 072 -68 18.0 14.4
GEH 090 GEH 072 68 22.5 16.9
GEH 120 GEH 090 68 30.0 15.5
GEH 150 GEH 120 68 37.5 16.4
GEH 180 GEH 150 68 45.0 19.3
GEV 072 -86 18.0 12.7
GEV 090 GEV 072 86 22.5 13.2
GEV 120 GEV 090 86 30.0 13.6
GEV 150 GEV 120 86 37.5 13.7
GEV 180 GEV 150 86 45.0 19.3
GEV 240 GEV 180 86 60.0 13.2
GEV 300 GEV 240 86 18.0 12.7

WSHP-SVX01D-EN 81
Start-up Checklist
and Log
Installing Contractor: Use this form to thoroughly check-out the system and units before and during
start-up. (This form need not be returned to the factory unless requested during technical service support).
Job Name:
Model Number:
Date:
Serial Number:
In order to minimize troubleshooting and costly system failures, complete the following checks and data
entries before the system is put into full operation.
MODE
Entering fluid temperature
Leaving fluid temperature
Temperature differential
Return-air temperature DB/WB
Supply-air temperature DB/WB
Temperature differential
Water coil heat exchanger
(Water Pressure IN)
Water coil heat exchanger
(Water Pressure OUT)
Pressure Differential
HEAT
F
COOL
F
F F
F F
PSIG PSIG
PSIG PSIG
PSIG PSIG
COMPRESSOR
Amps
Volts
Discharge line temperature
(after 10 minutes)
F F
F F
F F
F F

82 WSHP-SVX01D-EN
Preventive Maintenance
Maintenance on the unit is simplified
with the following preventive sugges-
tions:
Filter maintenance must be performed
to assure proper operation of the
equipment. Filters should be inspect-
ed at least every three months, and re-
placed when it is evident they are
dirty. Filter sizing includes:
WARNING
Hazardous
Voltage!
Disconnect all electric power, in-
cluding remote disconnects be-
fore servicing. Follow proper
lockout/tagout procedures to en-
sure the power can not be inad-
vertently energized. Failure to
Size
60 HZ Size
50 HZ Filter Size
GEH
006-015 006-012 14 5/8" x 20 1/4"
(371 x 514)
018-030 015-024 16 3/8" x 23 5/8"
(416 x 600)
036-042 030-036 18 5/8" x 25 3/8"
(473 x 645)
048-060 042-060 20 5/8" x 29 3/4"
(524 x 755)
072-120 072-090 20 x 20 (3)
(508 x 508)
150-180 120-150 25 x 25 (3)
(635 x 635)
GEV
006-015 006-012 15 7/8" x 19 7/8"
(403 x 504)
018-030,
040 015-024 17 7/8" x 24 7/8"
(454 x 632)
036-042 030-036 19 7/8" x 24 7/8"
(504 x 632)
048-060 042-060 27 7/8" x 29 7/8"
(708 x 759)
GEV 072-
120 090 20 x 20 (4)
(508 x 508)
150-300 120-240 19 5/8" x 24 5/8" (6)
(498 x 625)‘
disconnect power before servic-
ing could result in death or seri-
ous injury.
Check the contactors and relays within
the control panel at least once a year.
It is good practice to check the tight-
ness of the various wiring connections
within the control panel.
A strainer (60 mesh or greater) must
be used on an open loop system to
keep debris from entering the unit heat
exchanger and to ensure a clean sys-
tem.
For units on well water, it is important
to check the cleanliness of the water-
to-refrigerant heat exchanger. Should
it become contaminated with dirt and
scaling as a result of bad water, the
heat exchanger will have to be back
flushed and cleaned with a chemical
that will remove the scale. This service
should be performed by an experi-
enced service person.
WARNING
Hazardous
Chemicals!
Coil cleaning agents can be either
acidic or highly alkaline. Handle
chemical carefully. Proper han-
dling should include goggles or
face shield, chemical resistant
gloves, boots, apron or suit as re-
quired. For personal safety, refer
to the cleaning agent manufactur-
ers Materials Safety Data Sheet
and follow all recommended safe
handling practices. Failure to fol-
low all safety instructions could
result in death or serious injury.
It should be noted that the water qual-
ity should be checked periodically. See
Table 11.
Maintenance
Condensate Trap
For units incorporating a negative trap
design, ensure that the condensate
system is primed with water at all
times. Allowing a negative, pressure
condensate system to run dry could
cause a break in the condensate seal
allowing the fan to draw water from
the condensate line to spray moisture
into the mechanical system. By
maintaining a primed condensate trap,
a seal will be created and will help
prevent these complications.
Table 11: Water Quality Table
Scaling
Calcium and magnesium
(total hardness) Less than 350 ppm
Corrosion
pH 7-9.5
Hydrogen Sulfide Less than 1 ppm
Sulfates Less than 25 ppm
Chlorides Less than 125 ppm
Carbon Dioxide Less than 75 ppm
Total dissolved solids
(TDS) Less than 1000 ppm
Biological Growth
Iron Bacteria Low
Erosion
Suspended Solids Low

WSHP-SVX01D-EN 83
Warranty Information
Standard Warranty
The standard water-source heat pump warranty is The Trane Company parts-only warranty, running 12
months from startup, not to exceed 18-months from shipment.
Extended Warranty
The optional extended warranty is a second through fifth year warranty. The time starts at the end of the stan-
dard 1-year coverage through the fifth year.
These extended warranties apply only to new equipment installed in domestic Trane Commercial Systems
Group sales territories and must be ordered prior to start-up.
Warranty
Information

84 WSHP-SVX01D-EN
WARNING
Hazardous Service Procedures!
The maintenance and trouble shooting procedures recommended in this section of the manual could result
in exposure to electrical, mechanical or other potential safety hazards. Always refer to the safety warnings
provided throughout this manual concerning these procedures. When possible, disconnect all electrical pow-
er including remote disconnects before servicing. Follow proper lockout/tagout procedures to ensure the
power can not be inadvertently energized. When necessary to work with live electrical components, have a
qualified licensed electrician or other individual who has been trained in handling live electrical components
per these tasks. Failure to follow all of the recommended safety warnings provided, could result in death or
serious injury.
Problem Heating Cooling Cause Correction
No response to any
thermostat setting
X X Main power off Check fuses
X X Defective control transformer Replace
X X Broken or loose connection Repair
X X Defective thermostat Replace
X X Transformer Reset Transformer
Unit short cycles X X Thermostat or sensor improperly located Relocate
Blower runs, but compressor does not
X X Defective compressor overload Replace (if external)
X X Defective compressor contactor Replace
X X Supply Voltage too low Correct
X X Defective compressor capacitor Replace
X X Defective windings Replace
X X Limit switches open Check cause/Replace or repair
Insufficient capacity
X X Dirty filter Replace/clean
X X Blower RPM too low Correct
X X Loss of conditioned air due to leaks in
ductwork Repair leaks
XIntroduction of excessively hot return-air Correct
XIntroduction of excessively cold return-air Correct
X X Low on refrigerant charge Locate leak, repair and recharge by
weight (not by superheat)
X X Restricted thermal expansion valve Replace
X X Defective reversing valve See WSHP-IOM-# for touch test chart
X X Thermostat improperly located Relocate
X X Unit undersized Recalculate heat gains/losses
X X Inadequate water flow Increase GPM
X X Scaling in heat exchanger Clean or replace
XWater too hot Decrease temperature
XWater too cold Increase temperature
High pressure switch open
XInadequate GPM Increase water flow to unit
XWater too hot Decrease temperature
XInadequate air flow Check, clean blower and coil
XDirty filter Clean/replace
X X Overcharged with refrigerant Decrease charge
X X Defective pressure switch Check or replace
Troubleshooting
Checklist

WSHP-SVX01D-EN 85
Troubleshooting
Checklist
Deluxe Controls
Troubleshooting units which contain the deluxe control option may be made easy by using the three LEDs (light emitting
diodes). These LEDs are provided for indicating the operating mode of the controller. The LEDs are intended to aid in trou-
bleshooting maintenance. The LEDs are labeled on the circuit board with numbers as referenced in Table 12.
Problem Heating Cooling Cause Correction
High head pressure
XTrash in heat exchanger Backflush
XLow water flow Increase GPM
X X Overcharge of refrigerant Decrease charge
X X Non-condensable in system Evacuate and recharge by weight
X X Water too hot Decrease temperature
XDirty filter Clean / replace
XInadequate air flow Check, clean blower and coil
Low suction pressure
X X Undercharged Locate leak, repair and recharge
X X Restricted thermal expansion valve Repair / replace
XInadequate air flow Check, clean blower and coil
XDirty filter Clean/replace
XInadequate GPM Increase GPM
Low Pressure switch open
XInadequate GPM Increase GPM
XWater too cold Increase temperature
XInadequate air flow Increase CFM
XDirty filter Clean/replace
X X Undercharged with refrigerant Increase charge
X X Defective pressure switch Replace
X X Heat transfer fluid too cold Raise water temperature
Table 12: Diagnostic LEDs
Color: Green Color: Red Controller
Mode
LED1 LED2 LED3
OFF OFF OFF Control OFF
ON OFF OFF Normal/Compressor OFF
ON OFF FLASH Anti-short cycle
ON OFF ON Normal/Compressor ON
FLASH ON OFF Brownout Condition
ON FLASH ON Soft Lockout (low pressure)
ON FLASH FLASH Soft Lockout (high pressure)
ON ON ON Manual Lockout (low pressure)
ON ON FLASH Manual Lockout (high pressure)
ON FLASH OFF Manual Lockout (condensate over-
flow)
ON ON OFF Compressor Disable

86 WSHP-SVX01D-EN
208 V-60 HZ-1 PH
Unit Wiring
Basic

WSHP-SVX01D-EN 87
380-420V-50 HZ-3 PH
Unit Wiring
Deluxe

88 WSHP-SVX01D-EN
208V-60 HZ-1 PH
Unit Wiring
ZN510

WSHP-SVX01D-EN 89
460 V-60 HZ-3 PH
Unit Wiring
ZN524

Trane has a policy of continuous product and data improvement and reserves the right to change
design and specifications without notice.
Literature Order Number WSHP-SVX01D-EN
File Number SV-UN-WSHP-SVX01D-0404
Supersedes SV-UN-WSHP-SVX01C-0104
Stocking Location Inland
Trane
A business of American Standard Companies
www.trane.com
For more information, contact your local district
office or e-mail us at comfort@trane.com