Trane Signature 20 To 110 Tons Installation And Maintenance Manual PART SVN122A EN_
2015-04-02
: Trane Trane-Signature-20-To-110-Tons-Installation-And-Maintenance-Manual-684235 trane-signature-20-to-110-tons-installation-and-maintenance-manual-684235 trane pdf
Open the PDF directly: View PDF
.
Page Count: 16

August 2009 PART-SVN122A-EN
Installation
Variable Frequency Drive
Conversion TR1 to TR200
Commercial Self Contained Signature and
Modular Series Units
Models: Only Macon-built units with factory installed VFDs. This includes the following units
with VFD or VFD with bypass options:
S**F 20 to 110 Ton
S**G 30 to 35 Ton

© 2009 Trane All rights reserved PART-SVN122A-EN
Warnings, Cautions and Notices
Warnings, Cautions and Notices. Note that warnings, cautions and notices appear at
appropriate intervals throughout this manual. Warnings are provided to alert installing contractors
to potential hazards that could result in personal injury or death. Cautions are designed to alert
personnel to hazardous situations that could result in personal injury, while notices indicate a
situation that could result in equipment or property-damage-only accidents.
Your personal safety and the proper operation of this machine depend upon the strict observance
of these precautions.
Important
Environmental Concerns!
Scientific research has shown that certain man-made chemicals can affect the earth's naturally
occurring stratospheric ozone layer when released to the atmosphere. In particular, several of the
identified chemicals that may affect the ozone layer are refrigerants that contain Chlorine, Fluorine
and Carbon (CFCs) and those containing Hydrogen, Chlorine, Fluorine and Carbon (HCFCs). Not all
refrigerants containing these compounds have the same potential impact to the environment.
Trane advocates the responsible handling of all refrigerants-including industry replacements for
CFCs such as HCFCs and HFCs.
Responsible Refrigerant Practices!
Trane believes that responsible refrigerant practices are important to the environment, our
customers, and the air conditioning industry. All technicians who handle refrigerants must be
certified. The Federal Clean Air Act (Section 608) sets forth the requirements for handling,
reclaiming, recovering and recycling of certain refrigerants and the equipment that is used in these
service procedures. In addition, some states or municipalities may have additional requirements
that must also be adhered to for responsible management of refrigerants. Know the applicable
laws and follow them.
WARNING
Grounding Required!
Follow proper local and state electrical code on requirements for grounding. Failure to follow
code could result in death or serious injury.
WARNING
Ground Wire!
All field-installed wiring must be completed by qualified personnel. All field-installed wiring
must comply with NEC and applicable local codes. Failure to follow this instruction could result
in death or serious injuries.
ATTENTION: Warnings, Cautions and Notices appear at appropriate sections throughout
this literature. Read these carefully.
WARNING: Indicates a potentially hazardous situation which, if not avoided, could
result in death or serious injury.
CAUTION: Indicates a potentially hazardous situation which, if not avoided, could
result in minor or moderate injury. It could also be used to alert against unsafe practices.
NOTICE: Indicates a situation that could result in equipment or property-damage-only
accidents.

PART-SVN122A-EN 3
Warnings, Cautions and Notices
WARNING
Personal Protective Equipment (PPE) Required!
Installing/servicing this unit could result in exposure to electrical, mechanical and chemical
hazards.
• Before installing/servicing this unit, technicians MUST put on all Personal Protective
Equipment (PPE) recommended for the work being undertaken. ALWAYS refer to appropriate
MSDS sheets and OSHA guidelines for proper PPE.
• When working with or around hazardous chemicals, ALWAYS refer to the appropriate MSDS
sheets and OSHA guidelines for information on allowable personal exposure levels, proper
respiratory protection and handling recommendations.
• If there is a risk of arc or flash, technicians MUST put on all necessary Personal Protective
Equipment (PPE) in accordance with NFPA70E for arc/flash protection PRIOR to servicing the
unit.
Failure to follow recommendations could result in death or serious injury.
This manual describes the installation procedures required to retrofit TR1 Variable Frequency
Drives (VFD).
Trademarks
Trane, the Trane logo, and Intellipak are trademarks of Trane in the United States and other
countries. All trademarks referenced in this document are the trademarks of their respective
owners.

4 PART-SVN122A-EN
Table of Contents
General Information . . . . . . . . . . . . . . . . . . . . . . . . . . . . . . . . . . . . . . . . . . . . . . . . . . . . 5
About this Manual . . . . . . . . . . . . . . . . . . . . . . . . . . . . . . . . . . . . . . . . . . . . . . . . . 5
Tools Required . . . . . . . . . . . . . . . . . . . . . . . . . . . . . . . . . . . . . . . . . . . . . . . . . . . . 5
Removal and Replacement for S**F Units . . . . . . . . . . . . . . . . . . . . . . . . . . . . . . . . 6
Removal and Replacement for S**G Without Bypass . . . . . . . . . . . . . . . . . . . . . 10
Removal and Replacement for S**G With Bypass . . . . . . . . . . . . . . . . . . . . . . . . 12
TR200 VFD Programming Information . . . . . . . . . . . . . . . . . . . . . . . . . . . . . . . . . . . 15

PART-SVN122A-EN 5
General Information
About this Manual
The step-by-step instructions outlined in this manual describe the procedures required to
successfully retrofit a TR1 on 20 ton to 110 ton Signature Series and 20 ton to 35 ton Modular Series
Commercial Self Contained (CSC) units to a Trane TR200 VFD drive. For help selecting the proper
parts for this work, refer to general service bulletin PART-SVB25A-EN or the most current version
of that same literature.
The instructions in this manual are divided into the following sections:
• Removal and Replacement for S**F Units.
• Removal and Replacement for S**G Units without Bypass.
• Removal and Replacement for S**G Units with bypass.
• TR200 VFD Programming Information.
Follow start-up and trouble shooting procedures outlined in the unit Installation, Operating, and
Maintenance manuals and/or the literature that is included with this TR200 VFD.
Tools Required
Very few tools are required to perform this installation. A service technician with a well-stocked tool
chest should have the right tools to perform the job.

6 PART-SVN122A-EN
Removal and Replacement for S**F Units
1. Locate the existing TR1 VFD in the VFD panel on the right front side of the CSC unit. The VFD
is mounted inside this panel on a back panel. The replacement actions will consist of
disconnecting wiring, removing the VFD and back panel, installing a replacement back panel,
installing the new VFD, and reconnecting the wiring.
WARNING
Hazardous Voltage w/Capacitors!
Disconnect all electric power, including remote disconnects before servicing. Follow proper
lockout/tagout procedures to ensure the power cannot be inadvertently energized. For variable
frequency drives or other energy storing components provided by Trane or others, refer to the
appropriate manufacturer’s literature for allowable waiting periods for discharge of capacitors.
Verify with an appropriate voltmeter that all capacitors have discharged. Failure to disconnect
power and discharge capacitors before servicing could result in death or serious injury.
Note: For additional information regarding the safe discharge of capacitors, see PROD-SVB06A-
EN or PROD-SVB06A-FR.
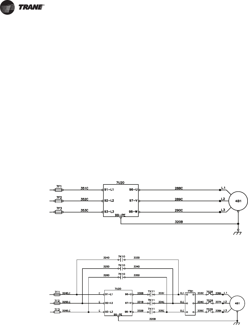
2. Ensure power is removed from the unit. See Figure 1, p. 6, Figure 2, p. 6, and Figure 3, p. 7
for typical wiring diagrams for power and control signals for units with and without bypass.
Table 1, p. 7 lists typical control and power wires to be disconnected. Disconnect the wires and
record the wire numbers as a reference to be used when reconnecting the new VFD. Units
without bypass will not have all wires connected.
Figure 1. Typical power and control wiring for S**F units without bypass
Figure 2. Typical power wiring for S**F units with bypass

PART-SVN122A-EN 7
Removal and Replacement for S**F Units
3. Disconnect the power and control wires from the VFD.
Figure 3. Typical control wiring for S**F units with bypass
Table 1. Typical wires for S**F units
VFD Connection Description Wire Number
91-L1 Phase A Line Input
92-L2 Phase B Line Input
93-L3 Phase C Line Input
99-PE GND
96-U Phase A VFD Output
97-V Phase B VFD Output
98-W Phase C VFD Output
53 A IN Speed Reference
55 COM A IN Speed Reference Common
Chassis Gnd Speed Reference Shield
12 +24V
13 +24V
18 Run/Stop
27 Coasting Stop
Keypad Keypad
01 Aux Relay
02 Aux Relay

8 PART-SVN122A-EN
Removal and Replacement for S**F Units
WARNING
Heavy Objects!
Do not use cables (chains or slings) except as shown. Each of the cables (chains or slings) used
to lift the unit must be capable of supporting the entire weight of the unit. Lifting cables (chains
or slings) may not be of the same length. Adjust as necessary for even unit lift. Other lifting
arrangements may cause equipment or property-only damage. Failure to properly lift unit could
result in death or serious injury.
4. After all wiring has been disconnected, attach a lifting device to the VFD to support it during
removal. The weight of the VFDs varies from 40 to 175 lbs. Follow safe procedures for lifting
and removing the VFD and back panel assembly. Locate the six nuts holding the VFD back panel
to the enclosure and remove the nuts. Save the nuts for use during mounting of the new TR200.
Remove the VFD and back panel assembly.
5. Locate the new TR200 VFD and verify the part number for the replacement is correct. Reference
PART-SVB25A-EN.
6. Locate the new back panel in the kit. From the back of the panel, install the four (4) screws and
lock washers supplied in the kit into the threaded holes of the adapter panel that align with the
mounting points on the TR200 drive.
7. Install the replacement panel in the CSC cabinet and secure to the six (6) mounting studs with
the nuts removed from the TR1 panel.
8. Weights of the replacement VFDs varies between 20 and 140 lbs. Verify the weight of the TR200
VFD prior to lifting. Using proper lifting procedures, lift the TR200 into the enclosure. Attach the
TR200 drive to the replacement panel with the four (4) KEPS nuts supplied in the kit.
9. Remove the TR1 VFD Local Control Panel (LCP) from the VFD enclosure door.
10. Install the TR200 keypad in the cutout on the enclosure door using Figure 4 as a guide.
Figure 4. Typical control wiring for S**F units with bypass

PART-SVN122A-EN 9
Removal and Replacement for S**F Units
11. Reconnect the wiring to the TR200. The connection points on the TR200 VFD are the same as
the connection points on the TR1 VFD although the locations of the terminals may be different.

10 PART-SVN122A-EN
Removal and Replacement for S**G Without Bypass
1. Locate the existing TR1 VFD. It will most likely be mounted on a wall near the CSC unit. The
replacement actions will consist of disconnecting wiring, removing the VFD and back panel,
installing a replacement back panel, installing the new VFD, and reconnecting the wiring. The
bypass components and enclosure will remain in place.
WARNING
Hazardous Voltage w/Capacitors!
Disconnect all electric power, including remote disconnects before servicing. Follow proper
lockout/tagout procedures to ensure the power cannot be inadvertently energized. For variable
frequency drives or other energy storing components provided by Trane or others, refer to the
appropriate manufacturer’s literature for allowable waiting periods for discharge of capacitors.
Verify with an appropriate voltmeter that all capacitors have discharged. Failure to disconnect
power and discharge capacitors before servicing could result in death or serious injury.
Note: For additional information regarding the safe discharge of capacitors, see PROD-SVB06A-
EN or PROD-SVB06A-FR.
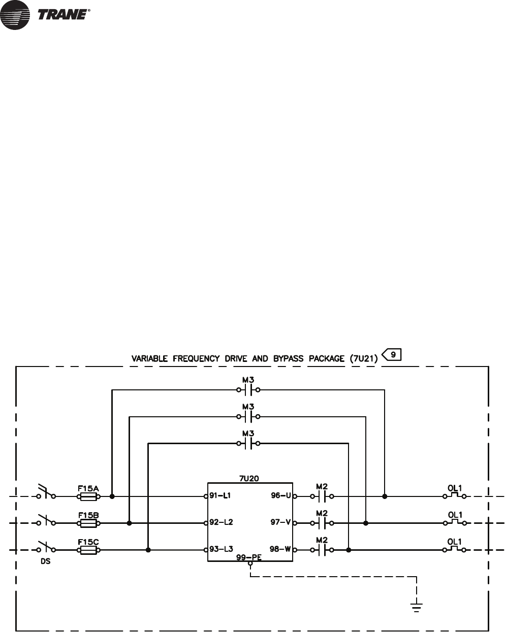
2. Ensure power is removed from the unit. See Figure 5, p. 10 and Figure 6, p. 10 for typical wiring
diagrams for power and control signals for units without bypass. Table 2, p. 11 lists typical
control and power wires to be disconnected. Disconnect the wires and record the wire numbers
as a reference to be used when reconnecting the new VFD.
Figure 5. Typical power wiring for S**G units without bypass
Figure 6. Typical control wiring for S**G units without bypass

PART-SVN122A-EN 11
Removal and Replacement for S**G Without Bypass
3. Disconnect the power and control wires from the VFD.
WARNING
Heavy Objects!
Do not use cables (chains or slings) except as shown. Each of the cables (chains or slings) used
to lift the unit must be capable of supporting the entire weight of the unit. Lifting cables (chains
or slings) may not be of the same length. Adjust as necessary for even unit lift. Other lifting
arrangements may cause equipment or property-only damage. Failure to properly lift unit could
result in death or serious injury.
4. After all wiring has been disconnected, attach a lifting device to the VFD to support it during
removal. The weight of the VFDs varies from 40 to 175 lbs. Follow safe procedures for lifting
and removing the VFD and back panel assembly. Locate the hardware holding the VFD to its
back panel and remove the hardware. Save the hardware for use during mounting of the new
VFD. Remove the VFD.
5. Locate the new TR200 VFD and verify the part number for the replacement is correct. Reference
PART-SVB25A-EN.
6. Locate the new back panel in the kit. From the back of the panel, install the four (4) screws and
lock washers supplied in the kit into the threaded holes of the adapter panel that align with the
mounting points on the TR200 drive.
7. Attach the adapter panel to the VFD assembly mounted on the wall and secure to the existing
mounting points using the TR1 mounting hardware.
8. Weights of the replacement VFDs varies between 51 and 99 lbs. Verify the weight of the VFD
prior to lifting. Using proper lifting procedures lift the TR200 VFD into position. Attach the TR200
drive to the replacement panel with the four (4) KEPS nuts supplied in the kit.
9. Reconnect the wiring to the TR200. The connection points on the TR200 VFD are the same as
the connection points on the TR1 VFD although the location of the terminals may be different.
Table 2. Typical wires for S**G units without bypass
VFD Connection Description Wire Number
91-L1 Phase A Line Input
92-L2 Phase B Line Input
93-L3 Phase C Line Input
99-PE GND
96-U Phase A VFD Output
97-V Phase B VFD Output
98-W Phase C VFD Output
53 A IN Speed Reference
55 COM A IN Speed Reference Common
Chassis Gnd Speed Reference Shield
12 +24V
18 Run/Stop
27 Coasting Stop
Keypad Keypad

12 PART-SVN122A-EN
Removal and Replacement for S**G With Bypass
1. Locate the existing TR1 VFD and bypass assembly. The VFD will be replaced; all components
inside and wiring to/from the bypass enclosure will not be changed.
WARNING
Hazardous Voltage w/Capacitors!
Disconnect all electric power, including remote disconnects before servicing. Follow proper
lockout/tagout procedures to ensure the power cannot be inadvertently energized. For variable
frequency drives or other energy storing components provided by Trane or others, refer to the
appropriate manufacturer’s literature for allowable waiting periods for discharge of capacitors.
Verify with an appropriate voltmeter that all capacitors have discharged. Failure to disconnect
power and discharge capacitors before servicing could result in death or serious injury.
Note: For additional information regarding the safe discharge of capacitors, see PROD-SVB06A-
EN or PROD-SVB06A-FR.
2. Ensure power is removed from the unit. Disconnect the power and control wires from the VFD.
See Figure 7, p. 12and Figure 8, p. 13 for typical wiring diagrams for power and control signals
that connect to the VFD. Table 3, p. 13 lists typical control and power wires to be disconnected.
Disconnect the wires and record the wire numbers as a reference to be used when reconnecting
the new VFD.
Figure 7. Typical power wiring for S**G units with bypass

PART-SVN122A-EN 13
Removal and Replacement for S**G With Bypass
Figure 8. Typical control wiring for S**G units with bypass
Table 3. Typical wires for S**G units with bypass
VFD Connection Description Wire Number
91-L1 Phase A Line Input
92-L2 Phase B Line Input
93-L3 Phase C Line Input
99-PE GND
96-U Phase A VFD Output
97-V Phase B VFD Output
98-W Phase C VFD Output
53 A IN Speed Reference
55 COM A IN Speed Reference Common
Chassis Gnd Speed Reference Shield
12 +24V
18 Run/Stop
27 Coasting Stop
Keypad Keypad

14 PART-SVN122A-EN
Removal and Replacement for S**G With Bypass
3. Remove the three (3) sheet metal parts (front cover, cover support bracket, and angle bracket)
enclosing the wire below the TR1 drive. Save the hardware used to attach the angle bracket to
the side of the bypass enclosure.
WARNING
Heavy Objects!
Do not use cables (chains or slings) except as shown. Each of the cables (chains or slings) used
to lift the unit must be capable of supporting the entire weight of the unit. Lifting cables (chains
or slings) may not be of the same length. Adjust as necessary for even unit lift. Other lifting
arrangements may cause equipment or property-only damage. Failure to properly lift unit could
result in death or serious injury.
4. After all wiring has been disconnected and the wire cover parts have been removed, attach
lifting device to VFD to support it during removal. The weight of the VFDs varies from 40 to 175
lbs. Follow safe procedures for lifting and removing the VFD and back panel assembly. Locate
the screws holding the VFD to its back panel and remove the screws. Save the screws for use
during mounting of the new VFD. Remove the VFD.
5. Locate the new TR200 VFD kit and verify the part number for the replacement is correct.
Reference PART-SVB25A-EN.
6. From the back of the panel, install the four (4) screws and lock washers supplied in the kit into
the threaded holes of the drive adapter panel that align with the mounting points on the TR200
drive.
7. Attach the adapter panel to the bypass panel and secure with the hardware removed from the
TR1 drive.
8. Weights of the replacement VFDs varies between 14 and 175 lbs. Verify the weight of the VFD
prior to lifting. Using proper lifting procedures lift the TR200 VFD into position. Attach the TR200
drive to the adapter panel with the four (4) KEPS nuts supplied in the kit.
9. For TR200 drives below 11 amps, install the conduit adapter plate supplied in the kit over the
rectangular hole on the side of the bypass enclosure using the screws removed original angle
bracket. Insert three (3) of the flexible conduit connectors supplied in the kit into the conduit
adapter cover. Attach the remaining conduit connectors into the TR200 drive. Trim the flexible
conduit supplied in the kit to reach between the connectors. Attach on end of the three flexible
conduits tubes to the connectors on the bypass enclosure and route the input, output and
control wiring through separate tubes. Attach the tubes to the connectors on the TR200 drive.
10. For TR200 drives above 11 amps, install the replacement wire cover sheet metal parts supplied
in the kit using the 3-32 thread rolling screws supplied in the kit.
11. Reconnect the wiring to the TR200. The connection points on the TR200 VFD are the same as
the connection points on the TR1 VFD although the location of the terminals may be different.

PART-SVN122A-EN 15
TR200 VFD Programming Information
The following parameters must be programmed into the VFD prior to operation. Refer to BAS-
SVX19A-EN (Operating Instructions: TR200) for complete programming information and
instructions on how to navigate the TR200 local control panel menus.
Figure 9. CSC special VFD parameter settings

www.trane.com
For more information, contact your local Trane
office or e-mail us at comfort@trane.com
Literature Order Number PART-SVN122A-EN
Date August 2009
Supersedes New
Trane has a policy of continuous product and product data improvement and reserves the right to
change design and specifications without notice.