Trane Fan 4Ttb4 Users Manual 22 1833 09 02/01/2012 Split System Cooling Product Data XB14 1 1/2 5 Tons S (018E 061E).
4TTB4 to the manual e8f1e5b2-b033-4b75-b38d-c8de36bc1a74
2015-01-21
: Trane Trane-Trane-Fan-4Ttb4-Users-Manual-236166 trane-trane-fan-4ttb4-users-manual-236166 trane pdf
Open the PDF directly: View PDF
.
Page Count: 16

XB14 4TTB4
1 1/2 - 5 Tons (018E - 061E)
Split System
Cooling
Product Data
PUB. NO. 22-1833-09

© 2012 Trane 2 22-1833-09
Features and Benefits
• CLIMATUFF® compressor
•Efciencyupto16.0 SEER
•AllaluminumSPINE FIN™coil
•WEATHERGUARD™fasteners
•QUICK-SESS™cabinet,
serviceaccessandrefrigerant
connectionswithfullcoil
protection
•DURATUFF™base,fastcomplete
drain,weatherproof
•COMFORT-R™modeapproved
•Glossycorrosionresistantnish
•Internalcompressorhigh/low
pressure&temperatureprotection
•018,024&030shipwithstartkit
•Liquidlinelter/drier
•Polyslategraycabinetwith
anthracitegraybadgeandcap
•Highpressureswitch
•Servicevalvecover
•R-410Arefrigerant
•S.E.E.T.designtesting
•100%lineruntest
•Lowambientcoolingto30°Fwith
AY28X079
•Lowambientcoolingto55°Fas
shipped
• Extended warranties available

22-1833-09 3
Features and Benefits 2
General Data 4
ProductSpecications 4
A-WeightedSoundPowerLevel[dB(A)] 4
AccessoryDescriptionandUsage 6
AHRIStandardCapacityRatingConditions 6
Model Nomenclature 7
Electrical Data 8
Dimensions 13
Mechanical Specification Options 16

4 22-1833-09
ProductSpecications
Model No. 1 4TTB4018E1 4TTB4024E1 4TTB4030E1 4TTB4036E1
Electrical Data V/Ph/Hz 2 208/230/1/60 208/230/1/60 208/230/1/60 208/230/1/60
Min Cir Ampacity 9 9 12 19
Max Fuse Size (Amps) 15 15 20 30
Compressors CLIMATUFF® CLIMATUFF® CLIMATUFF® CLIMATUFF® - SCROLL
No. Used - No. Stages 1-1 1-1 1-1 1-1
RL AMPS - LR AMPS 6.4 - 38.6 6.8 - 38.6 9.1 - 57.8 14.1 - 77
Outdoor Fan FL Amps 0.74 0.74 0.93 0.93
Fan HP 1/8 1/8 1/5 1/5
Fan Dia (inches) 23 23 27.6 27.6
Coil Spine Fin™ Spine Fin™ Spine Fin™ Spine Fin™
Refrigerant R-410A 5/2-LB/OZ 6/3-LB/OZ 7/0-LB/OZ 7/4-LB/OZ
Line Size - (in.) O.D. Gas 3 5/8 3/4 3/4 3/4
Line Size - (in.) O.D. Liquid 3 3/8 3/8 3/8 3/8
Dimensions H x W x D (Crated) 34 x 30.1 x 33 34 x 30.1 x 33 38.4 x 35.1 x 38.7 42.4 x 35.1 x 38.7
Weight - Shipping 200 201 234 228
Weight - Net 173 174 201 193
Start Components YES YES YES NO
Sound Enclosure YES YES YES NO
Compressor Sump Heat NO NO NO NO
Optional Accessories: 4
Anti-short Cycle Timer TAYASCT501A TAYASCT501A TAYASCT501A TAYASCT501A
Evaporator Defrost Control A/C AY28X079 AY28X079 AY28X079 AY28X079
Rubber Isolator Kit BAYISLT101 BAYISLT101 BAYISLT101 BAYISLT101
Crank Case Heater Kit BAYCCHT300 BAYCCHT300 BAYCCHT300 BAYCCHT302
Hard Start Kit Scroll BAYKSKT260
Extreme Condition Mounting Kit BAYECMT023 BAYECMT023 BAYECMT004 BAYECMT004
Snow Leg - Base & Cap 4" High BAYLEGS002 BAYLEGS002 BAYLEGS002 BAYLEGS002
Snow Leg - 4" Extension BAYLEGS003 BAYLEGS003 BAYLEGS003 BAYLEGS003
Seacoast Kit BAYSEAC001 BAYSEAC001 BAYSEAC001 BAYSEAC001
Refrigerant Lineset 5 TAYREFLN950 TAYREFLN7* TAYREFLN7* TAYREFLN7*
General Data
A-WeightedSoundPowerLevel[dB(A)]
MODEL SOUNDPOWER
LEVEL[dB(A)]
A_WEIGHTEDFULLOVTAVESOUNDPOWERLEVELdB-[dB(A)]
63 125 250 500 1000 2000 4000 8000
4TTB4018E 79 24.9 44.9 56.7 71.1 74.1 72.7 62.2 49.9
4TTB4024E 79 23 45.4 57 70.9 74.2 70.5 62.9 52.6
4TTB4030E 80 27.9 52.9 62.9 74.3 76.2 73 64.7 52.5
4TTB4036E 78 23.2 51.7 64.2 72.3 74.1 71.3 62.7 49.5
4TTB4042E 80 22.8 52.8 65.6 73.3 75.1 75.1 62.8 50
4TTB4048E 80 22.8 52.8 65.6 73.3 75.1 75.1 62.8 50
4TTB4049E 76 44.3 53.8 56.6 63.6 34.6 59.9 52.7 43.7
4TTB4060E 80 22.8 52.8 65.6 73.3 75.1 71.5 62.8 50
4TTB4061E 76 42.2 53.8 57.8 66 65.7 57.7 58.4 51.7
Note:RatedinaccordancewithAHRIStnadard270-2008
1 Certified in accordance with the Air-Source Unitary Heat Pump Equipment certification
program which is based on AHRI Standard 210/240.
2 Calculated in accordance with N.E.C. Only use HACR circuit breakers or fuses.
3 Standard line lengths - 80'. Standard lift - 60' Suction and Liquid line.
For Greater lengths and lifts refer to refrigerant piping software Pub# 32-3312-0†. (†denotes
latest revision)
4 For accessory description and usage, see pages 5 and 6.
5 * = 15, 20, 25, 30, 40 and 50 foot lineset available.

22-1833-09 5
General Data
Product Specifications
Model No. 1 4TTB4042E1 4TTB4048E1 4TTB4049E1 4TTB4060E1 4TTB4061E1
Electrical Data V/Ph/Hz 2 208/230/1/60 208/230/1/60 208/230/1/60 208/230/1/60 230/1/60
Min Cir Ampacity 23 26 26 34 45
Max Fuse Size (Amps) 40 45 45 60 60
Compressors
CLIMATUFF® - SCROLL CLIMATUFF® - SCROLL CLIMATUFF® - SCROLL CLIMATUFF® - SCROLL
CLIMATUFF® - SCROLL
No. Used - No. Stages 1-1 1-1 1-1 1-1 1-2
RL AMPS - LR AMPS 17.9 - 112 19.9 - 109 19.9 - 109 26.4 - 134 32.1 - 152.9
Outdoor Fan FL Amps 0.93 0.93 1.0 0.93 2.80
Fan HP 1/5 1/5 1/5 1/5 1/3
Fan Dia (inches) 27.6 27.6 27.6 27.6 27.6
Coil Spine Fin™ Spine Fin™ Spine Fin™ Spine Fin™ Spine Fin™
Refrigerant R-410A 8/4-LB/OZ 8/5-LB/OZ 11/9-LB/OZ 8/8-LB/OZ 12/9-LB/OZ
Line Size - (in.) O.D. Gas 3 7/8 7/8 7/8 7/8 1-1/8
Line Size - (in.) O.D. Liquid 3 3/8 3/8 3/8 3/8 3/8
Dimensions H x W x D (Crated)
46.4 x 35.1 x 38.7 51 x 35.1 x 38.7 51 x 35.1 x 38.7 51 x 35.1 x 38.7
51 x 35.1 x 38.7
Weight - Shipping 272 282 304 285 312
Weight - Net 235 245 267 248 275
Start Components NO NO NO NO NO
Sound Enclosure NO NO NO NO NO
Compressor Sump Heat NO NO NO NO NO
Optional Accessories: 4
Anti-short Cycle Timer TAYASCT501A TAYASCT501A TAYASCT501A TAYASCT501A TAYASCT501A
Evaporator Defrost Control A/C AY28X079 AY28X079 AY28X079 AY28X079 AY28X079
Rubber Isolator Kit BAYISLT101 BAYISLT101 BAYISLT101 BAYISLT101 BAYISLT101
Crank Case Heater Kit BAYCCHT301 BAYCCHT301 BAYCCHT301 BAYCCHT301 BAYCCHT301
Hard Start Kit Scroll BAYKSKT260 BAYKSKT260 BAYKSKT260
Extreme Condition Mounting Kit BAYECMT004 BAYECMT004 BAYECMT004 BAYECMT004 BAYECMT004
Snow Leg - Base & Cap 4" High BAYLEGS002 BAYLEGS002 BAYLEGS002 BAYLEGS002 BAYLEGS002
Snow Leg - 4" Extension BAYLEGS003 BAYLEGS003 BAYLEGS003 BAYLEGS003 BAYLEGS003
Seacoast Kit BAYSEAC001 BAYSEAC001 BAYSEAC001 BAYSEAC001 BAYSEAC001
Refrigerant Lineset 5 TAYREFLN3* TAYREFLN3* TAYREFLN3* TAYREFLN3* TAYREFLN*4
1 Certified in accordance with the Air-Source Unitary Heat Pump Equipment certification program which is based on AHRI Standard 210/240.
2 Calculated in accordance with N.E.C. Only use HACR circuit breakers or fuses.
3 Standard line lengths - 60'. Standard lift - 60' Suction and Liquid line. For 061 units, Max. linear length 60 ft.; Max. lift - Suction 25 ft.; Max lift - Liquid 25 ft.
For Greater lengths and lifts refer to refrigerant piping software Pub# 32-3312-0†. (†denotes latest revision)
4 For accessory description and usage, see pages 5 and 6.
5 * = 15, 20, 25, 30, 40 and 50 foot lineset available.

6 22-1833-09
General Data
AHRIStandardCapacityRatingConditions
AHRI STANDARD 210/240 RATING CONDITIONS —
(A) Cooling 80°F DB, 67°F WB air entering indoor coil,
95°FDBairenteringoutdoorcoil.
AHRI STANDARD 270 RATING CONDITIONS —
(Noiseratingnumbersaredeterminedwiththeunitincooling
operation.)StandardNoiseRatingnumberisat95°Foutdoor
air.
AccessoryDescriptionandUsage
Anti-Short Cycle Timer — Solid state timing device that
prevents compressor recycling until 5 minutes have elapsed
after satisfying call or power interruptions. Use in area with
questionable power delivery, commercial applications, long
lineset,etc.
Evaporator Defrost Control —SPSTTemperatureactuated
switch that cycles the condenser off as indoor coil reaches
freeze-up conditions. Used for low ambient cooling to 30°F
withTXV.
Rubber Isolators — 5 large rubber donuts to isolate
condensingunitfromtransmittingenergyintomountingframe
or pad. Use on any application where sound transmission
needstobeminimized.
Hard Start kit — Start capacitor and relay to assist
compressormotorstartup.Useinareaswithmarginalpower
supply,onlonglinesets,lowambientconditions,etc.
Extreme Condition Mount Kit — Bracket kits to securely
mount condensing unit to a frame or pad without removing
any panels. Use in areas with high winds, or on commercial
rooftops,etc.

22-1833-09 7
Model Nomenclature
Refrigerant Type
2 = R-22
4 = R-410A
TRANE
Product Type
W = Split Heat Pump
T = Split Cooling
Product Family
Z = Leadership – Two Stage
X = Leadership
R = Replacement/Retail
B = Basic
A = Light Commercial
Family SEER
0 = 10 3 = 13 6 = 16
1 = 11 4 = 14 8 = 18
2 = 12 5 = 15 9 = 19
Split System Connections 1-6 Tons
0 = Brazed
Nominal Capacity in 000s of BTUs
Major Design Modifications
Power Supply
1 = 200-230/1/60 or 208-230/1/60
3 = 200-230/3/60
4 = 460/3/60
Secondary Function
Minor Design Modifications
Unit Parts Identifier
Outdoor Units
4T TB4036E1000AA
Refrigerant Type
4 = R-410A
Application
TE = Fully Convertible
TG = Semi Convertible
TF = Front Return
Product Family
E = Leadership – Variable Speed
P = Leadership
C = Replacement/Retail
B = Basic
Flow Control
0 = No Flow Control
3 = Nonbleed TXV
Feature Identifier
0 = Standard Unit
F = Air-Tite™
Nominal Capacity in 1000’s (BTUH)
Major Design Change
Power Supply
1 = Single Phase
Electrical Connection
0 = Pig Tails
B = Circuit Breaker
D = Pull Disconnect
Future Option – Factory Installed Heater Nominal KW Value
Minor Design Modifications
Unit Parts Identifier
NOTE: There will be a phase-in of new model numbers for new
air handlers over next 2 years.
Air Handlers –
Residential
4TEE3F36A1 AA000
Gas Furnaces
TU D2B080AC AAV32
4TXCB001 C C3 H CAA
Refrigerant Type
4 - R410A
Product Family
T-Premium
(Heat Pump or Convertible Coil)
Coil Design
X - Direct Expansion Evaporator Coil
Product Family
C - Cased A Coil
A - Uncased A Coil
F - Cased Horizontal Flat Coil
Coil Width (Cased/Uncased)
A - 14.5" / 13.3"
B - 17.5" / 16.3"
C - 21.0" / 19.8"
D - 24.5" / 23.3"
H - 10.5"
Refrigerant Line Coupling
0 - Brazed
Model Number Distinguisher
Major Design Change
Efficiency
C - Standard
S - Hi Efficiency (Derived from 10 SEER products)
Refrigerant Control
3 - TXV - Non-Bleed
Coil Circuitry
H - Heat Pump
Airflow Configuration
A - Upflow Only
U - Upflow / Downflow
H - Horizontal Only
C - Convertible - Upflow, Downflow, Left or Right Airflow
Minor Design Change
Unit Parts Identifier
Coils –
Residential

8 22-1833-09
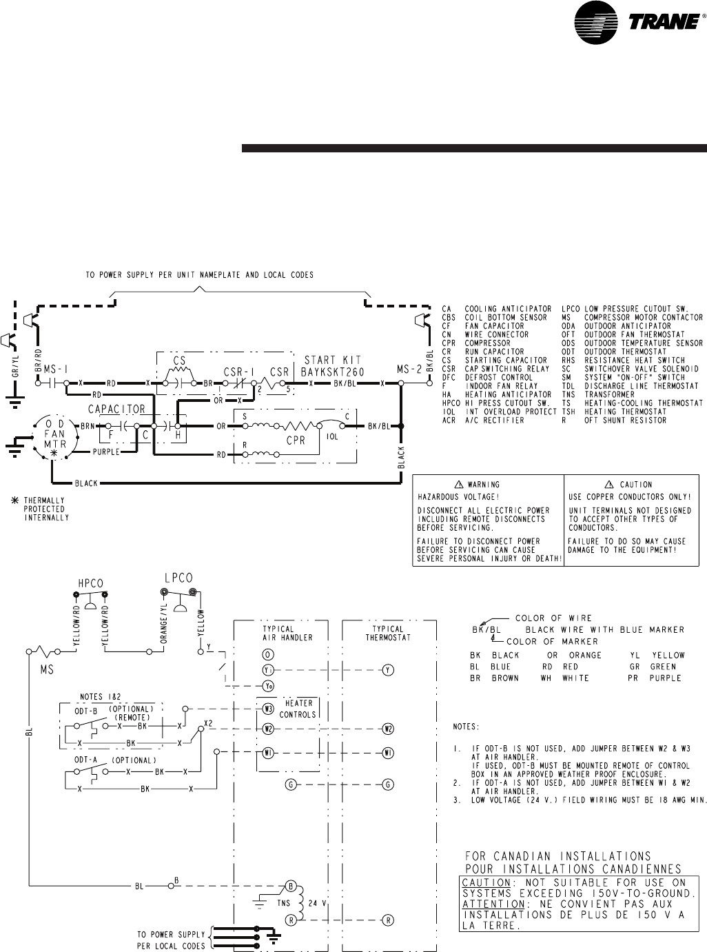
4TTB4018, 4TTB4024, 4TTB4030
Electrical Data
Schematic Diagrams
FromDrawingD157123P01REV0

22-1833-09 9
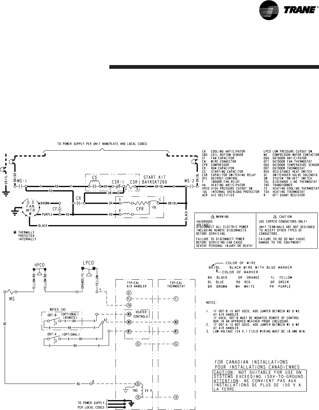
4TTB4036, 4TTB4042
Electrical Data
Schematic Diagrams
FromDrawingD157124P01

10 22-1833-09
Electrical Data
Schematic Diagrams
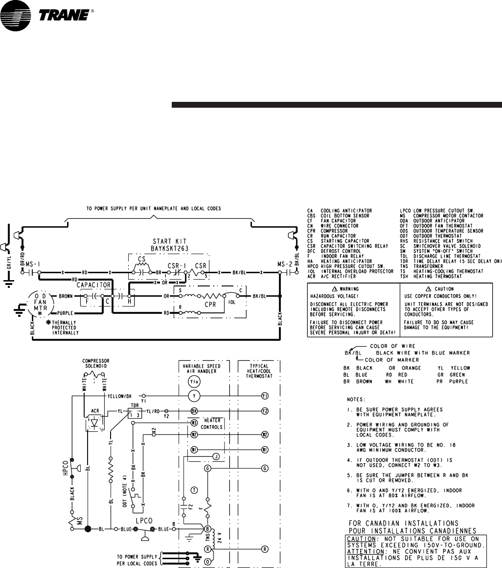
4TTB4048, 4TTB4049
FromDrawingD157125P01

22-1833-09 11
Electrical Data
Schematic Diagrams
4TTB4060
FromDrawingD157126P01

12 22-1833-09
Electrical Data
Schematic Diagrams
4TTB4061
FromDrawingD156975p01

22-1833-09 13
Dimensions
FromDwg.D156010
4TTB4 Outline Drawing
Note: All dimensions are in MM (Inches).
MODELS BASE A B C D E F G H J K
4TTB4018E 3730(28-3/4) 829(32-5/8) 756(29-3/4) 5/8 3/8 127(5) 76(3) 197(7-3/4) 57(2-1/4) 508(20)
4TTB4024E 3730(28-3/4) 829(32-5/8) 756(29-3/4) 3/4 3/8 127(5) 76(3) 197(7-3/4) 57(2-1/4) 508(20)
4TTB4030E 4 841(33-1/8) 946(37-1/4) 870(34-1/4) 3/4 3/8 152(6) 98(3-7/8) 219(8-5/8) 86(3-3/8) 508(20)
4TTB4036E 4 943(37-1/8) 946(37-1/4) 870(34-1/4) 3/4 3/8 152(6) 98(3-7/8) 219(8-5/8) 86(3-3/8) 508(20)
4TTB4042E 4 1045(411/8) 946(37-1/4) 870(34-1/4) 7/8 3/8 152(6) 98(3-7/8) 219(8-5/8) 86(3-3/8) 508(20)
4TTB4048E 4 1147(451/8) 946(37-1/4) 870(34-1/4) 7/8 3/8 152(6) 98(3-7/8) 219(8-5/8) 86(3-3/8) 508(20)
4TTB4049E 4 1147(451/8) 946(37-1/4) 870(34-1/4) 7/8 3/8 152(6) 98(3-7/8) 219(8-5/8) 86(3-3/8) 508(20)
4TTB4060E 4 1147(451/8) 946(37-1/4) 870(34-1/4) 7/8 3/8 152(6) 98(3-7/8) 219(8-5/8) 86(3-3/8) 508(20)
4TTB4061E 4 1147(451/8) 946(37-1/4) 870(34-1/4) 1-1/8 3/8 152(6) 98(3-7/8) 219(8-5/8) 86(3-3/8) 508(20)

14 22-1833-09
Notes

22-1833-09 15
Notes

Trane
www.trane.com
01/12
The manufacturer has a policy of continuous product and product data improvement and it reserves the right
to change design and specifications without notice.
Mechanical Specification
Options
General
The 4TTB4 is fully charged from the
factory for up to 15 feet of piping. This
unit is designed to operate at outdoor
ambienttemperaturesashighas115°F.
Cooling capacities are matched with
a wide selection of air handlers and
furnacecoilsthatareAHRIcertied.The
unit is certied to UL 1995. Exterior is
designedforoutdoorapplication.
Casing
Unit casing is constructed of heavy
gauge, G90 galvanized steel and
paintedwithaweather-resistantpowder
paint on all louvers, panels, prepaint
on all other panels. Corrosion and
weatherproof CMBP-G30 DuraTuff™
base.
Refrigerant Controls
Refrigeration system controls include
condenser fan and compressor
contactor. High and low pressure
controlsareinherenttothecompressor.
A factory installed liquid line drier is
standard.
Compressor
The Climatuff® compressor features
internal over temperature and pressure
protection and total dipped hermetic
motor. Other features include: roto
lock suction and discharge refrigerant
connections, centrifugal oil pump and
lowvibrationandnoise.
Condenser Coil
The outdoor coil provides low airow
resistance and efcient heat transfer.
Thecoilisprotectedonallfoursidesby
louveredpanels.
Low Ambient Cooling
Asmanufactured,thisunithasacooling
capability to 55°F. The addition of an
evaporator defrost control with TXV
permitslowambientcoolingto30°F.
Accessories
Thermostats — Cooling only and
heat/cooling (manual and automatic
changeover). Sub-base to match
thermostatandlockingthermostatcover.