Trane Vertical Stack Wshp Installation And Maintenance Manual Installation, Operation,
2015-04-02
: Trane Trane-Vertical-Stack-Wshp-Installation-And-Maintenance-Manual-684249 trane-vertical-stack-wshp-installation-and-maintenance-manual-684249 trane pdf
Open the PDF directly: View PDF
.
Page Count: 36
- Warnings, Cautions and Notices
- Model Number Descriptions
- General Information
- Pre-Installation
- Dimensions and Weights
- Installation
- General Installation Checks
- Main Electrical
- Low Voltage Wiring (AC & DC) Requirements
- Unit Placement
- Water Connection
- Field Installed Power Wiring
- Main Unit Power Wiring
- Control Power Transformer
- Drywall Installation
- Units Utilizing Hinged Acoustic Door Assembly
- Supply Air Ductwork
- Chassis Installation
- Supply Grille Installation
- Cleaning and Flushing the Water Loop
- Using Antifreeze
- Low Voltage Wiring
- Low Voltage Wiring for Field Provided Thermostats/Zone Sensors
- PSC Blower Motor Speed Retrofit
- ECM Motor CFM Settings
- Electrical Data
- Pre-Start-up
- Operating Pressures
- Start-up
- Maintenance
- Troubleshooting
- Unit Wiring
- Warranty

SAFETY WARNING
Only qualified personnel should install and service the equipment. The installation, starting up, and servicing of
heating, ventilating, and air-conditioning equipment can be hazardous and requires specific knowledge and training.
Improperly installed, adjusted or altered equipment by an unqualified person could result in death or serious injury.
When working on the equipment, observe all precautions in the literature and on the tags, stickers, and labels that
are attached to the equipment.
Installation, Operation,
and Maintenance
Water Source Heat Pump
Axiom™ High Efficiency Vertical Stack — GET
¾-3Tons-60Hz
November 2013 WSHP-SVX10B-EN

© 2013Trane All rights reserved WSHP-SVX10B-EN
Warnings, Cautions and Notices
Warnings, Cautions and Notices. Note that warnings,
cautions and notices appear at appropriate intervals
throughout this manual. Warnings are provide to alert
installing contractors to potential hazards that could result
in death or personal injury. Cautions are designed to alert
personnel to hazardous situations that could result in
personal injury, while notices indicate a situation that
could result in equipment or property-damage-only
accidents.
Your personal safety and the proper operation of this
machine depend upon the strict observance of these
precautions.
Read this manual thoroughly before operating or servicing
this unit.
Important
Environmental Concerns!
Scientific research has shown that certain man-made
chemicals can affect the earth’s naturally occurring
stratospheric ozone layer when released to the
atmosphere. In particular, several of the identified
chemicals that may affect the ozone layer are refrigerants
that contain Chlorine, Fluorine and Carbon (CFCs) and
those containing Hydrogen, Chlorine, Fluorine and
Carbon (HCFCs). Not all refrigerants containing these
compounds have the same potential impact to the
environment.Trane advocates the responsible handling of
all refrigerants-including industry replacements for CFCs
such as HCFCs and HFCs.
Responsible Refrigerant Practices!
Trane believes that responsible refrigerant practices are
important to the environment, our customers, and the air
conditioning industry. All technicians who handle
refrigerants must be certified.The Federal Clean Air Act
(Section 608) sets forth the requirements for handling,
reclaiming, recovering and recycling of certain
refrigerants and the equipment that is used in these
service procedures. In addition, some states or
municipalities may have additional requirements that
must also be adhered to for responsible management of
refrigerants. Know the applicable laws and follow them.
ATTENTION: Warnings, Cautions and Notices appear at
appropriate sections throughout this literature. Read
these carefully:
WARNING Indicates a potentially hazardous
situation which, if not avoided, could
result in death or serious injury.
CAUTIONsIndicates a potentially hazardous
situation which, if not avoided, could
result in minor or moderate injury. It
could also be used to alert against
unsafe practices.
NOTICE: Indicates a situation that could result in
equipment or property-damage only
WARNING
Contains Refrigerant!
System contains oil and refrigerant under high
pressure. Recover refrigerant to relieve pressure before
opening the system. See unit nameplate for refrigerant
type. Do not use non-approved refrigerants, refrigerant
substitutes, or refrigerant additives.
Failure to follow proper procedures or the use of non-
approved refrigerants, refrigerant substitutes, or
refrigerant additives could result in death or serious
injury or equipment damage.
WARNING
Proper Field Wiring and Grounding
Required!
All field wiring MUST be performed by qualified
personnel. Improperly installed and grounded field
wiring poses FIRE and ELECTROCUTION hazards. To
avoid these hazards, you MUST follow requirements for
field wiring installation and grounding as described in
NEC and your local/state electrical codes. Failure to
follow code could result in death or serious injury.
WARNING
Personal Protective Equipment (PPE)
Required!
Installing/servicing this unit could result in exposure to
electrical, mechanical and chemical hazards.
• Before installing/servicing this unit, technicians
MUST put on all Personal Protective Equipment (PPE)
recommended for the work being undertaken.
ALWAYS refer to appropriate MSDS sheets and OSHA
guidelines for proper PPE.
• When working with or around hazardous chemicals,
ALWAYS refer to the appropriate MSDS sheets and
OSHA guidelines for information on allowable
personal exposure levels, proper respiratory
protection and handling recommendations.
• If there is a risk of arc or flash, technicians MUST put
on all Personal Protective Equipment (PPE) in
accordance with NFPA 70E or other country-specific
requirements for arc flash protection, PRIOR to
servicing the unit.
Failure to follow recommendations could result in death
or serious injury.

Warnings, Cautions and Notices
WSHP-SVX10B-EN 3
Revision Summary
WSHP-SVX10B-EN (15 November 2013)
• WPRD Chassis Model Number change
WSHP-SVX10B-EN (18 June 2013)
• Add ECM motor
Trademarks
Trane and theTrane logo are trademarks or registered
trademarks ofTrane in the United States and other
countries.Trane is a business of Ingersoll Rand. All
trademarks referenced in this document are the
trademarks of their respective owners.

4 WSHP-SVX10B-EN
Table of Contents
Model Number Descriptions .............. 5
General Information ..................... 7
Pre-Installation .......................... 8
Dimensions and Weights ................. 9
Installation ............................. 12
Electrical Data .......................... 21
Pre-Start-up ............................ 22
Checklist ............................ 22
Initial Unit Start-up ................... 22
Operating Pressures .................... 23
Start-up ................................ 26
Maintenance ........................... 27
Troubleshooting ........................ 28
Unit Wiring ............................ 30
Warranty ............................... 34

WSHP-SVX10B-EN 5
Vertical High-Rise Cabinet
WSHP
Digits 1-3: Unit Configuration
GET = High Efficiency Vertical High Rise
Heat Pump
Digit 4: Development Sequence
E = R-410A
Digits 5-7: Nominal Size (Tons)
009=¾Tons
012=1Tons
015=1¼Tons
018=1½Tons
024 = 2Tons
036 = 3Tons
Digit 8: Voltage (Volts/Hz/Phase)
1 = 208/60/1
2 = 230/60/1
7 = 265/60/1
Digit 9: Heat Exchanger
1 = Copper Water Coil
2 = Cupro-Nickel Water Coil
3 = Copper Water Coil with Isolation
Valve and Low Flow Control
4 = Cupro- Nickel Water Coil with
Isolation Valve and Low Flow Control
5 = Copper Water Coil with Isolation
Valve and High Flow Control
6 = Cupro-Nickel Water Coil with Isolation
Valve and High Flow Control
Digit 10: Current Design
Sequence
Digit 11: Refrigeration Circuit
0 = Heating and Cooling Circuit
Digit 12: Blower Configuration
1 = Free Discharge - PSC motor
2 = Ducted Discharge - PSC motor
3 = Free Discharge w/1" Flange -
PSC motor
4 = Free Discharge w/3" Flange -
PSC motor
5 = ECM motor w/o flange
6 = ECM motor w/1" flange
7 = ECM motor w/3" flange
8 = Chassis only/No motor (ECM Control)
9 = Chassis only/No motor (PSC Control)
Digit 13: Freeze Protection
A = 20° freezestat
B = 35° freezestat
Digit 14: Open Digit
0 = Open
S = Special
Digit 15: Supply Air
Arrangement
0 = No Supply Air Arrangement
1 = Back and Front Supply Air
2 = Back and Left Supply Air
3 = Back and Right Supply Air
4 = Front and Left Supply Air
5 = Front and Right Supply Air
6 = Left and Right Supply Air
7 = Back, Front and Right Supply Air
8 = Back, Front and Left Supply Air
9 = Front, Right and Left Supply Air
B = Back Supply Air
L = Left Supply Air
R = Right Supply Air
T =Top Supply Air
F = Front Supply Air
Digit 16: Return Air
Arrangement
0 = No Return Air Door (Field Provided)
1 = Flush with Wall, Acoustic Hinged
Return Air Door with Keyless Entry
2 = Flush with Wall, Acoustic Hinged
Return Air Door with Keylock Entry
Digit 17: Control Types
D = Deluxe 24V Controls
C =Tracer™ ZN510 Controls
Digit 18: Thermostat Sensor
Location
0 = Wall Mounted Location
Digit 19: Fault Sensors
0 = No Fault Sensors
1 = Condensate Overflow Sensor
2 = Filter MaintenanceTimer
3 = Condensate Overflow and Filter
MaintenanceTimer
Digit 20-22: Open Digits
Digit 23: Unit Mounted
Disconnect
0 = No Unit Mounted Switch
C =Toggle Switch Only
D =Toggle Switch with Fuses
Digit 24: Filter Type
1 = 1-inchThrowaway Filter
Digit 25: Acoustic Arrangement
0 = Enhanced Sound Attenuation
1 = Deluxe Sound Attenuation
Digit 26: Factory Configuration
3 = R-410A Cabinet
Digit 27: Paint Color
8 = Polar White
Digit 28: Outside Air Option
0 = No Outside Air
Digit 29: Piping Arrangement
B = Back Riser Location
L = Left Hand Riser Location
R = Right Hand Riser Location
Digit 30: Riser Type
0 = No Riser
L =Type L Riser
M=Type M Riser
Digit 31: Supply Riser
0 = No Riser
B = 1" Dia. Riser with Insulation
C = 1¼" Dia. Riser with Insulation
D = 1½" Dia. Riser with Insulation
E = 2 Dia. Riser with Insulation
F = 2½" Dia. Riser with Insulation
G = 3" Dia. Riser with Insulation
2 = 1" Dia. Riser
3 = 1¼" Dia. Riser
4 = 1½" Dia. Riser
5 = 2" Dia. Riser
6 = 2½" Dia. Riser
7 = 3" Dia. Riser
Digit 32: Return Riser
0 = No Riser
B = 1" Dia. Riser with Insulation
C = 1¼" Dia. Riser with Insulation
D = 1½" Dia. Riser with Insulation
E = 2" Dia. Riser with Insulation
F = 2½" Dia. Riser with Insulation
G = 3" Dia. Riser with Insulation
2 = 1" Dia. Riser
3 = 1¼" Dia. Riser
4 = 1½" Dia. Riser
5 = 2" Dia. Riser
6 = 2½" Dia. Riser
7 = 3" Dia. Riser
Digit 33: Condensate Riser
0 = No Riser
B = 1" Dia. Riser with Insulation
C = 1¼" Dia. Riser with Insulation
D = 1½" Dia. Riser with Insulation
E = 2" Dia. Riser with Insulation
F = 2½" Dia. Riser with Insulation
G = 3" Dia. Riser with Insulation
2 = 1" Dia. Riser
3 = 1¼" Dia. Riser
4 = 1½" Dia. Riser
5 = 2" Dia. Riser
6 = 2½" Dia. Riser
7 = 3" Dia. Riser
Model Number Descriptions

6 WSHP-SVX10B-EN
Model Number Descriptions
Digit 34, 35, 36: Riser Length
000 = No Riser
096 = 96" Riser Length
097 = 97" Riser Length
098 = 98" Riser Length
099 = 99" Riser Length
100 = 100" Riser Length
101 = 101" Riser Length
102 = 102" Riser Length
103 = 103" Riser Length
104 = 104" Riser Length
105 = 105" Riser Length
106 = 106" Riser Length
107 = 107" Riser Length
108 = 108" Riser Length
109 = 109" Riser Length
110 = 110" Riser Length
111 = 111" Riser Length
112 = 112" Riser Length
113 = 113" Riser Length
114 = 114" Riser Length
115 = 115" Riser Length
116 = 116" Riser Length
117 = 117" Riser Length
118 = 118" Riser Length
119 = 119" Riser Length
120 = 120" Riser Length
Vertical High-Rise Chassis
WSHP
Digits 1-3: Unit Configuration
GET = High Efficiency Vertical High Rise
Heat Pump (cabinet with blower/motor)
Digit 4: Development Sequence
E = R-410A
Digits 5-7: Nominal Size (Tons)
009=¾Tons
012=1Tons
015=1¼Tons
018=1½Tons
024 = 2Tons
036 = 3Tons
Digit 8: Voltage (Volts/Hz/Phase)
1 = 208/60/1
2 = 230/60/1
7 = 265/60/1
Digit 9: Heat Exchanger
1 = Copper Water Coil
2 = Cupro-Nickel Water Coil
3 = Copper Water Coil with Isolation
Valve and Low Flow Control
4 = Cupro- Nickel Water Coil with Isolation
Valve and Low Flow Control
5 = Copper Water Coil with Isolation
Valve and High Flow Control
6 = Cupro-Nickel Water Coil with Isolation
Valve and High Flow Control
Digit 10: Current Design
Sequence
Digit 11: Refrigeration Circuit
0 = Heating and Cooling Circuit
Digit 12: Blower Configuration
1 = Free Discharge - PSC motor
2 = Ducted Discharge - PSC motor
3 = Free Discharge w/1" Flange -
PSC motor
4 = Free Discharge w/3" Flange -
PSC motor
5 = ECM motor w/o flange
6 = ECM motor w/1" flange
7 = ECM motor w/3" flange
8 = Chassis only/No motor (ECM Control)
9 = Chassis only/No motor (PSC Control)
Digit 13: Freeze Protection
0 = None or Standard
A = 20° Freezestat
B = 35° Freezestat
Digit 14: Open Digit
0 = Open
Digit 15: Supply Air
Arrangement
0 = No Supply Air Arrangement
1 = Back and Front Supply Air
2 = Back and Left Supply Air
3 = Back and Right Supply Air
4 = Front and Left Supply Air
5 = Front and Right Supply Air
6 = Left and Right Supply Air
7 = Back, Front and Right Supply Air
8 = Back, Front and Left Supply Air
9 = Front, Right and Left Supply Air
B = Back Supply Air
L = Left Supply Air
R = Right Supply Air
T =Top Supply Air
F = Front Supply Air
Digit 16: Return Air
Arrangement
0 = No Door (Chassis Only)
1 = Flush with Wall, Acoustic Hinged
Return Air Door with Keyless Entry
2 = Flush with Wall, Acoustic Hinged
Return Air Door with Keylock Entry
Digit 17: Control Types
0 = Basic Controls for WPRD Retrofit
Chassis
D = Deluxe 24V Controls
C =Tracer™ ZN510 Controls
Digit 18: Thermostat Sensor
Location
0 = Wall Mounted Location
Digit 19: Fault Sensors
0= No Fault Sensors
1 = Condensate Overflow Sensor
2 = Filter MaintenanceTimer
3 = Condensate Overflow and Filter
MaintenanceTimer
Digit 20-22: Open Digits
Digit 23: Unit Mounted
Disconnect
0 = No Unit Mounted Switch
C = Switch Only
D = Switch with Fuses
Digit 24: Filter Type
1 = 1-inchThrowaway Filter
Digit 25: Acoustic Arrangement
0 = Enhanced Sound Attenuation
1 = Deluxe Sound Attenuation
Digit 26: Factory Configuration
2 = R-410A Chassis
R = WPRD Retrofit Chassis
Digit 27: Paint Color
8 = Polar White
Digit 28: Outside Air Option
0 = No Outside Air
Digit 29: Piping Arrangement
B = Back Riser Location
L = Left Hand Riser Location
R = Right Hand Riser Location
Digit 30: Riser Type
0 = No Riser (Chassis Only)
Digit 31: Supply Riser
0 = No Riser (Chassis Only)
Digit 32: Return Riser
0 = No Riser (Chassis Only)
Digit 33: Condensate Riser
0 = No Riser (Chassis Only)
Digit 34, 35, 36: Riser Length
000 = No Riser (Chassis Only)

WSHP-SVX10B-EN 7
General Information
Blower/Motor
The blower and motor is located inside the unit cabinet.
The blower and motor may be removed from the cabinet
through the chassis opening. After removing the chassis,
the blower assembly is strapped into the unit cabinet
through a single metal, flexible bracket. We refer to this
bracket as a housing belly bracket. After detaching one
screw at the bottom/front edge of the bracket, the housing
and motor are free to be lifted from the fan deck.
Compressor Nameplate
The nameplate for the compressors are located on the
compressor shell.
Controls
A 75 VA transformer is factory supplied on this unit
configuration. See wiring diagram on chassis access panel
for field wiring connection to the 24V mechanical
thermostat.
Deluxe 24V Controls
Units containing the Deluxe 24V control design will
incorporate a microprocessor-based control board.The
Trane microprocessor board is factory wired to a terminal
strip to provide all necessary terminals for field
connection.The deluxe board is equipped with a random
start relay, anti-short cycle timer, brown out protection,
compressor disable, unit safety control, diagnostics and a
generic relay (which may be available for field use). See
p. 14 for diagnostic information.
Power wiring is made at the contactor.The wiring is fed
through the left or right conduit tube, and into the cabinet’s
control box (contactor).
Schrader Connections
Connections for the low and high side of the refrigeration
system are located conveniently on the chassis’ front
beneath a sheet metal plate.
Sound Attenuation
Sound attenuation is applied as a standard feature in the
product design.The enhanced reduction package includes
a heavy gage base plate, and gasket/insulation around the
compressor enclosure.
An optional deluxe sound reduction package is also
available. It includes a heavy gage base plate, gasket and
insulation around the compressor enclosure, and
vibration isolation between the chassis and cabinet. An
additional dampening treatment is applied around the
compressor enclosure to achieve greater acoustical
reductions.
Unit Description
Before shipment, each unit is leak tested, dehydrated,
charged with refrigerant and run tested for proper control
operation.
Unit Nameplate
The unit nameplate is located at the front of the unit. It
includes the unit model number, serial number, electrical
characteristics, refrigerant charge, and other pertinent unit
data.
Water Connections
½" or ¾" water connections are located on the chassis’s
upper section and clearly labeled for water-in/out hose to
riser hook-up.
Water-to-Refrigerant Coils
The co-axial water-to-refrigerant heat exchanger for the ¾
ton through 3 ton equipment is constructed of copper or
cupro-nickel (option) for the water section and stainless
steel for the refrigeration section.
The heat exchanger is leak tested to assure there is no
cross leakage between the water and refrigerant gas.
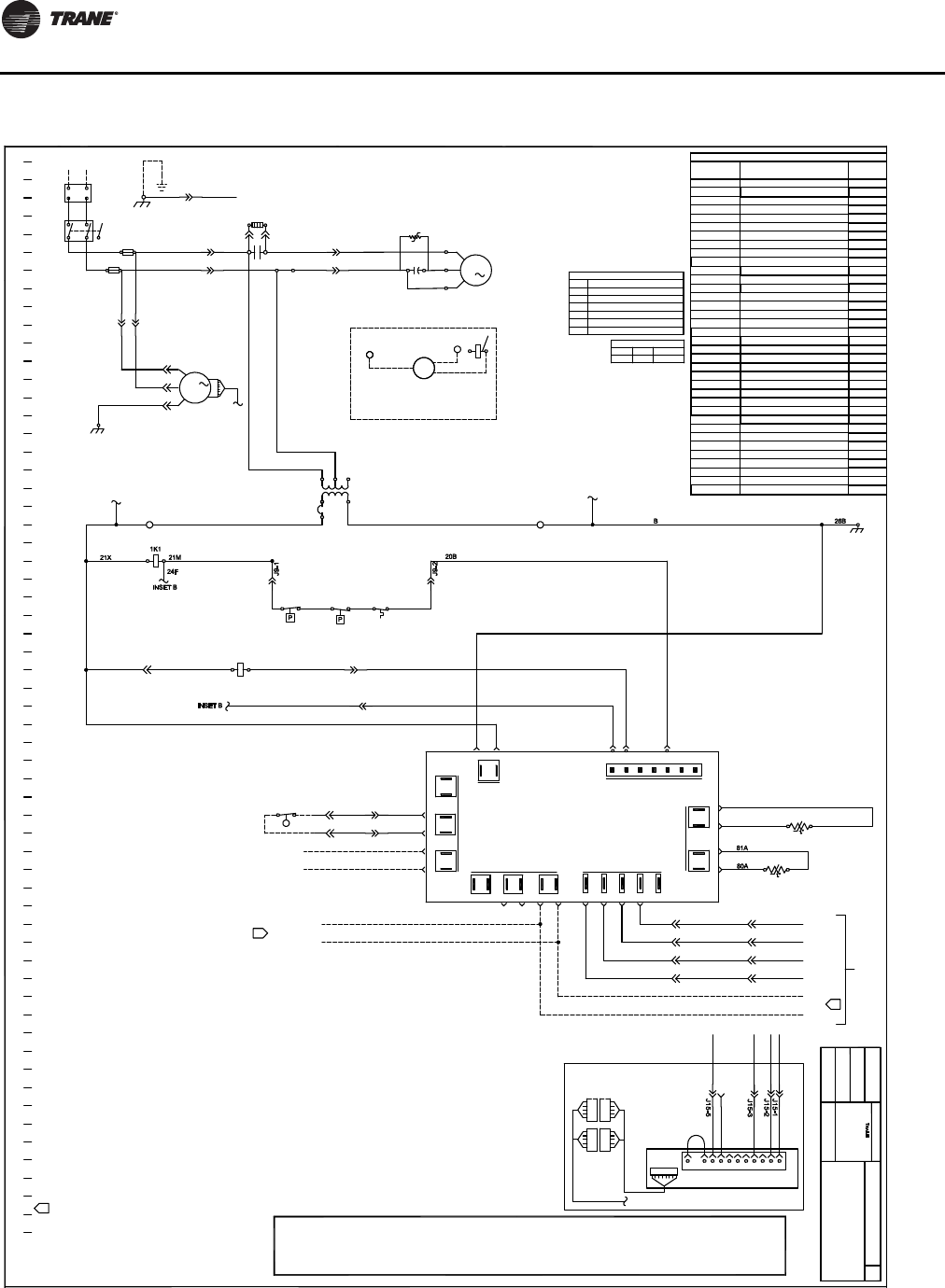
ZN510 Controls
Units incorporating the ZN510 control option design will
include a digital LonTalk™ certified control board.The
control board will support such options as: random start
delay, heating/cooling status, occupied/unoccupied mode
and fan/filter status.
Power wiring is made at the contactor.The wiring is fed
through the left or right conduit tube, and into the cabinet’s
control box (contactor). See manual WSHP-IOP-2 for
diagnostic information.

8 WSHP-SVX10B-EN
Pre-Installation
Jobsite Inspection
Always perform the following checks before accepting a
unit:
1. Verify that the nameplate data matches the data on the
sales order and bill of lading (including electrical data).
2. Verify that the power supply complies with the unit
nameplate specifications.
3. Visually inspect the exterior of the unit, for signs of
shipping damage. Do not sign the bill of lading
accepting the unit(s) until inspection has been
completed. Check for damage promptly after the
unit(s) are unloaded. Once the bill of lading is signed at
the jobsite, the unit(s) are now the property of the
SOLDTO party and future freight claims MAY NOT be
accepted by the freight company.
4. Verify that the refrigerant charge has been retained
during shipment by use of gauges. Schrader taps are
located external to the cabinet on the ¾-3 ton
equipment.
5. After assuring that charge has been retained, reinstall
the schrader caps to assure that refrigerant leakage
does not occur.
Jobsite Storage
This unit is intended for indoor use only.To protect the unit
from damage due to the elements, and to prevent possible
IAQ contaminant sources from growing, the unit should be
stored indoors. If indoor storage is not possible, the
following provisions for outdoor storage must be met:
1. Place the unit(s) on a dry surface or raise above the
ground to assure adequate air circulation beneath the
unit.
2. Cover the unit(s) with a water proof tarp to protect
them from the elements.
3. Make provisions for continuous venting of the covered
units to prevent moisture from standing on the unit(s)
surfaces. Wet interior unit insulation can become an
amplification site for microbial growth which has been
determined to be a cause of odors and serious health
related indoor air quality problems.
4. Store refrigeration units (chassis) units in the normal
UP orientation to maintain oil in the compressor.
Cabinet configurations may be stored as crated.
5. Do not stack units.
WARNING
Fiberglass Wool!
Product contains fiberglass wool. Disturbing the
insulation in this product during installation,
maintenance or repair will expose you to airborne
particles of glass wool fibers and ceramic fibers known
to the state of California to cause cancer through
inhalation. Glass wool fibers could result in respiratory,
skin or eye irritation.
NOTICE:
Microbial Growth!
Wet interior unit insulation can become an
amplification site for microbial growth (mold), which
may cause odors and damage to the equipment and
building materials. If there is evidence of microbial
growth on the interior insulation, the insulation should
be removed and replaced prior to operating the system.

WSHP-SVX10B-EN 9
Dimensions and Weights
Unit Location and Clearances
Locate the unit in an indoor area.The ambient
temperature surrounding the unit must not be less than
45°F. Do not locate the unit in areas subject to freezing.
Attention should be given to service clearance and
technician safety. The unit chassis should be easily
removed from the cabinet in all applications.There must
be enough space for service personnel to perform
maintenance or repair. Provide sufficient room to make
water, and electrical connection(s). Local and national
codes should be followed in providing electrical power
connections.
WARNING
Improper Unit Lift!
Test lift unit approximately 24 inches to verify proper
center of gravity lift point.To avoid dropping of unit,
reposition lifting point if unit is not level. Failure to
properly lift unit could result in death or serious injury
or possible equipment or property-only damage.
Table 1. Unit weights
Size Shipping weight with
pallet (lb) Shipping weight
without pallet (lb)
Cabinet
009 135 115
012 135 115
015 175 150
018 175 150
024 225 195
036 225 195
Chassis
009 88 78
012 107 97
015 112 102
018 117 107
024 174 164
036 190 180
Figure 1. Mechanical clearances
ALLOW 36" (914 mm)
AT UNIT FRONT FOR
CHASSIS REMOVAL
RSD

Dimensions and Weights
10 WSHP-SVX10B-EN
Figure 2. GET 009-036
Table 2. GET 009-036
GET A B C D E F
009, 012 16¼"
(413) 16¼"
(413) 8 1/8"
(206) 39 1/8"
(994) 14¾"
(375) ¾"
(19)
015-018 18"
(457) 20"
(508) 10"
(254) 40 5/8"
(1032) 18¾"
(476) ¾"
(19)
024-036 24"
(610) 24"
(610) 12"
(305) 49 5/8"
(1260) 22 5/8"
(575) ¾"
(19)

Dimensions and Weights
WSHP-SVX10B-EN 11
Return Air (hinged) Acoustical Door
The hinged acoustical door is recessed into the wall so that
the door is flush with the surface of the wall.
The opening through the wall for the door assembly must
be centered with the return-air opening of the unit cabinet.
For full installing instructions of the return-air acoustical
door, see p. 14.
Table 3. Return air hinged acoustical door
Unit Size A B
009
012 19¼”
(489) 44 1/8”
(1121)
015
018 23¼”
(591) 45¼”
(1149)
024
036 27 1/8”
(689) 54 5/8”
(1387)
Figure 3. Return air (hinged) acoustical door
RETURN-AIR OPENING
FLANGE ON CABINET
RETURN-AIR OPENING
FLANGE ON CABINET
2 X 4 STUD
A
B
SHEET ROCK
OPENING
TOP VIEW
SIDE VIEW
CABINET
5“
B
4 5/8“
2 1/4“
3 1/2” ±3/8”
3 1/2” ±3/8”
1 1/2” X 2 3/8”
FLOOR
SHEETROCK
SHEETROCK
RETURN AIR
DOOR FRAME
RETURN AIR
DOOR FRAME
1“ X 1” CLOSED
CELL INSULATION
1“ X 1” CLOSED
CELL INSULATION
ROC
K
3 1/2” ±3/8”
1 1/4”
+1/2”/-0” 1 1/4”
+1/2”/-0”
A
1“ X 1” CLOSED
CELL INSULATION
1“ X 1” CLOSED
CELL INSULATION
2“ X 4”
STUD
2“ X 4” STUD
RETURN AIR OPENING
FLANGE ON CABINET
RETURN AIR OPENING
FLANGE ON CABINET
SHEETROCK
SHEETROCK
RETURN AIR
DOOR FLANGE
CABINET
CABINET
Note:
Finished wall and framing should not
touch the unit cabinetry.

12 WSHP-SVX10B-EN
Installation
General Installation Checks
The checklist below is a summary of the steps required to
successfully install a unit.This checklist is intended to
acquaint the installing personnel with procedures
required in the installation process. It does not replace the
detailed instructions called out in the applicable sections
of this manual.
1. Remove packaging and inspect the unit. Check the unit
for shipping damage and material shortage; file a
freight claim and notify appropriate sales
representation.
Note: The unit cabinet is packaged in a wooden crate. A
pry bar and/or hammer will be needed for
packaging removal.
Note: The chassis sits inside a cardboard tray with an
upper box for protection.Typically four chassis will
be shrink-wrapped to a single pallet.
2. Verify the correct model, options and voltage from the
unit nameplate.
3. Verify the installation location of the unit will provide
the required clearance for proper operation.
4. Remove refrigeration access panel and inspect the
unit. Be certain the refrigerant tubing has clearance
from adjacent parts.
Main Electrical
1. Verify the power supply complies with the unit
nameplate specifications.
2. Inspect all control panel components; tighten any
loose connections.
3. Connect properly sized and protected power supply
wiring to a field-supplied/installed disconnect switch
and to the unit power block (1TB1) in the unit’s cabinet
control box for equipment.
4. Install proper grounding wires to an earth ground.
Note: All field-installed wiring must comply with NEC
and applicable local codes.
Low Voltage Wiring (AC & DC)
Requirements
Connect properly sized control wiring to the proper
termination points between the field supplied thermostat
and the terminal plug in the equipment’s junction box.
Unit Placement
WARNING
Hazardous Voltage!
Disconnect all electric power, including remote
disconnects before servicing. Follow proper lockout/
tagout procedures to ensure the power can not be
inadvertently energized. Failure to disconnect power
before servicing could result in death or serious injury.
WARNING
Proper Field Wiring and Grounding
Required!
All field wiring MUST be performed by qualified
personnel. Improperly installed and grounded field
wiring poses FIRE and ELECTROCUTION hazards. To
avoid these hazards, you MUST follow requirements for
field wiring installation and grounding as described in
NEC and your local/state electrical codes. Failure to
follow code could result in death or serious injury.
WARNING
Improper Unit Lift!
Test lift unit approximately 24 inches to verify proper
center of gravity lift point.To avoid dropping of unit,
reposition lifting point if unit is not level. Failure to
properly lift unit could result in death or serious injury
or possible equipment or property-only damage.
Figure 4. Stacking illustration
FLOOR
FLOOR
3" SWAGE

Installation
WSHP-SVX10B-EN 13
If unit cabinet assembly includes factory provided risers,
and "no" field provided between-the-floor riser
extensions, please move to Step 1.
Note: Risers are designed to accommodate a maximum
of 1½" to 3" expansion and contraction. If the total
calculated riser expansion exceeds 3", expansion
devices must be field provided.
If unit cabinet assembly includes factory provided risers
and field provided between-the-floor riser extensions are
required, install the extensions before installing the
cabinet.
1. Install drain valve, shut-off/balancing valves, flow
indicators and drain at the base of each supply and
return riser to enable system flushing at start-up,
balancing and service/maintenance.
2. Lift cabinet into space while aligning it into the
3"swage of the riser below.
Note: Take extra care as not to scrape or dent risers
during positioning.The riser should fall
approximately 2" into the 3" swage.This will allow
for the variation in floor-to-floor dimensions, and
keep the riser joints from bottoming out.
3. Level the cabinet.
4. Plumb risers in two planes to assure proper unit
operation and condensate drainage.
5. Anchor all units into place.
6. For field provided risers, center the supply/return
stubouts into the unit expansion slots.The stubouts
should be perpendicular to the cabinet panel.
7. Verify all risers are vertical and that they penetrate the
swaged joint at least 1". Riser should not be allowed to
bottom out.
8. Braze riser joints. Soft solder or low-temperature alloys
should not be used in this application.
9. If risers are field provided, it is recommended that the
risers be anchored to the building structure with a
minimum of one contact point. For expansion and
contraction reasons, do not fasten risers rigidly to the
building.
10. Seal access holes made through the cabinet for piping
with suitable material to help eliminate air leakage.
11. S e e “Cleaning and Flushing the Water Loop,” p. 16 for
system flushing.
Note: Remove shipping straps from risers.
Water Connection
For vibration isolation, it is recommended that flexible
steel braided hoses be installed instead of hard piping
between the vertical risers and the unit chassis.
Trane offers 4-types of hose kit variations:
• Stainless steel braided flexible hose with manual shut-
off (ball) valves
• Stainless steel braided flexible hose with manual
deluxe shut-off (ball) valves
• Stainless steel braided flexible hose with manual
circuit-setter valve
• Stainless steel braided flexible hose with automatic
balancing valve
Additional accessories, such as a strainer are
recommended for use to eliminate contaminants from
entering the co-axial water-to-refrigerant heat exchangers.
Note: Hoses should be no longer than 24”
Field Installed Power Wiring
Verify that the power supply available is compatible with
the unit’s nameplate. Use only copper conductors to
connect the power supply to the unit.
WARNING
Proper Field Wiring and Grounding
Required!
All field wiring MUST be performed by qualified
personnel. Improperly installed and grounded field
wiring poses FIRE and ELECTROCUTION hazards. To
avoid these hazards, you MUST follow requirements for
field wiring installation and grounding as described in
NEC and your local/state electrical codes. Failure to
follow code could result in death or serious injury.
NOTICE:
Use Copper Conductors Only!
Unit terminals are not designed to accept other types of
conductors. Failure to use copper conductors may
result in equipment damage.

Installation
14 WSHP-SVX10B-EN
Main Unit Power Wiring
A field supplied disconnect switch must be installed at or
near the unit in accordance with the National Electric Code
(NEC latest edition).
Location of the applicable electric service entrance for
HIGH (line voltage) may be found in Figure 5, p. 14.
Route power wire to the cabinet control box through the
factory installed conduit at the top of the unit
cabinetry.The high voltage connection is made at the 1PB1
power block in the cabinet control box. Refer to the
customer connection diagram that is shipped with the unit
for specific termination points.
Provide proper grounding for the unit in accordance with
the local and national codes.
Control Power Transformer
The 24V control power transformers are to be used only
with the accessories called out in this manual.
Transformers rated greater than 75 VA are equipped with
internal circuit breakers. If a circuit breaker trips, turn OFF
all power to the unit before attempting to reset it.
The transformer is located in the chassis control box.
Drywall Installation
Before installing drywall around cabinet, cover the cabinet
supply and return openings with plastic or cardboard to
help prevent dust or construction debris from reaching
unit components. Warranties will be voided if paint or
foreign debris is allowed to contaminate internal unit
components.
The location of the drywall may be dependent upon the
type of return air access design.
For units containing a field provided return air access
assembly, the contractor must calculate location of
drywall to allow for frame mounting.
Units Utilizing Hinged Acoustic Door
Assembly
2. The height of the door assembly must be positioned to
recess the door 2¼” from the cabinet’s return-air
opening, Figure 7, p. 15 - side view blow-up.
WARNING
Hazardous Voltage!
Disconnect all electric power, including remote
disconnects before servicing. Follow proper lockout/
tagout procedures to ensure the power can not be
inadvertently energized. Failure to disconnect power
before servicing could result in death or serious injury.
Figure 5. Power wire entrance
WARNING
Hazardous Voltage!
Disconnect all electric power, including remote
disconnects before servicing. Follow proper lockout/
tagout procedures to ensure the power can not be
inadvertently energized. Failure to disconnect power
before servicing could result in death or serious injury
Figure 6. Mock-up of stud placement
1. Locate the side studs a
minimum of 1¼” and a
maximum of 1 3/8” from the
cabinet to the side of the stud.
This critical dimension,
combined with "distance
between studs" is used to
determine the side-to-side
opening for the door, dimension
A.The distances provided in the
table are a "minimum"
dimension. Allow 3½” from the
front of the cabinet to the sheet
rock surface, Figure 7, p. 15 - top
view, Figure 6, p. 14 - mock-up
of stud placement.

Installation
WSHP-SVX10B-EN 15
3. Locate dimensions A and B for sheet rock opening size.
The position of the sheet rock opening must be
centered side-to-side with the return-air opening in the
cabinet. Ensure the bottom of the sheet rock opening is
2¼” below the return-air opening in the cabinet.This
allows the door recess to rest on the bottom of the
sheet rock opening for proper vertical placement of the
door.
4. Place the door frame into the sheet rock opening. A
positive seal is critical between the back of the door
frame and the front of the cabinet. Ensure that the
gasket material seals properly.
Note: When placing the sheet rock panel, make certain
the opening for the door is centered with the
return-air opening in the cabinet (±1/8").
8. Install Filter.
9. Vacuum all dust and construction debris from unit after
cutting out supply/return openings.
Supply Air Ductwork
A 2" (50.8 mm) duct flange may be required to help
eliminate supply air from recirculating back into the return
air, air-to-refrigerant coil prior to discharging into the
space.
Equipment containing a top discharge, ducted design:
install field ductwork to the unit providing a water tight
flexible connector at the unit.This helps prevent operating
sounds from transmitting through the ductwork. Elbows
with turning vanes or splitters are recommended to
minimize air noise due to turbulence and to help reduce
static pressure.
Figure 7. Drywall installation for hinged acoustic door
Table 4. Sheet rock opening size
Unit Size A B
09
012 19¼”
(489) 44 1/8”
(1121)
015
018 23¼”
(591) 45¼”
(1149)
024
036 27 1/8”
(689) 54 5/8”
(1387)
RETURN-AIR OPENING
FLANGE ON CABINET
RETURN-AIR OPENING
FLANGE ON CABINET
2 X 4 STUD
A
B
SHEET ROCK
OPENING
TOP VIEW
SIDE VIEW
CABINET
5“
B
4 5/8“
2 1/4“
3 1/2” ±3/8”
3 1/2” ±3/8”
1 1/2” X 2 3/8”
FLOOR
SHEETROCK
SHEETROCK
RETURN AIR
DOOR FRAME
RETURN AIR
DOOR FRAME
1“ X 1” CLOSED
CELL INSULATION
1“ X 1” CLOSED
CELL INSULATION
ROC
K
3 1/2” ±3/8”
1 1/4”
+1/2”/-0” 1 1/4”
+1/2”/-0”
A
1“ X 1” CLOSED
CELL INSULATION
1“ X 1” CLOSED
CELL INSULATION
2“ X 4”
STUD
2“ X 4” STUD
RETURN AIR OPENING
FLANGE ON CABINET
RETURN AIR OPENING
FLANGE ON CABINET
SHEETROCK
SHEETROCK
RETURN AIR
DOOR FLANGE
CABINET
CABINET
Note:
Finished wall and framing should not
touch the unit cabinetry.
Figure 8. Door opening
5. Secure the door frame to the side
studs using the holes located in
the door frame and field provided
screws.
Note: If the gap between the door
frame, and the side stud is
over 1/16-inch, place a shim in
between the door frame and
the stud to prevent the door
frame from bending/denting.
Figure 9. Air panel gasket
6. Place the air panel into the door
opening.The gasket on the back
side of the air panel should seal
around the coil perimeter.
Figure 10. Secure to door frame
7. After verifying that the air panel
gasket is sealed to the coil, secure
the air panel to the door frame
using the slots located on the sides
of the air panel.

Installation
16 WSHP-SVX10B-EN
Chassis Installation
(a) Not all units will include shipping bolts.
4. Connect water coil pipe to the system riser with a
flexible steel hose assembly.
5. Verify that the shut-off/balancing valve in the return
line/supply line are closed.
6. Place shut-off valves in appropriate location (see
sticker on the equipment for best placement
recommendation) to allow chassis to slide easily in/out
of unit cabinet.
7. Flush system. See “Cleaning and Flushing the Water
Loop,” p. 16,” for flushing instructions.
8. Open the unit water valves and check piping for leaks.
9. Connect electrical to unit chassis via the quick connect
mating plugs.
Note: Four plugs are included (motor, optional
condensate overflow, power and thermostat).
11. Verify unit’s air filter has shipped with the cabinet.
12. Install cabinet’s front cover to the hinged door.
Important: Ensure the gasket material creates a
positive seal around the entire coil to avoid
coil bypass. If a field supplied door is used,
ensure the front cover is attached to the
building structure and not the unit cabinet.
Supply Grille Installation
See Table 5, p. 16 for supply air dimensions.
1. Install the supply grille(s) into the cabinet discharge
opening. Ensure there are no air gaps between the
cabinet supply air and the grille.This helps prevent
recirculation of supply air into the return air opening
behind the drywall.
2. Secure grille(s) into the drywall via two screws.
Cleaning and Flushing the Water Loop
After the piping system is complete, the flexible hose
connectors should be doubled back to complete the water
circuit external to the unit (avoiding trash settle-out in the
condenser). An extra pipe may be necessary to connect
the hose kits. See “Using Antifreeze,” p. 17 for antifreeze/
water mixture by volume.
1. Water circulation system should be filled with clean
water using the water make up connections.
Note: Air vents should be opened during filling.
2. With the air vents closed, start the circulating pump
and then crack the air vents to bleed off the trapped air,
assuring circulation through all components of the
system.
Note: Make up water must be available to the system to
replace the volume formerly occupied by the air
that is bled off.
Note: System water pressure needs to be relieved prior to
opening system.
3. With the air vented and the water circulating, the entire
system should be checked for leaks with repairs made
as required.
4. Operate the supplementary heat system making
checks per manufacturer’s instructions. During this
operation, visual checks should be made for leaks that
Figure 11. Shipping bolts (see arrows)
1. Remove three 18-inch
bolts on the chassis
and discard.
2. Rotate the triangular
metal plate to cover the
bolt holes in the
chassis. Secure with
two sheet metal
screws.
Figure 12. Bracket removal for deluxe sound package
3. Removeoneshipping
bracket (one on each
side) attached to the
chassis slide rails and
discard.
Note: Remove this
bracket only if the
deluxe sound
package design is
selected.
Figure 13. Install chassis centered
10. Slide chassis into the cabinet.
Center the chassis left to right to
minimize sound transmission.
Table 5. Supply air opening size
GET Single Grille
100% CFM Two Grille
50% CFM Three Grille
33% CFM
Top
Discharge
up to
100% CFM
009, 012 14”W x 14”H 10”W x 6”H Not
Recommended 14”W x 10”H
015, 018 16”Wx12”H 14”Wx12”H 12”Wx8”H 16”Wx14”H
024 22”Wx18”H 14”Wx12”H 12”Wx8”H 16”Wx14”H
036 Not
Recommended 16”Wx14”H 14”Wx12”H 17”Wx17”H

Installation
WSHP-SVX10B-EN 17
may have occurred due to increased heat. Repair as
required.
5. Open the system at the lowest point for the initial blow
down (making sure the make up water is equal to the
water being dumped). Continue blow down until the
water leaving the drain runs clear, but not less than 2
hours.
6. Shut down pumps and supplementary heat system.
Reconnect the hoses placing the water-to-refrigerant
heat exchanger in the water circulating system.
Note: Vents should be open when the pumps and
supplementary heat system are shut down.
Using Antifreeze
In areas of the country where entering water temperatures
drop below 45°F or where piping is being run through
areas subject to freezing, the loop must be freeze protected
by using an approved antifreeze solution to prevent the
earth loop water from freezing inside the heat exchanger.
Methanol and glycols are the most commonly used
antifreeze solutions. Consult your geothermal unit
supplier for locally approved solutions in your area.
Propylene glycol is not recommended in installations
where the water temperature are expected to fall below
30°F. At extreme temperatures, the viscosity increases to
the point where normal loop circulating pumps may not
maintain proper flow.
If propylene glycol is the only locally approved solution for
anti-freeze, good engineering practices should be used to
achieve the desired flow.
Calculate the approximate volume of water in the system
by using the requirements detailed inTable 8, Water
Volume. Add three gallons to this total to allow for the
water contained in the hose kit and geothermal unit.
Low Voltage Wiring
Factory ordered thermostats and zone sensors are pre-
wired with a quick connecting plug.
1. After installing the cabinet assembly, simply plug the
male portion of thermostat/zone sensor plug into the
female portion of the plug located inside the unit’s
junction box.
2. Mount the thermostat or zone sensor on the finished
drywall.
Thermostat/zone sensor connection is shown in Figure 15,
p. 17.
Low Voltage Wiring for Field Provided
Thermostats/Zone Sensors
Ensure that the AC control wiring between the controls
and the unit’s termination point does not exceed three (3)
ohms/conductor for the length of the run.
Check all loads and conductors for grounds, shorts, and
mis-wiring.
Do not run the AC low voltage wiring in the same conduit
with the high voltage power wiring.
Figure 14. Flushing the water loop
Table 6. Antifreeze requirements based on volume
Type of
Antifreeze Minimum Temperature for Freeze
Protection
10°F 15°F 20°F 25°F 30°F
Methanol 25% 21% 16% 10% 3%
Propylene Glycol ————6%
CIRCULATING
PUMP
WATER-SOURCE
HEAT PUMP
CONNECTION
HOSE
GROUND-LOOP
OR
COOLING TOWER/BOILER
TEMPORARY
CONNECTION
FOR SYSTEM
FLUSHING
NOTICE:
Component Failure!
Resistance in excess of 3-ohms per conductor could
result in component failure due to insufficient AC
voltage supply.
Table 7. 24V AC conductors
Distance from unit
to Control Recommended
Wire Size
000-460 feet 18 gauge
461-732 feet 16 gauge
733-1000 feet 14 gauge
Figure 15. Zone sensor connection
Six (6) Pin Connector/Harness
• Red = 24V
• Black = Fan
• Orange = RV
• Yellow = Compressor
• Blue = Common

Installation
18 WSHP-SVX10B-EN
PSC Blower Motor Speed Retrofit
PSC motors installed in the unit have multiple speed
configurations.To modify the rpm of the motor, the
following steps may be followed.
1. Locate the blower motor relay inside the chassis
control box.
2. Remove the undesired speed tap.
3. Select desired speed tap wire by using information
from Table 9, p. 18.
4. Connect desired tap wire to the 1K4 relay at spade 4.
5. Reconnect power to the unit.
ECM Motor CFM Settings
To adjust the CFM, disconnect the power to the unit. Set
the DIP switch located in the control box to the desired
profile setting. See Figure 16. Connect the power to the
unit. If ht epower is not disconnected when the DIP switch
is set, th emotor will not be programmed ot the new
setting.
Note: Units with the optional ECM motor are shipped
from the factory on Profile B.
To adjust the CFM, disconnect the power to the unit. Set
the DIP switch located in the control box to the desired
profile setting. See Figure 16. Connect the power to the
unit. If the power is not disconnected when the DIP switch
is set, the motor will not be programmed to the new
setting.
• Profile A = 110% of rated air flow
• ProfileB=100%ofrated air flow
• Profile C = 90% of rated air flow
• Profile D = 805 of rated air flow
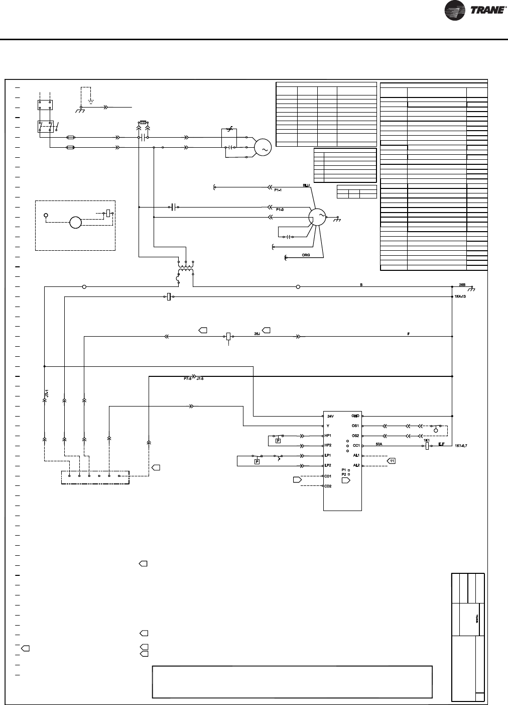
Table 8. Deluxe controller diagnostic LEDs
Color: Green Color: Red Controller Mode
LED1 LED2 LED3
OFF OFF OFF Control OFF
ON OFF OFF Normal/Compressor OFF
ON OFF FLASH Anti-short Cycle
ON OFF ON Normal/Compressor ON
FLASH ON OFF Brownout Condition
ON FLASH ON Soft Lockout (low pressure)
ON FLASH FLASH Soft Lockout (high pressure)
ON ON ON Manual Lockout (low
pressure)
ON ON FLASH Manual Lockout (high
pressure)
ON FLASH OFF Manual Lockout (condensate
overflow)
ON ON OFF Compressor Disable
WARNING
Hazardous Voltage!
Disconnect all electric power, including remote
disconnects before servicing. Follow proper lockout/
tagout procedures to ensure the power can not be
inadvertently energized. Failure to disconnect power
before servicing could result in death or serious injury.
Table 9. Lead change
Lead Colors
Lead Speed High Low
Blower 1G 9A
Figure 16. ECM control board and dip switch setting
Dip Switch
to select profile
12345678
On
Off
Profile A
12345678
On
Off
Profile B
12345678
On
Off
Profile C
12345678
On
Off
Profile D

Installation
WSHP-SVX10B-EN 19
Table 10. PSC blower motor external static pressure without return air door (RAD) with filter
External Static Pressure (in. of wg)
Model
No Speed
Tap Ducted
(a) Unit CFM 0.00 0.05 0.10 0.15 0.20 0.25 0.30 0.35
Max Min CFM KW CFM KW CFM KW CFM KW CFM KW CFM KW CFM KW CFM KW
GET
009
High Yes 408 421 0.108 388 0.107 354 0.106 320 0.104 283 0.103 244 0.102
Low Yes 355 0.073 332 0.072 307 0.070 278 0.068 245 0.067
High No 357 0.073 333 0.071 309 0.070 282 0.069 253 0.067
Low No 272 307 0.061 297 0.060 280 0.059 258 0.058
GET
012
High Yes 453 453 0.140 433 0.137 412 0.134 390 0.130 367 0.127 342 0.124 316 0.121 288 0.118
Low Yes 401 0.112 383 0.109 362 0.106 340 0.103 318 0.100 295 0.097
High No 418 0.125 400 0.122 379 0.120 356 0.117 332 0.113 309 0.110 286 0.107
Low No 304 345 0.097 331 0.095 313 0.092 292 0.090
GET
015
High Yes 648 652 0.191 634 0.187 616 0.183 598 0.179 579 0.175 558 0.170
Low Yes 560 0.155 539 0.153 523 0.152 511 0.149 499 0.146 487 0.143 472 0.139 455 0.135
High No 553 0.169 538 0.167 524 0.165 510 0.162 496 0.159 481 0.155 464 0.151 444 0.147
Low No 432 445 0.135 433 0.135 422 0.134
GET
018
High Yes 780 785 0.330
Low Yes 665 0.253 644 0.249 625 0.246 608 0.242 592 0.237 575 0.232 556 0.227 537 0.221
High No 696 0.361 675 0.354 654 0.348 632 0.342 610 0.336 588 0.330 566 0.324 544 0.318
Low No 520 544 0.271 526 0.266 506 0.262
GET
024
High Yes 984 988 0.402 955 0.392 920 0.382
Low Yes 908 0.344 895 0.335 876 0.327 854 0.318 829 0.310 803 0.301 778 0.293 754 0.285
High No 850 0.317 827 0.310 806 0.303 787 0.297 768 0.291 750 0.286 730 0.280 710 0.274
Low No 656 799 0.292 781 0.286 764 0.280 746 0.275 727 0.269 709 0.264 690 0.258 671 0.252
GET
036
High Yes 1404 1420 0.686 1396 0.674
Low Yes 1303 0.651 1293 0.638 1282 0.625 1270 0.614 1256 0.603 1240 0.592 1222 0.582 1202 0.572
High No 1330 0.642 1304 0.630 1277 0.618 1248 0.606 1219 0.593 1188 0.581 1155 0.568 1122 0.555
Low No 936 1059 0.523 1051 0.516 1042 0.510 1033 0.503 1022 0.496 1011 0.488 998 0.480 984 0.472
External Static Pressure (in. of wg)
Model
No Speed
Tap Ducted
Unit CFM 0.40 0.45 0.50 0.55 0.60 0.65 0.70 0.75
Max Min CFM KW CFM KW CFM KW CFM KW CFM KW CFM KW CFM KW CFM KW
GET
015
High Yes 648 535 0.165 510 0.160 480 0.154 445 0.148 404 0.141
Low Yes 433 0.130 405 0.125
High No 421 0.142
Low No 432
GET
018
High Yes 780 758 0.323 729 0.317 697 0.311 661 0.305 620 0.300 573 0.295 518 0.291
Low Yes 517 0.215
High No 521 0.312 497 0.305
Low No 520
GET
024
High Yes 984 884 0.371 847 0.359 810 0.348 774 0.336 739 0.324 706 0.312 676 0.299 649 0.287
Low Yes 732 0.277 712 0.268 693 0.260 675 0.251 658 0.243 641 0.234
High No 689 0.267 666 0.260 642 0.251
Low No 656 651 0.246
GET
036
High Yes 1404 1371 0.662 1346 0.650 1320 0.638 1293 0.625 1265 0.613 1236 0.601 1206 0.588 1175 0.575
Low Yes 1181 0.562 1160 0.553 1138 0.543 1117 0.533 1097 0.522 1076 0.511 1055 0.498 1031 0.486
High No 1086 0.542 1048 0.528 1007 0.515 965 0.501 919 0.487
Low No 936 967 0.464 949 0.454 927 0.444
External Static Pressure (in. of wg)
Model
No Speed
Tap Ducted
Unit CFM 0.80 0.85 0.90 0.95 1.00 1.05 1.10
Max Min CFM KW CFM KW CFM KW CFM KW CFM KW CFM KW CFM KW
GET
036
High Yes 1404 1142 0.563 1107 0.550 1071 0.536 1032 0.523 991 0.509 947 0.495 900 0.481
Low Yes 1003 0.472 967 0.456 919 0.440
High No
Low No 936
(a)The NO “Ducted” option is for non-ducted (free return) units. Units specified as “non-ducted” (free return) are factory wired to low-speed. Units specified
as “ducted” are factory wired to high-speed.

Installation
20 WSHP-SVX10B-EN
Table 11. ECM Blower motor external static pressure without return air door (RAD) with filter
Model
No. Speed
Profile
External Static Pressure (in. of wg)
0.00 0.05 0.10 0.15 0.20 0.25 0.30 0.35 0.40 0.45 0.50 0.55 0.60 0.65 0.70
CFM kW kW kW kW kW kW kW kW kW kW kW kW kW kW kW
GET 009
A 374 0.025 0.037 0.050 0.062 0.075 0.087 0.098 0.110 0.121 0.133 0.144 0.155 0.165 0.176 0.176
B 344 0.023 0.035 0.046 0.057 0.068 0.079 0.090 0.100 0.110 0.120 0.130 0.140 0.149 0.159 0.159
C 313 0.021 0.032 0.042 0.052 0.062 0.071 0.081 0.090 0.099 0.108 0.117 0.126 0.134 0.143 0.143
D 285 0.017 0.027 0.036 0.045 0.054 0.063 0.071 0.080 0.088 0.096 0.104 0.112 0.120 0.127 0.127
GET 012
A 419 0.027 0.042 0.057 0.071 0.086 0.100 0.114 0.128 0.142 0.155 0.168 0.181 0.193 0.206 0.206
B 382 0.025 0.038 0.052 0.065 0.077 0.090 0.103 0.115 0.127 0.139 0.151 0.162 0.173 0.184 0.184
C 342 0.023 0.034 0.046 0.057 0.069 0.080 0.091 0.102 0.112 0.122 0.133 0.142 0.152 0.161 0.161
D 303 0.019 0.029 0.039 0.049 0.059 0.068 0.078 0.087 0.096 0.105 0.114 0.123 0.131 0.139 0.139
GET 015
A 594 0.062 0.072 0.081 0.090 0.100 0.109 0.119 0.128 0.138 0.148 0.158 0.168 0.179 0.191 0.202
B 540 0.044 0.054 0.064 0.073 0.083 0.092 0.101 0.111 0.121 0.131 0.141 0.151 0.162 0.173 0.185
C 486 0.032 0.042 0.051 0.060 0.069 0.079 0.088 0.097 0.106 0.116 0.126 0.136 0.146 0.157 0.168
D 432 0.025 0.034 0.042 0.051 0.059 0.068 0.076 0.085 0.093 0.102 0.111 0.120 0.130 0.140 0.150
GET 018
A 712 0.097 0.109 0.121 0.134 0.148 0.163 0.178 0.193 0.208 0.223 0.239 0.253 0.268 0.282 0.282
B 648 0.077 0.087 0.098 0.110 0.123 0.136 0.150 0.163 0.177 0.191 0.205 0.218 0.230 0.242 0.242
C 584 0.056 0.066 0.076 0.087 0.099 0.111 0.123 0.135 0.148 0.160 0.172 0.183 0.194 0.204 0.204
D 522 0.039 0.048 0.058 0.069 0.080 0.091 0.102 0.114 0.125 0.136 0.147 0.157 0.166 0.175 0.175
GET 024
A 903 0.100 0.118 0.135 0.152 0.168 0.185 0.201 0.216 0.232 0.247 0.261 0.276 0.290 0.303 0.303
B 827 0.081 0.096 0.111 0.125 0.140 0.154 0.168 0.182 0.196 0.209 0.222 0.236 0.248 0.261 0.261
C 746 0.060 0.073 0.085 0.098 0.110 0.123 0.136 0.148 0.161 0.173 0.185 0.198 0.210 0.222 0.222
D 659 0.041 0.052 0.063 0.074 0.085 0.097 0.109 0.121 0.133 0.145 0.157 0.169 0.182 0.194 0.194
GET 036
A 1293 0.285 0.306 0.328 0.349 0.370 0.392 0.413 0.433 0.454 0.475 0.496 0.516 0.537 0.557 0.557
B 1178 0.214 0.233 0.253 0.272 0.292 0.311 0.330 0.349 0.369 0.388 0.406 0.425 0.444 0.463 0.463
C 1063 0.158 0.175 0.193 0.210 0.227 0.245 0.262 0.279 0.296 0.313 0.331 0.348 0.365 0.382 0.382
D 950 0.117 0.133 0.148 0.163 0.178 0.193 0.208 0.223 0.238 0.254 0.269 0.284 0.299 0.314 0.314
Note: The ECM motor is programmed for constant CFM. The CFM is factory set on Profile B.
Table 12. Pressure drop due to return air door (RAD)
Model No. CFM DP CFM DP CFM DP
GET 009 272 0.04 340 0.05 408 0.08
GET 012 303 0.04 380 0.07 456 0.11
GET 015 432 0.06 540 0.09 648 0.12
GET 018 520 0.08 650 0.12 780 0.16
GET 024 656 0.06 820 0.08 984 0.12
GET 036 936 0.10 1170 0.16 1404 0.23
Note: The pressure drop across the RAD door should be included in the TOTAL ESP when determining airflow and fan motor power usage. If the door is supplied
by another vendor, the pressure drop across that door must be included in the TOTAL ESP when determining airflow and fan motor power usage.

WSHP-SVX10B-EN 21
Electrical Data
Table 13. Electrical performance
Model No. Motor
Option Unit Volts Total
FLA Comp RLA
(ea) Comp
LRA Blower
Motor FLA Blower
Motor HP
Minimum
Circuit
Ampacity
Maximum
Overcurrent
Protective
Device
GET 009
PSC Motor
208/60/1 4.3 3.7 16.0 0.60 1/20 5.23 15
230/60/1 4.1 3.5 17.0 0.60 1/20 4.98 15
265/60/1 3.3 2.8 13.0 0.50 1/20 4.00 15
ECM Motor
208/60/1 4.3 3.7 16.0 0.55 1/3 5.18 15
230/60/1 4.1 3.5 17.0 0.55 1/3 4.93 15
265/60/1 3.4 2.8 13.0 0.55 1/3 4.05 15
GET 012
PSC Motor
208/60/1 7.0 6.3 30.0 0.70 0.13 8.58 15
230/60/1 7.0 6.3 30.0 0.70 0.13 8.58 15
265/60/1 5.6 5.0 23.0 0.60 0.13 6.85 15
ECM Motor
208/60/1 6.9 6.3 30.0 0.60 1/3 8.48 15
230/60/1 6.9 6.3 30.0 0.60 1/3 8.48 15
265/60/1 5.6 5.0 23.0 0.60 1/3 6.85 15
GET 015
PSC Motor
208/60/1 8.6 7.9 36.0 0.70 1/8 10.58 15
230/60/1 8.6 7.9 36.0 0.70 1/8 10.58 15
265/60/1 7.0 6.4 30.0 0.60 1/8 8.60 15
ECM Motor
208/60/1 8.5 7.9 36.0 0.60 1/2 10.48 15
230/60/1 8.5 7.9 36.0 0.60 1/2 10.48 15
265/60/1 7.0 6.4 30.0 0.60 1/2 8.60 15
GET 018
Free
Discharge
PSC Motor
208/60/1 10.3 9.6 42.0 0.70 1/8 12.70 20
230/60/1 10.3 9.6 42.0 0.70 1/8 12.70 20
265/60/1 8.3 7.7 35.0 0.60 1/8 10.23 15
ECM Motor
208/60/1 10.2 9.6 42.0 0.60 1/2 12.60 20
230/60/1 10.2 9.6 42.0 0.60 1/2 12.60 20
265/60/1 8.3 7.7 35.0 0.60 1/2 10.23 15
Ducted
PSC Motor
208/60/1 11.3 9.6 42.0 1.70 1/5 13.70 20
230/60/1 11.3 9.6 42.0 1.70 1/5 13.70 20
265/60/1 8.8 7.7 35.0 1.10 1/5 10.73 15
GET 024
PSC Motor
208/60/1 15.7 13.5 58.3 2.20 1/3 19.08 30
230/60/1 15.7 13.5 58.3 2.20 1/3 19.08 30
265/60/1 10.8 9.0 54.0 1.80 1/3 13.05 20
ECM Motor
208/60/1 14.5 13.5 58.3 0.95 1/2 17.83 30
230/60/1 14.5 13.5 58.3 0.95 1/2 17.83 30
265/60/1 10.0 9.0 54.0 0.95 1/2 12.20 20
GET 036
PSC Motor
208/60/1 17.7 14.1 77.0 3.60 1/2 21.23 35
230/60/1 17.7 14.1 77.0 3.60 1/2 21.23 35
265/60/1 15.0 12.2 72.0 2.77 1/2 18.02 30
ECM Motor
208/60/1 16.1 14.1 77.0 2.00 3/4 19.63 30
230/60/1 16.1 14.1 77.0 2.00 3/4 19.63 30
265/60/1 14.2 12.2 72.0 2.00 3/4 17.25 25

22 WSHP-SVX10B-EN
Pre-Start-up
Checklist
Before energizing the unit, the following
system devices must be checked:
____ Is the high voltage power supply correct and in
accordance with the nameplate ratings?
____ Is the field wiring and circuit protection the correct
size?
____ Is the low voltage control circuit wiring correct per the
unit wiring diagram?
____ Is the piping system clean/complete and correct? (A
recommendation of all system flushing
of debris from the water-to-refrigerant heat exchanger,
along with air purging from the water-to-refrigerant heat
exchanger be done in accordance with the Closed-Loop/
Ground Source Heat Pump Systems Installation Guide).
____ Is vibration isolation provided? (i.e. unit isolation pad,
hose kits)
____ Is unit serviceable? (See “Unit Location and
Clearances,” p. 9.)
____ Are the low/high-side pressure temperature caps
secure and in place?
____ Are all the unit access panels secure and in place?
____ Is the thermostat in the OFF position?
____ Is the water flow established and circulating through
all the units?
____ Is the duct work (if required) correctly sized, run,
taped, insulated and weather proofed with proper unit
arrangement?
____ Is the condensate line properly sized, run, trapped and
pitched?
____ Does the indoor blower turn freely without rubbing?
____ Has all work been done in accordance with applicable
local and national codes?
____ Has heat transfer fluid been added in the proper mix
to prevent freezing in closed system application?
____ Are the compressor bolts removed from the chassis?
____ Have the chassis isolation rails been released?
____ Is there a good seal between the front air panel and
the coil?
Initial Unit Start-up
Start-up with deluxe controls is included below:
Note: Start-up for theTracerTM ZN510 controller may be
found in WSHP-IOP-2.
1. Set the thermostat to the highest position.
Set the thermostat system switch to COOL with the fan
control to AUTO.The compressor should NOT run.
2. Reduce the temperature control setting until the
compressor, reversing valve, solenoid valve, and loop
pump are energized. Adjust water flow utilizing
pressure/temperature plugs and comparing to tables
contained in specification sheet data. Water leaving
the heat exchanger should be warmer than the
entering water temperature (approximately 9°F-12°F);
blower operation should be smooth; compressor and
blower amps should be within data plate ratings; the
suction line should be cool with no frost observed in
the refrigerant circuit.
3. Check the cooling refrigerant pressures against values
in Table 14, p. 23.
4. Turn the thermostat switch to the OFF position. Unit
should stop running and the reversing valve should
de-energize.
5. Leave unit off for approximately FIVE minutes to allow
for pressure equalization.
6. Turn the thermostat to the lowest setting. Set the
thermostat system switch to the HEAT position.
7. Adjust the temperature setting upward until the unit is
energized. Warm air should blow from the register. A
water temperature decrease of approximately 5°F-9°F
leaving the heat exchanger should be noted.The
blower and compressor operation should be smooth
with no frost observed in the refrigeration circuit.
8. Check the heating refrigerant pressures against values
in Table 14, p. 23.
9. Set the thermostat to maintain the desired space
temperature.
10. Instruct the owner on system operation.

WSHP-SVX10B-EN 23
Operating Pressures
Use the form on p. 26 to log system and unit temperatures
during start-up.
GENERAL:There are many variables (airflow, air
temperatures) in an air conditioning system that will affect
operating refrigerant pressures and temperatures.The
chart below shows approximate conditions and is based
on air flow at the rated SCFM, entering air at 80.6°F DB,
66.2 °F WB in cooling, 68°F DB in heating. (+)Heating data
with 35°F EWT is based on the use of an anti-freeze
solution having a freezing point 20 °F lower than the
minimum expected entering temperature.
Table 14. Operating pressures
Operating Data
Cooling Heating
Model
Entering
Water
Temp °F Water
Flow GPM
Suction
Pressure,
PSIG
Discharge
Pressure,
PSIG Water Temp
Rise °F Air Temp
Drop °F DB
Suction
Pressure
PSIG
Discharge
Pressure
PSIG
Water
Temp
Drop °F Air Temp
Rise °F DB
GETE009 35 1.80 — — — — 93-107 298-379 6-8 11-15
GETE009 35 2.25 — — — — 96-111 300-382 5-6 12-15
GETE009 45 1.80 138-159 177-226 12-15 11-15 111-128 315-401 6-8 13-17
GETE009 45 2.25 137-157 171-217 9-12 12-15 114-131 316-403 5-7 14-18
GETE009 55 1.80 140-161 203-258 11-14 11-14 129-149 331-421 8-10 15-19
GETE009 55 2.25 139-160 197-250 9-12 12-15 133-153 332-423 6-8 16-20
GETE009 68 1.80 143-164 244-310 11-14 11-14 156-179 354-450 9-11 18-22
GETE009 68 2.25 142-164 237-301 9-11 12-15 161-185 357-454 7-9 18-23
GETE009 75 1.80 144-166 269-342 11-14 11-14 172-197 367-467 10-12 19-24
GETE009 75 2.25 144-165 262-333 9-11 11-15 177-204 372-473 8-10 19-25
GETE009 86 1.80 146-168 313-399 11-14 11-14 199-229 389-496 11-14 21-26
GETE009 86 2.25 146-168 306-389 8-11 11-15 206-237 394-501 9-12 21-27
GETE009 95 1.80 148-170 355-452 11-13 11-14 — — — —
GETE009 95 2.25 147-170 347-441 8-11 11-14 — — — —
GETE012 35 2.40 — — — — 91-104 279-355 6-8 19-24
GETE012 35 3.00 — — — — 94-108 281-358 4-6 19-24
GETE012 45 2.40 144-166 170-216 11-14 18-23 109-125 294-374 6-8 21-27
GETE012 45 3.00 144-166 164-208 9-11 19-24 111-128 295-375 5-6 21-27
GETE012 55 2.40 145-167 197-251 11-14 18-23 127-146 308-392 7-9 24-31
GETE012 55 3.00 145-167 191-243 9-11 18-23 130-149 311-396 6-7 25-31
GETE012 68 2.40 146-168 240-305 11-14 17-22 153-176 329-419 8-10 27-35
GETE012 68 3.00 146-168 233-296 9-11 18-23 158-181 332-423 7-9 28-36
GETE012 75 2.40 147-169 266-338 11-14 17-21 169-195 341-434 9-11 29-37
GETE012 75 3.00 146-169 259-329 9-11 17-22 174-200 345-438 7-9 29-37
GETE012 86 2.40 148-170 312-397 11-14 16-20 197-226 362-460 10-13 30-39
GETE012 86 3.00 148-170 304-387 9-11 16-21 203-234 365-465 8-10 31-39
GETE012 95 2.40 149-172 357-454 11-14 15-19 — — — —
GETE012 95 3.00 149-172 348-443 9-11 15-19 — — — —
GETE015 35 2.80 — — — — 90-103 272-346 6-8 19-24
GETE015 35 3.80 — — — — 94-108 275-350 4-6 19-24
GETE015 45 2.80 146-168 173-220 12-15 18-23 108-124 286-364 6-8 21-27
GETE015 45 3.80 145-167 165-210 9-11 19-24 111-128 288-367 5-6 21-27
GETE015 55 2.80 146-169 202-257 12-15 18-23 125-144 299-381 7-9 24-31
GETE015 55 3.80 146-168 193-245 9-11 18-23 130-149 302-385 6-7 25-31
GETE015 68 2.80 148-170 245-312 12-15 17-22 151-174 317-404 9-11 27-35
GETE015 68 3.80 147-170 235-299 9-11 18-23 157-181 321-409 7-9 28-36
continued on next page

Operating Pressures
24 WSHP-SVX10B-EN
GETE015 75 2.80 148-171 272-346 12-15 17-21 167-192 328-417 10-12 29-37
GETE015 75 3.80 148-171 261-332 9-11 17-22 174-200 333-423 7-9 29-37
GETE015 86 2.80 150-172 319-406 12-15 16-20 193-222 345-440 11-14 30-39
GETE015 86 3.80 150-172 307-390 9-11 16-21 202-232 351-447 8-11 31-39
GETE015 95 2.80 151-174 364-463 12-15 15-19 — — — —
GETE015 95 3.80 151-174 351-446 9-11 15-19 — — — —
GETE018 35 3.60 — — — — 89-103 282-358 7-8 19-24
GETE018 35 4.60 — — — — 93-107 284-361 5-6 19-24
GETE018 45 3.60 140-161 174-221 11-14 18-23 107-123 299-380 7-8 21-27
GETE018 45 4.60 140-161 167-213 8-11 19-24 110-126 302-384 5-7 21-27
GETE018 55 3.60 139-160 203-258 11-14 18-23 125-143 317-404 8-10 24-31
GETE018 55 4.60 139-160 196-250 9-11 18-23 128-147 320-407 6-8 25-31
GETE018 68 3.60 140-161 246-313 11-14 17-22 150-173 341-434 9-11 27-35
GETE018 68 4.60 140-161 238-304 9-11 18-23 155-179 343-437 7-9 28-36
GETE018 75 3.60 141-162 272-346 11-14 17-21 166-191 354-450 10-12 29-37
GETE018 75 4.60 141-162 264-336 9-11 17-22 172-198 357-455 8-10 29-37
GETE018 86 3.60 142-163 317-404 11-14 16-20 193-222 373-475 11-14 30-39
GETE018 86 4.60 142-163 309-393 9-11 16-21 201-231 376-479 9-11 31-39
GETE018 95 3.60 143-165 359-457 11-14 15-19 — — — —
GETE018 95 4.60 143-165 350-445 9-11 15-19 — — — —
GETE024 35 4.70 — — — — 84-97 272-346 6-8 19-24
GETE024 35 6.10 — — — — 87-100 275-350 4-6 19-24
GETE024 45 4.70 136-156 177-226 11-15 18-23 101-116 286-364 6-8 21-27
GETE024 45 6.10 136-156 171-218 9-11 19-24 104-119 288-367 5-6 21-27
GETE024 55 4.70 137-158 205-261 11-14 18-23 118-135 299-381 7-9 24-31
GETE024 55 6.10 137-158 197-251 9-11 18-23 121-139 302-384 6-7 25-31
GETE024 68 4.70 139-160 246-313 11-14 17-22 142-164 318-405 8-11 27-35
GETE024 68 6.10 139-160 238-303 9-11 18-23 147-169 321-409 7-8 28-36
GETE024 75 4.70 140-162 271-345 11-14 17-21 157-181 328-418 9-12 29-37
GETE024 75 6.10 140-161 263-334 9-11 17-22 163-188 332-422 7-9 29-37
GETE024 86 4.70 142-164 314-399 11-14 16-20 183-211 345-439 10-13 30-39
GETE024 86 6.10 142-163 305-388 8-11 16-21 191-219 349-444 8-10 31-39
GETE024 95 4.70 144-166 352-448 11-14 15-19 — — — —
GETE024 95 6.10 144-165 343-437 8-11 15-19 — — — —
GETE036 35 7.10 — — — — 89-103 283-361 6-8 19-24
GETE036 35 9.10 — — — — 93-107 284-361 5-6 19-24
GETE036 45 7.10 136-157 177-226 11-14 18-23 107-123 297-378 6-8 21-27
GETE036 45 9.10 136-157 171-218 9-11 19-24 109-126 298-379 5-6 21-27
GETE036 55 7.10 138-159 206-262 11-14 18-23 125-144 313-398 7-9 24-31
GETE036 55 9.10 138-158 199-253 9-11 18-23 128-147 313-399 6-7 25-31
GETE036 68 7.10 140-161 248-315 11-14 17-22 151-173 334-425 9-11 27-35
GETE036 68 9.10 140-161 240-306 9-11 18-23 155-178 335-426 7-9 28-36
GETE036 75 7.10 141-162 273-347 11-14 17-21 166-191 347-442 9-12 29-37
continued on next page
Table 14. Operating pressures (continued)
Operating Data
Cooling Heating
Model
Entering
Water
Temp °F Water
Flow GPM
Suction
Pressure,
PSIG
Discharge
Pressure,
PSIG Water Temp
Rise °F Air Temp
Drop °F DB
Suction
Pressure
PSIG
Discharge
Pressure
PSIG
Water
Temp
Drop °F Air Temp
Rise °F DB

Operating Pressures
WSHP-SVX10B-EN 25
Water Pressure Drop
Table 15, p. 25 should be used to define feet of head/
pressure drop.
Note: To calculate feet of head, when using gauges that
read in PSIG, multiply PSI by 2.31.
Water Volume
Table 17, p. 25 is provided for use in calculating glycol
requirements for the unit.
Flow Checks
For the operating temperature drop (heating) and rise
(cooling), refer to Table 14, p. 23 for the proper water
temperature change. Depending on the unit size, entering
water temperature and water flow rate, the cooling
temperature rise is from 8°F-16°F. Based on the same
criteria for heating, the temperature drop is from 2°F-13°F.
Pressure
Using the P/T ports and one 0-60 psi pressure gauge with
the P/T port adapter, measure the pressure difference
between the water-in and water-out connections. Compare
the pressure differential to Table 15, p. 25 to determine
flow.
GETE036 75 9.10 141-162 265-337 9-11 17-22 171-197 347-442 7-9 29-37
GETE036 86 7.10 143-165 316-402 11-14 16-20 193-222 368-468 10-13 30-39
GETE036 86 9.10 143-165 308-392 8-11 16-21 200-230 369-470 8-10 31-39
GETE036 95 7.10 145-167 355-452 11-14 15-19 — — — —
GETE036 95 9.10 145-167 347-441 8-11 15-19 — — — —
Table 14. Operating pressures (continued)
Operating Data
Cooling Heating
Model
Entering
Water
Temp °F Water
Flow GPM
Suction
Pressure,
PSIG
Discharge
Pressure,
PSIG Water Temp
Rise °F Air Temp
Drop °F DB
Suction
Pressure
PSIG
Discharge
Pressure
PSIG
Water
Temp
Drop °F Air Temp
Rise °F DB
Table 15. Water pressure drops (WPD) in feet of head
Unit Size GPM
Cooling Heating
EWT °F Ft. Head
Pressure EWT °F Ft. Head
Pressure
009 1.1 77 1.8 55 2.1
009 2.1 77 5.3 55 6.1
009 2.6 77 7.9 55 9.0
012 1.5 77 3.9 55 5.2
012 2.8 77 11.9 55 15.3
012 3.5 77 17.6 55 22.5
015 1.9 77 3.9 55 4.7
015 3.5 77 11.8 55 13.8
015 4.4 77 17.5 55 20.3
018 2.3 77 3.2 55 3.9
018 4.2 77 9.7 55 11.5
018 5.3 77 14.3 55 17.0
024 3.0 77 2.9 55 3.6
024 5.6 77 8.6 55 10.5
024 7.0 77 12.8 55 15.4
036 4.5 77 4.7 55 5.7
036 8.4 77 14.2 55 16.9
036 10.5 77 21.1 55 24.9
Table 16. Model Flow Option GPM Press Drop (Ft)
GETE009 Low 1.0 5.5
GETE009 High 1.5 6.6
GETE012 Low 1.5 6.6
GETE012 High 2.0 8.1
GETE015 Low 2.5 10.1
GETE015 High 3.5 15.4
GETE018 Low 3.0 12.6
GETE018 High 4.0 18.7
GETE024 Low 4.0 7.6
GETE024 High 6.0 11.4
GETE036 Low 6.0 11.4
GETE036 High 8.0 16.7
Table 17. Water volume
Unit Model
GET
Water Side
Volume Cubic
In.
Water Side
Volume Cubic
Ft.
Water Side
Volume
Gallons
009 18.7 0.011 0.081
012 24.9 0.014 0.108
015 37.2 0.022 0.161
018 40.9 0.024 0.177
024 62.6 0.036 0.271
036 85.0 0.049 0.368
Table 16. Model Flow Option GPM Press Drop (Ft)

26 WSHP-SVX10B-EN
Start-up
Installing Contractor: Use this form to thoroughly check-
out the system and units before and during start-up. (This
form need not be returned to the factory unless requested
during technical service support).
In order to minimize troubleshooting and costly system
failures, complete the following checks and data entries
before the system is put into full operation.
Job Name:
Model Number:
Date:
Serial Number:
MODE Heat Cool
Entering fluid temperature FF
Leaving fluid temperature FF
Temperature differential FF
Return-air temperature DB/WB FF
Supply-air temperature DB/WB FF
Temperature differential FF
Water coil heat exchanger (Water
Pressure IN) PSIG PSIG
Water coil heat exchanger (Water
Pressure OUT) PSIG PSIG
Pressure Differential PSIG PSIG
PSIG PSIG
PSIG PSIG
COMPRESSOR
Amps
Volts
Discharge line temperature (after
10 minutes) FF

WSHP-SVX10B-EN 27
Maintenance
Preventive Maintenance
Maintenance on the unit is simplified with the following
preventive suggestions:
Filter maintenance must be performed to assure proper
operation of the equipment. Filters should be inspected at
least every three months, and replaced when it is evident
they are dirty. Filter sizing includes:
Check the contactors and relays within the control panel at
least once a year. It is good practice to check the tightness
of the various wiring connections within the control panel.
A strainer (60 mesh or greater) must be used on an open
loop system to keep debris from entering the unit heat
exchanger and to ensure a clean system.
For units on well water, it is important to check the
cleanliness of the water-to-refrigerant heat exchanger.
Should it become contaminated with dirt and scaling as a
result of bad water, the heat exchanger will have to be back
flushed and cleaned with a chemical that will remove the
scale.This service should be performed by an experienced
service person.
It should be noted that the water quality should be checked
periodically.
Table 18. Filter sizing
Model GET Filter Size (nominal)
009, 012 14 x 20 (356 x 508)
015 18 x 20 (457 x 508)
018 18 x 25 (457 x 635)
024, 036 20 x 30 (508 x 762)
WARNING
Hazardous Voltage!
Disconnect all electric power, including remote
disconnects before servicing. Follow proper lockout/
tagout procedures to ensure the power can not be
inadvertently energized. Failure to disconnect power
before servicing could result in death or serious injury.
WARNING
Hazardous Chemicals!
Cleaning agents can be either acidic or highly alkaline.
Handle chemical carefully. Proper handling should
include goggles or face shield, chemical resistant
gloves, boots, apron or suit as required. For personal
safety refer to the cleaning agent manufacturer’s
Materials Safety Data Sheet and follow all
recommended safe handling practices. Failure to follow
all safety instructions could result in death or serious
injury.
Table 19. Water quality table
Scaling
Calcium and magnesium (total
hardness) Less than 350 ppm
Corrosion
pH 7-9.5
Hydrogen Sulfide Less than 1 ppm
Sulfates Less than 25 ppm
Chlorides Less than 125 ppm
Carbon Dioxide Less than 75 ppm
Total dissolved solids (TDS) Less than 1000 ppm
Biological Growth
Iron Bacteria Low
Erosion
Suspended Solids Low

28 WSHP-SVX10B-EN
Troubleshooting
Preliminary Trouble Inspection
• If operational difficulties are encountered, be sure to
perform the preliminary checks before referring to the
Table 20, p. 29.
• Verify that the unit is receiving electric supply power.
• Ensure that the fuses in the fused disconnect are intact.
• After completing the preliminary checks, inspect the
unit for other obvious problems such as leaking
connection, broken or disconnected wires, etc. If
everything appears to be in order, but the unit still fails
to operate properly, refer to the troubleshooting chart
on p. 29.
General Operation
The standard model is designed for indoor installation.
When the unit is installed in an unconditioned space, the
unit may not start in cool weather (approximately 45°F). It
may then be necessary to start the unit in the cooling mode
for three to five minutes.The unit may then be shut-off
(there will be a two minute time-out of the unit), and
restarted in the heating mode.The freeze protection
thermostat should also be checked as it may be adversely
affected by ambient temperature.
Like any other type of mechanical equipment, the unit
performs best when it is well maintained.
Operation with a Conventional
Thermostat
The unit is equipped with safety controls, including high
pressure control, low pressure control and a freeze
protection thermostat, set to shut off the compressor
under abnormal temperature or pressure conditions. If the
safeties shut off the compressor, a lockout relay prevents
short cycling from the abnormal condition. When
conditions are corrected, the lockout control can be reset
by setting the thermostat system switch to OFF wait a few
minutes for the system pressure to equalize, and then
return to HEAT or COOL. If the condition continues, an
authorized service person should check out the unit.
WARNING
Hazardous Service Procedures!
The maintenance and troubleshooting procedures
recommended in this section of the manual could result
in exposure to electrical, mechanical or other potential
safety hazards. Always refer to the safety warnings
provided throughout this manual concerning these
procedures. When possible, disconnect all electrical
power including remote disconnect and discharge all
energy storing devices such as capacitors before
servicing. Follow proper lockout/tagout procedures to
ensure the power can not be inadvertently energized.
When necessary to work with live electrical
components, have a qualified licensed electrician or
other individual who has been trained in handling live
electrical components perform these tasks. Failure to
follow all of the recommended safety warnings
provided, could result in death or serious injury.

Troubleshooting
WSHP-SVX10B-EN 29
Table 20. Troubleshooting checklist
Problem Heating Cooling Cause Correction
No response to any thermostat setting
X X Main power off Check fuses
X X Defective control transformer Replace
X X Broken or loose connection Repair
X X Defective thermostat Replace
X X Transformer Reset Transformer
Unit short cycles X X Thermostat or sensor improperly located Relocate
Blower runs, but compressor does not
X X Defective compressor overload Replace (if external)
X X Defective compressor contactor Replace
X X Supply voltage too low Correct
X X Defective compressor capacitor Replace
X X Defective windings Replace
X X Limit switches open Check cause/Replace or repair
Insufficient capacity
X X Dirty filter Replace/clean
X X Blower RPM too low Correct
XX
Loss of conditioned air due to leaks in
ductwork Repair leaks
X Introduction of excessively hot return-air Correct
X Introduction of excessively cold return-air Correct
X X Low on refrigerant charge Locate leak, repair and recharge by
weight (not by superheat)
X X Restricted thermal expansion valve Replace
X X Defective reversing valve See WSHP-IOM-# for touch test chart
X X Thermostat improperly located Relocate
X X Unit undersized Recalculate heat gains/losses
X X Inadequate water flow Increase GPM
X X Scaling in heat exchanger Clean or replace
X Water too hot Decrease temperature
X Water too cold Increase temperature
High pressure switch open
X Inadequate GPM Increase water flow to unit
X Water too hot Decrease temperature
X Inadequate air flow Check, clean blower and coil
X Dirty filter Clean/replace
X X Overcharged with refrigerant Decrease charge
X X Defective pressure switch Check or replace
High head pressure
X Trash in heat exchanger Backflush
X Low water flow Increase GPM
X X Overcharge of refrigerant Decrease charge
X X Non-condensable in system Evacuate and recharge by weight
X X Water too hot Decrease temperature
X Dirty filter Clean / replace
X Inadequate air flow Check, clean blower and coil
Low suction pressure
X X Undercharged Locate leak, repair and recharge
X X Restricted thermal expansion valve Repair / replace
X Inadequate air flow Check, clean blower and coil
X Dirty filter Clean/replace
X Inadequate GPM Increase GPM

30 WSHP-SVX10B-EN
Unit Wiring
Figure 17. Tracer ZN510/1 Ph
1K1
46
48
47
45
44
41
43
42
40
39
38
37
36
35
34
33
32
31
30
29
19
24
28
27
26
25
23
22
21
20
18
17
16
15
14
13
12
11
10
8
9
7
6
5
2
4
3
1
DESCRIPTION
DEVICE
DESIGNATION
LEGEND
NUMBER
LINE
COMPRESSOR CONTACTOR1K1
CONTROL POWER TRANSFORMER
1T1 19
COMPRESSOR MOTOR2B1
COMPRESSOR RUN CAPACITOR2B1C1 8
HIGH PRESSURE CUTOUT2B1S1 36
OVERFLOW SWITCH
3S3 35
DEVICE PREFIX LOCATION CODE
AREA
1
LOCATION
CONTROL PANEL
COMPRESSOR SECTION2
INDOOR FAN AND COIL SECTION3
4 WATER COIL SECTION
3B2 EVAP FAN MOTOR 15
5B
5RETURN AND FRESH AIR SECTION
208/60/1
GROUND
EQUIPMENT
LINES INDICATE WIRING BY THE TRANE CO.
OCCURRED.
CONTACTS BY LINE NUMBER.
SCHEMATIC DESIGNATE THE LOCATION OF THE
NUMBERS ALONG THE RIGHT SIDE OF THE
LOCAL REQUIREMENTS.
THE NATIONAL ELECTRIC CODE (NEC), STATE AND
ALL FIELD WIRING MUST BE IN ACCORDANCE WITH
NOTES:
ARE SHOWN AT 25° C (77° F), AT
ATMOSPHERIC PRESSURE, AT 50% RELATIVE
HUMIDITY, WITH ALL UTILITIES TURNED OFF,
AND AFTER A NORMAL SHUTDOWN HAS
UNLESS OTHERWISE NOTED, ALL SWITCHES
DASHED LINES INDICATE RECOMMENDED FIELD
WIRING BY OTHERS. FIELD WIRING TO BE RATED
FOR 600 VOLTS. DASHED LINE ENCLOSURE
AND/OR DASHED DEVICE OUTLINES INDICATE
COMPONENTS PROVIDED BY THE FIELD. SOLID
4.
3.
2.
1.
A
6C
D
D
1TB1-3 & 4
26
LED3
LED2
LED1
COLOR=GRN
OFF
LED1
OFF
COLOR-RED
CONTROL DIAGNOSTIC CODES (1U2)
LED2
COLOR=RED
LED3
OFF CONTROL OFF
CONTROLLER MODE
NORMAL / COMP OFF
ON OFF OFF
ANTI-SHORT CYCLE
ON OFF FLASH
BROWNOUT CONDITIION
ON OFF ON
SOFT LOCKOUT LP
FLASH ON OFF
SOFT LOCKOUT HP
ON FLASH ON
MANUAL LOCKOUT LP
ON FLASH FLASH
MANUAL LOCKOUT HP
ON ON ON
MANUAL LOCKOUT
ON ON FLASH
CONDENSATE LEVEL
ON FLASH OFF
COMPRESSOR DISABLE
ON ON OFF
NORMAL / COMP ON
COMPR CONTROL MODULE 34
VERIFY TEST JUMPER HAS BEEN REMOVED TO
PREVENT CONTROL TIMING ERRORS.
CONNECTION FOR 24VAC CLASS 2 COMPRESSOR DISABLE
6
7INPUT. FOR TLC APPLICATIONS PUMP RESTART RELAY REQ'D
44A
45A
1U2
3S3
1U2
49
50
51
FOR OVERRIDE. USE TERM CD1 & CD2 TO ENERGIZE PUMP
RESTART RELAY COIL: MAX LOAD (5 VA).
WHEN CONTROL 1U2 GOES INTO MANUAL LOCKOUT MODE.
ISOLATED GENERAL ALARM CONTACTS. CONTACTS CLOSE
11
52
6
CONTACTS RATED FOR CLASS 2 24V. TERMINAL AL1 & AL2
L2L1
FIELD INSTALLED DEVICE6
2B1S1
47A
46A
49A
48A
B
1TB1-1 & 2
21
7
6,7,37
1TB1 CUSTOMER LOW V. TERM BLOCK
6,7,8
53
54
55
56
57
58
59
60
2L1
J9-6 P9-6
J9-5 P9-5
44B
45B
P9-1 J9-1
P9-2 J9-2
46B
47B
P9-3 J9-3
P9-4 J9-4
48B
49B
6B
R
S
C
1
2B1
M
4B
2B1C1
6E
HIGHSPEED
LEAD
LEAD COLORS
LOW
1T1
24V
208/60/1
208/60/1
2S1
2S1 FREEZE PROTECTION SWITCH 38
1PB1
1PB1 POWER BLOCK
2D1C
4A
P12-1 J12-1
P12-2 J12-2
P11-3 J11-3
3B 3A CHASSIS
GROUND
3
21
HEAT PUMP
1K1
1C3
1C3 START ASSIST 5
ATTENTION
LES BORNES DE L'UNITÉ NE SONT PAS CONÇUES
L'UTILISATION DE TOUT AUTRE CONDUCTEUR PEUT
N'UTILISER QUE DES CONDUCTEURS EN CUIVRE!
POUR RECEVOIR D'AUTRES TYPES DE CONDUCTEURS.
CAUTION
OTHER TYPES OF CONDUCTORS.
USE COPPER CONDUCTORS ONLY!
FAILURE TO DO SO MAY CAUSE DAMAGE TO THE
UNIT TERMINALS ARE NOT DESIGNED TO ACCEPT
EQUIPMENT. ENDOMMAGER L'ÉQUIPEMENT.
PRECAUCIÓN
PARA ACEPTAR OTROS TIPOS DE CONDUCTORES.
¡UTILICE ÚNICAMENTE CONDUCTORES DE COBRE!
LAS TERMINALES DE LA UNIDAD NO ESTÁN DISEÑADAS
SI NO LO HACE, PUEDE OCASIONAR DAÑO AL EQUIPO.
2B1S2 LOW PRESSURE SWITCH 39
REV
SHALL NOT BE COPIED OR ITS
THI S DR AWIN G IS PROPRIETARY AND
CONSENT OF THE TRANE COMPANY
PARTIES WITHOUT THE WRITTEN
CONTENTS DISCLOSED TO OUTSIDE
AUTOCAD
SIMILAR TO
REPLACES
REVISION DATE
DRAWN BY
DATE
2309-7379
RCAP5091 02/08/13
5/11/09
LOWE
GET
SCHEMATIC DIAGRAM
G
2311-0376
2CCH-1
49B 47C
2B1S2
CRANKCASE HEATER2CCH-1 4
WW
44C
45C
1S4
P11-2 J11-2
P11-1 J11-1
1F
2F
1A
2A
SINGLE
STAGE
ROOM
T'STAT
21C
G
,C,E,G,M
R G O W Y
22B
21A
26H
M
A,C
24C 24B
23A
23B
COMN
12
P10-5 J10-5
P10-4 J10-4
P10-3 J10-3
P10-2 J10-2
P10-1 J10-1 P7-1
21B
23A
P7-3 J7-3
P7-4 J7-4
24C 24B
26H 26G
23C
21C
21C
22C
23C 24D
26K
SEE
INSET
B
SEE
INSET
B
SEE
INSET
B
SEE
INSET
B
1U5
RROW3W2W1YYLO BGBK
P1 P2
TO BLOWER MOTOR 3B2 15 PIN PLUG
21D
23D
26L
24E
INSET B
22D
98
P15-1
P15-2
P15-3
P15-4
P15-5
SEE
INSET
B
21E
23E
24F
26M
22B
21E 23E 24F
26M
M
3B2
GRN
1
COM
TO 1U5 BRD
15 PIN PLUG
SEE INSET B FOR
CONTROL WIRING
REQUIRED FOR HARD WIRED DIGITAL THERMOSTATS.
12
P16 J16
J17
P17
1U5 ECM CONTROLLER 55
1H 2H
1B
2B
71F2 6,
FUSE
1F1,
1F1
1F2
1D
9C
3J
MTR-3
MTR-4
MTR-5
ISOLATION VALVE
DISREGARD CLOSE TERMINAL WIRING.
FOR TWO WIRE N.C VALVE,
1TB1-1&2 50A
COM
OPEN
CLOSE
FIELD INSTALLED
MAX LOAD 25VA AT 24V
1K1
P20-2
J20-2
P20-1
J20-1
3F
9A
4
FUSED UNIT SWITCH
1S4
2L1 REVERSING VALVE COIL 26

Unit Wiring
WSHP-SVX10B-EN 31
Figure 18. Deluxe 230V/60 Hz/1 Ph
1K1
46
48
47
45
44
41
43
42
40
39
38
37
36
35
34
33
32
31
30
29
19
24
28
27
26
25
23
22
21
20
18
17
16
15
14
13
12
11
10
8
9
7
6
5
2
4
3
1
DESCRIPTION
1K4
DEVICE
DESIGNATION
BLOWER RELAY
LEGEND
NUMBER
LINE
COMPRESSOR CONTACTOR1K1
CONTROL POWER TRANSFORMER1T1 19
COMPRESSOR MOTOR2B1
COMPRESSOR RUN CAPACITOR2B1C1 8
HIGH PRESSURE CUTOUT2B1S1 36
OVERFLOW SWITCH
3S3 35
DEVICE PREFIX LOCATION CODE
AREA
1
LOCATION
CONTROL PANEL
COMPRESSOR SECTION2
INDOOR FAN AND COIL SECTION3
4 WATER COIL SECTION
3B2 EVAP FAN MOTOR 15
5B
5RETURN AND FRESH AIR SECTION
208/60/1
GROUND
EQUIPMENT
LINES INDICATE WIRING BY THE TRANE CO.
OCCURRED.
CONTACTS BY LINE NUMBER.
SCHEMATIC DESIGNATE THE LOCATION OF THE
NUMBERS ALONG THE RIGHT SIDE OF THE
LOCAL REQUIREMENTS.
THE NATIONAL ELECTRIC CODE (NEC), STATE AND
ALL FIELD WIRING MUST BE IN ACCORDANCE WITH
NOTES:
ARE SHOWN AT 25° C (77° F), AT
ATMOSPHERIC PRESSURE, AT 50% RELATIVE
HUMIDITY, WITH ALL UTILITIES TURNED OFF,
AND AFTER A NORMAL SHUTDOWN HAS
UNLESS OTHERWISE NOTED, ALL SWITCHES
DASHED LINES INDICATE RECOMMENDED FIELD
WIRING BY OTHERS. FIELD WIRING TO BE RATED
FOR 600 VOLTS. DASHED LINE ENCLOSURE
AND/OR DASHED DEVICE OUTLINES INDICATE
COMPONENTS PROVIDED BY THE FIELD. SOLID
4.
3.
2.
1.
A
6C
D
D
1TB1-3 & 4
26
LED3
LED2
LED1
COLOR=GRN
OFF
LED1
OFF
COLOR-RED
CONTROL DIAGNOSTIC CODES (1U2)
LED2
COLOR=RED
LED3
OFF CONTROL OFF
CONTROLLER MODE
NORMAL / COMP OFFON OFF OFF
ANTI-SHORT CYCLE
ON OFF FLASH
BROWNOUT CONDITIION
ON OFF ON
SOFT LOCKOUT LP
FLASH ON OFF
SOFT LOCKOUT HP
ON FLASH ON
MANUAL LOCKOUT LP
ON FLASH FLASH
MANUAL LOCKOUT HP
ON ON ON
MANUAL LOCKOUT
ON ON FLASH
CONDENSATE LEVEL
ON FLASH OFF
COMPRESSOR DISABLE
ON ON OFF
NORMAL / COMP ON
COMPR CONTROL MODULE 34
VERIFY TEST JUMPER HAS BEEN REMOVED TO
PREVENT CONTROL TIMING ERRORS.
CONNECTION FOR 24VAC CLASS 2 COMPRESSOR DISABLE
6
7INPUT. FOR TLC APPLICATIONS PUMP RESTART RELAY REQ'D
44A
45A
1U2
3S3
C
SINGLE
STAGE
ROOM
T'STAT
21C
G
,C,E,G,M
1U2
49
50
51
R G O W Y
DELUXE UNIT
FOR OVERRIDE. USE TERM CD1 & CD2 TO ENERGIZE PUMP
RESTART RELAY COIL: MAX LOAD (5 VA).
WHEN CONTROL 1U2 GOES INTO MANUAL LOCKOUT MODE.
ISOLATED GENERAL ALARM CONTACTS. CONTACTS CLOSE
11
52
22B
21A
26H
6
CONTACTS RATED FOR CLASS 2 24V. TERMINAL AL1 & AL2
L2L1
M
FIELD INSTALLED DEVICE6
2B1S1
47A
46A
49A
48A
B
1TB1-1 & 2
21
A,C
1K4
22A
WALL MOUNT T'STAT
2L1 REVERSING VALVE COIL 26
7
6,7,37
1TB1 CUSTOMER LOW V. TERM BLOCK
6,7,8
53
54
55
56
57
58
59
60
13,22
24C 24B
2L1
23A
23B
J9-6 P9-6
J9-5 P9-5
44B
45B
P9-1 J9-1
P9-2 J9-2
46B
47B
P9-3 J9-3
P9-4 J9-4
48B
49B
6B
R
S
C
1
2B1
M
4B
2B1C1
6E
HIGHSPEED
LEAD
LEAD COLORS
LOW
COMN
12
1T1
24V
REQUIRED FOR HARD WIRED DIGITAL THERMOSTATS.
12
208/60/1
208/60/1
2S1
2S1 FREEZE PROTECTION SWITCH 38
1PB1
1PB1 POWER BLOCK
2D1C
P10-5 J10-5
P10-4 J10-4
P10-3 J10-3
P10-2 J10-2
P10-1 J10-1
3B2C2
3B2
COM
BRN
YEL
YEL 1
M
GRN
C
4A
P7-1
21B
P7-2 J7-2
22A 23A
P7-3 J7-3
P7-4 J7-4
24C 24B
26H 26G
23C
21C
21C
22C
23C 24D
26K
J1-2 P1-2
P12-1 J12-1
P12-2 J12-2
P11-3 J11-3
3B 3A CHASSIS
GROUND
3
21
HEAT PUMP
1K1
13 13
WIRES 23C & 26J ARE ONLY USED ON SIZE 024 & 036.
13 ON ALL OTHER SIZES WIRES 23A & 26F CONNECT TO 2L1.
1C3
1C3 START ASSIST 5
BLK
RED9A
J1-3
1G
J1-1
ATTENTION
LES BORNES DE L'UNITÉ NE SONT PAS CONÇUES
L'UTILISATION DE TOUT AUTRE CONDUCTEUR PEUT
N'UTILISER QUE DES CONDUCTEURS EN CUIVRE!
POUR RECEVOIR D'AUTRES TYPES DE CONDUCTEURS.
CAUTION
OTHER TYPES OF CONDUCTORS.
USE COPPER CONDUCTORS ONLY!
FAILURE TO DO SO MAY CAUSE DAMAGE TO THE
UNIT TERMINALS ARE NOT DESIGNED TO ACCEPT
EQUIPMENT. ENDOMMAGER L'ÉQUIPEMENT.
PRECAUCIÓN
PARA ACEPTAR OTROS TIPOS DE CONDUCTORES.
¡UTILICE ÚNICAMENTE CONDUCTORES DE COBRE!
LAS TERMINALES DE LA UNIDAD NO ESTÁN DISEÑADAS
SI NO LO HACE, PUEDE OCASIONAR DAÑO AL EQUIPO.
2B1S2 LOW PRESSURE SWITCH 39
REV
SHALL NOT BE C OPIED OR ITS
THIS D RAWING IS PROPRIETARY AND
CON SENT OF TH E TRAN E COMP ANY
PARTIES WITHOUT THE WRITTEN
CONTENTS DISCLOSED TO OUTSIDE
AUTOCAD
SIMILAR TO
REPLACES
REVISION DATE
DRAW N BY
DATE
2309-7379
RCAP5091 02/08/13
5/11/09
LOWE
GET
SCHEMATIC DIAGRAM
G
2311-0376
1S4
1F1
1F2 2B
1B
P11-2 J11-2
P11-1 J11-1
1F
2F
1A
2A
71F2 6,
FUSE
1F1,
2CCH-1
49B 47C
2B1S2
CRANKCASE HEATER2CCH-1 4
BLU RED
WW
44C
45C
ISOLATION VALVE
DISREGARD CLOSE TERMINAL WIRING.
FOR TWO WIRE N.C VALVE,
1TB1-1&2 50A
COM
OPEN
CLOSE
FIELD INSTALLED
MAX LOAD 25VA AT 24V
1K1
1K4
C,D
42
1H 2H
,C
EVAP FAN MTR RUN CAPACITOR
3B2C2 15

Unit Wiring
32 WSHP-SVX10B-EN
Figure 19. Tracer ZN510/1 Ph with ECM motor
1K1
46
48
47
45
44
41
43
42
40
39
38
37
36
35
34
33
32
31
30
29
19
24
28
27
26
25
23
22
21
20
18
17
16
15
14
13
12
11
10
8
9
7
6
5
2
4
3
1
DESCRIPTION
DEVICE
DESIGNATION
LEGEND
NUMBER
LINE
COMPRESSOR CONTACTOR1K1
CONTROL POWER TRANSFORMER1T1 19
COMPRESSOR MOTOR2B1
COMPRESSOR RUN CAPACITOR2B1C1 8
2B1S1
DEVICE PREFIX LOCATION CODE
AREA
1
LOCATION
CONTROL PANEL
COMPRESSOR SECTION2
INDOOR FAN AND COIL SECTION3
4 WATER COIL SECTION
3B2 EVAP FAN MOTOR 15
5B
5RETURN AND FRESH AIR SECTION
208/60/1
GROUND
EQUIPMENT
LINES INDICATE WIRING BY THE TRANE CO.
OCCURRED.
CONTACTS BY LINE NUMBER.
SCHEMATIC DESIGNATE THE LOCATION OF THE
NUMBERS ALONG THE RIGHT SIDE OF THE
LOCAL REQUIREMENTS.
THE NATIONAL ELECTRIC CODE (NEC), STATE AND
ALL FIELD WIRING MUST BE IN ACCORDANCE WITH
NOTES:
ARE SHOWN AT 25° C (77° F), AT
ATMOSPHERIC PRESSURE, AT 50% RELATIVE
HUMIDITY, WITH ALL UTILITIES TURNED OFF,
AND AFTER A NORMAL SHUTDOWN HAS
UNLESS OTHERWISE NOTED, ALL SWITCHES
DASHED LINES INDICATE RECOMMENDED FIELD
WIRING BY OTHERS. FIELD WIRING TO BE RATED
FOR 600 VOLTS. DASHED LINE ENCLOSURE
AND/OR DASHED DEVICE OUTLINES INDICATE
COMPONENTS PROVIDED BY THE FIELD. SOLID
4.
3.
2.
1.
A
6C
D
D
1TB1-3 & 4
26
49
50
51
52
L2L1
FIELD INSTALLED DEVICE6
CONDENSATE
OVERFLOW
B
1TB1-1 & 2
21
1TB1 CUSTOMER LOW V. TERM BLOCK
6,7,8
53
54
55
56
57
58
59
60
3S3
6B
R
S
C
1
2B1
M
4B
2B1C1
6E
HIGHSPEED
LEAD
LEAD COLORS
LOW
1T1
24V
208/60/1
208/60/1
1PB1
1PB1 POWER BLOCK
2D1C
4A
P12-1 J12-1
P12-2 J12-2
P11-3 J11-3
3B 3A CHASSIS
GROUND
3
21
1K1
1C3
1C3 START ASSIST 5
ATTENTION
LES BORNES DE L'UNITÉ NE SONT PAS CONÇUES
L'UTILISATION DE TOUT AUTRE CONDUCTEUR PEUT
N'UTILISER QUE DES CONDUCTEURS EN CUIVRE!
POUR RECEVOIR D'AUTRES TYPES DE CONDUCTEURS.
CAUTION
OTHER TYPES OF CONDUCTORS.
USE COPPER CONDUCTORS ONLY!
FAILURE TO DO SO MAY CAUSE DAMAGE TO THE
UNIT TERMINALS ARE NOT DESIGNED TO ACCEPT
EQUIPMENT. ENDOMMAGER L'ÉQUIPEMENT.
PRECAUCIÓN
PARA ACEPTAR OTROS TIPOS DE CONDUCTORES.
¡UTILICE ÚNICAMENTE CONDUCTORES DE COBRE!
LAS TERMINALES DE L A UNIDAD NO ESTÁN DISEÑADAS
SI NO LO HACE, PUEDE OCASIONAR DAÑO AL EQUIPO.
REV
SHALL NOT BE C OPIED OR ITS
TH IS DRA WI NG I S PROPRIETARY AND
CON SENT OF TH E TRAN E COMP ANY
PARTIES WITHOUT THE WRITTEN
CONTENTS DISCLOSED TO OUTSIDE
AUTOCAD
SIMILAR TO
REPLACES
REVISION DATE
DRAW N BY
DATE
2309-7379
RCAP5091 02/08/13
5/11/09
LOWE
GET
SCHEMATIC DIAGRAM
G
2311-0376
2CCH-1
CRANKCASE HEATER2CCH-1 4
WW
1S4
P11-2 J11-2
P11-1 J11-1
1F
2F
1A
2A
3RT4
4RT3
2L1
ZONE TEMP
COMMON
SET POINT
FAN MODE
K,X,P
21K
P64A
67A
68A
69A
75A
26U
,U
45A
44A44B
45B
ZONE
SENSOR
21K
26U
BINARY INPUT
J2-4
J2-5
J2-6
BI3
BI2
J2-1
J2-2
J2-3
BI1
2
TB3-3
ZONE SENSORCOMM LINK
TB2-1
TB2-3
TB2-2
TB2-4
TB2-5
TB2-6
1U4
TB3-2
GNDZONE
TB3-1
SET
TB1-1
TB1-2
POWER
24VGND J1 1
TB3-6
TB3-4
FAN GND
J3-1
ANALOG INPUT
J3-2
J3-3
J3-4
AI1 AI2
BINARY OUTPUTS
34567
P7-5 J7-5
P7-6 J7-6
83A
82A
DISCHARGE AIR
SENSOR
SENSOR
LEAVING WATER
20B64A
63A
6
P14-1 P14-2 P14-5
J10-1 P10-1
J10-2 P10-2
J10-3 P10-3
J10-4 P10-4
75B
69B
68B
67B
J7-4 P7-4
J7-3 P7-3
J7-2 P7-2
J7-1 P7-1
75C
69C
68C
67C
P9-4 J9-4
64B
J9-3 P9-3
21R
2B1S1
21M
46B
2B1S2
22B
OCCUPANCY
OPTIONAL CONNECTIONS
COMM LINK
6
M
3B2
GRN
1
COM
TO 1U5 BRD
15 PIN PLUG
SEE INSET B FOR
CONTROL WIRING
INSET B
26M
INSET B
21E
2S1
47B 48B 49B
P9-2
P9-1
1U5
RROW3W2W1YYLO BGBK
P1 P2
TO BLOWER MOTOR 3B2 15 PIN PLUG
21D
23D
26L
24E
INSET B
22D
98
PX15-1
PX15-2
PX15-3
PX15-5
21E
24F
26M
22B
P16 J16
J17P17
HEAT PUMP
1U4
1U5
ZN510 CONTROLLER
ECM CONTROLLER 55
34
63A
1H 2H
1B
2B
71F2 6,
FUSE
1F1,
1F1
1F2
1D
9C
3J
MTR-3
MTR-4
MTR-5
JX15-1 P15-1
1K1
DISREGARD CLOSE TERMINAL WIRING.
FOR TWO WIRE N.C VALVE,
1TB1-3&4
ISOLATION VALVE 21M
COM
OPEN
CLOSE
FIELD INSTALLED
MAX LOAD 6VA AT 24V
1TB1-1&2
P20-2
J20-2
P20-1
J20-1
3F
9A
6COMMUNICATION WIRE MUST BE TRANE PART NO.
400-20-28, OR WINDY CITY OR CONNECT AIR
"LEVEL 4" CABLE. MAXIMUM OF 4500 FOOT
AGGREGATE RUN.
CAUTION! DO NOT RUN POWER IN THE SAME
CONDUIT OR WIRE BUNDLE WITH COMMUNICATION
LINK. FOR ADDITIONAL INFROMATION REFER TO
EMTX-EB-68.
4FUSED UNIT SWITCH1S4
6,7,23
2B1S1 HIGH PRESSURE CUTOUT 26
2B1S2 LOW PRESSURE CUTOUT 26
2S1 FREEZE PROTECTION SWITCH 26
2L1 REVERSING VALVE COIL 29
3S3 OVERFLOW SWITCH 37
40
LEAVING WATER TEMP SENSOR4RT3
3RT4 DISCHARGE AIR SENSOR 38

Unit Wiring
WSHP-SVX10B-EN 33
Figure 20. Deluxe 24V/1 Ph with ECM motor
1K1
46
48
47
45
44
41
43
42
40
39
38
37
36
35
34
33
32
31
30
29
19
24
28
27
26
25
23
22
21
20
18
17
16
15
14
13
12
11
10
8
9
7
6
5
2
4
3
1
DESCRIPTION
DEVICE
DESIGNATION
LEGEND
NUMBER
LINE
COMPRESSOR CONTACTOR1K1
CONTROL POWER TRANSFORMER1T1 19
COMPRESSOR MOTOR2B1
COMPRESSOR RUN CAPACITOR2B1C1 8
HIGH PRESSURE CUTOUT2B1S1 36
OVERFLOW SWITCH
3S3 35
DEVICE PREFIX LOCATION CODE
AREA
1
LOCATION
CONTROL PANEL
COMPRESSOR SECTION2
INDOOR FAN AND COIL SECTION3
4 WATER COIL SECTION
3B2 EVAP FAN MOTOR 15
5B
5RETURN AND FRESH AIR SECTION
208/60/1
GROUND
EQUIPMENT
LINES INDICATE WIRING BY THE TRANE CO.
OCCURRED.
CONTACTS BY LINE NUMBER.
SCHEMATIC DESIGNATE THE LOCATION OF THE
NUMBERS ALONG THE RIGHT SIDE OF THE
LOCAL REQUIREMENTS.
THE NATIONAL ELECTRIC CODE (NEC), STATE AND
ALL FIELD WIRING MUST BE IN ACCORDANCE WITH
NOTES:
ARE SHOWN AT 25° C (77° F), AT
ATMOSPHERIC PRESSURE, AT 50% RELATIVE
HUMIDITY, WITH ALL UTILITIES TURNED OFF,
AND AFTER A NORMAL SHUTDOWN HAS
UNLESS OTHERWISE NOTED, ALL SWITCHES
DASHED LINES INDICATE RECOMMENDED FIELD
WIRING BY OTHERS. FIELD WIRING TO BE RATED
FOR 600 VOLTS. DASHED LINE ENCLOSURE
AND/OR DASHED DEVICE OUTLINES INDICATE
COMPONENTS PROVIDED BY THE FIELD. SOLID
4.
3.
2.
1.
A
6C
D
D
1TB1-3 & 4
26
LED3
LED2
LED1
COLOR=GRN
OFF
LED1
OFF
COLOR-RED
CONTROL DIAGNOSTIC CODES (1U2)
LED2
COLOR=RED
LED3
OFF CONTROL OFF
CONTROLLER MODE
NORMAL / COMP OFF
ON OFF OFF
ANTI-SHORT CYCLEON OFF FLASH
BROWNOUT CONDIT IION
ON OFF ON
SOFT LOCKOUT LP
FLASH ON OFF
SOFT LOCKOUT HP
ON FLASH ON
MANUAL LOCKOUT LP
ON FLASH FLASH
MANUAL LOCKOUT HP
ON ON ON
MANUAL LOCKOUT
ON ON FLASH
CONDENSATE LEVEL
ON FLASH OFF
COMPRESSOR DISABLE
ON ON OFF
NORMAL / COMP ON
COMPR CONTROL MODULE 34
VERIFY TEST JUMPER HAS BEEN REMOVED TO
PREVENT CONTROL TIMING ERRORS.
CONNECTION FOR 24VAC CLASS 2 COMPRESSOR DISABLE
6
7INPUT. FOR TLC APPLICATIONS PUMP RESTART RELAY REQ'D
44A
45A
1U2
3S3
1U2
49
50
51
FOR OVERRIDE. USE TERM CD1 & CD2 TO ENERGIZE PUMP
RESTART RELAY COIL: MAX LOAD (5 VA).
WHEN CONTROL 1U2 GOES INTO MANUAL LOCKOUT MODE.
ISOLATED GENERAL ALARM CONTACTS. CONTACTS CLOSE
11
52
6
CONTACTS RATED FOR CLASS 2 24V. TERMINAL AL1 & AL2
L2L1
FIELD INSTALLED DEVICE6
2B1S1
47A
46A
49A
48A
B
1TB1-1 & 2
21
7
6,7,37
1TB1 CUSTOMER LOW V. TERM BLOCK
6,7,8
53
54
55
56
57
58
59
60
2L1
J9-6 P9-6
J9-5 P9-5
44B
45B
P9-1 J9-1
P9-2 J9-2
46B
47B
P9-3 J9-3
P9-4 J9-4
48B
49B
6B
R
S
C
1
2B1
M
4B
2B1C1
6E
HIGHSPEED
LEAD
LEAD COLORS
LOW
1T1
24V
208/60/1
208/60/1
2S1
2S1 FREEZE PROTECTION SWITCH 38
1PB1
1PB1 POWER BLOCK
2D1C
4A
P12-1 J12-1
P12-2 J12-2
P11-3 J11-3
3B 3A CHASSIS
GROUND
3
21
HEAT PUMP
1K1
1C3
1C3 START ASSIST 5
ATTENTION
LES BORNES DE L'UNITÉ NE SONT PAS CONÇUES
L'UTILISATION DE TOUT AUTRE CONDUCTEUR PEUT
N'UTILISER QUE DES CONDUCTEURS EN CUIVRE!
POUR RECEVOIR D'AUTRES TYPES DE CONDUCTEURS.
CAUTION
OTHER TYPES OF CONDUCTORS.
USE COPPER CONDUCTORS ONLY!
FAILURE TO DO SO MAY CAUSE DAMAGE TO THE
UNIT TERMINALS ARE NOT DESIGNED TO ACCEPT
EQUIPMENT. ENDOMMAGER L'ÉQUIPEMENT.
PRECAUCIÓN
PARA ACEPTAR OTROS TIPOS DE CONDUCTORES.
¡UTILICE ÚNICAMENTE CONDUCTORES DE COBRE!
LAS TERMINALES DE LA UNIDAD NO ESTÁN DISEÑADAS
SI NO LO HACE, PUEDE OCASIONAR DAÑO AL EQUIPO.
2B1S2 LOW PRESSURE SWITCH 39
REV
SHALL NOT BE C OPIED OR ITS
TH IS DRA WI NG I S PROPRIETARY AND
CON SENT OF TH E TRAN E COMP ANY
PARTIES WITHOUT THE WRITTEN
CONTENTS DISCLOSED TO OUTSIDE
AUTOCAD
SIMILAR TO
REPLACES
REVISION DATE
DRAW N BY
DATE
2309-7379
RCAP5091 02/08/13
5/11/09
LOWE
GET
SCHEMATIC DIAGRAM
G
2311-0376
2CCH-1
49B 47C
2B1S2
CRANKCASE HEATER2CCH-1 4
WW
44C
45C
1S4
P11-2 J11-2
P11-1 J11-1
1F
2F
1A
2A
SINGLE
STAGE
ROOM
T'STAT
21C
G
,C,E,G,M
R G O W Y
22B
21A
26H
M
A,C
24C 24B
23A
23B
COMN
12
P10-5 J10-5
P10-4 J10-4
P10-3 J10-3
P10-2 J10-2
P10-1 J10-1 P7-1
21B
23A
P7-3 J7-3
P7-4 J7-4
24C 24B
26H 26G
23C
21C
21C
22C
23C 24D
26K
SEE
INSET
B
SEE
INSET
B
SEE
INSET
B
SEE
INSET
B
1U5
RROW3W2W1YYLO BGBK
P1 P2
TO BLOWER MOTOR 3B2 15 PIN PLUG
21D
23D
26L
24E
INSET B
22D
98
P15-1
P15-2
P15-3
P15-4
P15-5
SEE
INSET
B
21E
23E
24F
26M
22B
21E 23E 24F
26M
M
3B2
GRN
1
COM
TO 1U5 BRD
15 PIN PLUG
SEE INSET B FOR
CONTROL WIRING
REQUIRED FOR HARD WIRED DIGITAL THERMOSTATS.
12
P16 J16
J17P17
1U5 ECM CONTROLLER 55
1H 2H
1B
2B
71F2 6,
FUSE
1F1,
1F1
1F2
1D
9C
3J
MTR-3
MTR-4
MTR-5
ISOLATION VALVE
DISREGARD CLOSE TERMINAL WIRING.
FOR TWO WIRE N.C VALVE,
1TB1-1&2 50A
COM
OPEN
CLOSE
FIELD INSTALLED
MAX LOAD 25VA AT 24V
1K1
P20-2
J20-2
P20-1
J20-1
3F
9A
4FUSED UNIT SWITCH1S4
2L1 REVERSING VALVE COIL 26

34 WSHP-SVX10B-EN
Warranty
Standard Warranty
The standard water-source heat pump warranty isTrane’s
parts-only warranty, running 12-months from startup, not
to exceed 18-months from shipment.
Extended Warranty
The optional extended warranty is a second through fifth
year warranty.The time starts at the end of standard 1-year
coverage through the fifth year.
These extended warranties apply only to new equipment
installed in domesticTrane Commercial Systems Group
sales territories and must be ordered prior to start-up.

Trane optimizes the performance of homes and buildings around the world. A business of Ingersoll Rand, the leader in
creating and sustaining safe, comfortable and energy efficient environments, Trane offers a broad portfolio of
advanced controls and HVAC systems, comprehensive building services, and parts. For more information, visit
www.Trane.com.
Trane has a policy of continuous product and product data improvement and reserves the right to change design and specifications without notice.
We are committed to using environmentally
conscious print practices that reduce waste.
© 2013Trane All rights reserved
WSHP-SVX10B-EN 15 Nov 2013
Supersedes WSHP-SVX10B-EN (18 Jun 2013)