Transact Campus BBMRD5X010 Handheld Reader User Manual RN4020
Blackboard Inc. Handheld Reader RN4020
Contents
- 1. Manual
- 2. Manual Tech Spec
Manual Tech Spec

2014 Microchip Technology Inc. DSXXXXXXXXA-page 1
RN4020
Features
• Fully qualified Bluetooth® version 4.1 module
• Onboard Bluetooth Low Energy 4.1 stack
• ASCII command interface API over UART
• Multiple IOs for control and status
• Secure AES128 encryption
• GAP, GATT, SM, L2CAP and integrated public
profiles
• Create custom services using command API
• Microchip Low Energy Data Protocol (MLDP) for
streaming data applications
• Software configurable role as peripheral or cen-
tral, client or server
• Compact form factor 11.5 x 19.5 mm
• Low-power consumption
• UART interface, GPIO, ADC
• 64 KB internal serial flash
• Castellated SMT pads for easy and reliable PCB
mounting
• Environmentally friendly, RoHS compliant
• Certifications: FCC, IC, CE, QDID
• Device Firmware Upgrade (DFU)
Description
Microchip’s RN4020 Bluetooth Low Energy Module
provides a highly integrated solution for delivering low
power Bluetooth 4.1 solu tions. The advanced com-
mand interface offers rapid time to market.
The RN-4020 module complies with Bluetooth specifi-
cation version 4.1. It integrates RF, a baseband control-
ler, command API processor, making it a compl ete
Bluetooth Low Energy Solution.
The RN4020 can be used with either low cost micro-
controller for intelligent Bluetooth Low Energy applica-
tions. For simpl e sensor ap plications, the RN4020
internal scripting capabilities enable basic functions to
be implemented without the need for external host
MCU or software development tools.
Applications
• Health/Medical Devices
- Glucose Meters
- Heart rate
-Scale
• Sports Activity and Fitness
- Pedometer
- Cycling computer
- Heart rate
• Retail
-POS
- Asset tagging and tracking
- Proximity Advertising
• Beacon applications
• Internet of Things Sensor tag
• Remote Control
- Keyboard Mice
- AV consoles, game controllers
• Wearable smart devices and accessories
• Industrial Control
- Private (custom) services
- Low bandwidth cable replacement
• Smart Energy/Smart Home
Bluetooth® Low Energy Module
DRAFT

RN4020
DSXXXXXXXXA-page 2 2014 Microchip Technology Inc.
TO OUR VALUED CUSTOMERS
It is our intention to provide our valued customers with the best documentation possible to ensure successful use of your Microchip
products. To this end, we will continue to improve our publications to better suit your needs. Our publications will be refined and
enhanced as new volumes and updates are introduced.
If you have any questions or comments regarding this publication, please contact the Marketing Communications Department via
E-mail at docerrors@microchip.com. We welcome your feedback.
Most Current Data Sheet
To obtain the most up-to-date version of this data sheet, please register at our Worldwide Web site at:
http://www.microchip.com
You can determine the version of a data sheet by examining its literature number found on the bottom outside corner of any page.
The last character of the literature number is the version number, (e.g., DS30000000A is version A of document DS30000000).
Errata
An errata sheet, describing minor operational differences from the data sheet and recommended workarounds, may exist for current
devices. As device/documentation issues become known to us, we will publish an errata sheet. The errata will specify the revision
of silicon and revision of document to which it applies.
To determine if an errata sheet exists for a particular device, please check with one of the following:
• Microchip’s Worldwide Web site; http://www.microchip.com
• Your local Microchip sales office (see last page)
When contacting a sales office, please specify which device, revision of silicon and data sheet (include literature number) you are
using.
Customer Notification System
Register on our web site at www.microchip.com to receive the most current information on all of our products.
Table of Contents
1.0 Device Overview........................................................................................................................................................................... 3
2.0 General Specifications.................................................................................................................................................................. 5
3.0 Microcontroller to RN4020 Interface ............................................................................................................................................. 6
4.0 Physical Dimensions..................................................................................................................................................................... 7
5.0 Typical Application Schematic ...................................................................................................................................................... 8
6.0 ASCII Command API .................................................................................................................................................................... 9
7.0 Supported Services .................................................................................................................................................................... 10
8.0 Regulatory Approval ................................................................................................................................................................... 13
9.0 Ordering Information................................................................................................................................................................... 19
Appendix A: Revision History ............................................................................................................................................................... 21
The Microchip Web Site ....................................................................................................................................................................... 23
Customer Change Notification Service................................................................................................................................................. 23
Customer Support ................................................................................................................................................................................ 23
Product Identification System............................................................................................................................................................... 25
DRAFT

RN4020
DSXXXXXXXXA-page 4 2014 Microchip Technology Inc.
TABLE 1-1: PIN DESCRIPTION
Pin Symbol Description Function
1GND Ground Ground
2AIO2 Bi-directional with programmable analog IO 1.65V input, 1.35V out, and 30mA max out
3AIO1 Bi-directional with programmable analog IO 1.65V input, 1.35V out, and 30mA max out
4AIO0 Bi-directional with programmable analog IO 1.65V input, 1.35V out, and 30mA max out
5UART TX UART TX Output from RN4020
6UART RX UART RX Input to RN4020
7WAKE-SW Deep Sleep Wake; active high to wake
module from deep sleep
Input; weak pull down
8CMD/DATA Command or Data – In Command , UART
traffic is sent to command interpreter, other
maybe routed to Microchip Serial Data ser-
vice.
Input; Active High to enter Command
9GND Ground Ground
10 SPI-CLK
GPIO[1]
SPI-CLK for diagnostics and factory calibra-
tion if pin 17 asserted. Default state is out-
put: Active Low indicates module is
connected to remote device. High level indi-
cates disconnected state. Configurable as
GPIO[1] via software command.
• SPI-CLK
• Connected Status (Green LED)
• GPIO[1]
11 SPI-CS#
GPIO[2]
SPI-CS# for diagnostics and factory calibra-
tion if pin 17 asserted. Default state is out-
put. Active High indicates module has a
pending event. Low level indicates no
events. Event only triggered in DATA , pin 8
is high. Configurable as GPIO[2] via soft-
ware command.
• SPI-CS#
• Event Pending (Red LED)
• GPIO[2]
12 SPI-MOSI
GPIO[3]
SPI-MOSI for diagnostics and factory cali-
bration if pin 17 asserted. Default state is
output. Active High indicates module is
awake and active. Low level indicates a
sleep state. Configurable as GPIO[3] via
software command.
• SPI-CLK
• Wake Status (Blue LED)
• GPIO[3]
13 SPI-MISO
GPIO[4]
SPI-MISO for diagnostics and factory cali-
bration if pin 17 asserted. Configurable as
GPIO[4] via software command.
• SPI-CLK
• GPIO[4]
14 CTS
GPIO[6]
Reserved for CTS if hardware flow control is
on UART. Configurable as GPIO[6] if hard-
ware flow control is disabled.
• CTS (input)
• GPIO[6]
15 WAKE-HW Hardware wake from Hibernate or Dormant
state
Active High; internal pull down
16 GND Ground Ground
17 SPI/PIO SPI/PIO for pins 10-13, Active High Input with internal pull down; selects SPI on 10-
13
18 RTS
GPIO[5]
Reserved for RTS if hardware flow control
on UART. Configurable as GPIO[5] if hard-
ware flow control disable
• RTS (output)
• GPIO[5]
19 ADVCONN
GPIO[7]
Active Low; In Peripheral the input put
module in advertising state (discoverable
and open for connection). In Central , initi-
ates connect to stored address.
Initiate Advertising state or connect to stored
address
20 RSVD Do not connect. Factory diagnostics NC
DRAFT

2014 Microchip Technology Inc. DSXXXXXXXXA-page 5
RN4020
2.0 GENERAL SPECIFICATIONS
Table 2-1 provides the general specifications for the
module. Ta b le 2 - 2 , Tabl e 2 -3 , and Table 2-4 provide
the module’s weight, dimensions, electrical character-
istics, and current consumption.
21 RSVD Do not connect. Factory diagnostics NC
22 RSVD Do not connect. Factory diagnostics NC
23 VDD Supply voltage: 2.0 to 4.2V Supply Voltage, 2.0 to 4.2
24 GND Ground Ground
TABLE 1-1: PIN DESCRIPTION (CONTINUED)
Pin Symbol Description Function
TABLE 2-1: GENERAL SPECIFICATIONS
Specification Description
Standard Bluetooth 4.1
Frequency Band 2.4 ~ 2.48 GHz
Modulation Method GMSK
Maximum Data Rate 1 Mbps
Antenna PCB and chip (0dBi)
Interface UART, PIO, AIO, SPI
Operation Range 100 meters
Sensitivity -93 dBm at 0.1% BER
RF TX Power +8.5 dBm (max)
Temperature (operating) -30°C to +85°C
Temperature (storage) -40°C to +85°C
ESD JESD22-A224 class 0
product
Humidity 10% ~ 90% non-con-
densing
TABLE 2-2: WEIGHT AND DIMENSIONS
Specification Description
Dimensions RN4020: 19.5 x 11.5 x 2.5 mm
Weight 1.2 g
TABLE 2-3: ELECTRICAL
CHARACTERISTICS
Specification Description
Supply Voltage 3Vport: 2.0 - 4.2 V DC
Working current Depends on profiles, 12 mA
typical
Standby current
(disconnected)
<0.5 mA)
TABLE 2-4: CURRENT CONSUMPTION
Mode Typical Current at 3V
Dormant <700nA
Hibernate <2.0uA
Deep Sleep <5.0uA
Idle <1.5mA
Tx/Rx active 16 mA at 0 dBM
DRAFT

RN4020
DSXXXXXXXXA-page 6 2014 Microchip Technology Inc.
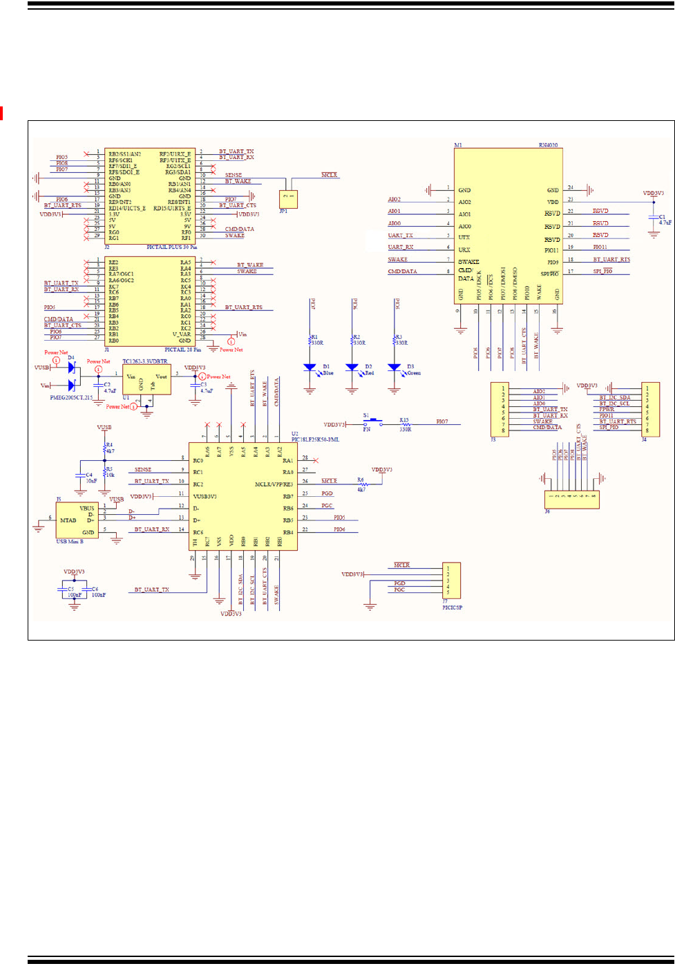
3.0 MICROCONTROLLER TO RN4020 INTERFACE
FIGURE 3-1: INTERFACE DESCRIPTION
Figure 3-1 illustrates the interface between PIC micro-
controller and RN4020 module. The minimum interface
consists of UART and WAKE HW line. This enables the
microcontroller to communi cate with RN 4020 module
using ASCII comman d API. T he command API is
described in Sec XX.
3.1 CTS/RTS Hardware Flow Control
For customer applications using the Microch ip Low
Energy Data Protocol (MLEDP), Pin 8 (CMD/DATA) is
required. CTS/RTS hardware control is also highly rec-
ommended for this service to avoid buffer overruns.
3.2 Microchip Low Energy Data
Protocol (MLDP)
The Microchip Low En ergy Data Protocol i s a private
BTLE service that provides a 20kbps serial data trans-
port over Bluetooth Low Energy on the RN4020. Pin 8
(CMD/DATA) is required. CTS/RTS hardware control is
also highly recommended for this service to avoid data
loss.
Refer to “ RN4020 Command Reference”, for more
information on how to configure the MLDP service
mandatory for DFU over UART.
DRAFT

2014 Microchip Technology Inc. DSXXXXXXXXA-page 9
RN4020
6.0 ASCII COMMAND API
The RN4020 command API is documented in RN4020
Command Reference: doc-xxx-xxxxxx:
Commands are categorized into the following func-
tions:
• Built-in public services
- Enable/Disable service as Server or Client
- Red value
- Set value
•Max Tx Power
- Set Power in DB
•Role
- Peripheral or Central
• Advertising
- Start/Stop
• Bonding
- Bond/Unbond to Master
• Private Service
- Set Private Service UUID
- Set Characteristic UUID for Private Service
• Microchip Low Energy Data Protocol
- Enable/Disable
- Peripheral side configuration
- Central side configuration
• Device Information Profile settings
• Connection
-Status
- Disconnect
- Kill active connection
- Establish connection (Central role only)
- Start/Stop inquiry scan for other devices
(Central role only)
•IO
- Configure GPIO mask
- Set/Get GPIO states
- Ready raw ADC values
• System
- Reboot
- Enter deep sleep
- Factory default
- Test functions for type approval
- Display configuration
DRAFT

RN4020
DSXXXXXXXXA-page 10 2014 Microchip Technology Inc.
7.0 SUPPORTED SERVICES
The RN4020 firmware support the following built-in pro-
files listed in Ta b l e 7 - 1 below. The services are enabled
via Command API and serviced in the same manner.
Each service manages “Characteristics” which as data
values are declared and defined by Bluetooth. The val-
ues for ea ch characteristic are ca ched in modules
memory and can be read by another Bluetooth device,
such Smartphone acting in Central role. The values of
every Characteristic are updated via Command API
over UART.
7.1 Public and Private Services
The RN4020 provided the ability to cre ate customer
services. If the services a re supported on both end
points of a Bluetooth Low Energy connection, such as
Central and Peripheral devices, data can be
exchanged. For example, two RN4020 modules can
define a custom (private) service with its own u nique
characteristics. Data can be exchanged easily via
Command API.
Private services are not registered with the Bluetooth
SIG, and therefore not in teroperable with other Blu e-
tooth Low Energy device s, unless the device imple-
ments the private service. An example of a bui lt-in
private service is Microchip Streaming Data service.
Refer to “ RN4020 Command Reference”, docxxx-
xxxxxx, and Application Note AN-xxxxxx for an exam-
ple on h ow to crea te a custom service using the
RN4020.
7.2 PCB Antenna
The PCB antenna is fabricated on the top copper layer
and covered in solder mask. T he layers below the
antenna do not have copper trace. It is recommended
that the module is mounted on the edge of the host
PCB. It is permitted for PCB material to be below the
antenna structure of the module as long as no copper
traces or planes are on the host PCB in that area.
FIGURE 7-1: EFFICIENCY
FIGURE 7-2: ANTENNA PLOT
TABLE 7-1: SUPPORTED PUBLIC
SERVICES ON RN4020
Service Name Bluetooth SIG UUID
Device Information 0x180A
Battery 0x180F
Heart Rate 0x180D
Health Thermometer 0x1809
Glucose 0x1808
Blood Pressure 0x1810
Running Speed Cadence 0x1814
Cycling Speed Cadence 0x1816
Current Time 0x1805
Next DST Change 0x1807
Reference Time Update 0x1806
Link Loss 0x1803
Immediate Alert 0x1802
TX Power 0x1804
Alert Notification 0x1811
Phone Alert Status 0x180E
Scan Parameters 0x1813
TABLE 7-2: ANTENNA
CHARACTERISTICS
Specification Description
Type PCB
Frequency Range 2.402 to 2.485 MHz
Peak Gain -0.23 dBi
DRAFT

2014 Microchip Technology Inc. DSXXXXXXXXA-page 11
RN4020
FIGURE 7-3: 3D RADIATION PATTERN
AND ANTENNA
ORIENTATION
The lead-free solder reflow temperature and times are:
•Temperature — 230°C, 60 seconds maximum,
peak 245° C maximum
•Preheat temperature — 165° ± 15°C, 90 to 120
seconds
•Time — Single pass, one time
The solder reflow temperature must not exceed 220°C.
To reflow solder the module onto a PCB, Roving Net-
works recommends a RoHS-compli ant solder paste
equivalent to NIHON ALMIT paste or OMNIX OM-310
solder paste from Alpha metals. See Table 7-3
Note: Use no-clean flux and do not water wash.
FIGURE 7-4: SOLDER REFLOW TEMPERATURE PROFILE
TABLE 7-3: PASTE SOLDER RECOMMENDATIONS
Manufacturer Alpha Metals
http://www.alphametals.com
NIHON ALMIT Co. LTD
http://almit.co.jp
Part Number OMNIX OM-310 LFM-70W INP
Metal Composition SAC305 (96.5% Sn, 3% Ag, 0.5% Cu) 88% Sn, 3.5% Ag, 0.5% Bi, 8% In
Liquidus Temperature ~220°C ~215°C
DRAFT

RN4020
DSXXXXXXXXA-page 12 2014 Microchip Technology Inc.
FIGURE 7-5: SOLDER REFLOW CURVE
DRAFT

2014 Microchip Technology Inc. DSXXXXXXXXA-page 13
RN4020
8.0 REGULATORY APPROVAL
This section outlines the regulatory information for the
RN4020 module for the following countries:
• United States
• Canada
• Europe
• Australia
• New Zealand
8.1 United States
The RN4020 module has received Federal Communi-
cations Commission (FCC) CFR47 Telecommunica-
tions, Part 15 Sub part C “Inte ntional Radiators”
modular approval in accordance with Part 15.212 Mod-
ular Transmitter approval. Modular approval allows the
end user to integrate the R N4020 module into a fin-
ished product without obtaining subsequent and sepa-
rate FCC approvals for i ntentional radiation, provided
no changes or modifications are made to the modul e
circuitry. Changes or modi fications could void the
user’s authority to op erate the equipment. The end
user must comply with all of the instructions provided
by the Grantee, which indicate installation and/or oper-
ating conditions necessary for compliance.
The finished product is required to comply with all appli-
cable FCC equipment authorizations regulations,
requirements and equipment functions not associated
with the transmitter module portion. For example, com-
pliance must be demonstrated to regulations for other
transmitter components within the host product; to
requirements for unintentional radiators (Part 15 Sub-
part B “Un intentional Radiators”), such as digital
devices, computer pe ripherals, radio receivers, etc.;
and to additional authorization requirements for the
non-transmitter functions on the transmitter modul e
(i.e., Verification, or D eclaration of Co nformity) (e.g.,
transmitter modules may also contain digital logic func-
tions) as appropriate.
8.1.1 LABELING AND USER
INFORMATION REQUIREMENTS
The RN4020 module has bee n labeled with its own
FCC ID number, and if the FCC ID is not visible when
the module is installed inside another device, then the
outside of the finished product into which the module is
installed must al so display a label referring to the
enclosed module. This exterior label can use wording
as follows:
A user’s manual for the product should include the fol-
lowing statement:
Additional information on labeling and user information
requirements for Part 15 devices can be found in KDB
Publication 784748 available at the FCC Office of Engi-
neering and T echnology (OET) Laboratory Division
Knowledge Database (KDB) http://apps.fcc.gov/oetcf/
kdb/index.cfm.
RN4020:
Contains Transmitter Module FCC ID: T9JRN4020
or
Contains FCC ID: T9JRN4020
This device complies with Part 15 of the FCC Rules.
Operation is subject to the following two conditions:
(1) this device may not cause harmful interference,
and (2) this device must accept any interference
received, including interference that may cause
undesired operation
This equipment has been tested and found to comply
with the limits for a Class B digital device, pursuant to
part 15 of the FCC Rules. These limits are designed
to provide reasonable protection against harmful
interference in a residential installation. This equip-
ment generates, uses and can radiate radio fre-
quency energy, and if not installed and used in
accordance with the instructions, may cause harmful
interference to radio communications. However,
there is no guarantee that interference will not occur
in a particular installation. If this equipment does
cause harmful interference to radio or television
reception, which can be determined by turning the
equipment off and on, the user is encouraged to try to
correct the interference by one or more of the follow-
ing measures:
• Reorient or relocate the receiving antenna.
• Increase the separation between the equipment
and receiver.
• Connect the equipment into an outlet on a circuit
different from that to which the receiver is con-
nected.
• Consult the dealer or an experienced radio/TV
technician for help.
DRAFT

RN4020
DSXXXXXXXXA-page 14 2014 Microchip Technology Inc.
8.1.2 RF EXPOSURE
The RN4020 module has been approved for mixed
mobile and portable exposure hosts; co-location
with other transmitters may need additional eval-
uation in accordance with FCC multi-transmitter
guidelines.
All transmitters regulated by FCC must comply with RF
exposure requirements. KDB 447498 General RF
Exposure Guidance provides guidance
in determining whether proposed or existing
transmitting facilities, operations or devices comply
with limits for human exposure to Radio Frequency
(RF) fields adopted by the Federal Communications
Commission (FCC).
.
.
.
.
.
8.1.4 HELPFUL WEB SITES
Federal Communications Commission (FCC): http://
www.fcc.gov
FCC Office of Engineering and Technology (OET) Lab-
oratory Division Knowledge Database (KDB): http://
apps.fcc.gov/oetcf/kdb/index.cfm
8.2 Canada
The RN4020 module has been certified for use in Can-
ada under Industry Canada (IC) Ra dio Standards
Specification (RSS) RSS-210 and RSSGen. Modular
approval permits the installation of a module in a host
device without the need to recertify the device.
8.2.1 LABELING AND USER
INFORMATION REQUIREMENTS
Labeling Requirements for the Host Device (from Sec-
tion 3.2.1, RSS-Gen, Iss ue 3, December 2010): The
host device shall be properly labeled to id entify the
module within the host device.
The Industry Canada certification label of a modu le
shall be clearly visible at all times when installed in the
host device, otherwise the host device must be labeled
to display the Industry Canada certification number of
the module, preceded by the words “Contains transmit-
ter module”, or the word “Contains”, or similar wording
expressing the same meaning, as follows:
User Manual Notice for License-Exempt Radio Appara-
tus (from Section 7.1.3 RSS-Gen, Issue 3, December
2010): User manuals for license-exempt radio appara-
tus shall contain the following or equivalent notice in a
conspicuous location in the user man ual or alterna-
tively on the device or both:
.
.
.
.
.
.
Contains transmitter module IC: 6514A-RN4020
This device complies with Industry Canada license-
exempt RSS standard(s). Operation is subject to the
following two conditions: (1) this device may not
cause interference, and (2) this device must accept
any interference, including interference that may
cause undesired operation of the device.
Le présent appareil est conforme aux CNR d'Indus-
trie Canada applicables aux appareils radio exempts
de licence. L'exploitation est autorisée aux deux con-
ditions suivantes: (1) l'appareil ne doit pas produire
de brouillage, et (2) l'utilisateur de l'appareil doit
accepter tout brouillage radioélectrique subi, même
si le brouillage est susceptible d'en compromettre le
fonctionnement.
DRAFT

2014 Microchip Technology Inc. DSXXXXXXXXA-page 15
RN4020
Transmitter Antenna (from Section 7.1.2 RSS-Gen,
Issue 3, December 2010): User manuals for transmit-
ters shall display the following notice in a conspicuous
location:
The above notice may be affixed to the device instead
of displayed in the user manual.
8.2.2 APPROVED EXTERNAL ANTENNA
TYPES
Transmitter Antenna (from Section 7.1.2 RSS-Gen,
Issue 3, December 2010):
The RN4020 module can only be sold or operated with
antennas with which it was approved. Transmitter may
be approved with multiple antenna types. An antenna
type comprises an tennas having similar in-band and
out-of-band radiation patterns. Testing shall be per-
formed using the highest gain antenna of each combi-
nation of tran smitter and antenna type for wh ich
approval is b eing sought, with the transmitte r output
power set at the maximum level. Any antenna of th e
same type having equal or lesser gain as an antenna
that had been successfully tested with the transmitter,
will also be considered approved with the transmitter,
and may be used and marketed with the transmitter.
When a measurement at the antenna connector is
used to determine RF output power, the effective gain
of the device's antenna shall be stated, based on mea-
surement or on data from the a ntenna manufacturer.
For transmitters of output power greater than 10 milli-
watts, the total antenna gain shall be added to the mea-
sured RF output power to demonstrate compliance to
the specified radiated power limits.
8.2.3 HELPFUL WEB SITES
Industry Canada: http://www.ic.gc.ca/
8.3 Europe
The RN4020 module is an R&TTE Directive assessed
radio module that is CE marked and has been manu-
factured and tested with the intention of be ing inte-
grated into a final product.
The RN4020 module has been tested to R&TTE Direc-
tive 1999/5/EC Essential Requirements for Health and
Safety (Article (3.1(a)), Electromagnetic Compatibility
(EMC) (Article 3.1(b)), and Radio (Article 3.2) and are
summarized in Table 3-1: European Compliance Test-
ing. A Notified Body Opinion has also been issued. All
test reports are available on the RN4020 product web
page at http://www.microchip.com.
The R&TTE Compliance Association provides guid-
ance on mod ular devices in document Technical
Guidance Note 01 available at
http://www.rtteca.com/html/download_area.htm.
8.3.1 LABELING AND USER
INFORMATION REQUIREMENTS
The label on the final product which contains the
RN4020 module must follow CE marking requirements.
The “R&TTE Compliance Association Technical Guid-
ance Note 01” provides guidance on final product CE
marking.
Under Industry Canada regulations, this radio trans-
mitter may only operate using an antenna of a type
and maximum (or lesser) gain approved for the trans-
mitter by Industry Canada. To reduce potential radio
interference to other users, the antenna type and its
gain should be so chosen that the equivalent isotrop-
ically radiated power (e.i.r.p.) is not more than that
necessary for successful communication.
Conformément à la réglementation d'Industrie Can-
ada, le présent émetteur radio peut fonctionner avec
une antenne d'un type et d'un gain maximal (ou
inférieur) approuvé pour l'émetteur par Industrie Can-
ada. Dans le but de réduire les risques de brouillage
radioélectrique à l'intention des autres utilisateurs, il
faut choisir le type d'antenne et son gain de sorte
que la puissance isotrope rayonnée équivalente
(p.i.r.e.) ne dépasse pas l'intensité nécessaire à
l'établissement d'une communication satisfaisante. Note: To maintain conformance to the testing
listed in Ta b l e 8 -1 , the module shall be
installed in accordance with the i nstalla-
tion instructions in this d ata sheet and
shall not be modified.
When integrating a rad io module into a
completed product the integra tor
becomes the manufacturer of the final
product and is theref ore responsible for
demonstrating compliance of th e final
product with the essential requirements of
the R&TTE Directive.
DRAFT

RN4020
DSXXXXXXXXA-page 16 2014 Microchip Technology Inc.
8.3.2 ANTENNA REQUIREMENTS
From R&TTE Compliance Association document Tech-
nical Guidance Note 01:
Provided the integrator installing an assessed
radio module with an integral or specific antenna
and installed in conformance with the radio mod-
ule manufacturer’s installation instructions
requires no further evaluation under Article 3.2
of the R&TTE Directive and does not require fur-
ther involvement of an R&TTE Directive Notified
Body for the final product. [Section 2.2.4]
8.3.3 HELPFUL WEB SITES
A document that can be used as a st arting point in
understanding the use of Short Range Devices (SRD)
in Europe is the European Radio Communications
Committee (ERC) Recommendation 70-03 E, whi ch
can be downloaded from the European Radio Commu-
nications Office (ERO) at: http://www.ero.dk/.
Additional helpful web sites are:
• Radio and Telecommunications Terminal Equip-
ment (R&TTE):
http://ec.europa.eu/enterprise/rtte/index_en.htm
• European Conference of Postal and Telecommu-
nications Administrations (CEPT):
http://www.cept.org/
• European Telecommunications Standards Insti-
tute (ETSI):
http://www.etsi.org
• European Radio Communications Office (ERO):
http://www.ero.dk/
• The Radio and Telecommunications Terminal
Equipment Compliance Association (R&TTE CA):
http://www.rtteca.com/
DRAFT

2014 Microchip Technology Inc. DSXXXXXXXXA-page 17
RN4020
TABLE 8-1: RN4020 EUROPEAN COMPLIANCE TESTING
8.4 Australia
The Australia radio regulations do not provide a modu-
lar approval policy similar to the United States (FCC)
and Canada (IC). However, RN4020 module RF trans-
mitter test reports can be used in part to demonstrate
compliance in accordance with ACMA Radio communi-
cations “Short Rang e Devices” S tandard 2004 (The
Short Range Devices standard calls up the AS/NZS
4268:2008 industry standard). The RN4020 module
test reports can be used as part of the product certifica-
tion and compliance folder. For more information on the
RF transmitter test reports, contact Microchip Technol-
ogy Australia sales office.
To meet overall Australian final product compliance, the
developer must construct a compliance folder contain-
ing all relevant compliance test reports e.g. RF, EMC,
electrical safety a nd DoC (Declaration of Con formity)
etc. It is the responsibility of the integrator to know what
is required in the compliance folder for ACMA compli-
ance. All test reports are available on the RN4020
product web page at http://www.microchip.com. For
more information on Australia compliance, refer to the
Australian Communications and Media Authority web
site http://www.acma.gov.au/.
8.4.2 HELPFUL WEB SITES
The Australian Communications and Media Authority:
www.acma.gov.au/.
8.5 New Zealand
The New Z ealand radio regulations do not provid e a
modular approval policy similar to the United States
(FCC) and Canada (IC). However, RN4020 module RF
transmitter test reports can be used in part to demon-
strate compliance against the New Z ealand “General
User Radio License for Short Ra nge Devices”. New
Zealand Radio communications (Radio Standards)
Notice 2010 calls up the AS / NZS 4268:2008 industry
standard. The RN4020 module test reports can be
used as part of the product certification and compliance
folder. All test re ports are available on the RN40 20
product web p age at http://www.microchip.com. For
more information on the RF transmitter test reports,
contact Microchip Technology sales office.
Information on the New Zealand short ra nge devices
license can be found in the following web links:
http://www.rsm.govt.nz/cms/licensees/types-oflicence/
general-user-licences/short-range-devices
and
http://www.rsm.govt.nz/cms/policy-and-planning/spec-
trum-policy-overview/legislation/gazette-notices/prod-
uct-compliance/radiocommunications-radiostandards-
notice-2010.
To meet overall New Zealand final product compliance,
the developer must construct a compliance folder con-
taining all relevant compliance test repo rts e.g. RF,
EMC, electrical safety and DoC (Declaration of Confor-
mity) etc. It is t he responsibility of the developer to
know what is required in the compliance folder for New
Zealand Radio communications. For more information
on New Zealand compliance, refer to the web site http:/
/www.rsm.govt.nz/.
Certification Standards Article Laboratory Report
Number Date
—
DRAFT

2014 Microchip Technology Inc. DSXXXXXXXXA-page 19
RN4020
9.0 ORDERING INFORMATION
Table 9-1 provides ordering information for the RN4020 module.
Note: For custom applications, contact Microchip representative.
Go to http://www.microchip.com for current pricing and a list of distributors carrying Microchip products.
TABLE 9-1: ORDERING INFORMATION
Part Number Description
RN4020RM Standard firmware (GATT, GAP, L2CAP) peripheral and Central mode
DRAFT

RN4020
DSXXXXXXXXA-page 20 2014 Microchip Technology Inc.
NOTES:
DRAFT

2014 Microchip Technology Inc. DS00000000A-page 21
RN4020
APPENDIX A: REVISION HISTORY
Revision A (May 2014)
This is the in itial released version of the document in
the Microchip format.
DRAFT

RN4020
DS00000000A-page 22 2014 Microchip Technology Inc.
NOTES:
DRAFT

2014 Microchip Technology Inc. DS00000000A-page 23
RN4020
THE MICROCHIP WEB SITE
Microchip provides online support via our WWW site at
www.microchip.com. This web site is used as a means
to make files and information easily available to
customers. Accessible by using your favorite Internet
browser, the web site contains the foll owing
information:
•Product Support – Data sheets and errata,
application notes and sample programs, design
resources, user’s guides and hardware support
documents, latest software releases and archived
software
•General Technical Support – Frequently Asked
Questions (FAQ), technical support requests,
online discussion groups, Microchip consultant
program member listing
•Business of Microchip – Product selector and
ordering guides, latest Microchip press releases,
listing of seminars and events, listings of
Microchip sales offices, distributors and factory
representatives
CUSTOMER CHANGE NOTIFICATION
SERVICE
Microchip’s customer notification service helps keep
customers current on Microchip products. Subscribers
will receive e-mail notification whenever there are
changes, updates, revisions or errat a related to a
specified product family or development tool of interest.
To register, access the Microc hip web site at
www.microchip.com. Under “Support”, click on
“Customer Change Notification” and follow the
registration instructions.
CUSTOMER SUPPORT
Users of Microchip products can receive assistance
through several channels:
• Distributor or Representative
• Local Sales Office
• Field Application Engineer (FAE)
• Technical Support
Customers should contact their di stributor,
representative or Field Application Engineer (FAE) for
support. Local sales offices are also available to help
customers. A listing of sales offices and locations is
included in the back of this document.
Technical support is available through the web site
at: http://microchip.com/support
DRAFT

RN4020
DS00000000A-page 24 2014 Microchip Technology Inc.
NOTES:
DRAFT

2014 Microchip Technology Inc. DSXXXXXXXXA-page 25
RN4020
PRODUCT IDENTIFICATION SYSTEM
To order or obtain information, e.g., on pricing or delivery, refer to the factory or the listed sales office.
Device: RN4020: UART, PCB Antenna
Temperature Range: I = -40°C to +85°C
Package: RM = Radio Module
PART NO. I RM
Package
Temperature
Range
Device
XXX
Firmware
Revision
Number
DRAFT

RN4020
DSXXXXXXXXA-page 26 2014 Microchip Technology Inc.
NOTES:
DRAFT

2014 Microchip Technology Inc. DSXXXXXXXXA-page 27
Information contained in this publication regarding device
applications and the like is provided only for your convenience
and may be superseded by updates. It is your responsibility to
ensure that your application me ets with your specifications.
MICROCHIP MAKES NO REPRESENTATIONS OR
WARRANTIES OF ANY KIND WHETHER EXPRESS OR
IMPLIED, WRITTEN OR ORAL, STATUTORY OR
OTHERWISE, RELATED TO THE INFORMATION,
INCLUDING BUT NOT L IMITED TO ITS COND ITION,
QUALITY, PERFORMANCE, MERCHANTABILITY OR
FITNESS FOR PURPOSE. Microchip disclaims all liability
arising from this information and its use. Use o f Microchip
devices in life supp ort and/or safety applications is entirely at
the buyer’s risk, and the buyer agrees to defend, indemnify and
hold harmless Microchip from any and all da mages, claims,
suits, or e xpenses resulting f rom such use. No lic enses are
conveyed, implicitly or ot herwise, under any Microchip
intellectual property rights.
Trademarks
The Microchip name and logo, the Microchip logo, dsPIC,
FlashFlex, KEELOQ, KEELOQ logo, MPLAB, PIC, PICmicro,
PICSTART, PIC32 logo, rfPIC, SST, SST Logo, SuperFlash
and UNI/O are registered trademarks of Microchip Technology
Incorporated in the U.S.A. and other countries.
FilterLab, Hampshire, HI-TECH C, Linear Active Thermistor,
MTP, SEEVAL and The Embedded Control Solutions
Company are registered trademarks of Microchip Technology
Incorporated in the U.S.A.
Silicon Storage Technology is a registered trademark of
Microchip Technology Inc. in other countries.
Analog-for-the-Digital Age, Application Maestro, BodyCom,
chipKIT, chipKIT logo, CodeGuard, dsPICDEM,
dsPICDEM.net, dsPICworks, dsSPEAK, ECAN,
ECONOMONITOR, FanSense, HI-TIDE, In-Circuit Serial
Programming, ICSP, Mindi, MiWi, MPASM, MPF, MPLAB
Certified logo, MPLIB, MPLINK, mTouch, Omniscient Code
Generation, PICC, PICC-18, PICDEM, PICDEM.net, PICkit,
PICtail, REAL ICE, rfLAB, Select Mode, SQI, Serial Quad I/O,
Total Endurance, TSHARC, UniWinDriver, WiperLock, ZENA
and Z-Scale are trademarks of Microchip Technology
Incorporated in the U.S.A. and other countries.
SQTP is a service mark of Microchip Technology Incorporated
in the U.S.A.
GestIC and ULPP are registered trademarks of Microchip
Technology Germany II GmbH & Co. KG, a subsidiary of
Microchip Technology Inc., in other countries.
All other trademarks mentioned herein are property of their
respective companies.
© 2014, Microchip Technology Incorporated, Printed in the
U.S.A., All Rights Reserved.
Printed on recycled paper.
ISBN:
Note the following details of the code protection feature on Microchip devices:
• Microchip products meet the specification contained in their particular Microchip Data Sheet.
• Microchip believes that its family of products is one of the most secure families of its kind on the market today, when used in the
intended manner and under normal conditions.
• There are dishonest and possibly illegal methods used to breach the code protection feature. All of these methods, to our
knowledge, require using the Microchip products in a manner outside the operating specifications contained in Microchip’s Data
Sheets. Most likely, the person doing so is engaged in theft of intellectual property.
• Microchip is willing to work with the customer who is concerned about the integrity of their code.
• Neither Microchip nor any other semiconductor manufacturer can guarantee the security of their code. Code protection does not
mean that we are guaranteeing the product as “unbreakable.”
Code protection is constantly evolving. We at Microchip are committed to continuously improving the code protection features of our
products. Attempts to break Microchip’s code protection feature may be a violation of the Digital Millennium Copyright Act. If such acts
allow unauthorized access to your software or other copyrighted work, you may have a right to sue for relief under that Act.
Microchip received ISO/TS-16949:2009 certification for its worldwide
headquarters, design and wafer fabrication facilities in Chandler and
Tempe, Arizona; Gresham, Oregon and design centers in California
and India. The Company’s quality system processes and procedures
are for its PIC® MCUs and dsPIC® DSCs, KEELOQ® code hopping
devices, Serial EEPROMs, microperipherals, nonvolatile memory and
analog products. In addition, Microchip’s quality system for the design
and manufacture of development systems is ISO 9001:2000 certified.
QUALITYMANAGEMENTS
YSTEM
CERTIFIEDBYDNV
== ISO/TS16949==
DRAFT

DS00000A-page 28 2014 Microchip Technology Inc.
AMERICAS
Corporate Office
2355 West Chandler Blvd.
Chandler, AZ 85224-6199
Tel: 480-792-7200
Fax: 480-792-7277
Technical Support:
http://www.microchip.com/
support
Web Address:
www.microchip.com
Atlanta
Duluth, GA
Tel: 678-957-9614
Fax: 678-957-1455
Austin, TX
Tel: 512-257-3370
Boston
Westborough, MA
Tel: 774-760-0087
Fax: 774-760-0088
Chicago
Itasca, IL
Tel: 630-285-0071
Fax: 630-285-0075
Cleveland
Independence, OH
Tel: 216-447-0464
Fax: 216-447-0643
Dallas
Addison, TX
Tel: 972-818-7423
Fax: 972-818-2924
Detroit
Novi, MI
Tel: 248-848-4000
Houston, TX
Tel: 281-894-5983
Indianapolis
Noblesville, IN
Tel: 317-773-8323
Fax: 317-773-5453
Los Angeles
Mission Viejo, CA
Tel: 949-462-9523
Fax: 949-462-9608
New York, NY
Tel: 631-435-6000
San Jose, CA
Tel: 408-735-9110
Canada - Toronto
Tel: 905-673-0699
Fax: 905-673-6509
ASIA/PACIFIC
Asia Pacific Office
Suites 3707-14, 37th Floor
Tower 6, The Gateway
Harbour City, Kowloon
Hong Kong
Tel: 852-2943-5100
Fax: 852-2401-3431
Australia - Sydney
Tel: 61-2-9868-6733
Fax: 61-2-9868-6755
China - Beijing
Tel: 86-10-8569-7000
Fax: 86-10-8528-2104
China - Chengdu
Tel: 86-28-8665-5511
Fax: 86-28-8665-7889
China - Chongqing
Tel: 86-23-8980-9588
Fax: 86-23-8980-9500
China - Hangzhou
Tel: 86-571-8792-8115
Fax: 86-571-8792-8116
China - Hong Kong SAR
Tel: 852-2943-5100
Fax: 852-2401-3431
China - Nanjing
Tel: 86-25-8473-2460
Fax: 86-25-8473-2470
China - Qingdao
Tel: 86-532-8502-7355
Fax: 86-532-8502-7205
China - Shanghai
Tel: 86-21-5407-5533
Fax: 86-21-5407-5066
China - Shenyang
Tel: 86-24-2334-2829
Fax: 86-24-2334-2393
China - Shenzhen
Tel: 86-755-8864-2200
Fax: 86-755-8203-1760
China - Wuhan
Tel: 86-27-5980-5300
Fax: 86-27-5980-5118
China - Xian
Tel: 86-29-8833-7252
Fax: 86-29-8833-7256
China - Xiamen
Tel: 86-592-2388138
Fax: 86-592-2388130
China - Zhuhai
Tel: 86-756-3210040
Fax: 86-756-3210049
ASIA/PACIFIC
India - Bangalore
Tel: 91-80-3090-4444
Fax: 91-80-3090-4123
India - New Delhi
Tel: 91-11-4160-8631
Fax: 91-11-4160-8632
India - Pune
Tel: 91-20-3019-1500
Japan - Osaka
Tel: 81-6-6152-7160
Fax: 81-6-6152-9310
Japan - Tokyo
Tel: 81-3-6880- 3770
Fax: 81-3-6880-3771
Korea - Daegu
Tel: 82-53-744-4301
Fax: 82-53-744-4302
Korea - Seoul
Tel: 82-2-554-7200
Fax: 82-2-558-5932 or
82-2-558-5934
Malaysia - Kuala Lumpur
Tel: 60-3-6201-9857
Fax: 60-3-6201-9859
Malaysia - Penang
Tel: 60-4-227-8870
Fax: 60-4-227-4068
Philippines - Manila
Tel: 63-2-634-9065
Fax: 63-2-634-9069
Singapore
Tel: 65-6334-8870
Fax: 65-6334-8850
Taiwan - Hsin Chu
Tel: 886-3-5778-366
Fax: 886-3-5770-955
Taiwan - Kaohsiung
Tel: 886-7-213-7830
Taiwan - Taipei
Tel: 886-2-2508-8600
Fax: 886-2-2508-0102
Thailand - Bangkok
Tel: 66-2-694-1351
Fax: 66-2-694-1350
EUROPE
Austria - Wels
Tel: 43-7242-2244-39
Fax: 43-7242-2244-393
Denmark - Copenhagen
Tel: 45-4450-2828
Fax: 45-4485-2829
France - Paris
Tel: 33-1-69-53-63-20
Fax: 33-1-69-30-90-79
Germany - Dusseldorf
Tel: 49-2129-3766400
Germany - Munich
Tel: 49-89-627-144-0
Fax: 49-89-627-144-44
Germany - Pforzheim
Tel: 49-7231-424750
Italy - Milan
Tel: 39-0331-742611
Fax: 39-0331-466781
Italy - Venice
Tel: 39-049-7625286
Netherlands - Drunen
Tel: 31-416-690399
Fax: 31-416-690340
Poland - Warsaw
Tel: 48-22-3325737
Spain - Madrid
Tel: 34-91-708-08-90
Fax: 34-91-708-08-91
Sweden - Stockholm
Tel: 46-8-5090-4654
UK - Wokingham
Tel: 44-118-921-5800
Fax: 44-118-921-5820
Worldwide Sales and Service
03/25/14
DRAFT



