Troy Bilt Autodrive 604 Users Manual 770 10187
604 to the manual 104a8bd9-c7de-49d1-8392-57ee2211f4ff
Troybilt 604 Garden Tractor
2015-01-21
: Troy-Bilt Troy-Bilt-Autodrive-604-Users-Manual-349762 troy-bilt-autodrive-604-users-manual-349762 troy-bilt pdf
Open the PDF directly: View PDF
.
Page Count: 40

OPERATOR’S MANUAL
IMPORTANT: READ SAFETY RULES AND INSTRUCTIONS CAREFULLY
MTD PRODUCTS INC. P.O. BOX 368022 CLEVELAND, OHIO 44136-9722
PRINTED IN U.S.A. FORM NO. 770-10187
Warning: This unit is equipped with an internal combustion engine and should not be used on or near any unimproved forest-
covered, brush-covered or grass-covered land unless the engine’s exhaust system is equipped with a spark arrester meeting
applicable local or state laws (if any). If a spark arrester is used, it should be maintained in effective working order by the operator.
In the State of California the above is required by law (Section 4442 of the California Public Resources Code). Other states may have
similar laws. Federal laws apply on federal lands. A spark arrester for the muffler is available through your nearest engine authorized
service dealer or contact the service department, P.O. Box 368022 Cleveland, Ohio 44136-9722.
(12/98)
AutoDrive™ Lawn Tractor
Model 604

2
SECTION 1: TABLE OF CONTENTS
PAGE
FINDING YOUR MODEL NUMBER . . . . . . . . . . . . . . . . . . . . . . . . . . . . . . . . . . . . . . . . . . . . . . . . . . . . . . . 2
CALLING CUSTOMER SUPPORT. . . . . . . . . . . . . . . . . . . . . . . . . . . . . . . . . . . . . . . . . . . . . . . . . . . . . . . . 2
IMPORTANT SAFE OPERATION PRACTICES. . . . . . . . . . . . . . . . . . . . . . . . . . . . . . . . . . . . . . . . . . . . . . 3
SAFETY LABLES FOUND ON YOUR UNIT. . . . . . . . . . . . . . . . . . . . . . . . . . . . . . . . . . . . . . . . . . . . . . . . .5
SLOPE GAUGE . . . . . . . . . . . . . . . . . . . . . . . . . . . . . . . . . . . . . . . . . . . . . . . . . . . . . . . . . . . . . . . . . . . . . . 6
ATTACHMENTS & ACCESSORIES. . . . . . . . . . . . . . . . . . . . . . . . . . . . . . . . . . . . . . . . . . . . . . . . . . . . . . . 7
TRACTOR SET-UP. . . . . . . . . . . . . . . . . . . . . . . . . . . . . . . . . . . . . . . . . . . . . . . . . . . . . . . . . . . . . . . . . . . . 7
CONTROLS . . . . . . . . . . . . . . . . . . . . . . . . . . . . . . . . . . . . . . . . . . . . . . . . . . . . . . . . . . . . . . . . . . . . . . . . . 8
OPERATION . . . . . . . . . . . . . . . . . . . . . . . . . . . . . . . . . . . . . . . . . . . . . . . . . . . . . . . . . . . . . . . . . . . . . . . . 11
ADJUSTMENTS . . . . . . . . . . . . . . . . . . . . . . . . . . . . . . . . . . . . . . . . . . . . . . . . . . . . . . . . . . . . . . . . . . . . . 14
MAINTENANCE . . . . . . . . . . . . . . . . . . . . . . . . . . . . . . . . . . . . . . . . . . . . . . . . . . . . . . . . . . . . . . . . . . . . . 17
LUBRICATION . . . . . . . . . . . . . . . . . . . . . . . . . . . . . . . . . . . . . . . . . . . . . . . . . . . . . . . . . . . . . . . . . . . . . . 24
TROUBLESHOOTING GUIDE . . . . . . . . . . . . . . . . . . . . . . . . . . . . . . . . . . . . . . . . . . . . . . . . . . . . . . . . . . 25
PARTS LIST . . . . . . . . . . . . . . . . . . . . . . . . . . . . . . . . . . . . . . . . . . . . . . . . . . . . . . . . . . . . . . . . . . . . . . . . 27
WARRANY INFORMATION . . . . . . . . . . . . . . . . . . . . . . . . . . . . . . . . . . . . . . . . . . . . . . . . . . . . .Back Cover
SECTION 2: FINDING YOUR MODEL NUMBER
This Operator’s Manual is an important part of your new rider. It will help you assemble, prepare and maintain
your rider. Please read and understand what it says.
Before you start to prepare your tractor for its first use, please locate the model plate and copy the information
from it in this Operator’s Manual. The information on the model plate is very important if you need help from
your dealer or the MTD customer support department.
• Every tractor has a model plate. You can locate it by lifting the seat and looking at the seat bracket.
• An example of what the model plate will look like is shown below.
SECTION 3: CALLING CUSTOMER SUPPORT
•LOCATE YOUR MODEL NUMBER AND SERIAL NUMBER — Record this information in the space
provided. To find your unit’s specific model number and serial number, see SECTION 2: FINDING
YOUR MODEL NUMBER.
• If you are having difficulty assembling this product or if you have any questions regarding the controls,
operation or maintenance of this unit, please call the Customer Support Department.
• Customer Support can be reached by dialing: 1- (330) 220-4MTD
(4683)
or
1- (800)-800-7310
• Please have your model number and serial number ready when you call.
• Although both numbers are important, you will be asked to enter only your
serial
number before your
call can be processed.
XXX-X-XXX-X-XXX XXXXXXXXXXX
This is where your model number will be.
This is where your serial number will be.
Copy the model number here:
Copy the serial number here:
MTD PRODUCTS INC
CLEVELAND, OHIO 44136
P.O. BOX 368022

3
SECTION 4: IMPORTANT SAFE OPERATION PRACTICES
WARNING: THIS SYMBOL POINTS OUT IMPORTANT SAFETY INSTRUCTIONS WHICH, IF
NOT FOLLOWED, COULD ENDANGER THE PERSONAL SAFETY AND/OR PROPERTY OF
YOURSELF AND OTHERS. READ AND FOLLOW ALL INSTRUCTIONS IN THIS MANUAL
BEFORE ATTEMPTING TO OPERATE YOUR LAWN MOWER. FAILURE TO COMPLY WITH
THESE INSTRUCTIONS MAY RESULT IN PERSONAL INJURY. WHEN YOU SEE THIS SYMBOL,
HEED ITS WARNING.
WARNING: The Engine Exhaust from this product contains chemicals known to
the State of California to cause cancer, birth defects or other reproductive harm.
DANGER: Your lawn mower was built to be operated according to the rules for safe operation in
this manual. As with any type of power equipment, carelessness or error on the part of the operator
can result in serious injury. This lawn mower is capable of amputating hands and feet and throwing
objects. Failure to observe the following safety instructions could result in serious injury or death.
1. GENERAL OPERATION
• Read, understand, and follow all instructions in the
operator’s manual and on the machine before
starting. Keep this manual in a safe place for future
and regular reference and for ordering replacement
parts.
• Only allow responsible individuals familiar with the
instructions to operate the machine. Know controls
and how to stop the machine quickly.
• Do not put hands or feet under cutting deck or near
rotating parts.
• Clear the area of objects such as rocks, toys, wire,
etc., which could be picked up and thrown by the
blade. A small object may have been overlooked
and could be accidentally thrown by the mower in
any direction and cause injury to you or a
bystander. To help avoid a thrown objects injury,
keep children, bystanders and helpers at least 75
feet from the mower while it is in operation. Always
wear safety glasses or safety goggles during
operation or while performing an adjustment or
repair, to protect eyes from foreign objects. Stop
the blade(s) when crossing gravel drives, walks or
roads.
• Be sure the area is clear of other people before
mowing. Stop machine if anyone enters the area.
• Never carry passengers.
• Disengage blade(s) before shifting into reverse and
backing up. Always look down and behind before
and while backing.
• Be aware of the mower and attachment discharge
direction and do not point it at anyone. Do not
operate the mower without either the entire grass
catcher or the chute guard in place.
• Slow down before turning. Operate the machine
smoothly. Avoid erratic operation and excessive
speed.
• Never leave a running machine unattended. Always
turn off blade(s), place transmission in neutral, set
park brake, stop engine and remove key before
dismounting.
• Turn off blade(s) when not mowing.
• Stop engine and wait until blade(s) comes to a
complete stop before (a) removing grass catcher or
unclogging chute, or (b) making any repairs,
adjusting or removing any grass or debris.
• Mow only in daylight or good artificial light.
• Do not operate the machine while under the
influence of alcohol or drugs.
• Watch for traffic when operating near or crossing
roadways.
• Use extra care when loading or unloading the
machine into a trailer or truck. This unit should not
be driven up or down a ramp onto a trailer or truck
under power, because the unit could tip over,
causing serious personal injury. The unit must be
pushed manually on a ramp to load or unload
properly.
• Never make a cutting height adjustment while
engine is running if operator must dismount to do
so.
• Wear sturdy, rough-soled work shoes and close-
fitting slacks and shirts. Do not wear loose fitting
clothes or jewelry. They can be caught in moving
parts. Never operate a unit in bare feet, sandals, or
sneakers.
• Check overhead clearance carefully before driving
under power lines, wires, bridges or low hanging
tree branches, before entering or leaving buildings,
or in any other situation where the operator may be
struck or pulled from the unit, which could result in
serious injury.

4
• Disengage all attachment clutches, thoroughly
depress the brake pedal, and shift into neutral
before attempting to start engine.
• Your mower is designed to cut normal residential
grass of a height no more than 10". Do not attempt
to mow through unusually tall, dry grass (e.g.,
pasture) or piles of dry leaves. Debris may build up
on the mower deck or contact the engine exhaust
presenting a potential fire hazard.
2. SLOPE OPERATION
Slopes are a major factor related to loss of control and tip-
over accidents which can result in severe injury or death.
All slopes require extra caution. If you cannot back up the
slope or if you feel uneasy on it, do not mow it.
For your safety, use the slope gauge included as part of this
manual to measure slopes before operating this unit on a
sloped or hilly area. If the slope is greater than 15° as
shown on the slope gauge, do not operate this unit on that
area or serious injury could result.
DO:
• Mow up and down slopes, not across.
• Remove obstacles such as rocks, limbs, etc.
• Watch for holes, ruts or bumps. Uneven terrain
could overturn the machine. Tall grass can hide
obstacles.
• Use slow speed. Always keep machine in gear
when going down slopes to take advantage of
engine braking action.
• Follow the manufacturer’s recommendations for
wheel weights or counterweights to improve
stability.
• Use extra care with grass catchers or other
attachments. These can change the stability of the
machine.
• Keep all movement on the slopes slow and
gradual. Do not make sudden changes in speed or
direction. Rapid engagement or braking could
cause the front of the machine to lift and rapidly flip
over backwards which could cause serious injury.
• Avoid starting or stopping on a slope. If tires lose
traction, disengage the blade(s) and proceed slowly
straight down the slope.
DO NOT:
• Do not turn on slopes unless necessary; then, turn
slowly and gradually downhill, if possible.
• Do not mow near drop-offs, ditches or
embankments. The mower could suddenly turn
over if a wheel is over the edge of a cliff or ditch, or
if an edge caves in.
• Do not mow on wet grass. Reduced traction could
cause sliding.
• Do not try to stabilize the machine by putting your
foot on the ground.
• Do not use grass catcher on steep slopes.
3. CHILDREN
Tragic accidents can occur if the operator is not alert to the
presence of children. Children are often attracted to the
machine and the mowing activity. Never assume that chil-
dren will remain where you last saw them.
• Keep children out of the mowing area and in
watchful care of an adult other than the operator.
• Be alert and turn machine off if children enter the
area.
• Before and when backing, look behind and down
for small children.
• Never carry children, even with the blades off. They
may fall off and be seriously injured or interfere with
the safe machine operation.
• Never allow children under 14 years old to operate
the machine. Children 14 years and over should
only operate machine under close parental
supervision and proper instruction.
• Remove key when machine is unattended to
prevent unauthorized operation.
• Use extra care when approaching blind corners,
shrubs, trees or other objects that may obscure
your vision of a child or other hazard.
4. SERVICE
• Use extreme care in handling gasoline and other
fuels. They are extremely flammable and the
vapors are explosive.
• Use only an approved container.
• Never remove fuel cap or add fuel with the engine
running. Allow engine to cool at least two minutes
before refueling.
• Replace fuel cap securely and wipe off any spilled
fuel before starting the engine as it may cause a
fire or explosion.
• Extinguish all cigarettes, cigars, pipes and other
sources of ignition.
• Never refuel the machine indoors because fuel
vapors will accumulate in the area.
• Never store the fuel container or machine inside
where there is an open flame or spark, such as a
gas hot water heater, space heater or furnace.
• Never run a machine inside a closed area.
• To reduce fire hazard, keep the machine free of
grass, leaves or other debris build-up. Clean up oil
or fuel spillage. Allow machine to cool at least 5
minutes before storing.
• Before cleaning, repairing or inspecting, make
certain the blade and all moving parts have
stopped. Disconnect the spark plug wire, and keep
the wire away from the spark plug to prevent
accidental starting.
• Check the blade and engine mounting bolts at
frequent intervals for proper tightness. Also,
visually inspect blade for damage (e.g., excessive
wear, bent, cracked). Replace with blade which
meets original equipment specifications.

5
• Keep all nuts, bolts and screws tight to be sure the
equipment is in safe working condition.
• Never tamper with safety devices. Check their
proper operation regularly. Use all guards as
instructed in this manual.
• After striking a foreign object, stop the engine,
remove the wire from the spark plug and thoroughly
inspect the mower for any damage. Repair the
damage before restarting and operating the mower.
• Grass catcher components are subject to wear,
damage and deterioration, which could expose
moving parts or allow objects to be thrown. For
your safety protection, frequently check
components and replace with manufacturer’s
recommended parts when necessary.
• Mower blades are sharp and can cut. Wrap the
blade(s) or wear gloves and use extra caution
when servicing blade(s).
• Check brake operation frequently. Adjust and
service as required.
• Muffler, engine and belt guards become hot during
operation and can cause a burn. Allow to cool
down before touching.
• Do not change the engine governor settings or
overspeed the engine. Excessive engine speeds
are dangerous.
• Observe proper disposal laws and regulations.
Improper disposal of fluids and materials can harm
the environment and the ecology.
• Prior to disposal, determine the proper method to
dispose of waste from your local Environmental
Protection Agency. Recycling centers are
established to properly dispose of materials in an
environmentally safe fashion.
• Use proper containers when draining fluids. Do not
use food or beverage containers that may mislead
someone into drinking from them. Properly dispose
of the containers immediately following the draining
of fluids.
• DO NOT pour oil or other fluids into the ground,
down a drain or into a stream, pond, lake or other
body of water. Observe Environmental Protection
Agency regulations when disposing of oil, fuel,
coolant, brake fluid, filters, batteries, tires and other
harmful waste.
WARNING - YOUR RESPONSIBILITY: Restrict the use of this power machine to persons
who read, understand and follow the warnings and instructions in this manual and on the machine.
Figure 1 Safety Labels found on your unit
• GO UP AND DOWN SLOPES, NOT ACROSS.
AVOID SUDDEN TURNS.
• DO NOT OPERATE THE UNIT WHERE IT
COULD SLIP OR TIP.
• IF MACHINE STOPS GOING UPHILL, STOP
BLADE(S) AND BACK DOWNHILL SLOWLY.
• DO NOT MOW WHEN CHILDREN OR OTHERS
ARE AROUND.
• NEVER CARRY CHILDREN.
• LOOK DOWN & BEHIND BEFORE AND WHILE
BACKING.
• KEEP SAFETY DEVICES (GUARDS, SHIELDS,
AND SWITCHES, ETC.) IN PLACE AND WORKING.
• REMOVE OBJECTS THAT COULD BE
THROWN BY THE BLADE(S).
• KNOW LOCATION AND FUNCTION OF ALL
CONTROLS.
• BE SURE BLADE(S) AND ENGINE ARE STOPPED
BEFORE PLACING HANDS OR FEET NEAR BLADE(S).
• BEFORE LEAVING OPERATOR'S POSITION,
DISENGAGE BLADE(S), PLACE THE SHIFT
LEVER IN NEUTRAL, ENGAGE PARKING BRAKE,
SHUT OFF AND REMOVE KEY.
WARNING
TO AVOID SERIOUS INJURY OR DEATH
READ OPERATOR'S MANUAL

6
Slope Gauge
15°
SIGHT AND HOLD THIS LEVEL WITH A VERTICAL TREE
A POWER POLE
A CORNER OF A BUILDING
OR A FENCE POST
FOLD ON DOTTED LINE, REPRESENTING A 15° SLOPE
USE THIS PAGE AS A GUIDE TO DETERMINE SLOPES WHERE YOU MAY NOT OPERATE SAFELY.
Do not mow on inclines with a slope in excess of 15 degrees (a rise of approximately 2-1/2 feet every 10 feet). A riding mower
could overturn and cause serious injury. If operating a walk-behind mower on such a slope, it is extremely difficult to maintain
your footing and you could slip, resulting in serious injury.
Operate RIDING mowers up and down slopes, never across the face of slopes.
WARNING

7
SECTION 5: ATTACHMENTS & ACCESSORIES
SECTION 6: TRACTOR SET-UP
ATTACHING THE BATTERY CABLES
NOTE:
The positive battery terminal is marked
Pos. (+). The negative battery terminal is marked
Neg. (–).
• The positive cable (heavy red wire) is secured
to the positive battery terminal (+) with a hex
bolt and hex nut at the factory. Make certain
that the rubber boot covers the terminal to
help protect it from corrosion.
• Remove the hex bolt and wing nut from the
negative cable. Attach the negative cable
(heavy black wire) to the negative battery
terminal (–) with the bolt and wing nut.
• Place the hold-down strap in position over the
battery to secure it in place. See Figure 2.
Figure 2
NOTE:
If battery is put into service after date
shown on top of battery, charge for minimum of one
hour at 6-10 amps. Refer to the
MAINTENANCE
section of this manual for more detailed instructions
regarding proper battery charging procedure.
GAS AND OIL FILL-UP
Service the engine with gasoline and oil as
instructed in the separate engine manual packed
with your tractor. Read instructions carefully.
IMPORTANT:
Your tractor is shipped with oil;
however, you MUST check the oil level before operat-
ing. Be careful not to overfill. Overfilling with oil may
cause the engine to smoke. This will result in poor
engine performance and could cause permanent
engine damage.
The gasoline tank is located under the hood and has
a capacity of approximately two gallons. Do not
overfill. WARNING: Gasoline produces noxious
fumes. Never fill fuel tank indoors. Always
fill the fuel tank in a well ventilated area to
avoid inhalation of gasoline fumes.
WARNING: Never smoke while fueling
your tractor or fill the fuel tank while engine
is running or while engine is hot.
WARNING: Do not fill closer than 1/2
inch from the top of the fuel tank to prevent
spills and to allow for fuel expansion. If
gasoline is accidently spilled, move tractor
away from area of spill. Avoid creating any
source of ignition until gasoline vapors
have disappeared.
INSTALLING THE MULCH KIT
On units equipped with a 46-inch deck, follow the
instructions included with the mulch kit which is
packaged separately within the crate.
On units equipped with a 42-inch deck, the mulch kit
is installed at the factory. To remove it, unfasten the
wing knob found on the top of the cutting deck and
carefully pull the mulch plug out from the discharge
area of the deck.
MODEL NUMBER DESCRIPTION
OEM-190-601 FastAttach™ Twin Bagger Grass Collector (For 42-inch Decks Only)
OEM-190-602 FastAttach™ Twin Bagger Grass Collector (For 46-inch Decks Only, includes a set of blades)
OEM-190-112 Mulch Kit (For 42-inch Decks Only)
OEM-190-118 Mulch Kit (For 46-inch Decks Only, includes a set of blades)
OEM-190-603 FastAttach™ Front Bumper Kit
OEM-190-604 TracPac™ Storage Container (mounts on rear of tractor)
OEM-190-822 FastAttach™ 46-inch Front Dozer Blade
OEM-190-823 42-inch Two-stage Snowthrower
Hold-down Strap
Positive
Terminal
Negative
Terminal Bolt
Wing
Nut
Rubber
Boot
Battery
Tray

8
SECTION 7: CONTROLS
Figure 3
A Ignition Switch H Brake Pedal
B Throttle Control Lever I Parking Brake Button
C Choke Control (if so equipped) J Shift Lever
D Indicator Monitor/Hour Meter K Seat Adjustment Lever
E Lift Lever L Cup Holder
F PTO (Power Take-Off) Lever M Cruise Control Button
G AutoDrive™ Pedal
A
B
D
C
F
M
I
J
L
E
G
H
K
NOTE: Steering Wheel not shown for clarity.
P
1/10
P
+
NOTE:
Any reference in this manual to the RIGHT or LEFT side of the tractor is observed from operator’s position.

9
IGNITION SWITCH
To start the engine, insert key into the ignition switch
and turn clockwise to the START position. Release
key to the ON position once engine has fired. See
Figure 4. Refer to STARTING THE ENGINE in the
OPERATION section of this manual for detailed
starting instructions. The ignition switch is also used
to operate the headlights. Refer to OPERATING
THE HEADLIGHTS in the OPERATION section of
this manual for detailed instructions
WARNING: Remove the key from the
tractor when the tractor is not in use to
prevent accidental starting.
Figure 4
THROTTLE CONTROL LEVER
The throttle lever is located on the right side of the
tractor’s dash panel. This lever controls the speed of
the engine, and on some units the choke control
also. When set in a given position, the throttle will
maintain a uniform engine speed. See Figure 5.
Figure 5
IMPORTANT:
When using PTO operated
equipment such as the cutting deck or other
attachments, always operate the tractor with the
throttle lever in the FAST (rabbit) position.
CHOKE CONTROL
On some units, moving the
throttle lever all the way
forward activates the engine’s
choke control. On all other
units, the choke control can be
found on the left side of the
dash panel and is activated by
pulling the knob outward. Activating the choke
control closes the choke plate on the carburetor and
aids in starting the engine. Refer to STARTING THE
ENGINE in the OPERATION section of this manual
for detailed starting instructions.
INDICATOR MONITOR / HOUR METER
Your tractor is equipped with four indicator lights and
an hour meter located on the left side of the dash
panel. See Figure 6.
Figure 6
If a light illuminates when attempting to start the unit,
proceed as follows:
BRAKE — Depress the brake pedal.
PTO — Move PTO lever into the disengaged
(OFF) position.
OIL— Check the crankcase oil level, and add
oil as required.
The BATTERY indicator light will illuminate any time
the ignition key is the On position and the engine is
not running. If it illuminate’s while the engine is
running, it indicates that the battery is in need of a
charge. Refer to the MAINTENANCE section of this
manual for the proper battery charging procedure.
The hour meter operates whenever the ignition key
is in the On or On/Lights position and records the
actual hours of tractor operation.
Off
On/Lights
On
Start
Fast
Position
Slow
Position
Choke
Position
Fast
Position
Slow
Position
Throttle
Symbol
Throttle
Symbol
1/10
P
+
Battery
PTO
Oil
Brake
Hour
Meter

10
LIFT LEVER
The lift lever is used to change the operating position
(height) of the cutting deck. To operate, move the
lever to the left, then place in the notch best suited
for your application.
PTO (POWER TAKE-OFF) LEVER
The PTO lever is located on the left side of the
dashboard next to the steering wheel. Move the PTO
lever forward to engage the power to the cutting
deck or other attachments; move the PTO lever
backward (toward the rear of the tractor) to
disengage the power to the attachments.
NOTE: T
he PTO lever must be in the disengaged
(OFF) position when starting the engine, when
shifting into reverse and if the operator leaves the
seat.
AUTODRIVE™ PEDAL
The AutoDrive™ pedal is located below the brake
pedal on the right front side of the tractor along the
running board. Depress the AutoDrive™ pedal with
your right foot when the tractor shift lever is in either
forward or reverse to cause the tractor to move.
Ground speed is also controlled with the AutoDrive™
pedal. The further down the pedal is depressed, the
faster the tractor will travel. The pedal will return to
its original position when it’s not depressed.
IMPORTANT:
Always set the parking brake
when leaving the tractor unattended.
BRAKE PEDAL
The brake pedal is located on the right front side of
the tractor above the AutoDrive™ pedal along the
running board. The brake pedal can be used for
sudden stops or setting the parking brake.
NOTE:
The brake pedal must be fully depressed to
activate the safety interlock switch when starting the
tractor
.
PARKING BRAKE BUTTON
To set the parking brake, fully depress
the brake pedal and push the parking
brake button in. Hold the button in
while taking your foot off the brake
pedal. Both the parking button and
the brake pedal will then stay
depressed. To release the parking
brake, depress the brake pedal
slightly. The parking brake button will
then return to its original position.
NOTE:
The parking brake must be set if the
operator leaves the seat with the engine running or
the engine will automatically shut off.
IMPORTANT:
Always set the parking brake
when leaving the tractor unattended.
SHIFT LEVER
The shift lever is located
on the left side of the
fender and has three
positions, FORWARD,
NEUTRAL and REVERSE.
The brake pedal must be
depressed and the tractor
must not be in motion
when the moving shift
lever.
IMPORTANT:
Never
force the shift lever. Doing
so may result in serious
damage to the tractor’s
transmission.
BRAKE
P
N
F
R
Shift
Knob

11
CRUISE CONTROL BUTTON
The cruise control button is located on
the tractor dash panel to the left of the
ignition switch. Push the cruise control
button while traveling forward at a
desired speed. While holding the
button in, release pressure from the
AutoDrive™ pedal. This will engage the
cruise control and allow the tractor to
remain at that speed without applying
pressure to the AutoDrive™ pedal.
Depress the brake pedal or the
AutoDrive™ pedal to deactivate cruise
control. Refer to the OPERATION section of this
manual for detailed instructions regarding the cruise
control feature.
SEAT ADJUSTMENT LEVER
To adjust the seat forward or backward, slide the
seat adjustment lever to the left and reposition the
seat to the desired position. Once a comfortable
position is found, release the seat adjustment lever
to lock the seat in place. Refer to the
ADJUSTMENTS section of this manual for more
detailed instructions.
CUP HOLDER
The tractor’s cup holder is located on the fender to
the left of the seat, just to the rear of the shift lever.
WARNING: Never operate the tractor
under the influence of alcoholic beverages
or drugs of any kind. Doing so can result in
serious personal injury or death.
SECTION 8: OPERATION
SAFETY INTERLOCK SWITCHES
This tractor is equipped with a safety interlock
system for the protection of the operator. If the
interlock system should ever malfunction, do not
operate the tractor. Contact an authorized
MTD
Service Dealer in your area. The safety interlock
system prevents the engine from cranking or starting
unless the brake pedal is fully depressed, and the
PTO lever is in the disengaged (OFF) position.
• The safety interlock system will automatically
shut off the engine if the operator leaves the
seat before engaging the brake lock.
• The safety interlock system will automatically
shut off the engine if the operator leaves the
seat with the PTO lever in the engaged (ON)
position, regardless of whether the brake lock
is engaged. The PTO lever must be in the
disengaged (OFF) position to restart the
engine.
• The safety interlock system will automatically
shut off the engine if the PTO lever is moved
into the engaged (ON) position with the shift
lever in the REVERSE position.
WARNING: Do NOT attempt to bypass
or disconnect the tractor’s safety interlock.
Doing so could result in serious personal
injury or death.
IMPORTANT:
Tampering with or attempting to
bypass the tractors Safety Interlock Switches in any
way WILL void your warranty.
AVOID SERIOUS INJURY OR DEATH
• GO UP AND DOWN SLOPES, NOT ACROSS.
• AVOID SUDDEN TURNS.
• DO NOT OPERATE THE UNIT WHERE IT COULD SLIP OR TIP.
• IF MACHINE STOPS GOING UPHILL, STOP BLADE(S) AND BACK
DOWNHILL SLOWLY.
• DO NOT MOW WHEN CHILDREN OR OTHERS ARE AROUND.
• NEVER CARRY CHILDREN.
• LOOK DOWN AND BEHIND BEFORE AND WHILE BACKING.
• KEEP SAFETY DEVICES (GUARDS, SHIELDS, AND SWITCHES) IN
PLACE AND WORKING.
• REMOVE OBJECTS THAT COULD BE THROWN BY THE BLADE(S).
• KNOW LOCATION AND FUNCTION OF ALL CONTROLS.
• BE SURE BLADE(S) AND ENGINE ARE STOPPED BEFORE PLAC-
ING HANDS OR FEET NEAR BLADE(S).
• BEFORE LEAVING OPERATOR’S POSITION, DISENGAGE
BLADE(S), PLACE THE SHIFT LEVER IN NEUTRAL, ENGAGE
BRAKE LOCK, SHUT ENGINE OFF AND REMOVE KEY.
READ OPERATOR’S MANUAL
WARNING

12
SETTING THE CUTTING HEIGHT
Select the height position of the cutting deck by
placing the deck lift lever in any of the six different
cutting height notches on the right side of the fender.
Then adjust the deck wheels so that they are at least
1/4 inch to 1/2 inch above the ground when the
tractor is on a smooth, flat surface such as a
driveway.
WARNING: Keep hands and feet away
from the discharge chute opening of the
cutting deck.
NOTE:
The deck wheels are an anti-scalp feature
of the deck and are not designed to support the
weight of the cutting deck.
Refer to the ADJUSTMENTS section of this manual
for more detailed instructions regarding various deck
adjustments.
STARTING THE ENGINE
NOTE:
Refer to the TRACTOR SET-UP section of
this manual for Gasoline and Oil fill-up instructions.
• Insert the tractor key into the ignition switch.
• Place the PTO lever in the disengaged (OFF)
position.
• Depress the brake pedal and set the parking
brake.
• Place the shift lever in the NEUTRAL position.
• Move the throttle control lever into the FAST
(or CHOKE, if so equipped) position.
• Pull out the choke control knob, if so equipped
(a warm engine may not require choking).
• Turn the ignition key clockwise to the START
position. After the engine starts, release the
key. It will return to the ON position.
IMPORTANT:
Do NOT hold the key in the START
position for longer than ten seconds at a time. Doing
so may cause damage to your engine’s starter.
NOTE:
If starting problems are encountered, refer
to the
TROUBLESHOOTING
section of this manual.
After the engine starts, slowly release the brake
pedal. As the engine warms up, gradually push the
choke control knob inward (or move the throttle
control lever out of the CHOKE position into the
FAST position) to open up the choke plate on the
engine’s carburetor.
NOTE:
Do NOT leave the choke control out while
operating the tractor. Doing so will result in a "rich"
fuel mixture and cause the engine to run poorly
.
STOPPING THE ENGINE
• Place the PTO lever in the disengaged (OFF)
position
• Move the throttle control into the SLOW
(turtle) position and allow the engine to "idle
down" for ten seconds. Failure to do so may
result in an engine afterfire.
• Turn the ignition key counterclockwise to the
OFF position.
• Remove the key from the ignition switch to
prevent accidental starting.
IMPORTANT:
If you think you’ve struck a foreign
object, stop the engine immediately. Remove the
wire(s) from the spark plug(s), thoroughly inspect the
unit for any damage, and repair the damage before
restarting and operating the tractor
.
DRIVING THE TRACTOR
WARNING: Avoid sudden starts,
excessive speed and sudden stops.
WARNING: Do not leave the seat of the
tractor without first placing the PTO lever in
the disengaged (OFF) position, depressing
the brake pedal and engaging the parking
brake. If leaving the tractor unattended,
also turn the ignition key off and remove
the key.
• Depress the brake pedal to release the
parking brake and let the pedal up. Move the
throttle lever into the FAST (rabbit) position.
IMPORTANT:
Do NOT use the shift lever to
change the direction of travel when the tractor is in
motion. Always use the brake pedal to bring the
tractor to a complete stop before shifting.
• To move forward, place the shift lever in the
FORWARD position, then slowly depress the
AutoDrive™ pedal until the desired speed is
achieved.
• To move in reverse, place the shift lever in the
REVERSE position, check that the area
behind is clear then slowly depress the
AutoDrive™ pedal.
SETTING THE CRUISE CONTROL
NOTE:
The cruise control feature can only be
operated in the forward direction.
• Place the shift lever in the FORWARD
position, then slowly depress the AutoDrive™
pedal until the desired speed is achieved.
• Lightly depress the cruise control button.

13
• While continuing to hold the cruise button in,
lift your foot from the AutoDrive™ pedal (you
should feel the cruise latch engage).
• If properly engaged, the cruise control button
and the AutoDrive™ pedal should lock in the
down position, and the tractor will maintain the
same forward speed.
• Disengage the cruise control using one of the
following methods:
• Depress the brake pedal to disengage the
cruise control and stop the tractor.
• Lightly depress the AutoDrive™ pedal.
To change to the reverse direction when operating
with cruise control, depress the brake pedal to
disengage the cruise control and bring the tractor to
a complete stop. Then place the shift lever in the
REVERSE position and depress the AutoDrive™
pedal.
DRIVING ON SLOPES
Refer to the SLOPE GAUGE on page 6 to help
determine slopes where you may not operate safely.
WARNING: Do not mow on inclines with
a slope in excess of 15 degrees (a rise of
approximately 2-1/2 feet every 10 feet).
The tractor could overturn and cause
serious injury.
Operate the tractor up and down slopes, never
across slopes. Do not drive so that the tractor may
tip over sideways.
Before operating the tractor on any slope, walk the
slope to look for possible hazards such as rocks.
mounds, ruts, stumps or other surface irregularities
which could cause the tractor to be upset.
Avoid turns when driving on a slope. If a turn must
be made, turn down the slope. Turning up a slope
greatly increases the chance of a roll over.
Avoid stopping when driving up a slope. If it is
necessary to stop while driving up a slope, start up
smoothly and carefully to reduce the possibility of
flipping the tractor over backward.
OPERATING THE HEADLIGHTS
To turn the tractor’s headlights on:
• Start the engine following the instructions
earlier in this section.
• Turn the key one notch counterclockwise into
the On/Lights position of the ignition switch.
Refer to Figure 4.
To turn the tractor’s headlights off:
• Turn the key either into the On position (to
leave the engine running) or the Off position
(to shut the engine off). Refer to Figure 4.
IMPORTANT:
Never move the key into the Start
position while the engine is running. Doing so may
cause damage to your engine’s starter.
STOPPING THE ENGINE
• Place the PTO lever in the disengaged (OFF)
position.
• Move the throttle control into the SLOW
position and allow the engine to "idle down"
for ten seconds, then turn the ignition key
counterclockwise to the OFF position.
• Remove the key from the ignition switch to
prevent accidental starting.
IMPORTANT:
If you think you’ve struck a foreign
object, stop the engine immediately. Remove the
wire(s) from the spark plug(s), thoroughly inspect the
unit for any damage, and repair the damage before
restarting and operating the mower.
USING THE LIFT LEVER
To raise the cutting deck, move the lift lever to the
left, then place it in the notch best suited for your
application. Refer to SETTING THE CUTTING
HEIGHT earlier in this section.
ENGAGING THE PTO
(POWER TAKE-OFF) LEVER
• Move the throttle control lever to the FAST
(rabbit) position.
• Move the PTO lever forward into the engaged
(ON) position.
• Keep the throttle lever in the FAST (rabbit)
position for the most efficient use of the
cutting deck and other attachments.
• The operator must remain in the tractor seat
at all times. If the operator should leave the
seat without moving the PTO lever into the
disengaged (OFF) position and setting the
parking brake, the engine will shut off.
IMPORTANT:
The PTO lever cannot be in the
engaged (ON) position when the tractor is driving in
the reverse direction. The safety interlock system will
automatically shut off the engine if the PTO lever is
moved into the engaged (ON) position with the shift
lever in the REVERSE position. Refer to
SAFETY
INTERLOCK SWITCHES
earlier in this section.

14
MOWING
This tractor is equipped with one of
MTD
’s high
quality cutting decks. The following information will
be helpful when using the cutting deck with your
tractor.
WARNING:
To avoid possible injury, do
not allow anyone in the area of the tractor
while mowing. Even if the area to be
mowed has been cleared of foreign
objects, small objects may be picked up
and discharged by the mower.
WARNING: Never direct the discharge
of material toward bystanders or allow
anyone near the machine while in
operation.
• For best results it is recommended that the
first two laps be cut with the discharge thrown
towards the center. After the first two laps,
reverse the direction to throw the discharge to
the outside for the balance of cutting. This will
give a better appearance to the lawn.
• Do not cut the grass too short. Short grass
invites weed growth and yellows quickly in dry
weather.
• Mowing should always be done with the
engine at full throttle.
• Do not mow at high ground speed, especially
if a mulch kit or grass collector is installed.
• Under heavier conditions it may be necessary
to go back over the cut area a second time to
get a clean cut.
• Do NOT attempt to mow heavy brush and
weeds and extremely tall grass. Your tractor is
designed to mow lawns, NOT clear brush.
• Keep the blades sharp and replace the blades
when worn. Refer to the MAINTENANCE
section of this manual for proper blade
sharpening instructions.
SECTION 9: ADJUSTMENTS
LEVELING THE DECK
WARNING: Cutting blades are sharp.
Always protect hands by wearing heavy
leather work gloves to grasp blades.
NOTE:
Check the tractor’s tire pressure before
performing any deck leveling adjustments. Refer to
TIRES
in the maintenance section of this manual for
further information regarding tire pressure.
Front to Rear
The front of the cutting deck is supported by a stabi-
lizer bar that can adjusted to level the deck from front
to rear. The front of the deck should be 1/4" to 3/8"
lower than the rear of the deck. Adjust if necessary
as follows:
WARNING: Turn the tractor’s engine
off, remove the key from the ignition switch
and apply the tractor’s parking brake before
making any adjustments to the cutting
deck.
• With the tractor parked on a firm, level
surface, place the lift lever in the top notch
(highest position) and rotate the blade nearest
the discharge chute so that it is parallel with
the tractor.
• Measure the distance from the front of the
blade tip to the ground and the rear of the
blade tip to the ground. The first measurement
taken should be between 1/4" and 3/8" less
than the second measurement. Determine the
approximate distance necessary for proper
adjustment and proceed, if necessary, to the
next step.
• Loosen the two jam nuts on the rear side of
the deck stabilizer bracket. See Figure 7A.
• Locate the two lock nuts on the opposite side
of the stabilizer bracket. See Figure 7A.
Tighten the lock nuts to raise the front of the
deck; loosen the lock nuts to lower the front of
the deck.
• Retighten the two jam nuts loosened earlier
when proper adjustment is achieved.
Side to Side
If the cutting deck appears to be mowing unevenly, a
side to side adjustment can be performed. Adjust if
necessary as follows:
WARNING: Turn the tractor’s engine
off, remove the key from the ignition switch
and apply the tractor’s parking brake
before making any adjustments to the
cutting deck.
• With the tractor parked on a firm, level
surface, place the lift lever in the top notch
(highest position) and rotate the both blades
so that they are perpendicular with the tractor.

15
• Measure the distance from the outside of the left blade tip to the ground and the distance from the
outside of the right blade tip to the ground. Both measurements taken should be equal. If they’re not,
proceed to the next step.
• Loosen, but do NOT remove, the hex cap screw on the left deck hanger bracket. See Figure 7B.
• Balance the deck so that both blade tip measurements taken earlier are equal.
• Retighten the hex cap screw on the left deck hanger bracket when proper adjustment is achieved.
Figure 7
SEAT ADJUSTMENT
To adjust the position of the seat, move the seat
adjustment lever (located under the seat) to the left
and slide the seat forward or backwards. See Figure
8. Make sure seat is locked into one of the six
adjustment positions before operating the tractor.
Figure 8
STEERING ADJUSTMENT
If the tractor turns tighter in one direction than the
other, or if the ball joints are being replaced due to
damage or wear, the steering drag links may need to
be adjusted.
Adjust the drag links so that equal lengths are
threaded into the ball joint on the left side and the
ball joint on the right side:
• Loosen the jam nut found on the drag link at
the rear of the ball joint. See Figure 9.
• Remove the hex nut and lock washer on the
top of ball joint. See Figure 9.
Figure 9
• Thread the ball joint toward the jam nut to
shorten the drag link. Thread the ball joint
away from the jam nut to lengthen the drag
link.
• Replace hex nut and lock washer and
retighten the jam nut after proper adjustment
is achieved.
NOTE:
Threading the ball joints too far onto the
drag links will cause the front tires to "toe-in" too far.
Proper toe-in is between 1/16" and 5/16".
Jam
Deck
Stabilizer
Bracket
Nuts
Lock
Nuts
Deck
Hex Cap Screw
Deck Hanger Bracket
AB
F
ront to Rear Side to Side
Seat
Seat Adjustment Lever
Drag Link
Ball Joint
Axle
Pivot Bar
Hex Nut and
Jam Nut
Lock Washer
Zerk Fittting
(if so equipped)

16
Front tire toe-in can be measured as follows:
• Place the steering wheel in position for
straight ahead travel. Insert a 1/4" dowel up
through aligning holes in both the steering
gear and support plate. See Figure 10.
Figure 10
• In front of the axle, measure the distance
horizontally from the inside of the left rim to
the inside of the right rim. Note the distance.
• Behind the axle, measure the distance
horizontally from the inside of the left rim to
the inside of the right rim. Note the distance.
• The measurement taken in front of the axle
should be between 1/16" and 5/16" less than
the measurement taken behind the axle.
• Adjust if necessary.
• Remove the dowel inserted earlier before
attempting to operate the tractor.
CARBURETOR ADJUSTMENT
WARNING: If any adjustments are
made to the engine while the engine is
running (e.g. carburetor), disengage all
clutches and blades. Keep clear of all
moving parts. Be careful of heated
surfaces and muffler.
NOTE:
A dirty air cleaner will cause an engine to
run rough. Be certain it is clean and properly
attached before adjusting carburetor. Refer to
separate engine manual packed with your unit for
information regarding air cleaner maintenance.
Refer to separate engine manual packed with your
unit for carburetor adjustment information or see an
authorized engine service dealer.
BRAKE ADJUSTMENT
If the tractor does not come to a complete stop when
the brake pedal is completely depressed, or if the
tractor’s rear wheels can roll with the parking brake
applied, the brake is in need of adjustment. The
brake disc can be found on the right side of the
transmission in the rear of the tractor. Adjust if
necessary as follows:
• Looking at the transmission from the right side
of the tractor, locate the compression spring
and brake disc. See Figure 11.
Figure 11
• Loosen, but do NOT remove, the hex nut
found on the right side of the brake assembly.
See Figure 11.
• Using a feeler gauge, set the gap between the
brake disc and the brake puck at .011".
• Re-tighten the hex nut loosened earlier.
PTO (POWER TAKE-OFF) ADJUSTMENT
If your tractor’s engine fails to crank when following
the starting instructions found earlier in this manual,
the PTO may be in need of adjustment. With the
PTO lever in the disengaged (OFF) position, the
lever must go back far enough so that a metal tab
that is bolted to the base of the lever can fully
depress a plunger saftey switch mounted to the
tractor’s frame beneath the fuel tank. Adjust, if
necessary, as follows:
WARNING: If the blades on your
tractor’s cutting deck continue to turn with
the PTO lever in the disengaged (OFF)
postion, stop the tractor immediately and
perform the following steps.
• Turn the tractor’s engine off, remove the key
from the ignition switch and apply the tractor’s
parking brake.
Steering Gear
Insert Dowel
Here
Drag Links
Steering
Shaft
Support
Plate
NOTE: View shown from beneath tractor.
Brake Disc
Hex Nut
Compression
Spring
Set Gap
at .011"
NOTE: View shown from beneath tractor. Transmission

17
• Locate the PTO engagement rod and the PTO
adjuster link by looking at the tractor’s
underside. See Figure 12.
• Remove the cotter pin that affixes the lower
end of the PTO engagement rod to the PTO
adjuster link. Save the pin. See Figure 12.
• Take the lower end of the PTO engagement
rod out of the hole in the PTO adjuster link
and move the rod as far back into the
disengaged (OFF) position as possible.
• Thread the PTO adjuster link outward until the
hole in the end of it is aligned with the PTO
engagement rod.
• Reinsert the PTO engagement rod into the
hole in the PTO adjuster link and reinsert the
cotter pin removed earlier (if undamaged).
Figure 12
SECTION 10: MAINTENANCE
WARNING: Disconnect the spark plug
wire(s) and ground against the engine
before performing any adjustments, repairs
or maintenance.
ENGINE
Refer to the separate engine manual for engine
maintenance instructions.
Check engine oil level before each use as
instructed in the separate engine manual packed
with your unit. Read and follow instructions
carefully.
Changing Engine Oil
• Unscrew oil fill cap and remove dipstick from
the oil fill tube. See Figure 13.
Figure 13
• Pop open the protective cap on the end of the
oil drain valve to expose the oil drain port. See
Figure 13.
• Push oil drain hose (packed with unit) onto the
oil drain port. Route the opposite end of the
hose into an appropriate oil collection
container with a capacity great enough to
collect the used oil.
• Push the oil drain valve in slightly, then rotate
counterclockwise and pull outward to begin
draining oil. See Figure 13.
• Service the oil filter (if so equipped) as
instructed in the separate engine manual
packed with your unit.
Perform the above steps in the opposite order after
oil has finished draining.
• Refill the engine with new motor oil.
IMPORTANT:
Refill the engine with the proper
capacity and weight of motor oil as instructed in the
separate engine manual.
Service air cleaner every 25 hours under normal
conditions. Clean every few hours under extremely
dusty condition. To service the air cleaner, refer to
the separate engine manual packed with your unit.
The spark plug(s) should be cleaned and the gap
reset once a season. Spark plug replacement is
recommended at the start of each mowing season;
check engine manual for correct plug type and gap
specifications.
PTO Engagement Rod Cotter Pin
PTO Adjuster Link
Protective Cap
Oil Drain Hose
Oil Drain Port
Oil Fill Cap
Oil Fill Tube Oil Drain Valve
Single-cylinder engine shown.
NOTE:Valve location will vary with engine style.

18
CLEANING THE ENGINE AND DECK
Any fuel or oil spilled on the machine should be
wiped off promptly. Do NOT allow grass, leaves, and
dirt to accumulate around the cooling fins of the
engine or on any other part of the machine,
especially the pulleys and other moving parts.
Clean the underside of the deck with a wisk broom,
putty knife or forced air after each mowing.
IMPORTANT:
Do NOT use a garden hose to
clean the cutting deck. The ball bearings in the blade
spindles are sealed at the factory and cannot be re-
lubricated. Spraying water near the spindles can
significantly reduce the life of the bearings.
CUTTING DECK REMOVAL
WARNING: Before performing any
maintenance, move the PTO lever into the
disengaged (OFF) position, engage the
parking brake, turn the ignition key to the
OFF position and remove the key from the
switch to avoid accidental starting.
Several attachments are available for your tractor.
To mount some of these attachments and in order to
perform certain maintenance procedures, the deck
must be removed from the tractor. To properly
remove the cutting deck, proceed as follows:
WARNING: Do NOT remove deck
immediately after operating the tractor.
Allow the engine and other moving parts
ample time to cool down.
• Move the PTO lever into the disengaged
(OFF) position and engage the parking brake.
• Lower the deck by moving the lift lever into the
bottom notch on the right fender.
• Grasp the PTO idler pulley bracket and pivot it
toward the discharge chute to relieve tension
on the belt. Remove the deck belt from the
bottom portion of the engine pulley and from
around the PTO idler pulley.
NOTE:
On units equipped with a 46-inch deck, the
bottommost belt on the deck does NOT need to be
removed in order to remove the deck.
• Looking at the cutting deck from the right side
of the tractor, locate the deck support pin on
the rear right side of the deck.
• Pull the deck support pin outward to release
the deck from the deck lift arm. See Figure 14.
• Rotate the pin slightly toward the rear of the
tractor and release the pin into the hole
provided.
• Repeat the above steps on the left side of the
tractor.
• Move the lift lever into the top notch on the
right fender to raise the deck lift arms out of
the way.
• Gently slide the cutting deck toward the front
of the tractor allowing the hooks on the deck
to release themselves from the deck stabilizer
rod. Do NOT let the deck fall to the ground.
• Gently slide the cutting deck (from the right
side) out from underneath the tractor.
NOTE:
To properly remount the cutting deck,
perform the above steps in reverse order. Having a
second person assist you will ease this procedure.
Figure 14
Deck Support Pins
Deck
Stabilizer
Bracket
Deck Stabilizer Rod
Deck Lift Arms
Engine Pulley
PTO Idler Pulley Bracket
To Lift Assembly
Front of Tractor
NOTE: Belt covers and other tractor components not shown for clarity. 42-inch deck shown
Hooks
(mounted on tractor)
PTO Idler Pulley
PTO Belt

19
CHANGING THE DECK BELT(S)
All belts on your tractor are subject to wear and should be replaced if any signs of cracking, shredding or
rotting are present.
IMPORTANT:
The V-belts found on your tractor are specially designed to engage and disengage safely. A
substitute (non-OEM) V-belt can be dangerous by not disengaging completely. For a proper working machine,
use factory approved belts.
To change or replace the deck belt(s) on your tractor, proceed as follows:
NOTE:
Removing the deck from the tractor as instructed earlier in this section will ease the following steps,
but is not necessary.
42-inch decks
• Lower the deck by moving the lift lever into the bottom notch on the right fender.
• Remove the belt guards by removing the self-tapping screws that fasten them to the deck surface.
• Grasp the PTO idler pulley bracket and pivot it toward the discharge chute to relieve tension on the belt.
• Remove the deck belt from the bottom portion of the engine pulley and from around the PTO idler
pulley.
• Route the new belt as shown in Figure 14, around the deck pulleys, idler pulley and engine pulley.
IMPORTANT:
It is recommended that the PTO be readjusted after replacing the deck belt. Refer to
PTO
(POWER TAKE-OFF) ADJUSTMENT
in the
ADJUSTMENTS
section of this manual for the proper procedure.
• Remount the belt guards removed earlier.
Figure 15
46-inch decks
• Lower the deck by moving the lift lever into the bottom notch on the right fender.
• Remove the belt guards by removing the self-tapping screws that fasten them to the deck.
• Grasp the PTO idler pulley bracket and pivot it toward the discharge chute to relieve tension on the belt.
• Remove the deck belt from the bottom portion of the engine pulley and from around the PTO idler
pulley.
• Remove and discard old belt.
• Route the new belt(s) as shown in Figure 15. OEM belt part numbers shown below.
Engine Pulley PTO Idler Pulley
Left Hand
Double Pulley
Right Hand
Double Pulley
Center Pulley
Deck Idler Pulley
Deck belt (Bottom)
PTO belt (Top)
NOTE: Left hand belt cover not shown for clarity. 46-inch deck shown.
Self-Tapping Screws
(beneath belt guard)
(mounted on tractor)

20
IMPORTANT:
It is recommended that the PTO be readjusted after replacing the deck belt. Refer to
PTO
(POWER TAKE-OFF) ADJUSTMENT
in the
ADJUSTMENTS
section of this manual for the proper procedure.
• Remount the belt guards removed earlier.
CHANGING THE TRANSMISSION DRIVE BELT(S)
All belts on your tractor are subject to wear and should be replaced if any signs of cracking, shredding or
rotting are present.
IMPORTANT:
The V-belts found on your tractor are specially designed to engage and disengage safely. A
substitute (non-OEM) V-belt can be dangerous by not disengaging completely. For a proper working machine,
use factory approved belts.
To change or replace the drive belt(s) on your tractor, proceed as follows:
NOTE:
It’s recommended that both drive belts be replaced at the same time.
• Remove the cutting deck as instructed earlier in this section.
• After disconnecting the battery cables, remove the battery and battery tray from beneath the seat.
IMPORTANT:
When removing the battery, disconnect the NEGATIVE (Black) wire from it’s terminal first,
followed by the POSITIVE (Red) wire. Re-install in reverse order.
Upper Drive Belt
• Locate the transmission idler pulley on the upper drive belt by looking through the battery tray opening.
See Figure 16.
• Grasp the bracket and pivot the transmission idler pulley toward the rear of the tractor to release
tension on the upper drive belt.
• Remove the belt from around the transmission idler pulley.
• Remove the upper drive belt from around the transmission pulley and the variable-speed pulley.
NOTE:
Slowly rotate the pulley counterclockwise to roll the belt off of it.
• Remove the upper drive belt by pulling it up through the battery tray opening.
• Reroute the new upper drive belt as shown in Figure 16.
Lower Drive Belt
NOTE:
Proper removal of the lower drive belt requires special tools and the removal of several tractor
components. Read through the following procedure prior to attempting it to determine if you feel you could
successfully complete it. If you don’t, see an authorized MTD service dealer to have the belt changed.
IMPORTANT:
Note the routing of the lower drive belt around both the pulleys and the belt keepers
BEFORE performing the following steps.
• Locate the variable-speed pulley by looking through the battery tray opening. See Figure 16.
• Remove the variable-speed pulley by loosening the hex bolt that affixes it to the transmission. Use a
second wrench to hold the hex nut on the bottom side of the pulley.
• Slide the belt off of the variable-speed pulley as you lift the pulley up and out through the battery tray
opening.
NOTE:
Jacking the rear of the tractor up off the ground and securing it with jackstands at this point in the
procedure will ease the following steps, but is not necessary.
42-Inch Deck 46-Inch Deck
PTO (Top) Belt 754-0472 754-0476
Bottom Belt N/A 754-0349

21
Figure 16
• Remove the rear idler pulley from the double-
idler bracket while unrouting the belt from
around both the rear and the front idler pulley.
Refer to Figure 16.
• Remove the cotter pin that affixes the lower
end of the PTO engagement rod to the PTO
adjuster link. Save the pin for reassembly.
See Figure 17.
Figure 17
• Remove the hex bolt from the center of the
engine pulley. Do NOT attempt to remove the
engine pulley at this time. See Figure 18.
Figure 18
IMPORTANT:
When remounting the engine
pulley, torque the center hex bolt to between 38 foot-
pounds and 50 foot-pounds.
Drive belt (Lower)
Drive belt (Upper)
Front of Tractor
Rear Idler Pulley
Front Idler Pulley
Variable-speed
Pulley
Battery Tray
Belt Keeper
Transmission Idler Pulley
Transmission Pulley
Engine Pulley
Belt Keeper
Single-speed
Transmission
Shift Lever
Opening
Double-Idler Bracket
Idler Bracket
to AutoDrive™ pedal
Belt Keeper
NOTE: View shown from above tractor.
PTO Engagement Rod Cotter Pin
PTO Adjuster Link
Hex Bolt
Engine Pulley
NOTE: View shown from beneath tractor.

22
• Remove the two hex bolts (from both sides of
the tractor) that affix the PTO actuator bracket
to the tractor frame. See Figure 19.
Figure 19
• Carefully lower the PTO actuator bracket and
the engine pulley as an assembly while
removing the drive belt from the upper portion
of the engine pulley.
• Remove the drive belt by feeding it from both
ends toward the front idler pulley on the
double-idler bracket. See Figure 16.
• Reassemble by following the above steps in
reverse order.
• Reroute the new belt around the pulleys and
belt keepers EXACTLY as the old one was
routed. Refer to Figure 16.
The AutoDrive™ pedal is properly adjusted when the
hole found in the double-idler bracket has
approximately 1-3/8" of travel with ten pounds of
pressure applied to the AutoDrive™ pedal. See
Figure 20.
Figure 20
Adjust the AutoDrive™ pedal after replacing the drive
belts on your tractor, if necessary, as follows:
• Locate the speed control assembly on the
underside of the steering support bracket. See
Figure 21.
Figure 21
• Remove both hairpin clips from the pin which
is fastened to the speed control assembly (be
careful not to lose the small flat washers found
on the pin). See Figure 21.
• Remove the AutoDrive™ pedal return spring.
• Using two 9/16" wrenches, remove the pin
from the speed control assembly. See Figure
21.
Thread the idler adjustment rod inward or outward to
lengthen or shorten the travel of the double-idler
bracket until proper adjustment is achieved.
• Reassemble by following the above steps in
reverse order.
IMPORTANT:
After replacing the drive belts,
perform the PTO adjustment as instructed in the
ADJUSTMENTS
section of this manual prior to
operating the tractor.
CUTTING BLADES
WARNING: Cutting blades are sharp.
Always protect hands by wearing heavy
leather work gloves to grasp blades.
The blades may be removed for sharpening or
replacement as follows.
• Remove the deck from beneath the tractor,
(refer to DECK REMOVAL earlier in this
section for detailed instructions) then gently
flip the deck over to expose its underside.
• Place a block of wood between the center
deck housing baffle and the cutting blade to
act as a stabilizer. See Figure 22.
• Use a 15/16" wrench to remove the hex flange
nut that secures the blade to the spindle
assembly. See Figure 22.
Hex Bolts
PTO Actuator
Bracket Deck Stop
Front of Tractor
NOTE: View shown from above tractor.
Double-idler
Bracket
Idler
Adj. Rod
Hole
Speed Control
Assembly
Hairpin
Clips
Idler
Adj. Rod
Pin
AutoDrive™ Pedal
Return Spring
Place Wrenches Here
Neutral
Return
Bracket

23
NOTE:
The hex flange nut has a right-handed
thread pattern. Do NOT attempt to force the nut in
the incorrect direction. Doing so may damage the
nut and create a safety hazard.
Figure 22
To properly sharpen the cutting blades, remove
equal amounts of metal from both ends of the blades
along the cutting edges. See Figure 23.
Sharpen the cutting edge straight across, parallel to
the trailing edge, at a 25° to 30° angle. See Figure
23.
IMPORTANT:
If the cutting edge of the blade has
already been sharpened to within 5/8" of the wind
wing radius, or if any metal separation is present,
replace the blades with new ones. See Figure 23.
Figure 23
It is extremely important that each cutting blade
edge be ground equally to maintain proper blade
balance. An unbalanced blade will cause excessive
vibration when rotating at high speeds, may cause
damage to the tractor and result in personal injury.
The blade can be tested by balancing it on a round
shaft screwdriver. Grind metal from the heavy side
until it balances evenly.
When replacing the blade, be sure to install the
blade with the side of the blade marked ‘‘Bottom’’ (or
with a part number stamped in it) facing the ground
when the mower is in the operating position.
IMPORTANT:
Use a torque wrench to tighten the
blade spindle hex flange nut to between 70 foot-
pounds and 90 foot-pounds.
BATTERY
The battery is sealed and is maintenance-free. Acid
levels cannot be checked.
• Always keep the battery cables and terminals
clean and free of corrosive build-up.
• After cleaning the battery and terminals, apply
a light coat of petroleum jelly or grease to the
terminals and over the positive terminal boot.
• Always keep the boot positioned over the
positive terminal to prevent shorting.
IMPORTANT:
If removing the battery for any
reason, disconnect the NEGATIVE (Black) wire from
it’s terminal first, followed by the POSITIVE (Red)
wire. When re-installing the battery, always connect
the NEGATIVE (Black) wire its terminal first, followed
by the POSITIVE (Red) wire. Be certain that the
wires are connected to the correct terminals.
reversing them could change the polarity and cause
damage to your engine’s alternating system.
Charging
If the unit has not been put into use for an extended
period of time, charge the battery with an
automotive-type 12-volt charger for a minimum of
one hour at six amps.
WARNING: Batteries give off an
explosive gas during and for some time
after charging. Charge battery in a well
ventilated area and do not allow a spark or
an open flame near the battery.
FUSE
A fuse is installed in your tractor’s wiring harness to
protect the tractor’s electrical system from damage
caused by excessive amperage. Always use the
same capacity fuse for replacement. If the electrical
system does not function, or your tractor’s engine
will not crank, first check to be certain that the fuse
has not blown. It can be found under the hood
mounted behind the top of dash panel on the
support bar. Pull the fuse out and compare it with
Figure 24 to determine if it is good or bad.
Figure 24
Cutting Blade
Block of Wood
Spindle
Assembly
Hex Flange Nut
5/8"
minimum
Blade Separation
Worn Blade Edge
Wind Wing
Sharpen Edge Evenly
GOOD BAD
20 20

24
TIRES
The recommended operating tire pressure is
approximately 10 psi for the rear tires and 14 psi for
the front tires. Refer to the tire sidewall for exact tire
manufacturer’s recommended psi. Do not
overinflate. Uneven tire pressure could cause the
cutting deck to mow unevenly.
SECTION 11: LUBRICATION
WARNING:
Always stop the engine and disconnect the spark plug wire(s) and ground against the
engine before performing any maintenance.
ENGINE
Lubricate the engine with motor oil as instructed in the separate engine manual packed with your unit.
PIVOT POINTS
Lubricate all pivot points (AutoDrive™ pedal, brake pedal, etc.) at least once a season with light oil.
LINKAGE
Lubricate all the pivot points on the drive, brake and lift linkage at least once a season with SAE 30 engine oil.
STEERING GEAR
Lubricate the teeth of the steering gear with an all-purpose automotive grease every 25 hours of operation or
once a season.
WHEELS
Both the front wheels and the rear wheels should be removed from the axles once a season. Lubricate the
axles and the rims well with an all-purpose automotive grease before re-installing them.
FRONT AXLES
Your tractor may be equipped with zerk fittings on the ends of the front pivot bar. See Figure 9. Lubricate both
the left and the right front axles with a grease gun at least once a season.

25
SECTION 12: TROUBLESHOOTING GUIDE
Trouble Possible
Cause(s) Corrective Action
Engine will
not crank
Safety switch
button not
depressed.
Battery installed
incorrectly.
Battery is dead
or weak.
Blown fuse
There are two safety switches in the starting circuit of your unit: the brake pedal switch
and the PTO switch. Make certain the actuator is fully depressing the buttons on each
switch. The Operator must be seated on the tractor in order to start the engine, also.
The battery must be installed with negative terminal attached to black ground wire.
Negative terminal is identified at the post by “NEG”, “N” or “-”. The positive terminal,
identified by “POS”, “P” or “+”, must be attached to the thick red wire which goes to the
solenoid.
Charge at six amps with a 12-volt automotive-type battery charger for one hour or until
fully charged.
Refer to operator’s manual for fuse location. Replace fuse with automotive type fuse of
the proper amperage. Fuses seldom fail without a reason. The problem must be
corrected. Check for loose connections in the fuse holder. Replace fuse holder if nec-
essary. A dead short may be in the cranking or charging circuit where the insulation
may have rubbed through and exposed the bare wire. Replace the wire or repair with
electrician's tape if the wire strands have not been damaged.
Note: Look for a wire pinched between body panels, burned by the exhaust pipe or
muffler or rubbed against a moving part.
Engine
cranks but
will not start
Throttle or choke
not in starting
position.
No fuel to the
carburetor.
No spark to
spark plug(s).
Dirty aircleaner.
Refer to the OPERATION section of this manual for the correct position of the throttle
control and choke for starting..
Gasoline tank empty. Fill.
Fuel line or in-line fuel filter plugged. Remove and clean fuel line. Replace fuel filter
(if so equipped) if necessary.
Spark plug lead disconnected. Connect lead. Using a spark tester, check for spark. If
no spark is present, have engine’s magneto serviced by an authorized engine dealer.
If the air cleaner is dirty, the engine may not start. Refer to the engine manual packed
with your unit.
Engine
smokes
Engine oil has
been overfilled.
Engine loses
crankcase
vacuum.
Check oil level.
Dipstick not seated or broken. Replace defective part.
Engine breather defective. Replace.
Excessive
vibration
Bent blade or
damaged pulley.
Stop engine immediately. Check all pulleys, blade adapters, keys and bolts for
tightness and spindle damage. Tighten or replace any loose or damaged parts.
Always replace damaged blade. Only use original equipment blades.
Mower
won’t
discharge
grass or
leaves
uncut strips
Engine speed
low.
Speed selection.
Cutting height
set too low.
Blades dull.
Throttle must be set at full throttle.
Use lower ground speed. The slower your ground speed, the better the quality of cut.
Raise deck.
Sharpen or replace blades (uncut strip problem only).

26
REF.
NO. PART
NO. DESCRIPTION
1 625-0051 Bulb/Socket Headlight Assembly
725-1739 Bulb Only
725-1649 Socket Only
2 629-0913 Wiring Harness
3 629-0924 Harness Adapter (for Kohler engines)
4 710-0599 Self Tapping Screw, 1/4-20 x .5
5 712-3006 Hex Nut, 1/4-20
6 725-1426 Solenoid, 12-volt, 100 Amp
7 725-1657A Snap Mount Safety Interlock Switch
8 725-1741 Ignition Switch
9 725-1743 Indicator Monitor / Hour Meter
10 725-1745 Ignition Key
11 725-1747 Safety Plunger Switch
12 736-0222 External Lock Washer, 1/4
13 736-0329 Lock Washer, 1/4
Model 604
9
3
8
10
1
7
7
5
11
5
13
13
6
4
5
2

27
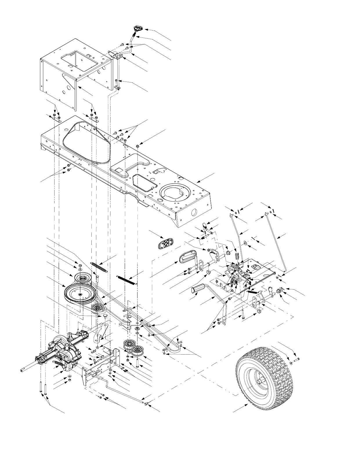
Electrical System/Tractor Body
1
4
21
10
4
2
32
2
12
16
2
13
22
14
3
6
8
9
18
19
6
22
22
22
22
22
22
15
33
31
34
26
35
23
24
28
25
30
29
4
27 36
20
4
REF.
NO. PART
NO. DESCRIPTION
1 710-0788 Self Tapping Screw, 1/4-20 x 1.0
2 710-0599 Self Tapping Screw, 1/4-20 x .5
3 710-0751 Hex Cap Screw, 1/4-20 x .62
4 710-0895 Self Tapping Screw, 1/4-15 x .75
5 710-0924 Pan Phillips Screw, 1/4-20 x .75
6 710-3008 Hex Cap Screw, 5/16-18 x .75
7 712-0292 U-type Speed Nut, 1/4-20
8 712-3004A Flange Lock Nut, 5/16-18
9 712-3027 Hex Flange Lock Nut, 1/4-20
10 725-1649 Head Lamp Socket
11 731-1978 RH Head Light Lens
12 731-1979 LH Head Light Lens
13 731-2238 Hood, 4-style (Red)
14 731-2237 LH Side Panel, 4-style (Red)
15 731-2236 RH Side Panel, 4-style (Red)
16 731-1995 LH Head Light Reflector
17 731-1996 RH Head Light Reflector
18 736-0173 Flat Washer, .28 x .74 x .063
19 736-3078 Flat Washer, .349 x 1.0 x .063
20 747-1132 Hood Support Rod
21 783-0808 Heat Shield, 4-style
22 710-0604 Self Tapping Screw, 5/16-18 x .625
23 710-1017 Torx Self Tapping Screw, 1/4-14 x .625
24 710-3217 Torx Screw, #8-32 x .375
25 712-0142 Hex Nut, 8-32
26 731-0069 Dash Panel (Manual PTO), 4-style
27 731-0072 Parking Brake Button
28 731-1857 Throttle Control Lever
29 731-2106 Cruise Control Button
30 747-1155 Brake/Cruise Pivot Rod
31 749-1087 Dash Support Tube
32 731-2232 Intake Bellow (Intek Single)
731-2234 Intake Bellow (Intek Twin)
33 751-0603 Fuel Cap
34 751-0659 Fuel Tank (Two Gallon, Shown)
751-0658 Fuel Tank (Three Gallon)
35 725-1745 Ignition Key
36 746-1084 Choke/Throttle Cable (Intek Single)
746-1085 Choke Cable (Intek Twin)
746-1088 Choke Cable (Kohler)
REF.
NO. PART
NO. DESCRIPTION

28
Model 604
49
39
46
6
45
45
41
37
43
42
36
47
48
44 16
30
28
35
32
38
33 27
31
34
50
51
11
28
29
14
8
13
9
17
21
22
10
20
12
23
21
22
24
6
2
8
14
18
25
19
4
5
3
16
4
1
16
9
7
17
15
5
19
8
14
6
6

29
REF.
NO. PART
NO. DESCRIPTION
1 647-0040 Deck Stabilizer Rod
2 683-0197 Lift Shaft Assembly
3 711-0332 Clevis Pin, .5 x .78
4 712-0206 Hex Nut, 1/2-13
5 712-0431 Flange Lock Nut, 3/8-16
6 712-3004A Flange Lock Nut, 5/16-18
7 712-3083 Hex Nut, 1/2-13
8 714-0104 Internal Cotter Pin
9 714-0111 Cotter Pin
10 716-0106 E-ring
11 720-0311 Handle Grip
12 732-0874 Torsion Spring
13 732-0934 Lift-assist Spring, 1.15 x 5.99
(Found on Units w/ 46-inch Decks Only)
14 736-0275 Flat Washer, 5/16
15 736-0921 Lock Washer, 1/2
16 736-3019 Flat Washer, .31 x 1.062 x .134
17 736-3084 Flat Washer, .51 x 1.12 x .06
18 738-0138 Hex Cap Screw, 5/16-18 x .62
19 738-0380 Shoulder Screw, .5 x .27, 3/8-16
20 741-0225 Hex Flange Bearing
21 741-0715 Snap Flange Bearing
22 746-0968 Lift Cable, 16.16
23 747-1111 Lift Handle
24 756-1154 Roller Pulley
25 783-0678 Arm Lift
26 783-0720 Deck Stabilizer Bracket
27 710-0260 Carriage Bolt, 5/16-18 x .62
28 710-0604 Self Tapping Screw, 5/16-18 x .625
29 710-0895 Self Tapping Screw, 1/4-15 x .75
30 731-1990 Lift Lever Cover
31 731-2104 Shift Lever Cover w/ Cup Holder
32 738-0155 Shoulder Screw, .437 x 1.62
33 783-0677 Lift Adjustment Bracket
34 783-0685 Fender
35 783-0715 Seat Mounting Bracket
36 710-1268 Screw, #10-16 x .375
37 712-3027 Hex Flange Lock Nut, 1/4-20
38 720-0309A Seat Adjuster Grip
39 731-1989 Spacer
40 732-0499 Compression Spring, .41 x 1.5
41 736-0175 Spring Washer, .265 x .562 x .025
42 736-0204 Flat Washer, .344 x .62 x .03
43 738-0137A Shoulder Screw, .340 x .285,1/4-20
44 738-1007 Shoulder Screw, .50 x .50, 3/8-16
45 783-0611 Seat Stop
46 783-0738 Seat Pivot Bracket
47 783-0739 Seat Adjustment lever
48 783-0753 Seat Adjustment Selector
49 757-0348A Seat, Black w/ Drain Holes
50 735-0657 LH Foot Pad
51 735-0656 RH Foot Pad
726-3046 Foot Pad Clips (Not Shown)
REF.
NO. PART
NO. DESCRIPTION
NOTE: For painted parts, please refer to
the list of color codes below. Please add
the applicable color code, wherever
needed, to the part number to order a
replacement part. For instance, if a part
numbered 700-xxxx is painted Powder
Black, the part number to order would be
700-xxxx-0637.
MTD Red: 0638
Oyster Gray: 0662
Powder Black: 0637
Lift Assembly

30
Model 604
1
2
2
2
5
3
9
6
38
8
10
12
13
11 13
14
15
16
17
18
19
21
20
22
20
24
23
4
25
26
27
28
29
33
31
31
30
29
32 35
34
30
32
35
36
33
37
39
40
11
41
42
13
7
43
42

31
REF.
NO. PART
NO. DESCRIPTION
1 683-0263 Lower Frame Assembly
2 710-0604 Self-tapping Screw, 16-18 x .625
3 783-0726 RH Pivot Support Bracket
4 783-0727 LH Pivot Support Bracket
5 783-0728 Pivot Bar Bracket
6 710-0514 Hex Cap Screw, 3/8-16 x 1 (Grade 5)
7 711-1291 LH Drag Link
8 711-1292 RH Drag Link
9 712-0240 Jam Nut, 7/16-20 (Grade 2)
10 712-0241 Hex Nut, 3/8-24 (Grade 2)
11 712-0431 Flange Lock Nut, 3/8-16
12 712-0459 Flange Lock Nut, 7/16-20
13 712-3004A Flange Lock Nut, 5/16-18
14 717-1550 Steering Gear, 11/90 Ratio
15 717-1554 Steering Pinion Gear
16 723-0448A Ball Joint, 7/16-20
17 736-0169 Lock Washer, 3/8
18 736-3084 Flat Washer, .51 x 1.12 x .06
19 738-1001 Steering Shaft, .625 OD x 24.4
20 741-0475 Plastic Bushing, .38 ID
21 741-0656 Hex Flange Bearing, 5/8
22 748-0416 Shoulder Spacer, .38 ID
23 631-0027 Steering Wheel
24 731-0220 Steering Wheel Cap
25 638-0019 LH Axle Assembly, .625 Diameter
638-0021 LH Axle Assembly, .625 / .750 Diameter
26 638-0020 RH Axle Assembly, .625 Diameter
638-0022 RH Axle Assembly, .625 / .750 Diameter
27 683-0128A Pivot Bar
28 712-0431 Flange Lock Nut, 3/8-16
29 714-0470 Cotter Pin
30 726-0214 Push Cap, 5/8
726-0341 Push Cap, 3/4
31 736-0162 Flat Washer, .64 x 1.0 x .12
32 736-0187 Flat Washer, .64 x 1.24 x .06
736-0316 Flat Washer, .78 x 1.59 x .06
33 736-0285 Flat Washer, .635 x 1.589 x .06
34 738-1011 Shoulder Screw, .5 x 2.2, 3/8-16
35 741-0659 Flange Bearing, .632 ID x .937 OD
741-0660 Flange Bearing, .760 ID x .937 OD
36 634-0105A Wheel Assembly Complete, 15 x 6 x 6
634-0172 Rim Only
734-0255 Air Valve (Not Shown)
734-1731 Tire Only, Square Shoulder
741-0487A Plastic Flange (Not Shown)
741-0706 Plastic Flange w/ Fitting (Not Shown)
37 734-0484A Hub Cap
38 783-0653 Steering Support Bracket
39 738-1020 Shoulder Screw, .625 x .50, 7/16-20
40 736-0331 Bell Washer, .39 x 1.13 x .062
41 738-0140 Shoulder Screw, .435 x .178, 5/16 x .56
42 736-0242 Bell Washer, .34 x .872
43 710-0643 Hex Bolt, 5/16-18 X 1
REF.
NO. PART
NO. DESCRIPTION
NOTE: For painted parts, please refer to
the list of color codes below. Please add
the applicable color code, wherever
needed, to the part number to order a
replacement part. For instance, if a part
numbered 700-xxxx is painted Powder
Black, the part number to order would be
700-xxxx-0637.
MTD Red: 0638
Oyster Gray: 0662
Powder Black: 0637
Steering Assembly

32
Model 604
4
22
13
5
1
12
2
21
2
21
13
19
13
18
36
11
28
31
7
38
46 47
40
844 43 12 43
12
37
47
15
17
19
19
50
26
27
24
10
49
19
33
23
30
32
20
42
14
39
16
61
3
9
13
76
62
13
69
53
54
25
41
57 58
19 23
64
68 73
71 70
58
65
56
56
58
33
77
72
5863
55 69
60 66
59
21
75
33
52
31
68 64 23
23
35
78
79
34
80 81
82
6

33
REF.
NO. PART
NO. DESCRIPTION
1 17839 Shift Lever Bracket
2 17840 Transaxle Mounting Bracket
3 618-0386 Single-speed Transmission Assembly
4 631-0009 Shifter Knob
5 647-0041 Shift Lever
6 656-0048 Variable-speed Pulley Assembly
7 656-0051 Transmission Pulley, 8.5 x .5-36
8 683-0251 Double-idler Bracket
9 710-0189 Hex Cap Screw, 5/16-18 x 3
10 710-0227 Self Tapping Screw, #8-18 x .5
11 710-0347 Hex Cap Screw, 3/8-16 x 1.75
12 710-0599 Self Tapping Screw, 1/4-20 x .5
13 710-0604 Self Tapping Screw, 5/16-18 x .625
14 710-0642 Self Tapping Screw, 1/4-20 x .75
15 710-3011 Hex Cap Screw, 3/8-16 x 2.25
16 711-0677 Ferrule, 5/16-18
17 712-0241 Hex Nut, 3/8-24
18 712-0378 Hex Nut, 7/16-20
19 712-0431 Flange Lock Nut, 3/8-16
20 712-0798 Hex Nut, 3/8-16
21 712-3004A Flange Lock Nut, 5/16-18
22 712-3008 Jam Nut, 3/8-16
23 714-0111 Cotter Pin
24 714-0149B Internal Cotter Pin
25 723-0156 Ball Joint, 3/8-24
26 725-1644 Short Spring Switch
27 726-0320 Insulator Nut Plate
28 732-0384 Extension Spring, .62 Dia. x 6.12
29 732-0525 Compression Spring Clip
30 732-0716 Extension Spring, .59 OD x 4
31 732-0963 Extension Spring, .50 Dia. x 6.37
(hooks to flange, 783-0650, in frame)
32 736-0105 Bell Washer, .401 x .87 x .063
33 736-0140 Flat Washer, .385 x .62 x .063
34 736-0169 Lock Washer, 3/8
35 736-0275 Flat Washer, 5/16
36 736-0407 Bell Washer, .45 x 1.0 x .602
37 736-3010 Flat Washer, .407 x .812 x .135
38 738-0322 Shoulder Screw, .625 x .217
39 747-1122 Brake Rod
40 747-1123 Belt Guard
41 747-1127 Idler Adjustment Rod, 3/8
42 747-1156 Shift Rod
43 747-1160 Belt Guard Rod
44 748-0416 Shoulder Spacer, .38 ID
45 754-0467 Variable-speed Belt
46 754-0468 Drive Belt
47 756-0981 Flat Idler, 2.75 OD
48 783-0637 Shift Lever Support
49 783-0667 Transmission Torque Bracket
50 783-0669 Idler Bracket
51 783-0714 Adjustable Shift Bracket
52 647-0031 Brake Control Assembly
53 647-0032 Speed Control Assembly
54 683-0266 AutoDrive™ Pedal Assembly
55 710-1135 Self Tapping Screw, 5/16-18 x 2.5
56 711-0736 Ferrule, 1/4-20
57 711-1363 Pin, 3/8-16 x 2.43
58 714-0104 Cotter Pin
59 732-0437 Compression Spring, .34 OD x 1.0
60 732-0955 Extension Spring, .50 OD x 1.41
61 735-0662 AutoDrive™ Pedal Pad
62 735-3049 Brake Pedal Pad
63 736-0140 Flat Washer, .281 x .5 x .0625
64 736-0187 Flat Washer, .64 x 1.24 x .06
65 736-0204 Flat Washer, .344 x .062 x .03
66 738-0155 Shoulder Screw, .437 x 1.62
67 738-0507B Shoulder Screw, .5 x .434
68 741-0225 Hex Flange Bearing
69 741-3065A Split Hex Flange Bearing
70 747-1137 Cruise Control Rod
71 747-1138 Brake Lock Control Rod
72 748-0413 Cruise Latch
73 748-0415 Spacer, 5/16 x 1.54
74 783-0653 Stearing Support Bracket
75 783-0732 AutoDrive™ Lockout Bracket
76 783-0773 Brake Pedal
77 783-0780 Neutral Return Bracket
78 683-0263 Lower Frame Assembly
79 783-0668 Hitch Plate
80 736-0242 Bell Washer, .34 x .872
81 710-0627 Hex Cap Screw, 5/16-24 x .75
82 634-0177 Wheel Assembly Complete, 20 x 10 x 8
634-0104 Wheel Assembly Complete, 20 x 8 x 8
634-0077 Rim Only
734-0255 Air Valve (Not Shown)
734-1873 Tire Only, 20 x 10 x 8, Square Shoulder
734-1730 Tire Only, 20 x 8 x 8, Square Shoulder
REF.
NO. PART
NO. DESCRIPTION
Drive System

34
Model 604
33
22
13
23 17
1
10
28
513
29
4
35
36
34
10
23
20
9
32
3
19
27
10
18
14
2
12
5
59
5
24
6
45
15
21 25
11
26
31
16
56
5
549
57
55
58
38
54
53
51
49
10
47
52
48 46
7
44
30
41
39
37
38
43
40
60
61
62
63
63
8

35
REF.
NO. PART
NO. DESCRIPTION
1 683-0278 PTO Engagement Link w/ Weld Pin
2 683-0282 PTO Actuator Bracket w/ Weld Nut
3 710-0514 Hex Cap Screw, 3/8-16 x 1.0 (Grade 5)
4 710-0597 Hex Cap Screw, 1/4-20 x 1.0 (Grade 5)
5 710-0604 Self Tapping Screw, 5/16-18 x .625
6 710-1260A Self Tapping Screw, 5/16-18 x .75
7 710-3011 Hex Cap Screw, 3/8-16 x 2.25 (Grade 5)
8 710-3180 Hex Cap Screw, 5/16-18 x 1.75 (Grade 5)
9 710-3199 Hex Cap Screw, 1/4-20 x 1.5 (Grade 5)
10 712-0431 Flange Lock Nut, 3/8-16
11 712-3004A Flange Lock Nut, 5/16-18
12 712-3010 Hex Nut, 5/16-18
13 712-3027 Hex Flange Lock Nut, 1/4-20
14 714-0111 Cotter Pin
15 725-1657A Snap Mount Safety Interlock Switch
16 731-2111 PTO Knob
17 732-0977 Extension Spring, .62 OD x 2.16
18 732-0978 Extension Spring, 1.2 OD x 3.638
19 736-0140 Flat Washer, .385 x .62 x .063
20 736-0176 Flat Washer, .25 x .93 x .12
21 736-0272 Flat Washer, .51 x 1.0 x .60
22 738-1021 Shoulder Screw, .5 x .27, 3/8-16
23 738-1125 Shoulder Nut, 1/4-20
24 741-0708 Hex Split Flange Bearing, .50 ID
25 747-1112 PTO Engagement Handle
26 747-1114 PTO Engagement Lever
27 747-1174 PTO Actuator Adjuster Link
28 748-0416 Shoulder Spacer, .38 ID
29 748-0421 Arm Spacer, .68
30 756-0627 Flat Idler Pulley, 3.5 OD
31 783-0744 Stop Bracket
32 783-0796 PTO Actuator Bracket
33 783-0797 PTO Engagement Arm
34 783-0798 PTO Engagement Link
35 783-0799 PTO Arm
36 783-0806 Deck Stop
37 710-0561 Hex Cap Screw, 7/16-20 x 2.5 (Grade 5)
38 710-0599 Self Tapping Screw, 1/4-20 x .5
39 736-0171 Lock Washer, 7/16
40 736-0322 Flat Washer, .45 x 1.25 x .164
41 750-0956 Spacer, 1.01 x 1.4 x .825
42 756-1158 Engine Pulley, 5.56 Dia. x 3.56 Dia.
43 756-1164 Pulley Sheave
44 754-0472 PTO Belt (42-inch Decks)
754-0476 PTO Belt (46-inch Decks)
45 683-0263 Lower Frame Assembly
46 723-0444 Battery Strap
47 732-0755 Compression Spring, .1.314 OD x 2.35
48 732-0956 Compression Spring, .66 OD x 1.5
49 738-1014 Shoulder Screw, .5 x 1.25, 3/8-16
50 783-0349 Battery Tray
51 783-0668 Hitch Plate
52 783-0733 Spacer Cup, 1.5 OD
53 725-1426 Solenoid, 12-Volt, 100 Amp
54 736-0222 Lock Washer, 1/4
55 725-1747 Safety Interlock Plunger Switch
56 738-1020 Shoulder Screw, .625 x .5, 7/16-20
57 736-0407 Bell Washer, .45 x 1.0 x .062
58 712-0459 Flange Lock Nut, 7/16-20
59 783-0653 Steering Support Bracket
60 725-1706 12-volt Battery, 270 CCA
61 712-3044 Wing Nut, 1/4-20
62 712-0271 Hex Sems Nut, 1/4-20
63 710-0751 Hex Cap Screw, 1/4-20 x .62
REF.
NO. PART
NO. DESCRIPTION
NOTE: For painted parts, please refer to
the list of color codes below. Please add
the applicable color code, wherever
needed, to the part number to order a
replacement part. For instance, if a part
numbered 700-xxxx is painted Powder
Black, the part number to order would be
700-xxxx-0637.
MTD Red: 0638
Oyster Gray: 0662
Powder Black: 0637
Power Take-off System

36
Model 604
42-inch Deck
46-inch Deck
5
1
1
17
13
17
11
30
37
30
31
8
6
19
12
26
25
29
52
22
53
55
50
36
19
26
25
29
23
32
20
23
32
21
27 9
18
7
35
28
26
15
24
16
14
2
34
18
3
33
38
10
3
10
10
10
17
40
11
13
42
17
19
26
25
44
29
23
32
20
4
23
21
9
27
32
52
53
54
51
19
48
48
12
45
26
25
29
44
43
47
41
22
49
49
56
57

37
REF.
NO. PART
NO. DESCRIPTION
1 17982 Reinforcement Spindle Plate
2 618-0240 Spindle Assembly, 5 Dia.
756-0959 Pulley Only
3 618-0241 Double Pulley Spindle Assembly
756-0603 Double Pulley Only
4 683-0254 Deck Adjustment Bracket w/ Weld Nut
5 683-0265 46-inch Deck Shell
6 710-0167 Carriage Screw, 1/4-20 x .5
7 710-0347 Hex Cap Screw, 3/8-16 x 1.75
8 710-0514 Hex Cap Screw, 3/8-16 x 1.0
9 710-0528 Hex Cap Screw, 5/16-18 x 1.25
10 710-0599 Self Tapping Screw,1/4-20 x .5
11 710-0650 Self Tapping Screw, 5/16-18 x .875
12 710-0751 Hex Cap Screw, 1/4-20 x .62
13 710-1260A Self Tapping Screw, 5/16-18 x .75
14 712-3288 Hex Cap Screw, 1/4-20 x 1.62
15 712-0241 Hex Nut, 3/8-24
16 712-0291 Center Lock Nut, 1/4-20
17 712-0417A Hex Flange Nut, 5/8-18
18 712-0431 Flange Lock Nut, 3/8-16
19 712-3027 Hex Flange Lock Nut, 1/4-20
20 714-0104 Internal Cotter Pin, .072 x 1.12
21 717-1553 Deck Adjustment Gear
22 731-1032A Side Discharge Chute Assembly
23 732-0306 Compression Spring, .406 x .531 x 1.75
24 732-0594A Extension Spring, .91 x 7.33
25 734-0973 Deck Wheel, 5 x 1.38
26 736-0105 Bell Washer, .401 x .87 x .063
27 736-0119 Lock Washer, 5/16
28 738-0347 Shoulder Spacer, .625 x .169
29 738-0373 Shoulder Spacer, .498 x 1.53
30 742-0611 Three-in-one Blade, Star Center, 16.28
31 742-0612 Three-in-one Blade, Star Center, 14.88
32 747-1116 Deck Release Pin
33 754-0349 Deck Belt
34 756-0627 Flat Idler Pulley, 3.5 OD
35 783-0139 Idler Bracket
36 783-0141 Center Deck Skirt
37 783-0142 RH Deck Skirt
38 783-0747 LH Belt Cover
39 783-0805 RH Belt Cover
40 16606 Retainer Hook
41 618-0324 Spindle Assembly, 5.75 Dia
756-1151 Pulley Only
42 683-0198 42-inch Deck Shell
43 710-0604 Self Tapping Screw, 5/16-18 x .625
44 712-0181 Top Lock Jam Nut, 3/8-16
45 712-0271 Hex Sems Nut, 1/4-20
46 712-3006 Hex Nut, 1/4-20
47 731-2231 Belt Cover
48 736-0270 Bell Washer, .265 x .75 x .062
49 742-0616 Three-in-one Blade, Star Center, 21.23
50 731-1636 Mulch Plug, 46-inch Decks
51 731-1643A Mulch Plug, 42-inch Decks
52 712-3087 Wing Nut, 1/4-20
53 712-0291 Center Lock Nut, 1/4-20
54 710-0106 Hex Cap Screw, 1/4-20 x 1.25
55 710-0578 Screw, 1/4-20 x 1.5
56 753-0852 46-inch Deck Assembly Complete
(w/o mulch kit)
57 753-0851 42-inch Deck Assembly Complete
(w/o mulch kit)
REF.
NO. PART
NO. DESCRIPTION
NOTE: For painted parts, please refer to
the list of color codes below. Please add
the applicable color code, wherever
needed, to the part number to order a
replacement part. For instance, if a part
numbered 700-xxxx is painted Powder
Black, the part number to order would be
700-xxxx-0637.
MTD Red: 0638
Oyster Gray: 0662
Powder Black: 0637
Cutting Decks

38
Model 604
Kohler
Briggs & Stratton
Intek Twin
Single-cylinder
97
11
(for choke)
13
4
97
11
(for choke)
13
9
12
(for throttle)
6
9
22
18
19 20
8
10
14
10
5
10
5
16
15
1
(deflector must
face forward)
1820 19
14
1
(deflector must
face forward)
24
27
28
21
23
26
17
5
35
3
2
21
3
2
21
25
36

39
Engine Accessories
Briggs & Stratton
Intek Single
3
2
18
19 20
REF.
NO. PART
NO. DESCRIPTION
1 710-0148 Self Tapping Screw, #8-32 x .375
2 710-0599 Self Tapping Screw, 1/4-20 x .5
3 710-0604 Self Tapping Screw, 5/16-18 x .625
4 710-1237 Screw, #10-32 x .625
5 710-1314 Socket Cap Screw, 5/16-18 x .625
6 710-1315 Self Tapping Screw, 3/8-16 x 1.25
7 712-0798 Hex Nut, 3/8-16
8 721-0460 Exhaust Gasket (Intek Twin)
9 726-0205 Hose Clamp
10 736-0119 Lock Washer, 5/16
11 736-0221 Flat Washer, 3/8 x .56 x .018
12 751B221535 Casing Clamp
13 751-0535 Fuel Line Hose
14 751-0564 Muffler Deflector
15 751-0616 Muffler, Twin Inlet
16 751-0650 RH Exhaust Pipe (Intek Twin)
17 751-0651 LH Exhaust Pipe (Intek Twin)
18 751-3140 Oil Drain Valve
19 751-3141 Oil Drain Hose
20 751-3142 Oil Drain Cap
21 783-0615 Muffler Heat Shield
22 783-0625A Engine Heat Shield
23 710-3206A Hex Cap Screw, M8-1.25 x 25
24 712-3086 Flange Nut, M8-1.25
25 721-0375 Exhaust Gasket (Kohler)
26 736-0607 External Lock Washer, 5/16
27 751-0621 Exhaust Pipe (Kohler)
28 751-0617 Muffler, Single Inlet
29 712-0271 Hex Sems Nut, 1/4-20 (for starter cable)
30 721-0208 Exhaust Gasket (Intek Single)
31 732-0966 Extension Spring, .275 x 1.25
32 751B213146 Casing Clamp
33 751-0619 Exhaust Pipe (Intek Single)
34 746-1084 Throttle/Choke Cable (Intek Single)
35 746-1086 Throttle Cable (Intek Twin)
36 746-1087 Throttle Cable (Kohler)
REF.
NO. PART
NO. DESCRIPTION
913
931
32
4
34
14
1
(deflector must
face forward)
6
18
20
28
30
33
21
29

MANUFACTURER’S LIMITED WARRANTY FOR:
For TWO YEARS from the date of retail purchase
within the United States of America, its possessions
and territories, MTD PRODUCTS INC will, at its
option, repair or replace, for the original purchaser,
free of charge, any part or parts found to be
defective in material or workmanship. This warranty
covers units which have been operated and
maintained in accordance with the operating
instructions furnished with the unit, and which have
not been subject to misuse, abuse, commercial use,
neglect, accident, improper maintenance or
alteration.
Normal wear parts or components thereof are
subject to separate terms as noted below in the “No
Fault Ninety Day Consumer Warranty” clause.
All normal wear part failures will be covered on this
product for a period of 90 days regardless of cause.
After 90 days, but within the two year period, normal
wear parts failures will be covered ONLY IF caused
by defects in material or workmanship of OTHER
component parts. Normal wear parts are defined as
batteries*, belts, blades, blade adapters, grass bags,
rider deck wheels, seats, snow thrower skid shoes,
shave plates and tires.
How to obtain service: Warranty service is
available, with proof of purchase, through your local
authorized service dealer. To locate the dealer in
your area, please check the yellow pages or contact
the Customer Support Department of MTD
PRODUCTS INC, P. O. Box 368022, Cleveland,
Ohio 44136-9722.
Phone 1 (330) 273-4683. The return of a complete
unit will not be accepted by the factory unless prior
written permission has been extended by the
Customer Support Department of MTD PRODUCTS
INC.
Transportation charges: Transportation charges
for the movement of any power equipment unit or
attachment are the responsibility of the purchaser.
Units exported out of the United States: MTD
PRODUCTS INC does not extend any warranty for
products sold or exported outside of the United
States of America, its possessions and territories,
except those sold through MTD PRODUCTS INC’s
authorized channels of export distribution.
Other Warranties:
1. The engine or component parts thereof carry
separate warranties from their manufacturers.
Please refer to the applicable manufacturer’s
warranty on these items.
2. *Batteries are covered by a 90-day replacement
warranty.
3. Log splitter pumps, valves and cylinders or
component parts thereof are covered by a one
year warranty.
4. All other warranties, express or implied,
including any implied warranty of merchantability
or fitness for a particular purpose, are hereby
expressly disclaimed in their entirety.
5. The provisions as set forth in this warranty
provide the sole and exclusive remedy of MTD
PRODUCTS INC’s obligations arising from the
sales of its products. MTD PRODUCTS INC will
not be liable for incidental or consequential loss
or damage.
How state law relates to this warranty: This
limited warranty gives you specific legal rights, and
you may also have other rights which vary from state
to state. Certain disclaimers are not allowed in some
states and therefore they may not apply to you
under all circumstances.
NOTE: This warranty does not cover routine
maintenance items such as lubricants, filters, blade
sharpening and tune-ups, or adjustments such as
brake adjustments, clutch adjustments or deck
adjustments. Nor does this warranty cover normal
deterioration of the exterior finish due to use or
exposure.