Troy Bilt Polar Blast 10530 Users Manual 769 00293B
10530 22a93c22-1ee6-cbb4-c575-9d90d17bae78 Troy-Bilt Snow Blower 10530 User Guide |
2015-01-21
: Troy-Bilt Troy-Bilt-Polar-Blast-10530-Users-Manual-349897 troy-bilt-polar-blast-10530-users-manual-349897 troy-bilt pdf
Open the PDF directly: View PDF
.
Page Count: 32

PRINTED IN U.S.A.
Operator’s Manual
IMPORTANT: READ SAFETY RULES AND INSTRUCTIONS CAREFULLY
WARNING: This unit is equipped with an internal combustion engine and should not be used on or near any unimproved forest-
covered, brush-covered or grass-covered land unless the engine’s exhaust system is equipped with a spark arrester meeting applicable local
or state laws (if any). If a spark arrester is used, it should be maintained in effective working order by the operator. In the State of California the
above is required by law (Section 4442 of the California Public Resources Code). Other states may have similar laws. Federal laws apply on
federal lands. A spark arrester for the muffler is available through your nearest engine authorized service dealer or contact the service
department, P.O. Box 361131 Cleveland, Ohio 44136-0019.
TROY-BILT LLC, P.O. BOX 361131 CLEVELAND, OHIO 44136-0019
FORM NO
.
769-00293B.fm
(6/2004)
SNOW THROWER
Model 10530
Polar Blast

2
TABLE OF CONTENTS
FINDING MODEL NUMBER
This Operator’s Manual is an important part of your new snow thrower. It will help you assemble, prepare
and maintain the unit for best performance. Please read and understand what it says.
Before you start assembling your new equipment, please locate the model plate on the
equipment and copy the information from it in the space provided below. A sample model plate is
also given below. You can locate the model plate by standing at the operating position and
looking down at the rear of the snow thrower. This information will be necessary to use the
manufacturer’s web site and/or help from the Customer Support Department or an authorized
service dealer.
CUSTOMER SUPPORT
Please do NOT return the unit to the retailer from where it was purchased, without first contacting Customer Support.
If you have difficulty assembling this product or have any questions regarding the controls, operation or
maintenance of this unit, you can seek help from the experts. Choose from the options below:
Visit troybilt.com for many useful suggestions. Click on Customer Support button and you will
get the four options reproduced here. Click on the appropriate button and help is immediately
available.
If you prefer to reach a Customer Support Representative, please call 1-800-520-5520.
The engine manufacturer is responsible for all engine-related issues with regards to
performance, power-rating, specifications, warranty and service. Please refer to the engine
manufacturer’s Owner’s/Operator’s Manual, packed separately with your unit, for more
information.
Content Page
Important Safe Operation Practices 3
Assembling Your Snow Thrower 5
Know Your Snow Thrower 7
Operating Your Snow Thrower 9
Making Adjustments 11
Maintaining Your Snow Thrower 14
Servicing Your Snow Thrower 15
Trouble Shooting 19
Illustrated Parts 20
Commercial Warranty 31
Residential Warranty 32
Content Page
Copy the model number here:
Copy the serial number here:
www.troybilt.com
TROY-BILT LLC
P. O. BOX
361131
CLEVELAND, OH 44136
1-800-520-5520
330-558-7220
The answer you
are looking for
could be just a
mouse click
away!
Engine
Manual

3
SECTION 1: IMPORTANT SAFE OPERATION PRACTICES
This symbol points out important safety instructions, which if not followed, could endanger the personal
safety and/or property of yourself and others. Read and follow all instructions in this manual before
attempting to operate this machine. Failure to comply with these instructions may result in personal
injury. When you see this symbol—heed its warning.
WARNING: Engine Exhaust, some of its constituents, and certain vehicle components
contain or emit chemicals known to the State of California to cause cancer, birth defects or
other reproductive harm.
DANGER: This machine was built to be operated according to the rules for safe operation in this
manual. As with any type of power equipment, carelessness or error on the part of the operator can
result in serious injury. This machine is capable of amputating hands and feet and throwing objects.
Failure to observe the following safety instructions could result in serious injury or death.
TRAINING
1. Read, understand, and follow all instructions on the
machine and in the manual(s) before attempting to
assemble and operate. Keep this manual in a safe place
for future and regular reference and for ordering
replacement parts.
2. Be familiar with all controls and their proper operation.
Know how to stop the machine and disengage them
quickly.
3. Never allow children under 14 years old to operate this
machine. Children 14 years old and over should read and
understand the operation instructions and safety rules in
this manual and should be trained and supervised by a
parent.
4. Never allow adults to operate this machine without proper
instruction.
5. Thrown objects can cause serious personal injury. Plan
your snow-throwing pattern to avoid discharge of material
toward roads, bystanders and the like.
6. Keep bystanders, helpers, pets and children at least 75
feet from the machine while it is in operation. Stop
machine if anyone enters the area.
7. Exercise caution to avoid slipping or falling, especially
when operating in reverse.
PREPARATION
1. Thoroughly inspect the area where the equipment is to be
used. Remove all doormats, newspapers, sleds, boards,
wires and other foreign objects, which could be tripped
over or thrown by the auger/impeller.
2. Always wear safety glasses or eye shields during
operation and while performing an adjustment or repair to
protect your eyes. Thrown objects which ricochet can
cause serious injury to the eyes.
3. Do not operate without wearing adequate winter outer
garments. Do not wear jewelry, long scarves or other
loose clothing, which could become entangled in moving
parts. Wear footwear which will improve footing on
slippery surfaces.
4. Use a grounded three-wire extension cord and
receptacle for all units with electric start engines.
5. Adjust collector housing height to clear gravel or crushed
rock surfaces.
6. Disengage all controls before starting the engine.
7. Never attempt to make any adjustments while engine is
running, except where specifically recommended in the
operator’s manual.
8. Let engine and machine adjust to outdoor temperature
before starting to clear snow.
9. To avoid personal injury or property damage use extreme
care in handling gasoline. Gasoline is extremely
flammable and the vapors are explosive. Serious
personal injury can occur when gasoline is spilled on
yourself or your clothes, which can ignite. Wash your skin
and change clothes immediately.
a. Use only an approved gasoline container.
b. Extinguish all cigarettes, cigars, pipes and other
sources of ignition.
c. Never fuel machine indoors.
d. Never remove gas cap or add fuel while the
engine is hot or running.
e. Allow engine to cool at least two minutes before
refueling.
f. Never over fill fuel tank. Fill tank to no more than ½
inch below bottom of filler neck to provide space
for fuel expansion.
g. Replace gasoline cap and tighten securely.
h. If gasoline is spilled, wipe it off the engine and
equipment. Move machine to another area. Wait 5
minutes before starting the engine.
i. Never store the machine or fuel container inside
where there is an open flame, spark or pilot light
(e.g. furnace, water heater, space heater, clothes
dryer etc.).
j. Allow machine to cool at least 5 minutes before
storing.
OPERATION
1. Do not put hands or feet near rotating parts, in the auger/
impeller housing or chute assembly. Contact with the
rotating parts can amputate hands and feet.
2. The auger/impeller control is a safety device. Never
bypass its operation. Doing so makes the machine
unsafe and may cause personal injury.
3. The controls must operate easily in both directions and
automatically return to the disengaged position when
released.

4
4. Never operate with a missing or damaged chute
assembly. Keep all safety devices in place and working.
5. Never run an engine indoors or in a poorly ventilated
area. Engine exhaust contains carbon monoxide, an
odorless and deadly gas.
6. Do not operate machine while under the influence of
alcohol or drugs.
7. Muffler and engine become hot and can cause a burn. Do
not touch.
8. Exercise extreme caution when operating on or crossing
gravel surfaces. Stay alert for hidden hazards or traffic.
9. Exercise caution when changing direction and while
operating on slopes.
10. Plan your snow-throwing pattern to avoid discharge
towards windows, walls, cars etc. Thus, avoiding
possible property damage or personal injury caused by a
ricochet.
11. Never direct discharge at children, bystanders and pets
or allow anyone in front of the machine.
12. Do not overload machine capacity by attempting to clear
snow at too fast of a rate.
13. Never operate this machine without good visibility or
light. Always be sure of your footing and keep a firm hold
on the handles. Walk, never run.
14. Disengage power to the auger/impeller when
transporting or not in use.
15. Never operate machine at high transport speeds on
slippery surfaces. Look down and behind and use care
when in reverse.
16. If the machine should start to vibrate abnormally, stop the
engine, disconnect the spark plug wire and ground it
against the engine. Inspect thoroughly for damage.
Repair any damage before starting and operating.
17. Disengage all controls and stop engine before you leave
the operating position (behind the handles). Wait until the
auger/impeller comes to a complete stop before
unclogging the chute assembly, making any adjustments,
or inspections.
18. Never put your hand in the discharge or collector
openings. Always use the clean-out tool provided to
unclog the discharge opening. Do not unclog chute
assembly while engine is running. Shut off engine and
remain behind handles until all moving parts have
stopped before unclogging.
19. Use only attachments and accessories approved by the
manufacturer (e.g. wheel weights, tire chains, cabs etc.).
20. If situations occur which are not covered in this manual,
use care and good judgment.
Contact your dealer or telephone 1-800-520-5520 for
assistance and the name of your nearest servicing
dealer.
MAINTENANCE AND STORAGE
1. Never tamper with safety devices. Check their proper
operation regularly. Refer to the maintenance and
adjustment sections of this manual.
2. Before cleaning, repairing or inspecting machine
disengage all clutch levers and stop engine. Wait until the
auger/impeller come to a complete stop. Disconnect the
spark plug wire and ground against the engine to prevent
unintended starting.
3. Check bolts and screws for proper tightness at frequent
intervals to keep the machine in safe working condition.
Also, visually inspect machine for any damage.
4. Do not change the engine governor setting or over-speed
the engine. The governor controls the maximum safe
operating speed of the engine.
5. Snow thrower shave plates and skid shoes are subject to
wear and damage. For your safety protection, frequently
check all components and replace with original
equipment manufacturer’s (OEM) parts only. “Use of
parts which do not meet the original equipment
specifications may lead to improper performance and
compromise safety!”
6. Check clutch controls periodically to verify they engage
and disengage properly and adjust, if necessary. Refer to
the adjustment section in this operator’s manual for
instructions.
7. Maintain or replace safety and instruction labels, as
necessary.
8. Observe proper disposal laws and regulations for gas,
oil, etc. to protect the environment.
9. Prior to storing, run machine a few minutes to clear snow
from machine and prevent freeze up of auger/impeller.
10. Never store the machine or fuel container inside where
there is an open flame, spark or pilot light such as a water
heater, furnace, clothes dryer etc.
11. Always refer to the operator’s manual for proper
instructions on off-season storage.
WARNING — YOUR RESPONSIBILITY:
Restrict the use of this power machine to persons who
read, understand and follow the warnings and
instructions in this manual and on the machine. The
safety labels are shown below for your reference.

5
SECTION 2: ASSEMBLING YOUR SNOW THROWER
NOTE: All references to right or left side of the snow
thrower are determined from behind the unit in the
operating position. The “operator’s position” is defined
as standing directly behind the snow thrower, facing the
handle panel.
Hardware Pack
Figure 1
• The augers are secured to the auger shaft with two
shear bolts and flange lock nuts. If you hit a foreign
object or ice jam, the snow thrower is designed so
that the bolts may shear. Two replacement shear
bolts and nuts are provided for your convenience.
Store in a safe place until needed. See Figure 1.
IMPORTANT:
NEVER replace the auger shear bolts with
standard hex bolts. Any damage to the auger gearbox
or other components from standard hex bolts will not be
covered by your snow thrower’s warranty.
Assembling Handle
WARNING: Disconnect the spark plug
wire and ground it against the engine to
prevent unintended starting.
IMPORTANT:
Make any adjustments, as instructed on
Page 11, before operating your snow thrower. Failure
to follow these instructions may cause damage to the
snow thrower.
• Remove the lower plastic wing nut, cupped
washer, and carriage bolt from each side of the
lower handle. See Figure 2.
Figure 2
NOTE: Before proceeding, look at the lower rear of the
snow thrower frame to be sure the spring (found at the
end of each cable) is attached to its actuator bracket
See Figure 3.
• Pivot the upper handle assembly forward until it
locks over the lower handle. See Figure 2.
• Secure the upper handle and lower handle with the
two plastic wing nuts, bell washers and carriage
bolts previously removed from the lower hole.
• Firmly tighten all four wing nuts to secure the upper
handle to the lower handle.
• Slide the shift rod connector down over the end of
the lower shift rod. Tap the connector until it locks
over the lower shift rod. See Figure 3.
NOTE: If the connector is not properly assembled, the
shift rod will pivot and you will not be able to change
speeds or change directions.
Shear Bolts Flange Lock
Nuts
B
A
ATTACHING THE CHUTE ASSEMBLY
Chute Flange Keepers
731-0851 (3) Not Shown
REPLACEMENT SHEAR BOLTS
Hex Screws
1/4-20 x 1.00”
(710-0597)
Flange Lock Nuts
1/4-20 Thread
(712-04064)
Wing Nut
Carriage Bolt
Bell Washer

6
Figure 3
Attaching Chute Assembly (Hardware Group A)
• Place chute assembly over chute opening, with the
opening in the chute assembly facing the front of
the unit.
• Place chute flange keepers beneath lip of chute
assembly, with the flat side of chute flange keeper
facing downward.
• Insert hex screw up through chute flange keeper
and chute assembly and secure with hex lock nut.
After assembling all three chute flange keepers,
tighten all nuts and screws securely with two 7/16”
wrenches. Do not overtighten. See Figure 4A.
• With the lock nuts loosened on the lower chute rod
bracket (See Figure 4B) adjust the bracket so that
the spiral fully engages the teeth on the chute
assembly. Tighten the lock nuts on the lower chute
rod bracket securely.
Figure 4
Attaching Chute Directional Control
• Remove the hairpin clip from the upper chute rod
and slide the upper chute rod through the upper
chute rod bracket and into the lower chute rod. See
Figure 5.
• Align the two holes on both chute rods and insert
the hairpin clip removed earlier, through these
holes. See Figure 5.
Figure 5
Actuator Brackets and Springs
Wing Nut
Carriage Bolt
Bell Washer
Shift Rod
Connector
Springs
Chute Assembly
Hex Screw
Hex Lock Nut
Chute Flange
Keeper
Chute Directional
Control
Spiral
Lower Chute
Rod
Bracket
A
B
Chute
Assembly
Lock Nuts
Upper Chute Rod
Lower Chute Rod
Hairpin Clip
Upper Chute
Rod Bracket

7
Routing Chute Tilt Cables
• If not already routed, slip the cables that run from
beneath the handle panel to the chute assembly
through the cable guide located on top of the
engine housing. See Figure 6.
Figure 6
Connecting Alternator Lead
• If not already routed, unwrap the headlight wire
which is attached to the headlights, beneath the
handle panel. Wind the wire around the lower right
handle until excess slack is removed.
• Plug the wire from the headlight into the alternator
lead located on the right side of the engine,
beneath the fuel tank. See Figure 7.
Figure 7
SECTION 3: KNOW YOUR SNOW THROWER
WARNING: Read, understand, and follow
all instructions and warnings on the machine
and in this manual before operating.
Throttle Control
The throttle control is located on the engine. It regulates
the speed of the engine and also stops the engine. See
Figure 8.
Fuel Shut-Off Valve (Optional Equipment)
On models so equipped, the fuel shut-off valve, located
under fuel tank, controls fuel-flow from the fuel tank to
the engine. See Figure 8.
Safety Ignition Key
The ignition key must be inserted and snapped in place
in order for the engine to start. Remove the ignition key
to prevent unauthorized use of equipment.Do NOT
“turn” the ignition key in an attempt to start the engine.
Skid Shoes
The space between the shave plate and the ground can
be adjusted by positioning the skid shoes. Refer to Skid
Shoe Adjustment on page 13.
Shift Lever
The shift lever is located in the center of the handle
panel and is used to determine ground speed and
direction of travel. It can be moved into any of eight
positions. See Figure 8.
IMPORTANT:
Always release drive control before
changing speeds.
Forward
Your snow thrower has six forward (F) speeds, with
position number one (1) being the slowest speed.
Reverse
Your snow thrower has two reverse (R) speeds,
with position number one (1) being the slower
speed.
Drive Control / Auger Control Lock
The drive control is located on the right handle.
Squeeze the drive control to engage the wheel drive.
Release to stop. See Figure 8.
The drive control also locks the auger control, so you
can operate the chute directional control without
interrupting the snow throwing process. If the auger
control is engaged simultaneously with the drive
control, the operator can release the auger control (on
the left handle) and the augers will remain engaged.
Release both controls to stop the augers and wheel
drive.
IMPORTANT:
ALWAYS release the drive control before
moving the shift lever. Failure to do so will result in
premature wear to the drive system’s friction wheel.
Cable Guide
Discharge Chute
Lamp Wire
Alternator Lead

8
Figure 8
Auger Control
The auger control is located on the left handle.
Squeeze the auger control to engage the augers.
Release to stop the snow throwing action. The drive
control must also be released in order to stop the auger.
IMPORTANT:
Refer to Auger Control Test on page 10 prior
to operating your snow thrower. Read and follow all
instructions carefully and perform all adjustments to
verify your snow thrower is operating safely and
properly.
Chute Tilt Control
The distance snow is thrown can be changed by
adjusting the angle of the upper chute. Move the chute
tilt control forward to decrease the distance, and
backwards to increase distance. See Figure 8.
Chute Directional Control
The chute directional control is located on left hand side
of the snow thrower.To change the direction which
snow is thrown, rotate chute directional control as
follows:
• Clockwise to discharge to the left.
• Counterclockwise to discharge to the right.
Headlights
When properly connected, both headlights illuminate
whenever the engine is running.
Clean-out Tool
WARNING: Never use your hand to clear a
clogged chute. Shut off engine and remain
behind handles until all moving parts have
stopped before unclogging. Use the clean-out
tool or a stick to unclog.
This item, along with the electric cord, is fastened with a
cable tie to the rear of the auger housing at the factory.
Cut the cable tie and remove the electric cord before
operating the snow thrower.
The clean-out tool (see Figure 8) is designed to clear a
clogged chute. Refer to page 11 for detailed
instructions on how to properly use the clean-out tool.
Wheel Steering Controls
The left and right wheel steering controls are located on
the underside of the handles and are used to assist in
steering the snow thrower.
• Squeeze the right wheel steering control when
turning right; squeeze the left control when turning
left.
• Operate the snow thrower in open areas until
becoming familiar with these controls.
Switch
Box
Electric
Starter
Button
Recoil
Starter
Handle
Primer
Choke
Throttle Control
Open
Fuel Tank
Auger
Skid Shoe
Shift Lever
Drive Control /
Headlights
Discharge
Auger Control
Left Wheel Steering Control
Chute Tilt Control
Auger Control Lock
Chute
Chute
Clean-out Tool
Chute
Directional Control
Safety Ignition
Key
Closed
Fuel Shut-Off Valve
*If Equipped
Right Wheel Steering Control

9
SECTION 4: OPERATING YOUR SNOW THROWER
Before Starting
WARNING: Read, understand, and follow
all instructions and warnings on the machine
and in this manual before operating.
Gas And Oil Fill-up
Service the engine with gasoline and oil as
instructed in the separate engine manual packed with
your snow thrower. Read instructions carefully.
WARNING: Use extreme care when
handling gasoline. Gasoline is extremely
flammable and the vapors are explosive.
Never fuel machine indoors or while the
engine is hot or running. Extinguish
cigarettes, cigars, pipes and other sources of
ignition.
• A plastic cap is provided inside the fuel fill opening
to protect the tank during manufacturing. Remove
and discard. Use the separate threaded fuel tank
cap to close after fill-up.
To Start Engine
NOTE: If unit shows any sign of motion (drive or
augers) with the controls disengaged, shut engine off
immediately. Readjust as instructed on page 10—Auger
Control Test) and page 11—Drive Control and Shift Lever.
• Attach spark plug wire to spark plug. Make certain
the metal loop on end of the spark plug wire (inside
the boot) is fastened securely over the metal tip on
the spark plug.
• Make certain the fuel shut-off valve, if so equipped,
is in the OPEN (vertical) position.
• Make certain the auger and drive controls are in the
disengaged (up) position.
• Move throttle control up to FAST position. Insert
ignition key into slot and snap in place. See Figure
8. Do not turn key.
NOTE: Engine will not start unless ignition key is
inserted into ignition slot in carburetor cover.
Electric Starter
• Determine that your house wiring is a three-wire
grounded system. Ask a licensed electrician if you
are not certain.
WARNING: The electric starter is
equipped with a grounded three-wire power
cord and plug and is designed to operate on
120 volt AC household current. It must be
used with a properly grounded three-prong
receptacle at all times to avoid the possibility
of electric shock. Follow all instructions
carefully prior to operating the electric starter.
• If your house wiring system is not a three-wire
grounded system, do not use this electric starter
under any conditions.
• If your home electrical system is grounded, but a
three-hole receptacle is not available, one should
be installed by a licensed electrician before using
the electric starter.
• If you have a grounded three-prong receptacle,
proceed as follows:
• Connect power cord to switch box on engine. Plug
the other end of power cord into a three-prong, 120-
volt, grounded, AC receptacle.
• Rotate choke knob to FULL choke position (cold
engine start). If engine is warm, place choke in OFF
position instead of FULL.
• Push primer button two or three times for cold
engine start, making sure to cover vent hole in
primer button when pushing. DO NOT use primer to
restart a warm engine after a short shutdown.
• Push starter button to start engine.
• When engine starts, release starter button, and
move choke gradually to OFF. If engine falters,
move choke immediately to FULL and then
gradually to OFF.
• When disconnecting the power cord, always unplug
from the three-prong receptacle first and then from
the snow thrower.
Recoil Starter
• Rotate choke knob to FULL choke position (cold
engine start). If engine is warm, place choke in OFF
position instead of FULL.
• Push primer button three or four times for cold
engine start. DO NOT use primer to restart a warm
engine after a short shutdown.
NOTE: Always cover vent hole in primer button when
pushing. Additional priming may be necessary for first
start if temperature is below 15°F.
• Grasp starter handle and pull rope out slowly, until
it pulls slightly harder. Let rope rewind slowly.
• Pull starter handle rapidly. Do not allow handle to
snap back. Allow it to rewind slowly while keeping a
firm hold on the starter handle.
• Repeat the previous steps until engine starts.

10
• As engine warms up, rotate choke knob slowly to
OFF position. If engine falters, return to FULL
choke, then slowly move to OFF position.
To Stop Engine
• Run engine for a few minutes before stopping to
help dry off any moisture on the engine.
• To help prevent possible freeze-up of starter,
proceed as follows:
Electric Starter:
• Connect power cord to switch box on engine, then
to 120 volt AC receptacle. With the engine running,
push starter button and spin the starter for several
seconds. The unusual sound made by spinning the
starter will not harm engine or starter. Disconnect
the power cord from receptacle first, and then from
switch box.
Recoil Starter
• With engine running, pull starter rope with a rapid,
continuous full arm stroke three or four times.
Pulling the starter rope will produce a loud clattering
sound, which is not harmful to the engine or starter.
• Move throttle control to “stop” or “off” position.
• Remove ignition key to prevent unauthorized use of
equipment. Do not turn key.
NOTE: Keep key in a safe place. Engine will not start
without ignition key.
• Wipe all snow and moisture from the carburetor
cover in the area of the control levers. Also, move
control levers back and forth several times.
To Engage Augers
• To engage augers and start throwing snow,
squeeze the auger control against the left handle.
• To disengage power to the augers, release both the
auger control and the drive control, if engaged.
The auger control can be locked so you can turn the
chute directional control without interrupting the snow
throwing process.
Auger Control Test
IMPORTANT:
Perform the following test before
operating the snow thrower for the first time and at the
start of each winter season.
Check the adjustment of the auger control as follows:
• When the auger control is released and in the
disengaged “up” position, the cable should have
very little slack, but should NOT be tight.
WARNING: Do not over-tighten the cable.
Over-tightening may prevent the auger from
disengaging and compromise the safety of the
snow thrower.
• In a well-ventilated area, start the snow thrower
engine as instructed earlier in this section under the
heading Starting Engine. Make sure the throttle is set
in the FAST position.
• While standing in the operator’s position (behind
the snow thrower) engage the auger.
• Allow the auger to remain engaged for
approximately ten (10) seconds before releasing
the auger control. Repeat this several times.
• With the engine running in the FAST position and
the auger control in the disengaged “up” position,
walk to the front of the machine.
• Confirm that the auger has completely stopped
rotating and shows NO signs of motion.
IMPORTANT:
If the auger shows ANY signs of rotating,
immediately return to the operator’s position and shut
off the engine. Wait for all moving parts to stop before
readjusting the auger control cable.
• To readjust the control cable, unhook the spring
(found on the end of the auger cable) from the
auger actuator bracket. See Figure 9.
Figure 9
• Push the cable coupler through the end of the
spring to expose the lock nut. See Figure 10.
Figure 10
• Thread the lock nut outward (down the coupler)
three full turns to provide more slack in the cable
and reattach the spring to the bracket.
Auger
Actuator Bracket
Auger
Drive
Actuator
Bracket
Spring
Drive
Spring
Spring
Coupler
Cable
Lock Nut
Less Slack More Slack

11
• Repeat Auger Control Test to verify proper
adjustment has been achieved. Repeat the
previous steps to provide more slack in the cable, if
necessary.
To Engage Wheel Drive
• With the engine running near top speed, move the
shift lever into one of the six FORWARD positions
or two REVERSE positions. Select a speed
appropriate for the snow conditions.
NOTE: Use slower speeds in heavy conditions and
until you are familiar and comfortable with the operation
of the snow thrower.
• Squeeze the drive control against the right handle
and the snow thrower will move. Release it and the
drive motion will stop.
IMPORTANT:
NEVER move the shift lever without first
releasing the drive control. Doing so will cause
premature wear to the drive system’s friction wheel.
Wheel Steering Controls
The left and right wheel steering controls are located on
the underside of the handles.
• With the traction control engaged, squeeze the
right wheel steering control to assist in turning right;
squeeze the left control to assist in turning left.
Clean-Out Tool
The clean-out tool is conveniently fastened to the rear
of the auger housing with a mounting clip (Refer to
Figure 8 ). If the chute assembly becomes clogged
during operation, proceed as follows to safely clean the
chute and chute opening:
1. Release both the Auger Control and the
Drive/
Auger Control Lock.
2. Stop the engine by moving the throttle to the stop
position.
3. Remove the clean-out tool from the mounting clip.
4. Use the shovel-shaped end of the clean-out tool to
remove any snow and ice in the chute assembly.
WARNING: Never use your hand to clear a
clogged chute. Shut off engine and remain
behind handles until all moving parts have
stopped before unclogging. Use the clean-out
tool or a stick to unclog.
5. Refasten the clean-out tool to the mounting clip on
the rear of the auger housing, re-start the engine.
6. While standing in the operator’s position (behind
the snow thrower), engage the auger control for a
few seconds to clear any remaining snow or ice
from the chute assembly before continuing to clear
snow.
Operating Tips
WARNING: The temperature of the muffler
and the surrounding areas may exceed
150°F. Avoid these areas.
• Allow the engine to warm up for a few minutes. The
engine will not develop full power until it reaches
operating temperature.
• For the most efficient snow removal, remove snow
immediately after it falls.
• Discharge the snow downwind whenever possible.
• Slightly overlap each previous path.
• Set the skid shoes 1/4" below the shave plate for
normal usage. The skid shoes may be adjusted
upward (to lower the shave plate) for hard-packed
snow. Adjust downward (to raise the shave plate)
when using on gravel or crushed rock.
SECTION 5: MAKING ADJUSTMENTS
WARNING: NEVER attempt to clean
chute or make any adjustments while engine
is running. Always wear safety glasses
during operation or while performing any
adjustments or repairs.
Drive Control and Shift Lever
To check the adjustment of the drive control and shift
lever, proceed as follows:
• Move the shift lever into sixth (6) position.
• With the drive control released, push the snow
thrower forward, then pull it back. The machine
should move freely.
• Engage the drive control and attempt to move the
machine both forward and back, resistance should
be felt.
• Move the shift lever into the fast reverse (R2)
position and repeat the previous two steps.
If you experienced resistance rolling the unit, either
when repositioning the shift lever from 6 to R2 or when
attempting to move the machine with the drive control
released, adjust the drive control immediately. To
adjust, proceed as follows:
• To readjust the drive control cable, unhook the
drive spring (found on the end of the drive control

12
cable) from the drive actuator bracket. See Figure
9.
• Push the cable coupler through the end of the
spring to expose the lock nut. See Figure 10.
• Thread the lock nut outward (down the coupler)
three full turns to provide more slack in the cable
and reattach the spring to the bracket.
• Check the adjustment of the drive control as
instructed earlier. Repeat the previous steps to
provide more slack in the cable, if necessary.
If you are uncertain that you have reached the correct
adjustment, proceed as follows:
WARNING: Drain the gasoline out of your
snow thrower’s engine, or place a piece of
plastic film under the gas cap to avoid spillage
before beginning the job.
• Tip the snow thrower forward, allowing it to rest on
the auger housing.
• Remove the frame cover underneath the snow
thrower by removing six self-tapping screws.
• With the drive control released, make sure there is
clearance between the friction wheel and the drive
plate in all positions of the shift lever.
• With the drive control lever engaged, make sure the
friction wheel solidly contacts the drive plate. See
Figure 11.
Figure 11
If adjustment is necessary, adjust drive control as
instructed below:
• Thread the lock nut outward (down the coupler) to
provide more slack in the cable or thread the lock
nut inward (up the coupler) to provide less slack in
the cable. Refer to Figure 10.
• Reattach the spring to the bracket.
Figure 12
• Reassemble the frame cover.
NOTE: If you placed plastic film under the gas cap, be
certain to remove it before operating the snow thrower.
Shift Rod
If your snow thrower is not achieving its full range of
speeds, the shift rod is in need of adjustment. To adjust
the shift rod, proceed as follows:
• Remove the hairpin clip and flat washer from the
shift handle under the handle panel.
• Place shift lever in sixth (6) position (fastest forward
speed).
• Push shift arm assembly down as far as it will go.
• Rotate the ferrule up or down on the shift rod as
necessary until the ferrule lines up with the upper
hole in the shift lever. See Figure 12.
• Insert ferrule from the left side of the snow thrower
into the upper hole.
• Reinstall the hairpin clip and the washer.
NOTE: Make certain to check for correct adjustment
of the shift rod as instructed on page 11—Drive Control
and Shift Lever before operating the snow thrower.
Auger Control
Refer to Auger Control Test on page 10 to adjust the
auger control. Check for correct adjustment as
instructed before operating the snow thrower.
Tire Pressure (Pneumatic Tires)
The tires are overinflated for shipping purposes.
• Check the tire pressure before operating the snow
thrower. Refer to the tire side wall for tire
manufacturer’s recommended psi and deflate (or
inflate) the tires as necessary.
Trigger Cables
Shift Arm Drive Actuator
Auger Actuator
Hex Nut
Hex Gear Shaft
Drive Plate
Bracket
Bracket
And Cupped
Washer
Friction
Wheel
Shift Lever
Ferrule
Shift Arm
Lower Shift Rod
Clutch Rod
Connector
Hairpin Clip &
Flat Washer

13
NOTE: If the tire pressure is not equal on both sides,
the unit may pull to one side or the other.
WARNING: Under any circumstance do not
exceed manufacturer’s recommended psi.
Equal tire pressure should be maintained at all
times. Excessive pressure when seating
beads may cause tire/rim assembly to burst
with force sufficient to cause serious injury.
Refer to sidewall of tire for recommended
pressure.
Skid Shoe Adjustment
The space between the shave plate and the ground can
be adjusted by raising or lowering the skid shoes.
For close snow removal, as when using on a smooth
concrete or asphalt driveway, place the skid shoes in
the low position. Use the middle or high position when
the area to be cleared is uneven. When operating on
gravel, always put skid shoes in the high position.
See .
Adjust skid shoes as follows:
• Loosen, but do not remove, the three hex nuts
which fasten the skid shoe to the auger housing.
• Raise or lower the skid shoe to desired position.
• Retighten the hex nuts loosened earlier.
• Repeat on the other side of the snow thrower.
NOTE: Make certain the bottom surface of skid shoe is
flat against the ground to avoid uneven wear.
Figure 13
Chute Assembly
• The distance snow is thrown can be adjusted by
adjusting the angle of the upper chute. Refer to
Chute Tilt Control on page 8.
• The remote chute control cables have been pre-
adjusted at the factory. Move the remote chute
lever on the control panel back and forward to
adjust angle of the upper chute.
High
Hex Nuts
Carriage Bolts
Skid
Low
Shave Plate
Shoes

14
SECTION 6: MAINTAINING YOUR SNOW THROWER
WARNING: Before lubricating, repairing, or
inspecting, disengage all controls and stop
engine. Wait until all moving parts have come
to a complete stop. Disconnect the spark plug
wire and ground it against the engine to
prevent unintended starting. Always wear
safety glasses during operation or while
performing any adjustments or repairs.
General Recommendations
• Always observe safety rules when performing any
maintenance.
• The warranty on this snow thrower does not cover
items that have been subjected to operator abuse
or negligence.
• Some adjustments will have to be made
periodically to maintain your unit properly.
• All adjustments in the service and adjustments
sections of this manual should be checked at least
once each season.
• Follow the maintenance schedule given below.
• Periodically check all fasteners and hardware to
make sure these are tight.
Check V-Belts
Follow the instructions below to check the condition of
the drive belts every 50 hours of operation.
• Remove the plastic belt cover on the front of the
engine by removing the three self-tapping screws.
• Visually inspect for frayed, cracked, or excessively
worn out belts.
• Replace belts as necessary as outlined in SERVICING
YOUR SNOW THROWER.
Lubrication
Auger Shaft
• At least once a season, remove the shear bolts
from the auger shaft and spray lubricant inside the
shaft. See Figure 14.
• Grease fittings can be found at either end of the
auger shaft. Lubricate with a grease gun once a
season. See Figure 14.
Gear Case
The auger gear case is equipped with a grease fitting.
Lubricate with Shell Alvania lead-free grease once a
season (order part number 737-0168). See Figure 14.
IMPORTANT:
To relieve pressure, remove the vent plug
before lubricating the gear case. See Figure 14. Failure
to do so could result in damage to the gear case seals.
Figure 14
Chute Assembly
The base of the chute assembly and the spiral on the
chute directional control should be lubricated at least
every 25 hours of use. Apply the lubricant under the
base of the chute assembly and where the spiral
contacts the chute assembly. See Figure 15.
Figure 15
Drive and Shifting Mechanism
At least once a season or after every 25 hours of
operation, remove rear cover. Lubricate any chains,
sprockets, gears, bearings, shafts, and the shifting
mechanism at least once a season. Use engine oil or a
spray lubricant. Avoid getting oil on friction wheel and
aluminum drive plate. Refer to Figure 11.
Gear Shaft
Lubricate the gear shaft with 6-in-1 grease (part
number 737-0170) at least once a season, or after
every 25 hours of operation. Refer to Figure 11.
Bearings
Vent Plug
Shear Bolt
Grease
Fitting
Grease
Fitting
Grease Fitting
Shear Bolt
Lube Under Chute
Assembly Base
Chute Directional
Control Spiral

15
Figure 16
IMPORTANT:
Be careful not to allow grease to get on the
drive plate or friction wheel.
Drive Control / Auger Control Lock
The cams on the ends of the control rods which
interlock the drive and auger controls must be
lubricated at least once a season or every 25 hours of
operation using a multi-purpose automotive grease.
The cams can be accessed beneath the handle panel.
See Figure 16.
Engine
Refer to the separate engine manual packed with your
unit for all engine lubrication instructions.
Bonded Friction Wheel
Follow the instructions below to check the condition of
the bonded friction wheel every 25 hours of operation.
• Remove the six self-tapping screws from the frame
cover underneath the snow thrower.
• Visually inspect the bonded friction wheel for
excessive wear, cracks, or loose fit on the friction
wheel drive hub.
• Also engage the drive control and check if the
friction wheel is making contact with the friction
plate. Refer to Figure 11.
• If it does not make contact, adjust the drive cable
and recheck the friction wheel.
• Replace bonded friction wheel if necessary. Refer
to instructions in Service Section on Page 17.
SECTION 7: SERVICING YOUR SNOW THROWER
WARNING: Before servicing, repairing, or
inspecting, disengage all controls and stop
engine. Wait until all moving parts have come
to a complete stop. Disconnect spark plug
wire and ground it against the engine to
prevent unintended starting. Always wear
safety glasses during operation or while
performing any adjustments or repairs.
Augers
The augers are secured to the spiral shaft with two
shear bolts and flange lock nuts. If you hit a foreign
object or ice jam, the snow thrower is designed so that
the bolts may shear. See Figure 17.
If the augers do not turn, check if the bolts have
sheared. Two replacement shear bolts and flange lock
nuts have been provided with the snow thrower. Refer
to Hardware Pack on page 5.
IMPORTANT:
NEVER replace the auger shear bolts with
standard hex bolts. Any damage to the auger gearbox
or other components, as a result of doing so, will NOT
be covered by your snow thrower’s warranty.
Shave Plate and Skid Shoes
The shave plate and skid shoes on the bottom of the
snow thrower are subject to wear. They should be
checked periodically and replaced when necessary.
NOTE: The skid shoes on this machine have two wear
edges. When one side wears out, they can be rotated
180° to use the other edge.
• Remove the six carriage bolts (three per side), and
flange lock nuts which secure the skid shoes to the
snow thrower on either side. See .
• Reassemble new skid shoes with the hardware
removed earlier. Make certain the skid shoes are
adjusted to be level. Refer to .
• To remove the shave plate, remove the carriage
bolts, and flange lock nuts which secure the shave
plate to the snow thrower housing. See Figure 17.
Lube Cams Here
Handle Panel
Control Rods

16
Figure 17
• Reassemble the new shave plate, making sure
heads of carriage bolts are to the inside of the
housing. Tighten securely.
Replacing Belts
To remove and replace either the auger belt or the drive
belt, follow the steps below and then proceed to the
specific steps listed under respective sub-headings.
• Disconnect the chute directional control at the
chute assembly base by removing the hairpin clip
and the flat washer. See Figure 18.
• Remove the plastic belt cover, located near the
engine, by removing the three self-tapping screws
and flat washers that secure it. See Figure 18.
Figure 18
• Remove the large shoulder bolt and washer on the
left hand side of the engine pulley. See Figure 19.
Figure 19
Auger Belt
• Remove the cotter pin and washer from the ferrule
in order to disconnect the auger idler rod from the
brake bracket assembly. See Figure 20.
Figure 20
• Slip the auger control belt (the front belt) off the
engine pulley.
• Pull the brake bracket assembly towards the cable
guide roller and unhook the auger cable “Z” fitting.
• Remove the upper bolts and lock washers which
secure the auger housing assembly to the frame
assembly using a 9/16” wrench. See Figure 18.
• Separate the auger housing from the frame
assembly by tilting the housing forward and pulling
up the handles.
• Using a 1/2” wrench, remove the hex bolt and bell
washer from the center of the pulley on the auger
housing. Lift the brake bracket assembly out of the
pulley groove and remove the pulley. Be careful not
to lose the key. See Figure 21.
Shear Bolts
Carriage Bolt Flange Lock Nut Shave Plate
Upper Bolt
(remove)
Hairpin
Clip
Flat Belt Cover
Belt Cover Screws(3)
Shoulder Bolt
(do not remove)
Washer
Shoulder Bolt
Engine Pulley
Ferrule
Engine
Pulley
Auger Idler
Rod
Auger Control
Belt
Brake Bracket
Assembly
Z Fitting
Cable Roller
Guide

17
Figure 21
• Remove and replace auger belt inside belt keepers.
• Reassemble pulley to auger housing with hex bolt
and bell washer (cupped side toward the pulley).
Make sure key is in place on shaft and brake puck
is seated in the pulley groove.
• Reassemble the belt cover and chute directional
control.
Proper Adjustment: With the auger control in the
disengaged position the top surface of the new belt
should be even with the outside diameter of the pulley.
• To adjust, disconnect ferrule from brake bracket
assembly and thread ferrule in (towards idler) to
increase tension on belt, and out to decrease tension.
NOTE: The brake puck must always be firmly seated in
the pulley groove when the auger control is in the
disengaged position.
Drive Belt
• Unhook the extension spring from the belt cover
plate. See Figure 22.
• Remove drive belt from the engine pulley and
bottom drive pulley. Refer to Figure 22.
Figure 22
• Replace belt and reassemble in reverse order.
• Reassemble the two halves of the unit hooking the
lower portion of the auger housing over the
stationary shoulder bolts in the frame assembly.
• Secure the two halves with the two bolts and lock
washers removed earlier. Refer to Figure 18.
• Attach the “Z” fitting of the cable into the brake
bracket assembly. Refer to Figure 20.
• Slip the auger control belt over engine pulley.
• Insert ferrule on auger idler rod into bracket
assembly and secure with flat washer and cotter
pin. Reassemble the large shoulder bolt and lock
washer as shown in Figure 19.
• Reassemble belt cover and chute directional
control.
Changing Bonded Friction Wheel
The bonded friction wheel is subject to wear and should
be checked after the first 25 hours of operation, and
periodically thereafter. Replace the bonded friction
wheel if any signs of wear or cracking are found.
• Drain the gasoline from the snow thrower, or place
a piece of plastic under the gas cap.
• Tip the snow thrower up and forward, so that it rests
on the housing.
• Remove six screws from the frame cover
underneath the snow thrower.
• Remove the left wheel from the axle.
• Using a 7/8” wrench, hold the hex shaft and remove
the hex bolt, bell washer and bearing from left side
of the frame.
• Holding the friction wheel assembly, slide the hex
shaft out of the left side of the unit. The spacer on
the right side of the hex shaft will fall and the
sprocket should remain hanging lose in the chain.
See Figure 23A.
• Lift the friction wheel assembly out between the
axle shaft and the drive shaft assemblies.
• Remove four screws securing the friction wheel
assembly together. See Figure 23B.
• Discard old bonded friction wheel.
• Reassemble the new bonded friction wheel to the
friction wheel assembly, tightening the four screws
in rotation and with equal force.
• Insert the pin from the shift arm assembly into the
friction wheel assembly and hold assembly in
position. See Figure 23A.
• Slide the hex shaft through the left side of the
housing and through the friction wheel assembly.
• Insert the hex shaft through the sprocket and the
spacer. Make certain that the chain engages both
the large and the small sprocket. See Figure 24.
Brake Bracket Assembly Auger Belt
Hex Bolt &
Bell Washer
Belt Keepers
Auger Pulley
Idler Pulley
Drive Belt
Extension Spring
Belt Cover

18
Figure 23
Figure 24
NOTE: If the sprocket fell from the snow thrower while
removing the hex shaft, place the sprocket on the hex
shaft. Position the hex hub of the sprocket toward the
friction wheel when sliding the sprocket on to the hex
shaft. See Figure 24.
• Secure with the bell washer and hex bolt removed
earlier.
• Secure the frame cover with six self-tapping
screws. Put the snow thrower down to its normal
operating position.
NOTE: If you placed plastic film under the gas cap, be
certain to remove it.
Off-Season Storage
WARNING: Never store engine with fuel in
tank indoors or in poorly ventilated areas,
where fuel fumes may reach an open flame,
spark or pilot light as on a furnace, water
heater, clothes dryer or other gas appliance.
• If unit is to be stored over 30 days, prepare engine
for storage as instructed in the engine manual.
• Remove all debris from the exterior of equipment.
• Follow lubrication recommendations on page 14.
• Always store the snow thrower in a clean, dry area.
NOTE: When storing any type of power equipment in
an unventilated or metal storage shed, care should be
taken to rust proof the equipment. Using a light oil or
silicone, coat the equipment, especially any chains,
springs, bearings, and cables.
Shift Arm
Assembly
Pin
Friction
Wheel
Sprocket
Spacer
Shift Arm Assembly
Pin
Sprocket
Spacer
Friction Wheel
A
B
Plate
Screws
Hub
Bearing
Bonded Friction
Wheel
Hex Shaft
Shift Arm
Assembly
Pin
Friction
Wheel
Sprocket
Spacer
Sprocket
Hex Hub Spacer
Of Sprocket
Hex Shaft

19
SECTION 8: TROUBLESHOOTING
NOTE: For repairs beyond the minor adjustments listed above, contact an authorized Troy-Bilt service dealer.
Problem Cause Remedy
Engine fails to start. 1. Fuel tank empty, or stale fuel.
2. Blocked fuel line.
3. Choke not in ON position
4. Faulty spark plug.
5. Safety key not in ignition switch on engine.
6. Spark plug wire disconnected.
7. Primer button not being used properly.
8. Fuel shut-off valve closed. (If Equipped)
1. Fill tank with fresh gasoline.
2. Clean the fuel line.
3. Move switch to ON position
4. Clean, adjust gap or replace.
5. Insert the key fully into the switch.
6. Connect spark plug wire.
7. Refer to the engine manual.
8. Open fuel shut-off valve. (If Equipped)
Engine runs erratic. 1. Unit running on CHOKE.
2. Blocked fuel line or stale fuel.
3. Water or dirt in fuel system.
4. Carburetor out of adjustment.
1. Move choke lever to OFF position.
2. Clean fuel line and fill tank with clean, fresh
gasoline.
3. Drain fuel tank and carburetor. Refill with
fresh fuel.
4. Refer to the engine manual.
Loss of power. 1. Spark plug wire loose.
2. Gas cap vent hole plugged.
3. Exhaust port plugged.
1. Connect and tighten spark plug wire.
2. Remove ice and snow from gas cap. Be
certain vent hole is clear.
3. Refer to the engine manual.
Engine overheats. 1. Carburetor not adjusted properly. 1. Refer to the engine manual or have the
carburetor adjusted by an authorized
engine service dealer.
Excessive vibration. 1. Loose parts or damaged auger. 1. Stop engine immediately and disconnect
spark plug wire. Tighten all bolts and nuts. If
vibration continues, have unit serviced by
an authorized service dealer.
Unit fails
to propel itself.
1. Drive control cable in need of adjustment.
2. Drive belt loose or damaged.
1. Adjust drive control cable. Refer to
Adjustments.
2. Replace drive belt.
Unit fails
to discharge snow.
1. Chute assembly clogged.
2. Foreign object lodged in auger.
3. Auger control cable in need of adjustment.
4. Auger belt loose or damaged.
5. Shear bolt(s) sheared.
1. Stop engine immediately and disconnect
spark plug wire. Clean chute and inside of
auger housing with clean-out tool or stick.
2. Stop engine immediately and disconnect
spark plug wire. Remove object from auger
with clean-out tool or stick.
3. Refer to Auger Control Test on Page 10.
4. Refer to Adjustments.
5. Replace shear bolt(s).

20
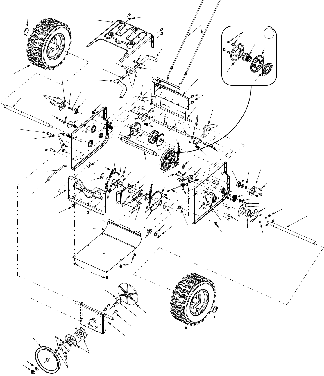
SECTION 9: PARTS LIST FOR MODEL 10530
59
60
24
29
30
20
39
1
3
2
4
5
5
5
7
6
57
25
40
42
18
31
57
25
43
2713
17
13
9
13
26
34
34 26 32
13
16
10 23
12
13
35
11
37
25
13
19 13
33
14
41
28
15
36
38
44
45
46
47
49
52
61
53
54
55
56
48
58
REAR VIEW
25
8

21
Model 10530
Ref.
No. Part No. Part Description
1. 05244A Bearing Housing
2. 618-0281A Auger Brake Bracket Assembly
3. 684-0090A 16” Impeller Assembly
4. 710-0371 Hex Lock Bolt 5/16-18 x.875”
5. 710-0451 Carriage Bolt 5/16-18 x .750”
6. 710-0459A Hex Screw, Special 3/8-24 x 1.5”
7. 710-0528 Hex Screw 5/16-18 x 1.25”
8. 710-0726 Self-Tapp. Screw 5/16-12 x.750”
9. 710-0891 Shear Bolt 5/16-18 x 1.75”
10. 711-0640 Stud
11. 711-0677 Ferrule
12. 712-0116 Jam Nut 3/8-24
13. 712-04063 Flange Lock Nut, 5/16-18
15. 714-0104 Hairpin Clip
16. 714-0126 Key
17. 714-0135 Key
18. 715-0118 Spiral Pin
19. 731-1696A Chute Adapter
20. 732-0858 Extension Spring
23. 736-0169 Lock Washer
24. 736-0174 Wave Washer
25. 736-0242 Belleville Washer
26. 736-0250 Flat Washer
27. 736-0271 Spring Washer
28. 736-3008 Flat Washer
30. 738-0281 Shoulder Screw
31. 741-04024 Self-Aligning Bearing
32. 741-0192 Flange Bearing w/ Flats
33. 741-0475 Plastic Bushing
34. 741-0494 Flange Bushing
35. 747-0980 Auger Idler Rod
36. 754-0222A V-Belt
37. 756-0178 Flat Idler
38. 756-0243 Pulley
39. 784-0385A Auger Idler Bracket
40. 784-5076 Support Bracket
41. 784-5123 Chute Directional Control Bracket
42. 784-5710 Support Plate
43. 784-5711 Chute Bracket
44. 618-0436 Gear Assembly
45. 705-5206A Spiral Assembly 30” RH
46. 705-5207A Spiral Assembly 30” LH
47. 684-04006 30' Auger Housing Assembly
48. 784-5697 Skid Shoe
49. 737-3000 Lube Fitting
50. 710-3008 Screw, 5/16-18 x.75”
52. 784-0315 Bearing Housing
53. 784-5715A 30” Shave Plate
54. 710-0389 Carriage Screw
55. 710-3168 Carriage Bolt
56. 712-04065 Flange Lock Nut, 3/8-16
57. 710-1260A Screw, 5/16-18 x.75
58. 712-0717 Insert Nut, 3/8-16
59. 731-2643 Clean-out Tool
60. 731-2635 Clean-out Tool Mount
61. 738-0733B Spiral Axle
Ref.
No. Part No. Part Description

22
Model 10530
18
12
76
17
8
16
911
45
66
4
35
35
36
45 45 10
18
18
24
73
32
42
5
39
23
34
67
14 51
27 75
71
64
58
22
21
29
13 56
52 37
22
2
33
13
29
18
77
47
49
61 48 15
62
27
51
66
42
3
63
33
87
65
56
47
77 49
15 48 61
54
62
41
60
82
84
60
40
57
38
20
7
59
43
31
70
44
28
61
55
69
30
47
19
72
50
26
16
16
54
50
26
53
68 68
18
78
79
80
81
6
82
25
74
18
30
21
87
1
46
46
15
85
86
43
31
83

23
Model 10530
Ref.
No. Part No. Part Description
1. 741-0225 Hex Flange Bearing
2. 750-1302A Spacer,.6725 x 1.125 x 2.485
3. 618-0279 Dogg Assembly LH
4. 618-0280 Dogg Assembly RH
5. 618-0282D Drive Shaft Assembly
6. 618-04178 Friction Wheel Assembly
7. 684-0162 Support Bracket Assembly
8. 684-0161 Shift Arm Assembly
9. 684-04103 Shift Rod Assembly
10. 684-0118 Auger Actuator Bracket Assy.
11. 684-0119 Drive Actuator Bracket Assy.
12. 790-00016 Frame Assembly
13. 684-0122 Sprocket Assembly
14. 710-0195 Hex Screw, 1/4-28 x.625”
15. 710-0538 Hex Screw, 5/16-18 x.625”
16. 710-0599 Self-tapping Screw, 1/4-20 x.5
17. 710-0788 Self-tapping Screw, 1/4-20 x 1”
18. 710-0896 Self-tapping Screw, 1/4-14 x.625”
19. 710-3001 Hex Screw 3/8-16 x .880”
20. 710-3008 Hex Screw 5/16-18 x .75”
21. 710-3103 Hex Screw 5/16-18 x 2”
22. 710-3180 Hex Screw 5/16-18 x 1.75”
23. 711-04279 Hex Drive Shaft
24. 711-1193 Actuator Shaft
25. 711-1194 Actuator Drive Shaft
26. 712-0116 Lock Nut
27. 712-0138 Hex Nut 1/4-28
28. 712-0221 Jam Lock Nut
29. 712-04063 Flange Lock Nut, 5/16-18
30. 712-0798 Hex Nut 3/8-16
31. 712-3010 Hex Nut 5/16-18
32. 713-0284 Chain
33. 713-0286 Chain
34. 713-04015 Sprocket, 10T
35. 714-0101 Hairpin Clip
36. 714-0104 Hairpin Clip
37. 714-0115 Cotter Pin
38. 714-0388 Key
39. 716-0136 Retainer Ring
40. 717-0302 Drive Plate
41. 732-0121 Extension Spring
42. 732-0209 Extension Spring
43. 736-0119 Lock Washer 5/16
44. 736-0158 Lock Washer 5/8
45. 736-0160 Flat Washer
46. 736-0163 Flat Washer
47. 736-0217 Lock Washer
48. 736-0242 Bell Washer
49. 710-0726 Self-tapping Screw, 5/16-12 x.750
50. 736-0300 Flat Washer
51. 736-0329 Lock Washer
52. 736-0623 Flat Washer
53. 712-0717 Nut Insert, 3/8-16
54. 784-0404 Bearing Retainer Bracket
55. 784-0407 Axle Bearing Support Bracket
56. 738-0143 Shoulder Screw
57. 738-0279 Drive Plate Spindle
58. 738-0924 Shoulder Screw 1/4-28 x .375”
59. 741-0163A Bearing Housing Assembly
60. 714-0151A Click Pin
61. 741-0563 Ball Bearing
62. 741-0747 Ball Bearing
63. 746-0949A Steer Cable
64. 746-0951 Auger Idler Cable
65. 747-0973 Drive Clutch Rod
66. 750-0903 Split Spacer
67. 750-0997 Spacer
68. 741-0748 Flange Bearing
69. 737-3000 Lube Fitting, 3/16
70. 756-0344 Drive Pulley
71. 756-0625 Roller Cable
72. 784-0406 Frame Support Bracket
73. 784-0379 Upper Frame Cover
74. 784-0380 Lower Frame Cover
75. 784-0384 Auger Cable Bracket
76. 784-0403 Shift Bracket
77. 710-1879 Hex Screw 3/8-16 x.880
78. 718-04034 Bonded Friction Wheel
79. 790-00011 Friction Wheel Plate
80. 718-04070 Friction Wheel Hub
81. 618-04169 Friction Wheel Bearing Assembly
82. 738-1166A Wheel Axle
83. 634-0225 Wheel Assembly, LH
— 734-2031 X-Trac Tire Only
— 734-1124 Rim Only
— 734-0255 Air Valve Only
— 741-0246A Bearing
84. 634-0226 Wheel Assembly, RH
— 734-2031 X-Trac Tire Only
— 734-1124 Rim Only
— 734-0255 Air Valve Only
— 741-0246A Bearing
85. 05244A Bearing Housing
86. 741-04025 Self Aligning Bearing
87. 712-04065 Flange Lock Nut, 3/8-16
Ref.
No. Part No. Part Description

24
Model 10530
1
1
2
3
4
5
4
5
19
19
19
19
6
6
7
7
9
9
10
21 13
29
11
24
31
17
27
23
15
26
21
15
14
25
16
18
11
20
15
28
30
15
23 13 21
32
32
A
A
A
A
34
34
35
35
36
37
38
39
40
42
44
8
12
43

25
Model 10530
Ref.
No. Part No. Part Description
1. 646-0012 Auger/Drive Cable Assembly
2. 684-0053B Lower Chute Directional Control
3. 705-5266 Split Chute Directional Control Brkt.
4. 710-1879 Hex Screw, 3/8-16 x.88”
5. 710-1878 Hex Screw, 3/8-16 x 1.75”
6. 710-0458 Carriage Bolt 5/16-18 x 1.75”
7. 710-0572 Carriage Bolt 5/16-18 x 2.5”
8. 747-1136 Lamp Retainer
9. 710-0597 Hex Screw 1/4-20 x 1.00”
10. 711-0677 Ferrule
11. 712-04064 Flange Lock Nut, 1/4-20
12. 629-04010 Lamp Wire Harness
13. 712-3010 Hex Nut
14. 714-0101 Hairpin Clip
15. 714-0104 Hairpin Clip
16. 720-0201A Chute Directional Control Knob
17. 720-0284 Knob
18. 726-0100 Push Cap
19. 736-0105 Bell Washer
20. 736-0185 Flat Washer
21. 736-0242 Belleville Washer
23. 736-0275 Flat Washer
24. 741-0475 Plastic Bushing
25. 747-0624 Chute Directional Control
26. 747-0983A Lower Shift Rod
27. 747-0997 Upper Shift Rod
28. 749-0989A Upper Handle LH
29. 749-0990A Upper Handle RH
30. 749-0991 Lower Handle
31. 750-0963 Shift Rod Connector
32. 710-1625 Oval C-Sunk Screw
34. 725-0157 Cable Tie
35. 746-0950A Trigger Control
36. 725-1658 Halogen Lamp
37. 705-5218 Handle Engagement RH
38. 705-5219 Handle Engagement LH
39. 710-1003 Special B Screw
40. 712-0271 Hex Sems Nut
42. 720-0232 Shift Knob
43. 731-04069 Handle Panel
44. 725-1672 Lens Assembly

26
Model 10530
Ref.
No.
Part No. Description
1. 07386 Washer
2. 684-0123A Belt Cover Bracket Assembly
3. 710-0191 Hex Screw 3/8-24 x 1.25”
4. 710-0237 Hex Screw 5/16-24 x .625”
5. 710-1008 Self-tapping Sems Screw
6. 710-0607 TT Screw 5/16-18 x 0.5”
7. 710-0672 Hex Lock Screw 5/16-24 x 1.25”
8. 712-0116 Jam Nut
9. 714-0118 Key
10. 731-2531 Belt Cover
11. 732-0303 Extension Spring
13. 736-0217 Lock Washer
14. 736-0242 Beleville Washer
15. 736-0264 Flat Washer
17. 738-0982 Shoulder Screw
18. 748-0234 Shoulder Spacer
19. 754-0131 V-Belt
20. 756-0240 Flat Idler
21. 756-0241B Double Pulley
22. 784-5726 Idler Bracket
23. 750-1148A Spacer
24. 748-0418 Spacer, .33 x 1.0 x .36
25. 717-0882A Spacer
26. 629-0071 Extension Cord: 110V, 3-prong
27. 684-04011 Spark Plug Cap
28. 684-04014A Engine Shroud (Incl. Ref. 27)
29. 710-04082 Screw, #10-16 x .75
30. 712-3004A Flange Lock Nut, 5/16-18
Ref.
No.
Part No. Description
6
15 10
6
15
5
2
11
13
17
4
14
8
1
3
313
79
20
19
18
14
22
21
26
23
24
25
27
28
29
30

27
Model 10530
NOTE: When rebuilding a gearbox assembly, include 3 oz. of Shell Alvania EP Lead-Free Grease (Part No. 737-0168).
Ref.
No. Part No. Description
1. 618-0246 Housing Assembly, RH
2. 618-0435 Housing Assembly, LH
3. 710-1260A Screw, 5/16-18 x 0.75
4. 738-0492 Spiral Axle
5. 711-1133 Auger Drive Shaft
6. 714-0126 Hi Pro Key, 3/16 x 3/4 (Not Shown)
7. 714-0135 #91 Woodruff Key 1/4 x 3/4
8. 716-0111 Snap Ring.875 Dia.
9. 717-0299 Double Thread Worm Gear LH
10. 717-1425 Worm Gear, LH
11. 721-0145 Oil Seal.875 ID
12. 721-0325 Plug, 1/4 x.437
13. 736-0266 Flat Washer, 1.52 x 2.0
14. 736-0291 Flat Washer,.88 x 1.38
15. 737-3000 Lube Fitting, 3/16 Drive
16. 738-0275 Worm Gear Shaft
17. 741-0184 Thrust Bearing.877 ID
18. 741-0217 Sleeve Bearing,.877 x.125 x 1.11
19. 618-0436 Auger Gearbox Assembly Complete
8
14
18
3
2
1
13
5
14
11
17
12
15
4
13
16
9
10
7
19

28
Ref.
No. Part No. Description
1. 710-0276 Carriage Screw
2. 710-0458 Carriage Bolt 5/16-18 x 1.75”
3. 710-0805 Hex Bolt 5/16-18 x 1.5”
4. 710-0895 Hex Screw 1/4-15 x.750”
5. 710-0597 Hex Screw 1/4-20 x 1.00”
6. 712-04063 Flange Lock Nut, 5/16-18
7. 712-04064 Flange Lock Nut, 1/4-20
8. 731-0846C Upper Chute
9. 731-0851A Chute Flange Keeper
10. 731-1313C Chute Tilt Cable Guide
11. 731-0903D Lower Chute
12. 784-5680 Handle Suppt. Bracket 5/8 RH
14. 736-0231 Flat Washer
15. 736-0506A Special Washer
16. 746-0902 Chute Control Cable
17. 746-0903 Chute Cable w/Clip
18. 784-5594 Cable Bracket
19. 784-5604 Chute Tilt Handle
20. 684-0102 Handle Panel Assembly w/ Tilt
21. 710-0459A Hex Bolt 3/8-24 x 1.5”
22. 710-0599 TT Screw 1/4-20 x 0.5”
23. 711-0653 Clevis Pin
24. 712-0116 Jam Nut
25. 784-5682 Handle Suppt. Bracket 3/8 RH
26. 714-0104 Cotter Pin
27. 732-0145 Spring
28. 732-0193 Spring
29. 732-0746 Torsion Spring
30. 735-0199A Rubber Bumper
31. 736-0105 Bell Washer
32. 784-5681 Handle Suppt. Bracket 3/8 LH
33. 736-0509 Special Washer
34. 747-0877 Cam Rod
35. 748-0362 Cam Handle Lock
36. 748-0363 Handle Lock Pawl
37. 784-5619A Shift Handle
38. 784-5679 Handle Suppt. Bracket 5/8 LH
39. 714-0507 Cotter Pin
1
2
3
4
5
6
7
8
9
10
11
14
6
18
17
16
15
19
10
6
4
20
21
22
22
22
23
24
6
39
39
27 37
28
31
30
30
29
33 34
34
35
36
12
26
25
32
38
6
33
Model 10530

29
NOTES

30
NOTES

31
MANUFACTURER’S LIMITED COMMERCIAL WARRANTY
FOR:
The limited warranty set forth below is given by Troy-Bilt LLC
with respect to new merchandise used for commercial
purposes and purchased and used in the United States and/
or its territories and possessions, and by MTD Products
Limited with respect to new merchandise purchased and used
in Canada and/or its territories and possessions (either entity
respectively, “Troy-Bilt”).
“Troy-Bilt” warrants this product (excluding its normal wear
parts as described below) against defects in material and
workmanship for a period of ninety (90) days commencing on
the date of original purchase and will, at its option, repair or
replace, free of charge, any part found to be defective in
materials or workmanship. This limited warranty shall only
apply if this product has been operated and maintained in
accordance with the Operator’s Manual furnished with the
product, and has not been subject to misuse, abuse, neglect,
accident, improper maintenance, alteration, vandalism, theft,
fire, water, or damage because of other peril or natural
disaster. Damage resulting from the installation or use of any
part, accessory or attachment not approved by Troy-Bilt for
use with the product(s) covered by this manual will void your
warranty as to any resulting damage.
Normal wear parts are warranted to be free from defects in
material and workmanship for a period of thirty (30) days from
the date of purchase. Normal wear parts include, but are not
limited to items such as: batteries, belts, blades, blade
adapters, grass bags, rider deck wheels, seats, snow thrower
skid shoes, friction wheels, shave plates, auger spiral rubber
and tires.
HOW TO OBTAIN SERVICE: Warranty service is available,
WITH PROOF OF PURCHASE, through your local authorized
service dealer. To locate the dealer in your area:
In the U.S.A.
Check your Yellow Pages, or contact Troy-Bilt LLC at P.O.
Box 361131, Cleveland, Ohio 44136-0019, or call 1-866-840-
6483 or 1-330-558-7220, or log on to our Web site at
www.troybilt.com.
In Canada
Contact MTD Products Limited, Kitchener, ON N2G 4J1, or
call 1-800-668-1238 or log on to our Web site at
www.mtdcanada.com.
This limited warranty does not provide coverage in the
following cases:
a. The engine or component parts thereof. These items
may carry a separate manufacturer’s warranty. Refer
to applicable manufacturer’s warranty for terms and
conditions.
b. Log splitter pumps, valves, and cylinders have a
separate one- year warranty.
c. Routine maintenance items such as lubricants, filters,
blade sharpening, tune-ups, brake adjustments, clutch
adjustments, deck adjustments, and normal
deterioration of the exterior finish due to use or
exposure.
d. Service completed by someone other than an
authorized service dealer.
e. Troy-Bilt does not extend any warranty for products
sold or exported outside of the United States and/or
Canada, and their respective possessions and
territories, except those sold through Troy-Bilt’s
authorized channels of export distribution.
f. Replacement parts that are not genuine Troy-Bilt parts.
g. Transportation charges and service calls.
No implied warranty, including any implied warranty of
merchantability of fitness for a particular purpose,
applies after the applicable period of express written
warranty above as to the parts as identified. No other
express warranty, whether written or oral, except as
mentioned above, given by any person or entity,
including a dealer or retailer, with respect to any product,
shall bind Troy-Bilt. During the period of the warranty, the
exclusive remedy is repair or replacement of the product
as set forth above.
The provisions as set forth in this warranty provide the
sole and exclusive remedy arising from the sale. Troy-Bilt
shall not be liable for incidental or consequential loss or
damage including, without limitation, expenses incurred
for substitute or replacement lawn care services or for
rental expenses to temporarily replace a warranted
product.
Some jurisdictions do not allow the exclusion or limitation of
incidental or consequential damages, or limitations on how
long an implied warranty lasts, so the above exclusions or
limitations may not apply to you.
In no event shall recovery of any kind be greater than the
amount of the purchase price of the product sold. Alteration
of safety features of the product shall void this warranty.
You assume the risk and liability for loss, damage, or injury to
you and your property and/or to others and their property
arising out of the misuse or inability to use the product.
This limited warranty shall not extend to anyone other than
the original purchaser or to the person for whom it was
purchased as a gift.
HOW LOCAL LAWS RELATE TO THIS WARRANTY: This
limited warranty gives you specific legal rights, and you may
also have other rights that vary in different jurisdictions.
IMPORTANT:
Owner must present Original Proof of
Purchase to obtain warranty coverage.
Troy-Bilt LLC, P.O. BOX 361131 CLEVELAND, OHIO 44136-0019; Phone: 1-866-840-6483, 1-330-558-7220
MTD Canada Limited - KITCHENER, ON N2G 4J1; Phone 1-800-668-1238

32
MANUFACTURER’S LIMITED WARRANTY FOR:
The limited warranty set forth below is given by Troy-Bilt LLC
with respect to new merchandise purchased and used in the
United States and/or its territories and possessions, and by
MTD Products Limited with respect to new merchandise
purchased and used in Canada and/or its territories and
possessions (either entity respectively, “Troy-Bilt”).
“Troy-Bilt” warrants this product (excluding its normal wear
parts as described below) against defects in material and
workmanship for a period of two (2) years commencing on the
date of original purchase and will, at its option, repair or
replace, free of charge, any part found to be defective in
materials or workmanship. This limited warranty shall only
apply if this product has been operated and maintained in
accordance with the Operator’s Manual furnished with the
product, and has not been subject to misuse, abuse,
commercial use, neglect, accident, improper maintenance,
alteration, vandalism, theft, fire, water, or damage because of
other peril or natural disaster. Damage resulting from the
installation or use of any part, accessory or attachment not
approved by Troy-Bilt for use with the product(s) covered by
this manual will void your warranty as to any resulting
damage.
Normal wear parts are warranted to be free from defects in
material and workmanship for a period of thirty (30) days from
the date of purchase. Normal wear parts include, but are not
limited to items such as: batteries, belts, blades, blade
adapters, grass bags, rider deck wheels, seats, snow thrower
skid shoes, friction wheels, shave plates, auger spiral rubber
and tires.
HOW TO OBTAIN SERVICE: Warranty service is available,
WITH PROOF OF PURCHASE, through your local authorized
service dealer. To locate the dealer in your area:
In the U.S.A.
Check your Yellow Pages, or contact Troy-Bilt LLC at P.O.
Box 361131, Cleveland, Ohio 44136-0019, or call 1-866-840-
6483 or 1-330-558-7220, or log on to our Web site at
www.troybilt.com.
In Canada
Contact MTD Products Limited, Kitchener, ON N2G 4J1, or
call 1-800-668-1238 or log on to our Web site at
www.mtdcanada.com.
This limited warranty does not provide coverage in the
following cases:
a. The engine or component parts thereof. These items
may carry a separate manufacturer’s warranty. Refer
to applicable manufacturer’s warranty for terms and
conditions.
b. Log splitter pumps, valves, and cylinders have a
separate one- year warranty.
c. Routine maintenance items such as lubricants, filters,
blade sharpening, tune-ups, brake adjustments, clutch
adjustments, deck adjustments, and normal
deterioration of the exterior finish due to use or
exposure.
d. Service completed by someone other than an
authorized service dealer.
e. Troy-Bilt does not extend any warranty for products
sold or exported outside of the United States and/or
Canada, and their respective possessions and
territories, except those sold through Troy-Bilt’s
authorized channels of export distribution.
f. Replacement parts that are not genuine Troy-Bilt parts.
g. Transportation charges and service calls.
h. If Products are used commercially. (Troy-Bilt may
separately offer Limited Commercial Warranties on
certain select products. Ask your dealer or retailer for
details or contact Troy-Bilt Service for more
information.)
No implied warranty, including any implied warranty of
merchantability of fitness for a particular purpose,
applies after the applicable period of express written
warranty above as to the parts as identified. No other
express warranty, whether written or oral, except as
mentioned above, given by any person or entity,
including a dealer or retailer, with respect to any product,
shall bind Troy-Bilt. During the period of the warranty, the
exclusive remedy is repair or replacement of the product
as set forth above.
The provisions as set forth in this warranty provide the
sole and exclusive remedy arising from the sale. Troy-Bilt
shall not be liable for incidental or consequential loss or
damage including, without limitation, expenses incurred
for substitute or replacement lawn care services or for
rental expenses to temporarily replace a warranted
product.
Some jurisdictions do not allow the exclusion or limitation of
incidental or consequential damages, or limitations on how
long an implied warranty lasts, so the above exclusions or
limitations may not apply to you.
In no event shall recovery of any kind be greater than the
amount of the purchase price of the product sold. Alteration
of safety features of the product shall void this warranty.
You assume the risk and liability for loss, damage, or injury to
you and your property and/or to others and their property
arising out of the misuse or inability to use the product.
This limited warranty shall not extend to anyone other than
the original purchaser or to the person for whom it was
purchased as a gift.
HOW LOCAL LAWS RELATE TO THIS WARRANTY: This
limited warranty gives you specific legal rights, and you may
also have other rights that vary in different jurisdictions.
IMPORTANT:
Owner must present Original Proof of
Purchase to obtain warranty coverage.
Troy-Bilt LLC, P.O. BOX 361131 CLEVELAND, OHIO 44136-0019; Phone: 1-866-840-6483, 1-330-558-7220
MTD Canada Limited - KITCHENER, ON N2G 4J1; Phone 1-800-668-1238