Troy Bilt Tb200 Users Manual
TB360 to the manual 16babd38-f6bc-44a6-b1f9-1247202f4aeb
2015-01-21
: Troy-Bilt Troy-Bilt-Tb200-Users-Manual-349766 troy-bilt-tb200-users-manual-349766 troy-bilt pdf
Open the PDF directly: View PDF
.
Page Count: 28

TROY-BILT LLC, P.O. BOX 361131 CLEVELAND, OHIO 44136-0019
Printed In USA
Illustrated Parts Manual
Form No. 769-09430
(October 21, 2013)
Self-Propelled Mowers

2
To The Owner
Record Product Information
To ease in ordering replacement parts, please locate the model
plate on the equipment and record the information in the
provided area to the right. You can locate the model plate by
looking beneath the seat.
Model NuMber
Serial NuMber
Table of Contents
Thank you for purchasing an MTD Lawn Mower. It was carefully
engineered to provide excellent performance when properly
operated and maintained.
All information in this manual is relative to the most recent
product information available at the time of printing. Please be
aware that this Illustrated Part’s Manual may cover a range of
product specifications for various models.
Components listed and/or illustrated in this manual may not be
applicable to all models. We reserve the right to change product
specifications, designs and equipment without notice and
without incurring obligation.
Throughout this manual, all references to right (RH) and left (LH)
are observed from the operating position.
0637 Black
0709 Dark Green (Bolens, Yard-Man)
0662 Oyster Gray (MTD Gold)
0638 Red (Yard Machines, Huskee, Troy-Bilt, MTD)
0691 Black Jack (MTD Gold, MasterCut)
0674 Yellow (Yard-Man)
0650 Metallic Red (White Outdoor)
0629 Silver Flake (MTD Platinum)
04038 Day Orange (Daedong)
04033 Flint Mica (Troy-Bilt XP)
Painted Parts
When ordering painted service parts, a four digit color suffix must be added to the part number (e.g. 783-XXXXX-0637).
Please refer to the table below for current color codes:
Thank You
Model TB200 (12A-A2B) .......................................... 4
Model TB280 ES (12AGA25/B) ................................. 6
Model TB220/230 (12AVB22/5) ............................... 8
Model TB330 (12AKC35) .........................................10
Model TB370 (12ABD35) ......................................... 12
Model TB380ES (12ACC35) .....................................14
Model TB360 (12ABD3B) ........................................16
Engine Model 5X65RU ............................................18

3
Page Left Blank Intentionally

4
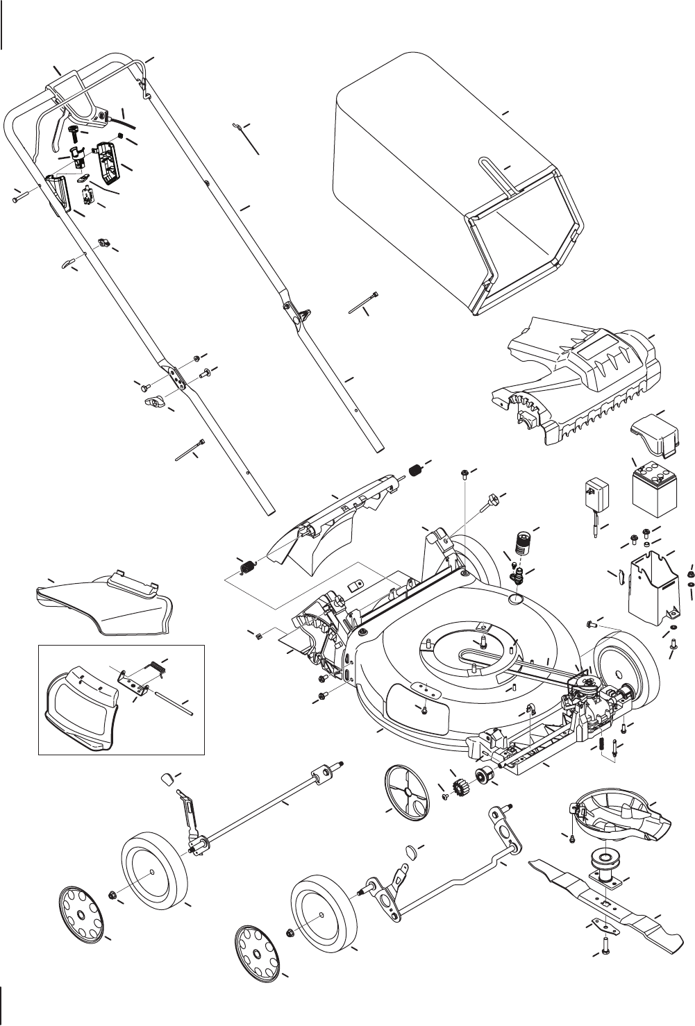
Model TB200 (12A-A2B)
5
26
1
4
32
7
39
34
36
42
2
20
53
43
55
8
3
22
42
44 18 49
46
54
58
50
23
31
25
24
48
42
30
14
15
21
29
29
38
37
35
6
9
27
16
10
12
45
54
19
13
40
52
56
51
57
41
17
33
28
11
13
47
46
46
59
59

5
Model TB200 (12A-A2B)
Ref
No. Part Number Description
1747- 05214D Blade Control
2749- 04681 Upper Handle
3647-04271 Grass Catcher Frame
4749- 04608A Lower Handle
5720-0279 Wing Nut
6710-1205 Rope Guide
7710-04998 Carriage Screw ,5/16-18
89 6 4 - 0 4117 B Grass Bag
9720- 04124 Wing Knob
10 731-07131 Side Chute
11 725-0157 Cable Tie
12 712-04222 Nut, Sq., 1/4-20
13 631-04369A Rear Discharge Door Assembly
631- 04371A Rear Discharge Door Assembly-
(Lowes)
14 747- 0710A Hinge Pin
15 787-01779 Chute Deector Bracket
16 732-05061A Torsion Spring - RH
17 634-05039 Front Wheel
18 732-04675A Transmission Wire
19 710-05073 Screw, 1/4-20 x .500
20 787-01872B Deck , 21”
21 987-02516A Hinged Mulch Plug Assembly
22 732-05062A Torsion Spring - LH
23 687-02539 Blade Adapter Assembly
24 942- 0741A Mulching Blade
25 710-1044 Screw , 3/8-24 x 1.50
26 747- 05210B Drive Control
27 738-04419A Sldr. Screw, .375 x .126 x 1/4-20
28 712- 04217 Flange Lock Nut, 3/8-16
29 720-04131A Adjustment Lever Knob
Ref
No. Part Number Description
30 720-05066 Wing Nut
31 736-0524B Blade Bell Support
32 712-04064 Nut, Flange Lock, 1/4-20
33 634-04660 Rear Wheel
34 9 46 -1113A Control Cable
35 710-04683A TT Sems Screw, 3/8-16 x 1.0
36 731-07203 Trail Shield
37 731-07790 Front Cover
38 732-1014C Torsion Spring
39 946-04728 Drive Cable
40 911- 0 4142A Rear Axle Assembly
41 911- 0 415 0 Front Axle Assembly
42 710-04995A Screw, 5/16-14 x .750
43 731-07240A Wheel Dust Cover
44 954-04259A V-Belt
45 787-01793 Front Axle Clip
46 738-04278 Scr., Shldr., 1/4-20 x .50
47 731-07487 Water Nozzle
48 921-04041 Water Nozzle Adapter
49 918-04881A Transmission Assembly
50 931-04535B Engine Bae
51 941-00019 Bearing Assembly
52 710-04531 Screw, 1/4-20 x .390
53 732-04704 Compression Spring
54 710-0895 Screw, 1/4-15 x .750
55 715- 04099 Dowel Pin
56 917-04801 Spur Gear, 14T - RH
917-04802 Spur Gear, 14T - LH
57 731-07789 Lower Tray
58 731-07355 Spring Body
59 731-07198 Hubcap, 8”

6
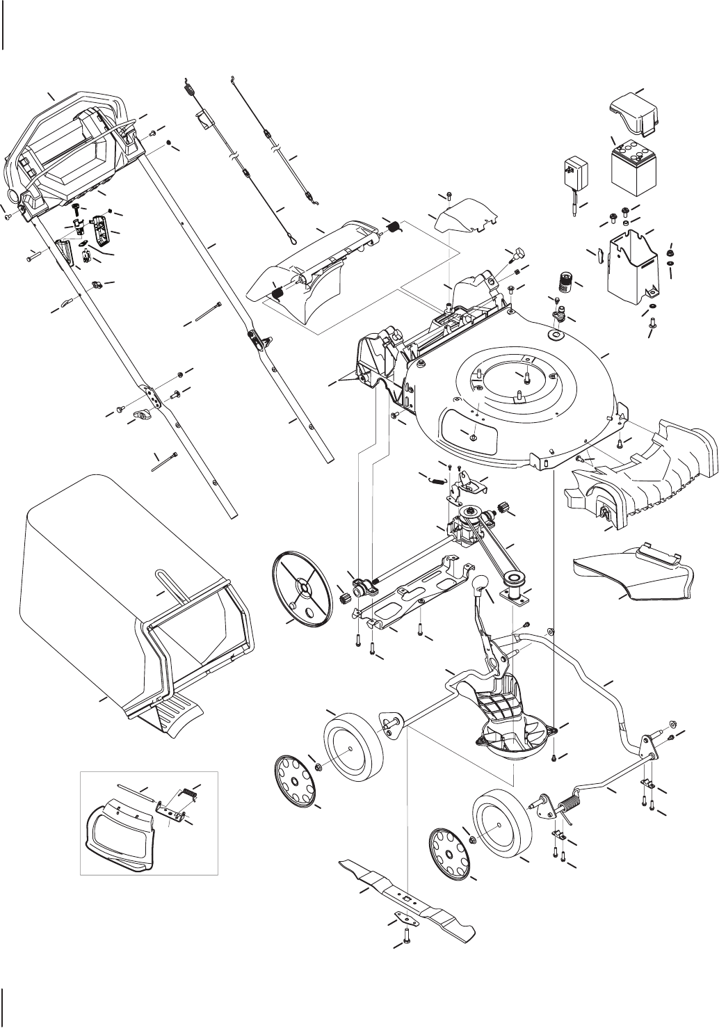
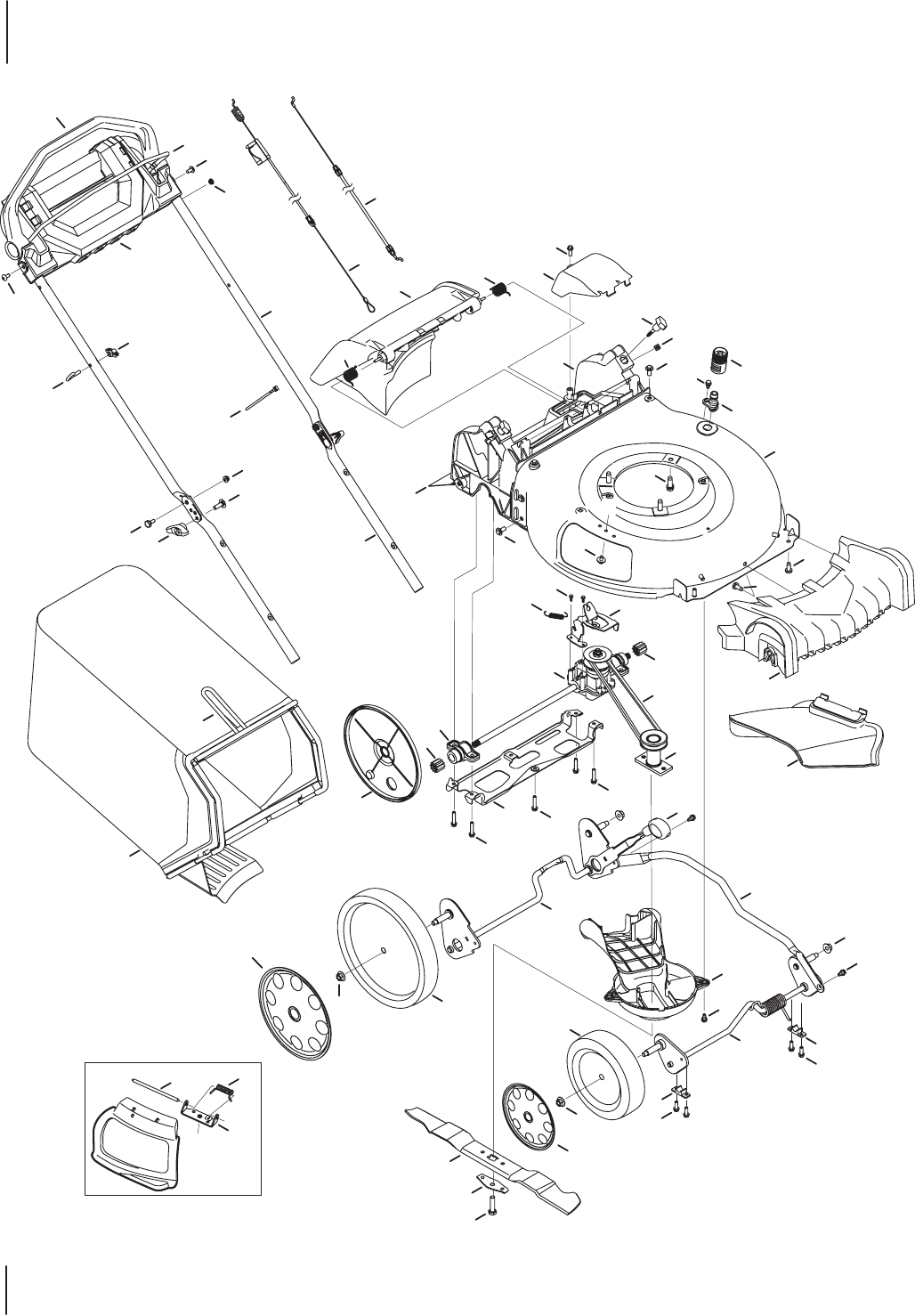
Model TB280 ES (12AGA25/B)
5
1
4
32
7
34
36
42
2
20
60
43
55
8
3
22
42
65 59 49
46
54
58
50
23
31
25
24
48
42
30
14
15
21
29
29
38
37
35
6
9
27
16
10
12
66
54
19
13
40
52
56
51
57
41
17
33
28
11
67
61
63
72
70
69
45
53
64
68
11
13
47
46
46
18
26
39
73
73
74
42
62
75
12
44
71
76
77

7
Model TB280 ES (12AGA25/B)
Ref
No. Part Number Description
1747- 05267C Blade Control
2749- 04679 Upper Handle
3647-04271 Grass Catcher Frame
4749- 04608A Lower Handle
5720-0279 Wing Nut
6710-1205 Rope Guide
7710-04998 Carriage Screw ,5/16-18
89 6 4 - 0 4117 B Grass Bag
9720- 04124 Wing Knob
10 731-07131 Side Chute
11 725-0157 Cable Tie
12 712-04222 Nut, Sq., 1/4-20
13 631-04369A Rear Discharge Door Assembly
631- 04371A Rear Discharge Door Assembly-
(Lowes)
14 747- 0710A Hinge Pin
15 787-01779 Chute Deector Bracket
16 732-05061A Torsion Spring - RH
17 634-05039 Front Wheel
18 736-0242 Washer, Bell, .340 x .872 x .080
19 710-05073 Screw, 1/4-20 x .500
20 787-01875B Deck , 21”
21 987-02516A Hinged Mulch Plug Assembly
22 732-05062A Torsion Spring - LH
23 687-02528 Blade Adapter Assembly
24 942- 0741A Mulching Blade
25 710-1044 Screw , 3/8-24 x 1.50
26 753-06060A Control Lever Assembly
27 738-04419A Sldr. Screw, .375 x .126 x 1/4-20
28 712- 04217 Flange Lock Nut, 3/8-16
29 720-04131A Adjustment Lever Knob
30 720-05066 Wing Nut
31 736-0524B Blade Bell Support
32 712-04064 Nut, Flange Lock, 1/4-20
33 634-04660 Rear Wheel
34 946-04661A Control Cable
35 710-04683A TT Sems Screw, 3/8-16 x 1.0
36 731-07203 Trail Shield
37 731-07790 Front Cover
38 732-1014C Torsion Spring
39 946-04655A Drive Cable
Ref
No. Part Number Description
40 911- 0 4142A Rear Axle Assembly
41 911- 0 415 0 Front Axle Assembly
42 710-04995A Screw, 5/16-14 x .750
43 731-07240A Wheel Dust Cover
44 931-05131 Key Switch
45 726-0201 Speed Nut
46 738-04278 Scr., Shldr., 1/4-20 x .50
47 731-07487 Water Nozzle
48 921-04041 Water Nozzle Adapter
49 918-04881A Transmission Assembly
50 931-04535B Engine Bae
51 941-00019 Bearing Assembly
52 710-04531 Screw, 1/4-20 x .390
53 731-07135 Battery Housing
54 710-0895 Screw, 1/4-15 x .750
55 715- 04099 Dowel Pin
56 917-04801 Spur Gear, 14T - RH
917-04802 Spur Gear, 14T - LH
57 731-07789 Lower Tray
58 731-07355 Spring Body
59 732-04675A Transmission Wire
60 732-04704 Compression Spring
61 731-07154A Battery Housing Top
62 731-09753 Electric Start Housing, RH
63 735- 04213A Lid Seal
64 738-04431A Scr., Sldr., 5/16-14 x .972
65 954-04260 V-Belt
66 787-01793 Front Axle Clip
67 725-06121 Battery Charger
68 710-0136 Screw, 1/4-20 x 1.75
69 710-0276 Bolt, Carr., 5/16-18 x 1.00
70 912- 0429 Nut, Flglk., 5/16-18
71 731-09728 Key
72 725-04903 Battery
73 731-07198 Hubcap, 8”
74 750-05377 Spacer, .340 x .460 x .246
75 731-09755 Electric Start Housing, LH
76 72 5- 0 6114 Plunger Switch
77 787-03162 Retainer Bracket
—925-06140 Wire Harness (Not Shown)
—725-05106 Fuse (Not Shown)

8
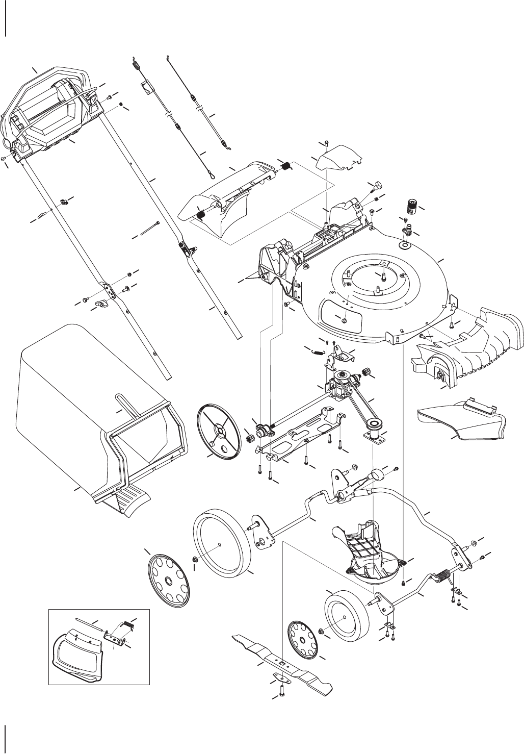
Model TB220/230 (12AVB22/5)
5
1
4
32
7
34
36
42
2
20
53
43
55
18
8
3
22
42
44 59 49
46
54
58
50
23
31
25
24
48
42
30
14
15
21
29
29
38
37
35
6
9
27
16
10
12
45
54
19
13
40
52
56
51
57
41
17
33
28
11
26 39
13
46
47
46
60

9
Model TB230/260 (12AVB22/5)
Ref
No. Part Number Description
1747- 05267C Blade Control
2749- 04679 Upper Handle
3647-04271 Grass Catcher Frame
4749- 04608A Lower Handle
5720-0279 Wing Nut
6710-1205 Rope Guide
7710-04998 Carriage Screw ,5/16-18
89 6 4 - 0 4117 B Grass Bag
9720- 04124 Wing Knob
10 731-07131 Side Chute
11 725-0157 Cable Tie
12 712-04222 Nut, Sq., 1/4-20
13 631-04369A Rear Discharge Door Assembly
631- 04371A Rear Discharge Door Assembly-
(Lowes)
14 747- 0710A Hinge Pin
15 787-01779 Chute Deector Bracket
16 732-05061A Torsion Spring - RH
17 634-05039 Front Wheel
18 731-07199 Hubcap
19 710-05073 Screw, 1/4-20 x .500
20 787-01872B Deck , 21”
21 987-02516A Hinged Mulch Plug Assembly
22 732-05062A Torsion Spring - LH
23 687-02528 Blade Adapter Assembly
24 942- 0741A Mulching Blade
25 710-1044 Screw , 3/8-24 x 1.50
26 753-06060A Control Lever Assembly
27 738-04419A Sldr. Screw, .375 x .126 x 1/4-20
28 712- 04217 Flange Lock Nut, 3/8-16
29 720-04131A Adjustment Lever Knob
30 720-05066 Wing Nut, Black
720-05067 Wing Nut, Red
Ref
No. Part Number Description
31 736-0524B Blade Bell Support
32 712-04064 Nut, Flange Lock, 1/4-20
33 634-05063 Rear Wheel
34 946-04661A Control Cable
946-04703A Control Cable (5X65RU)
35 710-04683A TT Sems Screw, 3/8-16 x 1.0
36 731-07203 Trail Shield
37 731-07790 Front Cover
38 732-1014C Torsion Spring
39 946-04655A Variable Speed Cable
40 911- 0 414 4 B Rear Axle Assembly
41 911- 0 415 0 Front Axle Assembly
42 710-04995A Screw, 5/16-14 x .750
43 731-07240A Wheel Dust Cover
44 954-04260 V-Belt
45 787-01793 Front Axle Clip
46 738-04278 Scr., Shldr., 1/4-20 x .50
47 731-07487 Water Nozzle
48 921-04041 Water Nozzle Adapter
49 918-04881A Transmission Assembly
50 931-04535B Engine Bae
51 941-00019 Bearing Assembly
52 710-04531 Screw, 1/4-20 x .390
53 732-04704 Compression Spring
54 710-0895 Screw, 1/4-15 x .750
55 715- 04099 Dowel Pin
56 917-04801 Spur Gear, 14T - RH
917-04802 Spur Gear, 14T - LH
57 731-07789 Lower Tray
58 731-07355 Spring Body
59 732-04675A Transmission Wire
60 731-07198 Hubcap, 8”

10
Model TB330 (12AKC35)
4
3
1
3
58
59
12
16
20
35
31
18
38 15
22
60
56
3
21
49
29
29
2
3
14
23
7
61
A
A
45
17
9
10
11
52
8
50
27
57
30
16 53
54
50
47
19
34
33
26
28
55
55
48
48
32
32
50
13
51
51
46
24
39
44
6
25
41
42
62
40
43
5
37
70
66
67
69
64
36
63
68
65
71

11
Model TB330 (12AKC35)
Ref
No. Part Number Description
1787-02002A Deck , 21”
2631- 04501A Bearing Assembly
3710-04995A Screw, 5/16-14 x .750
4712-04222 Nut, Sq., 1/4-20
5749- 04608A Lower Handle
6710-04998 Carriage Screw ,5/16-18
7710-04683A Screw, 3/8-16 x 1.00
8687-02220 Blade Adapter
9942- 0741A Mulching Blade
10 736-0524B Blade Bell Support
11 710-1044 Screw, 3/8-24 x 1.50
12 731-07203 Trailing Shield
13 949 -04841B Cross Bracket
14 747- 05362A Grass Catcher Frame
15 964-04150B Grass Bag
16 631-04553A Rear Discharge Door Assembly
17 732-05061A Torsion Spring - RH
18 732-05062A Torsion Spring - LH
19 72 0 - 04113 Adjustment Lever Knob
20 710 -04374 Screw, Hex Washer, .159 x .43
21 710 -04774 Screw, 1/4-15 x 1.25
22 731-09601 Front Cover
23 731-07799 Transmission Cover
24 712-04064 Nut, Flange Lock, 1/4-20
25 720- 04124 Wing Knob
26 911- 0 4190A Front Axle Assembly
27 631- 04512C Engine Bae
28 911- 0 4189 Rear Axle Assembly
29 917-04852 Spur Gear, 10T
30 732-04826A Exten. Spring, 2.405
31 918-06000 Transmission Assembly
32 712- 04217 Flange Lock Nut, 3/8-16
33 634-04660 Front Wheel
34 934-05042 Rear Wheel
35 787-01868A Transmission Bracket
36 732-04937 Spring
Ref
No. Part Number Description
37 749- 04701A Upper Handle
38 710-0895 Screw, 1/4-15 x .750
39 720-0279 Knob
40 725-0157 Cable Tie
41 710-1205 Rope Guide
42 946-04729 Speed Adjustment Cable
43 946-04661A Control Cable
44 747- 05463A Blade Control
45 720-05066 Wing Nut
46 738-04419A Sldr. Screw, .375 x .126 x 1/4-20
47 731-07795 Wheel Dust Cover
48 741-0492A Bushing, Lock, .505 Dia. X .62
49 787-01915A Rear Support Bracket
50 738-04278 Scr., Shldr., 1/4-20 x .50
51 731-07198 Hubcap, 8”
52 954-04282 V-Belt
53 921-04041 Water Nozzle Adapter
54 731-07487 Water Nozzle
55 710-1241 Screw, 1/4-15 x 1.000
56 731-07131 Side Discharge Chute
57 987-02516A Mulch Plug (Incl. 58-60)
58 732-1014C Torsion Spring
59 747- 0710A Hinge Pin
60 787-01779 Chute Deector Bracket
61 710-05073 Screw, 1/4-20 x .500
62 946-04816 Drive Cable
63 710-0895 Screw, 1/4-15 x .750
64 731-07766 Control Lever LH
65 787-01851 Cable Adjust Plate
66 731-08750 Upper Housing
67 731-07764A Lower Housing
68 731-07804 Speed Adjust Actuator
69 731-08759 Control Lever RH
70 731- 07767A Speed Select Lever
71 710-05204 Scr., Shldr, 1/4-15 x .970

12
Model TB370 (12ABD35)
40
41
19
48
26
27
24
25
22
29
43
33
43
35
36
30
53
55
59
32
17
37
43
54
58 54
54
15
17
20
16
46
18
47
18
49
57
49
51
43
50
42
38
A
A
10
31
56
23
1
19
18
21
19
17
20
52
34
2
39
6
13
8
13
7
5
4
12 9
62
3
63
64
11
14
60
45
44
28
28
61

13
Model TB370 (12ABD35)
Ref
No. Part Number Description
172 0 - 04113 Adjustment Lever Knob
2731-09601 Front Cover
3749- 04608A Lower Handle
4749- 05084 Upper Handle
5710-04998 Carriage Screw ,5/16-18
6710-1205 Rope Guide
7712-04064 Nut, Flange Lock, 1/4-20
8720-0279 Knob
9720- 04124 Wing Knob
10 720-05066 Wing Nut
11 725-0157 Cable Tie
12 738-04419A Sldr. Screw, .375 x .126 x 1/4-20
13 710-1017 Screw, 1/4-14 x .625
14 931-09823 Handle Console
15 911-04191A Front Axle Assembly
16 911- 0 4192 Rear Axle Assembly
17 710-0895 Screw, 1/4-15 x .750
18 712- 04217 Flange Lock Nut, 3/8-16
19 738-04278 Scr., Shldr., 1/4-20 x .50
20 741-0492A Bushing, Lock, .505 Dia. X .62
21 949-04840B Cross Bracket
22 942- 0741A Mulching Blade
23 687-02220 Blade Adapter
24 710-1044 Screw, 3/8-24 x 1.50
25 736-0524B Blade Bell Support
26 964-04150B Grass Bag
27 747- 05362A Grass Catcher Frame
28 631-04553A Rear Discharge Door Assembly
29 712-04222 Nut, Sq., 1/4-20
30 731-07203 Trailing Shield
31 732-05061A Torsion Spring - RH
32 732-05062A Torsion Spring - LH
Ref
No. Part Number Description
33 787-02002A Deck , 21”
34 987-02516A Mulch Plug (Incl. 35-37)
35 732-1014C Torsion Spring
36 747- 0710A Hinge Pin
37 787-01779 Chute Deector Bracket
38 710-05073 Screw, 1/4-20 x .500
39 731-07131 Side Discharge Chute
40 921-04041 Water Nozzle Adapter
41 731-07487 Water Nozzle
42 710-04683A Screw, 3/8-16 x 1.00
43 710-04995A Screw, 5/16-14 x .750
44 731-07198 Hubcap, 8”
45 731-07199 Hub ca;p, 11”
46 634-04660 Front Wheel
47 934-04666 Rear Wheel
48 731-07731C Wheel Dust Cover
49 917-04849 Spur Gear, 9T
50 731- 08175 Transmission Cover
51 631- 04501A Bearing Assembly
52 631- 04512C Engine Bae
53 710 -04374 Screw, Hex Washer, .159 x .43
54 710 -04774 Screw, 1/4-15 x 1.25
55 732-05150 Exten. Spring, 2.405
56 954-04282 V-Belt
57 787-01868A Transmission Bracket
58 787-01915A Rear Support Bracket
59 918-07000 Transmission Assembly
60 731-09730 Drive Handle
61 747- 06243 Blade Control
62 748-05047 Shoulder Spacer, .18 x .315 x .09
63 946-05105 Control Cable
64 946 - 05121 Drive Cable

14
Model TB380ES (12ACC35)
40
41
19
48
26
27
29
43
33
43
35
36
30
53
55
59
32
17
37
43
54
58
49
57
49
51
43
50
42
38
A
A
10
31
56
23
34
2
39
6
13
8
13
7
5
4
12 9
62
3
63
64
11
14
60
28
28
61
54
65
66
75
76
29
74
45
73
69
79
43
80
77
7268
78
71
67
11
24
25
22
15
17
20
16
46
18
18
1
19
21
19
17
20
52
44
44
47
70 81

15
Model TB380ES (12ACC35)
Ref
No. Part Number Description
172 0 - 04113 Adjustment Lever Knob
2731-10334 Front Cover
3749- 04608A Lower Handle
4749- 05084 Upper Handle
5710-04998 Carriage Screw ,5/16-18
6710-1205 Rope Guide
7712-04064 Nut, Flange Lock, 1/4-20
8720-0279 Knob
9720- 04124 Wing Knob
10 720-05066 Wing Nut
11 725-0157 Cable Tie
12 738-04419A Sldr. Screw, .375 x .126 x 1/4-20
13 710-1017 Screw, 1/4-14 x .625
14 931-09823 Handle Console
15 911- 0 4189 Rear Axle Assembly
16 911- 0 4190A Front Axle Assembly
17 710-0895 Screw, 1/4-15 x .750
18 712- 04217 Flange Lock Nut, 3/8-16
19 738-04278 Scr., Shldr., 1/4-20 x .50
20 741-0492A Bushing, Lock, .505 Dia. X .62
21 949 -04841B Cross Bracket
22 942- 0741A Mulching Blade
23 687-02220 Blade Adapter
24 710-1044 Screw, 3/8-24 x 1.50
25 736-0524B Blade Bell Support
26 964-04150B Grass Bag
27 747- 05362A Grass Catcher Frame
28 631-04553A Rear Discharge Door Assembly
29 712-04222 Nut, Sq., 1/4-20
30 731-07203 Trailing Shield
31 732-05061A Torsion Spring - RH
32 732-05062A Torsion Spring - LH
33 787-02003A Deck , 21”
34 987-02516A Mulch Plug (Incl. 35-37)
35 732-1014C Torsion Spring
36 747- 0710A Hinge Pin
37 787-01779 Chute Deector Bracket
38 710-05073 Screw, 1/4-20 x .500
39 731-07131 Side Discharge Chute
40 921-04041 Water Nozzle Adapter
41 731-07487 Water Nozzle
42 710-04683A Screw, 3/8-16 x 1.00
Ref
No. Part Number Description
43 710-04995A Screw, 5/16-14 x .750
44 731-07198 Hubcap, 8”
45 710-0136 Screw, 1/4-20 x 1.75
46 634-04660 Front Wheel
47 934-05042 Rear Wheel
48 731-07795 Wheel Dust Cover
49 917-04852 Spur Gear, 10T
50 731- 08175 Transmission Cover
51 631- 04501A Bearing Assembly
52 631- 04512C Engine Bae
53 710 -04374 Screw, Hex Washer, .159 x .43
54 710 -04774 Screw, 1/4-15 x 1.25
55 732-05150 Exten. Spring, 2.405
56 954-04282 V-Belt
57 787-01868A Transmission Bracket
58 787-01915A Rear Support Bracket
59 918-07000 Transmission Assembly
60 731-09730 Drive Handle
61 747- 06243 Blade Control
62 748-05047 Shoulder Spacer, .18 x .315 x .09
63 946-05105 Control Cable
64 946 - 05121 Drive Cable
65 725-06121 Battery Charger
66 931-05131 Key Switch
67 710-0276 Bolt, Carr., 5/16-18 x 1.00
68 912- 0429 Nut, Flglk., 5/16-18
69 725-04903 Battery
70 72 5- 0 6114 Plunger Switch
71 726-0201 Speed Nut
72 731-07135 Battery Housing
73 731-07154A Battery Housing Top
74 731-09728 Key
75 731-09753 Electric Start Housing, RH
76 731-09755 Electric Start Housing, LH
77 735- 04213A Lid Seal
78 736-0242 Washer, Bell, .340 x .872 x .080
79 738-04431A Scr., Sldr., 5/16-14 x .972
80 750-05377 Spacer, .340 x .460 x .246
81 787-03162 Retainer Bracket
—925-06140 Wire Harness (Not Shown)
—725-05106 Fuse (Not Shown)

16
Model TB360 (12ABD3B)
40
41
19
48
26
27
24
25
22
29
43
33
43
35
36
30
53
55
59
32
17
37
43
54
58 54
54
15
17
20
16
46
18
47
18
49
57
49
51
43
50
42
38
A
A
10
31
56
23
1
19
18
21
19
17
20
52
34
2
39
6
13
8
13
7
5
4
12 9
62
3
63
64
11
14
60
45
44
28
28
61

17
Model TB360 (12ABD3B)
Ref
No. Part Number Description
172 0 - 04113 Adjustment Lever Knob
2731-10334 Front Cover
3749- 04608A Lower Handle
4749- 05084 Upper Handle
5710-04998 Carriage Screw ,5/16-18
6710-1205 Rope Guide
7712-04064 Nut, Flange Lock, 1/4-20
8720-0279 Knob
9720- 04124 Wing Knob
10 720-05066 Wing Nut
11 725-0157 Cable Tie
12 738-04419A Sldr. Screw, .375 x .126 x 1/4-20
13 710-1017 Screw, 1/4-14 x .625
14 931-09823 Handle Console
15 911-04191A Front Axle Assembly
16 911- 0 4192 Rear Axle Assembly
17 710-0895 Screw, 1/4-15 x .750
18 712- 04217 Flange Lock Nut, 3/8-16
19 738-04278 Scr., Shldr., 1/4-20 x .50
20 741-0492A Bushing, Lock, .505 Dia. X .62
21 949-04840B Cross Bracket
22 942- 0741A Mulching Blade
23 687-02220 Blade Adapter
24 710-1044 Screw, 3/8-24 x 1.50
25 736-0524B Blade Bell Support
26 964-04150B Grass Bag
27 747- 05362A Grass Catcher Frame
28 631-04514A Rear Discharge Door Assembly
29 712-04222 Nut, Sq., 1/4-20
30 731-07203 Trailing Shield
31 732-05061A Torsion Spring - RH
32 732-05062A Torsion Spring - LH
Ref
No. Part Number Description
33 787-02002A Deck , 21”
34 987-02516A Mulch Plug (Incl. 35-37)
35 732-1014C Torsion Spring
36 747- 0710A Hinge Pin
37 787-01779 Chute Deector Bracket
38 710-05073 Screw, 1/4-20 x .500
39 731-07131 Side Discharge Chute
40 921-04041 Water Nozzle Adapter
41 731-07487 Water Nozzle
42 710-04683A Screw, 3/8-16 x 1.00
43 710-04995A Screw, 5/16-14 x .750
44 731-07198 Hubcap, 8”
45 731-07199 Hub ca;p, 11”
46 634-04660 Front Wheel
47 934-04666 Rear Wheel
48 731-07731C Wheel Dust Cover
49 917-04849 Spur Gear, 9T
50 731- 08175 Transmission Cover
51 631- 04501A Bearing Assembly
52 631- 04512C Engine Bae
53 710 -04374 Screw, Hex Washer, .159 x .43
54 710 -04774 Screw, 1/4-15 x 1.25
55 732-05150 Exten. Spring, 2.405
56 954-04282 V-Belt
57 787-01868A Transmission Bracket
58 787-01915A Rear Support Bracket
59 918-07000 Transmission Assembly
60 731-09730 Drive Handle
61 747- 06243 Blade Control
62 748-05047 Shoulder Spacer, .18 x .315 x .09
63 946-05105 Control Cable
64 946 - 05121 Drive Cable

18
Engine Model 5X65RU Air Cleaner
Ref. Part Number Description
117 710-04969 Bolt M6X30 Af Base/Coil/E-Starter
118 951-14439 Air Cleaner Housing Assembly
120 951-10298 Air Cleaner Kit
121 712- 05015 Nut M6X10Mm Starter/Carb/Mu
117
120
118
121

19
5X65RU Carburetor
Ref. Part Number Description
126 951-14419 Air Filter Base Gasket
127 951-14420 Choke Temp Control Bracket
128 951-14422 Choke Temp Control Bracket Gasket
129 951-14421 Choke Temp Control Linkage
130 951-14423 Carburetor Assembly
131 951-14424 Carburetor Gasket
132 951-11738 Carburetor Insulator
133 951-11528 Carburetor Insulator Gasket
134 951-14425 Carb Stud M6×87
179 951-14446 Carburetor Kit
(Incl.e,j,k,l,o,p,q,r,s,t,u,w,z)
an/a Choke Shaft
bn/a Choke Plate
cn/a Choke Return Spring
dn/a Choke Shaft Washer
en/a Choke Shaft Fiber O-Ring
fn/a Throttle Plate
gn/a Throttle Plate Lock Washer
hn/a Screw M3X6 Throttle Plate
Ref. Part Number Description
in/a Throttle Shaft
jn/a Idle Jet Assembly
kn/a Throttle Shaft Fiber O-Ring
ln/a Idle Speed Adjusting Screw
mn/a Idle Mixture Screw
nn/a Carburetor Body
on/a Emulsion Tube
pn/a Main Jet
qn/a Fuel Bowl O-Ring
rn/a Needle Valve
sn/a Needle Valve Spring
tn/a Float
un/a Float Pin
vn/a Fuel Bowl
wn/a Fuel Bowl Gasket
xn/a Fuel Bowl Mounting Bolt
yn/a Fuel Drain Plug
aa n/a Fuel Drain Plug Gasket
s
tu
v
w
xy
z
p
q
r
a
b
c
d
k
g
hi
j
e
f
l
m
n
o
133
132
131
130
130
129
128
127
126
179 - Carburetor Kit
134
134

20
5X65RU Crankcase
Ref. Part Number Description
28 951-14402 Brake Assembly
36 712-04219 Brake Arm Nut
38 712-04209 Ground Switch Nuts M4
43 750-05384 Brake Spacer
44 710-04980 Bolt M6X35 Af Base/Brake/Dipstick
45 710-04918 Bolt M6×20 Ignition Coil
46 951-11622 Flexible Clamp, Ignition Coil
47 951-14403 Ignition Coil Assembly
48 710-04916 Bolt M6X14 Multi-Purpose
49 951-14404 Breather Cover Plate
50 951-14405 Breather Gasket
51 951-11596 Upper Crankshaft Seal
52 951-11730 Breather Screen
53 732-04718 Breather Valve Spring
54 951-11614 Breather Valve
64 710 -04915 Bolt M6X12 Multi-Purpose
71 951-14408 Choke Linkage
72 951-14409 Throttle Linkage Spring
73 951-14410 Throttle Linkage
74 951-14 411 Governor Spring
75 951-14412 Governor Arm Assembly
79 951-14413 Component Bracket
80 951-14414 Air Vane Bracket
81 951-11529 Air Vane
28
36
44
43
43
44
46
47
45
48
49
50
52
53
54
51
84
83 82
88
90
89
72
71
81
75
74
73
48 48
79
80
64 64
85 86
86
169
166
161
167
168
166
172
176 - Gasket Kit - Complete
177 - Gasket Kit -External
178 - Complete Engine

21
5X65RU Crankcase
Ref. Part Number Description
28 951-14402 Brake Assembly
36 712-04219 Brake Arm Nut
38 712-04209 Ground Switch Nuts M4
43 750-05384 Brake Spacer
44 710-04980 Bolt M6X35 Af Base/Brake/Dipstick
45 710-04918 Bolt M6×20 Ignition Coil
46 951-11622 Flexible Clamp, Ignition Coil
47 951-14403 Ignition Coil Assembly
48 710-04916 Bolt M6X14 Multi-Purpose
49 951-14404 Breather Cover Plate
50 951-14405 Breather Gasket
51 951-11596 Upper Crankshaft Seal
52 951-11730 Breather Screen
53 732-04718 Breather Valve Spring
54 951-11614 Breather Valve
64 710 -04915 Bolt M6X12 Multi-Purpose
71 951-14408 Choke Linkage
72 951-14409 Throttle Linkage Spring
73 951-14410 Throttle Linkage
74 951-14 411 Governor Spring
75 951-14412 Governor Arm Assembly
79 951-14413 Component Bracket
80 951-14414 Air Vane Bracket
81 951-11529 Air Vane
Ref. Part Number Description
82 714-04074 Governor Arm Shaft Cotter Pin
83 951-11574 Governor Seal
84 951-14416 Governor Arm Shaft
85 951-11520 Breather Hose Assembly
86 726-04101 Breather Hose Clamp
88 951-14415 Crankcase Cover Gasket
89 951-14447 Short Block
(Incl.48-54,82-84,88-92,95,97-100,
110-116,126,132,133,149,152,156,
157,159-161,166-169,172)
90 951-11369 Main Bearing
161 951-14433 Piston Ring Set
166 951-11603 Piston Pin Snap Ring
167 951-14434 Piston
168 951-14435 Piston Pin
169 951-14436 Connecting Rod Assembly
172 710-05115 Connecting Rod Bolt
176 951-14443 Gasket Kit - Complete
(Incl.50,51,83,88,95,113,116,126,
128,131-133,149,152,156)
177 951-14444 Gasket Kit -External
(Incl.50,95,113,126,128,
131-133,149,152)
178 952Z5X65RU Complete Engine

22
5X65RU Crankshaft & Crankcase Cover
Ref. Part Number Description
44 710-04980 Bolt M6X35 Af Base/Brake/Dipstick
48 710-04916 Bolt M6X14 Multi-Purpose
91 951-14 417 Crankshaft Assembly
92 951-10307 Flywheel Key
94 951-14440 Oil Dipstick Assembly
95 951-1154 6 Dipstick / Oil Fill Tube O-Ring
96 951-14441 Oil Fill Tube Assembly
97 951-11733 Oil Return Seal
98 736-04491 Crankshaft Thrust Washer
99 951-116 09 Governor Gear Mounting Plate
Ref. Part Number Description
100 951-11549 Governor Gear/Shaft Assembly
110 715-04092 Crankcase Cover Dowel Pin 7×14
111 715- 04089 Crankcase Cover Dowel Pin 9×14
112 710-04931 Bolt M6X28 X65/P65 Crankcase
113 736-04440 Oil Drain Plug Washer
114 710-04906 Oil Drain Plug
115 951-14418 Crankcase Cover
116 951-115 45 Lower Crankshaft Seal
175 951-10370 Oil Drain Plug & Washer Assembly
91
92
94
95
44
96
95
175 114
113
111
112
112
112
116
112
112
115
112
110
100
112
9897
48
48
99

23
5X65RU Flywheel & Shroud
Ref. Part Number Description
1951-14396 Starter Recoil Assembly
2712-04290 Starter Acorn Nut
3731-07925 Starter Handle
6951-11721 Recoil Pulley & Spring Assembly
15 951-14397 Starter/Shroud Rear Stud M6×78.5
16 951-14398 Starter/Shroud Front Stud M6×74
18 951-14399 Engine Shroud Assembly
Ref. Part Number Description
19 750-05320 Engine Shroud Spacer
20 951-14442 Carbon Canister Assembly
21 951-14126 Carbon Canister
24 951-14400 Carbon Canister Filter
25 951-14127 Carbon Canister Filter Cap
26 712-04287 Flywheel Nut M14
27 951-14401 Flywheel
1
3
2
2
6
2
16
15 15
18
19
19
19
20
21
24
25
26
27

24
5X65RU Cylinder Head
Ref. Part Number Description
48 710-04916 Bolt M6X14 Multi-Purpose
135 951-14448 Cylinder Head Asm
(Incl.132,133,135,138-143,
145-149,152,156)
951-14445 Cylinder Head Service Kit
(Incl.136,139,149,156)
136 710-04982 Bolt M8X54 Cylinder Head
137 951-14437 Spark Plug, F5Rtc
138 951-10313 Valve Kit
139 951-11818 Intake Valve Seal
140 951-10313 Valve Kit
141 951-12004 Valve Spring
142 951-11977 Valve Spring Retainer
143 951-116 87 Push Rod Guide
144 951-1160 6 Rocker Arm Assembly
145 710-04902 Rocker Arm Stud
146 951-12001 Rocker Arm
147 751-1112 3 Fulcrum Nut
148 751-11124 Jam Nut
149 951-11551 Valve Cover Gasket
150 951-14426 Valve Cover
OPTIONAL
176 - Gasket Kit - Complete
177 - Gasket Kit -External
178 - Complete Engine
121
121
155
173
174
154
153
64
152
151
151
136
137
138
138
139
141
141
142
136
143 136
135
144 148 147 146
145
145
146
147
148
149
48
48
48
48
150
136
157
158
159
158
159
160
157
156

25
5X65RU Cylinder Head
Ref. Part Number Description
48 710-04916 Bolt M6X14 Multi-Purpose
135 951-14448 Cylinder Head Asm
(Incl.132,133,135,138-143,
145-149,152,156)
951-14445 Cylinder Head Service Kit
(Incl.136,139,149,156)
136 710-04982 Bolt M8X54 Cylinder Head
137 951-14437 Spark Plug, F5Rtc
138 951-10313 Valve Kit
139 951-11818 Intake Valve Seal
140 951-10313 Valve Kit
141 951-12004 Valve Spring
142 951-11977 Valve Spring Retainer
143 951-116 87 Push Rod Guide
144 951-1160 6 Rocker Arm Assembly
145 710-04902 Rocker Arm Stud
146 951-12001 Rocker Arm
147 751-1112 3 Fulcrum Nut
148 751-11124 Jam Nut
149 951-11551 Valve Cover Gasket
150 951-14426 Valve Cover
Ref. Part Number Description
151 710-05094 Muer Stud M6X95
151 951-10342 Muer Stud Assembly
152 951-14427 Muer Gasket
153 951-14428 Choke Temp Control Thermostat
154 951-14429 Muer Assembly
155 951-14430 Muer Shield
156 951-14431 Cylinder Head Gasket
157 715-04108 Cylinder Head Dowel Pin 10×16
158 951-10314 Push Rod Kit
159 951-14432 Tappet
160 951-11741 Camshaft Assembly
173 951-10351 Spark Arrestor
174 710-04983 Spark Arrestor Screw
176 951-14443 Gasket Kit - Complete
(Incl.50,51,83,88,95,113,116,126,
128,131-133,149,152,156)
177 951-14444 Gasket Kit -External
(Incl.50,95,113,126,128,
131-133,149,152)
178 952Z5X65RU Complete Engine

26
5X65RU Fuel Tank
Ref. Part Number Description
48 710-04916 Bolt M6X14 Multi-Purpose
55 731-08133 Fuel Tank Lower Grommet
56 951-14406 Fuel Tank Upper Grommet
57 731-08104 Fuel Tank Nut
58 951-14407 Fuel Cap Assembly
63 931-04629 Fuel Tank
64 710 -04915 Bolt M6X12 Multi-Purpose
65 951-116 80 Flexible Clamp, Vent Hose
67 951-10358A Fuel Filter
68 951-1170 0 Fuel Hose Clamp
69 951-14438 Fuel Line Kit
70 723-04071 Plastic Support Clamp
63
64
55
56
57
58
68
69
67
68
70
48
65

Notes
27

TROY-BILT LLC, P.O. BOX 361131 CLEVELAND, OHIO 44136-0019
To order replacement parts or locate your nearest service dealer call Customer Support at (800) 828-5500.
or visit www.troybilt.com to find the nearest authorized dealer in your area.