Troy Bilt Tb25Et Users Manual 769 00931 SAS Om
tb25et dcc1684f-6606-1684-1928-ccbc849e8321 Troy-Bilt Trimmer TB25ET User Guide |
2015-01-21
: Troy-Bilt Troy-Bilt-Tb25Et-Users-Manual-350138 troy-bilt-tb25et-users-manual-350138 troy-bilt pdf
Open the PDF directly: View PDF
.
Page Count: 80

Operator’s Manual
2-Cycle Gasoline
Trimmer / Edger
Model TB25ET
IMPORTANT: READ SAFETY RULES AND INSTRUCTIONS CAREFULLY
P/N 769-00931 (10/03)
PRINTED IN USA
E
a
s
y
S
t
a
r
TM
M

2
INTRODUCTION
Copy the serial number
here:
THANK YOU
Thank you for buying this quality product. This modern
outdoor power tool will provide many hours of useful
service. You will find it to be a great labor-saving device.
This operator’s manual provides you with easy-to-
understand operating instructions. Read the whole
manual and follow all the instructions to keep your new
outdoor power tool in top operating condition.
PRODUCT REFERENCES, ILLUSTRATIONS
AND SPECIFICATIONS
All information, illustrations, and specifications in this
manual are based on the latest product information
available at the time of printing. We reserve the right to
make changes at any time without notice.
Copyright© 2003 MTD SOUTHWEST INC, All Rights
Reserved.
SERVICE INFORMATION
Service on this unit both within and after the warranty
period should be performed only by an authorized and
approved service dealer.
For service call 1-800-520-5520 to obtain a list of
authorized service dealers near you. For more details
about your unit, visit our website at www.troybilt.com.
DO NOT RETURN THE UNIT TO THE RETAILER.
PROOF OF PURCHASE WILL BE REQUIRED FOR
WARRANTY SERVICE.
Before beginning, locate the unit’s model plate. It lists
the model and serial numbers of your unit. Refer to the
sample plate below and copy the information for future
reference.
S/N : ITEM :
MODEL :
Make sure you carefully read and understand this manual
before starting or operating this equipment.
THIS PRODUCT IS COVERED BY ONE OR MORE U.S.
PATENTS. OTHER PATENTS PENDING.
TABLE OF CONTENTS
Service Information . . . . . . . . . . . . . . . . . . . . . . . . .2
Rules for Safe Operation . . . . . . . . . . . . . . . . . . . . .3
Know Your Unit . . . . . . . . . . . . . . . . . . . . . . . . . . . .6
Assembly Instructions . . . . . . . . . . . . . . . . . . . . . . .7
Oil and Fuel Information . . . . . . . . . . . . . . . . . . . . . .8
Starting/Stopping Instructions . . . . . . . . . . . . . . . . .9
Operating Instructions . . . . . . . . . . . . . . . . . . . . . .10
Maintenance and Repair Instructions . . . . . . . . . . .13
Cleaning and Storage . . . . . . . . . . . . . . . . . . . . . . .20
Accessories and Replacement Parts . . . . . . . . . . .20
Troubleshooting Chart . . . . . . . . . . . . . . . . . . . . . .21
Specifications . . . . . . . . . . . . . . . . . . . . . . . . . . . . .22
Warranty Information . . . . . . . . . . . . . . . . . . . . . . .24
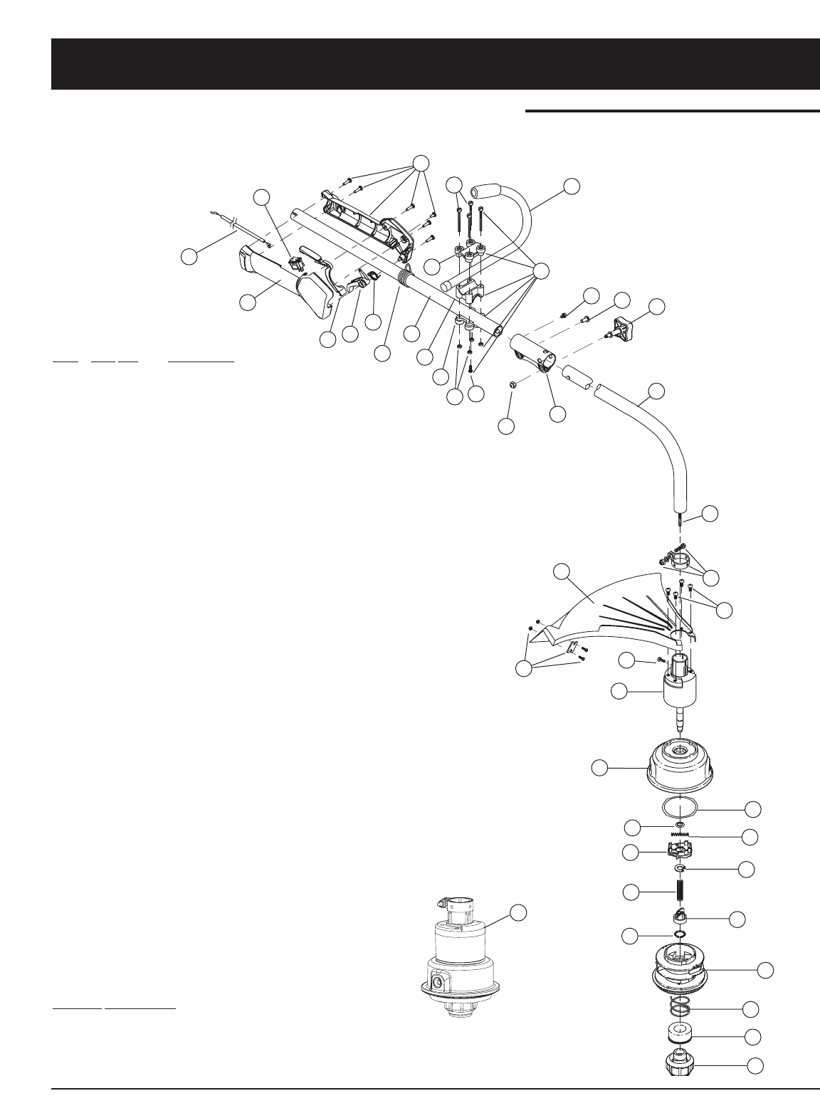
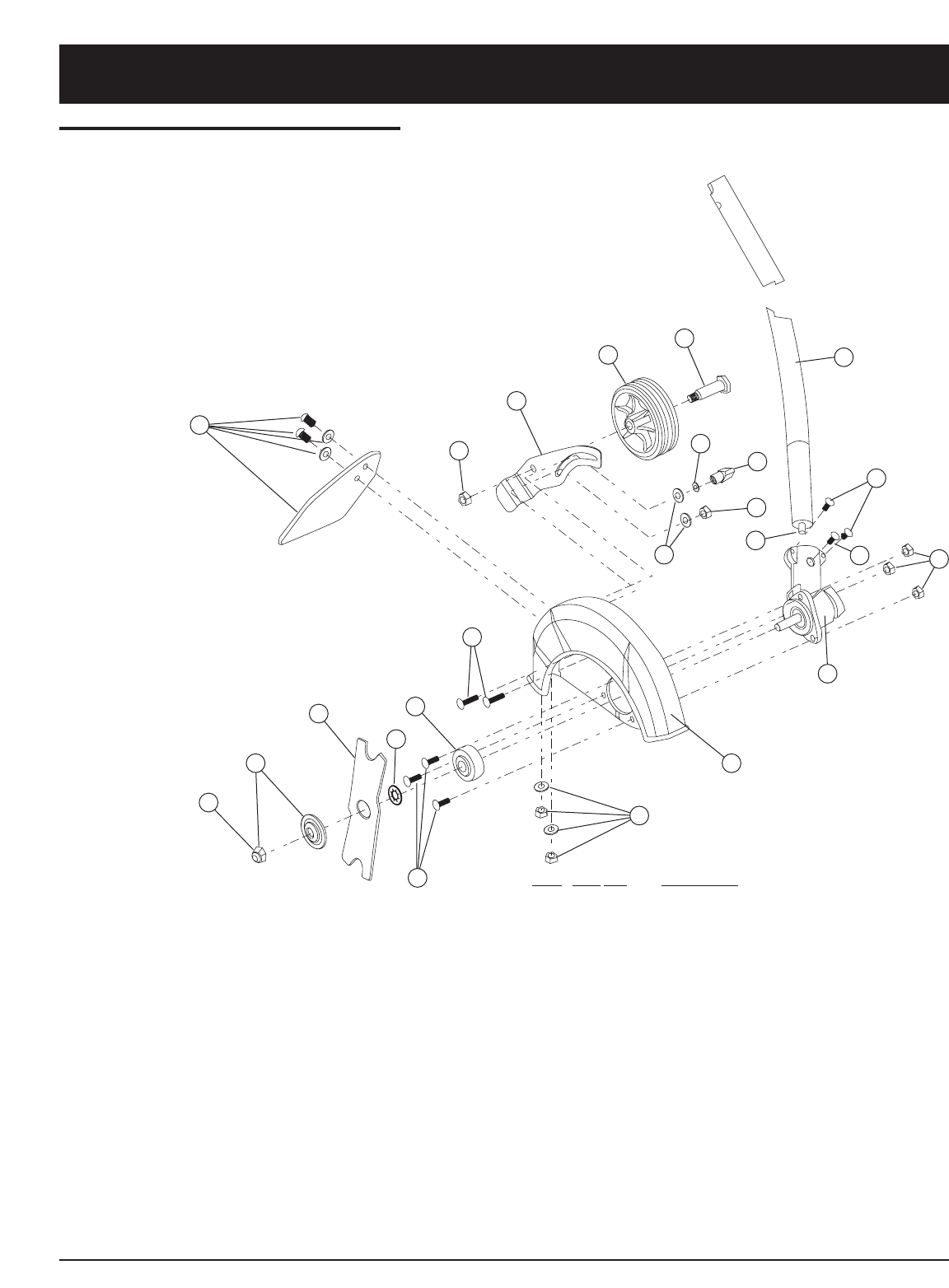
Parts List . . . . . . . . . . . . . . . . . . . .Inside Back Cover
Copy the model and parent
part number here:
SPARK ARRESTOR NOTE
NOTE: For users on U.S. Forest Land and in the
states of California, Maine, Oregon and Washington.
All U.S. Forest Land and the state of California (Public
Resources Codes 4442 and 4443), Oregon and
Washington require, by law that certain internal
combustion engines operated on forest brush and/or
grass-covered areas be equipped with a spark arrestor,
maintained in effective working order, or the engine be
constructed, equipped and maintained for the prevention
of fire. Check with your state or local authorities for
regulations pertaining to these requirements. Failure to
follow these requirements could subject you to liability or
a fine. This unit is factory equipped with a spark
arrestor. If it requires replacement, ask your LOCAL
SERVICE DEALER to install the Accessory Part
#182747 Spark Arrestor Kit.
CALIFORNIA PROPOSITION 65 WARNING
WARNING
THE ENGINE EXHAUST FROM THIS
PRODUCT CONTAINS CHEMICALS
KNOWN TO THE STATE OF CALIFORNIA
TO CAUSE CANCER, BIRTH DEFECTS
OR OTHER REPRODUCTIVE HARM.

3
RULES FOR SAFE OPERATION
READ ALL INSTRUCTIONS
BEFORE OPERATING
•Read the instructions carefully. Be familiar with the
controls and proper use of the unit.
•Do not operate this unit when tired, ill, or under the
influence of alcohol, drugs, or medication.
•Children and teens under the age of 15 must not use
the unit, except for teens guided by an adult.
•All guards and safety attachments must be installed
properly before operating the unit.
•Inspect the unit before use. Replace damaged parts.
Check for fuel leaks. Make sure all fasteners are in
place and secure. Replace parts that are cracked,
chipped, or damaged in any way. Do not operate the
unit with loose or damaged parts.
•Carefully inspect the area before starting the unit.
Remove all debris and hard or sharp objects such as
glass, wire, etc.
•Be aware of the risk of injury to the head, hands and
feet.
•Clear the area of children, bystanders, and pets. At a
minimum, keep all children, bystanders, and pets
outside a 50 feet (15 m.) radius; there still may be a
risk to bystanders from thrown objects. Bystanders
should be encouraged to wear eye protection. If you
are approached, stop the unit immediately.
•Use only 0.095 inch (2.41 mm) diameter original
equipment manufacturer replacement line. Never use
metal-reinforced line, wire or rope. These can break
off and become dangerous projectiles.
•Squeeze the throttle control and check that it returns
automatically to the idle position. Make all adjustments
or repairs before using unit.
•This unit was not designed to be used as a
brushcutter. Do not attach or operate this unit with any
type of brushcutting attachment.
SAFETY WARNINGS FOR GAS UNITS
•Store fuel only in containers specifically designed and
approved for the storage of such materials.
•Avoid creating a source of ignition for spilled fuel. Do
not start the engine until fuel vapors dissipate.
•Always stop the engine and allow it to cool before filling
the fuel tank. Never remove the cap of the fuel tank, or
add fuel, when the engine is hot. Never operate the unit
without the fuel cap securely in place. Loosen the fuel
tank cap slowly to relieve any pressure in the tank.
SYMBOL MEANING
The purpose of safety symbols is to attract your
attention to possible dangers. The safety symbols,
and their explanations, deserve your careful attention
and understanding. The safety warnings do not by
themselves eliminate any danger. The instructions or
warnings they give are not substitutes for proper
accident prevention measures.
NOTE: Advises you of information or instructions vital to
the operation or maintenance of the equipment.
SYMBOL MEANING
When using the unit,
you must follow the
safety rules. Please read these instructions
before operating the unit in order to ensure
the safety of the operator and any bystanders.
Please keep these instructions for later use.
WARNING:
• IMPORTANT SAFETY INSTRUCTIONS •
Failure to obey a
safety warning can
result in injury to yourself and others.
Always follow the safety precautions to
reduce the risk of fire, electric shock and
personal injury.
WARNING:
Failure to obey a
safety warning will
result in serious injury to yourself or to
others. Always follow the safety precautions
to reduce the risk of fire, electric shock and
personal injury.
DANGER:
Failure to obey a
safety warning may
result in property damage or personal injury
to yourself or to others. Always follow the
safety precautions to reduce the risk of fire,
electric shock and personal injury.
CAUTION:
Indicates
danger,
warning or caution. Attention is required in
order to avoid serious personal injury. May
be used in conjunction with other symbols
or pictographs.
SAFETY ALERT:
Gasoline is highly
flammable, and its
vapors can explode if ignited. Take the
following precautions:
WARNING:
Read the Operator’s Manual(s) and follow all
warnings and safety instructions.
Failure to do so can result in serious injury to the
operator and/or bystanders.
FOR QUESTIONS, CALL 1-800-520-5520

4
RULES FOR SAFE OPERATION
•If you strike or become entangled with a foreign
object, stop the engine immediately and check for
damage. Do not operate before repairing damage. Do
not operate the unit with loose or damaged parts.
•Use only original equipment manufacturer
replacement parts and accessories for this unit. These
are available from your authorized service dealer. Use
of any unauthorized parts or accessories could lead to
serious injury to the user, or damage to the unit, and
void your warranty.
•Keep unit clean of vegetation and other materials.
They may become lodged between the cutting
attachment and shield.
•To reduce fire hazard, replace faulty muffler and spark
arrestor, keep the engine and muffler free from grass,
leaves, excessive grease or carbon build up.
WHILE OPERATING WITH EDGER
•Inspect the unit before use. Ensure the blade is
installed correctly and secure.
•Clear the area to be edged before each use. Remove
all objects such as rocks, broken glass, nails, wire, or
string which can be thrown or become entangled in
the edging attachment.
•Do not attempt to touch or stop the blade when it is
rotating.
•A coasting blade can cause injury while it continues to
spin after the engine is stopped or the throttle control
is released. Maintain proper control until the blade has
completely stopped rotating.
•Do not run the unit at high speed when not edging.
•If you strike or become entangled with a foreign
object, stop the engine immediately and check for
damage. Have any damage repaired before attempting
further operations. Do not operate unit with a bent,
cracked or dull blade. Discard blades that are bent,
warped, cracked or broken.
•Stop the engine IMMEDIATELY if you feel excessive
vibration. Vibration is a sign of trouble. Inspect thoroughly
for loose nuts, bolts or damage before continuing. Repair
or replace affected parts as necessary.
OTHER SAFETY WARNINGS
•Never store the unit, with fuel in the tank, inside a
building where fumes may reach an open flame or spark.
•Allow the engine to cool before storing or transporting.
Be sure to secure the unit while transporting.
•Store the unit in a dry area, locked up or up high to
prevent unauthorized use or damage, out of the reach
of children.
•Never douse or squirt the unit with water or any other
liquid. Keep handles dry, clean and free from debris.
Clean after each use. See the Cleaning and Storage.
•Keep these instructions. Refer to them often and use
them to instruct other users. If you loan someone this
unit, also loan them these instructions.
SAVE THESE
INSTRUCTIONS
•Mix and add fuel in a clean, well-ventilated outdoor area
where there are no sparks or flames. Slowly remove the
fuel cap only after stopping engine. Do not smoke while
fueling or mixing fuel. Wipe up any spilled fuel from the
unit immediately. Always wipe unit dry before using.
•Move the unit at least 30 feet (9.1 m) from the fueling
source and site before starting the engine. Do not
smoke or allow sparks and open flames near the area
while adding fuel or operating the unit.
WHILE OPERATING
•Never start or run the unit inside a closed room or
building. Breathing exhaust fumes can kill. Operate
this unit only in a well ventilated outdoor area.
•Wear safety glasses or goggles that are marked as
meeting ANSI Z87.1-1989 standards. Also wear
ear/hearing protection when operating this unit. Wear
a face or dust mask if the operation is dusty. Long
sleeve shirts are recommended.
•Wear heavy, long pants, boots and gloves. Do not
wear loose clothing, jewelry, short pants, sandals or
go barefoot. Secure hair above shoulder level.
•The cutting attachment shield must always be in place
while operating the unit. Do not operate unit without
both trimming lines extended, and the proper line
installed. Do not extend the trimming line beyond the
length of the shield.
•This unit has a clutch. The cutting attachment remains
stationary when the engine is idling. If it does not, have
the unit adjusted by an authorized service technician.
•Adjust the handle to your size to provide the best grip.
•Be sure the cutting attachment is not in contact with
anything before starting the unit.
•Use the unit only in daylight or good artificial light.
•Avoid accidental starting. Be in the starting position
whenever pulling the starter rope. The operator and
unit must be in a stable position while starting. See
Starting/Stopping Instructions.
•Use the right tool. Only use this tool for the purpose
intended.
•Do not overreach. Always keep proper footing and
balance.
•Always hold the unit with both hands when operating.
Keep a firm grip on both the front and rear grips.
•Keep hands, face, and feet at a distance from all
moving parts. Do not touch or try to stop the cutting
attachment when it is rotating.
•Do not touch the engine or muffler. These parts get
extremely hot from operation. They remain hot for a
short time after you turn off the unit.
•Do not operate the engine faster than the speed
needed to cut, trim or edge. Do not run the engine at
high speed when you are not cutting.
•Always stop the engine when cutting is delayed or
when walking from one cutting location to another.
•Stop and switch the engine to off for maintenance,
repair, or for changing the cutting attachment or other
attachments.

5
SYMBOL MEANING
•SAFETY ALERT SYMBOL
Indicates danger, warning, or
caution. May be used in conjunction
with other symbols or pictographs.
•WARNING - READ OPERATOR'S
MANUAL
Read the Operator’s Manual(s) and
follow all warnings and safety
instructions. Failure to do so can
result in serious injury to the
operator and/or bystanders.
•WEAR EYE AND HEARING
PROTECTION
WARNING:Thrown objects and
loud noise can cause severe eye
injury and hearing loss. Wear eye
protection meeting ANSI Z87.1-1989
standards and ear protection when
operating this unit.
Use a full face
shield when needed.
•KEEP BYSTANDERS AWAY
WARNING:Keep all bystanders,
especially children and pets, at least
50 feet (15 m.) from the operating area.
•UNLEADED FUEL
Always use clean, fresh unleaded fuel.
•OIL
Refer to operator's manual for the
proper type of oil.
SAFETY AND INTERNATIONAL SYMBOLS
This operator's manual describes safety and international symbols and pictographs that may appear on this product.
Read the operator's manual for complete safety, assembly, operating and maintenance and repair information.
SYMBOL MEANING
•THROWN OBJECTS AND
ROTATING CUTTER CAN CAUSE
SEVERE INJURY
WARNING:Do not operate without
the cutting attachment shield in
place. Keep away from the rotating
cutting attachment.
•ON/OFF STOP CONTROL
ON / START / RUN
•ON/OFF STOP CONTROL
OFF OR STOP
•HOT SURFACE WARNING
Do not touch a hot muffler or
cylinder. You may get burned. These
parts get extremely hot from
operation. When turned off they
remain hot for a short time.
•SHARP BLADE
WARNING:Sharp blade on cutting
attachment shield. To prevent
serious injury, do not
touch line cutting blade.
RULES FOR SAFE OPERATION

6
RULES FOR SAFE OPERATION
APPLICATIONS
As a trimmer:
•Cutting grass and light weeds.
•Decorative trimming around trees, fences, etc.
With Edger Add-On:
•Edging along paths, driveways, rockeries, etc.
Other optional accessories may be used with the
TB25ET. Refer to Operating the EZ-Link System for a list
of add-ons.
Cutting Attachment
Shield
Fuel Cap
Throttle
Control
J-Handle
Cutting Attachment
Shaft Grip
Starter Rope Grip
EZ-Link™
Shaft
Housing
Line Cutting Blade
Hanger
Height
Adjustment
Wheel
Edger Blade
Blade Shield
Gear
Housing
Edger Add-On
Primer Bulb
EZ-Start
Lever
Air Filter/Muffler
Cover
Engine Stand
Spark Plug
Muffler
KNOW YOUR UNIT
Throttle
Lock-Out
Shoulder Strap Clip

7
ASSEMBLY INSTRUCTIONS
On some units, the J-handle may be pre-installed. In this
case you must loosen screws and adjust the handle to fit
the operator. Go to step 5 if the J-handle is pre-installed.
INSTALL AND ADJUST THE J-HANDLE
1. Place the J-handle between the top and middle
clamp pieces (Fig. 1).
(4) Screws
Top Clamp
J-Handle
Middle Clamp
Bottom Clamp
Nuts
2. While holding the three pieces together, install the four
(4) screws through the top clamp and into middle clamp.
NOTE: The holes in the top and middle clamp will line up
only when assembled correctly.
3. Place the clamps and the J-handle over the shaft
housing and onto the bottom clamp.
4. Hold each hex nut in the bottom clamp recess with a
finger. Start screws with a large Phillips screwdriver.
Do not tighten until you make the handle adjustment.
5. Slide the J-handle in or out until the arrow/white line on
the decal touches the clamp assembly (Fig. 2). You must
first loosen the screws if the handle is pre-installed.
Fig. 1
Fig. 2
Fig. 3
6. While holding the unit in the operating position (Fig. 3),
position the J-handle to the location that provides you
the best grip.
7. Tighten the clamp screws evenly, until the J-handle
is secure.
Decal
INSTALLING THE CUTTING SHIELD
Use the following instructions if the cutting attachment
shield on your unit is not installed or if you ever need to
re-install it.
1. Place the cutting attachment shield onto the shaft
housing above the clamp assembly (Fig. 4).
2. Push the cutting attachment shield down to the top
of the cutting attachment assembly. Then rotate the
shield until its screw holes line up with the holes in
the cutting attachment. The shield guard should fit
into the recessed pocket (Fig. 4).
3. Install the screws with a Phillips screwdriver (Fig. 5).
Clamp
Fig. 4
(4) Screws
Cutting Attachment
Shield
Recessed
Pocket
Fig. 5
Never operate the
trimmer without the
cutting attachment shield in place to
prevent serious personal injury.
WARNING:

8
OIL AND FUEL INFORMATION
NOTE: Dispose of the old fuel/oil mix in accordance to
Federal, State and Local regulations.
OIL AND FUEL MIXING INSTRUCTIONS
Old and/or improperly mixed fuel are the main reasons
for the unit not running properly. Be sure to use fresh,
clean unleaded fuel. Follow the instructions carefully for
the proper fuel/oil mixture.
Definition of Blended Fuels
Today's fuels are often a blend of gasoline and
oxygenates such as ethanol, methanol, or MTBE (ether).
Alcohol-blended fuel absorbs water. As little as 1%
water in the fuel can make fuel and oil separate. It forms
acids when stored. When using alcohol-blended fuel,
use fresh fuel (less than 60 days old).
Using Blended Fuels
If you choose to use a blended fuel, or its use is
unavoidable, follow recommended precautions:
•Always use the fresh fuel mix explained in your
operator's manual
•Always agitate the fuel mix before fueling the unit
•Drain the tank and run the engine dry before storing
the unit
Using Fuel Additives
The bottle of 2-cycle oil that came with your unit
contains a fuel additive which will help inhibit corrosion
and minimize the formation of gum deposits. It is
recommended that you use our 2-cycle oil with this unit.
If unavailable, use a good 2-cycle oil designed for
air-cooled engines along with a fuel additive, such as
STA-BIL®Gas Stabilizer or an equivalent. Add 0.8 oz.
(23 ml.) of fuel additive per gallon of fuel according to the
instructions on the container. NEVER add fuel additives
directly to the unit's fuel tank.
Thoroughly mix the proper ratio of 2-cycle engine oil
with unleaded gasoline in a separate fuel can. Use a 40:1
fuel/oil ratio. Do not mix them directly in the engine fuel
tank. See the table below for specific gas and oil mixing
ratios.
NOTE: One gallon (3.8 liters) of unleaded gasoline mixed
with one 3.2 oz. (95 ml.) bottle of
2-cycle oil makes a 40:1 fuel/oil ratio.
UNLEADED GAS 2 CYCLE OIL
1 GALLON US
(3.8 LITERS) 3.2 FL. OZ.
(95 ml)
1 LITER 25 ml
+
MIXING RATIO - 40:1
Add fuel in a clean,
well ventilated
outdoor area. Wipe up any spilled fuel
immediately. Avoid creating a source of
ignition for spilt fuel. Do not start the engine
until fuel vapors dissipate.
WARNING:
Gasoline is
extremely
flammable. Ignited Vapors may explode.
Always stop the engine and allow it to cool
before filling the fuel tank. Do not smoke
while filling the tank. Keep sparks and open
flames at a distance from the area.
WARNING:
Remove fuel cap
slowly to avoid injury
from fuel spray. Never operate the unit
without the fuel cap securely in place
.
WARNING:
For proper engine
operation and
maximum reliability, pay strict attention to
the oil and fuel mixing instructions on the
2-cycle oil container. Using improperly mixed
fuel can severely damage the engine.
CAUTION:

9
STARTING/STOPPING INSTRUCTIONS
STARTING INSTRUCTIONS
Fig. 6
Fig. 7
Throttle Control
(Do NOT squeeze during
a standard start)
STOPPING INSTRUCTIONS
1. Release your hand from the throttle control. Allow the engine
to cool down by idling.
2. Put the On/Off Stop Control in the OFF (O) position until the
unit shuts down (Fig. 6).
Primer
Bulb
EZ-Start™
Lever
Fig. 8
1. Mix gas with oil. Fill fuel tank with fuel/oil mixture.
See Oil and Fuel Mixing Instructions.
NOTE: There is no need to turn the unit on. The On/Off
Stop Control is in the ON ( I ) position at all times.
2. Fully press and release the primer bulb 10 times,
slowly. Some amount of fuel should be visible in
the primer bulb and fuel lines (Fig. 7). If you can’t
see fuel in the bulb, press and release the bulb as
many times as it takes before you can see fuel in it.
3. Push the EZ-Start™ Lever towards the primer
bulb until it clicks and locks into place (Fig. 7).
4. Crouch in the starting position and do not squeeze
the throttle control (Fig. 8). Pull the starter rope out
with a controlled and steady motion until the engine
attempts to start. Repeat until the engine starts.
NOTE: The unit uses Spring Assist Starting™, which
significantly reduces the effort required to start the
engine. You must pull the starter rope out far
enough to hear the engine attempt to start. There
is no need to pull the rope briskly-- there is no
harsh resistance when pulling. Be aware that this
starting method is vastly different from (and much
easier than) what you may be used to.
5. When the engine starts, squeeze the throttle lock-out
and the throttle control for 15 to 30 seconds. This
will warm up the unit. The EZ-Start™ Lever will
click off automatically when you squeeze the
throttle control.
IF... The engine does not start, go back to step 2.
IF... The engine stops while you are squeezing the
throttle, go back to step 3.
IF... The engine stops before you squeeze the throttle
control, hold the throttle control and pull the starter
rope until the trimmer starts.
NOTE: If you are having trouble starting the unit or are
operating in extreme temperatures (below 40º F,
above 90º F), refer to the Troubleshooting section.
Start/On ( I )
Stop/Off (O)
Throttle
Control
Starting
Position
Trimmer
Equipped With
Spring Assist
Starting ™
Operate this unit only in a
well- ventilated outdoor
area. Carbon monoxide exhaust fumes can be lethal in
a confined area.
WARNING:
Avoid accidental starting.
Make sure you are in the
starting position when pulling the starter rope (Fig. 8).
To avoid serious injury, the operator and unit must be
in a stable position while starting.
Make sure that any Add-On item is installed correctly
and secure before starting the unit.
WARNING: Throttle Lock-Out

10
For decorative trimming/edging with the line head cutting
attachment, lock the release button of the cutting
attachment into the 90° hole or the 180° hole (Fig. 11).
For edging with the edger add-on, lock the release
button of the cutting attachment only into the 180°
trimming hole/ primary hole (Fig. 11).
OPERATING THE EZ-LINK™ SYSTEM
The EZ-Link™ system enables the use of these optional
Add-Ons:
Cultivator . . . . . . . . . . . . . . . . . . . . . . . . . . . . . . . . TBGC
Edger . . . . . . . . . . . . . . . . . . . . . . . . . . . . . . . . . . . TBLE
Hedge Trimmer . . . . . . . . . . . . . . . . . . . . . . . . . . . TBAH
Straight Shaft Trimmer . . . . . . . . . . . . . . . . . . . . . . TBSS
Turbo Blower . . . . . . . . . . . . . . . . . . . . . . . . . . . . . TBTB
Pole Saw . . . . . . . . . . . . . . . . . . . . . . . . . . . . . . . . TBPS
Removing the Cutting Attachment or Add-Ons
1. Turn the knob counterclockwise to loosen (Fig. 9).
2. Press and hold the release button (Fig. 9).
3. While firmly holding the upper shaft housing, pull
the cutting attachment or add-on straight out of the
EZ-Link™ coupler (Fig. 10).
Installing the Cutting Attachment or Add-Ons
NOTE: To make installing or removing the add-on
easier, place the unit on the ground or on a work
bench.
1. Turn knob counterclockwise to loosen (Fig. 9).
Fig. 9
EZ-Link™ Coupler Release Button
Guide Recess
Knob
Primary Hole
Upper Shaft Housing
90˚ Edge
Trimming Hole
EZ-Link™ Coupler
2. While firmly holding the add-on, push it straight into
the EZ-Link™ coupler (Fig. 10).
NOTE: Aligning the release button with the guide recess
will help installation (Fig. 9).
3. Turn the knob clockwise to tighten (Fig. 11).
Fig. 10
Fig. 11
Knob
180˚ Trimming Hole/
Primary Hole
Lower Shaft Housing
Release Button
OPERATING INSTRUCTIONS
Prior to operation,
read and understand
the operator’s manual for unit to be used with
this add-on.
WARNING:
To avoid serious
personal injury and
damage to the unit, shut the unit off before
removing or installing add-ons.
WARNING:
The add-ons with the
coupler system is to
be used in the primary hole only. Using the
wrong hole could lead to personal injury or
damage to the unit.
CAUTION:
Lock the release
button in the primary
hole (Fig. 10) and securely tighten the knob
before operating this unit.
CAUTION:

11
NOTE: Do not rest the Bump Head™ on the ground
while the unit is running.
Some line breakage will occur from:
•Entanglement with foreign matter
•Normal line fatigue
•Attempting to cut thick, stalky weeds
•Forcing the line into objects such as walls or fence
posts
TIPS FOR BEST TRIMMING RESULTS
•Keep the cutting attachment parallel to the ground.
•Do not force the cutting attachment. Allow the tip of
the line to do the cutting, especially along walls.
Cutting with more than the tip will reduce cutting
efficiency and may overload the engine.
•Cut grass over 8 inches (200 mm) by working from
top to bottom in small increments to avoid
premature line wear or engine drag.
•Cut from right to left whenever possible. Cutting to
the left improves the unit's cutting efficiency.
Clippings are thrown away from the operator.
•Slowly move the trimmer into and out of the cutting
area at the desired height. Move either in a forward-
backward or side-to-side motion. Cutting shorter
lengths produces the best results.
•Trim only when grass and weeds are dry.
•The life of your cutting line is dependent upon:
•Following the trimming techniques
•What vegetation is being cut
•Where vegetation is cut
For example, the line will wear faster when trimming
against a foundation wall as opposed to trimming
around a tree.
HOLDING THE TRIMMER
Before operating the unit, stand in the operating position
(Fig. 12). Check for the following:
•The operator is wearing eye protection and proper
clothing
•With a slightly-bent right arm, the operator’s hand is
holding the shaft grip
•The operator’s left arm is straight, the left hand
holding the J-handle
•The unit is at waist level
•
The cutting attachment is parallel to the ground and
easily contacts the grass without the need to bend ove
r
Fig. 12
ADJUSTING TRIMMING LINE LENGTH
The Bump Head™ cutting attachment allows you to
release trimming line without stopping the engine. To
release more line, lightly tap the cutting attachment on the
ground (Fig. 13) while operating the trimmer at high speed.
NOTE:Always keep the trimming line fully extended.
Line release becomes more difficult when the
cutting line gets shorter.
Fig. 13
Each time the head is bumped, about 1 inch (25.4 mm)
of trimming line releases. A blade in the cutting
attachment shield will cut the line to the proper length if
any excess line is released.
For best results, tap the bump knob on bare ground or
hard soil. If you attempt a line release in tall grass, the
engine may stall. Always keep the trimming line fully
extended. Line release becomes more difficult when the
cutting line gets shorter.
OPERATING INSTRUCTIONS
Do not remove or alter
the line cutting blade
assembly. Excessive line length will make the
clutch overheat. This may lead to serious
personal injury or damage to the unit.
CAUTION:
Always wear eye,
hearing, foot and
body protection to reduce the risk of injury
when operating this unit.
WARNING:

12
OPERATING INSTRUCTIONS
HOLDING THE UNIT WITH EDGER ADD-ON
Before operating the unit as an edger, stand in the
operating position (Fig. 15). Check for the following:
•The operator is wearing eye protection and proper
clothing
•With a slightly-bent right arm, the operator’s hand is
holding the shaft grip
•The operator’s left arm is straight, the left hand holding
the J-handle
•The unit is at waist level
•The edger wheel is adjusted for proper cut depth and
the edger is positioned as shown in Fig. 15.
Fig. 15
ADJUSTING EDGER CUTTING DEPTH
1. Loosen the adjustment knob above the wheel
(Fig 16).
2. Slide the wheel to the desired position:
•Raising the wheel increases the cutting depth
•Lowering the wheel decreases the cutting depth
3. Tighten the adjustment knob securely.
TIPS FOR BEST EDGING RESULTS
•Keep the cutting attachment perpendicular to the
ground.
•Do not force the edger. At first, edge at a lower depth.
Then edge the area again with a deeper setting.
•Walk the edger at a slow, even pace
•Check the blade’s condition often. As the blade wears,
it becomes smaller, reducing the cutting depth
performance. Replace with a new blade as required.
Fig. 16
Fig. 17
HANGER
A plastic hanger (Fig. 17) comes in the hardware pack.
Use it to hang up the edger, cutting attachment, or other
add-on out of the way when not in use. Push the release
button on the shaft housing and pull the hanger to
remove. Align the hole in the hanger with the release
button on the shaft housing and push on to install.
Raise Depth
Lower Depth
Depth Adjustment Knob
DECORATIVE TRIMMING
Decorative trimming is accomplished by removing all
vegetation around trees, posts, fences and more.
Rotate the whole unit so that the cutting attachment is at
a 30° angle to the ground (Fig. 14).
Fig. 14
Always wear eye,
hearing, foot and
body protection to reduce the risk of injury
when operating this unit.
WARNING:

13
LINE INSTALLATION FOR THE SPEEDSPOOL®
Always use original equipment manufacturer 0.095 inch
(2.41 mm) replacement line. Line other than the specified
may make the engine overheat or fail.
There are two methods to replace the SpeedSpool®
trimming line:
• Wind the inner reel with new line
• Install a pre-wound inner reel
Winding the Inner Reel With New Line
NOTE: It Is unnecessary to remove the bump knob to
install a new trimming line.
1. Cut two pieces of 0.095 inch (2.41 mm) trimming
line, 10 feet (3 m) long.
2. Hold the outer spool and turn the inner reel
counterclockwise to line up the arrows on the outer
spool and inner reel (Fig. 18).
Top View Of The SpeedSpool®
Outer Spool
Inner Reel
Fig. 18
Bump Knob
Arrows
MAINTENANCE AND REPAIR INSTRUCTIONS
MAINTENANCE SCHEDULE
Perform these required maintenance procedures at the
frequency stated in the table. These procedures should
also be a part of any seasonal tune-up.
NOTE: Some maintenance procedures may require
special tools or skills. If you are unsure about
these procedures take your unit to any non-road
engine repair establishment, individual or
authorized service dealer.
NOTE: Maintenance, replacement, or repair of the
emission control devices and system may be
performed by any non-road engine repair
establishment, individual or authorized service
dealer.
In order to assure peak performance of your engine,
inspection of the engine exhaust port may be necessary
after 50 hours of operation. If you notice lost RPM, poor
performance or general lack of acceleration, this service
may be required. If you feel your engine is in need of this
inspection, refer service to any non-road engine repair
establishment, individual or authorized service dealer for
repair. DO NOT attempt to perform this process yourself
as engine damage may result from contaminants
involved in the cleaning process for the port.
FREQUENCY MAINTENANCE REQUIRED REFER TO
Before starting engine Fill fuel tank with fresh fuel Page 8
Every 10 hours Clean and re-oil air filter Page 17
Every 25 hours Check and clean spark arrestor
Check spark plug condition and gap Page 18
Page 20
Every 50 hours Inspect exhaust port and spark arrestor screen for clogging or
obstruction to assure maximum performance levels Page 18
To prevent serious
injury, never perform
maintenance or repairs with unit running.
Always service and repair a cool unit.
Disconnect the spark plug wire to ensure that
the unit cannot start.
WARNING:
Never use metal-
reinforced line, wire,
chain or rope. These can break off and
become dangerous projectiles.
WARNING: Always use the
correct line length
when installing trimming line on the unit.
The line may not release properly if the line
is too long.
WARNING:

14
Line Locking Hole
Trimming Line
Line Loading Hole
Eyelet
5. Insert the line into the locking hole (Fig. 20). Do not
push the line more than a 1/2 inch (12.7 mm) into the
line locking hole. The line will form a small loop
(Fig. 20) when it is inserted correctly.
3. Pull old line out of the line loading and line locking
holes (Fig. 19 and 20).
4. Insert a piece of trimming line straight into one of the
two eyelets in the outer spool. Push it up through the
line loading hole in the inner reel (Fig. 19). Do not
bend the line when inserting it into the eyelet.
Fig. 19
Fig. 20
6. Pull the line from the outer spool until the line is tight
against the inner reel (Fig. 21).
Fig. 21
INSTALLING A PRE-WOUND REEL
1. Turn the bump knob counterclockwise and remove
the bump knob, spring and foam seal (Fig. 24).
9. If winding the line becomes difficult or if the line
jams, pull the ends of the line from the spool
(Fig. 23). Continue winding the inner reel
counterclockwise.
Fig. 22
Fig. 23
7. Repeat procedures 4-6 with the second piece of line.
8. Hold the outer spool. Wind the inner reel
counterclockwise until approximately four (4) inches
(102 mm) of line remain (Fig. 22).
NOTE: Do not wind the inner reel before installing the
second piece of line.
Bump Knob
Foam Seal
Spring
Inner Reel
Fig. 24
MAINTENANCE AND REPAIR INSTRUCTIONS

15
SPEEDSPOOL®REPLACEMENT PARTS
Replacement Line . . . . . . . . . . . . . . . . . . . . . . . . 180120
Replacement Line Cartridge . . . . . . . . . . . . . 753-04218
Inner Reel Spring . . . . . . . . . . . . . . . . . . . . . . . . 181465
Foam Seal . . . . . . . . . . . . . . . . . . . . . . . . . . . . . . 181467
Inner Reel . . . . . . . . . . . . . . . . . . . . . . . . . . . . . . 181464
Bump Knob Assembly . . . . . . . . . . . . . . . . . . . . 181468
(Bump Knob, Foam Seal, Spring)
These SpeedSpool®replacement parts can be
purchased from your local authorized dealer.
4. Hold the inner reel in place and install the bump
knob, spring and foam seal. Press down and turn the
bump knob clockwise. Grasp the ends and pull
firmly to release the line from the holding slots in the
inner reel (Fig. 23).
Releasing the Inner Reel
If the SpeedSpool®does not release line correctly, pull
the ends of the line firmly from the spool (Fig. 23). If this
does not the release line, follow the Cleaning the
SpeedSpool®instructions.
2. Pull the old inner reel with existing line from the outer
spool.
3. Insert the ends of the prewound inner reel line into
the outer spool eyelets (Fig. 25). Push the new inner
reel, arrow side up, into the outer spool.
Fig. 25
4. Remove any existing line from the inner reel before
cleaning. Remove any debris or grass from the knob,
spring, inner reel and foam seal. Wash the inner reel
with warm soapy water (Fig. 27).
Fig. 26
CLEANING THE SPEEDSPOOL®
Cleaning the SpeedSpool®may be necessary if:
•A jammed or excessive line must be removed
•The SpeedSpool®becomes difficult to wind or does
not operate correctly when bumping the head on the
ground
1. Hold the outer spool, and unscrew the bump knob
counterclockwise (Fig. 26).
2. Pull out the bump knob, spring and foam seal
(Fig. 24).
Shaft
Plunger
NOTE: The inner reel must be totally dry before
reinstalling it into the outer spool. Do not
lubricate the inner reel or outer spool assembly.
6. Place the inner reel into the outer spool.
7. Place the bump knob, spring and foam seal onto the
inner reel (Fig. 24).
8. Press the bump knob down and tighten clockwise.
9. Install new line as described in Line Installation for
the SpeedSpool®.
5. Clean the shaft and the inner surface of the outer
spool. To clean the shaft underneath the plunger,
press down on the plunger (Fig. 28). Remove any dirt
or debris from the shaft.
Fig. 28
Inner Reel
Fig. 27
3. Pull the inner reel with existing line from the outer
spool.
MAINTENANCE AND REPAIR INSTRUCTIONS

16
MAINTENANCE AND REPAIR INSTRUCTIONS
Fig. 30
EDGER BLADE REPLACEMENT
1. Line up the hole in output shaft with the locking rod
slot. Insert the locking rod through the slot into the
output shaft hole (Fig. 29).
2. Hold the locking rod in place by grasping it next to
the boom of the unit (Fig. 30).
3. While holding the locking rod, loosen the nut on the
blade by turning it clockwise with a 5/8 inch wrench
(Fig. 31). Remove the nut, retaining washer and blade.
Keep the nut and blade retainer for installation.
4. Install the new blade, blade retainer and nut (Fig. 32).
Insert the locking rod through the slot into the output
shaft hole. Make sure that the blade stays flat and
centered against the output shaft while tightening
the lock nut counterclockwise (Fig. 33).
5. If you have a torque wrench, tighten the nut to
325-335 in.•lbs (37-38 N•m), while holding the
locking rod in the slot.
If you do not have a torque wrench, hold the locking
rod in the slot. Rotate the nut counterclockwise
with a 5/8 inch closed-ended or socket wrench, until
the nut presses against the washer and the blade is
snug. Make sure the blade assembly is installed
correctly, then rotate the nut an additional 1/4-1/2
turn (Fig. 33).
6. Remove the locking rod.
Locking Rod
Locking
Rod
Output Shaft
Hole
Locking Rod
Slot Output Shaft
Fig. 29
Locking Rod
Blade Retainer
Lock Nut
Loosen
Tighten
Edger Blade
Fig. 31
Fig. 32
Fig. 33
Verify that the blade
is flat against the
output shaft after the nut is tightened. If the
blade is off-center, the unit will vibrate
excessively and may damage. Also, the
blade may dislodge and fly off, possibly
causing serious personal injury.
WARNING:
The gear housing
gets hot after long
periods of use. To avoid serious personal
injury, do not touch the housing until it has
cooled.
WARNING:
To avoid serious
personal injury,
always wear gloves while handling,
removing or installing the blade.
WARNING:

17
MAINTENANCE AND REPAIR INSTRUCTIONS
Cleaning the Air Filter
Clean and re-oil the air filter every 10 hours of operation.
It is an important item to maintain. Failure to maintain the
air filter will VOID the warranty.
1. Remove air filter/muffler cover. Refer to Removing
the Air Filter/Muffler Cover.
2. Turn cover over and look inside to locate the air filter.
Remove the air filter from inside the air filter/muffler
cover (Fig. 35).
3. Wash the filter in detergent and water (Fig. 36). Rinse
the filter thoroughly. Squeeze out excess water. Allow
it to dry completely.
4. Apply enough clean SAE 30 oil to lightly coat the filter
(Fig. 37).
5. Squeeze the filter to spread and remove excess oil
(Fig. 38).
AIR FILTER MAINTENANCE
Removing the Air Filter/Muffler Cover
1. Remove the four (4) screws securing the air
filter/muffler cover (Fig. 34). Use a flat blade or
T20 Torx bit screwdriver.
2. Pull the cover from the engine. Do not force.
Screws Screws
Fig. 34
Fig. 35 Fig. 36
Fig. 37 Fig. 38
6. Replace the air filter inside the air filter/muffler cover
(Fig. 35).
NOTE: Operating the unit without the air filter and air
filter/muffler cover assembly will VOID the
warranty.
Reinstalling the Air Filter/Muffler Cover
1. Place the air filter/muffler cover over the back of the
carburetor and muffler. Align the screw holes.
2. Insert the four (4) screws into the holes in the air
filter/muffler cover (Fig. 34) and tighten.
Do not over tighten.
EZ-Start™
Lever
Air Filter
Inside Muffler
Cover
To avoid serious
personal injury,
always turn your unit off and allow it to cool
before you clean or service it.
WARNING:

18
MAINTENANCE AND REPAIR INSTRUCTIONS
SPARK ARRESTOR MAINTENANCE
1. Remove the air filter/muffler cover. See Removing the
Air Filter/Muffler Cover.
2. Locate the muffler front and the two (2) bolts securing
it to the engine (Fig. 39). Remove the two (2) bolts
using a flatblade screwdriver or 5/16-inch socket or
nut driver. Pull the muffler off of the engine.
3. Turn the muffler over to the back side and locate the
exhaust gasket. Remove the exhaust gasket from the
muffler (Fig. 39).
NOTE: If exhaust gasket is torn or damaged, replace
with a new gasket before reassembling muffler.
4. Using a small flatblade screwdriver, carefully pry up
the spark arrestor from the recessed hole (Fig. 40).
Remove the spark arrestor from muffler.
5. Clean the spark arrestor with a wire brush. Replace it
if it is damaged or if it is impossible to clean
thoroughly (Fig. 40).
6. Reinstall the spark arrestor by pressing it into the
recessed hole on the muffler's back side. Make sure
it fits tightly against the muffler and is not raised up.
7. Place the exhaust gasket against the muffler's back
side. Align the exhaust gasket bolt holes with the bolt
holes in the muffler. While holding the exhaust gasket
in place, insert bolts into muffler's front side (Fig. 39).
8. Place the muffler (with the exhaust gasket in place
and the bolts inserted,) against the engine, aligning
the bolt holes. Tighten the bolts to secure the muffler
to the engine.
If using a torque wrench torque to:
80-90 in.•lb. (9-10.2 N•m).
9. Reinstall air filter/muffler cover.
Fig. 40
Fig. 39
Muffler - Front Side Muffler - Back Side
Bolts Exhaust
Gasket
Spark
Arrestor
Muffler - Back Side
Spark
Arrestor Flatblade
Screwdriver
Spark Arrestor
If the muffler is not
tightened securely, it
could fall off causing damage to the unit and
possible serious personal injury.
WARNING:

19
MAINTENANCE AND REPAIR INSTRUCTIONS
Fig. 41
Idle Speed Screw
NOTE: The cutting attachment should not rotate when
the engine idles.
3. If the cutting attachment rotates when the engine idles,
turn the idle speed screw counterclockwise 1/8 of a
turn at a time (as needed), to reduce idle speed.
Checking the fuel mixture, cleaning the air filter, and
adjusting the idle speed should solve most engine
problems.
If not and all of the following are true:
•The engine will not idle
•The engine hesitates or stalls on acceleration
•There is a loss of engine power
Have the carburetor adjusted by an authorized service
dealer.
Check Fuel Mixture
Old and/or improperly mixed fuel is usually the reason
for improper unit performance. Drain and refill the tank
with fresh, properly-mixed fuel prior to making any
adjustments. Refer to Oil and Fuel Information.
Clean Air Filter
The condition of the air filter is important to the operation
of the unit. A dirty air filter will restrict air flow and
change the air/fuel mixture. This is often mistaken for an
out of adjustment carburetor. Check the condition of the
air filter before adjusting the idle speed screw. Refer to
Air Filter Maintenance.
Adjust Idle Speed Screw
If, after checking the fuel mixture and cleaning the air
filter, the engine still will not idle, adjust the idle speed
screw as follows:
1. Start the engine and let it run at a high idle for a
minute to warm up. Refer to Starting/Stopping
Instructions.
2. Release the throttle trigger and let the engine idle. If
the engine stops, insert a small phillips or flat blade
screwdriver into the hole in the air filter/muffler cover
(Fig. 41). Turn the idle speed screw in, clockwise,
1/8 of a turn at a time (as needed) until the engine
idles smoothly.
CARBURETOR ADJUSTMENT
The idle speed of the engine is adjustable through the air
filter/muffler cover (Fig. 41).
NOTE: Careless adjustments can seriously damage your
unit. An authorized service dealer should make
carburetor adjustments.
The cutting
attachment may spin
during idle speed adjustments. Wear
protective clothing and observe all safety
instructions to prevent serious personal injury.
WARNING:
To prevent serious
personal injury,
make sure the cutting attachment has
stopped rotating after you turn it off and
before you set it down.
WARNING:

20
MAINTENANCE AND REPAIR INSTRUCTIONS
CLEANING
Use a small brush to clean off the outside of the unit. Do
not use strong detergents. Household cleaners that
contain aromatic oils such as pine and lemon, and
solvents such as kerosene, can damage plastic housing
or handle. Wipe off any moisture with a soft cloth.
ACCESSORIES/REPLACEMENT PARTS
2-Cycle Oil . . . . . . . . . . . . . . . . . . . . . . . . . . . . . .147543
Spark Plug . . . . . . . . . . . . . . . . . . . . . . . . . . . . . . 610311
Replacement Line . . . . . . . . . . . . . . . . . . . . . . . . 180120
Replacement Line Cartridge . . . . . . . . . . . . . 753-04218
Fuel Cap . . . . . . . . . . . . . . . . . . . . . . . . . . . . . . . .180000
Edger Blade . . . . . . . . . . . . . . . . . . . . . . . . . . . . 613223
Shoulder Strap . . . . . . . . . . . . . . . . . . . . . . . . . . 682075
For specific replacement parts, refer to the parts list
located on the inside back cover of this manual.
REPLACING THE SPARK PLUG
Use a Champion RDJ7Y spark plug (or equivalent).
The correct air gap is 0.020 inch (0.5 mm). Remove the
plug after every 25 hours of operation and check its
condition.
1. Stop the engine and allow it to cool. Grasp the plug
wire firmly and pull it from the spark plug.
2. Clean around the spark plug. Remove the spark plug
from the cylinder head by turning a 5/8 in. socket
counterclockwise.
3. Replace a cracked, fouled or dirty spark plug. Set the
air gap at 0.020 in. (0.5 mm) using a feeler gauge
(Fig. 42).
4. Install a correctly-gapped spark plug in the cylinder
head. Tighten by turning the 5/8-inch socket
clockwise until snug.
If using a torque wrench torque to:
110-120 in.•lb. (12.3-13.5 N•m)
Do not over tighten.
0.020 in.
(0.5 mm)
Fig. 42
STORAGE
•Never store the unit with fuel in the tank where fumes
may reach an open flame or spark.
•Allow the engine to cool before storing.
•Store the unit locked up to prevent unauthorized use or
damage.
•Store the unit in a dry, well-ventilated area.
•Store the unit out of the reach of children.
LONG TERM STORAGE
If the unit will be stored for an extended time, use the
following storage procedure:
1. Drain all fuel from the fuel tank into a container with
the same 2-cycle fuel mixture. Do not use fuel that
has been stored for more than 60 days. Dispose of
the old fuel/oil mix in accordance to Federal, State
and Local regulations.
2. Start the engine and allow it to run until it stalls. This
ensures that all fuel has been drained from the
carburetor.
3. Allow the engine to cool. Remove the spark plug and
put 1 oz. (30 ml) of any high quality motor oil or
2-cycle oil into the cylinder. Pull the starter rope
slowly to distribute the oil. Reinstall the spark plug.
NOTE: Remove the spark plug and drain all of the oil
from the cylinder before attempting to start the
trimmer after storage.
4. Thoroughly clean the unit and inspect it for any loose
or damaged parts. Repair or replace damaged parts
and tighten loose screws, nuts or bolts. The unit is
ready for storage.
TRANSPORTING
•Allow the engine to cool before transporting.
•Drain fuel from unit.
•Tighten fuel cap before transporting.
•Secure the unit while transporting.
Do not sand blast,
scrape or clean
electrodes. Grit in the engine could damage
the cylinder.
WARNING:
To avoid serious
personal injury,
always turn your unit off and allow it to cool
before you clean or service it.
WARNING:

21
TROUBLESHOOTING
If further assistance is required, contact your authorized service dealer.
CAUSE ACTION
Cutting attachment bound with grass Stop the engine and clean cutting attachment
Cutting attachment out of line Refill with new line
Inner reel bound up Replace the inner reel
Cutting head dirty Clean inner reel and outer spool
Line welded Disassemble, remove the welded section and rewind
Line twisted when refilled Disassemble and rewind the line
Not enough line is exposed Push the bump knob and pull out line until 4 inches
(102 mm) of line is outside of the cutting attachment
CAUSE ACTION
Old or improperly mixed fuel Drain gas tank and add fresh fuel mixture
Improper carburetor adjustment Take to an authorized service dealer for an adjustment
Fouled spark plug Replace or clean the spark plug
Plugged spark arrestor Clean or replace spark arrestor
CAUSE ACTION
Empty fuel tank Fill fuel tank with properly mixed fuel
Primer bulb wasn't pressed enough Press primer bulb fully and slowly 10 times
Engine is flooded Squeeze the trigger and pull the starter rope
Old or improperly mixed fuel Drain gas tank and add fresh fuel mixture
Fouled spark plug Replace or clean the spark plug
Plugged spark arrestor Clean or replace spark arrestor
EZ-Start lever wasn’t flipped/set Move lever to the starting position
The outside temperature is below 40º F Pull the starter rope up to 10-15 times
The outside temperature is above 90º F Squeeze the throttle control and pull the starter rope
ENGINE WILL NOT START
ENGINE WILL NOT IDLE
ENGINE WILL NOT ACCELERATE
ENGINE LACKS POWER OR STALLS WHEN CUTTING
CAUSE ACTION
Air filter is plugged Replace or clean the air filter
Old or improperly mixed fuel Drain gas tank and add fresh fuel mixture
Improper carburetor adjustment Adjust according to the Carburetor Adjustments section
CAUSE ACTION
Old or improperly mixed fuel Drain gas tank and add fresh fuel mixture
Improper carburetor adjustment Take to an authorized service dealer for an adjustment
Cutting attachment bound with grass Stop the engine and clean the cutting attachment
Dirty air filter Clean or replace the air filter
Plugged spark arrestor Clean or replace spark arrestor
CUTTING ATTACHMENT WILL NOT ADVANCE LINE
CAUSE ACTION
Oil, cleaner or lubricant in cutting head Clean and thoroughly dry the cutting head
CUTTING LINE ADVANCES UNCONTROLLABLY

22
SPECIFICATIONS
ENGINE*
DRIVE SHAFT & CUTTING ATTACHMENT*
*All specifications are based on the latest product information available at the time of printing. We reserve the right to
make changes at any time without notice.
Engine Type.......................................................................................................................................... Air-Cooled, 2-Cycle
Stroke.................................................................................................................................................... 1.25 in. (31.75 mm)
Displacement............................................................................................................................................. 1.9 cu in. (31 cc)
Clutch Type ......................................................................................................................................................... Centrifugal
Idle Speed RPM ...................................................................................................................................... 2,800 - 4,000 rpm
Operating RPM.................................................................................................................................................. 7,200+ rpm
Ignition Type.......................................................................................................................................................... Electronic
Ignition Switch.............................................................................................................................................. Rocker Switch
Spark Plug Gap....................................................................................................................................... 0.020 in. (0.5 mm)
Lubrication................................................................................................................................................... Fuel/Oil Mixture
Fuel/Oil Ratio................................................................................................................................................................. 40:1
Carburetor....................................................................................................................................... Diaphragm, All-Position
Starter ........................................................................................................................................Spring Assist/ Auto Rewind
Muffler..................................................................................................................................................... Baffled with Guard
Throttle............................................................................................................................................... Manual Spring Return
Fuel Tank Capacity....................................................................................................................................... 13 oz. (384 ml)
Drive Shaft Housing .......................................................................................................................... Steel Tube, EZ-Link™
Throttle Control................................................................................................................. Finger-Tip Trigger with Lock-out
Approximate Unit Weight (No fuel, with cutting attachment, shield and J-handle) ............................... 12.25 lbs. (5.6 kg)
Cutting Mechanism.................................................................................................. SpeedSpool Dual String Cutting Head
Line Spool............................................................................................................................................. Bump Line Releaser
Line Spool Diameter.............................................................................................................................. 3 inches (76.2 mm)
Trimming Line Diameter ................................................................................................................. 0.095 inches (2.41 mm)
Cutting Path Diameter ........................................................................................................................ 17 inches (43.18 cm)
EDGER ADD-ON*
Unit Weight (Add-On only)....................................................................................................................... 5.25 lbs. (2.36 kg)
Cutting Depth (maximum) .......................................................................................................................... 2.5 in. (63.5 mm)
Wheel Diameter...................................................................................................................................... 3.75 in (95.25 mm)
Gearbox Ratio............................................................................................................................................................. 1.25:1

23
EPA Emission Control Warranty Statement
Your Warranty Rights and Obligations
The Environmental Protection Agency and Troy-Bilt LLC (Troy-Bilt) are pleased to explain the emission control system
warranty on your 2002 and later small off-road engine. New small off-road engines must be designed, built and
equipped to meet stringent anti-smog standards. Troy-Bilt must warrant the emission control system on your small off-
road engine for the periods of time listed below provided there has been no abuse, neglect or improper maintenance of
your small off-road engine.
Your emission control system may include parts such as the carburetor or fuel-injected system, the ignition system, and
catalytic converter. Also included may be hoses, belts, connectors and other emission-related assemblies.
Where a warrantable condition exists, Troy-Bilt will repair your small off-road engine at no cost to you including
diagnosis, parts and labor.
The 2002 and later small off-road engines are warranted for two years. If any emission-related part on your engine is
defective, the part will be repaired or replaced by Troy-Bilt.
Owners Warranty Responsibilities
• As the small off-road engine owner, you are responsible for the performance of the required maintenance listed in your
operator’s manual. Troy-Bilt recommends that you retain all receipts covering maintenance on your small off-road
engine, but Troy-Bilt cannot deny warranty solely for the lack of receipts or for your failure to ensure the performance of
all scheduled maintenance.
• As the small off-road engine owner, you however should be aware that Troy-Bilt may deny you warranty coverage if
your small off-road engine or a part has failed due to abuse, neglect, improper maintenance or unapproved
modifications.
• You are responsible for presenting your small off-road engine to a Troy-Bilt Authorized Service Center as soon as a
problem exists. The warranty repairs should be completed in a reasonable amount of time, not to exceed 30 days.
If you have any questions regarding your warranty rights and responsibilities, you should call 1-800-520-5520.
Manufacturer’s Warranty Coverage
• The warranty period begins on the date the engine or equipment is delivered to the retail purchaser.
• The manufacturer warrants to the initial owner and each subsequent purchaser, that the engine is free from defects in
material and workmanship which cause the failure of a warranted part for a period of two years.
• Repair or replacement of warranted part will be performed at no charge to the owner at an Authorized Troy-Bilt Service
Center. For the nearest location please contact Troy-Bilt at: 1-800-520-5520.
• Any warranted part which is not scheduled for replacement, as required maintenance or which is scheduled for only
for regular inspection to the effect of “Repair or Replace as Necessary” is warranted for the warranty period. Any
warranted part which is scheduled for replacement as required maintenance will be warranted for the period of time up
to the first scheduled replacement point for that part.
• The owner will not be charged for diagnostic labor which leads to the determination that a warranted part is defective,
if the diagnostic work is performed at an Authorized Troy-Bilt Service Center.
• The manufacturer is liable for damages to other engine components caused by the failure of a warranted part still
under warranty.
• Failures caused by abuse, neglect or improper maintenance are not covered under warranty.
• The use of add-on or modified parts can be grounds for disallowing a warranty claim. The manufacturer is not liable to
cover failures of warranted parts caused by the use of add-on or modified parts.
• In order to file a claim, go to your nearest Authorized Troy-Bilt Service Center. Warranty services or repairs will be
provided at all Authorized Troy-Bilt Service Centers.
• Any manufacturer approved replacement part may be used in the performance of any warranty maintenance or repair
of emission related parts and will be provided without charge to the owner. Any replacement part that is equivalent in
performance or durability may be used in non-warranty maintenance or repair and will not reduce the warranty
obligations of the manufacturer
• The following components are included in the emission related warranty of the engine, air filter, carburetor, primer, fuel
lines, fuel pick up/ fuel filter, ignition module, spark plug and muffler.

MANUFACTURER’S LIMITED WARRANTY FOR:
No implied warranty, including any implied warranty of
merchantability or fitness for a particular purpose,
applies after the applicable period of express written
warranty above as to the parts as identified. No other
express warranty or guaranty, whether written or oral,
except as mentioned above, given by any person or
entity, including a dealer or retailer, with respect to any
product shall bind Troy-Bilt LLC During the period of
the Warranty, the exclusive remedy is repair or
replacement of the product as set forth above. (Some
states do not allow limitations on how long an implied
warranty lasts, so the above limitation may not apply to
you.)
The provisions as set forth in this Warranty provide the
sole and exclusive remedy arising from the sales. Troy-
Bilt LLC shall not be liable for incidental or
consequential loss or damages including, without
limitation, expenses incurred for substitute or
replacement lawn care services, for transportation or
for related expenses, or for rental expenses to
temporarily replace a warranted product. (Some states
do not allow limitations on how long an implied warranty
lasts, so the above limitation may not apply to you.)
In no event shall recovery of any kind be greater than the
amount of the purchase price of the product sold.
Alteration of the safety features of the product shall void
this Warranty. You assume the risk and liability for loss,
damage, or injury to you and your property and/or to
others and their property arising out of the use or misuse
or inability to use the product.
This limited warranty shall not extend to anyone other than
the original purchaser, original lessee or the person for
whom it was purchased as a gift.
How State Law Relates to this Warranty: This warranty
gives you specific legal rights, and you may also have
other rights which vary from state to state.
To locate your nearest service dealer dial
1-800-520-5520.
Troy-Bilt LLC
P.O. Box 361131
Cleveland, OH 44136-0019
The limited warranty set forth below is given by Troy-Bilt
LLC with respect to new merchandise purchased and used
in the United States, its possessions and territories.
Troy-Bilt LLC warrants this product against defects in
material and workmanship for a period of two (2) years
commencing on the date of original purchase and will, at its
option, repair or replace, free of charge, any part found to
be defective in material or workmanship. This limited
warranty shall only apply if this product has been operated
and maintained in accordance with the Operator’s Manual
furnished with the product, and has not been subject to
misuse, abuse, commercial use, neglect, accident,
improper maintenance, alteration, vandalism, theft, fire,
water or damage because of other peril or natural disaster.
Damage resulting from the installation or use of any
accessory or attachment not approved by Troy-Bilt LLC for
use with the product(s) covered by this manual will void
your warranty as to any resulting damage. This warranty is
limited to ninety (90) days from the date of original retail
purchase for any Troy-Bilt product that is used for rental or
commercial purposes, or any other income-producing
purpose.
HOW TO OBTAIN SERVICE: Warranty service is
available, WITH PROOF OF PURCHASE THROUGH
YOUR LOCAL AUTHORIZED SERVICE DEALER. To locate
the dealer in your area, visit our website at www.troybilt.com,
check for a listing in the Yellow Pages, call 1-800-520-
5520 or write to
P.O. Box 361131, Cleveland, OH 44136-
0019
.
This limited warranty does not provide coverage in
the following cases:
A. Tune-ups - Spark Plugs, Carburetor Adjustments,
Filters
B. Wear items - Bump Knobs, Outer Spools, Cutting
Line, Inner Reels, Starter Pulley, Starter Ropes, Drive
Belts
C. Troy-Bilt LLC does not extend any warranty for
products sold or exported outside of the United
States of America, its possessions and territories,
except those sold through Troy-Bilt’s authorized
channels of export distribution.
Troy-Bilt LLC reserves the right to change or improve the
design of any Troy-Bilt Product without assuming any
obligation to modify any product previously manufactured.

Désherbeuse/
Coupe-bordure à
gaz à 2-temps
Modèle TB25ET
Manuel de L'utilisateur
IMPORTANT: LISEZ LES RÈGLES ET CONSIGNES DE SÉCURITÉ SOIGNEUSEMENT
P/N 769-00931 (10/03)
IMPRIMÉ AUX ÉTATS-UNIS
E
a
s
y
S
t
a
r
TM
M

F2
INTRODUCTION
Copiez le numéro
de série ici :
Copiez le numéro de
modèle / pièce mère ici :
TOUS NOS REMERCIEMENTS
Nous vous remercions d'avoir acheté ce produit de
qualité. Cet outil mécanique de plein air moderne est
conçu pour vous rendre service pendant longtemps. Il
vous sauvera beaucoup de temps comme vous pourrez
vous en rendre compte. Ce manuel de l'utilisateur
comporte un mode d'emploi facile à comprendre. Prenez
soin de lire le manuel au complet et suivez toutes ses
instructions à la lettre afin de conserver votre nouvel outil
mécanique de plein air en excellent état de
fonctionnement.
RÉFÉRENCES, ILLUSTRATIONS ET
SPÉCIFICATIONS RELATIVES AU PRODUIT
Toutes les informations, illustrations et spécifications
contenues dans ce manuel tiennent compte des dernières
informations techniques disponibles au moment de
mettre sous presse. Nous nous réservons le droit d'y
apporter des modifications à tout moment, sans préavis.
Copyright© 2003 MTD SOUTHWEST INC., Tous droits
réservés.
NFORMATIONS D’ENTRETIEN
Tout entretien effectué sur cet appareil pendant et après
la période de garantie doit être fait par un concess-
ionnaire agréé uniquement. Obtenez la liste des
concessionnaires agréés appelez le 1-800-520-5520.
Pour de plus amples informations à propos de votre
appareil, visitez www.troybilt.com.
NE RETOURNEZ PAS L'APPAREIL AU DÉTAILLANT
CHEZ QUI VOUS L'AVEZ ACHETÉ. TOUT SERVICE
SOUS GARANTIE NÉCESSITE UNE PREUVE D'ACHAT.
Avant d'assembler votre nouvel équipement, repérez la
plaque signalétique de l'appareil et copiez ses
informations dans l'espace ci-dessous. Ces informations
sont essentielles si vous désirez obtenir de l'aide auprès
de notre service technique ou d'un distributeur agréé. Un
exemple de plaque signalétique est présenté ci-dessous.
S/N : ITEM :
MODEL :
Prenez soin de lire et de bien comprendre ce manuel
avant de démarrer ou de faire fonctionner cet équipement.
CE PRODUIT EST COUVERT PAR UN OU PLUSIEURS
BREVETS AMÉRICAINS, ET D’AUTRES SONT EN
INSTANCE.
TABLE DES MATIÈRES
Service technique . . . . . . . . . . . . . . . . . . . . . . . . . .F2
Consignes de sécurité . . . . . . . . . . . . . . . . . . . . . .F3
Familiarisez-vous avec votre appareil . . . . . . . . . .F7
Instructions de montage . . . . . . . . . . . . . . . . . . . .F8
Informations sur l'huile et le carburant . . . . . . . . . .F9
Instructions de démarrage et d'arrêt . . . . . . . . . .F10
Mode d'emploi . . . . . . . . . . . . . . . . . . . . . . . . . . .F11
Entretien et réparations . . . . . . . . . . . . . . . . . . . .F14
Accessoires/pièces de rechange . . . . . . . . . . . . .F21
Nettoyage et entreposage . . . . . . . . . . . . . . . . . .F21
Tableau de dépannage . . . . . . . . . . . . . . . . . . . . .F22
Caractéristiques . . . . . . . . . . . . . . . . . . . . . . . . . .F23
Garantie . . . . . . . . . . . . . . . . . . . . . . . . . . . . . . . .F26
Liste des Pièces . . . Intérieure de la Couverture Arrière
PARE-ÉTINCELLES
REMARQUE : à l'intention des utilisateurs opérant
dans les terres forestières des États-Unis et dans les
états de Californie, du Maine, de l'Orégon et de
Washington. Toutes les terres forestières des États-Unis
et de l'état de Californie (Codes sur les ressources
publiques 4442 et 4443), de l'Orégon et de Washington
exigent de par la loi que certains moteurs à combustion
interne utilisés dans des zones couvertes de taillis ou
d'herbe soient équipés d'un pare-étincelles en parfait état
de fonctionnement, ou qu'ils soient conçus, équipés et
entretenus pour la prévention des incendies. Renseignez-
vous auprès des autorités de votre province ou de votre
municipalité concernant la réglementation en vigueur.
Vous pourriez être passible d'une amende ou être tenu
responsable si vous ne respectez pas cette
réglementation. Cet appareil est équipé d'un pare-
étincelles en usine. Si l'écran pare-étincelles, réf.
182747, doit être remplacé, communiquez avec le
service technique.
AVERTISSEMENT
LES GAZ D'ÉCHAPPEMENT DU MOTEUR DE
CET APPAREIL CONTIENNENT DES PRODUITS
CHIMIQUES CONSIDÉRÉS PAR L'ÉTAT DE
CALIFORNIE COMME POUVANT CAUSER LE
CANCER, DES MALFORMATIONS
CONGÉNITALES OU D'AUTRES EFFETS NOCIFS
SUR L'APPAREIL DE REPRODUCTION.
AVERTISSEMENT DE LA PROPOSITION 65 DE
CALIFORNIE
Numéro de modèle
Numéro de série Numéro de pièce mère

F3
CONSIGNES DE SÉCURITÉ
LIRE TOUTES LES INSTRUCTIONS
AVANT UTILISATION
•Veuillez lire les instructions avec soin. Familiarisez-
vous avec les commandes et l'utilisation correcte de
cet appareil.
•N'utilisez pas l'appareil si vous êtes fatigué, malade ou
sous l'effet de l'alcool, de drogues ou de médicaments.
•Les enfants et adolescents de moins de 15 ans ne
doivent pas utiliser l'appareil exceptés les adolescents
assistés d'un adulte.
•Inspectez l'appareil avant utilisation. Remplacez les
pièces endommagées. Regardez s'il y a des fuites de
carburant. Assurez-vous que les fixations sont
solidement en place. Remplacez les pièces de
l'accessoire de coupe qui sont fendillées, ébréchées ou
endommagées. Assurez-vous que l'accessoire de coupe
est correctement installé et solidement fixé. Assurez-vous
que le protecteur d'accessoire de coupe est
correctement fixé et positionné comme recommandé.
Vous risquez sinon de causer des blessures à l'opérateur
et aux spectateurs, et d'endommager l'appareil.
•N'utilisez que du fil de remplacement d’origine du
fabrican de 2,41mm (0,095 po) de diamètre. N'utilisez
jamais de fil ou de cordon à renfort métallique car ils
peuvent se briser et se transformer en projectile
dangereux.
•Soyez conscient des risques de blessure à la tête, aux
mains et aux pieds.
•Dégagez la zone de coupe avant chaque usage. Enlevez
tous les objets pouvant être projetés ou happés par
l'accessoire de coupe : cailloux, verre brisé, clous, fil ou
ficelle. Éloignez enfants, spectateurs et animaux de la
zone de coupe. Tenez-les à au moins 15 m (50 pi) de là
mais sachez que les spectateurs risquent quand même
d'être atteints par des objets projetés. Conseillez-leur de
porter des protecteurs oculaires. Arrêtez immédiatement
le moteur et l'accessoire de coupe si quelqu'un
s'approche de vous.
•Appuyez sur la manette des gaz et assurez-vous
qu'elle revient automatiquement en position de ralenti.
Procédez à tous les réglages ou réparations avant
d'utiliser l'appareil.
•Cet appareil n'est pas conçu pour servir de
débroussailleuse. N'utilisez cet appareil avec aucun
type de lame ou d'accessoire de débroussaillage.
SYMBOLE SIGNIFICATION
SYMBOLE SIGNIFICATION
Les symboles de sécurité attirent votre attention sur
des dangers potentiels. Ces symboles et leurs détails
explicatifs méritent que vous les lisiez et compreniez
bien. Les avertissements de sécurité ne peuvent éviter
les dangers de par eux-mêmes. Les consignes ou
mises en garde qu'ils donnent ne remplacent pas des
mesures préventives appropriées contre les accidents.
REMARQUE: donne des informations ou des
instructions vitales pour le fonctionnement ou
l'entretien de l'équipement.
le non-
respect d’un
avertissement peut causer dommages matériels
ou blessures graves pour tous. Respectez les
consignes de sécurité afin de réduire les risques
d'incendie, d'électrocution et de blessures.
AVERTISSEMENT:
le non-respect d’un
avertissement peut
causer dommages matériels ou blessures
graves pour tous. Respectez les consignes de
sécurité afin de réduire les risques d'incendie,
d'électrocution et de blessures.
DANGER:
le non-
respect
d’un avertissement peut causer dommages
matériels ou blessures graves pour tous.
Respectez toujours les consignes de sécurité
afin de réduire les risques d'incendie,
d'électrocution et de blessures.
MISE EN GARDE:
indique un danger, un avertissement ou une
mise en garde. Soyez vigilant afin d'éviter toute
blessure grave. Ce symbole peut être combiné
à d'autres symboles ou pictogrammes.
ALERTE DE SÉCURITÉ:
Lisez le(s) manuel(s) de l'utilisateur et suivez tous
les avertissements et consignes de sécurité.
Vous pourriez à défaut entraîner des blessures
graves pour vous ou d'autres personnes.
SI VOUS AVEZ DES QUESTIONS, APPELEZ LE 1-800-
345-8746 AUX ÉTATS-UNIS, OU LE 1-800-668-1238 AU
CANADA
• IMPORTANTES CONSIGNES DE SÉCURITÉ•

F4
CONSIGNES DE SÉCURITÉ
AVERTISSEMENTS DE SÉCURITÉ
CONCERNANT LES DÉSHERBEUSES À GAZ
•Ne stockez le carburant que dans des contenants
spécialement conçus et homologués pour le stockage
de ce type de matières.
•Arrêtez toujours le moteur et laissez-le refroidir avant de
remplir le réservoir de carburant. N'enlevez jamais le
bouchon du réservoir et n'ajoutez jamais de carburant
pendant que le moteur est chaud. Ne faites jamais
fonctionner l'appareil sans que le bouchon de carburant
soit bien mis. Desserrez lentement le bouchon afin de
réduire la pression du réservoir.
•Évitez de créer une source d'allumage pour le
carburant déversé. Ne démarrez pas le moteur avant
que les vapeurs de carburant ne se soient dissipées.
•Mélangez et ajoutez le carburant dans un endroit bien
aéré et propre en plein air à l'abri des étincelles ou des
flammes. N'enlevez lentement le bouchon du réservoir
d'essence qu'après avoir arrêté le moteur. Ne fumez
pas pendant le remplissage ou le mélange de
carburant. Essuyez immédiatement tout déversement
de carburant de l'appareil.
•
Éloignez l'appareil d'au moins 9.1 m (30 pi) de la source
de ravitaillement en carburant avant de démarrer le
moteur. Ne fumez pas et éloignez toute source d'étincelles
ou de flammes vives du lieu de ravitaillement ou de
fonctionnement de l'appareil.
PENDANT L'UTILISATION DE L'APPAREIL
•Évitez de démarrer ou de faire marcher l'appareil à
l'intérieur d'une pièce ou d'un bâtiment fermé. La
respiration de fumées d'échappement peut tuer. Ne
faites fonctionner cet appareil qu'à l'extérieur dans un
endroit bien aéré.
•Portez des lunettes de sécurité conformes aux normes
ANSI Z87.1-1989 ainsi que des protège-oreilles durant
l'utilisation de l'appareil. Portez un masque facial ou
antipoussières si vous travaillez dans un lieu
poussiéreux. Il est recommandé de porter des
chemises à manches longues.
•Portez des pantalons épais et longs, des bottes et des
gants. Ne marchez pas pieds nus et ne portez pas les
articles suivants : vêtements lâches, bijoux, pantalons
courts, sandales. Relevez les cheveux au-dessus du
niveau des épaules.
•Le protecteur d'accessoire de coupe doit toujours être
en place lors de l'utilisation de l'appareil. Ne faites pas
marcher l'appareil sans que les deux fils soient bien
déployés, en supposant qu'un fil approprié a été
installé. Assurez-vous que le fil ne dépasse pas le
protecteur de sécurité.
•Cet appareil est muni d'un embrayage. L'accessoire
de coupe reste stationnaire lorsque le moteur est au
ralenti. Si ce n'est pas le cas, faites régler l'appareil
par un technicien agréé.
•Ajustez la poignée selon votre taille pour mieux
l'agripper.
•N'utilisez l'appareil qu'en plein jour ou avec un bon
éclairage artificiel.
•Évitez tout démarrage accidentel. Mettez-vous en
position de démarrage chaque fois que vous tirez sur la
corde de démarrage. L'opérateur et l'appareil doivent
tous deux être en position stable à ce moment-là. Voir
les Instructions de démarrage et d'arrêt.
•Ne vous étirez pas. Tenez-vous toujours bien sur vos
pieds en position d'équilibre.
•Tenez toujours l'appareil des deux mains lorsque vous le
faites marcher. Agrippez fermement les poignées avant et
arrière.
•Gardez les mains, le visage et les pieds éloignés des
pièces mobiles. Ne touchez pas et n'essayez pas
d'arrêter l'accessoire de coupe en rotation.
•Ne touchez pas le silencieux ni le cylindre. Ces pièces
deviennent très chaudes à l'utilisation. Elles restes
chaudes brièvement après l'arrêt.
•Servez-vous des outils appropriés. N'utilisez cet outil
que pour son usage prévu.
•Ne faites pas fonctionner le moteur à un régime plus
élevé que nécessaire pour couper, tailler ou faire les
bordures. Ne faites pas tourner le moteur à haut
régime si vous ne vous faites pas de coupe.
•Arrêtez toujours le moteur lorsque vous suspendez la
coupe ou lorsque vous vous déplacez d'un lieu de
travail vers un autre.
•Si vous heurtez un corps étranger ou que celui-ci est
happé, arrêtez le moteur immédiatement et vérifiez
que rien n'a été endommagé. Ne faites pas
fonctionner avant réparation des dommages. Ne faites
pas marcher l'appareil si les pièces sont desserrées ou
endommagées.
•Arrêtez et éteignez le moteur dans les cas suivants:
entretien, réparation ou changement d'accessoires ou
autres.
•N'utilisez que des pièces de rechange
d’origine du
fabrican
pour l'entretien de cet appareil.
Ces pièces
sont disponibles auprès de votre concessionnaire
agréé. N'utilisez pas de pièces ou accessoires non
conçus par original pour cet appareil. Cela pourrait
causer des blessures graves à l'utilisateur ou
endommager l'appareil et annuler la garantie.
l'essence
est
extrêmement inflammable et ses vapeurs
peuvent exploser si on y met le feu. Veuillez
prendre les précautions suivantes.
AVERTISSEMENT:

F5
CONSIGNES DE SÉCURITÉ
•Gardez l'appareil exempt d'accumulation de végétation
ou autres matières. Celles-ci peuvent rester logées
entre l'accessoire de coupe et le protecteur.
•Afin de diminuer les risques d'incendie, remplacez tout
silencieux ou pare-étincelles défectueux et conservez
le moteur et le silencieux exempts d'herbe, de feuilles
et d'accumulation excessive de graisse ou de carbone.
PENDANT L’UTILISATION DE
L’ACCESSOIRE DE COUPE-BORDURE
•Inspectez l'appareil avant utilisation. Assurez-vous que
la lame est bien mise.
•Dégagez la zone de coupe avant chaque usage. Enlevez
tous les objets pouvant être projetés ou happés par
l'accessoire de coupe : cailloux, verre brisé, clous, fil ou
ficelle.
•N'essayez pas de toucher ni d'arrêter la lame pendant
qu'elle tourne.
•La lame continue de tourner à vide une fois le moteur
éteint ou la manette des gaz relâchée et peut causer
des blessures graves. Gardez le contrôle jusqu'à ce
qu'elle ait complètement arrêté de tourner.
•Ne faites pas tourner l'appareil à haut régime si vous
ne faites pas de coupe.
•Si vous heurtez un corps étranger ou que celui-ci est
happé, arrêtez le moteur immédiatement et vérifiez que
rien n'a été endommagé. Réparez tout dommage
éventuel avant de poursuivre le travail. N'utilisez pas
l'appareil si la lame est tordue, fendillée ou émoussée.
Jetez toute lame tordue, fendillée ou émoussée.
•Arrêtez le moteur IMMÉDIATEMENT si vous ressentez
une vibration excessive car cela indique un problème.
Vérifiez soigneusement qu'il n'y a ni écrous ni boulons
desserrés, ni aucun dommage avant de continuer.
Réparez ou remplacez les pièces affectées au besoin.
AUTRES AVERTISSEMENTS DE SÉCURITÉ
•N'entreposez jamais l'appareil rempli de carburant
dans un édifice où les vapeurs peuvent atteindre une
source de flammes vives ou d'étincelles.
•Laissez le moteur se refroidir avant de l'entreposer ou
de le transporter. Attachez bien l'appareil pendant le
transport.
•Rangez l'appareil dans un endroit verrouillé et sec, ou
élevé et sec, hors de portée des enfants, pour éviter
une utilisation indésirable ou un accident.
•Ne trempez et n'arrosez jamais l'appareil avec de l'eau
ou tout autre liquide. Gardez les poignées sèches,
propres et exemptes de débris. Nettoyez après chaque
usage. Voir les sections Nettoyage et Entreposage.
•Conservez ces instructions. Consultez-les souvent et
servez-vous en pour instruire d'autres usagers. Si vous
prêtez l'appareil à quelqu'un, prêtez-lui également ces
instructions.
CONSERVER CES
INSTRUCTIONS

F6
CONSIGNES DE SÉCURITÉ
SYMBOLE SIGNIFICATION
•SYMBOLE ALERTE DE
SÉCURITÉ
Indique un danger, un avertissement
ou une mise en garde. Ce symbole
peut être combiné à d'autres symboles
ou pictogrammes.
•AVERTISSEMENT - LISEZ LE
MANUEL DE L'UTILISATEUR
Lisez le manuel de l'utilisateur et suivez
tous les avertissements et consignes
de sécurité. Vous pourriez à défaut
entraîner des blessures graves pour
vous ou d'autres personnes.
•PORTEZ DES PROTECTIONS
(YEUX ET OREILLES)
AVERTISSEMENT: les objets projetés
et les bruits forts peuvent endommager
la vue et l’ouïe. Portez une visière de
norme ANSI Z87.1-1989 et des
protège-oreilles pendant l'utilisation.
•ÉLOIGNEZ LES SPECTATEURS
AVERTISSEMENT: éloignez tout
spectateur, les enfants et les animaux
domestiques en particulier, d'au moins
15 m (50 pi) de la zone de coupe.
•CARBURANT SANS PLOMB
Utilisez toujours du carburant sans
plomb frais et propre.
•NIVEAU D'HUILE
Voir le manuel de l'utilisateur pour le
type d'huile approprié.
SYMBOLE SIGNIFICATION
•LES OBJETS PROJETÉS ET LA
TÊTE ROTATIVE PEUVENT
CAUSER DES BLESSURES
GRAVES
AVERTISSEMENT: ne faites pas
fonctionner sans protecteur de sécurité
en plastique. Tenez-vous à l'écart de
l'accessoire de coupe rotatif.
•COMMANDE MARCHE/ARRÊT
STOP
ALLUMAGE / DÉMARRAGE / MARCHE
•COMMANDE MARCHE/ARRÊT
STOP
ARRÊT OU STOP
•AVERTISSEMENT SURFACE
CHAUDE
Ne touchez pas un silencieux ou un
cylindre chaud. Vous pourriez vous
brûler. Ces pièces deviennent très
chaudes à l'utilisation. Elles restes
chaudes brièvement après l'arrêt.
•LAME AIGUISÉE
AVERTISSEMENT: le protecteur
d'accessoire de coupe comporte une
lame aiguisée. Ne touchez pas la lame
pour éviter des blessures graves.
SYMBOLES DE SÉCURITÉ ET INTERNATIONAUX
Ce manuel de l'utilisateur décrit les symboles et pictogrammes de sécurité et internationaux pouvant apparaître sur ce
produit. Consultez le manuel de l'utilisateur pour les informations concernant la sécurité, le montage, le fonctionnement,
l'entretien et les réparations.

F7
CONSIGNES DE SÉCURITÉ
APPLICATIONS
Comme désherbeuse:
•Coupe d'herbe et de mauvaises herbes légères.
•Taille autour des arbres, des clôtures, etc.
Avec l’accessoire de coupe-bordure:
•Coupe de bordures le long de chemins, passages,
lieux rocailleux, etc.
D'autres accessoires peuvent être utilisés avec le
TB25ET. Voir la liste d'accessoires à la Fonctionnement
du systéme EZ-LinkMC.
FAMILIARISEZ-VOUS AVEC VOTRE APPAREIL
Boîtier
d'engrenages
Protecteur d'accessoire
de coupe
Bouchon du carburant
Manette
des gaz
Poignée en J
Accessoire de coupe
Poignée de
l'arbre
Corps de
l'arbre
Poignée de la corde
de démarrage
Lame coupante
Crochet
Roue de
réglage de
hauteur
Lame de coupe-bordure
Protecteur
de lame
Accessoire de coupe-bordure
EZ-LinkMC
Poire
d'amorçage
Levier EZ-
StartMC
Couvercle du
filtre à air/silencieux
Support du
moteur
Bougie
Silencieux
Déverrouilleur
de manette
des gaz
Raccord de soutien

F8
INSTRUCTIONS DE MONTAGE
Fig. 3
INSTALLATION ET RÉGLAGE DE LA POIGNÉE EN J
1. Placez la poignée en J entre les brides supérieure et
médiane (Fig. 1).
Fig. 2
Fig. 1
(4) vis
Bride supérieure
Poignée
en J
Bride médiane
Bride inférieure
Écrous
Autocollant
2.
Maintenez les trois pièces ensemble et introduisez les
quatre (4) vis dans les brides supérieure et médiane.
REMARQUE: les trous des brides supérieure et médiane
ne sont alignés que si l’assemblage est correct.
3. Placez les brides et la poignée en J sur le corps de
l'arbre et sur la bride inférieure.
4. Tenez d’un doigt chaque écrou hex dans le
renfoncement de la bride inférieure. Commencez à
visser à l’aide d’un grand tournevis à embout
cruciforme. Ne serrez pas avant de régler le guidon.
5. Glissez la poignée en J en un mouvement de va-et-
vient jusqu'à ce que la flèche/ligne blanche de
l'autocollant touche la bride (Fig. 2).
6. Tenez l'appareil en position d’utilisation (Fig. 3), puis
positionnez la poignée en J de manière à assurer une
prise idéale.
7. Serrez les vis des brides uniformément jusqu'à bien
fixer la poignée.
Fig. 4
INSTALLATION DU PROTECTEUR
D'ACCESSOIRE DE COUPE
1. Placez le protecteur d'accessoire de coupe sur le
corps de l'arbre au-dessus de l'ensemble de bride
(Fig. 4).
Fig. 5
2. Poussez le protecteur d'accessoire de coupe vers le
dessus de l'accessoire et tournez-le à 180 degrés.
Alignez les quatre trous à vis et emboîtez le
protecteur d'accessoire de coupe dans la poche
encastrée (Fig. 4).
3. Posez les quatre (4) vis à l'aide d'un tournevis à
empreinte cruciforme (Fig. 5). Vissez bien.
Protecteur
d'accessoire de
coupe
Poche
encastrée
Collier de
serrage
(4) vis
n'utilisez
jamais la
désherbeuse sans protecteur d'accessoire
de coupe pour éviter des blessures graves.
AVERTISSEMENT:

F9
INFORMATIONS SUR L'HUILE ET LE CARBURANT
MÉLANGE D'HUILE ET DE CARBURANT
En général, si l'appareil ne fonctionne pas correctement,
c'est que le carburant est vieux ou mal mélangé. Prenez
soin d'utiliser de l’essence sans plomb fraîche et propre.
Suivez à la lettre les instructions de mélange de
carburant et d'huile.
Définition des carburants mélangés
Les carburants d'aujourd'hui sont souvent un mélange
d'essence et d'oxygénés comme l'éthanol, le méthanol
ou l'éther MTBE. Un carburant mélangé à l'alcool
absorbe l'eau. Il suffit de 1 % d'eau pour séparer le
carburant et l'huile. Cela forme de l’acide pendant le
stockage. Si vous devez utiliser ce type de carburant,
servez-vous de carburant frais (moins de 60 jours).
Usage de carburants mélangés
Si vous choisissez d'utiliser ou ne pouvez éviter d'utiliser
un carburant mélangé, suivez les conseils suivants :
•Utilisez toujours un mélange de carburant frais selon le
manuel de l'utilisateur.
•Agitez toujours le mélange de carburant avant
d'alimenter l'appareil.
•Videz le réservoir et faites marcher le moteur jusqu'à
l’assécher avant d'entreposer l'appareil.
Utilisation d'additifs de carburant
La bouteille d'huile 2-temps livrée avec l’appareil
contient un additif permettant d'empêcher la corrosion
et de minimiser la formation de résidus de gomme. Nous
vous recommandons d’utiliser ce type d’huile
uniquement.
Si cela n’est pas disponible, utilisez une bonne huile
2-temps conçue pour les moteurs à 2-temps refroidis
par air en y ajoutant un additif, tel que le stabilisant de
gaz STA-BIL ou un produit équivalent Ajoutez 23 ml (0,8
oz) d'additif par 4 litres (1 gallon) de carburant selon les
instructions du récipient. N'ajoutez JAMAIS d'additifs
directement dans le réservoir de l'appareil.
REMARQUE : Éliminez le vieux mélange de carburant
conformément aux règlements fédéral, provincial
et municipal en vigueur.
Mélangez soigneusement l'huile moteur 2-temps avec
de l'essence sans plomb dans un bidon séparé. Utilisez
un rapport 40:1 d'essence/huile. Ne les mélangez pas
directement dans le réservoir de carburant. Voir le
tableau ci-dessous pour les rapports de mélange
d’essence et d’huile.
REMARQUE : 3,8 litres (1 gallon) d'essence sans
plomb mélangés avec une bouteille de 95 ml
(3.2 oz) d'huile 2-temps donnent un rapport
d’essence/huile de 40:1.
ESSENCE SANS PLOMB HUILE 2-TEMPS
3,8 LITRES
(1 GALLON US) 95 ml
(3,2 OZ)
1 LITRE 25 ml
+
RAPPORT DE MÉLANGE O - 40:1
Ajoutez
du
carburant dans un lieu propre et bien aéré
en plein air. Essuyez immédiatement tout
déversement de carburant. Évitez de mettre
le feu au carburant déversé. Ne démarrez
pas le moteur avant dissipation des
vapeurs de carburant.
AVERTISSEMENT:
Enlevez
le
bouchon du réservoir lentement pour ne
pas être blessé par les jets d'essence. Ne
faites pas marcher l'appareil sans que le
bouchon soit bien mis.
AVERTISSEMENT:
L'essence
est
extrêmement inflammable et les vapeurs qui
s'en dégagent peuvent exploser si on y met
le feu. Arrêtez toujours le moteur et laissez-le
refroidir avant de remplir le réservoir. Ne
fumez pas en remplissant le réservoir.
Éloignez toute source d'étincelles ou de
flammes vives de la zone.
AVERTISSEMENT:
Pour
assurer
un bon fonctionnement et une fiabilité
maximale du moteur, suivez à la lettre les
instructions de mélange d'huile et de
carburant du récipient d'huile 2-temps.
L'emploi de carburant mal mélangé peut
endommager le moteur sérieusement.
MISE EN GARDE:

F10
INSTRUCTIONS DE DÉMARRAGE ET ARRÊT
INSTRUCTIONS DE DÉMARRAGE
Fig. 7
Manette des gaz
(N’appuyez PAS lors d’un
démarrage normal)
NSTRUCTIONS D'ARRÊT
1. Relâchez la manette des gaz. Laissez le
moteur refroidir au ralenti.
2. Mettez la commande Marche/Arrêt Stop en
position ARRÊT (O).
Fig. 8
1. Mélangez l’essence avec l’huile. Remplissez le
réservoir de carburant avec le mélange essence/huile.
Voir Instructions de mélange de l’huile et de l’essence.
REMARQUE : Il n’est pas nécessaire de faire démarrer la
machine. La commande On/Off (Arrêt/Marche) est
en position ON (I) en permanence.
2. Pressez et relâchez la poire d’amorçage à 10
reprises, lentement. Une certaine quantité de
carburant devrait être visible dans la poire
d’amorçage et les conduites de carburant (Fig. 7). Si
vous n’apercevez pas de carburant dans la poire,
pressez et relâchez la poire autant de fois que
nécessaire jusqu’à ce que vous aperceviez du
carburant dans cette dernière.
3. Faites pivoter le Levier EZ -StartMC vers la poire
d’amorçage jusqu’à ce qu’il clique et se verrouille en
place (Fig. 7).
4. Accroupissez-vous en position de départ et
n’appuyez pas sur la manette des gaz (Fig. 8). Tirez
le cordon de démarrage d’un mouvement contrôlé et
ferme jusqu’à ce que le moteur essaie de démarrer.
Répétez jusqu’à ce que le moteur démarre.
REMARQUE: La machine utilise la technologie Spring
Assist StartingMC qui réduit significativement
l’effort requis pour démarrer le moteur. Vous
devez tirer le cordon de démarrage suffisamment
loin pour entendre le moteur essayer de
démarrer. Il n’est pas nécessaire de tirer le
cordon brusquement — il n’y a pas de véritable
résistance lorsque vous tirez. Cette méthode de
démarrage est fort différente (et beaucoup plus
facile) de celles auxquelles vous êtes habitué.
5. Une fois que le moteur démarre, appuyez sur la
manette des gaz pendant 15 à 30 secondes pour
chauffer le moteur. Le Levier EZ -StartMC se
relâchera automatiquement lorsque vous appuyez
sur la manette des gaz.
SI… Le moteur ne démarre pas, répétez à partir du
point 2.
SI… Le moteur s’arrête pendant que vous appuyez sur
la manette des gaz, répétez à partir du point 3.
SI… Le moteur s’arrête avant que vous ayez appuyé sur
la manette des gaz, maintenez la manette des gaz
enfoncée et tirez le cordon de démarrage jusqu’à ce
que le moteur démarre.
REMARQUE : Si vous avez des problèmes à faire
démarrer la machine ou si vous l’utilisez dans des
températures extrêmes, consultez le chapitre
Recherche des pannes.
Position de
démarrage
Stop/Arrêt (O)
Démarrage/
Allumage (I)
Manette
des gaz
Poire
d'amorçage
Levier EZ-
StartMC
Fig. 6
n’utiliser l’outil
qu’à l’extérieur,
dans un endroit bien aéré. Les émanations d’oxyde de
carbone dans un endroit confiné peuvent être mortelles.
AVERTISSEMENT:
évitez tout
démarrage
accidentel. Tenez-vous en position de démarrage
lorsque vous tirez sur la corde de démarrage (Fig. 8).
L'opérateur et l'appareil doivent tous deux être en
position stable pour éviter des blessures graves.
Vérifiez la bonne installation de l'accessoire avant
le démarrage de l'appareil.
AVERTISSEMENT: Déverrouilleur de
manette des gaz
Désherbeuse
Équipée de
Spring Assist
StartingMC

F11
MODE D'EMPLOI
FONCTIONNEMENT DU EZ-LinkMD
Le système EZ-LinkMD permet d'utiliser ces
accessoires optionnels :
Cultivateur . . . . . . . . . . . . . . . . . . . . . . . . . . . . . . . TBGC
Edger . . . . . . . . . . . . . . . . . . . . . . . . . . . . . . . . . . . TBLE
Taille-haies . . . . . . . . . . . . . . . . . . . . . . . . . . . . . . . TBAH
Désherbeuse à arbre droit . . . . . . . . . . . . . . . . . . . TBSS
Turbosouffleuse . . . . . . . . . . . . . . . . . . . . . . . . . . . TBTB
Scie á long manche . . . . . . . . . . . . . . . . . . . . . . . . TBPS
Retrait de l'accessoire de coupe ou autre
1. Dévissez le bouton vers la gauche (Fig. 9).
2. Appuyez sur le bouton de déclenchement et
maintenez-le enfoncé (Fig. 9).
3. Tenez fermement le corps de l'arbre supérieur et
retirez l'accessoire de coupe ou autre du coupleur
EZ-LinkMD.
Installation de l'accessoire de coupe ou autre
NOTE : pour faciliter l'installation ou le retrait
d'accessoires, placez l'appareil au sol ou sur un
établi.
1. Dévissez le bouton vers la gauche (Fig. 9).
Fig. 9
Fig. 10
Fig. 11
2. Tenez fermement l'accessoire et enfoncez-le tout
droit dans le coupleur EZ-LinkMD (Fig. 10).
NOTE :aligner le bouton de déclenchement avec le
renfoncement-guide facilitera l'installation (Fig. 9).
3. Serrez le bouton en le tournant à droite (Fig. 11).
Coupleur EZ-LinkMD Bouton de déclenchement
Renfonce-
ment-guide
Bouton
Trou principal
Corps de l'arbre
supérieur Corps de l'arbre
inférieur
Bouton de déclenchement
Trou de coupe de
bordures de 90°
Trou de coupe
de bordures
de 180°
Bouton
Coupleur EZ-LinkMD
Pour couper les bordures à l’aide de la tête d'accessoire
de coupe sur les modèle EZ-LinkMD, verrouillez le bouton
de déclenchement de l'accessoire de coupe dans le
trou de 90° ou de 180° (Fig. 11).
veuillez bien
assimiler le
manuel des accessoires avant utilisation.
AVERTISSEMENT:
verrouillez
le bouton
de déclenchement dans le trou principal et
vissez bien le bouton avant de faire marcher
l'appareil.
MISE EN GARDE:
l'access-
oire de
coupe et autres ajouts du système EZ-LinkMD
doivent utiliser le trou principal sauf indication
contraire de leurs manuels. L'utilisation du
mauvais trou pourrait causer des blessures
graves ou endommager l'appareil.
MISE EN GARDE:
pour éviter
des
blessures graves, éteignez l'appareil avant
d'enlever ou d'installer des accessoires.
AVERTISSEMENT:

F12
MODE D'EMPLOI
REMARQUE : gardez toujours le fil bien déroulé. Il
devient plus difficile de donner du fil à mesure
que le fil de coupe devient plus court.
Chaque fois que vous donnez un coup sur la tête, vous
déroulez environ 25,4 mm (1 po) de fil. La lame du
protecteur d'accessoire de coupe est conçue pour couper
le fil à la bonne longueur si vous déroulez trop de fil.
Pour de meilleurs résultats, tapez la tête de butée sur un
sol dégagé ou dur. Si vous donnez du fil dans un lieu
d'herbe haute, vous risquez de caler le moteur. Gardez
toujours le fil bien déroulé. Il devient plus difficile de
donner du fil à mesure que le fil de coupe se raccourci.
REMARQUE : Ne posez pas la tête de butée sur le sol
lorsque l’appareil est en marche.
Le fil peut se briser dans les cas suivants :
•Happement de corps étrangers
•Usure normale du fil
•Coupe de mauvaises herbes épaisses à longues tiges
•Forcer le fil dans des objets comme des murs ou des
poteaux de clôture
CONSEILS POUR BIEN DÉSHERBER
•Le bon angle pour l'accessoire de coupe est parallèle
au sol.
•
Ne forcez pas l'accessoire. Coupez avec la pointe du fil
(surtout le long des murs). Utiliser plus que la pointe diminue
l'efficacité de la coupe et peut surcharger le moteur.
•Coupez l'herbe de plus de 200 mm (8 po) en procédant
de haut en bas par petits incréments pour éviter d'user
le fil prématurément ou de freiner le moteur.
•Coupez de droite à gauche chaque fois que possible.
Cela améliore l'efficacité de coupe de l'appareil et les
résidus de coupe sont projetés loin de l'opérateur.
•Déplacez lentement la désherbeuse dans et hors de la
zone de coupe à la hauteur voulue. Procédez d'avant
en arrière ou d'un côté à l'autre. Les coupes de
longueur plus courte donnent les meilleurs résultats.
•Ne désherbez que lorsque l'herbe et les mauvaises
herbes sont sèches.
•La durée de vie de votre fil de coupe dépend
• de l’application des techniques de coupe précédentes
•du type de végétation à couper
•du lieu de coupe
Par exemple, le fil s'use plus vite si vous coupez le long d'un
mur de fondation que si vous coupez autour d'un arbre.
TENUE DE LA DÉSHERBEUSE
Avant de faire marcher l'appareil, tenez-vous en position
de fonctionnement (Fig. 12). Vérifiez les points suivants:
•L'opérateur porte une visière et des vêtements appropriés.
•Le bras droit est légèrement plié et la main tient l'arbre
par sa prise.
•Le bras gauche est droit et la main tient la poignée en J
.
•L'appareil est au-dessous de la ceinture.
•L'accessoire de coupe est parallèle au sol et touche
facilement la végétation sans que l'opérateur ne doive
se pencher.
RÉGLAGE DE LA LONGUEUR DU FIL
L'accessoire de coupe Bump HeadMC vous permet de
donner du fil sans arrêter le moteur. Pour avoir plus de
fil, tapez doucement l'accessoire de coupe sur le sol
(Fig. 13) tout en faisant marcher la désherbeuse à haut
régime.
Fig. 13
Fig. 12
portez
toujours
des protections (yeux, oreilles, pieds et corps)
pour diminuer les risques de blessures durant
l'utilisation de l'appareil.
AVERTISSEMENT:
n'enlevez
pas ni
n'altérez l'ensemble de la lame coupante. Un
excès de fil surchauffera l'embrayage. Ceci
pourrait causer des blessures graves ou
endommager l'appareil.
MISE EN GARDE:

F13
Fig. 14
MODE D'EMPLOI
COUPE DÉCORATIVE
La coupe décorative consiste à déblayer la végétation
autour des arbres, des bornes, des clôtures, etc.
Tournez entièrement l'appareil de manière à ce que
l'accessoire de coupe soit à un angle de 30° par rapport
au sol (Fig. 14).
TENUE DE L’APPAREIL AVEC COUPE-BORDURE
Avant de faire marcher l'appareil, tenez-vous en position
de fonctionnement (Fig. 15). Vérifiez les points suivants :
•L'opérateur porte une visière et des vêtements
appropriés.
•Le bras droit est légèrement plié et la main tient l'arbre
par sa prise.
•Le bras gauche est droit et la main tient la poignée.
•L'appareil est à hauteur de ceinture.
•La roue du coupe-bordure est réglée à la profondeur
de coupe appropriée et le coupe-bordure est placé
comme indiqué à la Fig. 15.
Fig. 15
RÉGLAGE DE LA PROFONDEUR DE COUPE
1. Desserrez le bouton de réglage au-dessus de la roue
(Fig. 16).
2. Glissez la roue à la position voulue:
• Soulevez-la pour accroître la profondeur de coupe.
• Baissez-la pour réduire la profondeur de coupe.
3. Vissez bien le bouton de réglage.
Fig. 16
Soulevez
Baissez
CONSEILS POUR UNE BONNE COUPE DE
BORDURE
•Tenez l'accessoire de coupe perpendiculaire au sol.
•Ne forcez pas le coupe-bordure. Coupez la première
fois à faible profondeur puis une seconde fois plus
profondément.
•Déplacez le coupe-bordure lentement, à pas réguliers.
•Vérifiez l’état de la lame car elle se rapetisse avec
l’usure et perd de sa profondeur de coupe.
Remplacez-la au besoin.
CROCHET
Employez un crochet en plastique (Fig. 17) pour
accrocher le coupe-bordure, l’accessoire de coupe ou
d’autres accessoires lorsqu’on ne s’en sert pas.
Enfoncez le bouton de déclenchement sur le corps de
l’arbre et tirez sur le crochet pour l’enlever. Alignez le
trou du crochet avec le bouton de déclenchement et
enfoncez-le pour l’installer.
Fig. 17
portez
toujours
des protections (yeux, oreilles, pieds et corps)
pour diminuer les risques de blessures durant
l'utilisation de l'appareil.
AVERTISSEMENT:

F14
ENTRETIEN ET RÉPARATIONS
INSTALLATION DU FIL DU SPEEDSPOOLMD
Utilisez toujours un fil de remplacement du fabrican
d'origine de 2.41 mm (0,095 po). Un fil plus épais
pourrait surchauffer ou endommager le moteur.
Vous pouvez remplacer le fil du SpeedSpoolMD de deux
façons:
• Rembobinez du fil neuf dans le moulinet intérieur
• Installez un moulinet intérieur pré-enroulé
Rembobiner le fil neuf sur le moulinet intérieur
REMARQUE : il est inutile d'enlever le bouton de butée
pour installer un fil neuf.
1. Découpez deux morceaux de fil de 2,41 mm
(0,095 po) de 3m (10 pi) de long.
2. Alignez la flèche du moulinet intérieur avec celle de
la bobine extérieure (Fig. 18). Fig. 18
SpeedSpoolMD vu de haut
Bobine
extérieure
Flèches
Moulinet
intérieur
Bouton de butée
REMARQUE : certaines procédures d'entretien
nécessitent des compétences ou des outils
particuliers. Si vous n'êtes pas sûr de pouvoir les
entreprendre, emmenez votre appareil dans un
atelier, chez un technicien ou un concessionnaire
agréé spécialisé dans les réparations de moteurs
d’outils mécaniques de plein air.
PROGRAMME D'ENTRETIEN
L'entretien doit respecter la fréquence indiquée dans le
tableau ci-dessous. Il doit également faire partie de
toute mise au point saisonnière.
REMARQUE: l'entretien, le remplacement ou la
réparation des dispositifs et systèmes
antipollution peuvent être effectués par tout
atelier, technicien ou concessionnaire agréé
spécialisé dans les réparations de moteurs
d’outils mécaniques de plein air.
Afin d’assurer une performance optimale du moteur, il est
conseillé d’examiner l’orifice d’échappement du moteur
après 50 heures de fonctionnement. Si vous remarquez une
perte de tours par minute, une pauvre performance ou un
manque général d’accélération, cet entretien peut s’avérer
nécessaire. Si vous pensez que le moteur a besoin de ce
type d’inspection, apportez-le pour réparation auprès d’un
atelier, technicien ou concessionnaire agréé spécialisé
dans les réparations de moteurs d’outils mécaniques de
plein air. N’essayez PAS de le faire vous-même car un
endommagement du moteur pourrait résulter de la
présence d’impuretés provenant du nettoyage de l’orifice.
FRÉQUENCE ENTRETIEN REQUIS RÉFÉRENCE
Avant démarrage Remplissez le réservoir du mélange d'essence/huile approprié Page F9
Toutes les 10 heures Nettoyez le filtre à air et lubrifiez-le de nouveau Page F18
Toutes les 25 heures Vérifiez le pare-étincelles et nettoyez-le
Vérifiez l'état de la bougie et l'écartement des électrodes Page F19
Page F21
Toutes les 50 heures Examinez l’orifice d’échappement et l’écran pare-étincelles pour
détecter tout bouchage ou obstruction, afin d’assurer des
niveaux de performance maximum. Page F19
pour
éviter
tout accident, n’effectuez jamais l’entretien
ou des réparations quand l’appareil
fonctionne. Effectuez-les toujours lorsqu’il
est froid. Débranchez le câble de la bougie
pour prévenir la mise en route.
AVERTISSEMENT:
utilisez
toujours
la bonne longueur de fil lorsque vous posez le
fil sur l'appareil. Le fil risque de ne pas se
dérouler correctement s'il est trop long.
AVERTISSEMENT:
n'utilisez
jamais de
fil, de chaîne ou de cordon à renfort métallique
car ils peuvent se briser et se transformer en
projectile dangereux.
AVERTISSEMENT:

F15
ENTRETIEN ET RÉPARATIONS
Fig. 19
3. Tirez le vieux fil des trous de chargement et de
blocage du fil (Fig. 19 et 20).
4. Insérez un morceau de fil dans l'un des deux œillets
de la bobine extérieure. Enfoncez-le dans le trou de
chargement du moulinet intérieur (Fig. 19). Ne pliez
pas le fil en l'insérant dans l'œillet.
Fil
Trou de chargement du fil
Œillet
Fig. 21
Fig. 20
5. Insérez le fil dans le trou de blocage (Fig. 20).
N'enfoncez pas le fil de plus de 12,7 mm (1/2 po)
dans le trou. S'il est inséré correctement, le fil forme
une petite boucle (Fig. 20).
6. Tirez le fil de la bobine extérieure jusqu'à ce qu'il soit
bien serré contre le moulinet intérieur (Fig. 21).
Trou de blocage du fil
Fig. 22
Fig. 23
9. Si le rembobinage du fil devient difficile ou si le fil se
coince, tirez-en les extrémités de la bobine.
Continuez de rembobiner le moulinet intérieur vers la
gauche (Fig. 23).
7. Répétez les procédures 4-6 pour le second morceau de fil.
8. Tenez la bobine extérieure. Rembobinez le moulinet
intérieur vers la gauche jusqu'à ce qu'il ne reste plus
qu'environ 102 mm (4 po) de fil (Fig. 22).
REMARQUE : ne rembobinez pas le moulinet intérieur
avant de poser le second fil.
Fig. 24
Installation d'un moulinet pré-enroulé
1. Retirez le bouton de butée, le ressort et le joint en
mousse en tournant le bouton de butée à gauche
(Fig. 24).
Bouton de butée
Joint en mousse
Ressort
Moulinet intérieur

F16
ENTRETIEN ET RÉPARATIONS
Fig. 25
4. Maintenez le moulinet intérieur et installez le bouton
de butée, le ressort, et le joint en mousse en
poussant le bouton de butée vers le bas et en le
tournant à droite. Saisissez les extrémités et tirez
fermement pour dégager le fil des fentes de retenue
du moulinet intérieur (Fig. 23).
Déroulement du moulinet intérieur
Si le SpeedSpoolMD ne déroule pas le fil correctement,
tirez fermement les extrémités du fil loin de la bobine
(Fig. 23). Si cela ne suffit pas, suivez les instructions de
Nettoyage du SpeedSpoolMD.
2. Retirez de la bobine extérieure le vieux moulinet
intérieur avec son fil.
3. Insérez les extrémités du fil du moulinet intérieur
neuf dans les œillets de la bobine extérieure (Fig. 25).
Enfoncez le moulinet intérieur neuf, flèche vers le
haut, dans la bobine extérieure.
Fig. 26
Fig. 27
4. Retirez tout le fil du moulinet intérieur avant de
nettoyer. Enlevez tout débris ou trace d'herbe du
bouton, du ressort, du moulinet et du joint en
mousse. Lavez le moulinet intérieur avec de l'eau
tiède savonneuse (Fig. 27).
Nettoyage du SpeedSpoolMD
Le nettoyage du SpeedSpoolMD peut s'avérer nécessaire:
•Pour retirer du fil coincé ou trop long
•Si le SpeedSpoolMD devient difficile à rembobiner ou
s'il ne fonctionne pas correctement lorsque vous
tapez sa tête sur le sol
1. Tenez la bobine extérieure et dévissez le bouton de
butée à gauche (Fig. 26).
2. Tirez le bouton de butée, le ressort et le joint en
mousse (Fig. 24).
Moulinet
intérieur
Fig. 28
REMARQUE: le moulinet intérieur doit être
complètement sec avant de le réinstaller dans la
bobine extérieure. Ne lubrifiez pas le moulinet
intérieur ni la bobine extérieure.
6. Placez le moulinet intérieur dans la bobine
extérieure.
7. Placez le bouton de butée, le ressort et le joint en
mousse dans la bobine extérieure (Fig. 24).
8. Serrez le bouton de butée en appuyant dessus et en
tournant à droite.
9. Posez le fil neuf tel qu'indiqué dans Installation du fil
de SpeedSpoolMD.
5. Nettoyez l'axe et la surface intérieure de la bobine
extérieure. Pour nettoyer l'axe dissimulé sous le
plongeur, appuyez sur celui-ci (Fig. 28). Enlevez
toute trace de saleté et de débris de l'axe.
Axe
Plongeur
PIÈCES DE RECHANGE SPEEDSPOOL
Fil de remplacement . . . . . . . . . . . . . . . . . . . . . . 180120
Cartouche de fil de remplacement . . . . . . . . 753-04218
Ressort du moulinet intérieur . . . . . . . . . . . . . . . 181465
Joint en mousse . . . . . . . . . . . . . . . . . . . . . . . . . 181467
Moulinet intérieur . . . . . . . . . . . . . . . . . . . . . . . . 181464
Ens. du bouton Bump Head . . . . . . . . . . . . . . . . 181468
Vous pouvez vous procurer ces pièces de rechange
SpeedSpoolMD auprès de votre concessionnaire agréé.
3. Retirez de la bobine extérieure le moulinet intérieur
avec son fil.

F17
ENTRETIEN ET RÉPARATIONS
Fig. 32
Fig. 31
Fig. 30
Fig. 33
REMPLACEMENT DE LA LAME
1. Alignez le trou de l'arbre de sortie avec la fente de la
tige de blocage. Insérez la tige de blocage à travers
la fente et dans le trou de l’arbre de sortie (Fig. 29).
2. Maintenez la tige de blocage en place en la
saisissant près du bras de l’appareil (Fig. 30).
3. Tenez la tige de blocage et desserrez l'écrou de la lame
en le tournant à droite avec une clé de 5/8" (Fig. 31).
Retirez l'écrou, la rondelle de retenue et la lame.
Conservez l'écrou et la retenue de lame pour l’installation.
4. Installez la nouvelle lame, sa retenue et l'écrou (Fig. 32).
Insérez la tige de blocage à travers la fente et dans le
trou de l'arbre de sortie. Veillez à ce que la lame reste à
plat et centrée contre l’arbre de sortie pendant que vous
vissez l'écrou de blocage vers la gauche (Fig. 33).
5. Si vous possédez une clé dynamométrique, serrez
l'écrou à un couple de 37-38 N•m (325-335 po•lb)
tout en maintenant la tige de blocage dans la fente.
Si vous n’en disposez pas, maintenez la tige de
blocage dans la fente. Utilisez une clé fermée ou à
douille de 5/8" pour tourner l'écrou à gauche
jusqu'à ce qu’il soit bien ajusté contre la rondelle et
que la lame soit bien mise. Assurez-vous que la lame
est bien mise, puis donnez à l'écrou 1/4 ou 1/2 tour
supplémentaire (Fig. 33).
6. Retirez la tige de blocage.
Fig. 29
Tige de blocage
Tige de blocage
Tige de
blocage
Retenue de la
lame
Écrou de blocage
Desserrez
Serrez
Lame de coupe-bordure
Trou de l'arbre
de sortie
Fente de la tige
de blocage Arbre de
sortie
vérifiez
que la
lame est bien à plat contre l’arbre de sortie
une fois l’écrou vissé. Si elle est décentrée,
l'appareil sera endommagé par les
vibrations et la lame pourrait s'envoler, ce
qui causerait des blessures graves.
AVERTISSEMENT:
le boîtier
d'engren-
ages devient chaud après une utilisation
prolongée. Pour éviter des blessures graves,
ne le touchez pas jusqu'à ce qu'il ait refroidi.
AVERTISSEMENT:
pour
éviter des
blessures graves, portez toujours des gants
pour manipuler, retirer ou installer la lame.
AVERTISSEMENT:

F18
ENTRETIEN ET RÉPARATIONS
ENTRETIEN DU FILTRE À AIR
Retrait du couvercle du filtre à air/silencieux
1. Retirez les quatre vis retenant le couvercle (Fig. 34).
Servez-vous d'un tournevis à lame plate ou à mèche
T20 Torx.
2. Retirez le couvercle du moteur en poussant vers le
haut et en tirant vers l'arrière sans forcer.
Vis Vis
Levier EZ-
StartMC
Fig. 34
Nettoyage du filtre à air
Nettoyez et relubrifiez le filtre à air à toutes les 10 heures
de fonctionnement. Son entretien est très important. Si
vous ne le faites pas, cela ANNULERA la garantie.
1. Retirez le couvercle du filtre à air/silencieux. Voir
Retrait du couvercle du filtre à air/silencieux.
2. Retournez le couvercle et inspectez l'intérieur pour
repérer le filtre à air. Retirez le filtre à air de l'intérieur
du couvercle du filtre à air/silencieux (Fig. 35).
3. Lavez le filtre dans un mélange d'eau et de détergent
(Fig. 36). Rincez le filtre abondamment. Essorez-le.
Laissez-le sécher complètement.
4. Appliquez suffisamment d'huile SAE 30 propre pour
enduire légèrement le filtre (Fig. 37).
5. Pressez le filtre pour répandre et drainer l'excédent
d'huile (Fig. 38).
Filtre à
air
Fig. 35 Fig. 36
Fig. 37 Fig. 38
Intérieur du
couvercle du
silencieux
6. Replacez le filtre à l'intérieur du couvercle du filtre à
air/silencieux (Fig. 35).
REMARQUE : l'utilisation de l'appareil sans filtre à air
et sans couvercle du filtre à air/silencieux
ANNULERA la garantie.
Réinstallation du couvercle du filtre à air/silencieux
1. Placez le couvercle du filtre à air/silencieux sur
l'endos du carburateur et du silencieux. Alignez les
trous à vis.
2. Insérez les quatre vis dans les trous du couvercle
(Fig. 34) et vissez. Évitez de trop serrer.
pour éviter
des bless-
ures graves, éteignez toujours l'appareil et laissez-
le refroidir avant tout nettoyage ou entretien.
AVERTISSEMENT:

F19
ENTRETIEN ET RÉPARATIONS
ENTRETIEN DU PARE-ÉTINCELLES
1. Retirez le couvercle du filtre à air/silencieux. Voir
Retrait du couvercle du filtre à air/silencieux.
2. Repérez le devant du silencieux et les deux (2)
boulons qui le retiennent au moteur (Fig. 39). Retirez
les deux (2) boulons à l'aide d'un tournevis à lame
plate, d'une douille de 5/16 po ou d'un tourne-écrou.
Retirez le silencieux du moteur.
3. Retournez le silencieux vers l'arrière et repérez le
joint d'échappement. Retirez le joint du silencieux
(Fig. 39).
REMARQUE : si le joint d'échappement est déchiré ou
endommagé, remplacez-le par un joint neuf
avant de réassembler le silencieux.
4. Soulevez soigneusement le pare-étincelles de son
trou à l'aide d'un petit tournevis à lame plate (Fig. 40).
Retirez le pare-étincelles du silencieux.
5. Nettoyez le pare-étincelles à l'aide d'une brosse
métallique. Remplacez-le s'il est endommagé ou si
vous n'arrivez pas à le nettoyer complètement (Fig. 40).
6. Replacez le pare-étincelles en l'enfonçant dans son
trou à l'arrière du silencieux. Assurez-vous qu'il est
bien fixé contre le silencieux et qu'il n'est pas relevé.
7. Placez le joint d'échappement contre l'arrière du
silencieux. Alignez les trous de boulon du joint
d'échappement avec les trous de boulon du
silencieux. Tout en maintenant le joint
d'échappement en place, insérez les boulons sur le
devant du silencieux (Fig. 39).
8. Placez le silencieux, joint d'échappement en place et
boulons insérés, contre le moteur en alignant les
trous de boulon. Serrez les boulons pour bien fixer le
silencieux au moteur.
Si vous utilisez une clé dynamométrique, vissez selon
les valeurs suivantes :
9-10,2 N•m (80-90 po•lb).
9. Replacez le couvercle du filtre à air/silencieux. Fig. 40
Fig. 39
Silencieux - Partie avant Silencieux - Partie arrière
Boulons Joint
d'échappement
Pare-étincelles
Silencieux - Partie arrière
Pare-
étincelles Tournevis à
lame plate
Pare-étincelles
si le
silencieux
n’est pas solidement assujetti, il risque de
tomber et d’endommager l’outil et de
causer des blessures graves.
AVERTISSEMENT:

F20
ENTRETIEN ET RÉPARATIONS
RÉGLAGE DU CARBURATEUR
Vous pouvez régler le ralenti du moteur à travers le
couvercle du filtre à air/silencieux (Fig. 41).
REMARQUE : un réglage négligé peut suffire à
endommager l'appareil sérieusement. Confiez le
réglage du carburateur à un distributeur agréé.
Vérification du mélange de carburant
En général, si l'appareil ne fonctionne pas correctement,
c'est que le carburant est vieux ou mal mélangé. Videz,
puis remplissez le réservoir avec du carburant frais et
bien mélangé avant d'effectuer des réglages. Voir
Informations sur l'huile et le carburant.
Nettoyage du filtre à air
L'état du filtre à air influe directement sur le fonctionnement
de l'appareil. Un filtre à air sale restreint le débit d'air et
affecte le mélange de carburant/air. On confond souvent
cela avec un mauvais réglage du carburateur. Vérifiez l'état
du filtre à air avant de régler la vis de réglage de ralenti. Voir
Entretien du filtre à air.
Réglage de la vis de réglage de ralenti
Si le moteur ne se met toujours pas au ralenti après
vérification du mélange de carburant et nettoyage du
filtre à air, réglez la vis de ralenti comme suit :
1. Démarrez le moteur et laissez-le tourner à haut
régime pendant une minute pour se réchauffer. Voir
Instructions de démarrage et d'arrêt.
2. Relâchez le levier d'accélérateur et laissez le moteur
au ralenti. Si le moteur s'arrête, insérez un petit
tournevis à embout cruciforme ou à tête plate dans le
trou du couvercle du filtre à air/silencieux (Fig. 41).
Vissez la vis de 1/8 de tour à la fois (selon le besoin),
jusqu'à ce que le moteur tourne au ralenti.
Fig. 41
Idle Speed Screw
REMARQUE : l'accessoire de coupe ne devrait pas
tourner lorsque le moteur est au ralenti.
3. S'il tourne, dévissez la vis de ralenti de 1/8 de tour à la
fois (selon le besoin) pour réduire la vitesse de ralenti.
La vérification du mélange de carburant, le nettoyage du
filtre à air et le réglage de la vis de ralenti devraient
résoudre la plupart des problèmes de moteur.
Dans le cas contraire et si :
•le moteur ne se met pas au ralenti
•le moteur hésite ou cale lors d'une accélération
•le moteur perd de sa puissance
faites régler le carburateur par un distributeur agréé.
une fois
l'appareil
éteint, pour éviter des blessures graves
assurez-vous que l'accessoire de coupe est
arrêté avant de poser l'appareil.
AVERTISSEMENT:
il se peut
que
l'accessoire de coupe tourne pendant le réglage
de la vitesse de ralenti. Portez des vêtements
protecteurs et respectez toutes les consignes
de sécurité pour éviter des blessures graves.
AVERTISSEMENT:

F21
ENTRETIEN ET RÉPARATIONS
NETTOYAGE
Nettoyez l'extérieur de l'appareil à l'aide d'une petite brosse.
N'utilisez pas de détergents concentrés. Les nettoyants
ménagers contenant des huiles aromatiques tel que le
pin et le citron, et les solvants tel que le kérosène
peuvent endommager le boîtier ou la poignée en
plastique. Essuyez toute trace d'humidité à l'aide d'un
tissu doux.
ENTREPOSAGE
•Ne rangez jamais l'appareil plein de carburant dans un
lieu où les vapeurs peuvent atteindre une flamme vive
ou des étincelles.
•Laissez le moteur refroidir avant de l'entreposer.
•Rangez l'appareil dans un lieu verrouillé pour éviter
toute utilisation ou accident indésirable.
•Rangez l'appareil dans un lieu sec et bien aéré.
•Rangez l'appareil hors de la portée des enfants.
ACCESSOIRES / PIÈCES DE RECHANGE
Huile 2-temps . . . . . . . . . . . . . . . . . . . . . . . . . . . 147543
Bougie . . . . . . . . . . . . . . . . . . . . . . . . . . . . . . . . .610311
Fil de rechange . . . . . . . . . . . . . . . . . . . . . . . . . . 180120
Cartouche de fil de rechange . . . . . . . . . . . . 753-04218
Bouchon de carburant . . . . . . . . . . . . . . . . . . . . 180000
Lame de coupe-bordure . . . . . . . . . . . . . . . . . . . 613223
Bandoulière . . . . . . . . . . . . . . . . . . . . . . . . . . . . . 682075
Vous pouvez vous procurer ces pièces de rechange
auprès de votre distributeur agréé.
REMPLACEMENT DE LA BOUGIE
Utilisez une bougie Champion RDJ7Y (ou modèle
équivalent). L'écartement correct est de 0,5 mm (0,020
po). Retirez la bougie après 25 heures de
fonctionnement et vérifiez son état.
1. Arrêtez le moteur et laissez-le refroidir. Saisissez
fermement le câble de bougie et tirez-le de la bougie.
2. Nettoyez tout autour de la bougie. Retirez la bougie de
la culasse en tournant la douille de 5/8 po à gauche.
3. Remplacez toute bougie fendillée, encrassée ou sale.
Réglez l'écartement à 0,5 mm (0,020 po) à l'aide
d'une jauge d'épaisseur (Fig. 42).
4. Installez la bougie ajustée dans la culasse. Tournez la
douille de 5/8 po à droite jusqu'à bien la visser.
Si vous utilisez une clé dynamométrique, vissez selon les
valeurs suivantes :
12,3-13,5 Nom (110-120 poolb).
Évitez de trop serrer.
0.020 in.
(0.5 mm)
Fig. 42
ENTREPOSAGE DE LONGUE DURÉE
Si vous comptez entreposer l'appareil pendant une
longue période, appliquez la procédure suivante :
1. Videz tout le carburant du réservoir dans un récipient
contenant le même mélange de carburant 2-temps.
N'utilisez pas de carburant stocké pendant plus de
60 jours. Éliminez le vieux mélange de carburant
conformément aux règlements fédéral, provincial et
municipal en vigueur.
2. Démarrez le moteur, puis laissez-le tourner jusqu'à
ce qu'il cale. Cela permet de s'assurer que le
carburateur s'est vidé de son carburant.
3. Laissez le moteur refroidir. Retirez la bougie et versez
environ 30 ml (1 oz) d'huile moteur ou d'huile moteur
2-temps de qualité dans le cylindre. Tirez lentement
sur la corde de démarrage pour bien distribuer l'huile.
Replacez la bougie.
REMARQUE : retirez la bougie et videz toute l'huile du
cylindre avant de mettre en marche la
désherbeuse après une période d'entreposage.
4. Nettoyez soigneusement l'appareil et vérifiez qu'il ne
comporte pas de pièces desserrées ou
endommagées. Réparez ou remplacez les pièces
endommagées, puis serrez les vis, écrous et boulons
desserrés. L'appareil est alors prêt pour
l'entreposage.
TRANSPORT
•Laissez le moteur refroidir avant le transport.
•Vidangez tout le carburant de l'appareil.
•Serrez le bouchon du réservoir avant le transport.
•Attachez bien l'appareil lors du transport.
évitez de
sabler,
gratter ou nettoyer les électrodes car de la saleté
dans le moteur pourrait endommager le cylindre.
MISE EN GARDE:
pour
éviter des
blessures graves, éteignez toujours la
désherbeuse et laissez-la refroidir avant tout
nettoyage ou entretien.
AVERTISSEMENT:

F22
DÉPANNAGE
CAUSE SOLUTION
Accessoire de coupe engorgé d'herbes Arrêtez le moteur et nettoyez l'accessoire
Accessoire de coupe mal aligné Chargez du fil neuf
Moulinet intérieur bloqué Remplacez le moulinet
Tête de coupe sale Nettoyez le moulinet intérieur et la bobine extérieure
Fil soudé Démontez et déposez la partie soudée, et rembobinez le fil
Fil tordu durant la recharge Démontez puis rembobinez le fil
Quantité insuffisante de fil exposée Enfoncez le bouton de butée et tirez le
fil jusqu’à en extraire 102 mm (4 po) à l’extérieur de
l’accessoire de coupe
CAUSE SOLUTION
Carburant vieux ou mal mélangé Drainez le réservoir/ajoutez du carburant frais
Mauvais réglage du carburateur Faites-le régler par un concessionnaire agréé
Bougie encrassée Remplacez ou nettoyez-la
Pare-étincelles colmaté Nettoyez ou remplacez le pare-étincelles
CAUSE SOLUTION
Réservoir de carburant vide Remplissez-le de carburant bien mélangé.
La poire d'amorçage n'a pas été pressée assez fort Pressez-la complètement et lentement de 10 fois
Moteur noyé Utilisez la procédure de démarrage
Carburant vieux ou mal mélangé Drainez le réservoir/ajoutez du carburant frais
Bougie encrassée Remplacez ou nettoyez-la
Pare-étincelles colmaté Nettoyez ou remplacez le pare-étincelles
Le levier EZ-StartMC n’était pas dans la bonne poition Bougez le levier pour démarrer
La température extérieure est inférieure à 40°F Tirez sur le cordon de démarrage entre 10 et 15 fois
La température extérieure est supérieure à 90°F Appuyez sur la manette des gaz et tirez sur le cordon de
démarrage
LE MOTEUR REFUSE DE DÉMARRER
LE MOTEUR REFUSE DE SE METTRE AU RALENTI
LE MOTEUR REFUSE D’ACCÉLÉRER
LE MOTEUR MANQUE DE PUISSANCE OU SE CALE DURANT LA COUPE
CAUSE SOLUTION
Filtre à air bouché Remplacez ou nettoyez-le
Carburant vieux ou mal mélangé Drainez le réservoir/ajoutez du carburant frais
Mauvais réglage du carburateur Ajustez selon l'instruction
CAUSE SOLUTION
Carburant vieux ou mal mélangé Drainez le réservoir/ajoutez du carburant frais
Mauvais réglage du carburateur Faites-le régler par un concessionnaire agréé
Accessoire de coupe engorgé d'herbes Arrêtez le moteur et nettoyez l'accessoire
Filtre à air sale Remplacez ou nettoyez-le
Pare-étincelles colmaté Nettoyez ou remplacez le pare-étincelles
LA TÊTE DE COUPE NE FAIT PAS AVANCER LE FIL
Si vous avez besoin d'aide, contactez votre concessionnaire agréé.
CAUSE SOLUTION
Présence d'huile dans la tête de coupe Nettoyez l'accessoire de coupe
LE FIL DE COUPE AVANCE DE MANIÈRE INCONTRÔLÉE

F23
CARACTÉRISTIQUES
MOTEUR*
ARBRE D'ENTRAÎNEMENT ET ACCESSOIRE DE COUPE*
*Toutes les spécifications contenues dans ce manuel tiennent compte des dernières informations techniques disponibles au
moment de mettre sous presse. Nous nous réservons le droit d'y apporter des modifications à tout moment, sans préavis.
Type de moteur.............................................................................................................................. Refroidi par air, 2-temps
Course ................................................................................................................................................... 31,75 mm (1,25 po)
Cylindrée........................................................................................................................................................ 31 cc (1,9 po3)
Type d'embrayage ............................................................................................................................................... Centrifuge
Régime ralenti ....................................................................................................................................... 2.800 - 4.000 tr/min
Régime de fonctionnement (désherbeuse)...................................................................................................... 7.200+ tr/min
Type d'allumage................................................................................................................................................ Électronique
Contact d'allumage.............................................................................................................................. Interrupteur berceau
Écartement de la bougie.......................................................................................................................... 0,5 mm (0,020 po)
Lubrification ................................................................................................................................... Mélange carburant/huile
Rapport carburant/huile................................................................................................................................................. 40/1
Carburateur.............................................................................................................................. Membrane, toutes positions
Démarreur.................................................................................................................................. Rembobinage automatique
Silencieux....................................................................................................................................... Chicane avec protection
Accélérateur.................................................................................................................................................. Rappel manuel
Capacité du réservoir de carburant................................................................................................................ 384 ml (13 oz)
Logement de l'arbre d'entraînement ................................................................................................. Tube acier (EZ-LinkMC)
Manette des gaz........................................................................................... Détente à portée du doigt avec déverrouilleur
Poids de l'appareil (sans carburant, avec poignée en J, protecteur
d'accessoire de coupe et accessoire de coupe) ....................................................................................... 5,6 kg (12,25 lb)
Mécanisme de coupe................................................................................................................... Tête de coupe à deux fils
Diamètre de la bobine de fil.......................................................................................................................... 7,62 cm (3 po)
Diamètre du fil....................................................................................................................................... 2,41 mm (0,095 po)
Diamètre du chemin de coupe.................................................................................................................. 43,18 cm (17 po)
ACCESSOIRE DE COUPE-BORDURE*
Poids de l'appareil (accessoire seulement)................................................................................................ 2,36 kg (5,25 lb)
Profondeur de coupe (maximum) .............................................................................................................. 63,5 mm (2,5 po)
Diamètre de la roue............................................................................................................................... 95,25 mm (3,75 po)
Rapport de la boîte d'engrenage............................................................................................................................... 1.25:1

F24
REMARQUES

F25
Garantie portant sur les normes antipollution de l'EPA
Vos droits et obligations en vertu de cette garantie
La Environmental Protection Agency et Troy-Bilt LLC (Troy-Bilt) ont le plaisir de présenter la garantie du dispositif
antipollution des petits moteurs à usage tout-terrain datant de 2002 et au-delà. Les nouveaux petits moteurs à usage
tout-terrain doivent être conçus, construits et équipés pour être conformes aux strictes normes anti-smog. Troy-Bilt
doit garantir le système de contrôle des émissions de votre petit moteur à usage tout-terrain pendant les périodes de
temps indiquées ci-dessous à condition que le moteur n'ait pas souffert d'abus, de négligence ou fait l'objet d'un
mauvais entretien.
Votre dispositif antipollution peut inclure des pièces diverses tel que le carburateur ou un système d'injection, le
dispositif d'allumage et un convertisseur catalytique. Il pourrait aussi inclure des tuyaux, courroies, connecteurs et
autres ensembles de pièces relatives aux émissions.
Advenant une situation couverte par la garantie, Troy-Bilt réparera votre petit moteur à usage tout-terrain sans frais
aucun y compris le diagnostic, les pièces et la main d'œuvre.
Les moteurs à usage tout-terrain datant de 2002 et plus sont garantis pendant deux ans. Si une pièce de votre moteur
relative aux émissions devenait défectueuse, Troy-Bilt la réparera ou la remplacera.
Responsabilités du propriétaire en vertu de cette garantie
• En tant que propriétaire d'un petit moteur à usage tout-terrain, vous êtes responsable des entretiens requis indiqués
dans votre manuel de l'utilisateur. Troy-Bilt recommande que vous conserviez tous les reçus d'entretien de votre petit
moteur à usage tout-terrain. Troy-Bilt ne peut toutefois réfuter votre garantie juste parce que vous n'avez pas les reçus
ou si vous ne veillez pas à ce que les travaux d'entretien prévus soient effectués.
• En tant que propriétaire d'un petit moteur à usage tout-terrain, sachez que Troy-Bilt peut refuser de vous couvrir sous
garantie si votre moteur ou si une pièce sont défaillants pour cause d'abus, de négligence, d'entretien incorrect ou de
modifications non autorisées.
• Il vous incombe de présenter votre petit moteur à usage tout-terrain à un centre de service agréé Troy-Bilt dès que le
problème fait son apparition. Les réparations sous garantie doivent être achevées dans une durée de temps raisonnable
ne dépassant en aucun cas 30 jours.
Si vous avez des questions au sujet de vos droits et responsabilités en vertu de cette garantie, appelez le 1-800-
520-5520.
Garantie du fabricant
• La période de garantie commence à la date où le moteur ou l'équipement est livré à l'acheteur au détail.
• Le fabricant garantit au propriétaire initial et à chaque acheteur subséquent que le moteur est libre de défauts de matériaux et
de vices de fabrication pouvant provoquer la défaillance d'une pièce garantie pendant une période de deux ans
.
• Toute réparation ou remplacement d'une pièce garantie devra être effectué sans aucun frais au compte du propriétaire par un
centre de service Troy-Bilt agréé. Pour connaître le centre le plus proche de vous, veuillez contact Troy-Bilt à : 1-800-
520-5520.
• Toute pièce garantie dont le remplacement n'est pas prévu dans le cadre des entretiens requis, ou dont uniquement
une inspection normale est prévue selon le principe de "réparation ou remplacement au besoin", est garantie pendant la
période de garantie. Toute pièce garantie dont le remplacement est prévu dans le cadre des entretiens requis sera
garantie pendant la période de temps allant jusqu'à la date du premier remplacement prévu pour cette pièce.
• Le propriétaire ne subira pas de frais relatifs à un travail de diagnostic qui conclut que la pièce garantie est
défectueuse si le travail de diagnostic a été effectué chez un centre de service Troy-Bilt agréé.
• Le fabricant est responsable de tous les dommages occasionnés aux autres composants du moteur par la défaillance
d'une pièce encore sous garantie.
• Les défaillances causées par l'abus, la négligence ou un mauvais entretien ne sont pas couvertes par cette garantie.
• L'utilisation d'un ajout ou de pièces modifiées peut justifier le refus d'une réclamation au titre de la garantie. Le
fabricant n'est pas responsable des défaillances des pièces garanties découlant de l'utilisation d'ajouts ou de pièces
modifiées.
• Pour déposer une réclamation, adressez-vous au centre de service Troy-Bilt agréé le plus proche. Les services ou
réparations sous garantie sont offerts par tous les centres de service Troy-Bilt agréés.
• Toutes les pièces de rechange approuvées par le fabricant peuvent être utilisées dans le cadre d'un entretien ou d'une
réparation sous garantie de pièces relatives au dispositif antipollution et sont fournies sans frais. Toute pièce de
rechange équivalente en termes de performances ou de durabilité peut être utilisée lors d'un entretien ou d'une
réparation hors garantie et ne diminue pas les obligations qui incombent au fabricant en vertu de la garantie.
• Les composants suivants sont inclus dans la garantie relative au système antipollution du moteur : filtre à air,
carburateur, poire d'amorçage, conduites de carburant, alimentation d'arrivée, filtre à carburant, module d'allumage,
bougie et silencieux.

F26
GARANTIE LIMITÉE DU FABRICANT POUR:
Aucune garantie implicite, y compris toute garantie de
valeur marchande ou d'adaptation à une fin
particulière, ne s'applique après la période applicable
de garantie expresse écrite ci-dessus concernant les
pièces qui sont identifiées. Aucune autre garantie ou
caution expresse, écrite ou orale, à l'exception de
celle mentionnée ci-dessus, accordée par toute
personne ou entité, y compris tout distributeur ou
détaillant, concernant tout produit n'engagera la
responsabilité de Troy-Bilt LLC. Pendant la période de
garantie, le recours exclusif est la réparation ou le
remplacement du produit dans les conditions
énoncées ci-dessus. (Certains états ne permettent pas
la limitation de la garantie implicite, il est donc possible
que la limitation ci-dessus ne s'applique pas à vous.)
Les clauses énoncées dans la présente Garantie
constituent le recours unique et exclusif inhérent aux
ventes. Troy-Bilt LLC ne sera en aucun cas tenue
pour responsable de tout dommage indirect ou
consécutif ou de dommages comprenant, entre
autres, les dépenses encourues du fait du recours à
des services de remplacement ou de substitution
pour l'entretien des pelouses, le transport ou des frais
connexes, ou les frais entraînés par une location
destinée à remplacer provisoirement un produit sous
garantie. (Certains états ne permettent pas la limitation
de la garantie implicite, il est donc possible que la
limitation ci-dessus ne s'applique pas à vous.)
Aucun recouvrement, quel qu'il soit, ne sera d'un montant
supérieur au prix du produit vendu. Toute modification
des dispositifs de sécurité du produit annulera la présente
Garantie. Vous assumez tout risque et toute responsabilité
résultant de la perte, de l'endommagement ou du
préjudice que vous et votre propriété et/ou d'autres et
leur propriété pourront encourir d'un fait de l'utilisation
normale, de la mauvaise utilisation ou de l'incapacité
d'utiliser le produit.
La présente garantie limitée n'est accordée qu'à
l'acheteur initial, au preneur initial ou à la personne à
laquelle le produit a été offert.
Le Droit des États vis à vis de la présente garantie : la
présente garantie vous confère certains droits juridiques
et vous pouvez bénéficier d'autres droits lesquels varient
d'un état à l'autre.
Pour obtenir l'adresse du distributeur réparateur le plus
proche, composez le : 1-800-520-5520.
Troy-Bilt LLC
PO Box 361131
Cleveland, OH 44136-0019
La garantie limitée énoncée ci-après est accordée par
Troy-Bilt LLC et concerne les marchandises neuves
achetées et utilisées aux États-Unis, ses possessions et
territoires.
Troy-Bilt LLC garantit ce produit contre tout vice de
matière ou de façon pendant une période de deux (2) ans
à compter de la date d'achat initiale et elle se réserve le
choix de réparer ou de remplacer, à titre gratuit, toute
pièce présentant un vice de matière ou de façon. Cette
garantie limitée ne s'appliquera que dans la mesure où le
produit aura été utilisé et entretenu conformément au
Manuel de l'utilisateur fourni avec le produit et n'aura pas
fait l'objet d'un usage inadéquat, abusif, commercial ou
négligent, d'un accident, d'un entretien inadéquat, d'une
modification, de vandalisme, d'un vol, d'un incendie, de
dégâts d'eau ou d'un endommagement résultant d'un
autre péril ou d'un désastre naturel. Les dommages
résultats de l'installation ou de l'utilisation de tout
accessoire ou équipement non approuvé par Troy-Bilt
pour une utilisation avec le(s) produit(s) couvert(s) par le
présent manuel annuleront la garantie en ce qui concerne
les dommages qui en résulteraient éventuellement. La
présente garantie est limitée à quatre-vingt-dix (90) jours
à compter de la date d'achat au détail initiale pour tout
produit Troy-Bilt utilisé à des fins locatives ou
commerciales, ou toute utilisation produisant des
revenus.
POUR L'OBTENTION DU SERVICE DE GARANTIE : le
service au titre de la garantie est disponible, SUR
PRÉSENTATION D'UNE PREUVE D'ACHAT, AUPRÈS
DU DISTRIBUTEUR AGRÉÉ LOCAL. Pour trouver un
distributeur dans votre région, visitez notre site Web
www.troybilt.com, consultez les Pages Jaunes, appelez le
1-800-520-5520 ou écrivez à l'adresse Troy-Bilt LLC, PO
Box 361131, Cleveland, OH 44136-0019.
La garantie limitée n'offre aucune couverture dans
les cas suivants :
A. Mises au point : bougies, réglages de carburateur,
filtres
B. Éléments pouvant s'user : boutons de butée,
bobines extérieures, fil de coupe, moulinets
intérieurs, poulie du démarreur, cordons de
démarrage, courroies d'entraînement
C. Troy-Bilt LLC n'accorde aucune garantie pour les
produits vendus ou exportés des États-Unis
d'Amérique, de leurs possessions et territoires,
exception faite en ce qui concerne les produits
vendus par l'intermédiaire de ses canaux agréés de
distribution à l'exportation.
Troy-Bilt LLC se réserve le droit de modifier ou
d'améliorer la conception de ses produits sans pour
autant assumer l'obligation de modifier tout produit
d'une fabrication plus ancienne.

Recortador /
Recortador de
Bordes a Gasolina
de 2 Ciclos
Modelo TB25ET
Manuel del Dueño/Operador
IMPORTANTE: LEA LAS REGLAS DE SEGURIDAD E INSTRUCCIONES DETENIDAMENTE
P/N 769-00931 (10/03)
IMPRESO EN LOS EE.UU
E
a
s
y
S
t
a
r
TM
M

E2
INTRODUCCION
Copie el número del modelo/
pieza del fabricante aquí:
Copie el número
de serie aquí:
MUCHAS GRACIAS
Gracias por haber adquirido este gran producto. Esta
moderna herramienta motriz de exteriores está diseñada
para brindarle muchas horas de servicio útil. Usted
comprobará que es un artefacto que le ahorrará mucho
trabajo. Este manual del operador le brinda instrucciones
de operación de fácil comprensión. Lea todo el manual y
siga todas las instrucciones para mantener su nueva
herramienta motriz de exteriores en las mejores
condiciones de funcionamiento.
REFERENCIAS, ILUSTRACIONES Y
ESPECIFICACIONES DEL PRODUCTO
Toda la información, las ilustraciones y las especificaciones
contenidas en este manual se basan en la información
más reciente disponible en el momento de impresión del
manual. Nos reservamos el derecho de hacer cambios
en cualquier momento sin aviso previo.
Copyright© 2003 MTD SOUTHWEST INC. Todos los
derechos reservados.
INFORMACION DEL SERVICIO
El servicio de esta unidad, ya sea durante o después del
período cubierto por la garantía, debe ser realizado
solamente por un proveedor de servicios autorizado y
aprobado. Llame 1-800-520-5520 para obtener una lista
de distribuidores de servicio localizados cerca de usted.
Para obtener más detalles sobre su unidad, visite
nuestro sitio en www.troybilt.com.
NO REGRESE SU UNIDAD AL VENDEDOR. PARA
SOLICITAR SERVICIO POR LA GARANTIA, DEBERA
PRESENTAR PRUEBA DE SU COMPRA.
Antes de que empiece a ensamblar su nuevo equipo, por
favor ubique la placa que contiene el modelo de la
unidad y escriba esa información en el espacio en blanco
aquí debajo. Aquí debajo se explica la muestra de una
placa del modelo.
S/N : ITEM :
MODEL :
Antes de arrancar u operar este equipo, asegúrese de
leer y comprender bien este manual.
ESTE PRODUCTO ESTA CUBIERTO POR UNA O MAS
PATENTES DE EE.UU., OTRAS PATENTES EN
TRAMITE.
INDICE DE CONTENIDOS
Llamadas a apoyo al cliente . . . . . . . . . . . . . . . . . . .2
Normas para una operación segura . . . . . . . . . . . . .3
Conozca su unidad . . . . . . . . . . . . . . . . . . . . . . . . .7
Instrucciones de ensamble . . . . . . . . . . . . . . . . . . .8
Información del aceite y del combustible . . . . . . . . .9
Instrucciones de arranque y apagado . . . . . . . . . .10
Instrucciones de operación . . . . . . . . . . . . . . . . . .11
Instrucciones de mantenimiento y reparación . . . .14
Accesorios y piezas de repuesto . . . . . . . . . . . . . .21
Limpieza y almacenamiento . . . . . . . . . . . . . . . . . .21
Cuadro de solución de problemas . . . . . . . . . . . . .22
Especificaciones . . . . . . . . . . . . . . . . . . . . . . . . . . .23
Garantía . . . . . . . . . . . . . . . . . . . . . . . . . . . . . . . . .30
Lista de Piezas . . . . . . . . . . . . . . . . . .Contraportada
PARACHISPAS
NOTA: Para los usuarios en tierras forestales de los
EE.UU. y en los estados de California, Maine, Oregon
y Washington. Todos los terrenos forestales de los
EE.UU. y el estado de California (Códigos de Recursos
Públicos 4442 y 4443), Oregon y Washington, requieren
por decreto, que ciertos motores de combustión interna
que se hagan funcionar en zonas boscosas y/o zonas
cubiertas por pastizales, estén equipados con un
parachispas, que sean mantenidos en buen estado de
funcionamiento o que el motor sea construido, esté
equipado y sea mantenido para evitar incendios.
Consulte los reglamentos pertinentes a esos requisitos
con las autoridades estatales o locales. El incumplimiento
de esos requisitos puede responsabilizarle o someterle a
la imposición de una multa. Esta unidad fue equipada
en la fábrica con un parachispas. Si requiere
sustitución, hay una Pantalla Parachispas disponible,
Pieza # 182747 al contactar el departamento de servicio.
ADVERTENCIA
LAS EMISIONES DEL MOTOR DE ESTE
PRODUCTO CONTIENEN SUBSTANCIAS
QUIMICAS QUE EL ESTADO DE
CALIFORNIA CONOCE COMO CAUSANTES
DECANCER, DEFECTOS DE NACIMIENTO
U OTROS DAÑOS REPRODUCTIVOS.
Número de la
pieza del fabricante
Número de serie Número del
modelo
PROPOSICIÓN 65 DE CALIFORNIA

E3
NORMAS PARA UNA OPERACION SEGURA
LEA TODAS LAS INSTRUCCIONES
ANTES DE LA OPERACION
•Lea todas las instrucciones con cuidado. Conozca
bien los controles y el uso correcto de la unidad.
•No opere esta unidad si está cansado, enfermo, o bajo
los efectos del alcohol, drogas o medicamentos.
•Los niños y los adolescentes menores de 15 años no
deben operar las unidades, excepto por los
adolescentes guiados por un adulto.
•Inspeccione la unidad antes de utilizarla. Cambie las
partes dañadas. Verifique si existen pérdidas de
combustible. Asegúrese de que los sujetadores estén bien
colocados y asegurados. Cambie las partes accesorias de
corte que estén quebradas, cascadas o dañadas de
cualquier forma. Asegúrese de que el accesorio de corte
está bien instalado y ajustado con firmeza. Asegúrese de
que la protección accesoria de corte esté bien conectada
y colocada según se recomienda.
•Use sólo línea de repuesto fabricante del equipo
original de 2,41 mm (0,095 pulgadas) de diámetro.
Nunca use línea con refuerzo de metal, cable, soga, etc.
Estas pueden desprenderse y convertirse en un
proyectil peligroso.
•Tenga en cuenta el riesgo de lesiones en la cabeza, manos
y pies.
•Oprima el control del regulador y verifique que regrese
automáticamente a la posición de mínima. Haga todos
los ajustes o reparaciones antes de usar la unidad.
•Esta unidad no fue diseñada para ser usada como
cortamalezas. No conecte ni opere esta unidad con
ningún tipo de cuchilla ni accesorio para cortar malezas.
•Limpie el área de corte antes de cada uso. Retire todos
los objetos como rocas, vidrios rotos, clavos, alambre o
cuerda los cuales pueden ser despedidos o enredarse en
el accesorio de corte. Aleje a todos los niños,
espectadores y animales domésticos. Mantenga todos
los niños, espectadores y animales domésticos a un
radio de por lo menos 15 m (50 pies); aún así puede
existir un riesgo de objetos despedidos contra los
espectadores. Debe sugerir a los espectadores que usen
protección ocular. Si alguien se le acerca, pare el motor y
el accesorio de corte de inmediato.
ADVERTENCIAS DE SEGURIDAD PARA LOS
RECORTADORES A GASOLINA
•Guarde el combustible en envases que hayan sido
diseñados y aprobados para el almacenamiento de
dichos materiales.
SIMBOLO SIGNIFICADO
Los símbolos de seguridad se utilizan para llamar su
atención sobre posibles peligros. Los símbolos de
seguridad y sus explicaciones merecen toda su atención
y comprensión. Los símbolos de seguridad no eliminan
ningún peligro por sí mismos. Las instrucciones o
advertencias que ofrecen no substituyen las medidas
adecuadas de prevención de accidentes.
SIMBOLO SIGNIFICADO
• IMPORTANTE INFORMACION DE SEGURIDAD •
El no
seguir una
advertencia de seguridad puede conducir a
que usted u otras personas sufran lesiones.
Siga siempre las precauciones de seguridad
para reducir el riesgo de incendio, descarga
eléctrica y lesiones personales.
ADVERTENCIA:
El no obedecer una
advertencia de
seguridad puede conducir a que usted u
otras personas sufran graves lesiones. Siga
siempre las precauciones de seguridad
para reducir el riesgo de incendio, descarga
eléctrica y lesiones personales.
PELIGRO:
El no seguir
una
advertencia de seguridad puede conducir a
daño patrimonial o a que usted u otras
personas sufran lesiones personales. Siga
siempre las precauciones de seguridad
para reducir el riesgo de incendio, descarga
eléctrica y lesiones personales.
PRECAUCION:
Indica peligro, advertencia o precaución.
Debe prestar atención para evitar sufrir
graves lesiones personales. Puede ser
utilizado junto con otros símbolos o figuras.
ALERTA DE SEGURIDAD
:
NOTA: Le ofrece información o instrucciones que son
esenciales para la operación o mantenimiento
del equipo.
La gasolina
es muy
inflamable y sus gases pueden explotar si se
encienden. Tome las siguientes precauciones:
ADVERTENCIA:
Lea el manual del operador y siga todas las
advertencias e instrucciones de seguridad. De no
hacerlo, el operador y/o los espectadores pueden
sufrir graves lesiones.
SI TIENE PREGUNTAS, LLAME AL 1-800-345-8746
EN EE.UU. O AL 1-800-668-1238 en CANADA

E4
NORMAS PARA UNA OPERACION SEGURA
•Antes de llenar el tanque de combustible, apague
siempre el motor y espere que se enfríe. No retire
nunca la tapa del tanque de combustible ni cargue
combustible mientras el motor esté caliente. No opere
nunca la unidad sin la tapa del combustible colocada
firmemente en su lugar. Afloje la tapa del combustible
lentamente para disipar la presión del tanque.
•Mezcle y cargue el combustible en un área exterior
bien ventilada donde no haya chispas ni llamas. Quite
lentamente la tapa del combustible sólo después de
apagar el motor. No fume mientras carga o mezcla el
combustible. Limpie de inmediato todo el combustible
que se haya derramado.
•Evite crear una fuente de encendido por combustible
derramado. No arranque el motor hasta que se hayan
disipado los vapores del combustible.
•Aleje la unidad a por lo menos 9,1 m (30 pies) del lugar
de carga de combustible antes de arrancar el motor.
No fume, mantenga las chispas y las llamas abiertas
lejos del área mientras carga el combustible u opera la
unidad.
DURANTE LA OPERACION
•No arranque ni opere la unidad en una sala o edificio
cerrado. Los gases de escape de monóxido de
carbono pueden ser letales en un área cerrada. Opere
esta unidad sólo en un área exterior bien ventilada.
•Use lentes o gafas de protección que cumplan con las
normas ANSI Z87.1-1989, y protección para sus
oídos/audición mientras opere esta unidad. Use
siempre una máscara facial o para protegerse contra
el polvo si la operación levanta polvo.
•Use pantalones largos y gruesos y guantes. No vista
ropa holgada, alhajas, pantalones cortos, sandalias ni
esté descalzo. Asegure su cabello sobre el nivel de los
hombros.
•La protección accesoria de corte debe estar siempre
colocada en su lugar mientras opere la unidad. No
opere la unidad con las dos líneas de corte
extendidas, y la línea correcta instalada. No extienda
la línea de corte más allá de la longitud de la
protección.
•Esta unidad cuenta con un embrague. El accesorio de
corte permanece estacionario cuando el motor está en
marcha lenta. Si no lo hace, haga ajustar la unidad por
un técnico de servicio autorizado.
•Ajuste la manija en J de acuerdo a su medida para
lograr el mejor agarre.
•Asegúrese de que el accesorio de corte no está en
contacto con ningún objeto antes de arrancar la
unidad.
•Use la unidad únicamente con la luz del día o con
buena luz artificial.
•Evite arrancar la unidad accidentalmente. Colóquese
en posición de inicio siempre que tire de la cuerda de
arranque. El operador y la unidad deben estar en una
posición estable al comenzar. Lea las instrucciones de
Arranque y Apagado.
•Use la herramienta adecuada. No use esta unidad
para ninguna tarea para la cual no ha sido diseñada.
•No se estire demasiado. Mantenga siempre una
posición y equilibrio adecuados.
•Sostenga siempre la unidad con ambas manos
mientras esté en funcionamiento. Sostenga con
firmeza tanto el mango como la manija auxiliar.
•Mantenga las manos, la cara y los pies lejos de todas
las partes móviles. No intente tocar ni detener el
accesorio de corte mientras gira.
•No toque el silenciador ni el cilindro. Estas partes se
calientan mucho con la operación. Luego de apagarlas
permanecen calientes durante un corto tiempo.
•No opere el motor a una velocidad mayor que la
necesaria para cortar, recortar o recortar los bordes.
No haga funcionar el motor a alta velocidad mientras
no está cortando.
•Apague siempre el motor cuando demore el corte o
mientras camina entre zonas de corte.
•Si golpea o se enreda con algún objeto extraño,
apague el motor de inmediato y verifique si hay daños.
Repare todos los daños antes de volver a intentar
operar la unidad. No opere la unidad si tiene piezas
flojas o dañadas.
•Apague el motor para realizar todo el mantenimiento,
reparaciones o cambio del accesorio de corte u otros
accesorios.
•Use sólo piezas y accesorios de repuesto fabricante
del equipo original para esta unidad. Estas piezas
están disponibles en su distribuidor autorizado. No
use piezas, accesorios ni auxiliares que no hayan sido
diseñados para esta unidad. Su uso puede conducir a
que el usuario sufra graves lesiones o al daño de la
unidad y a la invalidación de su garantía.
•Mantenga la unidad libre de vegetación y otros
materiales. Pueden alojarse entre el accesorio de corte
y la protección.
•Para reducir el riesgo de incendio, cambie los
silenciadores y amortiguadores de chispas
defectuosos, mantenga el motor y el silenciador libre
de pasto, hojas, grasa excesiva o acumulaciones de
carbono.

E5
NORMAS PARA UNA OPERACION SEGURA
DURANTE LA OPERACION CON EL
ACCESORIO DE RECORTE DE BORDES
•Inspeccione la unidad antes de su uso. Verifique que la
cuchilla esté bien instalada y asegurada.
•Limpie el área a recortar antes de cada uso. Retire
todos los objetos como rocas, vidrios rotos, clavos,
alambre o cuerda, los cuales pueden salir despedidos
o enredarse en el
accesorio de recorte de bordes.
•No intente tocar ni detener la cuchilla mientras gira.
•La cuchilla en descenso puede causar lesiones
mientras continúa girando luego de apagar el motor o
soltar el control del regulador. Mantenga un control
adecuado hasta que la cuchilla haya parado de girar
por completo.
•No haga funcionar la unidad a alta velocidad cuando
no está recortando bordes.
•Si golpea o se enreda con algún objeto extraño, pare el
motor de inmediato y verifique si hay daños. Repare
todos los daños antes de volver a intentar operar la
unidad. No opere la unidad con una cuchilla doblada,
rajada ni desafilada. Descarte las cuchillas que estén
dobladas, alabeadas, rajadas o rotas.
•Apague el motor DE INMEDIATO si siente una
vibración excesiva. La vibración es un signo de que
hay problemas. Inspeccione bien si hay tuercas o
pernos flojos o si hay daños antes de continuar.
Repare o cambie las piezas afectadas según sea
necesario.
OTRAS ADVERTENCIAS DE SEGURIDAD
•No guarde nunca la unidad con combustible en el
tanque en un edificio donde los gases puedan llegar a
una llama abierta o a una chispa.
•Espere que el motor se enfríe antes de guardar o
transportar la unidad. Asegúrese de que la unidad esté
segura al transportarla.
•Guarde la unidad bajo llave en un lugar adecuado y
seco para evitar que sea usada por personas no
autorizadas y se dañe, fuera del alcance de los niños.
•Nunca moje ni rocíe la unidad con agua ni con ningún
otro líquido. Mantenga las manijas secas, limpias y sin
residuos. Limpie la unidad luego de cada uso, lea las
instrucciones de Limpieza y Almacenamiento.
•Guarde estas instrucciones. Consúltelas con
frecuencia y utilícelas para enseñar a otros usuarios. Si
le presta esta unidad a alguien, préstele también estas
instrucciones.
CONSERVE ESTAS
INSTRUCCIONES

E6
NORMAS PARA UNA OPERACION SEGURA
SIMBOLO SIGNIFICADO
•SIMBOLO DE ALERTA DE
SEGURIDAD
IIndica peligro, advertencia o
precaución. Puede ser utilizado junto
con otros símbolos o figuras.
•ADVERTENCIA - LEA EL
MANUAL DEL OPERADOR
Lea el manual del operador y siga todas
las advertencias e instrucciones de
seguridad. De no hacerlo, el operador
y/o los espectadores pueden sufrir
graves lesiones.
•USE PROTECCION OCULAR Y
AUDITIVA
ADVERTENCIA : Los objetos arrojados
por la unidad y el ruido fuerte pueden
causar graves lesiones oculares y
pérdida auditiva. Utilice protección
ocular que cumpla con las normas ANSI
Z87.1 y protección auditiva cuando
opere esta unidad. Use una careta
completa cuando la necesite.
•MANTENGA ALEJADOS A LOS
ESPECTADORES
ADVERTENCIA : Mantenga a todos
los espectadores, en especial a niños
y animales domésticos a por lo menos
15 m (50 pies) del área de corte.
•COMBUSTIBLE SIN PLOMO
Use siempre combustible limpio,
nuevo y sin plomo.
•INDICADOR DE ACEITE
Consulte el manual del operador para
obtener información acerca del tipo
correcto de aceite.
SIMBOLO SIGNIFICADO
•LOS OBJETOS DESPEDIDOS Y
LA CUCHILLA ROTATIVA
PUEDEN CAUSAR GRAVES
LESIONES
ADVERTENCIA: No opere esta
unidad si la protección plástica de
línea no está colocada en su lugar.
Manténgase alejado del accesorio de
corte giratorio.
•CONTROL DE ENCENDIDO Y
APAGADO
ENCENDIDO /ARRANQUE /MARCHA
•CONTROL DE ENCENDIDO Y
APAGADO
APAGADO o PARADO
•ADVERTENCIA DE
SUPERFICIE CALIENTE
No toque un silenciador ni un cilindro
caliente. Puede quemarse. Estas partes
se calientan mucho con el uso. Luego de
apagarse permanecen calientes durante
un corto tiempo.
•CUCHILLA AFILADA
ADVERTENCIA : La protección del
accesorio de corte contiene una cuchilla
afilada. Para prevenir graves lesiones, no
toque la cuchilla.
SIMBOLOS DE SEGURIDAD E INTERNACIONALES
Este manual del operador describe los símbolos y figuras de seguridad e internacionales que pueden aparecer en este producto. Lea el
manual del operador para obtener información completa acerca de la seguridad, ensamble, operación y mantenimiento y reparación.

E7
NORMAS PARA UNA OPERACION SEGURA
CONOZCA SU UNIDAD
EZ-Link™
APLICACIONES
Como recortador:
•Corte de césped y hierbas delgadas
•Recorte decorativo alrededor de árboles, cercos, etc.
Con el accesorio para recortar bordes:
•Recorte de bordes a lo largo de senderos, entradas de
automóviles, rocallas, etc.
Puede usar otros accesorios con el TB25ET. Lea la lista
de accesorios en Operacion del Sistema EZ-Link™.
Suspensor
Rueda de
ajuste de
altura
Cuchilla del
recortador de
bordes
Accesorio de corte
Protección
de la cuchilla
Accesorio recortador de
bordes
Bastidor del
engranaje
Protector accesorio
de corte
Tapa del combustible
Control del
regulador
Manija en J
Mango del eje
Bastidor
del eje
Mango de la cuerda
de arranque
Cuchilla de corte
de línea
Bombilla
del cebador
Palanca EZ-
Start™
Cubierta del
silenciador /
filtro de aire
Soporte del
motor
Bujía de
encendido
Silenciador
Traba del
regulador
Adaptador de apoyo

E8
INSTRUCCIONES DE ENSAMBLE
Fig. 1
(4) Tornillos
Abrazadera
superior
Manija en J
Abrazadera media
Abrazadera
inferior
Tuercas
INSTALACIÓN Y AJUSTE DE LA MANIJA EN J
1. Coloque la manija en J entre la abrazadera superior
y la abrazadera media (Fig. 1).
2. Mientras sostiene las tres piezas juntas, instale los
cuatro (4) tornillos a través de la abrazadera superior
en la abrazadera media.
NOTA:
Los orificios de la abrazadera superior y media se
alinearán sólo cuando se ensamble en forma correcta.
3. Coloque las abrazaderas y la manija en J por encima
del bastidor del eje y sobre la abrazadera inferior.
4. Sostenga cada tuerca hexagonal en el hueco de la
abrazadera inferior con un dedo. Comience a colocar
los tornillos con un destornillador Phillips grande. No los
apriete hasta ajustar la manija.
5. Deslice la manija en J hacia dentro o hacia fuera
hasta que la flecha o línea blanca de la calcomanía
toque el ensamble de abrazaderas (Fig. 2).
Calcomanía
Fig. 2
Fig. 3
7. Ajuste los tornillos de la abrazadera en forma pareja
hasta que la manija en J esté firme.
6. Mientras sostiene la unidad en posición de operación
(Fig. 3), coloque la manija en J en la posición que le
brinde el mejor agarre.
Fig. 4
INSTALACION DEL PROTECTOR ACCESORIO DE CORTE
1. Coloque el protector accesorio de corte sobre el
bastidor del eje sobre el ensamble de la abrazadera
(Fig. 4).
2. Empuje el protector accesorio de corte hacia abajo
hasta la parte superior del ensamble del accesorio de
corte y luego gire el protector accesorio de corte
180°. Alinee los 4 orificios de los tornillos y calce el
protector accesorio de corte en forma segura en la
cavidad cóncava (Fig. 4).
3. Instale los cuatro (4) tornillos con un destornillador
Phillips regular (Fig. 5). Ajuste bien.
Fig. 5
(4) Tornillos
Cavidad
cóncava
Protector
accesorio de corte
Abrazadera
No opere
nunca la
recortadora sin el protector accesorio de
corte colocado en su lugar para evitar
graves lesiones personales.
ADVERTENCIA:

E9
INFORMACION DEL ACEITE Y DEL COMBUSTIBLE
NOTA: Elimine la mezcla vieja de aceite y combustible de
acuerdo con los reglamentos federales, estatales
y locales.
INSTRUCCIONES PARA MEZCLAR EL
ACEITE Y EL COMBUSTIBLE
El combustible viejo o mal mezclado son los motivos
principales del mal funcionamiento de la unidad.
Asegúrese de usar combustible nuevo, limpio y sin
plomo. Siga las instrucciones en detalle para mezclar
correctamente el aceite y el combustible.
Definición de los combustibles de mezcla
Los combustibles actuales con frecuencia son una mezcla
de gasolina y oxigenantes como por ejemplo etanol,
metanol o MTBE (éter). El combustible mezclado con
alcohol absorbe agua. Una cantidad tan pequeña como el
1% de agua en el combustible puede causar la separación
del combustible y el aceite. Forma ácidos cuando está
almacenado. Cuando use combustible mezclado con
alcohol, use combustible nuevo (de menos de 60 días).
Uso de combustibles de mezcla
Si usted opta por usar un combustible de mezcla o si su
uso es inevitable, tome las precauciones
recomendadas.
•Use siempre una mezcla fresca de combustible según
lo indica su manual del operador.
•Agite siempre la mezcla de combustible antes de
cargarlo en la unidad.
•Drene el tanque y haga funcionar el motor en seco
antes de guardar la unidad.
Uso de aditivos en el combustible
La botella de aceite de 2 ciclos que vino con su unidad
contiene un aditivo en el combustible que ayudará a
inhibir la corrosión y a reducir la formación de depósitos
de goma. Se recomienda que use sólo el aceite de 2
ciclos con esta unidad.
Si es inevitable, use un buen aceite de 2 ciclos
elaborado para motores enfriados por aire junto con un
aditivo para el combustible como por ejemplo el
estabilizador de gasolina STA-BIL®o similar. Agregue
23 mL (0,8 onzas) de aditivo de combustible por galón
de combustible de acuerdo con las instrucciones del
envase. NUNCA agregue aditivos directamente en el
tanque de combustible de la unidad.
Mezcle bien la proporción correcta de aceite para motor
de 2 ciclos y gasolina sin plomo en una lata de
combustible por separado. Use una proporción de 40:1
de combustible y aceite. No los mezcle directamente en
el tanque de combustible de la unidad. Consulte las
proporciones específicas de mezcla de gasolina y aceite
en la tabla siguiente.
NOTA: 3,8 litros (un galón) de gasolina sin plomo
mezclada con una botella de 95 mL (3,2 onzas)
de aceite de 2 ciclos es una proporción de 40:1
de combustible y aceite.
GASOLINA SIN PLOMO ACEITE DE 2 CICLOS
3,8 LITROS
(1 GALON de EE.UU.) 95 mL
(3,2 ONZAS FLUIDAS)
1 LITRO 25 mL
+
PROPORCION DE LA MEZCLA = 40 : 1
Para que el
motor
funcione correctamente y con la mayor
fiabilidad, preste mucha atención a las
instrucciones de mezcla de aceite y
combustible del envase de aceite de 2 ciclos.
El uso de combustible mezclado en forma
incorrecta puede dañar seriamente el motor.
PRECAUCION: Cargue el
com-
bustible en un área exterior limpia y bien
ventilada. Limpie de inmediato todo
combustible que se haya derramado. Evite
crear una fuente de encendido con el
combustible derramado. No arranque el
motor hasta que se hayan evaporado los
gases del combustible.
ADVERTENCIA:
Saque la
tapa del
combustible lentamente para evitar lesionarse
con el rociado del combustible. No opere
nunca la unidad sin la tapa del combustible
firmemente colocada en su lugar.
ADVERTENCIA:
La
gasolina es
muy inflamable. Los gases pueden explotar
si se encienden. Apague siempre el motor y
espere que se enfríe antes de cargar el
tanque de combustible. No fume mientras
llena el tanque. Mantenga las chispas y las
llamas lejos del área.
ADVERTENCIA:

E10
INFORMACION DEL ACEITE Y DEL COMBUSTIBLE
INSTRUCCIONES DE ARRANQUE
Fig. 7
Control del regulador
(NO apriete el control de aceleración
durante un arranque normal)
INSTRUCCIONES DE APAGADO
1. Saque la mano del control del regulador.
Deje enfriar el motor en mínima.
2. Coloque el control de encendido y apagado
en posición de APAGADO (O) (Fig. 6).
Fig. 8
1. Mezcle la gasolina con el aceite. Llene el tanque de
combustible con la mezcla de combustible/aceite.
Vea las Instrucciones para Mezclar el Aceite y el
Combustible.
NOTA: No hay necesidad de encender la unidad. El Control
de Parada Encendido/Apagado (On/Off) está en la
posición Encendido (ON) (I), en todo momento.
2. Oprima completamente el cebador y suéltelo 10
veces. Hágalo lentamente. Se deberá ver un poco de
combustible en el cebador y en las tuberías de
alimentación de combustible (Fig. 7). Si no puede ver
el combustible en el cebador, oprímalo y suéltelo
tantas veces como sea necesario hasta que vea
combustible en el mismo.
3. Empuje la Palanca EZ-Start™ hacia la primera
bombilla hasta que haga un clic y quede trabada en
su lugar (Fig. 7).
4. Colóquese en la posición de arranque y no apriete
el control de aceleración (Fig. 8). Hale el cordón de
arranque con un movimiento controlado y uniforme
hasta que el motor trate de arrancar. Repita hasta que
el motor arranque.
NOTA: La unidad usa Spring Assist Starting™, lo cual
reduce considerablemente el esfuerzo requerido
para arrancar el motor. Debe halar el cordón de
arranque lo suficiente para oír que el motor trata
de arrancar. No es necesario halar el cordón con
energía: no hay fuerte resistencia al halar. Tenga
en cuenta que este método de arranque es muy
diferente (y mucho más fácil) del que usted pudiera
estar acostumbrado a usar.
5. Cuando el motor arranque, apriete el control de
aceleración durante 15 a 30 segundos. Esto
calentará la unidad. La Palanca EZ-Start™ se
desenganchará automáticamente al apretar el
control de aceleración.
SI... El motor no arranca, regrese al paso 2.
SI... El motor se detiene mientras usted está apretando
el acelerador, regrese al paso 3.
SI... El motor se detiene antes de que usted apriete el
control de aceleración, sujete el control de
aceleración y tire del cordón de arranque hasta que
el recortador arranque.
NOTA: Si tiene dificultad al arrancar la unidad o está
operando a temperaturas extremas (por debajo de
4º C (40º F), o por encima de 32º C (90º F),
consulte la sección de Resolución de problemas.
Posición de
Arranque
Arranque/
Encendido (I)
Parado/
Apagado (O)
Control del
regulador
Bulbo
cebador
Palanca EZ-
Start™
Fig. 6
Use esta unidad
sólo en un área
exterior bien ventilada. Los gases de escape de
monóxido de carbono pueden ser letales en un
área cerrada.
ADVERTENCIA:
Evite los arranques
accidentales.
Colóquese en posición de inicio cuando tire de la
cuerda de arranque (Fig. 8). El operador y la unidad
deben estar en una posición estable al arrancar la
unidad para evitar graves lesiones personales.
Compruebe que cualquier complemento usado se
instale correctamente y que esté seguro, antes de
poner en marcha la unidad.
ADVERTENCIA: Bloqueo del
acelerador
Spring Assist
Starting™
Recortador
Equipado con

E11
INSTRUCCIONES DE OPERACION
3. Gire la perilla en sentido horario para ajustarla (Fig. 11).
OPERACION DEL SISTEMA EZ-Link™
El sistema EZ-Link™ le permite el uso de estos
accesorios optativos.
Cultivador . . . . . . . . . . . . . . . . . . . . . . . . . . . . . . . TBGC
Edger . . . . . . . . . . . . . . . . . . . . . . . . . . . . . . . . . . . .TBLE
Recortador de setos . . . . . . . . . . . . . . . . . . . . . . . .TBAH
Recortador de eje recto . . . . . . . . . . . . . . . . . . . . . TBSS
Turbosoplador . . . . . . . . . . . . . . . . . . . . . . . . . . . . TBTB
Sierra de poste . . . . . . . . . . . . . . . . . . . . . . . . . . . TBPS
Remoción del accesorio de corte u otros accesorios
1. Gire la perilla en sentido antihorario para aflojarla
(Fig. 9).
2. Opima y sostenga el botón de desconexión (Fig. 9).
3. Mientras sostiene el bastidor del eje superior con
firmeza, tire del accesorio de corte o accesorio en
línea recta fuera del acoplador EZ-Link™.
Instalación del accesorio de corte u otros accesorios
NOTA: Para facilitar la instalación o remoción de los
accesorios, coloque la unidad sobre el suelo
o sobre un banco de trabajo.
1. Gire la perilla en sentido antihorario para aflojarla
(Fig. 9).
Fig. 9
Fig. 10
Fig. 11
2. Mientras sostiene el accesorio con firmeza, empújelo
en línea recta en el acoplador EZ-Link™ (Fig. 10).
NOTA: La alineación del botón de desconexión con el
hueco de guía facilitará la instalación (Fig. 9).
Acoplador EZ-Link™ Botón de desconexión
Hueco de
guía
Perilla
Orificio primario
Bastidor del
eje superior Bastidor del
eje inferior
Botón de desconexión
Orificio lateral 90˚
Orificio lateral
180˚
Perilla
Acoplador EZ-Link™
Para recortar bordes mientras usa el accesorio de corte
de cabeza de línea con modelos EZ-Link™, trabe el
botón de desconexión en el orificio lateral de 90° o en
el orificio lateral de 180° (Fig. 11).
El accesorio
de corte y
los accesorios con el sistema EZ-Link™
deben ser usados en el orificio primario a
menos que se indique lo contrario en el
manual del operador del accesorio. El usar el
orificio incorrecto puede conducir a lesiones
personales o daño de la unidad.
PRECAUCION:
Para evitar
graves
lesiones personales, apague la unidad antes
de sacar o instalar accesorios.
ADVERTENCIA:
Trabe el
botón de
desconexión en el orificio primario y ajuste
bien la perilla antes de operar esta unidad.
PRECAUCION:
Lea y
comprenda
el manual del operador de los accesorios
antes de su operación.
ADVERTENCIA:

E12
INSTRUCCIONES DE OPERACION
Cada vez que se golpea la cabeza, se suelta alrededor
de 25,4 mm (1 pulgada) de línea de corte. La cuchilla en
la protección del accesorio de corte detendrá la línea en
la longitud correcta si se suelta demasiada línea.
Para obtener mejores resultados, golpee la Bump
Head™ sobre terreno limpio o tierra dura. Si intenta
soltar la línea sobre el césped alto, el motor podrá
ahogarse. Mantenga siempre la línea de corte
completamente extendida. Es más difícil soltar línea al
acortarse la línea de corte.
NOTA: No apoye la Bump Head™ sobre el suelo
mientras la unidad esté en funcionamiento.
La línea puede cortarse por:
•Enredarse con un objeto extraño
•Fatiga normal de la línea
•Intentar cortar hierbas gruesas y leñosas
•
Forzar la línea en objetos como paredes o postes de cercos.
CONSEJOS PARA OBTENER MEJORES
RESULTADOS AL RECORTAR
•El ángulo correcto para ubicar el accesorio de corte
es paralelo al suelo.
•No fuerce el accesorio de corte. Permita que la punta
de la línea realice el corte (en especial a lo largo de
paredes). Si corta con más de la punta reducirá la
eficacia del corte y puede sobrecargar el motor.
•Corte césped de más de 200 mm (8 pulgadas)
trabajando de arriba hacia abajo en pequeños
incrementos para evitar el desgaste prematuro de la
línea y el arrastre del motor.
•Corte de derecha a izquierda siempre que sea posible.
Cortar hacia la izquierda mejora la eficiencia de la
unidad. Los recortes salen arrojados en sentido
contrario al operador.
•Mueva lentamente el recortador dentro y fuera del
área de corte a la altura deseada. Realice movimientos
ya sea de adelante hacia atrás y viceversa, o de lado a
lado. El corte en longitudes más cortas produce
mejores resultados.
•Recorte únicamente cuando el pasto y las hierbas
estén secas.
•La vida de su línea de corte depende de:
• Seguir todas las técnicas de corte indicadas anteriormente
• El tipo de vegetación que corte
• El lugar donde se corta
Por ejemplo, la línea se desgastará más rápido cuando corte
contra un muro que cuando corte alrededor de un árbol.
COMO SOSTENER EL RECORTADOR
Antes de operar esta unidad, párese en posición de
operación (Fig. 12). Verifique lo siguiente:
•El operador tiene protección ocular y ropa adecuada.
•El brazo derecho está levemente doblado, y la mano
está sosteniendo el mango del eje.
•El brazo izquierdo está recto, y la mano está
sosteniendo la manija.
•La unidad está debajo del nivel de la cintura.
•El accesorio de corte está paralelo al suelo y hace fácil
contacto con la vegetación que va a ser cortada sin
que el operador tenga que inclinarse.
Fig. 12
Fig. 13
AJUSTE DE LA LONGITUD DE LA LINEA DE CORTE
El accesorio de corte Bump Head™ le permite soltar
línea de corte sin apagar el motor. Para soltar más línea,
golpee suavemente el accesorio de corte contra el suelo
(Fig. 13) mientras opera el recortador a alta velocidad.
NOTA: Mantenga siempre la línea de corte
completamente extendida. Es más difícil soltar
línea al acortarse la línea de corte.
No saque ni
altere el
ensamble de la cuchilla limitadora de línea. La
longitud excesiva de la línea causará el
recalentamiento del motor. Esto puede causar
graves lesiones personales o daño a la unidad.
PRECAUCION:
Use
siempre
protección para sus ojos, audición, pies y
cuerpo para reducir el riesgo de una lesión al
operar esta unidad.
ADVERTENCIA:

E13
INSTRUCCIONES DE OPERACION
RECORTE DECORATIVO
El recorte decorativo se realiza eliminando toda la
vegetación de alrededor de los árboles, postes, cercos.
Gire toda la unidad a modo de que el accesorio de corte
se ubique a un ángulo de 30° con el suelo (Fig 14).
COMO SOSTENER LA UNIDAD CON EL
ACCESORIO PARA RECORTAR BORDES
Antes de operar la unidad, párese en la posición de
operación (Fig. 15). Verifique lo siguiente:
•El operador usa protección ocular y ropa adecuada.
•El brazo derecho está ligeramente doblado, y la mano
sostiene el mango del eje.
•El brazo izquierdo está recto, y la mano sostiene la
manija.
•La unidad está a nivel de la cintura.
•La rueda del recortador de bordes está ajustada para
lograr una profundidad de corte correcta y el
recortador de bordes está colocado según se indica
en la Fig. 15.
Fig. 15
AJUSTE DE LA PROFUNDIDAD DE CORTE
DEL RECORTADOR DE BORDES
1. Afloje la perilla de ajuste sobre la rueda (Fig. 16).
2. Deslice la rueda hasta la posición deseada:
•Elevar la rueda aumenta la profundidad de corte.
•Bajar la rueda disminuye la profundidad de corte.
3. Apriete la perilla de ajuste con firmeza.
CONSEJOS PARA LOGRAR MEJORES
RESULTADOS DE RECORTE DE BORDES
•Mantenga el accesorio de corte perpendicular al suelo.
•No fuerce el recortador de bordes. Recorte los
bordes primero a baja profundidad, luego vuelva a
trabajar el área con un ajuste más profundo.
•Haga caminar el recortador de bordes a un paso
lento y parejo
•Inspeccione la condición de la cuchilla, al
desgastarse se reduce, disminuyendo el rendimiento
de la profundidad de corte. Cambie por una cuchilla
nueva según sea necesario.
Fig. 16
Elevación
Descenso
Fig. 17
SUSPENSOR
Utilice un suspensor de plástico (Fig. 17) para suspender el
recortador de bordes, el accesorio de corte u otros
accesorios mientras no los use. Oprima el botón de
desconexión del bastidor del eje y tire del suspensor para
retirarlos. Alinee el orificio del suspensor con el botón de
desconexión del bastidor del eje y empuje para instalar.
Use
siempre
protección para sus ojos, audición, pies y
cuerpo para reducir el riesgo de una lesión al
operar esta unidad.
ADVERTENCIA:
Fig. 14

E14
INSTRUCCIONES DE MANTENIMIENTO Y REPARACION
INSTALACION DE LA LINEA PARA EL
SPEEDSPOOL®
Use siempre la línea de repuesto de 2,41 mm (0,095
pulgadas). Una línea mayor puede causar un
recalentamiento o falla en el motor.
Existen dos métodos para cambiar la línea de corte
SpeedSpool®:
• Bobinar el carrete interior con línea nueva
• Instalar un carrete prebobinado
Bobinado del carrete interior con línea nueva
NOTA: No hace falta quitar la perilla percusiva para
instalar línea de corte nueva.
1. Corte dos piezas de 2,41 mm (0,095 pulgadas) de
línea de corte, de 10 pies de largo (3 m).
2. Alinee la flecha del carrete interior con la flecha de la
bobina exterior (Fig. 18). Fig. 18
Vista superior del SpeedSpool®
Bobina
exterior
Carrete
interior
Flechas
Botón de
tope
NOTA: Algunos procedimientos de mantenimiento
pueden requerir el uso de herramientas o
habilidades especiales. Si no está seguro acerca
de estos procedimientos, lleve su unidad a un
establecimiento de reparación, persona o
distribuidor de servicio autorizado que arregle
motores para uso fuera de la carretera.
PROGRAMA DE MANTENIMIENTO
Estos procedimientos requeridos para el mantenimiento
deben ser realizados con la frecuencia indicada en la
tabla. Deben ser incluidos como parte de toda puesta a
punto de cada temporada.
NOTA: El mantenimiento, la sustitución o arreglo de
dispositivos para el control de emisiones y
sistemas pueden ser hechos por cualquier
establecimiento de reparación, persona o
proveedor de servicio autorizado que arregle
motores para uso fuera de la carretera.
A fin de garantizar el máximo desempeño del motor,
puede ser necesario inspeccionar la lumbrera de escape
del motor después de 50 horas de funcionamiento. Si
usted observa pérdida de RPM, funcionamiento deficiente
o falta general de aceleración, es posible que sea
necesario realizar este mantenimiento. Si usted considera
que su motor necesita esta inspección, haga que un
establecimiento de reparación, persona o proveedor de
servicio autorizado que arregle motores para uso fuera de
la carretera le preste el servicio. NO intente realizar este
proceso usted mismo ya que puede ocasionar daños al
motor producto de los contaminantes que se encuentran
en el proceso de limpieza de la lumbrera.
FRECUENCIA MANTENIMIENTO REQUERIDO CONSULTE
Antes de arrancar el
motor Llene el tanque de combustible con la mezcla correcta de aceite y
combustible Página E9
Cada 10 horass Limpie y vuelva a aceitar el filtro de aire Página E18
Cada 25 horass Examine el parachispas y límpielo
Inspeccione la condición y la separación de la bujía de encendido Página E19
Página E21
Cada 50 horas Inspeccione si la lumbrera de escape y la rejilla del parachispas están
tupidas u obstruidas para garantizar los niveles máximos de rendimiento Página E19
Para evitar
lesiones
personales graves, nunca realice manteni-
miento ni reparaciones con la unidad
funcionando. Realice siempre el mantenimiento
y las reparaciones con la unidad fría.
Desconecte el cable de la bujía de encendido
para cerciorarse de que la unidad no arrancará.
ADVERTENCIA:
Use
siempre la
longitud de línea correcta al instalar línea de
corte en la unidad. La línea puede no soltarse
correctamente si es demasiado larga.
ADVERTENCIA:
No use
nunca línea
reforzada con metal, alambre, cadena ni soga,
etc. Estos elementos pueden desprenderse y
convertirse en un proyectil peligroso.
ADVERTENCIA:

E15
INSTRUCCIONES DE MANTENIMIENTO Y REPARACION
Fig. 19
Fig. 21
Fig. 20
5. Inserte la línea en el orificio de cierre (Fig. 20). No
empuje la línea más de 12,7 mm (1/2 pulgada)
dentro del orificio de cierre. Cuando la línea está
bien insertada, formará un bucle pequeño (Fig. 20).
6. Saque la línea de la bobina exterior hasta que esté
tirante contra el carrete interior (Fig. 21).
3. Saque la línea vieja por los orificios de carga y de
cierre de línea (Fig. 19 y 20).
4. Inserte una pieza de línea de corte dentro de uno de
los ojalillos de la bobina exterior. Páselo hacia arriba
a través del orificio de carga del carrete interior
(Fig. 19). No doble la línea al insertarla en el ojalillo.
Orificio de cierre de línea
Línea de corte
Orificio de carga de línea
Ojalillo
Fig. 22
Fig. 23
7. Repita los pasos 4 a 6 con la segunda pieza de línea.
8.
Sostenga la bobina exterior. Bobine el carrete interior
en sentido antihorario hasta que queden alrededor de
102 mm (4 pulgadas) de línea (Fig. 22).
NOTA: No bobine el carrete interior antes de instalar la
segunda pieza de línea.
9. Si el bobinado de la línea se torna dificultoso o la
línea se enreda, tire de los extremos de la línea de la
bobina. Continúe bobinando el carrete interior en
sentido antihorario (Fig. 23).
Fig. 24
Perilla percusiva
Sello de espuma
Resorte
Carrete interior
Instalación de un carrete interior prebobinado
1. Saque la perilla percuisva, el resorte y el sello de
espuma girando la perilla percusiva en sentido
antihorario (Fig. 24).

E16
INSTRUCCIONES DE MANTENIMIENTO Y REPARACION
Fig. 25
2. Saque el carrete interior viejo con la línea existente
fuera de la bobina exterior.
3. Inserte los extremos de la línea de corte del nuevo
carrete interior dentro de los ojalillos de la bobina
exterior (Fig. 25). Coloque el nuevo carrete interior con
la flecha hacia arriba dentro de la bobina exterior.
4. Sostenga el carrete interior en su lugar e instale la
botón de tope, el resorte y el sello de espuma
presionando y girando la botón de tope en sentido
horario. Tome los extremos y tire con firmeza para
soltar la línea de las ranuras de fijación en el carrete
interior (Fig. 23).
Desconexión del carrete interior
Si el SpeedSpool®no suelta línea en forma correcta, tire
firmemente de los extremos de la línea de la bobina
(Fig. 23). Si al hacer esto la línea no se suelta, siga las
instrucciones de limpieza del SpeedSpool®a continuación.
LIMPIEZA DEL SPEEDSPOOL®
La limpieza de SpeedSpool®puede ser necesaria:
•Para sacar línea enredada o en exceso
•Si el bobinado del SpeedSpool®se torna dificultoso o
no opera en forma correcta cuando golpea la cabeza
contra el suelo
1. Sostenga la bobina exterior y desenrosque la perilla
percusiva en sentido antihorario (Fig. 26).
2. Saque la botón de tope, el resorte y el sello de
espuma (Fig. 24).
Fig. 26
Fig. 28
Fig. 27
Carrete
interior
Eje
Embolo
4. Saque toda la línea que haya en el carrete interior
antes de limpiarlo. Saque todos los residuos o pasto
de la perilla, resorte, carrete interno y sello de
espuma. Lave el carrete interior con agua jabonosa
tibia (Fig. 27).
5. Limpie el eje y la superficie interior de la bobina
exterior. Para limpiar el eje debajo del émbolo,
empuje el émbolo hacia abajo (Fig. 28). Saque toda la
suciedad o residuos del eje.
NOTA: El carrete interior debe estar seco por completo
antes de volver a instalarlo en la bobina exterior.
No lubrique el ensamble del carrete interior ni de
la bobina exterior.
6. Coloque el carrete interior en la bobina exterior.
7. Coloque la botón de tope, el resorte y el sello de
espuma en la bobina exterior (Fig. 24).
8. Ajuste la botón de tope presionando hacia abajo y
girándola en sentido horario.
9. Instale la línea nueva según se indica en Instalación
de la línea para el SpeedSpool®.
3. Saque el carrete interior con la línea existente de la
bobina exterior (Fig. 24).
PIEZAS DE REPUESTO PARA EL SPEEDSPOOL®
Línea de repuesto . . . . . . . . . . . . . . . . . . . . . . . . 180120
Cartucho de línea de repuesto . . . . . . . . . . . 753-04218
Resorte del carrete interior . . . . . . . . . . . . . . . . . 181465
Sello de espuma . . . . . . . . . . . . . . . . . . . . . . . . . 181467
Carrete interior . . . . . . . . . . . . . . . . . . . . . . . . . . 181464
Ensamble de la perilla de la cabeza percusiva . . 181468

E17
INSTRUCCIONES DE MANTENIMIENTO Y REPARACION
CAMBIO DE LA CUCHILLA DEL
RECORTADOR DE BORDES
1. Alinee el orificio del eje de salida con la ranura de la
varilla de cierre. Inserte la varilla de cierre a través de
la ranura en el orificio del eje de salida (Fig. 29).
2. Sostenga la varilla de cierre en su lugar junto al
brazo de la unidad (Fig. 30).
3. Mientras sostiene la varilla de cierre, afloje la tuerca
de la cuchilla girándola en sentido horario con una
llave de 5/8 pulgadas (Fig. 31). Saque la tuerca, la
arandela de retención y la cuchilla. Guarde la tuerca
y el retén de la cuchilla para la instalación.
4. Instale la nueva cuchilla, el retén de la cuchilla y la
tuerca (Fig. 32). Inserte la varilla de cierre a través de
la ranura en el orificio del eje de salida. Verifique que
la cuchilla permanezca plana contra el eje de salida
mientras ajusta la contratuerca en sentido
antihorario (Fig. 33).
5. Si tiene una llave de torsión, ajuste la tuerca a
37-38 N•m (325-335 pulg.• libras), mientras
sostiene la varilla de cierre en la ranura.
Si no tiene una llave de torsión, sostenga la varilla de
cierre en la ranura. Gire la tuerca en sentido antihorario
con una llave de boca cerrada de 5/8 pulgadas o de
casquillo, hasta que la tuerca presione contra la
arandela y la cuchilla esté bien ajustada. Verifique que
el ensamble de la cuchilla esté bien instalado, luego
gire la tuerca 1/4-1/2 vuelta más (Fig. 33).
6. Saque la varilla de cierre.
Fig. 30
Varilla de cierre
Varilla de
cierre
Orificio del eje
de salida
Ranura de la varilla
de cierre Eje de salida
Fig. 29
Varilla de cierre
Retén de la
cuchilla
Contratuerca
Afloje
Ajuste
Cuchilla del
recortador de
bordes
Fig. 31
Fig. 32
Fig. 33
Verifique
que la
cuchilla esté plana contra el eje de salida
después de ajustar la tuerca. Si la cuchilla está
descentrada, la unidad se dañará con la
vibración, y la cuchilla puede salir despedida, lo
cual puede causar graves lesiones personales.
ADVERTENCIA:
Para evitar
graves
lesiones personales, use siempre guantes
para manejar, sacar o instalar la cuchilla.
ADVERTENCIA:
El bastidor
de
engranajes se calienta luego de largos períodos
de uso. Para evitar graves lesiones personales,
no toque el bastidor hasta que se enfríe.
ADVERTENCIA:

E18
INSTRUCCIONES DE MANTENIMIENTO Y REPARACION
MANTENIMIENTO DEL FILTRO DE AIRE
Remoción de la cubierta del silenciador/ filtro de aire
1. Saque los cuatro (4) tornillos que sostienen la
cubierta del silenciador / filtro de aire (Fig. 34). Use
un destornillador de vástago plano o de broca Torx
N° T20.
2. Quite la tapa del motor al empujarla hacia arriba y
halarla hacia atrás. No la fuerce.
Tornillos Tornillos
Palanca EZ-
Start™
Fig. 34
Limpieza del Filtro de Aire
Limpie y vuelva a aceitar el filtro de aire cada 10 horas
de operación. Es una de las partes cuyo mantenimiento
es importante. Si no realiza el mantenimiento del filtro de
aire, su garantía quedará ANULADA.
1. Saque la cubierta del silenciador / filtro de aire. Lea
la sección de Remoción e Instalación de la cubierta
del silenciador / filtro de aire.
2. Gire la tapa y ubique el filtro de aire adentro. Saque
el filtro de aire de adentro de la tapa del filtro de aire
/ silenciador (Fig. 35).
3. Lave el filtro con agua y detergente (Fig. 36).
Enjuague bien el filtro. Escurra el exceso de agua.
Déjelo secar por completo.
4. Aplique suficiente aceite limpio SAE 30 para recubrir
ligeramente el filtro (Fig. 37).
5. Apriete el filtro para esparcir y retirar el exceso de
aceite (Fig. 38).
Filtro de
aire
Fig. 35 Fig. 36
Fig. 37 Fig. 38
Tapa interior
del silenciador
6. Cambie el filtro de aire dentro de la tapa del filtro
de aire / silenciador (Fig. 35).
NOTA:Si opera la unidad sin el filtro de aire y el
ensamble de la cubierta del silenciador /
filtro de aire, su garantía quedará ANULADA.
Reinstalación de la cubierta del silenciador/ filtro de aire
1. Coloque la cubierta del silenciador / filtro de aire
sobre la parte posterior del carburador y del
silenciador. Alinee los orificios de los tornillos.
2. Inserte los cuatro (4) tornillos en los orificios de la
cubierta del silenciador / filtro de aire (Fig. 34) y
ajústelos. No los ajuste demasiado.
Para evitar
graves
lesiones personales, apague siempre su
recortador y espere que se enfríe antes de
limpiarlo o realizar todo tipo de mantenimiento.
ADVERTENCIA:

E19
INSTRUCCIONES DE MANTENIMIENTO Y REPARACION
MANTENIMIENTO DEL PARACHISPAS
1. Quite el filtro de aire / tapa del silenciador. Ver
Remoción de la Tapa del Filtro / Silenciador.
2. Ubique el frente del silenciador y los dos (2) pernos
que lo sujetan al motor (Fig. 39). Quite los dos (2)
pernos con un destornillador de punta plana, una
llave de tubo de 5/16 o destornillador para tuercas.
Hale el silenciador del motor.
3. Voltee el silenciador al lado posterior y ubique la
junta del silenciador. Retire la junta del silenciador
(Fig. 39).
NOTA: Si la junta del silenciador está torcida o
dañada, ponga una nueva antes de volver a
instalar el silenciador.
4. Despegue cuidadosamente el parachispas con un
destornillador de punta plana del orificio en bajo
relieve (Fig. 40). Quite el parachispas del silenciador.
5. Limpie el parachispas con un cepillo de cerdas
metálicas. Cámbielo si está dañado o si no lo puede
limpiar completamente (Fig. 40).
6. Reinstale el parachispas presionándolo dentro del
orificio en bajo relieve de la parte posterior del
silenciador. Asegúrese que encaje fijamente contra el
silenciador y que no quede levantado.
7. Ponga la junta del silenciador contra el lado posterior
del mismo. Alinee los orificios de los pernos de la
junta del silenciador en el silenciador. Mientras
sostiene la junta en su lugar, ponga los pernos en el
lado frontal del silenciador (Fig. 39).
8. Ponga el silenciador con la junta en su lugar y los
pernos insertados contra el motor, alineando los
orificios de los pernos. Apriete los pernos contra el
motor, para asegurar el silenciador.
Si usa una llave de torsión, ajuste a:
9 N•m - 10,2 N•m (80-90 pulg.•libras)
9. Reinstale la tapa del filtro de aire / silenciador. Fig. 40
Fig. 39
Silenciador - Lado Frontal Silenciador - Lado Posterior
Pernos Junta de
escape
Parachispas
Silenciador - Lado Posterior
Parachispas Destornillador de
vástago plano
Parachispas
Si el
silenciador
no se aprieta fijamente se puede caer y
causarle daño a la unidad y posibles lesiones
personales graves.
ADVERTENCIA:

E20
INSTRUCCIONES DE MANTENIMIENTO Y REPARACION
AJUSTE DEL CARBURADOR
La velocidad lenta del motor puede ser ajustada por la
cubierta del silenciador / filtro de aire (Fig. 41).
NOTA: Los ajustes realizados sin cuidado pueden
dañar seriamente su unidad. Los ajustes del
carburador deben ser realizados por un
proveedor de servicio autorizado.
Controle la mezcla del combustible
Una mezcla incorrecta o vieja de combustible es en
general el motivo por el cual la unidad no funciona
adecuadamente. Drene y vuelva a llenar el tanque con
combustible nuevo y bien mezclado antes de hacer
ningún ajuste. Consulte la Información sobre Aceite y
Combustible.
Limpie el filtro de aire
La condición del filtro de aire es importante para la
operación de la unidad. Un filtro de aire sucio limitará el
flujo de aire y cambiará la mezcla de combustible y aire
en el carburador. Esto con frecuencia se confunde con
un carburador mal ajustado. Verifique la condición del
filtro de aire antes de ajustar el tornillo de marcha lenta.
Consulte Mantenimiento del Filtro de Aire.
Ajuste del tornillo de marcha lenta
Si luego de verificar la mezcla del combustible y limpiar
el filtro de aire el motor aún no funciona en mínima,
ajuste el tornillo de velocidad lenta de la siguiente
manera.
1. Arranque el motor y déjelo funcionar en marcha lenta
durante un minuto para calentarlo. Lea las
Instrucciones de arranque y apagado.
2. Suelte el gatillo del regulador y deje que el motor
funcione en marcha lenta. Si el motor se para, inserte
un pequeño destornillador Phillips o de vástago
plano en el orificio de la cubierta del silenciador /
filtro de aire (Fig. 41). Gire el tornillo de marcha lenta
en sentido horario, de a 1/8 de vuelta por vez (según
sea necesario) hasta que el motor funciona en
mínima.
Fig. 41
NOTA:El accesorio de corte no debe girar mientras el
motor está en marcha lenta.
3. Si el accesorio de corte gira cuando el motor está en
marcha lenta, gire el tornillo de marcha lenta en
sentido antihorario 1/8 de vuelta por vez (según sea
necesario) para reducir la marcha en vacío.
El control de la mezcla de combustible, la limpieza del
filtro de aire y el ajuste del tornillo de marcha en vacío
deben resolver la mayoría de los problemas del motor.
De no ser así y si:
•El motor no funciona en mínima
•El motor fluctúa o se para al acelerar
•Existe una pérdida de fuerza motriz
Lleve el carburador a un proveedor de servicio
autorizado para que lo ajuste.
Tornillo de
marcha en vacío
El
accesorio
de corte puede estar girando durante los
ajustes del carburador. Use ropa que lo
proteja y cumpla con todas las instrucciones
de seguridad para prevenir graves lesiones
personales.
ADVERTENCIA:
Al apagar
la unidad,
asegúrese de que el accesorio de corte se
haya detenido antes de apoyar la unidad para
prevenir graves lesiones personales.
ADVERTENCIA:

E21
INSTRUCCIONES DE MANTENIMIENTO Y REPARACION
LIMPIEZA
Use un cepillo pequeño para limpiar la parte exterior de
la unidad. No use detergentes fuertes. Los limpiadores
domésticos que contienen aceites aromáticos como pino
y limón, y con solventes como el queroseno pueden
dañar el bastidor de plástico y la manija. Seque toda la
humedad con un paño suave.
ACCESORIOS/PIEZAS DE REPUESTO
Aceite de 2 Tiempos . . . . . . . . . . . . . . . . . . . . . . 147543
Bujía . . . . . . . . . . . . . . . . . . . . . . . . . . . . . . . . . . 610311
Línea de repuesto . . . . . . . . . . . . . . . . . . . . . . . . 180120
Cartucho de línea de repuesto . . . . . . . . . . . 753-04218
Tapa del tanque de combustible . . . . . . . . . . . . 180000
Cuchilla del recortador de bordes . . . . . . . . . . . 613223
Correa para el hombro . . . . . . . . . . . . . . . . . . . . 682075
Estas piezas se le pueden comprar al distribuidor de
servicio autorizado local.
CAMBIO DE LA BUJIA DE ENCENDIDO
Use una bujía de encendido Champion RDJ7Y (o similar).
La separación correcta es de 0,5 mm (0,020 pulgadas).
Retire la bujía luego de cada 25 horas de operación e
inspeccione su estado.
1. Apague el motor y espere que se enfríe. Tome el
alambre de la bujía con firmeza y sáquelo de la bujía
de encendido.
2. Limpie alrededor de la bujía de encendido. Saque la
bujía de encendido de la cabeza del cilindro girando
una llave de casquillo 16 mm (5/8 de pulgada) en
sentido antihorario.
3. Cambie las bujías que estén rajadas, sucias o
deterioradas. Fije la separación de aire a 0,5 mm
(0,020 pulgadas) utilizando un calibrador (Fig. 42).
4. Instale una bujía de encendido con la separación
correcta en la cabeza del cilindro. Ajuste girando la
llave de casquillo de 5/8 pulg. en sentido horario
hasta que esté ajustada sin huelgo.
Si usa una llave de torsión, ajuste a:
12,3 N•m - 13,5 N•m (110-120 pulg.•libras).
No ajuste demasiado.
0.020 in.
(0.5 mm)
Fig. 42
ALMACENAMIENTO
•No guarde nunca la unidad con combustible en el tanque
donde los vapores puedan llegar a una llama o chispa.
•Espere que el motor se enfríe antes de guardar la
unidad.
•Guarde la unidad bajo llave para prevenir el uso por
personas no autorizadas y su daño.
•Guarde la unidad en un área seca y bien ventilada.
•Guarde la unidad fuera del alcance de los niños.
ALMACENAMIENTO PROLONGADO
Si planea guardar la unidad durante un largo período de
tiempo, siga el siguiente procedimiento para su
almacenamiento.
1. Drene todo el combustible del tanque de
combustible en un recipiente que contenga la misma
mezcla de combustible de 2 ciclos. No use
combustible que haya permanecido guardado
durante más de 60 días. Deseche la mezcla vieja de
combustible y aceite de acuerdo a las regulaciones
federales, estatales y locales.
2. Arranque el motor y déjelo funcionar hasta que se
ahogue. Esto asegura que todo el combustible ha
sido drenado del carburador.
3. Espere que el motor se enfríe. Retire la bujía de
encendido y coloque alrededor de 30 ml (1 onza) de
cualquier aceite para motor de 2 ciclos de buena
calidad dentro del cilindro. Tire de la cuerda de
arranque lentamente para esparcir el aceite. Vuelva a
instalar la bujía de encendido.
NOTA:Saque la bujía de encendido y drene todo el
aceite del cilindro antes de intentar arrancar el
recortador después de su almacenamiento.
4. Limpie bien la unidad e inspeccione para ver si
existen partes flojas o dañadas. Repare o cambie las
partes dañadas y ajuste los tornillos, tuercas o
pernos que puedan estar flojos. La unidad está ahora
lista para ser guardada.
TRANSPORTE
•Espere que el motor se enfríe antes de su transporte.
•Drene el combustible de la unidad.
•Ajuste la tapa del combustible antes del transporte.
•Asegure la unidad durante su transporte.
Para evitar
graves
lesiones personales, apague siempre su
recortador y espere que se enfríe antes de
limpiarlo o realizar cualquier tipo de
mantenimiento.
ADVERTENCIA:
No limpie
con chorro
de arena, ni raspe ni limpie los electrodos. El
motor podría dañarse si penetran pequeñas
partículas en el cilindro.
PRECAUCION:

E22
RESOLUCION DE PROBLEMAS
CAUSA ACCIÓN
El accesorio de corte está atascado de hierba Pare el motor y limpie el accesorio de corte
El accesorio de corte no tiene línea Coloque una línea nueva
El carrete interior está trabado Cambie el carrete interior
La cabeza de corte está sucia Limpie el carrete interior y la bobina exterior
La línea se ha soldado Desarme, saque la sección soldada y rebobine la línea
La línea se retorció al reponerla Desarme y rebobine la línea
No hay suficiente línea expuesta Oprima el botón de tope y tire de la línea hasta sacar
102 mm (4 pulgadas) de línea fuera del accesorio de corte.
CAUSA ACCIÓN
El combustible es viejo o está mal mezclado Drene el tanque de gasolina / Agregue mezcla de
combustible nueva
El carburador no está ajustado en forma correcta Lleve la unidad a un proveedor de servicio autoriza
do para hacer un ajuste de carburador
La bujía de encendido está arruinada Cambie o limpie la bujía de encendido
Parachispas obstruido Limpie o cambie el parachispas
CAUSA ACCIÓN
El tanque de combustible está vacío Llene el tanque con combustible bien mezclado
La bombilla de cebado no fue oprimida lo suficiente Oprima la bombilla de cebado total de 10 veces
El motor está inundado Use el procedimiento de arranque
El combustible es viejo o está mal mezclado Drene el tanque de gasolina / Agregue mezcla de
combustible nueva
La bujía de encendido está arruinada Cambie o limpie la bujía de encendido
Parachispas obstruido Limpie o cambie el parachispas
La palanca EZ-Start™ no estaba en la posición correcta Mueva la palanca a la posición de arranque
La temperatura exterior es por debajo de 4º C (40º F) Hale el cordón de arranque hasta un máximo de 10-15 veces
La temperatura exterior es de más de 32º C (90º F) Oprima el control del regulador y hale el cordón de
arranque
EL MOTOR NO ARRANCA
EL MOTOR NO FUNCIONA EN MINIMA
EL MOTOR NO ACELERA
EL MOTOR NO TIENE SUFICIENTE POTENCIA O SE AHOGA AL CORTAR
CAUSA ACCIÓN
El filtro de aire está obstruido Cambie o limpie el filtro de aire
El combustible es viejo o está mal mezclado Drene el tanque de gasolina / Agregue mezcla de
combustible nueva
El carburador no está ajustado en forma correcta Ajuste según las instrucciones
CAUSA ACCIÓN
El combustible es viejo o está mal mezclado Drene el tanque de gasolina / Agregue mezcla de
combustible nueva
El carburador no está ajustado en forma correcta Lleve la unidad a un proveedor de servicio autoriza do
para hacer un ajuste de carburador
El accesorio de corte está atascado de hierba Pare el motor y limpie el accesorio de corte
El filtro de aire está sucio Limpie o cambie el filtro de aire
Parachispas obstruido Limpie o cambie el parachispas
LA CABEZA DE CORTE NO HACE AVANZAR LINEA
Si necesita asistencia adicional, comuníquese con su proveedor de servicio autorizado.
LA LÍNEA DE CORTE AVANZA SIN CONTROL
CAUSA ACCIÓN
El cabezal de corte tiene aceite Limpie el aditamento de corte

E23
ESPECIFICACIONES
MOTOR*
EJE IMPULSOR Y ACCESORIO DE CORTE*
*Toda las especificaciones contenidas en este manual se basan en la información más reciente disponible en el momento
de impresión del manual. Nos reservamos el derecho de hacer cambios en cualquier momento sin aviso previo.
Bastidor del eje impulsor.............................................................................................................Tubo de acero (EZ-Link™)
Control del regulador .............................................................................................................Gatillo para el dedo con traba
Peso de la unidad
(sin combustible, con la manija en J,
protector accesorio de corte y accesorio de corte
)
...............................................................................5,6 kg (12,25 libras)
Mecanismo de corte..........................................................................................................Cabeza de corte con línea doble
Diámetro de la bobina de línea................................................................................................................ 76,2 mm (3 pulg.)
Diámetro de la línea de corte............................................................................................................ 2,41 mm (0,095 pulg.)
Diámetro de la trayectoria de corte....................................................................................................... 43,18 cm (17 pulg.)
ACCESORIO RECORTADOR DE BORDES*
Peso de la unidad (Sólo el accesorio) ................................................................................................... 2,36 kg (5,25 libras)
Profundidad de corte (máxima).............................................................................................................. 63,5 mm (2,5 pulg.)
Diámetro de la rueda......................................................................................................................... 95,25 mm (3,75 pulg.)
Radio de la caja de engranajes.................................................................................................................................. 1.25:1
Tipo de motor.......................................................................................................................... Enfriado por aire, de 2 ciclos
Carrera ............................................................................................................................................... 31,75 mm (1,25 pulg.)
Desplazamiento.........................................................................................................................................31 cm3 (1,9 pulg3)
Tipo de embrague................................................................................................................................................ Centrífugo
R.P.M. de velocidad mínima ................................................................................................................. 2.800 - 4.000 r.p.m.
R.P.M. de operación (Recortador)................................................................................................................... 7.200+ r.p.m.
Tipo de encendido.............................................................................................................................................. Electrónico
Interruptor de encendido.......................................................................................................................Interruptor oscilante
Separación de la bujía de encendido................................................................................................... 0,5 mm (0,020 pulg.)
Lubricación......................................................................................................................... Mezcla de combustible y aceite
Proporción de combustible - aceite............................................................................................................................... 40:1
Carburador................................................................................................................................. Diafragma, multiposicional
Arranque......................................................................................................................................... Rebobinado automático
Silenciador.................................................................................................................................... Desviado con protección
Regulador................................................................................................................................. Retroceso manual a resorte
Capacidad del tanque de combustible..................................................................................................... 384 ml (13 onzas)

E24
NOTAS

E25
NOTAS

E26
Declaración de Garantía de Control de Emisiones de la EPA
Sus Derechos y Obligaciones de la Garantía
La Agencia de Protección Ambiental y Troy-Bilt LLC (Troy-Bilt) se complacen en explicar la garantía del sistema de
control de emisiones para su pequeño motor para uso fuera de la carretera del 2002 y posterior. Los nuevos motores
pequeños para uso fuera de la carretera tienen que diseñarse, construirse y equiparse para cumplir las normas contra
smog más estrictas. Troy-Bilt tiene que garantizar el sistema de control de emisiones de su pequeño motor para uso
fuera de la carretera durante los períodos de tiempo que aparecen a continuación siempre que no haya habido abuso,
negligencia o mantenimiento indebido de su motor para uso fuera de la carretera.
Su sistema de control de emisiones puede incluir piezas como el carburador y el sistema de inyección de combustible,
el sistema de encendido y el convertidor del catalizador. También se pueden incluir mangueras, correas, conectores y
otros conjuntos relacionados con la emisión.
Donde existan las condiciones de garantía, Troy-Bilt reparará su pequeño motor para uso fuera de la carretera sin
costo alguno para usted incluyendo el diagnóstico, las piezas y la mano de obra.
Los pequeños motores para uso fuera de la carretera del 2002 y posteriores, se garantizan por dos años. Si alguna
pieza de su motor relacionada con la emisión está defectuosa, la pieza será reparada o reemplazada por Troy-Bilt.
Responsabilidades de Garantía de los Propietarios
Como propietario del pequeño motor para uso fuera de la carretera, usted es responsable de realizar el mantenimiento
requerido que aparece en el manual del operador. Troy-Bilt recomienda que conserve todos los comprobantes que
cubren el mantenimiento de su pequeño motor para uso fuera de la carretera, pero Troy-Bilt no puede negar garantía
exclusivamente por la falta de comprobantes o por que usted no haya realizado todos los mantenimientos
programados.
Como propietario del pequeño motor para uso fuera de la carretera, usted debe conocer que Troy-Bilt puede negarle
cobertura de garantía si su pequeño motor para uso fuera de la carretera o una pieza ha fallado debido a abuso,
negligencia, mantenimiento inadecuado o modificaciones no aprobadas.
Usted es responsable de presentar su pequeño motor para uso fuera de la carretera a un Centro de Servicio
Autorizado Troy-Bilt tan pronto como exista un problema. Las reparaciones de garantía deben completarse en un
período de tiempo razonable, el cual no deberá ser mayor de 30 días.
Si tiene alguna pregunta relacionada con los derechos y responsabilidades de la garantía, debe llamar al 1-800-520-
5520.
Cobertura de Garantía del Fabricante
El período de garantía comienza en la fecha en que el motor o equipo se entrega al comprador minorista.
El fabricante garantiza al propietario original y a cada comprador subsiguiente, que el motor está libre de defectos en
cuanto a material y mano de obra que ocasionen la falla de una pieza bajo garantía durante un período de dos años.
La reparación o reemplazo de una pieza bajo garantía se llevará a cabo sin cargo alguno para el propietario en un
Centro de Servicio Troy-Bilt Autorizado. Para conocer el establecimiento más cercano, comuníquese con MTD
llamando al: 1-800-520-5520.
Cualquier pieza bajo garantía que no esté programada para ser reemplazada, según indica el mantenimiento requerido
o que esté programada solamente para inspección regular a los efectos de “Repare o Reemplace según sea Necesario”
está garantizada durante el período de garantía. Cualquier pieza bajo garantía que esté programada para ser
reemplazada según indica el mantenimiento requerido tendrá garantía durante el período de tiempo hasta el primer
punto de reemplazo programado para dicha pieza.
No se le cobrará al propietario la mano de obra de diagnóstico que conlleve a la determinación de que una pieza bajo
garantía está defectuosa, si dicho trabajo de diagnóstico se lleva a cabo en un Centro de Servicio Troy-Bilt Autorizado.
El fabricante es responsable de los daños ocasionados a otros componentes del motor producidos por la falla de una
pieza bajo garantía que todavía esté bajo garantía.
Las fallas ocasionadas por abuso, negligencia o mantenimiento inadecuado no están cubiertas por la garantía.
El uso de accesorios optativos o piezas modificadas puede ser motivo justificado para no aceptar una reclamación de
garantía. El fabricante no es responsable de cubrir fallas de piezas bajo garantía ocasionadas por el uso de accesorios
optativos o piezas modificadas.
Para presentar una reclamación, vaya a su Centro de Servicio Troy-Bilt Autorizado más cercano. Los servicios o
reparación por motivo de garantía se realizarán en todos los Centros de Servicio Troy-Bilt Autorizados.
Cualquier pieza de reemplazo aprobada por el fabricante puede ser utilizada para llevar a cabo el mantenimiento o la
reparación de garantía de piezas relacionadas con la emisión y se realizará sin cargo alguno para el propietario.
Cualquier pieza de reemplazo que sea equivalente en rendimiento o durabilidad puede ser utilizada en el mantenimiento
o reparación sin garantía y no reducirá las obligaciones de garantía del fabricante.
Los componentes siguientes se incluyen en la garantía relacionada con emisiones del motor, filtro de aire, carburador,
cebador, líneas de combustible, toma de combustible, filtro de combustible, módulo de encendido, bujía de encendido
y silenciador.

E27
PARTS LIST
Item Part No. Description
31 753-04402 Starter Housing Assembly (includes 25-32 & 37)
32 791-181862 Housing Screw
33 791-182368 Clutch Washer
34 791-182369 Clutch Rotor Assembly
35 791-153592 Clutch Drum Assembly
36 753-04403 Clutch Cover Assembly (includes 37-40)
37 791-181345 Cover Screw
38 791-182519 Anti-Rotation Screw
39 753-04003 Clamping Screw
40 791-180217 Clamping Nut
41 791-182798 Wire Leads & Sleeve
42 791-611063 Ground Tab
43 753-04337 Module Assembly
44 791-610311B Spark Plug
45 791-182066 Muffler Assembly (includes 46-48)
46 791-182747 Spark Arrestor Screen
47 753-04159 Exhaust Gasket
48 791-147575 Muffler Mounting Bolt Assembly
49 753-04323 Cylinder Assembly (includes 51 & 52)
50 753-04367 Piston and Rod Assembly
51 753-1197 Cylinder Gasket
52 791-182723 Cylinder Bolt
*791-180090 O.E.M. Carburetor Repair Kit
*791-180091 Gasket Diaphragm Repair Kit
*753-1209 Piston Ring Set
*753-04397 Short Block Assembly
(includes 8, 13, 44, 49-52)
*791-181599 Clutch Springs (Qty. 2)
*Items Not Shown
37
1236
8
10
3
4
5
9
11
12
13 50
51
19
52 17
14 15
16
33 34 35
21 22 29
23 24 27
25
40
31
20
42
43
49
44
47
45
48
7
41
38
37
36
46
Item Part No. Description
1753-1192 Air Cleaner/Muffler Cover Assembly
(includes 2 & 37)
2791-180350B Air Cleaner Filter
3791-180351 Carburetor Mounting Screws
4753-1193 Choke Extension
5753-1194 Choke Plate
6753-04338 Carburetor Assembly (includes 7 & 18)
7791-610675 Carburetor Gasket
8791-181860 Carb Mount Screw
9791-683974B Primer & Hose Assembly
10 753-1196 Carb Mount Assembly (includes 8 & 11)
11 791-684451 Reed Assembly
12 753-1208 Carburetor Mount Gasket
13 753-04401 Crank Case Service Assembly (includes 8)
14 791-612134 Rear Mounting Pad
15 753-04307 Fuel Tank Assembly (includes 16-18)
16 753-04084 Fuel Cap Assembly
17 791-181086 Fuel Return Line
18 753-04233 Fuel Line Assembly
19 791-145308 Front Mounting Pad
20 791-182064 Shroud Extension & Stand (includes 37)
21 791-182736 Flywheel Assembly
22 791-181065 Spacer
23 753-04459 Spring Assist Pulley Assembly
24 753-04286 Recoil Spring
25 753-1200 Rope Guide
26 791-181247 Pulley Retainer
27 791-181079 Pull Handle
28 791-613103 Rope
29 753-1201 Pressure Plate Assembly
30 753-1202 Plate Screw
30
26
28
37
39
18
32
37
ENGINE PARTS - MODEL TB25ET
2-CYCLE GAS TRIMMER - ENGINE

E28
PARTS LIST
Item Part No. Description
1753-04118 Throttle Housing and Trigger Assembly
(includes 2-4, & 44)
2753-04119 Throttle Trigger
3791-182690 Throttle Trigger Spring
4791-182405 Switch Assembly
5791-182877 Throttle Cable
6791-180687 J-Handle Assembly
7791-683295 Handle Bracket Assembly (includes 8-13)
8791-181811 Screw
9791-181812 Upper Handle Clamp
10 791-181813 Middle Handle Clamp
11 791-181814 Lower Handle Clamp
12 791-181815 Nut
13 791-145569 Anti-Rotation Screw
14 791-610327 Harness Clip
15 753-04236 Upper Drive Shaft Housing Assembly
16 753-1190 Split Boom Coupler (includes 17-20)
17 791-182057 Screw
18 791-181617 Bolt
19 791-181981 Adjustment Knob (includes 20)
20 791-181886 Knob Retaining Nut
21 791-180340 Lower Drive Shaft Housing Assembly
22 791-181852 Lower Flexible Drive Shaft
23 791-153597 Lower Clamp Assembly
24 791-145569 Anti-Rotation Screw
25 791-180531 Shield Mounting Hardware
26 791-181659 Shield Assembly (includes 28)
27 791-181823 Blade Assembly
28 791-181857 Bushing Housing Assembly
29 791-181457 Outer Spool Assembly (includes 31)
30 791-181458 Retaining Ring
31 791-181561 Thrust Washer
32 791-181459 Small Spring
33 753-04257 Slider
34 791-181532 E-Clip
35 791-181531 Spring
36 791-181462 Plunger
37 791-181463 C-Clip
38 791-181464 Inner Reel
39 791-181465B Large Spring
40 791-181467 Foam Seal
41 791-181468B Bump Head Knob Assembly
(includes 40 & 41)
42 791-181469B Complete Cutting Head Assembly
43 791-00041 Throttle Trigger Lock-Out
Optional Accessories
*791-180120 Replacement Line, 0.095 Diameter
*753-04218 Reel and Line Assembly
*791-682075 Shoulder Strap Assembly
*Items Not Shown
29
37
35
33
30 31
32
34
36
38
39
40
41
43
5
1
23
4
1
6
8
7
9
10
11
12 13
14
15
17 18 19
16
21
20
27
26
25
23
22
24
28
43
BOOM AND TRIMMER PARTS - MODEL TB25ET
2 CYCLE TRIMMER - BOOM

E29
PARTS LIST
Item Part No. Description
1753-04259 Boom Assembly
2791-181570 Drive Shaft
3791-182195 Boom Mounting Hardware
4791-182519 Anti-Rotation Screw
5753-1217 Guard Mounting Hardware
6753-04258 Gearbox Assembly
7753-04260 Blade Guard
8753-04262 Deflector w/Hardware
9753-04261 Spacer
10 791-613223B Blade
11 791-180014B Blade Clamp Washer (includes 12)
12 791-613221 Blade Retainer Nut
13 753-04270 Wheel Bracket Mounting Bolt
14 753-04264 Nut
15 753-04265 Edger Guide
16 791-181242 Wheel
17 791-180776 Shoulder Bolt
18 791-182216 Washer
19 791-182215 Washer
20 791-180050 Nut
21 791-182214 Edger Guide Knob
22 791-181560 Palnut
1
3
45
6
2
20
21
19
18
15
14
8
13
9
10
12
5
8
711
17
16
22
REPLACEMENT PARTS - MODEL TB25ET
2 CYCLE GAS TRIMMER - ADD-ON

E30
GARANTÍA LIMITADA DEL FABRICANTE PARA:
Ninguna garantía implícita es aplicable después del
período de aplicabilidad de la garantía expresa
escrita con anterioridad, incluyendo cualquier
garantía implícita de comerciabilidad o idoneidad
para un propósito particular con respecto a las
piezas identificadas. Exceptuando lo mencionado
anteriormente, ninguna otra garantía expresa bien
sea escrita o verbal con respecto a cualquier
producto que sea concedida por cualquier persona o
entidad, incluyendo al distribuidor o minorista,
deberá comprometer a Troy-Bilt LLC durante el
período de la Garantía, el remedio exclusivo es el
arreglo o la sustitución del producto según lo
establecido anteriormente. (Algunos estados no
permiten limitaciones en cuanto al período de duración de
una garantía implícita, de manera que puede que la
limitación anterior no sea aplicable en su caso.)
Las estipulaciones establecidas en esta Garantía
ofrecen la solución única y exclusiva que resulte de
las ventas. Troy-Bilt no deberá ser responsable de
pérdidas o daños incidentales o consecuentes que
incluyan, sin limitación, gastos incurridos debido a la
sustitución de servicios de mantenimiento de prados,
transporte o gastos relacionados, o gastos de
alquiler para reemplazar temporalmente un producto
bajo garantía. (Algunos estados no permiten limitaciones
en cuanto al período de duración de una garantía implícita,
de manera que puede que la limitación anterior no sea
aplicable en su caso.)
Ningún tipo de recuperación deberá ser superior al precio
de compra del producto vendido, en ningún caso. La
alteración de las características de seguridad del producto
deberá anular esta Garantía. Usted adopta el riesgo y la
obligación de la pérdida, daño o lesión en su persona o a
su propiedad y/o la de otras personas y sus propiedades,
que se origine a raíz del uso o mal uso, o la incompetencia
para usar el producto.
Esta garantía limitada no deberá cubrir a ninguna otra
persona distinta al comprador original, arrendatario
original, o la persona para la cual se compró en calidad de
regalo.
Relación de las leyes estatales con esta Garantía: Esta
garantía le confiere derechos legales específicos, y puede
que usted también tenga otros derechos, los cuales varían
en cada estado.
Para localizar al distribuidor de servicio local más cercano,
marque el número 1-800-520-5520.
Troy-Bilt LLC
PO Box 361131
Cleveland, OH 44136-0019
Troy-Bilt LLC concede la garantía limitada establecida
debajo para mercancías nuevas que sean compradas y
usadas en los Estados Unidos, sus posesiones y
territorios.
Troy-Bilt LLC garantiza este producto contra defectos en
el material y la mano de obra durante un período de dos
(2) años, a partir de la fecha de compra original y a su
entera discreción, arreglará o substituirá sin costo alguno
cualquier pieza cuyo material o mano de obra se considere
defectuoso. Esta garantía limitada se deberá aplicar
únicamente si este producto ha sido manejado y
mantenido de acuerdo al Manual del Operario incluido con
el producto y, si no ha sido sometido a mal uso, abuso,
uso comercial, negligencia, accidente, mantenimiento
inapropiado, alteración, vandalismo, hurto, fuego, agua o
daños debidos a otros riesgos o desastre natural. Los
daños ocasionados por la instalación o el uso de cualquier
accesorio o aditamento que no esté aprobado por Troy-
Bilt y que sea usado con el (los) producto(s) contemplados
en este manual, anularán la garantía con respecto a
cualquier daño resultante. Esta garantía está limitada a
noventa (90) días a partir de la fecha de compra original al
detalle de cualquier producto Troy-Bilt que se use para
alquiler, para propósitos comerciales o cualquier otro
propósito que genere ingresos.
CÓMO OBTENER SERVICIO: El servicio de garantía está
disponible A TRAVÉS DE SU DISTRIBUIDOR DE
SERVICIO LOCAL AUTORIZADO, AL PRESENTAR EL
COMPROBANTE DE COMPRA. Para localizar al
distribuidor en su área, visite nuestro sitio en Internet en
www.troybilt.com, busque el aviso clasificado en las
Páginas Amarillas, llame al 1-800-520-5520 o escriba a
Troy-Bilt LLC, PO Box 361131, Cleveland, OH 44136-
0019.
Esta garantía limitada no ofrece cobertura en los
siguientes casos:
A. Sincronizaciones - bujías, ajustes de carburadores, filtros.
B. Artículos de desgaste, perillas percusivas, carretes
externos, línea de corte, carretes internos, polea de
arranque, cuerdas de arranque, correas motoras.
C. Troy-Bilt no le ofrece ninguna garantía a los productos
que sean vendidos o exportados fuera de los Estados
Unidos de América, sus posesiones y territorios, excepto
aquellos que se vendan a través de los canales de
distribución para exportación autorizados por Troy-Bilt.
Troy-Bilt se reserva el derecho a cambiar o mejorar el
diseño de cualquier producto Troy-Bilt, sin adoptar
ninguna obligación para modificar cualquier producto
fabricado con anterioridad.