Troy Bilt Two Stage Snow Thrower Users Manual 772E0781.indb
Two-Stage Snow Thrower to the manual 1993a474-8548-ea14-89a0-6ea75ae0fcee
2015-01-21
: Troy-Bilt Troy-Bilt-Two-Stage-Snow-Thrower-Users-Manual-349894 troy-bilt-two-stage-snow-thrower-users-manual-349894 troy-bilt pdf
Open the PDF directly: View PDF
.
Page Count: 52

Safety • Assembly • Operation • Adjustments • Maintenance • Troubleshooting • Parts Lists • Warranty
P. O. Box 1386, KITCHENER, ONTARIO N2G 4J1
PRINTED IN U.S.A.
IMPORTANT:
READ SAFETY RULES AND
INSTRUCTIONS CAREFULLY
BEFORE OPERATION
OPERATOR’S MANUAL
Two-Stage Snow Thrower
www.troybilt.ca
6/3/2005
772C0781

2
Finding and Recording Model Number
Please do
NOT
return the unit to the retailer from which it was purchased,
without first contacting Customer Support.
Table of Contents
BEFORE YOU START ASSEMBLING
YOUR NEW EQUIPMENT,
please locate the model plate on the equipment and copy the
the model number and the serial number to the sample model
plate provided to the right. You can locate the model plate by
standing at the operating position and looking down at the
frame.
This Operator’s Manual is an important part of your new snow thrower. It will help you assemble,
prepare and maintain the unit for best performance. Please read and understand what it says.
Customer Support
If you have difficulty assembling this product or have any questions regarding the controls, operation or maintenance of this unit,
you can seek help from the experts. Choose from the options below:
1. Visit www.troybilt.ca for many useful suggestions, click on Customer Support button.
2. Call a Customer Support Representative at 1-800-668-1238
3. The engine manufacturer is responsible for all enigne-related issues with regards to performance, power-rating, specifica-
tions, warranty and service. Please refer to the engine manufacturer’s Owner’s/Operator’s Manual, packed separately with
your unit, for more information.
Please have your unit’s model number and serial number ready when you call. See previous section to locate this information.
You will be asked to enter the serial number in order to process your call.
Safety Labels ...................................................... 3
Safe Operation Practices ................................... 4
Setting Up Your Snow Thrower .......................... 6
Operating Your Snow Thrower ......................... 10
MakingAdjustments ......................................... 14
Maintaining Your Snow Thrower ...................... 16
Off-Season Storage .......................................... 20
Trouble Shooting .............................................. 21
Warranty ............................................................ 22
Illustrated Parts Lists ....................................... 23

3
1
Safety
Labels
WARNING
This symbol points
out important safety
instructions which,
if not followed, could
endanger the per-
sonal safety and/or
property of yourself
and others. Read and
follow all instructions
in this manual before
attempting to operate
this machine. Failure
to comply with these
instructions may
result in personal
injury. When you see
this symbol.
HEED ITS WARNING!
Your Responsibility
Restrict the use
of this power machine
to persons who read,
understand
and follow the warnings
and instructions
in this manual
and on the machine.
A chute clean-out tool is fastened to the top
of the auger housing with a mounting clip. The
tool is designed to clear a chute assembly of
ice and snow.
This item is fastened with a cable tie at the
factory. Cut the cable tie before operating the
snow thrower.
WARNING: Never use your
hands to clear a clogged chute
assembly. Shut off engine and
remain behind handles until
all moving parts have stopped
before using the clean-out tool
to clear the chute assembly.
Chute Clean-out
Tool

4
2
Safe
Operation
Practices Training
1. Read, understand, and follow all instructions on the
machine and in the manual(s) before attempting to
assemble and operate. Keep this manual in a safe place for
future and regular reference and for ordering replacement
parts.
2. Be familiar with all controls and their proper operation.
Know how to stop the machine and disengage them quickly.
3. Never allow children under 14 years old to operate this
machine. Children 14 years old and over should read and
understand the operation instructions and safety rules in
this manual and should be trained and supervised by a
parent.
4. Never allow adults to operate this machine without proper
instruction.
5. Thrown objects can cause serious personal injury. Plan
your snow-throwing pattern to avoid discharge of material
toward roads, bystanders and the like.
6. Keep bystanders, helpers, pets and children at least 75 feet
from the machine while it is in operation. Stop machine if
anyone enters the area.
7. Exercise caution to avoid slipping or falling, especially
when operating in reverse.
Preparation
1. Thoroughly inspect the area where the equipment is to be
used. Remove all doormats, newspapers, sleds, boards,
wires and other foreign objects, which could be tripped over
or thrown by the auger/impeller.
2. Always wear safety glasses or eye shields during operation
and while performing an adjustment or repair to protect your
eyes. Thrown objects which ricochet can cause serious
injury to the eyes.
3. Do not operate without wearing adequate winter outer
garments. Do not wear jewelry, long scarves or other
loose clothing, which could become entangled in moving
parts. Wear footwear which will improve footing on slippery
surfaces.
4. Use a grounded three-wire extension cord and receptacle
for all units with electric start engines.
5. Adjust collector housing height to clear gravel or crushed
rock surfaces.
6. Disengage all control levers before starting the engine.
7. Never attempt to make any adjustments while engine is
running, except where specifically recommended in the
operator’s manual.
8. Let engine and machine adjust to outdoor temperature
before starting to clear snow.
9. To avoid personal injury or property damage use extreme
care in handling gasoline. Gasoline is extremely flammable
and the vapors are explosive. Serious personal injury can
occur when gasoline is spilled on yourself or your clothes,
which can ignite. Wash your skin and change clothes
immediately.
a. Use only an approved gasoline container.
b. Extinguish all cigarettes, cigars, pipes and other sources
of ignition.
c. Never fuel machine indoors.
d. Never remove gas cap or add fuel while the engine is hot
or running.
e. Allow engine to cool at least two minutes before refuel-
ing.
f. Never over fill fuel tank. Fill tank to no more than ½ inch
below bottom of filler neck to provide space for fuel
expansion.
g. Replace gasoline cap and tighten securely.
h. If gasoline is spilled, wipe it off the engine and equip-
ment. Move machine to another area. Wait 5 minutes
before starting the engine.
i. Never store the machine or fuel container inside where
there is an open flame, spark or pilot light (e.g. furnace,
water heater, space heater, clothes dryer etc.).
j. Allow machine to cool at least 5 minutes before storing.
WARNING: Engine Exhaust, some of its constituents, and certain vehicle compo-
nents contain or emit chemicals known to State of California to cause cancer and
birth defects or other reproductive harm.
WARNING
This symbol points
out important safety
instructions which,
if not followed, could
endanger the per-
sonal safety and/or
property of yourself
and others. Read and
follow all instructions
in this manual before
attempting to operate
this machine. Failure
to comply with these
instructions may
result in personal
injury. When you see
this symbol.
HEED ITS WARNING!
Your Responsibility
Restrict the use
of this power machine
to persons who read,
understand
and follow the warnings
and instructions
in this manual
and on the machine.
DANGER: This machine was built to be operated according to the rules for safe operation in this
manual. As with any type of power equipment, carelessness or error on the part of the operator can
result in serious injury. This machine is capable of amputating hands and feet and throwing objects.
Failure to observe the following safety instructions could result in serious injury or death.

5
Operation
1. Do not put hands or feet near rotating parts, in the
auger/impeller housing or chute assembly. Contact with the
rotating parts can amputate hands and feet.
2. The auger/impeller control lever is a safety device. Never
bypass its operation. Doing so makes the machine unsafe
and may cause personal injury.
3. The control levers must operate easily in both directions
and automatically return to the disengaged position when
released.
4. Never operate with a missing or damaged chute assembly.
Keep all safety devices in place and working.
5. Never run an engine indoors or in a poorly ventilated area.
Engine exhaust contains carbon monoxide, an odorless and
deadly gas.
6. Do not operate machine while under the influence of alcohol
or drugs.
7. Muffler and engine become hot and can cause a burn. Do
not touch.
8. Exercise extreme caution when operating on or crossing
gravel surfaces. Stay alert for hidden hazards or traffic.
9. Exercise caution when changing direction and while operat-
ing on slopes.
10. Plan your snow-throwing pattern to avoid discharge towards
windows, walls, cars etc. Thus, avoiding possible property
damage or personal injury caused by a ricochet.
11. Never direct discharge at children, bystanders and pets or
allow anyone in front of the machine.
12. Do not overload machine capacity by attempting to clear
snow at too fast of a rate.
13. Never operate this machine without good visibility or light.
Always be sure of your footing and keep a firm hold on the
handles. Walk, never run.
14. Disengage power to the auger/impeller when transporting or
not in use.
15. Never operate machine at high transport speeds on slippery
surfaces. Look down and behind and use care when
backing up.
16. If the machine should start to vibrate abnormally, stop the
engine, disconnect the spark plug wire and ground it against
the engine. Inspect thoroughly for damage. Repair any
damage before starting and operating.
17. Disengage all control levers and stop engine before you
leave the operating position (behind the handles). Wait
until the auger/impeller comes to a complete stop before
unclogging the chute assembly, making any adjustments, or
inspections.
18. Never put your hand in the discharge or collector openings.
Always use the clean-out tool provided to unclog the dis-
charge opening. Do not unclog chute assembly while engine
is running. Shut off engine and remain behind handles until
all moving parts have stopped before unclogging.
19. Use only attachments and accessories approved by the
manufacturer (e.g. wheel weights, tire chains, cabs etc.).
20. If situations occur which are not covered in this manual, use
care and good judgment. Call customer assistance for the
name of your nearest servicing dealer.
Maintenance & Storage
1. Never tamper with safety devices. Check their proper
operation regularly.
2. Disengage all control levers and stop the engine. Wait until
the auger/impeller come to a complete stop. Disconnect the
spark plug wire and ground against the engine to prevent
unintended starting before cleaning, repairing, or inspecting.
3. Check bolts and screws for proper tightness at frequent
intervals to keep the machine in safe working condition.
Also, visually inspect machine for any damage.
4. Do not change the engine governor setting or over-speed
the engine. The governor controls the maximum safe
operating speed of the engine.
5. Snow thrower shave plates and skid shoes are subject to
wear and damage. For your safety protection, frequently
check all components and replace with original equipment
manufacturer’s (OEM) parts only. “Use of parts which do
not meet the original equipment specifications may lead to
improper performance and compromise safety!”
6. Check controls periodically to verify they engage and
disengage properly and adjust, if necessary. Refer to the
adjustment section in this operator’s manual for instructions.
7. Maintain or replace safety and instruction labels, as neces-
sary.
8. Observe proper disposal laws and regulations for gas, oil,
etc. to protect the environment.
9. Prior to storing, run machine a few minutes to clear snow
from machine and prevent freeze up of auger/impeller.
10. Never store the machine or fuel container inside where
there is an open flame, spark or pilot light such as a water
heater, furnace, clothes dryer etc.
11. Always refer to the operator’s manual for proper instructions
on off-season storage.
Do not modify engine
To avoid serious injury or death, do not modify engine in any
way. Tampering with the governor setting can lead to a runaway
engine and cause it to operate at unsafe speeds. Never tamper
with factory setting of engine governor.
Notice regarding Emissions
Engines which are certified to comply with California and federal
EPA emission regulations for SORE (Small Off Road Equipment)
are certified to operate on regular unleaded gasoline, and may
include the following emission control systems: Engine Modifica-
tion (EM) and Three Way Catalyst (TWC) if so equipped.
2
Safe
Operation
Practices
WARNING
This symbol points
out important safety
instructions, which
if not followed, could
endanger the per-
sonal safety and/or
property of yourself
and others. Read and
follow all instructions
in this manual before
attempting to operate
this machine. Failure
to comply with these
instructions may
result in personal
injury. When you see
this symbol.
HEED IT’S WARNING!
Your Responsibility
Restrict the use
of this power machine
to persons who read,
understand
and follow the warnings
and instructions
in this manual
and on the machine.

6
3
Setting Up
Your Snow
Thrower
IMPORTANT: The snow thrower is shipped with oil
and WITHOUT GASOLINE. After assembly, refer to
separate engine manual for proper fuel and engine oil
recommendations.
1. Observe the lower area of the snow thrower to be
sure both cables are aligned with roller guides before
pivoting handle upward.
a. Pull up and back on upper handle as shown in
Figure 1. Align upper handle with the lower handle.
b. Tighten hand knobs securing upper handle to
lower handle.
2. Remove wing nut and hex screw from chute control
assembly and clevis pin and cotter pin from chute
support bracket. See Figure 2. Position the chute
assembly (forward-facing) over the chute base.
3. Place chute assembly onto chute base and secure
chute control assembly to chute support bracket with
clevis pin and cotter pin removed earlier. See Figure 3.
Figure 1
NOTE: References to
right or left side of the
snow thrower are deter-
mined from behind the
unit in the operating
position.
NOTE: Two replace-
ment auger shear pins
are included with this
manual (or stowed
in the plastic handle
panel). Refer to Augers
in the Maintainance
Section for more
information regarding
shear pin replacement.
NOTE: This Operator’s
Manual covers several
models, handle panels,
lights and chute cranks
are some features that
may vary by model.
Not all features refer-
enced in this manual
are applicable to all
snow thrower models.
1
Figure 2
2
Figure 3
3

7
Figure 4
3
Figure 5
Figure 6
4. Finish securing chute control assembly to chute
support bracket with wing nut and hex screw removed
earlier. See Figure 4.
CAUTION
Prior to operating
your snow thrower,
refer to Auger Control
Test on page 13.
Read and follow all
instructions care-
fully and perform all
adjustments to verify
your unit is operating
safely and properly.
Setting Up
Your Snow
Thrower
4
5. Check that all cables are properly routed through the
cable guide on top of the engine. See Figure 5.
The extension cord is fastened with a cable tie to the rear
of the auger housing for shipping purposes. Cut the cable
tie and remove it before operating the snow thrower.
CAUTION: Prior to operating your
snow thrower, refer to Auger Control
Test on page 13. Read and follow all
instructions carefully, and perform
all adjustments to verify your snow
thrower is operating safely and
properly.
Shear Pin Storage (optional)
An area for convenient shear pin storage is located under
the plastic dash panel. See Figure 6.
5

8
3
Setting Up
Your Snow
Thrower
Figure 8
Figure 7
Drift Cutters (If Equipped)
Drift cutters should be used when operating the snow
thrower in heavy drift conditions.
• On models so equipped, drift cutters are assembled to
the auger housing inverted. See Figure 7.
• Remove the carriage bolts by unthreading the hex
nuts which secure them, and reinstall the drift cutters
facing forward before operating the snow thrower.
Refer to Figure 8.
• Secure to the auger housing with carriage bolts and
hex nuts previously removed. See Figure 9.
If your unit is not equipped with drift cutters, you may
contact Customer Support as instructed on page 2 for
information regarding price and availability.
Snow Thrower Model Drift Cutter Kit:
All models- OEM-390-679
WARNING
Never use your hands
to clean snow and
ice from the chute
assembly or auger
housing.
IMPORTANT
Under any circum-
stance do not exceed
manufacturer’s recom-
mended psi. Equal tire
pressure should be
maintained at all times.
Excessive pressure
when seating beads
may cause tire/rim
assembly to burst
with force sufficient to
cause serious injury.
Refer to sidewall of
tire for recommended
pressure.
Figure 9

9
Figure 10
3
Setting Up
Your Snow
Thrower
WARNING
Never use your hands
to clean snow and
ice from the chute
assembly or auger
housing.
IMPORTANT
Under any circum-
stance do not exceed
manufacturer’s recom-
mended psi. Equal tire
pressure should be
maintained at all times.
Excessive pressure
when seating beads
may cause tire/rim
assembly to burst
with force sufficient to
cause serious injury.
Refer to sidewall of
tire for recommended
pressure.
Clean-Out Tool
The clean-out tool is mounted to the rear of the auger
housing and is designed to clear a clogged chute. Refer
to page 11 for instructions on how to properly use it.
NOTE: This item is fastened with a cable tie to the rear
of the auger housing at the factory. Cut the cable tie
before operating the snow thrower.
WARNING: Never use your hands to
clean snow and ice from the chute
assembly or auger housing.
Skid Shoes
Position the skid shoes based on surface conditions.
Adjust upward for hard-packed snow. Adjust downward
when operating on gravel or crushed rock surfaces.
Tire Pressure (Pneumatic Tires)
The tires are over-inflated for shipping purposes.
Check the tire pressure before operating the snow
thrower. Refer to the tire side wall for tire manufacturer’s
recommended psi and deflate (or inflate) the tires as
necessary.
NOTE: If the tire pressure is not equal in both tires, the
unit may not travel in a straight path and the shave plate
may wear unevenly.
General Recommendations
1. Always observe safety rules when performing
any maintenance.
2. The warranty on this snow thrower does not cover
items that have been subjected to operator abuse
or negligence. To receive full value from warranty,
operator must maintain the snow thrower as
instructed here.
3. Some adjustments will have to be made periodically
to maintain your unit properly.
4. Periodically check all fasteners and make sure these
are tight.
Clean-Out
Tool

10
4
Operating
Your Snow
Thrower
Now that you have set up your snow thrower for opera-
tion, get acquainted with its controls and features. These
are described below and illustrated in Figure 11. This
knowledge will allow you to use your new equipment to
its fullest potential.
NOTE: For detailed starting instructions and more
information on all engine controls, refer to the separate
engine manual packed with your unit.
Shift Lever
The shift lever is located on the right side
of the handle panel. Place the shift lever
into any of eight positions to control the
direction of travel and ground speed.
Forward
Your snow thrower has six forward (F)
speeds, with position number one (1)
being the slowest speed.
Reverse
Your snow thrower has two reverse (R)
speeds, with position number one (1)
being the slower speed.
Know Your Snow Thrower
Choke Control
The choke control is found on the rear of the engine and
is activated by rotating the knob clockwise. Activating the
choke control closes the choke plate on the carburetor
and aids in starting the engine.
Throttle Control
The throttle control is located on the engine.
It regulates the speed of the engine and
will shut off the engine when pushed down
completely.
Primer
Depressing the primer forces fuel directly
into the engine’s carburetor to aid in cold-
weather starting.
Oil Fill
Engine oil level can be checked and oil
added through the oil fill.
WARNING
Read, understand,
and follow all instruc-
tions and warnings
on the machine and
in this manual before
operating.
Use extreme care
when handling
gasoline. Gasoline is
extremely flammable
and the vapors are
explosive. Never fuel
the machine indoors
or while the engine
is hot or running.
Extinguish cigarettes,
cigars, pipes and
other sources of
ignition.
Figure 11

11
4
Operating
Your Snow
Thrower
WARNING
The operation of
any snow thrower
can result in foreign
objects being thrown
into the eyes, which
can damage your
eyes severely. Always
wear safety glasses
while operating the
snow thrower, or while
performing any adjust-
ments or repairs on it.
Be sure no one other
than the operator is
standing near the snow
thrower while starting
engine or operating
snow thrower. Never
run engine indoors or
in enclosed, poorly
ventilated areas. En-
gine exhaust contains
carbon monoxide, an
odorless and deadly
gas. Keep hands, feet,
hair and loose clothing
away from any moving
parts on engine and
snow thrower.
Auger Control
The auger control is located on the left handle. Squeeze
the control grip against the handle to engage the augers
and start snow throwing action. Release to stop.
Drive Control/ Auger Control Lock
The drive control is located on the right handle. Squeeze
the control grip against the handle to engage the wheel
drive. Release to stop.
The drive control also locks the auger control so you can
operate the chute directional control without interrupting
the snow throwing process. If the auger control is en-
gaged simultaneously with the drive control, the operator
can release the auger control (on the left handle) and
the augers will remain engaged. Release both controls to
stop the augers and wheel drive.
IMPORTANT: Always release the drive control before
changing speeds.
Four-Way Chute Control™
The chute directional control is located on the left side of
the dash panel.
• To change the direction in which snow is thrown,
squeeze the button on the joy-stick and pivot the
joy-stick to the right or to the left.
• To change the angle/distance which snow is thrown,
pivot the joy-stick forward or backward.
Wheel Steering Controls
The left and right wheel steering controls are located on
the underside of the handles. Squeeze the right control to
turn right; squeeze the left control to turn left.
NOTE: Operate the snow thrower in open areas until you
are familiar with these controls.
Ignition Key
The ignition key must be inserted and snapped in place
in order for the engine to start. Remove the ignition key to
prevent unauthorized use of equipment. Do NOT attempt
to turn the key.
Clean-Out Tool
WARNING: Never use your hands to
clear a clogged chute assembly. Shut
off engine and remain behind handles
until all moving parts have stopped
before unclogging.
1. Release both the auger control and the drive/auger
control lock.
2. Stop the engine by moving the throttle to the stop
position.
3. Remove the clean-out tool from the mounting clip.
4. Use the shovel-shaped end of the clean-out tool to
remove any snow and ice in the chute assembly.
5. Re-fasten the clean-out tool to the mounting clip on
the rear of the auger housing and restart engine.
6. While standing in the operator’s position (behind the
snow thrower), engage the auger control for a few
seconds to clear any remaining snow or ice from the
chute assembly before continuing to clear snow.
Heated Handles Switch (If Equipped)
This switch is located on the right side of the snow
thrower dash panel. To activate the heated handles,
toggle the switch to the right to generate heat within the
handle grips. Toggle the switch to the left to the OFF
position after using the snow thrower.
NOTE: The heated handles grips are a compliment to,
not a substitute for, proper cold weather outerwear for
the operator’s hands. It is recommended that the snow
thrower operator wear gloves/mittens to avoid extremities
of winter while operating this equipment.

12
Gas & Oil Fill-Up
Service the engine with gasoline and oil as instructed in
the separate engine manual packed with your unit. Read
instructions carefully.
Starting The Engine
1. Attach spark plug wire to spark plug. Make certain the
metal loop on the end of the spark plug wire (inside
the rubber boot) is fastened securely over the metal
tip on the spark plug.
2. Make certain both the auger control and drive control
are in the disengaged (released) position.
3. Move throttle control up to FAST position. Insert
ignition key into slot. Make sure it snaps into place.
Do not attempt to turn the key.
NOTE: The engine cannot start unless the key is
inserted into ignition switch.
Electric Starter
1. Determine that your home’s wiring is a three-wire
grounded system. Ask a licensed electrician if you are
not certain.
WARNING: The optional electric starter
is equipped with a grounded three-wire
power cord and plug, and is designed
to operate on 120 volt AC household
current. It must be used with a properly
grounded three-prong receptacle at all
times to avoid the possibility of electric
shock. Follow all instructions carefully
prior to operating the electric starter.
If you have a grounded three-prong receptacle, proceed
as follows:
1. Plug the extension cord into the outlet located on the
engine’s surface. Plug the other end of extension cord
into a three-prong 120-volt, grounded, AC outlet in a
well-ventilated area.
2. Rotate choke control to FULL choke position (for a
cold engine start).
NOTE: If the engine is already warm, place choke control
in the OFF position instead of FULL.
3. Push the primer two or three times for cold engine
start, making sure to cover vent hole in the center of
the primer when pushing.
NOTE: DO NOT use primer to restart a warm engine
after a short shutdown.
4. Push starter button to start engine.
5. Once the engine starts, immediately release starter
button.
6. As the engine warms, slowly rotate the choke control
to the OFF position. If the engine falters, quickly
rotate the choke control back to FULL and then slowly
into the OFF position again.
7. When disconnecting the extension cord, always
unplug the end at the three-prong wall outlet before
unplugging the opposite end from the snow thrower.
Recoil Starter
1. Rotate choke control to FULL choke position (cold
engine start).
NOTE: If the engine is already warm, place choke control
in the OFF position instead of FULL.
2. Push the primer two or three times for cold engine
start, making sure to cover vent hole in the center of
the primer when pushing.
NOTE: DO NOT use primer to restart a warm engine
after a short shutdown.
NOTE: Additional priming may be necessary if the
temperature is below 15° Fahrenheit.
3. Grasp the recoil starter handle and slowly pull the
rope out. At the point where it becomes slightly harder
to pull the rope, slowly allow the rope to recoil.
4. Pull the starter handle with a firm, rapid stroke. Do not
release the handle and allow it to snap back. Keep a
firm hold on the starter handle and allow it to slowly
recoil.
5. As the engine warms, slowly rotate the choke control
to the OFF position. If the engine falters, quickly rotate
the choke control back to the FULL position and then
slowly into the OFF position again.
NOTE: Allow the engine to warm up for a few minutes
after starting. The engine will not develop full power until
it reaches operating temperatures.
Stopping The Engine
Run engine for a few minutes before stopping to help dry
off any moisture on the engine.
• To help prevent possible starter freeze-up, proceed as
follows:
Electric Starter (If Equipped)
1. Connect extension cord to the electric starter outlet
on the engine, then to 120 volt AC outlet.
2. With the engine running, push the starter button and
allow the starter for spin for several seconds. The
noise made by the starter is normal. The engine’s
starter is not being harmed.
3. When disconnecting the extension cord, always
unplug the end at the three-prong wall outlet before
unplugging the opposite end from the snow thrower.
4. Move throttle control to STOP position.
5. Remove the ignition key (Do not turn key) to prevent
unauthorized use of equipment.
6. Wipe all snow and moisture from the area around the
engine as well as the area in and around the drive
control and auger control. Also, engage and release
both controls several times.
WARNING
4
Read, understand,
and follow all instruc-
tions and warnings
on the machine and
in this manual before
operating.
Use extreme care
when handling
gasoline. Gasoline is
extremely flammable
and the vapors are
explosive. Never fuel
the machine indoors
or while the engine
is hot or running.
Extinguish ciga-
rettes, cigars, pipes
and other sources of
ignition.
If your home’s wiring
system is not a
three-wire grounded
system, do not use
this electric starter
under any condi-
tions.
If your home
electrical system
is grounded,
but a three-hole
receptacle is not
available, do not use
your snow thrower’s
electric starter.

13
NOTE: Keep the key in a safe place. The engine cannot
start without the ignition key.
Recoil Starter
1. With engine running, pull starter rope with a rapid,
continuous full arm stroke three or four times. Pulling
the starter rope will produce a loud clattering sound,
which is not harmful to engine.
2. Move throttle control to STOP position.
3. Remove the ignition key (Do not turn key) to prevent
unauthorized use of equipment.
NOTE: Keep the key in a safe place. The engine cannot
start without the ignition key.
4. Wipe all snow and moisture from the area around the
engine as well as the area in and around the drive
control and auger control. Also, engage and release
both controls several times.
To Engage Drive
1. With the engine running near top speed, move
shift lever to one of six FORWARD positions or two
REVERSE positions. Select a speed appropriate for
the snow conditions that exist.
2. Squeeze drive control against the right handle and
the snow thrower will move. Release it and the drive
motion will stop.
3. To turn the unit left or right, squeeze the respective
wheel steering control. See Figure 11.
To Engage Augers
1. To engage augers and start snow throwing, squeeze
the left hand auger control against the left handle.
Release to stop augers.
2. While the auger control is engaged, squeeze the drive
control to move, release to stop. Do not shift speeds
while the drive is engaged.
NOTE: This same lever also locks auger control so you
can turn the chute control without interrupting the snow
throwing process.
3. Release the auger control; the interlock mechanism
should keep the auger control engaged until the drive
control is released.
4. Release the drive control to stop both the augers and
the wheel drive. To stop the auger, both levers must
be released.
Auger Control Test
Perform the following test before operating your snow
thrower for the first time and at the start of each winter.
Check the adjustment of the auger control as follows:
1. When the auger control is released and in the
disengaged “up” position, the cable should have very
little slack. It should NOT be tight.
2. In a well-ventilated area, start the snow thrower
engine as instructed on the previous page. Make sure
the throttle is set in the FAST position.
3. While standing in the operator’s position (behind the
snow thrower), engage the auger.
4. Allow the auger to remain engaged for approximately
ten (10) seconds before releasing the auger control.
Repeat this several times.
5. With the throttle control in the FAST (rabbit) position
and the auger control in the disengaged “up” position,
walk to the front of the machine.
6. Confirm that the auger has completely stopped
rotating and shows NO signs of motion. If the auger
shows ANY signs of rotating, immediately return to
the operator’s position and shut off the engine. Wait
for ALL moving parts to stop before re-adjusting the
auger control.
7. To readjust the control cable, loosen the upper hex
nut on the auger cable bracket.
8. Position the bracket upward to provide more slack (or
downward to increase cable tension). See Figure 12.
9. Retighten the upper hex nut.
10. Repeat Auger Control Test to verify proper adjustment
has been achieved.
Figure 12
When selecting a
Drive Speed, use the
slower speeds until
you are comfortable
and familiar with the
operation of the snow
thrower.
NEVER reposition the
shift lever (change
speeds or direction
of travel) without first
releasing the drive
control and bringing
the snow thrower
to a complete stop.
Doing so will result in
premature wear to the
snow thrower’s drive
system.
WARNING
Never use your hands
to clean snow and
ice from the chute
assembly or auger
housing.
The muffler, engine
and surrounding
areas become hot
and can cause a
burn. Do not touch.
4

14
Shift Cable
If the full range of speeds (forward and reverse) cannot
be achieved, refer to the figure to the left and adjust the
shift cable as follows:
1. Place the shift lever in the fastest forward speed
position.
2. Loosen the hex nut on the shift cable index bracket.
See Figure 13.
3. Pivot the bracket downward to take up slack in the
cable.
4. Retighten the hex nut.
5. Check for correct adjustment before operating the
snow thrower.
Chute Control
Once a season or every 25 hours of operation, whichever
is earlier, check whether the four-way chute control™
cables have slackened. If the chute does not rotate
fully or its pitch cannot be moved up or down, the chute
control cables will have to be adjusted.
To adjust these cables, proceed as follows:
1. To tighten cable, loosen the top nut and tighten the
bottom nut on the cable.
2. Adjust equally on both sides by working on both
cables. See Figure 14.
Drive Control & Shift Lever
When the drive control is released and in the disengaged
“up” position, the cable should have very little slack. It
should NOT be tight.
Check the adjustment of the drive control as follows:
1. With the drive control released, push the snow thrower
gently forward. The unit should roll freely.
2. Engage the drive control and gently attempt to push
the snow thrower forward. The wheels should not turn.
The unit should not roll freely.
3. With the drive control released, move the shift lever
back and forth between the R2 position and the F6
position several times. There should be no resistance
in the shift lever.
4. If any of the above tests failed, the drive cable is in
need of adjustment. Proceed as follows:
5. Loosen the lower hex nut on the drive cable bracket.
See Figure 15.
6. Position the bracket upward to provide more slack (or
downward to increase cable tension).
7. Retighten the lower hex nut.
You can also check the adjustment as follows:
1. With the snow thrower tipped forward (be certain to
drain gasoline or place plastic film under the gas cap if
the snow thrower has already been operated), remove
the frame cover underneath the snow thrower by
removing the self-tapping screws. Refer to Figure 20
on page 17.
5
Making
Adjustments
Figure 13
Figure 14
WARNING
Read, understand,
and follow all instruc-
tions and warnings
on the machine and
in this manual before
operating.
Never attempt to
make any adjust-
ments while the
engine is running,
except where speci-
fied in operator’s
manual.
Figure 15

15
5
2. With the drive control released, there must be 1/8”
clearance between the friction wheel and the drive
pulley in all positions of the shift lever.
3. With the drive control engaged, the friction wheel must
contact the drive pulley. Refer to Figure 28 on page
18.
4. If adjustment is necessary, loosen the lower hex nut
on the drive cable index bracket and pivot the bracket
upward or downward as necessary. Refer to Figure 15.
Tighten the lower hex nut to secure the bracket when
correct adjustment is reached.
5. Reassemble the frame cover and turn the unit back to
its operating position.
NOTE: If you placed plastic under the gas cap, be certain
to remove it now.
Skid Shoes
The space between this shave plate and the ground can
be adjusted. For close snow removal, place skid shoes in
the low position. Use middle or high position when area to
be cleared is uneven.
1. Adjust skid shoes by loosening the four lock nuts
and carriage bolts and moving skid shoes to desired
position. See Figure 16A or 16B.
2. Make certain the entire bottom surface of skid shoes
are against the ground to avoid uneven wear on the
skid shoes.
3. Tighten nuts and bolts securely.
NOTE: Some models are equipped with reversible skid
shoes and may be turned over to increase their lifespan.
See Figure 16B.
Auger Control
To adjust the auger control, refer to page 13.
Making
Adjustments
IMPORTANT
It is not recommended
that you operate this
snow thrower on gravel
as loose gravel can be
easily picked up and
thrown by the auger
causing personal injury
or damage to the snow
thrower.
If for some reason,
you have to operate
the snow thrower on
gravel, keep the skid
shoe in the highest
position for maximum
clearance between the
ground and the shave
plate.
Figure 16A - Standard Skid Shoe
Figure 16B - Reversible Skid Shoe

16
6
Maintaining
Your Snow
Thrower
WARNING
Always stop engine,
disconnect spark
plug, and ground
against engine before
cleaning, lubricating
or performing any
kind of maintenance
or adjustment on
your machine.
IMPORTANT
Avoid oil spillage on
rubber friction wheel
and aluminum drive
plate.
Do not overfill the gear
case. Damage to the
seals could result.
WARNING: Always wear safety
glasses during operation or while
performing any adjustments or
repairs.
Engine
Refer to the separate engine manual packed with your
unit for all engine maintenance.
Lubrication
Gear (Hex) Shaft
Once a season, lubricate the hex shaft with a penetrat-
ing oil, but not grease. Refer to Figure 17.
Wheels
At least once a season, remove both wheels. Clean and
coat the axles with a multipurpose automotive grease
before reinstalling wheels.
Auger Shaft
At least once a season, remove the shear pins on auger
shaft. Spray lubricant inside shaft, around the spacers.
Also lubricate the flange bearings found at either end of
the shaft. See Figure 24.
Gear Case
The auger gear case has been filled with grease at
the factory. If disassembled for any reason, lubricate
with two ounces of grease (Part Number 737-0168).
Before reassembling, remove old sealant and apply new
sealant.
NOTE: Do not overfill the gear case. Damage to the
seals could result. Be sure the vent plug is free of
grease in order to relieve pressure.
Drive Mechanism
Remove rear cover. Oil any chains, sprockets, gears,
bearings, shafts, and shifting mechanism at least once
a season. Use engine oil or a spray lubricant. Avoid
getting oil on rubber friction wheel and aluminum drive
plate.
Engine
Refer to the separate engine manual packed with your
unit for all engine lubrication instructions.
Drive/Auger Control Lock
The cam on the ends of the control rods which interlock
the drive and auger controls must be lubricated at least
once a season or every 25 hours of operation using
a multi-purpose automotive grease. The cam can be
accessed beneath handle panel.
Shave Plate and Skid Shoes
The shave plate and skid shoes on the bottom of the
snow thrower are subject to wear. They should be
checked periodically and replaced when necessary.
To remove skid shoes:
1. Remove the four carriage bolts and hex flange nuts
which secure them to the snow thrower.
2. Reassemble new skid shoes with the four carriage
bolts (two on each side) and hex flange nuts. Refer
to Figures 18A or 18B.
Figure 18B - Reversible Skid Shoe
Figure 18A - Standard Skid Shoe
Figure 17
To remove shave plate:
1. Remove the carriage bolts and hex nuts which attach
it and the skid shoes to the snow thrower housing.
2. Reassemble new shave plate, making sure heads of
carriage bolts are to the inside of housing. Tighten
securely.

17
6
Maintaining
Your Snow
Thrower
NOTE: Although
multi-viscosity oils
(5W30, 10W30 etc.)
improve starting in cold
weather, these multi-
viscosity oils also result
in higher oil consump-
tion when used above
32ºF (0ºC). Check your
snow thrower’s engine
oil level more frequently
to avoid possible
engine damage from
running low on oil.
IMPORTANT
NEVER replace the
auger shear pins with
standard pins. Any
damage to the auger
gearbox or other com-
ponents, as a result of
doing so, will NOT be
covered by your snow
thrower’s warranty.
NOTE: Do not sand-
blast spark plug. Spark
plug should be cleaned
by scraping or wire
brushing and washing
with a commercial
solvent.
1
2
3
4
Auger Belt Replacement
To remove and replace your snow thrower’s auger belt,
proceed as follows:
1. Remove the plastic belt cover on the front of the
engine by removing the two self-tapping screws.
NOTE: Drain the gasoline from the snow thrower, or
place a piece of plastic under the gas cap.
2. Carefully pivot the snow thrower up and forward so
that it rests on the auger housing. Remove the frame
cover from the underside of the snow thrower by
removing four self-tapping screws which secure it.
3. Roll the auger belt off the engine pulley.
4. a. Loosen and remove the shoulder screw which
acts as a belt keeper.
b. Unhook the support bracket spring from the
frame.
5. Remove the belt from around the auger pulley, and
slip the belt between the support bracket and the
auger pulley. Reassemble auger belt by following
instructions in reverse order.
NOTE: Do NOT forget to reinstall the shoulder screw
and reconnect the spring to the frame after installing
a replacement auger belt and to remove the piece of
plastic from under the gas cap.
5
Figure 19
Figure 20
Figure 21
Figure 22 Figure 23

18
6
Maintaining
Your Snow
Thrower
WARNING
Always stop engine,
disconnect spark
plug, and ground
against engine before
cleaning, lubricating
or doing any kind
of maintenance or
adjustments on your
machine.
Augers
• The augers are secured to the spiral shaft with two
shear pins and cotter pins. If the auger should strike
a foreign object or ice jam, the snow thrower is
designed so that the pins may shear.
• If the augers will not turn, check to see if the pins
have sheared. One set of replacement shear pins
has been provided with the snow thrower. When
replacing pins, spray an oil lubricant into shaft before
inserting new pins.
1
2
3
Drive Belt Replacement
To remove and replace your snow thrower’s auger
belt, proceed as follows:
1. Remove the plastic belt cover on the front of the
engine by removing the two self-tapping screws.
• Drain the gasoline from the snow thrower, or place
a piece of plastic under the gas cap.
• Carefully pivot the snow thrower up and forward so
that it rests on the auger housing.
2. Remove the frame cover from the underside of the
snow thrower by removing four self-tapping screws
which secure it.
3. a. Grasp the idler pulley and pivot it toward the right.
b. Roll the auger belt off the engine pulley.
c. Lift the drive belt off engine pulley.
4. Slip the drive belt off the pulley and between friction
wheel and friction wheel disc.
• Remove and replace belt in the reverse order.
4
Figure 24
Figure 25 Figure 27
Figure 28
Figure 26

19
6
Maintaining
Your Snow
Thrower
Friction Wheel Removal
If the snow thrower fails to drive with the drive control
engaged, and performing the drive control cable adjust-
ment on page 12 fails to correct the problem, the friction
wheel may need to be replaced. Follow the instructions
below. Examine the friction wheel for signs of wear or
cracking and replace if necessary.
• Place the shift lever in third Forward (F3) position.
• Drain the gasoline from the snow thrower, or place a
piece of plastic under the gas cap.
• Carefully pivot the snow thrower up and forward so
that it rests on the auger housing.
1. a. Remove the frame cover from the underside of the
snow thrower by removing four self-tapping screws
which secure it.
b. Remove the right-hand wheel by removing the
screw and cupped washer which secure it to the
axle.
2. Carefully remove the hex nut and washer which
secures the hex shaft to the snow thrower frame and
lightly tap the shaft’s end to dislodge the ball bearing
from the right side of the frame.
3. Carefully position the hex shaft downward and to the
left before carefully sliding the friction wheel assembly
off the shaft.
NOTE: If you’re replacing the friction wheel assembly
as a whole, discard the worn part and slide the new part
onto the hex shaft. Follow the steps above in reverse
order to reassemble components. If you’re disassembling
the friction wheel and replacing only the rubber ring,
proceed as follows:
4. Remove the four screws which secure the friction
wheel’s side plates together.
• Remove the rubber ring from between the plates.
• Reassemble the side plates with a new rubber ring.
• Slide the friction wheel assembly back onto the hex
shaft and follow the steps above in reverse order to
reassemble components.
1
2
4
3
Figure 30
Figure 29
Figure 31 Figure 32
IMPORTANT
NEVER replace the
auger shear pins with
standard pins. Any
damage to the auger
gearbox or other com-
ponents, as a result of
doing so, will NOT be
covered by your snow
thrower’s warranty.
When reassembling
the friction wheel as-
sembly, tighten each
screw only one rota-
tion before turning the
wheel clockwise and
proceeding with the
next screw. Repeat
this process several
times to ensure the
plates are secured
with equal force.

20
7
Off-Season
Storage
Never store snow
thrower with fuel
in tank indoors or
in poorly ventilated
areas, where fuel
fumes may reach an
open flame, spark
or pilot light as on a
furnace, water heater,
clothes dryer or gas
appliance.
WARNING
Drain fuel into an
approved container
outdoors, away from
any open flame. Be
certain engine is
cool. Do not smoke.
Fuel left in engine
during warm weather
deteriorates and will
cause serious
starting problems.
Observe the following, when preparing your snow thrower
for off-season storage:
• Drain fuel into an approved container outdoors, away
from any open flame. Allow engine to cool. Extinguish
cigarettes, cigars, pipes and other sources of ignition
prior to draining fuel. Fuel left in engine during warm
weather deteriorates and will cause serious starting
problems.
• If unit is to be stored over 30 days, prepare for storage
as instructed in the separate engine manual packed
with your unit.
• Run engine until fuel tank is empty and engine stops
due to lack of fuel.
• Remove gasoline from carburetor and fuel tank to
prevent gum deposits from forming on these parts and
causing possible malfunction of engine.
• Drain carburetor by pressing upward on bowl drain,
located below the carburetor cover.
• Fuel stabilizers, such as STA-BIL®, are an acceptable
alternative in minimizing the formation of fuel gum
deposits during storage. Do not drain carburetor if
using a fuel stabilizer.
• Wipe equipment with an oiled rag to prevent rust.
• Remove spark plug and pour one ounce of engine oil
through spark plug hole into cylinder. Cover spark plug
hole with rag. Crank engine several times to distribute
oil. Replace spark plug.
• Follow the lubrication recommendations found in the
Maintenance Section.
• Always store the snow thrower in a clean, dry area.
Do not drain
carburetor if
using fuel stabilizer.
Never use engine or
carburetor cleaning
products in the fuel
tank or permanent
damage may occur.

21
NOTE: This section
addresses minor
service issues. For
further details, contact
customer assistance.
8
Trouble-
Shooting
CauseProblem Remedy
Engine fails to start 1. Choke not in ON position.
2. Spark plug wire disconnected.
3. Fuel tank empty or stale fuel.
4. Engine not primed.
5. Faulty spark plug.
6. Blocked fuel line.
7. Safety key not in ignition on engine.
8. Fuel shut-ff valve closed. (If Equipped)
1. Move choke to ON position.
2. Connect wire to spark plug.
3. Fill tank with clean, fresh gasoline.
4. Prime engine as instructed in
“Operating Your Snow Thrower”.
5. Clean, adjust gap, or replace.
6. Clean fuel line.
7. Insert key fully into the switch.
8. Open fuel shut-off valve.
Engine runs erratic 1. Move choke lever to OFF position.
2. Clean fuel line; fill tank with clean,
fresh gasoline.
3. Drain fuel tank. Refill with
fresh fuel.
4. Contact Service Center.
1. Unit running on CHOKE.
2. Blocked fuel line or stale fuel.
3. Water or dirt in fuel system.
4. Carburetor out of adjustment.
Engine overheats 1. Contact Service Center.1. Carburetor not adjusted properly.
Loss of power 1. Connect and tighten spark plug
wire.
2. Remove ice and snow from gas
cap. Be certain vent hole is clear.
3. Contact Service Center.
1. Spark plug wire loose.
2. Gas cap vent hole plugged.
3. Exhaust port plugged.
Unit fails
to propel itself
1. Adjust drive control cable. Refer to
“Adjustments”.
2. Replace drive belt.
1. Drive control cable in need of adjust-
ment.
2. Drive belt loose or damaged.
Excessive
Vibration
1. Loose parts or damaged auger. 1. Stop engine immediately and
disconnect spark plug wire. Tighten
all bolts and nuts. If vibration
continues, have unit serviced by a
Service Center.
Unit fails
to discharge snow
1. Stop engine immediately and
disconnect spark plug wire. Clean
chute assembly and inside of auger
housing with clean-out tool or a
stick.
2. Stop engine immediately and
disconnect spark plug wire.
Remove object from auger with
clean-out tool or a stick.
3. Refer to “Auger Control Test” .
4. Refer to Maintenance section.
5. Replace with new shear pin(s).
1. Chute assembly clogged.
2. Foreign object lodged in auger.
3. Auger control cable in need of adjust-
ment.
4. Auger belt loose or damaged.
5. Shear pin(s) sheared.

22
TWO YEAR SUPREME WARRANTY:
For two years from date of retail purchase within Canada, MTD PRODUCTS LIMITED will, at its option,
repair or replace, for the original purchaser, free of charge, any part or parts found to be defective in mate-
rial or workmanship. This warranty covers units which have been operated and maintained in accordance
with the owner’s instructions furnished with the unit, and which have not been subject to misuse, abuse,
commercial use, neglect, accident improper maintenance or alteration. Normal wear parts or components
thereof are subject to special terms as noted below in the NO FAULT Ninety Day Consumer Warranty
clause.
The engine, starter motor or component parts thereof carry separate warranties from their manufacturers.
Please refer to the applicable manufacturer’s warranty policy for these items.
NO FAULT Ninety Day Consumer Warranty on Normal Wear Parts: All normal wear part failures will be
covered on this product for a period of 90 days regardless of cause. After 90 days but within the two year
warranty period, normal wear part failures will be covered if caused by defects in material or workmanship
of other component parts. Normal wear parts are defined as batteries, belts, blades, blade adaptors, grass
bags, rider deck wheels, seats, tires and clutch parts (friction wheels).
Full Ninety Day Warranty on Battery: For ninety (90) days from the date of retail purchase, if any battery
included with this unit proves defective in material or workmanship and our testing determines the battery
will not hold a charge, MTD PRODUCTS LIMITED will replace the battery at no charge to the original pur-
chaser.
Additional Limited Thirty Day Warranty on Battery: After ninety (90) days but within one hundred
twenty (120) days from the date of purchase, MTD PRODUCTS LIMITED will replace the defective battery,
for the original purchaser, for a cost of one -half (½) of the current retail price of the battery in effect at the
date of return.
How to Obtain Service: Warranty service is available, with proof of purchase, through your local MTD
Authorized Service Dealer. If you do not know the dealer in your area, please write to the Service Depart-
ment of MTD PRODUCTS LIMITED, P.O. BOX 1386, KITCHENER, ONTARIO N2G 4J1. The return of a
complete unit will not be accepted by the factory unless prior written permission has been extended by MTD
PRODUCTS LIMITED.
Other Warranties: All other warranties, express or implied, including any implied warranty of merchant-
ability is limited in its duration to that set forth in this express limited warranty. The provisions as set forth in
this warranty provide the sole and exclusive remedy of MTD PRODUCTS LIMITED obligations arising from
the sale of its products. MTD PRODUCTS LIMITED will not be liable for incidental or consequential loss or
damage.

23
Model Wheel As sem bly De scrip tion Tire Rim Axle
Modèle En sem ble de roue De scrip tion Roue Jante Essieu
31AH5GLG 634-04145 16 x 4.8 x 8 LH X-Trac 734-2038 634-04173 738-04180
31AH5KLH 634-04146 16 x 4.8 x 8 RH X-Trac 734-2038 634-04173
31AH6GLF 634-04145 16 x 4.8 x 8 LH X-Trac 734-2038 634-04173 738-04180
31AH6KLG 634-04146 16 x 4.8 x 8 RH X-Trac 734-2038 634-04173
31AH6GLN
31AH5MLH 634-04136 16 x 6.5 x 8 LH X-Trac 734-2031 634-04174 738-04180
31AH5IQ4 634-04137 16 x 6.5 x 8 RH X-Trac 734-2031 634-04174 738-04180
31AH5MLH
31BE6MLO 634-04136 16 x 6.5 x 8 LH X-Trac 734-2031 634-04174 738-04168
634-04137 16 x 6.5 x 8 RH X-Trac 734-2031 634-04174 738-04168
31AA6AKD 634-04144A 13 x 4 Snow Hog 734-1732 634-04172A 738-04181
31AA6AHE
31AE5GKF 634-04141 16 x 4.8 Snow Hog 734-1530 634-04173 738-04168
31AE5KLF
31AS6LEF
31AE6GKF
31AE6GKG
31AE6MKH
31AE6FHF
31AE6LHG
31AE6LKG
31AS6LCG
31AS6FEE 634-04142A 15 X 5 Snow Hog 734-1859 634-04151A 738-04168
31AE6MKH 634-04135 16 X 6.5 Snow Hog 734-1525 634-04174 738-04168
31AE6LKG
31AE6LHH
31AH6DQ3 634-04147A 15 X 5 X 6 LH X-Trac 734-04012 634-04172A 738-04168
634-04148A 15 X 5 X 6 RH X-Trac 634-04172A
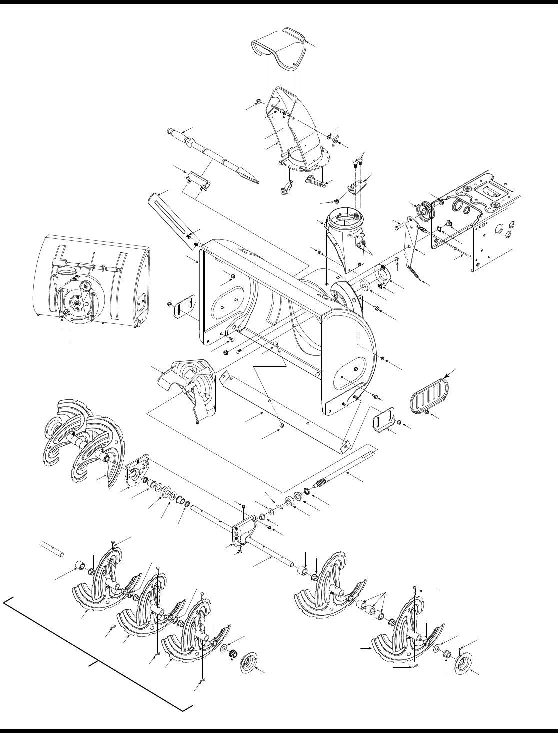
AU GER HOUS ING COM PO NENTS/COMPOSANTS DU LOGEMENT DES TARIÈRES
SIZE
TAILLE
AU GER HOUS ING/
LOGEMENT DES
TARIÈRES
AU GER AXLE/
ESSIEU DES
TARIÈRES
SHAVE PLATE
LAME
PLATE
GEAR BOX ASS’Y/
EN SEM BLE DE LA
VIS SANS FIN
SPAC ERS/
ENTRETOISE
22 684-04076 711-04286 790-00117 618-04190 N/A
24 684-04077 711-04285 790-00120 618-04191 731-04870 (1)
26 684-04078 711-04284 790-00121 618-04192 731-04870 (2)
28 684-04079 711-04283 790-00118 618-04193 731-04870 (3)
30 684-04080 711-04282 790-00119 618-04194 731-04871 (2)

24

25
REF PART
NO. NO.
N° DE N° DE
RÉF PIÈCE DE SCRIP TION DE SCRIP TION
1 710-1652 Hex Wash Hd TT Scr. 1/4-20 x .625 Vis taraudée 1/4-20 x 0,625
2 731-05353 Belt Cover Couvre-courroie
3 732-0705 Ca ble Con trol Wire Fil de commande de la câble
4 711-1268B Drive Shaft Ac tu a tor Régulateur
5 746-04229 Drive Clutch Cable 44.83" Lg. Câble de l’entraînement 44,83 po de lg.
6 732-0209 Extension Spring .47 OD x 2.03 Lg. Ressort d’extension 0,47 DE x 2,03 po de lg.
7 790-00207 Guide Bracket - Drive Ca ble Support - câble de l’entraînement
8 684-04156 Shift Rod Ass’y Tige de changement de la vitesses
9 750-04474 Axle Sup port Tube Tuyau de support de l’essieu
10 714-0126 #9 HI-Pro Key 3/16 x 3/4 Dia HT Clavette HI-Pro no. 9 - 3/16 x 3/4 dia.
11 710-0602 Hex Wash Hd Tapp Scr 5/16-18 x 1.00 Vis auto-fileteuse à tête hex et rondelle 5/16-18
12 717-04210 Gear, 56T Engrenage 56 dents
13 712-04063 Flange Lock-Nut 5/16-18 Gr. F Ny lon Contre-écrou à embase 5/16-18Qual. F ny lon
14 741-0245 Hex. Flange Bear ing.751" ID Roulement à bride à six pans 0,751 DI
15 790-00206 Guide Bracket - Au ger Cable Support - Câble de tarière
16 756-0625 Cable Guide Roller Guide du câble
17 738-0924 Hex Shld.Scr.1/4-28 x .375 Vis à épaulement 1/4-28 x 0,375
18 618-04288 Dogg As sembly - LH CG - cliquet
18 618-04287 Dogg As sembly - RH CD - cliquet
19 726-04012 Push Nut Écrou à enfoncer
20 750-04477 Spacer .340 x .750 x .360" Lg. Entretoise 0,340 x 0,750 x 0,360 po de lg.
21 790-00156 Shift Spacer Bracket Sup port d’espacement
22 732-04311 Torsion Spring .750 ID x .968" Lg. Ressort de tor sion 0,750 DI x 0,968 po de lg.
23 731-05297 Spacer Entretoise
24 716-0104 Re tain ing Ring Anneau de retenue
25 736-0188 Flat Washer .760 ID x 1.49 OD Rondelle plate 0,760 DI x 1,49 DE
26 736-0626 Flat Washer .580 x 1.125 x .080 Rondelle plate 0,580 x 1,125 x 0,080
27 741-04076 Ball Bearing Roulement à billes
28 738-04180 Axle Essieu
29 731-04873 Spacer Entretoise
30 710-0654A Hex Wash HD Tap Scr 3/8-16 x .88 Vis autotaraudee 3/8-16 x 0,88
31 710-0788 Hex Bolt 1/4-20 x 1.00 Vis à tête hex. 1/4-20 x 1,00
32 790-00185 Shaft Re tainer - LH Retenue d’arbre CG
33 See chart on page 23. Voir tab leau de la page 23.
34 736-0242 Cupped Washer .345 ID x .88 OD x .060 Rondelle creuse 0,345 DI x 0,88 DE x 0,060
35 710-0627 Hex L-Bolt 5/16-24 x .75 Gr. 5 Boulon hex. 5/16-24 x 0,75 Qual. 5
36 684-04154 Friction Wheel Support Brkt Ass’y Support de la roue du fric tion
37 790-00096 Auger Cable Guide Bracket Support, guide de la câble de la tarière
38 748-0190 Spacer .513 ID x 1.0 Entretoise 0,513 DI x 1,0
39 738-04184A Shoulder Screw .373 x .105:TT 1/4-20 Vis à épaulement 0,373 x 0,105:1/4-20
40 790-00226 Frame Cover Couvercle
41 656-04025 Friction Wheel Disc As sembly Disque de roue du fric tion
42 618-04283 Drive Shaft As sembly (w/o Fric tion Wheel Ass'y) Arbre d’entraînement (sans en semble de la roue frottement)
42A 711-04416 Hex Drive Shaft (500) Arbre d'entraînement (500)
42B 618-04284 Plan e tary Car rier Ass'y Porte-roue
42C 717-1209A Gear 12T Engrenage 12 dents
42D 736-0502 Flat Washer .58 x 1.12 x .02 Rondelle plate 0,58 x 1,12 x 0,02
42E 736-0336 Flat Washer 5/8 ID x 1.0 OD Rondelle plate 5/8 DI x 1,0 DE
42F 717-1210A Gear 18T Engrenage 18 dents
42G 618-04285 Ring Planetary Gear Ass'y (500) Ensemble de l'engrenage (500)
42H 716-0194 Retaining Ring 1.56 diam. Bague de retenue 1,56 diam.
43 684-04159 Fric tion Wheel As sem bly Ensemble de la roue de frottement
43A 735-04054 Friction Wheel Rubber Roue du friction en caou tchouc
43B 790-00174 Fric tion Plate Plaque du fric tion
44 716-0136 Re tainer Ring Bague de retenue
45 726-0221 Cap Speed Nut 1/4 Rod Chapeau à enfoncer
46 790-00183 Wheel Drive Frame Châssis de l’entraînement de roue
47 756-04109 Au ger Pul ley Poulie de la tarière
48 736-0505 Flat Washer .34 x 1.50 x .150 Rondelle plate 0,34 x 1,50 x 0,150
49 710-1245B Hex Bolt 5/16-24 x 0.875 Boulon hex. 5/16-24 x 0,875
50 736-0119 L-Wash 5/16 ID Rondelle frein 5/16 DI
51 790-00230 Bear ing Sleeve Roulement
52 741-0919 Ball Bear ing 20 x 47 x 14:6204:DS Roulement à billes 20 x 47 x 14:6204:DS
53 750-04571 Spacer Entretoise
54 732-04308A Torsion Spring .850 ID x .354" Lg. Ressort de tor sion 0,850 DI x 0,354 po de lg.
55 710-0672 Hex HD. Cap Scr. 5/16-24 x 1.25 Lg. Vis à tête hex agonal 5/16-24 x 1,25 po de lg
56 756-04179 Pulley HalfL 1/4 V x 1.5 OD Poulie, demi 1,5 DE
57 754-04088 Belt 33.0" Lg. Courroie trapézoïdale 33,0 po de lg.
58 710-0809 Hex Bolt 1/4-20 x 1.25 Boulon hex. 1/4-20 x 1,25
59 790-00208 Wheel Drive Idler Bracket Sup port
60 748-04112 Shoul der Spacer Entretoise épaulée
61 732-0264 Extension Spring 3/8 OD x 2.50 Ressort d’extension 3/8 DE x 2,50
62 712-0413 Jam L-Nut 5/8-18 Gr. 5 Ny lon Écrou de blocage 5/8-18 Qual. 5 Ny lon
63 750-04303 Spacer .875 ID x 1.185 OD Entretoise 0,875 DI x 1,185 DE
64 756-04113 Pul ley Half Moitié poulie
65 736-0247 Flat Washer .40 ID x 1.25 OD x .160 Rondelle plate 0,40 DI x 1,25 DE x 0,160
66 710-0191 Hex Screw 3/8-24 x 1.25 Vis à tête hexagonale 3/8-24 x 1,25
67 748-04053 Pul ley Adapter Adaptateur de la poulie
68 746-0956A Steer ing Ca ble Câble
69 790-00186 Shaft Re tainer - RH Retenue d’arbre CD
70 750-0767 Axle Spacer Entretoise - essieu
71 712-04065 Flange Lock-Nut 3/8-16 Gr. F Ny lon Contre-écrou à embase 3/8-16 Qual. F ny lon
72 754-04050 Belt .5 x 35.0" Lg. Courroie 0,5 x 35,0 po de lg.
73 710-0751 Hex Bolt 1/4-20 x .62 Gr. 5 Boulon hexagonale 1/4-20 x 0,62 Qual. 5
74 790-00217 Pivot Bracket Support de pivot
75 790-00218 Shift Bracket Support de changement de la vitesses
76 712-04064 Flange Lock-Nut 1/4-20 Gr. F Ny lon Contre-écrou à embase 1/4-20 Qual. F ny lon
316-5003
7.21.05

26
30
7
35
40
2
26
8
6
5
21
23
12
7
18
24 61
14
22
3
9
65
6
66
43
42
4
1
16
44 7
4
7
9
17
13
39
40
4
36 37
7
41
38
4
7
715
32
33
53
57
48
55
49
60
50
51
46
47
58
54
62
45
28 52
59
56
31
29
31
33
33
63
32
11
11
34
27
29
29
29
20 20 34
33
27
27
27

27
REF PART
NO. NO.
N° DE N° DE
RÉF PIÈCE DE SCRIP TION DE SCRIP TION
1 731-2643 Clean-Out Tool Outil de dégagement de la goulotte
2 684-04057 Impeller Ass'y 12 po Ventilateur
3 710-0347 Hex Screw 3/8-16 x 1.75 Vis à tête hex 3/8-16 x 1,75
4 710-0451 Carriage Bolt 5/16-18 x .75 Gr. 1 Boulon ordi naire 5/16-18 x 0,75 Qual. 1
5 710-0703 Carriage Screw 1/4-20 x .75 Gr. 5 Boulon ordi naire 1/4-20 x 0,75 Qual. 5
6 710-0604A Hex Wash HD AB Tap Scr 5/16-18 x .625 Vis taraudée 5/16 x 0,625
7 712-04063 Flange Locknut 5/16-18 Gr. F Ny lon Contre-écrou à embase 5/16-18 Qual. F ny lon
8 712-04064 Hex L-Flanged Nut 1/4-20 Gr. F Ny lon Contre-écrou à embase 1/4-20 Qual. F ny lon
9 712-04065 Hex L-Flanged Nut 3/8-16 Gr. F Ny lon Contre-ecrou à embase 3/8-16 Qual. F ny lon
10 714-0149B In ter nal Cot ter Pin Goupille fendue interne
11 731-04871 Spacer 1.25 x .75 x 3/16" Lg. Entretoise 1,25 x 0,75 x 3/16 po de lg.
12 726-04012 Push-on Nut .25 dia. Écrou pousser 0,25 diam.
13 731-04705 Chute Adapter Adaptateur de goulotte d'éjection
14 732-0611 Ex ten sion Spring Ressort d’extension
15 736-0174 Wave Washer .660 ID x .88 OD x .010 Rondelle ondulée 0,660 DI x 0,88 DE x 0,010
16 731-02625 Cleanout Tool Mount Montage de la outil de dégagement de la goulotte
17 738-0143 Shld. Scr. .500 Dia. x .335" Lg. Vis à épaulement dia. 0,500 po x 0,335 po de lg.
18 738-0281 Shoulder Scr .625 Dia x .170 Vis à épaulement dia 0,625 x 0,170 po
19 738-04124A Shear Pin .25 x 1.5 Gr. 2 Boulon de cisaillement 0,25 x 1,5 Qual 2.
20 741-0245 Hex. Flange Brg. .751" I.D. Roulement 0,75 DI
21 741-0309 Self-align ing bear ing Roulement auto-aligneur
22 756-0981A Flat Idler Pul ley 2.75" OD Poulie tendeur 2,75 DE
23 790-00075 Bearing Hous ing 1.85 ID Carter de la roulement 1,85 DI
24 790-00080 Auger Idler Brake Bracket Sup port
25 See chart on page 23. Voir tab leau de la page 23.
26 See chart on page 23. Voir tab leau de la page 23.
27 684-04107 Spiral Ass'y LH Tarière CG
28 684-04108 Spiral Ass'y RH Tarière CD
29 714-04040 Bow Tie Cotter Pin Goupille fendue
30 See chart on page 23. Voir tab leau de la page 23.
31 736-0188 Flat Washer .760 ID x 1.49 OD Rondelle plate 0,760 DI x 1,49 DE
32 738-04124A Shear Pin .25 x 1.5 Gr. 2 Goupille de cisaillement 0,25 x 1,5 po de lg
33 741-0493A Flange Bushing Collet à bride
34 790-00087A Bush ing Hous ing Carter de la col let
790-00138A Bushing Housing (w/grease fitting hole) Carter de la col let (avec trou pour raccord de graissage)
35 See chart on page 23. Voir tab leau de la page 23.
36 710-04071 Carriage Bolt 5/16-18 x 1.0 Boulon ordi naire 5/16-18 x 1,0
37 720-0284 Han dle Knob As sem bly Bou ton
38 731-04354A Up per Chute Goulotte supérieur
39 731-04869 Chute Flange Keeper Garde-bride de la goulotte
40 731-04912 Lower Chute Goulotte inférieur
41 736-0159 Flat Washer .349 ID x .879 OD x .063 Rondelle plate 0,349 DI x 0,879 DE x 0,063
42 741-0475 Plastic Bush ing .380 ID Manchon en plastique de 0,38 po de D.I.
43 784-5647 Chute Crank Brkt. Support du bras de goulotte d’éjection
44 784-5580 Slide Shoe Sabot coulissant
45 719-0319 RH Re duced Au ger Housing Carter de l'engrenage CD
46 719-0320 LH Re duced Auger Hous ing Carter de l'engrenage CG
47 721-0179 Oil Seal 3/4 ID Joint d’étanchéité d’huile 3/4 DI
48 741-0662 Flange Bear ing .75 ID x 1.00 OD x .50 Roulement 0,75 DI x 1,00 DE x 0,50
49 710-0642 Thd Form ing Scr. 1/4-20 x .75 Vis taraudée 1/4-20 x 0,75
50 See chart on page 23. Voir tab leau de la page 23.
51 714-0161 Hi Pro Key 3/16 x 5/8 Clé 3/16 x 5/8
52 715-04021 Dowel Pin .25 OD x 1.2 Goupille 0,25 x 1,2
53 717-04126 Worm Shaft .75 OD Arbre 0,75 DE
54 717-0528A Worm Gear 20T Arbre 20 dents
55 718-04071 Thrust Col lar Col let
56 721-0325 Plug, 1/4 x .437 Bouchon 1/4 x 0,437
57 721-0327 Oil Seal .75 x 1 x .131 Joint d'huile 0,75 DI x 1 x 0,131
58 736-0351 Flat Washer .76 ID x 1.5 OD x .03 Rondelle plate 0,76 DI x 1,5 DE x 0,03
59 736-3084 Fl. Washer .510 x 1.120 x .060 Rondelle frein 0,510 x 1,120 x 0,060
60 741-0663 Flange Bear ing .75 ID x 1.0 OD x .925 Roulement 0,75 DI x 1,0 DE x 0,925
61 746-0897 Auger Clutch Ca ble (w/"Z" fitting) Câble de tarière (avec extrémité en «Z»)
62 741-0661A Flange Bear ing.75 ID x 1.0 OD x .975 Roulement 0,75 DI x 1,0 DE x 0,975
63 731-04870 Spacer 1.25 x .75 x 1.00 Entretoise 1,25 x 0,75 x 1,00 po de lg.
64 737-3000 Grease Fit ting (optional) Raccord de graissage (en op tion)
65 790-00091 Re vers ible Slide Shoe Pat in réversible
66 790-00181 Drift Cutter - Op tional Virole de réglage - en op tion
31A-6002
7.12.05

28
*

29
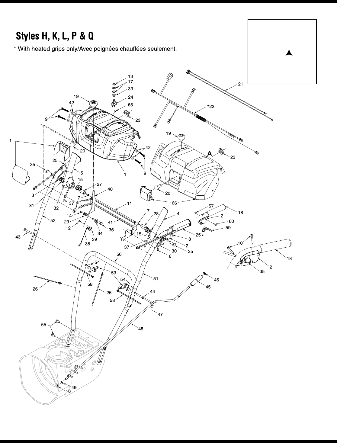
REF PART
NO. NO.
N° DE N° DE
RÉF PIÈCE DE SCRIP TION DE SCRIP TION
1 631-04180 Handle Panel Ass’y - Yel low Panneau - jaune
1 631-04185 Handle Panel Ass’y - Black Panneau - noir
1 631-04183 Handle Panel Ass’y-Black w/Chute Con trol Panneau - noir avec comm. de la goulotte
2 631-04133 LH Clutch Lock Han dle Ass’y Poignée d’embrayage CG
3 631-04134A RH Clutch Lock Handle Ass’y Poignée d’embrayage CD
4 684-04105A En gage ment Han dle As sem bly LH Poignée d’entraînement CG
5 684-04106A En gage ment Han dle As sem bly RH Poignée d’entraînement CD
6 710-04326 Screw #8-16 x .50 Vis no. 8-16 x 0,50
7 710-04354 Screw 1/4-20 x .375 Vis 1/4-20 x 0,375
8 710-0837 Oval HD C-Sunk Scr #10 x 5/8 Vis à tête goutte de suif no. 10 x 5/8
9 710-1026 Hex TT-Tap Scr 1/4-20 x 1.75 Vis taraudée 1/4-20 x 1,75
10 710-1233 Oval C-Sunk Hd Screw 10-24 x 1.375 Vis 10-24 x 1,375
11 711-04287 Pivot Rod Tige de pivot
12 710-0224 Screw #10-16 x .50 Vis no. 10-16 x 0,50
13 712-0693 Hex Nut Écrou à six pans
14 712-04064 Hex L-Flanged Nut 1/4-20 Gr. F Ny lon Contre-écrou à embase 1/4-20 Qual. F ny lon
15 712-04081A Hex Shoul der Nut 1/4-20 Écrou 1/4-20
16 714-0104 Int. Cot ter Pin .072 x 1.13" Lg. Goupille fendue int. 0,072 x 1,13 po de lg.
17 716-0398 Lock Ring - Tog gle Switch Bague - commutateur à culbuteur
18 720-0274 Grip Poignée
19 720-04039 Shift Knob Bou ton
19 720-04045 Shift Knob - Yellow Bouton - jaune
20 725-04213 Lamp #1295 Ampoulle no. 1295
21 725-04214 Wire Har ness Faisceau de fil
22 725-04216A Heated Grip Wire Har ness Faisceau de fil - poignée chauffée
23 725-1649 Socket Douille
24 725-1756 Toggle Switch - Sin gle Throw Commutateur à culbuteur
25 725-1757 Heated Grip Poignée chauffée
26 726-0470 Cable Tie 19 x 8.39" Attache-câble 19 x 8,39 po
27 731-04894B Lock Plate Palastre de serrure
28 731-04896A Clutch Lock Cam Came
29 732-0193 Compression Spring .38 ID x .88 Lg Ressort de com pression 0,38 DI x 0,88 po de lg.
30 732-04219 Spring: Clutch Lock Ressort: Verrou d’embrayage
31 732-04238 Torsion Spring .8156 x .3038 Ressort de tor sion 0,8156 x 0,3038
32 735-0199A Rub ber Bumper Pare - chocs en caoutchouc
33 736-0226 Flat Washer .469 ID x .88 OD x .063 Rondelle plate 0,469 DI x 0,88 DE x 0,063
34 736-0262 Flat Washer .38 ID x .87 OD x .09 Rondelle plate 0,38 DI x 0,87 DE x 0,09
35 738-04122 Shoulder Screw 1/4-20 x 1.345 Vis à épaulement 1/4-20 x 1,345
36 738-04125 Shoulder Screw .374 Dia. x 1.05 Lg. Vis à épaulement 0,374 dia. x 1,05 po de lg.
37 746-0778 Z Fit ting Extrémité en «Z»
38 746-04227 Se lec tor Speed Ca ble Câble
39 746-0605 Ca ble Bar rel Holder Support de la câble
40 790-00203 Shift Le ver Levier de changement de la vitesse
42 736-0463 Flat Washer .25 x .63 x .050 Rondelle plate 0,25 x 0,63 x 0,05
41 790-00140 Panel Sup port Support de panneau de bord
43 710-0449 Carriage Bolt 5/16-18 x 2.25 Boulon ordi naire 5/16-18 x 2,25
44 747-04263 Chute Crank Eye Bolt Spe cial Boulon à oeil spécial
45 720-0201A Knob 1.0 x 3.2 Bouton 1,0 x 3,20
46 726-0100 Push Nut 3/8" Rod Écrou pour tige de 3/8 po
47 735-0234 Grom met Grummet
48 684-04104 Chute Crank As sembly Manivelle de la goulotte
49 736-0185 Flat Washer .406" I.D. x .75" O.D. Rondelle plate 0,406 DI x 0,75 DE
51 749-04142 Up per Han dle LH Goulotte supérieur CG
51 749-04191 Upper Han dle LH (Heated Grips) Guidon supérieur CG (poignée chauffée)
52 749-04141 Up per Han dle RH Guidon supérieur CD
52 749-04190 Upper Han dle RH (Heated Grips) Guidon supérieur CD (poignée chauffée)
53 720-04065 Han dle Knob As sem bly Bou ton
54 736-0451 Saddle Wash. .320 ID x .937 OD Rondelle sellé 0,320 DI x 0,937 DE
55 710-1260A Hex Wash HD Lo Tap Scr 5/16 x .75 Vis taraudée 5/16 x 0,75
56 749-04138 Lower Han dle Guidon inférieur
57 716-04036 E Ring Bague en «E»
58 725-0157 Ca ble Tie Attache-câble
59 731-04913 Steer ing Con trol Commande d’orientation
60 738-04126 Pin 3/16 Goupille 3/16
65 716-04046 E-Ring 0.76 Bague en «E» 0,076
66 631-04181 Handle Panel Ass’y - Troy-Bilt Panneau - Troy-Bilt
31A-6006
7.15.05

30
REF PART
NO. NO.
N° DE N° DE
RÉF PIÈCE DE SCRIP TION DE SCRIP TION
1 731-04131A Lower Chute (2 Way) Goulotte inférieur (2 fonctions)
2 731-04861A Lower Chute (4 Way) Goulotte inférieur (4 fonctions)
3 684-04117 2 Way Chute Con trol As sembly Ens. - commande de la goulotte à 2 fonctions
4 684-04116A 4 Way Chute Con trol As sembly Ens. - commande de la goulotte à 4 fonctions
5 710-0262 Carriage Bolt 5/16-18 x 1.50 Gr. 2 Boulon ordinaire 5/16-18 x 1,50 Qual. 2
6 710-04071 Carriage Screw 5/16-18 x 1.0 Vis ordinaire 5/16-18 x 1,0
7 710-04187 Hi-Lo Screw 1/4-15 x .5 Vis 1/4-15 x 0,5
8 710-0451 Carriage Bolt 5/16-18 x .75" Lg Boulon ordinaire de 5/16-18 x 0,75 po de lg
9 738-04194 Shoulder Screw .312 x 1.7:1/4-20 Vis épaulement 0,312 x 1,7:1/4-20
10 710-0895 Hex Tapp Scr 1/4 x .75" Lg. Vis taraudée à tête hex. de 1/4 x 0,75 po de lg
11 711-04469A Clevis Pin 3/8 x 1.87 Axe de chape 3/8 x 1,87
12 714-04040 Bow Tie Cot ter Pin Goupille fendue
13 712-04063 Flange Locknut 5/16-18 Gr. F Ny lon Contre-écrou à embase 5/16-18 Qual. F ny lon
14 712-03087 Wing Nut 1/4-20 Écrou en oreilles 1/4-20
15 731-04425A Upper Chute w/Ex port La bel, Re mote Goulotte sup.,étiquette d’exp., comm. a dis tance
16 731-1313C Ca ble Guide Guide de la câble
17 731-04869 Chute Flange Keeper Garde-bride de la goulotte
18 738-04135 Shoulder Screw .25 x .50:10-24 Vis à épaulement 0,25 x 0,50:10-24
19 741-0475 Plastic Bush ing .380 ID Manchon en plastique de 0,38 po de D.I.
20 749-04155 Chute Sup port Tube Tuyau de sup port de la goulotte
21 784-5594 Cable Bracket Chute Tilt Support de câble
22 712-04064 Hex L-Flanged Nut 1/4-20 Gr. F Ny lon Contre-écrou à embase 1/4-20 Qual. F ny lon
23 784-5647 Chute Crank Brkt. Support du bras de goulotte d’ejection
24 790-00131 Bracket: Chute Con trol Support: Commande de la goulotte
25 736-0159 Flat Washer .349 ID x .879 OD x .063 Rondelle plate 0,349 DI x 0,879 DE x 0,063
26 684-04162 Sup port Bracket Sup port
27 710-04187 Hi-Lo Screw 1/4-15 x .50 Vis 1/4-15 x 0,50
28 710-0606 Hex Hd. Cap Screw 1/4-20 x 1.5 Gr. 5 Vis à tête hex. 1/4-20 x 1,5 Qual. 5
29 710-0627 Hex Hd. Cap Screw 5/16-24 x .75 Vis à tête hex. 5/16-24 x 0,75
30 736-0463 Flat Washer .25 ID x .63 OD x .0515 Rondelle plate 0,25 DI x 0,63 x 0,0515
31A-6004
7.14.05

22
GARANTIE SUPRÈME DE DEUX ANS
MTD PRODUCTS LIMITED s’engage à réparer ou à remplacer gratuitement, à son choix, à l’acheteur initial,
la ou les pièces qui s’avèrent défectueuses en raison d’un vice de matière ou de fabrication dans les deux ans
qui suivent la date d’achat au détail au Canada. Cette garantie s’applique seulement aux machines qui ont
été utilisées et entretenues conformément aux instructions publiées dans la notice d’utilisation accompagnant
la machine, qui n’ont pas fait l’objet d’un emploi incorrect ou abusif, de négligence, d’un entretien inadéquat
ou de modification, qui n’ont pas été accidentées et qui n’ont pas été utilisées à des fins commerciales. Les
pièces courantes font l’objet de conditions spéciales énumérées ci-dessous dans la clause «Garantie sans
défaut de quatre-vingt-dix jours au consommateur».
Le moteur, le moteur de démarrage ainsi que ses composants font l’objet d’une garantie séparée de leurs
fabricants respectifs. Veuillez consulter les conditions de garantie du fabricant en ce qui concerne ces pièces.
«Garantie sans défaut de quatre-vingt-dix jours au consommateur» des pièces courantes: Toutes les
pièces courantes sont protégées pendant 90 jours, quelle que soit la cause de leur défaillance. À l’expiration
du délai de 90 jours, mais avant la fin de la période de garantie de deux ans, les pièces courantes sont proté-
gées si leur défaillance résulte du vice de matière ou de fabrication d’une autre pièce. Par pièces courantes,
on entend les batteries, les courroies, les lames, les adaptateurs de lames, les sacs à herbe, les roues des
tondeuses, les sièges, les pneus et les pièces de l’embrayage (roues de frottement).
Garantie complète de quatre-vingt-dix jours sur la batterie: MTD s’engage à remplacer gratuitement
à l’acheteur initial toute batterie fournie avec cette machine qui s’avère défectueuse en raison d’un vice de
matière ou de fabrication et après que nos tests aient confirmé qu’elle ne peut maintenir une charge.
Garantie limitée supplémentaire de trente jours sur la batterie: MTD s’engage, à l’expiration de la péri-
ode de quatre-vingt-dix (90) jours et avant la fin d’une période de cent vingt (120) jours à compter de la date
d’achat, à remplacer la batterie défectueuse à l’acheteur initial, pour la moitié (1/2) du prix de détail en vigueur
de la batterie à la date du retour de celle-ci.
Pour obtenir le service sous garantie: Tout concessionnaire-réparateur agréé par MTD est en mesure
d’assurer tout service sous garantie sur présentation d’une preuve d’achat. Si vous ne connaissez pas le
concessionnaire-réparateur de votre localité, adressez-vous au service après-vente, MTD PRODUCTS LIM-
ITED, C. P. 1386, KITCHENER (ONTARIO) N2G 4J1. Une machine complète ne peut être retournée à l’usine
que si elle est accompagnée d’une autorisation écrite préalable de MTD PRODUCTS LIMITED.
Autres garanties: Toutes les autres garanties, exprimées ou tacites, y compris les garanties tacites de
qualité marchande, se limitent à la durée stipulée dans la garantie limitée exprimée. Les conditions stipulées
dans cette garantie représentent les seules obligations de MTD PRODUCTS LIMITED découlant de la vente
de ses produits. MTD PRODUCTS LIMITED n’est pas responsable de toute perte ni de tout dommage indirect
ou accidentel.

21
REMARQUE: Ce
chapitre concerne des
problèmes d’entretien
mineurs. Pour plus de
détails, adressez-vous
au service après-vente.
8
Dépannage
Cause(s) Problème Solution
Le moteur ne démarre pas 1. Volet de départ fermé.
2. Fil de la bougie débranché.
3. Réservoir vide ou essence éventée.
4. Bouton de l’amorceur n’étant pas employé
correctement.
5. Bougie défectueuse.
6. Canalisation de carburant bouchée.
7. La clé de contact du moteur n’est pas mise.
8. Robinet d’arrivée de carburant fermé.
1. Ouvrez le volet de départ.
2. Branchez le fil de la bougie.
3. Faite le plein avec une essence propre
et fraîche.
4. Consultez le chapitre “Utilisation de la
Souffleuse”.
5. Nettoyez, réglez l’écartement ou
remplacez la bougie.
6. La nettoyer.
7. Mettez la clé.
8. Ouvrez le robinet.
Fonctionnement irrégulier 1. Ouvrez le volet de départ.
2. Nettoyez la canalisation; faites le plein
avec une essence propre.
3. Débranchez la canalisation d’essence
au carburateur pour vider le réservoir
d’essence. Faites le plein avec une
essence fraîche.
4. Adressez-vous à une station
1. Machine fonctionnant avec le volet de
départ fermé.
2. Canalisation de carburant bouchée ou
essence éventée.
3. Eau ou saleté dans le système d’essence.
4. Carburateur est mal réglé.
1. Addressez-vous à une station
technique.
1. Carbureteur est mal réglé.Moteur surchauffe
Perte de puissance 1. Branchez et serrez le fil de la bougie.
2. Dégagez la glace et la neige du
chapeau. Assurez-vous de la propreté
du trou d’aération.
3. Adressez-vous à une station
technique.
1. Fil de la bougie desserré.
2. Chapeau d’échappement du trou
d’aération bouché.
3. Le port déchappement est bouché.
La souffleuse n’avance
pas 1. Réglez le câble d’entraînement.
Voir le Réglages.
2. Remplacez la courroie d’entraînement.
Vibration excessives 1. Pièces desserrées ou vis sans fin
endommagée.
1. Arrêtez immédiatement le moteur et
débranchez le fil de la bougie. Serrez
tous les boulons et écrous. Si les
vibrations persistent, faites vérifier la
machine par une station technique
agréée.
La souffleuse n’évacue pas
la neige
1. Arrêtez immédiatement le moteur
et débranchez le fil de la bougie.
Nettoyez la goulotte d’évacuation et
l’intérieur du logement de la tarière.
2. Arrêter immédiatement le moteur
et débranchez le fil de la bougie.
Dégagez le corps étranger de la tarière
avec l’outil de dégagement de la
goulotte ou un bâton.
3. Voir Test de commande de la tarière à
la page 11.
4. Voir la page 18.
5. Remplacez la goupille de cisaillement.
1. Goulotte d’évacuation bouchée.
2. Présence de corps étranger dans la
tarière.
3. Câble d’entraînement de la tarière mal
réglé.
4. Courroie d’entraînement de la tarière
abîmée ou ayant du jeu.
5. Goupille de cisaillement est cisaillé.
1. Câble d’entraînement mal réglé.
2. Courroie d’entraînement abîmée ou ayant
du jeu.

20
7
Remisage
hors saison
N’entreposez jamais le
moteur avec du carburant
dans le réservoir à
l’intérieur ou dans
des endroits fermés
si la ventilation n’est
pas adéquate et si les
vapeurs de carburant
peuvent venir en contact
avec une flamme ou une
étincelle ou veilleuse d’un
chauffe-eau, un radiateur,
un fourneau, un sêche-
linge ou autre appareil à
gaz.
Videz le carburant à
l’extérieur dans un
récipient homologué, à
distance de toute flamme
nue. Assurez-vous que le
moteur a refroidi. Ne fu-
mez pas. Tout carburant
restant dans le réservoir
par temps chaud se
détériorera et causera
de graves problèmes au
démarrage.
Procédez comme suit pour préparer la souffleuse avant
de la remiser.
• Videz le carburant à l’extérieur dans un récipient
homologué, à distance de toute flamme nue. As-
surez-vous que le moteur a refroidi. Ne fumez pas et
éteignez toute source de chaleur incandescente avant
de vider le carburant. Tout carburant restant dans le
réservoir par temps chaud se détériorera et causera
de graves problèmes au démarrage.
• Si la machine doit être entreposée pendant plus de 30
jours, préparez-la selon les instructions fournies dans
la notice d’utilisation du moteur qui accompagne votre
souffleuse.
• Laissez tourner le moteur jusqu’à ce qu’il s’arrête pour
cause de panne d’essence.
• Videz toute l’essence du carburateur et du réservoir
pour éviter la formation de dépôts de gomme qui pour-
raient causer le mauvais fonctionnement du moteur.
• Videz le carburateur en appuyant sur l’évacuation qui
se trouve sous le couvercle du carburateur.
• Les agents de stabilisation du carburant (STA-BIL®
par exemple) offrent une solution acceptable pour mi-
nimiser la formation de dépôts de gomme pendant le
remisage. Ne videz pas le carburateur si vous décidez
d’utiliser un agent de stabilisation du carburant.
• Essuyez la machine avec un chiffon imbibé d’huile
pour empêcher la formation de rouille.
• Retirez la bougie et versez une once d’huile à moteur
dans le trou de la bougie de la chemise. Reouvrez
le trou avec un chiffon et faites tourner le moteur
plusieurs fois pour bien répartir l’huile. Remettez la
bougie en place.
• Suivez les instructions concernant la lubrification dans
le chapitre sur l’entretien.
• Entreposez toujours la souffleuse dans un endroit sec
et propre.
Ne videz pas le carbura-
teur si vous utilisez un
stabilisateur de carbu-
rant. N’utilisez jamais des
produits de nettoyage du
moteur ou du carburateur
pour nettoyer le réservoir
de carburant car vous
pouvez causer des
dégâts permanents.
AVERTISSEMENT

19
• Retirez la bague en caoutchouc qui se trouve entre les
plaques.
• Remontez les plaques latérales avec une bague en
caoutchouc neuve.
• Glissez à nouveau la roue de frottement sur l’arbre
hexagonal et suivez les instructions ci-dessus dans
l’ordre inverse pour remonter tous les éléments.
Pour remonter la
roue de frottement,
donnez un seul tour
à chaque vis avant
de faire tourner la
roue dans le sens des
aiguilles d’une montre,
puis passez à la vis
suivante. Répétez
plusieurs fois pour
que les plaques soient
toutes serrées de
manière égale.
Ne remplacez JAMAIS
les boulons de cisail-
lement des tarières
par des boulons hex.
ordinaires. Tout dégât
aux tarières, ou à
leurs autres pièces
composantes, causé
par l’utilisation de
boulons ordinaires
ne sera pas couvert
par la garantie de la
souffleuse.
6
Démontage de la roue de frottement
Si la souffleuse n’avance pas lorsque la commande est
enclenchée, et si l’ajustement du câble de commande
expliqué à la page 12 ne parvient pas à corriger le
problème, il faudra peut-être remplacer la roue de frotte-
ment. Suivez les instructions ci-dessous. Assurez-vous
qu’il n’y a aucun signe d’usure ou de fendillement sur la
roue de frottement et remplacez-la au besoin.
• Placez le levier de vitesses à la 3e position de
marche avant.
• Videz le réservoir d’essence de la souffleuse ou
placez un morceau de plastique sous le bouchon
d’essence.
• Basculez doucement la souffleuse vers l’avant pour
la faire reposer sur l’habitacle de la tarière.
1. a. Démontez le couvre-châssis du dessous de
la souffleuse en retirant les quatre vis auto-
taraudeuses qui le maintiennent en place.
b. Démontez la roue de droite en enlevant la
vis et la rondelle Belleville qui la maintiennent
sur l’essieu.
2. Retirez doucement l’écrou à six pans et la rondelle
qui maintiennent l’arbre hexagonal sur le châssis de
la souffleuse et frappez doucement sur l’extrémité
de l’arbre pour dégager le roulement à billes du côté
droit du châssis.
3. Abaissez doucement l’arbre hexagonal vers la
gauche avant de faire glisser la roue de frottement
de l’arbre.
REMARQUE : Si vous remplacez l’ensemble complet
de la roue de frottement, jetez la pièce usée et glissez la
pièce neuve sur l’arbre hexagonal. Suivez les instruc-
tions ci-dessus dans l’ordre inverse pour assembler
à nouveau les divers éléments. Si vous démontez la
roue de frottement et ne remplacez que la bague en
caoutchouc, procédez comme suit :
4. Enlevez les quatre vis qui maintiennent les plaques
latérales de la roue de frottement.
Régime
d’entretien
12
4
3
Figure 29 Figure 30
Figure 31
Figure 32

18
Tarières
• Deux goupilles de cisaillement et deux goupille
fendue mainteiennent les tarières sur l’arbre de
la tarière. Les goupilles sont sensés de peut être
cisailler si la souffleuse heurte un objet ou un bloc
de glace.
• Si les tarières ne tournent pas, vérifiez si les goupil-
les se sont cisaillés. Remplacez les goupilles si
besoin est. Deux goupilles de cisaillement et deux
goupille fendues de rechange sont fournis. Vapo-
risez un lubrifiant à base d’huile sur l’arbre avant
d’installer les goupilles neufs.
6
Régime
d’entretien
Pour démonter et remplacer la courroie de transmission
de la souffleuse, procédez comme suit :
1. Retirez le couvre-courroie en plastique sur le devant
du moteur en enlevant les deux vis auto-tarau-
deuses.
• Videz le réservoir d’essence de la souffleuse ou
placez un morceau de plastique sous le bouchon
d’essence.
• Basculez doucement la souffleuse vers l’avant pour
la faire reposer sur l’habitacle de la tarière.
2. Démontez le couvre-châssis du dessous de la
souffleuse en retirant les quatre vis auto-tarau-
deuses qui le maintiennent en place.
3. a. Tirez la poulie de tension et faites-la pivoter vers la
droite.
b. Dégagez la courroie de la tarière de la poulie
motrice.
c. Dégagez la courroie de transmission de la poulie
motrice.
4. Dégagez la courroie de transmission de la poulie et de
l’espace entre la roue de frottement et le disque de la
roue de frottement.
• Retirez la courroie et installez la courroie neuve en
procédant dans l’ordre inverse.
Figure 24
Remplacement de la courroie de transmission
Arrêtez toujours le
moteur, débranchez
le fil de bougie et
mettez-le à la terre
contre le moteur
avant de nettoyer,
de lubrifier ou
d’effectuer toute
opération d’entretien
ou tout réglage de la
souffleuse.
AVERTISSEMENT
1
2
3
4
Figure 25
Figure 26
Figure 27
Figure 28

17
6
IMPORTANT
Ne remplacez jamais
les boulons de
cisaillement avec des
boulons ordinaires.
Aucun dommage à
l’ensemble de la vis
sans fin ou à d’autres
composants par utiliser
des boulons ordinaires
ne sera couvert par
la garantie de votre
souffleuse..
Régime
d’entretien
REMARQUE : Les
huiles multigrades
(5W30, 10W30,
etc.) améliorent
le démarrage par
temps froid, mais
la consommation
d’huile est plus
importante si elles
sont utilisées à une
température supérieure
à 32°F. Vérifiez le
niveau d’huile plus
souvent pour éviter
d’endommager
le moteur en cas
d’insuffisance d’huile.
REMARQUE : Ne
nettoyez pas la bougie
au jet de sable.
Utilisez une brosse
métallique et un solvant
commercial.
Figure 18B - Reversible Skid Shoe
Remplacement de la courroie de la
tarière
Pour démonter et remplacer la courroie de la tarière de la
souffleuse, procédez comme suit ;
1. Retirez le couvre-courroie en plastique sur le devant
du moteur en enlevant les deux vis auto-taraudeuses.
REMARQUE : Videz le réservoir d’essence de la
souffleuse ou placez un morceau de plastique sous le
bouchon d’essence.
2. Basculez doucement la souffleuse vers l’avant pour
la faire reposer sur l’habitacle de la tarière. Démontez
le couvre-châssis du dessous de la souffleuse
en retirant les quatre vis auto-taraudeuses qui le
maintiennent en place.
3. Dégagez la courroie de la tarière de la poulie motrice.
4. a. Desserrez et retirez la vis à épaulement qui
sert de guide-courroie.
b. Décrochez le ressort du support du châssis.
5. Dégagez la courroie de la poulie de la tarière et
faites glisser la courroie en le support et la poulie
de la tarière. Remontez la courroie de la tarière en
procédant dans l’ordre inverse.
REMARQUE : N’oubliez PAS de réinstaller la vis à
épaulement et de raccrocher le ressort sur le châssis
après avoir installé la courroie de la tarière neuve, et
d’enlevez le morceau de plastique sous le bouchon
d’essence.
Figure 20
Figure 21
Figure 22
Figure 23
1
2
3
4
5
Figure 19

16
Régime
d’entretien
Arrêtez toujours le
moteur, débranchez
le fil de bougie et
mettez-le à la terre
contre le moteur
avant de nettoyer,
de lubrifier ou
d’effectuer toute
opération d’entretien
ou tout réglage de la
souffleuse.
Évitez de renverser
de l’huile sur la roue
de frottement en
caoutchouc ou sur la
plaque d’entraînement
en aluminium.
AVERTISSEMENT: Portez
toujours des lunettes de
sécurité en utilisant la
souffleuse ou en effectu-
ant tout réglage ou toute
réparation.
Moteur
Consultez la notice d’utilisation du moteur fournie avec
la souffleuse quant aux instructions d’entretien du
moteur.
Lubrification
Arbre hex.
Une fois par saison, lubrifiez l’arbre hexagonal avec une
huile pénétante, pas une graisse. Voir la Figure 17.
Roues
Huilez ou vaporisez du lubrifiant sur les roulements
des roues au moins une fois par saison. Démontez les
roues, nettoyez et enduisez les essieux d’une graisse
automobile à usages multiples.
Arbre de la tarière
Enlevez les goupilles de cisaillement sur l’arbre de la
tarière, au moins une fois par saison. Vaporisez un
lubrifiant à l’intérieur de l’arbre et autour des entretoises.
Lubrifiez aussi les roulements à bride trouvés à chaque
extrémité de l’arbre de la tarière. Voir la Figure 9.
Boîte de l’engrenage
La boîte de l’engrenage à vis sans fin a été remplie
de graisse à l’usine. Si elle est démontée pour une
raison quelconque, lubrifiez-la à nouveau avec 2,0
oz. de graisse (Numéro de pièce 737-0168). Avant de
la remonter, enlevez le mastic usagé et appliquez de
nouveau mastic.
REMARQUE: Ne remplissez pas trop la boîte de
l’engrenage car les joints pourraient être endommagés.
Vérifiez que le bouchon de l’évent ne contient pas de
graisse pour pouvoir dégager la pression.
Mécanisme d’entraînement et de change-
ment de vitesse
Enlevez le carter arrière. Huilez les chaînes, les
pignons, les engrenages, les roulements, les arbres
et le mécanisme de changement de vitesse au moins
une fois par saison. Utilisez une huile à moteur ou un
lubrifiant à vaporiser. Évitez de répandre de l’huile sur
la roue de frottement en caoutchouc et sur la plaque
d’entraînement en aluminium.
Moteur
Consultez la notice d’utilisation du moteur, fournie avec
la souffleuse.
Blocage de la commande de transmission/
des tarières
La came sur les extrémités des tiges de réglage qui
synchronisent les commandes de transmission et des
tarières, doit être lubrifiée au moins une fois par saison
Ne remplissez pas trop
la boîte de l’engrenage
car les joints pourraient
être endommagés.
ou toutes les 25 heures de fonctionnement, avec une
graisse automobile tout usage. L’accès à la came se fait
par le dessous du tableau de bord.
Lame plate et patins
La lame plate et les patins sont installés sous la souffle-
use et ils risquent de s’user. Vérifiez-les régulièrement et
remplacez-les au besoin.
Pour retirer les patins:
1. Enlevez les quatre boulons ordinaires et les
contre-écrous à embase qui les maintiennent sur la
souffleuse.
2. Remontez les nouveaux patins avec les boulons
ordinaires (deux sur chaque côté) et les contre-écrous
à embase. Voir les Figures 18A ou 18B.
Pour démonter la lame plate:
1. Enlevez les boulons ordinaires et le contre-écrous à
embase qui la maintiennent ainsi que les patins sur la
souffleuse.
2. Installez la lame plate neuve en vérifiant que la tête
des boulons ordinaires se trouve à l’intérieur de
l’habitacle. Serrez à fond.
Figure 17
Figure 18A - Patin ordinaire
AVERTISSEMENT
IMPORTANT
6

15
5
Réglages
Il est déconseillé
d’utiliser la souffleuse
sur une surface recou-
verte de gravier qui,
s’il est projeté par la
tarière, peut causer
des blessures corpo-
relles et des dégats
matériels.
Si pour une raison
quelconque, vous
devez utiliser la souf-
fleuse sur une surface
recouverte de gravier,
réglez les patins à la
patins à la position la
plus haute pour as-
surer un dégagement
maximal entre le sol et
la lame plate.
Pour pouvez aussi vérifier l’ajustement de la façon
suivante:
1. Basculez la souffleuse vers l’avant (après avoir vidé
le réservoir d’essence ou avoir placé un morceau de
plastique sous le bouchon d’essence si la souffleuse
a déjà été utilisée.), puis démontez le couvre-châssis
du dessous de la souffleuse en retirant les vis auto-
taraudeuses. Voir la Figure 20 à la page 17.
2. Lâchez la commande de transmission et vérifiez
qu’il y a un espace de 1/8e de po entre la roue de
frottement et la poulie de transmission, quelle que
soit la position du levier de vitesses.
3. Embrayez la commande et assurez-vous que la roue
de frottement est en contact avec la poutie motrice.
Voir la Figure 28 à la page 18.
4. Si un réglage est nécessaire, desserrez l’écrou à
six pans inférieur sur le support indexé du câble de
transmission et relevez (ou abaissez) le support
selon le besoin. Voir la Figure 15. Serrez l’écrou à sic
pans inférieur pour maintenir le support à la position
correcte.
5. Replacez le couvre-châssis et redressez la souffleuse
à sa position de fonctionnement.
REMARQUE : N’oubliez pas de retirer le morceau de
plastique qui se trouve sous le bouchon d’essence, le
cas échéant.
Patins
L’espace entre la lame plate et le sol peut être ajusté en
ajustant les patins. Pour déblayer complètement la neige,
placez les patins à la position plus haute sur l’habitacle.
Utilisez les positions intermédiaire ou base lorsque la
surface à déblayer est irrégulière.
1. Ajustez les patins en desserrant les quatre contre-
écrous à embase (deux de chaque côté) et les
boulons ordinaires. Placez les patins à la position
voulue. Voir les Figures 16A ou 16B.
2. Vérifiez que toute la surface inférieure des patins est
de niveau et en contact avec le sol pour éviter leur
usure inégale.
3. Serrez les boulons et les écrous à fond.
REMARQUE: Certains modèles sont équipés de patins
réversibles et peuvent être retournés pour accroître leur
durée de vie. Voir la Figure 16B.
Commande de la tarière
Reportez-vous au test de la commande de la tarière,
page 13, pour ajuster la tarière.
Figure 15
Figure 16A - Patin ordinaire
AVERTISSEMENT
Figure 16B - Patin réversible

14
5
Réglages
Câble de changement de vitesses
Si vous ne pouvez utiliser toute la gamme des vitesses
(avant et arrière), consultez les illustrations sur la droite et
effectuez les réglages suivants :
1. Placez le levier de vitesses à la position de la marche
avant la plus rapide.
2. Desserrez l’écrou à six pans sur le support indexé du
câble de changement de vitesses. Voir la Figure 13.
3. Abaissez le support vers le bas pour éliminer tout jeu
dans le câble.
4. Resserrez l’écrou à six pans.
5. Vérifiez les réglages avant d’utiliser la souffleuse.
Commande de la goulotte
Vérifiez que les câbles ne se sont pas détendus une fois
par saison ou toutes les 25 heures de fonctionnement,
selon ce qui survient d’abord. Si la goulotte ne tourne
pas coomplètement ou s’il n’est pas possible d’ajuster son
inclinaison, il faudra ajuster les quatre câbles de com-
mande de la goulotte.
Pour faire l’ajustement, procédez comme suit:
1. Pour serrer le câble, desserrez l’écrou supérieur et
serrez l’écrou inférieur sur le câble.
2. Ajustez également des deux côtés en réglant les deux
câbles de chaque pair. Voir la Figure 14.
Commande de la transmission et
levier de vitesses
Le câble doit présenter très peu de jeu quand la com-
mande de la transmission est débrayée et en position
«relevée». Le câble ne doit PAS être tendu.
Vérifiez l’ajustement de la commande de la transmission
comme suit:
1. La commande de transmission débrayée, poussez
la souffleuse, puis tirez-la. La machine doit bouger
facilement.
2. Embrayez la commande de traction et essayez de
déplacer la souffleuse vers l’avant. Vous devez sentir
une résistance. Les roues ne doivent pas tourner. La
machine doit PAS bouger facilement.
3. Débrayez la commande de la transmission, déplacez
plusieurs fois le levier de vitesses d’avant en arrière
entre les positions R2 et F6. Vous ne devez sentir
aucune résistance dans le levier de vitesses.
4. Si l’un des tests ci-dessus échoue, ajustez le câble de
la transmission. Continuez comme suit:
5. Desserrez le contre-écrou à six pans inférieur sur le
support du câble de la transmission. Voir la Figure 4.
6. Redressez le support vers le haut pour obtenir plus
de jeu (ou vers le bas pour augmenter la tension du
câble.)
7. Resserrez le contre-écrou à six pans inférieur.
Lisez, comprenez,
et suivez toutes les
instructions et les
consignes sur la
machine et dans
ce notice avant le
fonctionnement.
N’essayez jamais
d’effectuer un réglage
quelconque pendant
que le moteur
tourne, sauf en cas
d’instructions spé-
ciales dans la notice
d’utilisation.
Figure 13
Figure 14
AVERTISSEMENT

13
6. Enlevez toute la neige et l’humidité du couvercle du
carburateur et près des manettes de commande.
Déplacez celle-ci plusieurs fois.
REMARQUE: Rangez la clé dans un endroit sùr. Il n’est
pas possible de faire démarrer le moteur sans la clé.
Démarreur à lanceur
1. Quand le moteur tourne, tirez rapidement et ferme-
ment sur la corde du démarreur à trois ou quatre
reprises. Vous entendrez un claquement qui ne risque
pas d’endommager le moteur.
2. Placez la manette de l’obturateur à la position STOP.
3. Retirez la clé de contact (sans tourner la clé) pour
empêcher l’utilisation non autorisée de l’équipement.
REMARQUE: Rangez la clé dans un endroit sùr. Il n’est
pas possible de faire démarrer le moteur sans la clé.
4. Enlevez toute la neige et l’humidité du couvercle du
carburateur et près des manettes de commande.
Déplacez celle-ci plusieurs fois.
Pour embrayer la transmission
1. Avec l’obturateur à la position Fast (lapin), placez
le levier de changement de vitesse à l’une des six
positions de marche avant (F) ou à l’une des deux
positions de marche arrière (R). Choisissez la vitesse
adaptée aux conditions présentes.
2. Pressez la commande de la transmission contre le
guidon droite pour avancer la souffleuse; lâchez-la
pour arrêter.
3. Pour tourner à droite ou à gauche, pressez la com-
mande de direction des roues correspondante. Voir la
Figure 11.
Pour embrayer les tarières
1. Pour embrayer les tarières et pour commencer à
projeter la neige, pressez la poignée d’embrayage
gauche de la tarière contre le guidon gauche. Lâchez
la poignée pour arrêter les tarières.
2. Alors que la commande de la tarière est embrayée,
pressez la commande de la transmission pour
avancer. Lâcher-la pour arrêter. Ne changez pas de
vitesse quand la commande de la transmission est
embrayée.
REMARQUE: Cette même poignée permet de bloquer
la commande de la tarière pour permettre au conducteur
puisse orienter la goulotte sans cesser de projeter la
neige.
3. Débrayez la commande de la tarière ; le mécanisme
de blocage maintient la tarière engagée jusqu’à ce
que la commande de la transmission soit débrayée.
4. Lâchez la commande de la transmission pour arrêter
la tarière et les roues. Pour arrêter la tarière les deux
poignées doivent être débrayées.
Test de la commande de la tarière
Faites ce test avant d’utiliser la souffleuse pour la
première fois et au début de chaque saison d’hiver.
Vérifiez le réglage de cette commande de la façon
suivante :
1. Débrayez la commande et placez-la en position
«relevée». Le câble doit présenter très peu de jeu
SANS toutefois être tendu.
2. Choisissez un endroit bien aéré et faites démarrer la
souffleuse selon les instructions dans le paragraphe
«pour faire démarrer le moteur». Vérifiez que
l’obturateur est réglé à la position rapide.
3. Tenez-vous à la position de conduite (derrière la
souffleuse) et enclenchez la tarière.
4. Attendez environ dix secondes avant de débrayer la
tarière. Répétez cette opération plusieurs fois.
5. Laissez tourner le moteur à plein régime et gardez
la manette de commande de la tarière à la position
débrayée et « relevée ». Placez-vous devant la
machine.
6. Vérifiez que la tarière est totalement immobilisée et
qu’aucune pièce ne bouge. Si la tarière n’est pas
complètement immobile, retournez immédiatement à
la position de conduite et arrêtez le moteur. Attendez
que TOUTES les pièces se soient immobilisées avant
d’ajuster à nouveau le câble de la tarière.
7. Pour ajuster à nouveau le câble de commande,
desserrez le contre-écrou à six pans supérieur du
support de la commande de la tarière.
8. Redressez le support vers le haut pour obtenir plus de
jeu (ou vers le bas pour augmenter la tension).
9. Resserrez ensuite le contre-écrou à six pans
supérieur.
10. Répétez le test pour vérifier l’ajustement de la com-
mande de la tarière. Utilisez une vitesse
lente jusqu’à ce que
vous soyez habitué.
Ne déplacez JAMAIS
le levier de vitesses
(pour changer de
vitesse ou de sens de
déplacement) sans
avoir au préalable dé-
brayé la commande
de la transmission et
avoir complètement
arrêté la souffleuse.
Ceci pourrait causer
l’usure prématurée de
la transmission de la
souffleuse.
La température du
silencieux et des
zones voisines peut
dépasser 150°F
(65°C). Évitez de les
toucher.
AVERTISSEMENT
Figure 12
Ne dégagez jamais
la neige ou la glace
près de la tarière ou
dans la goulotte à la
main.
4
Utilisation
de la
souffleuse

12
Pleins d’essence et d’huile
Vérifiez le niveau d’huile et d’essence et ajouter au
besoin. Suivez les instructions fournies dans la notice
d’utilisation du moteur qui accompagne la souffleuse.
Veuillez lire ces instructions attentivement.
Pour faire démarrer le moteur
1. Branchez le fil de la bougie sur cette dernière. Vérifiez
que la boucle métallique, au bout du fil de la bougie
(dans la gaine en caoutchouc), est bien attachée à
l’embout métallique de la bougie.
2. Assurez-vous que les commandes de la tarière et de
l’entraînement sont débrayées (relâchées).
3. Placez la manette de l’obturateur à la position
RAPIDE .Enfoncez la clé dans la fente. Assurez-vous
qu’elle se met bien en position. Ne tournez pas la clé.
REMARQUE: Le moteur ne peut pas démarrer à moins
que la clé soit insérée dans le commutateur d’allumage.
Démarreur électrique (sur certains
modèles)
1. Vérifiez que le câblage de votre maison comporte
trois fils reliés à la terre. Si vous n’êtes pas certain,
renseignez-vous auprès d’un électricien.
AVERTISSEMENT: Ce démarreur (en
option) est équipé d’un fil et d’une
prise électrique à trois fils et il est
conçu pour fonctionner sur un courant
de 120 volts, C.A. Il doit toujours être
relié à la terre pour éviter la possibilité
d’une décharge électrique qui pourrait
blesser le conducteur. Suivez soigneu-
sement toutes les instructions avant
d’utiliser le démarreur électrique.
Si vous avez une prise de courant à trois trous relié à la
terre, procédez comme suit:
1. Branchez le fil électrique dans le démarreur, sur le
moteur. Branchez l’autre extrémité du fil dans une
prise de courant de 120 volts C.A. à trois trous mise à
la terre dans un endroit bien-aéré.
2. Tournez le bouton du volet de départ à la position
VOLET PLEIN (démarrage à froid).
REMARQUE: Si le moteur est chaud, tournez le volet
de départ à la position SANS VOLET au lieu de VOLET
PLEIN.
3. Appuyez deux ou trois fois sur le bouton de
l’amorceur pour le démarrage à froid. Couvrez
toujours l’évent du bouton de l’amorceur en appuyant.
REMARQUE: N’AMORCEZ PAS un moteur chaud après
un arrêt bref.
4. Appuyez sur le bouton du démarreur jusqu’à ce que
le moteur se mette en route.
5. Quand le moteur démarre, lâchez le bouton du
démarreur immédiatement.
6. Au fur et à mesure que le moteur chauffe, tournez
lentement le bouton du volet de départ vers la
position SANS VOLET. Si le moteur hésite, tournez
à nouveau le bouton du volet de départ à la position
VOLET PLEIN, puis revenez lentement à la position
SANS VOLET.
7. Débranchez d’abord le fil électrique de la prise de
courant avant de débrancher l’autre extrémité de la
souffleuse.NOTE: If the engine is already warm, place
choke control in the OFF position instead of FULL.
Démarreur à lanceur
1. Tournez le bouton du volet de départ à la position
VOLET PLEIN (démarrage à froid).
REMARQUE: Si le moteur est chaud, tournez le volet
de départ à la position SANS VOLET au lieu de VOLET
PLEIN.
2. Appuyez deux ou trois fois sur le bouton de l’amorceur
pour le démarrage à froid. Couvrez toujours l’évent du
bouton de l’amorceur en appuyant.
REMARQUE: N’AMORCEZ PAS un moteur chaud après
un arrêt bref.
REMARQUE: Un amorçage supplémentaire peut être
nécessaire si la température est inférieure à 15ºF (-9ºC).
3. Tirez lentement sur la poignée du démarreur à
lanceur jusqu’à ce que vous sentiez une légère
résistance. Laissez la corde s’enrouler lentement.
4. Tirez à nouveau, mais rapidement. Ne laissez pas la
poignée revenir brusquement contre le moteur, mais
laissez-la s’enrouler lentement tout en le retenant.
5. Au fur et à mesure que le moteur chauffe, tournez
lentement le bouton du volet de départ vers la position
SANS VOLET. Si le moteur hésite, tournez à nouveau
le bouton du volet de départ à la position VOLET
PLEIN, puis revenez lentement à la position SANS
VOLET. Arrêt du moteur
Laissez tourner le moteur pendant quelques minutes
pour sécher toute l’humidité qui aurait pu s’y accumuler.
• Pour empêcher le démarreur de geler, procédez
comme suit avant d’arrêter le moteur:
Démarreur électrique (sur certains modèles)
1. Branchez le fil électrique dans le démarreur élec-
trique, sur le moteur. Branchez l’autre extrémité du fil
dans une prise de courant de 120 volts C.A.
2. Quand le moteur tourne, appuyez sur le bouton du
démarreur et faites tourner le démarreur pendant
quelques secondes. le bruit particulier émis par le
démarreur ne risque pas d’endommager le démarreur
du moteur.
3. Débranchez d’abord le fil électrique de la prise de
courant avant de débrancher l’autre extrémité de la
souffleuse.
4. Placez la manette de l’obturateur à la position STOP.
5. Retirez la clé de contact (sans tourner la clé) pour
empêcher l’utilisation non autorisée de l’équipement.
Lisez, comprenez,
et suivez toutes les
instructions et les con-
signes sur la machine
et dans ce notice avant
le fonctionnement.
Faites très attention
en manipulant de
l’essence. L’essence
est extrêmement
inflammable et les
vapeurs sont explosif.
Ne faites jamais le
plein d’essence à
l’intérieur, pendant que
le moteur tourne ou
quand le moteur est
chaud. Éteignez toute
cigarettes ou pipe, tout
cigare ou toute autre
source incandescente.
Si le câblage de votre
maison n’est pas
un système à trois
fils reliés à la terre,
n’utilisez en aucun
cas ce démarreur
électrique.
Si votre système est
relié à la terre, mais
s’il n’y a pas de prise
à trois trous à l’endroit
où le démarreur doit
normalement être
utilisé, n’utilisez en
aucun cas ce démar-
reur électrique.
AVERTISSEMENT
4
Utilisation
de la
souffleuse

11
Plein d’huile
Il est possible de vérifier le niveau d’huile à moteur et de
faire le plein par le goulot de remplissage.
Commande de la tarière
Elle se trouve sur le guidon gauche. Serrez la commande
de la tarière contre le guidon pour embrayer la tarière et
pour déblayer la neige. Lâchez-la pour arrêter.
Blocage de la commande de trans-
mission/des tarières (le cas échéant)
Elle se trouve sur la droite du guidon. Serrez la manette
de commande contre le guidon pour embrayer les roues.
Lâchez-la pour les arrêter.
La commande de la transmission permet aussi de bloquer
les tarières pour que le conducteur puisse changer
l’orientation de la goulotte sans interrompre la projection
de la neige. Si la commande des tarières est embrayée
en même temps que la commande de la transmission, le
conducteur peut lâcher la commande des tarières (sur la
gauche). Les tarières continueront à fonctionner. Quand le
conducteur lâche les deux commandes, les tarières et les
roues s’arrêtent.
IMPORTANT: Lâchez toujours la commande de la
transmission avant de changer de vitesse.
Commande de la goulotte à 4 fonctions
La commande d’orientation de la goulotte se trouve sur
la gauche du tableau de bord.
• Pour modifier l’orientation de la projection de la neige,
appuyez sur le bouton du levier de commande et
tournez le levier vers la droite ou vers la gauche.
• Pour modifier l’angle/la distance de projection de la
neige, poussez le levier de commande vers l’avant ou
tirez-le vers l’arrière. Pour tourner la souffleuse vers
la droite ou vers la gauche, pressez sur la commande
correspondante de la direction des roues.
Commande d’orientation des roues
Les commandes d’orienation des roues de droite et de
gauche se trouvent en dessous des poignées. Serrez la
commande de droite pour tourner vers la droite ou serrez
celle de gauche pour tourner vers la gauche.
REMARQUE: Utilisez la souffleuse dans des espaces
dégagés jusqu’à ce que vous soyez plus habituéaux
commandes.
Clé de contact
La clé de contact est un dispositif de sécurité. Elle doit
être complètement enfoncée pour mettre le moteur en
marche. Retirez la clé quand la souffleuse n’est pas
utilisée.
N’essayez pas de tourner la clé. Elle pourrait se briser.
Outil de dégagement de la goulotte
AVERTISSEMENT: Ne dégagez jamais
une goulotte bouchée à la main. Arrêtez
le moteur et restez derrière le guidon
jusqu’à ce que toutes les pièces se
soient immobilisées avant d’essayer de
dégager la goulotte.
1. Débrayez la manette de commande de la tarière et la
manette de blocage de la traction/tarière.
2. Arrêtez le moteur en déplacant la commande de
l’obturateur à la position stop.
3. Détachez l’outil de dégagement de la goulotte de sa
position sur l’arrière de l’habitacle de la tarière.
4. Utilisez l’extrémité en forme de pelle pour déloger et
retirer la neige ou la glace qui s’est accumulée dans la
goulotte.
5. Replacez l’outil de dégagement sur l’attache à l’arrière
de l’habitacle de la tarière. Remettez la clé de contact
et faites démarrer la souffleuse.
6. Tenez-vous au poste de conduite (derrière la
souffleuse) et embrayez la commande de la tarière
pendant quelques secondes pour dégager tout reste
de neige ou de glace de la goulotte d’éjection.
Commutateur de chauffage des
poignées (le cas échéant)
Il se trouve sur la droite du tableau de commande de
la souffleuse. Pour chauffer les poignées, poussez le
commutateur vers la droite. Poussez le commutateur
vers la gauche, à la position «Arrêt», après avoir utilisé la
souffleuse.
REMARQUE: Les poignées chauffées sont à utiliser
en conjonction avec des gants ou moufles appropriés.
Nous recommandons le port de gants ou moufles lors de
l’utilisation de la souffleuse.
4
Toute souffleuse
en cours de
fonctionnement peut
projeter un objet vers
les yeux, d’où le risque
de blessures graves.
Portez toujours des
lunettes de sécurité
en travaillant avec une
souffleuse et en effec-
tuant toute réparation
ou tout ajustement sur
la souffleuse.
Assurez-vous que
personne ne se tient
à proximité de la
souffleuse lors du
démarrage ou pendant
son utilisation. Ne
faites jamais tourner
le moteur à l’intérieur
ou dans un local clos
ou mal ventilé. Les
gaz d’échappement du
moteur contiennent du
monoxyde de carbone,
un gaz inodore mortel.
Éloignez toujours vos
mains, pieds, cheveux
et vêtements non
ajustés de toutes les
pièces en mouvement
du moteur et de la
souffleuse.
Utilisation
de la
souffleuse
AVERTISSEMENT

10
4
Maintenant que votre souffleuse est prête à
travailler, il est temps de vous familiariser avec ses
commandes et diverses caractéristiques, expli-
quées ci-dessous et représentées à la Figure 11.
Vous pourrez ainsi bénéficier au maximum de votre
nouvelle machine.
REMARQUE: Consultez la notice d’utilisation du moteur
emballée séparément avec votre souffleuse pour avoir
plus de renseignements concernant le démarrage et les
commandes du moteur.
Levier de vitesses
Il se trouve au milieu du tableau de bord
et sert à choisir la vitesse et la direction
de déplacement.
Marche avant
La souffleuse a six marches avant
(F). La position 1 est la plus lente et la
position 6 la plus rapide.
Marche arrière
La souffleuse a deux marches arrière
(R2), R1 étant la plus lente des deux. et
deux est la plus rapider.
Volet de départ
Le volet de départ est trouvé sur l’arrière du moteur et est
activé en tournant le bouton dans le sens des aiguilles
d’une montre. Le bouton du volet de départ ferme la
plaque sur le carburateur et facilite le démarrage du
moteur.
Commande de
l’obturateur
La commande de l’obturateur est trouvée
sur le moteur. Il sert a régler le régime du
moteur et coupera le moteur quand il est
abaissé complètement.
Amorçeur
L’enfoncement du bouton d’amorcage
force le carburant directement dans le
carburateur du moteur pour aider à faire
démarrer le moteur en temps froid.
Figure 11
Utilisation
de la
souffleuse
Lisez, comprenez,
et suivez toutes les
instructions et les
consignes sur la
machine et dans
ce notice avant le
fonctionnement.
Faites très attention
en manipulant de
l’essence. L’essence
est extrêmement
inflammable et les va-
peurs sont explosif.
Ne faites jamais le
plein d’essence à
l’intérieur, pendant
que le moteur tourne
ou quand le moteur
est chaud. Éteignez
toute cigarettes ou
pipe, tout cigare ou
toute autre source
incandescente.
Commandes de la souffleuse
AVERTISSEMENT

9
Outil de
dégagement
de la goulotte
Outil de dégagement de la goulotte
Un outil de dégagement de la goulotte est maintenu sur
le dessus de l’habitacle de la tarière avec une attache.
L’outil sert à dégager une goulotte bouchée. Consultez
la page 9 pour plus de renseignement concernant cet
outil.
REMARQUE: Cette pièce est a été fixée avec un
attache-câble sur l’arrière de l’habitacle de la tarière
à l’usine. Coupez l’attache-câble avant de mettre la
souffleuse en marche.
AVERTISSEMENT: Ne dégagez jamais
la neige ou la glace près de la tarière
ou dans la goulotte à la main.
Patins
Positionnez les patins en fonction de la surface de
travail. Redressez-les si la neige est tassée et abais-
sez-les pour travailler sur des surfaces recouvertes de
gravier ou de pierre concassée.
Pression des pneus
Les pneus sont gonflés excessivement pour l’expédition.
Avant l’utilisation, vérifiez la pression des pneus avant
d’utiliser la souffleuse. La pression recommandée par le
fabricant est indiquée sur le flanc des pneus et réduisez
(ou augmentez) la pression dans les pneus selon le
besoin.
REMARQUE: Si la pression n’est pas égale dans les
deux pneus, la machine risque de tirer d’un côté plus
que de l’autre et la plaque de raclage risque de s’user
de façon inégale.
Recommandations d’ordre général
1. Respectez toujours les consignes de sécurité lors de
l’entretien.
2. La garantie de cette souffleuse ne s’applique
pas aux pièces qui ont fait l’objet d’une utilisation
abusive ou négligente. Pour bénéficier au maximum
de la garantie, le conducteur de la souffleuse doit
l’entretenir conformément aux instructions fournies.
3. Certains ajustements seront nécessaires périodique-
ment pour maintenir la souffleuse en bon état de
marche.
4. Vérifiez régulièrement que toute la boulonnerie est
bien serrée.
Instructions
de montage
IMPORTANT
Ne dépassez jamais la
pression recommandée
par le fabricant. La
pression doit toujours
être égale dans
tous les pneus. Une
pression excessive
à l’installation des
talons peut provoquer
l’explosion de
l’ensemble pneu et
jante et causer des
blessures graves. La
pression recommandée
est indiquée sur le flanc
du pneu.
Ne dégagez jamais
la neige ou la glace
près de la tarière ou
dans la goulotte à la
main.
3
AVERTISSEMENT
Figure 10

8
Figure 8
Figure 7
Figure 9
Barres de coupe (le cas échéant)
Elles servent en cas d’accumulation importante de neige.
• Sur les modèles équipés, les barres de coupe sont
assemblées à l’envers sur l’habitacle des tarières.
• Enlevez les boulons ordinaires en dévissant les
écrous à six pans qui maintiennent les barres de
coupe en place et positionnez-les correctement avant
d’utiliser la souffleuse. Voir la Figure 9.
Si votre souffleuse n’est pas équipée de barres de coupe,
adressez-vous au service après-vente pour tout rensei-
gnement concernant les prix et la disponibilité en stock.
Modèle de souffleuse Barres de coupe
Tous les modèles OEM 390-679
Instructions
de montage
IMPORTANT
Ne dépassez jamais la
pression recommandée
par le fabricant. La
pression doit toujours
être égale dans
tous les pneus. Une
pression excessive
à l’installation des
talons peut provoquer
l’explosion de
l’ensemble pneu et
jante et causer des
blessures graves. La
pression recommandée
est indiquée sur le flanc
du pneu.
Ne dégagez jamais
la neige ou la glace
près de la tarière ou
dans la goulotte à la
main.
3
AVERTISSEMENT

7
Instructions
de montage
4. Continuez l’installation de la goulotte sur son support
avec l’écrou à oreilles et la vis hex. retirés plus tôt. Voir
la Figure 4.
5. Vérifiez que tous les câbles sont acheminés dans le
guide sur le dessus du moteur. Voir la Figure 5. Pour
l’expédition, le fil électrique est maintenu sur l’arrière
de l’habitacle de la tarière avec un attache-câble.
Coupez l’attache-câble et jetez-le avant d’utiliser la
souffleuse.
AVERTISSEMENT: Avant d’utiliser votre
souffleuse, référez-vous à «Test de
la commande de la tarière» à la page
11. Lisez et suivez soigneusement
les instructions et effectuez tous les
ajustements pour vérifier que votre
souffleuse.
Remisage de la goupille de
cisaillement
Une petite case est prévue sous le tableau de bord en
plastique pour remiser la goupille de cisaillement. Voir la
Figure 6.
IMPORTANT
Avant d’utiliser votre
souffleuse, référez-
vous à «Test de la
commande de la
tarière» à la page
13. Lisez et suivez
soigneusement les
instructions et effectuez
tous les ajustements
pour vérifier que votre
souffleuse fonctionne
sans risque et
correctement.
3
Figure 4
Figure 5
Figure 6
AVERTISSEMENT
4
5

6
3
Instructions
de montage
REMARQUE: Les
côtés droit et gauche
de la souffleuse sont
déterminés du poste
de conduite, derrière la
souffleuse.
REMARQUE: La souffleuse a été expédiée avec le
plein d’huile mais SANS ESSENCE. Après l’assemblage
veuillez consulter la notice d’utilisation du moteur quant
au carburant et à l’huile à moteur à employer.
1. Assurez-vous que les deux câbles, sur la partie
inférieure de la souffleuse, sont bien alignés avec les
rouleaux de guidage avant de redresser le guidon.
a. Redressez le guidon supérieur de la façon
illustrée à la Figure 1. Alignez le guidon supérieur
avec le guidon inférieur.
b. Serrez les boutons qui maintiennent le guidon
supérieur sur le guidon inférieur.
2. Retirez l’écrou à oreilles et la vis hex. qui se trouvent
sur la commande de la goulotte ainsi que la goupille
fendue et l’axe de chape sur le support de la goulotte.
Voir la Figure 2. Positionnez la goulotte (tournée vers
l’avant) sur sa base.
3. Placez la goulotte sur sa base et attachez-la sur
son support en utilisant l’axe de chape et la goupille
fendue enlevés plus tôt. Voir la Figure 3.
REMARQUE:
Deux goupilles
de cisaillement
de rechange sont
fournies avec la
notice d’utilisation (ou
dans le panneau en
plastique du guidon).
Consultez le chapitre
«Tarières dans la
section «Entretien»
de cette notice
d’utilisation à propos
du remplacement
des goupilles de
cisaillement.
REMARQUE: Cette
notice d’utilisation cou-
vre plusieurs modèles.
Les traits du souffleuse
varient par le modèle.
Pas toutes les traits
discutées dans ce
notice sont applicables
à tous les modèles de
souffleuse.
Figure 1
Figure 2 Figure 3
1
23

5
contiennent du monoxyde de carbone, un gaz inodore très
dangereux.
6. Ne vous servez pas de la machine après avoir bu des
boissons alcoolisées ou après avoir pris des médicaments.
7. Le silencieux et le moteur deviennent très chauds et
peuvent causer des brûlures. Ne les touchez pas.
8. Soyez extrêmement prudent à proximité des routes, allées
ou chemins en gravier. Faites attention aux dangers non
évidents et à la circulation.
9. Faites très attention en changeant de direction et en travail-
lant sur une pente.
10. Prévoyez de travailler en évitant de projeter la neige vers
des fenêtres, murs, voitures, etc. car les débris peuvent
ricocher et causer des blessures graves ou des dégâts
matériels.
11. Ne dirigez jamais la neige vers des enfants, des spectateurs
et des animaux de compagnie et ne permettez jamais à
quiconque de se tenir devant la machine.
12. Ne fatiquez pas la machine en essayant de déblayer la
neige trop rapidement.
13. N’utilisez pas la machine si la visibilité est mauvaise ou si la
lumière est insuffisante. Gardez toujours un bon équilibre et
tenez fermement le guidon.
14. Débrayez la commande de l’ensemble de la tarière et de la
turbine pour transporter la machine et lorsqu’elle n’est pas
utilisée.
15. Ne déplacez jamais rapidement la souffleuse sur des
surfaces glissantes. Soyez prudent en reculant.
16. Arrêtez le moteur, débranchez le fil de la bougie et mettez-le
à la terre contre le moteur si la machine commence à
vibrer de façon anormale. Vérifiez que la machine n’est pas
endommagée. Réparez tout dégât éventuel avant de la
remettre en marche.
17. Débrayez toutes les commandes et arrêtez le moteur avant
de quitter le poste de conduite (derrière les guidons).
Attendez que la tarière/turbine se soit complètement
immobilisée avant de déboucher la goulotte d’éjection, de
faire un ajustement quelconque ou d’examiner la machine.
18. Ne placez jamais votre main dans la goulotte d’éjection ou
près de l’admission. Utilisez toujours l’outil de dégagement
pour déboucher l’ouverture de la goulotte. Ne débouchez
pas la goulotte d’éjection pendant que le moteur tourne.
Arrêtez le guidon jusqu’à ce que toutes les pièces en
mouvement se soient immobilisées avant de déboucher la
goulotte.
19. N’utilisez que des accessoires homologués par le fabricant
de la machine. (ex. poids de roues, chains, cabine etc.)
20. Faites toujours preuve de bon sens dans des situations
qui n’ont pas été abordées par cette notice d’utilisation.
Adressez-vous au service après-vente pour obtenir le nom
du concessionnaire le plus proche de chez vous.
Entretien et Remisage
1. Ne modifiez jamais les dispositifs de sécurité. Vérifiez
souvent qu’ils fonctionnent correctement.
2. Débrayez toutes les commandes et arrêtez le moteur avant
de quitter le poste de conduite. Attendez que la tarière/tur-
bine se soit complètement immobilisée avant de déboucher
la goulotte d’éjection, de faire un ajustement quelconque ou
d’examiner la machine.
3. Vérifiez régulièrement que les boulons et vis sont bien
serrés et maintenez la machine en bon état de marche.
Examinez soigneusement la machine pour vous assurer
qu’elle n’est pas endommagée.
4. Ne modifiez pas le réglage du régulateur et ne laissez pas
le moteur s’emballer, ce qui peut être dangereux.
5. Les plaques de raclage et les patins de la souffleuse
s’usent avec l’usage. Par mesure de sécurité, vérifiez
souvent tous les composants et remplacez-les par des
pièces authentiques seulement. L’utilisation de pièces qui
ne sont pas conformes aux spécifications de l’équipement
d’origine peuvent donner lieu à de mauvaises performances
et compromettre la sécurité de l’utilisateur.
6. Vérifiez fréquemment que les commandes fonctionnent bien
et faites les réglages nécessaires. Consultez le chapitre
«Réglages» dans la notice d’utilisation de la machine.
7. Prenez soin des étiquettes de sécurité et d’instructions et
remplacez-les au besoin.
8. Respectez les règlements concernant l’élimination des
déchets et liquides qui risquent de nuire à la nature et à
l’environnement.
9. Laissez la machine fonctionner pendant quelques minutes
pour éliminer la neige de la tarière et éviter que l’ensemble
de la tarière et de la turbine ne gèle avant de remiser la
souffleuse.
10. Ne remisez jamais la machine ou les bidons d’essence à
l’intérieur s’il y a une flamme, une étincelle ou une veilleuse
(d’un chauffe-eau, un radiateur, un fourneau, un sèche-
linge ou autre appareil à gaz).
11. Consultez toujours la notice d’utilisation quant aux instruc-
tions de remisage hors-saison.
Ne modifiez pas le moteur.
Pour éviter toute blessure grave ou fatale, ne modifiez pas du
tout le moteur. Toute modification du réglage du régulateur peut
provoquer l’emballement du moteur et entraîner son fonc-
tionnement à des vitesses dangereuses. Ne modifiez jamais le
réglage de l’usine du régulateur.
Avis concernant les émissions de gaz
Les moteurs certifiés conformes aux normes régulatrices de
la Californie et de l’agence EPA fédérales pour SORE (petit
équipement hors route) sont certifiés pour fonctionner avec
de l’essence sans plomb ordinaire et peuvent être dotés des
systèmes de contrôle des émissions de gaz suivants : Engine
Modification (EM) et Three Way Catalyst (TWC) le cas échéant.
2
Consignes
de
sécurité
AVERTISSEMENT
Ce symbole attire
votre attention sur des
consignes de sécurité
importantes qui, si elles
ne sont pas respectées,
peuvent mettre en
danger non seulement
votre personne et vos
biens, mais aussi ceux
d’autrui. Prière de lire
toutes les instructions
figurant dans cette
notice d’utilisation avant
d’essayer de vous
servir de cette machine.
Le non-respect de
ces instructions peut
entraîner des blessures
corporelles.
RESPECTEZ
L’AVERTISSEMENT
QUI ACCOMPAGNE
CE SYMBOLE!
Votre responsabilité
Cette machine ne doit
être utilisée que par des
personnes qui peuvent
lire, comprendre et
respecter les avertisse-
ments et instructions
qui figurent dans cette
notice et sur la machine.

4
2
Consignes
de
sécurité Formation
1. Assurez-vous de lire et de bien comprendre toutes les
instructions qui figurent sur la machine et dans la notice
d’utilisation avant de la mettre en marche. Conservez
cette notice d’utilisation à un endroit sûr pour toute
consultation ultérieure et pour commander des pièces de
rechange.
2. Familiarisez-vous avec les commandes et la bonne
utilisation de cette machine avant de vous en servir.
Apprenez à arrêter la machine et à débrayer rapidement
les commandes.
3. Ne permettez jamais à des enfants de moins de 14 ans
de se servir de la machine. Des adolescents plus âgés
doivent lire la notice d’utilisation, bien comprendre le
fonctionnement de la machine et respecter les consignes
de sécurité. Ils doivent apprendre à utiliser la machine et
s’en servir sous la surveillance étroite d’un adulte.
4. Ne permettez jamais à des adultes ne connaissant pas
bien le fonctionnement de la machine de s’en servir.
5. Les objets projetés par la machine peuvent causer des
blessures graves. Prévoyez de travailler en évitant de
projeter la neige vers la route, des spectateurs, etc.
6. Gardez les spectateurs, les animaux de compagnie et les
enfants à une distance d’au moins 75 pieds de la machine
quand elle est en marche. Arrêtez la machine si quelqu’un
s’approche.
7. Soyez toujours prudent pour ne pas glisser ou tomber,
surtout en reculant.
Préparation
1. Examinez soigneusement la zone à déblayer et enlevez
tous les paillassons, traîneaux, morceaux de bois, fils de
fer et autres objets sur lesquels vous pourriez trébucher
ou qui risquent d’être projetés par la tarière/turbine.
2. Portez toujours des lunettes de sécurité en utilisant la
machine ou en effectuant un réglage ou une réparation.
Un objet peut en effet être projeté, ricocher et vous
blesser aux yeux.
3. Ne travaillez pas sans porter des vêtements d’hiver
adéquats. Ne portez pas de bijoux, d’écharpes longues
ou de vêtements amples qui risquent de se prendre dans
les pièces en mouvement. Portez des chaussures qui
améliorent votre stabilité sur des surfaces glissantes.
4. Utilisez une rallonge à 3 fils et une prise de courant mises
à la terre avec toutes les machines équipées d’un moteur
à démarreur électrique.
5. Réglez la hauteur de l’habitacle pour éviter tout contact
avec les surfaces en gravier ou en pierre concassée.
6. Débrayez toutes les commandes avant de mettre le
moteur en marche.
7. N’essayez jamais de régler le moteur pendant qu’il tourne (à
moins d’indications contraires de la part du fabricant).
8. Laissez le moteur et la machine s’habituer à la température
extérieure avant de commencer à déblayer.
9. Pour éliminer tout risque de blessure grave, faites très
attention en manipulant de l’essence. Il s’agit d’un
produit extrêmement inflammable et les vapeurs risquent
d’exploser. Vous pouvez être grièvement blessé si des
éclaboussures sur votre peau ou sur vos vêtements
s’enflammaient. Rincez votre peau et changez immédiate-
ment de vêtements.
a. Remisez le carburant dans des bidons homologués
seulement.
b. Éteignez toute cigarette ou pipe, tout cigare ou toute
autre source incandescente.
c. Ne faites jamais le plein à l’intérieur.
d. N’enlevez jamais le capuchon d’essence et n’ajoutez pas
d’essence pendant que le moteur tourne.
e. Laissez le moteur refroidir pendant au moins deux
minutes avant de faire le plein.
f. Ne faites jamais déborder le réservoir. Laissez un
espace d’un demi-pouce environ pour permettre
l’expansion du carburant.
g. Resserrez bien le capuchon d’essence.
h. En cas de débordement, essuyez toute éclaboussure
sur le moteur et la machine. Déplacez la machine et
attendez 5 minutes avant de la remettre en marche.
i. Ne remisez jamais la machine ou les bidons d’essence
à l’intérieur s’il y a une flamme, une étincelle ou une
veilleuse (d’un chauffe-eau, un radiateur, un fourneau,
un sèche-linge ou autre appareil à gaz).
j. Laissez la machine refroidir pendant au moins 5 minutes
avant de la remiser.
Utilisation
1. Ne placez jamais vos mains ou vos pieds près d’une
pièce en mouvement, dans l’habitacle de la tarière ou de
la turbine ou dans la goulotte d’éjection. Les pièces en
mouvement peuvent amputer mains et pieds.
2. La manette de commande de l’ensemble de la tarière et
de la turbine est un dispositif de sécurité. Ne contournez
jamais son rôle ce qui rendrait dangereux l’emploi de la
machine et pourrait causer des blessures corporelles.
3. Toutes les manettes de commande doivent fonctionner
facilement dans les deux directions et revenir automatique-
ment à la position de débrayage lorsqu’elles sont relâchées.
4. Ne travaillez jamais sans la goulotte d’éjection ou si elle est
endommagée. Laissez tous les dispositifs de sécurité en
place et assurez-vous qu’ils sont en bon état.
5. Ne faites jamais fonctionner la machine dans un local
clos ou mal aéré car les gaz d’échappement du moteur
AVERTISSEMENT: Les gaz d’échappement de ce produit contiennent des
produits chimiques reconnus dans l’État de Californie comme causant le cancer,
des anomalies congénitales ou d’autres problèmes liés à la reproduction.
DANGER: Cette machine doit être utilisée conformément aux consignes de sécurité qui figurent
dans la notice d’utilisation. Comme avec tout appareil motorisé, une négligence ou une erreur de la
part de l’utilisateur peut entraîner des blessures graves. Cette machine peut amputer mains et pieds
et projeter des débris. Par conséquent, le non-respect de ces consignes peut causer des blessures
corporelles graves et même mortelles.
AVERTISSEMENT
Ce symbole attire
votre attention sur des
consignes de sécurité
importantes qui, si elles
ne sont pas respectées,
peuvent mettre en
danger non seulement
votre personne et vos
biens, mais aussi ceux
d’autrui. Prière de lire
toutes les instructions
figurant dans cette
notice d’utilisation avant
d’essayer de vous
servir de cette machine.
Le non-respect de
ces instructions peut
entraîner des blessures
corporelles.
RESPECTEZ
L’AVERTISSEMENT
QUI ACCOMPAGNE
CE SYMBOLE!
Votre responsabilité
Cette machine ne doit
être utilisée que par des
personnes qui peuvent
lire, comprendre et
respecter les avertisse-
ments et instructions
qui figurent dans cette
notice et sur la machine.

3
1
Étiquettes
de
sécurité
AVERTISSEMENT
Ce symbole attire
votre attention sur
des consignes de
sécurité importantes
qui, si elles ne sont
pas respectées,
peuvent mettre en
danger non seulement
votre personne et
vos biens, mais aussi
ceux d’autrui. Prière
de lire toutes les
instructions figurant
dans cette notice
d’utilisation avant
d’essayer de vous ser-
vir de cette machine.
Le non-respect de
ces instructions peut
entraîner des bles-
sures corporelles.
RESPECTEZ
L’AVERTISSEMENT
QUI ACCOMPAGNE
CE SYMBOLE!
Votre responsabilité
Cette machine ne doit
être utilisée que par des
personnes qui peuvent
lire, comprendre et
respecter les avertisse-
ments et instructions
qui figurent dans cette
notice et sur la machine.
Un outil de dégagement de la goulotte est
maintenu sur le dessus de l’habitacle de la tarière
avec une attache. Cet outil sert à dégager les ac-
cumulations de neige et de glace dans la goulotte.
Cet outil a été fixé avec un attache-câble à
l’usine. Coupez l’attache-câble avant de mettre la
souffleuse en marche.
AVERTISSEMENT : Ne vous
servez jamais de vos mains pour
dégager une obstruction dans
la goulotte. Arrêtez le moteur
et restez derrière les guidons
jusqu’à ce que toutes les pièces
se soient arrêtées avant de vous
servir de l’outil de dégagement
pour nettoyer la goulotte.
Outil de
dégagement
de la goulotte

2
Pour trouver le numéro de modèle
Veuillez retourner la machine au détaillant qui vous l’a vendue,
sans vous adresser d’abord au service après-vente.
Table des matières
AVANT DE PROCÉDER À L’ASSEMBLAGE DE VOTRE
NOUVELLE SOUFFLEUSE,
localiser la plaque signalétique sur l’équipement, et recopier
le numéro de modèle et le numéro de série sur le modèle
de plaque signalétique fourni sur la droite. Pour localiser la
plaque signalétique, placez-vous derrière la souffleuse à la
poste de conduite et regardez à l’arrière du châssis de la
souffleuse.
Cette notice d’utilisation est une pièce importante de votre nouvel équipement. Elle vous fournit les renseignements
nécessaires à l’assemblage, à la préparation et à l’entretien de votre machine. Veuillez donc la lire attentivement et
vous assurer de bien comprendre toutes les instructions.
Service après-vente
Si l’assemblage de cette machine vous pose des problèmes ou pour toute question concernant les commandes, le fonc-
tionnement ou l’entretien de la machine, les spécialistes sont à votre disposition. Choisissez l’une des options ci-dessous:
1. Visitez le site www.troybilt.ca où vous trouverez de nombreuses suggestions utiles. Cliquez sur le bouton Service après-
vente.
2. Appelez un agent du service après-vente au 1-800-668-1238.
3. Le fabricant du moteur est responsable de toutes les questions concernant les performances, la puissance indiquée, les
caractéristiques techniques, la garantie et le service après-vente du moteur. Pour plus de renseignements à ce sujet, veuillez
consulter la notice d’utilisation du moteur fournie avec votre machine.
Préparez vos numéros de modèle et de série avant de téléphoner. Veuillez lire le chapitre précédent pour déterminer
l’emplacement de ces numéros. On vous demandera d’enregistrer le numéro de série avant de pouvoir poursuivre votre consul-
tation.
Étiquettes ............................................................ 3
Important consignes de sécurité ...................... 4
Instructions de montage .................................... 6
Utilisation de la souffleuse .............................. 10
Réglages ............................................................ 14
Entretien de la souffleuse ................................ 16
Remisage hors saison ..................................... 20
Dépannage ........................................................ 21
Garantie ............................................................. 22
Pièces détachées (voir la page 21
de la version anglaise de cette notice
d’utilisation

Souffleuse à neige deux phases
IMPRIMÉ AUX ÉTATS-UNIS 6/3/2005
772C0781
Sécurité * Assemblage * Fonctionnement * Réglages * Entretien
Dépannage * Listes des pièces détachées * Garantie
NOTICE D’UTILISATION
P. O. Box 1386, KITCHENER, ONTARIO N2G 4J1
IMPORTANT:
LISEZ ATTENTIVEMENT LES RÉGLES
DE SÉCURITÉ ET LES IN INSTRUCTIONS
AVANT DE METTRE EN MARCHE LA
MACHINE.
www.troybilt.ca