Tyro RXTX-01 Remote control system User Manual INSTALLATIE HANDLEIDING VOOR TYRO SYSTEMS

Tyro Products BV Remote control system INSTALLATIE HANDLEIDING VOOR TYRO SYSTEMS

user manual

 Owners Manual TYRO TRX2021 Rev. R1a  Tyro BV, Bedrijvenpark Twente 1B, 7602 KA Almelo, Netherlands Tel. +31 546 588790          Telefax +31 546 579490            info@tyrocontrol.com   1     TYRO TRX2021 Remote control system  OWNERS MANUAL
 Owners Manual TYRO TRX2021 Rev. R1a  Tyro BV, Bedrijvenpark Twente 1B, 7602 KA Almelo, Netherlands Tel. +31 546 588790          Telefax +31 546 579490            info@tyrocontrol.com   2  TABLE OF CONTENTS……………………………………………………………….  2-3  1.  WARRANTY, LIABILITY, LAW    1.1. Important Notice…………………………………………………………………..   4 1.2 apprehension of the Manual..…………………………………………………..   4 1.3 liability………………………………………………………………………………   4 1.4 age of use…………..………………………………………………………………   4 1.5 law……….…………………………………………………………………………..   4  2. USE……………….………………………………………………………………….   4  3. INTRODUCTION    3.1 risk……………………………………………………………………………………   4 3.2 reliability……………………………………………………………………………..   4  4. GENERAL   4.1 FM frequency and maximum distance of use…………………………………   5 4.2 interference of the signal.…………………………………………………………   5 4.3 Personal interpretation……………………………………………………………   5  5. OPERATION   5.1 Switch delay………….……………………………………………………………..  5 5.2 Power IN………………………………………………………………………….…..  5 5.3 E.L. Light…………………………………………………………………………….  5 5.4 Switch ON and OFF the E.L. Light……..……………………………………….  5-6   6. TECHNICAL SPECIFICATIONS  6.1 Use of the relays…………………………………………………………………...  6 6.2 user specifications….…………………………………………………………….  6 6.2.1 Receiver……….……………………………………………………  6 6.2.2 Sender………………………………………………………………  6 6.2.3   Reach……………………………………………………………….  6 6.3 control, master-slave….…………………………………………………………  6 6.4 Battery Pack………………………………………………………………………..  6  7.  ENVIRONMENTAL TESTS AND SPECIFICATIONS………………………….  6  8. GENERAL RECOMMANDATIONS 8.1 risk………………..………………………………………………………………….  7 8.2 Safety switch…...…………………………………………………………………..  7 8.3 recommended battery supply..………………………………………………….  7 8.4 before starting…………….………………………………………………………..  7 8.5 proportional speed………….……………………………………………………..  7
      9 HOW TO PROGRAMME SENDER ON RECEIVER ……………………………….  7  9.1 Steps………………………………………………………………………………...  8 fig. 1 receiver print ……………………………………………………………………  8  10. EMERGENCY SWITCH AND END SWITCHES   fig. 2 picture receiver board………………………………………………………….  9  10.1 Make- and break-contact……..………………………………………………..  9 10.2 98/37/EC machinery directive..………………………………………………...  9 10.3 How to connect make and break contact…………………………………….  9  11. HOW TO CONNECT EMERGENCY SWITCH AND SAFETY SWITCH ON THE PLC AND REMOTE CONTROL   Fig. 3 schematic drawing……………………………………………………………...  10  12. HOW TO CONNECT THE MAKE-CONTACT (default) fig.  4 make-contact…………………………………………………………………….  11 12.1 system circuit……………………………………………………………………...  11  13. HOW TO CONNECT THE BREAK-CONTACT  (acc. To machinery directive 98/37/EC of June 22, 1998)   fig.  5 break-contact…………….……………………………………………………...  12 13.1 system-circuit……..……………………………………………………………...  12  14. WIRING THE RECEIVER   fig. 6 schematic terminal pressure..………………………………………………..  13 fig. 7 Relay connections………….…………………………………………………..  13  DECLARATION OF CONFORMITY…………………………………………………..  14   3
 Owners Manual TYRO TRX2021 Rev. R1a  Tyro BV, Bedrijvenpark Twente 1B, 7602 KA Almelo, Netherlands Tel. +31 546 588790          Telefax +31 546 579490            info@tyrocontrol.com   4  1. WARRANTY,LIABILITY, LAW 1.1. IMPORTANT NOTICE: Everyone who gets involved with this (wireless remote) control direct, through mounting or through practical use, fully or partial, is obliged to read and understand this manual completely BEFORE installation and/or use.   1.2 apprehension of the manual When there is anything that you do not understand and/or you need more clearness  or addition, you must contact your local  supplier or Tyro BV   1.3 liability The manufacturer and/or the supplier of this (wireless remote) control cannot be held responsible and thus warranty and liability will be voided, when, as a result of avoidable  errors because of taking uncareful notice, or no notice at all, of the contents of this manual, damage is caused to this product or other products that are operated with this product or on which this product is mounted, personal injury explicit included.   1.4 age of use The user of this product must be over 18 years old or at least having reached the adult age according to the law in the country of use or having reached the age, that is demanded by the law in the country of use.  1.5 law This product is liable to the law in the country of use. Before using this product every  supplier and/or every user is obliged to investigate if the use of this product is permitted under that law. Tyro BV cannot be held responsible when the use is  not permitted, except for the original delivery  to her customer(s)   2. USE   This (wireless remote) control is meant to be used to control machinery from a distance within the legal guide-lines and is thus to be considered as radio equipment as mentioned in the 1999/5/EC directive of March 9, 1999, art. 2 par. c). The directives to which this (wireless remote) control conforms and the tests to which it is submitted, are mentioned in this manual and/or in the added CE declaration of conformity.   3. INTRODUCTION 3.1 risk The product that you are going to use is risk full with respect to the use. Before switching ON the control, the user is obliged to assure himself that these risks cannot arise because of the use and to take  all necessary precautions to take away these risks. BEFORE the user is switching on the (wireless remote) control he has to convince himself that he ALWAYS can keep sight on the object that he is going to control and to keep away any (non)experts who find themselves in the danger zone and thus could be injured,   3.2 reliability To be certain that the (wireless remote) control has a long and reliable duration of life, it is of great importance that both the receiver and the antenna are mounted in the correct way and that both the transmitter and the receiver are used correctly. It may be obvious that the correct mounting and the correct use will lead to a longer duration of life and guarantee the best possible reach.
    4. GENERAL  4.1 FM frequency and maximum distance  of use  The Tyro Systems (wireless remote) control uses the 433.92 MHz frequency. The (wireless remote) control is FM modulated and is thus less accessible for interference of other transmitting sources. Besides this the Tyro Systems (wireless remote) control is narrow banded, thus reducing the interference as well. This allows us to guarantee a 100% reach within a distance of 50 meters (150 ft) under ´normal´conditions. (Interference of environmental circumstances and more powerful transmitting sources such as radio installations emphatically excluded).   4.2 Interference of the signal The operation of equipment that uses radio-frequency and wireless remote controls in particular, are influenced by the power of the received signal.  Because of the fact that the transmitting power on the 433,92Mhz frequency (and comparable frequencies), is reduced by law, the reach is thus reduced. As applicable with powerful transmitting sources (Radio-TV-, GSM-masts, atmospherics etc.) under circumstances the reach could be influenced by causes from the outside. Because the transmitting power of this product is, by law, reduced to max. 10 mW, the reach is also reduced and the influence of transmitting sources with more power (e.g. Radio-, TV-, GSM-masts) is possibly getting bigger.  In spite of using the possibilities of GSM  Technology, it is impossible to 100% prevent against influences from the outside.  However, by using PLC technique (Programmable Logic Control) we have a better control over the results of these influences, thus trying to prevent from accidents by timely interference of the PLC or taking over certain human actions.   4.3 Personal interpretation  At all times, however, you have to bear in mind that circumstances could arise, where your      personal interpretation is of greatest importance using safely with this product.  5. OPERATION  5.1 Switch delay To switch ON the system, there is a delay of  ±1 sec. This is done to let the user be aware that he activates the system.  5.2 Power IN When the start button is pressed (the green button on the left bottom of the foil) In the display (if applicable) the text “press ON and wait” appears. If no display on the green button the LED will light up. After pressing the button ±1 sec. and releasing again, in the display the text  “system active” appears, or the LED on the green button lights permanently. The control is now ready for use.  (Attention: when the button is released before the switch delay is over, the system will not become active.) 5.3 E.L. Light The foil is foreseen with E.L. backlight, helping to improve the good use under difficult circumstances with bad (day) light. This E.L. light, however, is using current, diminishing the use of the battery of the transmitter with approx. 65% reduced (from ±20 hrs to approx ±7 hour).  We strongly advise to use the E.L. backlight only when there is reason to.  5.4 Switch ON and OFF the E.L. Light  The backlight could be switched OFF as follows:  -  Press  the upper side of the both function buttons at the same time  5-  Press de red button “O” for ± 0,5 sec. On the display the text “backlight OFF” appears.
    When the backlight is set to OFF, both the light of the foil and the display are in OFF mode.  To switch the backlight ON again:  -  Press  the upper side of the both function buttons at the same time -  Press de red button “O” for ± 0,5 sec. On the display the text “backlight ON” appears.   6.  TECHNICAL SPECIFICATIONS :  6.1 Use of the switch relays The switch relays in the receiver can be used constantly.    6.2 User specifications 6.2.1 Receiver:    Voltage           12-24Vdc    Max. Voltage         34Vdc       Max. contact load         3Amp (at 24Vdc)  Max. contact load         50Vdc              6.2.2 Transmitter: Max. charging voltage 26Vdc Min. charging voltage  14Vdc standby time battery   ± 150-200 hrs Max. use battery         ±   7 hrs (with E.L. light)                              ± 20 hrs (without E.L. light) charging time to full     ±   2 hrs  6.2.3        Reach: Max. transmission 50 meters, 100% signal (under “normal” circumstances)   6.3  Control Master-Slave   The receiver has 2 modes (only with extra foil on the receiver).     Mode 1  “master mode“       Mode 2  “slave mode“  Mode 1   When pressing the  “ON” button on the receiver the  red LED is flashing. This means that the buttons on  the receiver are “master”. In “master” mode the  system can only be used with the buttons on the  receiver.     Mode 2 The “master” mode can only be set in “slave” by  pressing the green button on the transmitter except  when one or more of the buttons on the receiver  are used.. 6.4 Battery Pack IMPORTANT: The transmitter has a 1500mAh. NiMh. battery pack. In case it has to be replaced this battery has to be treated as “KCA” waste.  7.  ENVIRONMENTAL TESTS AND  SPECIFICATIONS:  Vibration  MIL-STD 810F. Basic Transportation acc 514.5C-1 (highway truck vibration  exposure). Freq. Range: 5-500Hz  Shock acc IEC 68-2-27, halfsinusform pulse, acceleration 50g Bump acc IEC 68-2-29, acceleration 25g Dry heat  acc IEC 68-2-2 test Bd, temp. +85C Cold   acc IEC 68-3-1, operational temp. –30C, storage –40C Humidity acc IEC 69-2-30 test Db, cycles betw. 25D en 55C, rel. humidity >90% Salt mist  acc IEC 68-2-11 test Ka EMC  CE-dir. (R&TTE) directive 1999/5/EC E-dir. (VD) Automotive of Vehicle Directive 95/54/EC EN 61000-4-2 ESD, contact and air discharge up to 15 kV ISO 11542-1 radiated immunity, 10 kHz – 18 GHz, am-modulated, horizontal and vertical polarization, dwell-time 1s, field 100 V/m ISO 11542-4 conducted immunity, Bulk current injection, frequency range 1 MHz – 400 MHz, am-modulated, dwell time 2s, injection volt. 100 mA. ISO 11452-7 Direct RF-injection, frequency range 0,25 MHz – 400 MHZ, am modulated, dwell time 2s, injection capacity 0,5 W ISO 7637-0 conduction, transients ISO 7637-1 electrical transient conduction along supply lines only, 12 V systems (to ensure proper vehicle operation, onboard testing is essential) ISO 7637-2 electrical transient conduction along supply lines only, 24 V systems (to ensure proper vehicle operation, onboard testing is essential)  6EN 55011 radiated emission, frequency range 30 MHz – 1 GHz via antenna
    8. GENERAL RECOMMANDATIONS  8.1 risk By meaning of operation the use of wireless remote controls can lead to injury or damage  to property, direct or indirect, if used injudicious.  To limit those risks and/or to prevent against, one is obliged to take following precautions:  8.2 Safety switch ALWAYS mount a safety switch in the system and use it accordingly, in order to be able to switch off the main power supply to the equipment. This safety switch must have a button that can be pressed when necessary, thus cutting off the power supply. Safety switches and other safety devices need to be maintained preventive at least every month. Grease or spray the terminals with an anti-corrosion product. When a wireless remote safety switch is used, it has to be checked on proper operation as often as necessary or at least once every month.   8.3 recommended battery supply Check the battery supply  frequently. The battery supply to use this (wireless remote) control may not be less than 10V DC.This (wireless remote) control may not be used below these values as damage may occur. Is this (wireless remote) control used below  these values anyhow, the proper operation cannot be guaranteed. The manufacturer cannot be held responsible for injury and/or damage that is the result of this.   8.4 before staring Before switching the safety switch to ON and before switching the (wireless remote) control  to ON, the user must be certain that no risks (can) arise by the use and has to take all necessary precautions to prevent against  those risks.  BEFORE switching ON the control ALWAYS keep sight on the equipment that is to be      moved and keep all (non) experts away who are in close vicinity and thus can be in danger,.  Switch ON the safety switch.  Next press the green button on the (wireless remote) control for  ± 0,5 sec.  The system is active for use (the LED lights constantly)  8.5 proportional speed The whole surface of the buttons can be used to move the equipment. However, the buttons are foreseen with proportional speed. By sliding over the foil with your finger, the speed of the equipment will change, all to the possibilities. To be able to use proportional speed the PLC needs to be foreseen with an analog part (this is an option). Besides this the equipment also needs to be suitable for proportional speed.  A winch that uses solenoids (ON-OFF switch) does not have this possibility. When the winch is equipped with a so called motor control, thus controlling the power supply electronically, proportional speed can be used (ask your supplier).   Hydraulic winches that are foreseen with an electric-proportional valve already can use this proportional speed control.  9. HOW TO PROGRAMME SENDER              ON RECEIVER   To be able to start data transmission between transmitter and receiver, they have to be programmed. In general this is done in the factory. However, when this is not the fact, or when, for one or another reason, the data transmission does not work, you may follow the steps under 9.1.       7
     9.1 Steps  -  Cut off the systems power supply. -  On the receiver board, right below the PLC, you will see a button with the text “ADR”,      - Press       -    Switch on the power supply. -  Press the green button on the      transmitter and keep it pressed. -  As soon as the start relay on the PLC switches, loosen the start button -  The system is now ready for use.                                         8ADR Press ADR button followed by the start button on the transmitter unit the relay on the PLC switches. Print Board receiver        (this board is located below the PLC ) Fig.1
    10. Emergency Switches and End Switches                         10.1 make - and break-contact The PLC is foreseen with the possibility of connecting emergency switches as well as end switches. These can be connected as make- or as break contact. To switch between these contacts the dip-switches on the PLC board need to be set.  10.2 Directive 98/37/EC   Attention: Following the Machinery directive  98/37/EC of June 22, 1998, you are  obliged to mount this control according  to the description of the break-contact.  The settings of the make-contact is       default "OFF" from the factory in order to  be able to test the control without  complete installation   10.3 how to connect make- or break contact The make- or break contact can be set by using the dipswitches  (fig. 3). Dipswitch 1, 2 en 3 are corresponding with the inputs i1, i2 en i3.  Every input can be set individually. If the dipswitch is set on “OFF” the corresponding input is in make-contact mode. If the dipswitch is set on “ON” the corresponding input is in break-contact mode.        dipswitchFig. 3 Start relay  Inputs functionrelay 9Fig.2
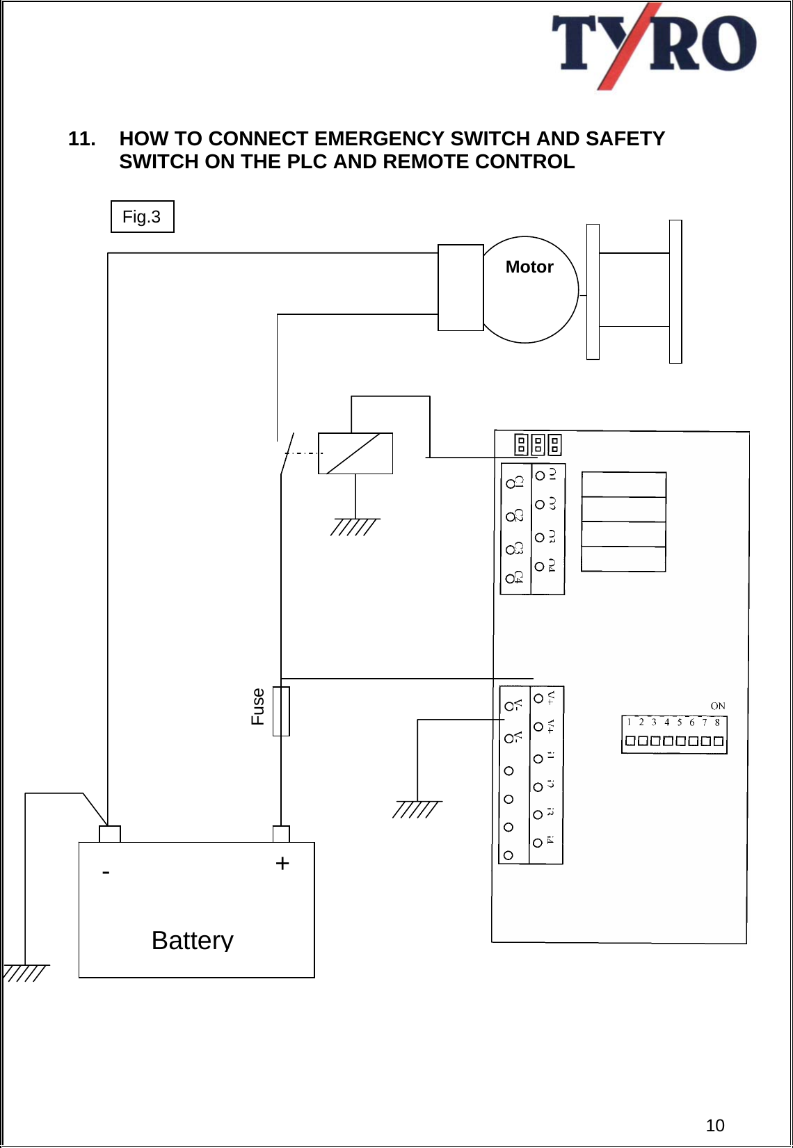
     11.  HOW TO CONNECT EMERGENCY SWITCH AND SAFETY  SWITCH ON THE PLC AND REMOTE CONTROL                                                   Motor+ - Battery Fuse  10Fig.3
      11.  HOW TO CONNECT THE MAKE-CONTACT (DEFAULT) Normally Dipswitches are set on  "ON"                        11.1 system circuit When the make-contact is set on "ON" the system works as follows:  If voltage is on “i1” (emergency stop) all relays (outputs "Q") are cut out immediately. If NO voltage is on “i1” (emergency stop) the system is active  If voltage is on “i2” (End switch 1),  “Q2” (function) is cut out immediately.     If NO voltage is on “i2” (End switch 1),  “Q2” (function outputs "Q2" en "C2")  is active (e.g. winch IN)  If voltage is on “i3” (End switch 2),  “Q3” (function) is cut out immediately.  If NO voltage is on “i3” (End switch 2),  “Q3” (function outputs "Q3" en "C3")  is active (e.g. winch OUT)           Q1Q2Q3Q4C1 C2 C3 C4ON 8 7 6 5 4 3 2 1 JMP3 V+V+i1i2i3i4JMP2 V- V-JMP1 Endswitch 2 Endswitch 1 EmergencBattery    +                  - 11Fig.4
     12. HOW TO CONNECT THE BREAK CONTACT  (according to the Machinery directive 98/37/EC of June 22, 1998)                        12.1 system circuit When the break-contact is set on "OFF" the system works as follows:  If NO voltage is on “i1” (emergency stop) all relays (outputs "Q") are cut out immediately.  If voltage is on “i1” (emergency stop) the system is active  If NO voltage is on “i2” (End switch 1),  “Q2” (function) is cut out immediately.  If  voltage is on “i2” (End switch 1),  “Q2” (function outputs "Q2" en "C2")  is active (e.g. winch IN)  If NO voltage is on “i3” (End switch 2),  “Q3” (function) is cut out immediately.  If voltage is on “i3” (End switch 2),  “Q3” (function outputs "Q3" en "C3")  is active (e.g. winch OUT)                Q1Q2Q3Q4C1 C2 C3 C4ON V+V+i1i2V- V-i3i4JMP1 JMP2 JMP3 1  2  3  4  5  6  7  8 EmergencEndswitch 1 Ei d t d 1Endswitch  2 Battery    +                  - 12Fig.5
    13. WIRING THE RECEIVER  How to wire the relays.  The relay contacts are connected to the board as follows:                              Q1 = system active    Also  a solenoid can be switched that is used as emergency cut out for the whole system. Q2 = function 1 (winch "IN") (Up) Q3 = function 2 (winch "OUT") (Down)   Default function C1, C2 and C3 are connected to V+ through Jumper JMP1, JMP2 en JMP3. The advantage is that no wiring is needed.            Q1Q2Q3Q4C1 C2 C3 C4V+V+i1i2V- V-i3i4JMP1 JMP2 JMP3 ON 1  2  3  4  5  6  7  8 Battery    +                  -Qn Cn Fig.6  13Fig.7
                                                           CE Declaration of Conformity following directive 1999/5/EC of March 9, 1999  and their consequences (mem (10) and (11)) following directive 73/23/EC of february 19, 1973,  following directive  98/37/EC of June 22, 1998 and following the EMC Directive 89/336/EC of may 3, 1989 (95/54/EC),  both modified by directive 93/68/EEC of august 30, 1993  We, TYRO BV,  Bedrijvenpark Twente 1b, 7602 KA Almelo  Declare in solemn responsibility,  that the product   WIRELESS REMOTECONTROL TY-TRX2021  Manufactured by TYRO BV  On which this declaration is based,    Conforms to the health and safety demands of EC directive 89/336/EC (95/54/EC), and the demands of the conforming directive 73/23/EC, both modified by directive 93/68/EC of August 30, 1993      For a correct use of the health and safety demands in these directives following norms and/or technical specifications were used  ETS 300220 ETS 300683        Wijk bij Duurstede 20-02-2001                         Herman Albers Spierings                                                                          Managing director    14

Navigation menu