UBS Axcera 835A-6 6000-Watt UHF Transmitter User Manual 1265 3420 REV 4
UBS-Axcera 6000-Watt UHF Transmitter 1265 3420 REV 4
Contents
- 1. Title Page
- 2. Table of Contents
- 3. System Description
- 4. Specifications
- 5. Site Considerations
- 6. Installation Procedure
- 7. Operation Procedure
- 8. Meters Switches Indicators
- 9. Detailed Alignment Procedure
- 10. Remote Control Interface
- 11. Subassembly Drawing List
- 12. Maintenance Procedure
- 13. Log Book Format
- 14. Typical Operational Readings
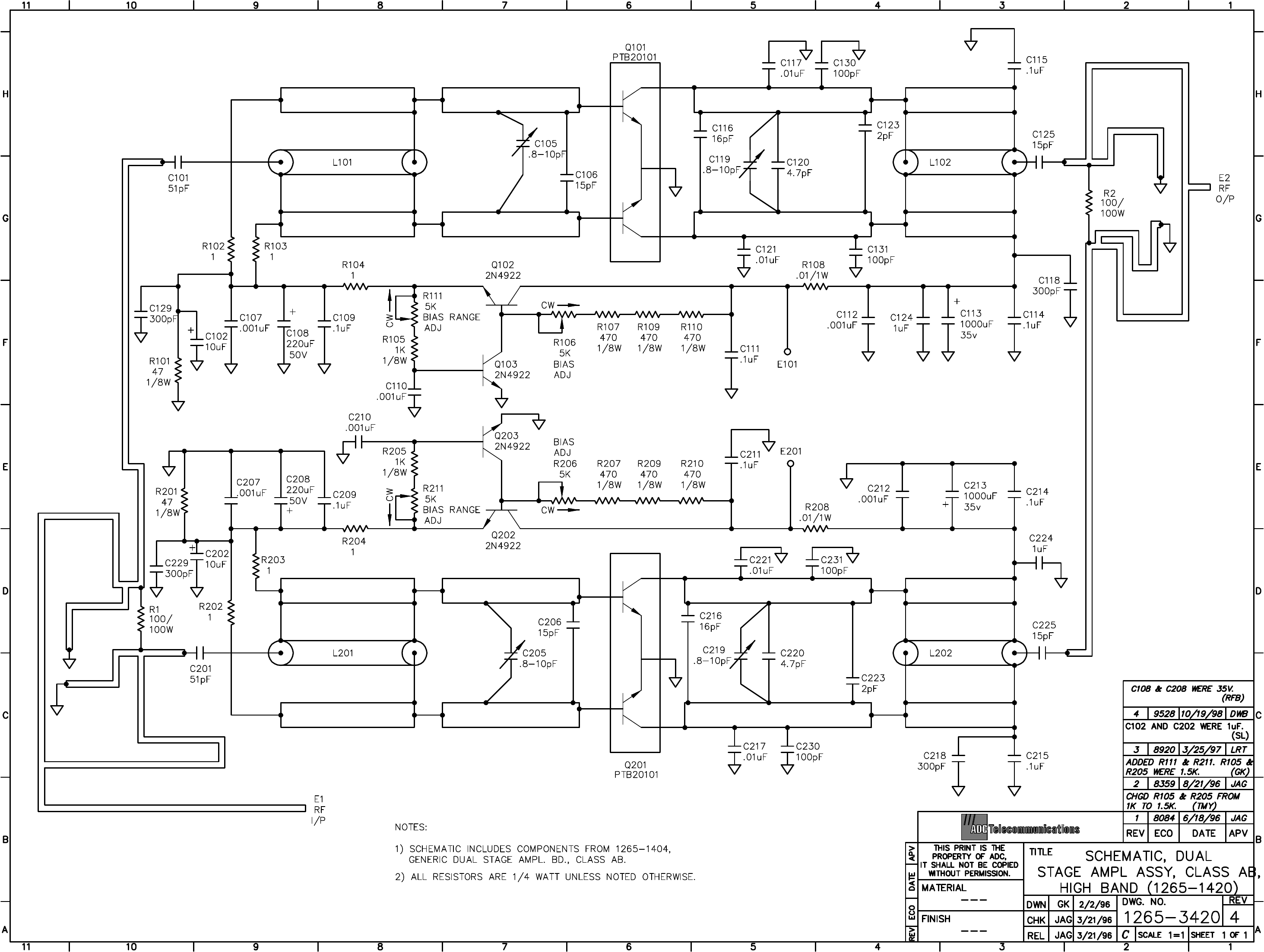
- 15. Schematic
- 16. Scjhematic
- 17. Transmitter Block Diagram
- 18. UHF Exciter Block Diagram
Schematic
