Unilock LL83AR LOXURY-I User Manual LL83AR UsersGuide
Unilock Co., Ltd. LOXURY-I LL83AR UsersGuide
Unilock >
USERS MANUAL

Model No. LL83AR
2013. 10

1. Specific Features
- 3 levels key (RFID tag) management system
- Standard ISO-14443A RFID
- High glossy front panel & hidden LED Icons
- 1 time or permanent mode
- Burglar alarming when opening by force
- Warning alarms for low battery or abnormal status
- Possible use of external 9V battery
- Melody on-off setting
- In-use LED icon
- High security up and down deadbolt
- Using 3 AA type Alkaline batteries last for 1 year
- Material: PC/ABS(Body), Steel(Dead Bolt)
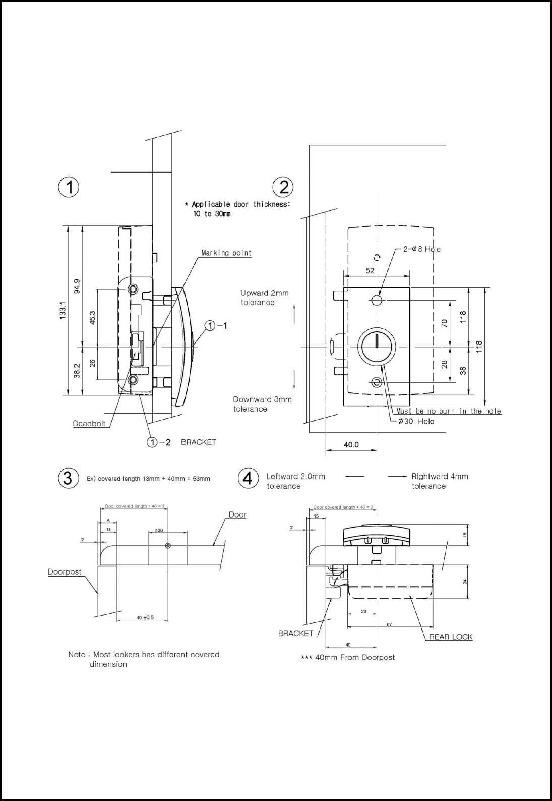
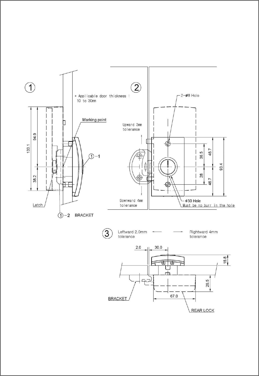
2. Sizes
- Front: 52(H) * 93(W) * 17(T) mm
- Rear: 133(H) * 67(W) * 26.5(T) mm
3. Supported door thickness
- Size A: 15~20mm (0.59~0.78 inches)
- Size B: 20~25mm (0.79~0.98 inches)
- Size C: 25~30mm (0.99~1.18 inches)
Contact us for less than 15mm or larger than 30mm
4. Part Names

5. Change Type (Toggle)
- Remove battery from the lock.
- Press “Type Sel. S/W” (see paragraph 4 “Part Names”, with a pin like clip) + press “Latch” +
insert batteries and stay for 5 seconds.
- There will be a beep and “Open” LED blinks 3 times if it is changed for type A.
- There will be a beep and “Close” LED blinks 3 times if it is changed for type B.
RFID Tag Type A Type B
Owner Key 1 1
Master Key 1 20
User Key 1 20
Cleaner Key 1 20
6. Change Mode Options (Toggle)
- Press “Function S/W”, see paragraph 4 “Part Names”, with a pin like clip. There will be beeps
sequentially. Following functions can be changed by touch owner key after each beep.
How To Change Function Sound Factory Set
1st Beep + Owner key Enable locking status LED Sol-Do
Disable locking status LED Beep Default
2nd Beep + Owner key Enable Cleaners Key Sol-Do Default
Disable Cleaners Key Beep
3rd Beep + Owner key
Auto Locking
(Automatically locked when close door)
Sol-Do
Manual Locking
(Touch user key or password for locking)
Beep Default
4th Beep + Owner key Enable Beep Sound Sol-Do Default
Disable Beep Sound Beep
5th Beep + Owner key 1 Time Use Mode Beep
Membership Use Mode Sol-Do Default
7. LED Icons
Icon Meaning Color Status
Locking Status Green Open
Red Closed
Battery Status Orange Change Battery
Processing Status
Yellow Under Processing
Red Abnormal
Green Normal

8. Registering and Using RFID keys
Loxury I is using IRDA sensing technology for waking it up from power saving mode.
Direct sunlight or strong three wave light bulb may interfere with the IRDA sensing function.
Please avoid from direct sunlight or strong three waves light.
A. Register an Owner key
- First used RF tag became an Owner key.
① Install LL83AR into the locker.
② Insert 3 AA type alkaline batteries for activating.
③ Touch any ISO-14443A RFID tag. There will be beeps 3 times and green key logo LED
blinking when it is registered as an Owner key.
- 1 Owner key can be registered for a LL83AR. Owner key cannot access the lock.
B. Register Master key(s)
① Touch the Owner key
② Touch an extra RF tag (LED blinks during registration mode for 8 seconds). There will be
beeps 3 times and green key logo blinking when it is registered as a Master key.
③ (For B type) Touch another RF tag sequentially for up to 20 tags total or touch same tag
twice to end the registration.
- The Master key can open the LL83AR.
- After use the Master key, the deadbolt unlocked even the door is closed.
C. Register & using User key(s)
① Touch the Master key
② Touch an extra RF tag (LED blinks during registration mode for 8 seconds). There will be
beeps 3 times and green key logo blinking when it is registered as a Master key.
③ (For B type) Touch another RF tag sequentially for up to 20 tags total or touch same tag
twice to end the registration.
- The User key can lock or unlock the LL83AR.
D. Change or delete User key (while lost user key/password)
i. Touch Master key for deleting all registered User keys.
ii. Register new RF Tags.

9. Install Drawings
(For Right Hinge Door)

(For Left Hinge Door)

(For Two Doors)

10. Out of Battery
There will be battery warning alarms, 5 beeps,
while open or close the lock if the batteries are
almost flat.
Standard 9V battery can be used at this situation.
(Polarity is does not matter at this time)
i. Contact 2 terminals, “+” and “-”, of the
9V battery into the 2 external terminals
on the lower front.
ii. Use a registered Master card to open.
11. Reset Memory (Clear Memory)
Possible to clear all memory of registered RF keys, and return the lock to factory setting.
- Connect Front and Rear units and install batteries for the Reset Memory process.
1. Coupling the “RESET” soldering points with a sharp tweezers or similar tool and press the
“Latch” (page 1). Release the Latch and the Points for resetting memory.
- Beep 1 times if the reset is done.
- Register Owner key and Master Key again.
12. Emergency Opening
There is an emergency “Break to Opening Process” if the lock does not work at all even
if try paragraph 11 “Out of Battery”
9V Battery

1. Drill a hole at the center of the RF sensing window at right angle by use of 6mm drill
bit for 21mm depth. (Customized drill bits are sold separately)
2. Insert “+” driver into the hole and turn to clockwise until the inside locking lever
released for opening the lock.
Return the broken front back to Unilock or our dealer for replacing.
21mm

FCC Information to User
This equipment has been tested and found to comply with the limits for a Class B digital device, pursuant to Part
15 of the FCC Rules. These limits are designed to provide reasonable protection against harmful interference in
a residential installation. This equipment generates, uses and can radiate radio frequency energy and, if not
installed and used in accordance with the instructions, may cause harmful interference to radio communications.
However, there is no guarantee that interference will not occur in a particular installation. If this equipment does
cause harmful interference to radio or television reception, which can be determined by turning the equipment
off and on, the user is encouraged to try to correct the interference by one of the following measures:
• Reorient or relocate the receiving antenna.
• Increase the separation between the equipment and receiver.
• Connect the equipment into an outlet on a circuit different from that to which the receiver is con-nected.
• Consult the dealer or an experienced radio/TV technician for help.
Caution
Modifications not expressly approved by the party responsible for compliance could void the user’s authority to
operate the equipment.
FCC Compliance Information : This device complies with Part 15 of the FCC Rules. Operation is subject
to the following two conditions: (1) This device may not cause harmful interference, and (2) this device must
accept any interference received, including interference that may cause undesired operation
IMPORTANT NOTE:
FCC RF Radiation Exposure Statement:
This equipment complies with FCC RF radiation exposure limits set forth for an uncontrolled environment. This
equipment should be installed and operated with a minimum distance of 20 centimeters between the radiator and
your body.This transmitter must not be co-located or operating in conjunction with any other antenna or
transmitter.

IMPORTANT Safety Instruction:
1) Read these instructions.
2) Keep these instructions.
3) Heed all warnings.
4) Follow all instructions.
5) Do not use this equipment near water.
6) Do not using near any heat sources such as radiators, heat resisters, stove, or other equipment that produce
heat.

CONTACT INFORMATION
Manufacturer Address : 1409 Mega Bldg., SK n Techno Park, 190-1 Sangdaewon-dong, Jungwon-
gu, Seongnam, Gyeonggi-do, South Korea
To locate in-country Unilock Co., Ltd. distributors of the LL83AR,
please refer to the Unilock Co., Ltd. Website http://www.unilock.co.kr/
These distributor(s) represent local contacts for this product.
CORPORATE HEADQUARTERS:
Unilock Co., Ltd.
1409 Mega Bldg., SK n Techno Park, 190-1 Sangdaewon-dong, Jungwon-gu,
Seongnam, Gyeonggi-do, South Korea Tel: +82-31-776-3525
Fax: +82-31-776-3526
Web: http://www.unilock.co.kr/
EUROPEAN UNION “DECLARATION OF CONFORMITY”
DECLARATION OF CONFORMITY
Unilock Co., Ltd.
1409 Mega Bldg., SK n Techno Park, 190-1 Sangdaewon-dong, Jungwon-gu, Seongnam,
Gyeonggi-do, South Korea
declare under our sole responsibility that the product(s)
LOXURY-I – LL83AR
to which this declaration relate(s) is in conformance with the following standards:
EN 60950-1:2006/A11:2009/A1:2010/A12:2011/A2:2013
EN 301 489-1 V1.9.2:2011
EN 301 489-3 V1.6.1:2013
EN 300 330-1 V1.7.1:2010
EN 300 330-2 V1.5.1:2010
following the provisions of the 1999/5/EC Directives.
[END]