User Manual

Model No. LL94AR
2016. 02

1. Specific Features
- 3 levels key (RFID tag) management system
- Support Mifare Classic, DESFire EV1, Ultralight
- Comfortable grip feeling with round handle front
- Intuitive hidden LED Icons
- Shared use mode or assigned use mode
- Burglar alarming when opening by force (O
- Warning alarms for low battery or abnormal status
- External 9V battery connector for low battery
- Melody on-off setting
- In-use LED icon
- Auto locking or manual locking
- 1 year battery life with 3 AA type alkaline batteries
- Material: PC/ABS
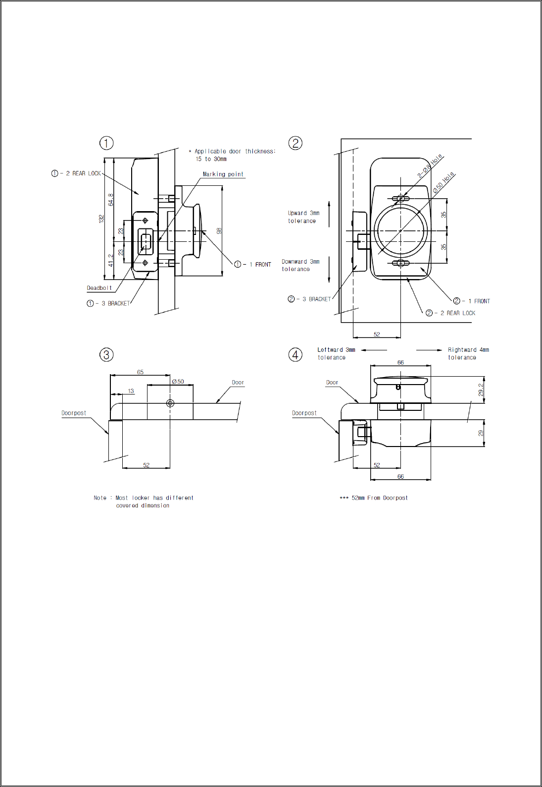
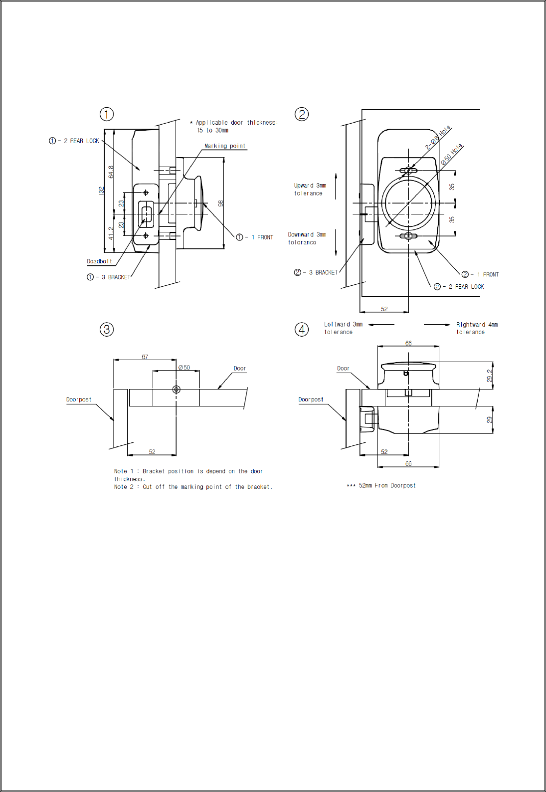
2. Dimensions
- Front: 98(H) * 66(W) * 29.2(T) mm
- Rear: 132(H) * 66(W) * 29(T) mm
3. Supported door thickness
- Size A: 15~20mm (0.59~0.78 inches)
- Size B: 20~25mm (0.79~0.98 inches)
- Size C: 25~30mm (0.99~1.18 inches)
Contact us for less than 15mm or larger than 30mm
4. Part Names

5. Supported key levels
RF key levels Max no. of RF key
Owner Key 1
Master Key 20
User Key 20
Cleaner Key 20
6. Change Mode Options
Need to use “Lock Manager” software and USB gender for changing the
options.
Functions Options No. of Beep Factory Setting
Use of Key Shared Use 1
Assigned Use 2 Default
Locking type Auto Locking
Manual Locking Default
Beep Levels
High Default
Mid
Low
Off
In Use LED On
Off Default
Cleaner Key Enable Cleaner Key Default
Disable Cleaner Key
7. LED Icons
Icon Function Color Status
Locking Status
Green Open,
registered
Red Closed

8. Registering and Using RFID keys
LL94AR using IRDA sensor for waking up the lock from power saving
mode (sleep mode). Direct sunlight or strong three wave light bulb may
interfere the IRDA sensing function. And the sensor starts auto-tuning
function when the battery is changed. Auto tuning takes around 20
seconds. Please do not cover the RF sensing area during the auto-tuning.
A. Register an Owner key
- First used RF card became an Owner key.
① Install LL94AR into the locker.
② Insert 3 AA alkaline batteries.
③ Wait for auto-tuning time, around 20 seconds.
④ Touch any RF card for registering it as an Owner key.
Beeps 3 times and blinking green LED if the Owner key registering is
done.
- 1 Owner key can be registered for a LL94AR. Owner key cannot access
the lock.
B. Register Master key(s)
① Touch the Owner key (No need to use Owner key at the first time)
② Touch an extra RFID card (LED blinks during registration mode for 8
seconds). Beep 3 times and green LED blinks if the registration is done.
③ Touch another RFID card for up to 20 in sequence or touch same card
twice to end the registration.
Example: Touch A card (4 seconds) – touch B card – touch C card –
touch C card again
Result: Three (A, B and C) Master cards has been registered.
- Master key opens the lock. But cannot lock.
C. Register & using User key(s)
① Touch any Master card
② Touch an extra RFID card (LED blinks during registration mode for 8
seconds). Beep 3 times and green LED blinks if the registration is done.
③ Touch another RFID card for up to 20 in sequence or touch same card
twice to end the registration.
Example: Touch any Master card – touch A card – touch B card –
touch C card – touch C card again
Result: three (A, B and C) User cards has been registered.
- The User key can lock or unlock LL94AR.
D. Change or delete User key (while lost user key)
i. Touch any Master key for deleting all registered User keys.
ii. Register new User cards.

9. Installation Drawings
(For Right Hinge/Covered Door)

(For Left Hinge/Embedded Door)

10. Out of Battery
There will be battery warning alarms, 5
beeps, if the battery is almost runs out.
Standard 9 V external battery can be used
to operate the lock. (No polarity on the
external 9V battery contactors)
Use any registered Master card to open.
11. Reset Memory (Clear Memory)
Possible to delete all registered RF keys and return all of the lock
functions back to factory default setting.
1. Coupling the “RESET” soldering points with a sharp tweezers or similar
tool and touch the RF sensing area by hand to clear the memory.
- Beep 1 time if the reset was done.
- Register all keys again.
9V Battery

12. Emergency Opening
LL94AR can be unlocked without damage if the lock does not work at all.
Try to open with 9V external battery before doing this emergency opening
process.
1. Unscrew the side bottom set-screw with set-screw wrench.
2. Rotate the front bezel to clockwise and take out the front core.

3. Press down inside open pin with “─” driver.
4. Insert the emergency opening pin into the emergency opening hole.

5. Press the emergency opening pin to the right end and open the door.
The lock does not work at all after this emergency opening. Return the
lock to the authorized dealer for rework.
[END]

CE MARKING
FCC ID : 2ABLG-LL94AR
This equipment has been tested and found to comply with the limits for a Class B digital device,
pursuant to Part 15 of the FCC Rules.
These limits are designed to provide reasonable protection against harmful interfernce in a
residential installation.
This equipment generate, uses and can radiate radio frequency energy and, if not installed and
used in accordance with the instructions, may cause harmful interference to radio communications.
However, there is no guarantee that interference will not occur in a particular installation.
if this equipment does cause harmful interference to radio or television reception which can be
determined by turning the equipment off and on, the user is encouraged to try to correct the
interference by one or more of the following measures.
-- Reorient or relocate the receiving antenna.
-- Increase the separation between the equipment and receiver.
-- Connect the equipment into an outlet on a circuit different from
that to which the receiver is connected.
-- Consult the dealer or an experienced radio/TV technical for help.
-- Only shielded interface cable should be used.
Finally, any changes or modifications to the equipment by the use not expressly approved by the
grantee or manufacturer could void the users authority to operate such equipment.