Unimo Technology PK-400N UHF FM Transmitter User Manual PK Series Manual final
Unimo Technology Co., Ltd. UHF FM Transmitter PK Series Manual final
Users Manual
PK-100N
PK-400N Service Manual
* This Service manual is subject to change according to improvement of PK-Series Portable Radio without notice.
* Version #1 (2004-11-20)
Read this information before using your product.
Acknowledging Special Precautions and the FCC Notice Cautions.
Modifications not expressly approved by the party responsible for compliance could void the user's authority to
operate the equipment.
FCC compliance Information
This device complies with part 15 of FCC Rules.
Operation is subject to the following two conditions:
1. This device may not cause harmful interference, and
2. This device must accept any interference received.
Including interference that may cause undesired operation.
Information to User
This equipment has been tested and found to comply with the limits for a Class B digital device, Pursuant to part
15 of the FCC Rules. These limits are designed to provide reasonable protection against harmful interference in
a residential installation.
This equipment generates, uses and can radiate radio Frequency energy and, if not installed and used in
accordance with th einstruction, may cause harmful interference to radio communications.
However, there is no guarantee that interference will not occur in a particular installation. If this equipment does
cause harmful interference to radio or television reception, whic h can be determined by turning the equipment
off and on, the user is encouraged to try to correct the interference by one or more of the following measures:
> Reorient or relocate the receiving antenna.
> Increase the separation between the equipment and receiver
> Connect the equipment into an outlet on a circuit different from that to which the
receiver is connected.
Consult the dealer or an experienced radio/TV technician for help.
1. RADIO FREQUENCY ENERGY SAFETY INFORMATION
This UNIMO transceiver has been tested and complies with the standards listed below, in regards to radio
Frequency(RF) energy electromagnetic energy(EME) generated by the transceiver
> FCC RF exposure limits for Occupational use only. RF exposure limits adopted by the FCC are generally based on
recommendations from the national council on radiation protection and measurement, & the American National
National Standards Institute.
> FCC OET Bulletin 65 Edition 97-01 Supplement C
> American National Standards Institute(C95.1-1992)
> American National Standards Institute(C95.3-1992)
WARNING
This UNIMO transceiver generates RF EME while transmitting. RF EME(Radio Frequency Electric & Magnetic
Energy)has the potential to cause slight thermal, or heating effects to any part of your body less than the recommended
distance from this radio transmitter's antenna.
RF energy exposure is determined primarily by the distance to and the power of the transmitting device. In general, RF
exposure is minimized when the lowest possible power is used or transmission time is kept to the minimum required for
consistent communications, and the greatest distance possible from the antenna to the body is maintain.
The transceiver has been designed for and is classified for Occupational use only. Occupational/controlled exposure
limits are applicable to situations in which persons are exposed to RF energy as a consequence of their employment,
and such persons have been made aware of the potential for exposure and can exercise control over their exposure.
This means you can use the transceiver only if you are aware of the hazards of operating a transceiver and are familiar
in ways to minimize these hazards. This transceiver is not intended for use by the general public in uncontrolled
environments.
Uncontrolled environment exposure limits are applicable to situations in which the general public may be exposed to
RF energy ,or in which the persons who are exposed as a consequence of their employment may not be fully aware of
the potential for exposure or cannot exercise control over their exposure
The following list provides you with the information required to ensure that you are aware of RF exposure and of how
to operate this transceiver so that the FCC RF exposure limitations are not exceeded.
> While transmitting(holding the PTT switch), always keep the antenna at least 2.5cm (1 inches) from your body or
face ,as well as from any bystanders
> Do not transmit for more than 50% of the total transceiver use time; transmitting over 50% of the total use time may
exceed the limits in accordance to the FCC RF exposure requirements. Nominal transceiver operation is 5%
transmission time,5% reception time, and 90% stand-by time
> Use only the specified antenna for this transceiver; this may be either the antenna provided with the transceiver or
another antenna authorized by UNIMO.
Use only UNIMO authorized accessories (antennas, battery packs, belt clips, Speaker/Mics or headsets etc.):
When worn on the body, always place the radio in a UNIMO recommended clip or carrying case meant for this product.
The use of other than recommended or approved body-worn accessories may result in RF exposure levels which
exceed the FCC's occupational /controlled environment RF exposure limits.
CAUTION
To ensure that your exposure to RF EME is within the FCC limits for occupational use, you must observe and adhere to
the above points.
Electromagnetic Interference Compatibility
Electronic devices are susceptible to electromagnetic interference(EMI)if they are not adequately shielded or designed
for electromagnetic compatibility. Because this transceiver generates RF energy, it can cause interference to such
equipment.
>Turn OFF your transceiver where signs are posted to do so. Hospitals and health care facilities use equipment that is
sensitive to electromagnetic radiation.
> Turn OFF your transceiver while on board an aircraft when so instructed, Use of the transceiver must be in
accordance with airline regulations and/or crew instructions.
1
2. Features
The features of PK-series are various as below. PK-series can be used under tough industrial environments as well
as public places. PK series have following functions:
-. PLL synthesizer method
-. 256 channels and 16 groups are selectable.
-. Call guard squelch of the standardized DCS/CTCSS
-. Dual Tone Modulation Frequency (DTMF)
-. 2/5-tone paging
-. Channel interval: 12.5kHz
-. Normal scanning and priority scanning
-. Time-Out Timer (TOT)
-. BCL/BCLO
-. Paging
-. Wide-band
-. Easy cloning
-. Various parameters and PC downloading methods
-. Various accessories
-. light and modern design antenna
1) Alphanumeric LCD Windows
Alphanumeric LCD Windows enable to represent any kind of expression on LCD Display.
2) Caller ID (Paging Feature)
PK-series have a Caller ID Function that is usually used in the TRS Radio to maximize communication efficiency
and convenience. The caller’s ID is displayed on the right bottom on screen..
3) Enhanced Functionality
The microprocessor has been installed to implement various Enhanced features allowing users to choose them
through the menu.
4) Improved Convenience
The radio has been designed suitable for the professional users. Under the base of powerful speaker, it is possible to
express clean sound. (PK-series: 127mm)
5) Window Display
The Window LCD of PK-series (Size 21×12mm) allows users to identify channels and other data easily under any
working environment or condition.

2
6) 256 Channels and 16 Groups Selectable
Users can use various tones with 47 CTCSS and 83 DCS . 256 channels can be divided into 16 groups so that
users can make group for other users and page each group.
7) Multi-functional Ear/MIC Jack
With multi-functional Ear/MIC Jack, it is possible to be used together with various accessories.
8) Cloning
For compatibility with current models of UNIMO, the data of those models (such as channels, tones, 5-tone ID, etc.)
are cloned to another radio with Cloning cable. .
9) Improved Security
Security features like Key Lock and Password will prevent and avoid misuse of the radio by unqualified people in
case the radio is stolen or lost.
1.1 Part Number Breakdown
The following is a breakdown of the part number used to identify this transceiver
P K – 100 N
Potable Radio
Unimo Model Version
100 : 136 ~ 174 MHz
200 : 216 ~ 223 MHz Narrow Band(12.5KHz)
400 : 400 ~ 470 MHz

3
3. Appearance
3.1 Appearance of the PK-series Product
Channel Down Button
Channel Up Button
Rx / Tx Lamp
Display LCD
Menu Button
Microphone
Speaker
On / Off Volume
Antenna
PTT Button
Monitor Button
Battery Locker
Ear / Mic jack
Figure 3.1. Appearance of the PK-series Product
Figure 3.2. LCD of the PK-series Product
RSSI
TX POWER
KEY LOCK
ALERT
BATTERY
VOX MODE
CTC/DCS SCAN
CHANNEL
NUMBER
GROUP
NUMBER
TWO / FIVE TONE

4
4. Basic Operation of PK-series Products
4.1 Installation and Removing the Antenna
1) Installation the Antenna
Insert the antenna screw into the antenna hole, and screw the antenna clockwise.
2) Removing the Antenna
To remove the antenna, screw the antenna counterclockwise.
4.2 Installation and Removing PK-series Batteries
1) Inserting and Removing the Battery
Figure 4.1. Installing and Removing PK-series Product Batteries

5
4.3 The Radio disassembling method
First, please remove the battery, Volume Knob and Antenna.
And please pull up Ear Phone Jack Cover with hands.
As showing picture as below, stick to the bottom holes by using Jig.
By moving up Jig and pull it to the direction of disassembling.
(O)
(X)
Figure 4.2. Radio disassembling method
4.4 Charging the Battery
1) Safety Notes
1) The radio of UNIMO Technology receives power from high-performance Li-ion battery (only for PK Series)
or Ni-MH battery. The battery of UNIMO is safe, of high-performance, and highly reliable, and could be
charged very fast. Correct using the battery will improve the efficiency and life of the battery.
2) Please charge the battery before using the radio for best performance and safety.
3) This battery has been designed suitable only for the chargers of UNIMO. So, please don’t use for the other
manufacturer’s charger. Since it will result in damage of the battery and the radio.
4) When you charge the battery that is installed in the radio, please turn off the radio first to charge the battery.
☞Caution) Continued fast discharging (for example, when positive and negative poles of the battery are shorted
by metallic objects) will result in critical damage in the battery or may lead to explosion of the battery or a fire.

6
2) The time of Charging
Low battery voltage will make the radio less coverage and also make worse the performance. Please charge the
battery in case of following:
① When the battery has lower performance after being used around 6 ~ 8 hours
② When the red lamp on the front panel blinks (every 0.5 second) during transmission or reception
③ When the battery icon blinks
④ When “beep” sound is generated every 10 seconds while the radio is in use
3) How to Charge
① As soon as power is supplied to the charger, two lamps will be turned on and off soon.
② Before charging the battery with the radio, turn off the radio and then insert the radio into the charger.
③ In case of Dual Charger (CH-200NW): The front slot has the priority. While the battery in the front slot is
being charged, the other battery in the rear slot will stand by and will be fast-charged only after the battery in
the front lost is fully charged. If the user removes a battery being charged from the charger, the other battery
in standby state will start to be fast-charged.
④ Although the green lamp is on after the battery is fully charged, the microprocessor keeps checking the battery
status and charges the battery, if necessary.
4) Charger
The charger shown in the following figure is only for PK Series built in microprocessors:
CHK-170FB(Li-ion) / CHJ-165FB (NiMH)
Figure 4.2. Appearance of CHK-170FB/ CHJ-165FB Charger For PK Series
Input Voltage Adapter DC 12V 1000㎃
Battery PBJ-6165NB
Fast Charging Time In 100 minutes / In 10 hours
Operating Temperature 0℃ ~ +40℃
Size 110 (W) x 110 (D) x 41 (H) m/m
Charging Current 1000㎃

7
5. Operating Instructions of PK-Series Radio
5.1 Power On/Off
Turn Power switch clockwise. As soon as power is supplied, the backlight will be turned on. If the user had set
up the user ID and the name, they will be displayed on the LCD and the radio will enter into the latest state as a
signal sound is generated.
☞ Caution) When turning (power) on the radio by pressing a button on it, the radio may enter into a special
modes like a program mode, tune mode or clone mode in which transmission and reception is impossible.
Please don’t turn on the radio by above way.
Figure 5.1 User ID and Name
5.2 Transmission Method
For transmission, press PTT button on the left side of the radio. As soon as the user presses keys according to the
setting, DTMF or 5-tone ID will be transmitted, and during this time, voice communication will be interrupted
for several seconds. Then, red LEDs for transmission and reception will be turned on. It is recommended to talk
5 ~ 10cm away from the microphone for the best voice communication.
☞ Note: If the user makes transmission for more than a certain time while BCLO or TOT feature is on,
transmission will be forcefully disconnected for other users.
Figure 5.2 Reception Screen Figure 5.3 Transmission Screen
5.3 Reception Method
The user should not press PTT button during the reception . The user can adjust the volume by Power (Volume)
switch, and during reception, the green LED will be turned on. Depending on conditions of the transmitting radio,
DTMF or 5-tone sound is generated, and sometimes, the caller’s name is displayed. (Refer to Caller ID Mode
[Paging mode.]) Also, an antenna-shaped symbol is displayed on the LCD to show the Received Signal Strength

8
Indicator (RSSI). If the communication conditions is poor or the tone (CTCSS/DCS) is not the same even though
the frequency is the same, the user needs to press Monitor button (M) on the left side of the radio to receive all
signals of the current channel. However, if the user presses Monitor button (M) under normal circumstances, the
user will only hear noise. To keep this feature on, the user needs to presses Monitor button for a while (2 seconds).
Then, “beep” sound will be generated and the function will be activated. To cancel this function, the user needs
to press Monitor button (M) shortly.
5.4 Changing Channels
Channel buttons (▲ and ▼) are to change channels. Press Up button (▲). Then, “beep” sound will be generated
and the channel number will be increased. Or press Down button (▼) to decrease the channel. If the user presses
Up or Down button while only one channel is set, the channel will not be changed and a different sound from
“beep” will be generated. For fast increase or decease channel numbers, press Channel buttons (▲ and ▼) for a
while. In this case, however, “beep” sound will not be generated.
5.5 Adjusting the Transmission Power
The user can change the transmission power – High Power or Low Power. By pressing Up button (▲) while PTT
button is being pressed, the user can select “H” (High Power), or by pressing Down button (▼), the user can select
“L” (Low Power). By selecting Low power under good communication conditions, the user can extend the battery
use time.
Figure 5.4 High Power Figure 5.5 Low Power
5.6 Scan
By pressing “Menu” and “▼” buttons in order within 0.5 second in Standby mode, the user can activate Scan
function. After Scan function is activated, the radio will automatically search channels and detect a channel
corresponding to the frequency. To deactivate Scan function, press “M” button once.
5.7 Key Lock
Press “Menu” button and press Up key (▲) within 0.8 second. Then, the key will be locked. Or to unlock the key,
press “Menu” button and Up key (▲) within 0.8 second.

9
5.8 Selective Call (Paging)
In Selective Call mode (Paging mode), the user can call individuals and groups through the 5-tone ID. Each
Selective Call memory (paging memory) stores up to 30 IDs and names. The user should set the paging memory
and the 5-tone environment in the PC program. To enter into Selective Call (Paging mode), press “Menu” and
“M” button , and to go back to Normal mode, press “Menu” button for two seconds in Selective Call (Paging
mode). By pressing Channel buttons (▲ and ▼) in Selective mode (Paging mode), the user can view the number
of the currently available channel.
Figure 5.6 Normal Mode Figure 5.7 Paging Mode
1) One-to-one (1:1) Selective Call Mode (Paging Mode)
① Enter into Selective Call (Paging mode) by pressing press “Menu” and “M” button for a while in Normal
mode.
② Select the other person’s tone number by pressing Channel buttons (▲ and ▼). For example, if TOMMY
wants to call JOHN, TOMMY needs to select JOHN’s tone number by pressing Channel buttons (▲ and ▼)
in Selective Call Mode (JOHN’s tone number : 12345, TOMMY’s tone number : 54321).
③ And then if TOMMY presses “Menu” button , JOHN will be called. At the same time, on John’s radio, his
number will be displayed. Although John’s radio is in Normal mode, it will enter into paging mode
automatically as soon as a call arrives.
Figure 5.8 TOMMY Calling JOHN Figure 5.9 JHON Receiving the Call
2) One-to-one (1:1) Calling in Selective Call Model (Paging Mode)
① After entering into Selective Call (Paging mode), select the other person’s name to call by pressing Channel
buttons (▲ and ▼).
② Press transmission PTT button to send the other person’s ID first.

10
③ Only the radio which is in the status of selective call and receive the same ID with its own could receive the
audio signal
3) Group (1:N) Call in Selective Call Mode (Paging Mode)
① To call a group in Selective Call Mode (Paging mode), the user needs to set the group in the PC program as
follows:
② If JOHN (13579) and JANE (12468) belong to one group, allocate a paging number (1AAAA) and a name
(COMPANY) to the group. (“A” represents All and can be any number.)
③ For example, if JOHN calls all people in COMPANY group, he needs to select “COMPANY” and “1AAAA”
on his radio and press “Menu” button. In this case, on a receiver’s radio transceiver, “COMPANY” and
“1AAAA” will be displayed. In other words, during group paging, the group name and the group number will
be displayed on the called party’s radio.
Figure 5.10 Group Paging
4) Group (1:N) Calling in Selective Call Mode (Paging Mode)
Group calling in Paging mode is possible in the same way as group paging.
5.9 Cloning
Cloning function is to clone the data such as frequency, tones, and scanning of one radio to the other radios.
* Cloning Method
① Prepare a Cloning cable (PFCLONA) which is manufactured by UNIMO Technology.
(* Available in branch offices and sales agencies of UNIMO.)
② Turn on the radio while pressing PTT button, and turn on the target radio while pressing “Menu” button.
③ “Clone Mode” will be displayed on the radio while “Program Mode” will be displayed on the target radio .
④ Connect the cloning cable to Ear/MIC jacks of two radios.
⑤ Press “Menu” button of the radio to start to clone the data. After cloning the data, disconnect the cable and
turn off two radio and turn them on again. Check if cloning has been made successfully before operating two
radios.
☞Caution) Cloning the data to an unauthorized radio is subject to a penalty by Radio Waves Act.
5.10 Menu Description
Enter into Menu mode by pressing “Menu” button for two seconds. There are nine menus. By setting menus
according to user’s preference, the user can operate the radio more conveniently.
☞ Notes) In Menu mode, transmission and reception is not possible. Please quickly select a menu when the radio

11
is not used.
5.11 Change Groups
The radio of UNIMO have total 256 channels with 16 groups, and the user can set each group and channel by the
PC program or by the menus.
① Enter into Menu mode.
② Select “Group” by pressing Channel buttons (▲ and ▼), and press “Menu”. Then, the message of the
selected group will be displayed.
③ Change the group by pressing Channel buttons (▲ and ▼), and save the changed group by pressing “Menu”
button.
④ Exit Menu mode by pressing “M”s button.
Figure 5.12 Change Group Figure 5.13 Set Squelch
5.12 Set Squelch
Select the squelch sensitivity – Normal or Tight – in order to control feeble reception signals and noise.
① Enter into Menu mode.
② Select “Squel” by pressing Channel buttons (▲ and ▼), and press “Menu” button. Then, the message of the
squelch sensitivity will be displayed.
③ Select the squelch sensitivity – Normal or Tight – by pressing Channel buttons (▲ and ▼), and save the
selected sensitivity by pressing “Menu” button.
④ Exit Menu mode by pressing “M”s button.
Menu
Menu
Blank
Menu
M
M
Menu
Menu
Blank
Menu
M
M
TIGHT
NORMAL

12
5.13 ID Display
ID Display function is to send the caller’s ID and it display Caller’s ID on the called person’s radio. The ID is
mainly divided into DTMF and 5 tones. Especially, 5 tones are to send the caller’s ID to the other person’s radio
and display the caller’s ID on the called person’s radio for convenient and efficient use of the radio.
① Enter into Menu mode.
② Select “Id” by pressing Channel buttons (▲ and ▼) and press “Menu” button. Then, the DTMF ANI(“d-
tone”) or 5-tone ANI (“5-tone”) by pressing Channel buttons (▲ and ▼) and press “Menu” button.
③ Select On or Off by pressing Channel buttons (▲ and ▼) and save the selected status by pressing “Menu”
button.
④ Exit Menu mode by pressing “E”s button.
Figure 5.14 ID ANI Figure 5.15 KET TONE
5.14 Set Key Tone
Set Key Tone menu is to decide whether to generate sound or not when the user presses four buttons on the front
side of the radio
① Enter into Menu mode.
② Select “Beep” by pressing Channel buttons (▲ and ▼) and press “Menu”. Then, Key Pressing Sound
message will be displayed.
③ Select On or Off by pressing Channel buttons (▲ and ▼), and save the selected status by pressing “Menu”
button.
Menu
Menu
Menu
M
M
Menu
Menu
Menu
Blank
Yes
No
M
M
Menu
Menu
Blank
Menu
M
Yes
No
M
M

13
④ Exit Menu mode by pressing “M”s button. Select “Off”. Then, the bell symbol will disappear on the LCD.
5.15 Scan
Scan is to search channels registered in the scan list and let the radio select the channel automatically in which a
signal is received. To use Scan menu, the user first needs to set the scanning feature for the corresponding channel
in the PC program:
① Enter into Menu mode.
② Select “Scan” by pressing Channel buttons (▲ and ▼) and press “Menu” button. Then, the scan list and
Priority Channel message will be displayed.
③ Select the scan list by pressing Channel buttons (▲ and ▼) and “Menu” button. After the user selects the
scan list, all channels of the communication groups will be displayed.
④ In default, “O” (Scan) is set in all channels. By pressing “M”, the user can delete a channel from the scan list,
and in this case, “No” will be changed into “/”.
⑤ After setting a scan list, press “M”. Then, the scan list and Prior Channel message will be displayed.
⑥ Select a priority channel by pressing Channel buttons (▲ and ▼) and press “Menu” button. The user can
select two higher channels as priority channels. After “P - CH” is displayed, press “Menu” button. Select a
channel by pressing Channel buttons and press “Menu” button. Then, “P1” will be displayed next to the
corresponding button. Or to delete the channel, press “Menu” again. Then, “P1” will disappear.
⑦ Select a channel in the same way as Priority Channel 1. After selecting the priority channel, press “PTT”
button. Then, “P2” will be displayed. Exit the menu mode by pressing “M” button.
Menu
Menu
Menu
M
Menu
Menu
(PTT = > P2)
Blank
Yes/Priority Scan
No/Normal Scan
M
M
Menu
M
Menu => P1
if P1 then
PTT press
if P2 then
Menu press
Menu
Menu
Figure 5.16 SET SCAN

14
5.16 Set Key Lock
Set Key Lock menu avoids 3 buttons(Menu, ▲ and ▼) is functioned by undesired pressing.
After setting Key Lock menu, all buttons will not be functioned by pressing buttons.
① Enter into Menu mode.
② Select “Lock” by pressing Channel buttons (▲ and ▼) and press “Menu”. Then, Key Pressing Lock message
will be displayed.
③ Select On or Off by pressing Channel buttons (▲ and ▼), and save the selected status by pressing “Menu”
button.
④ Exit Menu mode by pressing “M”s button. Select “Off”. Then, the bell symbol will disappear on the LCD.
Figure 5.18 SET Key Lock Figure 5.18 SET PASSW
Menu
Menu
Menu
M
Menu
Afeter
1 Sec
Blank
M
Wrong
Afeter
1 Sec
PTT
PTT
Menu
PTT
OK
Menu
Afeter
1 Sec
OK
Wrong
Wrong
Afeter
1 Sec
Menu
Menu
Blank
Menu
M
Yes
No
M
M
15
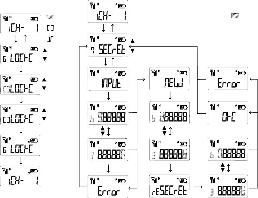
5.17 Set Password
Set Password is to prevent the other people from using the radio by setting a password. The user should type in the
correct password to use the radio.
① Enter into Menu mode.
② Select “Secret” by pressing Channel buttons (▲ and ▼) and press “Menu” button. Then, “New Password”
will be displayed. Or if the user had set the password already, Password will be displayed. The user can set a
password in maximum 6 digits by using four buttons(▲, ▼, PTT, Menu)
③ When the user presses a button, “8” will be displayed. After pressing the password, press Monitor button on
left side of the radio. If the password is of 6 digits, the user must press “PTT” button after pressing the
password.
④ If “Confirm the password” is displayed, type in the new password again. If the users types in a wrong password,
“Error” will be displayed and user’s password input will be cancelled.
⑤ If the user had set the password, the user can change the password only after typing in the correct password.
⑥ When “New Password” is displayed while the user is trying to delete the password, press “PTT” button on left
side of the radio twice.
⑦ Exit Menu mode by pressing “M” button after typing in the password.
☞Caution) If the user forgot the password, the user cannot use the radio and need to contact the service center of
Unimo. Do not forget the password.
5.18 Forbid Tx
Forbid Tx is to forbid transmission forcefully and allow the radio only to receive calls.
① Enter into Menu mode.
② Select “Forbid” by pressing Channel buttons (▲ and ▼) and press “Menu” button
③ Select the status – On or Off – by pressing Channel buttons (▲ and ▼).
5.19 Set VOX
Set VOX is to enable users to make transmission for VOX without pressing PTT button. (This function could be
available with Ear Mic [External VOX]).
① Enter into Menu mode.
② Select “VOX” by pressing Channel buttons (▲ and ▼) and press “Menu”. Then, two menus – VOX and
Sense – will be displayed.
③ Select “VOX” by pressing Channel buttons (▲ and ▼). Press “Menu” button. Then, the user can decide
whether to turn on the VOX mode or not. Select “On” by pressing Channel buttons (▲ and ▼). Then, the
menu by pressing “Menu” . exit “M” buttons. The radio transceiver will operate in the VOX mode.
④ To set the VOX sensitivity, enter into Menu mode and select “Sense”. Then, select the VOX sensitivity by
pressing Channel buttons, and then, the menu by pressing “Menu” . exit “M” buttons.

16
Figure 5.18 SET Forbid Tx Figure 5.18 SET VOX
Menu
Menu
Blank
Menu
M
Yes
No
M
M
Menu
Blank
Menu
M
Yes
No
Menu
Menu M
Menu
Menu
MM

17
6. Sub-tone Table
6.1 CTCSS Frequency Table
No. Frequency No. Frequency No. Frequency
001 67.0 017 118.8 033 210.7
002 71.9 018 123.0 034 218.1
003 74.4 019 127.3 035 225.7
004 77.0 020 131.8 036 233.6
005 79.7 021 136.5 037 241.8
006 82.5 022 141.3 038 250.3
007 85.4 023 146.2 039 69.3
008 88.5 024 151.4 040 159.8
009 91.5 025 156.7 041 183.5
010 94.8 026 162.2 042 189.9
011 97.4 027 167.9 043 196.6
012 100.0 028 173.8 044 199.5
013 103.5 029 179.9 045 206.5
014 107.2 030 186.2 046 229.1
015 110.9 031 192.8 047 254.1
016 114.8 032 203.5
Table 6-1. CTCSS Frequency Table
6.2 DCS Tone Table
No. DCS Code No. DCS Code No. DCS Code
01 023 29 174 57 445
02 025 30 205 58 464
03 026 31 223 59 465
04 031 32 226 60 466
05 032 33 243 61 503
06 043 34 244 62 506
07 047 35 245 63 516
08 051 36 251 64 532
09 054 37 261 65 546
10 065 38 263 66 565
11 071 39 265 67 606
12 072 40 271 68 612
13 073 41 306 69 624
14 074 42 311 70 627
15 114 43 315 71 631
16 115 44 331 72 632

18
17 116 45 343 73 654
18 125 46 346 74 662
19 131 47 351 75 664
20 132 48 364 76 703
21 134 49 365 77 712
22 143 50 371 78 723
23 152 51 411 79 731
24 155 52 412 80 732
25 156 53 413 81 734
26 162 54 423 82 743
27 165 55 431 83 754
28 172 56 432
Table 6-2. CDCSS Frequency Table
6.3 5-tone Table
CODE ZVEI CCIR EEA PZVEI DZVEI PCCIR PDZVEI NATAL
0 2400 1981 1981 2400 2200 1981 2200 1633
1 1060 1124 1124 1060 970 1124 970 631
2 1160 1197 1197 1160 1060 1197 1060 697
3 1270 1275 1275 1270 1160 1275 1160 770
4 1400 1358 1358 1400 1270 1358 1270 852
5 1530 1446 1446 1530 1400 1446 1400 941
6 1670 1540 1540 1670 1530 1540 1530 1040
7 1830 1640 1640 1830 1670 1640 1670 1209
8 2000 1747 1747 2000 1830 1747 1830 1336
9 2200 1860 1860 2200 2000 1860 2000 1477
A 2800 2400 2400 970 2600 1050 825 2600
B 810 930 930 810 886 930 886 1995
C 970 2247 2247 2800 586 2400 2600 2205
D 886 991 991 886 810 991 856 2400
E 2600 2110 2110 2600 2400 2110 2400 1805
Table 6-3. 5-tone Frequency Table
19
7. Specification
7.1 PK-100N
General
Operating Mode
Frequency Range
Frequency Stability
Programmable Channels
Channel Spacing
Dimensions
Weight
Power Source
Current Drain (maximum)
Conventional (non-trunked) only
VHF: 136 ~ 174 MHz
±2.5PPM (-30 to +60℃)
128 Channels/16 Group
Dual Channel Spacing 12.5KHz
111mm (H)×54mm (W)×37mm (D)
347g (with Battery pack & Antenna)
7.5V DC rechargeable Ni-MH 1650㎃ battery pack
7.5V DC rechargeable Li-ion 1700㎃ battery pack
Receive mode, rated audio out - 340㎃ (Audio Max)
Transmit mode - 1.8AH
Standby mode - 55mAH
Receiver
Sensitivity
Squelch Sensitivity
Selectivity
Spurious and Harmonic Rejection
Inter-modulation
FM Hum and Noise
Maximum Frequency Spread
Audio Output Power
Audio Distortion
Audio Response
Speaker Impedance
IF Frequencies
Input Impedance
.282uV 12 dB SINAD
.25uV 10dB SINAD
60dB (12.5KHz)
70dB
60dB
40dB
38MHz
1 Watt across an 16-ohm load
Less than 5% at rated output
+1, -3 dB from 6dB per octave de-emphasis
Characteristic from 300 ~ 3000Hz
16 ohms
21.4MHz and 455KHz
50 ohms
Transmitter
RF Power Output
Spurious and Harmonic
FM Hum and Noise
Audio Distortion
Audio Frequency Response
Maximum Channel Spread
Output Impedance
5/1Watt
65dB
40dB
5% maximum with 1KHz modulation
+1, -3dB from 6dB per octave pre-emphasis
Characteristic from 300 ~ 3000Hz
38MHz
50 ohms
20
7.2 PK-400N
General
Operating Mode
Frequency Range
Frequency Stability
Programmable Channels
Channel Spacing
Dimensions
Weight
Power Source
]
Current Drain (maximum)
Conventional (non-trunked) only
UHF: 400 ~ 470 MHz
±2.5PPM (-30 to +60℃)
128 Channels/16 Group
Dual Channel Spacing 12.5KHz
111mm (H)×54mm (W)×37mm (D)
347g (with Battery pack & Antenna)
7.5V DC rechargeable Ni-MH 1650㎃ battery pack
7.5V DC rechargeable Li-ion 1700㎃ battery pack
Receive mode, rated audio out - 340㎃ (Audio Max)
Transmit mode - 1.8AH
Standby mode - 55mAH
Receiver
Sensitivity
Squelch Sensitivity
Selectivity
Spurious and Harmonic Rejection
Inter-modulation
FM Hum and Noise
Maximum Frequency Spread
Audio Output Power
Audio Distortion
Audio Response
Speaker Impedance
IF Frequencies
Input Impedance
.282uV 12 dB SINAD
.25uV 10dB SINAD
60dB
70dB
60dB
40dB
40MHz
1 Watt across an 16-ohm load
Less than 5% at rated output
+1, -3 dB from 6dB per octave de-emphasis
Characteristic from 300 ~ 3000Hz
16 ohms
45.3MHz and 455KHz
50 ohms
Transmitter
RF Power Output
Spurious and Harmonic
FM Hum and Noise
Audio Distortion
Audio Frequency Response
Maximum Channel Spread
Output Impedance
4/1Watt
65dB
40dB
5% maximum with 1KHz modulation
+1, -3dB from 6dB per octave pre-emphasis
Characteristic from 300 ~ 3000Hz
40MHz
50 ohms

21
8. Troubleshooting Flow
8.1 Reception Trouble
Start
↓
Reception is not made.
↓
No No
→ →
Check IF U101 and
the peripheral devices.
Press Monitor button. Is sound
heard from the speaker?
Is there any signal or noise in
Pin No. 9 of IF U101? (Scope)
Yes↓ Ye s↓
Check AF U505, U508B, U506,
and the peripheral devices.
Measure G2 pin of the mixer
(Q302). Is the local level –
3dBm? (Measure the local signal.)
No
→
Check the Rx bias (Q105). → Check the Rx VCO end.
Yes↓
Send the currently received
frequency to the C351.
↓
Send the corresponding channel
frequency to the C300.
↓
Is the sensitivity -110dBm at
12dB SINAD?
(Scope, SINAD meter)
Yes
→
Is the sensitivity -118dBm? No
→
Are collector voltages of
Q301 and Q308 around
3.7V?
No↓ ↓ No↓
Check the harmonic filter and
the antenna connection part.
The sensitivity should be more
than -110dBm.
A trouble in the front end
Replace the IF 21.4MHz with
the C1000p, not the R318, and
input 21.4MHz frequency.
(RF SSG)
↓

22
Is the sensitivity -120dBm? No
→
Check XFL301/302 and other
devices around Q303.
Yes↓
Send 21.4 MHz to Pin No. 6 of
U101. (SSG)
Check T-TAL filter and other
parts of XFL301/302.
↓ Yes↑
Is 21.4MHz sensitivity around
–98dBm?
Yes
→
Is the bias of each end of
Q303 normal? (VTVM)
No
→
Check the IFIC Q303
amplifier, RX 5V,
power supply, and parts.
No↓
No
→
Replace the IF U101.
Does the sub-oscillator of the
secondary station (20.945MHz)
in the X301 oscillate?
(Scope, Counter)
No
→
Is the voltage at Pin 4 of the
IF U101 normal? (VTVM)
Yes↓ Yes↓
Check voltages at each pin of
the IF U101. (VTVM)
Replace X-TAL and other parts
of the sub-oscillator of the
secondary station in X301.
Yes↓
Is the voltage at each pin
normal? (VTVM)
Yes
→
Check connection parts of the
IF U101.
No↓
Check IF U101 and parts,
and replace IF U101 if needed.

23
8.2 Transmission Trouble
Start
↓
Transmission is not made.
↓
Is the transmission voltage
normal?
No
→
Check if transmission
voltages of Q33 and
Q35 are 5V.
Yes↓
Is the voltage at the drive
end normal?
No
→
Are voltages of Q501
and Q502 normal (6V)?
(VTVM)
No
→
Check output voltages of
Q706 and Q707, and
replace them if necessary.
Yes↓ Yes↓
No
→
Check if Q501 and
Q502 perform
amplification at the
power drive end.
Check the rated output and parts.
-. Check diodes D101 and D300.
-. Check the harmonic filter.
-. Check the output of the power
FET Q503. (VTVM, RF Power meter)
No
→
Check the output end of
the FET Q503.
Check if the input level is
22dBm and the output level
is 37dBm or higher.
(RF Mill-volt meter)
↓
Yes↓ Yes↓
Replace Q501 and
Q502.
Is 5W of the rated output
generated?
No
→
Replace Power FET Q503.
Yes↓
Normal

24
8.3 VCO Trouble
Rx VCO TX VCO
Check the VCO control voltage
(L151) when the VCO output
(C148) level is low or zero.
Check the VCO control voltage
(L152) when the transmission
output (C148) level is low or
zero.
↓ ↓
Carefully disassemble the VCO
shield can, and perform visual
inspection. Is the VCO shield
can normal?
No
→
Take proper actions. No
←
Carefully disassemble the VCO
shield can, and perform visual
inspection. Is the VCO shield
can normal?
Yes↓ Yes↓
Are bias voltages of Q102 and
Q104 normal?
No
→
Check parts of the
power supply circuits
of Q33 and Q34.
No
←
Are bias voltages of Q103 and
Q104 normal?
Yes↓ Yes↓
Check if the bias voltage of
the C130 is 5V. (VTVM)
No
→
Check devices around
Q33, Q34, and U601.
No
←
Check if the bias voltage of
the C140 is 5V. (VTVM)
Yes↓ Yes↓
Is the control input voltage (L151) of
PF-100NW between 0.3 and 4.4V?
(VTVM)
Is the control input voltage (L152)
of PF-100NW between 0.3 and
4.4V? (VTVM)
Yes↓ No↓ ↓ No Yes↓
Normal
Adjust the C123 and the C132 to maintain
the voltage. Normal

25
8.4 When Modulation Is Not Made
No
→
Adjust the S/W
modulation
amount.
No
→
Check if signals are incoming to
the modulation input port of the
Tx VCO (R114) end.
Check if signals have arrived to
Pin No. 15 of U505, and check
devices around U505.
Yes↓ ↑
No
Are Pins No. 22 and No. 23 of
U505 normal?
Select Q511 and Q512 as follows:
12.5KHz channel: High
25KHz channel: Low.
Yes↓
Check Pin 19 of U505.
Check Pins 1, 8, and 7 of U507.
Is not output normal?
No
→
Check the power supply
status and Pin 6 of U505.
Replace them, if necessary.
Yes↓
Do Pins No. 16, No. 15, and No. 14
of U505 normally function?
No
→
Check the power supply
status and the clock of
U505. Replace U505 if
necessary.
Yes↓
Do OP amplifiers of U507D, B, C,
A normally function?
No
→
Check MIC1 and the power
supply status of Q513.
Replace U507D if necessary.
Yes↓
Check MIC1 and PTT S/W.
Do Q513 and the D508
normally function?
No
→
Check the PTT S/W, Q513,
and the D508, and replace
them if necessary.
Yes↓
Normal

26
8.5 Frequency Synthesizer Trouble
Start
↓
Perform visual inspection on the VCO of the PLL
and devices around the PLL IC (U401).
Are they normal?
Yes
→
Clean the faulty parts and recover them.
No↓
Check the CPU ports (P1.4, P1.5, and P6.0).
Are the data from Pin No. 11 (clock), Pin No. 13
(Data), and Pin No. 14 (Enable) of U401
normal? (Scope)
No
→
Yes↓
Check 12.8MHz TCXO and the power
supply part of U402, and replace them
if necessary.
Does Pin No. 1 of U401 oscillate 12.8MHz?
(Spectrum)
No
→
Yes↓
Check the power lines of U401 and U402.
Are voltages at Pins No. 4 and No. 5 of U401
normal (5V)? (VTVM)
No
→
Yes↓
Check resistances and voltages of the VR11,
the R105, the R106, and the R107.
Is it possible to create oscillation frequency of
the TCXO using the VR11?
No
→
Yes↓
Trouble in other parts

27
8.6 CPU (Microprocessor) Trouble
Start
↓
Supply power again.
Is the LCD turned on?
↓
Is start alarm sound made? No
→
Is a start alarm sound
made once?
No
→
Check the power connection status
as well as U509 and the EEPROM
(U501) data.
Yes↓
Yes↓
Press Monitor button. Is
the green lamp is turned
on and is sound made?
No
→
Yes↓
Press the PTT switch. Is
the red lamp is turned on
and does transmission start?
No
→
1. Is there a power voltage?
2. Does the X10 (4.032MHz) oscillate?
3. Check if there is any trouble in the PLL and the
VCO.
4. Check if there is any data error in U501
EEPROM.
5. Check the CPU and other circuits.
Yes↓
Trouble in other parts
28