Unimo Technology UDM-240ZV ISM Band Near Field Communication User Manual UDM 240ZV Service Manual 140613
Unimo Technology Co., Ltd. ISM Band Near Field Communication UDM 240ZV Service Manual 140613
User Manual

UDM-240ZBV,ZV
Service Manual

Maintenance Manual
UDM-240ZV/ZBV
2
※ BEFORE USING THIS…
♣ Please read this manual in detail before using the device. (Please read and
understand the manual before using this equipment)
♣ Features can be subject to change or modify without any prior notice for its
improvement of performance (better performance)
♣ Copyright of this manual belongs to UNIMO Technology Co., Ltd., in a whole or
in part authorized copy or modify are prohibited.
♣ Pictures on this manual may differ from the actual products.
♣ Please contact our local agency or Unimo A/S division directly if you have any
questions.

Maintenance Manual
UDM-240ZV/ZBV
3
Safety Precautions
This content is for user’s safety and property. Please read it and fully understand.
Details affect to its performance and appearance
Please use recommended voltage for input power supply voltage.
Adapter, external ear-phones are designed to be used for Unimo product only.
Using non-Unimo goods can cause damage or malfunction to the product.
Please use communication purpose only.
Please do not disassemble or modify the product.
Damage or malfunction caused by those, won’t be repaired free of charge.
※ Avoid severe impact to the product.
※ Please keep avoid being exposed to direct sunlight or high temperatures and a lot of humidity

Maintenance Manual
UDM-240ZV/ZBV
4
Details affect to the operation of radios or other equipments.
Communication range can be shortened near the products using 2.4GHz due to interference of
electric wave.
(Microwave, Wi-Fi, Computer, other equipment using 2.4GHz,… etc.)
Turn off the radio on airplane. Please follow the instructions or rules when you
use it.
Please check whether can use or not before using the radio the due to electronic
effect.
Do not use the radios near electronic equipments such as Wi-Fi or computers.
Radios may does not work properly due to strong interference.
※ Electromagnetic waves in a variety of electrical and electronic equipment can be occurred. The
influence of electromagnetic interference is generated. Distance calls can also be shortened
remarkably.

Maintenance Manual
UDM-240ZV/ZBV
5
Safety Requirement
Please read the following information about safe and effective use of the product.
Keep your distance at least 1 inch(2.5cm) from your body when you use the
radios.
Make sure the regulations regarding the use of radio while driving, please do not use the
radios as much as possible while you drive.
Use additional accessories, such as earphones, for your safety.
Do not listen at very high volume. Your hearing may be affected.
For use in hazardous areas, only explosion-proof device must be used. If an
electrical spark pops up in hazardous areas, it can cause severe burns or death.
Turn it off around the workplaces, causing an explosion of electromagnetic
behavior of the product. e

Maintenance Manual
UDM-240ZV/ZBV
6
1 FEATURES
UDM-240ZH is designed to have light and durable structure and it provides a powerful sound.
It is the first product using 2.4GHz band developed in Korea and provides a clear digital sound.
It is designed to provide adequate service for industrial products, public safety users.
It also provides clear digital radio communication between the UDM-240ZV and can be operated
with the existing VHF, UHF, TETRA vehicle and base station if it’s interfaced with them.
16 Channels (11~26)
Perfect security. (AES 128bit)
3 levels of audio adjustment
Application of high sensitivity of external antenna
Designation of group ID up to 64,000
1 to N communication (per Channel/ Group ID)

Maintenance Manual
UDM-240ZV/ZBV
7
2 COMPONENTS
Basic components
Main unit, External antenna, Interface cable, Power supply, User manual, Interface
manual
Optional components
Programming software
USB PC Programming cable
*** Components can be changed according to the request.

Maintenance Manual
UDM-240ZV/ZBV
8
3 DESCRIPTION

Maintenance Manual
UDM-240ZV/ZBV
9
Power On/Off switch
Supply or shut the main power to the unit.
Set switch
Enables user to set operating channel and audio level.
ANT port
Connect the external antenna to this port.
LINE port
Connect the interface cable to a mobile radio you are going to use.
PROG port
It is a port for upgrading the firmware of the device. (for engineer)
DC IN
Supply power to the main unit. (UDM-240ZV : 12V~13.8V, UDM-240ZBV : 12V~40V)

Maintenance Manual
UDM-240ZV/ZBV
10
Status Display
LED
The users can be recognized the current status by LED indicator on the top of the UDM.
The status indication will be as followings.
PWR : red LED will be on if the power is being supplied
TX : it indicates the receiving status of the device and red LED will be on while
transmitting through a mobile radio connected to the device.
RX : It indicates the transmitting status of the device and green LED will be
blinking while receiving through a mobile radio connected to the device.
A : It indicates operating channel and audio level.(amber LED)
B : It indicates operating channel and audio level.(green LED)
C : It indicates operating channel and audio level.(red LED)

Maintenance Manual
UDM-240ZV/ZBV
11
4 HOW TO SET FOR OPERATION
4.1 Power ON/OFF
Turn the device on by the power switch.
4.2 Operating channel
Press the setup switch for more than 3 seconds and select the channel according to
the below table. After select the channel, if you press the setup switch for 3 seconds
again, all the LED will be blinking once and the selected channel will be confirmed.

Maintenance Manual
UDM-240ZV/ZBV
12
4.3 Audio Level
TX,RX AUDIO LEVEL SETTING
Level
change
While pressing the setup switch, turn the UDM-240ZV on and keep pressing the switch
for more than 3 seconds. Then, four LED(PWR,A,B,C) will be blinking once and current
level of LED will be on.
Select the level by pressing the setup switch and press it again for 3 seconds to save
the level you select. Then, the four LED will be blinking once again and the level will be
saved.

Maintenance Manual
UDM-240ZV/ZBV
13
5 INTERFACE
Line Port: Connection with an external port

Maintenance Manual
UDM-240ZV/ZBV
14
PROG port

Maintenance Manual
UDM-240ZV/ZBV
15

Maintenance Manual
UDM-240ZV/ZBV
16

Maintenance Manual
UDM-240ZV/ZBV
17

Maintenance Manual
UDM-240ZV/ZBV
18

Maintenance Manual
UDM-240ZV/ZBV
19

Maintenance Manual
UDM-240ZV/ZBV
20

Maintenance Manual
UDM-240ZV/ZBV
21

Maintenance Manual
UDM-240ZV/ZBV
22

Maintenance Manual
UDM-240ZV/ZBV
23

Maintenance Manual
UDM-240ZV/ZBV
24
Functional differences between the version of the program
Please note that between the old and new version of the program, the UDM-240ZV[ZH]
are not compatible each other.

Maintenance Manual
UDM-240ZV/ZBV
25
6 CIRCUIT DESCRIPTION

Maintenance Manual
UDM-240ZV/ZBV
26
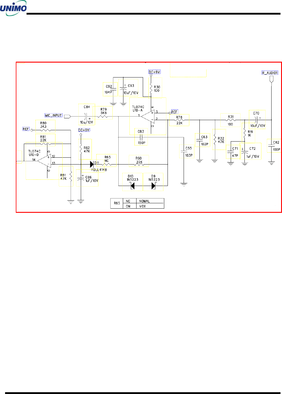
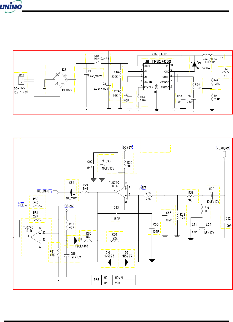
Audio Amp

Maintenance Manual
UDM-240ZV/ZBV
27
Code

Maintenance Manual
UDM-240ZV/ZBV
28
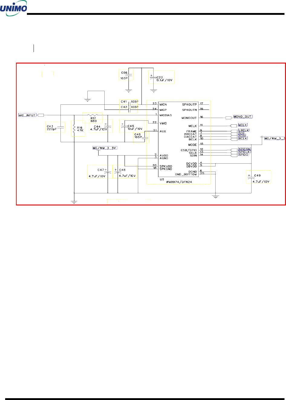
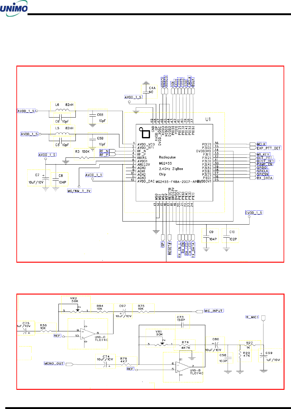
Main Chip
MIC Amp

Maintenance Manual
UDM-240ZV/ZBV
29
Power Supply
Audio AMP

Maintenance Manual
UDM-240ZV/ZBV
30
Parts Layout (top)

Maintenance Manual
UDM-240ZV/ZBV
31
Parts Layout (bottom)

Maintenance Manual
UDM-240ZV/ZBV
32
7 CIRCUIT DIAGRAM

Maintenance Manual
UDM-240ZV/ZBV
33
8 INSTALLATION

Maintenance Manual
UDM-240ZV/ZBV
34
9 CONSIDERATIONS FOR INSTALLING

Maintenance Manual
UDM-240ZV/ZBV
35

Maintenance Manual
UDM-240ZV/ZBV
36
FCC Information to User
This equipment has been tested and found to comply with the limits for a Class B digital device,
pursuant to Part 15 of the FCC Rules. These limits are designed to provide reasonable
protection against harmful interference in a residential installation. This equipment generates,
uses and can radiate radio frequency energy and, if not installed and used in accordance with
the instructions, may cause harmful interference to radio communications. However, there is no
guarantee that interference will not occur in a particular installation. If this equipment does
cause harmful interference to radio or television reception, which can be determined by turning
the equipment off and on, the user is encouraged to try to correct the interference by one of the
following measures:
• Reorient or relocate the receiving antenna.
• Increase the separation between the equipment and receiver.
• Connect the equipment into an outlet on a circuit different from that to which the receiver is
con-nected.
• Consult the dealer or an experienced radio/TV technician for help.
Caution
Modifications not expressly approved by the party responsible for compliance could void the
user’s authority to operate the equipment.
FCC Compliance Information : This device complies with Part 15 of the FCC Rules.
Operation is subject to the following two conditions: (1) This device may not cause harmful
interference, and (2) this device must accept any interference received, including interference
that may cause undesired operation
IMPORTANT NOTE:
FCC RF Radiation Exposure Statement:
This equipment complies with FCC RF radiation exposure limits set forth for an uncontrolled
environment. This equipment should be installed and operated with a minimum distance of 20
centimeters between the radiator and your body.This transmitter must not be co-located or
operating in conjunction with any other antenna or transmitter.