Utica Boilers Trifire Trb 3 Operation And Installation Manual
2015-05-20
: Utica-Boilers Utica-Boilers-Trifire-Trb-3-Operation-And-Installation-Manual-719550 utica-boilers-trifire-trb-3-operation-and-installation-manual-719550 utica-boilers pdf
Open the PDF directly: View PDF
.
Page Count: 64

P/N# 240009350, Rev. E [12/2014]
TRIFIRE SERIES II
High Eciency
Oil Fired Hot Water Boiler
INSTALLATION, OPERATION &
MAINTENANCE MANUAL
An ISO 9001-2008 Certified Company
Manufactured by:
ECR International, Inc.
2201 Dwyer Avenue, Utica NY 13501
web site: www.ecrinternational.com
Models
TRB4075
TRB4095
TRB4110
TRB5100
TRB5115
TRB5135
TRB6130
TRB6145
TRB6165
TRB7165
TRB7180
TRB7190

2
TRIFIRE OIL-FIRED CAST IRON HOT WATER BOILER
Per Energy Star specications, AFUE
is rounded to the nearest whole
percentage point. As such, these
products qualify for Energy Star.
Check our website frequently for updates: www.ecrinternational.com
Information and specications outlined in this manual in effect at the
time of printing of this manual. ECR International reserves the right to
discontinue, change specications or system design at any time without
notice and without incurring any obligation, whatsoever.
Models
TRB5100
TRB6130

3
DIMENSIONS
DIMENSIONS
Sections
Flue Size
Inches
(cm)
Dimension
A
Inches
(cm)
4 5 (13) 18 3/8 (46)
5 5 (13) 21 5/8 (56)
6 5 (13) 24 7/8 (64)
7 6 (15) 28 1/8 (72)

4
1 - Introduction .............................................................................................................. 5
2 - Safety Information..................................................................................................... 6
3 - Before You Start ........................................................................................................ 7
4 - Ratings & Capacities ..................................................................................................8
5 - Locating The Boiler .................................................................................................... 9
6 - Installation Requirements ......................................................................................... 10
7 - Fresh Air For Combustion .......................................................................................... 11
8 - Boiler Assembly ....................................................................................................... 13
9 - Boiler System Piping ................................................................................................ 18
10 - Hydronic Piping ..................................................................................................... 19
11 - Fuel Supply Piping ................................................................................................. 32
12 - Antifreeze In The System ....................................................................................... 33
13 - Electrical Connections ............................................................................................. 34
14 - Chimney And Venting Connections ........................................................................... 35
15 - Filling Boiler .......................................................................................................... 38
16 - Operating The Boiler - System Start-Up ................................................................... 39
17 - Oil Burner, Nozzle, & Air Settings ............................................................................. 46
18 - Maintenance ......................................................................................................... 52
19 - Oil Boiler /Burner Cleaning Instructions .................................................................... 54
20 - Troubleshooting ..................................................................................................... 56
21 - Equipment And Accessories .... ................................................................................58
Parts List ..................................... ................................................................................62
Warranty ..................................... ................................................................................68
Check Out Certicate..................... ...............................................................................70
TABLE OF CONTENTS

5
1.1 OIL FIRED BOILERS
Boiler is low pressure, sectional cast iron constructed
and tested for maximum working pressure of 65 psi in
accordance with A.S.M.E. (American Society of Mechanical
Engineers) Section IV Standards for cast iron heating
boilers. Capacity rated in accordance with AHRI (Hydronics
Institute).
Boiler is pressure red natural draft (chimney vented)
oil red hot water boiler comprised of cast iron sections,
available with 4, 5, 6 or 7 sections. Sections are held
together by push nipples and threaded rods.
4,5 and some 6 section boilers may be factory equipped for
direct vent installations. Direct vent instructions are cov-
ered in a separate supplemental instructions document.
Boiler models are capable of ring #2 fuel oil from 0.75
gph up to 1.90 gph.
Boilers include -
• Limit, 220° F maximum, operating control with integral
low water cut off.
• Temperature and pressure gauge
• 30 psi relief valve
• Drain valve
1 - INTRODUCTION
WARNING
Installations of boilers and venting shall be done
only by a qualied expert and in accordance with
this manual. Installing or venting a boiler or any
other oil appliance with improper methods or
materials may result in serious injury or death due
to re or to asphyxiation from poisonous gases
such as carbon monoxide which is odorless and
invisible.
!
NOTICE
Surface rust on cast iron sections may be attributed
to manufacturing process as well as condensation
during storage. Surface rust is normal and does not
affect performance or life of boiler.

6
2 - SAFETY INFORMATION
2.1 General
Boiler installation shall be completed by qualied agency.
WARNING
Fire, explosion, asphyxiation and electrical shock
hazard. Improper installation could result in death
or serious injury. Read this manual and understand
all requirements before beginning installation.
!
WARNING
Modication, substitution or elimination of factory
equipped, supplied or specied components could
result in death or serious injury.
!
WARNING
Improper installation, adjustment, alteration, service
or maintenance could result in death or serious
injury.
!
CAUTION
Indicates a hazardous situation which, if not avoided,
could result in minor or moderate injury.
!
WARNING
Indicates a hazardous situation which, if not avoided,
could result in death or serious injury.
!
DANGER
Indicates a hazardous situation which, if not avoided,
WILL result in death or serious injury
!
This is the safety alert symbol. Symbol alerts you to
potential personal injury hazards. Obey all safety messages
following this symbol to avoid possible injury or death.
2.2 Become Familiar With Symbols Identifying
Potential Hazards.
IMPORTANT: Read the following instructions
COMPLETELY before installing!!
2.3 Installation shall conform to requirements of
authority having jurisdiction or in absence of such
requirements to ANSI/NFPA 31, “Installation of Oil
Burning Equipment”. In Canada, Current Edition
of Canadian Standards Association CSA B139,
Installation Code for Oil Burning Equipment” for
recommended installation practices.
Such applicable
requirements take precedence over general
instructions of this manual.
2.4 Current Edition of American National Standard
ANSI/NFPA 211 “Chimneys, Fireplaces, Vents and
Solid Fuel Burning Appliances” for venting.
2.5 Where required by authority having jurisdiction,
installation shall conform to Standard for Controls
and Safety Devices for Automatically Fired Boilers,
ANSI/ASME CSD-1.
Additional manual reset low water cutoff and manual reset
high limit may be required.
2.6 Requirements for Commonwealth of
Massachusetts:
Boiler installation must conform to Commonwealth of
Massachusetts code 248 CMR which includes but is not
limited to:
• Installation by licensed plumber or gas tter.
WARNING
Construction materials of appliance and products
of combustion and fuel contain alumina, silica,
heavy metals, carbon monoxide, nitrogen
oxides, aldehydes and /or other toxic or harmful
substances which can cause death or serious injury
and which are known to the State of California to
cause cancer, birth defects and other reproductive
harm. Always use proper safety clothing,
respirators and equipment when servicing or
working nearby the appliance.
!
WARNING
Product contains berglass wool and refractory
ceramic bers. Possible cancer hazard. May cause
irritation to skin, eyes and respiratory tract. To
avoid this hazard, wear a dust mask and gloves
when handling berglass and ceramic bers.
!
NOTICE
Used to address practices not related to personal
injury.

7
3.1 Installation and Operation
1.
Do not operate unit if any control, switch, components
or devices have been underwater or subject to water
damage.
2.
Before servicing, allow boiler to cool. Always shut off any
electricity and oil supply to boiler when working on it.
3.
Inspect oil line and connections for leaks.
4.
Verify oil burner nozzle is proper size. Over-ring will
result in early failure of boiler sections, and result in a
potentially dangerous situation.
5.
Never vent boiler into enclosed space. Always vent to
the outside. Never vent to another room or inside a
building.
6.
Verify adequate air supply for complete combustion.
7.
Relief valve automatically lifts open when system
pressure exceeds 30 psi. Before installing relief valve
read manufacturer’s instructions. Pipe relief valve to a
safe location. Check with authorities having jurisdiction.
8.
Consider system total water volume, temperature,
initial ll pressure and arrangement when sizing and
installing expansion tank. Improperly installed and
sized expansion tank may result in frequent lifting of
relief valve or other heating system problems. Follow
expansion tank manufacturer guidelines for installation,
and sizing.
9.
Boiler manufacturer recommends initial ll pressure of
10-12 psi. For higher ll pressures increase expansion
tank’s air charge to match ll pressure.
10.
Purge heating system of air and gases is critical for
proper circulation and quiet performance. Once the air
is purged, for boiler installations using oat type vents,
air vents should be closed for normal operation. If air
is heard or noticed by loss of heat, purge system and
open vents for short period of time.
3.2 Prior To Installing The Boiler
• Verify you have selected right size boiler with proper
capacity. AHRI rating of boiler selected should be greater
than or equal to calculated peak heating load (heat loss)
for building or area(s) served by boiler and associated
hot water heating systems. Use heat loss calculations
based on approved methods. See Figure 1, Page 8
• Boiler must be supplied with proper oil supply and oil
piping, sufcient fresh combustion air, and suitable
electrical supply.
• Connect boiler to suitable venting and piping systems
adequate to distribute heating load.
• Installation is not complete unless pressure relief valve
is installed 3/4” tapping located in supply piping.
• Thermostat must be properly located and installed
• Failure to pipe boiler correctly may result in excessive
noise or other related problems.
Existing Water System Evaluation
A good system will prevent oxygen contamination of boiler
water.
1.
Causes of oxygen contamination may be:
A. Addition of excessive make up water as a result of
leaks.
B. Absorption through open tanks and ttings.
C. Oxygen permeable materials in the distribution
system.
2.
To insure long product life, oxygen sources must be
eliminated.
Take the following measures:
A. Repair system leaks.
B. Eliminate open tanks from the system.
C. Eliminate and/or repair ttings which allow oxygen
absorption.
D. Use non-permeable materials in the heating system.
3 - BEFORE YOU START

8
GPH = U.S. Gallons per Hour
Mbh = 1000 Btu (British thermal units) per hour.
psi = Pounds per square inch
*MAWP = Maximum allowable working pressure. This low pressure oil red hot water boiler is constructed and
hydrostatically tested for maximum working pressure of 65 psi in accordance with the latest revision of the A.S.M.E.
(American Society of Mechanical Engineers) Boiler and Pressure Vessel Code Section IV Standards for heating boilers.
AFUE= Annual Fuel Utilization Efciency
Heating Capacity and AFUE based on 13.1% CO2 (13.5% CO2 at 0.95 GPH and 1.10 GPH), -0.02” w.c. draft in breech, and
# 1 smoke or less. Testing is done in accordance with U.S. DOE (Department of Energy) test procedure.
Heating Capacity indicates amount of heat available after subtracting losses up the stack. Remaining heat is available
to heat water. Small portion is heat from jacket and surfaces of boiler and this heat stays in structure. Net AHRI rating
represents portion of remaining heat applied to heat radiation or terminal units (i.e. nned tube baseboard, cast iron
radiators, radiant oor, etc.). Difference between Heating Capacity and Net AHRI Rating, called piping and pickup
allowance, establishes reserve for heating volume of water in system and offsetting heat losses from system piping. Net
AHRI ratings shown are based on piping and pickup factor of 15% in accordance with AHRI Standard as published by
Hydronics Institute.
Net AHRI rating of boiler selected should be greater than or equal to calculated peak heating load (heat loss) for building
or area(s) served by boiler and associated hot water heating systems. Consult manufacturer before selecting boiler for
installations having unusual piping and pickup requirements.
4 - RATINGS & CAPACITIES
Table 1 RATINGS & CAPACITIES
OIL-FIRED HOT WATER BOILERS
Number
of
Sections
Firing
Rate
[GPH]
Input
[Mbh]
Heating
Capacity
[Mbh]
Net
AHRI
Rating
[Mbh]
*MAWP
Water
[psi]
AFUE
[%]
Min. relief
Valve
Capacity
[Mbh]
Max.
Water
Temp
[°F]
Chimney
Liner Size
Round
[Inches]
Chimney
Liner
Size
[Square
Inches]
Flue
Size
[Inches]
4 0.75 105 91 79 65 86.0 91 250 6 6 3/4 5
4 0.95 133 114 99 65 85.0 115 250 6 6 3/4 5
4 1.10 154 132 115 65 84.0 132 250 6 6 3/4 5
5 1.00 140 122 106 65 86.5 122 250 6 6 3/4 5
5 1.15 161 139 121 65 85.0 139 250 6 6 3/4 5
5 1.35 189 161 140 65 84.0 161 250 7 6 3/4 5
6 1.30 182 159 138 65 86.5 159 250 6 6 3/4 5
6 1.45 203 176 153 65 85.0 176 250 7 6 3/4 5
6 1.65 231 198 172 65 84.0 198 250 7 6 3/4 5
7 1.65 231 201 175 65 86.0 201 250 7 6 3/4 6
7 1.80 252 217 189 65 85.0 217 250 7 6 3/4 6
7 1.90 266 228 198 65 84.0 227 250 8 6 3/4 6

9
1.
Boiler is suitable for installation on combustible
ooring. Do not install boiler on carpeting.
2.
Locate boiler in front of nal position before removing
crate.
3.
Locate unit so vent pipe connection to chimney will be
short and direct.
4.
For basement installation, provide solid elevated base,
such as concrete, if oor is not level, or if water may be
encountered on oor around boiler.
5.
Provide recommended service clearance, if applicable,
as follows:
• Clearance from Jacket Front Panel
24” for servicing burner
• Clearance from Jacket Side Panels
24” for burner swing door, if opened fully with burner
mounted, otherwise 2” with burner removed.
• Clearance From Jacket Rear Panel
12” minimum for rear smoke box cleaning. (Note:
this dimension will also be controlled by horizontal to
vertical to horizontal smoke pipe arrangement. See
Figure 1
.
6.
Minimum clearances to combustible material see
Figure 1 and Table 2.
Table 2 - BOILER CLEARANCES
Unit Combustible
Clearance
Accessibility,
Cleaning,
and Servicing
Top 12” (32 cm) 24” (61 cm)
Right Side 2” (5 cm) 24” (61 cm)
Left Side 2” (5 cm) 24” (61 cm)
Floor Combustible No Requirement
Front 17” (43 cm) 24” (61 cm)
Back See Flue 18” (46 cm)
Flue 9” (23 cm) 9” (23 cm)
All distances measured from the boiler jacket or ue.
7.
Fresh air for combustion and ventilation must be avail-
able at boiler. Ventilating and combustion air must
enter boiler room without restrictions.
8.
Installation shall conform to requirements of authority
having jurisdiction or in absence of such requirements
in United States, follow NFPA 31 Installation of Oil
Burning Equipment. In Canada, use CSA B 139, latest
revision.
9.
Clearance to venting is for single wall ue pipe. If Type
L vent is used, clearance may be reduced to minimum
required by vent pipe manufacturer.
15”
15”
2
Figure 1 - Clearances to Combustible Construction
5 - LOCATING THE BOILER
WARNING
Fire hazard. Do not be install on carpeting. Failure
to follow these instructions could result in death or
serious injury.
!

10
6 - INSTALLATION REQUIREMENTS
NOTICE
Shut off manual fuel supply valve if burner is shut
down for extended period of time.
Figure 2 - General Requirements For A Typical Installation
LIMIT
RELIEF
VALVE
CHECK LOCAL CODES FOR
MAXIMUM DISTANCE FROM
FLOOR, OR OTHER ALLOWABLE
SAFE POINT OF DISCHARGE.

11
1.
Determine volume of space (boiler room). Rooms
communicating directly with the space in which
appliances are installed, through openings not furnished
with doors, are considered a part of the space.
Volume (ft3) = Length (ft.) x Width (ft.) x Height (ft.)
2.
Determine total input of all appliances in the space.
Add inputs of all appliances in the space and round the
result to the nearest 1000 BTU/hr.
3.
Determine type of space. Divide Volume by total input
of all appliances in space. If the result is greater than
or equal to 50 ft3/1000 BTU/hr, then it is considered
an unconned space. If the result is less than 50
ft3/1000 BTU/hr, then the space is considered a
conned space.
4.
When a boiler is located in an unconned space of a
conventionally constructed building, fresh air inltration
through cracks around windows and doors normally
provides adequate air for combustion and ventilation.
5.
Provide outdoor air for boiler located in a conned
space or an unconned space in a building of unusually
tight construction. Outdoor air may be provided with
the use of two permanent openings which communicate
directly or by duct with the outdoors or spaces
(ventilated crawl or attic) freely communicating with
the outdoors. Locate one opening within 12 inches
of top of space. Locate remaining opening within 12
inches of bottom of space. Size each opening per the
following:
A. Direct communication with outdoors:
Minimum free area of 1 square inch per 4,000 BTU
per hour input of all equipment in space.
B. Vertical Ducts: Minimum free area of 1 square
inch per 4,000 BTU per hour input of all equipment
in space. Duct cross-sectional area shall be same
as opening free area.
C. Horizontal Ducts: Minimum free area of 1 square
inch per 2,000 BTU per hour input of all equipment
in space. Duct cross-sectional area shall be same
as opening free area.
Alternate method for boiler located within
conned space: Use indoor air if two permanent
openings communicate directly with additional space(s)
of sufcient volume such that the combined volume of
all spaces meet criteria for unconned space. Size each
opening for minimum free area of 1 square inch per
1,000 BTU per hour input of all equipment in spaces,
but not less than 100 square inches.
6.
Louvers and Grilles of Ventilation Ducts
A. All outside openings should be screened and
louvered. Screens used should not be smaller than
1/4 inch mesh. Louvers will prevent the entrance of
rain and snow.
B. Free area requirements need to consider the
blocking effect of louvers, grilles or screens
protecting the openings. If the free area of the
louver or grille is not known, assume wood louvers
have 20-25% free area and metal louvers and grilles
have 60-75% free area.
C. Louvers and grilles must be xed in the open
position, or interlocked with the equipment to open
automatically during equipment operation.
Figure 3 - Air Openings For Boiler Located In
Conned Space (Utility Room)
7 - FRESH AIR FOR COMBUSTION
WARNING
Asphyxiation, re hazard. Do not obstruct air
openings to combustion area. Follow instructions
below, to maintain adequate combustion air.
!
NOTICE
Install outside air intake if used with a replace or
kitchen or bathroom exhaust fan. These devices rob
boiler and water heater of combustion air.

12
Fresh Air Duct Capacities For Ducts Supplying Fresh Air To Boiler In Tightly Constructed Houses
Table 3 - FRESH AIR DUCT CAPACITIES
THROUGH LOUVERS
Fresh Air
Duct Size
¼” Mesh
Screen
Wood
Louvers
Metal
Louvers
(Btuh)* (Btuh)* (Btuh)*
3 ½” x 12” 144,000 36,000 108,000
8” x 8” 256,000 64,000 192,000
8” x 12” 384,000 96,000 288,000
8” x 16” 512,000 128,000 384,000
*Btuh = British Thermal Units per hour based on
opening covered by ¼” mesh screen , wood lou-
vers, or metal louvers.
Figure 4 - Fresh Air Openings
7 - FRESH AIR FOR COMBUSTION

13
1. Remove Crate
A. Remove all fasteners at crate skid.
B. Lift outside container and remove all other inside
protective spacers and bracing. Remove burner and
miscellaneous parts boxes.
2. Remove Boiler from skid
. Boiler is secured to base
with 4 screws. Remove all securing hardware.
3. Move boiler into permanent position by sliding or
walking into place.
4. Do not drop boiler. Do not bump boiler jacket
against oor.
5. Open burner swing door
.
Proper method to closing
and securing burner swing door opened for inspection,
cleaning or eld service.
A. Loosen and remove non-hinged side latching
hardware.
B. Remove hinged side latching hardware.
C. Door can be swung to full open position
approximately 90 to 120 degrees with the burner
mounted providing there is 22” of clearance to the
adjacent wall.
NOTICE
Burner door may come off hinges if lifted when
opened.
If reduced clearance prevents door from opening fully, one
of the following can provide full access:
• Burner can be removed to allow full rotation of door.
Door with burner mounted can be lifted off hinges and
set aside during servicing.
• Door mounting hardware is reversible from left side
hinge (as shipped) to right side hinge. To reverse hinge
arrangement. See Figure 5.
• Lift door off mounting eye bolts and set aside. Remove
mounting eye bolts from left side. Move door mounting
eye bolts to right side. Tighten both sets of hardware.
Lift door and place integral cast hinge pins on door into
slotted mounting bracket holes.
Recommend hinges be on same side as exible oil line in
order to swing door open.
6. Inspect Swing door insulation and rope gasket.
A. Inspect ber rope located on swing door. Evenly
distribute rope around perimeter of door groove
do not bunch or overhang. There must not be
a gap where two ends of rope meet. Repair or
replace if rope is damaged or if there is gap
between ends.
B. Inspect burner swing door insulation for damage.
C. Combustion chamber and raised portion between
2nd and 3rd pass ue ways make an impression
in door insulation as designed.
D. Do not close and secure door at this time.
8 - BOILER ASSEMBLY
5/8 BOLT
(BOLT INTO FRONT SECTION)
EYEBOLT & NUT
AS HINGE
EYEBOLT & NUT
AS HINGE
Figure 5 - Reversible Hinge
NOTICE
For purpose of these instructions, all pipe
connections shall use pipe dope or Teon tape to
assure water tight connections unless otherwise
instructed. Steps 6 thru 16, Figure 10, Page 15.
7. Open accessory carton
and remove contents. Identify
components using illustrations
throughout this section
applicable to your installation.
8. Remove top panel
. Remove sheet metal screws
securing top panel to jacket rear panel. Slide top panel
towards front of boiler and lift off of side panel.
9. Locate shorter of two 1 1/4” adapters
. Thread thru
insulation slot into supply port in rear of boiler. Locate
1 1/4 x 3/4 x 1 1/4 elbow and assemble onto adapter.
Verify connections are tight with outlet facing directly
up. See
Figure 6
.
10. Locate longer of the two 1 1/4” adapters
. Assemble
onto elbow.
Figure 6 - Adapter Assembled Onto Elbow
1 1/4” ADAPTER
1 1/4 x 3/4 x 1 1/4
ELBOW
RELIEF VALVE

14
NOTICE
Do not install valve between boiler and controls
manifold or relief valve.
11. Locate cast 1 1/4 x 1 1/4 x 3/4 tee and assemble on
long female adapter with 3/4” tapping
facing toward
front of boiler and joint is water tight.
12. Install Limit control mounting plug
in upper 3/4”NPT
port facing front.
13. Install Limit control & harness assembly
. Loosen
mounting screw on bottom of limit control.
A. Mount control on mounting plug and tighten screw
to secure control. See
Figure 7.
B. Conrm thermal limit/LWCO sensor bulb is fully
inserted to bottom of control well in top of rear
boiler section and secured with grommet. See
Figure 8.
C. Route thermal limit/LWCO sensor wire to control
and connect. See Figure 10, Page 15 and Figure 15,
Page 17.
Figure 7 - Control On Mounting Plug w/Screw
WARNING
Burn and scald hazard. Relief valve could
discharge steam or hot water during operation.
Check local codes for maximum distance from oor
or allowable safe point of discharge. Installation of
relief valve shall be consistent with ANSI/ASME Boiler
and Pressure Vessel Code, Section IV.
!
14. Install Relief Valve.
See
Figure 9
.
A. DO NOT pipe in area where freezing can occur. DO
NOT install shutoff valves, plugs or caps.
B. Locate 3/4”NPT x 90° street elbow. Install elbow using
3/4” NPT tapping in supply piping. Install elbow with
outlet facing directly up. Install relief valve with outlet
facing horizontally.
C. Pipe discharge of relief valve. Installation of relief
valve must be consistent with ANSI/ASME Boiler and
Pressure Vessel Code, Section IV.
Figure 8 - Grommet
15. Check installation of liners and bafes (Not all
models)
. See Table 4, Page 16.
A. Check oval (4 section only) or V-shaped (certain 5
section models and all 6 and 7 section models) liner.
See
Figures 11 & 12
. Liner should be ush with front
edge of heat exchanger ns.
B. Flue way bafes (4, 5, 6 section only) are factory
installed in 3rd pass. Insure bafes are inserted in ue
way such that position tab touches casting between
2nd and 3rd Pass ue way. See
Figure 13, Page 16.
Efciency of boiler is based on insertion of ue way bafes
in 4, 5 and 6 section units. Bafes will generate lower gross
stack temperatures entering chimney. This has the potential
under certain operating conditions to cool ue gases below
dew point, creating condensation on interior chimney and
chimney connector surfaces. Remove bafes to increase
stack temperature if there are any signs of condensation in
chimney or chimney connector. Removing bafes alone may
not address condensation depending on other boiler and
heating system operating conditions.
NOTICE
Flue gas condensate is corrosive, which requires
special consideration and must be addressed
immediately.
8 - BOILER ASSEMBLY
TIGHTEN
SCREW
MOUNTING
PLUG
SENSOR IN WELL
WITH GROMMET
Figure 9 - Relief Valve

15
Figure 10 - Supply Piping and Control Assembly
8 - BOILER ASSEMBLY
NOTICE
Do not install valves between boiler and controls manifold
or relief valve.
BACK OF BOILER
RELIEF VALVE
LIMIT CONTROL
WITH INTEGRAL
LOW WATER
CUT OFF
THERMAL/ LWCO
WIRE
BURNER WIRING

16
16. Connect Field Wiring.
See “13 - Electrical
Connections” on page 34.
A. Route wire harness from burner to Limit control
through rear jacket panel. See
Figure 15, Page 17.
Connect molex plug on burner wire harness to its
receptacle on limit control.
B. If optional manual reset high temperature limit is not
used, ensure supplied jumper is installed.
C. Connect the wiring harness from limit control to
circulator. See
Figure 15, Page 17.
D. 120 volt power supply eld wiring connects to limit
control. Provide appropriate overcurrent protection
and service disconnect switch.
E. Wire power supply. See
Figure 15, Page 17
.
Connect green wire to grounding lug. When
installing wiring through hole in Limit, use anti-
abrasion cable clamp. Connect black “hot” wire to L1
of terminal block, white “N” wire to L2 of terminal
block.
17. Install top panel.
Place on top of side panels. Position
tabs in top panel into slots in side panels. Push top
panel toward back of boiler. Install rear panel screws.
18. Install drain valve
. Install drain valve with hose
connection facing right or left. This allows clearance
for swing door to open and close with drain and
hose attached. Verify connection is water tight. See
Figure 16, Page 17.
19. Close burner swing door
.
A. Use one hand to hold door in position by applying
pressure directly to door while re-installing securing
hardware with your opposite hand. Always install
non-hinged side latching hardware rst, then install
hinged side hardware. Apply additional pressure
while hand tightening hardware as far as possible,
then release pressure.
Table 4
- BAFFLES & LINERS
Sections Liner Liner
Length Bafes
4Oval 4” 9”
5** V SHAPE 9” 12”
6 V SHAPE 12” 15”
7 V SHAPE 14” NONE
** 9” V liner used only on Models 5115 and 5135
and only with Beckett NX burner. All other 5 section
models and burner combinations use no liner.
Figure 11 - Oval Liner
Figure 12 - V-Shaped Liner
Figure 13 - 3rd Pass Bafes
8 - BOILER ASSEMBLY

17
Figure 14 - Circulator Wiring
8 - BOILER ASSEMBLY
Figure 15 - Limit Control Wiring
NOTICE
Ensure all conduit is secured to prevent contact with
ue pipe
Figure 16 - Drain Valve
B. Use hand wrench to tighten door hardware and start
with non-hinged side. Use alternating tightening
method from non-hinged side to hinged side to
tighten door equally until sealed without applying
excessive torque. Never tighten hinged side ange
bolt rst or tighten either piece of hardware 100%
without using alternating tightening method
described above.
NOTICE
When securing burner swing door, make sure door is
drawn-in equally on both sides.
Failure to follow the prescribed procedure could
cause thread damage to casting or a leak in the
door seal. If hinged side is tightened before the
unhinged side, the hinged side of door cannot
be drawn to provide an air-tight seal. Applying
excessive torque will only cause thread damage.
20. Install oil burner.
• Check oil nozzle in burner for size, angle and type,
inspect electrode settings, check head setting, check air
band and air shutter settings.
See “Oil Burner, Nozzle,
& Air Settings” on page 49.
• DO NOT install burner without gasket. Place oil burner
gasket on face of burner swing door with 4 burner
ange bolts installed part way.
• Align round part of key hole slots of burner ange with
burner door bolts. Turn burner to lock in place.
• Tighten all 4 cap screws using diagonal sequence.
• Plug burner power cord into burner harness.
• Attach exible oil hose included in parts box.
THERMAL/
LWCO
WIRE
PIN
BLACK
WIRE TO
L1
WHITE
WIRE TO
B2
RED
WIRE
TO B1
DRAIN
VALVE
BLACK
TO
YELLOW
GREEN TO
GROUND
SCREW
WHITE
TO
WHITE
C1, C2
CIRCULATOR
WIRING

18
9.1 Connect System Supply And Return Piping
To Boiler
Connect system supply and return piping to correct
boiler ttings.
Size system circulator to supply sufcient ow (GPM)
to allow 20°F temperature differential in system.
When sizing system circulator, use single most
restrictive zone to determine maximum pressure
drop.
1.
Boiler used in connection with refrigeration systems,
install boiler so chilled medium is piped in parallel with
heating boiler using appropriate valves to prevent
chilled medium from entering boiler. See
Figure 28,
Page 31
.
2.
If boiler is connected to heating coils located in air
handling units exposed to refrigerated air, equip boiler
piping with ow control valves to prevent gravity
circulation of boiler water during operation of cooling
system.
3.
Limit control includes low water cutoff function, sensing
water level at control well in top of the rear boiler
section. Periodic inspection and testing is necessary
per instructions provided with limit control.
4.
When installation of boiler is for new heating system,
install all radiation units (panels, radiators, baseboard,
or tubing) and supply and return mains. After heating
system piping and components have been installed,
make nal connection of system piping to boiler.
Recommend mount circulating pump on supply side
piping, such that it pumps away from expansion tank.
5.
Hot water boiler installed above radiation level must
be equipped with low water cut off device. This boiler
is factory equipped with low water cutoff. Periodic
inspection is necessary, per manufacturer’s specic
instructions.
6.
When connecting cold water supply to pressure
reducing valve, make sure clean water supply is
available. When water supply is from well or pump,
install sand strainer at pump.
9.2 Bypass Piping
See Piping Diagrams for illustrations for this section.
Bypass piping may be required for applications listed
below. Failure to do so may cause damage due to thermal
shock and sustained condensation within the boiler.
Protect boiler from sustained operation of return water
temperatures lower than 130°F (54C). Occasionally,
temperatures as low as 70°F (21C) may return back to
boiler when a zone that has not been activated for some
time is opened. However, most residential systems with
nned-tube (aluminum-copper) baseboard radiation
contain low volume of water and will not adversely affect
boiler. Systems with nned-tube baseboard radiation
typically do not require bypass.
Bypass piping details shown in piping diagrams must be
used for any one of following conditions:
• All large water content systems, including cast iron
standing radiators, cast iron baseboard, converted
two-pipe steam systems, converted gravity circulation
systems and other similar systems.
• Any system, including nned-tube baseboard, with
priority domestic hot water zone.
Install ¾ inch bypass line as shown in piping diagrams
for
systems identied above.
Bypass valve cannot protect boiler from sustained
condensing operation for low temperature applications such
as radiant oor heating. These types of system require
active controls that prevent return of cold return water to
boiler.
Refer to Radiant Professional’s Alliance (RPA)
www.radiantprofessionalsalliance.org for piping
recommendations for non-condensing boiler applications.
9 - BOILER SYSTEM PIPING

19
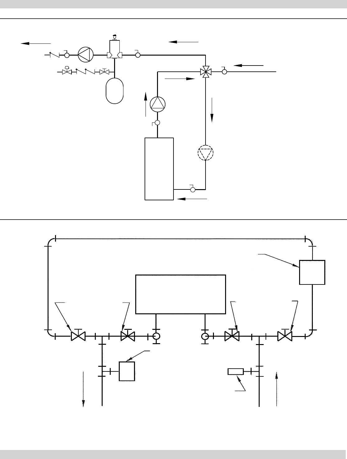
Figure 17 - Standard Near Boiler Piping
10 - HYDRONIC PIPING
Piping Diagram Legend

20
DHW Heater
Figure 18 - Piping and Wiring Single Zone System With Domestic Hot Water DHW Priority
10 - HYDRONIC PIPING
CONTROL
TANK
OR THERMOSTAT
HEATER, AQUASTAT
INDIRECT WATER
T-STAT
ZONE 2
PRIORITY
CONTROL
ARM-2P
ISOLATED
SWITCH
X1 X1
ISOLATED
SWITCH
X2
PRIORITY
120VAC CIRCULATORS
X2 L1
ZONE 2
LN N
2
CT
WITH
X-X
+
PRIORITY ON
++ZONE 1
FUSE
ELECTRONIC
DATA PORT T
+T
W1RTW
PRIORITY
ZONE
120 VAC
L N
PRIORITY ON
ZONE 2
ZONE MODULE
TO EXTRA
24 VAC @ 1 VA
2TR
COMMON
THERMOSTAT
6 TO 7 INCH LBS
TORQUE TERMINAL SCREWS
CIRC
DHW
CIRC
L
N
120 VAC
TO OIL
BURNER
HYDROSTAT
MODEL 3250
FIGURE 18

(SEE FIGURE 20)
CIRC
DHW ZONE
VALVE
L
N
120 VAC
TO OIL
BURNER
120VAC
N L
PRIMARY
PUMP
L N
PRIORITY
PUMP
L N
FROM BOILER
ZCZR
N
L
120 VAC
TO XFRM
R
24 VAC
C
X
X
TO DPM-2
X-X CONTACT
ZR ON
PRIORITY PUMP
PRIMARY PUMP
PRIORITY ON
STATUS
ZC ON
PRI ZONE 1
1 2
ZONE 4
43 1 3
ZONE 2
2 4
ZONE 3
1 2 3 4 21 3 4
OPTION SWITCHES
ZR-ZC
DPM-2
ZONE VALVE / PUMP
PRIORITY
Z1 Z2 Z3 Z4
TT T T T T T T
AZ-4CP
120VAC TO
TRANSFORMER
24VAC FROM
TRANSFORMER
ZONE
VALVE
ZONE
VALVE
T-STAT
T-STAT
T-STAT
CONTROL
TANK
OR THERMOSTAT
HEATER, AQUASTAT
INDIRECT WATER
HYDROSTAT
MODEL 3250
ZONE
VALVE
RELAY
24VAC COIL
120VAC CONTACTS
FIGURE 19
ON
OPTION SWITCHES
ZONE VALVE / PUMP
ZR-ZC
DPM-2
PRIORITY
OFF
KEY
ON
21
Figure 19 - Multi-Zone Piping and Wiring With Zone Valves And Domestic Hot Water Priority (With
Zone Valve)
10 - HYDRONIC PIPING
*

CIRC
L
N
120 VAC
TO OIL
BURNER
120VAC
N L
PRIMARY
PUMP
L N
PRIORITY
PUMP
L N
FROM BOILER
ZCZR
N
L
120 VAC
TO XFRM
R
24 VAC
C
X
X
TO DPM-2
X-X CONTACT
ZR ON
PRIORITY PUMP
PRIMARY PUMP
PRIORITY ON
STATUS
ZC ON
PRI ZONE 1
1 2
ZONE 4
43 1 3
ZONE 2
2 4
ZONE 3
1 2 3 4 21 3 4
OPTION SWITCHES
ZR-ZC
DPM-2
ZONE VALVE / PUMP
PRIORITY
Z1 Z2 Z3 Z4
TT T T T T T T
AZ-4CP
120VAC TO
TRANSFORMER
24VAC FROM
TRANSFORMER
ZONE
VALVE
ZONE
VALVE
ZONE
VALVE
T-STAT
T-STAT
T-STAT
CONTROL
TANK
OR THERMOSTAT
HEATER, AQUASTAT
INDIRECT WATER
HYDROSTAT
MODEL 3250
DHW
CIRC
FIGURE 20
ON
OPTION SWITCHES
ZONE VALVE / PUMP
ZR-ZC
DPM-2
PRIORITY
KEY
ON
OFF
22
Figure 20 - Piping and Wiring Multizone System With Zone Valves And Domestic Hot Water Priority
(With Circulator)
10 - HYDRONIC PIPING

CONTROL
TANK
OR THERMOSTAT
HEATER, AQUASTAT
INDIRECT WATER
T-STAT
CIRC
L
N
120 VAC
TO OIL
BURNER
HYDROSTAT
MODEL 3250
3
ZONE 3
+
X
ISOLATED
SWITCH
ARM-4P
CONTROL WITH
PRIORITY
+
30 VA
COMMON
24AC
ZC
X
ZR
L2
N
1L N L
ZONE 1
PRIORITY ON
X-X
+
ZR-ZC
ZONE 2
+
Z
DATA PORT
120 VAC
N4
L N L N
ZONE MODULE
TO EXTRA
PRIORITY ON
ZONE 4
COMMON
1 32 4
ZONE 4ZONE 3ZONE 2
ZONE
PRIORITY
THERMOSTATS
24 VAC
@ 1VA
ZONE 4ZONE 3ZONE 2PRIORITY
ELECTRONIC
FUSE
ZONE 3
ZONE 1
ZONE 2
ZONE 4
TWTRTWTRTWTRTWTR
CIRC
DHW
CIRC CIRC
T-STAT
T-STAT
FIGURE 21
23
Figure 21 - Piping and Wiring Multi-Zone System With Circulators And Domestic Hot Water Priority
10 - HYDRONIC PIPING

MAX = 4 X DIAMETER
CLOSELY - SPACED TEES
BOILER
PUMP
24
Figure 22 - Primary/Secondary Piping And Wiring With Circulators And Domestic Hot Water
10 - HYDRONIC PIPING

25
10 - HYDRONIC PIPING
CONTROL
TANK
OR THERMOSTAT
HEATER, AQUASTAT
INDIRECT WATER
T-STAT
CIRC
L
N
120 VAC
TO OIL
BURNER
HYDROSTAT
MODEL 3250
3
ZONE 3
+
X
ISOLATED
SWITCH
ARM-4P
CONTROL WITH
PRIORITY
+
30 VA
COMMON
24AC
ZC
X
ZR
L2
N
1L N L
ZONE 1
PRIORITY ON
X-X
+
ZR-ZC
ZONE 2
+
Z
DATA PORT
120 VAC
N4
L N L N
ZONE MODULE
TO EXTRA
PRIORITY ON
ZONE 4
COMMON
1 32 4
ZONE 4ZONE 3ZONE 2
ZONE
PRIORITY
THERMOSTATS
24 VAC
@ 1VA
ZONE 4ZONE 3ZONE 2PRIORITY
ELECTRONIC
FUSE
ZONE 3
ZONE 1
ZONE 2
ZONE 4
TWTRTWTRTWTRTWTR
CIRC
DHW
CIRC
CIRC
T-STAT
T-STAT
FIGURE 22
RELAY
120VAC COIL
120VAC CONTACTS
BLR
CIRC

ZONE 1 (PRIORITY ZONE)*
* USE FULL PORT ZONE
VALVE.
FOR OPTIMUM TANK
PERFORMANCE,
CONSIDER USING ZONE
CIRCULATOR.
BOILER
PUMP
MAX = 4 X DIAMETER
CLOSLEY - SPACED
TEES
SEE FIGURE 24
26
Figure 23 - Piping and Wiring Primary/Secondary Multi Zone System Piping With Zone Valves
And Domestic Hot Water (With Zone Valve)
10 - HYDRONIC PIPING
*

27
10 - HYDRONIC PIPING
CIRC
L
N
120 VAC
TO OIL
BURNER
120VAC
N L
PRIMARY
PUMP
L N
PRIORITY
PUMP
L N
FROM BOILER
ZCZR
N
L
120 VAC
TO XFRM
R
24 VAC
C
X
X
TO DPM-2
X-X CONTACT
ZR ON
PRIORITY PUMP
PRIMARY PUMP
PRIORITY ON
STATUS
ZC ON
PRI ZONE 1
1 2
ZONE 4
43 1 3
ZONE 2
2 4
ZONE 3
1 2 3 4 21 3 4
OPTION SWITCHES
ZR-ZC
DPM-2
ZONE VALVE / PUMP
PRIORITY
Z1 Z2 Z3 Z4
TT T T T T T T
AZ-4CP
120VAC TO
TRANSFORMER
24VAC FROM
TRANSFORMER
ZONE
VALVE
ZONE
VALVE
T-STAT
T-STAT
T-STAT
CONTROL
TANK
OR THERMOSTAT
HEATER, AQUASTAT
INDIRECT WATER
HYDROSTAT
MODEL 3250
FIGURE 23
DHW ZONE
VALVE
RELAY
24VAC COIL
120VAC CONTACTS
ZONE
VALVE
BLR
CIRC
ON
OPTION SWITCHES
ZONE VALVE / PUMP
ZR-ZC
DPM-2
PRIORITY
OFF
KEY
ON

Figure 24 - Piping And Wiring Primary/Secondary Piping With Zone Valves And Domestic Hot Water
(With Circulator)
ZONE VALVE
MAX = 4 X DIAMETER
CLOSELY - SPACED
TEES
28
10 - HYDRONIC PIPING

29
10 - HYDRONIC PIPING
CIRC
L
N
120 VAC
TO OIL
BURNER
120VAC
N L
PRIMARY
PUMP
L N
PRIORITY
PUMP
L N
FROM BOILER
ZCZR
N
L
120 VAC
TO XFRM
R
24 VAC
C
X
X
TO DPM-2
X-X CONTACT
ZR ON
PRIORITY PUMP
PRIMARY PUMP
PRIORITY ON
STATUS
ZC ON
PRI ZONE 1
1 2
ZONE 4
43 1 3
ZONE 2
2 4
ZONE 3
1 2 3 4 21 3 4
OPTION SWITCHES
ZR-ZC
DPM-2
ZONE VALVE / PUMP
PRIORITY
Z1 Z2 Z3 Z4
TT T T T T T T
AZ-4CP
120VAC TO
TRANSFORMER
24VAC FROM
TRANSFORMER
ZONE
VALVE
ZONE
VALVE
ZONE
VALVE
T-STAT
T-STAT
T-STAT
CONTROL
TANK
OR THERMOSTAT
HEATER, AQUASTAT
INDIRECT WATER
HYDROSTAT
MODEL 3250
DHW
CIRC
RELAY
24VAC COIL
120VAC CONTACTS
FIGURE 24
ON
OPTION SWITCHES
ZONE VALVE / PUMP
ZR-ZC
DPM-2
PRIORITY
OFF
KEY
ON
BLR
CIRC

BOILER ALTERNATE
CIRCULATOR
LOCATION
TO SYSTEM FROM SYSTEM
V2V1
CIRCULATOR
SHUT-OFF
VALVE
PRESSURE
REDUCER VALVE
CHECK VALVE
BALL VALVE AIR SEPARATOR
ZONE VALVE
EXPANSION
TANK
WATER INLET
SYSTEM
CIRCULATOR
Figure 26 Bypass Piping (Fixed Low Temperature Only)
Adjust two throttling valves to maintain at least 130°F - 140°F in boiler return.
BOILER
WATER INLET
ALTERNATE
CIRCULATOR
LOCATION
TO SYSTEM FROM SYSTEM
CIRCULATOR
SHUT-OFF
VALVE
PRESSURE
REDUCER VALVE
CHECK VALVE
BALL VALVE
3 WAY MIXING
VALVE
AIR SEPARATOR
HOSE BIB
EXPANSION
TANK
30
10 - HYDRONIC PIPING
Figure 25 - Bypass Piping Automatic Mixing Valve

BOILER ALTERNATE
CIRCULATOR
LOCATION
TO SYSTEM
FROM SYSTEM
CIRCULATOR
WATER INLET
SHUT-OFF
VALVE
PRESSURE
REDUCER VALVE
CHECK VALVE
BALL VALVE AIR SEPARATOR
HOSE BIB FLOW CONTROL
VALVE
4-WAY MIXING
VALVE
EXPANSION
TANK
31
Figure 27 - Bypass Piping (4-Way Valve Option With Circulator On Supply Side)
10 - HYDRONIC PIPING
SHUT OFF
VALVES
SHUT OFF
VALVES
BOILER
SUPPLY MAIN TO
COMBINED HEATING
& COOLING SYSTEM
RETURN MAIN FROM
COMBINED HEATING
& COOLING SYSTEM
CIRCULATOR
WATER CHILLER
AIR CUSHION
TANK
Figure 28 - Recommended Piping for Combination Heating and Cooling (Refrigeration) System

32
Figure 29 - Single Pipe Oil Line
Figure 30 - Double Pipe Oil Line
11 - FUEL SUPPLY PIPING
11.1 Installation of oil tank and piping shall conform
to requirements of authority having jurisdiction or in
absence of such requirements National Board of Fire
Underwriters . In addition, refer to NFPA 31 (U.S.) or
CSA B139 (Canada)
Installation of oil storage tank, vent, ll pipe and
caps shall conform to requirements of authority
having jurisdiction.
• In no case should vent pipe be smaller than 1¼" I.P.S.
• Fill pipe should not be less than 2" I.P.S.
• Suction line from tank to burner should be one
continuous piece of tubing to prevent air entering line
• Suction line, must be ⅜" O.D. copper tubing for runs of
50 feet or less, and ½" O.D. for longer runs.
• Use oil return line, same size as the suction line, on
installations where bottom of tank is below fuel unit of
burner.
• Bury oil lines or protect from mechanical injury.
• Flare ttings on all oil lines are required. Compression
ttings on suction line often allow air to be drawn into
fuel pump, making it difcult to maintain oil pressure at
nozzle.
• Do not run overhead fuel lines from tank to oil burner.
• Follow instructions, attached to fuel pump, for fuel pump
and by-pass connections.
• Install two stage fuel unit if tank is more than 20' from
boiler in place of single stage pump supplied as standard
equipment with burner. Verify rotation and speed are
identical and pump is suitable for burner horsepower
rating.
• Install oil line lter and shut-off valve in suction line.
• Install Shut-off valves in both suction and return lines at
burner for convenience in servicing burner.
• Allow extra tubing at burner so burner may be removed
from boiler for cleaning without disconnecting tubing.
See Figure 29 and 29.
• Use exible oil lines so burner swing door can be opened
without disconnecting oil supply piping.
Table 5 - TWO STAGE UNITS,
TWO PIPE SYSTEMS (SEE FIGURE 15)
LIFT
“H”
Maximum Length of Tubing “R”
3/8” O.D.
Tubing (3 GPH)
1/2” O.D.
Tubing (3 GPH)
0 93 FT. 100 FT.
2 85 FT. 100 FT.
4 77 FT. 100 FT.
6 69 FT. 100 FT.
8 60 FT. 100 FT.
10 52 FT. 100 FT.
12 44 FT. 100 FT.
14 36 FT. 100 FT.
16 27 FT. 100 FT.
18 --- 76 FT.

33
12.1 Antifreeze added to boilers must be nontoxic,
and must be of type specically intended for use in closed
hydronic heating systems. Under no circumstances should
automotive antifreeze be used. Antifreeze used in any
boiler may reduce capacity by 10% or more and increase
fuel consumption. See Table 6 and 7.
Table 6 - BOILER WATER VOLUMES
Number of
Boiler Section
Total Volume
(Gallons)
4 3.6
5 4.3
6 5.1
7 5.9
Table 7 - PIPING WATER VOLUMES
PIPE SIZE
COPPER
PIPE
FACTOR
STEEL PIPE
FACTOR
½” 82.5 63.5
¾” 40.0 36.0
1” 23.3 22.2
1 ¼” 15.3 12.8
1 ½” 10.8 9.5
2” 6.2 5.8
Divide total length of piping in feet by
appropriate factor in table to determine volume
in gallons.
12 - ANTIFREEZE IN THE SYSTEM

34
13 - ELECTRICAL CONNECTIONS
13.1 Electrical wiring shall conform to requirements
of authority having jurisdiction or in absence of such
requirements ANSI/NFPA No. 70, in Canada shall
be in accordance with the Canadian Electrical Code
C22.2.
Run separate electrical circuit from entry box with
fused disconnect switch in this circuit.
Never “jump out” or make inoperative any safety or
operating controls.
WARNING
Electrical shock hazard. Turn OFF electrical power
supply at service panel before making electrical
connections. Failure to do so could result in death
or serious injury.
!
SEE APPROPRIATE ADDENDUM FOR WIRING
DIAGRAMS

35
Table 8 - Recommended Minimum Chimney Sizes
FIRING RATE
(gph)
CHIMNEY
HEIGHT (ft)
NOMINAL
CHIMNEY
ROUND
LINER INSIDE
SQUARE
LINER
INSIDE
0.60 -1.30 15 8” x 8” 6” 6 ¾” x 6 ¾”
1.31 -1.80 15 8” x 8” 7” 6 ¾” x 6 ¾”
1.81 -2.00 20 8” x 8” 8” 6 ¾” x 6 ¾”
For elevations above 2,000 feet above sea level, add 3 feet to the chimney heights.
14.1 Chimney Venting
Oil red boilers with connections to vents or chimneys,
vent installation shall conform to requirements of
authority having jurisdiction or in absence of such
requirements NFPA 31 Installation Of Oil Burning
Equipment (U.S.) or CSA B139 (Canada) and
applicable provisions of local building codes.
Installation shall conform to requirements of
NFPA31 – Standard for the Installation of Oil-
Burning Equipment and NFPA 211 – Standard for
Chimneys, Fireplaces, Vents, and Solid Fuel-Burning
Appliances for installations and requirements of CSA
B139 – Installation Code for Oil-burning Equipment.
(Installations in Canada).
1.
Ensure sufcient draft during heating season to allow
for safe evacuation of ue gasses.
2.
Boiler can be vented into reclay tile-lined masonry
chimney or type L vent or factory built chimney that
complies with type HT requirements of UL103. See
Figure 32, Page 37
.
3.
Chimney Inspection – Prior to installation of any new or
replacement fuel burning equipment chimney shall be
inspected by qualied service agency.
A. De-rating may cause condensation on interior
walls of chimney and boiler. Loose mortar can be
indication of history of condensing ue gases upon
inside walls of chimney. Do not install chimney until
it meets requirements of NFPA 211 or CSA B139.
B. Unlined Chimney – Do not install boiler if chimney
is constructed of brick only. Only approved clay
liners or listed chimney lining systems shall be used
as specied in NFPA 31 or CSA B139.
C. Abandoned Openings – Seal Openings through
chimney wall that are no longer used in accordance
to NFPA 211.
D. Clean Chimney – Chimney shall be free of all loose
debris.
4.
Install draft regulator at least 18” above breech; 18”
of straight run up-stream of regulator ensures proper
operation.
5.
Draft Regulator – Use supplied draft regulator with this
appliance. Do not use any other draft regulator. See
Figure 31, Page 37
.
14 - CHIMNEY AND VENTING CONNECTIONS

36
14.2 Vent and Vent Connector
1.
Vent connector should be kept as short as possible.
Horizontal length of vent connector should not be
greater than 10 feet.
2.
Type L Vent pipe or other suitable material may be
used for vent connector if ue temperature is less than
570° F.
3.
4,5 & 6 section boilers have sheet metal ue collar
spacer included in accessory carton for attaching 5”
diameter vent connector to cast iron ue collar. For
7 section boiler, 6” diameter vent connector attaches
directly to cast iron ue collar.
4.
Attach vent connector and ue adaptor ring to cast
iron ue collar with three screws. Pre-drill cast iron ue
collar to prevent cracking.
5.
Canadian versions have vent spill switch kit included.
6.
Inspect chimney and connector annually for signs of
debris and corrosion. Loose mortar at base of chimney
may be sign of condensate damage to chimney.
7.
Inspect base of chimney for any signs of seepage.
Discoloration may be a sign of chimney damage. Have
repaired immediately.
8.
Contact qualied service agent immediately to examine
damage and correct. Operation of damaged chimney
may cause venting failure and force ue gases into
living space.
9.
If chimney is to be re-lined, use recommendations in
NFPA31, Appendix E or CSA B139.
14.3 Draft
• Natural draft generated through chimney is dependent
on several factors including, chimney height,
temperature of ue gases, cross section area of
chimney, chimney wall insulation value, dilution air and
total volume of ue gases. Operate boiler for at least 5
minutes before measuring draft.
• Minimum Draft at Breech – Draft induced by the
chimney must create at least a neutral pressure of 0
(zero) inches water column (INWC) at breech. Slightly
negative (i.e. suction) pressure is preferred. Pressure
at breech cannot be positive since this could create
condition that allows ue gas by-products to escape
from draft regulator. Draft is to be measured up stream
of draft regulator. See Burner Specications.
• Over-re Draft - Measure pressure at 1/4” NPT test port.
Three pass boilers have higher pressure drop than single
pass. Table 8A shows expected pressure drop between
over-re and breech. Total pressure drop is difference
between over-re draft and breech draft. For example,
if over-re draft = 0.05 INWC and breech draft = - 0.05,
total pressure drop = 0.05 - (-0.05) = 0.10 INWC. See
Figure 33, Page 37
.
Table 9 - Pressure Drop Between
Over-Fire & Breech
Sections Inches WC
4 0.03-0.05
5 0.05-0.08
6 0.09-0.16
7 0.07-0.16
14.4 Stack Temperature
1.
Higher stack temperature, greater amount of draft
generated. Lower stack temperature not only reduces
amount of draft created but also increases possibility
ue gases could condense in chimney connector or
stack.
2.
Consult NFPA 31 and CSA B139 for information for
appropriate choice of venting materials. Chimney may
have to be lined to create sufcient draft, or chimney
may have to be lined to prevent corrosion of masonry
chimney. Consult qualied service agency for chimney
requirements in your area.
3.
Bafes – Efciency of boiler is based on insertion of
ue bafes supplied with 4,5 & 6 section units. Bafes
are installed in 3rd pass (two inner ueways). Refer to
“8 - Boiler Assembly” on page 13 for bafe installation.
Remove bafes to increase stack temperature.
4.
Remove bafes if any signs of condensation in chimney
or chimney connector. Removing bafes may not
address condensation.
14 - CHIMNEY AND VENTING CONNECTIONS

37
Figure 31 - Proper Draft Regulator Locations
Figure 32 - Typical Chimney Locations
1/4”NPT TEST PORT
FOR OVER-FIRE
MEASUREMENT
Figure 33 - Pressure Tapping for Checking Draft
14 - CHIMNEY AND VENTING CONNECTIONS
Minimum height must be
at least 3 Ft higher than
highest part of passage
through roof. Must be
at least 2 FT higher
than any neighboring
object within 10 Ft. Must
have unobstructed top
opening.
Must be at least
4 inches thick -
and be tight.
Must slope up
at least 1/4
inch per foot of
horizontal run
Tight, smooth,
correctly sized
Sealed in
thimble
Tight clean-out
door
Balanced
Weight
Crimped
End
Draft Regulator
Vane

38
1.
Inspect Installation Before Starting Burner.
A. Verify venting, water piping, oil piping, and
electrical system are installed properly. Refer to
installation Instructions contained in this manual.
B. Conrm all electrical, water and oil supplies
are turned off at source and vent is clear from
obstructions.
2.
Fill Heating System With Water.
A. Failure to clean system can result in clogged air
vents, circulator damage and seized zone valves.
Clean heating system if boiler water is dirty. Refer to “18 -
Maintenance” on page 53 for proper cleaning instructions
for water boilers.
Fill entire heating system with water and vent air from
system.
Use following procedure on series loop or multi-zoned
system installed as per
piping diagrams
, to remove air
from system when lling:
A. Close shut off valve in boiler system piping
between air separator and vertical purge valve.
B. Isolate all zones by closing zone valves or shut-off
valves in supply and return of each zone(s).
C. Attach hose to vertical purge valve in boiler system
supply piping. Terminate hose in ve gallon bucket
or suitable oor drain or outdoor area.
D. Starting with one zone at a time, open zone valve
or shut-off valve in boiler supply and return piping.
E. Open purge valve.
F. Open shut-off valve in cold water supply piping.
G. When zone is completely purged of air, close zone
valve or shut-off valve. Open valve to next zone
to be purged. Repeat this step until all zones have
been purged. At completion, open all valves.
H. Close purge valve, continue lling system until
pressure gauge reads 12 psi. Close shut-off valve
in cold water supply piping.
I. Open shut off valve in boiler system piping.
J. Remove hose from purge valve.
K. Conrm boiler and system have no water leaks.
L. It may be necessary to clean air vent assembly
after few days of operation.
3.
Check controls, wiring and burner. Verify all
connections are tight and burner is rigid, all electrical
connections have been completed and fuses installed,
and oil tank is lled and oil lines have been tested.
15 - FILLING BOILER
WARNING
Fire, burn, asphyxiation hazard. Turn off service
switch to boiler to prevent accidental ring of
burner outside combustion chamber. Disconnect
burner power cord from wire harness in front jacket.
Tighten swing door fastener completely when
service is complete. Failure to follow instructions in
this manual and understand all requirements could
result in death or serious injury.
!
NOTICE
Boiler maximum operating pressure is posted on
ASME data label located on front lower leg of boiler.
Never exceed this pressure. Do not plug relief
valve.

39
Figure 34 - Limit
16 - OPERATING THE BOILER - SYSTEM START-UP
16.1 Setting The Limit Control
Setting can be veried using TEST/SETTINGS button.
See Page 41.
16.2 Setting High Limit
To adjust, turn HI TEMP dial
A
until desired setting is
displayed. See Figure 34. Overall range of High limit setting
is from 100°F to 220°F (82° C to 104° C). High limit
(HL) on limit control is factory set at 190°F. Temperature
setting may be varied to suit requirements of installation.
Differentials are automatic and will vary based on control
settings and boiler temperature.
16.3 Setting Low Limit
• Low limit is designed to maintain temperature in boilers
equipped with tankless coils used for domestic hot
water. Low limit is factory set to OFF.
• For cold start operation, low limit must be turned to
OFF.
16.4 Setting Economy Feature (See Figure 35)
• Economy feature is factory set for 1 zone heating
system. To adjust, turn ECONOMY dial
D
until number
displayed equals number of heating zones.
• Do not include indirect water heaters in number of
heating zones.
• Economy feature conserves fuel by reducing boiler
temperature. If heating system is unable to supply
needed heat to house, ECONOMY dial should be turned
to lower setting. (example: in a three zone house, turn
dial to 2 or 1).
• Conversely, if boiler provides adequate heat, added
fuel savings can be achieved by selecting higher setting
(example: 4 or 5).
• If heating and indirect water heater signals were not
separated when wiring the control, Economy feature
should be turned off to ensure the boiler supplies
adequate temperature to heat indirect tank.
16.5 Setting Zone/Indirect Switch
When installing with indirect water heater, zone/indirect
switch must be set in the I position, calls to ZC-ZR will
bypass thermal targeting feature and allow boiler to re to
high limit setting to heat indirect tank.
Indirect signal must be separate from all heating zone
signals.
If you choose not to separate indirect signal from heating
zones, turn off economy feature to ensure boiler supplies
adequate temperature to indirect tank.
Figure 35 - Setting Economy Feature
SETTING
OFF
Disables economy function. Will allow boiler to
re until hi-limit temp is reached and re-re
with a 10° subtractive differential.
LO
Provides lowest level of fuel savings. Use this
setting only if the house does not stay warm at
higher settings.
1
Recommended setting for single zone systems.
2
Recommended setting for Two zone systems.
3
Recommended setting for Three zone systems.
4
Recommended setting for Four zone systems.
5
Recommended setting for Five zone systems.
HI
Provides highest level of fuel savings.

40
16 - OPERATING THE BOILER - SYSTEM START-UP
16.6 Activating Thermal Pre-Purge (optional)
Activation of this feature is not recommended for boilers
with tankless coils.
• Limit has thermal pre-purge feature to maximize
efciency. When activated, control will purge higher
boiler temperatures down to 135°F at start of any
thermostat call and supply latent energy in boiler to
heating zone calling.
• During purge cycle, display will indicate PUR.
• If heat is not sufcient to satisfy thermostat, control will
energize burner.
• Feature works with single and multi-zone heating
systems utilizing circulators or zone valves. No change
in wiring is needed.
To Activate Thermal Pre-Purge
1.
Push and hold TEST/SETTINGS button for 20 seconds.
2.
Display will read PURR On.
3.
To deactivate feature, push and hold button a second
time for 20 seconds.
4.
Display will read PURR OFF.
16.7 Control Action On System Start-Up
At initial start-up, with economy feature active, control
establishes 145°F target temperature. To test high limit
shut-off function, economy dial must be turned to off.
Once tested, restore economy setting.
If heating demand is high, target will increase over time to
satisfy heat load.
To reduce potential for condensing, control will allow boiler
to heat to 120°F prior to energizing the circulator.
16.8 How Thermal Targeting Works
Thermal targeting technology analyzes thermostat activity
and continually evaluates how much heat the house
requires.
When it is very cold outside, heat demand is high and limit
control will raise boilers target temperature to provide heat.
When outside temperature is mild, heat demand is low.
Limit control will lower boiler’s target temperature saving
fuel.

41
Figure 36 - LED Legend
1
TEMP ACTIVE Indicates Limit Control is
powered and temperature function is active.
2
TEMP HI TEMP Illuminates when boiler water
temperature reaches high limit setting. Remains
lit until water temperature falls 10°F. Limit control
prevents burner operation while this LED is on. See
Differential explanation page 39.
3
LWCO ACTIVE Indicates low water cut-off
(LWCO) function of limit control is active. Boiler
is factory equipped with Hydrolevel electro-well,
enabling control’s low water cut-off function. LED will
be on at all times when control is powered.
Important: If control well is replaced with a well
other than Electro-Well, LED will not illuminate
indicating control is not providing low water cut-off
functionality.
WARNING
Burn and scald hazard. Do not add water until boiler
has fully cooled. Failure to follow these instructions
could result in death or serious injury.
!
4
LWCO LOW WATER Illuminates if boiler is in
low water condition. Limit control will prevent burner
operation during this condition.
Important: System must be checked by a qualied
service agency prior to resuming operation.
5
ECONOMY ACTIVE Indicates thermal targeting
function is active and limit control will reduce boiler
temperature to conserve fuel. Economy feature is
activated using the Economy dial. See “How Thermal
Targeting Works” this page.
16 - OPERATING THE BOILER - SYSTEM START-UP
6
ECONOMY TARGET Economy feature is active,
limit control continually sets target temperatures
below high limit setting to maximize fuel efciency.
When boiler water reaches target temperature, LED
illuminates and burner shuts down. Boiler water will
continue to circulate and heat the house as long as
thermostat call continues. LED will stay lit until boiler
temperature drops below differential set point at
which point boiler will be allowed to re again.
Note: LED illuminates regularly during normal boiler
operation.
7
TEST/SETTINGS Button
To Test Low Water Cut-Off: Press and hold Test/
Settings button for 5 seconds. Display will read LCO.
LWCO TEST
LCO
Red Low Water light should illuminate and burner circuit
(B1 and B2) should de-energize. Note: Control must be in-
stalled with Electro-Well for low water cut-off functionality.
To View Current Settings: Press and release Test/
Settings button in short intervals to sequentially display the
following settings:
Display will return to boiler temperature (default) if Test/
Settings button is not pressed for 5 seconds.

42
16.9 Oil Burner - Beckett AFG
NOTICE
Instructions are for Beckett AFG with Beckett
Genisys primary control. For other burners, refer to
manufacturer’s manual.
Nozzle and air settings are given in Table 14 page
50.
For direct vent installation guide, see Direct Vent
Addendum.
1. Prepare Oil Burner Before Starting. (AFG)
A. Check burner air band, air shutter and head setting
(if equipped), readjust if necessary. See
“17 - Oil
Burner, Nozzle, & Air Settings” on page 46.
B. Open all oil line valves.
C. Attach a plastic hose to fuel pump vent tting and
provide a pan to catch the oil.
2. Prime Pump and Start Oil Burner
A. Open bleed port tting on fuel pump.
B. Initiate a call for heat
I. After burner starts, press and hold reset button for
approximately 15 seconds until yellow light turns on.
Indicates button has been pressed long enough.
II. Release reset button. Yellow light turns off and burner
starts up again.
III. At burner startup, click reset button while igniter is
still on. This transitions control to dedicated pump
priming mode, during which the motor, igniter and
valve are powered for four minutes. Yellow light will
be on.
C. Bleed pump until all froth and bubbles are purged.
I. If desired, terminate call for heat or hold reset button
for at least one second to exit pump priming mode
and return to standby mode.
II. At end of four minutes, yellow light will turn off and
control will automatically return to standby mode.
III. If prime is not established during four minute pump
priming mode, return to step 2.B.III. to re-enter pump
priming mode. Repeat steps 2.C.I. to 2.C.II. until
pump is fully primed and oil is free of bubbles.
D. Terminate call for heat and control will resume normal
operation. Close bleed port tting on fuel pump.
E. Adjust oil pressure.
I. When checking fuel unit’s operating pressure, reliable
pressure gauge may be installed in either bleeder port
or nozzle port.
II. Initiate call for heat.
III. Locate oil pressure adjusting screw and turn screw
to obtain proper pump pressure, refer to
“17 - Oil
Burner, Nozzle, & Air Settings” on page 46
.
16 - OPERATING THE BOILER - SYSTEM START-UP
3. Preliminary Oil Burner Adjustments
A. Adjust Draft Regulator for breech draft of -0.05
(preferred) to 0 inches water column after chimney
has reached operating temperature and while burner is
running.
B. Use smoke tester and adjust air if necessary for
minimum smoke (not to exceed trace) with minimum
of excess air. Check using suitable instrumentation to
conrm CO2 of 11 to 13%. If ame appears stringy
instead of solid re, try another nozzle of same type.
Flame should be solid and compact.
C. Turn off burner and remove pressure gauge. Install
gauge port/bleeder plug and tighten. Start burner
again.
4. Final Burner Adjustments
: Final burner
adjustments must be made using combustion test
instruments.
A. Check draft breech to verify between 0.00” WC and
-0.05” WC, or otherwise adjust draft to -0.05” WC (or
less than zero.)
B. After operating 10 minutes to warm up boiler, use
combustion test equipment to take smoke reading in
ue pipe between boiler and draft regulator. Smoke
reading should be zero to trace (Shell Bacharach
Scale).
C. New boiler may require more than 10 minutes to burn
clean due to oil lm on new heat exchanger. If smoke
reading is zero, gradually close burner’s air adjustment
to obtain smoke reading showing trace smoke read-
ing. Once smoke reading is trace, measure CO2 and
as insurance margin increase air to sufciently reduce
CO2 by 1/2% to 1%.
D. If clean re cannot be obtained, it is necessary to
verify burner head alignment. If re continues to be
smoky, replace nozzle.
WARNING
Fire, burn, asphyxiation hazard. Do not loosen
or remove any oil line ttings while burner is in
operation. Failure to follow these instructions could
result in death or serious injury.
!
WARNING
Fire, burn, asphyxiation hazard. Do not attempt
to start burner when oil has accumulated in
combustion chamber or unit is full of vapor, or
hot. Check operation of all boiler controls before
installation of boiler is completed. Failure to follow
these instructions could result in death or serious
injury.
!

43
E. Once burner is completely adjusted, start and stop
burner several times to assure good operation with no
uttering or rumbling. Verify there are no oil leaks,
record nozzle size, oil pressure, combustion readings,
and air settings on tag or label attached to burner or,
boiler.
CAUTION
Do not run boiler unattended until following procedure
is completed. Failure to follow these instructions could
result in minor or moderate injury.
!
5. Check Genisys Oil Primary Control.
A. Preliminary steps
I. Check wiring connections and power supply.
II. Verify power is on to controls.
III. Verify limit control is closed.
IV. Check contacts between igniter and electrodes.
V. Check piping to oil tank.
B. Safe Start Check
I. Place jumper across cad cell terminals.
II. Initiate call for heat.
III. Burner must not start. Verify green light is on
continuously and control remains in standby mode.
IV. End call for heat and remove cad cell jumper.
C.
Simulate Flame Failure And Ignition Failure
I. Initiate call for heat.
II. After ame is established and burner igniter turns off,
close hand valve in oil supply line.
III. At ame loss, control will enter recycle mode. Verify
green light is ashing. Control will remain in recycle
for 60 seconds.
16 - OPERATING THE BOILER - SYSTEM START-UP
WARNING
Electrical shock hazard. Following safety checks shall
be completed by qualied agency. Failure to do so
could result in death or serious injury.
!
NOTICE
Control contains no eld serviceable parts. Do not
attempt to take it apart. Replace entire control if
operation is not as described.
IV. After 60 second recycle period, control will try to
restart system.
V. After 15 second lockout time, control will lock out
burner and reset button will ash. Verify burner,
motor and igniter are off and burner solenoid valve (if
used) is not energized.
VI. Open hand valve in oil line.
VII. Click reset button and verify red light in reset button
shuts off and burner lights.
VIII. End call for heat.
Figure 37 - CAD Cell Location
D. Cad Cell Check : Cad cell resistance can be checked
with use of Genisys display module or Genisys
contractor tool. If not available, cad cell leads can
be unplugged from control and resistance measured
in conventional way. Conduct these tests with ame
present. See Figure 37.
Flame Detection Range
• Normal (0-1600 ohms)
• Limited (1600 ohms to lockout)
E. Power Failure Check: After ame is established,
turn power off to control / burner. Burner should shut
down safely. When power is restored, normal ignition
sequence should be started.

44
6.
Genisys Control Sequence of Operation
A. Standby. Burner is idle, waiting for call for heat.
B. Valve-On Delay. Igniter and motor are on while
control delays turning on oil solenoid valve for pro-
grammed time.
C. Trial for Ignition. Oil solenoid valve is energized.
Flame should be established within factory set trial for
ignition time (“lockout time”).
D. Lockout. Control has shut down for one of following
safety reasons:
I. Trial for ignition (lockout) time expired without ame
being established.
II. Cad cell detected ame at end of Valve On Delay
State.
To reset from hard lockout, hold reset button 15
seconds until yellow light turns on.
E. Ignition Carry-over. Once ame is established,
igniter remains on for 10 additional seconds to ensure
ame stability.
F. Run. Flame is sustained until call for heat is satised.
Burner is then sent to Motor-Off Delay, if applicable, or
it is shut down and sent to Standby.
G. Recycle. If ame is lost while burner is ring, control
shuts down burner, enters 60 second recycle delay,
and repeats ignition sequence. Control will continue to
recycle each time ame is lost, until it reaches preset
time allotment. Control will then go into Hard Lockout
instead of recycle. Feature prevents excessive accu-
mulation of oil in the boiler ring chamber.
H. Motor-Off Delay. If applicable, oil solenoid valve is
turned off and control delays turning motor off for set
motor-off delay time before control returns to standby.
I. Pump Prime. Igniter and motor are on with solenoid
valve energized for 4 minutes. During Pump Prime
mode, cad cell is disregarded, allowing technician to
prime pump without having to jumper cad cell.
7.
Genisys Control Reset Button Operation
See Table 11 for action control takes when reset button is
pressed for different lengths of time during various burner
operation states.
16 - OPERATING THE BOILER - SYSTEM START-UP
Figure 38 - Sequence of Operation
Table 11 - Genisys Control Reset Button Operation
If burner is in below
state:
Pushing reset button will:
Button Click
(press < 1 second)
Button Hold
(press > 1 second)
Button Hold
(press 15+ seconds)
Lockout Reset from Soft Lockout Reset from Restricted (Hard)
Lockout
Valve-on Delay, Trial for
Ignition, Ignition Carry-
over
Go to Pump Prime
See
“Priming the Pump” page 44
Disable Burner: Anytime
burner is running, press and
hold reset button to disable
burner. Burner will remain off
as long as button is held.
Enables Pump Priming: After
reset button has been held for
15 seconds, button can then
be clicked during next ignition
sequence to enter Pump
Prime mode.
Run (Igniter shut off) No Action
Motor-Off Delay, Standby No Action
Pump Prime No Action Exit Pump Prime mode and return to Standby
Table 12 - Genisys Control Status Lights
Light Color On Continuously Flashing
Red Restricted (Hard) Lockout Soft Lockout
Green Flame Sensed during normal operation
(Possible stray light during standby) Recycle
Yellow Control is in Pump Prime mode or
reset button currently held for 15+ seconds. N/A

45
NOTICE
Before starting or resetting control from restricted
lockout state, troubleshoot heating system for root
cause(s) of lockout.
8.
Genisys Control - Resetting From Restricted
or Hard Lockout.
A. Make necessary repairs or adjustment to ensure
safe start condition.
B. Ensure appliance is free of oil and oil vapors
before starting or resetting burner
C. If control continues to lock out without satised call for
heat, or fails motor relay check, control enters Hard
(restricted) Lockout in order to limit accumulation of
unburned oil in combustion chamber.
D. To reset, hold button down for 15 seconds until red
light turns off and yellow light turns on.
E. Always verify control functions according to
specications before leaving installation site.
F. Replace control if it does not operate as specied.
9.
Genisys Control - Disable Function
Anytime burner is running, press and hold reset button to
disable burner. Burner will remain off as long as button is
held.
WARNING
Remove jumper after following check.
!
16.10 Check High Temperature Limit Control.
Jumper thermostat terminals. Allow burner to operate until
shut down by limit. Installation is not considered complete
until this check has been made.
16.11 Test Low Water Cut-Off Operation. See
Figure 36, Page 41.
16.12 If Controls Do Not Meet Requirements
replace control and repeat checkout procedures.
16.13 Nozzles And Electrodes
: Use proper size,
spray angle, and spray pattern nozzle.
A. Refer to “17 - Oil Burner, Nozzle, & Air Settings” on
page 44.
B. To install nozzle, remove nozzle line electrode
assembly, if necessary remove retention ring
assembly, install and tighten nozzle. Be careful not to
damage electrode insulators or bend electrode tips.
16 - OPERATING THE BOILER - SYSTEM START-UP
C. After installing nozzle, reassemble nozzle line
electrode assembly and set electrode tip spacing.
D. Electrode tip spacing may need to be set prior to
reassembling nozzle line electrode assembly. Refer
to gures on following pages for setting electrode tip
spacing on Beckett.
16.14 Check Thermostat Operation:
Thermostat
location has important effect on operation of boiler system.
A. Follow instructions included with your thermostat.
Typically, thermostat is located about ve feet above
oor on inside wall.
B. Thermostat should be located to sense average room
temperature.
Table 10 - Thermostat locations to Avoid
DEAD
SPOTS HOT SPOTS COLD SPOTS
Behind
doors
Concealed pipes Concealed pipes
or ducts
Fireplace
TV sets Stairwell drafts
Corners &
alcoves
Radios Door drafts
Lamps Unheated room
on other side of
wall
Direct sunlight
Kitchens
C. Verify room temperature reaches selected
temperature setting, thermostat should turn boiler’s
burner off, and once room temperature falls few
degrees boiler starts operating again.

46
Figure 39 - Beckett Electrode Tip Adjustments
Standard Dimensions (L1, V1) Heads
Figure 40 - Beckett Electrode Tip Adjustments
Standard Dimensions (L2) Heads
17 - OIL BURNER, NOZZLE, & AIR SETTINGS
Figure 41 - Beckett Check/Adjust “Z”
Dimensions L1 & L2 Heads
Figure 42 - Beckett Check/Adjust ‘Z’ Dimension -
V1 Heads
L1/L2 Heads
See Figure 39. The important “Z” dimension is distance
from leading edge of head to end of air tube. This distance
for L1 & L2 heads is 1-3/8” if the tube has a straight shroud
or 1-3/4” if air tube has conic shroud. “Z” dimension is fac-
tory set for burners shipped with air tube installed. Even if
factory set, verify “Z” dimension has not been changed.
1.
Use following procedure to adjust “Z” dimension, if it is
not correct:
• Turn off power to burner.
• Disconnect oil connector tube from nozzle line.
• Refer to gure above. Loosen splined nut from nozzle
line. Loosen hex head screw securing escutcheon
plate to burner housing.
• Place end of ruler at leading edge of head and, using
straight edge across end of airtube, measure distance
to end of tube. A Beckett T501 gauge may also be
used.
• Slide nozzle line forward or back until this dimension
is 1-3/8” for L1 & L2 heads if tube has straight
shroud, or 1-3/4” if air tube has conic shroud.
• Tighten hex head screw to secure escutcheon plate to
burner chassis. Then tighten splined nut and attach
oil connector tube.
2.
Recheck “Z” dimension periodically when servicing to
ensure escutcheon plate has not been moved. Reset
“Z” dimension if you replace air tube or nozzle line
assembly.
V1 heads
See Figure 40. The important “Z” dimension is distance
from leading edge of head to end of air tube. This distance
for V1 heads is 1-¾”. “Z” dimension is factory set for
burners shipped with air tube installed. Even if factory set,
verify “Z” dimension has not been changed.
1.
Use following procedure to adjust “Z” dimension, if it is
not correct:
• Turn off power to burner.
• Disconnect oil connector tube from nozzle line. Refer
to gure above. Loosen splined nut from nozzle line.
Loosen hex head screw securing escutcheon plate to
burner housing.
• Loosen acorn nut. Move head adjusting plate until
“0” lines up with reference indicator on housing, and
tighten hex head screw. Place end of ruler at leading
edge of head and, using straight edge across end of
air tube, measure distance to end of tube. A Beckett
T501 gauge may also be used.
• Slide the nozzle line forward or back until this
dimension is 1-¾” for V1 heads. Tighten acorn nut.
• Tighten hex head screw to secure head adjusting
plate to burner chassis. Then tighten splined nut and
attach oil connector tube.
2.
Recheck “Z” dimension periodically when servicing to
ensure escutcheon plate has not been moved. Reset
“Z” dimension if you replace air tube or nozzle line
assembly.

47
Figure 43 - Riello Electrode Setting Figure 44 -Riello Turbulator Setting
17 - OIL BURNER, NOZZLE, & AIR SETTINGS
Turbulator Setting
A. Loosen nut (1) turn SCREW (2) until INDEX MARKER
(3) is aligned with correct index number as per
Burner Settings Table.
B. Tighten RETAINING NUT (1).
NOTE: Zero and four are scale indicators only.
From left to right, rst line is 4 and last line 0. On some
models, scale indicators are 0 and 3.
Figure 45 - Carlin Electrode Setting

48
TABLE 13a: BECKETT CHIMNEY PRELIMINARY BURNER SETTINGS
Boiler
Model
Head
Type
Static
Plate
Inser-
tion
Depth
Firing
Rate
[GPH]
Com-
bustion
liner
Nozzle
Mfr.
Nozzle
Type
Pump
Pressure
[PSI]
“Z”
Head
Setting
Air
Band
Air
Shutter
Rated
AFUE
Efciency
[%]
4075 L2
3.375U 2.625 0.75
Oval
Dela-
van
0.65x60B 140 N/A 0 7 86.0
4095 L2
3.375U 2.625 0.95
Oval
Dela-
van
0.85x60B 125 N/A 1 10 85.0
4110 L1
N/A 2.625 1.10
Oval Hago 0.90x60B 150 N/A
1 10 84.0
5100 L2
3.375U 2.625 1.00
None Delavan 0.85x60B 140
N/A 2 10 86.5
5115 6
Slot
N/A 2.5 1.15
V5 Hago 1.00x60B 140
N/A 1.5 N/A 85.0
5135 6
Slot
N/A 2.5 1.35
V5 Delavan 1.10x60B 150
N/A 2.0 N/A 84.0
6130 V1
2.75M 2.625 1.30
V6 Danfoss 1.10x60AS 140
0 4 5 86.5
6145 V1
2.75M 2.625 1.45
V6 Danfoss 1.10x45AS 175
2 3 5 85.0
7165 V1
2.75M 2.625 1.65
V7 Danfoss 1.25x45AS 175
2 4 7 86.0
Timings
Pre-purge 15 seconds
Post-Purge 15 seconds
17 - OIL BURNER, NOZZLE, & AIR SETTINGS
Table 13 - Beckett Chimney Vent Preliminary Burner Settings
Burner settings provided are for initial startup only. Final adjustments must be made using combustion test
instruments.
TABLE 13b: BECKETT /ECR PART NUMBERS
Boiler
Model
Becket Oil
Burner Model
ECR Oil
Burner Part
Number
with Cover
ECR Oil
Burner Part
Number
Less Cover
4075 AFG70MQASN 240007144 240007232
4095 AFG70MQSSN 240009377 240009385
4110 AFG70MSASN 240009378 240009386
5100 AFG70MQASN 240007145 240007233
5115 NX70LF 240009379 240009387
5135 NX70LF 240009380 240009388
6130 AFG70MKAQN 240007146 240007234
6145 AFG70MKAQN 240009381 240009389
7165 AFG70MKAQN 240007183 240007235

49
TABLE 14a: BECKETT DIRECT VENT PRELIMINARY BURNER SETTINGS
Boiler
Model
Head
Type
Insertion
Depth
Firing
Rate
[GPH]
Combus-
tion liner
Nozzle
Mfr.
Nozzle
Type
Pump
Pressure
[PSI]
A i r
Setting
Pressure
Switch
Setpoint
Rated
AFUE
Efciency
[%]
4075 6 Slot
2.5" 0.75
Oval
Delavan
0.60x60B 150 1.5 0.65" WC 86.0
4095
6 Slot
2.5" 0.95
Oval
Hago
0.75x60B 155
4.0
0.65" WC 85.0
5100 6 Slot
2.5" 1.00
None Delavan 0.75x45B 175
4.0 0.85" WC 86.5
5115 6 Slot
2.5" 1.15
V5 Hago 1.00x60B 140
1.8 0.85" WC 85.0
5135 6 Slot
2.5" 1.35
V5 Delavan 1.10x60B 150
2.5 0.85" WC 84.0
6130 9 Slot
2.5" 1.30
V6 Danfoss 1.00x45B 175
2.0 0.65" WC 86.5
Timings
Pre-purge 15 seconds
Post-Purge 2 minutes
17 - OIL BURNER, NOZZLE, & AIR SETTINGS
Table 14 - Beckett NX (Direct Vent) Preliminary Burner Settings
TABLE 14b: BECKETT/ECR PART NUMBERS
Boiler
Model
Beckett
Oil Burner
Model
ECR Oil Burner
Part Number
4075 NX70LC 240007531
4095
NX70LC
240009393
5100 NX70LC 240007532
5115
NX70LF
240009395
5135
NX70LF
240009396
6130 NX70LD 240007533
Burner settings provided are for initial startup only. Final adjustments must be made using combustion test
instruments.

50
TABLE 15: RIELLO 40F CHIMNEY VENT PRELIMINARY BURNER SETTINGS
Boiler Model Head Type
Inser-
tion
Depth
Firing
Rate
[GPH]
Com-
bustion
Liner
Nozzle
Mfr.
Nozzle
Type
Pump
Pres-
sure
[PSI]
Head
Setting
Air
Setting
Rated
AFUE
Efciency
[%]
4075
Reverse 2.75" 0.75
Oval Delavan
0.65x60W 150 1 3.6 86.0
4095
Standard 1.75" 0.95
Oval Delavan
0.75x90B 175 3 5.3 85.0
4110
Standard 1.75" 1.10
Oval Delavan
1.00x90B 125 1 3.1 84.0
5100
Standard 2.75" 1.00
None Delavan
0.75x60B 175 1 2.4 86.5
5115
Standard 1.75" 1.15
None Delavan
1.00x80B 130 2 2.8 85.0
5135
Standard 1.75" 1.35
None Delavan
1.20x80B 125 3 3.4 84.0
6130
Standard 2.75" 1.30
V6 Delavan
1.00x45B 175 2 3.6 86.5
6145
Standard 1.75" 1.45
V6 Delavan
1.25x70B 135 4 4.0 85.0
6165
Standard 1.75" 1.65
V6 Delavan
1.25x80B 175 2 2.8 84.0
7165
Standard 2.75" 1.65
V7 Delavan
1.35x60B 150 4 8.0 86.0
7180
Standard 1.75" 1.80
V7 Delavan
1.35x70B 175 2 3.4 85.0
7190
Standard 1.75" 1.90
V7 Delavan
1.50x70B 160 3 3.2 84.0
Timings
Pre-purge 12 seconds
17 - OIL BURNER, NOZZLE, & AIR SETTINGS
Table 15 - Riello 40F Chimney Vent Preliminary Burner Settings
Burner settings provided are for initial startup only. Final adjustments must be made using combustion test
instruments.
Boiler
Model
Riello
Oil
Burner
Model
ECR Oil
Burner
Part
Number
4075 40F3
240007502
4095 40F3
240009399
4110 40F5
240009400
5100 40F5
240007503
5115 40F5
240009401
5135 40F5
240009402
Boiler
Model
Riello
Oil
Burner
Model
ECR Oil
Burner
Part
Number
6130 40F5
240007504
6145 40F5
240009403
6165 40F10
240009404
7165 40F5
240007505
7180 40F10
240009405
7190 40F10
240009406

51
Table 16: RIELLO 40BF DIRECT VENT PRELIMINARY BURNER SETTINGS
Boiler Model Head
Type
Inser-
tion
Depth
Firing
Rate
[GPH]
Com-
bustion
Liner
Nozzle
Mfr.
Nozzle
Type
Pump
Pres-
sure
[PSI]
Head
Setting
Air
Setting
Pressure
Switch
Setpoint
Rated
AFUE
Efciency
[%]
4075
Reverse 2.75" 0.75
Oval Delavan
0.65x60W 150 3 5.0 0.25" WC 86.0
4095
Standard 1.75" 0.95
Oval Delavan
0.75x90B 175 1 4.0 0.25" WC 85.0
4110
Standard 1.75" 1.10
Oval Delavan
1.00x90B 125 2 5.0 0.25" WC 84.0
5100
Standard 2.75" 1.00
None Delavan
0.75x60B 175 1 5.0 0.80" WC 86.5
5115
Standard 1.75" 1.15
None Delavan
1.00x80B 130 2 5.8 0.80” WC 85.0
5135
Standard 1.75" 1.35
None Delavan
1.20x80B 125 4 5.8 0.80” WC 84.0
6130
Standard 2.75" 1.30
V6 Delavan
1.00x45B 175 2 8.0 0.90" WC 86.5
Timings
Pre-purge 12 seconds
Post-Purge 45 seconds
17 - OIL BURNER, NOZZLE, & AIR SETTINGS
Table 16 - Riello 40BF (DIRECT VENT) Preliminary Burner Settings
Burner settings provided are for initial startup only. Final adjustments must be made using combustion test
instruments.
Boiler
Model
Riello
Oil
Burner
Model
ECR Oil Burner
Part Number
4075 40BF3
240007528
4095 40BF5
240009407
4110 40BF5
240009408
5100 40BF5
240007529
5115 40BF5
240009409
5135 40BF5
240009410
6130 40BF5
240007530

52
Table 17 - Carlin (CHIMNEY VENT) Preliminary Burner Settings
Burner settings provided are for initial startup only. Final adjustments must be made using combustion test
instruments.
17 - OIL BURNER, NOZZLE, & AIR SETTINGS
TABLE 1 - CARLIN SETTINGS
BOILER
NO.
INSER-
TION
DEPTH
FIRING
RATE
COMBUS-
TION
LINER
NOZZLE
MFR.
NOZZLE
TYPE
PUMP
PRESSURE
[PSI]
HEAD
BAR
A I R
B A N D
SETTING
Rated
AFUE
Efciency
[%]
4075 3.00” 0.75 OVAL DANFOSS 0.60 x 60 AS 160 0.60/0.65 25% 86.0
4095 3.00” 0.95 OVAL DELAVAN 0.75 x 45 W 160 0.75 35% 85.0
4110 3.00” 1.10 OVAL DELAVAN 0.85 x 60 A 165 0.75 50% 84.0
5100 3.00” 1.00 NONE HAGO 0.75 x 60 B 175 0.75 35% 86.5
5115 3.00” 1.15 NONE DELAVAN 0.85 x 45 A 180 0.85/1.00 40% 85.0
5135 3.00” 1.35 NONE DANFOSS 1.10 x 60 AB 150 1.10/1.25 45% 84.0
TIMINGS
Pre-Purge 15 seconds
Post Purge 15 seconds
Boiler
Model
Carline
Burner
Model
ECR Oil
Burner Part
Number
4075 EZ-LF
240010357
4095 EZ-LF
240010357
4110 EZ-LF
240010357
5100 EZ-LF
240010357
5115 EZ-LF
240010357
5135 EZ-LF
240010357

53
18.1 Annually
Recommend qualied Service Agency check at lease once a
year:
• Flue passages,
• Combustion chamber area (target wall, re door
insulation)
• Burner adjustment,
• Operation of the controls,
• Boiler seals (re door gasket or silicone seal, cast iron
sectional seals, ue collector)
Before start of each heating season (or system has been
shut down for extended period of time)
• Recheck whole system for water, oil, and vent piping
leaks.
• Replace or patch any leaks or seals that are faulty
• Inspect ue ways at least once a year- Preferably at
start of heating season.
• Inside of combustion chamber.
• Clean vent system and boiler ue ways if soot or scale
has accumulated. When cleaning, take precaution
to avoid damage to burner swing door insulation. If
damaged, or if there is evidence of previous damage,
burner swing door insulation must be replaced
immediately.
• Oil Burner and controls.
18.2 Vent Pipe
Visually inspect entire venting system once a month for any
signs of leakage, deterioration, or soot build up.
If vent pipe shows any signs of leaking or deterioration,
replace it immediately.
If it shows any signs of soot build up, clean vent pipe and
have burner settings and combustion checked by qualied
service agency.
18.3 Relief Valve
• Test relief valve for proper operation. Refer to valve
manufacturer’s instructions packaged with relief valve.
18.4 Conventional Expansion Tank
See “Equipment And Accessories” section.
18.5 Diaphragm Expansion Tank
See “21 - Equipment And Accessories” on page 59.
18.6 WATER SYSTEM
Drain system completely if system is to remain out of
service during freezing weather. Water left in system will
freeze and crack pipes and/or boiler.
18.7 Oil Burner Maintenance
Beckett AFG, perform following preventative maintenance
annually, preferably prior to heating season.
• Fuel Filter Replace to prevent contaminated fuel from
reaching nozzle. Partially blocked fuel lter can cause
premature failure of fuel pump.
• Fuel Pump Unit Replace pump screen and clean pump
unit to maintain fuel delivery to nozzle.
• Ignition Electrodes Clean and adjust as per
manufacturer’s recommendations, so as to maintain
reliable ignition of oil.
• Nozzle Replace so as to maintain safe and reliable
combustion efciency. Always replace with exact nozzle
as required in charts. See “17 - Oil Burner, Nozzle, &
Air Settings” on page 46.
• Fan and Blower Housing Keep clean, free of dirt, lint
and oil to maintain proper amount of air fuel requires to
burn.
• Check burner settings and adjust as needed.
NOTE: If any component parts must be replaced, always
use parts recommended by burner manufacturer.
18.8 Maintenance Of Optional Low Water Cut Off
WARNING
Burn and scald hazard. Verify boiler is at zero
pressure before removing relief valve or control well.
Open safety valve to relieve all internal pressure
prior to proceeding.
!
Remove control well from top of rear boiler section every
ve years and clean any scale or sediment deposits from all
parts exposed to boiler water.
18 - MAINTENANCE
DANGER
Before servicing, turn off electrical power to boiler
at service switch. Turn off fuel supply to burner
Failure to comply will result in death or serious
injury.
!
NOTICE
Perform regular service and maintenance by
qualied service agency at least once every 12
months to assure safe, trouble free operation
and maximum efciency.
NOTICE
Verify proper operation after servicing.

54
Steps to inspect, clean and/or replace control well:
1.
Turn off electric service to boiler controls.
2.
Drain boiler water to level below tapping for control
well.
3.
Remove low water cut-off/limit sensor from control
well.
4.
Unscrew control well from tapping.
5.
Inspect portion of control well exposed to water for
scale or sediment buildup.
6.
Light deposits may be removed by wiping control well
with damp cloth. Wiping probe with cloth soaked in
vinegar will remove more tenacious lime deposits.
7.
Clean pipe threads of probe to remove old, hardened
pipe dope and other foreign matter.
8.
Apply moderate amount of good quality pipe dope to
pipe threads on control well, leaving two end threads
bare. Do not use PTFE (Teon) tape.
9.
Reinstall control well into tapping.
10.
Reinsert low water cutoff/limit sensor in control well
and secure with grommet.
11.
Fill system with water and purge.
12.
Restore electric service to boiler.
13.
Fire burner to heat water in boiler 180°F to drive off
free oxygen.
14.
Warning – before returning boiler to service: Follow
low water cut-off test procedure in
Figure 36, Page 41.
18.9 Boiler And System Cleaning Instructions
For Trouble Free Operation
1.
Boiler and system (other than expansion tank) must
be full of water for satisfactory operation. Add water
to system until boiler pressure gauge registers 12 psi.
Water should come out of all air vents when opened.
2.
Wash Oil and grease which accumulate in new hot
water boiler out in following manner:
• Shut off valves have been installed between boiler
return manifold and system, to minimize amount of
system draining.
• Drain boiler to level below relief valve tapping.
• Remove relief valve using extreme care to avoid
damaging it.
• Add appropriate amount of recommended boil out
compound.
• Replace relief valve.
• Fill entire system with water and purge.
• Start ring boiler.
• Circulate water through entire system.
• Vent system, including radiation.
• Allow boiler water to reach operating temperature, if
possible.
• Continue to circulate water for few hours.
• Stop ring boiler.
• Drain system in manner and to location that hot water
can be discharged safely.
• Remove plugs from all available returns and wash
water side of boiler as thoroughly as possible, using
high-pressure water stream.
• Rell system with fresh water.
3.
Add appropriate boiler water treatment compounds
as recommended by your qualied water treatment
company.
4.
Testing pH /alkalinity after boiler and system have
been cleaned and relled as previously described, test
pH of water in system. Can be done with pH test kit.
pH should be higher than 7 but lower than 11. Add
appropriate water treatment chemicals, if necessary, to
bring pH within specied range. With this lower level of
protection, care must be exercised to eliminate all free
oxygen in system.
5.
Boiler is now ready to be put into service.
18.10 Frequent Water Addition
Frequent water additions, although unusual for water boiler,
are sign of leaky system. Excessive amounts of make up
water supplied to boiler can signicantly shorten life of
boiler. Amount of water varies with contamination level of
water. Repair leak and consult with your water treatment
specialist for recommendations.
18.11 Attention To Boiler While Not In Operation
NOTICE
Fully drain boiler if not used during winter months
to prevent freeze damage.
1.
Keep manual fuel supply valve shut off if burner is shut
down for extended period of time.
2.
To recondition heating system in fall season after
prolonged shut down, follow instructions outlined in
See “15 - Filling boiler” on page 38.
3.
Boiler contains controls which may cause boiler to shut
down and not restart without service. If damage due
to frozen pipes is a possibility, heating system should
not be left unattended in cold weather; or appropriate
safeguards and alarms should be installed on heating
system to prevent damage if boiler is inoperative.
4.
Keep boiler and area around it clean. Never burn
refuse or any material other than specied fuel in your
boiler. Have your boiler checked each year by qualied
service agency.
18 - MAINTENANCE

55
19.1 Oil Boiler Cleaning Instructions
1.
Clean ueways. Figure 46, Page 56.
A. Shut off power to burner.
B. Access to combustion chamber, remove swing door
bolts. If boiler is equipped with exible fuel line(s),
swing door open.
C. Remove vent connector.
D. Remove liners & bafes (if equipped) from ue
passages. Bafes are installed in 3rd pass (two inner
ue ways.)
E. Clean 3rd Pass – Insert 2” Dia. x 42” long wire or ber
bristle brush into each of two 3rd passes. Using long
strokes, push brush all the way through boiler until
brush has exited the smoke box opening.
Pull brush all the way forward until it has exited front
of boiler.
Continue this operation for entire height of ue way
until clean. Repeat operation for other 3rd pass ue
way.
F. Clean 2nd Pass – Insert wire or ber bristle brush into
each of two 2nd passes. Using long strokes, push
brush all the way through boiler until brush hits back
wall of reversing chamber. Pull brush all the way
forward until it has exited front of boiler.
Continue operation for entire height of ue way until
clean. Repeat operation for other 2nd pass ue way.
G. Do not start burner unless burner swing door and vent
connector are secured in place.
H. Clean passage from combustion chamber to 2nd pass.
I. Vacuum loose debris in bottom of combustion chamber
and smoke box.
2.
Clean combustion chamber and bafes. Use wire
or ber bristle brush to clean surfaces of combustion
chamber and bafes. Vacuum all of loose debris in
bottom of combustion chamber.
3.
After cleaning: Vacuum all remaining debris as
necessary. Inspect burner swing door insulation, and
rope gasket for signs of damage. If damaged, replace
as needed.
4.
Re-assemble boiler.
A. Insert liner and bafes (if equipped) into correct ue
way. Bafes are installed in 3rd pass. (Two inner ue
ways)
B. Inspect chimney and clean if necessary.
C. Clean and re-attach vent connector onto rear of the
boiler with three screws.
NOTICE
When securing burner swing door verify door is
drawn-in equally on both sides. Do not overtighten
door bolts. Rope gasket will provide sufcient seal
when door is snugged into place.
D. Tighten swing door hardware to provide adequate
seal to rope gasket around perimeter of door. Use
alternating tightening method from non-hinged side to
hinged side cap screws to pull door tight equally.
19 - OIL BOILER / BURNER CLEANING INSTRUCTIONS
WARNING
Fire, burn, asphyxiation hazard. Turn off service
switch to boiler to prevent accidental ring of
burner outside combustion chamber. Disconnect
burner power cord from wire harness in front jacket.
Tighten swing door fastener completely when
service is complete. Failure to follow instructions in
this manual and understand all requirements could
result in death or serious injury.
!
19.2 Oil Burner Cleaning Instructions
Consult burner manufacturer’s instructions.
WARNING
Asphyxiation hazard. A clean and unobstructed
chimney ue is necessary to allow noxious fumes
that could cause injury or loss of life to vent safely.
Inspect periodically throughout heating season for
any obstructions. Failure to follow instructions in
this manual and understand all requirements could
result in death or serious injury.
!
NOTICE
Connect boiler to approved chimney in good
condition. Property damage could result if boiler is
connected to dirty or inadequate chimney. Inspect
interior of chimney ue and clean before start of
heating season.
DANGER
Before servicing, turn off electrical power to boiler
at service switch. Turn off fuel supply to burner.
Failure to comply will result in death or serious
injury.
!

56
VACUUM
HOSE
VACUUM
HOSE
BRISTLE
BRUSH
FLUE BRUSH
FLUE BRUSH
FRONT VIEW
3RD PASS
COMBUSTION CHAMBER & 2ND PASS
Figure 46 - Cleaning the Boiler
19 - OIL BOILER/BURNER CLEANING INSTRUCTIONS

57
20.1 Combustion
A. Nozzles- See “17 - Oil Burner, Nozzle, & Air Settings”
on page 46.
B. Fuel leaks - Any fuel leak between pump and nozzle
is detrimental to good combustion results. Look for
wet surfaces in air tube, under ignitor, and around air
inlet. Repair any such leaks as they may cause erratic
burning of fuel and in extreme case may become re
hazard.
C. Dirt - Fuel lter is required to prevent clogging nozzle
or nozzle strainer and produce poor spray pattern
from nozzle.
D. Water - Water in fuel in large amounts will stall fuel
pump. Water in fuel in smaller amounts will cause
excessive wear on pump. Water doesn’t burn, it chills
the ame and causes smoke and unburned fuel to
pass out of the combustion chamber and clog ue
ways of the boiler.
E. Cold Oil - If oil temperature approaching fuel pump is
40°F or cooler, poor combustion or delayed ignition
may result. Outside fuel tank above grade or fuel lines
in shallow bury may be the cause.
F. High Altitude Installation - Air openings must be
increased at higher altitudes. Use combustion analyzer
and set to 11.5% for initial setting.
G. Start up noise - Late ignition is cause of start up
noises. If it occurs recheck for electrode settings,
ame shape, air or water in fuel lines.
H. Shut-down noise - Post Purge timed 15 seconds
should eliminate shut-down noise.
20.2 Oil Primary Control
I. Burner (control) will not come on.
I. No power to control.
II. Control is in soft lockout or restricted mode. Press
reset button for more than 1 second to exit soft
lockout. If control has recycled three times within
same call for heat, it will enter into restricted mode.
To reset from restricted mode, refer to Page 41 for
more details.
III. CAD Cell seeing light.
IV. CAD cell is defective.
J. Burner (control) will light, then shut down after short
time, then restart after one (1) minute.
I. CAD cell is defective.
II. Air leaking into oil line causing ame out.
III. Defective nozzle causing ame to be erratic.
IV. Excessive airow or draft causing ame to leave
burner head.
V. Excessive back pressure causing erratic ame.
K. Control locks out after trial for Ignition. (TFI)
I. No oil to burner.
II. Shortened electrodes
III. Clogged nozzles.
IV. Airow too high.
V. Ignitor module defective.
VI. CAD cell defective.
VII. Oil valve stuck open or closed.
To isolate fuel problems: disconnect fuel system and re
out of auxiliary container of clean, fresh, warm #2 fuel
oil from another source. If burner runs successfully when
drawing out of container problem is in fuel or fuel lines.
If ame is not established within 15 seconds of oil valve
actuation (known as Trial For Ignition or TFI) soft lockout
will occur. Soft lockout is indicated by ashing red LED
located on oil primary control.
20 - TROUBLESHOOTING
NOTICE
Restricted lockout without retries will occur if ame
is lost three times during one call for heat. this is
indicated by a steady on red LED.

58
IF YOUR SYSTEM IS NOT HEATING OR NOT GIVING ENOUGH HEAT . . .
POSSIBLE CAUSE WHAT TO DO
Thermostat is not set correctly Reset thermostat
Burner is not operating properly Adjust burner per instructions.
No electric power to boiler
Check over-current protection. Check to be sure electric power supply cir-
cuit is “ON”. There may be as many as 3 safety shut-off switches installed.
Look for a red plate which may be on the service switch.
Controls out of adjustment Reset according to instructions.
Circulating pump not running Check over-current protection. Check relay operation. Check power to
circulator.
Poor electrical contact Check all control terminals and wire joints.
Chimney ue is blocked Have the chimney professionally cleaned.
RELIEF VALVE LEAKING . . .
POSSIBLE CAUSE WHAT TO DO
Corrosion and/or deposits on
seat. Open valve manually. Allow water to run and clear valve seat.
Water logged expansion tank Drain tank, follow instructions to provide air buffer.
HAVE YOUR SERVICE TECHNICIAN CHECK ANY PROBLEM YOU ARE UNABLE TO CORRECT.
LIMIT CONTROL TROUBLESHOOTING GUIDE
System Condition Diagnostic Condition Check Action
Boiler is cold,
house is cold.
Display off 120 VAC system power Turn system power on
Display on 24 VAC T-T No 24 V; replace control
24 V present; disconnect
thermostat, short T-T Boiler starts, check wiring and thermostat
120 VAC at B1-B2 • If no, replace
• If yes, check burner and wiring
Low Water status light • If illuminated, nd and repair water
leak(s).
Boiler is hot,
house is cold.
Display on 120 VAC at C1-C2 • 120 vac at C1-C2, check wiring to
pump
• Wiring OK, is pump running?
• If not, replace pump.
• If pump is running, check for trapped
air or closed zone valves.
Burner will not
turn off.
Display On Burner wired incorrectly. L1
(black) and Limit (red) are
reversed. See wiring diagram
for installed burner.
Re-Wire burner.
20 - TROUBLESHOOTING

59
21.6 Conventional Expansion Tank (Not
Provided)
In a properly assembled system, expanding water ows
into an expansion tank.
• Expansion tank should be sized correctly because im-
properly installed or sized expansion tank may result in
frequent lifting of relief valve or other heating system
problems.
• It is important to install tank higher than top of boiler.
Connecting pipe from boiler to expansion tank shall rise
continuously up to expansion tank so that air can rise
into expansion tank.
• Expansion tank is partially lled with air. Air compresses
as water expands, thus forming an air pressure cushion.
This “spring-like” cushion serves to maintain correct op-
erating water pressure regardless of water temperature.
This assures a “full measure” of water, even in highest
radiation unit of the system.
• Tank also serves as trap for excess air in the system. Air
can cause noises in pipes and inefcient circulation in
radiators if left in piping system.
• It is possible for a tank to become “waterlogged” (lled
with water). It can also become overlled with air when
lling system with new water. Fittings on tank and in line
to tank are for bleeding off excess air and water.
21.7 Diaphragm Expansion Tank (Not Provided)
Diaphragm type expansion tank takes place of conventional
expansion tank.
• Carefully read instructions packed with your tank
assembly. Expansion tank should be sized and installed
correctly. Improperly installed or sized expansion tank
may result in frequent lifting of relief valve or other
heating system problems.
• Tank typically comes with 10-12 psi air charge. Same as
pressure produced in system by automatic ll valve set
to ll boiler to 10-12 psi with fresh water. When system
is rst lled, tank will ll partially with water. As water is
heated, and system pressure increases, water expands
into tank and compresses air in the tank. This compressed
air cushion permits water in the system to expand as
temperature changes and assures “full measure” of water,
even in highest radiation unit of system.
• Diaphragm type expansion tank can be mounted on air
purger tting or at any other convenient place in supply
or return line. It is recommended to locate diaphragm
type expansion tank in supply line with circulator located
after expansion tank. This conguration allows circulator
to “pump away” from expansion tank for improved air
elimination and system performance.
• Air eliminator tting or air purger is not provided. Air
eliminator tting or air purger is used to help remove
air from system before it reaches radiators. It should be
installed in supply line. Air left in system can cause noises
in pipes and inefcient circulation in radiators.
21.1 Limit Relay Control (provided)
Water temperature limit control in limit relay is adjustable.
See Limit instructions for how to set limit temperature.
21.2 Drain Valve (provided)
Drain valve is manually operated valve, means of draining
all water from boiler and heating system. Installed in
casting below burner door.
21.3 Circulator
• Forced hot water systems require circulator.
• Separate circulator or zone valve is required for each
zone, if there are two or more zones. Circulator must
have capacity to provide circulation required by heating
system.
• Circulator should be connected to supply main and
must be wired into boiler’s electrical system. “9 - Boiler
System Piping” on page 18, for piping congurations
with circulator located on supply main piping using zone
circulators or zone valves.
• When piping is arranged with zone circulators and no
bypass piping, circulator provided with boiler may be
used as zone circulator. Both piping arrangements allow
circulator to pump away from expansion tank and show
how piping should be arranged to allow heating system to
be easily purged of air.
• Circulator can be installed on return side of boiler, if
preferred.
21.4 Main Air Vent: (Not Provided)
Before system is lled with water, there is air in pipes and
radiation units. Some air will be trapped as system is lled.
It is possible to eliminate most of this air through air vents
on radiation units. Main air vent will speed and simplify this
process. Main air vent should be installed on highest point
in supply main.
21.5 Automatic Fill Valve (Not Provided)
Hot water system must be lled with water. Adding new
water, when needed can be done manually (by use of hand
valve in water supply line). This requires regular attention
to system’s needs. Automatic ll valve or pressure reducing
valve accomplishes this without attention. Install in supply
line on hot water boilers only. Valve operates through
water pressure differentials. It does not require electrical
connection.
21 - EQUIPMENT AND ACCESSORIES

60
15
10
5
0
5
4
3
2
1
m Head
1 2 3 4 5
US GPM
5 10 15 20
m /h
3
Head (feet)
Model Watts Volts Amps Capacitor
UP 15-42F 85 115 0.74 10µF/180V*
*Supplied with pump
Figure 47 - Grundfos Pump Curve
Model Volts Amps Capacitor
007-F5 115 0.70 Supplied w/ pump
Figure 48 - Taco Pump Curve
21 - EQUIPMENT AND ACCESSORIES

NOTES

62
NOTES

63
Company Address & Phone #Company Name & Tech InitialsService PerformedDate
SERVICE RECORD

UTICA BOILERS
2201 Dwyer Avenue
Utica NY 13501
web site: www.ecrinternational.com
IMPORTANT
In accordance with Section 325 (f) (3) of the Energy Policy and
Conservation Act, this boiler is equipped with a feature that saves energy
by reducing the boiler water temperature as the heating load decreases.
This feature is equipped with an override which is provided primarily to
permit the use of an external energy management system that serves the
same function.
THIS OVERRIDE MUST NOT BE USED UNLESS AT LEAST ONE OF THE
FOLLOWING CONDITIONS IS TRUE:
• An external energy management system is installed that reduces the boiler water
temperature as the heating load decreases.
• This boiler is not used for any space heating
• This boiler is part of a modular or multiple boiler system having a total input of
300,000 BTU/hr or greater.
• This boiler is equipped with a tankless coil.