Utica Boilers Ub90 100 Operation And Installation Manual 240010135.indb
2015-05-15
: Utica-Boilers Utica-Boilers-Ub90-100-Operation-And-Installation-Manual-719480 utica-boilers-ub90-100-operation-and-installation-manual-719480 utica-boilers pdf
Open the PDF directly: View PDF
.
Page Count: 64

P/N# 240010135 Rev. C [05/2013]
An ISO 9001-2008 Certified Company
Models
UB90-50
UB90-75
UB90-100
Manufactured by:
ECR International, Inc.
2201 Dwyer Avenue, Utica NY 13504-4729
web site: www.ecrinternational.com
UB90-50/75/100 Series 4
GAS-FIRED, DIRECT VENT,
CONDENSING,
HOT WATER BOILER
INSTALLATION, OPERATION &
MAINTENANCE MANUAL

2
DIMENSIONS
2
Figure 1 - Boiler Dimensions
NOTICE
Draft inducer (blower) may be
rotated 90° or 180° to orient
vent connection towards right
side or rear.

3
INTRODUCTION
Introduction
• This appliance is a gas-fi red direct vent hot water boiler
with cast aluminum boiler sections.
• The heating system water absorbs large amounts of
heat from the cast aluminum heat exchanger, cooling
fl ue gases and causing condensation.
• Sealed combustion, premix gas burner, and low fl ame
temperature means reduced CO and NOx emissions,
which contribute to cleaner and healthier environment.
• This appliance takes its combustion air directly from
outdoors (sealed combustion) and does not compete
with building occupants for fresh air.
• Sealed combustion (also known as “direct vent”)
is safest and best way to obtain plenty of clean
combustion air.
Dimensions .................................................................................................................... 2
Introduction ................................................................................................................... 3
Important Safety Information ...........................................................................................4
Boiler Ratings & Capacities ..............................................................................................5
Boilers For Use At High Altitude - United States Installations ................................................ 6
Before Installing The Boiler .............................................................................................. 8
Boiler Installation ...........................................................................................................9
Near Boiler Piping ......................................................................................................... 11
Combustion Air And Vent Pipe ........................................................................................ 22
Gas Supply Piping ......................................................................................................... 28
Electrical Wiring ........................................................................................................... 30
Controls And Accessories ............................................................................................... 34
Start Up ...................................................................................................................... 36
Operating Instructions ................................................................................................... 37
Detailed Sequence Of Operation ..................................................................................... 38
Verifi cation Procedure And Adjustment ............................................................................ 42
Differential Air Pressure Switch Check - All Models ............................................................ 45
Negative Pressure Switch Check ..................................................................................... 46
Maintenance And Cleaning ............................................................................................. 47
Troubleshooting ............................................................................................................ 49
Troubleshooting - High Limit Control And LWCO ............................................................... 50
Troubleshooting -Hydrostat High Limit Control And LWCO .................................................. 51
Appendix A - Water Quality, Water Treatment And Freeze Protection ........................58
Installation And Check-Out Certifi cate ............................................................................. 62
• Induced draft fan draws in outside combustion
air, takes cooler fl ue gases from boiler unit and
provides positive removal of fl ue gases from the
building through readily available PVC, CPVC and PP
(Polypropylene) pipes.
• These low pressure gas-fi red hot water boilers are
design certifi ed by CSA International for use with
natural gas and propane gas.
• Boilers are constructed and hydrostatically tested for
maximum working pressure of 50 psig (pounds per
square inch gage) in accordance with A.S.M.E. Boiler
and Pressure Vessel Code Section IV Standards for
heating boilers.

4
Installation shall conform to requirements of
authority having jurisdiction or in absence of such
requirements:
•
United States
• National Fuel Gas Code, ANSI Z223.1/NFPA 54
.
• National Electrical Code, NFPA 70.
• Canada
• Natural Gas and Propane Installation Code, CAN/CSA
B149.1.
• Canadian Electrical Code, Part I, Safety Standard for
Electrical Installations, CSA C22.1
Where required by authority having jurisdiction,
installation shall conform to Standard for Controls
and Safety Devices for Automatically Fired Boilers,
ANSI/ASME CSD-1.
Additional manual reset low water cutoff and/or manual
reset high limit may be required.
Requirements for Commonwealth of
Massachusetts:
Boiler installation must conform to Commonwealth of
Massachusetts code 248 CMR which includes but is not
limited to:
• Installation by licensed plumber or gas fi tter.
Installers - Follow local regulations with respect to
installation of CO (Carbon Monoxide) Detectors. Follow
maintenance recommendations “Maintenance And Cleaning”
on page 47 .
NOTICE
Used to address practices not related to personal
injury.
CAUTION
Indicates a hazardous situation which, if not avoided,
could result in minor or moderate injury.
!
!
WARNING
Indicates a hazardous situation which, if not avoided,
could result in death or serious injury.
!
DANGER
Indicates a hazardous situation which, if not avoided,
WILL result in death or serious injury
!
This is the safety alert symbol. Symbol alerts you to
This is the safety alert symbol. Symbol alerts you to
potential personal injury hazards. Obey all safety messages
potential personal injury hazards. Obey all safety messages
following this symbol to avoid possible injury or death.
following this symbol to avoid possible injury or death.
Become familiar with symbols identifying
Become familiar with symbols identifying
potential hazards.
potential hazards.
General
Boiler installation shall be completed by qualifi ed agency.
See glossary for additional information.
WARNING
Fire, explosion, asphyxiation and electrical shock
hazard. Improper installation could result in death
or serious injury. Read this manual and understand
all requirements before beginning installation.
!
IMPORTANT SAFETY INFORMATION
Keep this manual near boiler
Retain for future reference

5
Table 1 - SEA LEVEL RATINGS – NATURAL AND PROPANE GASES
Model Input
*(MBH) ++ Heating Capacity
*(MBH) Net AHRI Rating
*(MBH) Shipping
Weight (lbs.) AFUE
90-50 50 45 39 220 90.0
90-75 75 68 59 220 90.0
90-100 100 90 78 220 90.0
* 1 MBH = 1,000 Btuh Btuh = British Thermal Units Per Hour
BOILER RATINGS & CAPACITIES
++ AFUE (Annual Fuel Utilization Effi ciency) and Heating Capacity is based on the D.O.E. (Department of Energy) test
procedure.
Heating Capacity indicates the amount of heat available after subtracting losses up the stack. Most of this heat is available
to heat water. A small portion is heat from jacket and surfaces of the boiler, and it is assumed that this heat stays in the
structure.
Net AHRI rating represents portion of remaining heat that can be applied to heat radiation or terminal units (i.e. fi nned
tube baseboard, cast iron radiators, radiant fl oor, etc.). The difference between Heating Capacity and Net AHRI Rating,
called piping and pickup allowance, establishes reserve for heating volume of water in system and offsetting heat losses
from piping.
Net AHRI ratings shown are based on piping and pickup factor of 1.15 in accordance with AHRI Standard as published
by Hydronics Institute. Net AHRI rating of boiler selected should be greater than or equal to the calculated peak heating
load (heat loss) for building or area(s) served by boiler and associated hot water heating systems. Consult manufacturer
before selecting a boiler for installations having unusual piping and pickup requirements.
Boilers for use at high altitude
Canada - Boilers are factory equipped for operation at altitudes ranging from 0-4,500 feet above sea level. Contact
Provincial authority having jurisdiction for installations above 4,500 feet (1,350m) above sea level.
United States - See “Boilers For Use At High Altitude” on page 6.

6
Table 2 - NATURAL GAS
MODEL 90-50
Stock Factory Btu Value of Natural Gas++
Settings 750 850 950 1000 1050
Altitude in Ft. 0-5,000 5,000-10,000
Normal Input (MBH) 50 – – – – –
Combustion Setting (CO
2
)8.7 - 9.7% (CO < 100 ppm)
Orifi ce 43331094 43331094
MODEL 90-75
Stock Factory Btu Value of Natural Gas++
Settings 750 850 950 1000 1050
Altitude in Ft. 0-5,000 5,000-10,000
Normal Input (MBH) 75 – – – – –
Combustion Setting (CO
2
)8.7 - 9.7% (CO < 100 ppm)
Orifi ce 43331092 43331092
MODEL 90-100 /
Stock Factory Btu Value of Natural Gas++
Settings 750 850 950 1000 1050
Altitude in Ft. 0-5,000 5,000-10,000
Normal Input (MBH) 100 – – – – –
Combustion Setting (CO
2
)8.7 - 9.7% (CO < 100 ppm)
Orifi ce 43331090 43331090
++Contact local gas utility or distributor for Btu value of gas.
BOILERS FOR USE AT HIGH ALTITUDE - UNITED STATES INSTALLATIONS
• Boilers (with exception of 90-75 propane (LP) product)
are factory equipped for operation at altitudes ranging
from 0-10,000 feet above sea level.
• No changes to factory settings are required for
installations from 0-5,000 feet above sea level.
• For altitudes from 5,000-10,000 feet above sea level
gas manifold pressure needs to be adjusted based upon
calorifi c (Btu) value of supply gas (contact local gas
utility or distributor for this value).
• For specifi c settings refer to Table 2 for natural gas
applications and
Table 3, Page 7
for propane (LP) gas
applications.
• Instructions on how to adjust gas manifold pressure
settings see
Figure 25 and Figure 26, Page 44
.
Note 90-75 propane (LP) applications for 5,000 - 10,000
feet above sea level require orifi ce change as well as gas
manifold pressure adjustment based upon calorifi c (Btu)
value of supply gas.
Refer to
Table 2
and Table 3 for high altitude orifi ce
part numbers. For replacing an orifi ce refer to specifi c
instructions included with conversion kit.

7
Table 3 - PROPANE GAS
MODEL 90-50
Stock Factory Btu Value of Propane Gas++
Settings 2300 2350 2400 2450 2500
Altitude in Ft. 0-5,000 5,000-10,000
Normal Input (MBH) 50
–– – – –
Combustion Setting (CO
2
)
10.0 -11.1% (CO < 100 ppm)
Orifi ce 43331095 43331095
MODEL 90-75*
Stock Factory Btu Value of Propane Gas++
Settings 2300 2350 2400 2450 2500
Altitude in Ft. 0-5,000 5,000-10,000
Normal Input (MBH) 75
–– – – –
Combustion Setting (CO
2
)
10.0 -11.1% (CO < 100 ppm)
Orifi ce 43331093
43331096*
* For model 90-75 Propane units only at altitudes above 5,000 ft., install 90-75 High Altitude Orifi ce Kit #550002629 For all other
altitudes use sea level orifi ce.
MODEL 90-100 **
Stock Factory Btu Value of Propane Gas++
Settings 2300 2350 2400 2450 2500
Altitude in Ft. 0-5,000 5,000-10,000
Normal Input (MBH) 100
–– – – –
Combustion Setting (CO
2
)
10.0 -11.1% (CO < 100 ppm)
Orifi ce 43331091
43331091
++Contact local gas utility or distributor for Btu value of gas.
BOILERS FOR USE AT HIGH ALTITUDE - UNITED STATES INSTALLATIONS
Model 90-75 propane (LP) units only at altitudes
above 5,000 ft., install 90-75 High Altitude Orifi ce Kit
#550002629*.
For all other altitudes use sea level orifi ce

8
Boiler Sizing
Check to be sure you have selected boiler with proper
capacity before starting installation. AHRI Rating of boiler
selected should be greater than or equal to calculated
peak heating load (heat loss) for building or area(s) served
by boiler and associated hot water heating systems. See
Table 1, Page 5 .
Heat loss calculations should be based on approved
industry methods.
Boiler Location Considerations
Before selecting boiler location consider following.
• Supplied with correct type of gas (natural gas or
propane).
• Connected to suitable combustion air intake piping
system to supply correct amounts of fresh (outdoor)
air for combustion, refer to “Combustion Air and Vent
Pipe” on page 22 for details.
• Connected to suitable venting system to remove
hazardous products of gas combustion, refer to
“Combustion Air and Vent Pipe” on page 22 for details.
• Connected to suitable hot water heating system.
• Supplied with suitable electrical supply for all boiler
motors and controls.
• Connected to properly located thermostat or operating
control. Not included with boiler.
• Placed on level surface.
• Condensate drain line must be pitched down to fl oor
drain or external condensate pump with reservoir at ¼”
per foot (wood frame or blocks may be used to raise
boiler).
1.
Boiler is equipped for residential installations. If used
for commercial applications, any additional code
requirements must be adhered to for installation.
This may require additional controls including but not
limited to an additional low water cut off, a manual
reset high temperature limit, and wiring and/or piping
modifi cations.
2.
Before servicing boiler - allow boiler to cool. Shut off
electricity and gas supply connected to boiler prior to
servicing.
3.
Inspect gas line for leaks.
4.
Verify gas input rate is correct. Over fi ring may result
in early failure of boiler sections. This may cause
dangerous operation. Under fi ring may result in too
much air for pre-mix burner causing poor or loss of
combustion.
5.
Never vent products of combustion from this boiler to
enclosed space. Always vent to outdoors. Never vent to
another room or to inside building.
6.
Be sure there is adequate outdoor air supply to boiler
for complete combustion.
7.
Follow regular service and maintenance schedule for
effi cient and safe operation.
8.
Keep boiler area clean of debris and free of combustible
and fl ammable materials.
9.
Proper through wall or through roof combustion venting
shall be in accordance with materials and methods
described in this manual. Installation must comply with
local codes.
10.
Boiler and related hot water heating systems are not do
it yourself items they must be installed and serviced by
qualifi ed professionals.
BEFORE INSTALLING THE BOILER
Minimum Clearances To Combustible Construction
8”
Boiler
Rear
Front
Control Side
Opposite Side
1”
(26MM) 11”
(280MM)
1”
(26MM)
1”
(26MM)

9
Table 4 -
Required Clearances
Unit Combustible
Clearance
Accessibility,
Cleaning, and
Servicing
Top 1” (26mm) 8” (204mm)
Left Side 1 “ (26mm) -
Right Side 11” (280mm) -
Base 1” (26mm) -
Front 1” (26mm) 24” (610mm)
Back 1” (26mm) -
Intake/Vent Piping 0 (0) -
All distances measured from the cabinet of the boiler.
Locating The Boiler
1.
Place crated boiler as close to selected location as
possible and un-crate boiler. Boiler may be moved into
position with appliance dolly or 2 wheel hand truck.
Insert dolly or hand truck under left hand side of
boiler. It is possible to slide boiler for short distance on
smooth fl oor or surface.
2.
Select level location central to piping systems served
and as close to vent and air intake terminals as
possible.
3.
Accessibility clearances, if more stringent (i.e. larger
clearances) than required fi re protection clearances,
must be used for boiler installation. Accessibility
clearances may be achieved with the use of removable
walls or partitions.
4.
Boiler is approved for installation in closets and on
combustible fl oors. This boiler shall NOT be installed on
carpeting.
5.
Clearances shown in Table 4
indicate required
clearances. Maintain minimum 1” clearance between
combustible construction and each of left, top and
back surfaces of the boiler. Minimum 11” clearance is
required on right side, to allow room for induced draft
blower. Allow 24” at front and 8” at top for servicing.
No clearances are required to venting or combustion air
intake piping.
6.
Install equipment in location which facilitates operation
of venting and combustion air intake piping systems
as described in this manual. Draft inducer (blower)
may be rotated 90° or 180° to orient vent connections
towards right side or rear. Remove blower mounting
screws. Orient blower and install mounting screws. Do
not overtighten screws.
7.
Advise owner to keep venting and combustion air
intake passages free of obstructions. Both venting
and combustion air intake piping systems connected
to outdoors must permit fl ow through piping systems
without restrictions for boiler operation.
8.
Install boiler such that the automatic gas ignition
system components are protected from water
(dripping, spraying, rain, etc.) during operation and
service (circulator replacement, condensate trap,
control replacement, etc.).
9.
Keep boiler area clean of debris and free of fl ammable
and combustible materials, vapors and liquids.
10.
Locate boiler where minimum possible room
temperature where boiler is installed, assuming boiler
is not in operation and therefore contributes no heat
to space, is always at or above 32°F (0°C) to prevent
freezing of liquid condensate.
Combustion Air And Vent Pipe Requirements
This boiler requires a dedicated direct vent system. In a
direct vent system, all air for combustion is taken directly
from outside atmosphere, and all fl ue products are
discharged to outside atmosphere.
Terminate combustion air and vent pipe connections in
same atmospheric pressure zone, through roof or sidewall
(roof termination preferred). See Figure 12 thru Figure 14 ,
pages 24 and 25 for required clearances.
WARNING
Solvent cements are combustible. Keep away from
heat, sparks, and open fl ame. Use only in well
ventilated areas. Avoid breathing in vapor or allowing
contact with skin or eyes. Failure to follow these
instructions could result in fi re, serious injury, or death.
!
• Combustion air must be clean outdoor air. Combustion
air must not be taken from inside structure because
that air frequently is contaminated by halogens, which
include fl uorides, chlorides, phosphates, bromides
and iodides. These elements are found in aerosols,
detergents, bleaches, cleaning solvents, salts, air
fresheners, paints, adhesives and other household
products.
• Locate combustion air inlet as far away as possible
from swimming pool and swimming pool pump house.
• All combustion air and vent pipes must be airtight and
watertight. Combustion air and vent piping must also
terminate as shown in
“Combustion Air and Vent
Pipe”
section.
• Vent connections serving appliances vented by
natural draft shall not be connected into any portion
of mechanical draft systems operating under positive
pressure.
BOILER INSTALLATION

10
Condensate Drain Requirements
• Pitch condensate drain line down to fl oor drain at
minimum of ¼” per foot. External condensate pump
(not furnished) may be used if fl oor drain is not
available. Installation shall conform to requirements
of authority having jurisdiction, check local codes for
requirements.
• Condensate pump must be designed for fl ue gas
condensate application.
• Condensate trap provided with boiler, an additional trap
is not required and should not be used.
• Wood frame or blocks may be used to raise boiler
to maintain drain pitch or to be above external
condensate pump reservoir.
Foundation Requirements
• Install boiler on level surface.
WARNING
Fire hazard. Do not install boiler on carpeting.
Failure to follow these instructions could result in
death or serious injury.
!
• Boiler is NOT to be installed on carpeting.
• If boiler is not level condensate drain lines will not
function properly. Adjustable feet are located on the
boiler to make up for minor surface irregularities or tilt.
• Wood frame or blocks may be used to raise boiler
to maintain drain pitch or to be above external
condensate pump reservoir.
Removal of Existing Boiler From Common Vent
System
When an existing boiler is removed from a common
venting system, the common venting system is likely to be
too large for proper venting of the appliances remaining
connected to it. At the time of removal of an existing boiler,
the following steps shall be followed with each appliance
remaining connected to the common venting system
placed in operation, while the other appliances remaining
connected to the common venting system are not in
operation.
1.
Seal any unused openings in the common venting
system.
2.
Visually inspect the venting system for proper size and
horizontal pitch and determine there is no blockage, or
restrictions, leakage, corrosion and other defi ciencies
which could cause an unsafe condition.
BOILER INSTALLATION
3.
In-so-far as is practical, close all building doors and
windows and all doors between the space in which the
appliances remaining connected to the common venting
system are located and other spaces of the building.
Turn on clothes dryer and any appliance not connected
to the common venting system. Turn on any exhaust
fans, such as range hoods and bathroom exhaust, so
they will operate at maximum speed. Do not operate a
summer exhaust fan. Close fi re dampers.
4.
Place in operation the appliance being inspected.
Follow the lighting instructions. Adjust thermostat so
appliances will operate continuously.
5.
Test for spillage at the draft hood relief opening after 5
minutes of main burner operation. Use the fl ame of a
match or candle, or the smoke from a cigarette, cigar
or pipe.
6.
After it has been determined that each appliance
remaining connected to the common venting system
properly vents when tested as outlined above, return
doors, windows, exhaust fans, fi re place dampers,
and any other gas-burning appliance to their previous
condition of use.
7.
Any improper operation of the common venting system
should be corrected so the installation conforms with
the National Fuel Code, NFPA-54/ANSI -Z223.1 and/
or the Natural Gas and Propane Installation Code,
CAN/CSA B149.1. When re-sizing any portion of the
common venting system, the common venting system
should be re-sized to approach the minimum size as
determined using the appropriate of the National Fuel
Gas Code, NFPA-54/ANSI- Z223.1 and/or the Natural
Gas and Propane Installation Code, CAN/CSA B149.1.

11
Near Boiler Piping
• When boiler installation is for new heating system,
install all of radiation units (panels, radiators,
baseboard, or tubing) and supply and return mains.
• After all heating system piping and components
have been installed, make fi nal connection of system
piping to boiler. Hot water boiler installed above
radiation level, or as required by the Authority having
jurisdiction, must be equipped with low water cut off
device.
• Periodic inspection is necessary for fl ushing of fl oat
type devices, per low water cut off manufacturers
specifi c instructions.
Clean System First
Before
connecting boiler to heating system, clean and fl ush
system thoroughly. Verify system is free of sediment, fl ux
and any residual boiler water additives.
Systems having antifreeze not recommended must be
completely fl ushed to insure no old antifreeze remains.
In older systems obviously discolored, murky or dirty
water; or pH reading outside acceptable range (between
7.0 and 8.0) are indications the system should be cleaned
or treated. Thoroughly fl ush system with clean water to
remove any sediment or contaminants. Sludge and iron
oxide deposits can cause rapid breakdown of inhibitors.
Flushing with clean water. If chemical cleaners are used,
use only those recommended for use with aluminum
boilers. Follow chemical cleaner manufacturer’s instructions
completely.
DO NOT
mix different manufacturer’s
products.
NEAR BOILER PIPING
Supply And Return Lines
• Boiler is set up to receive 1¼” NPT supply and return
piping from top access.
• Boiler may be piped from left side by turning supply
elbow.
• Install furnished dielectric unions at boiler supply and
return lines prior to making system piping connections
• Do not install copper supply and return piping directly
into aluminum boiler section casings due to galvanic
corrosion between dissimilar metals.
• Must use provided dielectric unions between copper
system piping and boiler to make fi nal connection to
boiler.
• Circulator pump can be installed at installer preferred
location.

12
NEAR BOILER PIPING
Figure 2 - Single Zone Boiler Piping
SAFETY RELIEF VALVE - SEE PAGE 18
FOR REQUIREMENTS

13
Figure 3 - Two Zone Boiler Piping With Zone Valves
NEAR BOILER PIPING
Multi-Zone Systems
Multi-zone systems with two zones are typically piped as
shown in Figures 3 or 4. Multi-zone systems with more than
two zones are likely to have small zones with very low heat
and fl ow requirements compared to full heating capacity of
the boiler. This can result in very low fl ow in the boiler if
only one small zone is calling for heat.
Primary Secondary Piping is recommended for multi-zone
systems with more than two zones to insure proper water
fl ow through the boiler at all times. See Figures 5, 6 and 7
for typical primary secondary piping confi gurations.
SAFETY RELIEF VALVE - SEE PAGE 18
FOR REQUIREMENTS

14
Figure 4 - Two Zone Boiler Piping With Circulators
NEAR BOILER PIPING
SAFETY RELIEF VALVE - SEE PAGE 18
FOR REQUIREMENTS

15
NEAR BOILER PIPING
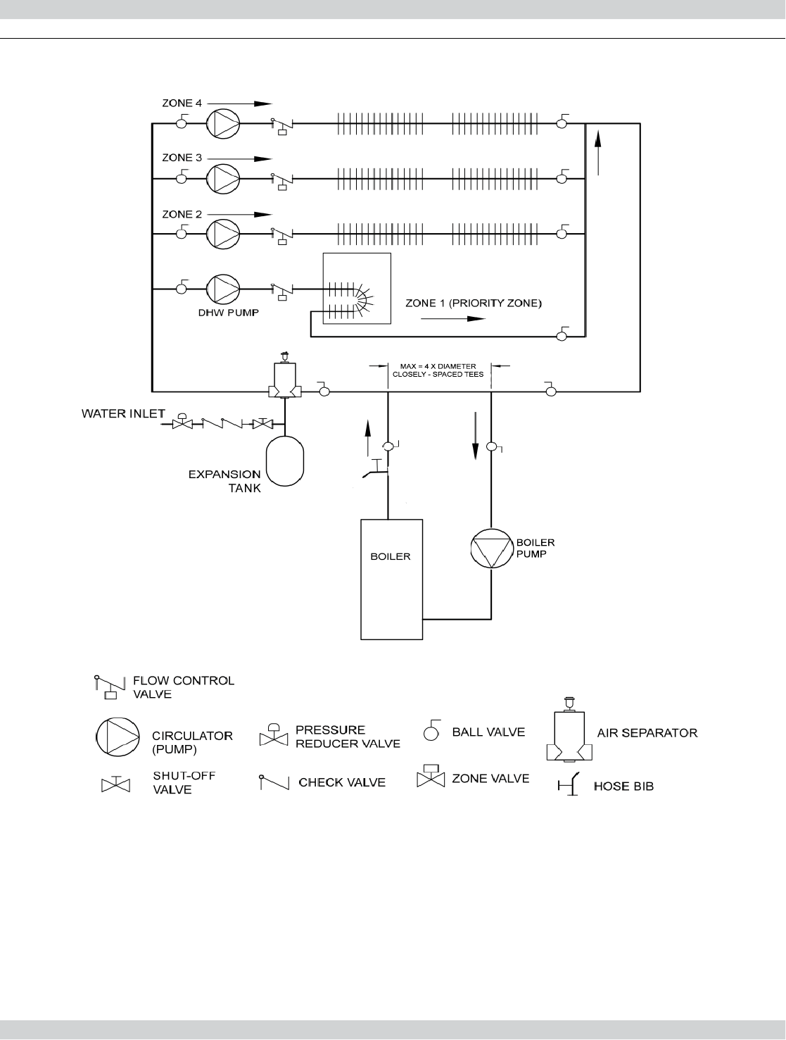
Figure 5 - Primary/Secondary Piping With Circulators And Domestic Hot Water

16
NEAR BOILER PIPING
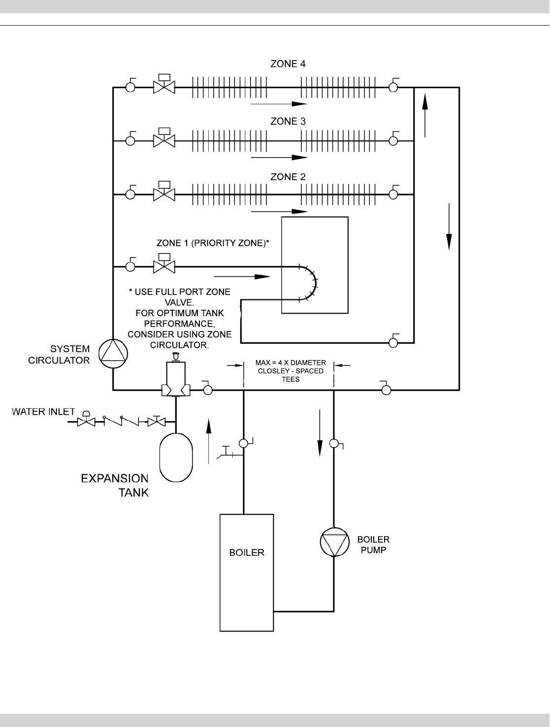
Figure 6 - Piping Primary/Secondary Multi Zone System Piping With Zone Valves And
Domestic Hot Water (With Zone Valve)

17
NEAR BOILER PIPING
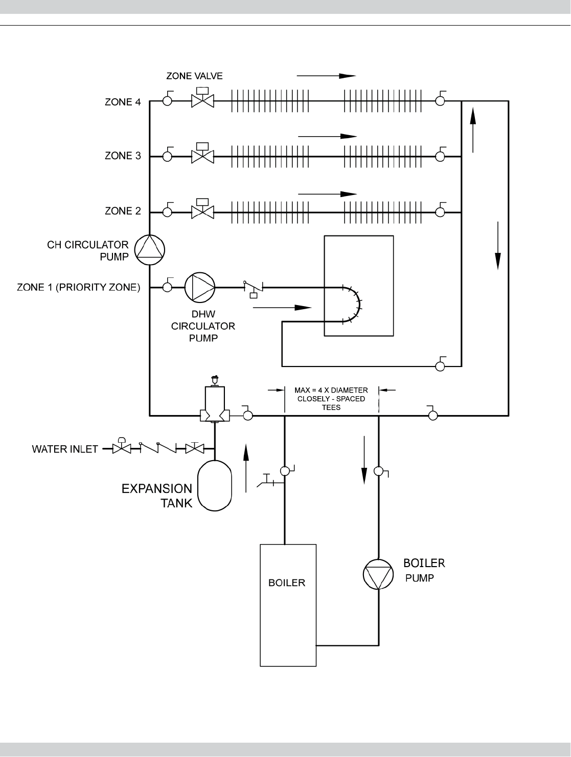
Figure 7 - Piping Primary/Secondary Piping With Zone Valves And Domestic Hot Water
(With Circulator)

18
Safety Relief Valve
Installation of safety relief valve shall conform to ANSI/
ASME Boiler and Pressure Vessel Code, Section IV.
• Install furnished safety relief valve using 3/4” x 4½”
pipe provided with boiler. See Figure 8 .
• Install safety relief valve with spindle in vertical
position.
• Do not install shutoff valve between boiler and safety
relief valve.
• Install discharge piping from safety relief valve. See
Figure 8 .
• Use ¾” or larger pipe.
• Use pipe suitable for temperatures of 375°F (191°C) or
greater.
• Individual boiler discharge piping shall be independent
of other discharge piping.
• Size and arrange discharge piping to avoid reducing
safety relief valve relieving capacity below minimum
relief valve capacity stated on rating plate.
• Run pipe as short and straight as possible to location
protecting user from scalding and properly drain piping.
• Install union, if used, close to safety relief valve outlet.
• Install elbow(s), if used, close to safety relief valve
outlet and downstream of union (if used).
• Terminate pipe with plain end (not threaded).
Expansion Tank And Make-Up Water
Determine required system fi ll pressure, system design
temperature, and system water content.
• Boiler contains 2.6 gallons (U.S.). Size expansion tank
accordingly. Consult expansion tank manufacturer for
proper sizing information.
• Connect properly sized expansion tank (not furnished).
Diaphragm type expansion tank see Figure 9, Page 19 .
See Figure 10, Page 20 for conventional closed type
expansion tanks.
• For diaphragm type expansion tanks, adjust tank
air pressure to match system fi ll pressure. Install
furnished air vents shown for diaphragm type
expansion tank system only.
• Install make-up water connections as shown per local
codes.
• If pressure reducing valve is used, adjust to match
system fi ll pressure.
• Verify clean water supply is available. When water
supply is from well or pump, install sand strainer at
pump
Figure 8 - Relief Valve Boiler Piping
NEAR BOILER PIPING
RELIEF VALVE
DISCHARGE
LINE
Check local
codes for
maximum
distance
from fl oor
or allowable
safe point of
discharge.
WARNING
Burn and scald hazard. Safety relief valve could
discharge steam or hot water during operation.
Install discharge piping per these instructions.
!

19
Figure 9 - Diaphragm Type Expansion Tank Piping
NEAR BOILER PIPING
SAFETY RELIEF VALVE - SEE PAGE 18
FOR REQUIREMENTS

20
Figure 10 - Conventional (Closed Type) Expansion Tank Piping
NEAR BOILER PIPING
SAFETY RELIEF VALVE
SEE PAGE 18 FOR
REQUIREMENTS

21
Condensate Drain Piping
Boiler is factory equipped with a condensate trap. An
additional trap is not required and should NOT be used.
1.
Provide ½” PVC condensate drain and fi ttings.
Condensate drain to be pitched down to fl oor drain at
a minimum of ¼” per foot. Installation shall conform
to requirements of authority having jurisdiction, check
local codes for requirements.
2.
Install ½” PVC tee to overfl ow fi tting as shown in
Figure 11 .
3.
The ½” diameter schedule 40 PVC or CPVC condensate
drain and pipe fi ttings must conform to ANSI standards
and ASTM D 1785 or D2846.
4.
Schedule 40 PVC or CPVC cement and primer must
conform to ASTM D2564 or F493.
5.
In Canada, use CSA or ULC certifi ed schedule 40 PVC
or CPVC drain pipe cement.
6.
Condensate pump with reservoir (not furnished) may
be used to remove condensate to a drain line (sanitary
line) above boiler if fl oor drain is not available or is not
accessible.
Figure 11 - Condensate Drain Piping
NEAR BOILER PIPING
Filling Condensate Trap With Water
On initial start up condensate trap must be manually fi lled
with water.
Following are the steps required to initially fi ll condensate
trap for start up. Steps are only required at initial start up
or if maintenance requires draining of condensate trap.
1.
Disconnect vent condensate drain line from vent pipe
connector on outlet of induced draft blower.
2.
Pour about 1 cup of cold tap water into vent drain line
with funnel.
3.
Excess water should go through overfl ow and out
through condensate drain line. Verify proper operation
of drain line (or external condensate pump if used).
4.
Reinstall vent drain line.
Chilled Water Piping
Install boiler, when used in connection with refrigeration
system, so chilled medium is piped in parallel with boiler
with appropriate valves to prevent chilled medium from
entering boiler.
Boiler piping system of hot water boiler connected to
heating coils located in air handling units where they may
be exposed to refrigerated air circulation must be equipped
with fl ow control valves or other automatic means to
prevent gravity circulation of the boiler water during cooling
cycle.
FROM BLOWER
TO DRAIN
OPEN
PVC TEE 1/2”SLIP X
1/2” SLIP X 1/2” SLIP
1/2” PVC
CONDENSATE
DRAIN
PITCH DRAIN PIPE
DOWN TO FLOOR
DRAIN AT MINIMUM
1/4” PER FOOT

22
Connections And Termination
Provisions for combustion and ventilation air must be
in accordance with section, Air For Combustion and
Ventilation, of the National Fuel Gas Code,ANSI 2223.1/
NFPA54, or National Gas and Propane Installation Code,
CAN/CGA-B 149.1, or applicable provisions of the local
building code.
Boilers require dedicated direct vent system. All air for
combustion is taken directly from outdoors through
combustion air intake pipe. All fl ue products are discharged
to outdoors through vent pipe.
1.
Venting Materials:
WARNING
Use of cellular core PVC (ASTM F891), cellular core
CPVC, or Radel® ,(Polyphenolsulfone) in venting
systems could result in death, or serious injury.
!
WARNING
Covering non-metallic vent pipe and fi ttings with
thermal insulation shall be prohibited. Use in venting
system could result in death or serious injury.
!
Table 4 - Combustion air and vent pipe fi ttings
must conform with the following:
Item Material Standards
Vent Pipe
and Fittings
PVC schedule 40 ANSI/ASTM D1785
PVC - DWV ANSI/ASTM D2665
CPVC schedule 40 ANSI/ASTM D1784/
F441
SDR-21 & SDR-26 PVC
ANSI/ASTM D2241
NOT APPROVED FOR
CANADA
ABS-DWV ANSI/ASTM D2661
Schedule 40ABS ANSI/ASTM F628
PP (Polypropylene)
Pipe and Components
UL 1738
ULC S636-08
Pipe
Cement/
Primer
PVC ANSI/ASTM D2564
CPVC ANSI/ASTM F493
Schedule 40 ABS ANSI/ASTM D2235
• IPEX is approved vent manufacturer in Canada listed
to ULC-S636.
• IPEX System 636 Cements and Primers are approved
in Canada listed to ULC-S636.
Use of cellular core PVC (ASTM F891), cellular core CPVC, or Radel® ,
(Polyphenolsulfone) in venting systems shall be prohibited.
2.
Canadian installations:
• First 3 feet (900mm) of venting must be readily
available for visual inspection.
• Specifi ed primers and glues of certifi ed vent
system must be from single manufacturer, and not
intermixed with other manufacturer’s vent system
parts.
• Components of the certifi ed system must not be
interchanged with other vent systems, or unlisted pipe
and/or fi ttings.
NOTICE
Transition from 2” pipe to 3” pipe must be made in
vertical run.
3.
Boiler combustion air and vent piping connections are
sized for 2” pipe. Any pipe size change (to 3”) must be
made outside of boiler casing in vertical run of pipe to
allow for proper drainage of vent condensate. Due to
potential for fl ue gas temperatures over 155°F, fi rst fi ve
(5) feet of vent pipe must be CPVC, the remaining vent
pipe can be PVC. If any elbows are employed within the
fi rst 5 feet of vent, they must be CPVC also. Two (2) - 30”
pieces of 2” CPVC pipe. 2½” piece of 2” CPVC pipe, a 2”
CPVC elbow and 2” CPVC pipe coupling are furnished with
the boiler. No requirement when using PP pipe.
4.
Combustion air and vent piping lengths. Table 5,
Page 23 . If vent exceeds 5 ft. fi rst 5 ft. of vent piping
run must be 2” CPVC:
Length of pipe is counted from boiler jacket (air
intake pipe) or from vent pipe connector(vent pipe).
Termination is not counted toward the “Total Equivalent
Length”.
For elbows, reduce maximum vent length as shown:
• 2” 90° elbow - 2 ft. per elbow.
• 3” 90° elbow - 3 ft. per elbow.
Example:
To add two (2) 90° elbows to a 3” pipe for a 75 boiler.
Each elbow is 3 ft. per 90° elbow for a total of 6 ft.
(1 elbow @ 3 ft. + 1 elbow @ 3 ft. = 6 equivalent ft. of
pipe)
Total additional pipe is then subtracted from maximum
allowable pipe length to give new maximum length of
112-6=106 ft. with two (2), 90° elbows.
“TOTAL EQUIVALENT LENGTH”:
Original 112 ft. max. - 6 equivalent ft. for 2 elbows =
new 106 ft. maximum length.
COMBUSTION AIR AND VENT PIPE
NOTICE
Use of PP piping, follow manufacture”s installation
instructions and requirements.

23
5.
See Figure 12 thru Figure 17, Pages 24 thru 26
for combustion air and vent pipe roof and sidewall
termination. Roof termination is preferred. Combustion
air and vent pipes must terminate together in same
atmospheric pressure zone as shown.
6.
Construction through which vent and air intake pipes
may be installed is maximum 24 inches, minimum ¼”
thickness.
7.
Optional- Rotate draft inducer (blower) 90° or 180°
to orient vent connection towards right side or rear.
Remove blower mounting screws, re-orient blower.
Reinstall mounting screws. Do not overtighten screws.
8.
Pitch combustion air and vent piping back to boiler at
minimum ¼” per ft. (21 mm/m) from intake and vent
terminals so all moisture in combustion air and vent
piping drains to boiler. Pitch pipes continuously with no
sags or low spots where moisture can accumulate and
block fl ow of air or fl ue gas. Combustion air and vent
pipes must be airtight and watertight.
9.
Consider following when determining appropriate
location for termination of combustion air and vent
piping.
• Position termination where vent vapors will not damage
plants/shrubs or air conditioning equipment.
• Position termination as to not be effected by wind eddy,
air born leaves, snow, or recirculated fl ue gases.
• Position termination where it will not be subjected to
potential damage by foreign objects, such as stones,
balls, etc..
• Position termination should where vent vapors are not
objectionable.
• Place vent on wall away from prevailing wind. Locate or
guard vent to prevent accidental contact with people or
pets.
• Terminate vent above normal snow line. Avoid locations
where snow may drift and block vent. Ice or snow may
cause boiler to shut down if vent becomes obstructed.
• Under certain conditions, fl ue gas will condense, forming
moisture, and may be corrosive. Take steps to prevent
building materials at vent from being damaged by
exhaust of fl ue gas.
• Vent shall not terminate where it may cause hazardous
frost or ice accumulations on adjacent property surfaces.
10.
Venting Requirements:
• Venting system shall terminate at least 3 ft. (0.9m)
above any forced air inlet (except boiler’s combustion
air inlet) within 10 ft.(3m).
COMBUSTION AIR AND VENT PIPE
Table 5 - Combustion Air And Vent Piping Lengths - Total Equivalent Length
BOILER
SIZE
2” PIPE MINIMUM
VENTING
2” PIPE MAXIMUM
VENTING
3” PIPE MINIMUM
VENTING
3” PIPE MAXIMUM
VENTING
100 2 FEET 21 FEET 15 FEET 92 FEET
75 & 50 2 FEET 26 FEET 20 FEET 112 FEET
NOTE: Follow venting lengths strictly, to avoid nuisance pressure switch trips.
• Venting system shall terminate at least 12 in. from any
air opening into any building.
• Vent bottom shall be located at least 12 in. above
grade.
• Termination of the vent shall be not less than 7 ft.
(2.1m) above adjacent public walkway or paved
driveway.
• Vent terminal shall not be installed closer than 3 ft.
from inside corner of L shaped structure.
• Vent termination should be kept at least 3 ft. away
from vegetation.
• Venting system shall terminate at least 4 ft.
horizontally from, and in no case above or below,
unless 4 ft. (1.22m) horizontal distance is maintained,
from electric meters, gas meters, regulators, and relief
equipment.
• Canada only.
• Venting system shall terminate at least 6 ft. (1.83m)
horizontally from, in no case above or below, unless a
6 ft. (1.83m) horizontal distance is maintained, from
electric meters, gas meters, regulators, and relief
equipment.
• Vent shall not terminate within 6 ft. (1.8m) of
mechanical air-supply inlet to any building.
• Vent shall not terminate above regulator within 3
ft. (900 mm) horizontally of vertical center line of
regulator vent outlet to maximum vertical distance of
15 ft. (9.5m).
• Vent shall not terminate within 1 ft (305mm) for
inputs up to and including 100,000 btu/hr and 3 ft.
(900mm) for inputs exceeding 100,000 btu/hr of
window or door that can be opened in any building, or
any non-mechanical air-supply inlet to any building, or
of combustion air inlet of any other appliance.
• Vent shall not terminate underneath veranda, porch
or deck unless,
(a) veranda, porch or deck is fully open on minimum of
two sides beneath fl oor, and
(b) distance between top of vent termination and
underside of veranda, porch or deck is greater than
1 ft. (300mm).
See fi gures 12 and 13 and 14 for two pipe terminations.
See fi gures 15, 16 and 17 for concentric vent terminations.

24
Figure 12 - Roof Vent / Intake Terminations
Installation
1.
Attach combustion air intake piping using fi eld supplied
2” fl exible coupling. Attach vent piping to furnished 2”
vent pipe connector on draft inducer outlet.
2.
All pipe joints are to be water tight
3.
Working from boiler to outside, cut pipe to required
length(s).
4.
Deburr inside and outside of pipe.
5.
Chamfer outside edge of pipe for better distribution of
primer and cement.
6.
Clean and dry all surfaces to be joined.
7.
Check dry fi t of pipe and mark insertion depth on pipe.
8.
After pipes have been cut and pre-assembled, apply
cement primer to pipe fi tting socket and end of pipe to
insertion mark. Quickly apply approved cement to end
of pipe and fi tting socket (over primer). Apply cement
in light, uniform coat on inside of socket to prevent
buildup of excess cement. Apply second coat.
9.
While cement is still wet, insert pipe into socket with
¼ turn twist. Be sure pipe is fully inserted into fi tting
socket.
COMBUSTION AIR AND VENT PIPE
VENT
AIR INTAKE
12” (305mm)/18”
1
2”
(
305mm
)
/18
”
12" (305mm) US,
18" (458mm) Canada
Minimum Above
Anticipated Snow Line
8” (203mm) Minimum
Vertical Separation
Between Combustion
Air Intake and Vent
10.
Wipe excess cement from joint. Continuous bead of
cement will be visible around perimeter of properly
made joint.
11.
Handle pipe joint carefully until cement sets.
12.
Support combustion air and vent piping minimum of
every 5 feet using pre-formed metal hanging straps.
Do not rigidly support pipes. Allow movement due to
expansion and contraction.
13.
Slope horizontal portion of combustion air and vent
pipes toward boiler minimum of ¼” per linear ft.
(21mm/m) with no sags between hangers.
14.
Use appropriate methods to seal openings where vent
and combustion air pipes pass through roof or side
wall.
NOTICE
To avoid nuisance trips under high wind conditions,
an inlet tee is required for side wall venting. See
fi gures 13 and 14 page 25.

25
Figure 13 - Side Wall Vent / Intake terminations - Less Than 12” Clearance Above Grade
Figure 14 - Side Wall Vent/Intake Terminations - 12” Or More Clearance Above Grade
COMBUSTION AIR AND VENT PIPE
Less Than 12” Clearance
12” Or More Clearance
OVERHANG
12"MINIMUM
90°
VENT
12"SEPARATION
BETWEENBOTTOM
OFAIRINTAKEAND
BOTTOMOFVENT
MAINTAIN12"MIN
CLEARABOVEHIGHEST
SNOWLEVELORGRADE
3"
MAXIMUM
SEPARATION
18"
MAXIMUM
15"
MAX
12"
MINIMUM
12"
MINIMUM
36"MIN
90°
BRACKET
VENT
18"
MAXIMUM
MAINTAIN12"MIN
CLEARABOVEHIGHEST
SNOWLEVELORGRADE
12"SEPARATION
BETWEENBOTTOM
OFAIRINTAKEAND
BOTTOMOFVENT
12"MINIMUM
OVERHANG
3"
MAXIMUM
SEPARATION
12"
MINIMUM
12"
MINIMUM
36"MIN

26
Figure 15 - Concentric Vent Terminations
Combustion
Air
Vent
1" (25.4mm)
Maximum
Maintain 12"
clearance above
highest anticipated
snow level or grade
* See Note
Below
Vent
Combustion
Air
36"(0.9m) Minimum
Maintain US 12"(305mm)
Canada 18” (457mm)
clearance above highest
anticipated snow level or
grade
12" (305mm) Minimum
*Must be less than 4" (102mm) or greater than 24"
(610mm) Horizontal distance between end bells of each air
intake to prevent fl ue gas recirculation.
1" (25.4mm)
Maximum
Overhang
Figure 16 - Concentric Vent
COMBUSTION AIR AND VENT PIPE
Figure 17 - Concentric Vent Roof
Installation
AELBOW
(FIELD SUPPLIED)
BSTRAP
(FIELD SUPPLIED)
C 1” (26mm) Max.

27
Figure 18 - Combustion Air and Vent Piping - Boiler Connections
COMBUSTION AIR AND VENT PIPE
2” (50.8mm) Diameter Vent And Combustion
Air Intake Piping
- 21 ft (6.4m)maximum total equivalent length
for 90-100 models
-26 ft (7.9m) maximum total equivalent length
for 90-50 and -90-75 models
- 2 ft (0.6m) minimum total equivalent length
for all models
TRANSITION FITTING
2” (50.8mm) ⊘ to 3” (76.2mm)
⊘ IN VERTICAL RUN
3” (76.2mm) Diameter Vent And Combustion
Air Intake Piping
- 92 ft (28m) maximum total equivalent length
for 90-100 models
- 15 ft (4.6m) minimum total equivalent length
for 90-100 models
- 112 ft (34m) maximum total equivalent
length for 90-50 and 90-75 models
- 20 ft. (6m) minimum total equivalent length
for 90-50 and 90-75 models
SAFETY RELIEF
VALVE SEE
PAGE 18 FOR
REQUIREMENTS
3”
SAFETY RELIEF
VALVE SEE
PAGE 18 FOR
REQUIREMENTS

28
Check Gas Supply
Gas pipe to your boiler must be correct size for length of
run and for total Btu per hour input of all gas utilization
equipment connected to it. See Table 7, Page 29 .
Boiler and its individual shutoff valve must be disconnected
from gas supply piping system during any system pressure
testing at test pressures in excess of ½ psig (3.5kpa).
Boiler must be isolated from gas supply piping system
by closing its individual manual shutoff valve during
any pressure testing of gas supply piping system at test
pressures equal to or less than ½ psig (3.50ka).
Table 6 - Gas Supply Pressure
NATURAL
GAS PROPANE
GAS
Maximum Gas Supply
Pressure
10” w.c. 14” w.c.
Minimum Gas Supply
Pressure
4” w.c. 10” w.c.
GAS SUPPLY PIPING
Connecting The Gas Piping
See Figure 19, Page 29 for general layout at boiler.
Gas line enters boiler from right side jacket panel.
Boiler is equipped with ½” NPT connection on gas valve for
supply piping.
Following rules apply:
1.
Use piping materials and joining methods acceptable
to authority having jurisdiction. In absence of such
requirements:
• USA - National Fuel Gas Code, ANSI Z223.1/NFPA 54
• Canada - Natural Gas and Propane Installation Code,
CAN/CSA B149.1
2.
Size and install gas piping system to provide suffi cient
gas supply to meet maximum input at not less than
minimum supply pressure. See Table 7, Page 29
3.
Use ground joint unions.
4.
Provide sediment trap up stream of gas valve.
5.
Use two pipe wrenches when making the connection to
gas valve to keep it from turning.
6.
Install a manual shutoff valve in the vertical pipe about
5 feet above fl oor.
7.
Tighten all joints securely.
8.
Propane gas connections should only be made by
licensed propane installer.
9.
Two stage regulation should be used by propane
installer.
10.
Propane gas piping should be checked out by propane
installer.
CAUTION
WHAT TO DO IF YOU SMELL GAS
• Do not try to light any appliance.
• Do not touch any electrical switch; do not use
any phone in your building.
• Immediately call your gas supplier from a
neighbor’s phone. Follow gas supplier’s
instructions.
• If you cannot reach your gas supplier, call the fi re
department.
!
!
DANGER
Fire Hazard. Do not use matches, candles, open
fl ames, or other methods providing ignition source.
Failure to comply will result in death or serious
injury.
!
Leak Check Gas Piping
Pressure test boiler and gas connection before placing
boiler in operation.
•
Disconnect boiler and its individual gas shutoff
valve from gas supply system.
•
Isolate boiler from gas supply system by closing
manual gas shutoff valve. See Figure 19,
Page 29 .
•
Locate leakage using gas detector, noncorrosive
detection fl uid, or other leak detection method
acceptable to authority having jurisdiction. Do
not use matches, candles, open fl ames, or other
methods providing ignition source.
•
Correct leaks immediately and retest.

29
Table 7 – Gas Pipe Sizes
NATURAL GAS
Length of
Pipe - Ft.
Pipe Capacity - BTU Per Hour Input Includes Fittings
1/2” 3/4” 1” 1 1/4”
20 92,000 190,000 350,000 625,000
40 63,000 130,000 245,000 445,000
60 50,000 105,000 195,000 365,000
PROPANE GAS
Length of
Pipe - Ft. Pipe Capacity - BTU Per Hour Input Includes Fittings
Copper Tubing* Iron Pipe
5/8” 3/4” 1/2” 3/4”
20 131,000 216,000 189,000 393,000
40 90,000 145,000 129,000 267,000
60 72,000 121,000 103,000 217,000
* Outside diameter
GAS SUPPLY PIPING
Figure 19 - Gas Piping
3” (76mm) MINIMUM
SAFETY RELIEF
VALVE SEE
PAGE 18 FOR
REQUIREMENTS

30
Electrically bond boiler to ground in accordance with
requirements of authority having jurisdiction. Refer to:
• USA- National Electrical Code, ANSI/NFPA 70.
• Canada - Canadian Electrical Code, Part I, CSA C22.1:
Safety Standard for Electrical Installations.
Electric Power Supply
Prior to making any line Voltage connections, turn OFf
electrical power at fuse box.
1.
Run separate 115 Volt circuit from separate over
current protection device in electrical service entrance
panel. This should be 15 ampere circuit.
2.
See
Figure 20, Page 31 for diagram showing service
switch junction box and power supply connection
points.
3.
Locate service switch in vicinity of boiler. Verify it is
turned OFF during service or maintenance.
• Connect black (hot) lead from power supply to black
wire labeled L 120 VAC.
• Connect white (neutral) lead from power supply to
white wire labeled N 120 VAC.
• Connect green (ground) lead from power supply to
green wire labeled G 120 VAC.
4.
Run 14 gauge or heavier copper wire from boiler to
grounded connection in service panel or properly driven
and electrically grounded ground rod.
ELECTRICAL WIRING
Thermostat Installation
• Thermostat location has important effect on operation
of boiler system.
• Follow instructions included with your thermostat.
• Locate thermostat about fi ve feet above fl oor on inside
wall.
• Mount directly on wall or on vertical mounted outlet
box.
• It should be sensing average room temperature.
Set heat anticipator (where applicable) at 0.7 amps.
Connect 24 Volt thermostat leads to two(2) yellow wires
located in junction box, located on outer jacket of boiler.
See Figure 20, Page 31 for junction box and thermostat
fi eld wiring connections.
Things to Avoid when Locating Thermostats
DEAD SPOTS:
Corners and alcoves Behind doors
COLD SPOTS: HOT SPOTS:
Concealed pipes or ducts Concealed pipes
Fireplace
Stairwells - drafts TV sets
Radios
Unheated rooms on
other side of wall
Lamps
Direct sunlight
Kitchens
Connect Circulator Pump Wiring
See Figure 20, Page 31 for circulator pump fi eld wiring
connections.
Supplied 5 foot wiring harness with fl exible metal conduit
for connection from circulator pump to junction box.
If two 120 Volt circulator wire terminals inside junction box
are not used, leave two wire nuts to prevent short circuit.
WARNING
Electrical shock hazard. Turn OFF electrical power
supply at service panel before making electrical
connections. Failure to do so could result in death
or serious injury.
!
NOTICE
Label all wires prior to disconnection when servicing
controls. Wiring errors can cause improper and
dangerous operation. Verify proper operation after
servicing.

31
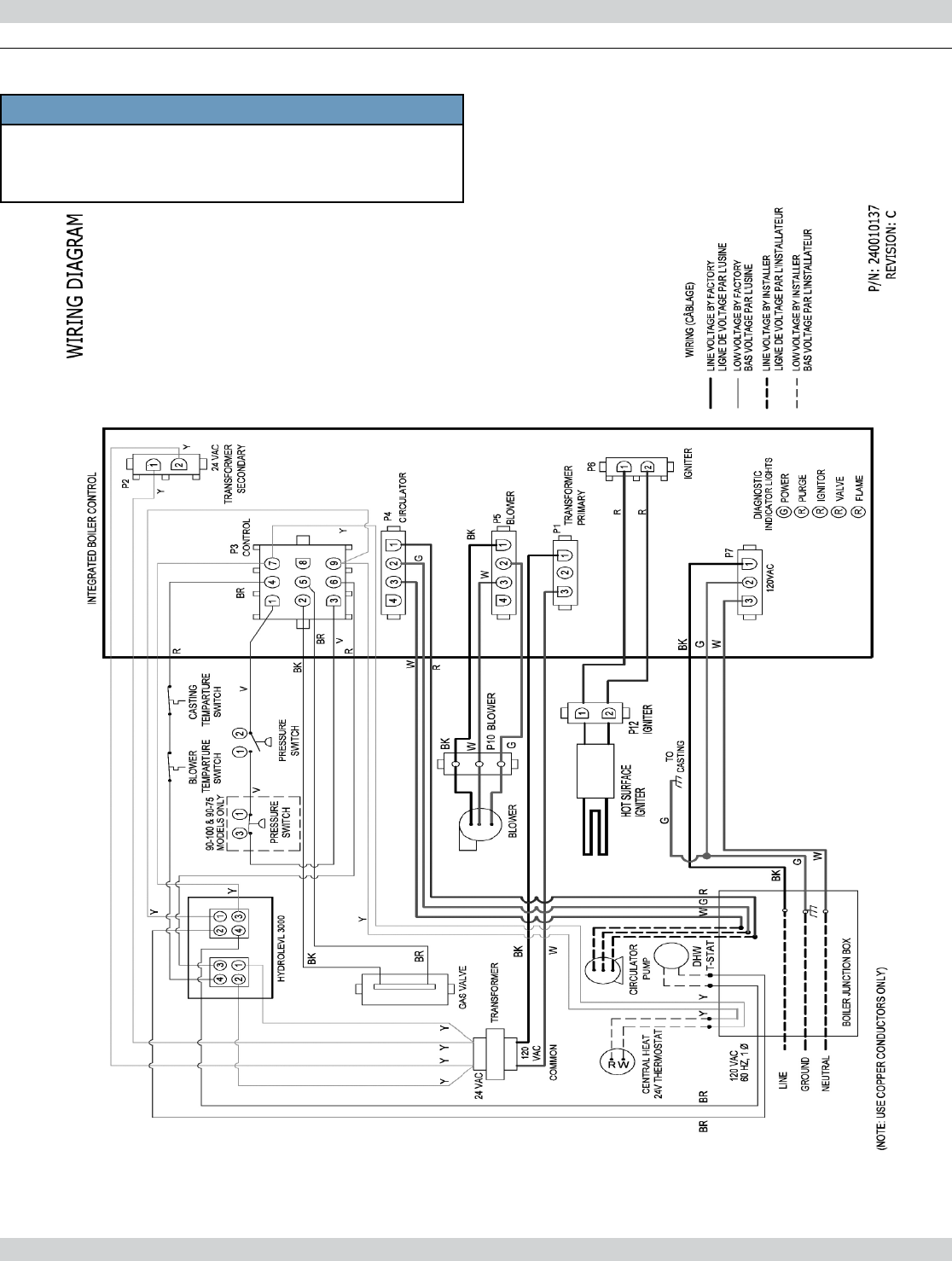
Figure 20 - Field Wiring Connections
ELECTRICAL WIRING
SAFETY RELIEF VALVE
SEE PAGE 18 FOR
REQUIREMENTS

32
ELECTRICAL WIRING
Figure 21 - Wiring Schematic
NOTICE
If any of original wire as supplied with this appliance
must be replaced, it must be replaced with type
105°C Thermoplastic wire or its equivalent

33
Figure 22 - Ladder Diagram for Figure 22
ELECTRICAL WIRING

34
1 - Integrated Boiler Control (IBC)
• Integrated Boiler Control (IBC) is a microprocessor
based controller for high effi ciency gas boilers.
• Controller monitors all safety controls which control
operation of combustion air blower, circulator pump,
burner, and combination hot surface igniter/fl ame
sensor.
• Controller is not intended for use with vent damper.
Controller is mounted on control panel inside boiler.
Contains fi ve diagnostic indicator lights.
2 - High Limit Control
NOTICE
Maximum set-point of limit control must not exceed
190°F.
• High limit control determines maximum boiler water
temperature and provides means for protecting boiler
and heating system from unsafe operating conditions
which could damage boiler.
• Control is mounted in ¾” NPT control well on top of front
boiler section at hot water outlet.
• Control is tied in with IBC and factory set at 190°F water
temperature.
• High limit set-point is fi eld adjustable and may be set
between 100°F and 190°F.
• Field set-point adjustment for each installation depends
on heating system requirements.
• Differentials are automatic, vary based on control
settings and boiler temperature.
• Refer to limit manufacturer instructions provided with
limit control.
CONTROLS AND ACCESSORIES
Figure 23 - Indicator Lights
A - Setting High Limit
To adjust, turn HI TEMP dial
1
until desired setting
is displayed. Overall range of High limit setting is from
100°F to 220°F (82° C to 104° C). High limit (HL) on limit
control is factory set at 190°F. Temperature setting may be
varied to suit requirements of installation. Differentials are
automatic and will vary based on control settings and boiler
temperature. See Figure 23.
B - Setting Economy Feature
• Economy feature is factory set for 1 zone heating
system. To adjust, turn ECONOMY dial until number
displayed equals number of heating zones.
• Do not include indirect water heaters in number of
heating zones.
• Economy feature conserves fuel by reducing boiler
temperature. If heating system is unable to supply
needed heat to house, ECONOMY dial should be turned
to lower setting. (example: in a three zone house, turn
dial to 2 or 1).
• Conversely, if boiler provides adequate heat, added
fuel savings can be achieved by selecting higher setting
(example: 4 or 5).
• If heating and indirect water heater signals were not
separated when wiring the control, Economy feature
should be turned off to ensure the boiler supplies
adequate temperature to heat indirect tank.

35
SETTING
OFF
Disables economy function. Will allow boiler to fi re
until hi-limit temp is reached and re-fi re with a 10°
subtractive differential.
LO
Provides lowest level of fuel savings. Use this set-
ting only if the house does not stay warm at higher
settings.
1
Recommended setting for single zone systems.
2
Recommended setting for Two zone systems.
3
Recommended setting for Three zone systems.
4
Recommended setting for Four zone systems.
5
Recommended setting for Five zone systems.
HI
Provides highest level of fuel savings.
C - Differentials
Differentials are automatic and will vary based on the
control settings and boiler temperature.
3 - Gas Control Valve
Electrically controlled Combination Gas Control Valve is
designed to meet requirements for use with hot surface
ignition found in this boiler. Valve is piped to gas/air mixer.
4 - Hot Surface Igniter
Igniter is mounted next to burner through gas/air mixer.
The igniter also serves as means for proving main burner
fl ame by fl ame rectifi cation. In the event of a lack of fl ame
signal on three (3) consecutive trials for ignition, IBC will
fl ash the VALVE light when locked out due to failed ignition.
5 - Draft Inducer Temperature Safety Switch
Draft Inducer Temperature Safety Switch is a disc
thermostat (180°F setpoint) located on induced draft fan
outlet port. Switch protects inducer and vent pipe from
potential high temperature condition for discharging fl ue
gases. Condition would typically be result of higher high
limit control setting or over fi ring. Temperature safety
switch automatically resets when the vent temperature
decreases. (15°F switch differential).
6 - Casting Temperature Safety Switch
In event of lack of or loss of water in boiler, Casting
Temperature Safety Switch (300 °F setpoint) installed
on top of the aluminum boiler section shuts off boiler by
shutting off power to Integrated Boiler Control (IBC). This
fault requires manual reset of casting temperature safety
switch to restart the boiler. Verify that boiler is properly
fi lled with water before resetting this switch.
Never run cold water into a hot empty boiler.
CONTROLS AND ACCESSORIES
7 - Differential Pressure Air Proving Switch/
Blocked Vent Safety Shutoff
Differential pressure switch monitors air fl ow by sensing
differential pressure measured in inches of water (” w.c.).
Pressure switch contacts close when draft inducer is
running. Closed switch indicates there is adequate air fl ow
for combustion. Pressure switch shuts off main burner if
differential pressure is inadequate due to blocked vent pipe,
blocked air intake, blocked boiler sections, or blocked draft
inducer. If pressure switch does not close within 5 minutes
of blower being turned on, control locks out with PURGE
light fl ashing to indicate pressure switch fault.
8 - Draft Inducer
Draft inducer (blower) provides means for pulling
combustion air into and through the mixer, burner, fl ue
ways of cast aluminum boiler sections and fl ue adapter
before being discharged through vent piping to outdoors.
See applicable sections for proper sizing and installation of
combustion air and vent piping in this manual.
9 - Circulator Pump (Optional)
Every forced hot water system requires at least one
circulating pump.
Circulating pump imparts the necessary energy to move
water through closed loop supply and return piping
systems, terminal heating equipment (i.e. fi nned tube
radiators, etc.) and back through boiler for reheating.
To provide required hot water fl ow rates, circulator pump
must be properly sized to overcome frictional losses
(usually measured in feet of water, also referred to as
“pump head loss”) of supply and return piping systems and
boiler.
The circulator pump is furnished for single zone or zone
valve controlled heating system and should be located on
downstream (i.e., pumping away) side of expansion tank.
For pump controlled system (where there is a circulator for
each zone) circulator provided with boiler can work for one
zone. For more details on piping and circulators, see “Near
Boiler Piping” on page 11 .
10 - Drain Valve
Manual drain valve provides means of draining water in
heating system, including boiler and hot water supply and
return piping systems installed above drain valve. This
drain valve is installed in ¾” tapping at bottom of front
boiler section. Any piping installed below elevation of
this drain valve will require additional drain valves to be
installed at low points in piping systems in order to drain
entire system.

36
Water Quality, Water Treatment and Freeze
Protection - see Appendix A
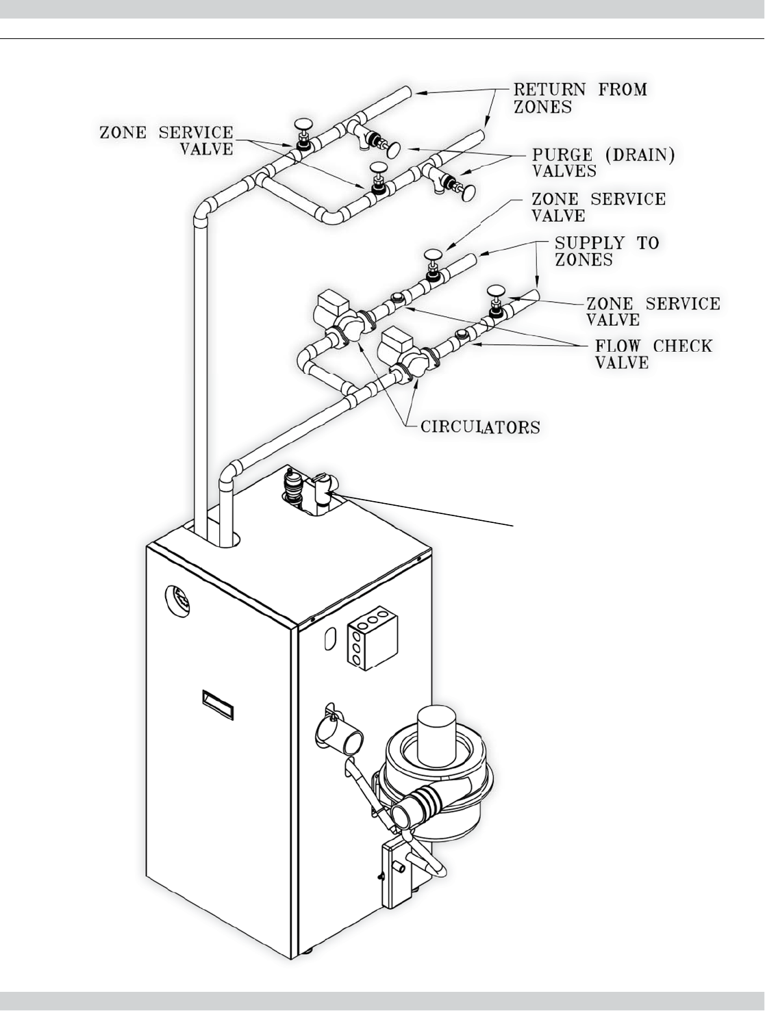
Filling Boiler With Water And Purging Air For
Systems With Diaphragm Type Expansion Tanks
Refer to the appropriate diagrams, “Near Boiler Piping” on
page 11 for more information.
1.
Close all zone service valves on the supply and return
piping. Open the feed valve and fi ll boiler with water.
Make sure air vent is open. Hold relief valve open until
water runs air free for fi ve seconds to rapidly bleed air
from boiler, then let the relief valve snap shut.
2.
Open the zone service valve on the supply pipe for the
fi rst zone. Open the purge valve on the fi rst zone. Feed
water will fi ll the zone, pushing air out the purge valve.
Close the purge valve when the water runs air free.
Close the zone service valve.
3.
Repeat step 2 for all remaining zones.
4.
Open all service valves. Any air remaining trapped in
the return lines between the service valves and the
boiler will be pushed towards the air vent when the
boiler is placed in operation.
5.
Inspect piping system. Repair any leaks immediately.
Purging Air For Systems With Conventional
Closed Type Expansion Tanks:
Refer to the appropriate diagrams “Near Boiler Piping” on
page 11 for more information.
1.
Close all zone service valves on the supply and return
piping and close the expansion tank service valve.
Drain expansion tank. Open the feed valve and fi ll
boiler with water. Hold relief valve open until water
runs air free for fi ve seconds to rapidly bleed air from
boiler, then let the relief valve snap shut.
2.
Open the zone service valve on the supply pipe for the
fi rst zone. Open the purge valve on the fi rst zone. Feed
water will fi ll the zone, pushing air out the purge valve.
Close the purge valve when the water runs air free.
Close the zone service valve.
3.
Repeat step 2 for all remaining zones.
4.
Open the expansion tank service valve and the tank
vent. Fill the tank to the proper level and close the
tank vent. Remove the handle from the expansion tank
service valve so the homeowner doesn’t accidentally
close it.
5.
Open all service valves. Any air remaining trapped in
the return lines between the service valves and the
boiler will be pushed towards the expansion tank when
the boiler is placed in operation.
6.
Inspect piping system. Repair any leaks immediately.
Control - System Startup
At initial start up, with the Economy feature active, the
control establishes a 145°F target temperature. To test
the high limit shut-off function, the Economy dial must be
turned to OFF. Once tested, restore the Economy setting.
If the heating demand is high, the target will increase over
time to satisfy the heat load.
How Thermal Targeting Works
Thermal targeting technology analyzes thermostat activity
and continually evaluates how much heat the house
requires.
When it is very cold outside, heat demand is high and limit
control will raise boilers target temperature to provide
heat.
When outside temperature is mild, heat demand is low.
Limit control will lower boiler’s target temperature saving
fuel.
START UP

37
Stop! Read Safety information above.
1.
Set thermostat to lowest setting.
2.
Turn off all electric power to the appliance.
3.
This appliance is equipped with an ignition device which
automatically lights the burner. DO NOT try to light the
burner by hand.
4.
Remove the front jacket panel.
5.
Turn the gas control knob clockwise to “OFF”.
6.
Wait fi ve (5) minutes to clear out any gas. Then smell
for gas, including near the fl oor. If you smell gas,
STOP! Follow “B” in the safety information above on
this label. If you don’t smell gas go on to next step.
7.
Turn the gas control knob counterclockwise to
“ON”.
8.
Replace front jacket panel.
9.
Turn on all electrical power to the appliance.
10.
Set the thermostat to desired setting.
11.
If the appliance will not operate, follow the instructions
“To Turn Off Gas To Appliance” and call your service
technician or gas supplier.
To Turn Off Gas To Appliance
1.
Set the thermostat to lowest setting.
2.
Turn off all electric power to the appliance if service is
to be preformed.
3.
Remove the front jacket panel.
4.
Turn gas control knob clockwise to “OFF”.
5.
Replace the front jacket panel.
OPERATING INSTRUCTIONS
WARNING
If you do not follow these instructions
exactly, a fi re or explosion may result causing
property damage, personal injury or loss of
life.
• This appliance is equipped with an ignition device
which automatically lights burner. Do NOT try to
light this burner by hand.
• Before operating smell all around appliance area
for gas. Be sure to smell next to fl oor because
some gas is heavier than air and will settle to the
fl oor.
• Use only your hand to turn the gas shutoff
valve. Never use tools. If valve will not turn
by hand, do not try to repair it, call a qualifi ed
service technician. Force or attempted repair may
result in fi re or explosion.
• Do not use this appliance if any part has
been under water. Immediately call a qualifi ed
service technician to inspect appliance and to
replace any part of control system and any gas
control which has been under water.
!
OFF
ON
INLET
GAS CONTROL KNOB
SHOWN IN "ON" POSITION
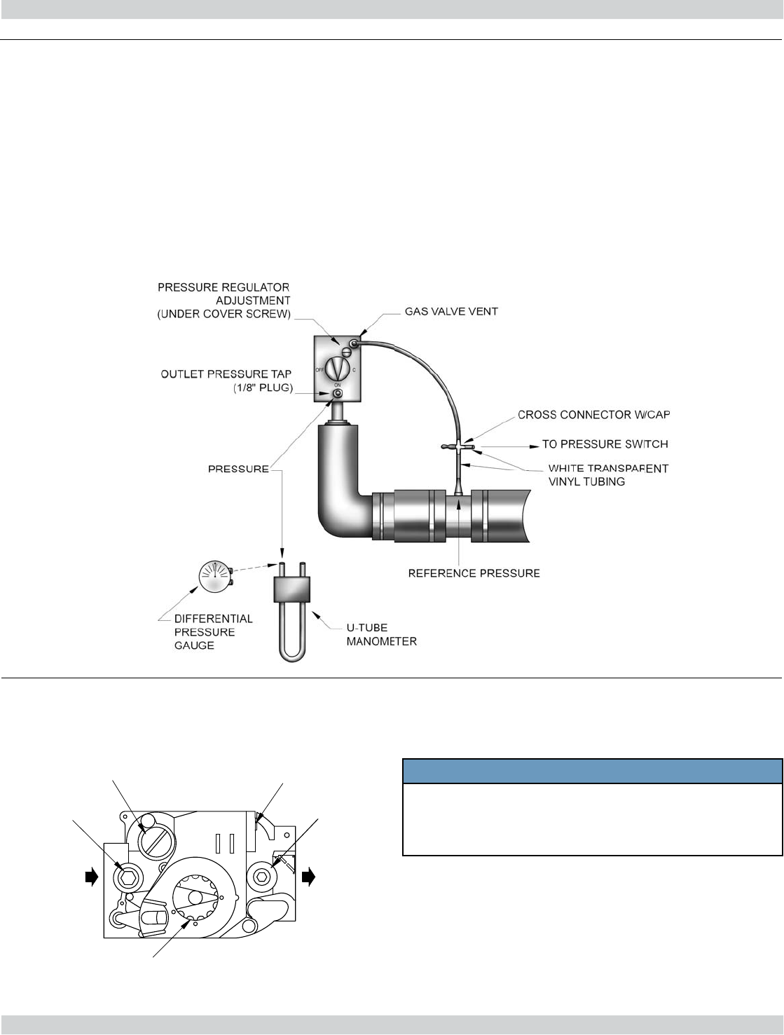
Figure 24 - Gas Valve
CAUTION
WHAT TO DO IF YOU SMELL GAS
• Do not try to light any appliance.
• Do not touch any electrical switch; do not use
any phone in your building.
• Immediately call your gas supplier from a
neighbor’s phone. Follow the gas supplier’s
instructions.
• If you cannot reach your gas supplier, call the fi re
department.
!
!

38
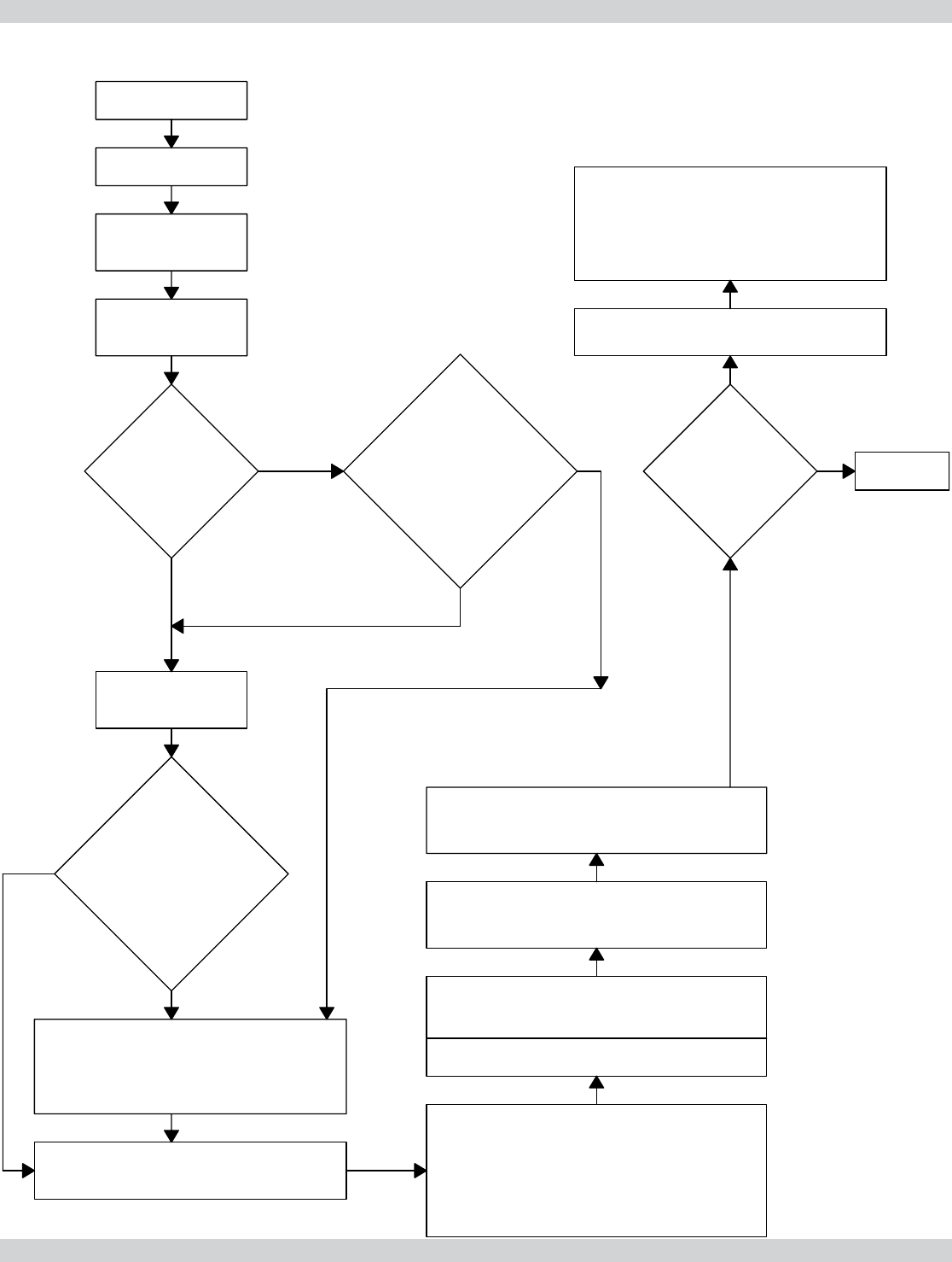
DETAILED SEQUENCE OF OPERATION
SERVICE HINTS
POWER ON
STAND BY
THERMOSTAT
CALLS FOR HEAT
CIRCULATOR
ENERGIZES THRU
2K1 CONTACTS
IBC SELFCHECK OF
INTERNAL CIRCUITRY
1-2 SEC
IBC
CHECKS
N.O. AIR
PRESSURE
SWITCH
CONTACTS
FALSE
POSITIVE
PROOF OF
AIRFLOW. IBC WAITS
FOR 45 SEC
FOR AIR PRESSURE
SWITCH CONTACTS
TO OPEN
CLOSED CLOSED
DRAFT INDUCER
ENERGIZES THRU
1K1 CONTACTS
OPEN
IBC
WAITS FOR
UP TO 5 MINUTES
FOR AIR PRESSURE
SWITCH CONTACTS TO CLOSE
INDICATING FAN
SUCTION
PRESENT
CLOSED
CONTROL LOCKOUT. PURGE LIGHT
BLINKS. RESET REQUIRED. CIRCULATOR
REMAINS ENERGIZED AS LONG AS
THERMOSTAT CONTINURES TO CALL FOR
HEAT
OPEN
PURGE LIGHT IS ON. AIRFLOW PROVED.
DRAFT INDUCER RUNS FOR 15 SEC PREPURGE
OPEN
PURGE LIGHT GOES OUT. HOT SURFACE IGNITER
POWERED THRU 5K1 5K2 CONTACTS FOR 20
SEC IGNITER WARMUP. BRIGHT YELLOW
ORANGE GLOW OF THE HOT SURFACE IGNITER
CAN BE OBSERVED THRU THE OBSERVATION
PORT IN FRONT OF BOILER SECTION JUST
ABOVE IGNITER, IGNITOR LIGHT IS ON
GAS VALVE ENERGIZED THRU 3K1 AND 4K1.
CONTACTS, VALVE LIGHT IS ON.
GAS VALVE OPENS FOR 5 SEC TRIAL FOR
IGNITION. BLUE ORANGE GLOW OF THE BURNER
CAN BE SEEN THRU OBSERVATION PORT.
2 SEC INTO THE 5 SEC IGNITION TRIAL. POWER
IS TURNED OFF TO THE HOT SURFACE IGNITER.
IGNITER LIGHT IS OFF.
DURING THE LAST 2 SEC OF THE 5 SEC IGNITION
TRIAL MAIN BURNER FLAME IS PROVED BY FLAME
RECTIFICATION A FLAME SIGNAL TO IBC. GAS VALVE
REMAINS ENERGIZED. BOILER RUNS.
DOES
MAIN
BURNER PROVE
FLAME WITHIN INITIAL
TRIAL FOR
IGNITION
PERIOD?
CONTROL WILL ATTEMPT 2
ADDITTIONAL IGNITION SEQUENCES.
STARTING WITH PREPURGE.
IF MAIN BURNER DOES NOT PROVE
FLAME IN 3 TRIALS, CONTROL
LOCKOUT. VALVE/FLAME LIGHT BLINKS,
RESET IS REQUIRED. THIS PROBLEM IS A
RESULT OF NOT ESTABLISHING FLAME SIGNAL.
NORMAL
OPERATION
YES
NO

39
DETAILED SEQUENCE OF OPERATION
End Of Normal Sequence Of Operation
Thermostat ends call for heat.
Gas valve and circulator pump are
de-energized, valve and fl ame lights go out.
Blower runs for 30 seconds post purge,
purge light is on.
Blower is de-energized after 30 seconds,
purge light shuts off.
Boiler stand by for next call for heat.

40
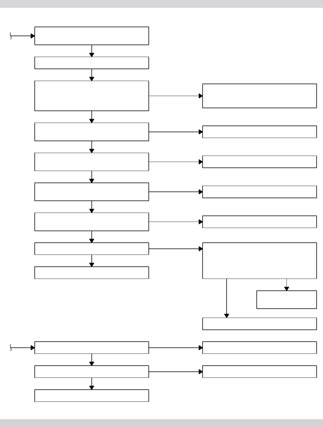
Sequence Of Operation Diagnostics
Follow sequence using the diagnostic indicator lamps on Integrated Boiler Control (IBC).
See “Controls And Accessories”
on page 34 for normal sequence of operation. Detailed sequence of operation containing potential faults can be found in
service hints section.
SEQUENCE OF OPERATION DIAGNOSTIC
INDICATOR LAMPS
(1) Lamp A is illuminated, indicating integrated control is receiving 24 volts and is in
standby waiting for thermostat call for heat.
(2) Thermostat calls for heat, energizing system circulator.
(3) Integrated boiler control performs self check of internal circuitry, approximately
two seconds, energizing draft inducer.
A.
B.
C.
D.
E.
(4) Draft inducer comes up to speed and establishes combustion airfl ow, causing
normally open differential pressure air proving switch contacts to close. When
combustion airfl ow is proved, Lamp B illuminates indicating 15 second pre-
purge cycle has begun.
A.
B.
C.
D.
E.
(5) After pre-purge completion, Lamp B is extinguished and Lamp C is illuminated,
indicating power is being delivered to hot surface igniter for 20 second igniter
warm-up period. Observe bright yellow-orange glow of hot surface igniter
through observation port on boiler.
A.
B.
C.
D.
E.
(6) After igniter warm-up period, integrated boiler control energizes gas valve,
initiating 6 second trial for ignition mode, indicated by illumination of Lamp
D. Lamp C extinguishes after 2 second delay. Integrated boiler control stops
sending power to hot surface igniter.
A.
B.
C.
D.
E.
(7) Low level illumination of Lamp E indicates initiation of fl ame proving. During
last 2 seconds of trial for ignition mode, main burner fl ame is proven by fl ame
rectifi cation through hot surface igniter, providing fl ame signal is relayed to
integrated boiler control, fully illuminating Lamp E.
A.
B.
C.
D.
E.
(8) Thermostat ends its call for heat. Integrated boiler control de-energizes gas
valve and system circulator. Lamp D is extinguished while unit enters 30
second post purge mode, indicated by illumination of Lamp B. Lamp E will
remains illuminated as remainder of gas in blower is burned off (approximately
2 seconds). During post purge blower remains powered and clears out any
residual products of combustion.
A.
B.
C.
D.
E.
(9) After post purge mode draft inducer is de-energized. Unit goes into standby
mode until next call for heat from thermostat.
A.
B.
C.
D.
E.
NOTE:
First one or two cold starts may be rough due to gas line not being completely purged of air,
causing low fi ring rate and high excess air levels.
A - Power, B - Purge, C - Igniter, D - Valve, E - Flame
DETAILED SEQUENCE OF OPERATION

41
DRAFT INDUCER TEMPERATURE SAFETY
SWITCH
Draft inducer runs through 30 second post purge and
switches OFF.
Circulator runs with thermostat on call for heat.
When temperature safety switch contacts connect
before end of call for heat, control goes in normal
light-off sequence.
LOSS OF COMBUSTION AIRFLOW
If combustion airfl ow is lost while burner is fi ring
(Differential air pressure switch contacts open) gas
valve is de-energized.
Valve and ame lights go out.
Draft inducer runs through 30 second post purge.
If call for heat remains, IBC waits 5 minutes for airfl ow
to be re-established.
If airfl ow does not re-establish control lockout problem
with combustion airfl ow.
Purge light blinks
.
Control automatically reset after 15 minutes.
LOSS OF FLAME SIGNAL
If established fl ame signal is lost while control expects
burner is operating, control immediately de-energizes
gas valve.
Valve and ame lights go out.
Draft inducer runs through 30 second post purge.
Control attempts to light boiler 3 times. If fl ame is not
proven, control lockout problem establishing fl ame
signal.
Valve light is blinking
.
Control automatically resets after 1 hour.
HIGH LIMIT CONTROL
If boiler water temperature reaches high
limit setpoint, high limit n.c. contacts open
immediately, closing gas valve.
Valve and ame lights go out.
Draft inducer continues to run for 30 second post
purge and switch OFF.
Circulator runs as long as thermostat calls for
heat.
When high limit contacts connect before end of
call for heat - control goes into normal light-off
sequence.
CASTING TEMPERATURE SAFETY SWITCH
If burner operates when boiler has no water,
aluminum boiler sections heat up rapidly.
Casting temperature safety switch contacts will
open, breaking 24 volt power to IBC.
Power indicator light goes out.
Requires manual reset to re-close contacts.
Power light goes out.
CIRCULATOR PUMP
Circulator is energized as long as thermostat calls
for heat during lockout.
Recovery from any lockout requires reset, which
can be accomplished by:
(a) Removing and re-establishing thermostat’s
call for heat or turning service switch off
and back on;
or
(b) Waiting for control to automatically reset after
15 minutes for loss of combustion airfl ow or one
hour for loss of fl ame.
If draft inducer temperature reaches temperature
safety switch set-point, safety switch contacts open
immediately, closing gas valve
(light goes out)
.
DETAILED SEQUENCE OF OPERATION

42
First couple of cold starts may be rough due to gas line not
being completely purged of air, causing low fi ring rate and
high excess air levels.
Inspect Venting And Air Intake System
Operate boiler and verify all vent/air intake connections are
gas-tight and watertight. Repair any leaks immediately.
Inspect Condensate Drain
Verify all connections are watertight, and that condensate
fl ows freely. Repair any leaks immediately.
Inspect System Piping
Verify all connections are watertight. Repair any leaks
immediately.
VERIFICATION PROCEDURE AND ADJUSTMENT
Verify Proper Sequence Of Operation
Place boiler into operation and observe operation through
several cycles. Follow remaining steps in this section to
insure boiler is operating correctly.
Test High Limit Control And Adjust
While burner is operating,adjust high limit setpoint below
actual boiler water temperature. Burner should go off while
circulator continues to operate. Raise limit setting above
boiler water temperature and burner should reignite after
inter-purge (retry delay). Set high limit control to design
temperature requirements of system. Maximum high limit
setting is 190°F. Minimum high limit setting is 100°F.
Test Other Safety Controls
If boiler is equipped with low water cut off, manual reset
high limit, or additional safety controls, test for operation
as outlined by control manufacturer. Burner should be
operating and should go off when controls are tested. When
safety controls are restored, burner should reignite.
Set Thermostat Heat Anticipator (If Used) And
Verify Thermostat Operation
For single thermostat connected to yellow thermostat lead
wires in furnished fi eld wiring junction box, heat anticipator
should be set at 0.7 amps. For other wiring confi gurations,
refer to instructions provided by thermostat manufacturer
regarding adjustment of heat anticipator. Cycle boiler
with thermostat. Raise thermostat to highest setting and
verify boiler goes through normal start up cycle. Lower
thermostat to lowest setting and verify boiler goes off.
Measure Natural Gas Input Rate
Correct input rate is essential for proper and effi cient
operation of the burner and boiler.
1.
Determine elevation at installation site.
2.
Table 1 and Table 2, Page 6 to determine correct input
rate for the local elevation.
3.
Obtain yearly average heating value of local gas supply
from gas utility. At sea level elevation, it should be
approximately 1000 Btu’s per standard cubic foot.
4.
Operate boiler for 5 minutes.
5.
Turn off all other gas appliances, extinguishing standing
pilots where applicable.
6.
At gas meter, measure time in seconds required to use
one cubic foot of gas.
7.
Calculate input rate according to the following formula:
3600 x heating value from step 3
Btuh in put rate = time from step 6
8.
Measured input rate should be within +/-2% of input
rating from step 2. If within 2%, go to step 9. If not,
adjustment is required, proceed as follows:
A. Turn boiler off
B. Set up U-tube manometer or differential pressure
gauge for measuring manifold pressure. See
Figure 25, Page 44 .
C. Manometer or gauge must be able to read at least
0.0 to 3.0 inches water column of pressure, and
resolve to at least 0.1 inches water column.
D. Turn boiler on.
E. Manifold pressure has been nominally set at 2.5
inches w.c. Manifold pressure and input rate must
always be measured with pressure regulator cover
screw installed. Cover screw must be removed for
adjustment. Manifold pressure reading will change
(increase) when cover screw is removed.
F. After adjusting input rate, turn boiler off, remove
manometer or pressure gauge, reinstall ⅛” plug
on gas valve. Turn boiler on.
G. Boiler should typically operate between:
• 8.5% -10.0% CO2 on Natural Gas
• 9.5% -11.0% CO2 on Propane Gas
Under all conditions CO level should not exceed 100
ppm.
9.
Restore all gas appliances that may have been shut off
(while measuring boiler input rate) to normal operating
conditions.
I. Remove regulator cover screw on top of gas valve,
and insert an appropriate screwdriver into adjustment
screw.
II. Turn adjustment screw clockwise to increase input
rate, or counter clockwise to decrease input rate.
III. Replace cover screw, or cover hole temporarily with
your fi nger to check new manifold pressure setting. Do
not set manifold pressure lower than 2.0 inches w.c.
or higher than 3.0 inches w.c. when adjusting input
rate.

43
VERIFICATION PROCEDURE AND ADJUSTMENT
IV. Measure new input rate (cover screw must be
installed). Repeat steps I.-IV until the input rate is
within +/-2% of the nameplate input rating.
V. If the actual input rate can not be set to within 2%
of the correct input rating by adjusting manifold
pressure, a change in gas orifi ce size is required.
Consult the boiler manufacturer for information on
correct orifi ce sizing. The specifi c gravity (G) and the
higher heating value (HHV) of the local natural gas
must be obtained from the local gas utility in order to
determine the proper orifi ce size.
Set Thermostat To Desired Room Temperature
Observe several operating cycles to verify proper operation.
Review All Instructions
Review all instructions shipped with this boiler with owner
or maintenance person. Instructions must be affi xed on or
adjacent to the boiler.
Complete and sign the “Installation and Check-Out
Certifi cate” on page 62
.

44
Following steps and diagram indicate location of the
connection points required to measure manifold pressure.
Manifold pressure may be measured using a U-Tube
Manometer or Differential Pressure Gauge. Diagram shows
connection of both measuring devices. Only ONE DEVICE IS
REQUIRED to measure manifold pressure.
Remove plug. Install appropriate barbed fi tting and connect
pressure side line from U-Tube Manometer or Differential
Pressure Gauge.
OFF
ON
INLET OUTLET
GAS CONTROL KNOB
PRESSURE REGULATOR
ADJUSTMENT (UNDER CAP SCREW)
INLET
PRESSURE
TAP
VR8205 WIRING TERMINALS (2)
OUTLET
PRESSURE
TAP
Figure 25 - Manifold Pressure Measurement Detail
Figure 26 - Gas Valve
VERIFICATION PROCEDURE AND ADJUSTMENT
Refer to “Differential Air Pressure Switch Check - all
models” on page 45 when reading manifold pressure.
When measurement is complete, disconnect U-Tube
Manometer or Differential Pressure Gauge. Be sure to
reinstall ⅛” plug, using appropriate pipe thread sealant
approved for use with natural and liquefi ed Petroleum
gases.
NOTICE
Regulator cover screw must be installed at all times
unless adjusting manifold pressure. Firing rate and
manifold pressure must only be measured with cover
screw fi rmly installed.

45
• Following steps and diagram indicate locations of
connection points required to check differential air
pressure.
• Differential air pressure switch is safety device which
prevents boiler from fi ring if there is air intake, boiler
heat exchanger or vent blockage.
• Turn off service switch, or lower thermostat setting.
• Remove vinyl caps from Tee and 4-way connector.
• Install testing lines as shown to inclined manometer or
differential pressure gauge with ability to read 0.01” to
5.0” w.c.
• Turn on service switch and set thermostat to call for
heat.
BOILER
STATUS DIFFERENTIAL
PRESSURE (W.C.)
PRESSURE
SWITCH
CONTACTS
Not Running 0” Normally Open
1.80” for Model -100
1.80” for Model-75
2.10” for Model-50
Running
Without
Blockage
Greater Than
Setpoints Closed
Running
With
Blockage
Less Than or Equal to
Setpoints Open
If manometer readings do not correspond to chart above,
check for possible causes:
• - Blockage or moisture in suction lines
• - Blockage in air intake or vent pipes
• - Undersized air intake or vent pipes
• - Loose blower wheel or motor shaft
• - Incorrect pressure switch or pressure switch setpoint
When pressure reading is proper and the pressure switch is
operating properly, remove testing lines and reinstall vinyl
caps to Tee and 4-way connector.
DIFFERENTIAL AIR PRESSURE SWITCH CHECK - ALL MODELS
Model 050

46
NEGATIVE PRESSURE SWITCH CHECK
BOILER
STATUS NEGATIVE
PRESSURE (W.C.)
PRESSURE
SWITCH
CONNECTS
Not Running 0” Normally
Closed
Setpoint -0.50”
for Models 100 & 075
Running
Without
Blockage
Less Negative than
Setpoint Closed
Running
With
Blockage
More Negative than
Setpoint Open
To Gas Valve Vent
G
as
V
al
ve
V
en
t
For use on Model - 100 boilers only.
• Following steps and diagram indicate locations of
connection points required to check negative pressure.
• Negative pressure switch is safety device which
prevents boiler from fi ring if there is air intake
blockage.
• Turn off service switch, or lower thermostat setting.
• Remove vinyl cap from 4-way connector.
• Install test line as shown to inclined manometer or
differential pressure gauge with ability to read 0.01” to
5.0” w.c.
• Turn on service switch and set thermostat to call for
heat.
• If manometer readings do not correspond to chart,
check for possible causes:
A. Blockage in air intake
B. Undersized air intake
C. Loose blower wheel or motor shaft
D. Incorrect pressure switch or pressure switch
setpoint
• When pressure reading is correct and the pressure
switch is operating properly, remove test line and
reinstall vinyl cap to 4-way connector.
Negative Pressure Switch
Differential Air Pressure Switch
Red Transparent Vinyl Tubing
Tee
Vinyl Cap
All pressure switch tubing
is clear vinyl tubing unless
otherwise noted.
Inclined Manometer
(Differential Pressure Gauge)
Test Line
To Air Inlet
Sution Port
To Sight Glass Suction Port
White Silicone Tubing
4-Way Connector
Models 075 and 100

47
Maintenance As Outlined Below Can Be
Performed By Owner Unless Otherwise Noted.
• The acidic nature of fl ue gasses condensing on
aluminum boiler sections may cause formation of
aluminum oxide. This oxide formation is normal,
is generally uniform throughout boiler sections,
and represents negligible mass of aluminum that is
consumed by oxidation during life of the boiler.
• If left unchecked, this buildup may eventually cause
blockage of fl ue gas passages in boiler sections,
reducing effi ciency, and ultimately shutting down the
boiler due to lack of combustion air fl ow.
• Regular service and maintenance by a qualifi ed service
agency must be performed to assure safe trouble free
operation and maximum effi ciency.
Beginning Of Each Heating Season
1.
Annual service call by qualifi ed service agency, which
includes:
A. Examine fl ue passages between boiler sections,
burner, and condensate lines, and clean if
necessary following “Annual Examination And
Cleaning Of Boiler Components” on page 48 .
B. Visually inspect venting and air intake system
for proper function, deterioration or leakage. If
vent or air intake show any signs of deterioration
or leakage, repair or replace them, immediately.
Insure proper reassembly and resealing of vent and
air intake system
C. Check for and remove any obstruction to fl ow of
combustion air or venting of fl ue gases. Check air
baffl e located inside 1½” x 2” fl exible coupling on
mixer, clean if necessary and make sure to put it
back. Refer to repair parts diagram of mixer and
pressure switch assembly for exact location.
D. Follow instructions for “Operating Instructions” on
page 37 .
E. Follow instructions for “verifi cation Procedure and
Adjustment” on page 42 .
F. Visually inspect condensate drain lines for proper
operation and deterioration. Check for plugged
condensate drain lines.
G. Check silicone rubber seals between boiler sections.
Insure that there are no leaks. Use RTV silicone
rubber adhesive sealant rated for at least 400° F to
replace or repair seals in locations where original
seals have deteriorated.
H. Check all gasketed joints for leakage, and tighten
bolts or replace gaskets if necessary.
I. Remove jacket front and top panels and check for
piping leaks around relief valve and other fi ttings.
Repair, if found. DO NOT use stop leak compounds.
J. Check igniter for cracks and deterioration. Replace
if necessary.
K. Check for water in pressure switch tubing. Drain if
necessary.
2.
Check boiler area is free from combustible materials,
gasoline, and other fl ammable vapors and liquids.
3.
Circulator pump and blower motor furnished with boiler
are permanently lubricated from factory and require no
further lubrication. Additional or non-factory supplied
pumps and/or motors should be lubricated according to
the pump and/or motor manufacturer’s instruction.
Daily During Heating Season
1.
Check for and remove any obstruction to the fl ow of
combustion air or venting of fl ue gases.
2.
Check boiler area is free from combustible materials,
gasoline, and other fl ammable vapors and liquids.
MAINTENANCE AND CLEANING
Monthly During Heating Season
1.
Remove jacket front and top panels and check for
piping leaks around relief valve and other fi ttings. If
found, contact qualifi ed service agency to repair. DO
NOT use stop leak compounds.
2.
Test relief valve. Refer to valve manufacturers
instructions packaged with relief valve.
3.
Visually inspect venting and air intake system for
proper function, deterioration, or leakage. If vent or
air intake show any signs of deterioration or leakage,
contact a qualifi ed service agency to repair or replace
immediately and to insure proper reassembly and
resealing of vent and air intake system.
4.
Visually inspect clear vinyl condensate lines and PVC
condensate drain pipe for proper operation, leakage,
and deterioration. If condensate lines or drain pipe
show any signs of blockage, leakage, or deterioration
contact a qualifi ed service agency to clean, repair, or
replace them immediately.
Periodically During Heating Season
Where low water cutoffs are used, periodic inspection of
low water cut off is necessary, including fl ushing of fl oat
type devices. Refer to low water cut off manufacturer’s
specifi c instructions.
End of Each Heating Season - Annual Shutdown
Procedure
Follow instructions “To Turn Off Gas To Appliance” on page
37 .
If heating system is to remain out of service during
freezing weather, and does not contain antifreeze, drain
system completely. If boiler will be exposed to freezing
temperatures, drain condensate lines. Otherwise, do not
drain system or boiler.

48
K. Reinstall burner and mixer gasket and position
mixer assembly over studs. Install fi ve (5) nuts but
do not tighten. Reinstall igniter and igniter gasket
and fasten with two (2) screws. Use care when
installing the igniter. Tighten fi ve (5) nuts holding
mixer assembly.
L. Connect:
• Gas line to gas valve
• Condensate drain line to boiler
• Pressure switch hose to gas valve
• Air by-pass to mixer
• 1 ½” x 2” fl exible coupling to air inlet and make
sure to put air baffl e back to correct position
• Igniter wires
• Gas valve wires
3.
Visually inspect condensate lines leading from boiler
sections and vent pipe connector to condensate trap.
Refer to repair parts diagrams. Any foreign material or
debris visible in condensate lines needs to be cleaned
out as follows:
A. Disconnect condensate drain lines from condensate
trap.
B. Remove condensate trap and drain all water from
trap.
C. Disconnect condensate lines from fi tting on bottom
of boiler and vent pipe connector.
D. Run cold water through condensate lines and trap
to thoroughly fl ush out any sediment or debris.
E. Reinstall condensate trap and condensate lines.
F. Follow instructions under “Near Boiler Piping” for
fi lling condensate trap with water.
4.
Inspection of fl ue connector requires following steps. Refer
to repair parts diagram.
A. Loosen the clamp on the draft inducer end of the
2” vent pipe connector that connects the vent
to the draft inducer. Disconnect (unplug) wiring
harness from draft inducer motor and draft inducer
temperature safety switch. Remove four (4) bolts
that attach draft inducer to fl ue connector.
B. Remove draft inducer and gasket from top of fl ue
connector.
C. Inspect interior of fl ue connector. Any buildup of
sediment or aluminum oxide on inside surface must
be cleaned. Position draft inducer gasket and draft
inducer and fasten with four (4) screws. Be sure to
connect ground wire from draft inducer motor to
one of four mounting screws.
D. Connect wiring harness leads to draft inducer motor
and draft inducer temperature safety switch.
E. Connect vent pipe connector to draft inducer outlet.
MAINTENANCE AND CLEANING
Annual Examination And Cleaning Of Boiler
Components
DANGER
Before servicing, turn off electrical power to boiler
at service switch. Close manual gas valve to turn
gas supply OFF to boiler. Failure to comply will result
in death or serious injury.
!
NOTICE
Have qualifi ed service agency perform the following
service procedures. Boiler owner should not attempt
these procedures.
1.
Before Servicing, turn off electrical power to boiler at
service switch. Close manual gas valve to turn off gas
supply to boiler.
2.
Cleaning Flue passages between boiler sections.
A. Any buildup of sediment or aluminum oxide (white
powdery or fl aky substance) in fl ue passages must
be cleaned as follows.
B. Remove jacket front and top panels. Disconnect
condensate drain line from barbed fi tting on bottom
of boiler. Keep open end of drain line above water
level in condensate trap to prevent trap from
draining. Disconnect pressure switch hose from
barbed fi tting on gas valve. Disconnect 1½ x 2”
fl exible coupling from air inlet. Disconnect air by-
pass (½” transparent vinyl tube) from bottom of
mixer.
C. Remove air baffl e from ½” x 2” fl exible coupling
and clean air baffl e if necessary. Refer to repair
parts diagram, mixer and pressure switch
assembly.
D. Confi rm manual gas valve is closed and disconnect
gas line to gas valve at union. Disconnect wires to
gas valve and igniter.
E. Loosen but do not remove fi ve (5) nuts attaching
mixer assembly to boiler. Remove two (2) igniter
screws and remove igniter.
F. Remove fi ve (5) nuts and remove mixer assembly.
Remove burner and mixer gasket.
G. Aluminum oxide deposits are water soluble and
may be rinsed away with spraying or running
water. Before rinsing, connect a ½” I.D. hose to
barbed fi tting on bottom of boiler and run hose to
bucket or drain.
H. After rinsing, remove any remaining loosened
sediment using shop vacuum with snorkel
attachment.
I. Inspect burner for any foreign matter in fl ame
ports or inside burner. Any foreign matter should
be removed by blowing with compressed air or
vacuuming.
J. Inspect interior of mixer for any signs of sediment
or aluminum oxide and clean if necessary.
NOTICE
Verify proper operation after servicing.

49
Important
1.
In reset from lockout condition, all electrical meter
readings at the gas control valve (24 vac) must be
taken within trial for ignition period.
2.
If any component does not function properly, make sure
it is correctly installed and wired before replacing it.
3.
Static electricity discharge can damage integrated
boiler control (IBC). Touch metal surface to discharge
static electricity before touching IBC.
4.
IBC cannot be repaired. If it malfunctions it must be
replaced.
5.
Only trained service technicians should service IBC
systems. Following troubleshooting, check out system
following sequence of operation for a normal light off
sequence.
6.
All controls are factory tested in the assembly process
and a defective control is generally the least likely
cause. If you suspect you have a defective control,
read through this section before you replace it.
7.
It is extremely unlikely that the two consecutive
controls are defective. If it seems to be happening,
chances are that either there is nothing wrong with the
control or it is being damaged by some other problem
(an electrical short burning out a transformer, for
example).
Initial Service Checks
1.
Before troubleshooting:
A. Make sure that circuit breaker is on or fuse is ok at
electrical panel.
B. Make sure that service switch is on.
C. Make sure that gas is on at the gas meter, at all
appropriate manual shutoff valves and at the gas
control valve.
D. Make sure that the thermostat is calling for heat.
E. Check that wire connectors at the integrated boiler
control and at the originating control are securely
plugged in or connected.
F. Check that hoses are securely connected and are
not plugged or damaged.
TROUBLESHOOTING
2.
Troubleshooting tools:
A. Voltmeter to check 120 vac and 24 vac
B. Continuity tester.
C. Inclined manometer or pressure gauge with
0-3.0” Range (0.01” Scale) for measuring suction
pressures at pressure switch.
D. U-tube manometer or differential pressure gauge
with 0-14” range (0.1” Scale) for measuring inlet
and manifold gas pressures.
3.
System Status:
A. Consult “System Status” on pages 40 and 50.
B.
See Figure 23, Page 34,
for location of boiler
Diagnostic Indicator Lamps.
WARNING
Fire, explosion or shock hazard. Do not attempt to
modify the physical or electrical characteristics of
this boiler in any way. Failure to comply could result
in death or serious injury.
!

50
TROUBLESHOOTING - HIGH LIMIT CONTROL AND LWCO
LED Legend and LWCO Test Button
1
HI TEMP illuminates when boiler water temperature
reaches high limit setting. Remains lit until water
temperature falls 10°F below high limit setting. Limit
prevents burner operation while this LED is on.
2
ACTIVE Indicates low water cut-off function is active.
When control is installed with Electro-well, LED is on at all
times when control is powered. If the control is installed
with a well other than Electro-well, LED will not illuminate
indicating the control is not providing low water cutoff
functionality.
WARNING
Burn and scald hazard. Do not add water until boiler
has fully cooled. Failure to follow these instructions
could result in death or serious injury.
!
3
LOW WATER Illuminates if boiler is in low water
condition. Control will prevent burner operation during this
condition.
Important: System must be checked by qualifi ed service
agency prior to resuming operation.
4
ACTIVE Indicates that thermal targeting function is
active and control reduces boiler temperature to conserve
fuel. Economy feature is activated using the ECONOMY
dial.
5
TARGET When feature is active, control continually
sets target temperatures below high limit setting to
maximize fuel effi ciency. When boiler reaches target
temperature, LED illuminates and burner shuts down.
Boiler water continues to circulate and heat the house as
long as thermostat call continues. LED stays lit until boiler
temperature drops below differential at which point boiler
will be allowed to fi re again.
Note: LED illuminates regularly during normal boiler
operation.
6
PURGE Control is purging latent heat from boiler and
will not fi re until temperature drops to 135°F.
7
TEST/SETTING to Test LWCO: Press and hold TEST
button. Red Low Water light will illuminate and burner
circuit will de-energize.
Figure 27 - LED Legend
115
100
130
145
160
175
190

51
TROUBLESHOOTING -HYDROSTAT HIGH LIMIT CONTROL AND LWCO
Troubleshooting Flow Chart
Burner Will Not Fire See Flow Chart, this page.
No or Insuffi cient
Domestic Hot Water
If installed with indirect water heater, insure end switch in relay box controlling indirect water
heater is properly connected to Cable 2. This will insure domestic water calls are prioritized. If
Cable 2 is not used, turn Economy Feature OFF.
House Will Not Get or
Stay Warm
1.
Check for air-bound radiators.
2.
Check thermostat settings including heat anticipator settings (common on non-digital
thermostats).
3.
Check Economy setting. Economy feature, like outdoor reset controls, lowers average
boiler temperature and can slow or, in some cases, prevent the house from coming up to
temperature. Move to lower setting.
Is Red LED
(LOW WATER)
On?
Is Yellow LED
(HI TEMP)
On?
Is Yellow LED
(TARGET)
On?
Is
PURGE LED
on?
Replace
Control
Control is
Sensing Low
Water
Control is
Sensing High
Temperature
Boiler
Reached
Target
Temperature
Boiler in Purge Mode
and will not fi re until
temperature drops to
140°F.
See Purge page 36.
Both red and yellow LEDs are off and there is call
to fi re burner, there will be 120 VAC in terminals
B1 and B2.
►120 VAC is not present, replace control.
CAUTION- ALWAYS ALLOW BOILER TO COOL BEFORE
ADDING WATER
Burner will not fi re until low water condition is satisfi ed.
►Verify system fi lled with water.
►Verify sensor is inserted correctly into well.
Note: Use of heat-conductive grease may interfere with contact
between spring clip and copper well tube.
►Verify control is tightly clamped to well.
Burner will not fi re until boiler water has dropped to high
limit differential set-point (10° below high limit setting).
►Verify high temperature setting is correct.
When ECONOMY function is active, control monitors
heating demand and establishes Target boiler temperatures
below high limit setting to conserve fuel. Burner will not
fi re until boiler temperature drops to Target Temperature
Differential.
YES
YES
YES
YES
NO
NO
NO
NO

52
Troubleshooting Chart 1
TROUBLESHOOTING

53
Troubleshooting Chart 2
!"
#
" "
"
"!"
"
#
!"
#
!#
#
#
!#
!"
#
"!
"#
"!
"
"
#"
#
#"
#"
"
!"
#
! "
#
TROUBLESHOOTING

54
Troubleshooting Chart 3
CHECK FOR VAC
BETWEEN TERMINALS 1 AND 3
AT CONNECTOR CN4 ON IBC
NO NO
BLOWER STARTS
REPLACE IBC
CHART
1
OPEN
IBC PURGE LIGHT ON?
NO
YES
IBC WAITS UP TO 5
MINUTES FOR NORMALLY
OPEN AIR
PRESSURE SWITCH
CONTACTS TO CLOSE,
INDICATING BLOWER
SUCTION IS
PRESENT
YES
CHECK FOR 120 VAC AT
BLOWER LEADS ON WIRING
HARNESS
YES
REPAIR/REPLACE
BLOWER
NO REPAIR/REPLACE
WIRING FROM IBC
TO BLOWER
PRESSURE SWITCH
CONTACTS
OPEN
ARE VENT PIPE AND AIR
INTAKE PIPE CLEAR
(NO BLOCKAGE)
NO
CLEAN OUT VENT PIPE
AND/OR AIR INTAKE PIPE.
CHECK FOR SAGS OR
LOW SPOTS WHERE
CONDENSATE MAY
PUDDLE AND BLOCK
THE VENT
YES
CHECK AIR
PRESSURE SWITCH PER
INSTRUCTIONS ON
FOLLOWING PAGES. ARE
SAMPLING LINES CLEAR
AND CONNECTED
PROPERLY?
NO CLEAN OUT SAMPLING
LINES OR REPLACE
DEFECTIVE SWITCH
YES
CHECK FLUE PASSAGES
IN BOILER PER
"MAINTENACE AND
CLEANING". ARE FLUE
PASSAGES IN BOILER CLEAN?
NO CLEAN BOILER FLUE
PASSAGES PER
MAINTENANCE AND
CLEANING INSTRUCTIONS
YES
CHECK DRAFT INDUCER
MOTOR RPM. IS IT
3400-3600?
NO REPLACE
BLOWER
YES
CHECK FOR BROKEN OR
LOOSE IMPELLER ON DRAFT
INDUCER AND REPLACE
BLOWER IF FOUND TO
BE BROKEN OR LOOSE
YES
15 SECOND PRE PURGE COMPLETE.
IBC PURGE LIGHT IS OFF. SIMULTANEOUSLY
IGNITOR LIGHT IS ON AS IGNITOR CIRCUIT
IS ENERGIZED.
YES
C
HART 4
NO
REPLACE IBC
ARE ORIFICE IN
NEGATIVE PRESSURE
HOSE CLEAR?
NO
YES
CLEAN OUT BLOCKAGE
AT ORIFICE
TROUBLESHOOTING

55
Troubleshooting Chart 4
IGNITER/SENSOR WARMS
UP AND GLOWS
YELLOW/ORANGE
DURING 20 SECOND
WARM UP
CHART 3
YES
NO
CHECK FOR 120 VAC
BETWEEN TERMINALS 1
AND 2 AT CONNECTOR
CN1 ON IBC (DURING
IGNITER WARM UP)
NO
REPLACE IBC
YES
CHECK FOR 120 VAC AT
IGNITER/SENSOR LEADS
ON WIRING HARNESS
(DURING IGNITER
WARM UP)
NO REPAIR/REPLACE WIRING
FROM IBC
TO IGNITER/SENSOR
YES REPLACE IGNITER/SENSOR
AFTER 20 SECOND
IGNITER WARM UP, GAS
VALVE IS ENERGIZED
VALVE LIGHT IS ON
2 SECONDS LATER POWER
IS REMOVED FROM
IGNITER/SENSOR
IGNITER LIGHT IS OFF
DOES MAIN BURNER
LIGHT?
CHECK FOR 24 VAC
ACROSS TERMINALS MV
ON THE GAS CONTROL.
WHILE VALVE/FLAME
INDICATOR LIGHT IS ON
NO NO
CHECK FOR 24 VAC
ACROSS TERMINALS
CN6-2 AND CN6-5 ON
IBC, WHILE THE VALVE/
FLAME LED IS LIT
NO
REPLACE IBC
YES
REPAIR/REPLACE WIRING
BETWEEN IBC AND
GAS CONTROL
YES
CHECK IF IGNITER/
SENSOR POSITION IS OK?
TIP SHOULD BE SLANTED
TOWARDS BURNER
RESTORE IGNITER/SENSOR
TO CORRECT POSITION.
DO NOT RELOCATE
NO
YES
CHECK GAS SUPPLY
PRESSURE AT INLET
PRESSURE TAPPING ON
GAS CONTROL IS GAS
PRESSURE GREATER
THAN 4.0" W.C.?
NO
ARE ALL MANUAL
SHUT-OFFS IN THE GAS
SUPPLY LINE AND ON
THE GAS CONTROL IN
THE OPEN OR ON
POSITION?
OPEN OR TURN ON ALL
MANUAL SHUTOFFS
NO
YES
CONTACT THE GAS UTILITY
TO TURN THE GAS ON
YES
CHART 5 CHART 5
YES
YES
TROUBLESHOOTING

56
POSSIBLY MIXTURE TOO LEAN!
CHECK GAS LINES DOWNSTREAM OF GAS
VALVE FOR BLOCKAGE.
ARE GAS LINES CLEAR?
IS GAS/VENTURI VALVE CORRECT SIZE?
SEE REPAIR PARTS DIAGRAM.
CLEAN/REPLACE GAS LINES .
BE SURE TO USE CORRECT GAS/VENTURI VALVE SIZE.
NO
YES
POSSIBLY MIXTURE TOO RICH!
CHECK FLUE PASSAGES IN BOILER PER
"MAINTENANCE AND CLEANING". ARE
FLUE PASSAGES IN BOILER CLEAN?
NO CLEAN BOILER FLUE PASSAGES PER MAINTENANCE
AND CLEANING INSTRUCTIONS
CHART 4
YES
YES
CHECK MIXER AND BURNER FOR
BLOCKAGE PER MAINTENANCE AND
CLEANING INSTRUCTIONS. ARE AIR
PASSAGES IN MIXER AND BURNER
CLEAN?
NO CLEAN MIXER AND BURNER PER MAINTENANCE AND
CLEANING INSTRUCTIONS
CHECK AIR ORIFICE AT BURNER INLET
FOR CORRECT SIZE. SEE REPAIR PARTS
DIAGRAM. IS ORIFICE CORRECT SIZE?
REPLACE BURNER
NO
CHART 4
YES
DOES MAIN BURNER
RUN UNTIL CALL FOR
HEAT ENDS OR HI
LIMIT AQUASTAT
CONTACTS OPEN?
*
NO #1
NO #2
NO #3
RUNS SMOOTHLY FOR ABOUT 6
SECONDS THEN SHUTS OFF.
INDICATES POOR FLAME SIGNAL.
CHECK IGNITER/SENSOR
POSITION. TIP SHOULD BE
SLANTED TOWARDS BURNER
CHART 6
YES
CHECK FLAME SIGNAL >0.6uA?
CONSULT BOILER MFGR. FOR
SPECIFIC INSTRUCTIONS.
REQUIRES SPECIAL TOOLS.
YES
REPLACE IBC
* IF THE ANSWER IS NO.
CHOOSE THE APPROPRIATE
PATH (#1, #2, OR #3) BASED ON
SYMPTOMS SHOWN.
RESTORE
IGNITER/SENSOR
TO CORRECT POSITION
.
DO NOT RELOCATE.
NO
CHART 6 CHART 6
OXIDE COATING ON
IGNITER PREVENTING
FLAME SIGNAL.
REPLACE
IGNITER/SENOR.
NO
Troubleshooting Chart 5
TROUBLESHOOTING

57
Troubleshooting Chart 6
RUNS FOR 25-50 SECONDS,
THEN TURNS OFF.
CHECK FIRING RATE OF UNIT.
IS UNIT FIRING AT THE CORRECT RATE?
NO
DOES THE UNIT USE LP GAS.
YES
NO
CHECK GAS ORFICICE SIZE.
IS GAS ORIFICE SIZE CORRECT.
CHECK REPAIR PARTS LIST
FOR CORRECT SIZE. IS GAS ORIFICE
CLEAR OF BLOCKAGE.
ADJUST RATE AS DESCRIBED IN THE
CHECK OUT PROCEDURE AND
ADJUSTMENT SECTION
OF THE MANUAL.
CHART 5
NO #2
YES
CHECK BURNER FOR ANY DETERIORATION
IN THE FLAME PORTS. ARE BURNER PORTS
IN GOOD CONDITION.
NO REPLACE WITH CORRECT
AIR BAFFLE.
YES
CHECK FLAME SIGNAL > 0.6uA?
CONSULT BOILER MFGR. FOR
SPECIFIC INSTRUCTIONS. REQUIRES
SPECIFIC TOOLS.
NO
YES
REPLACE BURNER
REPLACE IBC
BOILER SHUTS OFF BEFORE END OF
CALL FOR HEAT. ARE HI LIMIT
AQUASTAT CONTACTS CLOSED?
NO BOILER OFF ON HIGH LIMIT. IS
ACTUAL BOILER WATER TEMP.
GREATER THAN HI LIMIT SET POINT
MINUS 30°F CONTROL DIFFERENTIAL?
NO
NO
REPLACE
AQUASTAT
OK
YES
SEE TROUBLESHOOTING PATH
#2 ABOVE
CHART 5
NO #3
CHART 5
YES
SET THERMOSTAT BELOW ROOM
TEMPERATURE TO END CALL FOR
HEAT
DOES CIRCULATOR PUMP STOP?
NO
ARE THERMOSTAT CONTACTS OPEN? REPLACE THERMOSTAT
NO
YES
REPLACE IBC
YES
VALE LIGHT IS OFF
REMOVE WIRING HARNESS
CONNECTION CN9 FROM GAS
CONTROL DOES GAS CONTROL
CLOSE?
NO
REPLACE GAS CONTROL
NO
YES
YES
DOES DRAFT BLOWER
STOP AFTER 30
SECOND POST PURGE?
NO
REPLACE IBC
YES
YES
SYSTEM OK
YES
REPLACE GAS CONTROL.
TROUBLESHOOTING

58
Aluminum Series
High Effi ciency Gas-Fired Boiler
DIELECTRIC ISOLATION & ANTIFREEZE PROTECTION
APPENDIX A - WATER QUALITY, WATER TREATMENT AND FREEZE PROTECTION
WARNING
Follow these instructions to prevent damage to
boiler’s heat exchanger caused by inadequate
dielectric isolation, incorrect water treatment or
antifreeze application. Failure to comply could result
in death or serious injury.
!
• Install boiler so gas ignition system components are
protected from water (dripping, spraying, rain, etc)
during appliance operation and service (circulator
replacement, etc).
• DIELECTRIC ISOLATION
Two (2) 1-1/4” X 1-1/4” Female to female dielectric
isolation unions are shipped loose in boiler parts bag.
Install Dielectric Isolation unions at boiler supply line
and return line. Install isolation fi ttings nearest boiler
prior to system piping connections.
• WATER TREATMENT and ANTIFREEZE
PROTECTION
MUST be applied for ALL aluminum series high
effi ciency gas-fi red boilers using antifreeze
protection.

59
System and Operating Precautions
Applies to ALL Aluminum High Effi ciency Gas-Fired Water Boilers
Eliminate System Leaks
Continuous addition of make-up water will constantly add
oxygen to system. Eliminate all system leaks. All system
leaks must be repaired immediately.
DO NOT use stop leak compounds. Leaks in threaded
connections in aluminum boiler sections must be repaired
immediately. Aluminum threads will not seal themselves.
Verify expansion tank is operational and properly sized.
Undersized expansion tanks cause relief valve weeping and
substantial make-up water addition.
Operation of this boiler in system containing signifi cant
amounts of dissolved oxygen can cause severe heat
exchanger corrosion damage.
This boiler is not designed for use in systems containing
regular additions of make-up water. Regular additions of
make-up water may cause severe heat exchanger damage.
System leaks may not always be visible. An unseen system
leak will become obvious if boiler pressure decreases when
make-up valve is closed.
This boiler is designed for closed loop hydronic heat system
ONLY!
This boiler is not suitable for natural gravity type
installations, or any other open type system.
Fill Water and Chemistry
Verify water used to fi ll system meets these requirements:
System fl uid pH maintained between 7.0 and 8.0.
Maintain water hardness below 7 grains hardness.
Filling with chlorinated potable water is acceptable. DO
NOT fi ll boiler with water containing chlorine in excess of
100 ppm.
DO NOT use inhibitors or other additives that are not listed
in this addendum.
Consult local water treatment specialist for
recommendations if any of above requirements is outside
stated ranges.
Clean System First
BEFORE connecting boiler to heating system, clean and
fl ush system thoroughly. Verify system is free of sediment,
fl ux and any residual boiler water additives.
Systems having antifreeze not recommended must be
completely fl ushed to ensure no old antifreeze remains.
In older systems obviously discolored, murky or dirty
water; or pH reading outside acceptable range (between
7.0 and 8.0) are indications the system should be cleaned
or treated. Thoroughly fl ush system with clean water to
remove any sediment or contaminants. Sludge and iron
oxide deposits can cause rapid breakdown of inhibitors.
Flushing with clean water. If chemical cleaners are used,
use only those recommended for use with aluminum
boilers. Follow chemical cleaner manufacturer’s instructions
completely.
DO NOT mix different manufacturer’s products.

60
System and Operating Precautions
Applies to ALL Aluminum High Effi ciency Gas-Fired Water Boilers
General Guidelines When Using Antifreeze
• Use only antifreeze products recommended
for use with aluminum boilers, as listed in
this addendum. See Table 8.
• Continuous addition of make-up water will dilute
power of antifreeze and change buffers ability to
maintain pH.
• Flush old antifreeze from system. Flush boiler and
system separately.
• Do not use antifreeze unless required.
• Antifreeze, if needed, must be of type listed on
next page due to their operational characteristics
of : type 356 T6 aluminum at operating
temperatures between 20°F (-6.7°C) and 250°F
(121°C). (See Table 8 for allowable products.)
• Always clean system prior to using antifreeze as
stated in this supplement.
• Follow antifreeze manufacturer’s instructions for
use, safe handling and storage of their products.
Refer to MSDS (Material Safety Data Sheets)
provided by antifreeze manufacturer for potential
hazards and fi rst aid procedures for exposure or
ingestion.
• Antifreeze will raise pH of hydronic solution in
heating system above recommended level due to
corrosion inhibitors. Solution must be treated to
maintain a pH within recommended level. Follow
antifreeze manufacturer’s instructions to adjust
pH.
• If system has leaked, water and antifreeze
chemistry will need to be adjusted. To avoid
damage to boiler, check pH and chemistry of boiler
solution and consult the antifreeze manufacturer
for recommendations.
• Recommend taking pH reading annually, and
adjusted as necessary. Follow antifreeze/inhibitor
manufacturer’s instructions for details on how to
adjust pH.
• Antifreeze solutions can break down over time.
Failure to check antifreeze chemistry on annual
basis may result in accelerated corrosion of
boiler and other system components. Consult with
antifreeze manufacturer for recommendations.
• Use of antifreeze in any boiler will reduce
heating capacity as much as 10-20%. Take
into consideration when sizing heating system,
pumps and expansion tank. Consult antifreeze
manufacturer’s literature for specifi c information
on reduced capacity.
• Using antifreeze manufacturer’s instructions,
determine freezing temperature needed and use
correct amount of antifreeze. Never exceed 50%
antifreeze by volume.
• Boiler operating pressure must remain below 15
psi for antifreeze solutions that specify a maximum
of 250°F (121°C). Otherwise, increase system
operating/tank pressure to 20 psig.
Note: Refer
to expansion tank manufacturer instructions for
adjusting tank pressure.

61
Compatible Aluminum Antifreeze & Inhibitor Suppliers
Noburst AL Antifreeze
Noble Company
P. O. Box 350
Grand Haven, MI 49417
www.noblecompany.com
Tel: 800-878-5788
Fax: 231-799-8850
Rhogard Antifreeze &
Pro-Tek 922 Inhibitor*
Rhomar Water Management, Inc.
P. O. Box 229
Springfi eld, MO 65801
www.rhomarwater.com
Tel: 800-543-5975
Fax: 417-862-6410
* Pro-Tek 922 Inhibitor may be used to adjust the pH level of the hydronic system, but on occasion may not resolve the
pH issue. In these cases, fl ush the system and refi ll with untreated water and antifreeze suitable for aluminum heat
exchangers, as listed in this supplement.
Alphi-11
Hydronic Agencies, Ltd.
(Fernox North Distributor)
15363 117 Avenue
Edmonton, AB T5M 3X4
Canada
www.hydronicagencies.com
Tel: 780-452-8661
Fax: 780-488-2304
Fernox
www.fernox.com
Intercool NFP-30,40,50 AA
Intercool RPH-15*
Interstate Chemical
2797 Freedland Road
P.O. Box 1600
Hermitage, PA 16148-0600
www.interstatechemical.com
Tel: 800-422-2436
Fax: 724-981-8383
Hercules Cryo-tek™-100/Al
Hercules Chemical Company, Inc.
111 South Street
Passaic, NJ 07055
www.herchem.com
Tel: 800-221-9330
Fax: 800-333-3456
* This product may be used to adjust pH level of hydronic system, but on occasion may not resolve pH issue. In these
cases it is recommended to fl ush system and refi ll with untreated water and new boiler manufacturer approved
antifreeze suitable for Aluminum heat exchangers.
Table 8
- Antifreeze Products
System and Operating Precautions
Applies to ALL Aluminum High Effi ciency Gas-Fired Water Boilers

62
INSTALLATION AND CHECK-OUT CERTIFICATE
Boiler Model Serial # Date Installed___________
Measured BTU/HR input____________
Installation instructions have been followed
Checkout procedure and adjustments performed
Maintenance and Service issues reviewed with owner/ maintenance person
Installation booklet affi xed on or adjacent to boiler
Installer (Company)
Address
Phone
Installer’s Name
Signature
INSTALLATION AND CHECK-OUT CERTIFICATE

NOTES

UTICA BOILERS
2201 Dwyer Avenue
Utica NY 13501
web site: www.ecrinternational.com