VINOTEMP Wine Cooler Manual L0801840
User Manual: VINOTEMP VINOTEMP Wine Cooler Manual VINOTEMP Wine Cooler Owner's Manual, VINOTEMP Wine Cooler installation guides
Open the PDF directly: View PDF
.
Page Count: 14

VT32SN
INSTRUCTION MANUAL
l/
LOS A EL CA
WWW.VIN

OF DOOR 3
6_
RRANTY.
........................................................... 11

ZERO CLEA CE
holding capacity:
enables in but not to kitchen
cabinets, kitchen islands and focal display areas. Must leave clearance
in fi'ont the unit.
Triple tem Derature zones that provide proper storage climate for white
45 (7 °C_ 8
°C), so all your wines will taste great
temperature for your
will highlight your
you serve
to get
will provide reliability of your new wine cellar.
All units are CETL ce_ified to ensue
durability and service life.
Unit is not
long term
for use in the garage or other extreme environments.
The wine cellar was
of to
as well as to meet the needs of t_ay'
an astonishing
_n in ny countries
wine will
for _e modem family: The unique
your modem
s ever =growing number of wine
in wine
and wine
This beautit_al wine
private wine selection.
is gto allow adisplay of your
Z
Z

offer will
for the very wine on
larger and more sophisticated units is available upon request or you may
visit www:vinotemp.com.
Install your wine
ensure a
in and out
on a solid and
and
to
in excess noise or vlbration.
It is not advisable to
as moisture
floor (other than ca_et). This
ust leveling legs
" ella h " tally.
wine c r onzon
be
If the
,e
adjacent to a kitchen
corroslorl to
+
the components of your new wine cellar.
Do not install your new wine in
or of ¸
sunlight or near a range of
the
the and of
Do not your wine in the
CAUTION: DO NOT USE EXTENSION CORDS!
WA NG: RISK OF CHILD ENT MENT. Before you
, off in so
away your old
children may not
y c
Z
Z
m
2

7
4
1. Glass door
2. Grlil
3. Adjustable levelling legs
4. Shelf
5. Cabinet
6. PVC
7. LED indicator
8.
9. Temperature
adjustment button
im
o
of or rl
The wine as
If you want to reverse
i.
to open
open direction of door,
Disconnect the powe_ take out all the wines and lay
when
do as follows:
wine
door not to
in
power up unit for 48 hours to allow the to ¸
2
3.
4.
5.
Remove the upper hinge cover.
the screws on
Rernove the door
_e
hinge from the lower hinge axis.
on
6_
of the
two screws on the door handle. Remove
Z
Z
m
3
On

,
9.
i0.
_0 screws on
hinge and left
two ,'r
" the door.
You now
ie
e.
insmii them on another
e blocks to _other
e coven
folly installed on your
ri
The wine cellar requires a power supply of
certain that you connect
Triple temperature zones ensure
" " in
n wine:
60°F or
lS
m
and
to a proper voltage supply.
proper storage temperature ibr
the of
or I0 C-12°C);
in the
S
45°F or 7°C). The LED
of IS
of to
maintain proper storage temperature
for any longer than necessary,
You may turn on to
the
Do not door open
or prolonged lighting can
The temperature by the
to power,
to adjust:
-to
_wer is
inner storage temperature.
is 54°F (12°C). When
54°F (12°C).
rmnge is 40 °F-65 °F (4°C-18°C). If you wish
temperature, you may press
you desired temperature.
on or
after an extended power outage,
to increase or
power comes on
wine cellar may mn continuously fbr
Z
Z
m

in order to cool the to
temperature. When the interior temperature has stabilized,
will enter the automatic con_ol mode.
nodal operating
wine
on
more continuously on hot days, and run relatively
and usage, wine cellar compressor may run
to
,
in
If in ctions are followed
compressor unit will offer
Th" " not
iS •*iS
on cold days.
specifications
S _ ....
or
_r
_r to
Do not lay wine cellar on its "
should not be than 45
Do not handle or lift, wine cellar by
and violent
The
Z
Z
m
5
When using wine
30 minutes before
time or
V _
" in to a ,rod
it
e to
wine cellar in again to avoid
the
To prevent
wine is
, do not use
5
e to
into an
an overloaded circuit or
The electrical outlet should proper ground fault
Do not use fllis wine cellar if electrical supply outlet is
i
does not to these
questionable or

Do not damage insulation on the
cord. Consumers should not a_empt to
to wine
or place weight
power cord.
to
on
+or be m the
+
wine cellar under any circumstances.
Temperature fluctuation is normal.
Be careful not to pour water or other
on the wires or
on the wine
could cause
not objects
may affect
on or its as
to
The wine
Check to
power supply to
does not get cold at all:
• e is installed properly_
not blown
power plug
certain a
breaker has not tripped o_
The wine not get cold enou
te eramre set above
too
The wine
i
iS noisy:
IS
54°F (12°C) ?
y leveled
to _e to
or the
if ¸
main circuit
be
source of noise
Z
Z
m

_wm fit my
at ram for
I NTER I OR REAR),
GLASS DOOR
THE FOLLOWING ARE NOT
of in a
similar to ing water may sometimes
is operating. Sometimes there is a pit-a-pat
or stops.
operation starts
Z
Z
_'1
7
(
Seller(
) the
)
or
y fully agree to
enat
Seller' s
career, or
sold. to
, including, but not
events caused by any
or
Purchaser once the goods have
to, delivery by '
career incurs in attempting to fit
of or to size
of
of
goods into s
of or "se, as
Purchaser assumes all responsibility delivery, pa nt
• V _*
access, measurement, installation, hook-up, molng and storage of
The transpo_ation of all is ect to the teems
moving cavier imposes on Purchaser including, but not limited to,

with
to lift
S
_
by
Any
of
to
to
carrier of the
to
are final,
to
m
iS
in writing by
to g
of
that is of the purchase price the goods.
must notify Seller of non-confo_ning goods within five days of delivery,
:h time all
is
a
If
or stops payment on a
pay for all costs
ac including without
a
or
the
ity ....
secur in.rest in
for m'lyreason, Purchaser agrees to
s co:_ection or litigation of such
extra damages, cou_ costs aRomeys _
charges are retroactive begin at fiae date
added to
in fi!ll
are paid for in full.
fee of 505 will
i
iS
goods until
mvome. Collection
Title m the
Seller retains a
in
all cooling unit parts
a period
be
as follows: Furniture style (wood) wine
a period of 5: (five) years; cabinetry rand labor
i2 of sale,
of unit is :not included in
m
cabinet wine units:
period of i2 (twelve)months from
for cooling for a
of sale, removal and re-installation
unit is :notincluded :in labor. For a B good, scratch _d dent or
8
Z
Z
m

Z
Z
m
of
only).
IS
and
90
W;
Systems and installed products _e pm_s only for i year, no labor. There is no
limited, at:
new or factory reconditioned pa_[s]. Unless
, IS
thcility and Seller will pay remm
of
s option; to repair or replace defective pa_[s] with
repaired under wa_anty with in
Since the variation in texture,
of wood is unavoidable;
2
iS
provided by applicable
m
in _e continental United
from date
geller does not: _ tee the
or
tone or shade of the wood: nor does
or against
subject m warping; all wood
the unit will void
of wood
not cover
war,
or
_e
of God,
to
or dissimilar ito the
US.
warranted under the Limited Wa_ang¢.)
S as
of
of
. _l:is limited wa_anty applies
that the
, cigar humidors, and/or other similar units which
all of
humidity variations
and similar perils ml:
wine or cigars.
of
;e,
incidental or
by law, is
are no wa_anties,
9

lmphed, which description on
of a
incidental or consequential damages, or a waiver of
w nty gives you
which vau state to state.
_e
of
implied warranties of
above limitations may not apply to you.
fi and you
to
Purchaser must
occu_ence giving
any dispute
file a ,_Titten
to
Seller and Purchaser arising out of or
or to
days of
wait m_ a_
or g to
initiating any legal action, legal proceeding arising out of
te_s and conditions or to the goods sold generally shall
of Los An
)
in the
g
such proceeding is entitled to
any
occu_ence of the event giving rise to _e
The _yin any
fees and costs. In no event may
six the
terms and
no
can only
11-06
in
only ones governing
of
by both Purchaser
For service on your unit due to malfunction please call 800 777 8466.
If an in home visit
you will be ect to a service fee for
Please Review Te And Condmons On www.wnote .corn
For more Info_ation us at
Z
Z
m
10

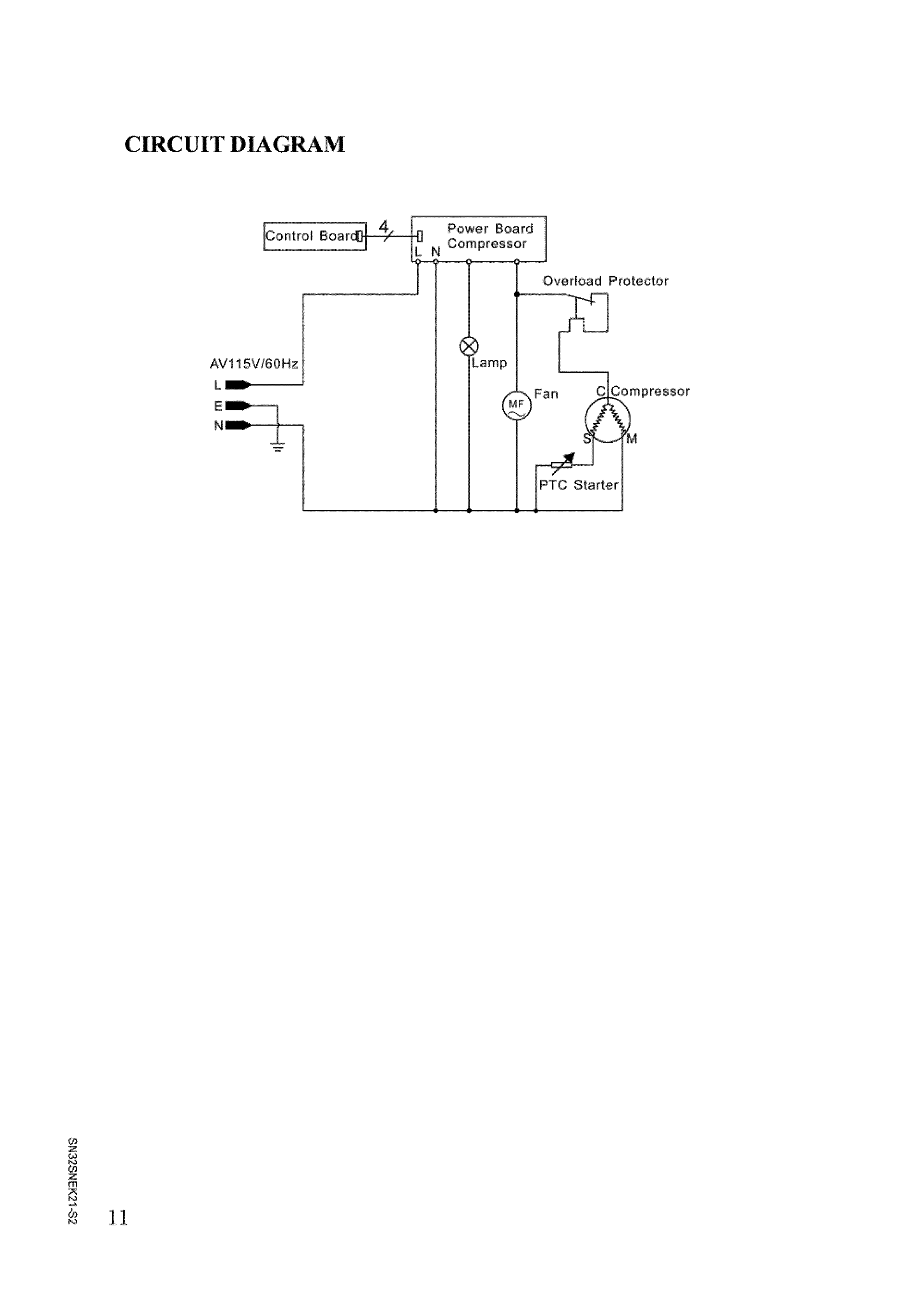
Contro_
AV i 15V/6 0Hz
L_
Z
Z
m
i

®
P.O.Bo x 6107,CO MPTON, CA,90224
_1: (3 t 0)886-3332 Fax: (310) 886 -3310
Z
Z
_71
_...)
E ma!!, fo@ v!note p.com