Vermont Castings Radvt Series Radvtc Users Manual 2 12697 Radiance
2015-02-10
: Vermont-Castings Vermont-Castings-Radvt-Series-Radvtc-Series-Users-Manual-360468 vermont-castings-radvt-series-radvtc-series-users-manual-360468 vermont-castings pdf
Open the PDF directly: View PDF
.
Page Count: 52

INSTALLER / CONSUMER
SAFETY INFORMATION
20012697 4/08 Rev. 4
PLEASE READ THIS MANUAL
BEFORE INSTALLING AND USING
APPLIANCE.
WARNING!
IF THE INFORMATION IN THIS
MANUAL IS NOT FOLLOWED
EXACTLY, A FIRE OR EXPLOSION
MAY RESULT CAUSING
PROPERTY DAMAGE, PERSONAL
INJURY OR LOSS OF LIFE.
FOR YOUR SAFETY
Installation and service must be
performed by a qualified installer,
service agency or the gas suppler.
WHAT TO DO IF
YOU SMELL GAS:
• Do not try to light any appliance.
• Do not touch any electric switch; do
not use any phone in your building.
• Immediately call your gas supplier
from your neighbor’s phone. Follow
the gas supplier’s instructions.
• If you cannot reach your gas supplier,
call the fire department.
DO NOT STORE OR USE
GASOLINE OR OTHER
FLAMMABLE VAPORS AND
LIQUIDS IN THE VICINITY OF THIS
OR ANY OTHER APPLIANCE.
This appliance may be installed in an
after market permanently located
manufactured (mobile) home where not
prohibited by local codes.
This appliance is only for use with the
type of gas indicated on the rating plate.
This appliance is not convertible for use
with other gases unless a certified kit is
used.
Radiance
Direct Vent Gas Heater
Models:
RADVT Series: RADVTCB, RADVTEB, RADVTMB,
RADVTBS, RADVTCH, RADVTVG, RADVTBD, RAD-
VTBB, RADVTCG, RADVTGG, RADVTSG,
RADVTC Series: RADVTCCB, RADVTCEB,
RADVTCMB, RADVTCBS, RADVTCCH, RADVTCVG,
RADVTCBD, RADVTCBB, RADVTCCG, RADVTCSG
Homeowner’s Installation
and Operating Manual
CERTIFIED
D
E
S
I
G
N
C
E
R
T
I
F
I
E
D
12697
Radiance cover
7/07
INSTALLER: Leave this manual with the appliance.
CONSUMER: Retain this manual for future reference.

22
Radiance Direct Vent Gas Heater
20012697
PLEASE READ THE INSTALLATION & OPERATING INSTRUCTIONS BEFORE USING APPLIANCE.
Thank you and congratulations on your purchase of a Vermont Castings stove.
IMPORTANT: Read all instructions and warnings carefully before starting installation. Failure to follow these instructions
may result in a possible fire hazard and will void the warranty.
Table of Contents
Installation & General Information ....................................................................................................3
Operating Instructions Installation Requirements for the Commonwealth of Massachusetts ..........................4
Stove Dimensions .......................................................................................................5
Installation Requirements ...........................................................................................6
Locating the Stove ......................................................................................................6
Clearance Requirements ............................................................................................6
Parallel Installation ......................................................................................................7
Corner Installation .......................................................................................................7
Wall and Ceiling Clearances .......................................................................................7
Hearth Requirements ..................................................................................................7
Gas Specifications ......................................................................................................8
Gas Inlet and Manifold Pressures ...............................................................................8
High Elevations ...........................................................................................................8
Horizontal Termination ................................................................................................8
Vertical Termination .....................................................................................................9
Restrictor Plate Adjustment for Extended Pipe Runs ..................................................9
Vent Termination Clearances ....................................................................................10
General Venting Information - Termination Location .................................................11
Termination Clearances ............................................................................................12
Venting Requirements and Options ..........................................................................13
Assembly Procedures Tools Required ..........................................................................................................15
Parts Bag Contents ...................................................................................................15
Unpack and Assemble Legs ......................................................................................15
Install Optional Fan ...................................................................................................16
Venting System Assembly - Direct Vent ....................................................................17
Install Vent Adapter Pipe (CFM Corporation Components) ......................................17
Install Vent Adapter Pipe (Simpson Dura-Vent Components) ...................................17
Install Vent Adapter Pipe (Selkirk Corporation Components) ....................................18
Side Wall Termination Assembly ...............................................................................18
Vent Termination Below Grade .................................................................................20
Vertical (Through the Roof) Vent Assembly ..............................................................20
Selkirk Direct-Temp Metalbestos Direct Vent System ................................................21
Install Log Set ............................................................................................................26
Connect Gas Supply Line .........................................................................................28
Burner Information ....................................................................................................28
Install ON/OFF Switch ..............................................................................................29
Thermostat Connection (Optional) ............................................................................29
Install the Mesh and Grille ........................................................................................29
Operation Your First Fire ...........................................................................................................29
Pilot and Burner Inspection .......................................................................................29
Flame & Temperature Adjustment .............................................................................30
Flame Characteristics ...............................................................................................30
Lighting and Operating Instructions ..........................................................................31
Troubleshooting - SIT NOVA 820 (RADVT Series) ...................................................32
Instructions for RF Comfort Control Valve ................................................................33
Fuel Conversion Instructions ....................................................................................37
Maintenance Annual System Inspection ........................................................................................41
Logset and Burner/Cleaning and Inspection .............................................................41
Care of Cast Iron .......................................................................................................41
Cleaning the Glass ...................................................................................................41
Glass Replacement ...................................................................................................41
Gasket Replacement ................................................................................................42
Inspect the Vent System Annually ............................................................................42
Check the Gas Flame Regularly ...............................................................................42
Wiring Diagrams .......................................................................................................43
Replacement Parts ...................................................................................................................................44
Optional Accessories ...................................................................................................................................48
Warranty ...................................................................................................................................51

3
Radiance Direct Vent Gas Heater
20012697
The Radiance Direct Vent Room Heater, Model Nos. RADVTCB,
RADVTEB, RADVTMB, RADVTBS, RADVTCH, RADVTVG,
RADVTBD, RADVTBB, RADVTCG, RADVTGG, RADVTSG,
RADVTCCB, RADVTCEB, RADVTCMB, RADVTCBS, RAD-
VTCCH, RADVTCVG, RADVTCBD, RADVTCBB, RADVTCCG,
RADVTCSG, is a vented gas appliance listed to the ANSI
standard Z21.88-2005 and CSA-2.33-2005 for Vented Room
Heaters, and CSA 2.17-M91, Gas-Fired Appliances For Use at
High Altitudes.
The installation of the Radiance Direct Vent Room Heater must
conform with local codes, or in the absence of local codes, with
National Fuel Gas Code, ANSI Z223.1/NFPA 54 — latest edi-
tion and CSA B-149.1 Installation Code. (EXCEPTION: Do not
derate this appliance for altitude. Maintain the manifold pressure
at 3.5 inches w.c. for Natural Gas and 10 inches w.c. for LP gas
at maximum input.)
This appliance is only for use with the type of gas indicated on
the rating plate. This appliance is not convertible for use with
other gases unless a certified kit is used.
Installation and replacement of gas piping, gas utilization
equipment or accessories, and repair and servicing of equip-
ment shall be performed only by a qualified agency, preferably
NFI or WETT (Canada) certified. The term “qualified agency”
means any individual, firm, corporation, or company that
either in person or through a representative is engaged in
and is responsible for (a) installation or replacement of gas
piping, or (b), the connection, installation, repair, or servic-
ing of equipment, who is experienced in such work, familiar
with all precautions required, and has complied with all the
requirements of the authority having jurisdiction.
The Radiance Direct Vent Room Heater should be inspected
before use and at least annually by a qualified service
agency. It is imperative that control compartments, burn-
ers, and circulating air passageways of the appliance be
kept clean.
The Radiance Direct Vent Room Heater and its individual shut-off
valve must be disconnected from the gas supply piping during
any pressure testing of that system at test pressures in excess
of 1/2 psig (3.5 kPa).
The Radiance Direct Vent Room Heater must be isolated from
the gas supply piping system by closing its individual manual
shutoff valve during any pressure testing of the gas supply piping
system at test pressures equal to or less than 1/2 psig.
An accessible tap is located above the pilot/On-Off knob for
checking the inlet pressure.
‘Direct Vent’ describes a sealed combustion system in which
incoming outside air for combustion and outgoing exhaust en-
ter and exit through two separate concentric passages within
the same sealed vent system. The system does not use room
air to support combustion. The Direct Vent system permits the
gas appliance to be vented directly to the outside atmosphere
through the side of the house or vertically through the roof.
Conventional venting systems (Natural Vent) take air from the
room for combustion and vent the exhaust vertically through the
roof to the atmosphere.
This appliance is approved for bedroom installations in the U.S.
and Canada.
This appliance may be installed in an aftermarket* manufactured
(mobile) home, where not prohibited by state or local codes.
WARNING: Operation of this heater when not connected to a
properly installed and maintained venting system can result
in carbon monoxide (CO) poisoning and possible death.
The Radiance Direct Vent Room Heater, when installed, must
be electrically grounded in accordance with local codes or, in
the absence of local codes, with the National Electrical Code
ANSI/NFPA 70, (latest edition), or of the current Canadian
Electrical Code C22.1.
Due to high temperatures this appliance should be located
out of traffic and away from furniture and draperies.
WARNING: This appliance is hot while in operation. Keep
children, clothing, and furniture away. Contact may cause
burns or ignition of combustible materials.
Children and adults should be alerted to the hazards of
high surface temperatures and should stay away to avoid
burns or clothing ignition. Young children should be care-
fully supervised when they are in the same room as the
appliance.
Clothing or other flammable materials should not be placed
on or near the appliance.
Any safety screen, glass or guard removed for servicing
an appliance must be replaced prior to operating the ap-
pliance.
The appliance area must be kept clear and free from com-
bustible materials, gasoline, and other flammable vapors
and liquids.
The flow of combustion and ventilation air must not be ob-
structed. The installation must include adequate accessibility
and clearance for servicing and proper operation.
WARNING: Do not operate the Room Heater with the glass
panel removed, cracked or broken. Replacement of the panel
should be done by a licensed or qualified service person.
Do not use this appliance if any part has been under water.
Immediately call a qualified service technician to inspect the
appliance and to replace any part of the control system and
any gas control which has been under water.
Do not burn wood, trash or any other material for which this
appliance was not designed. This appliance is designed to
burn either natural gas or propane only.
This gas appliance must not be connected to a chimney flue
serving a separate solid-fuel burning appliance.
CAUTION: Label all wires prior to disconnection when
servicing controls. Wiring errors can cause improper and
dangerous operation.
Verify proper operation after servicing.
* Aftermarket: Completion of sale, nor for purpose of resale,
from the manufacturer.
Installation & Operating Instructions

44
Radiance Direct Vent Gas Heater
20012697
Requirements for the Commonwealth of
Massachusetts
All gas fitting and installation of this heater shall only be
done by a licensed gas fitter or licensed plumber.
For all side wall horizontally vented gas fueled
equipment installed in every dwelling, building or
structure used in whole or in part for residential
purposes, including those owned or operated by the
Commonwealth and where the side wall exhaust
vent termination is less than seven (7) feet above
finished grade in the area of the venting, including
but not limited to decks and porches, the following
requirements shall be satisfied:
Installation of Carbon Monoxide Detectors
At the time of installation of the side wall horizontal
vented gas fueled equipment, the installing plumber
or gas fitter shall observe that a hard wired carbon
monoxide detector with an alarm is installed on each
additional level of the dwelling, building or structure
served by the side wall horizontal vented gas fueled
equipment. It shall be the responsibility of the property
owner to secure the services of qualified licensed
professionals for the installation of hard wired carbon
monoxide detectors.
In the event that the side wall horizontally vented gas
fueled equipment is installed in a crawl space or an
attic, the hard wired carbon monoxide detector with
alarm and battery back-up may be installed on the next
adjacent floor level.
In the event that the requirements of this subdivision
can not be met at the time of completion of installation,
the owner shall have a period of thirty (30) days
to comply with the above requirements; provided,
however, that during said thirty (30) day period, a
battery operated carbon monoxide detector with an
alarm shall be installed.
Approved Carbon Monoxide Detectors
Each carbon monoxide detector as required in
accordance with the above provisions shall comply with
NFPA 720 and ANSI/UL 2034 listed and IAS certified.
Signage
A metal or plastic identification plate shall be
permanently mounted to the exterior of the building at
a minimum height of eight (8) feet above grade directly
in line with the exhaust vent terminal for the horizontally
vented gas fueled heating appliance or equipment. The
sign shall read, in print size no less than one-half (1/2)
inch in size, “GAS VENT DIRECTLY BELOW, KEEP
CLEAR OF ALL OBSTRUCTIONS”.
Inspection
The state or local gas inspector of the side wall
horizontally vented gas fueled equipment shall not
approve the installation unless, upon inspection, the
inspector observes carbon monoxide detectors and
signage installed in accordance with the provisions of
248 CMR 5.08(2)(a)1 through 4.
Exemptions
The following equipment is exempt from 248 CMR
5.08(2)(a)1 through 4:
• The equipment listed in Chapter 10 entitled
“Equipment Not Required To Be Vented” in the most
current edition of NFPA 54 as adopted by the Board;
and
• Product Approved side wall horizontally vented gas
fueled equipment installed in a room or structure
separate from the dwelling, building or structure
used in whole or in part for residential purposes.
MANUFACTURER REQUIREMENTS
Gas Equipment Venting System Provided
When the manufacturer of Product Approved side
wall horizontally vented gas equipment provides a
venting system design or venting system components
with the equipment, the instructions provided by the
manufacturer for installation of the equipment and the
venting system shall include:
• Detailed instructions for the installation of the venting
system design or the venting system components;
and
• A complete parts list for the venting system design or
venting system.
Gas Equipment Venting System NOT Provided
When the manufacturer of a Product Approved side
wall horizontally vented gas fueled equipment does
not provide the parts for venting the flue gases, but
identifies “special venting systems”, the following
requirements shall be satisfied by the manufacturer:
• The referenced “special venting system” instructions
shall be included with the appliance or equipment
installation instructions; and
• The “special venting systems” shall be Product
Approved by the Board, and the instructions for
that system shall include a parts list and detailed
installation instructions.
A copy of all installation instructions for all Product
Approved side wall horizontally vented gas fueled
equipment, all venting instructions, all parts lists
for venting instructions, and/or all venting design
instructions shall remain with the appliance or
equipment at the completion of the installation.
Installation & Operating Instructions

5
Radiance Direct Vent Gas Heater
20012697
29"
(758 mm)
31"
(787 mm)
7" Outer Dia.
(178 mm)
Flue Collar L
C
4"
(120 mm)
14"
(378 mm)
ST126
RDV40 dimensions
10/99
RADIANCE
28"
(711 mm)
5"
(127 mm)
18"
(464 mm)
Supply
Inlet
9"
(241 mm)
RADVT Models
7" Outer Dia.
(178 mm)
Flue Collar
L
C
4"
(120 mm)
14"
(378 mm)
8"
(218 mm)
RADVTC Models
Supply Inlet
Supply Inlet
11”
(279 mm)
13”
(340 mm)
See Page 7 for Flue Collar
Centerline Dimensions.
Fig. 1 Radiance dimensions.
Radiance Direct Vent Stove Dimensions
Proposition 65 Warning: Fuels used in gas, woodburning
or oil fired appliances, and the products of combustion of
such fuels, contain chemicals known to the State of Cali-
fornia to cause cancer, birth defects and other reproductive
harm.
California Health & Safety Code Sec. 25249.6
Radiance Direct Vent
Certified to:
ANSI Z21.88-2005 / CSA 2.33-2005
Vented Gas Fireplace Heaters

66
Radiance Direct Vent Gas Heater
20012697
Installation Requirements
The installation must conform with local codes or, in
the absence of local codes, with the National Fuel Gas
Code, ANSI Z223.1/NFPA 54 - latest edition. (EXCEP-
TION: Do not derate this appliance for altitude. Main-
tain the manifold pressure at 3.5” w.c. for Natural Gas,
and 10” w.c. for Propane).
In Canada, installation must be in accordance with the
current CSA B-149.1 Installation Codes and/or local
codes.
The installation should be done by a qualified ser-
vice person who is familiar with the building codes
and installation techniques appropriate for your
area to accomplish a safe and effective installation.
Your dealer or your local gas supplier will be able to
refer a qualified service person.
WARNING: Due to high temperatures, the
HEATER should be located out of traffic and
away from furniture and draperies.
The surface of the Heater Is hot when it is in use.
Young children should be watched carefully when
they are in the same room when the Heater is in
use, and they should be taught to avoid the hot
surface. Keep any objects that can burn well away
from the Heater, and observe the recommended
clearances that follow.
ST207a
A. Flat on corner wall
B. Room Divider
C. Island
D. Cross Corner
E. Flat on wall
Fig. 2 Possible stove locations.
Direct Vent System Only
A
B
E
C
D
ST207a
Stardance
Stove locations
9/28/00 djt
Clearance Requirements
Minimum Clearances to Combustible Materials
Measure side clearances as shown in Figures 3, 4 and
5 from the outer edge of the cast iron stove top. Mea-
sure rear clearances from the outermost surface of the
steel rear skirt.
The Radiance heater is approved for installation into
an alcove constructed of combustible materials to the
dimensions and clearances shown on the next page.
The same clearances apply in a standard parallel instal-
lation.
WARNING:
• Always maintain required clearances
(air spaces) to nearby combustibles
to prevent fire hazard. Do not fill air
spaces with insulation. All venting components
must maintain a 1” (25mm) clearance to com-
bustible materials. Maintain a 6” (150mm) clear-
ance when using single wall pipe.
• The gas appliance and vent system must be
vented directly to the outside of the building
and never be attached to a chimney serving a
separate solid fuel or gas-burning appliance.
• Refer to the manufacturer’s instructions includ-
ed with the venting system for complete instal-
lation procedures.
�
Locating The Stove
In choosing a location for the stove, consider:
• The location of outside walls;
• Where additional heat is needed:
• Where family members gather most often;
• The vent system requirements.
NOTE: We do not recommend the use of wallpaper
next to this stove. Over time, radiant heat may cause
the wallpaper to shrink, or may adversely affect the
binders in the wallpaper adhesive.

7
Radiance Direct Vent Gas Heater
20012697
Parallel Installation:
Minimum Clearance and Flue Centerline
Fig. 3 Parallel installation, minimum back and side clear-
ances, and flue centerlines.
ST130
42" (1070mm)
Min. Alcove Width
48"
(1220mm)
Max. Alcove
Depth
6"
(150mm)
6"
(150mm)
4" (102mm)
ST129
18"
(457mm)
18"
(457mm)
6"
(150mm)
6"
(150mm)
Corner Installation:
Minimum Clearance and Flue Centerline
Fig. 4 Corner installation, minimum corner clearances and
flue centerline.
Wall Centerline from Floor
ST131b
Stardance
wall thimble
9/28/00 djt
A
A
Effective Minimum
Centerline 57” (1448 mm) (CFM Corporation Pipe)
55” (1399 mm) (Simpson DuraVent Pipe)
ST131b
Fig. 5 Minimum wall centerline.
Direct Vent Only
Hearth Requirements
The Radiance Heater must be installed on rigid flooring.
When the heater is installed directly on any combustible
surface other than wood flooring, a metal or wood panel
extending the full width and depth of the unit must be
used as the hearth. There are no other hearth require-
ments.
* needed for installing DuraVent Minimum Vent Kit #2792 or
CFM Corporation Minimum Vent Kit #7TFSMSK.
A
C
D
ST101b
Stardance
Direct Vent
Min. Clrnc
9/28/00 djt
B
A: Rear Wall 4” (102 mm)
B: Min. Clearance 44” (1118 mm)*
C: Min. Alcove Height 72” (1830 mm)*
D: Max. Alcove Depth 48” (1220 mm)
Sidewall Clearance 6” (150 mm)
ST101b
Fig. 6 Dimensions and clearances to ceiling or alcove.
Direct Vent Only
Wall and Ceiling Clearances

88
Radiance Direct Vent Gas Heater
20012697
Gas Specifications
Max. Min.
Input Input
Model Fuel Gas Control BTU/h BTU/h
RADVT Series Nat Millivolt 38,000 25,000
RADVT Series Prop Millivolt 36,000 25,000
RADVTC Series Nat Comfort Control 38,000 25,000
RADVTC Series Prop Comfort Control 36,000 25,000
Weight: Fully assembled; 350 lbs.
Natural LP (Propane)
Inlet Minimum 5.5” w.c. 11.0” w.c.
Inlet Maximum 14.0” w.c. 14.0” w.c.
Manifold Pressure 3.5” w.c. 10” w.c.
Gas Inlet and Manifold Pressures
The installation of your Vermont Castings stove
must conform with local codes, or in the absence of
local codes, with the National Fuel Gas Code ANSI
Z223.1/NFPA 54 - latest edition, or CSA B149.1
Installation code. (EXCEPTION: Do not derate this
appliance for altitude up to 2,000 (610 m) for natural
gas and 4,500 feet (1,370 m) for LP Gas. Maintain
the manifold pressure at 3.5” w.c. for Natural Gas and
10.0” w.c. for LP Gas.
High Elevations
Input ratings are shown in BTU per hour and are
certified without deration for elevations up to
2,000 feet (610 m) for natural gas and 4,500 feet
(1,370 m) for LP gas above sea level.
In the USA installations with elevations above
2,000 feet (610 m) for natural gas and 4,500 feet
(1,370 m) for LP gas must be in accordance with
the current ANSI Z223.1/NFPA 54 and/or local
codes having jurisdiction.
In Canada, please consult provincial and/or local
authorities having jurisdiction for installations at
elevations above 2,000 feet (610 m) for natual gas
and 4,500 feet (1,370 m) for LP gas.
WARNING: Improper installation, adjustment,
alteration, service or maintenance can cause in-
jury or property damage. Refer to this manual for
correct installation and operational procedures.
For assistance or additional information consult
a qualified installer, service agency, or the gas
supplier.
Horizontal Termination
The vent must rise vertically a minimum of 24” (610mm)
off the top of the unit, before the first elbow. The hori-
zontal run may extend up to 20’ (6m) and include a
vertical rise of up to 40’ (12m). (Fig. 7) Horizontal termi-
nation must also meet the criteria shown in Figures 10
through 12.
• Approved vent systems must terminate above and
including the heavy line in Figure 7.
• Two 45˚ elbows may be substituted for each single
90˚ elbow.
• With a rise between 2’ - 5’, one 90˚ or two 45˚ elbows
may be used.
Vertical Run (in feet)
(Measured from the appliance flue collar to the top of the vent pipe.)
Horizontal Run (in feet)
ST134b
Radiance
Horizontal
vent run
6/07
ST134a
Fig. 7 Horizontal vent termination window.
May use up to
three 90° Elbows
One 90°
Elbow Unacceptable
Venting Configuration
No Restrictor Plate
Required

9
Radiance Direct Vent Gas Heater
20012697
Vertical Termination
A vertical vent system must terminate no less than 8’
(2.44 m) and no more than 40’ (12 m) above the ap-
pliance flue collar. A restrictor plate (supplied) must be
used, where specified, in all vertically terminated vent
systems. (Refer to Figure 8) NOTE: The restrictor
plate supplied with the vertical termination should
be discarded. Adjust the restrictor plate according
to recommendations in Figure 10. A vertically termi-
nated vent system must also conform to the following
criteria:
• No more than three 90° elbows may be used.
• Two 45° elbows may be substituted for one 90˚
elbow. No more than six 45° elbows may be used.
• Vent must rise a minimum of 2 feet (305 mm) before
offset is used.
• Termination height must conform to roof clearance
as specified in Figure 11.
Vertical Run (in feet)
(Measure from the appliance flue collar to the top of the vent pipe.)
Horizontal Run (in feet)
ST132a
FDV28
Vertical
vent run
12/3/99 djt
ST132a
Fig. 8 Vertical vent termination window.
Restrictor Plate Adjustment
for Extended Pipe Runs
The Radiance stove is shipped with a restrictor plate
in the Parts Bag. Adjustments can be made by loosen-
ing the adjustment screw to allow the restrictor plate to
slide up or down. (Fig. 9) A guide for usage is shown in
Figure 10.
NOTE: Some installations may require some adjust-
ment by the installer for optimum flame appearance.
Optimum flame appearance is a flame that is not sub-
ject to tall, dirty yellow flames producing soot or flames
lifting off of the ember bed ports.
Restrictor Plate Adjustment
1. Remove the screw in the back wall of the firebox.
2. Install restrictor plate as shown in Figure 9 with cut
out on left side. Secure with adjustment screw.
2. Measure from center of screw to top edge of diverter
(Fig. 9) to adjust plate according to guidelines in
Figure 10.
3. Tighten attachment screw.
4. Install logs following log installation instructions.
ST917
restrictor plate
6/07
Adjustment Screw
ST917
Fig. 9 Loosen screw to adjust restrictor plate.
Figure 10
Examples for Extended Run/Restrictor Plate Settings
1. Vertical 20’ (6 m), 90° elbow, out 8’ (2.4 m)
2. Vertical 11’ (3.4 m), 90° elbow, out 2’ (610 mm)
3. Vertical 40’ (12 m)
4. Vertical 5’ (1.5 m), 90° elbow, out 5’ (1.5 m)
Restrictor plate measurement from top of plate to center of
screw:
1. 2³⁄₄” (70 mm) from center of screw to top edge of plate
2. Plate down to top of slot
3. Plate down to top of slot
4. 2³⁄₈” (60 mm) from center of screw to top edge of plate
**
Unacceptable
Venting Configuration
**No Restrictor
Plate
All Vertical Ter-
minations in this
area Require use
of the Restrictor
Plate*
Vertical terminations
must be within this
area

1010
Radiance Direct Vent Gas Heater
20012697
Vent Termination Clearances
Your stove is approved to be vented either through the
side wall, or vertical through the roof.
• CFM Corporation does not require any opening
for inspection of vent pipe.
• Only CFM Corporation, Simpson DuraVent and
Selkirk Corporation venting components specifi-
cally approved and labelled for this stove may be
used.
• Minimum clearances between vent pipes and
combustible materials is one (1”) inch (25 mm),
except where stated otherwise.
• Venting terminals shall not be recessed into a wall or
siding.
• Horizontal venting must be installed on a level plane
without an inclining or declining slope.
There must not be any obstruction such as bushes,
garden sheds, fences, decks or utility buildings within
24” from the front of the termination hood.
Do not locate termination hood where excessive snow
or ice build up may occur. Be sure to check vent termi-
nation area after snow falls, and clear to prevent ac-
cidental blockage of venting system. When using snow
blowers, make sure snow is not directed towards vent
termination area.
Location of Vent Termination
It is imperative the vent termination be located observ-
ing the minimum clearances as shown on this page.
When planning the installation, consider the location
of the vent terminal and clearances. Some of the most
common clearances to keep in mind are shown in Figure
11.
Important: All vent clearances must be maintained.
Check your vent termination clearances against
Figures 11 through 13.
The vent should be placed so that people cannot be
burned by accidentally touching the vent surfaces when
the stove is operating.
The vent termination should be located where it cannot
be damaged by such things as automobile doors, lawn
mowers or snowblowers and it should be located away
from areas where it could become blocked by snow,
etc.
Some considerations are:
• Obstructions or impediments to venting.
• Nearby combustible materials that could come into
contact with combustion exhaust gases.
• Other nearby openings {within 12” (305 mm)}
through which exhaust gas could reenter the build-
ing.
• All vegetation within 3’ (76 mm) that may interfere
with the draft.
Other factors that influence where the installation will
be sited include the location of outside walls, where
additional heat may be desired in the home, where the
family members gather most regularly, and perhaps
most importantly, the distance limitations of the venting
system.
IMPORTANT
• The horizontal termination must not be recessed
into the exterior wall or siding.
• Horizontal vent runs must be level toward the
vent termination.
• Clearances around the vent termination must be
maintained.
• For installations using Simpson DuraVent pipe,
parallel installations with minimum wall clearance
have restricted access for connecting the Hori-
zontal Vent Cap straps to the vent pipe. See the
maker’s instructions for recommended installa-
tion procedures.

11
Radiance Direct Vent Gas Heater
20012697
V
V
V
V
V
V
V
X
X
X
D
E
B
B
B
C
B
M
B
A
J
K
F
L
VENT TERMINATION AIR SUPPLY INLET AREA WHERE TERMINAL IS NOT PERMITTED
H
I
Operable
Operable Fixed
Closed
V
B
CFM145a
DV Termin Location
5/01/01 Rev. 12/05/01
sta
INSIDE
CORNER DETAIL
V
A
G
N
N
CFM145a
General Venting Information - Termination Location
A = Clearance above grade, veranda, porch, 12” (30cm) 12” (30cm)
deck, or balcony
B = Clearance to window or door that may be 6” (15cm) for appliances 6” (15cm) for appliances
opened < 10,000Btuh (3kW), 12” (30cm) < 10,000 Btuh (3kW), 9”
for appliances > 10,000 Btuh (3kW) and (23cm) for appliances > 10,000
< 100,000 Btuh (30kW), 36” (91cm) Btuh (3kW) and < 50,000 Btuh
for appliances > 100,000 Btuh (30kW) (15kW), 12” (30cm) for
appliances > 50,000 Btuh (15kW)
C = Clearance to permanently closed window 12” (305mm) recommended to 12” (305mm) recommended to
prevent window condensation prevent window condensation
D = Vertical clearance to ventilated soffit located
above the terminal within a horizontal 18” (458mm) 18” (458mm)
distance of 2’ (610mm) from the center
line of the terminal
E = Clearance to unventilated soffit 12” (305mm) 12” (305mm)
F = Clearance to outside corner see next page see next page
G = Clearance to inside corner (see next page) see next page see next page
H = Clearance to each inside of center line 3’ (91cm) within a height of 15’ (5m) 3’ (91cm) within a height of 15’
extended above meter/regulator assembly above the meter/regulator assembly (5m) above the meter/regulator
assy
I = Clearance to service regulator vent outlet 3’ (91cm) 3’ (91cm)
J = Clearance to nonmechanical air supply inlet 6” (15cm) for appliances < 10,000 6” (15cm) for appliances
to building or the combustion air inlet to any Btuh (3kW), 12” (30cm) for < 10,000 Btuh (3kW), 9”
other appliances appliances > 10,000 Btuh (3kW) and < (23cm) for appliances > 10,000
100,000 Btuh (30kW), 36” (91cm) Btuh (3kW) and < 50,000 Btuh
for appliances > 100,000 Btuh (30kW) (15kW), 12” (30cm) for
appliances > 50,000 Btuh (15kW)
K = Clearance to a mechanical air supply inlet 6’ (1.83m) 3’ (91cm) above if within 10’
(3m) horizontally
L = Clearance above paved sidewalk or paved 7’ (2.13m)† 7’ (2.13m)†
driveway located on public property
M = Clearance under veranda, porch, deck or 12” (30cm)‡ 12” (30cm)‡
balcony
N = Clearance above a roof shall extend a minimum of 24” (610mm) above the highest point when it passes through the roof
surface, and any other obstruction within a horizontal distance of 18” (450mm).
1 In accordance with the current CSA-B149 Installation Codes
2 In accordance with the current ANSI Z223.1/NFPA 54 National Fuel Gas Codes
† A vent shall not terminate directly above a sidewalk or paved driveway which is located between two single family dwellings and serves both dwellings
‡ only permitted if veranda, porch, deck or balcony is fully open on a minimum 2 sides beneath the floor:
NOTE: 1. Local codes or regulations may require different clearances.
2. The special venting system used on Direct Vent Stoves are certified as part of the appliance, with clearances tested and approved by the list-
ing agency.
3. CFM Corporation assumes no responsibility for the improper performance of the appliance when the venting system does not
meet these requirements.
Canadian Installations1 US Installations2
Fig. 11 Vent termination clearances.

1212
Radiance Direct Vent Gas Heater
20012697
Fig. 12 Termination clearances.
Outside Corner
Inside Corner
Termination Clearances
Termination clearances for buildings with combustible and noncombustible exteriors.
G =
Combustible
6" (152 mm)
Noncombustible
2" (51 mm)
F =
Combustible
6" (152 mm)
Noncombustible
2" (51 mm)
G
Balcony -
with no side wall
M =
Combustible &
Noncombustible
12" (305 mm)
M
Balcony -
with perpendicular side wall
M = 24" (610 mm)
P = 20” (508 mm)
M
F
Alcove Applications*
C
D
C
E
V
V
Combustible &
Noncombustible
V
V
V
E = Min. 6” (152 mm) for
non-vinyl sidewalls
Min. 12” (305 mm) for
vinyl sidewalls
O = 8’ (2.4 m) Min.
O
P
584-15
No.
of Caps DMin. CMax.
1 3’ (914 mm) 2 x DActual
2 6’ (1.8 m) 1 x DActual
3 9’ (2.7 m) 2/3 x DActual
4 12’ (3.7 m) 1/2 x DActual
DMin. = # of Termination caps x 3
CMax. = (2 / # termination caps) x DActual
*NOTE: Termination in an alcove space (spaces open only on one side and with an overhang) is permitted with the dimensions
specified for vinyl or non-vinyl siding and soffits. 1. There must be a 3’ (914 mm) minimum between termination caps. 2. All
mechanical air intakes within 10’ (1 m) of a termination cap must be a minimum of 3’ (914 mm) below the termination cap. 3. All
gravity air intakes within 3’ (914 mm) of a termination cap must be a minimum of 1’ (305 mm) below the termination cap.

13
Radiance Direct Vent Gas Heater
20012697
Venting Requirements and Options
Approved Vent System Components
The Radiance Heater must be vented to the outdoors
through an adjacent exterior wall or through the roof. The
venting system must be comprised of the appropriate
listed venting components specified on this page. These
parts are available from DuraVent Corporation, Selkirk
Corporation or your Vermont Castings Dealer.
See Figure 4 for dimensions relevant to the standard
minimum-vent kits.
Simpson DuraVent Components
www.duravent.com
Phone: 1-800-835-4429, Fax: 1-707-446-4740
Minimum Horizontal Vent Kit 2792
Starter Pipe Assembly (incl. inner & outer sections) 2768*
90° Elbow, Blk. 46DVA-E90B*
45° Elbow, Gal. 46DVA-E45
6” Straight, Blk. 46DVA-06B*
9” Straight, Blk. 46DVA-09B
11” - 14⁵⁄₈” Adjustable Straight Section 46DVA-08AB
12” Straight 46DVA-12
24” Straight 46DVA-24B*
36” Straight 46DVA-36B
48” Straight 46DVA-48
Horizontal Vent Cap 46DVA-HC*
Wall Plate 46DVA-DC
Vinyl Siding Shield 46DVA-VSS
Snorkel Termination - 14” 46DVA-SNK14
Snorkel Termination - 36” 46DVA-SNK30
Wall Strap 46DVA-WS
Cathedral Ceiling Support Box 46DVA-CS
Storm Collar 46DVA-SC
Firestop Spacer 46DVA-FS
Flashing 0/12 - 6/12 46DVA-F6
Flashing 6/12 - 12/12 46DVA-F12
Steel Chimney Conversion Kit
Kit A (6⁵⁄₈” - 8⁵⁄₈”) 46DVA-KCA
Kit B (6⁵⁄₈” - 10¹⁄₂”) 46DVA-KCB
Kit C (6⁵⁄₈” - 13”) 46DVA-KCC
Masonry Chimney Conversion Kit 46DVA-KMC
Vertical Termination Cap (High Wind) 46DVA-VCH
Vertical Termination Cap (Low Profile) 46DVA-VC
*Included in Minimum Horizontal Vent Kit #2792
All DuraVent Straight vent pipe sections have a net length 1¹⁄₂”
(37mm) less than the nominal dimension; i.e., a 6” (152mm)
Straight pipe section has an effective length of 4¹⁄₂” (115mm).
Selkirk Corporation Vent Components
www.selkirkcorp.com
1301 W. President George Bush Highway Ste. 330
Richardson, TX 75080
Phone: 1-800-992-8368, Fax: 1-877-393-4145
Appliance Adapter 4DT-AAV
90° Elbow, Blk. 4DT-EL90B
45° Elbow, Blk. 4DT-EL45B
6” Straight, Blk. 4DT-06B
9” Straight, Blk. 4DT-09B
4” - 10” Adjustable Straight Section, Blk. 4DT-AJ12
12” Straight, Blk. 4DT-12B
18” Straight, Blk. 4DT-18B
24” Straight, Blk. 4DT-24B
36” Straight, Blk. 4DT-36B
48” Straight, Blk. 4DT-48B
Horizontal Vent Cap 4DT-HC
Wall Plate 4DT-WT
Vinyl Siding Shield 4DT-VS
Snorkel Termination - 14” 4DT-ST14
Snorkel Termination - 36” 4DT-ST36
Wall Strap 4DT-WS/B
Cathedral Ceiling Support Box 4DT-CCS
Storm Collar 4DT-SC
Firestop Spacer 4DT-FS
Flashing 0/12 - 6/12 4DT-AF6
Flashing 6/12 - 12/12 4DT-AF12
Steel Chimney
Horizontal Kit A 4DT-HKA
Horizontal Kit B 4DT-HKB
Vertical Kit 4DT-VKC
Masonry Chimney Kit 4DT-MCK
Vertical Termination Cap 4DT-VC

1414
Radiance Direct Vent Gas Heater
20012697
CFM Vent Components
The following kits are available to meet the needs of
most installations. All pipe has a 7” outer diameter and
includes a 4” diameter inner section. A (CG) designa-
tion indicates the part is finished in Charcoal Gray paint.
Consult your dealer about other vent parts that may be
appropriate to complete the installation.
Min. Through the Wall Vent Kit 7TFSSK
(1) 90-Degree Elbow (CG) (7537517)
(1) 24” Straight pipe (CG) (20001448)
(1) 24” - 42” Adjustable Straight Pipe (20006759)
(1) Side Wall Termination (06508)
(1) Firestop (50534)
(1) Zero-clearance sleeve (54623)
(1) Hardware package (20000160)
(1) Finishing plate (CG) (10000257)
(1) Finishing collar (CG) (56298)
(4) Charcoal Gray flue pipe rings (10001008)
Starter Kit for Below-Grade Termination 7TDVSKS
(1) Snorkel Termination (7TDVSNORK)
Vertical Termination Kit, 1/12-6/12 Pitch 7TDVSKVA
(1) Combination Horizontal Offset / Roof Support
(1) Vertical Termination
(1) Storm Collar
(1) 1/12-6/12 Flashing
(1) Finishing Plate (CG)
(1) Finishing Collar (CG)
(1) Polished Brass Flue Pipe Ring
(1) Hardware Package
Vertical Termination Kit, 7/12-12/12 Pitch 7TDVSKVB
(1) 7/12 - 12/12 Flashing
and all of the other Vertical Termination parts.
Vertical Termination, Flat Roof 7DVSKVF
(1) Flat Flashing
and all of the other Vertical Termination parts.
Twist Lock 12” Straight Pipe (CG) 7TFSDVP12
(1) 12” Non-adjustable Pipe
Twist Lock 12” - 18” Adjustable Pipe 7TFSDVP1218
(1) 12” - 18” Adjustable Pipe
Twist Lock 24” Straight Pipe (CG) 7TFSDVP24
(1) 24” Non-adjustable Pipe
Twist Lock 48” Straight Pipe (CG) 7TFSDVP48
(1) 48” Nonadjustable Pipe
Twist Lock 45-Degree Elbow (CG) 7TFSDVT45
for vertical offsets
(1) 45-degree Elbow
Combination Offset/Roof Support 7DVCS
Attic Insulation Shield 7DVAIS
7” Charcoal Gray Pipe Rings, (4) 7FSDRG
7” Polished Brass Pipe Rings (4) 7FSDRP
Wall Thimble 942G

15
Radiance Direct Vent Gas Heater
20012697
ST720
Radiance
slide stove back
7/30/02 djt
ST720
Fig. 13 Slide stove back just far enough to access rear leg
holes.
Assembly Procedures
Failure to position the parts in accor-
dance with these diagrams or failure to
use only parts specifically approved for
use with this heater may result in property dam-
age or personal injury.
This heater and components are heavy. Have
help available for assembly.
WARNING
Tools Required
• Phillips screwdriver (stub) • power drill
• utility knife • reciprocating saw
• metal drill bit: size 28 (.140”/3.5mm) • 9/16” wrench
Parts Bag Contents:
• (3) Vent Screws
• (2) Switch bracket screws
• Wood handle w/insert lifter
(handle for operable door)
• Restrictor Plate
• 4” Starter pipe
• On-Off switch, housing, and wiring harness
(3) Phillips round-head bolts, 1/4”- 20 x 1/2”
• (1) Tube of Vent Gasket Cement
• (4) CS, Hex Hd 3/8-16 x 1 Gr 2-Z
• (4) Washer, Fl 3/8-Z
• Owner Registration Card
• Homeowner’s Installation and Operating Manual
Unpack and Assemble Legs
The Radiance is shipped upright. Cut the shipping
straps before beginning assembly.
1. Slide stove to the rear of the pallet just far enough to
access rear leg holes. Make sure the stove does not
tip over backwards. (Fig. 13)
2. Attach the rear legs using 3/8” hex head bolts and
flat washer supplied. Tighten with a 9/16” wrench or
socket.
3. Carefully tip the stove onto its rear legs. Adjust the
pallet to allow access to one of the front leg holes.
Be sure to leave the pallet under the stove to pre-
vent the stove from falling fully forward. (Fig. 14)
CAUTION: To prevent valve tubing from be-
ing crushed or damaged, do not rest valve or
ignitor on wooden pallet.
4. Have your assistant attach one leg using the hard-
ware described.
5. Move the pallet to allow access to the other front leg
hole. Attach remaining leg.
6. Remove pallet and allow stove to gently rest on all
four legs.
7. Adjust leg levelers to compensate for irregularities in
the hearth.
NOTE: Verify the two relief doors (located on top of
the firebox) are properly seated on the gasket. The
doors should sit flush on the gasket, and should lift
easily from the seal around the opening.
ST721
Radiance
attach
front legs
7/30/02 djt
Washer
Hex Head Bolt
Fig. 14 Carefully tip stove onto back legs. Leave pallet under
stove to keep stove from falling fully forward.
ST721

1616
Radiance Direct Vent Gas Heater
20012697
ST347a
JUV
FK28
rheostat install
9/21/00
Rheostat
Retaining Collar
Rheostat Knob ST347a
Fig. 18 Attach the fan rheostat.
Rheostat
Install the Optional Fan
If you are installing the optional convection Fan Kit
#2767 (FK26), continue here. It is easiest to install fan
kit before connecting gas line. If you are not installing a
Fan Kit, go to Page 17, Venting System Assembly.
1. The fan kit includes a Blower Assembly and a Rheo-
stat Assembly, connected by a cable. (Fig. 15) The
Blower Assembly mounts to the bottom rear of the
stove, and the Rheostat mounts to the valve cover-
plate. The assembly includes a ‘snapstat’ which au-
tomatically turns the fan On (or Off) above (or below)
approximately 109˚. The Rheostat also provides a
range of fan speed settings from Off (which overrides
the snapstat function) to High. Unpack and inspect
the Blower assembly. Confirm that the fan spins
freely.
ST147
RDV40 remove rear shroud
10/99
Fig. 16 Remove rear shroud.
ST147
ST473
Fan parts
#2767 FK26
9/29/00
Not
Used On
Radiance
Snapstat
Bracket
Snapstat/
Extension
Assembly
Rheostat
Assembly
ST473
Blower
Assembly
Fig. 15 Fan kit components.
Not Used On
RF Models
Not Used
On RF
Models
Connect to PC board on
RF models only
WARNING
This appliance is equipped with a three-prong
(grounded) plug for your protection against shock
hazard and should be plugged directly into a
properly grounded three-prong receptacle. Do not
cut or remove the grounding prong from this plug.
2. Remove the rear shroud panel (Fig. 17) and fasten
the blower assembly to the firebox back with the two
bolts provided. (Fig. 17)
NOTE: Steps 3 and 4 do not apply to RADVTC series
Comfort Control models. On these models, after
attaching blower assembly to the firebox, run the
spliced female leads to the front of the stove and at-
tach to back of Honeywell valve. (Page 34, Fig. 59)
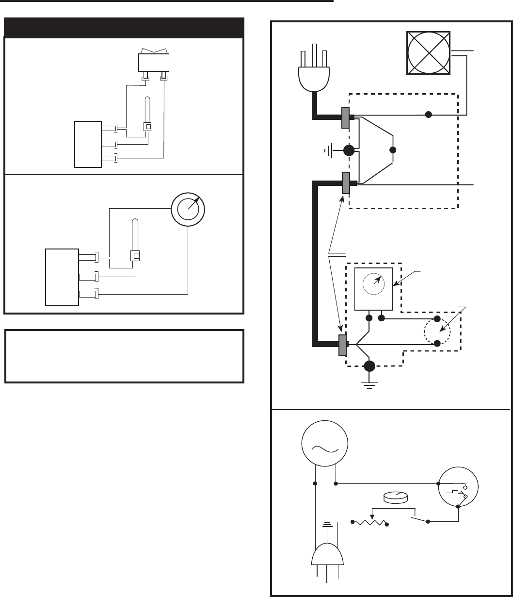
3. Attach the snapstat assembly to the snapstat bracket
with two sheet-metal screws. Attach the snapstat
bracket to the side shield. (Fig. 17)
4. The rheostat control switch attaches to the left side
of the valve bracket at the front of the stove. (Fig. 18)
ST149
rdv attach fan assy
10/99
Side Shield
Snapstat
Bolts ST149
Fig. 17 Attach blower assembly and snapstat.
• Remove retaining nut from shaft of rheostat. (if
preinstalled)
• Insert the rheostat through the hole in the back
of the left side of the valve bracket, aligning the
locator pin with the smaller hole in that bracket.
• Thread the retaining nut onto the shaft of the
rheostat, tightening with a wrench. Do not over-
tighten.
• Attach the control knob to the rheostat shaft.
• Use the wire tie to secure the fan and rheostat
wire harnesses together.

17
Radiance Direct Vent Gas Heater
20012697
Venting System Assembly
General Information
The Radiance is approved for installation only with the
vent components listed on Pages 13 and 14. Follow the
vent component instructions exactly.
For U.S. installations: The venting system must con-
form with local codes and/or the current National Fuel
Gas Code, ANSI Z223.1/NFPA 54.
For Canadian installations: The venting system must
conform to the current CSA B149.1 installation code.
Install the Vent Adapter Pipe
(CFM Corporation Vent Components)
1. Attach Inner Starter Pipe, (found in the Parts
Bag), to the next section of inner pipe.
• Run a bead of sealant about 1/2” from the upper
end of the Inner starter pipe and join the two sec-
tions together.
• Drill three pilot holes into the Inner Starter and
secure the assembly with three sheet metal screws.
(Fig. 19)
CEMENT
ST211
attach inner pipe
to next section
12/4/99 djt
First Section of
Vent Pipe
1/4”-20 x 1/2”
Phillips Screw
4” Inner
Starter
Pipe
ST211
Fig. 19 Connect the inner starter with the next section of in-
ner vent pipe.
4. Install the Outer Adapter Pipe. Insert the pipe
over the stove flue collar, keeping the vertical seam
oriented to the back of the stove. Also, be sure to
align holes on the pipe with the holes on the flue
collar of the firebox. Fasten the pipe to the holes in
the flue collar with the #12 x 1/2” sheet metal screws
provided. (Fig. 21)
2. Dry fit the Inner Pipe assembly to the stove for
the purpose of determining the center line of the
pipe on the wall.
• Side Wall Terminations: Dry fit the outer elbow
with the vertical outer vent and confirm the centerline
alignment with the wall thimble opening.
3. Attach the Inner Vent Assembly to the stove.
• Run a bead of sealant around the bottom end of
the starter pipe and attach the assembly to the stove
using three 1/4-20 x 3/8” Phillips screws provided in
the parts bag. (Fig. 20)
Fig. 20 Attach inner assembly to flue collar.
ST647
attach inner assy
4/20/01 djt
CEMENT
ST648a
Fig. 21 Fasten outer pipe with #12 x 1/2” sheet metal screw.
ST650
install outer adpater
4/20/01 djt
ST650
Install the Vent Adapter Pipe
(Simpson Dura-Vent Components)
1. Discard the inner starter pipe shipped in the Parts
Bag. Using the starter pipe assembly listed on Page
13, slide the inner section out to allow access.
• Run a bead of sealant around the bottom end of
the starter pipe and attach the assembly to the stove
using three 1/4-20 x 3/8” Phillips screws provided in
the parts bag. (Fig. 22)
2. Install the Outer Adapter Pipe. Orient the verti-
cal seam to the rear, and insert the crimped end of
the outer pipe into the flue collar. Fasten with three
sheet metal screws provided. (Fig. 23)

1818
Radiance Direct Vent Gas Heater
20012697
ST651
Fig. 23 Simpson Dura-Vent - install outer adapter pipe.
ST652
dura vent
attach outer assy
4/20/01 djt
ST649
dura vent
attach inner assy
4/20/01 djt
CEMENT
ST649
Inner Adpater Pipe
1/4-20 x
3/8” Phil-
lips Screws
Fig. 22 Simpson DuraVent - install inner adpater pipe.
Install Vent Adapter Pipe
(Selkirk Corporation Vent Components)
The appliance adapter (AA) adapts DIRECT-TEMP to
most direct vent appliances incorporating outlet col-
lars configured to receive most common 4” (ID) by 6⁵⁄₈”
(OD) or 5” (ID) by 8” (OD) “Twist Lock” style, direct vent
systems.
The adapter incorporates two indentations on the outer
wall of the inlet end, which are designed to “Twist Lock”
into place upon attachment to the appliance outlet. Align
the adapter indentations with the entry slots of the appli-
ance outlet and slide together. Turn the adapter clock-
wise approximately one-quarter turn to lock in place.
The outlet end of the adapter is standard DIRECT-
TEMP construction.
For connection of Direct-Temp to units with 4” x 7” flue
outlets, the following methods have been approved:
• Install the Universal/Napoleon Appliance Adapter
4DT-AAN.
• Connect a standard Direct-Temp pipe length (do
not use an adjustable length in this application) a
minimum of 1¹⁄₂” over the flue outlet. The outside of
the Direct-Temp Length will fit inside the flue outlet
Secure with a minimum of two #8 x 1/4” sheet metal
screws and seal with hi-temp silicone.
For units factory equipped with appliance adapters from
other brands of Direct Vent systems, it is permissible
to simply slide a length of DT pipe over the appliance
adapter. Secure with a minimum of two #8 x 1/4” sheet
metal screws and seal with hi-temp silicone.
Side Wall Termination Assembly
1. Locate the vent opening on the wall. Refer to Page
7, Figure 5, to determine the opening centerline.
It may be necessary to first position the stove and
measure to find the hole location. Depending on
whether the wall is made of combustible materials,
cut the opening to the size shown in Figure 24. Com-
bustible wall openings must be framed as shown in
Figure 24.
VO584-100
Vent Opening
2/99 djt
9³⁄₈”
(240mm)
7¹⁄₂”
9³⁄₈”
(240mm)
Framing Detail
Combustible Wall
Noncombustible
Wall
VO584-100
Fig. 24 Locate vent opening.
CFM System
DuraVent
System
10”
(254mm)
10”
(254mm)
NOTE: When Dura-Vent firestop is installed,
leave air space on top side of cut out.
2. Measure the wall thickness and cut the wall sleeve
sections to proper length (MAXIMUM 12”). Assemble
the sleeve with the #8 sheet metal screws supplied.
Attach the firestop plate to the sleeve end with the
holes. (Fig. 25) NOTE: The wall sleeve is required
in combustible walls only.
3. Install the Wall Firestop/Sleeve assembly into the
wall cutout and fasten the firestop to the wall cutout
framing members. (Fig. 25)
For DuraVent pipe only: Install vent pipe by align-
ing the locking system together, sliding the pipes
together and twisting clockwise.
• Install 90° elbow. Twist lock as before.
• Slide the wall plate over horizontal run before at-
taching the horizontal run to the elbow. Fasten wall
plate to wall.

19
Radiance Direct Vent Gas Heater
20012697
4. For CFM Vent Pipe only: If necessary, measure
to determine the vertical length (X) of pipe required
from the adapter pipe to the wall cutout centerline,
including a 2” overlap at the joint. (Fig. 26) use a
hacksaw or tin snips to trim the pipe as needed.
ZCS103
Zero Clearance Sleeve
& Firestop
12/6/99 djt
12”
(305mm)
Max. Length Sleeve
#8 Sheet
Metal Screws
Firestop ZCS103
Fig. 25 Assemble the wall sleeve and firestop.
ST214a
measure vertical vent
12/6/99 djt
RADIANCE
X
ST652
Fig. 26 Determine the vertical pipe length.
ST215
measure thru wall
12/6/99 djt
X
ST215
Fig. 27 Measure the horizontal length.
ST216
install pipe thru wall
12/6/99 djt
Trim Collar
Wall
Sleeve
Wall Plate
ST216
Fig. 28 Install the horizontal pipe and wall plate parts.
sleeve. Seal the joint inside the wall plate if needed
to keep cold air from being drawn into the home.
9. Connect the horizontal pipe to the elbow. Fasten the
wall plate to the pipe with three sheet metal screws.
Slide the trim collar up against the wall plate to cover
the screws. (Fig. 28)
10. For both CFM and DuraVent Systems: Install the
vent terminal. (Fig. 29) Apply high temperature seal-
ant one inch from the ends of the inner and outer
collars. Guide the inner and outer vent termination
collars into the adjacent pipes. Double check that
the vent pipes overlap the collars by 2”. Fasten the
termination to the wall with the screws provided, and
caulk the joint with weatherproof sealant.
ST217
install wall terminal
12/6/99 djt
Seal Both Termi-
nal Ends
Caulk Plate Joint with
Weatherproof Sealant ST217
Fig. 29 Install the vent terminal.
5. Install first the inner then the outer straight pipe
section(s), trimmed end down, to the point of the el-
bow. Drill 3 holes through each joint and fasten with
sheet metal screws.
6. Install the elbow using 3 sheet metal screws at each
joint.
7. Measure, and cut if needed, the appropriate length
of pipe section needed to make the connection
through the wall. Include a 2” overlap; i.e. from the
elbow to the outside wall face, about 2” or the dis-
tance required if installing a second 90° elbow. (Fig.
27)
8. Slip the wall plate and trim collar over the interior
end of the horizontal pipe and install into the wall

2020
Radiance Direct Vent Gas Heater
20012697
11. For CFM only: Install Charcoal Gray Pipe Rings
(#7FSDRG) or Polished Brass Pipe Rings (#7FSDRP)
at pipe joints, if desired.
Vent Termination Below Grade
Install Snorkel Kit #7FSDVSKS when it is not possible
to meet the required vent termination clearances of 12”
(305 mm) above grade level. The snorkel kit will allow
installation depth of down to 7” (178 mm) below grade
level. The seven inches is measured from the center of
the horizontal vent pipe as it penetrates the wall. If the
venting system is installed below grade, a window
well must be installed with adequate and proper
drainage. (Fig. 31)
NOTE: Be sure to maintain side wall clearances and
vent run restrictions. Refer to Page 7, Figures 3, 4, 5, 6.
1. Establish the vent hole through the wall.
2.
Remove soil to a depth of approximately 16” (406 mm)
below the base of the snorkel. Install a window well
(not supplied). Refill the hole with 12” (305 mm) of
coarse gravel and maintain a clearance of at least 4”
(102 mm) below the snorkel. (Fig. 31)
3. Install the vent system as described on Pages 16-18.
4. Be sure to make a watertight joint around the vent
pipe joint at the inside and outside wall joints.
5. Apply high temperature sealant around the inner
and outer snorkel collars. Join the pipes and fasten
the snorkel termination to the wall with the screws
provided.
6. Level the soil to maintain a 4” clearance below the
snorkel.
If the foundation is recessed, use extension brack-
ets (not supplied) to fasten the lower portion of the
snorkel. Fasten the brackets to the wall first, and
then fasten to the snorkel with self-tapping #8 x 1/2”
sheet metal screws. Extend the vent pipes out as far
as the protruding wall face. (Fig. 31)
ST219
snorkel detail
12/6/99 djt
Recessed Wall
Sheet Metal
Screws and
Bracket
Wall Screws
and Anchors
Waterproof Seal
Around Pipe
ST219
Fig. 30 Use extension brackets to mount snorkel against
recessed wall.
Firestop
Finishing
Collar
7” Pipe
Wall Plate
ST653
install snorkel
4/20/01 djt
RADIANCE
Waterproof Seal
Around Pipe
Firestop
Window Well
Drain
4” Clearance
Snorkel
Termination
Cap
Wall Screws
and Anchors
ST653
Gravel
Fig. 31 Snorkel kit installation.
Vertical (Through the Roof)
Vent Assembly
Make certain the vent system conforms to all other
requirements for vertical termination as specified on
Page 9.
This installation will require you to first determine the
roof pitch and use the appropriate vent components.
Refer to Figure 11 on Page 11.
1. Locate the final position of the stove, observing all
clearances for both the vent and the stove.
2. Plumb to the center of the inner (4”) flue collar from
the ceiling above, and mark that location.
3. Cut the opening:
CFM System: 9³⁄₈” x 9³⁄₈” (240 x 240 mm)
DuraVent System: 10” x 10” (254 x 254 mm)
4. Plumb any additional opening through the roof or
other construction that may be needed. In all cases,
the opening must provide a minimum of 1” (25 mm)
clearance to the vent pipe.
5. Place the stove in its final position.
6. Install firestop(s) #7DVFS and Attic Insulation Shield
#7DVAIS as needed. (Fig. 32) If there is a room
above ceiling level, a firestop must be installed on
both the bottom and top sides of the ceiling joists.
If an attic is above ceiling level, an attic insulation
shield must be installed.

21
Radiance Direct Vent Gas Heater
20012697
7. Install the appropriate roof support and flashing,
making certain that the upper flange of the flashing
base is below the shingles. (Fig. 33)
8. Install appropriate pipe sections until the vent run
reaches above the flashing. The enlarged ends of
the vent sections always face downward.
9. Install the storm collar and seal around the joints.
(Fig. 33)
10. Add additional vent lengths to achieve the proper
overall height.
11. Apply cement to the inner and outer termination col-
lars and install the terminal cap.
ST222
vent thru ceiling
12/99
#7DVAIS
Attic Insulation
Shield
#7DVFS
Firestop in
Upper Floor
#7DVFS
Firestop in
Ceiling
Use Four
8d Nails
ST222
Fig. 32 Install firestops and attic insulation shield.
ST221
vent thru roof
12/99
Storm Collar
Sealant
Upper
edge of
flange goes
under upper
shingles
Flashing
#7DVSKV
(A, B, or
F) Roof
Support
Use three #5
sheet metal
screws at
each joint
ST221
Fig. 33 Roof support and flashing.
Selkirk Direct-Temp Metalbestos Direct
Vent System
Installation Instructions
1. Determine whether the length of pipe fits the appli-
ance outlet by attempting to engage the parts. If the
parts engage smoothly, proceed to Step 2. If ob-
structions, interference or loose fit is noted, contact
the appliance manufacturer or Selkirk Metalbestos
with the dimensions of the appliance outlet.
2. Slide the length of pipe over the appliance outlet a
minimum of 1¹⁄₂” and screw to the appliance outlet
collar using a minimum of two (2) #8 x 1/4” sheet
metal screws.
Appliance Adapter (AAV)
The appliance adapter (AAV) adapts DIRECT-TEMP to
most direct vent appliances incorporating outlet collars
configured to receive most common 4” (ID) 6⁵⁄₈” (OD) or
5” (ID) by 8” (OD) “Twist Lock” Style, direct vent sys-
tems.
The adapter incorporates two (2) indentations on the
outer wall of the inlet end, which are designed to “Twist
Lock” into place upon attachment to the appliance
outlet. Align the adapter indentations with the entry
slots of the appliance outlet and slide together. Turn the
adapter clockwise approximately one-quarter turn to
lock in place. The outlet end of the adapter is standard
DIRECT-TEMP construction.
Framing Dimension Table 1
Model DT Ceiling Support (CS) Cathedral Ceiling Wall Thimble
Diameter Firestop (FS) Support CCS) (WT)
4” 8¹⁄₄” x 8¹⁄₄” 10⁵⁄₈” x 10⁵⁄₈” 8¹⁄₄” x 8¹⁄₄”
5” 10¹⁄₈” x 10¹⁄₈” 14¹⁄₂” x 14¹⁄₂” 10¹⁄₈” x 10¹⁄₈”
Use of Sealant
It is not required to apply or use sealant on the inner
liner of DIRECT-TEMP. For outer wall joint sealing
considerations, follow appliance manufacturer recom-
mendations.
Joint Connection:
The pipe and elbows are assembled by inserting the
outlet (male) end of a length of pipe or elbow into the in-
let (female) end of an adjacent length of pipe or elbow.
Make sure the outlet end is fully seated within the inlet
end of the adjoining section and the gasket, located on
the inner liner of the inlet section is fully enclosed by the
inner liner of the outlet of the adjoining section. Push
in the Lock Tab such that it becomes seated within the
inward groove of the adjoining section. This locks the
joint in place. (Fig. 34)
Supporting DIRECT-TEMP: Vertical Support
Vertical installations can be supported by two methods:
Ceiling Support (CS) (used in flat ceiling installation)
comes with a support plate and a support collar. Install

2222
Radiance Direct Vent Gas Heater
20012697
Gasket
Lock Tab
Inlet End Outlet End
ST922
To Termination To Appliance
Fig. 34 Joint connection.
it by screwing the support plate to the top of the prop-
erly framed ceiling joist opening, using screws provided.
A round trim plate (TP) is attached to the ceiling, using
screws, to provide a finished appearance once in-
stalled. (Fig. 35)
Ceiling Support
Plate
Ceiling Support
Collar
Trim Plate
ST923
Fig. 35 Ceiling support.
Fig. 36 Selkirk Venting Components
Vent Termination (VC)
Storm Collar (SC)
Roof Flashing (AF)
Ceiling Support
(CS)
Trim Plate (TP)
Pipe Length
Pipe Length
Appliance Adapter
(AAV)
ST924
Vertical Venting Pipe Length
Appliance Adapter
(AAV)
90° Elbow
(EL90)
Pipe Length
Trim Plate (TP)
(Required if Wall
Thimble is not used)
Wall Thimble (WT)
(Optional)
Horizontal Termination (HC)
ST925
Horizontal Venting

23
Radiance Direct Vent Gas Heater
20012697
The Cathedral Ceiling Support (CCS) may be used in
pitched or flat ceiling installations and comes with a
support collar and a decorative two part square trim
plate. Install by inserting the support box down through
the framed joist opening (end with round hole first) in
the ceiling using tin snips, cut the corners of the open
end of the box such that the sides can be folded down
over the top of the joist framing members. Nail the
folded sides to the top of the framing. (Fig. 37)
Two Part Square
Trim Plate
Support Box
Support Box Collar
ST926
Fig. 37 Support box.
Nail to top of
framing
Offset Support
Strap
Offset Support
Collar
ST927
Fig. 38 Offset support.
Firestop (FS)
Placed on Top
of Framed
Opening
Attic Framing
(No floor)
Maintain at Least
Minimum Clearance to
Combustibles, Wire and
Insulation ST928
Fig. 39 Firestop spacer.
A two-part square trim plate is provided to give a fin-
ished look once installed. Simply fit the two halves of
the trim plate around the cathedral ceiling support box
hanging below the ceiling (overlapping if necessary)
and screw them to the ceiling. Both the ceiling support
and cathedral ceiling support can support a maximum
of 40’ (12 m) of pipe.
Offsets:
If any offsets are necessary in the vertical system, an
Offset Support (OS) should be installed directly above
the upper elbow of the offset. Install by attaching the
offset support band to the pipe with two #8 x 1/4” sheet
metal screws (minimum ) and secure the offset support
straps to surrounding structure. (Fig. 38)
Supporting DIRECT-TEMP: Horizontal Support
Horizontal runs of Direct-Temp should be supported
every 4’ (122 cm) of pipe. This can be done with the use
of plumbers strapping or the offset support.
Adjustable Length (AJ)
An Adjustable Length is available to accommodate
installations where non-standard lengths are necessary.
The adjustable length telescopes down over a standard
length of pipe and provides an extension range of 3¹⁄₂”
(89 mm) to 10¹⁄₂” (267 mm). Install by sliding the inlet
end of the adjustable length over the outlet end of a
standard length of pipe. After positioning the adjustable
length appropriately, secure it to the standard length
with two (2) #8 x1/4” sheet metal screws (provided).
Seal the area between both the top and bottom of the
adjustable length outer wall and the outer wall of the
standard length with an approved silicone sealant.
Fire Stopping
DIRECT-TEMP must be firestopped wherever it passes
through floors, ceiling or walls. The only location where
a firestop is not required is at the roof level. Both verti-
cal support components with trim plates provide for
firestopping. The wall thimble also acts as a firestop.
AT other locations, a firestop spacer (FS) should be
installed. In the attic the firestop should be placed on
top of the joist framing to prevent debris from falling into
the joist framing. (Fig. 39)
Horizontal Installation
1. Determine the appliance location. Refer to the appli-
ance manufacturer’s installation instructions for clear-
ance to combustible requirements, termination options,
number of elbows, maximum length, etc. Then posi-
tion the appliance and plan vent routing accordingly.
Consider locating the appliance in a place where there
will be no interference with wall studs, electrical wir-
ing, conduit, plumbing pipe or other obstructions. The
termination should be located at least 12” (305 mm)
(Fig. 40) above grade, remain above the snow line in
geographical areas that accumulate snow and be away

2424
Radiance Direct Vent Gas Heater
20012697
from traffic areas such as walkways if it is less than 7’
(2.1 m) high. Refer to Pages 11, 12, Figures 11, 12 for
more detail.
Snorkel Termination
Window Well
12” (305 mm) Minimum
Clearance Above Grade Level to
Air Intake
Grade Level
Sloped Away
From Building
Adequate
Drainage as per
Local Codes
Maintain 2”
(51 mm)
Clearance
Below Snorkel
ST929
Fig. 40 Below grade installation.
2. Assemble the pipe (and elbow if using) and attach it
to the appliance. Plan for a level to 1/4” per foot rise (6
mm per 305 mm) (from inlet to outlet) in the horizontal
system if not specified by the appliance manufacturer.
Horizontal runs should be supported every 4’ (122 cm).
3.
Push the appliance near the desired location. Deter-
mine the centerpoint of the penetration by locating the
centerline of the outlet of the pipe with respect to the wall.
4. Frame an opening to the dimension specified in the
Framing Dimension Table 1. Ensure the centerline of
the pipe lines up with the center of the prepared open-
ing unless otherwise specified by the appliance manu-
facturer.
NOTE: As a general rule, the wall thimble is optional in
the U.S. However, there may be some manufacturers
that require it. Contact the appliance manufacturer for
information if uncertain. When installed in Canada, a
wall thimble is required on all installations in which
the vent passes through a combustible wall.
5. If required, install the outside half of the wall thimble
(WT) through the opening and screw or nail in place. (Fig.
41) Seal around the perimeter of the thimble face plate on
the exterior wall using an RTV silicone sealant to provide
protection from possible rain infiltration. (Fig. 41)
NOTE: The wall thimble accommodates wall thickness-
es of 4¹⁄₂” (114 mm) to 7¹⁄₂” (191 mm). If a larger range
is needed due to a thicker wall, it is permissible to field
fabricate a metal sleeve extension and attach it to the
shields.
6. Install the horizontal termination to the exterior wall
using four (4) all purpose screws through the holes
located at each corner of the termination. Make sure
the arrow (embossed on the front of the termination)
is pointing up. (Fig. 42) If the house has vinyl siding,
Wall
Thimble
Shield
Seal with RTV
Silicone Sealant
on Exterior side
here (around
perimeter)
Wall Thimble
Shield
Wall
Thimble
Face
Plate
Wall Thimble
Face Plate
ST930
Fig. 41 Wall thimble.
Horizontal Termination
ST931
Fig. 42 Horizontal termination.
a Vinyl Siding Standoff (VS) must be installed prior to
installing the horizontal termination. Refer to the appli-
ance manufacturer to determine if one is recommend-
ed. Attach the vinyl siding standoff to the exterior side
of the wall (making sure it is level and centered with
respect to the opening) with screws (provided) at each
corner of the standoff. Attach the horizontal termination
to the standoff. (Fig. 43)
ST932
Selkirk standoff
6/07
Vinyl Siding Standoff
ST932
Horizontal Termination
Fig. 43 Vinyl siding standoff and horizontal termination.

25
Radiance Direct Vent Gas Heater
20012697
If the wall is brick or concrete, and contains no com-
bustible material, a 7” (178 mm) round penetration
hole is adequate. The wall thimble is not required. The
perforated straps of the horizontal termination provide
a method of attachment. These can either be threaded
through the opening or wall thimble (if used) and
screwed to the pipe or removed with a pair of tin snips
if not used. Use proper masonry fasteners to attach the
horizontal termination to the wall.
7. If a wall thimble is used, push the pipe (which is
connected to the appliance) carefully through the wall
thimble until the DIRECT-TEMP pipe becomes fully
engaged with the horizontal termination. If no thimble is
used, place the Trim Plate (TP) on the DIRECT-TEMP
pipe. Carefully push the DIRECT-TEMP pipe through
the wall until fully engaged with the horizontal termina-
tion. Secure the trim plate to the wall.
NOTE: If a vertical rise is necessary on the exterior side
of the building, a 14” (356 mm) and 36” (914 mm) Snor-
kel Termination (ST) is available. Follow the installation
procedures for horizontal terminations. If the snorkel
termination is to be located below grade, a window well
is recommended with adequate and proper drainage
as per local codes. Leave 2” (51 mm) clearance be-
low snorkel to prevent water from entering the snorkel
termination. Do not enclose the snorkel within a wall or
other type of enclosure and do not back fill. Ensure
that grade level slopes away from the building. (Fig. 40)
Vertical Installation (Fig. 44)
1. Determine the location of the appliance. Choose
a location which provides adequate clearance from
obstacles such as electrical wiring, conduit, framing
members, plumbing pipe, etc.
2. After positioning the appliance, determine where the
vent pipe will pass through the ceiling. This can be done
by using a plum bob or a small weight attached to a
string. Hold the plum bob from the ceiling moving it until
it lines up with the centerline of the outlet of the appli-
ance. Mark the position on the ceiling.
NOTE: Frame openings to the dimensions specified
in the framing table for the cathedral ceiling support
box (CCS), the ceiling support (SC) and wherever the
firestop spacer (FS) is being used.
3. Cut and frame the appropriate sized square hole
through the ceiling. Repeat the process for other ceiling
penetrations as necessary.
4. Determine and mark the roof penetration in the
same manner.
5. Cut a hole in the roof at this point large enough to
satisfy all clearance-to-combustible requirements as
specified by the appliance manufacturer’s installation
instructions.
6. Install the ceiling support cathedral ceiling support
box assembly, as appropriate.
Vertical Termination
Approved Silicone
Sealant Here
Storm Collar
Flashing
Offset Support
Collar
Firestop
Spacer
Ceiling Support Collar
Ceiling
Support
Plate
Trim Plate ST933
Fig. 44 Typical vertical venting configuration.
7. Determine the distance from the appliance outlet to
a point just above [approximately 12” (305 mm) to 24”
(610 mm)] either the cathedral ceiling support box or
the ceiling support plate and assemble lengths of pipe
to satisfy this distance. Do not attach assembly to appli-
ance.
8. Loosely position the support collar around the as-
sembled lengths (flared end down).
9. From above, lower the assembled pipe sections
down through the cathedral ceiling box or ceiling sup-
port plate and attach it to the appliance adapter. The
support collar should then be adjusted so that when
the assembled lengths of pipe are attached to the ap-
pliance, it rests on the bottom of the cathedral ceiling
support box on top of the ceiling support plate.
10. Tighten the tabs of the collar. Secure the sup-
port collar by inserting three (3) #8 x 1/4” sheet metal
screws through the support collar and the outer wall of
the pipe.
NOTE: If the cathedral ceiling support box assembly is
being used, it may be necessary to temporarily connect

2626
Radiance Direct Vent Gas Heater
20012697
Minimum Height
Above Roof
ST934
minimum height
6/07
Minimum
Roof Pitch Height
Flat to 7/12 1’0”
Over 7/12 to 8/12 1’6”
Over 8/12 to 8/12 2’0”
Over 9/12 to 10/12 2’6”
Over 10/12 to 11/12 3’3”
Over 11/12 to 12/12 4’0”
Over 12/12 to 14/12 5’0”
Over 14/12 to 16/12 6’0”
Over 16/12 to 18/12 7’0”
Over 18/12 to 20/12 7’6”
Over 20/12 to 21/12 8’0”
Fig. 45 Minimum Height Above Roof Requirements
the assembled pipe to the appliance. Determine and
mark the location of where the support collar will be at-
tached to the pipe. Disconnect and remove assembled
pipe. Attach the support collar per Step 10 (where
marked) and reinstall assembly. This is due to limited
space within the cathedral ceiling support box. Install
any required offset supports.
11. Add lengths of pipe and firestop as necessary
until assembly extends to a point above the roof which
complies with local code requirements for minimum ter-
mination height and with the appliance manufacturer’s
installation instructions. (Fig. 45)
NOTE: Whenever DIRECT-TEMP penetrates through a
ceiling, a floor or a wall, it must be firestopped.
12. Using a level, make sure the system is perfectly
vertical.
13. Slide the flashing, suitable for the roof pitch, down
over the pipe protruding through the roof. Recheck
orientation and use a silicone sealant around and under
the perimeter of the flashing where it is in contact with
the roof. Secure the flashing with roofing nails. Finish
roofing around the pipe, covering the sides and upper
ares of the flashing base with roofing material. How-
ever, be sure the lower unnailed portion of the base
covers the roofing material.
14. Position the storm collar around the pipe and slide
down until it is in contact with the flashing. Secure the
storm collar by inserting the two (2) tabs into the raised
slots and fold tabs back. Seal the area between the
storm collar and the vent pipe with a silicone sealant to
prevent rain infiltration.
15. Install the vertical termination (VC) by inserting it
down into the top most section of pipe until it is fully
seated. Depress lock tab to secure the cap to the pipe.
NOTE: In high wind areas, it is recommended to screw
termination to the pipe with two (2) #8 x 1/4” sheet
metal screws. The screws should be approximately 3/4”
from the bottom of the vertical termination’s galvanized
collar.
ST139
Radiance
remove front
4/20/01 djt
ST139
Fig. 46 Remove the stove front.
Install Log Set
Before beginning log installation, remove stove front
and glass frame. Refer to Figures 46 and 47.
CAUTION: Before installation, inspect ember bed
burner for damage. Do not use ember bed if damaged
or cracked. NOTE: Small, shallow surface cracks are
acceptable.
1. Remove the logs from their packaging and inspect
each piece for damage. DO NOT INSTALL DAM-
AGED LOGS.
ST141
pull glass latch
10/99
ST141
Fig. 47 Release the latches to remove the glass frame.

27
Radiance Direct Vent Gas Heater
20012697
Rear Log
LG488
Figure 48
2. Install the rear log by plac-
ing it on the ember bed
toward the back of the
firebox. (Fig. 48) The log
should touch the back wall
of the firebox. When the
log is in place, the two (2)
notches on the bottom of
the log rest on the two (2)
ribs on the back side of the
ember bed. (Fig. 49)
Ribs for Rear Log
Ember Bed
Rib Flat Spot for
Front Left Log
Rib and Flat Spot
for Front Right Log
LG487
Figure 49
Figure 50
Front Left Log
Front Right Log
LG489
3. Install the front left and right logs
(Fig. 50) by placing them on the
ribs shown in Figure 49. Make
sure the logs line up with the flat
spots on the ember bed intended
for location purposes. (Fig. 49)
4. Install the left cross log by engag-
ing the hole on the bottom with
the pin on the left side of the rear
log. Set front side of cross log on
notch in ember bed. (Fig. 51)
5. Install the right cross log by
engaging the hole on the bottom
with the pin on the right side of
the rear log. Set front edge of
cross log on ember bed as shown
in Figure 51.

2828
Radiance Direct Vent Gas Heater
20012697
Figure 51
Left Cross
Log
Rear Log
Right Cross Log
Front Right Log
Front Left Log Ember Bed
LG490
Connect the Gas Supply Line
Check the Rating Plate attached by a steel cable to the
firebox, to confirm that you have the appropriate firebox
for the type of fuel to be used. The Radiance may be
converted from one gas to another using the appropri-
ate Fuel Conversion Kit listed on Page 46.
In the U.S.; Gas connection should be made in ac-
cordance with current National Fuel Gas Code, ANSI
Z223.1/NFPA 54. Since some municipalities have
additional local codes, be sure to consult your local
authority.
In Canada; consult the local authority and CSA-B149.1
installation code.
Always check for gas leaks with a mild
soap and water solution. Do not use an
open flame for leak testing.
Light the pilot according to the directions on Page 31,
before going to the next step.
This appliance should only be connected
by a qualified gas technician. Test to
confirm manifold pressures as specified
below.
The Radiance Heater and its individual shutoff
valve must be disconnected from the gas supply
piping during any pressure testing of that system
at test pressures in excess of 1/2 psig (3.5 kPa).
The Radiance Heater must be isolated from the
gas supply piping system by closing its indi-
vidual manual shutoff valve during any pressure
testing of the gas supply piping system at test
pressure equal to or less than 1/2 psig.
There must be a gas shutoff between the stove
and the supply.
In order to connect Natural Gas, use a fitting
with 1/2” NPT on the valve side and 1/2” natural
gas supply line with an input of 38,000 BTUs at a
manifold pressure of 3.5” between minimum inlet
supply of 5.5” w.c. and maximum of 14.0” w.c.
In order to connect Propane, use a fitting with 1/2”
NPT on the valve side and 1/2” propane gas sup-
ply line with an input of 36,000 BTUs at a manifold
pressure of 10.0” between a minimum inlet supply
of 11.0” w.c. and maximum of 14.0” w.c.
CAUTION
Burner Information
The appliance must only use the gas specified on the
rating plate, unless converted using a Vermont Castings
Fuel Conversion Kit. To convert from Natural Gas to LP
use Kit 20012729 or 20012900. To convert from LP to
Natural Gas use Kit 20012899 or 20012902.
Conversion instructions are provided with each kit and
beginning on Page 37 in this manual.

29
Radiance Direct Vent Gas Heater
20012697
Install ON/OFF Switch
The switch assembly parts are found in the parts bag.
1. Attach switch assembly to left rear side of stove
shroud (when facing shroud) using two screws and
existing holes in shroud. (Fig. 52)
2. Run wires down back of stove, under bottom of rear
shroud to valve.
3. Attach wires to valve terminals. (Fig. 53)
PILOT
ADJ
TP TH
TPTH
ST228
attach switch
wires to valve
12/99
ST228
Fig. 53 Attach switch wires to valve.
THIS APPLIANCE SHOULD BE CON-
NECTED TO THE GAS SUPPLY ONLY BY
A QUALIFIED GAS SERVICE TECHNICIAN.
FOLLOW ALL LOCAL CODES.
THERE MUST BE A GAS SHUT-OFF BE-
TWEEN THE STOVE AND THE SUPPLY.
ST315
attach switch assy
1/31/00 djt
Switch As-
sembly
Screws
Existing
Holes
ST315
Fig. 52 Attach switch assembly to rear shroud.
Thermostat Connection (optional)
Use only a thermostat rated for 500 - 750 millivolts.
Check the table below for the appropriate gauge ther-
mostat wire to use for the length of lead required in your
installation.
Install the Mesh and Grille
Place the mesh and grille on the top of the Radiance
stove to complete assembly.
Thermostat
Wire / Gauge Maximum Run
18 20 feet
16 20 - 40 feet
14 up to 60 feet
Operation
�
1. Install the wall thermostat in the desired location and
run the wires to the stove location. Terminate these
leads with 1/4” female connectors.
2. Connect the thermostat wires to the valve. (Fig. 53)
The Radiance is operated with the front plate in place
with the doors open or closed. To open the front doors,
pull forward to separate the magnetic catch.
CAUTION: DO NOT TOUCH DOORS WHEN
HOT!
Your First Fire
Read these instructions carefully and familiarize
yourself with the burner controls shown on Page 31.
Locate the pilot assembly, Figure 54. Follow the lighting
instructions on Page 31 exactly.
During the first fire, it is not unusual to smell some
odor associated with new logs, paint and metal being
heated. Odors should dissipate within the first eight to
ten hours, however, you can open a window to provide
fresh air to alleviate the condition.
Pilot and Burner Inspection
Each time you light your heater check that the pilot
flame and burner flame patterns are as shown in Figure
56. If flame patterns are incorrect, turn the heater off.
Contact your dealer or a qualified gas technician for as-
sistance. Do not operate the heater until the pilot flame
is correct.

3030
Radiance Direct Vent Gas Heater
20012697
ST477
Stardance
pilot location
10/4/00
Fig. 54 Pilot Assembly location.
ST476
Pilot As-
sembly
Flame & Temperature Adjustment
For stoves equipped with HI/LO valves, flame adjust-
ment is accomplished by rotating the HI/LO adjustment
knob located near the center of the gas control valve.
(Fig. 55)
Fig. 55 Flame adjustment knob for SIT valve.
L
O
H
I
Turn
counterclockwise
to increase
flame height.
Turn clockwise
to lower
flame height.
FP390
FLAME ADJUSTMENT KNOB
11/21/96
Follow regular maintenance procedures as described
on Page 41.
CO105d
Pilot flame
6/07 djt
CO105d
PSE
Pilot
SIT Pilot
Fig. 56 Correct pilot and burner flame appearance.
LG491
RADVTC Series
(Comfort Control Models)
RADVT Series
Flame Characteristics
It is important to periodically perform a visual check
of the pilot and the burner flames. Compare them to
Figure 56. If any of the flames appear abnormal, call a
service person.

31
Radiance Direct Vent Gas Heater
20012697
3. Open control access panel.
4. Push in gas control knob slightly and turn clock-
wise to “OFF”. Do not force.
5. Close control access panel.
1. STOP! Read the safety information above.
2. Turn off all electrical power to the fireplace.
3. Turn the On/Off switch to “OFF” position, set
the remote to OFF or set thermostat to lowest
level.
4. Open control access panel.
5. Push in gas control knob slightly and turn
clockwise to “OFF”.
10. Push the control knob all the way in and hold.
Immediately light the pilot by repeatedly depress-
ing the piezo spark ignitor until a flame appears.
Continue to hold the control knob in for about one
(1) minute after the pilot is lit. Release knob and it
will pop back up. Pilot should remain lit. If it goes
out, repeat steps 5 through 8.
FOR YOUR SAFETY READ BEFORE LIGHTING
• If you cannot reach your gas supplier, call the
Fire Department
C. Use only your hand to push in or turn the gas
control knob. Never use tools. If the knob will not
push in or turn by hand, do not try to repair it, call a
qualified service technician. Applying force or any
attempted repair may result in a fire or explosion.
D. Do not use this fireplace if any part has been under
water. Immediately call a qualified service techni-
cian to inspect the heater and to replace any part of
the control system and any gas control which has
been under water.
A. This heater has a pilot which must be lit manu-
ally. When lighting the pilot follow these instruc-
tions exactly.
B. BEFORE LIGHTING smell all around the heater
area for gas. Be sure to smell next to the floor
because some gas is heavier than air and will
settle on the floor.
WHAT TO DO IF YOU SMELL GAS
• Do not try to light any fireplace
• Do not touch any electric switch
• Do not use any phone in your building
• Immediately call your gas supplier from a neigh-
bor’s phone. Follow the gas supplier’s instruc-
tions.
To Turn Off Gas To Heater
Lighting and Operating Instructions
1. Turn the On/Off switch to Off position or set the
thermostat to lowest setting.
2. Turn off all electric power to the fireplace if
service is to be performed.
Lighting Instructions
6. Wait five (5) minutes to clear out any gas. Then
smell for gas, including near the floor. If you
smell gas, STOP! Follow “B” in the safety infor-
mation above. If you do not smell gas, go to the
next step.
7. Remove glass door before lighting pilot. (See
Glass Frame Removal section).
8. Visibly locate pilot by the main burner.
9. Turn knob on gas control counterclockwise
to “PILOT”.
• If knob does not pop up when released, stop
and immediately call your service technician or
gas supplier.
• If after several tries, the pilot will not stay lit,
turn the gas control knob to “OFF” and call your
service technician or gas supplier.
11. Replace glass door.
12. Turn gas control knob to “ON” position.
13. Turn the On/Off switch to “ON” position or set
thermostat to desired setting.
14. Turn on all electrical power to the fireplace.
WARNING:If you do not follow these instructions exactly, a fire or explosion
may result causing property damage, personal injury or loss of life.
3/8" - 1/2"
FP1068
Lighting instructions
Pilots
Euro SIT SIT NOVA Honeywell
PILOT
ON
OFF
ON
P
I
L
O
T
O
F
F
O
F
F
FP1067
lighting instruction
knobs
3/9/01 djt
5
4
3
2
1
O
F
F
P
i
l
o
t

3232
Radiance Direct Vent Gas Heater
20012697
Troubleshooting the Gas Control System (RADVT Series)
NOTE: Before trouble shooting the gas control system, be sure external gas shut off is in the “On” position.
SIT NOVA 820 MILLIVOLT VALVE
Symptom
1. Spark ignitor will not light
2. Pilot will not stay lit after
carefully following lighting
instructions
3. Pilot burning, no gas to
main burner
4. Frequent pilot outage
problem
Possible Causes
A. Defective or misaligned electrode
at pilot
B. Defective ignitor (Push Button)
A. Defective pilot generator (thermo-
couple), remote wall switch
B. Defective automatic valve
A. Wall switch or wires defective
B. Thermopile may not be generat-
ing sufficient millivoltage
C. Plugged burner orifice
D. Defective automatic valve opera-
tor
A. Pilot flame may be too low or
blowing (high) causing the pilot
safety to drop out
B. Possible blockage of the vent
terminal
Corrective Action
Using a match, light pilot. If pilot lights, turn off pilot and
push the red button again. If pilot will not light - check
gap at electrode and pilot-should be 1/8” to have a
strong spark.
With the control knob in the pilot position, push the
control knob all the way and hold. Check for spark at
electrode and pilot. If no spark to pilot, and electrode
wire is properly connected, replace the battery in the
ignitor module and try again. Refer to Maintenance
Section. If the problem still exists, replace the ignitor
module box.
Check pilot flame. Must impinge on thermocouple/ther-
mopile. NOTE: This pilot burner assembly utilizes both
a thermocouple and a thermopile. The thermocouple
operates the main valve operation (On and Off). Clean
and or adjust pilot for maximum flame impingement on
thermopile and thermocouple.
Turn valve knob to “Pilot”. Maintain flow to pilot; millivolt
meter should read greater than 10mV. If the reading
is okay and the pilot does not stay on, replace the gas
valve. NOTE: An interrupter block (not supplied) must
be used to conduct this test.
Check wall switch and wires for proper connections.
Jumper wire across terminals at wall switch, if burner
comes on, replace defective wall switch.. If okay,
jumper wires across wall switch wires at valve, if burner
comes on, wires are faulty or connections are bad.
1. Be sure wire connections form thermopile at gas
valve terminals are tight and thermopile is fully
inserted into pilot bracket.
2. One of the wall switch wires may be grounded. Re-
move wall switch wires form valve terminals if pilot
now stays lit, trace wall switch wiring for ground.
May be grounded to fireplace or gas supply.
3. Check thermopile with millivolt meter. Take reading
at thermopile terminals of gas valve. Should read
250-300 millivolts (minimum 150) while holding
valve knob depressed in pilot position and wall
switch “Off”. Replace faulty thermopile if reading is
below specified minimum.
Check burner orifices for debris and remove.
Turn valve knob to “On”, place wall switch to “On”
millivolt meter should read greater than 150mV. If the
reading is okay and the burner does not come on,
replace the gas valve.
Clean and/or adjust pilot flame for maximum flame
impingement on thermopile and thermocouple.
Check the vent terminal for blockage (recycling the flue
gases).

33
Radiance Direct Vent Gas Heater
20012697
Instructions for Comfort Control Valve
RADVTC Series
The Comfort Control valve allows remote control of
temperature, fan and flame appearance.
NOTE: The antenna should hang in free air away from
grounded metal.
Operation
1. If the manual switch is in remote position, switch it to
LOCAL. (Fig. 57)
2. Turn the pilotstat knob counterclockwise from OFF
to the PILOT position, push the knob down, and hold
in position. The pilot valve opens and allows gas to
flow to the pilot burner.
3. Push plunger on the piezo until the pilot burner is lit.
When the pilot burner is lit, the LED on the control
will come on after approximately 40 seconds and
will provide 1 short blink continuously in the normal
mode. When the light turns off which will be approxi-
mately 10 seconds after it has been continuously
red, the receiver/valve is fully powered.
4. Release the knob. The shaft will move upward. The
pilot burner should now stay burning. If the pilot
burner goes out, repeat step 2.
5. Turn the knob counterclockwise to the ON position.
If the manual switch is in the LOCAL position, the
main burner will turn on immediately.
6. ON the initial use of a transmitter, a recognition
operation is required between the receiver/valve
and transmitter. Change the switch from LOCAL
to REMOTE. Press the fan or flame button on the
transmitter within 30 seconds. The LED will blink
indicating the transmitter will now work with the re-
ceiver/valve. If the switch continues in the REMOTE
position, the transmitter will now control the main
valve, flame modulation level and fan control.
7. If the manual switch is in the LOCAL position, the
valve will be at the highest fixed pressure setting
and the fan will be at the highest fixed speed. The
transmitter will control the fan only.
Shut Off Procedure
If the manual switch is in the REMOTE position, the
transmitter can shut off the main burner and fan. How-
ever, the control is still on and a command from the
transmitter can turn on the main burner or fan.
To shut off the system, turn the pilotstat knob clockwise
to the OFF position. This action closes the main gas
and safety valves. The transmitter cannot turn on the
main burner or fan.
Transmitter Operation
Off Mode
In the OFF mode, the fireplace flame and fan are
off, the display will show OFF and displays the room
temperature. If the receiver is in REMOTE mode, the
fireplace will shut off.
On (Manual) Mode
In the ON mode, the room temperature, flame and fan
levels will be shown. MANUAL will appear next to both
the flame and fan icons.
When the control is in the ON mode, the flame and fan
levels, and delay timer are changed with the up and
down buttons. To change the flame level, press the
flame button followed by an arrow key. To change the
fan level, press the fan key followed by an arrow key.
Pushing the arrow key once will change the level by
one unit.
Delay Timer Mode
The shut off delay timer has a maximum of 2 hours and
a minimum of zero minutes. To change the timer level,
press the time key followed by an arrow key. Pushing
the key once will change the timer by 10 minutes.
FP1039
comfort valve
transmitter
3/27/00 djt
Fig. 58 Transmitter diagram.
Display
Room Temperature
Set Temperature
Flame Height Level
Fan Speed Level
Countdown Timer
Low Battery
Flame
Up
Increases Flame
Height, Fan Speed
Timer, or Set Point
Down
Decrease
Flame, Fan
Speed Timer
or Set Point
Mode
Auto
On
Off
Countdown
Timer
Fan
FP1039
FP1037
Honeywell
comfort valve
3/22/00 djt
LOCAL
REMOTE
ON
•
PILOT
OFF
•
LED
Piezo Ignitor
Local/Remote
Switch
Pilotstat
Knob
LED
FP1037
Fig. 57 Comfort control valve.
Antenna
Motor Top Cap
Plug

3434
Radiance Direct Vent Gas Heater
20012697
Auto Mode
In the AUTO mode, the room temperature, set tem-
perature, flame and fan levels will be shown. AUTO will
appear next to both the flame and fan icons.
When the control is in the AUTO mode, the main burner
will turn on/off or modulate based on the heat needed
to maintain the set temperature. The flame level will
change automatically to optimize the heat output
needed to maintain the set temperature. To change the
set temperature, press the up or down key. Pushing a
key once will change the temperature by one degree.
In the AUTO mode, the fan speed will increase with
increasing flame height or decrease with decreasing
flame height. “AUTO” is displayed next to the flame and
fan icons.
Fan Override During Auto Mode
If a lower or higher fan speed is desired when operating
in the AUTO mode, the fan speed can be overridden by
pushing the fan button followed by the up or down key.
Pushing a key once will change the fan level by one
unit. In this mode “AUTO” is displayed next to the flame
icon and “MANUAL” is displayed next to the fan icon.
Change Between F/C Temperature Units
Push the up and down arrow keys simultaneously for
at least 3 seconds to toggle between Fahrenheit and
Celsius units.
Disable Thermostat Function
To disable the thermostat function in the AUTO mode,
push the time and down keys simultaneously for at
least 3 seconds.
To Change Batteries
1. Remove cover on the backside of the transmitter.
Install 3 AAA batteries as shown and reattach cover.
2. Once steps 1-3 in OPERATION are completed,
receiver/valve and transmitter are now ready. Press
any button on transmitter for recognition process to
occur between the receiver/valve and transmitter.
3. Use functions as described in TRANSMITTER sec-
tion.
Troubleshooting
1. Locate LED light on valve.
2. LED will blink after every valid command received by
the transmitter; this is not an error.
3. Failure codes may occur anytime after pilot burner is
lit.
4. Sequence is failure code followed by light not blink-
ing for 30 seconds.
5. In the event of multiple failure codes, next failure
code follows previous failure code by approximately
3 seconds.
If an Error Code 3 is observed while performing the
testing, complete the following:
1. Make sure the spade connectors are pushed all the
way on. If rhe Error Code 3 is still showing, then go
to the next step.
2. Switch the front two thermopile leads with the back
two. Be sure the white lead is connected to the
spade with the white dot next to it. If the Error Code
3 is still showing, replace the thermopiles.
If an Error Code 8 is observed while performing the
testing, complete the following:
1. Confirm the valve is not in REMOTE mode.
• If the valve is producing Error Code 8 and in RE-
MOTE mode, the valve is defective and should be
replaced.
• If the valve is in LOCAL mode and producing Error
Code 8, then go to the next step.
2. Slide the Remote/Local switch to REMOTE and
teach the valve a transmitter. The Error Code will
clear itself after approximately 1.5 minutes and re-
turn to normal operation.
LED Count Service Action
8 Replace valve
7 Confirm stepper motor connection exists
5 Confirm fan connection exists and works
4 Confirm gas type; jumper in place
3 Replace thermopiles
2 Turn fan ON
NOTE: Some keys are not active.
FAN
Antenna
Red
White
Red
White
FP1038
comfort valve
wiring diagram
3/24/00 djt
Comfort Control Valve
(Bottom View)
Blower
Pilot As-
sembly
FP1038
Fig. 59 Comfort Valve wiring diagram.
White Dots

35
Radiance Direct Vent Gas Heater
20012697
Light pilot burner
Set manual switch
to local or remote
Release pilotstat
knob.
Turn pilotstat knob
from PILOT to ON.
If manual switch is
set to LOCAL, did
main burner light
and fan turn on?
Turn pilotstat knob
to PILOT to turn
off main burner.
Turn pilotstat knob
to OFF to turn
valve completely
off.
Comfort Control Valve System Sequence of Operation with Transmitter
Did the LED stop
blinking?
Review LED fail-
ure analysis.
Five minute wait
period
Cycle switch
once and leave in
remote. Press any
key on transmit-
ter for recognition
operation.
Local Path
Move switch from
local to remote.
Press any key on
transmitter. Move
switch back to
local.
Yes
If the manual switch
is set to REMOTE,
press the mode but-
ton to display “ON”.
does transmitter con-
trol the main burner
and fan?
Does transmitter
change levels of
flame height, fan
speed?
Set levels of flame
height and fan to
“0” to shut off main
burner and fan.
Turn pilotstat knob
to OFF to turn
valve completely
off.
On Path
Move switch from
manual to remote.
Press any key on
transmitter.
Yes
Yes
No
Choose Manual or
Remote path. Set
switch to manual or
remote.
Yes
No

3636
Radiance Direct Vent Gas Heater
20012697
If the manual switch is
set to REMOTE,
press the mode button
to display AUTO on the
transmitter. Does the
transmitter display the
room and temperture
setting?
If the settings is above
room temperture on the
transmitter, does the
main valve and fan
turn on?
Turn pilotstat knob to
OFF to turn valve com-
pletely off.
Auto Path
Move switch from
LOCAL to REMOTE.
Press any key within
30 seconds.
Yes
Yes
No
No
If the settings is below
room temperture on the
transmitter, does the
main valve and fan
turn off?

37
Radiance Direct Vent Gas Heater
20012697
Conversion Precautions
Before proceeding, turn control knob on valve to OFF
and turn gas supply OFF. Turn OFF any electricity that
may be going to the appliance.
Fuel Conversion Instructions
WARNING! This conversion kit shall be installed
by a qualified service agency in accordance with
the manufacturer’s instructions and all applicable
codes and requirements of the authority having
jurisdiction. If the information in these instruc-
tions is not followed exactly, a fire, explosion
or production of carbon monoxide may result
causing property damage, personal injury or loss
of life. The qualified service agency is respon-
sible for the proper installation of this kit. The
installation is not proper and complete until the
operation of the converted appliance is checked
as specified in the manufacturer’s instructions
supplied with the kit.
CAUTION: The gas supply shall be shut off prior
to disconnecting the electrical power, before pro-
ceeding with the conversion.
ST226
attach gas line
12/8/99 djt
PILOT
ON
OFF
PILOT
ADJ
L
O
H
I
Main
Gas Line
Gas Supply Inlet
ST226a
Fig. 60 Attach the gas line to the right side of the valve.
Conversion Procedure
1. Remove stove front. Lift stove front up and then
swing bottom out and away to disengage from the
stove body. (Page 26, Fig. 46)
2. Undo the right and left latches at the top of the glass
frame. (Page 26, Fig. 47)
3. Pull the top edge of the glass and frame assembly
away from the firebox face. Place the assembly out
of the way on a flat, padded surface such as a coun-
ter protected by a towel.
4. Remove the logset from the firebox.
Valve Conversion
RADVT Series Models
1. Turn control knob to the OFF position, and shut off
the gas supply to the valve.
2. Allow the valve
to cool to room
temperature.
3. Remove the
black protection
cap by hand.
(Fig. 61)
4. Insert a 5/32”
or 4 mm Allen
wrench into
the hexagonal
key-way of the
screw (Fig. 62),
rotate it counter-
clockwise until it
is free and extract
it.
5. Check that the
screw is clean
and if necessary
remove dirt.
6. Flip the screw.
(Fig. 63)
7. Using the Allen
wrench as shown
in Figure 64,
rotate the screw
clockwise and
tighten until snug.
WARNING: Do not overtighten the
screw. Recommended to grip the wrench by the
short side.
8. Verify that if the conversion is from NG to LP, the
screw must be reassembled with the red o-ring vis-
ible. (Fig. 65)
Figure 61
Figure
62
Figure 63
Figure 64
LP Configuration Natural Gas
Configuration
CO141
O-ring configuration
6/07
Red O-ring Visible
Red O-ring NOT Visible CO141
Figure 65
9. Replace the black protection cap.
WARNING: Check that also the pilot and
main burner injectors are appropriate for
the gas type.
RADVTC Series Models
1. Follow procedure for pilot type 2 to replace pilot
orifice.

3838
Radiance Direct Vent Gas Heater
20012697
2. Remove and replace plug on lower right hand side
of the valve; Red for LP and Blue for NG. (Page 32,
Fig. 57)
3. Remove motor top cap using a standard slotted
screwdriver. Depress and turn center plunger until
arrow points to correct screw. Red for LP and Blue
for NG. NOTE: Plunger will “snap” into NG position
when arrow is close to blue screw. It will not “snap”
at LP (Red) position. (Fig. 66)
CO105a
gas conversion
Pilot
1/28/00 djt
Pilot Hood
Pilot
Bracket
CO105a
Fig. 68 Remove pilot hood.
CO106a
DV360/580
Gas Conversion
Pilot2
1/28/00 djt
Index Tab
Snap Ring
Allen Wrench
CO106a
Fig. 69 Remove pilot orifice.
ST350
Jefferson
air shutter adj
3/20/00 djt
Pilot
ST916
Fig. 67 Locate pilot.
CO142
Rf pilot Conversion
6/07 djt
Pilot Hood
Index
Marks
Pilot Bracket
CO143
Fig. 70 Remove pilot hood. (Your pilot may have a different
appearance.)
FP1037b
comfort valve
convert
3/6/01 djt
LOCAL
REMOTE
ON
•
PILOT
OFF
•
LED
Motor Top Cap
Center
Plunger
Blue - NG Red - LP FP1037b
Fig. 66 Depress and turn center plunger.
Valve
4. Insure manifold pressure remains between 3.2” - 3.5”
w.c. for NG and 9.5” - 10” w.c. for LP. To adjust the
manifold pressure, for NG, using a Torx #10 key turn
the blue screw clockwise to increase the manifold
pressure. Turn the screw counterclockwise to de-
crease the pressure. Use the red screw to adjust LP.
5. Replace motor top cap.
Pilot Orifice Conversion
1. Locate pilot. (Fig. 67)
2. Replace pilot orifice.
Pilot Type 1 (SIT Pilot)
• Remove pilot hood by lifting up. (Fig. 68) Do not
remove the snap ring to remove the pilot hood.
NOTE: It is not necessary to remove the pilot tube
for conversion.
• Remove pilot orifice with Allen wrench. (Fig. 69)
• Install the conversion orifice.
• Reinstall pilot hood. Be sure to align hood with
index tab.
Pilot type 2 (Honeywell Pilot)
• Loosen pilot hood turning counterclockwise using a
7/16” wrench. (Fig. 70) NOTE: You may use pen-
etrating oil to prevent pilot hood threads from seizing
up.
• Remove pilot orifice with needlenose pliers. (Fig.
71) NOTE: Use a wrench to hold pilot tube in place
while removing the orifice.
• Install the conversion orifice.
• Reinstall pilot hood and tighten until mark on pilot
hood aligns with mark on pilot bracket.

39
Radiance Direct Vent Gas Heater
20012697
Burner Orifice Conversion
1. Remove three (3) 3/8” nuts on bottom side of burner
pan. (Fig. 72)
2. Carefully remove ember bed by tilting the right side
up and lifting out toward the right side of the unit.
(Fig. 73)
CO144
RF Pilot conversion
6/07 djt
Pilot
Orifice
CO1044
Fig. 71 Remove pilot orifice.
Remove Nuts
Remove Nut
Bottom View
Fig. 72 Remove three (3) nuts securing ember bed in place.
ST918
3. Remove injector orifice from left burner bracket with
a 1/2” wrench. Use a back up wrench to prevent
damage to the manifold. (Fig. 74)
Pem Studs ST919
Fig. 73 Tilt ember bed slightly to correctly place on venturi
and air shutter.
Orifice
Bracket Venturi Bracket
Orifice
Bracket
Orifice Air Shutter
CO142
Fig. 75 The air shutter setting is 1/2” (13 mm) from the orifice
bracket to the edge of the air shutter.
4. Install conversion orifice. (Refer to Table 2)
5. The air shutter is factory set according to Table 3
and should not need adjustment. The air shutter
opening may be verified by measuring as shown in
Figure 75.
CO145
Fig. 74 Use two wrenches to avoid damage to manifold.
All Models
1. Replace burner making sure venturi on bottom of
ember bed aligns with orifice and is seated properly
on air shutter assembly. (Fig. 73) Make sure burner
is slid into place at a slight angle and opposite to
how it was removed. When burner is slid into place,
the three (3) pem studs should slide down through
clearance holes into the bottom of the control panel.
2. Thread and tighten 3/8” nuts back onto pem studs
on underneath side of control panel, reversing Step
1 shown in Figure 72.
3. Reinstall logs as per instructions on Page 26.
4. Place conversion label on valve.

4040
Radiance Direct Vent Gas Heater
20012697
Table 3. Air Shutter Adjustment
Natural Gas Natural Gas LP
Model High Altitude
RADVT/RADVC 1/2” Open 1/2” Open 1/2” Open
Table 4. High Altitude Orifice
[Required for altitudes above 2000’ (610 m) up to 4500’ (1,370 m)]
Input (BTU/h)
Model Orifice Part # Minimum Maximum
RADVT/RADVTC #33 / 0.113” 20012554 25,000 36,000
(Natural gas only)
Table 2. Injector Orifice Size Matrix
Conversion to Natural Gas
Input (BTU/h)
Model Kit # Orifice Part # Minimum Maximum
RADVT 20012899
RADVTC 20012902
#31 / 0.120” 20006927 25,000 38,000
Conversion to LP
Input (BTU/h)
Model Kit # Orifice Part # Minimum Maximum
RADVT 20012729
RADVTC 20012900
1.75 mm 20012946 25,000 36,000
*LP models do not need re-orificed up to 4500’ (1,370 m) above sea level.
5. Replace glass and stove front.
6. Restore gas to system and relight appliance accord-
ing to Lighting Instructions on Page 31.
7. Leak check the system using a gas leak detector
solution.
8. Relight the main burner in both the “HI” and “LO” po-
sitions to verify proper burner ignition and operation.
Conversion is complete.

41
Radiance Direct Vent Gas Heater
20012697
Maintenance
Your Radiance Gas Heater will provide years of service
with minimal upkeep. The following procedures will help
ensure that your stove continues to function properly.
Annual System Inspection
Have the entire heater and venting system inspected
annually by a qualified gas technician. Replace any
worn or broken parts.
Logset and Burner /
Cleaning and Inspection
Cleanliness is critical to the proper function of the
heater. The logset and burner must all be kept free of
dust and unobstructed by debris. Inspect these areas
before each use and clean as necessary.
1. Turn the burner OFF and let the heater cool com-
pletely before cleaning.
2. Lift the Stove Front up and then swing the bottom
out to disengage it from the heater shell. (Fig. 76)
3. Carefully remove the glass and frame assembly
and place it out of the way on a flat, padded surface
such as a counter protected by a towel.
4. Carefully inspect the Logs for damage. Contact your
local dealer if any damage is evident.
5. Use a soft bristled brush to sweep dust or debris
from the Logs, Pilot and Burner. Use care as the
logs are fragile and susceptible to damage.
6. Replace the glass panel and frame assembly.
7. Replace the Stove Front.
Care of Cast Iron
An occasional dusting with a dry rag will help keep the
painted surfaces looking new. Use high-temperature
stove paints, available through your local dealer, to
touch-up areas as needed. Clean areas to be painted
with a wire brush and be sure to cover the logs, burner
and valve assembly, glass and frame assembly. Apply
the paint sparingly; two light coats of paint will give bet-
ter results than a single heavy coat.
Clean porcelain enamel surfaces with a soft, damp
cloth. Do not use abrasive cleaning agents. If neces-
sary, use only a cleaning agent formulated especially
for use on porcelain enamel surfaces.
CAUTION
TURN THE PILOT OFF BEFORE PAINTING.
ALLOW THE HEATER TO COOL COMPLETELY
BEFORE PAINTING.
Cleaning the Glass
WARNING: Allow the glass to cool com-
pletely before attempting to clean.
Fig. 76 Remove the Stove Front.
ST139a
ST139
Radiance
remove front
4/20/01 djt
�
It will be necessary to clean the glass periodically. Dur-
ing start-up, condensation, which is normal, forms on
the inside of the glass and causes lint, dust and other
airborne particles to cling to the glass surface. Also
initial paint curing may deposit a slight film on the glass.
It is therefore recommended that the glass be cleaned
two or three times with a non-ammonia household
cleaner and warm water (we recommend gas fireplace
glass cleaner). After that the glass should be cleaned
two or three times during each heating season depend-
ing on the circumstances present.
Clean glass after first two weeks of opera-
tion.
Glass Replacement
Replace glass only with CFM Corporation approved
parts. Refer to Page 44 for Replacement Parts. Refer to
Figure 77 and previous instructions for removal of the
damaged glass frame.

4242
Radiance Direct Vent Gas Heater
20012697
Gasket Replacement
The Radiance Gas Heater uses a ‘tadpole’ type gasket
to seal between the glass panel and the frame. In time,
this gasket can become brittle and compressed and
should be replaced. New gasket is available from your
dealer.
Shut off the gas supply and allow the stove to cool.
Wear safety goggles and a dust mask.
1. Remove the Front, Glass Frame and Glass Panel.
(Figs. 76 & 77) Remove the old gasket. Use a
razor blade to separate the glass and gasket from
the frame, and to clean the glass of any remaining
cement or bits of gasket. Use a cold chisel if neces-
sary.
2. Determine the correct length of gasket by laying it
out around the edge of the glass. Allow an extra 1
- 2” (25-50mm). Mark the spot to be cut. Use a utility
knife.
3. Starting on a long edge, remove about 6” of the
protective paper strip and apply the flat adhesive
face of the gasket around the outside-facing edge
of the panel. Continue around the panel,
applying about 6” at a time and being
careful to not stretch the material. Do not
overlap the gasket ends. (Fig. 78)
4. Apply a thin bead of high temperature
silicone rubber sealant along the inside
corner of the glass frame, all around the perimeter.
Place the flat gasketed side of the glass panel back
into the steel frame. Pinch the rounded inside-facing
gasket material to bulk it up.
5. Replace the glass frame and front panel as previ-
ously described.
Inspect the Vent System Annually
Have the vent system inspected annually by a quali-
fied technician. Shut off the main gas supply before
inspecting the system. Both the inner exhaust pipe and
the outer combustion supply pipe must be checked to
confirm that they are unblocked and in good condition.
Check the Gas Flame Regularly
To ensure that the stove is operating properly, check
the flames periodically to confirm they match Figure 79.
The flames will be blue during the first 15-20 minutes of
operation, and will gradually turn to yellow after that.
Do not use your stove if the flame pattern differs from
that shown here. Contact your Vermont Castings dealer
or a qualified technician for help.
ST179
glass gasket detail
11/99
ST179
Fig. 78 Wrap the gasket material around the outside edge of
the glass.
ST141
Fig. 77 Release the latches to remove the glass frame.
ST141
pull glass latch
10/99
Figure 79
LG491

43
Radiance Direct Vent Gas Heater
20012697
NOTE: IF ANY OF THE ORIGINAL WIRE, AS SUP-
PLIED WITH THE APPLIANCE, MUST BE RE-
PLACED, IT MUST BE REPLACED WITH TYPE
SF-2, 200°C WIRE OR ITS EQUIVALENT.
FAN JUNCTION BOX
FAN
POWER
CORD
Strain Relief
Chassis Ground
BLK
GRN
GRN
WHT
ON / OFF
Rheostat
Chassis
Ground
RHEOSTAT / SNAPSTAT
BOX
Snapstat
BLK
BLK
BLK
BLK
BLK
WHT
ST153
rdv connections diag.
10/99
Fig. 81 Fan circuit.
MOTOR
SNAPST
AT
ON/OFF
RHEOSTAT
WHT
WHT
BLK
BLK
BLK
GRN
BLK
ST236
FK26 wiring diagram
12/99
Schematic Diagram
ST236
ST153
Wiring Diagrams
ST124c
Fig. 80 On/off switch and optional thermostat circuit.
Optional Thermostat
Wiring
On/Off Switch
Wiring
ST124b
OFF ON
Thermostat
(Optional)
Thermopile
Black
Black
Millivolt
Gas Valve
St124b
on/off/switch
wiring
1/11/00 djt
TP/TH
TP
TH
Thermostat
(Optional)
Thermopile
Black
Black
Millivolt
Gas Valve
St124c
Thermostat
wiring
1/11/00 djt
TP/TH
TP
TH

4444
Radiance Direct Vent Gas Heater
20012697
10
1a
40
14 16
7
42
45
12697
RADVT/RADVTC parts
6/07 djt
37a,b,c
47
LOCAL
REMOTE
ON
•
PILOT
OFF
•
LED
6
7
8
15
26a,b
27a
27b 27c
29 30 28 31
33
32
34
35a,b
44
36a,b
9
43
22
23
13
21
11
12
20
48
3
5
4
25
38
19
17
18
24
46
41
1
1c
1b
1e
1d
2
50
51
52
CFM Corporation reserves the right to make changes in design, materials, specifications, prices and discontinue colors and products at any time,
without notice.
Radiance Direct Vent Gas Heater
Models: RADVT Series: RADVTCB, RADVTEB, RADVTMB, RADVTBS, RADVTCH, RADVT-
VG, RADVTBD, RADVTBB, RADVTC Series: RADVTCG, RADVTGG, RADVTSG, RADVTCCB,
RADVTCEB, RADVTCMB, RADVTCBS, RADVTCCH, RADVTCVG, RADVTCBD, RADVTCBB,
RADVTCCG, RADVTCSG

45
Radiance Direct Vent Gas Heater
20012697
Radiance Direct Vent Gas Heater (continued)
Models: RADVT Series: RADVTCB, RADVTEB, RADVTMB, RADVTBS, RADVTCH,
RADVTVG, RADVTBD, RADVTBB, RADVTC Series: RADVTCG, RADVTGG, RADVTSG,
RADVTCCB, RADVTCEB, RADVTCMB, RADVTCBS, RADVTCCH, RADVTCVG, RADVTCBD,
RADVTCBB, RADVTCCG, RADVTCSG
Ref. Description RADVT/RADVTC
1. Log Set - Complete 20012550
1a. Log, Rear 20012541
1b. Log, Right Front 20012543
1c. Log, Left Front 20012542
1d. Left Cross Log 20012544
1e. Right Cross Log 20012545
2. Ember Bed Assembly 20012206
3. Top Refer to Enamel Parts Chart
4. Screen, Top 1601970
5. Grille 1301195
6. Front II Refer to Enamel Parts Chart
7. Door, Left Refer to Enamel Parts Chart
8. Door, Right Refer to Enamel Parts Chart
9. Control Door Refer to Enamel Parts Chart
10. Left End Refer to Enamel Parts Chart
11. Right End Refer to Enamel Parts Chart
12. Leg Refer to Enamel Parts Chart
13. Glass Frame Assembly 5003075
14. Frame, Glass 1409112
15. Gasket, Glass Med. Knit 1203702
16. Glass, GFP Firebox 1601290
17. Wood Handle 1600664
18. Pan Hd, Sl 1/4-20 x 3-Z 1201310
19. Brushed Nickel Insert 30002714
20. Control Door Handle Assembly 30002730
21. Washer, Flat 1/4 - Blk. 266 x .629.064 1202473
22. CS, Hex Hd 1/4-20 x 5/8” - Blk 1201372
23. Latch, Front Door 30001249
24. FK26 Fan Subassembly (RADVTC Series Only) 30000879
25. Valve Nova SIT820.852 (RADVT Series Only) 20012218
26a. Valve Gas Honeywell Convertible RFN RV8310E 20003719
26b. Valve Gas Honeywell Convertible RFP RV8310E 20003720
27a. Pilot Assembly 3Way N/DV RN 0.199.706 10002264
Pilot Assembly 3Way N/DV RP 0.199.703 10002265
27b. PIlot PSE - NA175 20001115
Pilot PSE - LP175 20001116
27c. Pilot Assembly 3Way DV/RFN CS3003A2009 20002266
Pilot Assembly 3Way DV/RFP CS3003A2017 20002268
28. Pilot Top Convertible 10002266
29. Thermocouple 24” 53373
7531137
30. Electrode Ignitor w/ Cable SIT24 10001297
31. Thermopile 18” RS 51827
7533113
32. Nut Electrode SIT #0.974.144 57886
33. Tubing Pilot w/ Fitting 1/8 x 24” 10001296
34. Thermopile PSE fro RF Pilots 20002400
35a. Pilot Orifice #62 - NG Top Convertible 10002268

4646
Radiance Direct Vent Gas Heater
20012697
Fuel Conversion Kits
Conversion Kit, NG to LP - RADVTC Kit 20012900
Conversion Kit, NG to LP - RADVT Kit 20012729
Conversion Kit, LP to NG - RADVTC Kit 20012902
Conversion Kit, LP to NG - RADVT Kit 20012899
35b. Pilot Orifice #35 - LP Top Convertible 10002269
36a. PIlot Orifice PSE RFN 20000908
36b. PIlot Orifice PSE RFP 20000907
37a. Orifice Hood 1.75 mm LP 20012946
37b. Orifice Hood #31 (0.120”) Natural 20006927
37c. Orifice - High Altitude #33 (0.113”) Natural 20012554
38. Ignitor Piezo w/ Nut SIT 52464
39. Bracket Piezo Ignitor (not shown) 20012939
40. Manifold Assembly 20012202
41. Air Shutter Assembly 20012204
42. Trim ON/OFF Switch 30000874
43. Transmitter Honeywell RF 20002047
44. Antennae, Honeywell 395783-1 20003561
45. Wire w/ Straight Term 2 End 50” 10002582
46. Sensor 2450 CMG-8184-0032 10002013
47. Gasket Base Pan 20004287
48. Gasket, HE Door 1203687
49. Gasket Cement, 3 oz. Tube (not shown) 1206122
50. Restrictor Plate 20013028
51. Right Burner Support Assembly 20012443
52. Tie Bracket Assembly 20012442
Ref. Description RADVT/RADVTC
Radiance Direct Vent Gas Heater (continued)
Models: RADVT Series: RADVTCB, RADVTEB, RADVTMB, RADVTBS, RADVTCH,
RADVTVG, RADVTBD, RADVTBB, RADVTC Series: RADVTCG, RADVTGG, RADVTSG,
RADVTCCB, RADVTCEB, RADVTCMB, RADVTCBS, RADVTCCH, RADVTCVG, RADVTCBD,
RADVTCBB, RADVTCCG, RADVTCSG

47
Radiance Direct Vent Gas Heater
20012697
Radiance Direct Vent Gas Heater (continued)
Models: RADVT Series: RADVTCB, RADVTEB, RADVTMB, RADVTBS, RADVTCH,
RADVTVG, RADVTBD, RADVTBB, RADVTC Series: RADVTCG, RADVTGG, RADVTSG,
RADVTCCB, RADVTCEB, RADVTCMB, RADVTCBS, RADVTCCH, RADVTCVG, RADVTCBD,
RADVTCBB, RADVTCCG, RADVTCSG
Shell Enamel Parts - Radiance Direct Vent
Enamel Model Top Left Right Front Left Right Control Leg
Color End End Door Door Door (4)
Classic RADVTCB 1301194 30001751 30001752 30001376 30001378 30001377 30001413 30001753
RADVTCCB
Biscuit RADVTBS 30003244 30003239 30003238 30003240 30003242 30003241 30003243 30003245
RADVTCBS
Bordeaux RADVTBD 2321194 30001771 30001770 30001416 30001418 30001417 30001419 30001772
RADVTCBD
Chestnut RADVTCH 30003253 30003248 30003247 30003249 30003251 30003250 30003252 30003254
Brown RADVTCCH
Ebony RADVTEB 30003262 30003257 30003256 30003258 30003260 30003259 30003261 30003263
RADVTCEB
Midnight RADVTMB 2371194 30001777 30001776 30001424 30001426 30001425 30001427 30001778
Blue RADVTCMB
Vermont RADVTVG 30003271 30003266 30003265 30003267 30003269 30003268 30003270 30003272
Cl. Green RADVTCVG
Brick Blue RADVTBB 30003592 30003587 30003586 30003588 30003590 30003589 30003591 30003595
RADVTCBB
Country RADVTCG 30003603 30003598 30003597 30003599 30003607 30003600 30003602 30003606
Cookware RADVTCCG
Gray
Granite RADVTGG 30003614 30003609 30003608 30003610 30003612 30003611 30003613 30003617
Gray RADVTCGG
Sage RADVTSG 30003625 30003620 30003619 30003621 30003623 30003622 30003624 30003628
Green RADVTCSG

4848
Radiance Direct Vent Gas Heater
20012697
Optional Accessories
Fan Kits
FK26 Fan
The FK26 fan helps distribute heated air from within
the firebox out into the room. The fan is controlled by a
snapstat that turns power on and off as the firebox tem-
perature rises above and falls below a preset tempera-
ture. A rheostat provides for variable fan speeds.
Specifications
115 Volt / 60Hz / .75 Amps
Maintenance
The fan itself does not require regular maintenance,
however, periodic cleaning of the fan and the surround-
ing area is required.
Installation
Refer to Page 16 for installation instructions.
Remote Controls
The remote control allows you to turn the heater on or
off from anywhere in the room. Refer to Page 43 for
wiring diagrams. These remote controls are for use with
RN/RP models.
Model Functions Controlled
RC1 ON/OFF
RC2 ON/OFF and Temperature
IMTFK Wall mounted thermostat control
Screen Kit
An optional screen, R40SK, for use with the operable
doors is available to allow the doors to be left in the
open position.
Warming Shelf
Warming shelves add versatility to your stove; they can
be used to keep foods warm at mealtime.
Model Color
1560 Classic Black
1555 Biscuit
1556 Chestnut Brown
1557 Ebony
1558 Vermont Classic Green
1562 Sand
1565 Bordeaux
1566 Forest Green
1567 Midnight Blue
1568 Suede Brown
30220 Brick Blue
30222 Country Cookware Gray
30223 Granite Gray
30224 Sage Green
The shelf installation is done in three stages. First you
attach the shelf loosely to the stove, leaving the screws
loose enough to allow final adjustments. Then, you po-
sition the shelf and adjust the brackets so the shelf fits
correctly. Finally, you tighten the screws.
Refer to the instructions included with each warming
shelf for complete installation procedures.
Decorative Rings
7” brass or charcoal gray rings are available to add a
decorative touch to the exposed stove pipe.
Model Description
7FSDRG/4 7” Charcoal Gray Rings (4)
7FSDRP/4 7” Polished Brass Rings (4)

49
Radiance Direct Vent Gas Heater
20012697

5050
Radiance Direct Vent Gas Heater
20012697

51
Radiance Direct Vent Gas Heater
20012697
LIMITED LIFETIME WARRANTY
CFM Corporation (hereinafter referred to as CFM) warrants that all
cast iron parts, the combustion chamber, ceramic burner, and heat
exchanger of every Vermont Castings gas product will be free of
defective material or workmanship during the period the product
is owned by the original owner subject to proof of purchase and
the conditions and limitations listed on this warranty document.
BASIC ONE-YEAR WARRANTY
CFM warrants to the original owner that your new Vermont Castings
Gas Appliance is free from defects in material or workmanship
for a period of one year from the date of purchase, subject to the
following conditions and limitations. Labor to replace these parts
is covered for one year, reimbursed per our warranty service fee
schedule.
COMPONENT WARRANTY LIMITATATIONS
PORCELAIN ENAMEL FINISHED PARTS: CFM offers no warranty on
chipping of enamel surfaces. Inspect all products prior to accepting
them for any damage to the enamel. The salt air environment of
coastal areas or a high humidity environment can be corrosive to
the porcelain enamel finish. These conditions can cause rusting
of the cast iron beneath the porcelain enamel finish, which will
cause the finish to flake off. Color lot variations with parts and/or
accessories can occur and are not covered by warranty.
GLASS: Glass is not warranted for breakage due to misuse or accident.
Glass is not covered for discoloration or stains due to environmental
issues, or improper cleaning and maintenance.
PLATED PARTS AND ACCESSORIES: Brass, nickel, and gold parts
should be cleaned with Lemon oil only. Commercial cleaners cannot
be used. Mortar mix and masonry cleaners corrode the brass
finish. The CFM will not be responsible for, nor will it warrant any
brass parts which are damaged by external chemicals or down
draft conditions.
ACCESSORIES: Unless otherwise noted, CFM supplied accessories
are covered for a period of one year.
GENERAL CONDITIONS AND LIMITATIONS
• This Vermont Castings product must be installed or serviced by
a qualified installer, preferably NFI or WETT (Canada) certified,
as prescribed by the local jurisdiction. It must be installed and
operated at all times in accordance with the Installation and
Operating instructions furnished with the product. Any alteration,
willful abuse, accident, or misuse of the product shall nullify this
warranty.
• This warranty is non-transferable, and is made to the original
owner, provided that the purchase was made through an authorized
supplier of Vermont Castings branded CFM products.
• Parts covered under the Limited Lifetime Warranty will be covered
for the lifetime of the appliance up to a maximum of seven (7)
years after CFM discontinues the model. The maximum amount
recoverable under this warranty is limited to the purchase price of
the product and, if CFM is unable to provide replacement or repair
in an expedient and cost effective manner, CFM may discharge all
obligations under this warranty by refunding the purchase price of
the product.
• Any labor and related repair charges relating to the cost and
expenses of replacing or repairing defective components under
the Limited Lifetime Warranty are not covered, except as provided
for under the Basic One-Year Warranty.
• Any part or component replaced under the provisions of this
warranty is covered for six months or the remainder of the original
warranty, whichever is longest.
• Any installation, labor, construction, transportation, or other related
costs/expenses arising from defective part(s), repair, replacement,
or otherwise of same, will not be covered by this warranty, nor shall
the Company assume responsibility for same. IN NO EVENT SHALL
CFM BE LIABLE FOR ANY INCIDENTAL OR CONSEQUENTIAL
DAMAGES CAUSED BY DEFECTS IN THE PRODUCT except
as provided by law
• SOME STATES DO NOT ALLOW FOR THE EXCLUSION
OR LIMITATIONS OF INCIDENTAL AND CONSEQUENTIAL
DAMAGES OR LIMITATIONS ON HOW LONG AN IMPLIED
WARRANTY LASTS, SO THE ABOVE LIMITATIONS MAY NOT
APPLY TO YOUR CIRCUMSTANCES. THIS WARRANTY GIVES
YOU SPECIFIC RIGHTS AND YOU MAY HAVE OTHER RIGHTS
WHICH VARY FROM STATE TO STATE.
• All other warranties expressed or implied with respect to the product,
its components and accessories, or any obligations/liabilities on
the part of the Company are hereby expressly excluded.
• The Company neither assumes, nor authorizes any third party to
assume on its behalf, any other liabilities with respect to the sale
of this Vermont Castings product
• The warranties as outlined within this document do not apply to
chimney components or other non CFM Corporation accessories
used in conjunction with the installation of this product.
• Damage to the unit while in transit is not covered by this warranty
but is subject to claim against the common carrier. Contact the
dealer from whom you purchased your fireplace/stove (do not
operate the appliance as this might negate the ability to process
the claim with the carrier).
• The Company will not be responsible for:
a) Down drafts or spillage caused by environmental conditions such
as near-by trees, buildings, roof tops, hills, or mountains.
b) Inadequate ventilation or negative air pressure caused by
mechanical systems such as furnaces, fans, clothes dryers, etc.
• This warranty is void if:
a) The fireplace has been operated in atmospheres contaminated
by chlorine, fluorine, or other damaging chemicals.
b) The fireplace has been subjected to prolonged periods of dampness
or condensation
c) Any damages to the fireplace, combustion chamber, heat
exchanger or other components due to water, or weather damage,
which is the result of but not limited to, improper chimney/venting
installation.
d) Any alteration, willful abuse, accident, or misuse of the product
has occurred.
IF WARRANTY SERVICE IS NEEDED...
Contact your installing Vermont Castings dealer. Make sure
you have your warranty, your sales receipt, the model number
and serial number of your CFM product. If you’re the installing
dealer is unknown or unable to provide necessary parts or
service, a list of Authorized Vermont Casting dealers can be
located on the internet at www.vermontcastings.com
LIMITED LIFETIME WARRANTY
PRODUCT COVERED BY THIS WARRANTY
All Vermont Castings brand gas stoves, gas inserts, and gas fireplaces installed in the United States of America
or Canada.

2695 Meadowvale Blvd. • Mississauga, Ontario, Canada L5N 8A3
800-668-5323 • www.cfmcorp.com
CFM Corporation