Vertex Standard Ft 1807M Users Manual 1807M.p65
FT-1807M to the manual 4bb8f534-4ab3-4d4a-8f72-556c093b97a5
2015-02-03
: Vertex-Standard Vertex-Standard-Ft-1807M-Users-Manual-458234 vertex-standard-ft-1807m-users-manual-458234 vertex-standard pdf
Open the PDF directly: View PDF
.
Page Count: 34

Introduction
This manual provides technical information necessary for servicing the FT-1807M FM Transceiver.
Servicing this equipment requires expertise in handling surface-mount chip components. Attempts by non-
qualified persons to service this equipment may result in permanent damage not covered by the warranty,
and may be illegal in some countries.
Two PCB layout diagrams are provided for each double-sided circuit board in the Transceiver. Each side of is
referred to by the type of the majority of components installed on that side (“leaded” or “chip-only”). In most
cases one side has only chip components, and the other has either a mixture of both chip and leaded compo-
nents (trimmers, coils, electrolytic capacitors, ICs, etc.), or leaded components only.
While we believe the technical information in this manual to be correct, VERTEX STANDARD assumes no
liability for damage that may occur as a result of typographical or other errors that may be present. Your
cooperation in pointing out any inconsistencies in the technical information would be appreciated.
©2006 VERTEX STANDARD CO., LTD. EH023U90A
Technical Supplement
Specifications ......................................................2
Exploded View & Miscellaneous Parts............3
Block Diagram....................................................5
Connection Diagram ..........................................6
Circuit Description.............................................7
Alignment ............................................................9
Contents
Board Unit (
Schematics, Layouts & Parts
)
MAIN Unit Circuit Diagram ................................. 13
MAIN Unit Parts Layout ....................................... 15
MAIN Unit Parts List ............................................ 17
CNTL Unit Circuit Diagram.................................. 27
CNTL Parts Layout ............................................... 28
CNTL Parts List .................................................... 29
VERTEX STANDARD CO., LTD.
4-8-8 Nakameguro, Meguro-Ku, Tokyo 153-8644, Japan
VERTEX STANDARD
US Headquarters
10900 Walker Street, Cypress, CA 90630, U.S.A.
YAESU EUROPE B.V.
P.O. Box 75525, 1118 ZN Schiphol, The Netherlands
YAESU UK LTD.
Unit 12, Sun Valley Business Park, Winnall Close
Winchester, Hampshire, SO23 0LB, U.K.
VERTEX STANDARD HK LTD.
Unit 5, 20/F., Seaview Centre, 139-141 Hoi Bun Road,
Kwun Tong, Kowloon, Hong Kong
FM TRANSCEIVER
FT-1807M
Important Note
This transceiver was assembled using Pb (lead) free solder, based on the RoHS specification.
Only lead-free solder (Alloy Composition: Sn-3.0Ag-0.5Cu) should be used for repairs performed on
this apparatus. The solder stated above utilizes the alloy composition required for compliance with the
lead-free specification, and any solder with the above alloy composition may be used.
2
Specifications
General
Frequency Range: Tx 400 - 470 MHz
Rx 400 - 470 MHz
Channel Step: 5/10/12.5/15/20/25/50/100 kHz
Standard Repeater Shift: ±600 kHz
Frequency Stability: Better than ±5 ppm (–20 °C to +60 °C)
Modes of Emission: F2D/F2A/F3E
Antenna Impedance: 50 Ohms, unbalanced
Supply voltage: 13.8 V DC ±15%, negative ground
Current Consumption (typical): Rx: less than 0.7 A, less than 0.3 A (squelched)
Tx: 10 A (50 W) /7 A (25 W) /5 A (10 W) /4 A (5 W)
Operating Temperature Range: –20° C to +60° C
Case Size (WxHxD): 140 x 40 x 146 mm (w/o knobs)
Weight (Approx.): 1.2 kg
Transmitter
Output Power: 50 W/25 W/10 W/5 W
Modulation Type: Variable Reactance
Maximum Deviation: ±5 kHz (Wide)/±2.5 kHz (Narrow)
Spurious Radiation: Better than –60 dB
Microphone Impedance: 2 k-Ohms
Receiver
Circuit Type: Double Conversion Superheterodyne
Ifs: 47.25 MHz & 450 kHz
Sensitivity (for 12dB SINAD): Better than 0.2 µV
Selectivity (–6/–60dB): 12 kHz/28 kHz (Wide)
9 kHz/22 kHz (Narrow)
IF Rejection: Better than 70 dB
Image Rejection: Better than 70 dB
Maximum AF Output: 3 W into 4 Ohms @10 % THD
Specifications subject to change without notice or obligation. Specifications guaranteed only within Amateur band.
Frequency ranges and functions will vary according to transceiver version; check with your dealer.

3
Exploded View & Miscellaneous Parts
g
c
d
e
f
g
g
d
d
d
c
c
c
f
f
f
f
f
f
f
f
e
e
e
e
e
e
e
e
e
e
M4090178
SPEAKER
Non-designated parts are available only as
part of a designated assembly.
S8002063
CAP-SP
RA0753600
FRONT PANEL
RA0753800
RUBBER KNOB
G6090169
LCD
RA0754500
INTER CONNECTOR
RA0754600
DIFFUSER
CNTL UNIT
MAIN UNIT
RA0754400
GROUND PLATE
RA0753400
CHASSIS
RA0754200
ENCODER KNOB
RA0754100
KNOB (VOL/CQL)
RA0754300
REFLECTOR
P1091172
CONNECTOR
G1094344
RA55H4047M
T9206876 (FT-1807M)
T9206955 (FT-1807E)
WIRE ASSY
CP8579001
CASE ASSY
w/SP NET: S8002087
DESCRIPTION
MICROPHONE (MH-48A6J)
DC CABLE (FT-1807M)
DC CABLE (FT-1807E)
SPARE FUSE (15 A: FT-1807M)
SPARE FUSE (15 A: FT-1807E)
BRACKET (MMB-36)
SCREW SET
VXSTD P/N
AAA43X001
T9021715
T9022815
Q0000081
Q0000075
D6000055
CB0297000
ACCESSORIES
REF.
c
d
e
f
g
QTY.
4
4
11
9
3
DESCRIPTION
SEMS SCREW ASM3X10NI
TAPTITE SCREW M2X12NI
TAPTITE SCREW M3X8NI
TAPTITE SCREW M2.6X6B
HEXA SOCKET BOLT M3X20B
VXSTD P/N
U03310002
U24112002
U24308002
U36206007
U51320007
T9207248
WIRE ASSY
S8002118 (2 pcs)
CUSHION
T9206438A
WIRE ASSY
4
Note

5
Block Diagram

6
Connection Diagram
7
Circuit Description
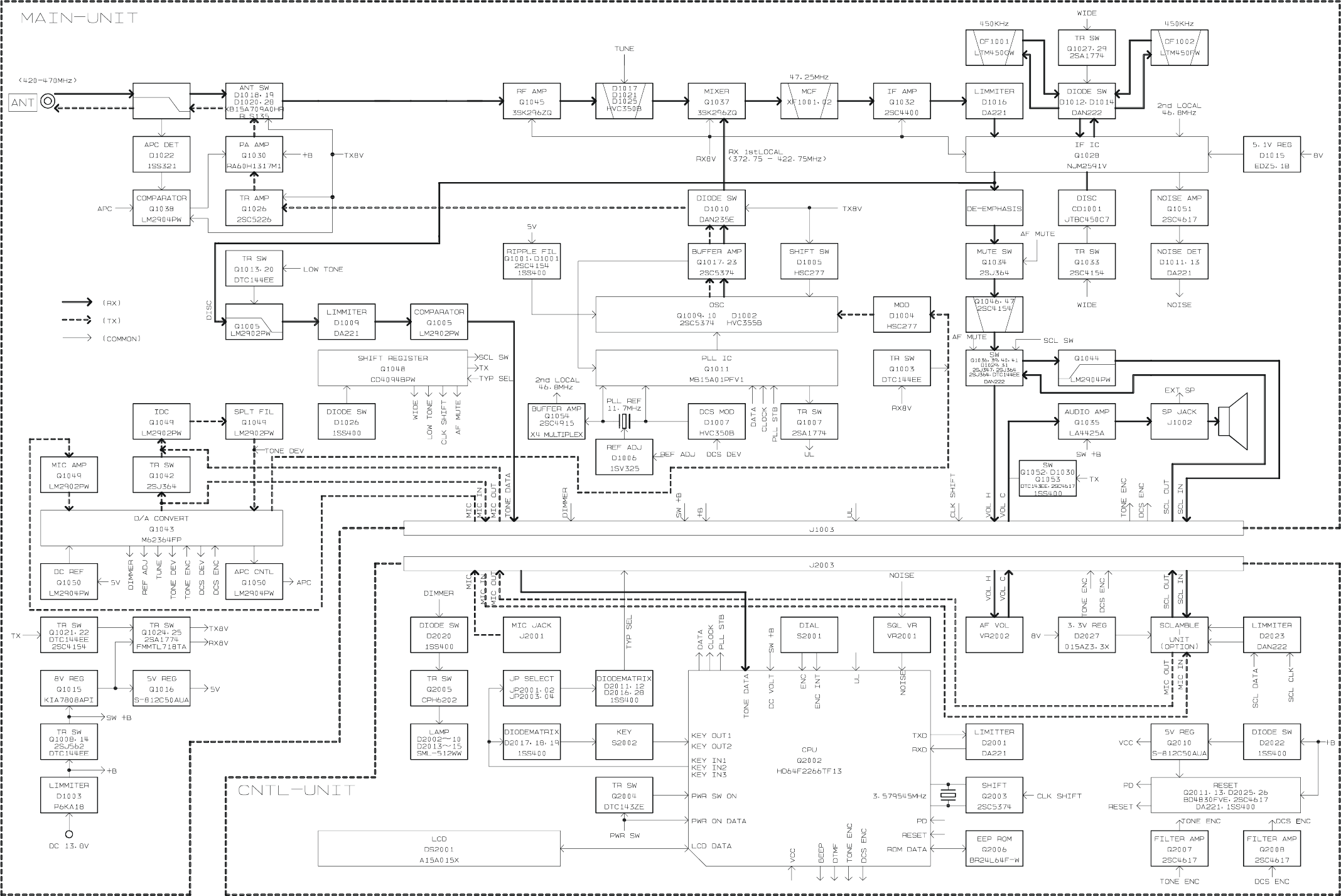
Receive Signal Path
Incoming RF signal is from the antenna jack is deliv-
ered to the Main Unit and passed through the low-
pass filter network consisting capacitors C1213,
C1236, C1239, & C1238 and coils L1017, L1018, &
L1019, antenna switching diode D1020 and D1028
(both RLS135), delivery to the RF amplifier Q1045
(3SK296ZQ). The amplified RF signal is passed
through the another varactor-tuned band-pass filter
consisting of capacitors C1198, C1199, C1200, C1290,
C1218, C1249, C1251, C1219, C1248, C1221 & C1268,
coils L1012, L1015, & L1026, and diodes D1017,
D1021 and D1025 (both HVC350B). The amplified
RF signal is passed through the another varactor-
tuned band-pass filter consisting of capacitors C1198,
1199, 1200, & 1218, coils L1012 and L1015, and di-
odes D1017 and D1021 (both HVC350B), then ap-
plied to the 1st mixer Q1037 (3SK296ZQ) along with
the first local signal from the PLL circuit.
The first local signal is generated between 352.75
MHz and 422.75 MHz by the VCO, which consists
of Q1009 (2SC5374) and varactor diode D1002
(HVC355B) according to the receiving frequency.
IF and Audio Circuits
The 47.25 MHz first IF signal is applied to the mono-
lithic crystal filters XF1001 and XF1002 which strip
away unwanted mixer products, and the IF signal is
applied to the first IF amplifier Q1032 (2SC4400).
The amplified first IF signal is then delivered to the
FM IF subsystem IC Q1028 (NJM2591V), which con-
tains the second mixer, limiter amplifier, noise am-
plifier, and FM detector.
The 46.8 MHz second local signal which is made from
quadrupled 11.7 MHz crystal X1001 produces the 450
kHz second IF signal when mixed with first IF sig-
nal within Q1028 (NJM2591V).
The 450 kHz second IF signal is applied to the ce-
ramic filter CF1001 (for Narrow FM) or CF1002 (for
Wide FM) which strip away unwanted mixer prod-
ucts to the ceramic discriminator CD1001 which re-
moves any amplitude variations in the 450 kHz IF
signal before detection of speech.
The detected audio from the Q1028 (NJM2591V)
passes through the de-emphasis circuit consisting of
resistors R1082 & R1113, and capacitors C1120 &
C1122, to the audio mute gate Q1034 (2SJ364).
The audio signal passes through a band-pass filter
consisting of Q1046 and Q1047 (both 2SC4154), and
the audio mute gate Q1039 (2SJ347), to the audio
VR which adjusts the audio sensitivity to compen-
sate for audio level variations. The adjusted audio
signal is delivered to the audio amplifier Q1035
(LA4425A) which provides up to 3 Watts, to the ex-
ternal speaker jack or a 4-Ohm loudspeaker.
Squelch Control
When no carrier received, the noise signal from
Q1028 (NJM2591V) is amplified by Q1051
(2SC4617), and is detected by D1011 and D1013
(both DA221). The resulting DC voltage passes
through the SQL knob to main CPU Q2002
(HD64F2266TF13). While no carrier is received,
main CPU Q2002 (HD64F2266TF13) control Q1048
(CD4094BPWR), thus, audio mute gate Q1034
(2SJ364) and Q1039 (2SJ347) turns “OFF” to dis-
able the audio output from the speaker.
Transmit Signal Path
The speech signal from the microphone is amplified
by Q1049 (LA2902PWR). The amplified speech sig-
nal is subjected to the low-pass filter network Q1049
(LA2902PWR) to deviation controlled by Q1043
(M62364FP).
The adjusted speech signal from Q1043 (M62364FP)
is delivered to VCO Q1009 (2SC5374) which fre-
quency modulates the transmitting VCO made up
of D1004 (HSC277).
The modulated transmit signal passes through buff-
er amplifier Q1010 and Q1023 (both 2SC5374).
The transmit signal applied to the drive amplifier
Q1026 (2SC5226), then finally amplified by power
amplifier module Q1030 (RA55H4047M) up to 50
Watts. The APC circuit controls the Q1030
(RA55H4047M) power amplifier’s gain.
The 50 Watts RF signal passes through low-pass fil-
ter network consisting of Capacitors C1210 and
C1211 and coil L1013, antenna switch D1018 and
D1019 (both XB15A709), and another low-pass fil-
ter network consisting capacitors C1213, C1236, &
C1239, C2038 and coils L1017, L1018, & L1019, and
then deliver to the ANT jack.
8
Circuit Description
TX APC Circuit
A portion of the power amplifier module output is
rectified by D1022 (1SS321), then delivered to APC
Q1038 (LM2904PWR), as a DC voltage which is pro-
portional to the output level of the power amplifier
module.
The APC Q1038 (LM2904PWR) is compared the rec-
tified DC voltage from the power amplifier module
and the reference voltage from the main CPU Q2002
(HD64F2266TF13), to produce a control voltage,
which regulates supply voltage to the power ampli-
fier module Q1030 (RA55H4047M), so as to main-
tain stable output power under varying antenna
loading condition.
PLL
A portion of the output from the VCO Q1009
(2SC5374) passes through the buffer amplifier
Q1010 and Q1017 (both 2SC5374), then delivered
to the programmable divider section of the PLL IC
Q1011 (MB15A01PFV1), which divided according
to the frequency dividing data that is associated with
the setting frequency input from the main CPU
Q2002 (HD64F2266TF13). It is then sent to the phase
comparator section of the PLL IC Q1011
(MB15A01PFV1).
The 11.7 MHz frequency of the reference oscillator
circuit made up of X1001 is divided by the reference
frequency divider section of Q1011 (MB15A01PFV1)
into 2340 or 1872 parts to become 5 kHz or 6.25 kHz
comparative reference frequencies, which are utilized
by the phase comparator section of Q1011
(MB15A01PFV1).
The phase comparator section of Q1011
(MB15A01PFV1) compares the phase between the
frequency-divided oscillation frequency of the VCO
circuit and comparative frequency and its output is
a pulse corresponding to the phase difference. This
pulse is integrated by the charge pump and loop fil-
ter into a control voltage (VCV) to control the oscil-
lation frequency of the VCO Q1009 (2SC5374).
9
Alignment
Introduction
The FT-1807M is carefully aligned at the factory for
the specified performance across the amateur band.
Realignment should therefore not be necessary ex-
cept in the event of a component failure. Only an
authorized Vertex Standard representative should
perform all component replacement and service, or
the warranty policy may be void.
The following procedures cover the adjustments that
are not normally required once the transceiver has
left the factory. However, if damage occurs and some
parts subsequently are replaced, realignment may
be required. If a sudden problem occurs during nor-
mal operation, it is likely due to component failure;
realignment should not be done until after the faulty
component has been replaced.
We recommend that servicing be performed only by
authorized Vertex Standard service technicians who
are experienced with the circuitry and fully equipped
for repair and alignment. If a fault is suspected, con-
tact the dealer from whom the transceiver was pur-
chased for instructions regarding repair. Authorized
Vertex Standard service technicians realign all cir-
cuits and make complete performance checks to en-
sure compliance with factory specifications after re-
placing any faulty components.
Those who do undertake any of the following align-
ments are cautioned to proceed at their own risk.
Problems caused by unauthorized attempts at re-
alignment are not covered by the warranty policy.
Also, Vertex Standard reserves the right to change
circuits and alignment procedures in the interest of
improved performance, without notifying owners.
Under no circumstances should any alignment be
attempted unless the normal function and operation
of the transceiver are clearly understood, the cause
of the malfunction has been clearly pinpointed and
any faulty components replaced, and realignment
determined to be absolutely necessary.
Required Test Equipment
The following test equipment (and familiarity with
its use) is necessary for complete realignment. Cor-
rection of problems caused by misalignment result-
ing from use of improper test equipment is not cov-
ered under the warranty policy. While most steps
do not require all of the equipment listed, the inter-
actions of some adjustments may require that more
complex adjustments be performed afterwards.
Do not attempt to perform only a single step unless
it is clearly isolated electrically from all other steps.
Have all test equipment ready before beginning and,
follow all of the steps in a section in the order pre-
sented.
RF Signal Generator with calibrated output level
at 500 MHz
Deviation Meter (linear detector)
In-line Wattmeter with 5% accuracy at 500 MHz
50-Ohm 100-W RF Dummy Load
8-Ohm AF Dummy Load
Regulated DC Power Supply adjustable from 9 to
16.5 VDC, 15A
Frequency Counter: 0.2-ppm accuracy at 500 MHz
AF Signal Generator
AC Voltmeter
DC Voltmeter: high impedance
UHF Sampling Coupler
SINAD Meter

10
Alignment Preparation & Precautions
A 50-Ohm RF load and in-line wattmeter must be
connected to the antenna jack in all procedures that
call for transmission; alignment is not possible with
an antenna. After completing one step, read the next
step to see if the same test equipment is required. If
not, remove the test equipment (except dummy load
and wattmeter, if connected) before proceeding.
Correct alignment requires that the ambient tempera-
ture be the same as that of the transceiver and test
equipment, and that this temperature be held con-
stant between 20 °C ~ 30 °C. When the transceiver is
brought into the shop from hot or cold air, it should
be allowed some time to come to room temperature
before alignment. Whenever possible, alignments
should be made with oscillator shields and circuit
boards firmly affixed in place. Also, the test equip-
ment must be thoroughly warmed up before begin-
ning.
Note: Signal levels in dB referred to in the alignment
procedure are based on 0dBµ = 0.5µV.
Test Setup
Set up the test equipment as shown below for trans-
ceiver alignment.
Entering the Alignment Mode
Alignment of the FT-1807M is performed using a
front panel software-based procedure. To perform
alignment of the transceiver, it must first be placed
in the “Alignment Mode,” in which the adjustments
will be made and then stored into memory.
To enter the Alignment mode, press and hold in the
[REV(DW)] and [D/MR(MW)] keys while turning the
radio on. Once the radio is on, release these two key.
The transceiver is now in the “Alignment Mode.”
PLL Reference Frequency
Rotate the DIAL knob to set the alignment param-
eter to “435.000 rF435.000 rF
435.000 rF435.000 rF
435.000 rF.”
Press the [D/MR(MW)] key to enable adjustment
of the “PLL Reference Frequency.”
Press the PTT switch to activate the transmitter,
adjust the DIAL knob so that the counter frequency
reading is 435.100 MHz (±200 Hz).
Press the [D/MR(MW)] key.
RF Front-end Tuning
Inject a 435.100 MHz signal at a level of –10 dBµ
(with 1 kHz modulation @±3.5 kHz deviation)
from the RF signal generator.
Rotate the DIAL knob to set the alignment param-
eter to “435.100 tn435.100 tn
435.100 tn435.100 tn
435.100 tn.”
Press the [D/MR(MW)] key to enable adjustment
of the “RF Front-end Tuning.”
Adjust the DIAL knob so that the maximum
SINAD.
Press the [D/MR(MW)] key.
Alignment
TEST EQUIPMENT SETUP
MIC SW2
MIC SW1
GND +8V
MIC INPUT
PTT/CLONE
FT-1807M
Inline
Wattmeter
SINAD MeterDeviation Meter
Frequency
Counter
RF
Signal Generator
AF
Signal Generator
RF
Signal Generator
50-Ohm
Dummy Load
MIC
ANT
EXT SP
RF Sampling
Coupler
DC INPUT
11
Squelch Threshold Level
Inject a 435.100 MHz signal at a level of –14 dBµ
(with 1 kHz modulation @±3.5 kHz deviation)
from the RF signal generator.
Rotate the SQL knob to the 10-o’clock position.
Rotate the DIAL knob to set the alignment param-
eter to “435.100 tL435.100 tL
435.100 tL435.100 tL
435.100 tL.”
Press the [D/MR(MW)] key to enable adjustment
of the “Squelch Threshold Level.”
Press the [D/MR(MW)] key three times.
Press the [D/MR(MW)] key.
S-meter Level (S-1)
Inject a 435.100 MHz signal at a level of –5 dBµ
(with 1 kHz modulation @±3.5 kHz deviation)
from the RF signal generator.
Rotate the DIAL knob to set the alignment param-
eter to “435.100 S1435.100 S1
435.100 S1435.100 S1
435.100 S1.”
Press the [D/MR(MW)] key to enable adjustment
of the “S-meter Level (S-1).”
Press the [D/MR(MW)] key three times.
Press the [D/MR(MW)] key.
S-meter Level (S-9)
Inject a 435.100 MHz signal at a level of +23 dBµ
(with 1 kHz modulation @±3.5 kHz deviation)
from the RF signal generator.
Rotate the DIAL knob to set the alignment param-
eter to “435.100 S9435.100 S9
435.100 S9435.100 S9
435.100 S9.”
Press the [D/MR(MW)] key to enable adjustment
of the “S-meter Level (S-9).”
Press the [D/MR(MW)] key three times.
Press the [D/MR(MW)] key.
TX Power (High)
Rotate the DIAL knob to set the alignment param-
eter to “435.000 HP435.000 HP
435.000 HP435.000 HP
435.000 HP.”
Press the [D/MR(MW)] key to enable adjustment
of the “TX Power (High).”
Press the PTT switch to activate the transmitter,
adjust the DIAL knob so that the RF Power Meter
reading is 50 W (±1.0W).
Press the [D/MR(MW)] key.
TX Power (Low 3)
Rotate the DIAL knob to set the alignment param-
eter to “435.000 L3435.000 L3
435.000 L3435.000 L3
435.000 L3.”
Press the [D/MR(MW)] key to enable adjustment
of the “TX Power (Low 3).”
Press the PTT switch to activate the transmitter,
adjust the DIAL knob so that the RF Power Meter
reading is 25 W (±1.0 W).
Press the [D/MR(MW)] key.
TX Power (Low 2)
Rotate the DIAL knob to set the alignment param-
eter to “435.000 L2435.000 L2
435.000 L2435.000 L2
435.000 L2.”
Press the [D/MR(MW)] key to enable adjustment
of the “TX Power (Low 2).”
Press the PTT switch to activate the transmitter,
adjust the DIAL knob so that the RF Power Meter
reading is 10 W (±0.5 W).
Press the [D/MR(MW)] key.
TX Power (Low 1)
Rotate the DIAL knob to set the alignment param-
eter to “435.000 L1435.000 L1
435.000 L1435.000 L1
435.000 L1.”
Press the [D/MR(MW)] key to enable adjustment
of the “TX Power (Low 1).”
Press the PTT switch to activate the transmitter,
adjust the DIAL knob so that the RF Power Meter
reading is 5 W (±0.5 W).
Press the [D/MR(MW)] key.
TX Deviation
Inject a 1 kHz, 50 mV signal from the Audio Gen-
erator.
Rotate the DIAL knob to set the alignment param-
eter to “435.000 dU435.000 dU
435.000 dU435.000 dU
435.000 dU.”
Press the [D/MR(MW)] key to enable adjustment
of the “TX Deviation.”
Press the PTT switch to activate the transmitter,
adjust the DIAL knob so that the Deviation Meter
reading is 4.2 kHz (±0.1 kHz).
Press the [D/MR(MW)] key.
Alignment
12
CTCSS TX Deviation
Rotate the DIAL knob to set the alignment param-
eter to “435.000 103435.000 103
435.000 103435.000 103
435.000 103.”
Press the [D/MR(MW)] key to enable adjustment
of the “CTCSS TX Deviation.”
Press the PTT switch to activate the transmitter,
adjust the DIAL knob so that the Deviation Meter
reading is 0.6 kHz (±0.05 kHz).
Press the [D/MR(MW)] key.
Alignment
DCS TX Deviation
Rotate the DIAL knob to set the alignment param-
eter to “43.000 dC43.000 dC
43.000 dC43.000 dC
43.000 dC.”
Press the [D/MR(MW)] key to enable adjustment
of the “DCS TX Deviation.”
Press the PTT switch to activate the transmitter,
adjust the DIAL knob so that the Deviation Meter
reading is 0.8 kHz (±0.05 kHz).
Press the [D/MR(MW)] key.
Closing the Alignment mode
Press the [DW(REV)] key to save the new setting and
exit to normal operation.

13
MAIN Unit
Circuit Diagram
1.5 V
(1.5 V)
Ú1
Ú2 Q1043 Pin 2
TX (LOW 1): 0.7 V (2.0 V)
TX (LOW 2): 0.7 V (2.4 V)
TX (LOW 3): 0.7 V (3.1 V)
TX (HIGH): 0.7 V (3.8 V)
Ú1 Q1028
Pin RX TX
1 5.0 V 5.0 V
2 --- ---
3 3.0 V 0 V
4 5.0 V 0.6 V
5 5.0 V 0.5 V
6 5.0 V 0.5 V
7 --- ---
8 0.7 V 0 V
9 1.1 V 0 V
10 5.0 V 0.6 V
11 4.2 V 0.1 V
12 0.6 V 0 V
13 --- ---
14 --- ---
15 0 V 0 V
16 1.0 V 0 V
0 V
(0 V)
1.7 V
(1.7 V)
3.5 V
(3.5 V)
1.0 V
(1.0 V)
0 V
(0.8 V) 2.9 V
(2.9 V)
3.4 V
(3.4 V)
0.6 V
(0.6 V)
0.7 V
(0.7 V)
5.5 V
(5.5 V)
0 V
(6.4 V)
6.3 V
(0.4 V)
0 V
(0.7 V)
0 V
(6.4 V)
0 V
(4.0 V)
0 V
(4.2 V)
0 V
(2.6 V)
0 V
(2.6 V)
0 V
(2.7 V)
0 V
(1.6 V)
0 V
(0.9 V)
0 V
(0 V)
0 V
(0 V)
0 V
(6.7 V)
5.5 V
(0.2 V)
2.2 V
(0.1 V)
5.2 V (0.3 V)
1.0 V (0 V)
2.3 V
(0.7 V)
2.2 V
(0.7 V)
2.1 V
(0.6 V)
1.6 V
(0 V)
2.9 V
(0.1 V)
0.9 V
(0 V)
7.3 V
(0.3 V)
0.7 V
(0.3 V)
6.5 V
(0.3 V)
5.2 V
(0.6 V)
5.0 V
(4.5 V)
2.3 V
(0.1 V)
4.5 V
(0 V)
2.9 V
(0.4 V)
0.1 V (0 V)
4.9 V
(4.9 V)
0 V
(0 V)
0 V
(0 V)
0.6 V
(0.6 V)
0 V
(0 V)
0 V
(0 V)
0 V
(5.0 V)
0 V
(0 V)
2.5 V
(0.8 V)
2.5 V
(0.3 V)
0 V
(0 V)
0 V
(0 V)
7.2 V
(4.5 V) 0 V
(4.6 V)
3.2 V
(0 V)
7.7 V
(0.5 V)
3.2 V
(0.2 V)
0 V
(0 V)
1.4 V
(0.5 V)
0.9 V
(0 V)
3.1 V
(0.5 V)
5.5 V (0.5 V)
2.6 V
(0.4 V)
2.5 V
(0 V)
2.3 V
(2.3 V)
0.6 V (0.5 V)
4.2 V (0.5 V)
4.8 V
(0.2 V)
5.4 V
(0 V)
1.4 V
(0.5 V)
4.8 V
(4.9 V)
0.6 V
(0.6 V)
1.8 V
(1.8 V) 1.9 V
(1.9 V)
1.9 V
(1.9 V)
5.0 V
(5.0 V)
4.8 V
(4.8 V)
3.8 V
(3.8 V)
4.8 V
(4.8 V)
4.6 V
(4.6 V)
0 V
(0 V)
1.5 V
(1.5 V)
0 V
(0 V)
7.9 V
(0.4 V)
2.1 V (0 V)
2.1 V
(0 V)
1.9 V
(0 V)
0 V (0 V) 5.0 V
(5.0 V)
0 V (0 V)
1.9 V
(0 V)
2.2 V
(0 V)
3.4 V
(0 V)
0 V
(8.0 V)
7.8 V
(7.2 V)
7.2 V (8.0 V)
7.9 V
(0.5 V)
0.1 V
(8.0 V)
0.7 V
(0.1 V)
7.8 V
(0.1 V)
5.0 V
(5.0 V)
8.0 V
(8.0 V)
0 V
(0 V)
4.1 V
(4.1 V)
13.8 V
(12.4 V)
0 V (0 V) 5.0 V
(5.0 V) 0 V (0 V)
5.0 V
(5.0 V)
Ú2
2.4 V
(0.7 V)
2.8 V
(2.8 V)
0 V
(0 V)
0 V
(0 V)
0 V
(0 V)
0 V (4.4 V)
1.3 V
(1.3 V)
6.5 V
(6.0 V)
0 V
(0 V)
1.9 V
(1.9 V)
0 V
(0 V)
1.9 V
(1.8 V)
1.9 V
(1.9 V)
2.4 V
(2.4 V)
0.7 V
(0.7 V)
0 V
(4.9 V)
0 V
(5.0 V)
RX : XX
TX : (XX)
Frequency : 430.000 MHz
14
MAIN Unit
Note

15
MAIN Unit
Parts Layout (Side A)
BADCEF
1
2
3
4
5
2SA1774 (FR)
(Q1007) 2SC4154 (E)
(Q1033)
2SC4400 (RT4)
(Q1032)
2SC4617 (BR)
(Q1051, 1053)
2SC5226 (R22)
(Q1026)
2SC4915O (Q0)
(Q1054)
2SC5374 (NA)
(Q1009, 1010, 1017,
1023)
DAN235E (M)
(D1010)
CD4094BPWR
(Q1048)
MB15A01PFV1
(Q1011)
NJM2591V
(Q1028)
2SJ562
(Q1008)
3SK296ZQ (ZQ)
(Q1037, 1045)
KIA7808API
(Q1015) LA4425A
(Q1035)
RA55H4047M
(Q1030)
DTC144EE (26)
(Q1003, 1004, 1014)
DA221 (26)
(D1011, 1013, 1016)
2SJ364 (4M)
(Q1055)

16
MAIN Unit
Parts Layout (Side B)
badcef
1
2
3
4
5
2SA1774 (FR)
(Q1024, 2027, 1029)
2SC4154 (E)
(Q1001, 1021, 1046,
1047)
FMMTL718TA
(Q1025)
2SJ364 (4M)
(Q1034, 1036,
1041, 1042)
LM2904PWR
(Q1038, 1044,
1050)
LM2902PWR
(Q1005, 1049)
DTC144EE (26)
(Q1013, 1020, 1022,
1031, 1040)
M62364FP
(Q1043)
S-812C50AUA
(Q1016)
1SS321 (F9)
(D1022)
DAN222 (N)
(D1012, 1014, 1029,
1031)
DA221 (26)
(D1009)
2SJ347 (KS)
(Q1039)

17
PCB with Components CB3539001 FT-1807M
CB3539002 FT-1807E
Printed Circuit Board AH023U000 FR014760C 1-
C 1001 CHIP TA.CAP. 10uF 10V TAJA106M010Y K78100072 1- B e4
C 1002 CHIP TA.CAP. 10uF 10V TAJA106M010Y K78100072 1- B e4
C 1003 CHIP CAP. 0.01uF 25V B GRM39B103M25PT K22144802 1- B e3
C 1005 CHIP CAP. 100pF 50V CH GRM1882C1H101JA01D K22174235 1- A A1
C 1006 CHIP CAP. 0.001uF 50V B GRM188B11H102KA01D K22174809 1- A A1
C 1007 AL.ELECTRO.CAP. 3300uF 16V RE3-16V332MI6# K40129065 1- A B2
C 1008 CHIP CAP. 0.5pF 50V CK GRM1884C1HR50BZ01D K22174265 1- A B5
C 1009 CHIP CAP. 7pF 50V CH GRM1882C1H7R0DZ01D K22174208 1- A B5
C 1010 CHIP CAP. 330pF 50V B GRM188B11H331KD01D K22174803 1- A B5
C 1011 CHIP CAP. 0.001uF 50V B GRM188B11H102KA01D K22174809 1- A C5
C 1012 CHIP CAP. 0.001uF 50V B GRM188B11H102KA01D K22174809 1- A B5
C 1013 CHIP CAP. 0.001uF 50V B GRM188B11H102KA01D K22174809 1- A B5
C 1014 CHIP CAP. 0.001uF 50V B GRM188B11H102KA01D K22174809 1- A C5
C 1015 CHIP TA.CAP. 0.1uF 20V SKF-1D104M-RP K78130049 1- A C5
C 1016 CHIP TA.CAP. 0.1uF 20V SKF-1D104M-RP K78130049 1- A C5
C 1017 CHIP TA.CAP. 3.3uF 6.3V TESVSP0J335M-8R K78080052 1- A C5
C 1018 CHIP CAP. 0.001uF 50V B GRM155B11H102KA01D K22178809 1- A C5
C 1019 CHIP CAP. 0.047uF 16V B GRM39B473K16PT K22124804 1- A C4
C 1020 CHIP CAP. 0.001uF 50V B GRM155B11H102KA01D K22178809 1- A C5
C 1024 CHIP TA.CAP. 4.7uF 16V TAJA475M016Y K78120079 1- B c4
C 1025 CHIP CAP. 0.01uF 25V B GRM39B103M25PT K22144802 1- B c4
C 1026 CHIP CAP. 0.0027uF 50V B GRM188B11H272KA01D K22174814 1- B c4
C 1027 CHIP TA.CAP. 22uF 6.3V TAJA226M006Y K78080086 1- B c4
C 1029 CHIP CAP. 0.01uF 25V B GRM39B103K25PT K22144803 1- B f2
C 1030 CHIP CAP. 0.001uF 50V B GRM188B11H102KA01D K22174809 1- A B2
C 1031 CHIP CAP. 0.001uF 50V B GRM188B11H102KA01D K22174809 1- A B3
C 1032 CHIP CAP. 0.001uF 50V B GRM188B11H102KA01D K22174809 1- A B3
C 1033 CHIP CAP. 0.001uF 50V B GRM188B11H102KA01D K22174809 1- A B4
C 1034 CHIP CAP. 0.001uF 50V B GRM188B11H102KA01D K22174809 1- A B4
C 1035 CHIP CAP. 0.001uF 50V B GRM188B11H102KA01D K22174809 1- A B5
C 1036 CHIP CAP. 9pF 50V CH GRM1882C1H9R0DZ01D K22174210 1- A B4
C 1037 CHIP CAP. 12pF 50V CH GRM1882C1H120JA01D K22174213 1- A B4
C 1038 CHIP CAP. 0.001uF 50V B GRM188B11H102KA01D K22174809 1- A C4
C 1039 CHIP CAP. 1uF 10V F GRM188F11A105ZA01D K22105001 1- A C4
C 1040 CHIP CAP. 1.5pF 50V CK GRM1884C1H1R5CZ01D K22174258 1- A B4
C 1041 CHIP CAP. 0.001uF 50V B GRM188B11H102KA01D K22174809 1- A C4
C 1042 CHIP TA.CAP. 10uF 10V TAJA106M010Y K78100072 1- A C4
C 1043 CHIP CAP. 0.1uF 16V B GRM188B11C104KA01D K22124805 1- A C5
C 1044 CHIP CAP. 0.001uF 50V B GRM188B11H102KA01D K22174809 1- A C4
C 1045 CHIP CAP. 0.001uF 50V B GRM188B11H102KA01D K22174809 1- A C4
C 1046 CHIP TA.CAP. 10uF 10V TAJA106M010Y K78100072 1- A C4
C 1047 CHIP CAP. 47pF 50V CH GRM1882C1H470JA01D K22174227 1- A C5
C 1048 CHIP CAP. 47pF 50V CH GRM1882C1H470JA01D K22174227 1- A C5
C 1049 CHIP CAP. 47pF 50V CH GRM1882C1H470JA01D K22174227 1- A C5
C 1050 CHIP CAP. 10pF 50V CH GRM1882C1H100JA01D K22174211 1- A C5
C 1052 CHIP CAP. 0.022uF 25V B GRM39B223K25PT K22144807 1- B d4
C 1053 CHIP CAP. 0.015uF 25V B GRM39B153K25PT K22144805 1- B d4
C 1054 CHIP CAP. 150pF 50V CH GRM1882C1H151JA01D K22174239 1- B c4
C 1055 CHIP CAP. 560pF 50V B GRM188B11H561KA01D K22174806 1- B c4
C 1056 AL.ELECTRO.CAP. 100uF 16V RE3-16V101ME3# K40129063 1- A B4
C 1057 CHIP CAP. 0.1uF 16V B GRM188B11C104KA01D K22124805 1- A B3
C 1059 CHIP CAP. 0.001uF 50V B GRM188B11H102KA01D K22174809 1- B e4
C 1060 CHIP CAP. 0.001uF 50V B GRM188B11H102KA01D K22174809 1- B e4
C 1061 AL.ELECTRO.CAP. 10uF 16V RE2-16V100ME3# K40129004 1- A B4
C 1062 CHIP CAP. 0.001uF 50V B GRM188B11H102KA01D K22174809 1- B e4
C 1063 CHIP CAP. 47pF 50V CH GRM1882C1H470JA01D K22174227 1- A C4
C 1064 CHIP CAP. 0.001uF 50V B GRM188B11H102KA01D K22174809 1- A C3
C 1065 CHIP CAP. 5pF 50V CH GRM1882C1H5R0CZ01D K22174206 1- A B4
C 1067 CHIP CAP. 5pF 50V CH GRM1882C1H5R0CZ01D K22174206 1- A B3
C 1068 CHIP CAP. 8pF 50V CH GRM1882C1H8R0DZ01D K22174209 1- A D5
C 1069 CHIP CAP. 330pF 50V CH GRM1882C1H331JA01D K22174253 1- A D5
C 1070 CHIP CAP. 0.5pF 50V CK GRM1884C1HR50CZ01D K22174201 1- A D5
C 1071 CHIP CAP. 0.001uF 50V B GRM188B11H102KA01D K22174809 1- A D5
C 1072 CHIP CAP. 100pF 50V CH GRM1882C1H101JA01D K22174235 1- A D5
C 1073 CHIP CAP. 4.7uF 6.3V B JMK107BJ475MA-T K22084803 1- A D5
C 1074 CHIP CAP. 0.001uF 50V B GRM188B11H102KA01D K22174809 1- A D5
C 1076 CHIP CAP. 0.001uF 50V B GRM188B11H102KA01D K22174809 1- A D5
C 1077 CHIP CAP. 0.022uF 25V B GRM39B223K25PT K22144807 1- B d5
C 1078 CHIP CAP. 0.015uF 25V B GRM39B153K25PT K22144805 1- B d5
C 1079 CHIP CAP. 150pF 50V CH GRM1882C1H151JA01D K22174239 1- B d5
C 1080 CHIP CAP. 560pF 25V CH GRM39CH561J25PT K22144201 1- B d5
C 1081 CHIP CAP. 0.001uF 50V B GRM188B11H102KA01D K22174809 1- B e3
Parts List
MAIN Unit
REF DESCRIPTION VALUE V/W TOL. MFR'S DESIG VXSTD P/N VERS.
LOT
SIDE
LAY ADR

18
Parts List
MAIN Unit
REF DESCRIPTION VALUE V/W TOL. MFR'S DESIG VXSTD P/N VERS.
LOT
SIDE
LAY ADR
C 1082 AL.ELECTRO.CAP. 100uF 16V RC2-16V101MF1# K40129038 1- A B3
C 1083 CHIP CAP. 0.001uF 50V B GRM188B11H102KA01D K22174809 1- B d4
C 1084 CHIP CAP. 0.001uF 50V B GRM188B11H102KA01D K22174809 1- B d3
C 1086 CHIP CAP. 0.01uF 25V B GRM39B103M25PT K22144802 1- B a5
C 1087 CHIP CAP. 100pF 50V CH GRM1882C1H101JA01D K22174235 1- A D5
C 1089 CHIP CAP. 0.1uF 16V B GRM188B11C104KA01D K22124805 1- A F4
C 1090 CHIP CAP. 0.01uF 25V B GRM39B103M25PT K22144802 1- B a4
C 1091 CHIP CAP. 120pF 50V CH GRM1882C1H121JA01D K22174237 1- A E4
C 1092 CHIP CAP. 0.01uF 25V B GRM39B103M25PT K22144802 1- B a4
C 1093 CHIP CAP. 120pF 50V CH GRM1882C1H121JA01D K22174237 1- A E4
C 1094 CHIP CAP. 0.047uF 16V B GRM39B473K16PT K22124804 1- A E4
C 1096 CHIP CAP. 0.047uF 16V B GRM39B473K16PT K22124804 1- A E4
C 1098 CHIP CAP. 0.0047uF 50V B GRM188B11H472KA01D K22174817 1- A E4
C 1099 CHIP CAP. 0.047uF 16V B GRM39B473K16PT K22124804 1- B d4
C 1101 CHIP CAP. 0.001uF 50V B GRM188B11H102KA01D K22174809 1- B e3
C 1102 CHIP CAP. 0.001uF 50V B GRM188B11H102KA01D K22174809 1- B e3
C 1103 CHIP CAP. 0.001uF 50V B GRM188B11H102KA01D K22174809 1- B e4
C 1104 CHIP CAP. 0.001uF 50V B GRM188B11H102KA01D K22174809 1- B e3
C 1105 CHIP CAP. 10pF 50V CH GRM1882C1H100JA01D K22174211 1- A B3
C 1106 CHIP CAP. 0.001uF 50V B GRM188B11H102KA01D K22174809 1- A B3
C 1107 CHIP CAP. 0.001uF 50V B GRM188B11H102KA01D K22174809 1- A C3
C 1109 CHIP CAP. 0.001uF 50V B GRM188B11H102KA01D K22174809 1- A C3
C 1110 CHIP CAP. 0.001uF 50V B GRM188B11H102KA01D K22174809 1- B d3
C 1111 CHIP CAP. 0.1uF 16V B GRM188B11C104KA01D K22124805 1- A F5
C 1112 CHIP CAP. 0.01uF 25V B GRM39B103M25PT K22144802 1- B a4
C 1113 CHIP CAP. 0.001uF 50V B GRM188B11H102KA01D K22174809 1- A F5
C 1114 CHIP CAP. 47pF 50V CH GRM1882C1H470JA01D K22174227 1- A F5
C 1115 CHIP TA.CAP. 10uF 10V TAJA106M010Y K78100072 1- A F5
C 1116 CHIP CAP. 47pF 50V CH GRM1882C1H470JA01D K22174227 1- A F5
C 1117 CHIP CAP. 0.1uF 16V B GRM188B11C104KA01D K22124805 1- A E4
C 1118 CHIP CAP. 0.1uF 16V B GRM188B11C104KA01D K22124805 1- A E5
C 1119 CHIP CAP. 0.01uF 25V B GRM39B103M25PT K22144802 1- B b4
C 1120 CHIP CAP. 0.033uF 16V R GRM188R11C333KA01D K22124801 1- B a3
C 1121 CHIP CAP. 0.047uF 16V B GRM39B473K16PT K22124804 1- B b4
C 1122 CHIP CAP. 0.022uF 25V B GRM39B223K25PT K22144807 1- B a3
C 1123 CHIP CAP. 0.1uF 16V B GRM188B11C104KA01D K22124805 1- B a3
C 1124 AL.ELECTRO.CAP. 10uF 16V RE2-16V100ME3# K40129004 1- A A2
C 1125 CHIP CAP. 0.001uF 50V B GRM188B11H102KA01D K22174809 1- A D5
C 1126 CHIP CAP. 0.001uF 50V B GRM188B11H102KA01D K22174809 1- A E5
C 1127 CHIP CAP. 0.001uF 50V B GRM188B11H102KA01D K22174809 1- A E5
C 1128 CHIP CAP. 0.001uF 50V B GRM188B11H102KA01D K22174809 1- A E5
C 1129 CHIP CAP. 0.001uF 50V B GRM188B11H102KA01D K22174809 1- A E5
C 1130 CHIP CAP. 47pF 50V CH GRM1882C1H470JA01D K22174227 1- A B5
C 1131 CHIP CAP. 10pF 50V CH GRM1882C1H100JA01D K22174211 1- A C3
C 1132 CHIP CAP. 12pF 50V CH GRM1882C1H120JA01D K22174213 1- A C3
C 1133 CHIP CAP. 150pF 50V CH GRM1882C1H151JA01D K22174239 1- A C2
C 1134 CHIP CAP. 0.001uF 50V B GRM188B11H102KA01D K22174809 1- A D2
C 1135 CHIP CAP. 0.001uF 50V B GRM188B11H102KA01D K22174809 1- A C2
C 1136 CHIP CAP. 0.001uF 50V B GRM188B11H102KA01D K22174809 1- A E4
C 1138 CHIP CAP. 18pF 50V CH K22174217 1- A E4
C 1139 CHIP CAP. 0.047uF 16V B GRM39B473K16PT K22124804 1- B b4
C 1140 CHIP CAP. 0.001uF 50V B GRM188B11H102KA01D K22174809 1- B f1
C 1141 CHIP CAP. 0.001uF 50V B GRM188B11H102KA01D K22174809 1- B f1
C 1142 CHIP CAP. 0.1uF 16V B GRM188B11C104KA01D K22124805 1- B f3
C 1143 CHIP CAP. 0.001uF 50V B GRM188B11H102KA01D K22174809 1- B f5
C 1144 AL.ELECTRO.CAP. 470uF 16V RE3-16V471MG3# K40129066 1- A A3
C 1145 CHIP CAP. 0.1uF 16V B GRM188B11C104KA01D K22124805 1- B e5
C 1146 CHIP CAP. 0.001uF 50V B GRM188B11H102KA01D K22174809 1- B f5
C 1147 AL.ELECTRO.CAP. 220uF 16V RE3-16V221MF3# K40129095 1- A A5
C 1148 CHIP CAP. 47pF 50V CH GRM1552C1H470JZ01D K22178228 1- A E5
C 1149 CHIP CAP. 0.001uF 50V B GRM188B11H102KA01D K22174809 1- A E5
C 1150 CHIP CAP. 0.001uF 50V B GRM188B11H102KA01D K22174809 1- A E5
C 1151 CHIP CAP. 0.001uF 50V B GRM155B11H102KA01D K22178809 1- A E5
C 1152 CHIP CAP. 0.001uF 50V B GRM188B11H102KA01D K22174809 1- B b5
C 1153 CHIP CAP. 0.001uF 50V B GRM155B11H102KA01D K22178809 1- A E5
C 1154 CHIP CAP. 0.001uF 50V B GRM188B11H102KA01D K22174809 1- A E5
C 1155 CHIP CAP. 0.001uF 50V B GRM155B11H102KA01D K22178809 1- A E5
C 1156 CHIP CAP. 0.001uF 50V B GRM188B11H102KA01D K22174809 1- A E5
C 1157 CHIP CAP. 0.01uF 25V B GRM39B103M25PT K22144802 1- A D2
C 1158 CHIP CAP. 0.001uF 50V B GRM188B11H102KA01D K22174809 1- A D2
C 1161 CHIP CAP. 0.047uF 16V B GRM39B473K16PT K22124804 1- B c3
C 1162 CHIP CAP. 0.001uF 50V B GRM188B11H102KA01D K22174809 1- B c3
C 1163 AL.ELECTRO.CAP. 10uF 16V RE2-16V100ME3# K40129004 1- A D2
C 1164 CHIP TA.CAP. 4.7uF 16V TAJA475M016Y K78120079 1- B b3
C 1165 CHIP CAP. 0.001uF 50V B GRM188B11H102KA01D K22174809 1- B b3

19
Parts List
MAIN Unit
REF DESCRIPTION VALUE V/W TOL. MFR'S DESIG VXSTD P/N VERS.
LOT
SIDE
LAY ADR
C 1166 CHIP CAP. 0.01uF 25V B GRM39B103M25PT K22144802 1- A E4
C 1167 CHIP CAP. 100pF 50V CH GRM1882C1H101JA01D K22174235 1- A D3
C 1168 CHIP CAP. 0.01uF 25V B GRM39B103M25PT K22144802 1- A D4
C 1170 CHIP CAP. 10pF 50V CH GRM1882C1H100JA01D K22174211 1- A E4
C 1171 CHIP CAP. 1pF 50V CK GRM1884C1H1R0CZ01D K22174202 1- A D4
C 1173 CHIP CAP. 0.1uF 16V B GRM188B11C104KA01D K22124805 1- B b4
C 1174 CHIP CAP. 27pF 50V CH GRM1882C1H270JA01D K22174221 1- A D4
C 1175 CHIP CAP. 0.01uF 25V B GRM39B103M25PT K22144802 1- A E4
C 1176 CHIP CAP. 0.1uF 16V B GRM188B11C104KA01D K22124805 1- B f5
C 1177 CHIP CAP. 0.001uF 50V B GRM188B11H102KA01D K22174809 1- B b5
C 1178 CHIP CAP. 0.022uF 25V B GRM39B223K25PT K22144807 1- B b5
C 1179 CHIP CAP. 0.001uF 50V B GRM155B11H102KA01D K22178809 1- A E5
C 1180 CHIP CAP. 0.001uF 50V B GRM188B11H102KA01D K22174809 1- A E5
C 1181 CHIP CAP. 0.001uF 50V B GRM155B11H102KA01D K22178809 1- A E5
C 1182 CHIP CAP. 0.001uF 50V B GRM188B11H102KA01D K22174809 1- A E5
C 1183 CHIP CAP. 0.001uF 50V B GRM155B11H102KA01D K22178809 1- A E5
C 1184 CHIP CAP. 0.001uF 50V B GRM188B11H102KA01D K22174809 1- B b5
C 1185 CHIP CAP. 0.001uF 50V B GRM155B11H102KA01D K22178809 1- A E5
C 1186 CHIP CAP. 0.001uF 50V B GRM188B11H102KA01D K22174809 1- A E5
C 1187 CHIP CAP. 0.001uF 50V B GRM188B11H102KA01D K22174809 1- A E5
C 1188 CHIP CAP. 0.01uF 25V B GRM39B103M25PT K22144802 1- A E3
C 1189 CERAMIC CAP. 0.001uF 100V CH GRM42-6CH102J100PT K22201202 1- A E3
C 1190 CHIP TA.CAP. 10uF 10V TAJA106M010Y K78100072 1- A E3
C 1191 CHIP CAP. 0.001uF 50V B GRM188B11H102KA01D K22174809 1- A E3
C 1192 CHIP CAP. 0.001uF 50V B GRM188B11H102KA01D K22174809 1- A E3
C 1193 CHIP CAP. 0.1uF 16V B GRM188B11C104KA01D K22124805 1- B b3
C 1194 CHIP CAP. 0.001uF 50V B GRM188B11H102KA01D K22174809 1- B b3
C 1196 CHIP CAP. 8pF 50V CH GRM1882C1H8R0DZ01D K22174209 1- A E3
C 1198 CHIP CAP. 27pF 50V CH GRM1882C1H270JA01D K22174221 1- A E4
C 1199 CHIP CAP. 0.75pF 50V CK GRM1884C1HR75BZ01D K22174266 1- A E3
C 1200 CHIP CAP. 10pF 50V CH GRM1882C1H100JA01D K22174211 1- A E4
C 1201 CHIP CAP. 0.1uF 16V B GRM188B11C104KA01D K22124805 1- B b4
C 1202 CHIP CAP. 0.1uF 16V B GRM188B11C104KA01D K22124805 1- B b3
C 1203 CHIP CAP. 1uF 6.3V B GRM188B10J105KA01D K22084801 1- B c4
C 1204 CHIP TA.CAP. 22uF 6.3V TAJA226M006Y K78080086 1- B c4
C 1205 CHIP CAP. 470pF 50V CH GRM1882C1H471JA01D K22174249 1- B b5
C 1206 CHIP CAP. 0.022uF 25V B GRM39B223K25PT K22144807 1- B b5
C 1207 CHIP CAP. 0.0047uF 50V B GRM188B11H472KA01D K22174817 1- B a5
C 1208 CHIP CAP. 1uF 6.3V B GRM188B10J105KA01D K22084801 1- B b5
C 1209 CHIP CAP. 1uF 6.3V B GRM188B10J105KA01D K22084801 1- B f5
C 1210 CHIP CAP. 3.9pF 500V CH 1206N3R9C501LT K22278204 1- A E2
C 1211 CHIP CAP. 2.2pF 500V CH 1206N2R2C501LT K22278201 1- A E2
C 1212 CHIP CAP. 7pF 50V CH GRM1882C1H7R0DZ01D K22174208 1- A F3
C 1213 CHIP CAP. 2.7pF 500V CH 1206N2R7C501LT K22278202 1- A F2
C 1214 CHIP CAP. 0.01uF 25V B GRM39B103M25PT K22144802 1- B a3
C 1215 CHIP CAP. 0.001uF 50V B GRM188B11H102KA01D K22174809 1- B b3
C 1216 CHIP CAP. 0.01uF 25V B GRM39B103M25PT K22144802 1- B a3
C 1217 CHIP CAP. 0.001uF 50V B GRM188B11H102KA01D K22174809 1- B a3
C 1218 CHIP CAP. 27pF 50V CH GRM1882C1H270JA01D K22174221 1- A E4
C 1219 CHIP CAP. 0.5pF 50V CK GRM1884C1HR50BZ01D K22174265 1- A E4
C 1220 CHIP CAP. 100pF 50V CH GRM1882C1H101JA01D K22174235 1- A E4
C 1221 CHIP CAP. 27pF 50V CH GRM1882C1H270JA01D K22174221 1- A E4
C 1223 CHIP CAP. 0.001uF 50V B GRM188B11H102KA01D K22174809 1- A F4
C 1224 CHIP CAP. 10pF 50V CH GRM1882C1H100JA01D K22174211 1- A F3
C 1225 CHIP CAP. 0.1uF 16V B GRM188B11C104KA01D K22124805 1- B c4
C 1226 CHIP CAP. 0.0056uF 50V B GRM188B11H562KA01D K22174818 1- B b3
C 1227 CHIP CAP. 0.001uF 50V B GRM188B11H102KA01D K22174809 1- B b4
C 1228 CHIP CAP. 0.1uF 16V B GRM188B11C104KA01D K22124805 1- B c4
C 1230 CHIP CAP. 5pF 50V CH GRM1882C1H5R0CZ01D K22174206 1- B a5
C 1231 CHIP TA.CAP. 10uF 10V TAJA106M010Y K78100072 1- B a5
C 1232 CHIP CAP. 0.1uF 16V B GRM188B11C104KA01D K22124805 1- B a5
C 1233 CHIP CAP. 0.001uF 50V B GRM188B11H102KA01D K22174809 1- B a5
C 1235 CHIP CAP. 1pF 200V CK GRM2194C2D1R0CY21D K22230208 1- A F2
C 1236 CHIP CAP. 3.9pF 500V CH 1206N3R9C501LT K22278204 1- A F2
C 1237 CHIP CAP. 0.5pF 50V CK GRM1884C1HR50BZ01D K22174265 1- A F2
C 1238 CHIP CAP. 1.5pF 500V CH GRM31M5C2H1R5CY21L K22271287 1- A F2
C 1239 CHIP CAP. 3.3pF 500V CH 1206N3R3C501LT K22278203 1- A F2
C 1243 CHIP CAP. 6pF 50V CH GRM1882C1H6R0DZ01D K22174207 1- B a2
C 1244 CHIP CAP. 0.001uF 50V B GRM188B11H102KA01D K22174809 1- A E3
C 1245 CHIP CAP. 0.001uF 50V B GRM188B11H102KA01D K22174809 1- A F3
C 1246 CHIP CAP. 3pF 50V CJ GRM1883C1H3R0CZ01D K22174204 1- A F4
C 1247 CHIP CAP. 12pF 50V CH GRM1882C1H120JA01D K22174213 1- A F3
C 1248 CHIP CAP. 10pF 50V CH GRM1882C1H100JA01D K22174211 1- A E4
C 1249 CHIP CAP. 1pF 50V CK GRM1884C1H1R0BZ01D K22174267 1- A E3
C 1250 CHIP CAP. 0.5pF 50V CK GRM1884C1HR50BZ01D K22174265 1- A F4

20
Parts List
MAIN Unit
REF DESCRIPTION VALUE V/W TOL. MFR'S DESIG VXSTD P/N VERS.
LOT
SIDE
LAY ADR
C 1251 CHIP CAP. 1pF 50V CK GRM1884C1H1R0BZ01D K22174267 1- A E3
C 1252 CHIP CAP. 1pF 50V CK GRM1884C1H1R0BZ01D K22174267 1- A F4
C 1253 CHIP CAP. 0.001uF 50V B GRM188B11H102KA01D K22174809 1- B b3
C 1254 CHIP CAP. 0.001uF 50V B GRM188B11H102KA01D K22174809 1- B b3
C 1255 CHIP CAP. 0.01uF 25V B GRM39B103M25PT K22144802 1- B c4
C 1256 CHIP CAP. 0.001uF 50V B GRM188B11H102KA01D K22174809 1- B b3
C 1257 CHIP CAP. 0.01uF 25V B GRM39B103M25PT K22144802 1- B c4
C 1258 CHIP CAP. 0.0022uF 50V B GRM188B11H222KA01D K22174813 1- B c4
C 1259 CHIP CAP. 0.01uF 25V B GRM39B103M25PT K22144802 1- B c4
C 1260 CHIP CAP. 1uF 6.3V B GRM188B10J105KA01D K22084801 1- B b5
C 1261 CHIP CAP. 0.001uF 50V B GRM188B11H102KA01D K22174809 1- B a5
C 1262 CHIP CAP. 27pF 50V CH GRM1882C1H270JA01D K22174221 1- B a5
C 1263 CHIP CAP. 0.001uF 50V B GRM188B11H102KA01D K22174809 1- B b5
C 1265 CERAMIC CAP. 0.001uF 100V CH GRM42-6CH102J100PT K22201202 1- A F1
C 1267 CHIP CAP. 8pF 50V CH GRM1882C1H8R0DZ01D K22174209 1- B a2
C 1268 CHIP CAP. 0.75pF 50V CK GRM1884C1HR75BZ01D K22174266 1- A E4
C 1270 CHIP TA.CAP. 10uF 10V TAJA106M010Y K78100072 1- B b3
C 1273 CHIP CAP. 1uF 6.3V B GRM188B10J105KA01D K22084801 1- B a5
C 1274 CHIP CAP. 1uF 6.3V B GRM188B10J105KA01D K22084801 1- B a5
C 1275 CHIP CAP. 1uF 6.3V B GRM188B10J105KA01D K22084801 1- A D5
C 1276 CHIP CAP. 1uF 6.3V B GRM188B10J105KA01D K22084801 1- B e5
C 1277 CHIP CAP. 0.0022uF 50V B GRM188B11H222KA01D K22174813 1- A F4
C 1278 CHIP CAP. 0.0056uF 50V B GRM188B11H562KA01D K22174818 1- A F4
C 1279 CHIP CAP. 0.1uF 16V B GRM188B11C104KA01D K22124805 1- A F4
C 1280 CHIP CAP. 0.1uF 16V B GRM188B11C104KA01D K22124805 1- A F4
C 1281 CHIP CAP. 0.001uF 50V B GRM155B11H102KA01D K22178809 1- A E5
C 1282 CHIP CAP. 0.001uF 50V B GRM188B11H102KA01D K22174809 1- A C4
C 1284 CHIP CAP. 18pF 50V CH K22174217 1- A D5
C 1285 CHIP CAP. 0.01uF 25V B GRM39B103M25PT K22144802 1- A D5
C 1290 CHIP CAP. 0.75pF 50V CK GRM1884C1HR75BZ01D K22174266 1- A E3
C 1292 CHIP CAP. 0.1uF 16V B GRM188B11C104KA01D K22124805 1- A D5
C 1293 CHIP TA.CAP. 10uF 10V TAJA106M010Y K78100072 1- B d4
C 1294 CHIP CAP. 9pF 50V CH GRM1882C1H9R0DZ01D K22174210 1- A F4
C 1295 CHIP CAP. 4.7uF 6.3V B JMK107BJ475MA-T K22084803 1- A D5
CD1001 CERAMIC DISC JTBC450C7 H7901500 1- A F5
CF1001 CERAMIC FILTER LTM450GW H3900573 1- A F5
CF1002 CERAMIC FILTER LTM450FW H3900572 1- A F4
D 1001 DIODE 1SS400 TE61 G2070634 1- B e4
D 1002 DIODE HVC355B TRF-E G2070588 1- A B5
D 1003 SURGE ABSORBER P6KA18 Q9000721 1- A B2
D 1004 DIODE HSC277TRF-E G2070584 1- A B5
D 1005 DIODE HSC277TRF-E G2070584 1- A C5
D 1006 DIODE 1SV325(TPH3) G2070848 1- A D5
D 1007 DIODE HVC350B-TRF-E G2070596 1- A D5
D 1009 DIODE DA221 TL G2070178 1- B d4
D 1010 DIODE DAN235E TL G2070612 1- A B3
D 1011 DIODE DA221 TL G2070178 1- A F4
D 1012 DIODE DAN222 TL G2070174 1- B a4
D 1013 DIODE DA221 TL G2070178 1- A F4
D 1014 DIODE DAN222 TL G2070174 1- B a4
D 1015 DIODE EDZ TE-61 5.1B G2070998 1- B b4
D 1016 DIODE DA221 TL G2070178 1- A E4
D 1017 DIODE HVC350B-TRF-E G2070596 1- A E4
D 1018 DIODE XB15A709A0HR G2070826 1- A F3
D 1019 DIODE XB15A709A0HR G2070826 1- A F3
D 1020 DIODE RLS135 TE-11 G2070128 1- A F3
D 1021 DIODE HVC350B-TRF-E G2070596 1- A E4
D 1022 DIODE 1SS321 TE85R G2070076 1- B a2
D 1025 DIODE HVC350B-TRF-E G2070596 1- A E4
D 1026 DIODE 1SS400 TE61 G2070634 1- A D5
D 1028 DIODE RLS135 TE-11 G2070128 1- A F3
D 1029 DIODE DAN222 TL G2070174 1- B b4
D 1031 DIODE DAN222 TL G2070174 1- B b4
D 1032 DIODE EDZ TE-61 5.1B G2070998 1- A C2
FB1001 FERRITE BEADS SMB304729 L9190094 1- A A1
FB1002 FERRITE BEADS SMB304729 L9190094 1- A B1
FB1003 FERRITE BEADS SMB304729 L9190094 1- A A1
FB1004 FERRITE BEADS SMB304729 L9190094 1- A B1
FB1005 FERRITE BEADS SMB304729 L9190094 1- A B2
FB1006 FERRITE BEADS BK1608HS121-T L9190081 1- B f1
FB1007 FERRITE BEADS BK1608HS121-T L9190081 1- B f1
J 1001 CONNECTOR SC25-02WS P0090621 1- A A3
J 1002 CONNECTOR HSJ0836-0105009 P1091085 1- A A1
J 1003 CONNECTOR 32FLT-SM2-TB(LF)(SN) P1091258 1- A E5
L 1002 CHIP COIL 0.01uH LQW2BHN10NJ03L L1690609 1- A B5

21
Parts List
MAIN Unit
REF DESCRIPTION VALUE V/W TOL. MFR'S DESIG VXSTD P/N VERS.
LOT
SIDE
LAY ADR
L 1003 CHIP COIL 0.0033uH LQN21A3N3D04 L1690606 1- A C5
L 1004 M.RFC 0.022uH 2% C1608CB-22NG L1691036 1- A B4
L 1005 M.RFC 0.015uH TFL0816-15 L1690493 1- B e3
L 1006 M.RFC 0.01uH 2% C1608CB-10NG L1691032 1- A C3
L 1007 M.RFC 0.082uH 2% C1608CB-82NG L1691044 1- A B3
L 1008 M.RFC 0.39uH 2% C1608CB-R39G L1691107 1- A E4
L 1010 COIL 0.056uH AS0806-56NK L0022540 1- A E3
L 1011 M.RFC 0.39uH 2% C1608CB-R39G L1691107 1- A D4
L 1012 CHIP COIL 0.012uH LQW18AN12NG00D L1690881 1- A E4
L 1013 COIL 0.0068uH AS100240-6R8N L0022656 1- A E3
L 1014 COIL 0.015uH AS0803-15NK L0022536 1- A F3
L 1015 CHIP COIL 0.012uH LQW18AN12NG00D L1690881 1- A E3
L 1016 M.RFC 0.47uH LK1608 R47K-T L1690414 1- A E3
L 1017 COIL 0.015uH AS0803-15NK L0022536 1- A F2
L 1018 COIL 0.015uH AS0803-15NK L0022536 1- A F2
L 1019 COIL 0.015uH AS0803-15NK L0022536 1- A F1
L 1020 CHIP COIL 0.01uH LQW18AN10NG00D L1690880 1- A F4
L 1024 CHIP COIL 0.01uH LQW18AN10NG00D L1690880 1- A F3
L 1025 M.RFC 0.39uH LK1608 R39K-T L1690413 1- A D5
L 1026 CHIP COIL 0.01uH LQW18AN10NG00D L1690880 1- A E4
L 1027 M.RFC 0.033uH HK1608 33NJ-T L1690522 1- A F3
L 1028 CHIP COIL 0.039uH LQW18AN39NG00D L1690887 1- A F3
L 1029 M.RFC 0.047uH HK1608 47NJ-T L1690524 1- A F4
Q 1001 TRANSISTOR 2SC4154-T11-1E G3341548E 1- B e4
Q 1003 TRANSISTOR DTC144EE TL G3070075 1- A C5
Q 1004 TRANSISTOR DTC144EE TL G3070075 1- A C5
Q 1005 IC LM2902PWR G1094009 1- B d4
Q 1007 TRANSISTOR 2SA1774 TL R G3117748R 1- A C4
Q 1008 FET 2SJ562-TD G3705628 1- A B3
Q 1009 TRANSISTOR 2SC5374-TL G3353748 1- A B4
Q 1010 TRANSISTOR 2SC5374-TL G3353748 1- A B4
Q 1011 IC
MB15A01PFV1-G-BND-EFE1
G1092545 1- A C5
Q 1013 TRANSISTOR DTC144EE TL G3070075 1- B c5
Q 1014 TRANSISTOR DTC144EE TL G3070075 1- A B3
Q 1015 IC KIA7808API G1093164 1- A A4
Q 1016 IC S-812C50AUA-C3E-T2G G1093652 1- B e3
Q 1017 TRANSISTOR 2SC5374-TL G3353748 1- A B4
Q 1020 TRANSISTOR DTC144EE TL G3070075 1- B c5
Q 1021 TRANSISTOR 2SC4154-T11-1E G3341548E 1- B e4
Q 1022 TRANSISTOR DTC144EE TL G3070075 1- B e4
Q 1023 TRANSISTOR 2SC5374-TL G3353748 1- A B3
Q 1024 TRANSISTOR 2SA1774 TL R G3117748R 1- B e3
Q 1025 TRANSISTOR FMMTL718TA G3070335 1- B e3
Q 1026 TRANSISTOR 2SC5226-5-TL G3352268E 1- A C3
Q 1027 TRANSISTOR 2SA1774 TL R G3117748R 1- B a4
Q 1028 IC NJM2591V-TE1 G1094024 1- A F4
Q 1029 TRANSISTOR 2SA1774 TL R G3117748R 1- B a4
Q 1030 IC RA55H4047M G1094344 1- A B1
Q 1031 TRANSISTOR DTC144EE TL G3070075 1- B b4
Q 1032 TRANSISTOR 2SC4400-4-TL G3344008D 1- A E4
Q 1033 TRANSISTOR 2SC4154-T11-1E G3341548E 1- A E5
Q 1034 FET 2SJ364-Q(TX) G3703648Q 1- B a3
Q 1035 IC LA4425A G1092241 1- A A5
Q 1036 FET 2SJ364-Q(TX) G3703648Q 1- B b4
Q 1037 FET 3SK296ZQ-TL G4802968 1- A E4
Q 1038 IC LM2904PWR G1094010 1- B b3
Q 1039 FET 2SJ347 TE85R G3703477 1- B c4
Q 1040 TRANSISTOR DTC144EE TL G3070075 1- B c4
Q 1041 FET 2SJ364-Q(TX) G3703648Q 1- B b4
Q 1042 FET 2SJ364-Q(TX) G3703648Q 1- B a5
Q 1043 IC M62364FP 600D G1093033 1- B f5
Q 1044 IC LM2904PWR G1094010 1- B c4
Q 1045 FET 3SK296ZQ-TL G4802968 1- A F3
Q 1046 TRANSISTOR 2SC4154-T11-1E G3341548E 1- B b3
Q 1047 TRANSISTOR 2SC4154-T11-1E G3341548E 1- B c3
Q 1048 IC CD4094BPWR G1093866 1- A D5
Q 1049 IC LM2902PWR G1094009 1- B b5
Q 1050 IC LM2904PWR G1094010 1- B f5
Q 1051 TRANSISTOR 2SC4617 TL R G3346178R 1- A F4
Q 1053 TRANSISTOR 2SC4617 TL R G3346178R 1- A D5
Q 1054 TRANSISTOR 2SC4915-O(TE85L) G3349158O 1- A D5
Q 1055 FET 2SJ364-Q(TX) G3703648Q 1- A D5
R 1001 CHIP RES. 3.3k 1/16W 5% RMC1/16S 332JTH J24189031 1- B e4
R 1002 CHIP RES. 100k 1/16W 5% RMC1/16S 104JTH J24189049 1- A B5
R 1003 CHIP RES. 47k 1/16W 5% RMC1/16S 473JTH J24189045 1- A B5

22
Parts List
MAIN Unit
REF DESCRIPTION VALUE V/W TOL. MFR'S DESIG VXSTD P/N VERS.
LOT
SIDE
LAY ADR
R 1004 CHIP RES. 100 1/16W 5% RMC1/16S 101JTH J24189013 1- A B5
R 1005 CHIP RES. 22k 1/16W 5% RMC1/16S 223JTH J24189041 1- A B5
R 1006 CHIP RES. 0 1/16W 5% RMC1/16S JPTH J24189070 1- A C5
R 1007 CHIP RES. 2.2k 1/16W 5% RMC1/16S 222JTH J24189029 1- A C5
R 1008 CHIP RES. 2.2k 1/16W 5% RMC1/16S 222JTH J24189029 1- A C5
R 1009 CHIP RES. 2.2k 1/16W 5% RMC1/16S 222JTH J24189029 1- A C5
R 1010 CHIP RES. 1.5k 1/16W 5% RMC1/16S 152JTH J24189027 1- A C5
R 1011 CHIP RES. 100k 1/16W 5% RMC1/16S 104JTH J24189049 1- A C5
R 1012 CHIP RES. 22k 1/16W 5% RMC1/16S 223JTH J24189041 1- A C5
R 1013 CHIP RES. 220k 1/16W 5% RMC1/16S 224JTH J24189053 1- A C4
R 1017 CHIP RES. 15k 1/16W 5% RMC1/16S 153JTH J24189039 1- B c4
R 1018 CHIP RES. 150k 1/16W 5% RMC1/16S 154JTH J24189051 1- B c4
R 1019 CHIP RES. 47k 1/16W 5% RMC1/16S 473JTH J24189045 1- B c4
R 1020 CHIP RES. 0 1/16W 5% RMC1/16S JPTH J24189070 1- B c4
R 1022 CHIP RES. 10k 1/16W 5% RMC1/16S 103JTH J24189037 1- B c4
R 1023 CHIP RES. 68k 1/16W 5% RMC1/16S 683JTH J24189047 1- B d4
R 1025 CHIP RES. 18k 1/16W 5% RMC1/16S 183JTH J24189040 1- B c4
R 1026 CHIP RES. 47k 1/16W 5% RMC1/16S 473JTH J24189045 1- B c4
R 1027 CHIP RES. 100k 1/16W 5% RMC1/16S 104JTH J24189049 1- A B3
R 1028 CHIP RES. 10k 1/16W 5% RMC1/16S 103JTH J24189037 1- A B4
R 1029 CHIP RES. 220 1/16W 5% RMC1/16S 221JTH J24189017 1- A B4
R 1030 CHIP RES. 100k 1/16W 5% RMC1/16S 104JTH J24189049 1- A B4
R 1031 CHIP RES. 470 1/16W 5% RMC1/16S 471JTH J24189021 1- A B4
R 1032 CHIP RES. 10k 1/16W 5% RMC1/16S 103JTH J24189037 1- A B4
R 1033 CHIP RES. 3.3k 1/16W 5% RMC1/16S 332JTH J24189031 1- A C5
R 1034 CHIP RES. 330 1/16W 5% RMC1/16S 331JTH J24189019 1- A B4
R 1035 CHIP RES. 1k 1/16W 5% RMC1/16S 102JTH J24189025 1- A C4
R 1036 CHIP RES. 22k 1/16W 5% RMC1/16S 223JTH J24189041 1- A C4
R 1037 CHIP RES. 680 1/16W 5% RMC1/16S 681JTH J24189023 1- A C5
R 1038 CHIP RES. 22 1/16W 5% RMC1/16S 220JTH J24189005 1- A C4
R 1039 CHIP RES. 22 1/16W 5% RMC1/16S 220JTH J24189005 1- A D5
R 1040 CHIP RES. 100 1/16W 5% RMC1/16S 101JTH J24189013 1- A C5
R 1041 CHIP RES. 10k 1/16W 5% RMC1/16S 103JTH J24189037 1- A C5
R 1042 CHIP RES. 10k 1/16W 5% RMC1/16S 103JTH J24189037 1- A C5
R 1043 CHIP RES. 10k 1/16W 5% RMC1/16S 103JTH J24189037 1- A C5
R 1047 CHIP RES. 390k 1/16W 5% RMC1/16S 394JTH J24189056 1- B d4
R 1048 CHIP RES. 390k 1/16W 5% RMC1/16S 394JTH J24189056 1- B d4
R 1049 CHIP RES. 68k 1/16W 5% RMC1/16S 683JTH J24189047 1- B d5
R 1050 CHIP RES. 10k 1/16W 5% RMC1/16S 103JTH J24189037 1- A B3
R 1051 CHIP RES. 100 1/16W 5% RMC1/16S 101JTH J24189013 1- A C4
R 1052 CHIP RES. 820k 1/16W 5% RMC1/16S 824JTH J24189060 1- A C4
R 1053 CHIP RES. 100 1/16W 5% RMC1/16S 101JTH J24189013 1- A C3
R 1054 CHIP RES. 1k 1/16W 5% RMC1/16S 102JTH J24189025 1- A C3
R 1055 CHIP RES. 470k 1/16W 5% RMC1/16S 474JTH J24189057 1- A C3
R 1056 CHIP RES. 4.7k 1/16W 5% RMC1/16S 472JTH J24189033 1- A D5
R 1057 CHIP RES. 100k 1/16W 5% RMC1/16S 104JTH J24189049 1- A D5
R 1058 CHIP RES. 1M 1/16W 5% RMC1/16S 105JTH J24189061 1- A C5
R 1059 CHIP RES. 390k 1/16W 5% RMC1/16S 394JTH J24189056 1- A D5
R 1060 CHIP RES. 39k 1/16W 5% RMC1/16S 393JTH J24189044 1- A D5
R 1061 CHIP RES. 47k 1/16W 5% RMC1/16S 473JTH J24189045 1- A D5
R 1062 CHIP RES. 220k 1/16W 5% RMC1/16S 224JTH J24189053 1- A D5
R 1063 CHIP RES. 10k 1/16W 5% RMC1/16S 103JTH J24189037 1- A D5
R 1064 CHIP RES. 330k 1/16W 5% RMC1/16S 334JTH J24189055 1- A D4
R 1066 CHIP RES. 390k 1/16W 5% RMC1/16S 394JTH J24189056 1- B d5
R 1067 CHIP RES. 390k 1/16W 5% RMC1/16S 394JTH J24189056 1- B d5
R 1068 CHIP RES. 100k 1/16W 5% RMC1/16S 104JTH J24189049 1- B e4
R 1069 CHIP RES. 47k 1/16W 5% RMC1/16S 473JTH J24189045 1- A B3
R 1070 CHIP RES. 100 1/16W 5% RMC1/16S 101JTH J24189013 1- B e3
R 1071 CHIP RES. 100 1/16W 5% RMC1/16S 101JTH J24189013 1- A C3
R 1072 CHIP RES. 2.2k 1/16W 5% RMC1/16S 222JTH J24189029 1- A F4
R 1075 CHIP RES. 10k 1/16W 5% RMC1/16S 103JTH J24189037 1- B a4
R 1076 CHIP RES. 390k 1/16W 5% RMC1/16S 394JTH J24189056 1- A F4
R 1077 CHIP RES. 22k 1/16W 5% RMC1/16S 223JTH J24189041 1- A E4
R 1079 CHIP RES. 2.2k 1/16W 5% RMC1/16S 222JTH J24189029 1- A F4
R 1081 CHIP RES. 1k 1/16W 5% RMC1/16S 102JTH J24189025 1- A E4
R 1082 CHIP RES. 4.7k 1/16W 5% RMC1/16S 472JTH J24189033 1- A E4
R 1083 CHIP RES. 2.2k 1/16W 5% RMC1/16S 222JTH J24189029 1- A E4
R 1084 CHIP RES. 47k 1/16W 5% RMC1/16S 473JTH J24189045 1- B c4
R 1085 CHIP RES. 47k 1/16W 5% RMC1/16S 473JTH J24189045 1- B c4
R 1086 CHIP RES. 12k 1/16W 5% RMC1/16S 123JTH J24189038 1- B d4
R 1087 CHIP RES. 47k 1/16W 5% RMC1/16S 473JTH J24189045 1- B c4
R 1088 CHIP RES. 10k 1/16W 5% RMC1/16S 103JTH J24189037 1- B d4
R 1089 CHIP RES. 10k 1/16W 5% RMC1/16S 103JTH J24189037 1- B d4
R 1090 CHIP RES. 2.2k 1/16W 5% RMC1/16S 222JTH J24189029 1- B e3
R 1091 CHIP RES. 2.2k 1/16W 5% RMC1/16S 222JTH J24189029 1- B e3

23
Parts List
MAIN Unit
R 1092 CHIP RES. 2.2k 1/16W 5% RMC1/16S 222JTH J24189029 1- B e3
R 1093 CHIP RES. 1k 1/16W 5% RMC1/16S 102JTH J24189025 1- B e3
R 1094 CHIP RES. 10k 1/16W 5% RMC1/16S 103JTH J24189037 1- A B3
R 1095 CHIP RES. 470 1/16W 5% RMC1/16S 471JTH J24189021 1- A B3
R 1096 CHIP RES. 22 1/16W 5% RMC1/16S 220JTH J24189005 1- A B3
R 1097 CHIP RES. 470 1/16W 5% RMC1/16S 471JTH J24189021 1- A C3
R 1098 CHIP RES. 10k 1/16W 5% RMC1/16S 103JTH J24189037 1- B a5
R 1100 CHIP RES. 10k 1/16W 5% RMC1/16S 103JTH J24189037 1- B a5
R 1101 CHIP RES. 0 1/16W 5% RMC1/16S JPTH J24189070 1- A C3
R 1102 CHIP RES. 220 1/16W 5% RMC1/16S 221JTH J24189017 1- B b4
R 1103 CHIP RES. 4.7k 1/16W 5% RMC1/16S 472JTH J24189033 1- B b4
R 1104 CHIP RES. 47k 1/16W 5% RMC1/16S 473JTH J24189045 1- B a4
R 1105 CHIP RES. 10k 1/16W 5% RMC1/16S 103JTH J24189037 1- B a4
R 1106 CHIP RES. 10k 1/16W 5% RMC1/16S 103JTH J24189037 1- B a4
R 1107 CHIP RES. 220 1/16W 5% RMC1/16S 221JTH J24189017 1- A F5
R 1108 CHIP RES. 10k 1/16W 5% RMC1/16S 103JTH J24189037 1- B a4
R 1109 CHIP RES. 10k 1/16W 5% RMC1/16S 103JTH J24189037 1- B a4
R 1110 CHIP RES. 10k 1/16W 5% RMC1/16S 103JTH J24189037 1- A F5
R 1111 CHIP RES. 5.6k 1/16W 5% RMC1/16S 562JTH J24189034 1- A F5
R 1112 CHIP RES. 100k 1/16W 5% RMC1/16S 104JTH J24189049 1- B b4
R 1113 CHIP RES. 10k 1/16W 5% RMC1/16S 103JTH J24189037 1- B a3
R 1115 CHIP RES. 0 1/16W 5% RMC1/16S JPTH J24189070 1- A C2
R 1117 CHIP RES. 47k 1/16W 5% RMC1/16S 473JTH J24189045 1- A D3
R 1118 CHIP RES. 47 1/16W 5% RMC1/16S 470JTH J24189009 1- B b4
R 1119 CHIP RES. 1k 1/16W 5% RMC1/16S 102JTH J24189025 1- A E4
R 1120 CHIP RES. 220 1/16W 5% RMC1/16S 221JTH J24189017 1- A E4
R 1121 CHIP RES. 470k 1/16W 5% RMC1/16S 474JTH J24189057 1- A E4
R 1122 CHIP RES. 47k 1/16W 5% RMC1/16S 473JTH J24189045 1- A E5
R 1123 CHIP RES. 330k 1/16W 5% RMC1/16S 334JTH J24189055 1- B a3
R 1124 CHIP RES. 100k 1/16W 5% RMC1/16S 104JTH J24189049 1- B b4
R 1125 CHIP RES. 330k 1/16W 5% RMC1/16S 334JTH J24189055 1- B b3
R 1126 CHIP RES. 1 1/10W 5% RMC1/10T 1R0J J24205010 1- B f3
R 1127 CHIP RES. 10 1/16W 5% RMC1/16S 100JTH J24189001 1- B e5
R 1128 CHIP RES. 0.33 1W 10% RMC1 R33KATE J24309001 1- A B4
R 1129 CHIP RES. 10 1/16W 5% RMC1/16S 100JTH J24189001 1- B e5
R 1130 CHIP RES. 100 1/16W 5% RMC1/16S 101JTH J24189013 1- B c3
R 1131 CHIP RES. 100 1/16W 5% RMC1/16S 101JTH J24189013 1- B c3
R 1133 CHIP RES. 100 1/16W 5% RMC1/16S 101JTH J24189013 1- B b3
R 1134 CHIP RES. 100 1/16W 5% RMC1/16S 101JTH J24189013 1- B b3
R 1135 CHIP RES. 100 1/16W 5% RMC1/16S 101JTH J24189013 1- B b3
R 1136 CHIP RES. 470 1/16W 5% RMC1/16S 471JTH J24189021 1- A E4
R 1137 CHIP RES. 100 1/16W 5% RMC1/16S 101JTH J24189013 1- A D4
R 1138 CHIP RES. 4.7k 1/16W 5% RMC1/16S 472JTH J24189033 1- A D4
R 1139 CHIP RES. 10k 1/16W 5% RMC1/16S 103JTH J24189037 1- B b4
R 1140 CHIP RES. 33k 1/16W 5% RMC1/16S 333JTH J24189043 1- B b4
R 1141 CHIP RES. 330k 1/16W 5% RMC1/16S 334JTH J24189055 1- B b4
R 1142 CHIP RES. 100 1/16W 5% RMC1/16S 101JTH J24189013 1- B e5
R 1143 CHIP RES. 4.7k 1/16W 5% RMC1/16S 472JTH J24189033 1- B b5
R 1144 CHIP RES. 330k 1/16W 5% RMC1/16S 334JTH J24189055 1- B a5
R 1145 CHIP RES. 4.7k 1/16W 5% RMC1/16S 472JTH J24189033 1- A E3
R 1146 CHIP RES. 100 1W 5% RMC1 101JTE J24305101 1- A E3
R 1147 CHIP RES. 220k 1/16W 5% RMC1/16S 224JTH J24189053 1- B b3
R 1148 CHIP RES. 10k 1/16W 5% RMC1/16S 103JTH J24189037 1- B b3
R 1149 CHIP RES. 100 1/16W 5% RMC1/16S 101JTH J24189013 1- A D3
R 1150 CHIP RES. 150k 1/16W 5% RMC1/16S 154JTH J24189051 1- A E3
R 1152 CHIP RES. 220k 1/16W 5% RMC1/16S 224JTH J24189053 1- A E4
R 1153 CHIP RES. 150 1/16W 5% RMC1/16S 151JTH J24189015 1- A E4
R 1154 CHIP RES. 39k 1/16W 5% RMC1/16S 393JTH J24189044 1- A E3
R 1156 CHIP RES. 47k 1/16W 5% RMC1/16S 473JTH J24189045 1- A E4
R 1157 CHIP RES. 330k 1/16W 5% RMC1/16S 334JTH J24189055 1- B c4
R 1158 CHIP RES. 330k 1/16W 5% RMC1/16S 334JTH J24189055 1- B b4
R 1159 CHIP RES. 330k 1/16W 5% RMC1/16S 334JTH J24189055 1- B b4
R 1160 CHIP RES. 15k 1/16W 5% RMC1/16S 153JTH J24189039 1- B b5
R 1161 CHIP RES. 100k 1/16W 5% RMC1/16S 104JTH J24189049 1- B a5
R 1162 CHIP RES. 2.2M 1/16W 5% RMC1/16S 225JTH J24189065 1- B b5
R 1163 CHIP RES. 10k 1/16W 5% RMC1/16S 103JTH J24189037 1- B a5
R 1164 CHIP RES. 10k 1/16W 1% RMC1/16 103FTP J24183103 1- B b5
R 1165 CHIP RES. 100k 1/16W 1% RMC1/16 104FTP J24183104 1- B b5
R 1166 CHIP RES. 100 1/16W 5% RMC1/16S 101JTH J24189013 1- B f5
R 1167 CHIP RES. 100 1/16W 5% RMC1/16S 101JTH J24189013 1- B f5
R 1168 CHIP RES. 100 1/16W 5% RMC1/16S 101JTH J24189013 1- B e5
R 1169 CHIP RES. 10k 1/16W 5% RMC1/16S 103JTH J24189037 1- B a3
R 1170 CHIP RES. 15k 1/16W 5% RMC1/16S 153JTH J24189039 1- B a3
R 1171 CHIP RES. 100 1/16W 5% RMC1/16S 101JTH J24189013 1- A E3
R 1172 CHIP RES. 220k 1/16W 5% RMC1/16S 224JTH J24189053 1- A E4
REF DESCRIPTION VALUE V/W TOL. MFR'S DESIG VXSTD P/N VERS.
LOT
SIDE
LAY ADR

24
R 1173 CHIP RES. 1k 1/16W 5% RMC1/16S 102JTH J24189025 1- A F3
R 1175 CHIP RES. 47 1/16W 5% RMC1/16S 470JTH J24189009 1- A F4
R 1177 CHIP RES. 10k 1/16W 5% RMC1/16S 103JTH J24189037 1- A F3
R 1178 CHIP RES. 150k 1/16W 5% RMC1/16S 154JTH J24189051 1- A F3
R 1179 CHIP RES. 680 1/16W 0.5% MCR01MZPD6800 J24189360 1- B c4
R 1180 CHIP RES. 470k 1/16W 5% RMC1/16S 474JTH J24189057 1- B b3
R 1181 CHIP RES. 2.7k 1/16W 5% RMC1/16S 272JTH J24189030 1- B b3
R 1182 CHIP RES. 1k 1/16W 5% RMC1/16S 102JTH J24189025 1- B b4
R 1183 CHIP RES. 10k 1/16W 5% RMC1/16S 103JTH J24189037 1- B b3
R 1184 CHIP RES. 33k 1/16W 5% RMC1/16S 333JTH J24189043 1- B b3
R 1185 CHIP RES. 33k 1/16W 0.5% MCR01MZPD3302 J24189380 1- B c4
R 1186 CHIP RES. 33k 1/16W 0.5% MCR01MZPD3302 J24189380 1- B c4
R 1187 CHIP RES. 4.7k 1/16W 5% RMC1/16S 472JTH J24189033 1- B b4
R 1188 CHIP RES. 100k 1/16W 0.5% MCR01MZPD1003 J24189386 1- B c4
R 1189 CHIP RES. 47k 1/16W 0.5% MCR01MZPD4702 J24189382 1- B c4
R 1190 CHIP RES. 470k 1/16W 0.5% MCR01MZPD4703 J24189332 1- B c4
R 1191 CHIP RES. 2.2M 1/16W 5% RMC1/16S 225JTH J24189065 1- B a5
R 1192 CHIP RES. 68k 1/16W 1% RMC1/16 683FTP J24183683 1- B b5
R 1193 CHIP RES. 4.7k 1/16W 1% RMC1/16 472FTP J24183472 1- B a5
R 1194 CHIP RES. 4.7k 1/16W 1% RMC1/16 472FTP J24183472 1- B a5
R 1195 CHIP RES. 10k 1/16W 1% RMC1/16 103FTP J24183103 1- B a5
R 1196 CHIP RES. 68k 1/16W 5% RMC1/16S 683JTH J24189047 1- B a5
R 1197 CHIP RES. 220k 1/16W 5% RMC1/16S 224JTH J24189053 1- B a5
R 1198 CHIP RES. 100 1/16W 5% RMC1/16S 101JTH J24189013 1- B f5
R 1199 CHIP RES. 0 1/16W 5% RMC1/16S JPTH J24189070 1- B f5
R 1200 CHIP RES. 330k 1/16W 0.5% MCR01MZPD3303 J24189330 1- B f5
R 1201 CHIP RES. 220k 1/16W 0.5% MCR01MZPD2203 J24189389 1- B f5
R 1202 CHIP RES. 330k 1/16W 0.5% MCR01MZPD3303 J24189330 1- B f5
R 1203 CHIP RES. 470k 1/16W 0.5% MCR01MZPD4703 J24189332 1- B f5
R 1204 CHIP RES. 330k 1/16W 0.5% MCR01MZPD3303 J24189330 1- B f5
R 1205 CHIP RES. 56k 1/16W 0.5% MCR01MZPD5602 J24189383 1- B f5
R 1206 CHIP RES. 4.7k 1/16W 5% RMC1/16S 472JTH J24189033 1- B a2
R 1209 CHIP RES. 100k 1/16W 5% RMC1/16S 104JTH J24189049 1- A F4
R 1210 CHIP RES. 220k 1/16W 5% RMC1/16S 224JTH J24189053 1- A E4
R 1212 CHIP RES. 150k 1/16W 5% RMC1/16S 154JTH J24189051 1- B b3
R 1213 CHIP RES. 2.2M 1/16W 5% RMC1/16S 225JTH J24189065 1- B b3
R 1214 CHIP RES. 2.2k 1/16W 5% RMC1/16S 222JTH J24189029 1- B c3
R 1215 CHIP RES. 10k 1/16W 5% RMC1/16S 103JTH J24189037 1- B c3
R 1216 CHIP RES. 0 1/16W 5% RMC1/16S JPTH J24189070 1- B c3
R 1217 CHIP RES. 22k 1/16W 0.5% MCR01MZPD2202 J24189378 1- B c4
R 1218 CHIP RES. 10k 1/16W 0.5% MCR01MZPD1002 J24189374 1- B c4
R 1219 CHIP RES. 330k 1/16W 5% RMC1/16S 334JTH J24189055 1- B a5
R 1220 CHIP RES. 220k 1/16W 5% RMC1/16S 224JTH J24189053 1- B a5
R 1221 CHIP RES. 330k 1/16W 5% RMC1/16S 334JTH J24189055 1- B a5
R 1222 CHIP RES. 10k 1/16W 5% RMC1/16S 103JTH J24189037 1- B a5
R 1223 CHIP RES. 68k 1/16W 5% RMC1/16S 683JTH J24189047 1- B b5
R 1224 CHIP RES. 330k 1/16W 5% RMC1/16S 334JTH J24189055 1- B b5
R 1225 CHIP RES. 330k 1/16W 5% RMC1/16S 334JTH J24189055 1- A D5
R 1226 CHIP RES. 5.6k 1/16W 5% RMC1/16S 562JTH J24189034 1- B a2
R 1228 CHIP RES. 4.7k 1/16W 5% RMC1/16S 472JTH J24189033 1- B a5
R 1229 CHIP RES. 330k 1/16W 5% RMC1/16S 334JTH J24189055 1- B a5
R 1230 CHIP RES. 22k 1/16W 5% RMC1/16S 223JTH J24189041 1- B a5
R 1231 CHIP RES. 0 1/16W 5% RMC1/16S JPTH J24189070 1- B b5
R 1234 CHIP RES. 3.3k 1/16W 5% RMC1/16S 332JTH J24189031 1- A F4
R 1235 CHIP RES. 100k 1/16W 5% RMC1/16S 104JTH J24189049 1- A F4
R 1236 CHIP RES. 2.2k 1/16W 5% RMC1/16S 222JTH J24189029 1- A F4
R 1237 CHIP RES. 680 1/16W 5% RMC1/16S 681JTH J24189023 1- A F4
R 1238 CHIP RES. 4.7k 1/16W 5% RMC1/16S 472JTH J24189033 1- B b5
R 1239 CHIP RES. 2.2k 1/16W 5% RMC1/16S 222JTH J24189029 1- B b5
R 1240 CHIP RES. 10k 1/16W 5% RMC1/16S 103JTH J24189037 1- B a5
R 1241 CHIP RES. 4.7k 1/16W 5% RMC1/16S 472JTH J24189033 1- B b5
R 1242 CHIP RES. 22k 1/16W 5% RMC1/16S 223JTH J24189041 1- A D5
R 1243 CHIP RES. 22k 1/16W 5% RMC1/16S 223JTH J24189041 1- A D5
R 1244 CHIP RES. 150k 1/16W 5% RMC1/16S 154JTH J24189051 1- B c4
R 1245 CHIP RES. 100k 1/16W 5% RMC1/16S 104JTH J24189049 1- B c4
R 1246 CHIP RES. 1.5k 1/16W 5% RMC1/16S 152JTH J24189027 1- A C5
R 1247 CHIP RES. 470k 1/16W 5% RMC1/16S 474JTH J24189057 1- B b4
R 1248 CHIP RES. 10k 1/16W 5% RMC1/16S 103JTH J24189037 1- A D5
R 1250 CHIP RES. 22k 1/16W 5% RMC1/16S 223JTH J24189041 1- A D5
R 1251 CHIP RES. 0 1/16W 5% RMC1/16S JPTH J24189070 1- A D5
R 1252 CHIP RES. 1M 1/16W 5% RMC1/16S 105JTH J24189061 1- A D5
R 1253 CHIP RES. 1k 1/16W 5% RMC1/16S 102JTH J24189025 1- A D5
R 1254 CHIP RES. 0 1/16W 5% RMC1/16S JPTH J24189070 1- A E5
R 1255 CHIP RES. 220k 1/16W 5% RMC1/16S 224JTH J24189053 1- A D5
R 1256 CHIP RES. 47k 1/16W 5% RMC1/16 473JATP J24185473 1- A D5
Parts List
MAIN Unit
REF DESCRIPTION VALUE V/W TOL. MFR'S DESIG VXSTD P/N VERS.
LOT
SIDE
LAY ADR

25
Parts List
MAIN Unit
REF DESCRIPTION VALUE V/W TOL. MFR'S DESIG VXSTD P/N VERS.
LOT
SIDE
LAY ADR
R 1257 CHIP RES. 2.7k 1/16W 5% RMC1/16S 272JTH J24189030 1- B a3
R 1258 CHIP RES. 47k 1/16W 1% RMC1/16 473FTP J24183473 1- A F1
R 1259 CHIP RES. 22 1/16W 5% RMC1/16S 220JTH J24189005 1- A F4
R 1260 CHIP RES. 470k 1/16W 5% RMC1/16S 474JTH J24189057 1- A D5
TH1002 THERMISTOR ERTJ1VV473J G9090122 1- A D3
TH1003 THERMISTOR ERTJ0ET102J G9090131 1- B a3
X 1001 XTAL NX5032SA 11.7MHz 11.7MHZ H0103320 1- A D5
XF1001 XTAL FILTER 47R15A 47.250MHZ H1102400 1- A E4
XF1002 XTAL FILTER 47R15A 47.250MHZ H1102400 1- A D4
SHIELD CASE RA0515300 1-
SHIELD PLATE PA R0124501 1-
26
Note
MAIN Unit

27
CNTL Unit
Circuit Diagram
Ú
ÚJ2003
Pin RX TX
1 5.0 V 5.0 V
20 V 0 V
30 V 0 V
40 V 0 V
50 V 0 V
60 V 0 V
70 V 0 V
8 1.9 V 1.8 V
9 3.0 V 3.0 V
10 0 V 0 V
11 1.1 V 0 V
12 3.2 V 0 V
13 4.9 V 4.9 V
14 0 V 0 V
15 8.0 V 8.0 V
16 0.6 V 0 V
17 0 V 0 V
18 0 V 0 V
19 --- ---
20 5.0 V 5.0 V
21 --- ---
22 --- ---
23 --- ---
24 13.8 V 12.3 V
25 --- ---
26 --- ---
27 0 V 0 V
28 0 V 0 V
29 0 V 0 V
30 13.8 V 12.4 V
31 3.1 V 3.1 V
32 --- ---
5.0 V
(5.0 V)
4.8 V
(0.6 V)
0 V
(0 V)
0 V
(0 V)
2.6 V
(2.6 V)
2.6 V
(2.6 V)
2.3 V
(2.3 V)
0 V
(0 V)
5.0 V (5.0 V)
5.0 V
(5.0 V)
1.8 V
(1.8 V)
0 V
(0 V)
5.0 V
(5.0 V)
5.0 V
(5.0 V)
2.6 V
(2.6 V)
4.8 V
(4.8 V)
4.8 V
(0.6 V)
2.3 V
(2.3 V)
0 V
(0 V)
5.0 V
(5.0 V)
4.9 V
(4.9 V)
0 V
(0 V)
5.6 V
(5.6 V)
1.2 V
(1.2 V)
0.6 V
(0.6 V)
5.0 V
(5.0 V)
2.5 V
(2.5 V)
3.6 V
(3.6 V)
4.0 V
(4.0 V)
5.0 V
(5.0 V)
3.9 V
(3.9 V) 5.0 V
(5.0 V)
3.6 V
(3.6 V)
0 V
(0 V)
0 V
(0 V)
5.0 V
(5.0 V)
0 V
(0 V)
0 V
(0 V)
4.9 V
(4.5 V)
13.1 V
(11.9 V)
13.8 V
(12.6 V)
RX : XX
TX : (XX)
Frequency : 430.000 MHz

28
CNTL Unit
Parts Layout
BADCEFG
1
2
2SC4617 (BR)
(Q2007, 2008, 2013)
2SC5374 (NA)
(Q2003)
BR24L64
(Q2006)
HD64F2266TF13
(Q2002)
badcefg
1
2
S-812C50AUA
(Q2010)
BD4830FVE
(Q2011)
DTC143ZE (E23)
(Q2004)
CPH6202 (CB)
(Q2005)
DAN222 (N)
(D2023)
DA221 (26)
(D2001, 2025)
(Side A)
(Side B)

29
PCB with Components CB3540001 FT-1807M A2
CB3540002 FT-1807M A1
CB3540003 FT-1807M A3
CB3540004 FT-1807E B1
CB3540005 FT-1807E B2
CB3540006 FT-1807M B3
CB3540007 FT-1807E C1
CB3540008 FT-1807E C2
CB3540009 FT-1807M C3
CB3540010 FT-1807E D1
CB3540011 FT-1807E D2
Printed Circuit Board AH023U000 FR014770B 1-
C 2001 CHIP CAP. 0.001uF 50V B GRM155B11H102KA01D K22178809 1- B g2
C 2002 CHIP CAP. 0.001uF 50V B GRM155B11H102KA01D K22178809 1- B g2
C 2003 CHIP CAP. 0.001uF 50V B GRM155B11H102KA01D K22178809 1- A A1
C 2004 CHIP CAP. 0.001uF 50V B GRM155B11H102KA01D K22178809 1- B f2
C 2005 CHIP CAP. 0.001uF 50V B GRM155B11H102KA01D K22178809 1- B g2
C 2006 CHIP CAP. 100pF 50V CH GRM1552C1H101JD01D K22178236 1- B e1
C 2007 CHIP CAP. 100pF 50V CH GRM1552C1H101JD01D K22178236 1- B e1
C 2008 CHIP CAP. 0.01uF 16V B GRM36B103K16PT K22128804 1- B b1
C 2009 CHIP CAP. 0.01uF 16V B GRM36B103K16PT K22128804 1- B b1
C 2010 CHIP CAP. 0.1uF 10V B GRM36B104K10PT K22108802 1- B d1
C 2011 CHIP CAP. 0.1uF 10V B GRM36B104K10PT K22108802 1- B d1
C 2012 CHIP CAP. 0.1uF 10V B GRM36B104K10PT K22108802 1- B d1
C 2013 CHIP CAP. 6pF 50V CH GRM1552C1H6R0DZ01D K22178208 1- B c2
C 2015 CHIP CAP. 18pF 50V CH GRM1552C1H180JZ01D K22178218 1- B d2
C 2016 CHIP CAP. 18pF 50V CH GRM1552C1H180JZ01D K22178218 1- B d2
C 2017 CHIP CAP. 0.01uF 16V B GRM36B103K16PT K22128804 1- B c2
C 2018 CHIP CAP. 0.1uF 10V B GRM36B104K10PT K22108802 1- B d1
C 2019 CHIP CAP. 0.1uF 10V B GRM36B104K10PT K22108802 1- A B1
C 2020 CHIP CAP. 100pF 50V CH GRM1552C1H101JD01D K22178236 1- A B1
C 2021 CHIP CAP. 0.047uF 10V B GRM36B473K10PT K22108801 1- B d2
C 2022 CHIP CAP. 0.022uF 16V B GRM36B223K16PT K22128806 1- B c2
C 2023 CHIP CAP. 0.001uF 50V B GRM155B11H102KA01D K22178809 1- B c1
C 2024 CHIP TA.CAP. 4.7uF 6.3V TESVSP0J475M-8R K78080053 1- B a2
C 2025 CHIP CAP. 0.1uF 10V B GRM36B104K10PT K22108802 1- B a2
C 2026 CHIP CAP. 1uF 6.3V B GRM188B10J105KA01D K22084801 1- B a1
C 2027 CHIP CAP. 0.047uF 10V B GRM36B473K10PT K22108801 1- B a1
C 2028 CHIP CAP. 0.01uF 16V B GRM36B103K16PT K22128804 1- B a1
C 2029 CHIP CAP. 0.0047uF 25V B GRM36B472K25PT K22148830 1- B a1
C 2030 CHIP CAP. 0.001uF 50V B GRM155B11H102KA01D K22178809 1- B f2
C 2031 CHIP TA.CAP. 10uF 10V TAJA106M010Y K78100072 1- B f2
C 2032 CHIP CAP. 0.01uF 16V B GRM36B103K16PT K22128804 1- B d2
C 2033 CHIP CAP. 0.01uF 16V B GRM36B103K16PT K22128804 1- B c2
C 2034 CHIP CAP. 0.01uF 16V B GRM36B103K16PT K22128804 1- B a2
C 2035 CHIP CAP. 0.022uF 16V B GRM36B223K16PT K22128806 1- B a2
C 2036 CHIP CAP. 0.01uF 16V B GRM36B103K16PT K22128804 1- B a1
C 2037 CHIP TA.CAP. 4.7uF 6.3V TESVSP0J475M-8R K78080053 1- B a1
C 2038 CHIP CAP. 0.01uF 16V B GRM36B103K16PT K22128804 1- B a1
C 2039 CHIP CAP. 1uF 6.3V B GRM188B10J105KA01D K22084801 1- B a1
C 2040 CHIP TA.CAP. 10uF 10V TAJA106M010Y K78100072 1- B f2
C 2041 CHIP CAP. 0.001uF 50V B GRM155B11H102KA01D K22178809 1- B f2
C 2042 CHIP CAP. 0.01uF 16V B GRM36B103K16PT K22128804 1- B c2
C 2043 CHIP CAP. 0.01uF 16V B GRM36B103K16PT K22128804 1- B d2
C 2044 CHIP TA.CAP. 22uF 6.3V TAJA226M006Y K78080086 1- B c1
C 2045 CHIP CAP. 0.001uF 50V B GRM155B11H102KA01D K22178809 1- B b2
C 2046 AL.ELECTRO.CAP. 10uF 16V RV4-16V100MD46-RR2 K48120018 1- B b2
C 2047 CHIP CAP. 0.01uF 16V B GRM36B103K16PT K22128804 1- B a2
C 2048 AL.ELECTRO.CAP. 47uF 16V RV4-16V470MF46-RR2 K48120019 1- B b1
C 2049 CHIP CAP. 1uF 10V F GRM188F11A105ZA01D K22105001 1- B b2
C 2050 CHIP CAP. 0.47uF 10V BJ LMK107BJ474KA-T K22104803 1- B f1
C 2051 CHIP CAP. 0.001uF 50V B GRM155B11H102KA01D K22178809 1- B c1
C 2052 CHIP CAP. 0.001uF 50V B GRM155B11H102KA01D K22178809 1- B c1
C 2053 CHIP CAP. 0.001uF 50V B GRM155B11H102KA01D K22178809 1- B b2
C 2054 CHIP CAP. 1uF 6.3V B GRM188B10J105KA01D K22084801 1- B b2
C 2055 CHIP CAP. 0.001uF 50V B GRM155B11H102KA01D K22178809 1- B a2
C 2056 AL.ELECTRO.CAP. 100uF 16V EEE1CA101WP K48120012 1- B b2
C 2057 CHIP CAP. 0.1uF 10V B GRM36B104K10PT K22108802 1- B a2
C 2058 CHIP CAP. 0.1uF 10V B GRM36B104K10PT K22108802 1- B d2
C 2059 CHIP CAP. 0.1uF 16V B GRM188B11C104KA01D K22124805 1- B c2
C 2060 CHIP CAP. 0.001uF 50V B GRM155B11H102KA01D K22178809 1- A E1
C 2061 CHIP CAP. 0.001uF 50V B GRM155B11H102KA01D K22178809 1- A E1
C 2062 CHIP CAP. 1uF 6.3V B GRM155B30J105KE18D K22088803 1- A F2
C 2063 CHIP CAP. 0.001uF 50V B GRM155B11H102KA01D K22178809 1- A F1
D 2001 DIODE DA221 TL G2070178 1- B e1
Parts List
CNTL Unit
REF DESCRIPTION VALUE V/W TOL. MFR'S DESIG VXSTD P/N VERS.
LOT
SIDE
LAY ADR

30
Parts List
CNTL Unit
REF DESCRIPTION VALUE V/W TOL. MFR'S DESIG VXSTD P/N VERS.
LOT
SIDE
LAY ADR
D 2002 LED SML-512WWT86 G2071104 1- A C1
D 2003 LED SML-512WWT86 G2071104 1- A C1
D 2004 LED SML-512WWT86 G2071104 1- A D1
D 2005 LED SML-512WWT86 G2071104 1- A D1
D 2006 LED SML-512WWT86 G2071104 1- A E1
D 2007 LED SML-512WWT86 G2071104 1- A F1
D 2008 LED SML-512WWT86 G2071104 1- A B2
D 2009 LED SML-512WWT86 G2071104 1- A C2
D 2010 LED SML-512WWT86 G2071104 1- A D2
D 2011 DIODE 1SS400 TE61 G2070634 1- B c1
D 2012 DIODE 1SS400 TE61 G2070634 1- B c1
D 2013 LED SML-512WWT86 G2071104 1- A E2
D 2014 LED SML-512WWT86 G2071104 1- A E2
D 2015 LED SML-512WWT86 G2071104 1- A F2
D 2016 DIODE 1SS400 TE61 G2070634 1- B c1
D 2017 DIODE 1SS400 TE61 G2070634 1- A D1
D 2018 DIODE 1SS400 TE61 G2070634 1- A D1
D 2019 DIODE 1SS400 TE61 G2070634 1- A E1
D 2020 DIODE 1SS400 TE61 G2070634 1- A F1
D 2022 DIODE 1SS400 TE61 G2070634 1- B b2
D 2023 DIODE DAN222 TL G2070174 1- B f2
D 2025 DIODE DA221 TL G2070178 1- B a2
D 2026 DIODE 1SS400 TE61 G2070634 1- B b2
D 2027 DIODE 015AZ3.3X-TPH3 G2071078 1- B f2
D 2028 DIODE 1SS400 TE61 G2070634 1- B c1
DS2001 LCD AH023N A15A015X G6090169 1- A D1
FB2001 FERRITE BEADS BK1608HS121-T L9190081 1- B g2
FB2002 FERRITE BEADS BK1608HS121-T L9190081 1- B g2
FB2003 FERRITE BEADS BK1608HS121-T L9190081 1- B g2
FB2004 FERRITE BEADS BK1608HS121-T L9190081 1- B g1
FB2005 FERRITE BEADS BK1608HS121-T L9190081 1- B g2
FB2006 FERRITE BEADS BK1608HS121-T L9190081 1- B g2
J 2001 CONNECTOR MJD0606KX06L P1091242 1- A A2
J 2002 CONNECTOR 53398-1071 P0091391 1- B b1
J 2003 CONNECTOR 32FLT-SM2-TB(LF)(SN) P1091258 1- B b1
J 2004 CONNECTOR AXK6F14345YJ P0091406 1- B f2
L 2001 M.RFC 150uH FLC32T-151J L1690229 1- B c2
L 2002 M.RFC 1uH LK1608 1R0K-T L1690687 1- B c1
Q 2002 IC HD64F2266TF13 Ú1- B d1
Q 2003 TRANSISTOR 2SC5374-TL G3353748 1- B c2
Q 2004 TRANSISTOR DTC143ZE TL G3070102 1- A B1
Q 2005 TRANSISTOR CPH6202-TL G3070265 1- A F2
Q 2006 IC BR24L64F-WE2 G1093876 1- B c1
Q 2007 TRANSISTOR 2SC4617 TL R G3346178R 1- B a1
Q 2008 TRANSISTOR 2SC4617 TL R G3346178R 1- B a1
Q 2010 IC S-812C50AUA-C3E-T2G G1093652 1- B a2
Q 2011 IC BD4830FVE-TR G1094121 1- B b2
Q 2013 TRANSISTOR 2SC4617 TL R G3346178R 1- B a2
R 2003 CHIP RES. 220k 1/16W 5% RMC1/16S 224JTH J24189053 1- B a1
R 2004 CHIP RES. 220k 1/16W 5% RMC1/16S 224JTH J24189053 1- B a1
R 2005 CHIP RES. 100 1/16W 5% RMC1/16S 101JTH J24189013 1- A C1
R 2006 CHIP RES. 100 1/16W 5% RMC1/16S 101JTH J24189013 1- A C1
R 2007 CHIP RES. 100 1/16W 5% RMC1/16S 101JTH J24189013 1- A C1
R 2008 CHIP RES. 1k 1/16W 5% RMC1/16S 102JTH J24189025 1- B d1
R 2009 CHIP RES. 1k 1/16W 5% RMC1/16S 102JTH J24189025 1- B d1
R 2010 CHIP RES. 1k 1/16W 5% RMC1/16S 102JTH J24189025 1- B d1
R 2011 CHIP RES. 100 1/16W 5% RMC1/16S 101JTH J24189013 1- A E1
R 2012 CHIP RES. 100 1/16W 5% RMC1/16S 101JTH J24189013 1- A E1
R 2013 CHIP RES. 100 1/16W 5% RMC1/16S 101JTH J24189013 1- A F1
R 2014 CHIP RES. 22k 1/16W 5% RMC1/16S 223JTH J24189041 1- B b1
R 2015 CHIP RES. 100k 1/16W 5% RMC1/16S 104JTH J24189049 1- B c2
R 2016 CHIP RES. 1M 1/16W 5% RMC1/16S 105JTH J24189061 1- B c2
R 2017 CHIP RES. 33k 1/16W 5% RMC1/16S 333JTH J24189043 1- A B1
R 2018 CHIP RES. 100 1/16W 5% RMC1/16S 101JTH J24189013 1- A C1
R 2019 CHIP RES. 100 1/16W 5% RMC1/16S 101JTH J24189013 1- A C1
R 2020 CHIP RES. 100 1/16W 5% RMC1/16S 101JTH J24189013 1- A C1
R 2021 CHIP RES. 22k 1/16W 5% RMC1/16S 223JTH J24189041 1- B b1
R 2022 CHIP RES. 100k 1/16W 5% RMC1/16S 104JTH J24189049 1- B c1
R 2023 CHIP RES. 1k 1/16W 5% RMC1/16S 102JTH J24189025 1- B d2
R 2024 CHIP RES. 1k 1/16W 5% RMC1/16S 102JTH J24189025 1- B d2
R 2025 CHIP RES. 68k 1/16W 0.5% MCR01MZPD6802 J24189384 1- B c2
R 2026 CHIP RES. 390k 1/16W 0.5% MCR01MZPD3903 J24189331 1- B c2
R 2027 CHIP RES. 10k 1/16W 0.5% MCR01MZPD1002 J24189374 1- B c2
R 2028 CHIP RES. 1k 1/16W 5% RMC1/16S 102JTH J24189025 1- B c2
R 2030 CHIP RES. 100k 1/16W 5% RMC1/16S 104JTH J24189049 1- A B1
Ú: Please contact VERTEX STANDARD

31
Parts List
CNTL Unit
REF DESCRIPTION VALUE V/W TOL. MFR'S DESIG VXSTD P/N
LOT
…
LAY ADR
R 2031 CHIP RES. 100 1/16W 5% RMC1/16S 101JTH J24189013 1- A F1
R 2032 CHIP RES. 100 1/16W 5% RMC1/16S 101JTH J24189013 1- A F1
R 2033 CHIP RES. 100 1/16W 5% RMC1/16S 101JTH J24189013 1- A F1
R 2034 CHIP RES. 10 1W 5% RMC1 100JTE J24305100 1- A G2
R 2036 CHIP RES. 0 1/16W 5% RMC1/16S JPTH J24189070 1- A F2
R 2037 CHIP RES. 220k 1/16W 5% RMC1/16S 224JTH J24189053 1- B a1
R 2038 CHIP RES. 6.8k 1/16W 5% RMC1/16S 682JTH J24189035 1- B a2
R 2039 CHIP RES. 68k 1/16W 5% RMC1/16S 683JTH J24189047 1- B a2
R 2040 CHIP RES. 220k 1/16W 5% RMC1/16S 224JTH J24189053 1- B a2
R 2041 CHIP RES. 6.8k 1/16W 5% RMC1/16S 682JTH J24189035 1- B a1
R 2042 CHIP RES. 68k 1/16W 5% RMC1/16S 683JTH J24189047 1- B a1
R 2043 CHIP RES. 68k 1/16W 5% RMC1/16S 683JTH J24189047 1- B a1
R 2044 CHIP RES. 1.5k 1/16W 5% RMC1/16S 152JTH J24189027 1- B a1
R 2045 CHIP RES. 3.3k 1/16W 5% RMC1/16S 332JTH J24189031 1- B a1
R 2046 CHIP RES. 3.3M 1/16W 5% RMC1/16S 335JTH J24189324 1- B d2
R 2047 CHIP RES. 1.8M 1/16W 5% RMC1/16S 185JTH J24189064 1- B c2
R 2048 CHIP RES. 68k 1/16W 5% RMC1/16S 683JTH J24189047 1- B a2
R 2049 CHIP RES. 1.5k 1/16W 5% RMC1/16S 152JTH J24189027 1- B a1
R 2050 CHIP RES. 3.3k 1/16W 5% RMC1/16S 332JTH J24189031 1- B a2
R 2051 CHIP RES. 1M 1/16W 5% RMC1/16S 105JTH J24189061 1- B c2
R 2052 CHIP RES. 2.2M 1/16W 5% RMC1/16S 225JTH J24189065 1- B d2
R 2053 CHIP RES. 1M 1/16W 5% RMC1/16S 105JTH J24189061 1- B f1
R 2054 CHIP RES. 27k 1/16W 5% RMC1/16S 273JTH J24189042 1- B b2
R 2055 CHIP RES. 15k 1/16W 5% RMC1/16S 153JTH J24189039 1- B b2
R 2056 CHIP RES. 2.2k 1/16W 5% RMC1/16S 222JTH J24189029 1- B f2
R 2057 CHIP RES. 2.2k 1/16W 5% RMC1/16S 222JTH J24189029 1- B f2
R 2058 CHIP RES. 220 1/16W 5% RMC1/16S 221JTH J24189017 1- B g1
R 2059 CHIP RES. 22 1/16W 5% RMC1/16S 220JTH J24189005 1- B c1
R 2060 CHIP RES. 22k 1/16W 5% RMC1/16S 223JTH J24189041 1- B a2
R 2061 CHIP RES. 390k 1/16W 5% RMC1/16S 394JTH J24189056 1- B a2
R 2062 CHIP RES. 470k 1/16W 5% RMC1/16S 474JTH J24189057 1- B f2
R 2063 CHIP RES. 470k 1/16W 5% RMC1/16S 474JTH J24189057 1- B f2
R 2064 CHIP RES. 15k 1/16W 5% RMC1/16S 153JTH J24189039 1- B f1
R 2066 CHIP RES. 15k 1/16W 5% RMC1/16S 153JTH J24189039 1- B a2
R 2067 CHIP RES. 10k 1/16W 5% RMC1/16S 103JTH J24189037 1- B e1
R 2068 CHIP RES. 10k 1/16W 5% RMC1/16S 103JTH J24189037 1- B a1
R 2069 CHIP RES. 10k 1/16W 5% RMC1/16S 103JTH J24189037 1- B a1
R 2070 CHIP RES. 47k 1/16W 5% RMC1/16S 473JTH J24189045 1- B c1
R 2071 CHIP RES. 47k 1/16W 5% RMC1/16S 473JTH J24189045 1- B c1
R 2072 CHIP RES. 470 1/16W 5% RMC1/16S 471JTH J24189021 1- B f2
R 2073 CHIP RES. 100k 1/16W 5% RMC1/16S 104JTH J24189049 1- B g2
R 2074 CHIP RES. 100k 1/16W 5% RMC1/16S 104JTH J24189049 1- B g2
R 2075 CHIP RES. 220k 1/16W 5% RMC1/16S 224JTH J24189053 1- B g2
R 2076 CHIP RES. 47k 1/16W 5% RMC1/16S 473JTH J24189045 1- A D1
R 2077 CHIP RES. 47k 1/16W 5% RMC1/16S 473JTH J24189045 1- A D1
R 2078 CHIP RES. 47k 1/16W 5% RMC1/16S 473JTH J24189045 1- A D1
R 2079 CHIP RES. 1k 1/16W 5% RMC1/16S 102JTH J24189025 1- B e1
R 2080 CHIP RES. 220k 1/16W 5% RMC1/16S 224JTH J24189053 1- B c1
R 2081 CHIP RES. 4.7k 1/16W 5% RMC1/16S 472JTH J24189033 1- B a1
R 2082 CHIP RES. 10k 1/16W 5% RMC1/16S 103JTH J24189037 1- B a1
R 2083 CHIP RES. 47k 1/16W 5% RMC1/16S 473JTH J24189045 1- A D1
RB2001 BLOCK RES. MNR04M0ABJ102 J42900039 1- B d2
RB2002 BLOCK RES. MNR04M0ABJ102 J42900039 1- B d2
RB2003 BLOCK RES. MNR04M0ABJ102 J42900039 1- B d2
RB2004 BLOCK RES. MNR04M0ABJ102 J42900039 1- B d2
RB2005 BLOCK RES. MNR04M0ABJ102 J42900039 1- B c1
RB2006 BLOCK RES. MNR04M0ABJ102 J42900039 1- B c1
RB2007 BLOCK RES. MNR04M0ABJ102 J42900039 1- B c1
S 2001 ROTARY ENCODER EC12E2420401 Q9000749 1- A G1
VR2001 POT. WH9011-1B B20K 25/5 J60800288 1- A B1
VR2002 POT. WH9011-1B A20K 25/5 J60800287 1- A A1
X 2001 XTAL U3B
3.579545MHz
3.579545MHZ H0103304 1- B d2
32
Note
CNTL Unit

Copyright 2006
VERTEX STANDARD CO., LTD.
All rights reserved
No portion of this manual
may be reproduced without
the permission of
VERTEX STANDARD CO., LTD.