Vertex Standard Vx 3200V Users Manual C
VX-3200V to the manual f2412dd8-46d9-4772-8392-752f0ba09391
2015-02-03
: Vertex-Standard Vertex-Standard-Vx-3200V-Users-Manual-458250 vertex-standard-vx-3200v-users-manual-458250 vertex-standard pdf
Open the PDF directly: View PDF
.
Page Count: 40
- Introduction
- Specifications
- DSUB 9-pin Accessory Connector
- Exploded View & Miscellaneous Parts
- Block Diagram
- Interconnection Diagram
- Alignment
- RF Unit Jumper Information
- RF Unit Circuit Diagram
- RF Unit Parts Layout
- RF Unit Parts List
- PANEL Unit Circuit Diagram
- PANEL Unit Parts Layout
- PANEL Unit Parts List

1
VHF FM Transceiver
VX-3200V
Service Manual
Introduction
This manual provides technical information necessary for servicing the VX-3200V Transceiver.
Servicing this equipment requires expertise in handling surface-mount chip components. Attempts by non-qualified
persons to service this equipment may result in permanent damage not covered by the warranty, and may be illegal in
some countries.
Two PCB layout diagrams are provided for each double-sided circuit board in the transceiver. Each side of thr board is
referred to by the type of the majority of components installed on that side (“leaded” or “chip-only”). In most cases one
side has only chip components, and the other has either a mixture of both chip and leaded components (trimmers, coils,
electrolytic capacitors, ICs, etc.), or leaded components only.
While we believe the technical information in this manual to be correct, Vertex Standard assumes no liability for damage
that may occur as a result of typographical or other errors that may be present. Your cooperation in pointing out any
inconsistencies in the technical information would be appreciated.
Specifications................................................... 2
DSUB 9-pin Accessory Connector................. 3
Exploded View & Miscellaneous Parts ........ 4
Block Diagram ................................................. 5
Interconnection Diagram ............................... 7
Contents
Circuit Description ...................................... 9
Alignment ................................................... 11
Board Unit (Schematics, Layouts & Parts)
RF Unit ............................................................................. 17
Panel Unit ........................................................................ 31
© 2002 VERTEX STANDARD CO., LTD. (EC039N90A)
VERTEX STANDARD CO., LTD.
4-8-8 Nakameguro, Meguro-Ku, Tokyo 153-8644, Japan
VERTEX STANDARD
US Headquarters
10900 Walker Street, Cypress, CA 90630, U.S.A.
International Division
8350 N.W. 52nd Terrace, Suite 201, Miami, FL 33166, U.S.A.
YAESU EUROPE B.V.
P.O. Box 75525, 1118 ZN Schiphol, The Netherlands
YAESU UK LTD.
Unit 12, Sun Valley Business Park, Winnall Close
Winchester, Hampshire, SO23 0LB, U.K.
VERTEX STANDARD HK LTD.
Unit 5, 20/F., Seaview Centre, 139-141 Hoi Bun Road,
Kwun Tong, Kowloon, Hong Kong
2
Specifications
General
Frequency range:134-160 MHz (Version A)
148-174 MHz (Version C)
Number of Groups:10
Number of Channels : 128 channels
PLL Steps:2.5 kHz / 5.0 kHz / 6.25kHz
Power Supply Voltage:13.6V DC ±15 %
Channel Spacing:12.5 / 15.0 / 25.0 / 30.0 kHz
Current Consumption (Approx.): TX: 10 A
RX: 700 mA
STBY: 250 mA
Operating Temperature range:–22 °F to 140 °F (–30 °C to +60 °C)
Frequency Stability:Better than ±2.5 ppm
RF Input-Output Impedance:50 ohms
Audio Output Impedance:4 ohms
Dimensions:6.3 x 1.6 x 6.7 inch (160 x 40 x 170 mm)
Weight (Approx.): 1.87 lb (0.85 kg)
Receiver (Typical Values)
Circuit type:Double conversion Super-heterodyne
Sensitivity:0.25 µV (12 dB SINAD)
Adjacent Channel Selectivity:80 / 70 dB
Intermodulation:80 dB
Spurious and Image Rejection:90 dB
Audio Output:4 W @ 4 ohms 5% THD
Audio Distortion:<3 % @1 kHz
Transmitter (Typical Values)
Power Output:50 W (low: 10W)
Modulation:16K0F3E, 11K0F3E
Max Deviation:5.0/2.5 kHz
Conducted Spurious Emission:70 dB below carrier
Audio Distortion:<3 % @ 1 kHz
Microphone type:Dynamic
Microphone impedance:600 ohms

3
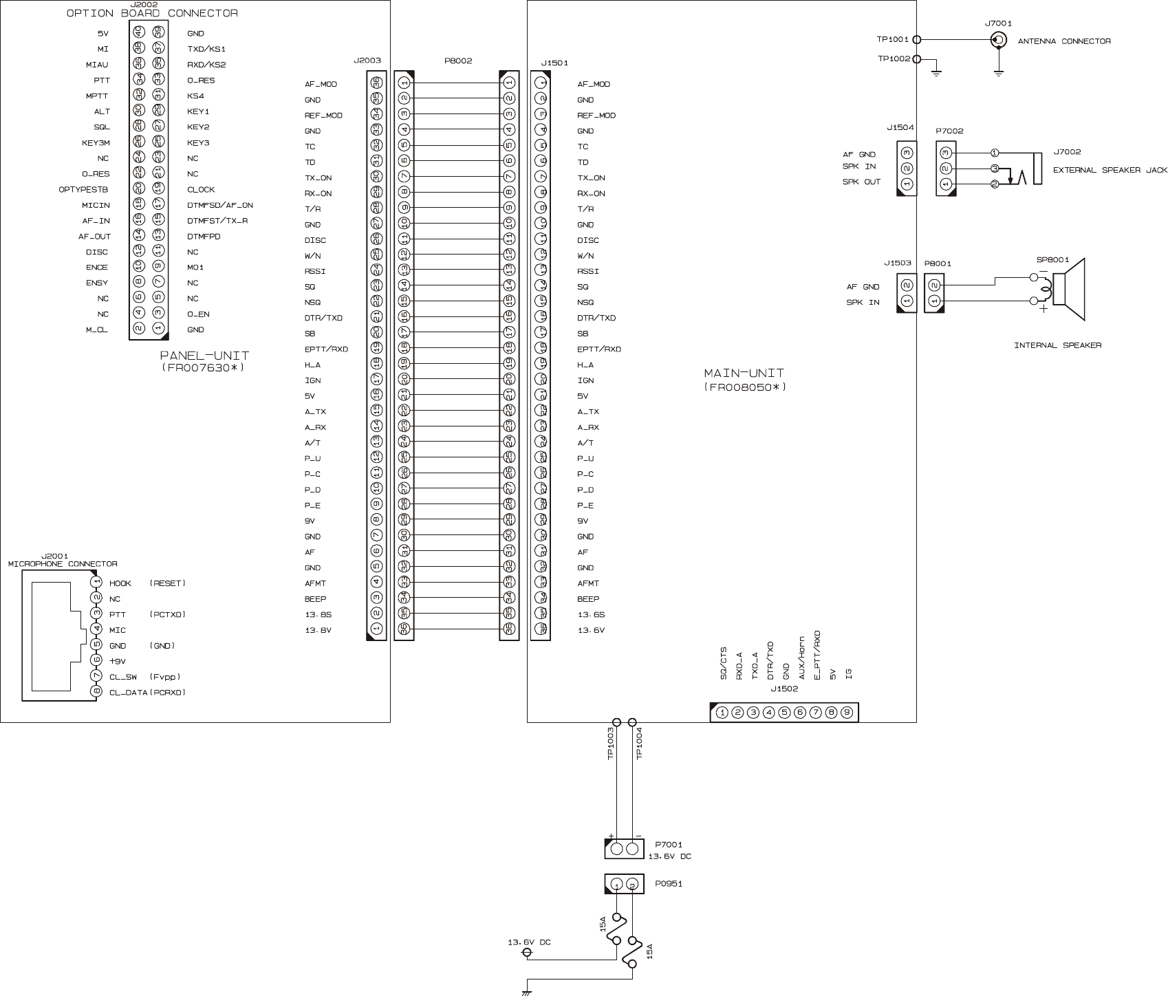
DSUB 9-pin Accessory Connector
Pin 1:Output Logic squelch (Will be effective this output during Data transmission – Inputting logic Low
level signal to the Pin #4 as the DTR signal)
High: Radio receiving the signal with the correct CTCSS or DCS.
Low: Radio not receiving the signal with the correct CTCSS or DCS.
Pin 2:Output Rx discriminator (Need to set the solder short on the PCB)
JP3 (JP1503) - Flat: 10 Hz to 3.0 kHz (140 mVrms / STD deviation with 600 ohm termination)
or
JP4 (JP1504) - Filtered 300 Hz to 3.0 kHz (70 mVrms / STD deviation with 600 ohm termination)
Notes: JP3: Closed from the factory.
JP4: Not Closed from the factory.
Pin 3:Input TX data to the radio modulator. (Flat: 10 Hz to 3.0 kHz)
(40 mVrms / STD deviation)
Pin 4:Input DTR (to switch the radio operation between dispatch operation and Data mode)
[DTR Low: Turn on the Data transmission, less than 0.5 V]
[DTR High: Turn off the Data transmission, more than 4.0 V]
Pin 5:Ground
Pin 6:Output Horn alert signal (Open collector with maximum 16.0 V, 100 mA sink).
Pin 7:Input external PTT (effective when in the Data mode)
[Low: Request the transmission]
[High: Request the Receiving]
Pin 8:Output supply voltage (Need to set the solder short on the PCB)
JP1 (JP1501) Output 5.0 V (Maximum 100 mA output)
or
JP2(JP1502) Output 13.6 V (Maximum 100 mA output)
* Both JP1 and JP2 are not closed from the factory.
Pin 9:Input the ignition signal of the CAR.
This signal is for the following operation,
(1) Disable the Horn alert during the ignition is turned on.
(2) Turn on and off the radio. This function requires the solder short JP8 (JP1508).

4
Exploded View & Miscellaneous Parts
LEAF SPRING
RA0014700
PANEL ASSY
RA0376000
VOLUME KNOB
RA0377000
SPEAKER
M4090154
SPONGE RUBBER
RA0383600
PANEL UNIT
SP HOLDER
RA0378300
CHASSIS
RA0152700
CONNECTOR
P1090984
HOLDER
RA0014400
RF UNIT
CASE
RA0015100
CONNECTOR
P1090654
WIRE ASSY
T9206634A
BLIND SEET (4 x 3)
RA0405200
BLIND SEET (4 x 3)
RA0405200
TUBE
RA0438500
BLIND SEET (34 x 8)
RA0404900
WIRE ASSY
T9206979
BLIND SEET (35 x 4)
RA0405000
WIRE ASSY
T9206633
GAP PAD
S6000379
SHIELD PLATE PA
R0124501
REF.
•
‚
ƒ
„
QTY.
2
10
2
7
DESCRIPTION
BINDING HEAD SCREW M3 x 8 NI
TAPTITE SCREW M3 x 6 NI
TAPTITE SCREW M3 x 8 NI
OVAL HEAD SCREW M2.6 x 6 B
VXSTD P/N
U20308002
U24306002
U24308002
U31206007
•
•
‚
‚‚
‚
‚
‚
‚
‚
ƒ
ƒ
„
„
„
„
„
„
„
BLIND SEET (4 x 25)
RA0425500
BLIND SEET (130 x 10)
RA0424000
IC (POWER MODULE)
G1093737
‚
‚
4
WIRE ASSY
T9206675
SPONGE RUBBER
RA0459900
GASKET
RA0464300

5
Block Diagram (1)

6
Block Diagram (2)

7
Interconnection Diagram
8
Note
9
1. Overview
The VX-3200V is a VHF/FM mobile transceiver designed
to operate in the frequency range of 148 to 174MHz(C
Band), or 134 to 160MHz(A Band).
2. Circuit Configuration by Frequency
The receiver is a double-conversion superheterodyne with
a first intermediate frequency (IF) of 44.25MHz and a sec-
ond IF of 450kHz. Incoming signals from the antenna are
mixed with the local signal from PLL to produce the first
IF of 44.25MHz.
This is then mixed with the 44.25MHz second local oscil-
lator (using the 14.6MHz TCXO) output to produce the
450kHz second IF. This is detected to give the demodu-
lated signal.
The transmit signal frequency is generated by PLL VCO,
and modulated by the signal from the microphone. It is
then amplified and sent to the antenna.
3. Receive Signal Path
Incoming RF signals from the antenna connector are de-
livered to the RF Unit. RF signals pass through a low-pass
filter (LPF) antenna switching network consisting of coils
L1001, L1003, and L1005, capacitors C1004, C1008, C1009,
C1135, and C1011, and antenna switching diodes D1005,
D1007, and D1031, for delivery to the receiver front end.
Signals within the frequency range of the transceiver are
then passed through a varactor-tuned bandpass filter con-
sisting of L1009, and L1014 before RF amplification by
Q1011 (2SC3356).
The amplified RF is then band-pass filtered again by var-
actor-tuned resonators L1022, and L1027 to ensure pure
in-band input to 1st mixer Q1038 (SPM5001).
Buffered output from the VCO Unit is amplified by Q1021
(2SC5107) and low-pass filtered by L1030 / L1031 and
C1178 / C1072 / C1180 / C1129 / C1182, to provide a pure
1st local signal between 192.25 and 218.25MHz(C Band),
178.25 and 204.25MHz(A Band) to the 1st mixer.
The 44.25MHz 1st mixer product then passes through dual
monolithic crystal filters XF1001, and is amplified by
Q1029 (2SC4215Y) and delivered to the input of the FM
IF subsystem IC Q1028 (TA31136FN).
This IC contains the 2nd mixer, 2nd local oscillator, limit-
er amplifier, FM detector, noise amplifier, and squelch
gates.
The 2nd LO in the IF-IC is produced from crystal X1001
(14.600MHz) and the 1st IF is converted to 450kHz by the
2nd mixer and stripped of unwanted components by ce-
ramic filter CF1001 or CF1002. After passing through a
limiter amplifier, the signal is demodulated by the FM
detector CD1001 (CDBC450CX24).
Detected audio from Q1029 is applied to Q2016 (AK2345)
and audio low-pass filter. After volume adjustment by
Q2014 (M62364FP), the audio signal is amplified by the
AF power amplifier Q1509 (TDA2003H) and passed to
speaker jack.
4. Transmit Signal Path
Voice audio from the microphone is delivered via the Mic
(Jack) Unit to the PANEL Unit, after passing through
amplifier Q2022 (NJM2902V), Mic gain-volume Q2014
(M62364FP) pre-emphasis Q2015 (NJM2902V), and lim-
iter (IDC instantaneous deviation control), is adjusted for
optimum deviation level and delivered to the next stage.
Voice input from the microphone CTCSS, and DCS audio
are modulated by the VCO, and the reference frequency
oscillator of the synthesizer.
Synthesizer output, after passing through diode switch
D1022 (1SS321), is amplified by driver Q1025
(2SC5415E) / Q1026 (2SC5107-O) and power module
Q1039 (RA60H1317M) to obtain full RF output. The RF
energy then passes through antenna switch D1005 / D1007
/ D1031 and a low-pass filter circuit and finally to the an-
tenna connector.
RF output power from the final amplifier is sampled by
CM coupler and is rectified by D1011, D1012 (HSM88AS
x 2). The resulting DC is fed through Automatic Power
Controller Q1003 (NJM2902V), to transmitter RF ampli-
fier and thus the power output.
Generation of spurious products by the transmitter is min-
imized by the fundamental carrier frequency being equal
to the final transmitting frequency, modulated directly in
the transmit VCO. Additional harmonic suppression is
provided by a low-pass filter consisting of L1001, L1003,
L1004, L1013, C1004, C1008, C1009, C1135, C1011, C1014,
C1209, and C1205, resulting in more than 60dB of har-
monic suppression prior to delivery to the RF energy to
the antenna.
5. PLL Frequency Synthesizer
PLL frequency synthesizer consists of the VCO Q1013
(2SK508-K52:RX) and Q1015 (2SC5107-O:TX), VCO buff-
ers Q1018 (2SC5107-O), Q1020 (2SC5107-O), Q1021
(2SC5107-O), PLL subsystem IC Q1023 (MB15A02PFV1)
and 14.6 MHz reference TCXO X1001.
The frequency stability is +/- 2.5 ppm within tempera-
ture range of -30 to +60 degree. The output of the 14.6
MHz reference is applied to pin 1 of the PLL IC.
While receiving, VCO Q1013 oscillates between 192.25
and 218.25 MHz (C Band), 178.25 and 204.25 MHz (A
Band) according to the transceiver version and the pro-
grammed receiving frequency. The VCO generates 192.25
to 218.25MHz (C Band), 178.25 to 204.25MHz (A Band)
Circuit Description
10
for providing to the first local signal. In TX, the VCO gen-
erates 148 to 174MHz (C Band), 134 to 160MHz (A Band).
The output of the VCO is amplified by the Q1020 and rout-
ed to the pin 8 of the PLL IC. Also the output of the VCO
is amplified by the Q1021 and routed first local /Power
Module according to D1022.
The PLL IC consists of a prescaler, fractional divider, ref-
erence divider and phase comparator and charge pump.
This PLL IC is fractional-N type synthesizer and performs
in the 40 or 50 kHz reference signal, which is eighth of the
channel step (2.5, 5, or 6.25 kHz). The input signal from
pin 1 and 8 of the PLL IC is divided down to the 20 kHz
and compared at phase comparator. The pulsed output
signal of the phase comparator is applied to the charge
pump and transformed into DC signal in the loop filter.
The DC signal is applied to the pin 1 of the VCO and locked
to keep the VCO frequency constant.
PLL data is output from DCS_E (pin 100), CLOCK (pin 2)
and PLL_E (pin 98) of the microprocessor Q2013. The data
are input to PLL IC when the channel is changed or when
transmission is changed to reception and vice versa. A
PLL lock condition is always monitored by the pin 20 of
the Q2013. When the PLL is unlocked, the UL goes low.
6. Miscellaneous Circuits
6-1 DCS Demodulator
DCS signals are demodulated on the PANEL-UNIT, It is
demodulated by Q2016 (AK2345), amplifier Q2015, and
comparator Q2021.
6-2 CTCSS encoder/decoder
The CTCSS code is generation and encoding by CTCSS
encoder/decoder IC Q2016 (AK2345).
6-3 MPU
Operation is controlled by 8-bit MPU IC Q2013
(LC87F72C8A). The system clock uses a 3.6864MHz crys-
tal for a time base. IC Q2003 (S-80735SN) resets the MPU
when the power is on, and monitors the voltage of the
regulated 5V power supply line.
6-4 DCS Encorder
The DCS code is generation and encoding by MPU IC
Q2013 (LC87F72C8A). It is filtered by Q2021 (NJM2902V)
and adjusted the level by Q2014 (M62364FP).
6-5 Compandor
The Compandor is active when Pin90 of Q2013
(LC87F72C8A) is "High". When the Compandor is active,
MIC Audio is compressed, and detected audio is expand-
ed by Q2017 (LA8630M).
6-6 2-Tone Decoder
A 2-Tone signal is demodulated on the PANEL-UNIT. It
is demodulated by Q2116 and comparator Q2021. This
signal is provided to pin 26 of Q2013 (MPU IC-
LC87F72C8A) for its decording.
7. Power Supply Circuits
7-1 All 13.6V
13.8V is always supplied to Power AMP Q1039
(RA45H4452M). Switched 13.6V is supplied to AF Power
AMP Q1509 (TDA2003H) and 9V Regulator Q1004
(MM1216EN) and Q1005 (2SB1201STP).
7-2 All 9V
9V regulated from 13.6V by Q1004 (MM1216EN) and
Q1005 (2SB1201STP).
7-3 VCO 9V
9V is filtered by Ripple Filter and is supplied to VCO Os-
cillator Q1013 (2SK508-K52), Q1015 (2SC5107-O), and
VCO BUFFER AMP Q1015 (2SC5107-O).
7-4 5V (RF-UNIT)
5V in RF-UNIT is regulated by REGULATOR IC Q1024
(NJM78L05UA). 5V is supplied to PLL IC Q1023
(MB15A02PFV), FM IC Q1028 (TA31136FN), and Refer-
ence Oscillator Q1027 (23C4116GR).
7-5 TX 9V
TX 9V is active on transmit. TX 9V is supplied to ANT SW
D1005, D1007 (UM9957F) and TX DRIVER Q1022
(2SC5415E), Q1025 (2SC5107-O).
7-6 RX 9V
RX 9V is active on receive. RX 9V is supplied to RX RF
AMP Q1026 (3SK228) and MIXER Q1011 (2SC4226-R34).
7-7 5V (RF-UNIT)
9V from RF-UNIT is regulated to 5V by REGULATOR IC
Q2006 (NJM78L05UA) in PANEL-UNIT.
Circuit Description
11
Alignment
Introduction
The VX-3200V is carefully aligned at the factory for the
specified performance across the frequency range speci-
fied for each version. Realignment should therefore not
be necessary except in the event of a component failure,
or altering version type. All component replacement and
service should be performed only by an authorized Ver-
tex Standard representative,or the warranty policy may
be void.
The following procedures cover the sometimes critical and
tedious adjustments that are not normally required once
the transceiver has left the factory. However, if damage
occurs and some parts subsequently are placed, realign-
ment may be required. If a sudden problem occurs dur-
ing normal operation, it is likely due to component fail-
ure; realignment should not be done until after the faulty
component has been replaced.
We recommend that servicing be performed only by au-
thorized Vertex Standard service technicians who are ex-
perienced with the circuitry and fully equipped for repair
and alignment. Therefore, if a fault is suspected, contact
the dealer from whom the transceiver was purchased for
instructions regarding repair. Authorized Vertex Standard
service technicians realign all circuits and make complete
performance checks to ensure compliance with factory
specifications after replacing any faulty components.
Those who do undertake any of the following alignments
are cautioned to proceed at their own risk. Problems
caused by unauthorized attempts at realignment are not
covered by the warranty policy. Also, Vertex Standard
reserves the right to change circuits and alignment proce-
dures in the interest of improved performance, without
notifying owners.
Under no circumstances should any alignment be attempt-
ed unless the normal function and operation of the trans-
ceiver are clearly understood, the cause of the malfunc-
tion has been clearly pinpointed and any faulty compo-
nents replaced, and realignment determined to be abso-
lutely necessary.
The following test equipment (and thorough familiarity
with its correct use) is necessary for complete realignment.
Correction of problems caused by misalignment result-
ing from use of improper test equipment is not covered
under the warranty policy. While most steps do not re-
quire all of the equipment listed, the interactions of some
adjustments may require that more complex adjustments
be performed afterwards.
Do not attempt to perform only a single step unless it is
clearly isolated electrically from all other steps. Have all
test equipment ready before beginning, and follow all of
the steps in a section in the order presented.
Required Test Equipment
rRF Signal Generator with calibrated output level
at 500MHz
rDeviation Meter (linear detector)
rIn-line Wattmeter with 5% accuracy at 500MHz
r50W RF Dummy Load with power rating 100W
at 500MHz
r4W AF Dummy Load
rRegulated DC Power Supply (standard 13.6V
DC, 15A)
rFrequency Counter with 0.1ppm accuracy at
500MHz
rAC Voltmeter
rDC Voltmeter
rVHF Sampling Coupler
rIBM PC/compatible Computer
rOscilloscope
rVertex Standard VPL-1 Connection Cable &
Alignment program
Alignment Preparation & Precautions
A 50W RF Dummy Load and in-line wattmeter must be
connected to the main antenna jack in all procedures that
call for transmission, except where specified otherwise.
Correct alignment is not possible with an antenna.
After completing one step, read the following step to de-
termine whether the same test equipment will be required.
If not, remove the test equipment (except dummy load
and wattmeter, in connected) before proceeding.
Correct alignment requires that the ambient temperature
be the same as that of the transceiver and test equipment,
and that this temperature be held constant between 68°F
and 86°F (20°C ~ 30°C). When the transceiver is brought
into the shop from hot or cold air, it should be allowed
time to come to room temperature before alignment.
Whenever possible, alignments should be made with os-
cillator shields and circuit boards firmly affixed in place.
Also, the test equipment must be thoroughly warmed up
before beginning.
Note: Signal levels in dB referred to in the alignment proce-
dure are based on 0dBµV = 0.5µV into 50W.

12
Alignment
Setup the test equipment as shown below, apply 13.6V
DC power to the transceiver.
The transceiver must be programmed for use in the in-
tended system before alignment is attempted. The RF pa-
rameters are loaded from the file during the alignment
process.
Important
In order to facilitate alignment over the complete switch-
ing range of the equipment it is recommended that the
channel data in the transceiver is preset as the chart be-
low.
The alignment mode is accessed by “Alignment mode”
command from the computer whilst switching on. And it
is operated by the alignment tool automatically.
During the alignment mode, normal operation is suspend-
ed. Use the alignment tool program running on PC.
PLL VCV
¦Connect the positive lead of the DC voltmeter to
the test point TP1007 (VCV) on the RF-Unit, as
indicated in the figure, and the negative lead to
chassis ground.
¦Set the transceiver to the high band edge fre-
quency channel, then adjust coil L1016 on the
Unit for 7.25V on the voltmeter.
¦Key the transmitter, and adjust coil L1017 on the
Unit for 7.25V on the voltmeter.
¦Next select to the low edge frequency channel
and confirm above 2.00V to 3.00V on the volt-
meter.
¦Key the transmitter, and confirm above 2.00V to
3.00V on the voltmeter.
PLL Reference Frequency
With the wattmeter, dummy load and frequency counter
connected to the antenna jack, and select band center fre-
quency channel, key the transmitter and adjust VR1001
on the RF-Unit, if necessary, so the counter frequency is
within 100 Hz of the channel center frequency for the trans-
ceiver version.
Transceiver
RF Unit Test & Alignment Points
L1016
L1017
VR1001
TP1007
CHANNEL
CH 1
CH 2
CH 3
CH 4
CHANNEL
SPACE
Wide
Narrow
Wide
Wide
Version A
147.100 MHz
147.100 MHz
134.100 MHz
159.900 MHz
Version D
161.100 MHz
161.100 MHz
148.100 MHz
173.900 MHz
FREQUENCY (SIMPLEX)

13
Alignment
The alignment tool outline
Installation the tool
This alignment tool consists, MS-DOS based, only one ex-
ecute file “svc52.exe.“ You make a directly as you think
fit, and copy this file. That is all of the installation pro-
cess.
Boot the tool
Change directly and input in command line, “svc52 [en-
ter],“ and boot the alignment tool.
Preparation
Setup the test equipment as “Alignment Preparation &
Precautions.”
Set the Ch. List to Table 1 on the CE52 Clone editor soft-
ware.
Enter to the alignment mode
To enter the alignment mode, press “[0] Alignment Mode”
on the personal computer Key board. You turn off the
power of the transceiver, and turn on the transceiver. If
entry succeed,the alignment tool display as follows.
[0]Common TX
[1]Common RX
Action of the switches
When the transceiver is in alignment mode, the action of
[PTT], [MON], [UP], and [DOWN] is ignored. All of the
action is remote controlled by PC.
Menu of the tool
[0] Common TX
- [0] Tx Power High
This parameter is used to align TX High power (50 W).
¦Press [Enter] on “[0] Tx Power High” to align
TX High power.
¦Select the Channel “1“ in alignment range.
¦Press the [Space] key on the keyboard to acti-
vate the transmitter.
¦Press the [UP] or [DWN] key, as needed, to set
the power output to the following specification,
as indicated on the external wattmeter.
Tx Power High: 50 W (±1.0 W)
¦When the 50 Watt level is attained, press [Enter]
to lock in the new data.
- [1] Tx Power Low
This parameter is used to align TX Low power (10 W).
¦Press [Enter] on “[1] Tx Power Low” to align TX
Low power.
¦Select the Channel “1“ in alignment range.
¦Press the [Space] key on the keyboard to acti-
vate the transmitter.
¦Press the [UP] or [DWN] key, as needed, to set
the power output to the following specification,
as indicated on the external wattmeter.
Tx Power Low: 10 W (±0.5 W)
¦When the 10 Watt level is attained, press [Enter]
to lock in the new data.
- [2] VCO Deviation
This parameter is used to align the VCO Deviation.
¦Press [Enter] on “[2] VCO Deviation” to align
VCO Deviation.
¦Select the Channel “1“ in alignment range.
¦Adjust the AF generator output level to
388mVrms (–6dBm) at 1 kHz to the pin 3 of the
J1502 (D-sub 9pin ).
¦Press the [Space] key on the keyboard to acti-
vate the transmitter.
¦Press the [UP] or [DWN] key, as needed, to set
the VCO Deviation (Wide) to the following speci-
fication, as indicated on the deviation meter.
¦When the desired deviation level is attained,
press [Enter] to lock in the new data.
¦Select the Channel 2, and set the VCO Deviation
(Narrow), same as Channel “1.“
VCO Deviation (Wide): 4.0 kHz (±0.1 kHz)
VCO Deviation (Narrow): 2.0 kHz (±0.1 kHz)

14
- [3] REF Deviation
This parameter is used to align the REF Deviation.
¦Press [Enter] on “[3] REF Deviation” to align REF
Deviation.
¦Select the Channel “1“ in alignment range.
¦Adjust the AF generator output level to
388mVrms(–6dBm) at 100Hz to the pin 3 of the
J1502.
¦Press the [Space] key on the keyboard to acti-
vate the transmitter.
¦Press the [UP] or [DWN] key, as needed, to set
the modulation wave as follows.
¦Press [Enter] to lock in the new data.
¦Select the Channel “2,“ and set the modulation
wave, same as Channel “1.“
- [4] CTCSS Deviation
This parameter is used to align the CTCSS deviation.
¦Press [Enter] on “[4] CTCSS Deviation” to align
CTCSS Deviation.
¦Select the Channel “1“ in alignment range.
¦Press the [Space] on the keyboard to activate the
transmitter, and injects a CTCSS test tone.
¦Press the [UP]/[DWN] key, as need, to set the
CTCSS Deviation (Wide) to the following speci-
fication.
¦Press [Enter] to lock in the new data.
¦Select the Channel “2,“ and set the CTCSS De-
viation (Narrow), same as Channel “1.“
CTCSS Deviation (Wide): 0.70 kHz (±0.1 kHz)
CTCSS Deviation (Narrow): 0.35 kHz (±0.1 kHz)
- [5] DCS Deviation
This parameter is used to align the DCS deviation.
¦Press [Enter] on “[5] DCS Deviation” to align
DCS Deviation.
¦Select the Channel “1“ in alignment range.
¦Press the [Space] key on the keyboard to acti-
vate the transmitter, and injects a DCS test tone.
¦Press the [UP] or [DWN] key, as needed, to set
the DCS deviation (Wide) to the following speci-
fication.
¦Press [Enter] to lock in the new data.
¦Select the Channel “2,“ and set the DCS devia-
tion (Narrow), same as Channel “1.“
DCS Deviation (Wide): 0.60 kHz (±0.1 kHz)
DCS Deviation (Narrow): 0.30 kHz (±0.1kHz)
¦The actual DCS deviation will increase around
20% based on the above alignment as follows,
Actual DCS Deviation (Wide): 0.70 kHz
Actual DCS Deviation (Narrow): 0.35 kHz
Alignment
[1] Common RX
- [0] Tight NSQL
This parameter is used to align the noise level in squelch
Tight. It adjusts this alignment RX Tuning after ending.
¦Select the Channel “1“ (MID frequency channel)
in alignment range.
¦Set the SG output level to –2.5 dBµV, and obey
the message.
- [1] Threshold NSQL
This parameter is used to align the noise level in squelch
Threshold. It adjusts this alignment RX Tuning after end-
ing.
¦Select the Channel “1“ (MID frequency channel)
in alignment range.
¦Set the SG output level to –8.5 dBµV, and obey
the message.
- [2] RX Tune
This parameter is used to align RX Tune.
¦Select the Channel “1“ (MID frequency channel)
in alignment range.
¦Set the SG output level to –8.0 dBµV.
¦Pressing the [UP] or [DWN] key, Adjust the RX
Tune Level for best SINAD.
OK NG NG

15
JP1501 (JP1):Determine the output supply
voltage at pin 8 of DSUB 9-pin Ac-
cessory Connector.
Close: +5.0 V (Maximum 100 mA)
Open: No Action
JP1502 (JP2):Determine the output supply volt-
age at pin 8 of DSUB 9-pin Acces-
sory Connector.
Close: +13.6 V (Maximum 100 mA)
Open: No Action
JP1503 (JP3):Determine the Rx discriminator
output characteristic at pin 2 of
DSUB 9-pin Accessory Connector.
Close: Flat 10 Hz to 3.0 kHz (140
mVrms / STD deviation with 600
ohm termination)
Open: No Action
JP1504 (JP4):Determine the Rx discriminator
output characteristic at pin 2 of
DSUB 9-pin Accessory Connector.
Close: Filtered 300 Hz to 3.0 kHz
(70 mVrms / STD deviation with
600 ohm termination)
Open: No Action
JP1505 (JP5):No Action (Spare Jumper).
JP1506 (JP6):Define whether the TX Data Input
at pin 3 of DSUB 9-pin Accessory
Connector shall be "on" or "off" according to the external PTT Input signal signal (pin 7 of DSUB
9-pin Accessory Connector).
Close: on (Enabled)
Open: off (Disabled)
JP1507 (JP7):Determine the TX Data Input level at pin 3 of DSUB 9-pin Accessory Connector.
Close: 400 mVrms / STD deviation with 600 ohm termination
Open: 40 mVrms / STD deviation with 600 ohm termination
JP1508 (JP8):Define whether the Transceiver's power shall be "on" or "off" according to the Ignition Signal
Input (pin 9 of DSUB 9-pin Accessory Connector).
Close: Turn the transceiver on when the Ignition Signal Input (pin 9 of DSUB 9-pin Accessory
Connector) is turned to "High" while the VOL/PWR knob is set to the "ON" position (out
of the click-stop position).
Open: No Action
RF Unit Jumper Information
16
Note

RF Unit
17
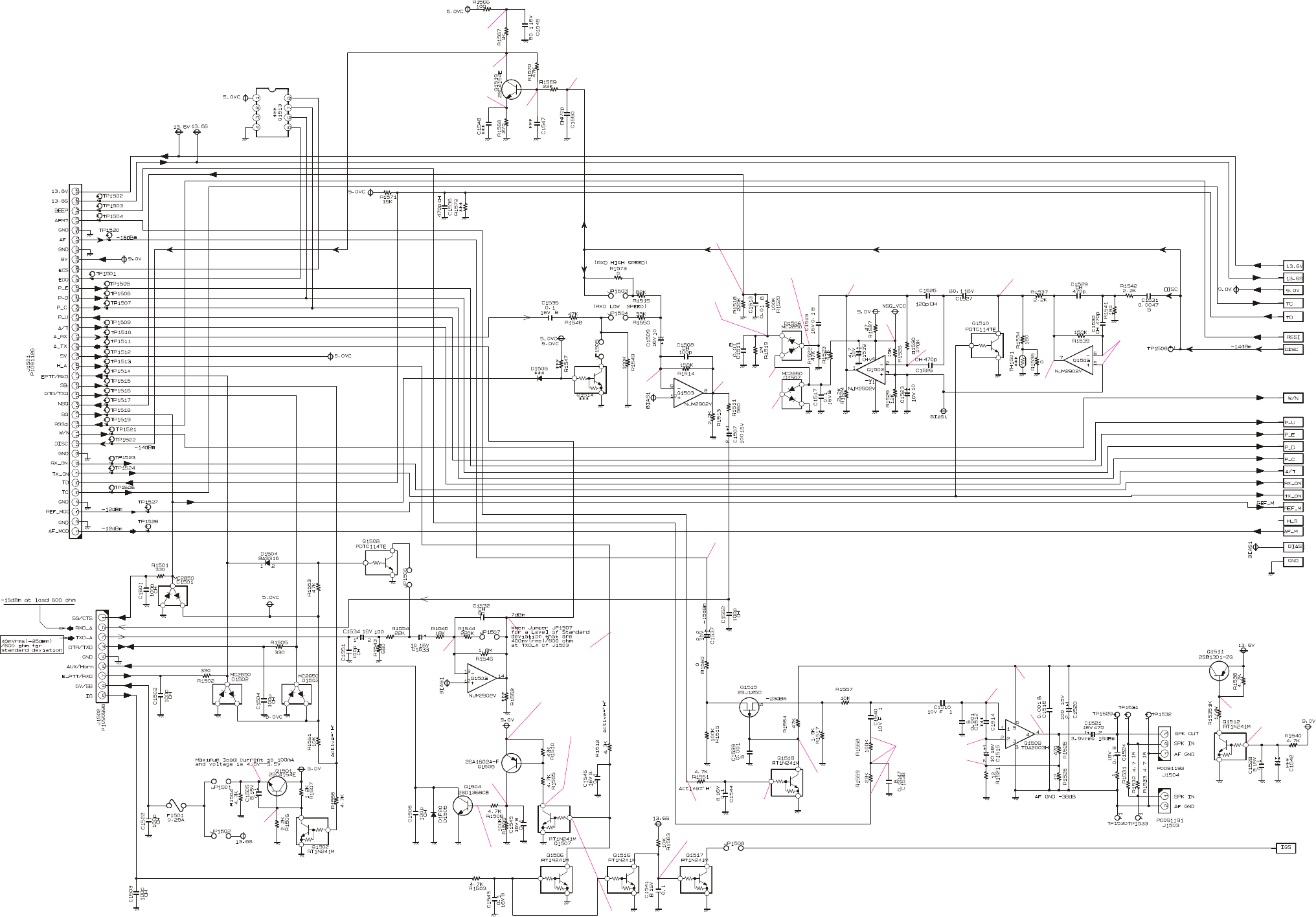
Circuit Diagram (1)
RX: 0 V
TX: 1.6 V
HIGH POWER: 0.4 V
LOW POWER: 0.1 V
RX: 0 V
TX: 4.2 V
HIGH POWER: 3.2 V
LOW POWER: 1.3 V
HIGH POWER: 3.9 V
LOW POWER: 3.5 V
13.6 V
0 V
HIGH POWER: 3.4 V
LOW POWER: 1.6 V
9.0 V
RX: 0 V
TX: 8.9 V
RX: 0 V
TX: 8.9 V
RX: 8.9 V
TX: 0 V
RX: 0 V
TX: 3.2 V
3.7 V
3.7 V
3.7 V
3.7 V
3.7 V
0.8 V
0.8 V
RX: 0 V
TX: 5.0 V
RX: 5.0 V
TX: 0 V
RX: 7.4 V
TX: 0 V
RX: 2.3 V
TX: 0 V
1.3 ~ 3.6 V
RX: 4.3 V
TX: 0 V
RX: 3.7 V
TX: 0 V
RX: 4.3 V
TX: 4.3 V
RX: 0.2 V
TX: 3.2 V
RX: 2.2 V
TX: 3.2 V
7.1 V
8.2 V
7.0 V
2.4 V
0.5 V
0.4 V
8.0 V
4.4 V
4.5 V
8.5 V
8.3 V
0 V
4.8 V
PLL UNLOCK: 0 V
2.4 V
4.8 V
RX: 4.2 V
TX: 0 V
RX: 0 V
TX: 3.7 V
0.6 V
RX: 0 V
TX: 1.8 V
RX: 0 V
TX: 2.0 V
RX: 0 V
TX: 8.1 VRX: 0 V
TX: 2.0 V
RX: 0 V
TX: 1.5 V
3.9 V
4.9 V
1.0 V
4.6 V
4.1 V
1.2 V
WIDE: 0 V
NARROW: 5.0 V
5.0 V
RSSI: 0.6 ~ 2.4 V
WIDE: 2.4 V
NARROW: 0 V
WIDE: 0.4 V
NARROW: 2.2 V
5.0 V
2.5 V
0 V
0 V
0 V
0 V
1.1 V
RX: 2.6 V
TX: 0 V
RX: 1.9 V
TX: 0 V
RX: 8.5 V
TX: 0 V
0.7 V
8.0 V
RX: 0 V
TX: 7.0 V
2.2 ~ 6.0 V
0 V

RF Unit
18
Circuit Diagram (2)
4.8 V
2.2 V
0.7 V
1.3 V
1.2 V
5.3 V
5.8 V
3.7 V
3.7 V
HORN OFF: 0 V
HORN ACTIVE: 8.9 V
HORN OFF: 0 V
HORN ACTIVE: 0.6 V
HORN OFF: 0 V
HORN ACTIVE: 4.2 V
HORN OFF: 10.0 V
HORN ACTIVE: 0 V
HORN OFF: 8.9 V
HORN ACTIVE: 0 V
HORN OFF: 8.9 V
HORN ACTIVE: 8.3 V
HORN OFF: 0 V
HORN ACTIVE: 5.0 V
BUSY: 4.2 V
MUTE: 0 V
BUSY: 5.0 V
MUTE: 0 V
BUSY: 0 V
MUTE: 13.7 V
0.8 V
0.9 V
1.3 V
0.8 V
0 V
1.6 V
13.8 V
13.1 V
RX: 0.3 V
TX: 0 V
3.7 V
3.7 V
8.5 V
3.7 V
3.7 V
1.2 V
0.7 V
3.7 V
3.7 V
RX WIDE: 0.2 ~ 3.8 V
RX NARROW: 0.2 ~ 3.5 V
TX: 0.2 V
RX WIDE: 0.8 ~ 3.8 V
RX NARROW: 0.8 ~ 3.1 V
TX: 0.8 V
RX WIDE: 0.3 ~ 5.6 V
RX NARROW: 0.3 ~ 5.1 V
TX: 0.3 V
7.3 V

RF Unit
19
Parts Layout (Side A)
A CBEDGFH
1
3
4
2
5
6
7
RA60H1317M
(Q1039)
MB15A02PFV1
(Q1023)
2SA1162GR (SG)
(Q1035)
2SA1602A (MF)
(Q1031)
2SC2712 (LG)
(Q1036)
2SC3356 (R24)
(Q1011, 1037)
2SC4154 (LE)
(Q1034, 1501)
2SC4226 (R22)
(Q1011, 1015)
2SC5107 (MFO)
(Q1015, 1018)
2SJ125D (JD)
(Q1515)
2SK520 (K41)
(Q1013)
IMH6A (H6)
(Q1017)
M5223
(Q1019)
NJM2902V
(Q1503)
TDA2003H
(Q1509)
SPM5001
(Q1038)
PDTC114TE (24)
(Q1508)
RT1N241M (N2)
(Q1014, 1016, 1502,
1516, 1517, 1518)
MC2850 (A7)
(D1501, 1502,
1503, 1506, 1507)
L1044
C 130 5
R1190
C 1108
L1035
R 119 1
C1051
R1055
C1306
(R 157 3)

RF Unit
20
Parts Layout (Side B)
ac
be
dg
fh
1
3
4
2
5
6
7
2SB1201S
(Q1005)
TA31136FN
(Q1028)
2SB1132 (BA)
(Q1009)
2SA1602A (MF)
(Q1505)
2SB1301 (ZQ)
(Q1511)
2SD1368CB (CB)
(Q1504)
2SC4154 (LE)
(Q1501, 1007, 1519)
2SC4215 (QY)
(Q1029)
2SC5107 (MF0)
(Q1020, 1021, 1026)
NJM2902V
(Q1003)
2SC5415E (EA)
(Q1025)
DTB123EK (F12)
(Q1008)
IMH6A (H6)
(Q1010)
MM1216ENRE
(Q1004)
NJM78L05
(Q1024)
PDTC114TE (24)
(Q1510)
RT1N241M (N2)
(Q1002, 1006,
1012, 1022, 1030,
1032, 1033, 1506,
1507, 1512)
HSM88AS (C1)
(D1011, 1012)
MC2848 (A6)
(D1024, 1026)

21
RF Unit
Parts List
REF DESCRIPTION VALUE V/W TOL. MFR'S DESIG VXSTD P/N VERS.
LOT
SIDE
LAY ADR
PCB with Component (w/o Q1039) CB1946001
Printed Circuit Board FR008050B 1-
C 1001 CHIP CAP. 0.001uF 630V RGHM1030R102K630PT K22281801 1- AG1
C 1002 CHIP CAP. 220pF 50V CH GRM39CH221J50PT K22174243 1Bf2
C 1002 CHIP CAP. 0.01uF 50V BGRM39B103M50PT K22174823 2- Bf2
C 1003 CHIP CAP. 0.1uF 16V BGRM39B104K16PT K22124805 1- AB2
C 1004 FILM CAP. 15pF 500V UC232H0150J-T K33279028 1- AG1
C 1005 CHIP CAP. 0.001uF 50V BGRM39B102K50PT K22174821 1- Bg3
C 1006 CHIP CAP. 39pF 50V CH GRM39CH390J50PT K22174225 1- AG2
C 1007 CHIP CAP. 0.001uF 50V BGRM39B102K50PT K22174821 1- AC3
C 1008 CHIP CAP. 8pF 200V CH GRM40CH080D200PT K22230214 1- AG1
C 1009 FILM CAP. 39pF 500V UC232H0390J-T K33279038 1- AG2
C 1010 CHIP CAP. 100pF 50V CH GRM39CH101J50PT K22174235 1Be2
C 1010 CHIP CAP. 0.01uF 50V BGRM39B103M50PT K22174823 2- Be2
C 1011 FILM CAP. 39pF 500V UC232H0390J-T K33279038 1- AG2
C 1012 AL.ELECTRO.CAP. 1000uF 25V RE2-25V102M 1000UF K40149034 1- AB2
C 1013 CHIP CAP. 0.001uF 50V BGRM39B102K50PT K22174821 1- Bg6
C 1014 FILM CAP. 6pF 500V UC232H0060D-T K33279045 1- AG2
C 1015 CHIP CAP. 0.1uF 16V BGRM39B104K16PT K22124805 1- Bf2
C 1017 CHIP CAP. 0.0022uF 50V BGRM39B222K50PT K22174822 1- Bd2
C 1018 CHIP CAP. 0.047uF 16V BGRM39B473K16PT K22124804 1- Bd2
C 1020 CHIP CAP. 0.0022uF 50V BGRM39B222K50PT K22174822 1- Bd2
C 1021 CHIP CAP. 0.001uF 50V BGRM39B102K50PT K22174821 1- Bg4
C 1022 CHIP CAP. 0.001uF 50V BGRM39B102K50PT K22174821 1- Bc3
C 1023 AL.ELECTRO.CAP. 10uF 16V RV2-16V100MB55-R K48120014 1- AB3
C 1024 CHIP CAP. 2pF 50V CK GRM39CK020C50PT K22174203 1- AG4
C 1025 CHIP CAP. 0.001uF 50V BGRM39B102K50PT K22174821 1- Bc6
C 1026 CHIP CAP. 15pF 50V CH GRM39CH150J50PT K22174215 1- AH3
C 1027 CHIP CAP. 15pF 50V CH GRM39CH150J50PT K22174215 1- AG3
C 1028 CHIP CAP. 18pF 50V CH GRM39CH180J50PT K22174217 1- AG3
C 1029 CHIP CAP. 10pF 50V CH GRM39CH100D50PT K22174211 1- AH3
C 1030 CHIP CAP. 18pF 50V CH GRM39CH180J50PT K22174217 1- AG3
C 1031 CHIP CAP. 0.001uF 50V BGRM39B102K50PT K22174821 1- Bb3
C 1032 CHIP CAP. 470pF 50V CH GRM39CH471J50PT K22174249 1- Bb2
C 1033 CHIP CAP. 0.001uF 50V BGRM39B102K50PT K22174821 1- AE3
C 1034 CHIP CAP. 0.01uF 50V BGRM39B103M50PT K22174823 1- AF2
C 1035 CHIP CAP. 0.001uF 50V BGRM39B102K50PT K22174821 1- Bc2
C 1036 CHIP CAP. 0.1uF 16V BGRM39B104K16PT K22124805 1- Bc2
C 1037 CHIP CAP. 0.001uF 50V BGRM39B102K50PT K22174821 1- AE3
C 1038 CHIP CAP. 0.001uF 50V BGRM39B102K50PT K22174821 1- Bc2
C 1039 CHIP CAP. 0.001uF 50V BGRM39B102K50PT K22174821 1- Bc2
C 1040 CHIP CAP. 0.001uF 50V BGRM39B102K50PT K22174821 1- Bd4
C 1041 CHIP TA.CAP. 10uF 10V TEMSVA1A106M-8R K78100028 1- Bd4
C 1042 CHIP TA.CAP. 10uF 10V TEMSVA1A106M-8R K78100028 1- Be4
C 1043 CHIP CAP. 0.01uF 50V BGRM39B103M50PT K22174823 1- AE3
C 1044 CHIP CAP. 0.001uF 50V BGRM39B102K50PT K22174821 1- Bd4
C 1045 CHIP CAP. 6pF 50V CH GRM39CH060D50PT K22174207 1- Bd4
C 1046 CHIP CAP. 15pF 50V CH GRM39CH150J50PT K22174215 1- AG3
C 1047 CHIP CAP. 33pF 50V CH GRM39CH330J50PT K22174223 1- AG3
C 1048 CHIP CAP. 18pF 50V CH GRM39CH180J50PT K22174217 1- AG3
C 1050 CHIP CAP. 15pF 50V CH GRM39CH150J50PT K22174215 1- AG3
C 1051 CHIP CAP. 220pF 50V CH GRM39CH221J50PT K22174243 1- AF4
C 1052 CHIP CAP. 39pF 50V CH GRM39CH390J50PT K22174225 1- AG3
C 1053 CHIP CAP. 0.001uF 50V BGRM39B102K50PT K22174821 1- Be5
C 1054 CHIP CAP. 6pF 50V CH GRM39CH060D50PT K22174207 1- AG4
C 1055 CHIP CAP. 0.1uF 16V BGRM39B104K16PT K22124805 1- Bb4
C 1056 CHIP CAP. 470pF 50V CH GRM39CH471J50PT K22174249 1- Bb2
C 1057 CHIP CAP. 0.001uF 50V BGRM39B102K50PT K22174821 1- AD3
C 1058 CHIP CAP. 470pF 50V CH GRM39CH471J50PT K22174249 1- Bc2
C 1059 CHIP CAP. 470pF 50V CH GRM39CH471J50PT K22174249 1- Bc2
C 1061 CHIP CAP. 0.027uF 25V BGRM39B273K25PT K22144810 1- AE2
C 1062 CHIP TA.CAP. 10uF 25V TEMSVC1E106M12R K78140021 1- AE2
C 1063 CHIP CAP. 0.001uF 50V BGRM39B102K50PT K22174821 1- AD6
C 1064 CHIP CAP. 18pF 50V CH GRM39CH180J50PT K22174217 1- AD5
C 1066 CHIP CAP. 22pF 50V CH GRM39CH220J50PT K22174219 1- AE5
C 1067 CHIP CAP. 0.01uF 50V BGRM39B103M50PT K22174823 1- AG3
C 1068 CHIP CAP. 0.001uF 50V BGRM39B102K50PT K22174821 1- Be6
C 1069 CHIP CAP. 0.1uF 16V BGRM39B104K16PT K22124805 1- Be6
C 1070 CHIP CAP. 220pF 50V CH GRM39CH221J50PT K22174243 1- AC6
C 1071 CHIP CAP. 12pF 50V CH GRM39CH120J50PT K22174213 1- AG3
C 1072 CHIP CAP. 2pF 50V CK GRM39CK020C50PT K22174203 1- Bc5
C 1073 CHIP CAP. 22pF 50V CH GRM39CH220J50PT K22174219 1- AG3
C 1074 CHIP CAP. 3pF 50V CJ GRM39CJ030C50PT K22174204 1- Bc5
C 1075 CHIP CAP. 33pF 50V CH GRM39CH330J50PT K22174223 1- AG3
C 1077 CHIP CAP. 6pF 50V CH GRM39CH060D50PT K22174207 1- AG4
C 1078 CHIP CAP. 0.01uF 50V BGRM39B103M50PT K22174823 1- AE2

22
REF DESCRIPTION VALUE V/W TOL. MFR'S DESIG VXSTD P/N VERS.
LOT
SIDE
LAY ADR
RF Unit
Parts List
C 1079 CHIP TA.CAP. 10uF 10V TEMSVA1A106M-8R K78100028 1- AE6
C 1080 CHIP CAP. 0.01uF 50V BGRM39B103M50PT K22174823 1- Bd2
C 1081 CHIP CAP. 0.1uF 16V BGRM39B104K16PT K22124805 1- Bd2
C 1082 CHIP CAP. 0.01uF 50V BGRM39B103M50PT K22174823 1- AD2
C 1083 CHIP TA.CAP. 10uF 10V TEMSVA1A106M-8R K78100028 1- Bd5
C 1084 CHIP CAP. 0.001uF 50V BGRM39B102K50PT K22174821 1- AD5
C 1085 CHIP CAP. 0.001uF 50V BGRM39B102K50PT K22174821 1- Bd5
C 1086 CHIP CAP. 47pF 50V CH GRM39CH470J50PT K22174227 1- AD5
C 1087 CHIP CAP. 18pF 50V CH GRM39CH180J50PT K22174217 1- AD5
C 1088 CHIP CAP. 0.01uF 50V BGRM39B103M50PT K22174823 1- Bb2
C 1089 CHIP CAP. 0.01uF 50V BGRM39B103M50PT K22174823 1- Bc4
C 1090 CHIP CAP. 0.001uF 50V BGRM39B102K50PT K22174821 1- Be5
C 1091 CHIP CAP. 27pF 50V CH GRM39CH270J50PT K22174221 1- AD5
C 1092 CHIP CAP. 18pF 50V CH GRM39CH180J50PT K22174217 1- AD5
C 1093 CHIP CAP. 0.01uF 50V BGRM39B103M50PT K22174823 1- AD5
C 1094 CHIP CAP. 0.001uF 50V BGRM39B102K50PT K22174821 1- AD5
C 1095 CHIP CAP. 1pF 50V CK GRM39CK010C50PT K22174202 1- AD5
C 1096 CHIP CAP. 2pF 50V CK GRM39CK020C50PT K22174203 1- AD5
C 1097 CHIP CAP. 68pF 50V CH GRM39CH680J50PT K22174231 1- AD5
C 1098 CHIP CAP. 47pF 50V CH GRM39CH470J50PT K22174227 1- AD5
C 1099 CHIP CAP. 0.001uF 50V BGRM39B102K50PT K22174821 1- AD5
C 1100 CHIP TA.CAP. 0.1uF 35V TESVA1V104M1-8R K78160025 1- Bd6
C 1101 CHIP TA.CAP. 0.1uF 35V TESVA1V104M1-8R K78160025 1- Bc5
C 1102 CHIP CAP. 0.015uF 25V BGRM39B153K25PT K22144805 1- Bc6
C 1103 CHIP CAP. 0.001uF 50V BGRM39B102K50PT K22174821 1- AF3
C 1104 CHIP CAP. 0.1uF 16V BGRM39B104K16PT K22124805 1- AG4
C 1105 CHIP CAP. 0.001uF 50V BGRM39B102K50PT K22174821 1- AG4
C 1106 CHIP CAP. 47pF 50V CH GRM39CH470J50PT K22174227 1- AF3
C 1107 CHIP CAP. 39pF 50V CH GRM39CH390J50PT K22174225 1- AF3
C 1108 CHIP CAP. 0.1uF 16V BGRM39B104K16PT K22124805 1- AF3
C 1110 CHIP CAP. 15pF 50V CH GRM39CH150J50PT K22174215 1- Be2
C 1111 CHIP CAP. 10pF 50V CH GRM39CH100D50PT K22174211 1- Be2
C 1112 CHIP CAP. 10pF 50V CH GRM39CH100D50PT K22174211 1- Be2
C 1113 CHIP CAP. 15pF 50V CH GRM39CH150J50PT K22174215 1- Be2
C 1114 CHIP CAP. 0.01uF 50V BGRM39B103M50PT K22174823 1- AD2
C 1115 CHIP CAP. 0.1uF 16V BGRM39B104K16PT K22124805 1- Be5
C 1116 CHIP CAP. 0.01uF 50V BGRM39B103M50PT K22174823 1- AD2
C 1118 CHIP CAP. 1pF 50V CK GRM39CK010C50PT K22174202 1- AD5
C 1119 CHIP CAP. 0.01uF 50V BGRM39B103M50PT K22174823 1- AD4
C 1120 CHIP CAP. 22pF 50V CH GRM39CH220J50PT K22174219 1- AE4
C 1121 CHIP CAP. 0.01uF 50V BGRM39B103M50PT K22174823 1- AE5
C 1122 CHIP CAP. 2pF 50V CK GRM39CK020C50PT K22174203 1- AD5
C 1123 CHIP TA.CAP. 2.2uF 16V TEMSVA1C225M-8R K78120015 1- Bc5
C 1125 CHIP CAP. 18pF 50V CH GRM39CH180J50PT K22174217 1- AF3
C 1127 CHIP CAP. 15pF 50V CH GRM39CH150J50PT K22174215 1- AF3
C 1128 CHIP CAP. 39pF 50V CH GRM39CH390J50PT K22174225 1- AF3
C 1129 CHIP CAP. 0.5pF 50V CK GRM39CK0R5C50PT K22174201 1- Bc4
C 1130 CHIP CAP. 2pF 50V CK GRM39CK020C50PT K22174203 1- AF3
C 1131 CHIP CAP. 12pF 50V CH GRM39CH120J50PT K22174213 1- AF3
C 1132 CHIP CAP. 6pF 50V CH GRM39CH060D50PT K22174207 1- AF4
C 1133 CHIP CAP. 0.1uF 16V BGRM39B104K16PT K22124805 1- Bb4
C 1134 CHIP CAP. 6pF 50V CH GRM39CH060D50PT K22174207 1- AF3
C 1135 CHIP CAP. 5pF 200V CH GRM40CH050C200PT K22230207 1- AG1
C 1136 CHIP CAP. 0.001uF 50V BGRM39B102K50PT K22174821 1Be2
C 1136 CHIP CAP. 0.01uF 50V BGRM39B103M50PT K22174823 2- Be2
C 1137 CHIP CAP. 0.01uF 50V BGRM39B103M50PT K22174823 1- Be3
C 1138 CHIP CAP. 0.01uF 50V BGRM39B103M50PT K22174823 1- Be3
C 1139 CHIP CAP. 18pF 50V CH GRM39CH180J50PT K22174217 1- Bd4
C 1140 CHIP CAP. 47pF 50V CH GRM39CH470J50PT K22174227 1- Bd4
C 1141 CHIP CAP. 6pF 50V CH GRM39CH060D50PT K22174207 1- Bc5
C 1142 CHIP CAP. 12pF 50V CH GRM39CH120J50PT K22174213 1- Bc5
C 1143 CHIP CAP. 12pF 50V CH GRM39CH120J50PT K22174213 1- Bc5
C 1144 CHIP CAP. 0.01uF 50V BGRM39B103M50PT K22174823 1- Bf2
C 1145 CHIP CAP. 0.1uF 16V BGRM39B104K16PT K22124805 1- AE5
C 1146 CHIP CAP. 27pF 50V CH GRM39CH270J50PT K22174221 1- Bc5
C 1147 CHIP TA.CAP. 10uF 6.3V TEMSVA0J106M-8R K78080027 1- Bc5
C 1148 CHIP CAP. 0.001uF 50V BGRM39B102K50PT K22174821 1- Bd3
C 1149 CHIP CAP. 47pF 50V CH GRM39CH470J50PT K22174227 1- AE4
C 1150 CHIP CAP. 0.001uF 50V BGRM39B102K50PT K22174821 1- Bc4
C 1151 CHIP CAP. 22pF 50V CH GRM39CH220J50PT K22174219 1- AF3
C 1152 CHIP CAP. 33pF 50V CH GRM39CH330J50PT K22174223 1- AF3
C 1153 CHIP CAP. 15pF 50V CH GRM39CH150J50PT K22174215 1- AF3
C 1154 CHIP CAP. 15pF 50V CH GRM39CH150J50PT K22174215 1- AF3
C 1156 CHIP CAP. 15pF 50V CH GRM39CH150J50PT K22174215 1- AE3
C 1157 CHIP CAP. 0.001uF 50V BGRM39B102K50PT K22174821 1- Bd3
C 1158 CHIP CAP. 12pF 50V CH GRM39CH120J50PT K22174213 1- AE3

23
RF Unit
Parts List
REF DESCRIPTION VALUE V/W TOL. MFR'S DESIG VXSTD P/N VERS.
LOT
SIDE
LAY ADR
C 1159 CHIP CAP. 12pF 50V CH GRM39CH120J50PT K22174213 1- Be3
C 1160 CHIP CAP. 0.001uF 50V BGRM39B102K50PT K22174821 1- Bd3
C 1161 CHIP CAP. 18pF 50V CH GRM39CH180J50PT K22174217 1- Bd3
C 1162 CHIP CAP. 0.01uF 50V BGRM39B103M50PT K22174823 1- Bd4
C 1163 CHIP CAP. 47pF 50V CH GRM39CH470J50PT K22174227 1- Bd4
C 1164 CHIP CAP. 0.001uF 50V BGRM39B102K50PT K22174821 1- AB3
C 1165 CHIP CAP. 0.1uF 16V BGRM39B104K16PT K22124805 1- Bb4
C 1166 CHIP CAP. 0.1uF 16V BGRM39B104K16PT K22124805 1- AE4
C 1168 CHIP TA.CAP. 6.8uF 6.3V TEMSVA0J685M-8R K78080025 1- AB6
C 1169 CHIP TA.CAP. 6.8uF 6.3V TEMSVA0J685M-8R K78080025 1- AC6
C 1171 CHIP CAP. 0.001uF 50V BGRM39B102K50PT K22174821 1- AE5
C 1172 CHIP CAP. 220pF 50V CH GRM39CH221J50PT K22174243 1- AE5
C 1173 CHIP CAP. 0.001uF 50V BGRM39B102K50PT K22174821 1- Bd4
C 1174 CHIP TA.CAP. 10uF 6.3V TEMSVA0J106M-8R K78080027 1- Bc5
C 1175 CHIP CAP. 0.001uF 50V BGRM39B102K50PT K22174821 1- AE4
C 1177 CHIP CAP. 15pF 50V CH GRM39CH150J50PT K22174215 1- AE3
C 1178 CHIP CAP. 4pF 50V CH GRM39CH040C50PT K22174205 1- Bc4
C 1179 CHIP CAP. 15pF 50V CH GRM39CH150J50PT K22174215 1- AE4
C 1180 CHIP CAP. 12pF 50V CH GRM39CH120J50PT K22174213 1- Bc5
C 1181 CHIP CAP. 15pF 50V CH GRM39CH150J50PT K22174215 1- AE4
C 1182 CHIP CAP. 6pF 50V CH GRM39CH060D50PT K22174207 1- Bc5
C 1183 CHIP CAP. 0.001uF 50V BGRM39B102K50PT K22174821 1- Ba5
C 1184 CHIP CAP. 22pF 50V CH GRM39CH220J50PT K22174219 1- Bb5
C 1185 CHIP CAP. 0.01uF 50V BGRM39B103M50PT K22174823 1- Ba5
C 1187 CHIP CAP. 0.001uF 50V BGRM39B102K50PT K22174821 1- AD4
C 1189 CHIP TA.CAP. 3.3uF 10V TEMSVA1A335M-8R K78100015 1- Bc6
C 1190 CHIP CAP. 0.001uF 50V BGRM39B102K50PT K22174821 1- Bc4
C 1191 CHIP CAP. 0.01uF 50V BGRM39B103M50PT K22174823 1- Bb4
C 1192 CHIP CAP. 15pF 50V CH GRM39CH150J50PT K22174215 1- AG4
C 1193 CHIP CAP. 10pF 50V CH GRM39CH100D50PT K22174211 1- AD5
C 1194 CHIP CAP. 0.01uF 50V BGRM39B103M50PT K22174823 1- Bd3
C 1195 CHIP CAP. 0.01uF 50V BGRM39B103M50PT K22174823 1- Ba5
C 1196 CHIP CAP. 0.1uF 16V BGRM39B104K16PT K22124805 1- Ba5
C 1197 CHIP CAP. 68pF 50V CH GRM39CH680J50PT K22174231 1- Ba5
C 1198 CHIP CAP. 0.1uF 16V BGRM39B104K16PT K22124805 1- Ba5
C 1199 CHIP CAP. 0.01uF 50V BGRM39B103M50PT K22174823 1- Ba5
C 1200 CHIP CAP. 0.01uF 50V BGRM39B103M50PT K22174823 1- Ba6
C 1201 CHIP CAP. 39pF 50V CH GRM39CH390J50PT K22174225 1- Bb5
C 1202 CHIP CAP. 0.1uF 16V BGRM39B104K16PT K22124805 1- Ba5
C 1203 CHIP CAP. 22pF 50V CH GRM39CH220J50PT K22174219 1- AF5
C 1204 CHIP CAP. 10pF 50V CH GRM39CH100D50PT K22174211 1- AF5
C 1205 FILM CAP. 15pF 500V UC232H0150J-T K33279028 1- AF2
C 1206 CHIP CAP. 0.01uF 50V BGRM39B103M50PT K22174823 1- AE6
C 1207 CHIP CAP. 2pF 50V CK GRM39CK020C50PT K22174203 1- AG3
C 1209 FILM CAP. 22pF 500V UC232H0220J-T K33279021 1- AG3
C 1210 CHIP CAP. 0.01uF 50V BGRM39B103M50PT K22174823 1- Bb4
C 1211 CHIP CAP. 100pF 50V CH GRM39CH101J50PT K22174235 1- Bb6
C 1212 CHIP CAP. 10pF 50V CH GRM39CH100D50PT K22174211 1- AG4
C 1213 CHIP CAP. 1pF 50V CK GRM39CK010C50PT K22174202 1- AH4
C 1214 CHIP CAP. 0.01uF 50V BGRM39B103M50PT K22174823 1- AB2
C 1215 CHIP CAP. 0.01uF 50V BGRM39B103M50PT K22174823 1- AG5
C 1216 CHIP TA.CAP. 10uF 6.3V TEMSVA0J106M-8R K78080027 1- AG5
C 1217 CHIP CAP. 220pF 50V CH GRM39CH221J50PT K22174243 1- AD5
C 1218 CHIP CAP. 12pF 50V CH GRM39CH120J50PT K22174213 1- Ba5
C 1219 CHIP CAP. 0.01uF 50V BGRM39B103M50PT K22174823 1- AG5
C 1220 CHIP CAP. 0.1uF 16V BGRM39B104K16PT K22124805 1- AG4
C 1221 CHIP CAP. 470pF 50V CH GRM39CH471J50PT K22174249 1- AG5
C 1222 CHIP CAP. 0.01uF 50V BGRM39B103M50PT K22174823 1- AF6
C 1223 CHIP CAP. 0.01uF 50V BGRM39B103M50PT K22174823 1- Ba5
C 1224 CHIP CAP. 0.001uF 50V BGRM39B102K50PT K22174821 1- Be3
C 1225 CHIP CAP. 0.01uF 50V BGRM39B103M50PT K22174823 1- Be3
C 1226 CHIP CAP. 0.01uF 50V BGRM39B103M50PT K22174823 1- Be3
C 1227 CHIP CAP. 47pF 50V CH GRM39CH470J50PT K22174227 1- AC6
C 1228 CHIP CAP. 0.01uF 50V BGRM39B103M50PT K22174823 1- Be3
C 1229 CHIP CAP. 0.01uF 50V BGRM39B103M50PT K22174823 1- Be3
C 1230 CHIP CAP. 0.001uF 50V BGRM39B102K50PT K22174821 1- AB2
C 1231 CHIP CAP. 0.01uF 50V BGRM39B103M50PT K22174823 1- Bf3
C 1232 CHIP CAP. 0.01uF 50V BGRM39B103M50PT K22174823 1- AC3
C 1233 CHIP CAP. 100pF 50V CH GRM39CH101J50PT K22174235 1- AE2
C 1234 CHIP CAP. 0.01uF 50V BGRM39B103M50PT K22174823 1- AB2
C 1235 CHIP CAP. 0.01uF 50V BGRM39B103M50PT K22174823 1- Bc5
C 1236 CHIP CAP. 10pF 50V CH GRM39CH100D50PT K22174211 1- Bc5
C 1237 CHIP CAP. 0.01uF 50V BGRM39B103M50PT K22174823 1- AF4
C 1238 CHIP CAP. 0.001uF 50V BGRM39B102K50PT K22174821 1- AD4
C 1239 CHIP CAP. 0.001uF 50V BGRM39B102K50PT K22174821 1- AB6
C 1240 CHIP CAP. 0.01uF 50V BGRM39B103M50PT K22174823 1- Bd4

24
REF DESCRIPTION VALUE V/W TOL. MFR'S DESIG VXSTD P/N VERS.
LOT
SIDE
LAY ADR
RF Unit
Parts List
C 1241 CHIP CAP. 22pF 50V CH GRM39CH220J50PT K22174219 1- AC6
C 1242 CHIP CAP. 100pF 50V CH GRM39CH101J50PT K22174235 1- AC2
C 1243 CHIP CAP. 100pF 50V CH GRM39CH101J50PT K22174235 1- AC2
C 1244 CHIP CAP. 100pF 50V CH GRM39CH101J50PT K22174235 1- AC2
C 1245 CHIP CAP. 470pF 50V CH GRM39CH471J50PT K22174249 1- Bg6
C 1247 CHIP CAP. 0.01uF 50V BGRM39B103M50PT K22174823 1- Be3
C 1249 CHIP CAP. 0.001uF 50V BGRM39B102K50PT K22174821 1Be2
C 1249 CHIP CAP. 0.01uF 50V BGRM39B103M50PT K22174823 2- Be2
C 1251 CHIP CAP. 0.01uF 50V BGRM39B103M50PT K22174823 1- AC3
C 1252 CHIP TA.CAP. 10uF 10V TEMSVA1A106M-8R K78100028 1- AE5
C 1253 CHIP CAP. 0.1uF 16V BGRM39B104K16PT K22124805 1- Bc4
C 1254 CHIP CAP. 0.01uF 50V BGRM39B103M50PT K22174823 1- AF5
C 1255 CHIP CAP. 0.001uF 50V BGRM39B102K50PT K22174821 1- Bd3
C 1256 CHIP CAP. 0.001uF 50V BGRM39B102K50PT K22174821 1- AG4
C 1257 CHIP CAP. 0.01uF 50V BGRM39B103M50PT K22174823 1- AF4
C 1258 CHIP TA.CAP. 68uF 16V TEMSVD1C686M12R K78120034 1- Bf2
C 1259 CHIP CAP. 22pF 50V CH GRM39CH220J50PT K22174219 1- Ba5
C 1260 CHIP CAP. 0.01uF 50V BGRM39B103M50PT K22174823 1- Bb2
C 1261 CHIP CAP. 0.001uF 50V BGRM39B102K50PT K22174821 1- Bb4
C 1262 CHIP CAP. 0.001uF 50V BGRM39B102K50PT K22174821 1- AB3
C 1263 CHIP CAP. 0.001uF 50V BGRM39B102K50PT K22174821 1- Bd4
C 1264 CHIP CAP. 0.001uF 50V BGRM39B102K50PT K22174821 1- AC3
C 1265 CHIP CAP. 0.001uF 50V BGRM39B102K50PT K22174821 1- Bf6
C 1266 CHIP CAP. 0.001uF 50V BGRM39B102K50PT K22174821 1- Bc3
C 1267 CHIP CAP. 0.001uF 50V BGRM39B102K50PT K22174821 1- AH4
C 1270 CHIP CAP. 1pF 50V CK GRM39CK010C50PT K22174202 1- AD5
C 1271 CHIP CAP. 220pF 50V CH GRM39CH221J50PT K22174243 1- AG3
C 1272 CHIP TA.CAP. 4.7uF 16V TEMSVA1C475M-8R K78120031 1- Bg3
C 1273 CHIP CAP. 0.001uF 50V BGRM39B102K50PT K22174821 1- AF3
C 1276 CHIP CAP. 15pF 50V CH GRM39CH150J50PT K22174215 1- AH3
C 1278 CHIP CAP. 0.001uF 50V BGRM39B102K50PT K22174821 1Be3
C 1278 CHIP CAP. 0.01uF 50V BGRM39B103M50PT K22174823 2- Be3
C 1279 CHIP CAP. 0.001uF 50V BGRM39B102K50PT K22174821 1- AD2
C 1281 CHIP CAP. 0.1uF 16V BGRM39B104K16PT K22124805 1- AE2
C 1282 CHIP CAP. 0.1uF 16V BGRM39B104K16PT K22124805 1- Bb4
C 1284 CHIP CAP. 0.01uF 50V BGRM39B103M50PT K22174823 1- Ba4
C 1286 CHIP CAP. 1pF 50V CK GRM39CK010C50PT K22174202 1- AG4
C 1291 CHIP CAP. 470pF 50V CH GRM39CH471J50PT K22174249 1- AE3
C 1292 CHIP CAP. 470pF 50V CH GRM39CH471J50PT K22174249 1- AD3
C 1293 CHIP CAP. 0.1uF 16V BGRM39B104K16PT K22124805 1- Be5
C 1294 CHIP CAP. 0.001uF 50V BGRM39B102K50PT K22174821 1- AE3
C 1295 CHIP CAP. 100pF 50V CH GRM39CH101J50PT K22174235 1- Be3
C 1296 CHIP CAP. 0.001uF 50V BGRM39B102K50PT K22174821 1- AE3
C 1297 CHIP CAP. 0.1uF 16V BGRM39B104K16PT K22124805 1- Ba6
C 1299 CHIP CAP. 0.001uF 50V BGRM39B102K50PT K22174821 1- AD2
C 1301 CHIP CAP. 0.01uF 50V BGRM39B103M50PT K22174823 1- AE3
C 1303 CHIP CAP. 0.1uF 25V BGRM40B104M25PT K22140811 1-2 AE2
C 1304 CHIP CAP. 0.001uF 50V BGRM39B102K50PT K22174821 1- AD5
C 1305 CHIP CAP. 33pF 50V CH GRM39CH330J50PT K22174223 1- AE4
C 1306 CHIP CAP. 10pF 50V CH GRM39CH100D50PT K22174211 1- AE5
C 1501 CHIP CAP. 100pF 50V CH GRM39CH101J50PT K22174235 1- AB1
C 1502 CHIP CAP. 100pF 50V CH GRM39CH101J50PT K22174235 1- AB1
C 1503 CHIP CAP. 100pF 50V CH GRM39CH101J50PT K22174235 1- Bg1
C 1504 CHIP CAP. 100pF 50V CH GRM39CH101J50PT K22174235 1- AB1
C 1505 CHIP CAP. 0.1uF 16V BGRM39B104K16PT K22124805 1- AA1
C 1506 CHIP CAP. 100pF 50V CH GRM39CH101J50PT K22174235 1- Bg1
C 1507 AL.ELECTRO.CAP. 100uF 16V ECEV1CA101WP K48120012 1- AC3
C 1508 CHIP CAP. 100pF 50V CH GRM39CH101J50PT K22174235 1- AC4
C 1509 AL.ELECTRO.CAP. 10uF 16V RV2-16V100MB55-R K48120014 1- AC4
C 1510 CHIP CAP. 1uF 10V FGRM39F105Z10PT K22105001 1- AB5
C 1511 CHIP CAP. 0.01uF 50V BGRM39B103M50PT K22174823 1- AC4
C 1512 CHIP CAP. 0.001uF 50V BGRM39B102K50PT K22174821 1- AB5
C 1513 CHIP CAP. 0.01uF 50V BGRM39B103M50PT K22174823 1- AC5
C 1515 AL.ELECTRO.CAP. 10uF 16V RV2-16V100MB55-R K48120014 1- AA5
C 1516 CHIP CAP. 0.1uF 16V BGRM39B104K16PT K22124805 1- AB4
C 1517 CHIP CAP. 0.1uF 16V BGRM39B104K16PT K22124805 1- AB4
C 1518 CHIP CAP. 0.001uF 50V BGRM39B102K50PT K22174821 1- Bg4
C 1519 CHIP TA.CAP. 4.7uF 10V TEMSVA1A475M-8R K78100022 1- Be4
C 1520 AL.ELECTRO.CAP. 100uF 16V ECEV1CA101WP K48120012 1- AB4
C 1521 AL.ELECTRO.CAP. 470uF 16V RE3-16V471M 470UF K40129066 1- AA4
C 1522 CHIP CAP. 100pF 50V CH GRM39CH101J50PT K22174235 1- AB1
C 1523 CHIP TA.CAP. 1uF 16V TESVA1C105M1-8R K78120009 1Bf4
C 1523 CHIP TA.CAP. 10uF 10V TEMSVA1A106M-8R K78100028 2- Bf4
C 1524 CHIP CAP. 0.1uF 16V BGRM39B104K16PT K22124805 1- Bg4
C 1525 CHIP CAP. 120pF 50V CH GRM39CH121J50PT K22174237 1- AC4
C 1526 CHIP CAP. 470pF 50V CH GRM39CH471J50PT K22174249 1- AC4

25
RF Unit
Parts List
REF DESCRIPTION VALUE V/W TOL. MFR'S DESIG VXSTD P/N VERS.
LOT
SIDE
LAY ADR
C 1527 CHIP CAP. 0.1uF 16V BGRM39B104K16PT K22124805 1- AB4
C 1528 CHIP CAP. 0.1uF 16V BGRM39B104K16PT K22124805 1- Bf5
C 1529 CHIP CAP. 470pF 50V CH GRM39CH471J50PT K22174249 1- AC4
C 1530 CHIP CAP. 470pF 50V CH GRM39CH471J50PT K22174249 1- AC4
C 1531 CHIP CAP. 0.0047uF 50V BGRM39B472K50PT K22174833 1- AC4
C 1532 CHIP CAP. 6pF 50V CH GRM39CH060D50PT K22174207 1- AC4
C 1533 AL.ELECTRO.CAP. 10uF 16V RV2-16V100MB55-R K48120014 1- AC3
C 1534 AL.ELECTRO.CAP. 100uF 16V ECEV1CA101WP K48120012 1- AB3
C 1535 CHIP CAP. 0.1uF 16V BGRM39B104K16PT K22124805 1- AC4
C 1536 CHIP CAP. 470pF 50V CH GRM39CH471J50PT K22174249 1- AC6
C 1537 CHIP TA.CAP. 2.2uF 10V TESVA1A225M1-8R K78100021 1- AA5
C 1538 CHIP CAP. 0.0047uF 50V BGRM39B472K50PT K22174833 1- AB5
C 1539 CHIP CAP. 0.001uF 50V BGRM39B102K50PT K22174821 1- AB5
C 1540 CHIP CAP. 1uF 10V FGRM39F105Z10PT K22105001 1- AB5
C 1541 CHIP CAP. 0.1uF 16V BGRM39B104K16PT K22124805 1- AA3
C 1543 CHIP CAP. 0.1uF 16V BGRM39B104K16PT K22124805 1- Bg1
C 1544 CHIP CAP. 0.1uF 16V BGRM39B104K16PT K22124805 1- AB6
C 1545 CHIP CAP. 0.1uF 16V BGRM39B104K16PT K22124805 1- Bg1
C 1546 CHIP CAP. 0.1uF 16V BGRM39B104K16PT K22124805 1- Bg1
C 1549 CHIP CAP. 0.1uF 16V BGRM39B104K16PT K22124805 1- Bf6
C 1550 CHIP CAP. 470pF 50V CH GRM39CH471J50PT K22174249 1- Be6
C 1551 CHIP CAP. 100pF 50V CH GRM39CH101J50PT K22174235 1- AB1
C 1552 CHIP CAP. 100pF 50V CH GRM39CH101J50PT K22174235 1- Bf1
CD1001 CERAMIC DISC CDBC450CX24-TC H7901340 1- AG5
CF1001 CERAMIC FILTER CFWM450G H3900435 1- AG6
CF1002 CERAMIC FILTER CFWM450E H3900466 1- AG5
D 1001 DIODE RLS135 TE-11 G2070128 1- AG3
D 1002 DIODE BAS316 G2070716 1- AG3
D 1003 DIODE DSA3A1 G2090445 1- AB1
D 1004 SURGE ABSORBER P6KA18 Q9000721 1- AC2
D 1005 DIODE UM9957F/TR G2070562 1- Ba2
D 1006 DIODE BAS316 G2070716 1- Bd3
D 1007 DIODE UM9957F/TR G2070562 1- Bb2
D 1008 DIODE HVU306A5TRF G2070132 1- AG4
D 1009 DIODE BAS316 G2070716 1- AE2
D 1010 DIODE HVU306A5TRF G2070132 1- AG4
D 1011 DIODE HSM88AS TR G2070170 1- Bb2
D 1012 DIODE HSM88AS TR G2070170 1- Bc2
D 1013 DIODE HVU306A5TRF G2070132 1- AD5
D 1014 DIODE HVU306A5TRF G2070132 1- AD5
D 1015 DIODE HVU306A5TRF G2070132 1- AD5
D 1016 DIODE HVU306A5TRF G2070132 1- AD5
D 1017 DIODE 1SV214 TPH G2070356 1- AD5
D 1018 DIODE HVU306A5TRF G2070132 1- AF4
D 1019 DIODE HVU306A5TRF G2070132 1- AF4
D 1021 DIODE BAS316 G2070716 1- AE5
D 1022 DIODE 1SS321 TE85R G2070076 1- Bd4
D 1024 DIODE MC2848-T11-1 G2070694 1- Ba5
D 1025 DIODE HZM5.6NB2 TR G2070722 1- Be2
D 1026 DIODE MC2848-T11-1 G2070694 1- Bb5
D 1027 DIODE BAS316 G2070716 1- Be3
D 1028 DIODE HZU5ALL-TR G2070754 1- AE5
D 1031 DIODE UM9957F/TR G2070562 1- Ba2
D 1032 DIODE HVU306A5TRF G2070132 1- AD5
D 1033 DIODE HVU306A5TRF G2070132 1- AD5
D 1501 DIODE MC2850-T11-1 G2070704 1- AB1
D 1502 DIODE MC2850-T11-1 G2070704 1- AB1
D 1503 DIODE MC2850-T11-1 G2070704 1- AB1
D 1504 DIODE BAS316 G2070716 1- AB3
D 1505 DIODE D1F20-4063 G2070474 1- Bg1
D 1506 DIODE MC2850-T11-1 G2070704 1- AB4
D 1507 DIODE MC2850-T11-1 G2070704 1- AB5
F 1501 CHIP FUSE 0.25A KAB-2402-251NA31 Q0000085 1- AA1
J 1501 CONNECTOR IL-FPR-36S-VF-E1500 P1091126 1- AB6
J 1502 CONNECTOR AE0031-00 P1090998 1- Bg1
J 1503 CONNECTOR 53398-0290 P0091191 1- AB4
J 1504 CONNECTOR 53398-0390 P0091192 1- AA4
L 1001 COIL 0.033uH AS1005-33NK L0022546 1- AG1
L 1002 COIL E2 0.35-1.6-8T-L L0022458 1- AG3
L 1003 COIL 0.033uH AS1005-33NK L0022546 1- AG2
L 1004 COIL 0.033uH AS1005-33NK L0022546 1- AG2
L 1005 COIL 0.047uH AS0805-47NK L0022539 1- AG2
L 1006 COIL E2 0.25-1.9-5.5T-R L0022610 1- AH3
L 1007 COIL 0.11uH AS0810-B0NK L0022542 1- AF3
L 1008 COIL E2 0.25-1.9-5.5T-R L0022610 1- AG4
L 1009 COIL E2 0.25-1.9-8T-L L0022550 1- AG3

26
REF DESCRIPTION VALUE V/W TOL. MFR'S DESIG VXSTD P/N VERS.
LOT
SIDE
LAY ADR
RF Unit
Parts List
L 1010 M.RFC 0.47uH 5% C2012C-R47J L1691016 1- AD6
L 1011 M.RFC 0.47uH 5% C2012C-R47J L1691016 1- AD5
L 1012 M.RFC 10uH LK1608 100K-T L1690689 1- AD5
L 1013 COIL 0.033uH AS1005-33NK L0022546 1- AF3
L 1014 COIL E2 0.25-1.9-8T-L L0022550 1- AG3
L 1016 COIL E2 0.3-1.7-7T-R L0022372 1- AD5
L 1017 COIL E2 0.35-1.6-7T-L L0022390 1- AD5
L 1018 M.RFC 0.1uH HK1608 R10J-T L1690528 1- AF3
L 1019 COIL E2 0.25-1.9-8.5T-L L0022611 1- Be2
L 1021 M.RFC 0.056uH HK1608 56NJ-T L1690525 1- AD4
L 1022 COIL E2 0.25-1.9-8T-L L0022550 1- AF3
L 1023 M.RFC 0.068uH HK1608 68NJ-T L1690526 1- Bd3
L 1024 COIL E2 0.25-1.9-8.5T-L L0022611 1- Be3
L 1025 M.RFC 0.056uH HK1608 56NJ-T L1690525 1- Bc5
L 1026 COIL E2 0.25-1.9-8T-L L0022550 1- AF3
L 1027 COIL E2 0.25-1.9-5.5T-R L0022610 1- AF3
L 1028 M.RFC 0.082uH HK1608 82NJ-T L1690527 1- Be3
L 1029 M.RFC 0.22uH HK1608 R22J-T L1690940 1- Bd4
L 1030 M.RFC 0.082uH HK1608 82NJ-T L1690527 1- Bc4
L 1031 M.RFC 0.082uH HK1608 82NJ-T L1690527 1- Bc4
L 1032 COIL E2 0.25-1.9-5.5T-R L0022610 1- AE3
L 1033 CHIP COIL 0.82uH C2520C-R82J L1690555 1- AG4
L 1035 M.RFC 0.82uH LK1608 R82K-T L1690417 1- AF4
L 1036 M.RFC 0.22uH HK1608 R22J-T L1690940 1- Bd4
L 1037 M.RFC 0.33uH LK1608 R33K-T L1690412 1- Ba5
L 1038 M.RFC 0.82uH LK1608 R82K-T L1690417 1- Ba5
L 1039 M.RFC 0.082uH HK1608 82NJ-T L1690527 1- Bc5
L 1040 M.RFC 4.7uH LK2125 4R7K-T L1690327 1- Bb4
L 1041 M.RFC 0.47uH 5% C2012C-R47J L1691016 1- AD5
L 1042 M.RFC 0.47uH 5% C2012C-R47J L1691016 1- AD5
L 1043 M.RFC 4.7uH LK2125 4R7K-T L1690327 1- Ba5
L 1044 M.RFC 0.047uH HK1608 47NJ-T L1690524 1- AE4
Q 1001 TRANSISTOR 2SC4154-T11-1E G3341548E 1- Bb5
Q 1002 TRANSISTOR RT1N241M-T11-1 G3070249 1- Bc2
Q 1003 IC NJM2902V-TE1 G1091679 1- Bc3
Q 1004 IC MM1216ENRE G1092432 1- Bf3
Q 1005 TRANSISTOR 2SB1201S-TL G3070195 1- Bf2
Q 1006 TRANSISTOR RT1N241M-T11-1 G3070249 1- Bd3
Q 1007 TRANSISTOR 2SC4154-T11-1E G3341548E 1- Be4
Q 1008 TRANSISTOR DTB123EK T146 G3070022 1- Bf3
Q 1009 TRANSISTOR 2SB1132 T100 R G3211327R 1- Bf2
Q 1010 TRANSISTOR IMH6A T108 G3070066 1- Bf3
Q 1011 TRANSISTOR 2SC3356-T2B R25 G3333567E 1- AF3
Q 1012 TRANSISTOR RT1N241M-T11-1 G3070249 1- Be6
Q 1013 FET 2SK520-T2B K41 G3805207A 1- AD5
Q 1014 TRANSISTOR RT1N241M-T11-1 G3070249 1- AE3
Q 1015 TRANSISTOR 2SC5107-O(TE85R) G3351077O 1- AD5
Q 1016 TRANSISTOR RT1N241M-T11-1 G3070249 1- AD5
Q 1017 TRANSISTOR IMH6A T108 G3070066 1- AD5
Q 1018 TRANSISTOR 2SC5107-O(TE85R) G3351077O 1- AD5
Q 1019 IC M5223AGP 600C G1093020 1- AC6
Q 1020 TRANSISTOR 2SC5107-O(TE85R) G3351077O 1- Bc5
Q 1021 TRANSISTOR 2SC5107-O(TE85R) G3351077O 1- Bd4
Q 1022 TRANSISTOR RT1N241M-T11-1 G3070249 1- Bc3
Q 1023 IC MB15A02PFV1-G-BND-EF G1092541 1- AE5
Q 1024 IC NJM78L05UA TE1 G1091325 1- Bc5
Q 1025 TRANSISTOR 2SC5415E-TD G3354158E 1- Be3
Q 1026 TRANSISTOR 2SC5107-O(TE85R) G3351077O 1- Be3
Q 1028 IC TA31136FN(EL) G1091605 1- Ba5
Q 1029 TRANSISTOR 2SC4215Y TE85R G3342157Y 1- Ba5
Q 1030 TRANSISTOR RT1N241M-T11-1 G3070249 1- Bb6
Q 1031 TRANSISTOR 2SA1602A-T11-1F G3116028F 1- AG5
Q 1032 TRANSISTOR RT1N241M-T11-1 G3070249 1- Bc3
Q 1033 TRANSISTOR RT1N241M-T11-1 G3070249 1- Bd2
Q 1034 TRANSISTOR 2SC4154-T11-1E G3341548E 1- AE6
Q 1035 TRANSISTOR 2SA1162GR TE85R G3111627G 1- AE6
Q 1036 TRANSISTOR 2SC2712GR TE85R G3327127G 1- AE6
Q 1037 TRANSISTOR 2SC3356-T2B R24 G3333567D 1- AG4
Q 1038 IC SPM5001 G1093686 1- AF4
Q 1039 IC RA60H1317M G1093737 1- AC1
Q 1501 TRANSISTOR 2SC4154-T11-1E G3341548E 1- AA1
Q 1502 TRANSISTOR RT1N241M-T11-1 G3070249 1- AA2
Q 1503 IC NJM2902V-TE1 G1091679 1- AC4
Q 1504 TRANSISTOR 2SD1368CB TL G3413688B 1- Bg1
Q 1505 TRANSISTOR 2SA1602A-T11-1F G3116028F 1- Bg1
Q 1506 TRANSISTOR RT1N241M-T11-1 G3070249 1- Bg1

27
RF Unit
Parts List
REF DESCRIPTION VALUE V/W TOL. MFR'S DESIG VXSTD P/N VERS.
LOT
SIDE
LAY ADR
Q 1507 TRANSISTOR RT1N241M-T11-1 G3070249 1- Bg1
Q 1508 TRANSISTOR PDTC114TE G3070238 1- AB3
Q 1509 IC TDA2003H G1090815 1- AA5
Q 1510 TRANSISTOR PDTC114TE G3070238 1- Bf4
Q 1511 TRANSISTOR 2SB1301-T2 ZQ G3213017Q 1- Bf4
Q 1512 TRANSISTOR RT1N241M-T11-1 G3070249 1- Bf5
Q 1515 FET 2SJ125D-T12-1D G3701257D 1- AB5
Q 1516 TRANSISTOR RT1N241M-T11-1 G3070249 1- AA3
Q 1517 TRANSISTOR RT1N241M-T11-1 G3070249 1- AA3
Q 1518 TRANSISTOR RT1N241M-T11-1 G3070249 1- AB5
Q 1519 TRANSISTOR 2SC4154-T11-1E G3341548E 1- Bf6
R 1001 CHIP RES. 47k 1/16W 5% RMC1/16 473JATP J24185473 1- AG1
R 1002 CHIP RES. 10k 1/16W 5% RMC1/16 103JATP J24185103 1- Bg3
R 1004 CHIP RES. 10k 1/16W 5% RMC1/16 103JATP J24185103 1- Bd3
R 1005 CHIP RES. 2.7k 1/16W 5% RMC1/16 272JATP J24185272 1- Bd2
R 1006 CHIP RES. 1k 1/16W 5% RMC1/16 102JATP J24185102 1- Bd2
R 1007 CHIP RES. 100k 1/16W 5% RMC1/16 104JATP J24185104 1- Bc2
R 1008 CHIP RES. 100k 1/16W 5% RMC1/16 104JATP J24185104 1- Bc2
R 1009 CHIP RES. 01/16W 5% RMC1/16 000JATP J24185000 1- AE2
R 1010 CHIP RES. 2.2k 1/16W 5% RMC1/16 222JATP J24185222 1- Bc3
R 1011 CHIP RES. 100k 1/16W 5% RMC1/16 104JATP J24185104 1- Bf2
R 1012 CHIP RES. 2.2k 1/16W 5% RMC1/16 222JATP J24185222 1- AE3
R 1013 CHIP RES. 4.7k 1/16W 5% RMC1/16 472JATP J24185472 1- Bb3
R 1014 CHIP RES. 4.7k 1/16W 5% RMC1/16 472JATP J24185472 1- Bb2
R 1015 METAL FILM RES. 82 1W 5% ERG-1SJ820P 82 J22309029 1- AE3
R 1016 CHIP RES. 10k 1/16W 5% RMC1/16 103JATP J24185103 1- AE6
R 1017 CHIP RES. 220k 1/16W 5% RMC1/16 224JATP J24185224 1- Bc3
R 1018 CHIP RES. 150k 1/16W 5% RMC1/16 154JATP J24185154 1- Bc3
R 1019 CHIP RES. 100k 1/16W 5% RMC1/16 104JATP J24185104 1- Bc2
R 1020 CHIP RES. 1k 1/16W 5% RMC1/16 102JATP J24185102 1- Be4
R 1021 CHIP RES. 2.2k 1/16W 5% RMC1/16 222JATP J24185222 1- Bf3
R 1022 CHIP RES. 01/16W 5% RMC1/16 000JATP J24185000 1- Bb5
R 1023 CHIP RES. 100k 1/16W 5% RMC1/16 104JATP J24185104 1- AG4
R 1024 CHIP RES. 100 1/10W 5% RMC1/10T 101J J24205101 1- Bc2
R 1025 CHIP RES. 4.7k 1/16W 5% RMC1/16 472JATP J24185472 1- Bc2
R 1026 CHIP RES. 4.7k 1/16W 5% RMC1/16 472JATP J24185472 1- Bc2
R 1027 CHIP RES. 100 1/10W 5% RMC1/10T 101J J24205101 1- Bb3
R 1028 CHIP RES. 18 1/16W 5% RMC1/16 180JATP J24185180 1- AD5
R 1029 CHIP RES. 100 1/16W 5% RMC1/16 101JATP J24185101 1- Bd5
R 1030 CHIP RES. 15k 1/16W 5% RMC1/16 153JATP J24185153 1- Bc3
R 1031 CHIP RES. 330k 1/16W 5% RMC1/16 334JATP J24185334 1- Be5
R 1032 CHIP RES. 22k 1/16W 5% RMC1/16 223JATP J24185223 1- AC6
R 1033 CHIP RES. 10k 1/16W 5% RMC1/16 103JATP J24185103 1- AF5
R 1034 CHIP RES. 3.9k 1/16W 5% RMC1/16 392JATP J24185392 1- Be6
R 1035 CHIP RES. 2.2k 1/16W 5% RMC1/16 222JATP J24185222 1- Be6
R 1036 CHIP RES. 100k 1/16W 5% RMC1/16 104JATP J24185104 1- Be6
R 1037 CHIP RES. 330k 1/16W 5% RMC1/16 334JATP J24185334 1- Be6
R 1038 CHIP RES. 100k 1/16W 5% RMC1/16 104JATP J24185104 1- Ba4
R 1039 CHIP RES. 47 1/16W 5% RMC1/16 470JATP J24185470 1- Bb4
R 1040 CHIP RES. 100k 1/16W 5% RMC1/16 104JATP J24185104 1- AG4
R 1041 CHIP RES. 2.7 1/10W 5% RMC1/10T 2R7J J24205279 1- Be2
R 1042 CHIP RES. 330k 1/16W 5% RMC1/16 334JATP J24185334 1- Bc3
R 1043 CHIP RES. 100 1/10W 5% RMC1/10T 101J J24205101 1- Be2
R 1044 CHIP RES. 10k 1/16W 5% RMC1/16 103JATP J24185103 1- Bd3
R 1045 CHIP RES. 180 1/16W 5% RMC1/16 181JATP J24185181 1- AD5
R 1046 CHIP RES. 47k 1/16W 5% RMC1/16 473JATP J24185473 1- Be6
R 1047 CHIP RES. 4.7k 1/16W 5% RMC1/16 472JATP J24185472 1- AD5
R 1048 CHIP RES. 100k 1/16W 5% RMC1/16 104JATP J24185104 1- AD5
R 1049 CHIP RES. 10k 1/16W 5% RMC1/16 103JATP J24185103 1- AD5
R 1050 CHIP RES. 2.2k 1/16W 5% RMC1/16 222JATP J24185222 1- Bd6
R 1051 CHIP RES. 01/16W 5% RMC1/16 000JATP J24185000 1- Bc6
R 1052 CHIP RES. 3.3k 1/16W 5% RMC1/16 332JATP J24185332 1- AG3
R 1053 CHIP RES. 2.7k 1/16W 5% RMC1/16 272JATP J24185272 1- AG3
R 1054 CHIP RES. 220 1/16W 5% RMC1/16 221JATP J24185221 1- AF3
R 1055 CHIP RES. 150 1/16W 5% RMC1/16 151JATP J24185151 1- AF3
R 1056 CHIP RES. 100 1/10W 5% RMC1/10T 101J J24205101 1- Be2
R 1057 CHIP RES. 3.9k 1/16W 5% RMC1/16 392JATP J24185392 1- Bc3
R 1058 CHIP RES. 100 1/16W 5% RMC1/16 101JATP J24185101 1- AE6
R 1059 CHIP RES. 4.7k 1/16W 5% RMC1/16 472JATP J24185472 1- Be5
R 1060 CHIP RES. 100 1/16W 5% RMC1/16 101JATP J24185101 1- AD4
R 1061 CHIP RES. 4.7k 1/16W 5% RMC1/16 472JATP J24185472 1- AD5
R 1062 CHIP RES. 1.2k 1/16W 5% RMC1/16 122JATP J24185122 1- AC6
R 1063 CHIP RES. 330 1/16W 5% RMC1/16 331JATP J24185331 1- Be5
R 1064 CHIP RES. 4.7k 1/16W 5% RMC1/16 472JATP J24185472 1- AD5
R 1065 CHIP RES. 220 1/16W 5% RMC1/16 221JATP J24185221 1- AE5
R 1066 CHIP RES. 1k 1/16W 5% RMC1/16 102JATP J24185102 1- AD5

28
REF DESCRIPTION VALUE V/W TOL. MFR'S DESIG VXSTD P/N VERS.
LOT
SIDE
LAY ADR
RF Unit
Parts List
R 1067 CHIP RES. 4.7k 1/16W 5% RMC1/16 472JATP J24185472 1- AD5
R 1068 CHIP RES. 1.2k 1/16W 5% RMC1/16 122JATP J24185122 1- Bc6
R 1069 CHIP RES. 10k 1/16W 5% RMC1/16 103JATP J24185103 1- AE5
R 1070 CHIP RES. 330 1/16W 5% RMC1/16 331JATP J24185331 1- Bc6
R 1071 CHIP RES. 33k 1/16W 5% RMC1/16 333JATP J24185333 1- AC6
R 1072 CHIP RES. 100k 1/16W 5% RMC1/16 104JATP J24185104 1- Bb4
R 1073 CHIP RES. 100k 1/16W 5% RMC1/16 104JATP J24185104 1- AF4
R 1074 CHIP RES. 100k 1/16W 5% RMC1/16 104JATP J24185104 1- AF3
R 1075 CHIP RES. 2.7k 1/16W 5% RMC1/16 272JATP J24185272 1- Ba5
R 1076 CHIP RES. 820 1/16W 5% RMC1/16 821JATP J24185821 1- Be3
R 1077 CHIP RES. 47 1/10W 5% RMC1/10T 470J J24205470 1- Be3
R 1078 CHIP RES. 47 1/16W 5% RMC1/16 470JATP J24185470 1- Bd4
R 1079 CHIP RES. 82k 1/16W 5% RMC1/16 823JATP J24185823 1- Bd4
R 1080 CHIP RES. 120 1/16W 5% RMC1/16 121JATP J24185121 1- Bd4
R 1081 CHIP RES. 10k 1/16W 5% RMC1/16 103JATP J24185103 1- AE5
R 1082 CHIP RES. 100 1/16W 5% RMC1/16 101JATP J24185101 1- Bc5
R 1083 CHIP RES. 5.6k 1/16W 5% RMC1/16 562JATP J24185562 1- AE5
R 1084 CHIP RES. 56 1/16W 5% RMC1/16 560JATP J24185560 1- Be3
R 1085 CHIP RES. 220k 1/16W 5% RMC1/16 224JATP J24185224 1- AC6
R 1086 CHIP RES. 100 1/16W 5% RMC1/16 101JATP J24185101 1- Bd4
R 1087 CHIP RES. 1k 1/16W 5% RMC1/16 102JATP J24185102 1- Bd4
R 1088 CHIP RES. 1k 1/16W 5% RMC1/16 102JATP J24185102 1- Bd3
R 1089 CHIP RES. 4.7k 1/16W 5% RMC1/16 472JATP J24185472 1- AG4
R 1090 CHIP RES. 2.2k 1/16W 5% RMC1/16 222JATP J24185222 1- AG4
R 1091 CHIP RES. 1k 1/16W 5% RMC1/16 102JATP J24185102 1- AE5
R 1092 CHIP RES. 1k 1/16W 5% RMC1/16 102JATP J24185102 1- AE5
R 1093 CHIP RES. 1k 1/16W 5% RMC1/16 102JATP J24185102 1- AE5
R 1094 CHIP RES. 22 1/16W 5% RMC1/16 220JATP J24185220 1- Bc5
R 1095 CHIP RES. 01/16W 5% RMC1/16 000JATP J24185000 1- Bc4
R 1096 CHIP RES. 470k 1/16W 5% RMC1/16 474JATP J24185474 1- AC6
R 1097 CHIP RES. 4.7k 1/16W 5% RMC1/16 472JATP J24185472 1- AE3
R 1098 CHIP RES. 1k 1/16W 5% RMC1/16 102JATP J24185102 1- Bd3
R 1099 CHIP RES. 12k 1/16W 5% RMC1/16 123JATP J24185123 1- Ba5
R 1100 CHIP RES. 2.2k 1/16W 5% RMC1/16 222JATP J24185222 1- Ba5
R 1101 CHIP RES. 12k 1/16W 5% RMC1/16 123JATP J24185123 1- Ba5
R 1102 CHIP RES. 12k 1/16W 5% RMC1/16 123JATP J24185123 1- Ba6
R 1103 CHIP RES. 680k 1/16W 5% RMC1/16 684JATP J24185684 1- Bb5
R 1107 CHIP RES. 33 1/16W 5% RMC1/16 330JATP J24185330 1- Bc4
R 1108 CHIP RES. 01/16W 5% RMC1/16 000JATP J24185000 1- Bc4
R 1110 CHIP RES. 10 1/16W 5% RMC1/16 100JATP J24185100 1- Bb4
R 1113 CHIP RES. 220k 1/16W 5% RMC1/16 224JATP J24185224 1- AC6
R 1114 CHIP RES. 1.2k 1/16W 5% RMC1/16 122JATP J24185122 1- AC6
R 1115 CHIP RES. 56 1/16W 5% RMC1/16 560JATP J24185560 1- Bc4
R 1117 CHIP RES. 2.2k 1/16W 5% RMC1/16 222JATP J24185222 1- AG5
R 1119 CHIP RES. 12k 1/16W 5% RMC1/16 123JATP J24185123 1- Ba5
R 1120 CHIP RES. 12k 1/16W 5% RMC1/16 123JATP J24185123 1- Ba6
R 1121 CHIP RES. 12k 1/16W 5% RMC1/16 123JATP J24185123 1- Bb5
R 1122 CHIP RES. 01/16W 5% RMC1/16 000JATP J24185000 1- AE3
R 1123 CHIP RES. 2.2k 1/16W 5% RMC1/16 222JATP J24185222 1- Ba6
R 1124 CHIP RES. 220k 1/16W 5% RMC1/16 224JATP J24185224 1- AF6
R 1128 CHIP RES. 1k 1/16W 5% RMC1/16 102JATP J24185102 1- AF5
R 1129 CHIP RES. 8.2k 1/16W 5% RMC1/16 822JATP J24185822 1- AF6
R 1130 CHIP RES. 47k 1/16W 5% RMC1/16 473JATP J24185473 1- Bb6
R 1131 CHIP RES. 47k 1/16W 5% RMC1/16 473JATP J24185473 1- Bc6
R 1132 CHIP RES. 8.2k 1/16W 5% RMC1/16 822JATP J24185822 1- AE5
R 1133 CHIP RES. 390 1/16W 5% RMC1/16 391JATP J24185391 1- Ba4
R 1134 CHIP RES. 10k 1/16W 5% RMC1/16 103JATP J24185103 1- AG5
R 1135 CHIP RES. 01/16W 5% RMC1/16 000JATP J24185000 1- AG5
R 1136 CHIP RES. 2.2k 1/16W 5% RMC1/16 222JATP J24185222 1- AG5
R 1137 CHIP RES. 1k 1/16W 5% RMC1/16 102JATP J24185102 1- AE6
R 1138 CHIP RES. 4.7k 1/16W 5% RMC1/16 472JATP J24185472 1- AG5
R 1139 CHIP RES. 220k 1/16W 5% RMC1/16 224JATP J24185224 1- Ba5
R 1140 CHIP RES. 220 1/16W 5% RMC1/16 221JATP J24185221 1- Ba5
R 1141 CHIP RES. 01/16W 5% RMC1/16 000JATP J24185000 1- AE3
R 1142 CHIP RES. 01/16W 5% RMC1/16 000JATP J24185000 1- Bd3
R 1143 CHIP RES. 100 1/16W 5% RMC1/16 101JATP J24185101 1- AE6
R 1145 CHIP RES. 100 1/16W 5% RMC1/16 101JATP J24185101 1- Be4
R 1146 CHIP RES. 10k 1/16W 5% RMC1/16 103JATP J24185103 1- Be4
R 1147 CHIP RES. 10k 1/16W 5% RMC1/16 103JATP J24185103 1- Bd3
R 1148 CHIP RES. 220 1/16W 5% RMC1/16 221JATP J24185221 1- Be3
R 1149 CHIP RES. 15 1/16W 5% RMC1/16 150JATP J24185150 1- Bd3
R 1150 CHIP RES. 220 1/16W 5% RMC1/16 221JATP J24185221 1- Bd3
R 1151 CHIP RES. 220 1/16W 5% RMC1/16 221JATP J24185221 1- Bd3
R 1152 CHIP RES. 680 1/16W 5% RMC1/16 681JATP J24185681 1- Be3
R 1153 CHIP RES. 2.2k 1/16W 5% RMC1/16 222JATP J24185222 1- Be3
R 1154 CHIP RES. 47 1/16W 5% RMC1/16 470JATP J24185470 1- Be3

29
RF Unit
Parts List
REF DESCRIPTION VALUE V/W TOL. MFR'S DESIG VXSTD P/N VERS.
LOT
SIDE
LAY ADR
R 1155 CHIP RES. 39 1/10W 5% RMC1/10T 390J J24205390 1- Be3
R 1156 CHIP RES. 220 1/16W 5% RMC1/16 221JATP J24185221 1- Bc5
R 1157 CHIP RES. 180k 1/16W 5% RMC1/16 184JATP J24185184 1- Bc5
R 1158 CHIP RES. 220 1/16W 5% RMC1/16 221JATP J24185221 1- Bc5
R 1159 CHIP RES. 680 1/16W 5% RMC1/16 681JATP J24185681 1- Bb5
R 1161 CHIP RES. 120 1/16W 5% RMC1/16 121JATP J24185121 1- AG4
R 1162 CHIP RES. 15 1/16W 5% RMC1/16 150JATP J24185150 1- Bb4
R 1163 CHIP RES. 470 1/16W 5% RMC1/16 471JATP J24185471 1- AF4
R 1164 CHIP RES. 560 1/16W 5% RMC1/16 561JATP J24185561 1- AG4
R 1166 CHIP RES. 8.2k 1/16W 5% RMC1/16 822JATP J24185822 1- AE3
R 1167 CHIP RES. 1k 1/16W 5% RMC1/16 102JATP J24185102 1- Ba5
R 1168 CHIP RES. 01/16W 5% RMC1/16 000JATP J24185000 1- AD3
R 1170 CHIP RES. 10k 1/16W 5% RMC1/16 103JATP J24185103 1- Bd3
R 1171 CHIP RES. 10k 1/16W 5% RMC1/16 103JATP J24185103 1- Bc3
R 1172 CHIP RES. 100k 1/16W 5% RMC1/16 104JATP J24185104 1- Bc3
R 1173 CHIP RES. 680 1/16W 5% RMC1/16 681JATP J24185681 1- Bc5
R 1175 CHIP RES. 68k 1/16W 5% RMC1/16 683JATP J24185683 1- Bc3
R 1176 CHIP RES. 01/16W 5% RMC1/16 000JATP J24185000 1- AD6
R 1178 CHIP RES. 1k 1/16W 5% RMC1/16 102JATP J24185102 1- AD6
R 1179 CHIP RES. 47 1/10W 5% RMC1/10T 470J J24205470 1- Be3
R 1180 CHIP RES. 1k 1/16W 5% RMC1/16 102JATP J24185102 1- AG3
R 1182 CHIP RES. 39 1/10W 5% RMC1/10T 390J J24205390 1- Be3
R 1184 CHIP RES. 01/16W 5% RMC1/16 000JATP J24185000 1- Bb6
R 1187 CHIP RES. 10k 1/16W 5% RMC1/16 103JATP J24185103 1- Bb4
R 1188 CHIP RES. 01/16W 5% RMC1/16 000JATP J24185000 1- Bb5
R 1189 CHIP RES. 1k 1/16W 5% RMC1/16 102JATP J24185102 1- AD4
R 1190 CHIP RES. 150 1/16W 5% RMC1/16 151JATP J24185151 1- AF3
R 1191 CHIP RES. 4.7k 1/16W 5% RMC1/16 472JATP J24185472 1- AF4
R 1501 CHIP RES. 330 1/16W 5% RMC1/16 331JATP J24185331 1- AB1
R 1502 CHIP RES. 330 1/16W 5% RMC1/16 331JATP J24185331 1- AB1
R 1503 CHIP RES. 4.7k 1/16W 5% RMC1/16 472JATP J24185472 1- Bg1
R 1504 CHIP RES. 4.7k 1/16W 5% RMC1/16 472JATP J24185472 1- AB1
R 1505 CHIP RES. 330 1/16W 5% RMC1/16 331JATP J24185331 1- AB1
R 1506 CHIP RES. 2.2k 1/16W 5% RMC1/16 222JATP J24185222 1- AB1
R 1507 CHIP RES. 1.2k 1/16W 5% RMC1/16 122JATP J24185122 1- AA1
R 1508 CHIP RES. 4.7k 1/16W 5% RMC1/16 472JATP J24185472 1- Bg1
R 1509 CHIP RES. 100k 1/16W 5% RMC1/16 104JATP J24185104 1- Bg1
R 1510 CHIP RES. 47k 1/16W 5% RMC1/16 473JATP J24185473 1- Bg1
R 1511 CHIP RES. 560 1/16W 5% RMC1/16 561JATP J24185561 1- AC4
R 1512 CHIP RES. 4.7k 1/16W 5% RMC1/16 472JATP J24185472 1- Bg1
R 1513 CHIP RES. 2.2k 1/16W 5% RMC1/16 222JATP J24185222 1- AC4
R 1514 CHIP RES. 150k 1/16W 5% RMC1/16 154JATP J24185154 1- AC4
R 1515 CHIP RES. 82k 1/16W 5% RMC1/16 823JATP J24185823 1- AC4
R 1516 CHIP RES. 100k 1/16W 5% RMC1/16 104JATP J24185104 1- AA5
R 1517 CHIP RES. 1.5k 1/16W 5% RMC1/16 152JATP J24185152 1- AB5
R 1518 CHIP RES. 220k 1/16W 5% RMC1/16 224JATP J24185224 1- AC5
R 1519 CHIP RES. 1M 1/16W 5% RMC1/16 105JATP J24185105 1- AC5
R 1520 CHIP RES. 100k 1/16W 5% RMC1/16 104JATP J24185104 1- AB5
R 1521 CHIP RES. 12 1/16W 5% RMC1/16 120JATP J24185120 1- AB4
R 1522 CHIP RES. 47k 1/16W 5% RMC1/16 473JATP J24185473 1- AB4
R 1523 CHIP RES. 47k 1/16W 5% RMC1/16 473JATP J24185473 1- AB4
R 1524 CHIP RES. 2.2k 1/16W 5% RMC1/16 222JATP J24185222 1- AC4
R 1525 CHIP RES. 470 1/10W 5% RMC1/10T 471J J24205471 1- AA4
R 1526 CHIP RES. 12 1/16W 5% RMC1/16 120JATP J24185120 1- AB4
R 1527 CHIP RES. 47 1/16W 5% RMC1/16 470JATP J24185470 1- Bf4
R 1528 CHIP RES. 15k 1/16W 5% RMC1/16 153JATP J24185153 1- Bf4
R 1529 CHIP RES. 12k 1/16W 5% RMC1/16 123JATP J24185123 1- Bf4
R 1530 CHIP RES. 270k 1/16W 5% RMC1/16 274JATP J24185274 1- AC4
R 1531 CHIP RES. 11/10W 5% RMC1/10T 1R0J J24205010 1- Bg4
R 1532 CHIP RES. 4.7 1W 5% RMC1 4R7JTE J24305479 1- Bg4
R 1533 CHIP RES. 4.7 1W 5% RMC1 4R7JTE J24305479 1- Bg4
R 1534 CHIP RES. 180 1/16W 5% RMC1/16 181JATP J24185181 1- Bf4
R 1535 CHIP RES. 1k 1/4W 5% RMC1/4 102JATP J24245102 1- Bf4
R 1536 CHIP RES. 01/16W 5% RMC1/16 000JATP J24185000 1- Bf4
R 1537 CHIP RES. 2.2k 1/16W 5% RMC1/16 222JATP J24185222 1- AC4
R 1538 CHIP RES. 4.7k 1/16W 5% RMC1/16 472JATP J24185472 1- Bf5
R 1539 CHIP RES. 150k 1/16W 5% RMC1/16 154JATP J24185154 1- AC4
R 1540 CHIP RES. 4.7k 1/16W 5% RMC1/16 472JATP J24185472 1- Bf5
R 1541 CHIP RES. 180 1/16W 5% RMC1/16 181JATP J24185181 1- AC4
R 1542 CHIP RES. 2.2k 1/16W 5% RMC1/16 222JATP J24185222 1- AC4
R 1543 CHIP RES. 680 1/16W 5% RMC1/16 681JATP J24185681 1- AB3
R 1544 CHIP RES. 220k 1/16W 5% RMC1/16 224JATP J24185224 1- AC4
R 1545 CHIP RES. 18k 1/16W 5% RMC1/16 183JATP J24185183 1- AC3
R 1546 CHIP RES. 1.8M 1/16W 5% RMC1/16 185JATP J24185185 1- AC4
R 1548 CHIP RES. 47k 1/16W 5% RMC1/16 473JATP J24185473 1- AC4
R 1549 CHIP RES. 100k 1/16W 5% RMC1/16 104JATP J24185104 1- AC4

30
REF DESCRIPTION VALUE V/W TOL. MFR'S DESIG VXSTD P/N VERS.
LOT
SIDE
LAY ADR
RF Unit
Parts List
R 1550 CHIP RES. 33k 1/16W 5% RMC1/16 333JATP J24185333 1- AC4
R 1551 CHIP RES. 4.7k 1/16W 5% RMC1/16 472JATP J24185472 1- AB5
R 1553 CHIP RES. 47k 1/16W 5% RMC1/16 473JATP J24185473 1- AB3
R 1554 CHIP RES. 22k 1/16W 5% RMC1/16 223JATP J24185223 1- AB3
R 1556 CHIP RES. 4.7k 1/16W 5% RMC1/16 472JATP J24185472 1- Bg2
R 1557 CHIP RES. 10k 1/16W 5% RMC1/16 103JATP J24185103 1- AB5
R 1558 CHIP RES. 100k 1/16W 5% RMC1/16 104JATP J24185104 1- AB5
R 1559 CHIP RES. 22k 1/16W 5% RMC1/16 223JATP J24185223 1- AB5
R 1560 CHIP RES. 01/16W 5% RMC1/16 000JATP J24185000 1- AA5
R 1561 CHIP RES. 10k 1/16W 5% RMC1/16 103JATP J24185103 1- AB6
R 1563 CHIP RES. 10k 1/16W 5% RMC1/16 103JATP J24185103 1- AA3
R 1564 CHIP RES. 47k 1/16W 5% RMC1/16 473JATP J24185473 1- AB5
R 1565 CHIP RES. 4.7k 1/16W 5% RMC1/16 472JATP J24185472 1- Bg1
R 1566 CHIP RES. 100 1/16W 5% RMC1/16 101JATP J24185101 1- Bf6
R 1567 CHIP RES. 1k 1/16W 5% RMC1/16 102JATP J24185102 1- Bf6
R 1568 CHIP RES. 270 1/16W 5% RMC1/16 271JATP J24185271 1- Bf6
R 1569 CHIP RES. 22k 1/16W 5% RMC1/16 223JATP J24185223 1- Bf6
R 1570 CHIP RES. 47k 1/16W 5% RMC1/16 473JATP J24185473 1- Bf6
R 1571 CHIP RES. 15k 1/16W 5% RMC1/16 153JATP J24185153 1- AB6
R 1573 CHIP RES. 01/16W 5% RMC1/16 000JATP J24185000 2- AB4
T 1001 COIL WIDE-TRANS. 960812088 L0022478 1- AE4
T 1002 COIL WIDE-TRANS. 950812004 L0022479 1- AF4
T 1003 COIL WIDE-TRANS. 960812088 L0022478 1- AF4
TH1001 THERMISTOR TBPS1R104K475H5Q G9090069 1- AG2
TH1002 THERMISTOR TBPS1R473K475H5Q G9090068 1- AG2
TH1003 THERMISTOR TBPS1R103K440H5Q G9090067 1- AE2
VR1001 POT. 4.7k RH03A3AS3X 4.7K J51807472 1- AF6
X 1001 XTAL OSC 14.6MHz TTS05VS-P2 14.6MHZ H9500740 1- AF6
XF1001 XTAL FILTER MFT44P2 44.25MHZ H1102359 1- AG4
SHIELD CASE RA0014300 1-
SHIELD CASE RA0014200 1-
SHIELD CASE RA0414900 1-
LEAF SPRING R0140031 1-

PANEL Unit
31
Circuit Diagram
LIGHT ON: 5.0 V
LIGHT OFF: 0 V
LIGHT ON: 3.9 V
LIGHT OFF: 0 V
BUSY: 2.2 V
TX: 1.8 V
5.0 V
5.0 V
2.7 V
8.2 V
5.0 V
FLASH ROM WRITE: 5.0 V
FLASH ROM WRITE: 5.2 V FLASH ROM WRITE: 5.2 V
HOOK ON: 4.7 V
HOOK OFF: 0.5 V
FLASH ROM WRITE: 5.2 V
FLASH ROM WRITE: 12.0 V
PTT ON: 5.0 V
PTT OFF: 0 V
1.6 V
3.2 V
4.9 V
1.8 V
1.8 V
1.3 V
2.3 V
1.3 V
1.0 V
5.0 V
0.6 V
2.6 V
0.5 V
2.6 V
1.8 V
1.8 V
1.8 V
1.8 V
0.8 V
5.0 V
0.8 V
5.0 V
0.8 V
0.8 V
4.9 V
0.8 V
3.0 V
2.7 V 2.5 V
2.5 V
2.5 V
2.5 V
2.4 V
2.5 V
2.5 V
1.8 V
1.8 V 2.5 V
2.5 V
1.8 V
1.8 V 1.8 V
2.5 V
2.5 V
2.5 V
2.9 V
2.5 V
4.9 V
5.0 V
COMPANDOR OFF: 0 V
COMPANDOR OFN: 5.0 V
2.5 V
2.5 V
0.8 V
3.8 V
1.8 V
1.8 V
1.8 V
1.8 V
1.8 V
1.7 V

PANEL Unit
32
D2035
D2036
Parts Layout (Side A)
LC87F72C8A
(Q2003)
BU4066BF
(Q2024)
S-93C56AMFN
(Q2011)
S-80835CNMC
(Q2003)
2SC4617 (BR)
(Q2004, 2020)
BRPG1211C
(D2004)
DA221 (K)
(D2003, 2033, 2034)
MC2846 (A4)
(D2011)
1
2
A CBEDGFH
1
2
ac
be
dg
fh
AK2345
(Q2016)
M62364FP
(Q2014)
LA8630M
(Q2017)
NJM2902V
(Q2015, 2021, 2022)
NJM78L05
(Q2006)
2SC4617 (BR)
(Q2001, 2002,
2005, 2007)
PDTC144EE (08)
(Q2019)
RT1N241M (N2)
(Q2008, 2010, 2025)
RT1P441U (P3)
(Q2009)
DA221 (K)
(D2001, 2002, 2005,
2009, 2012, 2013)
Parts Layout (Side B)

33
PANEL Unit
Parts List
REF DESCRIPTION VALUE V/W TOL. MFR'S DESIG VXSTD P/N VERS.
LOT
SIDE
LAY ADR
PCB with Component CB1947001
Printed Circuit Board FR007630D 1-
C 2001 CHIP CAP. 0.1uF 10V BJ LMK105BJ104KV-F K22108806 1- AB1
C 2002 CHIP TA.CAP. 10uF 6.3V TEMSVA0J106M-8R K78080027 1- AA1
C 2003 CHIP CAP. 0.001uF 50V BGRM39B102K50PT K22174821 1- Bh1
C 2004 CHIP CAP. 0.01uF 16V BGRM36B103K16PT K22128804 1- AB1
C 2005 CHIP CAP. 15pF 50V CH UMK105CH150JW-F K22178262 1- AC2
C 2006 CHIP CAP. 15pF 50V CH UMK105CH150JW-F K22178262 1- AC2
C 2007 CHIP CAP. 0.01uF 16V BGRM36B103K16PT K22128804 1- AB1
C 2008 CHIP CAP. 0.001uF 50V BGRM39B102K50PT K22174821 1- Bh1
C 2009 CHIP CAP. 0.01uF 16V BGRM36B103K16PT K22128804 1- AB1
C 2010 AL.ELECTRO.CAP. 100uF 16V ECEV1CA101WP K48120012 1- Bg1
C 2011 CHIP CAP. 0.001uF 50V BUMK105B102KW-F K22178829 1- Bf1
C 2012 CHIP CAP. 0.001uF 50V BUMK105B102KW-F K22178829 1- AB1
C 2013 CHIP CAP. 0.1uF 10V BJ LMK105BJ104KV-F K22108806 1- Bh1
C 2014 CHIP CAP. 0.001uF 50V BUMK105B102KW-F K22178829 1- Be1
C 2016 CHIP CAP. 0.01uF 16V BGRM36B103K16PT K22128804 1- Be1
C 2017 CHIP CAP. 0.001uF 50V BUMK105B102KW-F K22178829 1- Bf2
C 2018 CHIP CAP. 1uF 10V FGRM39F105Z10PT K22105001 1- Bg1
C 2019 CHIP CAP. 0.01uF 16V BGRM36B103K16PT K22128804 1- Bh2
C 2020 CHIP CAP. 0.1uF 10V BJ LMK105BJ104KV-F K22108806 1- Be1
C 2021 CHIP CAP. 390pF 50V BUMK105B391KW-F K22178824 1- Bf2
C 2022 CHIP CAP. 0.1uF 10V BJ LMK105BJ104KV-F K22108806 1- Bc1
C 2023 CHIP CAP. 1uF 10V BGRM40B105K10PT K22100802 1- Bg2
C 2024 CHIP CAP. 0.1uF 10V BJ LMK105BJ104KV-F K22108806 1- Bf2
C 2025 CHIP CAP. 0.001uF 50V BUMK105B102KW-F K22178829 1- Bg2
C 2026 CHIP CAP. 0.1uF 10V BJ LMK105BJ104KV-F K22108806 1- Bf2
C 2027 CHIP CAP. 0.0022uF 50V BUMK105B222KW-F K22178833 1- Bf2
C 2028 CHIP CAP. 0.001uF 50V BUMK105B102KW-F K22178829 1- Be1
C 2029 CHIP CAP. 100pF 50V CH UMK105CH101JW-F K22178282 1- AB2
C 2030 CHIP TA.CAP. 10uF 6.3V TEMSVA0J106M-8R K78080027 1- Bd2
C 2031 CHIP CAP. 0.0018uF 50V BUMK105B182KW-F K22178832 1- Bg2
C 2032 CHIP CAP. 0.1uF 10V BJ LMK105BJ104KV-F K22108806 1- AB2
C 2033 CHIP CAP. 0.1uF 10V BJ LMK105BJ104KV-F K22108806 1- Bg2
C 2034 CHIP CAP. 0.01uF 16V BGRM36B103K16PT K22128804 1- Bd2
C 2035 CHIP CAP. 0.1uF 10V BJ LMK105BJ104KV-F K22108806 1- Bg2
C 2036 CHIP CAP. 0.0047uF 25V BTMK105B472KW-F K22148831 1- Bf2
C 2037 CHIP CAP. 22pF 50V CH UMK105CH220JW-F K22178266 1- Bg2
C 2038 CHIP CAP. 0.1uF 10V BJ LMK105BJ104KV-F K22108806 1- Bg2
C 2040 CHIP CAP. 1uF 10V FGRM39F105Z10PT K22105001 1- Bc1
C 2041 CHIP CAP. 10pF 50V CH UMK105CH100DW-F K22178258 1- Bd1
C 2042 CHIP CAP. 0.0018uF 50V BUMK105B182KW-F K22178832 1- AD1
C 2043 CHIP CAP. 560pF 50V BUMK105B561KW-F K22178826 1- Bd1
C 2044 CHIP TA.CAP. 0.33uF 16V TESVSP1C334M-8R K78120029 1- Bd2
C 2045 CHIP CAP. 0.22uF 10V BGRM39B224K10PT K22104801 1- Bd2
C 2046 CHIP CAP. 470pF 50V BUMK105B471KW-F K22178825 1- Bc2
C 2047 CHIP CAP. 15pF 50V CH UMK105CH150JW-F K22178262 1- Bc1
C 2048 CHIP CAP. 0.001uF 50V BUMK105B102KW-F K22178829 1- Bc2
C 2049 CHIP CAP. 47pF 50V CH UMK105CH470JW-F K22178274 1- Bc1
C 2050 CHIP CAP. 0.01uF 16V BGRM36B103K16PT K22128804 1- Bc2
C 2051 CHIP CAP. 1uF 10V BGRM40B105K10PT K22100802 1- Bc2
C 2052 CHIP CAP. 0.1uF 10V BJ LMK105BJ104KV-F K22108806 1- AF1
C 2053 CHIP CAP. 470pF 50V BUMK105B471KW-F K22178825 1- Bf2
C 2054 CHIP CAP. 680pF 50V BUMK105B681KW-F K22178827 1- Bc1
C 2055 CHIP CAP. 0.01uF 16V BGRM36B103K16PT K22128804 1- Bc2
C 2056 CHIP CAP. 0.1uF 10V BJ LMK105BJ104KV-F K22108806 1- AE2
C 2057 CHIP CAP. 0.22uF 10V BGRM39B224K10PT K22104801 1- Be2
C 2058 CHIP TA.CAP. 1uF 6.3V TMCP0J105MTR K78080071 1- Bc1
C 2059 CHIP TA.CAP. 1uF 6.3V TMCP0J105MTR K78080071 1- Bc1
C 2060 CHIP CAP. 33pF 50V CH GRM36CH330J50PT K22178224 1- Bd1
C 2061 CHIP CAP. 0.1uF 10V BJ LMK105BJ104KV-F K22108806 1- Be2
C 2062 CHIP CAP. 470pF 50V BUMK105B471KW-F K22178825 1- Bc2
C 2063 CHIP CAP. 0.22uF 10V BGRM39B224K10PT K22104801 1- Bd2
C 2064 CHIP TA.CAP. 2.2uF 6.3V TESVSP0J225M-8R K78080051 1- Bd2
C 2065 CHIP TA.CAP. 2.2uF 6.3V TESVSP0J225M-8R K78080051 1- Bd2
C 2066 CHIP CAP. 0.001uF 50V BUMK105B102KW-F K22178829 1- Bd1
C 2067 CHIP TA.CAP. 4.7uF 6.3V TESVSP0J475M-8R K78080053 1- Bd2
C 2068 CHIP CAP. 0.01uF 16V BGRM36B103K16PT K22128804 1- Bc2
C 2070 CHIP CAP. 0.001uF 50V BUMK105B102KW-F K22178829 1- Bd1
C 2072 CHIP TA.CAP. 10uF 6.3V TEMSVA0J106M-8R K78080027 1- Bd2
C 2073 CHIP TA.CAP. 10uF 6.3V TEMSVA0J106M-8R K78080027 1- Be2
C 2074 CHIP TA.CAP. 3.3uF 10V SKF-1A335M-RP K78100051 1- Bd1
C 2075 CHIP TA.CAP. 10uF 6.3V TEMSVA0J106M-8R K78080027 1- Bd1
C 2076 CHIP CAP. 1uF 10V FGRM39F105Z10PT K22105001 1- Be2
C 2077 CHIP TA.CAP. 10uF 6.3V TEMSVA0J106M-8R K78080027 1- Be2
C 2081 CHIP CAP. 10pF 50V CH UMK105CH100DW-F K22178258 1- Bd1

34
REF DESCRIPTION VALUE V/W TOL. MFR'S DESIG VXSTD P/N VERS.
LOT
SIDE
LAY ADR
PANEL Unit
Parts List
*: Do not exchange a CPU for the upgrading of the firmware.
C 2083 CHIP CAP. 820pF 50V BUMK105B821KW-F K22178828 1- Bc1
C 2085 CHIP TA.CAP. 10uF 6.3V TEMSVA0J106M-8R K78080027 1- Bd2
C 2086 CHIP CAP. 0.01uF 16V BGRM36B103K16PT K22128804 1- Bc2
C 2087 CHIP CAP. 120pF 50V CH UMK105CH121JW-F K22178284 1- Bd1
C 2088 CHIP TA.CAP. 22uF 6.3V TEMSVA0J226M-8R K78080047 1- AD1
C 2089 CHIP CAP. 120pF 50V CH UMK105CH121JW-F K22178284 1- Bd1
C 2090 CHIP TA.CAP. 1uF 6.3V TMCP0J105MTR K78080071 1- Bc2
C 2091 CHIP CAP. 1uF 10V FGRM39F105Z10PT K22105001 1- Bf2
C 2092 CHIP CAP. 18pF 50V CH UMK105CH180JW-F K22178264 1- Bc1
C 2094 CHIP CAP. 0.1uF 10V BJ LMK105BJ104KV-F K22108806 1- AA1
C 2096 CHIP CAP. 1uF 10V FGRM39F105Z10PT K22105001 1- Bg1
C 2097 CHIP CAP. 0.001uF 50V BGRM36B102K50PT K22178809 1- Bd2
C 2098 CHIP CAP. 0.001uF 50V BUMK105B102KW-F K22178829 1- AE2
C 2100 CHIP CAP. 0.1uF 10V BJ LMK105BJ104KV-F K22108806 1- Bf1
C 2101 CHIP CAP. 0.1uF 10V BJ LMK105BJ104KV-F K22108806 1- Be1
C 2102 CHIP CAP. 0.01uF 16V BGRM36B103K16PT K22128804 1- Be1
C 2103 CHIP TA.CAP. 3.3uF 10V SKF-1A335M-RP K78100051 1- Bf1
C 2105 CHIP CAP. 0.01uF 16V BGRM36B103K16PT K22128804 1- AF2
C 2106 CHIP CAP. 0.01uF 16V BGRM36B103K16PT K22128804 1- AF2
C 2107 CHIP CAP. 0.1uF 10V BJ LMK105BJ104KV-F K22108806 1- Be1
C 2108 CHIP CAP. 1uF 10V FGRM39F105Z10PT K22105001 1- Bc1
C 2109 CHIP TA.CAP. 1uF 6.3V TMCP0J105MTR K78080071 1- AB2
C 2110 CHIP CAP. 1uF 10V FGRM39F105Z10PT K22105001 1- Bg2
D 2001 DIODE DA221 TL G2070178 1- Bg2
D 2002 DIODE DA221 TL G2070178 1- Bh2
D 2003 DIODE DA221 TL G2070178 1- AB1
D 2004 LED BRPG1211C-TR G2070654 1- AB1
D 2005 DIODE DA221 TL G2070178 1- Bh2
D 2006 LED TLOU262 G2090763 1- AB1
D 2007 DIODE MA2S111-(TX) G2070614 1- AB1
D 2008 LED TLOU262 G2090763 1- AB1
D 2009 DIODE DA221 TL G2070178 1- Bc2
D 2010 DIODE MA2S111-(TX) G2070614 1- AB1
D 2011 DIODE MC2846-T11-1 G2070702 1- AA1
D 2012 DIODE DA221 TL G2070178 1- Bh2
D 2013 DIODE DA221 TL G2070178 1- Bd2
D 2014 DIODE MA2S111-(TX) G2070614 1- Be1
D 2015 DIODE MA2S111-(TX) G2070614 1- AD2
D 2016 DIODE MA2S111-(TX) G2070614 1- AC2
D 2017 DIODE MA2S111-(TX) G2070614 1- AB2
D 2027 DIODE MA2S111-(TX) G2070614 1- AE1
D 2028 DIODE MA2S111-(TX) G2070614 1- AE1
D 2029 DIODE MA2S111-(TX) G2070614 1- AE2
D 2030 DIODE MA2S111-(TX) G2070614 1- AF2
D 2031 DIODE MA2S111-(TX) G2070614 1- AG2
D 2032 DIODE MA2S111-(TX) G2070614 1- AG2
D 2033 DIODE DA221 TL G2070178 1- AF1
D 2034 DIODE DA221 TL G2070178 1- AA1
D 2035 SURGE ABSORBER MFC06X223M Q9000690 1- Bg2
D 2036 DIODE DA221 TL G2070178 1- Bf2
DS2001 LCD TTR3165UPFDCW G6090134 1- AC1
J 2001 CONNECTOR R41-2509H P1090714 1- AA2
J 2002 CONNECTOR AXK6S40535P P0091209 1- Bd1
J 2003 CONNECTOR IL-FPR-36S-VF-E1500 P1091126 1- Bf1
L 2001 M.RFC 100uH FLC32T-101J L1690227 1- Be2
L 2002 M.RFC 1uH LK1608 1R0K-T L1690687 1- Bc1
L 2003 M.RFC 1uH LK1608 1R0K-T L1690687 1- Bc1
L 2004 M.RFC 1uH LK1608 1R0K-T L1690687 1- Bc1
L 2005 M.RFC 1uH LK1608 1R0K-T L1690687 1- Bd1
Q 2001 TRANSISTOR 2SC4617 TL R G3346178R 1- Bg2
Q 2002 TRANSISTOR 2SC4617 TL R G3346178R 1- Bh2
Q 2003 IC S-80835CNMC-B8U-T2 G1093606 1- AB1
Q 2004 TRANSISTOR 2SC4617 TL R G3346178R 1- AB1
Q 2005 TRANSISTOR 2SC4617 TL R G3346178R 1- Bh2
Q 2006 IC NJM78L05UA TE1 G1091325 1- Bh1
Q 2007 TRANSISTOR 2SC4617 TL R G3346178R 1- Be2
Q 2008 TRANSISTOR RT1N241M-T11-1 G3070249 1- Bg1
Q 2009 TRANSISTOR RT1P441U-T11-1 G3070248 1- Bh2
Q 2010 TRANSISTOR RT1N241M-T11-1 G3070249 1- Bg1
Q 2011 IC S-93C56AMFN-TB G1093348 1- AB1
Q 2013 IC LC87F72C8A-F5N19 G1093185 1- AC1
Q 2014 IC M62364FP 600D G1093033 1- Be1
Q 2015 IC NJM2902V-TE1 G1091679 1- Bc1
Q 2016 IC AK2345(TAPE) G1093184 1- Bd1
Q 2017 IC LA8630M-TE-R G1093452 1- Be2
Q 2019 TRANSISTOR PDTC144EE G3070244 1- Bd2

37
PANEL Unit
Parts List
REF DESCRIPTION VALUE V/W TOL. MFR'S DESIG VXSTD P/N VERS.
LOT
SIDE
LAY ADR
R 2161 CHIP RES. 120k 1/16W 5% RMC1/16S 124JTH J24189050 1- AF2
R 2162 CHIP RES. 82k 1/16W 5% RMC1/16S 823JTH J24189048 1- AE2
R 2163 CHIP RES. 220 1/16W 5% RMC1/16S 221JTH J24189017 1- Bf1
R 2164 CHIP RES. 100k 1/16W 5% RMC1/16S 104JTH J24189049 1- Bg2
R 2168 CHIP RES. 01/16W 5% RMC1/16S JPTH J24189070 1- Bd1
R 2169 CHIP RES. 01/16W 5% RMC1/16 000JATP J24185000 1- Be1
S 2001 TACT SWITCH SKQMAQE010 N5090121 1- AB2
S 2002 TACT SWITCH SKQMAQE010 N5090121 1- AC2
S 2003 TACT SWITCH SKQMAQE010 N5090121 1- AD2
S 2004 TACT SWITCH SKQMAQE010 N5090121 1- AE1
S 2005 TACT SWITCH SKQMAQE010 N5090121 1- AE1
S 2006 TACT SWITCH SKQMAQE010 N5090121 1- AE2
S 2007 TACT SWITCH SKQMAQE010 N5090121 1- AF2
S 2008 TACT SWITCH SKQMAQE010 N5090121 1- AG2
S 2009 TACT SWITCH SKQMAQE010 N5090121 1- AH2
VR2001 POT. V12M4-20A20K-1 J60800260 1- AA1
X 2001 XTAL SX-2204 3.6864MHz 3.6864MHZ H0103249 1- Be2
LCD HOLDER RA0377100 1-
LIGHT GUIDE (LCD) RA0376600 1-
REFLECTOR SHEET RA0381800 1-
DIFFUSER SHEET RA0013600 1-
RUBBER CONNECTOR RA0383700 1-
SPONGE RUBBER (IC) RA0384100 1-
LED SPACER LH-5-5 S6000238 1-
BLIND SHEET (4X3) RA0405200 1-

35
PANEL Unit
Parts List
REF DESCRIPTION VALUE V/W TOL. MFR'S DESIG VXSTD P/N VERS.
LOT
SIDE
LAY ADR
Q 2020 TRANSISTOR 2SC4617 TL R G3346178R 1- AE1
Q 2021 IC NJM2902V-TE1 G1091679 1- Bc2
Q 2022 IC NJM2902V-TE1 G1091679 1- Bf2
Q 2024 IC BU4066BF-E2 G1092593 1- AE1
Q 2025 TRANSISTOR RT1N241M-T11-1 G3070249 1- Bg1
Q 2026 TRANSISTOR PDTC114TE G3070238 1- Bd1
R 2001 CHIP RES. 10k 1/16W 5% RMC1/16S 103JTH J24189037 1- Bf2
R 2002 CHIP RES. 47k 1/16W 5% RMC1/16S 473JTH J24189045 1- Bg2
R 2003 CHIP RES. 33k 1/16W 5% RMC1/16S 333JTH J24189043 1- AB1
R 2004 CHIP RES. 33k 1/16W 5% RMC1/16S 333JTH J24189043 1- AB1
R 2005 CHIP RES. 10k 1/16W 5% RMC1/16S 103JTH J24189037 1- Bh2
R 2006 CHIP RES. 47k 1/16W 5% RMC1/16S 473JTH J24189045 1- Bg2
R 2007 CHIP RES. 470k 1/16W 5% RMC1/16S 474JTH J24189057 1- AB1
R 2008 CHIP RES. 180 1/16W 5% RMC1/16 181JATP J24185181 1- Bh1
R 2009 CHIP RES. 470k 1/16W 5% RMC1/16S 474JTH J24189057 1- AB1
R 2010 CHIP RES. 330 1/16W 5% RMC1/16 331JATP J24185331 1- Bh1
R 2011 CHIP RES. 220k 1/16W 5% RMC1/16S 224JTH J24189053 1- AB1
R 2012 CHIP RES. 47k 1/16W 5% RMC1/16S 473JTH J24189045 1- Bf2
R 2013 CHIP RES. 10k 1/16W 5% RMC1/16S 103JTH J24189037 1- Bh2
R 2014 CHIP RES. 1M 1/16W 5% RMC1/16S 105JTH J24189061 1- Bf2
R 2015 CHIP RES. 1k 1/16W 5% RMC1/16S 102JTH J24189025 1- Bg2
R 2016 CHIP RES. 100k 1/16W 5% RMC1/16S 104JTH J24189049 1- Bf2
R 2017 CHIP RES. 330k 1/16W 5% RMC1/16S 334JTH J24189055 1- AB1
R 2018 CHIP RES. 82k 1/16W 5% RMC1/16S 823JTH J24189048 1- Bf1
R 2019 CHIP RES. 1k 1/16W 5% RMC1/16S 102JTH J24189025 1- Bg2
R 2020 CHIP RES. 470 1/4W 5% RMC1/4 471JATP J24245471 1- Bh1
R 2021 CHIP RES. 10k 1/16W 5% RMC1/16S 103JTH J24189037 1- AC2
R 2022 CHIP RES. 1k 1/16W 5% RMC1/16S 102JTH J24189025 1- Bg1
R 2023 CHIP RES. 1k 1/16W 5% RMC1/16S 102JTH J24189025 1- Bh2
R 2024 CHIP RES. 10k 1/16W 5% RMC1/16S 103JTH J24189037 1- AB1
R 2024 CHIP RES. 4.7k 1/16W 5% RMC1/16S 472JTH J24189033 3- AB1
R 2025 CHIP RES. 47k 1/16W 5% RMC1/16S 473JTH J24189045 1- Bh2
R 2026 CHIP RES. 1k 1/16W 5% RMC1/16S 102JTH J24189025 1- Bf2
R 2027 CHIP RES. 1k 1/16W 5% RMC1/16S 102JTH J24189025 1- Bf2
R 2028 CHIP RES. 1k 1/16W 5% RMC1/16S 102JTH J24189025 1- Be2
R 2029 CHIP RES. 1k 1/16W 5% RMC1/16S 102JTH J24189025 1- Be2
R 2030 CHIP RES. 1k 1/16W 5% RMC1/16S 102JTH J24189025 1- Be2
R 2031 CHIP RES. 1k 1/16W 5% RMC1/16S 102JTH J24189025 1- Be2
R 2032 CHIP RES. 1k 1/16W 5% RMC1/16S 102JTH J24189025 1- AC2
R 2032 CHIP RES. 10k 1/16W 5% RMC1/16S 103JTH J24189037 3- AC2
R 2033 CHIP RES. 10k 1/16W 5% RMC1/16S 103JTH J24189037 1- Bf1
R 2034 CHIP RES. 2.2k 1/16W 5% RMC1/16S 222JTH J24189029 1- Bh2
R 2035 CHIP RES. 01/16W 5% RMC1/16S JPTH J24189070 1- Bf1
R 2036 CHIP RES. 220k 1/16W 5% RMC1/16S 224JTH J24189053 1- Bf2
R 2037 CHIP RES. 47k 1/16W 5% RMC1/16S 473JTH J24189045 1- AC1
R 2038 CHIP RES. 1.8k 1/16W 5% RMC1/16S 182JTH J24189028 1- Bg2
R 2039 CHIP RES. 1k 1/16W 5% RMC1/16S 102JTH J24189025 1- AC1
R 2040 CHIP RES. 1k 1/16W 5% RMC1/16S 102JTH J24189025 1- AD1
R 2041 CHIP RES. 82k 1/16W 5% RMC1/16S 823JTH J24189048 1- AD1
R 2042 CHIP RES. 39k 1/16W 5% RMC1/16S 393JTH J24189044 1- AD1
R 2043 CHIP RES. 20k 1/16W 0.5% RR0510R-203-D J24189150 1- AD1
R 2044 CHIP RES. 10k 1/16W 5% RMC1/16S 103JTH J24189037 1- AD1
R 2046 CHIP RES. 47k 1/16W 5% RMC1/16S 473JTH J24189045 1- AB1
R 2047 CHIP RES. 47k 1/16W 5% RMC1/16S 473JTH J24189045 1- AC1
R 2048 CHIP RES. 47k 1/16W 5% RMC1/16S 473JTH J24189045 1- AC1
R 2049 CHIP RES. 1k 1/16W 5% RMC1/16S 102JTH J24189025 1- AC1
R 2050 CHIP RES. 4.7k 1/16W 5% RMC1/16S 472JTH J24189033 1- AA1
R 2051 CHIP RES. 56k 1/16W 5% RMC1/16S 563JTH J24189046 1- Bf2
R 2052 CHIP RES. 100k 1/16W 5% RMC1/16S 104JTH J24189049 1- Bf2
R 2053 CHIP RES. 56k 1/16W 5% RMC1/16S 563JTH J24189046 1- Bf2
R 2054 CHIP RES. 33k 1/16W 5% RMC1/16S 333JTH J24189043 1- Bf2
R 2055 CHIP RES. 100k 1/16W 5% RMC1/16S 104JTH J24189049 1- Bf2
R 2056 CHIP RES. 2.2k 1/16W 5% RMC1/16S 222JTH J24189029 1- Bg2
R 2057 CHIP RES. 100 1/16W 5% RMC1/16S 101JTH J24189013 1- Bf1
R 2058 CHIP RES. 680 1/16W 5% RMC1/16S 681JTH J24189023 1- AB2
R 2059 CHIP RES. 56k 1/16W 5% RMC1/16S 563JTH J24189046 1- Bd2
R 2060 CHIP RES. 10k 1/16W 5% RMC1/16S 103JTH J24189037 1- Bd2
R 2061 CHIP RES. 330k 1/16W 5% RMC1/16S 334JTH J24189055 1- Bg2
R 2062 CHIP RES. 270k 1/16W 5% RMC1/16S 274JTH J24189054 1- Bg2
R 2063 CHIP RES. 180k 1/16W 5% RMC1/16S 184JTH J24189052 1- Bg2
R 2064 CHIP RES. 10k 1/16W 5% RMC1/16S 103JTH J24189037 1- Bf2
R 2065 CHIP RES. 22k 1/16W 5% RMC1/16S 223JTH J24189041 1- Bg2
R 2066 CHIP RES. 47k 1/16W 5% RMC1/16S 473JTH J24189045 1- Be1
R 2067 CHIP RES. 680k 1/16W 5% RMC1/16S 684JTH J24189059 1- Bg2
R 2068 CHIP RES. 220k 1/16W 5% RMC1/16S 224JTH J24189053 1- Bd1
R 2069 CHIP RES. 01/16W 5% RMC1/16S JPTH J24189070 1- Bf1

36
REF DESCRIPTION VALUE V/W TOL. MFR'S DESIG VXSTD P/N VERS.
LOT
SIDE
LAY ADR
PANEL Unit
Parts List
R 2070 CHIP RES. 47k 1/16W 5% RMC1/16S 473JTH J24189045 1- Bd1
R 2071 CHIP RES. 1.5M 1/16W 5% RMC1/16S 155JTH J24189063 1- Bd2
R 2072 CHIP RES. 1.5k 1/16W 5% RMC1/16S 152JTH J24189027 1- Bg2
R 2073 CHIP RES. 1.5k 1/16W 5% RMC1/16S 152JTH J24189027 1- Bc1
R 2074 CHIP RES. 180k 1/16W 5% RMC1/16S 184JTH J24189052 1- Bc1
R 2075 CHIP RES. 100 1/16W 5% RMC1/16S 101JTH J24189013 1- Be1
R 2076 CHIP RES. 330k 1/16W 5% RMC1/16S 334JTH J24189055 1- Bd1
R 2077 CHIP RES. 150k 1/16W 5% RMC1/16S 154JTH J24189051 1- Bc1
R 2078 CHIP RES. 18k 1/16W 5% RMC1/16S 183JTH J24189040 1- AD1
R 2079 CHIP RES. 01/16W 5% RMC1/16S JPTH J24189070 1- Bd2
R 2080 CHIP RES. 390k 1/16W 5% RMC1/16S 394JTH J24189056 1- Bd2
R 2081 CHIP RES. 470k 1/16W 5% RMC1/16S 474JTH J24189057 1- Bc2
R 2082 CHIP RES. 220k 1/16W 5% RMC1/16S 224JTH J24189053 1- Bd2
R 2083 CHIP RES. 220k 1/16W 5% RMC1/16S 224JTH J24189053 1- Bd2
R 2084 CHIP RES. 33k 1/16W 5% RMC1/16S 333JTH J24189043 1- Bc2
R 2085 CHIP RES. 270k 1/16W 5% RMC1/16S 274JTH J24189054 1- Bc1
R 2086 CHIP RES. 01/16W 5% RMC1/16S JPTH J24189070 1- Bd2
R 2087 CHIP RES. 100k 1/16W 5% RMC1/16S 104JTH J24189049 1- Bc1
R 2088 CHIP RES. 150k 1/16W 5% RMC1/16S 154JTH J24189051 1- Bc2
R 2089 CHIP RES. 100k 1/16W 5% RMC1/16S 104JTH J24189049 1- Bf2
R 2090 CHIP RES. 68k 1/16W 5% RMC1/16S 683JTH J24189047 1- Bc2
R 2091 CHIP RES. 47k 1/16W 5% RMC1/16S 473JTH J24189045 1- Bf2
R 2092 CHIP RES. 220k 1/16W 5% RMC1/16S 224JTH J24189053 1- Bc2
R 2093 CHIP RES. 390k 1/16W 5% RMC1/16S 394JTH J24189056 1- Bc1
R 2094 CHIP RES. 68k 1/16W 5% RMC1/16S 683JTH J24189047 1- Bd1
R 2096 CHIP RES. 220k 1/16W 5% RMC1/16S 224JTH J24189053 1- Bc2
R 2097 CHIP RES. 47k 1/16W 5% RMC1/16S 473JTH J24189045 1- Bf2
R 2098 CHIP RES. 3.9k 1/16W 5% RMC1/16S 392JTH J24189032 1- Bc1
R 2099 CHIP RES. 1k 1/16W 5% RMC1/16S 102JTH J24189025 1- AB1
R 2100 CHIP RES. 100k 1/16W 5% RMC1/16S 104JTH J24189049 1- Bd1
R 2101 CHIP RES. 1k 1/16W 5% RMC1/16S 102JTH J24189025 1- AC1
R 2102 CHIP RES. 150k 1/16W 5% RMC1/16S 154JTH J24189051 1- Bc1
R 2103 CHIP RES. 220k 1/16W 5% RMC1/16S 224JTH J24189053 1- Bd1
R 2104 CHIP RES. 22k 1/16W 5% RMC1/16S 223JTH J24189041 1- Bc1
R 2105 CHIP RES. 47k 1/16W 5% RMC1/16S 473JTH J24189045 1- Bd1
R 2106 CHIP RES. 220k 1/16W 5% RMC1/16S 224JTH J24189053 1- Bd1
R 2107 CHIP RES. 560k 1/16W 5% RMC1/16S 564JTH J24189058 1- Bc2
R 2108 CHIP RES. 47k 1/16W 5% RMC1/16S 473JTH J24189045 1- AD2
R 2109 CHIP RES. 47k 1/16W 5% RMC1/16S 473JTH J24189045 1- Bd1
R 2110 CHIP RES. 1.2M 1/16W 5% RMC1/16S 125JTH J24189062 1- Bd2
R 2111 CHIP RES. 150k 1/16W 5% RMC1/16S 154JTH J24189051 1- Bc2
R 2112 CHIP RES. 47k 1/16W 5% RMC1/16S 473JTH J24189045 1- Be2
R 2113 CHIP RES. 220k 1/16W 5% RMC1/16S 224JTH J24189053 1- Bc2
R 2114 CHIP RES. 15k 1/16W 5% RMC1/16S 153JTH J24189039 1- Bc1
R 2115 CHIP RES. 18k 1/16W 5% RMC1/16S 183JTH J24189040 1- AE1
R 2117 CHIP RES. 33k 1/16W 5% RMC1/16S 333JTH J24189043 1- AE1
R 2118 CHIP RES. 680k 1/16W 5% RMC1/16S 684JTH J24189059 1- Bd1
R 2119 CHIP RES. 4.7k 1/16W 5% RMC1/16S 472JTH J24189033 1- AF1
R 2120 CHIP RES. 10k 1/16W 5% RMC1/16S 103JTH J24189037 1- AE1
R 2121 CHIP RES. 100k 1/16W 5% RMC1/16S 104JTH J24189049 1- Bc1
R 2122 CHIP RES. 47k 1/16W 5% RMC1/16S 473JTH J24189045 1- AE1
R 2123 CHIP RES. 01/16W 5% RMC1/16S JPTH J24189070 1- Be1
R 2124 CHIP RES. 1k 1/16W 5% RMC1/16S 102JTH J24189025 1- Bf1
R 2125 CHIP RES. 10k 1/16W 5% RMC1/16S 103JTH J24189037 1- AD1
R 2127 CHIP RES. 1k 1/16W 5% RMC1/16S 102JTH J24189025 1- Bf2
R 2128 CHIP RES. 220k 1/16W 5% RMC1/16S 224JTH J24189053 1- Bc2
R 2129 CHIP RES. 82k 1/16W 5% RMC1/16S 823JTH J24189048 1- Bd1
R 2130 CHIP RES. 120k 1/16W 5% RMC1/16S 124JTH J24189050 1- Bd1
R 2131 CHIP RES. 33k 1/16W 5% RMC1/16S 333JTH J24189043 1- Bc2
R 2132 CHIP RES. 01/16W 5% RMC1/16S JPTH J24189070 1- Bc2
R 2133 CHIP RES. 4.7k 1/16W 5% RMC1/16S 472JTH J24189033 1- AA1
R 2134 CHIP RES. 150k 1/16W 5% RMC1/16S 154JTH J24189051 1- AE2
R 2135 CHIP RES. 56k 1/16W 5% RMC1/16S 563JTH J24189046 1- Bd2
R 2137 CHIP RES. 150k 1/16W 5% RMC1/16S 154JTH J24189051 1- Bc1
R 2141 CHIP RES. 47k 1/16W 5% RMC1/16S 473JTH J24189045 1- AB1
R 2143 CHIP RES. 330k 1/16W 5% RMC1/16S 334JTH J24189055 1- Be1
R 2144 CHIP RES. 10k 1/16W 5% RMC1/16S 103JTH J24189037 1- Bf2
R 2145 CHIP RES. 220k 1/16W 5% RMC1/16S 224JTH J24189053 1- Be1
R 2151 CHIP RES. 1.5k 1/16W 5% RMC1/16S 152JTH J24189027 1- Bf2
R 2152 CHIP RES. 01/16W 5% RMC1/16 000JATP J24185000 1- Bg2
R 2153 CHIP RES. 470k 1/16W 5% RMC1/16S 474JTH J24189057 1- AB2
R 2154 CHIP RES. 10 1/16W 5% RMC1/16S 100JTH J24189001 1- Bd2
R 2155 CHIP RES. 01/16W 5% RMC1/16 000JATP J24185000 1- Be1
R 2156 CHIP RES. 10k 1/16W 5% RMC1/16S 103JTH J24189037 1- AE2
R 2159 CHIP RES. 10k 1/16W 5% RMC1/16S 103JTH J24189037 1- AE2
R 2160 CHIP RES. 330k 1/16W 5% RMC1/16S 334JTH J24189055 1- AF2

38
REF DESCRIPTION VALUE V/W TOL. MFR'S DESIG VXSTD P/N VERS.
LOT
SIDE
LAY ADR
PANEL Unit
Parts ListNote

17

18
Copyright 2002
VERTEX STANDARD CO., LTD.
All rights reserved.
No portion of this manual
may be reproduced
without the permission of
VERTEX STANDARD CO., LTD.