Visonic DUO220EAM CEILING MOUNTED DUAL TECHNOLOGY DETECTOR User Manual 1
Visonic Inc. CEILING MOUNTED DUAL TECHNOLOGY DETECTOR 1
Visonic >
USERS MANUAL

DUO 220 / DUO 220 AM
Dual Technology Microwave/PIR Intrusion Detectors
Installation Instructions
1. INTRODUCTION
To complement the detection pattern provided by the front lens,
the DUO 220 is fitted with a down looking lens at the bottom part
of the front cover. The purpose of this lens is to prevent access to
the detector by sneaking below it.
The DUO 220 (MW/PIR) and DUO 220AM (MW/PIR/anti-
masking) are state-of-the-art, microcomputer controlled dual-
technology intrusion detectors. The PIR and MW technologies,
when combined in a single detector, complement each other to
assure the most reliable detection and immunity to false alarms.
The superiority of the DUO 220 series over other dual detectors
has been achieved by the advent of the True Motion
Recognition™ algorithm (patented). This advanced motion
analysis method provides the DUO 220 with the ability to
distinguish between the true motion of a human body and any
other disturbances which invariably cause false alarms.
Another unique feature of the DUO 220 is the MW Motion
Simulator circuit (patents applied for), that simulates the effect
created by a human body moving in the MW field. The simulation
routine is carried out periodically for self-testing, supervision and
assurance that the MW detector operates properly.
In addition, the pyroelectric sensor and its circuitry are tested at
regular intervals by application of a short-duration heat pulse. If they
do not react properly, a trouble alert is initiated. Figure 1. DUO 220 General View
2. SPECIFICATIONS
GENERAL Trouble Output: Open collector, 100 mA max.
Input Voltage: 9 to 16 VDC Trouble/Masking Indication: LEDs flash alternately and TRB
output pulls LOW
Current Drain: About 26 mA @ 12 VDC
Masking Detection Delay (DUO-220 AM): About 60 seconds PHYSICAL CHARACTERISTICS
Dimensions (H x W x D): 104 x 60 x 35 mm (2.4 x 4.1 x 1.38 in.)
PIR SECTION
Weight: 86 g (3 oz)
Lens Data: 34 beams, 90° field of view
Max. Coverage: 12 x 12 m (40 x 40 ft) MOUNTING
Vertical Adjustment: +2° to –12°, with a vertical adjustment scale Direct: Surface or corner (without brackets), up to 2.4 m (8 ft)
Detector: Low noise dual-element pyroelectric sensor ACCESSORIES (see Fig. 4)
BR-1: Surface mounted swivel
bracket, adjustable 30° down and
45° left/45° right.
BR-2: BR-1 with corner adapter (kit)
BR-3: BR-1 with ceiling adapter (kit)
ENVIRONMENTAL CONDITIONS
Operating Temperature:
–10°C to 50°C (14°F to 122°F)
Storage Temperature:
–20°C to 60°C (4°F to 140°F)
RFI Protection: >30 V/m (20 MHz
to 1000 MHz)
PATENTS: U.S. Patents 5,237,330
and 5,693,943; Des. 346,567
Compliance with Standards: EN
50131-1 Grade 2 Class II
Figure 2. PIR and MW
Coverage Pattern
Trip Indication: Green LED flashes for up to 5 seconds
True Motion Verification: Selectable, 1 or 2 motion events
MW SECTION
Oscillator: Microstrip DRO-stabilized type
Frequency (GHz): 2.45
Detection Range: Adjustable from 25% to 100% (3 m to 12 m)
Trip Indication: Green LED illuminates for up to 5 seconds
ALARM, TAMPER & TROUBLE DATA
Alarm Indication: Red LED illuminates for 2-3 seconds if both
detectors trip
Relay Contacts: Normally closed, 0.1 A resistive / 30 VDC; 18Ω
resistor in series with contacts
Alarm Duration: 2-3 seconds (red LED lights and output relay
contacts open)
Tamper Switch Contacts: N.C., 50 mA resistive /30 VDC
3. INSTALLATION
• Although the DUO 220 is extremely immune to false alarms, it
is recommended to avoid installation in a room with very strong
air turbulence or close to high-power electrical cables.
3.1 General Guidelines
A few important rules must be observed before selecting a
mounting location. • If two DUO 220 units are installed in the same room or on
opposite sides of a shared wall, they should not face each
other and must be mounted at least 2 meters apart.
• Microwave radiation passes through glass and non-metallic
walls. Be sure to adjust the MW range so that it does not
exceed the room limits, or else a rotating ceiling fan in the next
room, or moving traffic along the outer side of the wall will
cause the MW detector to alarm.
• For best performance at high ambient temperatures, aim the
unit towards the coolest place in the protected area.
• Always mount the unit on a firm and stable surface at a height
that renders optimum coverage of the protected area.
• Large reflecting objects (especially metals) within the coverage
area can distort the microwave detector's coverage pattern.
DE1823 1

Increasing the vertical angle at a certain height will increase
the coverage range.
• Do not install the DUO 220 in places where one of the two
detector circuits alarms constantly or intermittently, due to
environmental interference.
• Special advice to DUO 220AM users: It is desirable to mount
the unit in locations where inadvertent approach to less than
1 m (3 ft) from the detector is unlikely to occur.
3.2 Direct Mounting
The unit can be installed directly on the wall or in a corner using
the mounting knockouts. Optional swivel brackets permit greater
flexibility when adjusting the coverage area (see Para. 3.3).
A. Loosen and remove the screw at the bottom of the case
(Fig. 1) and then take the cover off.
B. Punch out the appropriate mounting and wiring knockouts in
the base.
Note: For wall surface mounting, use the two elongated
knockouts at the middle of the base. For corner mounting, use
two diagonally opposite knockouts at the angled sides of the
base (Fig. 3).
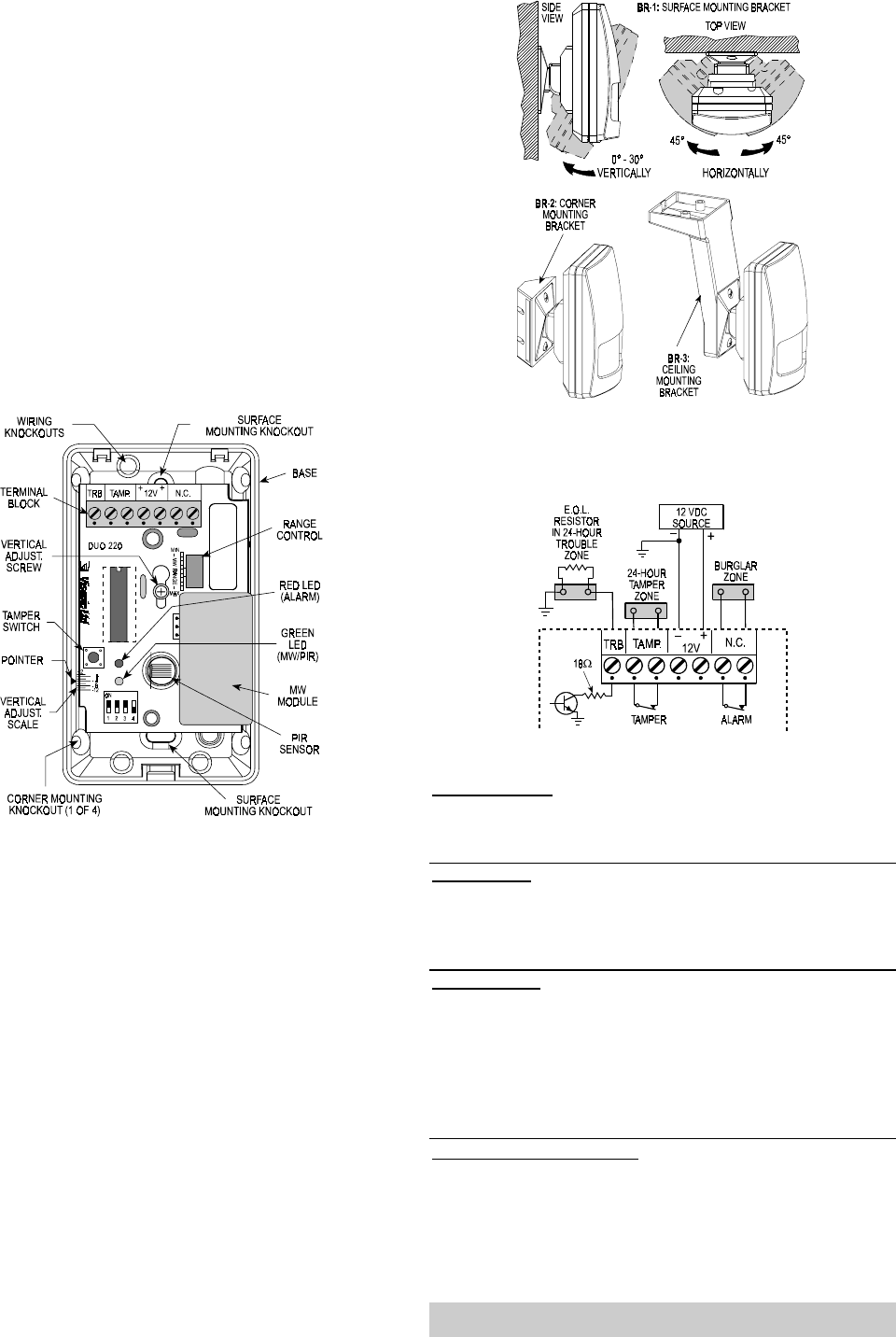
Figure 4. Optional Swivel Brackets
3.4 Wiring
Connect wires to the terminal block in the following order (Fig. 5):
Figure 5. Terminal Block Wiring
Terminal: TAMP (tamper switch)
Connect to: A normally closed 24-hour tamper zone of the
control panel.
Figure 3. Printed Circuit Board Layout Details: When the cover is removed, the tamper switch opens.
C. Select the mounting location in accordance with the
guidelines in Para. 3.1.
Terminal: NC (alarm relay)
Connect to: Normally closed burglar protection zones of the
control panel.
D. Temporarily remove the PC board from the base. Take care
not to lose the fastening screw. Details: Upon alarm or power failure, the output relay’s normally
closed contacts open.
E. Use the base as a template for marking the drilling points.
F. Drill the mounting holes and insert masonry anchors if
required. Terminal: TRB (trouble output)
Connect to: 24-hour trouble zone, parallel to an E.O.L. resistor
(see Figure 5).
G. Pass the wires through the punched-out wiring inlet(s) and
mount the base in place using two screws. Details: The TRB open collector output will be grounded upon
detector malfunction or upon masking (DUO 220AM), causing
disturbance in the trouble zone of the associated alarm system.
H. Seal all openings in the base with RTV to prevent insects from
entering the unit.
I. Remount the PC board and secure it with its vertical
adjustment screw. Alternative: a buzzer or an interface relay may be connected
across the TRB output and the 12 VDC (+) terminals.
3.3 Optional Swivel Brackets Terminals: 12 V (+) and (–)
Connect to: A power source within the range of 9 to 16 VDC.
Take care not to reverse the polarity.
The BR-1 is a general purpose swivel bracket used for vertical
and horizontal positioning of the DUO 220. With the BR-1, the
unit can be tilted down from 0° to -30° and swiveled 45° left or
right (see Fig. 4).
Details: It is advisable to connect the power source only after all
other connections have been completed and rechecked. Discon-
nect the AC mains from the alarm control panel and verify that
the voltage supplied to the detector is above 9 Volts with the
backup battery as the only power source.
The BR-2 is a swivel bracket kit for room corner installations. It
consists of the BR-1 and a corner adapter.
The BR-3 is a swivel bracket kit for ceiling installations. It consists
of the BR-1 and a ceiling mounting adapter. IMPORTANT: To comply with CE safety requirements, connect to
CE-approved control panels with current-limited DC output.
Caution! When a swivel bracket is used, the effective detection
range may differ from that indicated in Table 3 (Para. 5.1). Note: Use RTV to seal the base opening(s) to prevent insects
from entering the detector.
2 DE1823

3.5 The Power-up Process 3.6 What Happens in Case of Masking?
After connecting the (+) and (–) terminals to the power source,
the DUO 220 starts a 60-second warm-up period, indicated by
alternate flashing of both LEDs.
If an attempt is made to stick masking material over the lens or
put a masking object close to the lens (DUO 220AM only), a
trouble alert will result about 60 seconds after masking:
Caution! If the alternate flashing of the LEDs does not stop within
60 seconds, a failure has been detected by the self-test circuitry
or, if you are dealing with DUO 220AM, the unit may be masked
(see Para. 3.6).
• The red and green LEDs will flash alternately;
• The TRB output will pull to ground and will remain grounded
until the detector is reset (see Para. 5.6 for procedure).
4. INDICATORS AND SELECTORS
4.2 Mode Selector
4.1 LED Indications
The DIP switch mode selector is mounted on the unit’s PC board
(see Fig. 3). It controls four functions as demonstrated in Fig. 6
and as detailed in Table 2.
The two LEDs (Fig. 1) are used to signal various alarm and
trouble messages as shown in Table 1 below:
Table 1. Interpreting the LED Indications
State of LEDs
GREEN RED Significance
Off Off No detection
On Off MW walk-test detection
Flashes Off PIR walk-test detection
Off On Alarm: MW + PIR detection
Flashes Flashes Trouble (or masking) is being
detected by the self test circuitry, or
Initial warm-up routine (stops 60
seconds after power up).
Figure 6. DIP Switch Mode Selector
Table 2. Mode Selector Switch Functions
Switch State Function Default
SW-1 OFF
ON
One motion event trips the PIR
Two motion events trip the PIR
ON
SW-2 OFF
ON
Alarm walk test is disabled*
Alarm walk test is enabled
ON
SW-3 OFF
ON
MW/PIR walk test is disabled
MW/PIR walk test is enabled
ON
SW-4 OFF
ON
Output relay opens upon alarm
Output relay opens upon alarm
and/or when trouble is detected.
OFF
Notes: 1. During walk testing, the first LED to respond is the
green one. It illuminates steadily (MW detection) or flashes (PIR
detection), depending on which one of the two detectors
discovered the motion first. Upon subsequent discovery of the
motion by the other detector, the green LED will go off and the
red LED will illuminate (alarm).
2. If the green and red LEDs continue to flash beyond the warm-
up period, a malfunction or masking has been diagnosed.
Replace the unit without delay. *Setting SW-2 and SW-3 to OFF does not disable the trouble
indication (flash/flash).
5. Initial Adjustments
5. ADJUSTMENT AND TEST
5.1 Adjusting the Vertical Angle For faster catch performance, shift SW-1 to OFF. In this position,
only one motion event is required to trip the PIR detector.
The vertical adjustment scale for the PIR detector is located at
the lower left edge of the PC board (see Figure 3). A screw in the
middle of the board allows fast and easy adjustment from +2° to
–12°. All DUO 220 units are pre-adjusted in the factory to –5°.
5.3 PIR Walk Test
A. Rotate the MW RANGE control all the way towards MIN.
Table 3 below provides recommended vertical adjustment angles
for various combinations of mounting height and coverage range. B. Verify that DIP switch SW-3 is set to ON (the green walk-test
LED is enabled).
A. Use Table 3 to find the optimum angle for the coverage you
require. For example, if a coverage range of 9 m (30 ft) is
required and the detector is installed at a height of 1.8 m (6 ft)
above the floor, set the vertical angle to -6°.
C. Mount the front cover in place.
D. Walk into the detector's field of view at the expected far edge
of the coverage area. The green LED should flash for up to 5
seconds each time your motion is detected.
Table 3. Vertical Angle Adjustment Note: If the green LED illuminates steadily, your motion has
been detected by the MW detector.
E. If PIR detection is not obtained at the far end of the coverage
area, remove the front cover and re-adjust the vertical angle.
Replace the cover and retest.
5.4 MW Walk Test
A. Remove the front cover.
B. Verify that the MW range control is set to MIN and DIP switch
SW-3 is set to ON (the green walk-test LED is enabled). Close
cover.
B. Loosen the vertical adjustment screw, slide the PC board
along the vertical slot until the pointer indicates the required
angle on the scale. Then tighten the adjustment screw firmly.
C. Start by moving into the coverage area at the far edge. The
green LED should light steadily for up to 5 seconds each time
your motion is detected.
Note: Since the adjustment screw also fastens the PC board
to the base, vertical adjustment should be repeated if the PC
board is replaced.
D. If your motion was not detected at the far edge of the
coverage area, advance the MW RANGE control slightly
toward MAX and try again until your motion is detected
reliably at the far edge.
5.2 Setting the Motion Event Counter
If you wish to set the PIR detector for maximum false alarm
immunity, shift DIP switch 1 (SW-1) to ON. In this position, two
consecutive motion events are required to trip the PIR detector.
Caution! The MW detection range must not exceed the far
edge of the desired coverage area.
DE1823 3

E. Walk across the coverage area at various ranges and verify
that your motion is consistently detected.
Attention! To assure proper function of the detector, the
range and coverage area should be checked at least twice a
year. Furthermore, it is recommended to perform a walk test
at the far end of the coverage pattern to assure an alarm
signal prior to each time the alarm system is armed.
Note: If PIR trips interfere with your test, disable the PIR by
inserting a small piece of cardboard in front of the sensor.
5.5 Alarm Walk Test 5.6 Resetting after Trouble (DUO 220 AM)
A. Set DIP switches SW-2 and SW-3 to ON (both LEDs are
enabled). In case of trouble alert, proceed as follows:
• Search for masking material on the lens or a masking object in
front of the lens and remove them, if found.
B. Install the front cover in place.
C. Walk across the detector’s field of view in different directions,
at various distances from the detector, and verify proper
detection throughout the detector's coverage area (the red
LED will illuminate for 2 to 3 seconds).
• Reset the detector by walk testing - cross its field of view at the
far end, causing it to alarm several times.
If everything is back to normal, the red and green LEDs should
stop flashing, and the TRB output should revert to the open-
circuit state (disconnected from the ground).
D. When done, remove the cover and set DIP switches SW-2
and SW-3 to OFF to prevent unauthorized people from tracing
the coverage pattern. Note: If walk testing does not cause the trouble alert to stop,
recheck for masking. Once masking is ruled out, the trouble is
probably due to defective PIR or MW circuitry. Replacing the
detector unit will solve this problem.
E. Remount the cover and fasten it to the base using the small
screw at the bottom.
6. SPECIAL NOTES
Although this detector is a highly reliable device, it does not
guarantee complete protection against intrusion. Even the most
sophisticated detectors can sometimes be defeated or may fail to
warn because:
H. Even the most reliable electrical devices, including this
detector, may go wrong because of an unexpected failure of a
component part.
The above list includes the most common reasons for failure to
detect intrusion, but it is by no means comprehensive. It is
therefore recommended that the detector and the entire alarm
system be checked weekly, to ensure proper performance.
A. The detector will not function if the DC power supplied to it is
incorrect or improperly connected.
B. Detection is confined to the area covered by the detection
pattern as adjusted by the installer. An alarm system should not be regarded as a substitute for
insurance. Home and property owners or renters should be
prudent enough to continue insuring their lives and property. This
device complies with Part 15 of the FCC Rules and RSS-210 of
Industry and Science Canada. Operation is subject to the
following two conditions: (1) This device may not cause harmful
interference, and (2) this device must accept any interference
received, including interference that may cause undesired
operation.
C. A PIR detector does not provide full volumetric coverage of
the protected area. It can only detect motion that disturbs the
sensitive beam array spread within the protected space.
D. Motion will not be detected by PIRs if it takes place behind
closed doors, floors, walls, ceilings, glass partitions, windows
and shutters.
E. The detection ability of the PIR detector may be reduced by
malicious masking or by spraying various materials on the
optical lens. Mechanical tampering may also damage the
optical system.
WARNING! Changes or modifications to this unit not
expressly approved by the party responsible for compliance
could void the user’s authority to operate the equipment.
F. As the ambient temperature of the protected area approaches
the range of 32°C - 40°C (90°F -105°F), the PIR detector's
performance can decrease. This device complies with the essential requirements and provisions of
Directive 1999/5/EC of the European Parliament and of the Council of
9 March 1999 on radio and telecommunications terminal equipment.
G. The protection pattern provided by the microwave detector
may be altered by metal objects or foil-covered insulation.
WARRANTY
Visonic Ltd. and/or its subsidiaries and its affiliates ("the Manufacturer") warrants its products hereinafter
referred to as "the Product" or "Products" to be in conformance with its own plans and specifications and to
be free of defects in materials and workmanship under normal use and service for a period of twelve months
from the date of shipment by the Manufacturer. The Manufacturer's obligations shall be limited within the
warranty period, at its option, to repair or replace the product or any part thereof. The Manufacturer shall not
be responsible for dismantling and/or reinstallation charges. To exercise the warranty the product must be
returned to the Manufacturer freight prepaid and insured.
This warranty does not apply in the following cases: improper installation, misuse, failure to follow
installation and operating instructions, alteration, abuse, accident or tampering, and repair by anyone other
than the Manufacturer.
This warranty is exclusive and expressly in lieu of all other warranties, obligations or liabilities, whether
written, oral, express or implied, including any warranty of merchantability or fitness for a particular purpose,
or otherwise. In no case shall the Manufacturer be liable to anyone for any consequential or incidental
damages for breach of this warranty or any other warranties whatsoever, as aforesaid.
This warranty shall not be modified, varied or extended, and the Manufacturer does not authorize any person
to act on its behalf in the modification, variation or extension of this warranty. This warranty shall apply to the
Product only. All products, accessories or attachments of others used in conjunction with the Product,
including batteries, shall be covered solely by their own warranty, if any. The Manufacturer shall not be
liable for any damage or loss whatsoever, whether directly, indirectly, incidentally, consequentially or
otherwise, caused by the malfunction of the Product due to products, accessories, or attachments of others,
including batteries, used in conjunction with the Products.
The Manufacturer does not represent that its Product may not be compromised and/or circumvented, or that
the Product will prevent any death, personal and/or bodily injury and/or damage to property resulting from
burglary, robbery, fire or otherwise, or that the Product will in all cases provide adequate warning or
protection. User understands that a properly installed and maintained alarm may only reduce the risk of
events such as burglary, robbery, and fire without warning, but it is not insurance or a guarantee that such
will not occur or that there will be no death, personal damage and/or damage to property as a result.
The Manufacturer shall have no liability for any death, personal and/or bodily injury and/or damage
to property or other loss whether direct, indirect, incidental, consequential or otherwise, based on a
claim that the Product failed to function. However, if the Manufacturer is held liable, whether directly or
indirectly, for any loss or damage arising under this limited warranty or otherwise, regardless of cause or
origin, the Manufacturer's maximum liability shall not in any case exceed the purchase price of the Product,
which shall be fixed as liquidated damages and not as a penalty, and shall be the complete and exclusive
remedy against the Manufacturer.
Warning: The user should follow the installation and operation instructions and among other things test the
Product and the whole system at least once a week. For various reasons, including, but not limited to,
changes in environmental conditions, electric or electronic disruptions and tampering, the Product may not
perform as expected. The user is advised to take all necessary precautions for his/her safety and the
protection of his/her property.
6/91
W.E.E.E. Product Recycling Declaration
For information regarding the recycling of this product you must contact the company from which you orignially purchased it. If you are discarding this product and not
returning it for repair then you must ensure that it is returned as identified by your supplier. This product is not to be thrown away with everyday waste.
Directive 2002/96/EC Waste Electrical and Electronic Equipment.
VISONIC LTD. (ISRAEL): P.O.B 22020 TEL-AVIV 61220 ISRAEL. PHONE: (972-3) 645-6789, FAX: (972-3) 645-6788
VISONIC INC. (U.S.A.): 65 WEST DUDLEY TOWN ROAD, BLOOMFIELD CT. 06002-1376. PHONE: (860) 243-0833, (800) 223-0020 FAX: (860) 242-8094
VISONIC LTD. (UK): FRASER ROAD, PRIORY BUSINESS PARK, BEDFORD MK44 3WH. PHONE: (0870) 7300800 FAX: (0870) 7300801
INTERNET: www.visonic.com
VISONIC LTD. 2008 DUO 220 / DUO 220 AM DE1823- (preparation for revision 6 , 4/08)
4 DE1823