Vix Technology CR6000 CR6000 Card Reader User Manual VIX Technology
Vix Technology (Aust) Pty Ltd CR6000 Card Reader VIX Technology
2AIKG-CR6000_User Manual

VIX TECHNOLOGY
CR6000 USER MANUAL
Document No.
Revision
Revision Date
VXP-00404
1.0
02 Feb 2017
The information contained in this document is copyright and may not be
reproduced, stored in a retrieval system or transmitted in any form or by
any means in whole or in part without the express written consent of Vix
IP Pty Ltd.
This material is also confidential and may not be disclosed in whole or
part to any third party nor used in any manner whatsoever other than for
a purpose expressly consented to by Vix IP Pty Ltd in writing.

VIX Technology
CR6000 user manual
VXP-00404
Revision 1.0
Page 3 of 26
© Vix IP Pty Ltd 2016
Vix IP Pty Ltd Confidential
Document History
Revision
Revision
Date
Description
Author
0.1
08/05/13
First Draft
Chris Bailye
1.0
02/02/2017
Updated to include :
FCC compliance statement
FCC warning and RF exposure statement.
Atul Sharma

VIX Technology
CR6000 user manual
VXP-00404
Revision 1.0
Page 4 of 26
© Vix IP Pty Ltd 2016
Vix IP Pty Ltd Confidential
Table of Contents
1 INTRODUCTION ............................................................................................................................ 6
1.1 PURPOSE ......................................................................................................................................... 6
1.2 SCOPE ............................................................................................................................................ 6
1.3 TERMINOLOGY .................................................................................................................................. 6
1.4 SAFETY ........................................................................................................................................... 6
1.4.1
Safety Precautions .................................................................................................................. 6
1.4.2
Warnings and Cautions ........................................................................................................... 6
1.4.3
EMC and Safety Standards Applied ........................................................................................... 7
1.4.3.1
FCC compliance statement ................................................................................................................ 7
1.4.3.2
Human exposure statement: ............................................................................................................. 8
2 ORGANIZATION & MAINTENANCE PROGRAM .............................................................................. 9
2.1 FIRST LEVEL MAINTENANCE (IN-SITU MAINTENANCE) ................................................................................... 9
2.2 SECOND LEVEL MAINTENANCE ................................................................................................................ 9
2.3 THIRD LEVEL MAINTENANCE (REPAIR SHOP MAINTENANCE) ............................................................................ 9
3 CR6000 OVERVIEW ..................................................................................................................... 10
3.1 INTERNAL STRUCTURE OF THE CR6000 VALIDATOR .................................................................................. 11
4 INSTRUCTIONS FOR USERS ....................................................................................................... 12
4.1 TORQUE SETTINGS ........................................................................................................................... 12
4.2 TOOLS .......................................................................................................................................... 12
4.2.1
Standard tools ...................................................................................................................... 12
4.3 EXTERNAL CLEANING OF THE CR6000 CARD READER ................................................................................. 12
4.3.1
Required staff and time ......................................................................................................... 12
4.3.2
Preliminary instructions ......................................................................................................... 12
4.3.3
Procedure ............................................................................................................................. 12
4.4 OPENING THE CR6000 PANEL MOUNT CARD READER ................................................................................ 13
4.4.1
Required staff and time ......................................................................................................... 13
4.4.2
Preliminary instructions ......................................................................................................... 13
4.4.3
Procedure ............................................................................................................................. 13
4.5 OPENING THE CR6000 DESKTOP MOUNT CARD READER ............................................................................ 15
4.5.1
Required staff and time ......................................................................................................... 15
4.5.2
Preliminary instructions ......................................................................................................... 15
4.5.3
Procedure ............................................................................................................................. 15
4.5.4
Installing and removing the SAM card .................................................................................... 16
4.5.4.1
Tools and consumables ................................................................................................................... 16
4.5.4.2
Required staff and time .................................................................................................................. 16
4.5.4.3
Preliminary instructions ................................................................................................................... 16
4.5.4.4
Assembling/disassembling the SAM card........................................................................................... 16
5 TROUBLESHOOTING ................................................................................................................... 18
5.1 SERIAL PORT LOGGING ...................................................................................................................... 18
6 APPENDICES ............................................................................................................................... 20
APPENDIX 1: PIN OUT CONFIGURATION FOR CR6000.AAAA .................................................................................. 20
APPENDIX 2: PIN OUT CONFIGURATION FOR CR6000.BABA.................................................................................. 21
APPENDIX 3: PIN OUT CONFIGURATION FOR CR6000.BACA ................................................................................. 22
APPENDIX 4: OPENING /CLOSING THE PANEL MOUNT READER ................................................................................ 23
APPENDIX 5: OPENING/CLOSING THE DESKTOP MOUNT ......................................................................................... 24
APPENDIX 6: MOUNTING THE WINDOW (DESKTOP) .............................................................................................. 25
APPENDIX 7: ASSEMBLING CONNECTORS OF PANEL MOUNT READER .......................................................................... 26
List of Tables

VIX Technology
CR6000 user manual
VXP-00404
Revision 1.0
Page 5 of 26
© Vix IP Pty Ltd 2016
Vix IP Pty Ltd Confidential
TABLE 1: TERMINOLOGY .................................................................................................................................... 6
List of Figures
FIGURE 1: CR6000 CARD READER ...................................................................................................................... 10
FIGURE 2: CR6000 BLOCK DIAGRAM ................................................................................................................... 11
FIGURE 3 : EXTERNAL CLEANING OF THE CR6000 CARD READER ....................................................................... 13
FIGURE 4: LOCATION OF SAM SLOT .................................................................................................................... 17
FIGURE 5 : SAM BOARD SUPPORT. ................................................................................................................ 17
FIGURE 6 : PIN OUT CONFIGURATION CR6000.AAAA .................................................................................... 20
FIGURE 7 : PIN OUT CONFIGURATION CR6000.BABA .................................................................................... 21
FIGURE 8 : PIN OUT CONFIGURATION CR6000.BACA..................................................................................... 22
FIGURE 9 : ASSEMBLING CR6000 (WALL/BUS) .............................................................................................. 23
FIGURE 10: ASSEMBLING CR6000 (DESKTOP) ....................................................................................................... 24
FIGURE 11 : MOUNTING THE CR6000 WINDOW (DESKTOP) ............................................................................ 25
FIGURE 12 : ASSEMBLING CONNECTORS OF THE CR6000 READER (BUS/WALL) .................................................. 26

VIX Technology
CR6000 user manual
VXP-00404
Revision 1.0
Page 6 of 26
© Vix IP Pty Ltd 2016
Vix IP Pty Ltd Confidential
1 Introduction
1.1 Purpose
This manual provides instructions for the users of CR6000 validator.
1.2 Scope
This manual is intended for members of teams carrying out the necessary setup and
troubleshooting of CR6000 card reader. This document is divided into 3 parts as follows:
In the event of a problem or a malfunction, please contact Vix for any additional
assistance and information.
1.3 Terminology
The following table contains a list of common acronyms/terms and their meanings.
Table 1: Terminology
Term
Definition
CSC
Contactless Smart Card
EMC
Electro Magnetic Compatibility
ESD
Electro Static Discharge
OEM
Original Equipment Manufacture
PCB
Printed Circuit Board
SAM
Security Access Module
1.4 Safety
All installation work must be carried out in accordance with relevant Safety Codes and
Codes of Practice as well as recognized industry standards. The appropriate protective
clothing must be worn where necessary. Tools must be used in accordance with
manufacturers’ instructions and suitable for the task.
Personnel attempting to perform any work on the electrical wiring must be trained and
suitably qualified in the appropriate electrical codes of practice and must work in
accordance with those codes.
1.4.1 Safety Precautions
This document presents important information that is intended to ensure the safe and
effective use of this device. Please read this information carefully, and store it in an
accessible location near your installation.
1.4.2 Warnings and Cautions
Warnings and cautions are used to call attention to potential hazards. Failure to observe
the information provided with the warnings and cautions may result in injury or property
damage. Be sure that you understand the meaning of each before you proceed.

VIX Technology
CR6000 user manual
VXP-00404
Revision 1.0
Page 7 of 26
© Vix IP Pty Ltd 2016
Vix IP Pty Ltd Confidential
WARNING:
Indicates a potentially lethal hazard. Failure to observe a WARNING may
result in severe injury or death.
CAUTION:
Failure to observe a CAUTION may result in personal injury or damage to
the device or other property.
WARNING:
The device should only be installed, serviced and maintained by qualified service
personnel. Improper repair work can be dangerous. Tampering with this device
may result in injury, fire, or electric shock.
In accordance with local requirements, the device should only be installed by a
qualified electrician. Improper work can be dangerous. Tampering with this device
may result in injury, fire or electric shock.
Disconnect all power before carrying out repairs or service.
Be sure to use the specified power source for the device. Connection to an
improper power source may cause fire or electric shock.
CAUTION:
This device must be earthed (grounded).
The enclosure section of this device is heavy caution needs to be used when
opening the device to avoid damage or injury.
1.4.3 EMC and Safety Standards Applied
Product Name: CR6000
The following standards have been applied to this device:
CE Marking
Safety: EN60950-1:2002
FCC Part 15
1.4.3.1 FCC compliance statement
This equipment has been tested and found to comply with the limits for a Class B digital
device, pursuant to Part 15 of the FCC Rules. These limits are designed to provide
reasonable protection against harmful interference in a residential installation. This
equipment generates, uses and can radiate radio frequency energy and, if not installed
and used in accordance with the instructions, may cause harmful interference to radio
communications. However, there is no guarantee that interference will not occur in a
particular installation. If this equipment does cause harmful interference to radio or
television reception, which can be determined by turning the equipment off and on, the
user is encourage to try to correct the interference by one or more of the following
measures:

VIX Technology
CR6000 user manual
VXP-00404
Revision 1.0
Page 8 of 26
© Vix IP Pty Ltd 2016
Vix IP Pty Ltd Confidential
Reorient or relocate the receiving antenna
Increase the separation between the equipment and receiver
Connect the equipment into an outlet on a circuit different from that to which the
receiver is connected
Consult the dealer or an experienced radio/TV technician for help
WARNING:
THE GRANTEE IS NOT RESPONSIBLE FOR ANY CHANGES OR MODIFICATIONS NOT
EXPRESSLY APPROVED BY THE PARTY RESPONSIBLE FOR COMPLIANCE. SUCH
MODIFICATIONS COULD VOID THE USER’S AUTHORITY TO OPERATE THE EQUIPMENT.
1.4.3.2 Human exposure statement:
To meet human exposure requirements a separation distance of > 20cm should be
maintained.

VIX Technology
CR6000 user manual
VXP-00404
Revision 1.0
Page 9 of 26
© Vix IP Pty Ltd 2016
Vix IP Pty Ltd Confidential
2 Organization & maintenance program
There are three categories of maintenance activities for devices, namely:
First level maintenance (in-situ maintenance);
Second level maintenance;
Third level maintenance (repair shop maintenance).
The factors that differentiate these three categories include:
The skill level required;
The complexity of test equipment and tools;
The feasibility of on-site maintenance activities.
2.1 First level maintenance (in-situ maintenance)
In-situ maintenance is done on site and does not require workshop facilities or tools or
specialized testing equipment. Only basic technical knowledge is required and the work is
done according to established procedures.
2.2 Second level maintenance
Second level maintenance is performed by properly trained technicians and undertaken in
a workshop with the required test equipment and tools.
2.3 Third level maintenance (repair shop
maintenance)
Level 3 maintenance must be carried out by Vix and activities belonging to this category
are normally done in a workshop. They require a degree of technical knowledge and may
require the use of certain specialized tools. These activities are undertaken by qualified
electronic or software engineers with detailed knowledge of the Device.

VIX Technology
CR6000 user manual
VXP-00404
Revision 1.0
Page 10 of 26
© Vix IP Pty Ltd 2016
Vix IP Pty Ltd Confidential
3 CR6000 overview
The CR6000 validator has the following functions:
Validating contactless cards;
Data transfer management between different devices (e.g. Driver Console)
The CR6000 is composed of a passenger interface with a TFT display and LEDs.
Figure 1: CR6000 card reader

VIX Technology
CR6000 user manual
VXP-00404
Revision 1.0
Page 11 of 26
© Vix IP Pty Ltd 2016
Vix IP Pty Ltd Confidential
3.1 Internal structure of the CR6000 validator
The following diagram represents the interconnection of different electronic boards with
processed signals.
Figure 2: CR6000 block diagram

VIX Technology
CR6000 user manual
VXP-00404
Revision 1.0
Page 12 of 26
© Vix IP Pty Ltd 2016
Vix IP Pty Ltd Confidential
4 Instructions for users
4.1 Torque settings
The tightening torques of all fasteners must correspond to standards defined by Vix this
being 2.0 Nm for the cradle locking nuts and 0.6 Nm for all fasteners.
4.2 Tools
4.2.1 Standard tools
The following list represents tools and consumables required:
This list is only shown as reference and can be extended depending on the nature of the
task:
Air pressure can - oil free.
Plastic cleaning foam.
Screwdriver cross-shaped head screws G n°1, n°2, n°3 Philips.
Screwdriver for 5 and 5.5 hexagonal screws.
Allen screwdriver 5/64.
Set of slotted screwdrivers.
Dry cloth or lint free cloth
4.3 External cleaning of the CR6000 card reader
4.3.1 Required staff and time
1 agent for 2 minutes (once the preliminary instructions are completed).
4.3.2 Preliminary instructions
Switch the card reader off. (Following the version, switch the vehicle off or unplug
the power supply)
4.3.3 Procedure
1. Spray some plastic cleaning foam on the CR6000 card reader.
2. Clean and take out all the residues with a dry cloth or a lint free cloth.
Never use alcohol and avoid any abusive water splash.
Excessive use of water or alcoholic cleanser can damage the
CR6000.

VIX Technology
CR6000 user manual
VXP-00404
Revision 1.0
Page 13 of 26
© Vix IP Pty Ltd 2016
Vix IP Pty Ltd Confidential
Figure 3 : External cleaning of the CR6000 card reader
4.4 Opening the CR6000 Panel mount card reader
4.4.1 Required staff and time
1 agent for 10 minutes (once the preliminary instructions are completed).
4.4.2 Preliminary instructions
Switch the card reader off. (Following the version, switch the vehicle off or unplug
the power supply)
4.4.3 Procedure
Please consult following drawings along with these instruction :
45-0720
45-0721
40-1079

VIX Technology
CR6000 user manual
VXP-00404
Revision 1.0
Page 14 of 26
© Vix IP Pty Ltd 2016
Vix IP Pty Ltd Confidential
a) Remove the 4 cable assembly
and cover screws.
b) Un-plug the cable connectors
from the PCB
c) Remove the 4 housing screws.
d) Push the PCB, Display and
window assembly out the front of the
housing as shown.

VIX Technology
CR6000 user manual
VXP-00404
Revision 1.0
Page 15 of 26
© Vix IP Pty Ltd 2016
Vix IP Pty Ltd Confidential
e) Disconnect the 3 plugs.
f) Peel back the adhesive tape
from the PCB assembly.
4.5 Opening the CR6000 Desktop Mount card reader
4.5.1 Required staff and time
1 agent for 10 minutes (once the preliminary instructions are completed).
4.5.2 Preliminary instructions
Switch the card reader off. (Following the version, switch the vehicle off or unplug
the power supply)
4.5.3 Procedure
Please consult following drawings along with these instructions:
45-0720
45-0721
40-1079
Turn the card reader over, front case on the work surface; put a clean foam coating
between the screen and the work surface to prevent your CR6000 from being scratched.
a) Remove 6 srews shown as 1
which hold the window.
b) Remove 4 screws shown as 2
which hold the frame.

VIX Technology
CR6000 user manual
VXP-00404
Revision 1.0
Page 16 of 26
© Vix IP Pty Ltd 2016
Vix IP Pty Ltd Confidential
c) Lift the window up, notice the
direction of assembly.
d) Un-plug the cable connectors
from the PCB.
4.5.4 Installing and removing the SAM card
4.5.4.1 Tools and consumables
Standard tools.
4.5.4.2 Required staff and time
1 agent for 2 minutes (once the preliminary instructions are completed).
4.5.4.3 Preliminary instructions
Open the reader (cf. § Error! Reference source not found.).
4.5.4.4 Assembling/disassembling the SAM card

VIX Technology
CR6000 user manual
VXP-00404
Revision 1.0
Page 17 of 26
© Vix IP Pty Ltd 2016
Vix IP Pty Ltd Confidential
The CR6000 must be switched off before adding or removing a SAM card.
Figure 4: Location of SAM slot
1. Slide the SAM hood to open it.
2. Insert the SAM.
3. Close the SAM hood and slide it to lock it.
1. SAM support
2. SAM hood/lock
3. SAM
Figure 5 : SAM board support.

VIX Technology
CR6000 user manual
VXP-00404
Revision 1.0
Page 18 of 26
© Vix IP Pty Ltd 2016
Vix IP Pty Ltd Confidential
5 Troubleshooting
If you detect an eventual problem, first, try to solve it with the following table.
N°
Diagnosis
Repairing
1
The CR6000 reader does
not switch on
Check if the validator is plugged to the power connector of the
support.
Check the vehicle power (on board installation).
Check the power supply (desktop installation).
If the problem remains, please contact VIX TECHNOLOGY
2
The card reader screen is
frozen on the VIX logo
Wait for a few minutes, a software update might be running.
Disconnect the power for 30 seconds then connect it back.
If the problem remains, please contact VIX TECHNOLOGY
3
The CR6000 reader does
not read contactless
cards anymore
Check with another contactless card (a card might be
damaged).
Check if the validator software is still working (The clock display
has to change)
Check if there is a SAM board (if used)
Check the connections between the BRD0851 board and the
antenna board.
Test with another SAM (if used).
If the problem remains, please contact VIX TECHNOLOGY
4
The CR6000 reader does
not communicate with
other devices
When you’re having an Ethernet communication problem:
Check the software version of the different devices.
If you have a ticketing console make sure its blocking function
is not on.
Check the wiring of the different supports.
If the problem remains, please contact VIX TECHNOLOGY
5
The CR6000 reader
reboots after a power cut
If the reader has been unplugged for more than 30days, plug it
for an hour in order to charge its battery.
If the reader works every day, check the software version.
The battery might be old; it has to be replaced by VIX
TECHNOLOGY.
If the problem remains, please contact VIX TECHNOLOGY
Table 1 : breakdowns and solutions
5.1 Serial Port Logging
Prerequisites:
Terminal Emulator such as TeraTerm or HyperTerminal.
A PC or laptop with Serial port connection.
Procedure:
1. Invoke a terminal emulator (such as HyperTerminal or Tera Term) on the PC, with the following
settings: 115200bps, 8 data bits, no parity, 1 stop bit, no flow control.
2. Apply power to the CR6000.
3. The device will start to boot and on the terminal Emulator following should be seen:

VIX Technology
CR6000 user manual
VXP-00404
Revision 1.0
Page 19 of 26
© Vix IP Pty Ltd 2016
Vix IP Pty Ltd Confidential
4. After the device finishes booting, it will stop at a Login prompt.
5. Now login with the user name “root” (all small letters) and project specific password.

VIX Technology
CR6000 user manual
VXP-00404
Revision 1.0
Page 20 of 26
© Vix IP Pty Ltd 2016
Vix IP Pty Ltd Confidential
6 APPENDICES
Appendix 1: pin out configuration for
CR6000.AAAA
Figure 6 : Pin out configuration CR6000.AAAA

VIX Technology
CR6000 user manual
VXP-00404
Revision 1.0
Page 21 of 26
© Vix IP Pty Ltd 2016
Vix IP Pty Ltd Confidential
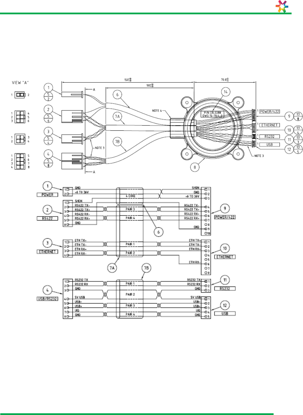
Appendix 2: Pin out configuration for CR6000.BABA
Figure 7 : Pin out configuration CR6000.BABA

VIX Technology
CR6000 user manual
VXP-00404
Revision 1.0
Page 22 of 26
© Vix IP Pty Ltd 2016
Vix IP Pty Ltd Confidential
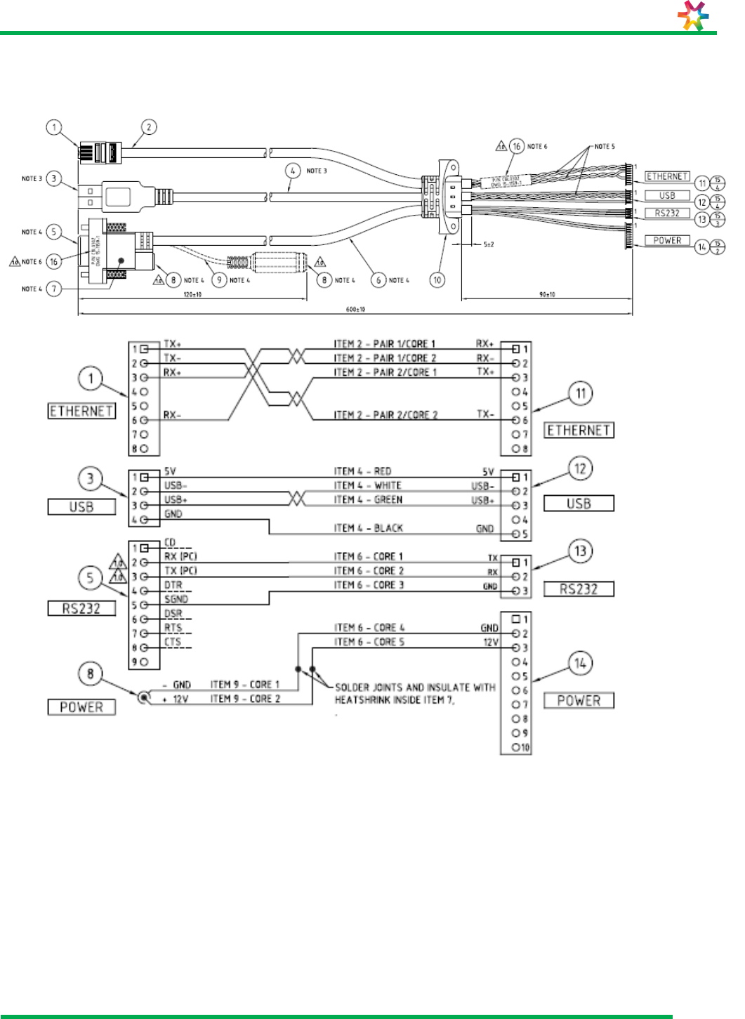
Appendix 3: Pin out configuration for CR6000.BACA
Figure 8 : Pin out configuration CR6000.BACA

VIX Technology
CR6000 user manual
VXP-00404
Revision 1.0
Page 23 of 26
© Vix IP Pty Ltd 2016
Vix IP Pty Ltd Confidential
Appendix 4: Opening /closing the Panel Mount reader
Figure 9 : Assembling CR6000 (wall/bus)

VIX Technology
CR6000 user manual
VXP-00404
Revision 1.0
Page 24 of 26
© Vix IP Pty Ltd 2016
Vix IP Pty Ltd Confidential
Appendix 5: Opening/closing the desktop mount
reader
Figure 10: Assembling CR6000 (desktop)

VIX Technology
CR6000 user manual
VXP-00404
Revision 1.0
Page 25 of 26
© Vix IP Pty Ltd 2016
Vix IP Pty Ltd Confidential
Appendix 6: Mounting the window (desktop)
Figure 11 : Mounting the CR6000 window (desktop)

VIX Technology
CR6000 user manual
VXP-00404
Revision 1.0
Page 26 of 26
© Vix IP Pty Ltd 2016
Vix IP Pty Ltd Confidential
Appendix 7: assembling connectors of panel mount
reader
Figure 12 : assembling connectors of the CR6000 reader (bus/wall)