Von Duprin HH98/9927 & F Installation Instructions 109256
User Manual: Von Duprin HH98/9927 & HH98/9927-F Installation Instructions Installation Instructions
Open the PDF directly: View PDF
.
Page Count: 12

*911386-00*
911386-00
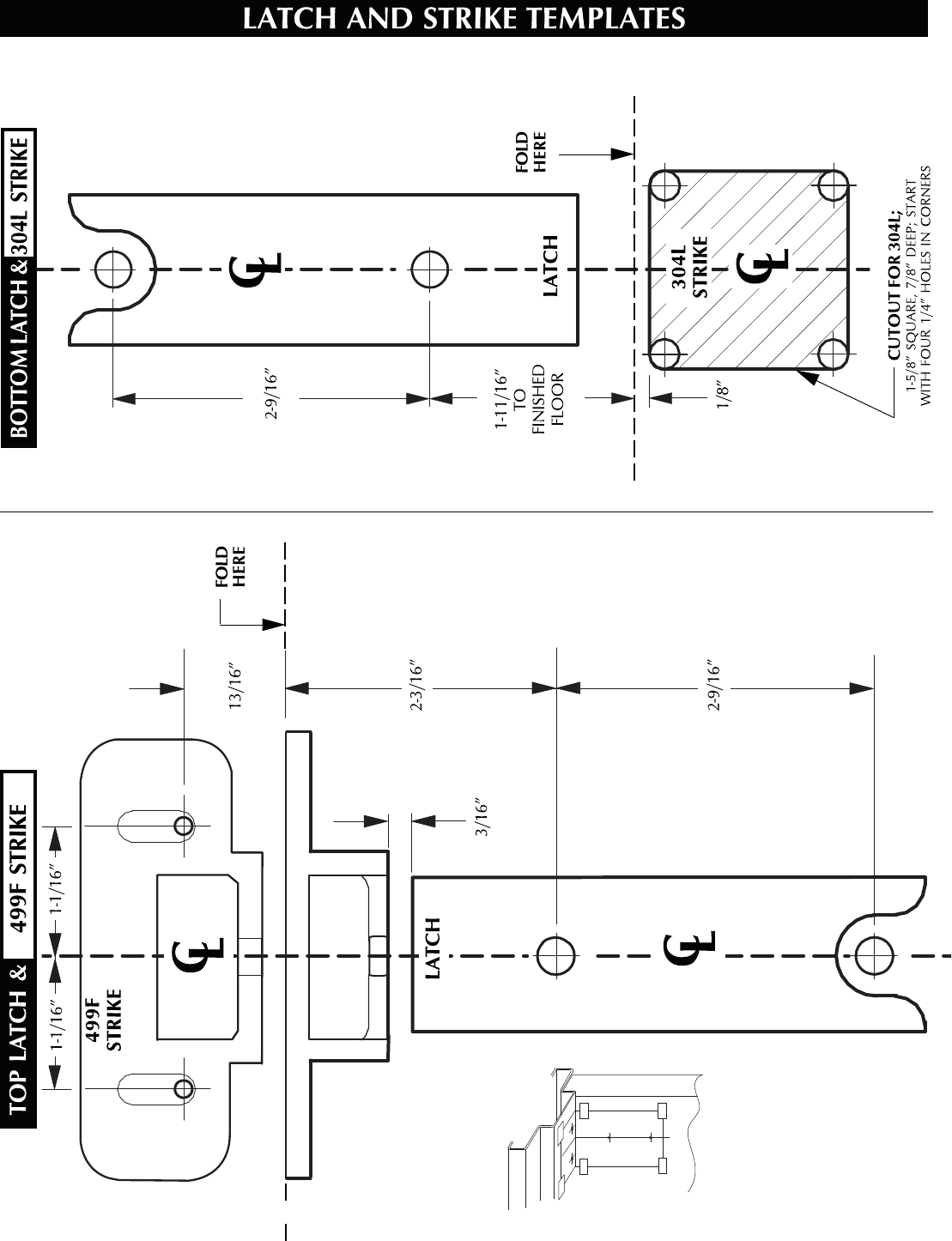
Surface Vertical Rod Device
HH98/9927 &
HH98/9927-F Installation Instructions
© Allegion 2014
Printed in U.S.A.
911386-00 Rev. 01/14-c
Customer Service
1-877-671-7011 www.allegion.com/us
THIS PRODUCT MEETS THE REQUIREMENTS OF THE
SOUTH FLORIDA BUILDING CODE CHAPTER 32.
DESIGN RATING: 65 PSF.
ONLY 992L/L-BE/L-DT, 994L/L-BE/L-DT, OR 990DT TRIM CAN
BE USED WITH THIS PRODUCT. NO NL FUNCTION TRIM.
REFER TO CATALOG FOR OUTSIDE TRIM OPTIONS.
ONLY LX, ALK, AND SS ELECTRICAL OPTIONS ARE
AVAILABLE.
Devices covered by these instructions:
HH98/9927 Surface Vertical Rod Device
HH98/9927-F Fire Exit Surface Vertical Rod Device

2

3

4

5
#7 Drill
1/4”-20 TAP
#25 Drill
#10-24 TAP

6

7

8

9
10

11
12