WEEDEATER Rear Tine, Gas Tiller Manual L0311005
User Manual: WEEDEATER WEEDEATER Rear Tine, Gas Tiller Manual WEEDEATER Rear Tine, Gas Tiller Owner's Manual, WEEDEATER Rear Tine, Gas Tiller installation guides
Open the PDF directly: View PDF
.
Page Count: 28

OWNER'S MANUAL
MODEL NO.WET6500A
6.5 HP 17 Inch
Tiller
Assembly
•Operation
Maintenance
•Service and Adjustments
• Storage
•Troubleshooting
•Repair Parts
For Parts and Service, contact our authorized distributor: call 1-800-849-1297
For Technical Assistance: call 1-800-829-5886
WEEDEATER
186100 Rev. 1 02.21.03 TR
PRINTED IN U.S.A.

SAFETY RULES
SAFE OPERATION PRACTICES FOR WALK-BEHIND POWERED ROTARYTILLERS
TRAINING
Read the Owner's Manual carefully, Be thoroughly
familiar with the controls and the proper use of the
equipment, Know how to stop the unit and disengage
the controls quickly.
•Never allow children to operate the equipment. Never
allow adults to operate the equipment without proper
instruction.
• Keep the area of operation clear of all persons, par-
ticularly small children, and pets.
PREPARATION
Thoroughly inspect the area where the equipment is
to be used and remove all foreign objects.
• Disengage all clutches and shift into neutral before
starting the engine (motor).
• Do not operate the equipment without wearing ade-
quate outer garments. Wear footwear that will improve
footing on slippery surfaces.
• Handle fuel with care; it is highly flammable.
• Use an approved fuel container.
• Never add fuel to a running engine or hot engine.
• Fill fuel tank outdoors with extreme care. Never fill fuel
tank indoors.
•Replace gasoline cap securely and clean up spilled
fuel before restarting.
• Use extension cords and receptacles as specified by
the manufacturer for all units with electric drive motors
or electric starting motors.
•Never attempt to make any adjustments while the
engine (motor) is running (except where specifically
recommended by manufacturer).
OPERATION
• Do not put hands or feet near or under rotating parts.
Exercise extreme caution when operating on or cross-
ing gravel drives, walks, or roads. Stay alert for hidden
hazards or traffic. Do not carry passengers.
•After striking aforeign object, stop the engine (motor),
removethe wirefrom the spark plug, thoroughlyinspect
the tillerfor any damage, and repairthe damage before
restarting and operating the tiller.
•Exercise caution to avoid slipping or falling.
•If the unit should start to vibrate abnormally, stop the
engine (motor) and check immediately for the cause.
Vibration is generally a warning of trouble.
•Stop the engine (motor) when leaving the operating
position.
•Take all possibleprecautions when leaving the machine
unattended. Disengage the tines, shiftinto neutral, and
stop the engine.
•Before cleaning, repairing, or inspecting, shut off the
engine and makecertain all movingparts have stopped.
Disconnect the sparkplug wire, and keep the wire away
from the plugtoprevent accidental starting. Disconnect
the cord on electric motors.
•Do not run the engine indoors; exhaust fumes are
dangerous.
•Never operate the tiller without proper guards, plates,
or other safety protective devices in place.
•Keep children and pets away.
• Do not overload the machine capacity by attempting
to till too deep at too fast a rate.
•Never operate the machine at high speeds on slippery
surfaces. Look behind and use care when backing.
•Never allow bystanders near the unit.
•Use only attachments and accessories approved by
the manufacturer of the tiller.
•Never operate the tiller without good visibilityor light.
•Be careful when tilling in hard ground. The tines may
catch in the ground and propel the tiller forward. If this
occurs, let go of the handlebars and do not restrain the
machine.
MAINTENANCE AND STORAGE
•Keep machine, attachments, and accessories in safe
working condition.
•Check shear pins, engine mounting bolts, and other
bolts at frequent intervals for proper tightness to be
sure the equipment is in safe working condition.
•Never store the machine with fuel inthe fuel tank inside
a building where ignition sources are present, such
as hot water and space heaters, clothes dryers, and
the like. Allow the engine to cool before storing in any
enclosure.
•Always refer to the operator's guide instructions for
important details if the tiller is to be stored for an ex-
tended period.
-IMPORTANT -
CAUTIONS, IMPORTANTS, AND NOTES ARE A MEANS OF
ATTRACTING ATTENTION TO IMPORTANT OR CRITICAL
INFORMATION IN THIS MANUAL.
IMPORTANT: USED TO ALERT YOU THAT THERE IS A
POSSIBILITY OF DAMAGINGTHIS EQUIPMENT.
NOTE: Gives essential information that will aid you to
better understand, incorporate, or execute a particular set
of instructions.
Look for this symbol to point out im- I
portant safety precautions. It means I
CAUTIONtII BECOME ALERT!!! YOUR
SAFETY IS INVOLVED.
CAUTION: Always disconnect spark
plug wire and place wire where it can-
not contact spark plug in order to pre-
vent accidental starting when setting
up, transporting, adjusting or making
repairs.
,A WARNING ,A
The engine exhaust from this product contains
chemicals known to the State of California to
cause cancer, birth defects, or other reproduc-
tive harm.
2

PRODUCT SPECIFICATIONS
GASOLINE CAPACITY: 3 Quarts (2.8L)
Unleaded Regular
OIL (API-SF-SJ): SAE 30 (Above 32°F/0°C)
(Capacity: 20 ozJ0.6L) SAE 5w-30 (Below 32°F/0°C)
SPARK PLUG : - Champion
GAP: .030"/0,76mm) RJ19LM
CONGRATULATIONS on your purchase of a new tiller. It
has been designed, engineered and manufactured to give
you the best possible dependability and performance.
Should you experience any problems you cannot easily
remedy, please contact your nearest authorized service
center. We have competent, well-trained technicians and
the proper tools to service or repair this unit.
Please read and retain this manual. The instructions will
enable you to assemble and maintain your tiller properly.
Always observe the "SAFETY RULES".
CUSTOMER RESPONSIBILITIES
Read and observe the safety rules.
-_ Follow a regular schedule in maintaining, caring for
and using your tiller.
Follow instructions under"Maintenance" and "Storage"
sections of this Owner's Manual.
WARNING:This unit is equipped with an internal combustion
engine and should not be used on or near any unimproved
forest-covered, brush-covered or grass covered land un-
less the engine's exhaust system is equipped with a spark
arrester meeting applicable local or state laws (if any). If a
spark arrester is used, it should be maintained in effective
working order by the operator.
In the state of California the above is required by law (Section
4442 of the California Public Resources Code). Otherstates
may have similar laws. Federal laws apply on federal lands.
See your Sears Authorized Service Center/Department for
spark arrester. Refer to the Repair Parts section of this
manual for part number.
TABLE OF CONTENTS
SAFETY RULES ............................................................ 2
CUSTOMER RESPONSIBILrrlES ................................. 3
PRODUCT SPECIFICATIONS ....................................... 3
ASSEMBLY ................................................................. 4-6
OPERATION ............................................................. 7-11
MAINTENANCE SCHEDULE ...................................... 12
MAINTENANCE ..................................................... 12-14
SERVICE & ADJUSTMENTS ................................. 15-18
STORAGE .................................................................... 19
TROUBLESHOOTING ................................................. 20
REPAIR PARTS-TILLER ......................................... 21-27
WARRANTY ................................................................. 28
3



ASSEMBLY
CONNECT SHIFT ROD (See Fig. 7)
ATTACH CLUTCH CABLE (See Fig. 6)
•Hook end of clutch cable through hole in control bar
bracket if necessary.
END OF CONTROL BAR
CLUTCH CABLE BRACKET
CONTROLBAR
BRACKET
BAR
CLUTCH
CABLE
FIG. 6
•Insert end of shift rod into hole of shift lever indicator.
Insert hairpin clip through hole of shift rod to secure.
SHIFT HAIRPIN SHIFT
CLIP, LEVER
INDICATOR
FIG. 7
REMOVE TILLER FROM CRATE
•Make sure shift lever indicator is in "N" position (See
Fig, 7)
•Tilt tiller forward by lifting handle. Separate cardboard
cover from leveling shield.
•Rotate tiller handle to the right and pull tiller out of
carton.
CHECKTIRE PRESSURE
The tires on your unit were overinflated at the factory for
shipping purposes. Correct and equal tire pressure is
important for best tillingperformance.
•Reduce tire pressure to 20 PSI (1.4 kg/cm2).
HANDLE HEIGHT
• Handle height may be adjusted to better suit operator.
(See "TO ADJUST HANDLE HEIGHT" in the Service
and Adjustments section of this manual).
6

KNOWYOUR TILLER
OPERATION
L
READ THIS OWNER'S MANUAL AND SAFETY RULES BEFORE OPERATING YOUR TILLER.
Compare the illustrationswith your tiller to familiarize yourself with the location of various controls and adjustments, Save
this manual for"futui'e reference.
These symbols may appear on your Tiller or in literature supplied with the product. Learn and understand their
meaning.
tiLLING FORWARD NEUTRAL REVERSE CAUTION ENGINE FAST SLOW
OR WARNING ON OFF
,EVER
THROTTLE CONTROL
CHOKE CONTROL
DRIVE CONTROL
BAR
DEPTH STAKE
LEVELING
OUTER SIDE
RECOIL
STARTER
HANDLE
FIG. 8
MEETS ANSI SAFETY REQUIREMENTS
Our tillersconform to the safety standards of the American National Standards Institute.
THROTTLE CONTROL - Used to control engine speed.
DRIVE CONTROL BAR - Used to engage tiller.
DEPTH STAKE - Controls depth at which tiller will dig.
LEVELING SHIELD - Levels tilled soil.
OUTER SIDE SHIELD - Adjustable to protect small plants
from being buried.
SHIFT LEVER - Used to shift transmission gears.
SHIFT LEVER INDICATOR - Shows which gear the trans-
mission IS In.
RECOIL STARTER HANDLE - Used to start the engine.
CHOKE CONTROL -Used when starting a cold engine.
7

OPERATION
The operation of any tiller can result in foreign objects thrown into the eyes, which can
result in severe eye damage. Always wear safety glasses or eye shields before starting
your tiller and while tilling. We recommend a wide vision safety mask over spectacles or
standard safety glasses.
HOW TO USE YOUR TILLER
Know how to operate all controls before adding fuel and
oil or attempting to start engine.
STOPPING (See Fig. 9)
TINES AND DRIVE
Release drive control bar to stop movement.
Move shift lever to "N" (neutral) position•
ENGINE
•Move throttle control to "STOP" position. If equipped
with stop switch, move switch to "STOP" position.
Never use choke to stop engine.
HANDLE HIFT LEVER
THROTTLE_
CONTROL
DRIVE CONTROL
BAR "ENGAGED"
POSITION
DRIVE CONTROL BAR
"DISENGAGED" POSITION
FIG. 9
TINE OPERATION -WITH WHEEL DRIVE
Always release drive control bar before moving shift
lever into another position.
•Tine movement is achieved by moving shift lever to
(_) till position and engaging drive control bar.
FORWARD- WHEELS ONLY/TINES
STOPPED
•Release drive control bar and move shiftlever indicator
to =F"(forward) position. Engage drive control bar and
tiller will move forward.
REVERSE -WHEELS ONLY/TINES STOPPED
•DO NOT STAND DIRECTLY BEHIND TILLER.
• Release the drive control bar.
•Move throttle control to "SLOW" position.
•Move shift lever indicator to "R" (reverse) position.
•Hold drive control bar against the handle to start tiller
movement.
HARD TO SHIFT GEARS
Brieflyengage drivecontrol barand release or rocktiller
forward and backward until are able to shift gears.
DEPTH STAKE (See Fig. 10)
The depth stake can be raised or loweredto allow you more
versatile tilling and cultivating, or to more easily transport
our tiller,
SHALLOWEST
TILLING (CULTI-
VATING)
DEEPEST
TILLING
DEPTH
STAKE j
_TRANSPORT
POSITION
FIG. 10
TILLING (See Fig. 11)
Release depth stake pin. Pull the depth stake up for
increased tillingdepth. Place depth stake pin in hole
of depth stake to lock in position.
•Place shift lever indicator in till position.
•Hold the drive control bar against the handle to start
tillingmovement. Tines and wheels will both turn.
•Move throttle control to "FAST" positionfordeep tilling.
To cultivate, throttlecontrol CaRbe set at any desired
speed, depending on how fast or slow you wish to
cultivate.
IMPORTANT: ALWAYS RELEASE DRIVE CONTROL
BAR BEFORE MOVING SHIFT LEVER INTO ANOTHER
POSITION.
DEPTH STAKE PIN
"RELEASED" POSITION
\
NUT "B"
OUTER
SIDE SHIELD
"LOCKED"
POSITION
FIG. 11
8

OPERATION
TURNING •
•Release the drive control bar.
•Move throttle control to "SLOW" position.
Place shift leverindicatorin"F' (forward) position. Tines
will not turn. •
Lift handle to raise tines out of ground.
• Swing the handle in the opposite direction you wish
to turn, being careful to keep feet and legs away from
tines.
•When you have completed your turn-around, release
the drive control bar and lower handle. Place shift
lever in till position and move throttle control to desired
speed. To begin tilling, hold drive control bar against
the handle.
OUTER SIDE SHIELDS (See Fig. 11)
The back edges of the outer side shields are slotted so
that the shields can be raised for deep tilling and lowered
for shallow tilling to protect small plants from being buried.
Loosen nut =A" in slot and nut =B". Move shield to desired
position (both sides). Retighten nuts.
TOTRANSPORT
ACAUTION: Before lifting or transporting, I
allow tiller engine and muffler to cool.
Disconnect spark plug wire. Drain
gasoline from fuel tank.
AROUND THE YARD
Release the depth stake pin. Move the depth stake
down tothetop hole for transporting the tiller. Place
depth stake pin in hole of depth stake to lock in posi-
tion. This prevents tines from scuffing the ground.
Place shift lever indicator in "F" (forward) position for
transporting.
Hold the drive controlbar against the handle to start
tiller movement. Tines will not turn.
•Move throttle control to desired speed.
AROUND TOWN
•Disconnect spark plug wire.
•Drain fuel tank.
•Transport in uprightposition to prevent oil leakage.
BEFORE STARTING ENGINE
IMPORTANT: BE VERY CAREFUL NOT TO ALLOW DIRT
TO ENTER THE ENGINE WHEN CHECKING OR ADDING
OIL OR FUEL. USE CLEAN OIL AND FUEL AND STORE IN
APPROVED, CLEAN, COVERED CONTAINERS. USE CLEAN
FILL FUNNELS.
CHECK ENGINE OIL LEVEL (See Fig. 12)
•The engine in your unit has been shipped, from the
factory, already filled with SAE 30 summer weight oil.
•Be sure tiller is level and the area around oil fill is
clean.
•Check oil level before each use. Add oil if needed. Fill
to full line on dipstick.
•To read proper level, tighten engine oil cap each
time.
Reinstall engine oil cap and tighten.
For approximate capacity see "PRODUCT SPECIFIC-
ATIONS" on page 3 of this manual. All oil must meet
A.RI. Service Classification SF-SJ.
For cold weather operation you should change oil for
easier starting (See oil viscosity chart in the Mainte-
nance section of this manual).
To change engine oil, see the Maintenance section in
this manual.
_'_ OIL RLL
ICAP/DIPSTICK
FIG. 12
ADD GASOLINE
•Fill fuel tank to bottom of filler neck. Do not overfill.
Use fresh, clean, regular unleaded gasoline with a
minimum of 87 octane. (Use of leaded gasoline will
increase carbon and lead oxide deposits and reduce
valve life). Do notmix oilwith gasoline. Purchase fuel
in quantities that can be used within 30 days to assure
fue! freshness.
A CAUTION: Fill to within 112 inch of top
of fuel tank to prevent spills and to allow
for fuel expansion. If gasoline is ac-
cidentally spilled, move machine away
from area of spill. Avoid creating any
source of ignition until gasoline vapors
have disappeared.
Wipe off any spilled oil or fuel. Do not
store, spill or use gasoline near an
open flame.
IMPORTANT: WHEN OPERATING IN TEMPERATURES
BELOW32°F(0°C), USE FRESH, CLEAN WINTER GRADE
GASOLINE TO HELP INSURE GOOD COLD WEATHER
STARTING.
CAUTION: Alcohol blended fuels (called
gasohol or using ethanol or methanol) can at-
tract moisture which leads to separation and
formation of acids during storage. Acidic gas
can damage the fuel system of an engine while
in storage. To avoid engine problems, the fuel
system should be emptied before storage of
30 days or longer. Drain the gas tank, start
the engine and let it run until the fuel lines
and carburetor are empty. Use fresh fuel next
season. SeeStorage Instructions for additional
information. Never use engine or carburetor
cleaner products in the fuel tank or penTtanent
damage may occur.
9

..... OPERATION
TO START ENGINE (See Fig. 13) TILLING HINTS
I_[]L CAUTION: Keep drive control bar in
"DISENGAGED" position when start-
ing engine.
When starting engine for the first time or if engine has run
out of fuel, it will take extra pulls of the recoil starter to
move fuel from the tank to the engine•
• Make sure spark plug wire is properly connected.
•Move shift lever indicator to "N" (neutral) position•
• Place throttle control in "FAST" position.
• To start a cold engine, push primer five (5) times before
trying to start. Use a firm push. This step is not usually
necessary when starting an engine which has already
run for a few minutes.
• Grasp recoil starter handle with one hand and grasp
tiller handle with other hand. Pull rope out slowly until
engine reaches start of compression cycle (rope will
pull slightly harder at this point).
• Pull recoil starter handle quickly. Do not let starter
handle snap back against starter.
• Allow engine to warm up for a few minutes before
engaging tines.
NOTE: In cooler weather it may be necessary to repeat
priming steps. In warmer weather over priming may
cause flooding and engine will not start. If you do flood
engine, wait a few minutes before attempting to start and
do not repeat priming steps.
CAUTION: Until you are accustomed to I
handling your tiller, start actual field use
with throttle in stow position (mid-way
between "FAST" and "IDLE").
Tilling is digging into, turning over, and breaking up
packed soil before planting. Loose, unpacked soilhelps
root growth. Best tilling depth is 4" to 6" (10-15 cm).
A tiller will also clear the soil of unwanted vegetation.
The decomposition of this vegetable matter enriches
the soil. Depending on the climate (rainfall and wind),
it may be advisable to till the soil at the end of the
growing season to further condition the soil.
Soil conditions are important for proper tilling.Tines will
notreadily penetrate dry,hard soilwhich may contribute
to excessive bounce and difficult handling of your tiller.
Hard soil should be moistened before tilling;however,
extremely wet soil will "ball-up" or clump during tilling.
Wait until the soil is less wet in order to achieve the
best results.When tilling in the fall, remove vines and
long grass to prevent them from wrapping around the
tine shaft and slowing your tilling operation.
You will find tilling much easier if you leave a row un-
tilled between passes. Then go back between tilled
rows. (See Fig. 14) There are two reasons for doing
this.First, wide turns are much easier to negotiate than
about-faces. Second, the tiller won't be pulling itself,
and you, toward the row next to it.
Do not lean on handle. This takes weight off the wheels
and reduces traction. To get through a really tough
section of sod or hard ground, apply upward pressure
on handle or lower the depth stake.
PRIMER RECOIL STARTER
HANDLE
FIG. 13
)?(q P;/:<
,'/; ..,, ,..,/?
5
/, ,/ /, //
FIG. 14
10

OPERATION
TINE SHEAR PINS
The tine assemblies on your tiller are secured to the tine
shaft with shear pins (See 'q-INE REPLACEMEN'I "_in the
Service and Adjustments section of this manual).
If the tiller is unusually overloaded or jammed, the shear
pins are designed to break before internal damage occurs
to the transmission.
•If shear pin(s) break, replace only with those shown in
the Repair Parts section of this manual.
CULTIVATING
Cultivating is destroying the weeds between rows to pro-
vent them from robbingnourishment and moisture from the
plants. At the same time, breaking up the upper layer of
soil crust will help retain moisture in the soil. Best digging
depth is 1"to 3" (2.5-7.5 cm). Lower the outer side shields
to protect small plants from being buried.
• Cultivate up and down the rows at a speed which will
allow tines to uproot weeds and leave the ground in
rough condition, promoting no further growth of weeds
and grass (See Fig. 15).
FIG. 15
ADJUST WHEELS FOR CULTIVATING (See
Figs. 16 and 17)
• Place blocks under righthand side of tillerand remove
hairpin clip and clevis pin from right hand wheel.
•Move wheel outward approximately 1 inch (2.5 cm)
until hole in inner wheet hub lines up with inner hole
in axle. , -
•Replace clevis pin and hairpin clip on inside of wheel
and remove blocks.
Repeat preceding steps on left hand side.
NOTE: In extremely rough conditions and while cultivat-
ing, the wheels should be moved outward on the axle for
increased stability.
OUTER VIEW OFTIRE
CLEVIS
' PIN
PIN
FIG. 16
INNER VIEW OFTIRE
CLEVIS
PIN
HAIRPIN -
CLIP
FIG. 17
11

MAINTENANCE
I
MAINTENANCE
SCHEDULE
FILL IN DATES
AS YOU COMPLETE
REGULAR SERVICE
Y
SERVICE DATES
Check Engine Oil Level li/' !_
Change Engine Oil 1_1,2
Oil Pivot Points If
Inspect Spark Arrester/Muffler V'
Inspect Air Screen I_
Clean or Replace Air Cleaner Cartridge I/2
Clean Engine Cylinder Fins Ii/
Replace Spark Plug
RH Gear Case Grease Fitting (1oz.) V'
1- Change moreoften whenoperatingunder a heavyloador inhighambienttemperatures.
2 - Servicemore often whenoperatingin dirtyordustyconditions.
GENERAL RECOMMENDATIONS
The warranty on this tiller does not cover items that have
been subjected to operator abuse or negligence. To receive
full value from the warranty, the operator must maintain tiller
as instructed in this manual.
Some adjustments will need to be made periodically to
properly maintain your tiller.
All adjustments in the Service and Adjustments section
of this manual should be checked at least once each
season.
•Once a year you should replace the spark plug, clean
or replace air filter, and check tines and belts for wear.
A new spark PlUg and clean air filter assure proper
air-fuel mixture and help your engine run better and
last longer.
BEFORE EACH USE
•Check engine oil level.
•Check tine operation.
•Check for loose fasteners.
LUBRICATION
Keep unit well lubricated (See "LUBRICATION CHART").
LUBRICATION CHART
OTHROTTLE CONTROL
(_ ENGINE
(_RH GEAR CASE
GREASE FITTING
STAKE PIN
SHIELD
HINGES
_) IDLER (D WHEEL
BRACKET HUB
(DSAE 30 OR 10W-30 MOTOR OIL
_)REFER TO MAINTENANCE"ENGINE" SECTION
(_EP #1 GREASE
12

MAINTENANCE
Disconnect spark plug wire before performing any maintenance (except carburetor adjustment) to prevent
accidental starting of engine.
Prevent fires! Keep the engine free of grass, leaves, spilled oil, or fuel. Remove fuel from tank before tipping
unit for maintenance. Clean muffler area of all grass, dirt, and debris.
Do not touch hot muffler or cylinder fins as contact may cause burns.
ENGINE
LUBRICATION
Use only high quality detergent oil rated with API service
classification SF-SJ. Select the oil's SAE viscosity grade
according to your expected temperature.
SAE VISCOSITY GRADES
-20 0 30 60 80
-30 -20 -10 010 20 30 40
TEMPERATURE RANGE ANTICIPATED BEFORE NEXT OIL CHANGE
"<
M_ \ "OIL LEVEL
_41 _ OILFILLER
PLUG
FIG. 19
FIG. 18
NOTE: Although multi-viscosity oils (5W-30, 10W-30, etc.)
improve starting in cold weather, these multi-viscosity oils
will result in increased oil consumption when used above
32°F (0°C). Check your engine oil level more frequently to
avoid possible engine damage from running low on oil.
Change the oil after every 25 hours of operation or at
least once a year if the tiller is not used for 25 hours in
one year.
Check the crankcase oil level before starting the engine
and after each five (5) hours of continuous use. Add SAE
30 motor oil or equivalent. Tighten oil filler plug securely
each time you check the oil level.
TO CHANGE ENGINE OIL (See Figs. 18 and 19)
Determine temperature range expected before oil change.
All oil must meet API service classification SF-SJ.
•Be sure tiller is on level surface.
•Oil will drain more freely when warm.
•Use afunnel to prevent oil spill on tiller, and catch oil
in a suitable container.
•Remove drain plug.
•Tip tiller forward to drain oil.
After oil has drained completely, replace oil drain plug
and tighten securely.
•Remove oil filler plug. Be careful not to allow dirt to
enter the engine.
•Refillenginewith oiLSee"CHECK ENGINE OIL LEVEl"
in the Operation section of this manual.
AIR FILTER (See Fig. 20)
Yourengine willnot run properly using a dirtyair filter,Clean
the foam pre-cleaner after every 25 hours of operation or
every season. Service paper cartridge every 100 hours of
operation or every season, whichever occurs first.
Service air cleaner more often under dusty conditions.
Remove cover screw and cover.
TO SERVICE PRE-CLEANER
Remove foam pre-cleaner from air cleaner cover.
•Wash it in liquid detergent and water.
•Squeeze it dry in a clean cloth.
•Saturate it in engine oil. Wrap it in clean, absorbent
cloth and squeeze to remove excess oil
•If very dirty or damaged, replace pre-cleaner.
•Reinstall pre-cleaner into air cleaner cover.
•Reinstall cover and secure screw.
TO SERVICE CARTRIDGE
• Carefully remove cartridge to prevent debris from
entering carburetor. Clean base carefully to prevent
debris from entering carburetor.
•Clean cartridge by tapping gently on flat surface. If
very dirty or damaged, replace cartridge.
•Reinstall cartridge, cover with pre-cleaner and secure
with screw.
IMPORTANT:PETROLEUMSOLVENTS,SUCHAS KEROSENE,
ARE NOT TO BE USED TO CLEAN THE CARTRIDGE. THEY
MAYCAUSE DETERIORATIONOFTHE CARTRIDGE. DO NOT
OIL CARTRIDGE. DO NOTUSE PRESSURIZEDAIRTO CLEAN
OR DRY CARTRIDGE.
FOAM
PRECLEANER
AIR CLEANER
CARTRIDGE
COVER
SCREW
FIG. 20
13

ri
MAINTENANCE ....
MUFFLER
COOLING SYSTEM (See Fig. 21)
Your engine is air cooled. For proper engine performance
and long life keep your engine clean.
•Clean air screen frequently using a stiff-bristled
brush.
• Remove blower housing and clean as necessary.
• Keep cylinder fins free of dirt and chaff.
CYLINDER FINS
MUFFLER
HOUSING
SCREEN
FIG. 21
Do not operate tiller without muffler. Do not tamper with
exhaust system. Damaged mufflers or spark arresters could
create a fire hazard. Inspect periodically and replace if
necessary. If your engine is equipped with a spark arrester
screen assembly, remove every 50 hours for cleaning and
inspection. Replace if damaged.
SPARK PLUG
Replace spark plugs at the beginning of each tilling sea-
son or after every 50 hours of use, whichever comes first.
Spark plug type and gap setting is shown in "PRODUCT
SPECIFICATIONS" on page 3 of this manual.
TRANSMISSION
Once a season, lubricate the right hand side gear case
grease fitting with oz. of EP #1 grease.
CLEANING
Do not clean your tiller when the engine and transmission
are hot. We do not recommend using pressurized water
(garden hose, etc.) to clean your unit unless the gasket
area around the transmission and the engine muffler, air
filter and carburetor are covered to keep water out. Water
in engine will shorten the useful life of your tiller.
• Clean engine, wheels, finish, etc. of all foreign mat-
ter.
• Keep finished surfaces and wheels free of all gasoline,
oil, etc.
• Protect painted surfaces with automotive type wax.
14

SERVICE AND ADJUSTMENTS
IA
TILLER
CAUTION: Disconnect spark plug wire from spark plug and place wire where it cannot come into 'I
contact with plug. I
TO ADJUST HANDLE HEIGHT (See Fig. 22)
Select handle height best suited for your tilling conditions.
Handle height will be different when tiller digs into soil.
•First loosen handle lock lever.
• Handle can be positioned at different settings between
"HIGH" and "LOW" positions.
• Retighten handle lock lever securely after adjusting;
TIRE CARE
I A CAUTION: When mounting tires, un-
less beads are seated,overinflation can
cause an explosion. I•
Maintain 20 PSI (1.4 kg/cm 2) of tire pressure. If tire
pressures are not equal, tiller will pull to one side.
Keep tires free of gasoline or oil which can damage
rubber.
HANDLE (HIGH
)
HANDLE LOCK
LEVER
HANDLE (LOW
POSITION
FIG. 22
TO REMOVE WHEEL (See Fig. 23)
•Place blocks under transmission to keep tiller from
tipping.
•Remove hairpin c!ip,and clevis pin from wheel,
• Remove wheel and tire;
• Repair tire and reassemble.
i l
CLEVIS PIN
HAIRPIN CLIP
FIG. 23
15

SERVICE AND ADJUSTMENTS
TINE REPLACEMENT
(See Figs. 24, 25 and 26)
I_1) CAUTION: Tines are sharp. Wear
gloves or other protection when han-
dling tines,
A badly worn tine causes your tiller to work harder and dig
more shallow. Most important, worn tinescannot chop and
To maintain the superb tilling performance of this
machine the tines should be checked for sharpness,
wear, and bending, particularly the tines which are
next to the transmission. If the gap between the tines
exceeds 3-1/2 inches (9 cm), they should be replaced
or straightened as necessary.
New tines should be assembled as shown in Fig.
28. Sharpened tine edges will rotate rearward from
above.
shred organic matter as effectively nor bury it as deeply as
good tines. A tine this worn needs to be replaced.
NEWIINE WORNIINE
FI'_G24 3-I/2" MAX (9 CM).--_"
FIG. 25
COUNTER
lINE
ROTATION
HAIRPIN CLIP
SHARP EDGE
SHEAR PIN
SHARP EDGE
FIG. 26
16

SERVICE AND ADJUSTMENTS
TO REMOVE BELT GUARD
(See Fig. 27)
NOTE: For ease of removal, remove hairpinclip and clevis
pin from left wheel. Pull wheel out from tiller about 1 inch
(2.5 cm).
•Remove two (2) screws from side of belt guard.
• Remove hex nut and washer from bottom of belt guard
(located behind wheel).
• Pull belt guard out and away from unit.
• Replace belt guard by reversing above procedure.
BELT GUARD
SCREW
HEX NUT
AND WASHER
(LOCATED BEHIND
TIRE)
SCREW HAIRPIN CLIP AND - -
CLEVIS PIN
FIG. 27
TO REPLACE GROUND DRIVE BELT
(See Figs. 27 and 28)
Remove belt guard as described in "TO REMOVE BELT
GUARD".
•Remove old belt by slipping off engine pulley first then
remove from transmission pulley,
Place new belt in groove of transmission pulley and
into engine pulley. BELT MUST BE IN GROOVE ON
TOP OF IDLER PULLEY. NOTE POSITION OF BELT
TO GUIDES.
Check belt adjustment as described below.
• Replace belt guard.
• Reposition wheel and replace clevis pin and hairpin
clip.
GROUND DRIVE BELT ADJUSTMENT (See
Fig. 28)
For proper belt tension, the extension spring should have
about 5/8 inch (16 mm) stretch when drive control bar is
in "ENGAGED" position, This tension can be attained as
follows:
• Loosen cable clip screw securing the drive control
cable.
Slide cable forward for less tension and rearward for
more tension until about 5/8 inch (16 mm) stretch is
obtained while the drive control bar is engaged.
Tighten cable clip screw securely.
ENGINE
PULLEY
CABLE CLIP
,DRIVE
CONTROL
CABLE
O
IDLER
PULLEY SPRING
TRANSMISSION
PULLEY
FIG. 28
17

SERVICE AND ADJUSTMENTS
ENGINE
TO ADJUST THROTTLE CONTROL CABLE
(See Fig. 29)
The throttle control has been preset at the factory and
adjustment should not be necessary. If adjustment is
necessary, proceed as follows:
•With engine not running, move remote throttle control
lever to "FAST" position.
•If throttle lever on engine touches high speed stop, no
further adjustment is necessary. If throttle lever does
not touch high speed stop, continue with adjustment
procedure.
•Loosen cable clamp screw.
°Move throttle lever up until it touches high speed stop,
and hold in this position.
Tighten cable clamp screw securely.
THROTTLE
CABLE
SPEED STOP
CABLI
CLAMP
SCREW
LEVER
FIG. 29
TO ADJUST CARBURETOR
Thecarburetorhas been preset atthefactoryand adjustment
should not be necessary. However, engine performance
can be affected by differences infuel, temperature, altitude
or load. If the carburetor does need adjustment, contact
your nearest authorized service center/department
IMPORTANT:NEVERTAMPERWITHTHEENGINEGOVERNOR,
WHICH IS FACTORY SET FOR PROPER ENGINE SPEED.
OVERSPEEDINGTHE ENGINE ABOVETHE FACTORYHIGH
SPEED SETFING CAN BE DANGEROUS. IFYOU THINKTHE
ENGINE-GOVERNED HIGH SPEED NEEDS ADJUSTING,
CONTACTYOURNEAREST AUTHORIZEDSERVICE CENTER/
DEPARTMENT, WHICH HAS THE PROPER EQUIPMENT AND
EXPERIENCE TO MAKE ANY NECESSARY ADJUSTMENTS.
18

STORAGE
Immediately prepare your tiller for storage at the end of the
season or if the unit will not be used for 30 days or more.
TILLER
Clean entire tiller(See "CLEANING" inthe Maintenance
section of this manual).
•Inspect and replace belts, if necessary (See belt re-
placement instructions inthe Service and Adjustments
section of this manual).
•Lubricate as shown in the Maintenance section of this
manual. '
• Be sure that all nuts, bolts and screws are securely
fastened. Inspect moving parts for damage, breakage
and wear. Replace if necessary.
• Touch up all rusted or chipped paint surfaces; sand
lightly before painting.
ENGINE
FUEL SYSTEM
IMPORTANT: IT IS IMPORTANT TO PREVENT GUM
DEPOSITS FROM FORMING IN ESSENTIAL FUEL SYSTEM
PARTS SUCH AS THE CARBURETOR, FUEL FILTER, FUEL
HOSE, OR TANK DURING STORAGE. ALSO, EXPERIENCE
INDICATES THAT ALCOHOL BLENDED FUELS (CALLED
GASOHOL OR USING ETHANOL OR METHANOL) CAN
A'I7-RACT MOISTURE WHICH LEADS TO SEPARATION AND
FORMATION OF ACIDS DURING STORAGE. ACIDIC GAS
CAN DAMAGE THE FUEL SYSTEM OF AN ENGINE WHILE IN
STORAGE.
•Drain the fuel tank.
•Start the engine and let it run until the fue! lines and
carburetor are empty.
•Neveruseengineorcarburetorcleanerproductsinthe
fuel tank or permanent damage may occur.
Use fresh fuel next season.
NOTE: Fuel stabilizer is an acceptable alternative in mini-
mizing the formation of fuel gum deposits during storage.
Add stabilizer to gasoline in fuel tank or storage container.
Always follow the mix ratio found on stabilizer container.
Run engine at least 10 minutes after adding stabilizer to
allow the stabilizer to reach the carburetor. Do not drain
the gas tank and carburetor if using fuel stabilizer.
ENGINE OIL
Drain oil (withengine warm) and replace withclean oil. (See
"ENGINE" in the Maintenance section of this manual).
CYLINDER(S)
Remove spark plug.
Pour 1"ounce (29 ml) of oil through spark plug hole into
cylinder.
• Pull starter handle slowly several times to distribute
oil.
Replace with new spark plug.
OTHER
.Do not store gasoline from one-season to an-
other.
• Replace your gasoline can if your can starts to rust.
Rust and/or dirt in your gasoline will cause problems.'
If possible, store your unit indoors and cover it to give
protection from dust and dirt.
•Cover your unit with a suitable protective cover that
does not retain moisture. Do not use plastic. Plastic
cannot breathe which allows condensation to form and
will cause your unit to rust.
IMPORTANT: NEVER COVER TILLER WHILE ENGINE AND
EXHAUST AREAS ARE STILLWARM.
19

TROUBLESHOOTING POINTS
.
CAUSE CORRECTION
PROBLEM
Will not start
Hard to start
Loss of power
Engine overheats
Excessive bounce/
difficult handling
Soil balls up or clumps
Engine runs but tiller
won't move
Engine runs but labors
when tilling
Tines will not rotate
Hard to shift into gear
Tiller shuts off when
drive control bar
engaged
1. Out of fuel.
2Engine not "CHOKED" properly.
3. Engine flooded.
4. Dirty air cleaner.
5. Water in fuel.
6. Clogged fuel tank.
7. Louse spark plug wire.
8. Bad spark plug or improper gap.
9. Carburetor out of adjustment.
i
1. Throttle control not set propedy.
2. Dirty air cleaner.
3. Bad spark plug or improper gap.
4. Stale or dfrty fuel.
5. Louse spark plug.wire.
6. Carburetor out of adjustment.
1. Engine is overloaded.
2. Dirty air cleaner.
3. Low oil level/dirty oil.
4. Faulty spark plug.
5. Oil in fuel.
6. Stale or dirty fuel.
7. Water in fuel.
8. Clogged fuel tank.
9. Spark plug wire loose.
10. Dirty engine air screen.
11. Dirty/clogged muffler.
12. Carburetor out of adjustment.
13. Pour compression.
1. Low oil level/dirty oil.
2. Dirty engine air screen.
3. Dirty engine.
4. Partially plugged muffler.
5. Improper carburetor adjusi_nant.
1. Ground too dry and hard.
1. Ground too wet.
1. Drive control bar is not engaged.
2. V-belt not correctly adjusted.
3. V-belt is off pulley(s).
1. Tilling too deep.
2. ThrotlJe control not propedy adjusted.
3. Carburetor out of adjustment.
1. Shear pin(s) broken.
I1. Gears not timed.
1. Shift lever set in between counter rotating till
pasition and forward rotating till position.
2. Tines jammed.
1. Fill fuel tank.
2. See =10 START ENGINE" in Operation section.
3. Wait several minutes before attempting to start.
4. Clean or replace air cleaner cartddge.
5. Drain fuel tank and carburetor, and refill tank with
fresh gasoline.
6. Remove fuel tank and clean.
7. Make sure spark plug wire is seated properly on
plug.
8. Replace spark plug or adjust gap.
9. Make necessary adjustments.
1. Place throttle control in "FAST" position.
2. Clean or replace air cleaner cartridge.
3. Replace spark plug or adjust gap.
4. Drain fuel tank and refill with fresh gasoline.
5. Make sure spark plug wire is seated properly on
plug.
6. Make necessary adjustments.
1. Set depth stake for shallower filling.
2. Clean or replace air cleaner cartridge.
3. Check oil level/changa oil.
4. Clean and regap or change spark plug.
5. Drain and clean fuel tank and refill, and clean
carburetor.
6. Drain fuel tank and refill with fresh gasoline.
7. Drain fuel tank and carburetor, and refill tank with
fresh gasoline.
8. Remove fuel tank and clean.
9. Connect and tighten spark plug wire.
10. Clean engine air screen.
"11. Clean/replace muffler.
12. Make necessary adjustments.
13. Contact an authorized service ceeterrdapartmant.
1. Check oil level/change oil.
2. Clean engine air screen.
3. Clean cylinder fins, air screen, and muffler area.
4. Remove and clean muffler.
5. Adjust carburetor to dcher position.
1. Moisten ground or wait for more favorable soil
conditions.
1. Wait for more favorable soil conditions.
1. Engage drive control
2. Inspect/adjust V-belt.
3. Inspect V-belt.
1. Set depth stake for shallower filling.
2. Check throttle control setting.
3. Make necessary adjustments.
1. Replace shear pin(s).
Bdefly engage drive control bar and release or rock
tiller forward and backward until are able to shift
gears.
1. Shift to either counter rotating till position or forward
rotating till position.
2. Clear tines.
2O

REPAIR PARTS
TILLER --MODEL NUMBER WET6500A
HANDLE ASSEMBLY
42
41
1
29
35
2 35 15
\
237
26 21
/
KEY
NO.
1
2
4
8
10
11
15
16
17
18
19
20
21
PART
NO.
175769
150744
159227
71191008
8389J
4497H
108281X
72110608
109229X
73680600
19131611
109228X
150217
DESCRIPTION
Control, Throttle
Grip, Handle
Bar, Control
Screw, Pan Hd. #10-24
Grip, Handle
Clip, Hairpin
Rod, Shift
Bolt, Carriage 3/8-16 x 1 Gr. 5
Lock, Handle
Nut Crownlock 3/8-16 UNC
Washer 13/32 x 1 x 11 Ga.
Lever, Lock, Handle
Handle
20 19,
KEY PART
NO. NO. DESCRIPTION
26 159232 Cable, Clutch
29 73731000 Nut, Keps #10-24 UNC
31 150695 Bolt, Pivot
34 145821 Bracket, Clutch Cable
35 146480 Grommet, Handle
36 180456X550 Bracket, Handle
37 102604X Grip, Bar Control
39 10040500 Washer, Lock 5/18
38 73800500 Locknut 5/16-18
41 72110514 Bolt, Carriage 5/16-18 x 1-3/4
42 121248X Bushing, Snap
NOTE: All component dimensions given in U.S. inches.
1 inch = 25.4 mm
21

REPAIR PARTS
TILLER - - MODEL NUMBER WET6500A
MAINFRAME, LEFT SIDE
3
65
37
36
35
I
/
34
31
3O
\\
2
16
19
\
28 3
4O
4O -23
15 24
KEY PART
NO. NO.
173510500
2 10040600
3 73220600
4 170127
5 164329
6 110111X
7 72110404
8 8700J
986777
10 9484R
11 10040400
12 73220400
13 23230506
14 156117
15 19111116
16 145102
19 12000028
21 110652X
22 74770508
23 102190X
183122X624
795R
DESCRIPTION
Nut, Keps 5/16-18
Washer, Lock 3/8
Nut, Hex 3/8-16
Shield, Inner, Belt Guard
Pin Spiral Flared
Lever, Shift
Bolt, Carriage 1/4-20 x 1/2 Gr. 5
Plate, Shift Indicator
Screw, Hex, Washer Head, Slotted
#10-24 x 1/2
Clip
Washer, Lock 1/4
Nut, Hex 1/4-20
Screw, Set, Hex 5/16-18 x 3/8
Spacer, Split 0.327 x 0.42 x 1.220
Washer 11/32 x 11/16 x 16 Ga.
Sheave, Transmission
Ring, Retainer
Spacer, Split 0.327 x 0.42 x 2.09
Bolt Hex 5/16-24 x 1/2
Tire
Rim
Tire Valve
KEY PART
NO. NO. DESCRIPTION
24 126875X Rivet, Drilled
25 4497H Clip, Hairpin
26 165501X550 Guard, Belt
27 132801 Belt, V
28 104679X Pulley, Idler
29 12000032 Ring, Klip
30 159229 Bracket, Idler
31 102384X Bolt, Hex 5/16-16 x 12
32 102141X Shaft, Idler Arm
33 74760616 Bolt, Hex 3/8-16 x 1
34 102383X Caunterweight, L. H.
35 74760524 Bolt, Hex 5/16-18 x 1-1/2
36 102331X Bracket, Reinforcement, L. H.
37 130812 Sheave, Engine
38 74760544 Bolt, Hex 5/16-18 x 2-3/4
_39 140062 Cap, Plunger
40 170488 Screw, Hex Wsh Sit #10-24x .50
44 73800500 Nut, Lock 5/16-18
65 73970500 Nut, Lock Hax Flange
NOTE: All camponent dimensions given in U.S. inches.
1 inch = 25.4 mm
22

REPAIR PARTS
TILLER - - MODEL NUMBER WET6500A
MAINFRAME, RIGHT SIDE
11
5
I
klO
KEY
NO.
5
7
8
9
10
11
12
PART
NO.
102332X
102173X
10040600
73220600
74760524
4497H
126875X
DESCRIPTION
Bracket, Reinforcement
CounterWeight, R.H.
Washer, Lock 3/8
Nut, Hex 3/8-16
Bolt, Hex 5/16-18 x 1-1/2
Clip, Hairpin
Rivet, Drilled
KEY PART
NO. NO. DESCRIPTION
13 102190X Tire
183122X624 Rim
795R Tire Valve
14 73970500 Nut, Hex Flange
15 Engine, Tec Model No. OHH65
(Order parts from engine Manufac-
turer)
NOTE: All component dimensions given in U.S. inches.
1 inch = 25.4 mm
23



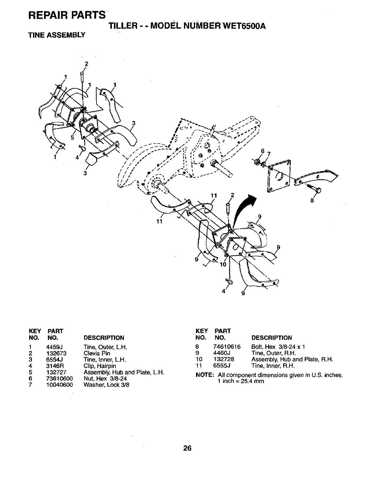
REPAIR PARTS TILLER - -MODEL NUMBER WET6500A
TINE ASSEMBLY
2
I
1 1
11 2 8
9
\
9
4 9
KEY PART KEY PART
NO. NO. DESCRIPTION NO. NO. DESCRIPTION
1 4459J Tine, Outer, L.H. 8 74610616 Bolt, Hex 3/8-24 x 1
2 132673 Clevis Pin 9 4460J Tine, Outer, R.H.
3 6554J Tine, Inner, LH. 10 132728 Assembly, Hub and Plate, R.H.
4 3146R Clip, Hairpin 11 6555J Tine, Inner, R.H.
5 132727 Assembly, Hub and Plate, LH. NOTE: All component dimensions given in U.S. inches.
6 73610600 Nut, Hex 3/8-24 1 inch = 25.4 mm
7 10040600 Washer, Lock 3/8
26

REPAIR PARTS
TILLER --MODEL NUMBER WET6500A
DECALS
4
10
12
9
KEY PART
NO. NO.
1 162846
3 186761
4 143678
5 141907
6 102180×
9 141906
10 156199
12 162215
- - 186100
- - 186101
DESCRIPTION
Decal, Logo
Decal, Logo
Decal, Instruction, Tilling
Decal, Hand Placement
Decal, Shift Indicator
Decal, Warning, Rotating Tines
Deal, Reverse
Decal, Tine Shield Wrng Dom
Manual, Owner's (English)
Manual, Owner's (Spanish)
27

LIMITED WARRANTY
"[he Manufacturer warrar;ts to the (_riginal consumer purchaser thatthis product as rnanufa(_ture_is free from de-
fects in materials and workmanship. For a period of two (2) years from date of purchase by the original consumer
purchaser, we will repair or replace, at our option, without charge for parts or labor incurred in replacing parts, any
part which we find to be defective due to materials or workmanship. This Warranty is subject to the following limita-
tions and exclusions.
1. This warranty db_s not apply to the engine or components parts thereof. Please refer to the applicable manu-
facturer's warranty on these items.
2. Transportation charges for the movement of any power equipment unit or attachment are the responsibility of
the purchaser. Transportation charges for any parts submitted for replacement under this warranty must be paid
by the purchaser unless such return is requested by Electrolux Home Products.
3. The Warranty period for any products used for rental or commercial purposes is limited to 90 days from the date
of original purchase.
4. This Warranty applies only to products which have been properly assembled, adjusted, operated, and maintained
in accordance with the instructions furnished. This Warranty does not apply to any product which has been
subjected to alteration, misuse, abuse, improper assembly or installation, delivery damage, or to normal wear
of the product.
5. Exclusions: Excluded from this Warranty are belts, tines, tine adapters, normal wear, normal adjustments, stan-
dard hardware and normal maintenance.
6. In the event you have a claim under this Warranty, you must return the product to an authorized service deal-
er.
Should you have any unanswered questions concerning this Warranty, please contact:
Electrolux Home Products, Inc. in Canada contact:
Outdoor Products Customer Service Dept.
250 Bobby Jones Expressway
Augusta, GA 30909 USA
Electrolux Canada Corp.
7075 Ordan Drive
Mississauga, Ontario
L5T 1K6
giving the model number, serial number and date of purchase of your product and the name and address of the
authorized dealer from whom it was purchased.
THIS WARRANTY DOES NOT APPLY TO INCIDENTAL OR CONSEQUENTIAL DAMAGES AND ANY IMPLIED
WARRANTIES ARE LIMITED TO THE SAME TIME PERIODS STATED HEREIN FOR OUR EXPRESSED WAR-
RANTIES. Some areas do not allow the limitation of consequential damages or limitations of how long an implied
Warranty may last, so the above limitations or exclusions may not apply to you. This Warranty gives you specific legal
rights, and you may have other rights which vary from locale to locale.
This is a limited Warranty within the meaning of that term as defined in the Magnuson-Moss Act of 1975.