WG security WGPPTR58 EAS System User Manual Manual Premier Guard 011306A

WG Security Products, Inc EAS System Manual Premier Guard 011306A

Contents

Manual for Premier Guard

          58Khz Premier GuardTM Installation Manual     Version:  Jan 2006  Manual Part Number:  WG-PGTR58-IM  (011306A)      WG SECURITY PRODUCTS INC.   3031 Tisch Way, Suite 602, San Jose, CA 95128 (USA) http://www.wgspi.com
                                 Technical Support Contact Information  North America South America Tel: 818-763-9186 Fax: 818-255-0514 Email: svc@sensorsense.com   Rest of World Tel: 408-241-8000 Fax: 408-241-8082 Email: support@wgspi.com             WARRANTY DISCLAIMER  WG Security Products Inc. makes no representation orwarranty with respect to the contents hereof andspecifically disclaims any implied warranties ofmerchantability or fitness for any particular purpose.Further, WG Security Products Inc. reserves the rightto revise this publication and make changes from timeto time in the content hereof without obligation of WGSecurity Products Inc. to notify any person of suchrevision or changes. CRITICAL NOTE As specified by FCC Regulations 15.21, anychanges or modifications not expressly approvedby the party responsible for compliance of thisequipment, will void the user’s permission andauthority to operate this equipment. FCC ID: P9I-WGPPTR58 “This device complies with Part 15 of the FCC Rules. Operation issubject to the following two conditions:  (1) This device may not causeharmful interference, and (2) This device must accept any interferencereceived, including interference that may cause undesired operation.”
 TABLE OF CONTENTS   OVERVIEW .............................................................................................................................1 SYSTEM OVERVIEW................................................................................................................1 SYSTEM CONFIGURATION .......................................................................................................2 PREMIER GUARD FEATURES & BENEFITS.................................................................................2 SPECIFICATIONS ....................................................................................................................3 PRE-INSTALLATION INFORMATION ....................................................................................4 PREMIER LINE CONTROL UNIT (PLCU) DIMENSIONS ................................................................4 PREMIER GUARD PEDESTAL DIMENSIONS ................................................................................5 PREMIER GUARD BASE FOOTPRINT DIMENSIONS......................................................................6 CONNECTION DIAGRAM ..........................................................................................................7 INSTALLATION.......................................................................................................................8 INSTALLATION SITE POWER SUPPLY VERIFICATION ...................................................................8 PARTS LIST –PREMIER GUARD SYSTEM...................................................................................8 QUICK START FOR SYSTEM CONNECTIONS ..............................................................................9 Transformer Box............................................................................................................10 Installing the PLCU........................................................................................................11 Connecting the Pedestal ...............................................................................................12 CABLE AND CONNECTOR CONNECTIONS ................................................................................14 POWER CORD NOTICES........................................................................................................18 North American Power Supply Cords ............................................................................18 International Power Supply Cord ...................................................................................18 EXTERNAL RELAY INTERFACE ...............................................................................................19 FUSE REPLACEMENT INFORMATION .......................................................................................20 IR REMOTE CONTROL KEYPAD DESCRIPTION ...............................................................23 TUNING PROCEDURES & TIPS...........................................................................................24 REMOTE CONTROL PROGRAMMING ................................................................................25 ADDENDUM 1 .......................................................................................................................33 PEDESTAL SENSITIVITY ADJUSTMENT GUIDE ..........................................................................33
Premier Guard Installation Manual  1 OVERVIEW   System Overview  Premier Guard systems consist of one a transceiver pedestal, a 58Khz Premier Line Control Unit (WGPLCU58), and a stepdown power transformer box. The PLCU provides all the control functions for the transceiver, including tag detection and alarm notification.                              Detection Range (either side of pedestal)  Europe USA Micro Pencil Tag  0.9 m  3 ft  Premier Line Control Unit WGPLCU58 24vac Stepdown Transformer WGPS2490-1 Transceiver Antenna (Pedestal)
Premier Guard Installation Manual  2  System Configuration  The PLCU controls the transceiver through the TX control cable. All detection information is received through the RX cable. The Transformer power box powers the PLCU and transceiver through two separate cables. The following diagram illustrates the connections.                           Premier Guard Features & Benefits  •  Digital Signal Processing The Premier Guard applies the latest and most advanced DSP technology for anti-theft solutions, virtually eliminating false alarms while maintaining considerable detection range.  •  Self Tuning Electronics Benefiting from its fully digital electronics, the Premier Guard constantly evaluates the environment, automatically adapting to changes in the environment to enhance its performance.  •  Integrated Audible and Visual Notification Alarm notification is built into the Premier Guard on both the pedestal and controller.      Connections Legend Power Bus TX Control SignalRX Signal Premier Guard  Transceiver Antenna 24vac24vac Transformer PLCU 110/220vac 24vac
Premier Guard Installation Manual  3  Specifications  Electrical  Primary Input (Stepdown Transformer) 230/115 ±10% @50/60Hz (Input) 24vac @ 4A (Output)   Pedestal Input  24vac @50/60Hz   PLCU Input  24vac @50/60Hz   Primary Rated Current  0.55Amax@220vac     1.1A max@110vac   Pedestal Rated Current  1.8A @ 24vac   PLCU Rated Current  0.5A @ 24vac   Transmitter Output  1.6ms Burst  Operating Frequency 58Khz     Mechanical   Premier Guard Pedestal Transceiver   Height  1523.6mm (60”)   Width  374.5mm (14.8”)   Thickness  24mm (1.0”)     Weight  17Kg (37.5 lbs)      WGPLCU58 Control Unit     Length  314mm (11.6”) (Including Mounting Bar)   Width  193mm (7.5”)     Depth  82mm (3.2”) (Including Mounting Bar)   Weight  3.5Kg (7.7 lbs)      WGPS2490-1 Stepdown Transformer   Length  225mm (8.9”)   Width  143mm (5.6”)   Depth  103mm (4.1”)     Weight  3Kg (6.6 lbs) Environmental  Operating Temperature 0 to 49°C (32° to 120°F)   Relative Humidity  0 to 85% non-condensing   Operating Altitude  2,000m (6,500 ft)
Premier Guard Installation Manual  4  PRE-INSTALLATION INFORMATION   Premier Line Control Unit (PLCU) Dimensions (All dimensions are in millimeters)
Premier Guard Installation Manual  5  Premier Guard Pedestal Dimensions (All dimensions are in millimeters)                                                        Front ViewSide View Pedestal Base
Premier Guard Installation Manual  6  Premier Guard Base Footprint Dimensions (All dimensions are in millimeters)                                   4-R6
Premier Guard Installation Manual  7  Connection Diagram                                                        TX ControlAlarm & IR Remote Control Display Channel 2  Channel 1 LANBuzzer 24vac Input Fuseholder TX Control Sockets RX SocketsExternal Alarm RelayRX-A&BRX-C&D3-Pin Power  Connector (1) RX Connectors (1) TX  Connector (1) 24vac Power Cable110/220vac 24vac Transformer  RX Cable 24vac Power Cable
Premier Guard Installation Manual  8  INSTALLATION   Installation Site Power Supply Verification  It is STRONGLY RECOMMENDED THAT SOLID GROUNDING BE MAINTAINED FOR THE POWER TRANSFORMER. Sometimes poor grounding and high noise from the power source will adversely affect system sensitivity or detection range.   Parts List –Premier Guard System                                 Part Name Order Number 1.  Premier Guard Transceiver  WGPGTR58 2.  Premier Line Control Unit  WGPLCU58 3.  Control Box Alarm Cover  (TBD) 4. Remote Control  (TBD) 5. Instruction Manual  WG-PGTR58-IM 6. 24vac Transformer  WGPS2490-1  Control Box WGPLCU58 24vac Transformer WGPS2490-1 Remote Control WG-(TBD) Transceiver WGPGTR58
Premier Guard Installation Manual  9  Quick Start for System Connections  A Premier Guard system consists of a stepdown transformer, a Premier Line Control Unit (PLCU) and a transceiver (antenna).  The transformer box has two 24vac outputs that can power both the PLCU and transceiver. A single transformer box supports one PLCU and transceiver.   The PLCU is powered by the stepdown transformer via a single 24vac power input. The PLCU has two types of connections for the transceiver. One is a transmit control signal connector and the other s a receive signal connector. Both the TX and RX cables will connect from the PLCU to the transceiver. The PLCU case is constructed to facilitate wall mounting.  Before permanently connecting the pedestal, place it at the location you intend to install it, and then arrange the cables from the PLCU directly to the pedestal. You will have to remove the pedestal base cover to connect the cables.  Additional installation procedures are shown in greater detail in the following sections.                              Connections Legend Power Bus TX Control SignalRX Signal Premier Guard  Transceiver Antenna 24vac24vac Transformer PLCU 110/220vac 24vac
Premier Guard Installation Manual  10  Transformer Box  The transformer box accepts two input voltages: 110vac in North America, 220vac in Europe. Place the Voltage Switch in the proper position based on the incoming voltage (see picture below). There are two 24vac outputs that can power both the PLCU and transceiver.                                                      Transformer Cable Connection Blue Wire Yellow Wire with Green Stripe Red Wire 0V Gnd 24vac Caution: The Voltage Switch is used to set thesystem for the appropriate AC input. North America – Set the switch to 115. Europe – Set the switch to 230. Fuse replacementExtend fuse (time-delay fuse)5mmx20mm  3.15AEquipment shall be electrically disconnected from the branch-circuit supply when replacing the fuse.WARNING - TO REDUCE THE RISK OF DAMAGE. REPLACE ONLY WITH SAME TYPE AND RATING OF FUSE.OFFONVOLTAGE SWITCHAC POWER24VAC OUTPUT 20V    GND   24V0V    GND   24V24VAC OUTPUT 1Transformer Case Back View Transformer Case Front View As above picture shows, the transformerbox has two power sockets for the PLCUand pedestal connectors. Each outputhas a 3-pin terminal block. Pin outputsare described on the table at the right.  Maximum Output: 4A in total
Premier Guard Installation Manual  11  Installing the PLCU  The PLCU has one TX Control Signal connector and four RX Signal connectors. Connection to the transceiver is described in the following sections. The PLCU can be installed on the wall via the integrated mounting bracket.  To mount the PLCU to the wall:  1.  Using the mounting bracket as a template, mark four holes on the wall at the location you intend to install it. 2.  Drill holes into the wall and insert anchors or screws. Note: the mounting method must be able to support 3.5kg (7.7 lbs). 3.   Attach the mounting bracket to the wall. Screw it firmly to the wall with the proper screws.                           Mounting Screw Holes (4 places) Mounting Bracket All dimensions are in millimeters.Suggested Mounting Information 1.  Wallmount Holes – 4mm diameter 2.  Wallmount Screws – 5x30mm self-tapping screws with 8.2mm head.
Premier Guard Installation Manual  12  Connecting the Pedestal  Before the connecting the transceiver, place it at the location where you intend to install it, and arrange the cables directly from the PLCU to the transceiver.  1. Remove the base cover of the pedestal to expose the transmitter board (picture below). Note: Press down the top of base cover towards pedestal and LIFT the half case upward to release the cover from the pedestal’s locking mechanism. 2. Loosen the screws to remove the cable wires from the connector. Feed the cable through the slot of the aluminum base mounting plate, and then reconnect the cable wires to the connector according to wire connection table. 3. Plug the three connectors (Power, Tx Signal and Rx Signal) onto the appropriate sockets on the transmitter board (see picture below). 4. After completing all connections, firmly mount the pedestal base to the ground. (See following page.) 5. Re-install the base cover.                                           From TransformerBox Removing The Base Use a screwdriver to punchthe cover at the hole. Thecover lock will release, andthen you can take apart thetwo halves. Power Sockets(3 Pins) Control Signal Sockets (3 Pins)RX Signal Sockets (2 Pins)From PLCUEither of the two pedestal socketsClockwise  – increase sensitivity –  prone to false alarms  Counter-Clockwise  – decrease sensitivity –  less false alarms  Rx signal pre-process sensitivityFrom PLCU
Premier Guard Installation Manual  13  (All dimensions are in millimeters.)                                      Cable Inlet Slot Plexiglas Antenna Transmitter BoardTop View of Pedestal  Note: To direct cables through the inletslot, first unscrew the cable wires from theconnectors and lead the cables through theslot. Then re-attach the wires onto theconnector, following the correct pinmappings noted on the connection tablesin the next few pages.    Left Middle Right Red (Brown) 24vac Yellow (Green Stripe) GND Blue 0v Left Middle RightGND Brown Blue Left Right Red Black   Connector for Power  Connector for Control Signal  Connector for RX Signal
Premier Guard Installation Manual  14   Cable and Connector Connections  1. Pedestal and Transformer Box Power Connection  The three pins from the transformer power connecter are connected to the corresponding pedestal connector sockets. Pin color to each power connecters must be consistent.  Transformer Box Power Terminal Layout  (3 pins) White Cable (3 wires) Pin Function Color Pin 1  0V  Blue Pin 2  Ground  Green w/Yellow Stripe Pin 3  24V  Red(Brown)                      When connecting the above pedestal power connectors, make sure the pin order/color of the four power connectors is consistent. Do not transpose the color order when connecting wires to connectors. Incorrect pin connection will damage the system! Pedestal Connector Layout (3 pins) White Cable (3 wires) Pin Function Color Pin 1    Blue Pin 2    Green w/Yellow Stripe Pin 3    Red(Brown) The Power Terminal on Transformer Box 24VAC O UTPUT0V    GND    24V Pin 1  Pin 2 Pin 3  Green with yellow stripeRed (brown)Blue   Pin 1Pin 2Pin 3To pedestal 1 ∩∩∩Wire size is 20 AWG
Premier Guard Installation Manual  15  2. PLCU and Transformer Box Power Connection  Transformer Box Power Terminal Layout (3 pins) White Cable (3 wires) Pin Function  Color Pin 1  0V/24V  Blue/Red(brown) Pin 2  Ground  Green w/Yellow Stripe Pin 3  24V/0V  Red(brown)/Blue                          (Power synchronization 180 degrees phase switch) * Note: Pin 1 and Pin 3 of the transformer box terminal are equivalent to former N and L terminals for 110/220vac systems. Switching them will switch the system’s phase 180 degrees; same as former 110/220vac systems.                     PLCU Power Connector Layout (3 pins) White Cable (3 wires) Pin Function Color Pin 1  0V/24V  Blue/Red(brown) Pin 2  Ground  Green w/Yellow Stripe Pin 3  24V/0V  Red(brown)/Blue  Red/brown  Green with yellow strip Blue Pin 1 24 VAC OUTPUT           Pin 1Pin 2Pin 3Pin 2 Pin 324VGND0VWire size is 20 AWG Transformer Box Power Terminal To PLCU
Premier Guard Installation Manual  16  3. Pedestal and PLCU TX Control Signal Connection  PLCU TX Control Signal Connector Layout      (3 pins) Black Cable (3 wires) Pin Function Color Pin 1  Signal+  Blue Pin 2  Signal-  Brown Pin 3  Shielding  GND                       Sockets connection note: To ensure good contact and proper connection from the pedestal to the PLCU, make sure the cable sockets are firmly connected and the pins are correctly aligned.                          Pedestal TX Control Signal Connector Layout  (3 pins) Black Cable (3 wires) Pin Function Color Pin 1  Signal+  Blue Pin 2  Signal-  Brown Pin 3  Shielding  GND 1  2 3 Aligning Key PLCU Socket 213Aligning Slot TX Control ConnectorIncorrect pin mapping and loose contact connections will result in system malfunction! Insert connector into socket, turn the screw cap, lock and set. Procedure 1. Ensure the aligning key mates to the aligning slot,  2. Insert the TX control connector into the socket of the PLCU. 3. Turn the screw cap according to the figure on the left, then lock and set.  Pin 1  Pin 2Pin 3Pin 1 Blue Pin 2 Brown Pin 3 Shield To PLCU To Pedestal Wire size is 22 AWG, Shielded
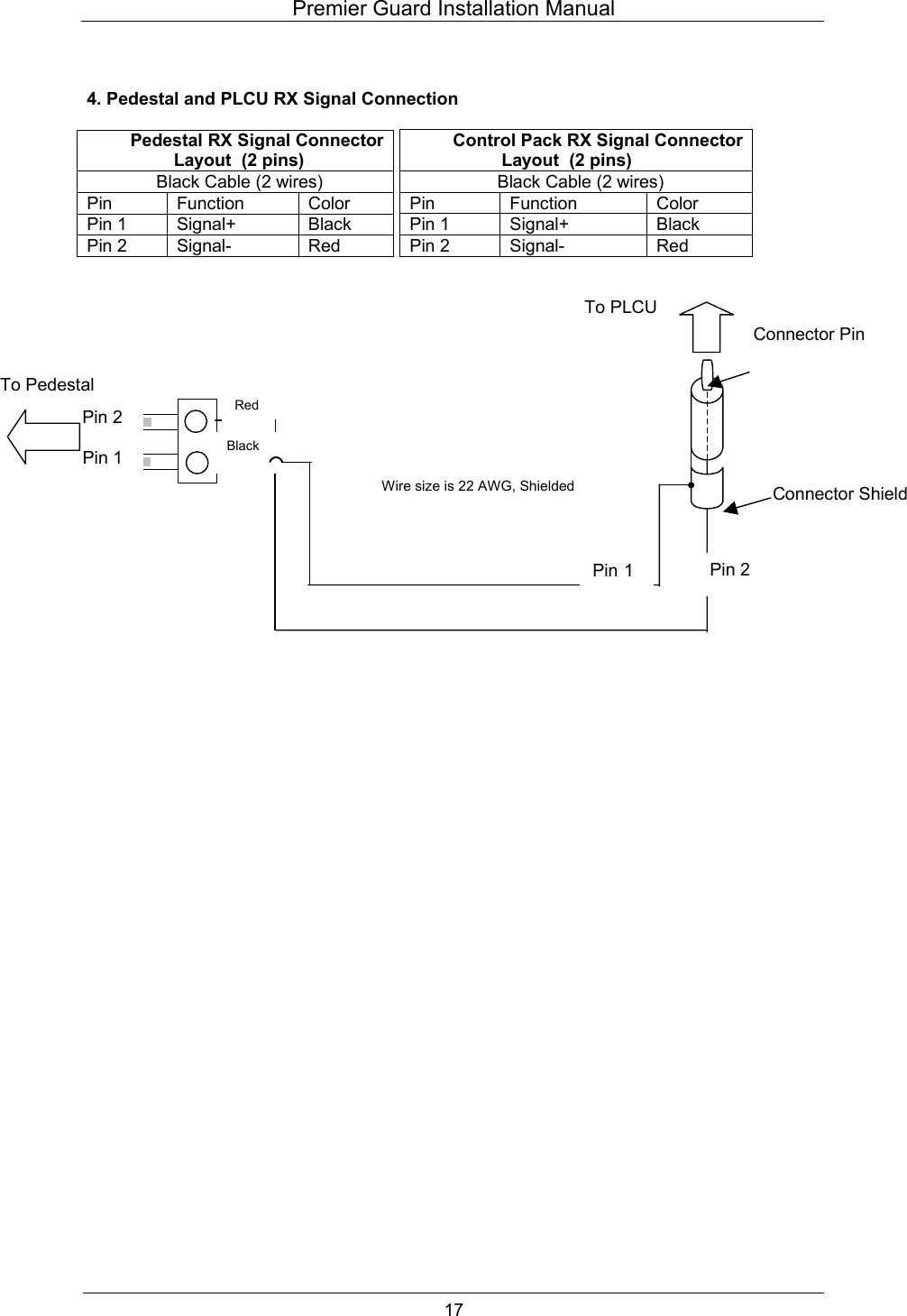
Premier Guard Installation Manual  17   4. Pedestal and PLCU RX Signal Connection  Control Pack RX Signal Connector  Layout  (2 pins) Black Cable (2 wires) Pin Function  Color Pin 1  Signal+  Black Pin 2  Signal-  Red                                       Pedestal RX Signal Connector Layout  (2 pins) Black Cable (2 wires) Pin Function Color Pin 1  Signal+  Black Pin 2  Signal-  Red  Connector Shield  Connector Pin Pin 1 Pin 2 Pin 1Pin 2 To PLCURed Black To Pedestal Wire size is 22 AWG, Shielded
Premier Guard Installation Manual  18  Power Cord Notices  North American Power Supply Cords  This equipment is supplied with an external power line at one end and a molded receptacle terminal block at the other end. Conductors are color coded white (neutral), black (line) and green or green/yellow (ground).  Operation of this equipment at voltages exceeding 130vac will require power supply cords that comply with NEMA configurations.             International Power Supply Cord  This equipment is supplied with an external power line at one end and a molded receptacle terminal block at the other end. Conductors are CEE color-coded—light blue (neutral), brown (line) and green/yellow (ground). Other IEC 320 C-13 type power supply cords can be used if they comply with the safety regulations of the country in which they are installed.            We recommend that you use a CE approved power cord H05 VV-F or H05 VVH2-F2 (Refer to the electrical code which governs your country for installation of an Anti-Theft Unit to the main power supply)
Premier Guard Installation Manual  19  External Relay interface  The external relay interface is located at the side of the control unit case.                       There is one external alarm relay located on the PLCU case. The relay switch is closed when an alarm is triggered by the system. To connect the system to an external alarm, build a cable with a matching 4-pin connector, and then insert the connector into the External Relay socket on the PLCU. Ensure the cable firmly secured in place by the connector’s screws. The External Relay switch has a rating of 1A@250vac/24vdc.                         Valid output terminalsTo remote alarm Suggested Relay Ratings 1A@250vac/24vdc Notes: 1.  Wire length to the dry contact circuit is limited to 20 feet. 2.  To prevent high voltage noise from being introduced into the transceiver and degrading the system’s performance, it is highly recommended that you use a 24vdc output relay. RxA  RxB RxC  RxD  Tx Control External Relay
Premier Guard Installation Manual  20  Fuse Replacement Information  The fuse holder is located on the control box side panel.                                          1. Equipment shall be electrically disconnected from the branch-circuit supply when replacing the fuse. 2.  Remove the fuse holder with a screwdriver, rotating it in a counterclockwise direction. 3.  Replace the fuse in accordance with the specification noted below. Fuse Replacement:Extended Fuse (Time-Delay Fuse) 5mm x 20mm 24vac @ T3.15A/250V WARNING – TO REDUCE THE RISK OF DAMAGE, REPLACE ONLY WITH THE SAME FUSE TYPE AND RATING. Counterclockwise Power 24Vac Fuse
Premier Guard Installation Manual  21  Control Unit Fuse Replacement                                                WARNING – TO REDUCE THE RISK OF DAMAGE, REPLACE ONLY WITH THE SAME FUSE TYPE AND RATING.     Transmitter Board – Top View Primary Input Fuse Fuse Replacement: Slow Blow Fuse SMT Type  24vac @ T3A/250V Fuse
Premier Guard Installation Manual  22  Power Supply Fuse Replacement                                                      WARNING – TO REDUCE THE RISK OF DAMAGE, REPLACE ONLY WITH THE SAME FUSE TYPE AND RATING.  Fuse replacementExtend fuse (time-delay fuse)5mmx20mm  3.15AEquipment shall be electrically disconnected from the branch-circuit supply when replacing the fuse.WARNING - TO REDUCE THE RISK OF DAMAGE. REPLACE ONLY WITH SAME TYPE AND RATING OF FUSE.OFFONVOLTAGE SWITCHAC POWERPrimary Input Fuse 24VAC OUTPUT 20V    GND   24V0V    GND   24V24VAC OUTPUT 1Secondary Output Fuse Transformer Case Rear View Maximum Output:  4A Total Fuse Replacement: Slow Blow Fuse 5mm x 20mm  Primary Input 110vac @ T3.15A/250V (USA) 220vac @ T1.6A/250V (Europe)  Secondary Output 24vac @ T4A/250V Counterclockwise Transformer Case Front View 1.  Equipment shall be electrically disconnected from the branch circuit supply when replacing the fuse. 2.  Remove the fuseholder from the main AC input socket with pliers, then remove the fuse out of the fuseholder. 3.  Replace the fuse in accordance with the specifications noted below, then insert the fuseholder back into the AC input socket. 4.  Equipment shall be electrically disconnected from the branch circuit supply when replacing the fuse. 5.  Remove the fuseholder with a screwdriver, rotating it in a counterclockwise direction. 6.  Replace the fuse in accordance with the noted specifications.
Premier Guard Installation Manual  23  IR Remote Control Keypad Description                        Key ID  Button  Parameters Description  Default Value  Valid Range A  GN  Gain Adjustment  1  0, 1 B  SYN  Sync Adjustment  1  0 to 250 C  RE  Receiving Window Delay  8  0 to 14 H1  Minimum signal adjustment for antenna Channel 1 H2   MIN Minimum signal adjustment for antenna Channel 2   40  0 to 999 (Practical range 0-200) D  NSE  Noise Display (4 channels)  0  0 to 2 F  TX OFF  Turn off transmitter  1  0 to 1 E  DFT  Return to default settings  0  0 to 1 P  PC  Password change  689 (see note)  0 to 999 G  ARM OFF  Turn off alarm sound  1  0 to 1 L  ARM RST  Alarm count reset  0  0 to 1 S  SA  Save the parameters to Flash ROM  NA  NA   CON  Confirm the parameters input  NA  NA  EX Exit  NA  NA Note:  Default password is 689. After changing, the system will use the new password as default. The new password will remain saved at power off. THIS IS A NON-RECOVERABLE ACTION. KEEP THE NEW PASSWORD IN A SAFE LOCATION IN CASE YOU FORGET IT.        PCPSW 1  2  3 4  5  6 7  8  9 0 CON TXOFFMIN1DFTMIN2GN SYNARMOFFRE NSEARMRSTSA EX
Premier Guard Installation Manual  24  Tuning Procedures & Tips                                                     There are mainly two problems that affect system’s functioning and performance. One is that system picks up tags and labels poorly. The other is that system false alarms (or causes other system to do so) without tags or labels in detection zone.  Low Pick up Rate 1.  Check noise “D” (ranging from 0-999, >100 or so is big noise & >400 is heavy noise). 2.  Adjust MIN, GN & RE to increase sensitivity (see diagram below). 3.  Adjust POT for Rx signal pre-process sensitivity on TX board (see page 18). 4.  Shorten pedestal separation or use stronger tags (e.g. Super Pencil).  Interference with or by other systems               1.  Swap L & N terminals on power plug of control pack. 2.  Adjust SYN “B” step by step to align up with other systems.  Please open and tune the systems one by one if there are multiple systems installed.  It will help determine which system is causing the problem. PROBLEMS SOLUTIONS The diagram below explains how the major three tuning parameters influence system performance. Default 1200REDefault  8GNMINDefault  400140 Decrease Sensitivity, shorter detection range,but prone to instability. Increase Sensitivitybut tendency to false alarm. 0Counter Clockwise POTClockwise
Premier Guard Installation Manual  25  Remote Control Programming  Without receiving remote control signals, the panel displays the alarm count, indicating the number of times the system has alarmed. See Figure 1.             Figure 1.  Alarm Count   Press [PSW] button to open the remote control, then enter the password. The default password, if not previously changed, is 689.             Figure 2.  Display after [PSW] is Pressed   Input Password 689 and press [CON] to confirm/accept the password.                           01         0                 0   6  98
Premier Guard Installation Manual  26  Note:  Inputting the wrong password will cause an error message to be displayed as per the following picture. After three successive times of inputting an incorrect password, the remote will be disabled. You will need to turn system power off/on and input the password again.            When the correct password is verified, the panel will display the following and is now ready for receiving configuration inputs.            There are three basic steps to inputting a programming parameter: •  Press function button. •  Input parameter number. •  Press [CON] to accept the parameter.  After parameter confirmation, the panel will display the tag window signal. If there is no tag in the detection zone, the value reflects the noise level in the receiving window without a tag.  The upper value reflects the signal level in the tag window from antenna channel 1. The lower value reflects the signal level in the tag window from antenna channel 2. (See NSE noise display entry; it’s the same value with D1)               CH 1CH 2         0   E  rr         -                94-       13
Premier Guard Installation Manual  27  Key ID A:  Gain Adjustment (Range: 0-1) •  Press [GN] – panel displays as per Figure 3. •  Input parameter number. •  Press [CON] to accept the parameter.            Figure 3.   Key ID B:  Sync Adjustment (Range: 0-250; increment: 1) This sets the time from zero crossing point to the start point of transmitting burst. It is important to eliminate crosstalk between different systems. Setting the default value to b-1 will in most cases not interfere with other AM products. •  Press [SYN] – panel displays as per Figure 4.1. •  Input parameter number. •  Press [CON] to view the nose conditions. Display will be as per Figure 4.2.            Figure 4.1  Under this entry, you can also see the different noise condition (from the light segment display and number indicator) at a different phase when the adjustment is applied. It will help you select a relatively “clean” phase environment for the system.            Figure 4.2  CH 1CH 2         A      1          b      1        13-       74
Premier Guard Installation Manual  28  Key ID C:  Receiving Window Delay (Range: 0-14; increment: 1) You can input a number from 1-14. The larger the number, the later the receiving window will be opened. •  Press [RE] – panel displays as per Figure 5. •  Input the parameter number. •  Press [CON] to accept the parameter.            Figure 5.   Key ID D:  Noise Condition Display (Range: 0-4) There are 6 noise level channels displaying different noise types from the two antenna channels. The noise value range is 0 to 999. Usually any noise larger than 100 will be considered as heavy noise. See details in the next table.  Note: If the noise condition display is open, the alarm will be deactivated unless you input 0 to shut down the display. •  Press [NSE] – panel displays as per Figure 6.1. •  Input the parameter number. •  Press [CON] to accept the parameter – panel displays as per Figure 6.2.            Figure 6.1             Figure 6.2 CH 1CH 2         C      4          d      4        94-       13
Premier Guard Installation Manual  29  Noise Condition Display Configuration Table Value  Function Description  Detection Purpose 0  Shut down tag or noise window display.   D1  Tag window display for channel one.  Detect tag entering vertically. D2  Tag window display for channel two.  Detect tag entering horizontally. D3  Average noise window display for channel one. D4  Average noise window display for channel two.  Monitor average noise.  Note: The average noise level (D3 & D4) is also weighted by the Minimum Signal Adjustment value. Therefore, if MIN (H value) is increased to be larger than the average noise level, D3 or D4 will only show the H value instead of the average noise value.   Key ID H:  Minimum signal Adjustment (Suggested increment: 20; practical range: 0-200) Decreasing this number will increase system sensitivity but also at the risk of false alarming. Vice versa, increasing the value will lower system sensitivity to avoid false alarms caused by uncontrollable environment noise. There is also an auxiliary POT for RX signal pre-process sensitivity adjustment (see page 18 and Addendum 1).  There are two antenna channels. Channel 1 is related to vertical orientation and Channel 2 is related to horizontal orientation. H1 (MIN1) sets the minimum signal of Channel 1, and H2 (MIN2) sets the minimum signal of Channel 2. •  Press [MIN] – panel displays as per Figure 7. •  Input the parameter number. •  Press [CON] to accept the parameter.            Figure 7.1.  Antenna Channel 1            Figure 7.2.  Antenna Channel 2           H 1    04         H 2    04Note:  See Addendum 1 for additional tuning instructions.
Premier Guard Installation Manual  30  After confirmation of H1 or H2 values, the panel will display the average noise level weighted by the minimum signal adjustment for both antenna channels as follows. (See NSE noise display entry. It’s the same value with D3, D4)  D3 reflects the average noise level weighted by H1 (MIN1) in antenna channel 1. D4 reflects the average noise value weighted by H2 (MIN2) in antenna channel 2.              Key ID F:  TX Off (Default value: 1; valid range: 0-1) Value Action 0  Turn off Tx 1  Turn on Tx  •  Press [TX OFF] •  Input the parameter number. •  Press [CON] to accept the parameter. Input 0 will turn down the transmitting burst via software control. If system power is reapplied, the system will return to default state of 1.   Key ID G:  Alarm Sound Off (Default value: 1; valid range: 0-1) Value Action 0  Turn off alarm sound. 1  Turn on alarm sound.  •  Press [ARM OFF] •  Input the parameter number. •  Press [CON] to accept the parameter. Input 0 will turn down the alarm sound via software control. If system power is reapplied, the system will return to default state of 1.   Key ID L:  Alarm Count Reset (Default value: 0; valid range: 0-1) Value Action 0 Initial state. 1  Reset alarm count.  •  Press [ARM OFF] •  Input the parameter number. •  Press [CON] to accept the parameter.  Input 1 will reset the alarm count to 0. CH 1CH 2       94-       13
Premier Guard Installation Manual  31  Key ID E:  Load Default Settings (Default value: 0; valid range: 0-1) Value Action 0 Initial state. 1  Load default settings.  Input 1 will load default settings. See Default Parameters Table.   Key ID P:  Password Change (Default value: 689; valid range: 0-999) You can input customer-defined passwords with this entry. Press [CON] button after inputting to activate the new password.  Note:  Please SAFEGUARD the new password if you have changed from the default. Once the new password is activated, the system will no longer recognize the 689 default password.   Key ID EX:  Exit Press [EX] to return to the alarm counter display status.  Key ID SA:  Save This button will save all current parameters to flash ROM and are saved, even after power shutdown. When the system is rebooted, it will load all previously saved parameters from flash ROM. •  Press [SA] – panel displays as per Figure 8. •  Input 1 •  Press [CON] to accept the current parameters.               Figure 8.              5      1
Premier Guard Installation Manual  32
Premier Guard Installation Manual  33 Addendum 1 Pedestal Sensitivity Adjustment Guide   1. Two Methods to Adjust Sensitivity There are two ways to adjust system sensitivity, and each method has a different effect on the system. A. Handheld Remote – Change the value of H (Minimum Signal Adjustment) at the PLCU using the handheld remote (Ref pages 27). B. POT Adjustment – Tune the antenna coils by adjusting the potentiometers on the transmitter board located inside the pedestal base (Ref page 12).                                     A. Handheld Remote Control BoxReceiver Board in Control Box H1H2 B. Pot Adjustment Loop Coil or Figure-8 Coil Transmitter Board POT 1POT 2Pedestal  Antenna Coil Set Loop Coil or Figure-8 Coil Pedestal Connected to RXA & RXB Affected Pedestal Pedestal Connected to RXA & RXB Note:  Because sub-ports RXA/RXB are mapped into Channel 1 (H1 controlled) andRXC/RXD are mapped into Channel 2 (H2 controlled), adjustment of either H1 or H2will affect both of the mapped sub-ports (RXA/RXB or RXC/RXD), thus affecting thepedestal(s) connected to the mapped sub-ports.
Premier Guard Installation Manual  34                       The tuning POTs only affect a single pedestal. Depending on the specific model of Premier or Plus Line product, the specific POT (1 or 2) will affect a different antenna coil set:  a.  POT 1 corresponds to the Figure-8 Coil (vertical orientation) and POT 2 corresponds to the Loop Coil (horizontal orientation); -- or -- b.  POT 1 corresponds to the Loop Coil and POT 2 corresponds to the Figure-8 Coil. c.  POT 1 corresponds to the Loop Coil and POT 2 corresponds to ferrite rod antennas.   Note: “Figure-8” and “Loop” are names that identify the two antenna coils inside the pedestal. The Figure-8 Antenna Coil detects vertical orientation signals and the Loop Antenna Coil detects horizontal orientation signals.      ***            Antenna Socket 1 Antenna Socket 2 POT 1POT 2

Navigation menu