WIZNET WIZFI210 Wireless LAN Module User Manual
WIZNET Co., LTD. Wireless LAN Module Users Manual
WIZNET >
Users Manual

WizFi210 User Manual (WIZnet Co., Ltd.)
WizFi210/220 User Manual
(Version 1.0)
©2011 WIZnet Co., Ltd. All Rights Reserved.
☞ For more information, visit our website at http://www.wiznet.co.kr

WizFi210 User Manual (WIZnet Co., Ltd.)
Certification Information
CE for Class B ITE
INFORMATION TO THE USER
Hereby, WIZnet. Declares that this WizFi210 is in compliance with the essential requirements
and other relevant provisions of directive 1999/5/EC.
WARNING: This is a class B product. In a domestic environment this product may cause radio
interference in which case the user may be required to take adequate measures.
FCC for Class B ITE
INFORMATION TO THE USER
This equipment has been tested and found to comply with the limits for a Class B digital device,
pursuant to part 15 of the FCC Rules. These limits are designed to provide reasonable
protection against harmful interference in a residential installation. This equipment generates,
uses and can radiate radio frequency energy and, if not installed and used in accordance with
the instructions, may cause harmful interference to radio communications. However, there is no
Guarantee that interference will not occur in a particular installation. If this equipment does
cause harmful interference to radio or television reception, which can be determined by turning
the equipment off and on, the user is encouraged to try to correct the interference by one more
of the following measures:
- Reorient or relocate the receiving antenna.
- Increase the separation between the equipment and receiver.
- Connect the equipment into an outlet on a circuit different from that to which the
receiver is connected.
- Consult the dealer or an experienced radio/TV technician for help.
WARNING: This equipment may generate or use radio frequency energy. Changes or
modifications to this equipment may cause harmful interference unless the modifications are
expressly approved in the instruction manual. The user could lose the authority to operate this
equipment if an unauthorized change or modification is made.
KCC for Class B ITE
INFORMATION TO THE USER
This equipment has been tested for a Class B digital device.
- Trade Name or Applicant : WIZnet, Co., Ltd.
- Equipment Name : Wireless LAN Module
- Basic Model Number : WizFi210
- Derivative Model Number : WizFi210CA
- Manufacturer / Country of Origin : WIZnet, Co., Ltd. / KOREA
- Certification Number : KCC-CRM-WWW-WIZFI210
WARNING: This equipment may generate or use radio frequency energy. Changes or
modifications to this equipment may cause harmful interference.

WizFi210 User Manual (WIZnet Co., Ltd.)
Document Revision History
Date Revision Changes
2011-03-24 V1.0 Official Release

WizFi210 User Manual (WIZnet Co., Ltd.)
<Contents>
1. Overview ........................................................................................................................ 1
(1) Benefits and Features .............................................................................................. 2
(2) Specifications .......................................................................................................... 3
2. Hardware Specification ................................................................................................... 4
(1) Operating Conditions .............................................................................................. 4
(2) Digital Input Specifications ...................................................................................... 4
(3) Digital Output Specifications ................................................................................... 4
(4) I/O Digital Specification (Tri-State) ........................................................................... 5
(5) RTC Input Specifications .......................................................................................... 6
(6) RTC Output Specifications ....................................................................................... 6
(7) Internal 1.8V regulator ............................................................................................ 7
(8) Power Consumption (VDD=3.3V, VDDIO=1.8V, Temp=25°C) .................................... 7
(9) RF Specification ....................................................................................................... 8
(10) Block Diagram ................................................................................................... 9
(11) Pin Description .................................................................................................. 9
(12) Module Dimension .......................................................................................... 13
(13) Recommend Pad Dimension............................................................................ 14
(14) LED Indications ............................................................................................... 14
(15) Application Circuit ........................................................................................... 15
(16) Interface ............................................... 오류! 책갈피가 정의되어 있지 않습니다.
3. Application Guide ......................................................................................................... 17
(1) AP Scanning .......................................................................................................... 17
(2) Network Connection Management ........................................................................ 17
(3) Auto Connection Operation .................................................................................. 17
(4) Response Codes .................................................................................................... 18
(5) Use of GPIO10 ...................................................................................................... 19
(6) AT Command example .......................................................................................... 20
4. AT Commands .............................................................................................................. 21
(1) Command interface ............................................................................................... 21
(2) UART / adapter interface configuration ................................................................. 21
(3) Profile management .............................................................................................. 22
(4) Wi-Fi interface ....................................................................................................... 23
(5) Wi-Fi security ........................................................................................................ 23
(6) Wireless configuration ........................................................................................... 25
(7) Network interface .................................................................................................. 25
(8) Connection management ...................................................................................... 26
(9) Battery check ........................................................................................................ 27
(10) Power state management ................................................................................ 27
(11) Auto connection .............................................................................................. 27
(12) Provisioning .................................................................................................... 28
(13) Miscellaneous .................................................................................................. 28
5. Warranty ...................................................................................................................... 30

WizFi210 User Manual (WIZnet Co., Ltd.)
<Table>
TABLE 1. SPECIFICATIONS ................................................................................................................................... 3
TABLE 2. OPERATING CONDITIONS ................................................................................................................ 4
TABLE 3. DIGITAL INPUT SPECIFICATIONS .................................................................................................. 4
TABLE 4. DIGITAL OUTPUT SPECIFICATIONS ............................................................................................. 4
TABLE 5. I/O DIGITAL SPECIFICATION ............................................................................................................ 5
TABLE 6. RTC INPUT SPECIFICATIONS .......................................................................................................... 6
TABLE 7. RTC OUTPUT SPECIFICATIONS ..................................................................................................... 6
TABLE 8. INTERNAL 1.8V REGULATOR .......................................................................................................... 7
TABLE 9. POWER CONSUMPTION .................................................................................................................... 7
TABLE 10. RF SPECIFICATION ............................................................................................................................ 8
TABLE 11. PIN DESCRIPTION ........................................................................................................................... 12
TABLE 12. LED INDICATIONS ............................................................................................................................ 14
TABLE 13. RESPONSE CODES ........................................................................................................................ 19
TABLE 14. AT COMMAND EXAMPLE .............................................................................................................. 20
TABLE 15. COMMAND INTERFACE ................................................................................................................ 21
TABLE 16. UART / ADAPTER INTERFACE CONFIGURATION ............................................................ 22
TABLE 17. PROFILE MANAGEMENT .............................................................................................................. 22
TABLE 18. WI-FI INTERFACE ............................................................................................................................. 23
TABLE 19. WI-FI SECURITY ............................................................................................................................... 24
TABLE 20. WIRELESS CONFIGURATION ..................................................................................................... 25
TABLE 21. NETWORK INTERFACE ................................................................................................................. 25
TABLE 22. CONNECTION MANAGEMENT ................................................................................................... 27
TABLE 23. BATTERY CHECK ............................................................................................................................. 27
TABLE 24. POWER STATE MANAGEMENT
................................................................................................. 27
TABLE 25. AUTO CONNECTION ....................................................................................................................... 28
TABLE 26. PROVISIONING ................................................................................................................................. 28
TABLE 27. MISCELLANEOUS ............................................................................................................................ 29

WizFi210 User Manual (WIZnet Co., Ltd.)
<Figure>
FIGURE 1. BASIC DIAGRAM ................................................................................................................................. 1
FIGURE 2. BLOCK DIAGRAM ............................................................................................................................... 9
FIGURE 3. PIN DESCRIPTION ............................................................................................................................. 9
FIGURE 4. MODULE DIMENSION .................................................................................................................... 13
FIGURE 5. RECOMMEND PAD DIMENSION ............................................................................................... 14
FIGURE 6. VIN = BATTERY................................................................................................................................... 15
FIGURE 7. VIN = AC ADAPTOR .......................................................................................................................... 15
FIGURE 8. FIRMWARE DOWNLOAD .............................................................................................................. 16
FIGURE 9. INTERFACE .......................................................... 오류! 책갈피가 정의되어 있지 않습니다.
FIGURE 10. FACTORY DEFAULT AND AD HOC MODE ......................................................................... 19

WizFi 210 User Manual (WIZnet Co., Ltd.)
1
1. Overview
The WizFi210 family of fully certified modules offers a quick, easy, and cost effective way for
device and appliance manufacturers to add Wi-Fi capabilities to their products. The module
provides serial UART interface which enables connection to any embedded design utilizing
an 8/16/32-bit microcontroller via simple commands. The WizFi210 is an ideal solution for
organizations with limited or no Wi-Fi or RF expertise, as it not only dramatically reduces RF
design time but also removes the burden of testing and certification; allowing customers to
focus on their core application, product, or expertise. The module supports data rates up to
11 Mbps, and is compliant with 802.11b.
The WizFi210 provides customers the mean to evaluate the capabilities of ultra-low power
wireless system-on-a-chip and the Serial to Wi-Fi embedded software for Wi-Fi networks.
The Serial to Wi-Fi embedded software allows devices and appliance manufacturers to easily
add Wi-Fi capabilities to their products with minor impact on the host microcontroller
firmware.
The WizFi210 provides all the hardware and software necessary to quickly set up a serial
(UART) based link to a PC or external microcontroller.
The WizFi220 is a RF-enhanced Product. Except for [RF Output Power], the WizFi220 is
similar in management and development to the WizFi210. In other words, the WizFi220 will
consume more power but it has the improved WiFi range.
(All documents for the WizFi210 apply to the WizFi220)
Figure 1. Basic Diagram

WizFi 210 User Manual (WIZnet Co., Ltd.)
2
(1) Benefits and Features
Brings Wi-Fi connectivity to any device with a microcontroller and serial HOST
interface (UART)
Minimal Serial to Wi-Fi “driver” footprint on host microcontroller and minor
changes to existing host MCU firmware
Offloading of smaller host microcontrollers from the Wi-Fi and TCP/ IP networking
Simple AT commands for configuration and data communication
DHCP/Static IP, TCP/UDP, Server/Client, DNS
Reduces development time, testing and certification burden, accelerating time to
market
Easy device provisioning through our utility or Wi-Fi Protected Set-up (WPS)
Ultra low power consumption through dynamic power management
Operating speed up to 11 Mbps (802.11b)
Security (WEP, WPA, WPA2-PSK, Enterprise)
Rich I/O interfaces (SPI, UART, GPIO, I2C, ADC, JTAG)
Low power modes, Alarm Input for wake-up
High-throughput hardware AES and RC4 encryption/decryption engines

WizFi 210 User Manual (WIZnet Co., Ltd.)
3
(2) Specifications
Specifications Description
Radio Protocol IEEE 802.11b Compatible
Supported Data Rates 11, 5.5, 2, 1 Mbps (802.11 b)
Modulation DSSS and CCK
RF Operating Frequency 2.412 - 2.462 GHz
Antenna Options U.FL connector for external antenna
Networking Protocols UDP, TCP/IP (IPv4), DHCP, ARP, DNS, HTTP/HTTPS Client
and Server(*)
Power Consumption
(Typical)
Standby = 34.0 µA(WizFi210)
Receive = 124.0 mA(WizFi210)
Transmit = 126.0 mA(WizFi210)
RF Output Power (Typical) 8dBm ± 0.5dB (WizFi210)
17dBm ± 0.5dB (WizFi220)
Security Protocols WEP, WPA/WPA2 – PSK, Enterprise, EAP-FAST, EAP-TLS,
EAP-TTLS, PEAP
I/O Interface UART, SPI(*), I2C(*), WAKE, ALARM, GPIOs
Power Source 3.3V
Dimensions 32 x 23.5 x 3 mm
Table 1. Specifications
(*) is supported by software customizing.

WizFi 210 User Manual (WIZnet Co., Ltd.)
4
2. Hardware Specification
(1) Operating Conditions
Min Typ Max Unit
Operating Ambient Range -40 +85 °C
RTC Supply Voltage 1.2 3.3 3.6 V
Single Supply Voltage 3.0 3.3 3.6 V
Table 2. Operating Conditions
(2) Digital Input Specifications
Min Typ Max Unit
IO Supply Voltage 1.62/3 1.8/3.3 1.98/3.63 V
Input Low Voltage (VIL) -0.3 0.25VDDIO V
Input High Voltage (VIH) 0.8VDDIO VDDIO V
Schmitt trig. Low to High threshold point (VT+) 1.5 V
Schmitt trig. High to Low threshold point (VT-) 1 V
Table 3. Digital Input Specifications
(3) Digital Output Specifications
Min Typ Max Unit
IO Supply Voltage 1.62/3 1.8/3.3 1.98/3.63 V
Output Low Voltage (VIL) 0 0.4 V
Output High Voltage (VIH) 1.3 VDDIO V
Output rise time (tTLH) 7 ns
Output fall time (tTHL) 7 ns
Table 4. Digital Output Specifications

WizFi 210 User Manual (WIZnet Co., Ltd.)
5
(4) I/O Digital Specification (Tri-State)
Min Typ Max Unit
IO Supply Voltage 1.62/3 1.8/3.3 1.98/3.63
Input Low Voltage (VIL) -0.3 0.25VDDIO V
Input High Voltage (VIH) 0.8VDDIO VDDIO V
Schmitt trig. Low to High threshold
point (VT+) 1.5 V
Schmitt trig. High to Low threshold
point (VT-) 1 V
Pull-Up Resistor (Ru) 0.05 1 MΩ
Pull-Down Resistor (Rd) 0.05 1 V
Output Low Voltage (VOL) 0 0.4 V
Output High Voltage (VOH) 1.3 VDDIO ns
Output rise time @ 3.3V (tToLH) 7 ns
Output fall time @ 3.3V (tToHL) 7 ns
Input rise time (tTiLH) 7 ns
Input fall time (tTiHL) 7 ns
Table 5. I/O Digital Specification

WizFi 210 User Manual (WIZnet Co., Ltd.)
6
(5) RTC Input Specifications
Min Typ Max Unit
RTC Supply Voltage (VDDRTC) 1.2 3.6 V
Input Low Voltage (VIL) -0.3 0.25VDDRTC V
Input High Voltage (VIH) 0.8VDDRTC VDDRTC V
Schmitt trig. Low to High threshold
point (VT+) 0.57VDDRTC 0.68VDDRTC V
Schmitt trig. High to Low threshold
point (VT-) 0.27VDDRTC 0.35VDDRTC V
Table 6. RTC Input Specifications
(6) RTC Output Specifications
Min Typ Max Unit
RTC Supply Voltage (VDDRTC) 1.2 3.6 V
Output Low Voltage (VOL) 0 0.4 V
Output High Voltage (VOH) 0.8VDDRTC VDDRTC V
Output rise time (tTLH) 19 142 ns
Output fall time (tTHL) 21 195 ns
Table 7. RTC Output Specifications

WizFi 210 User Manual (WIZnet Co., Ltd.)
7
(7) Internal 1.8V regulator
Min Typ Max Unit
Output Voltage (VOUT_1V8) 1.8 V
Maximum Output Current (IVOUT_1V8) 250 300 mA
1.8V Regulator Enable "H" Voltage
(EN_1V8) 1.0 VIN_3V3 V
1.8V Regulator Enable "L" Voltage
(EN_1V8) 0 0.25 V
Table 8. Internal 1.8V regulator
(8) Power Consumption (VDD=3.3V, VDDIO=1.8V, Temp=25°C)
Current Power
Consumption Unit
Standby mode (Only VDDRTC is active) 34.0 µA 112.2 µW
Idle mode
(CPU running, WLAN disconnected) 10.0 mA 30.0 mW
Receive
(-81dBm RX sens. @11Mbps) 124.0 mA 409.2 mW
Transmit
(+8dBm at antenna port @11Mbps) 126.0 mA 415.8 mW
TCP, Standby=10sec, Payload 100Byte 3.7 mA 12.21 mW
TCP, Standby=1min, Payload 100Byte 0.6 mA 1.98 mW
UDP, Standby=10sec, Payload 100Byte 3.6 mA 11.88 mW
UDP, Standby=1min, Payload 100Byte 0.6 mA 1.98 mW
Table 9. Power Consumption

WizFi 210 User Manual (WIZnet Co., Ltd.)
8
(9) RF Specification
Specification Description
Modulation Technique DSSS for 1, 2Mbps
CCK for 5.5, 11Mbps
Data Rate IEEE 802.11b: 1, 2, 5.5 and 11Mbps
Receive Sensitivity
-84dBm ± 1dB @ 11Mbps
-88dBm ± 1dB @ 5.5Mbps
-90dBm ± 1dB @ 2Mbps
-94dBm ± 1dB @ 1Mbps
Transmit power (Average) 802.11b : 8dBm ± 0.5dB @ 11Mbps
Frequency Range
USA: 2.400 ~ 2.483GHz
Europe: 2.400 ~ 2.483GHz
Japan: 2.400 ~ 2.497GHz
China: 2.400 ~ 2.483GHz
Operating Channels
USA/Canada: 11 (1~11)
Major Europe Countries: 13 (1~13)
France: 4 (10~13)
Japan: 14 for IEEE 802.11b (1~13 or 14th),
13 for IEEE 802.11g (1~13)
Korea/China: 13 (1~13)
Antenna U.FL External Antenna Support
External Antenna Pad Support
Table 10. RF Specification

WizFi 210 User Manual (WIZnet Co., Ltd.)
9
(10) Block Diagram
Figure 2. Block Diagram
(11) Pin Description
Figure 3. Pin description

WizFi 210 User Manual (WIZnet Co., Ltd.)
10
PIN NAME I/
O IN BIAS DESCRIPTION
1 GND P NA Ground
2 JTAG_TCK (*) I Pull-up Joint Test Action Group Test Clock
3 JTAG_TDO (*) O NA Joint Test Action Group Test Data Out
4 JTAG_TDI (*) I Pull-up Joint Test Action Group Test Data In
5 JTAG_TMS (*) I Pull-up Joint Test Action Group Test Mode Select
6 JTAG_NTRST (*) I Pull-up Joint Test Action Group Test Mode Reset
Active Low
7 ALARM1 I Pull-down Embedded Real Time Clock Wake Up Input
1
8 RTC_OUT1 (*) O NA Embedded Real Time Clock Wake Up
Output 1
9 VBAT P NA Embedded Real Time Clock Power Supply
10 DC_DC_CNTL O NA VIN_3V3 Regulator Control Output
11 ALARM2 (*) I Pull-down Embedded Real Time Clock Wake Up Input
2
12 ADC1 (*) I NA General Analog to Digital Converter 1
13 ADC2 (*) I NA General Analog to Digital Converter 2
14 MSPI_MISO/GPIO
6 (*) I Pull-down Master Serial Peripheral Interface Bus Data
Input / General Purpose Input Output
15 MSPI_MOSI/GPIO
7 (*) O Pull-down Master Serial Peripheral Interface Bus Data
Output / General Purpose Input Output
16 MSPI_CLK/GPIO5
(*) O Pull-down Master Serial Peripheral Interface Bus Clock
/ General Purpose Input Output
17 VOUT_1V8 (*) P NA Internal 1.8V Vout
18 GND P NA Ground
19 MSPI_CS0/GPIO4
(*) O Pull-down Master Serial Peripheral Interface Bus Chip
Select 0 / General Purpose Input Output
20 MSPI_CS1/GPIO13
(*) O Pull-down Master Serial Peripheral Interface Bus Chip
Select 1 / General Purpose Input Output
21 I2C_CLK/GPIO9 (*) IO Pull-down Inter-Integrated Circuit Clock / General

WizFi 210 User Manual (WIZnet Co., Ltd.)
11
Purpose Input Output
22 PWM0/GPIO10 O Pull-down Pulse Width Modulator / General Purpose
Input Out-put
23 GPIO19/CLK_44M
Hz (*) I Pull-down Internal Clock Circuitry Test Point / General
Purpose Input Output
24 GPIO20/CLK_22M
Hz (*) I Pull-down Internal Clock Circuitry Test Point / General
Purpose Input Output
25 GPIO21/CLK_11M
Hz (*) I Pull-down Internal Clock Circuitry Test Point / General
Purpose Input Output
26 I2C_DATA/GPIO8
(*) IO Pull-down Inter-Integrated Circuit Data / General
Purpose Input Output
27 SSPI_MISO (*) O Pull-up SPI Slave Transmit Data Output to the
HOST
28 SSPI_CLK (*) I Pull-up SPI Slave Clock Input from the HOST
29 SSPI_CS (*) I Pull-up SPI Slave Chip Select Input from the HOST
30 SSPI_MOSI (*) I Pull-down SPI Slave Receive Data Input from the
HOST
31 GND P NA Ground
32 VIN_3V3 P NA Single Supply Port
33 EN_1V8 I NA Internal 1.8V regulator enable port-Active
High
34 VDDIO(**) P NA All I/O voltage domain (can be tied to
VIN_3V3 or tied to HOST I/O supply)
35 EXT_RESETN (*) IO Pull-up Module Hardware Reset Input and Power
Supply Reset Monitor Indictor
36 UART1_CTS/GPIO
26 (*) I Pull-down
Universal Asynchronous Receiver
Transmitter 1 Clear to Send Input / General
Purpose Input Output
37 UART1_RTS/GPIO2
7 O Pull-down
Universal Asynchronous Receiver
Transmitter 1 Request to Send Output /
General Purpose Input Out-put /
Firmware Program Mode
38 UART1_RX/GPIO3
(*) I Pull-down
Universal Asynchronous Receiver
Transmitter 1 Receive Input / General
Purpose Input Output

WizFi 210 User Manual (WIZnet Co., Ltd.)
12
39 UART1_TX/GPIO2
(*) O Pull-down
Universal Asynchronous Receiver
Transmitter 1 Transmitter Output / General
Purpose Input Output
40 UART0_TX/GPIO1 O Pull-down
Universal Asynchronous Receiver
Transmitter 0 Transmitter Output / General
Purpose Input Output
41 UART0_RTS/GPIO2
5 O Pull-down
Universal Asynchronous Receiver
Transmitter 0 Request to Send Output /
General Purpose Input Out-put
42 UART0_RX/GPIO0 I Pull-down
Universal Asynchronous Receiver
Transmitter 0 Receive Input / General
Purpose Input Output
43 UART0_CTS/GPIO
24 I Pull-down
Universal Asynchronous Receiver
Transmitter 0 Clear to Send Input / General
Purpose Input Output
44 GPIO31 IO Pull-down General Purpose Input Output
45 GPIO30 IO Pull-down General Purpose Input Output
46 GPIO29 (*) IO Pull-down General Purpose Input Output
47 GPIO28 IO Pull-down General Purpose Input Output
48 GND P NA Ground
49 EXT-ANT IO NA External Antenna pad
Table 11. Pin description
(*) is not available in this version.
(**) To allow for design flexibility and support for multiple sensors with different voltages,
the VDDIO banks are split, such that some of the VDDIO banks can be 1.8 V and some can
be 3.3 V. If a VDDIO bank is connected to 1.8 V then the corresponding I/O signals for that
bank should be driven at the same voltage.
VDDIO Bank 1 : GPIO28~29, JTAG,
VDDIO Bank 2 : SPI1(Master), Misc
VDDIO Bank 3 : GPIO18~23, PWM
VDDIO Bank 4 : I2C, SPI2(Slave), GPIO16~17
VDDIO Bank 5 : UART0~1
VDDIO Bank 6 : GPIO30~31

WizFi 210 User Manual (WIZnet Co., Ltd.)
13
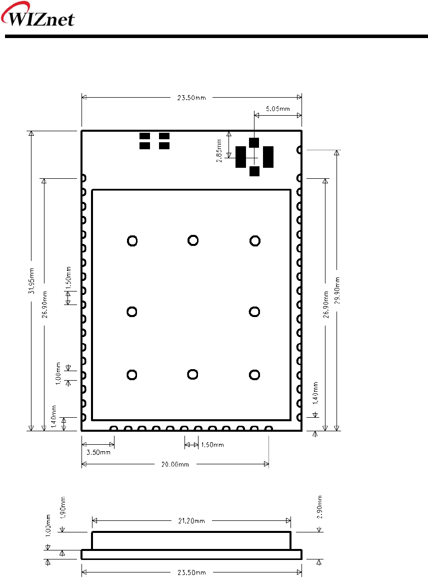
(12) Module Dimension
Figure 4. Module dimension

WizFi 210 User Manual (WIZnet Co., Ltd.)
14
(13) Recommend Pad Dimension
Figure 5. Recommend Pad Dimension
(14) LED Indications
Condition D3(PWR) D1(GPIO 30) D2(GPIO 31) D4 (GPIO 28)
ON Solid Power On - Serial-To-WiFi OK Associated
Blink(-1-) - Serial Data Rx
(Data Mode) -
Blink(-1-1-) - Serial Data Rx
(AT Command Mode) - -
OFF No Power - Serial-To-WiFi Error Not Associated
Table 12. LED Indications

WizFi 210 User Manual (WIZnet Co., Ltd.)
15
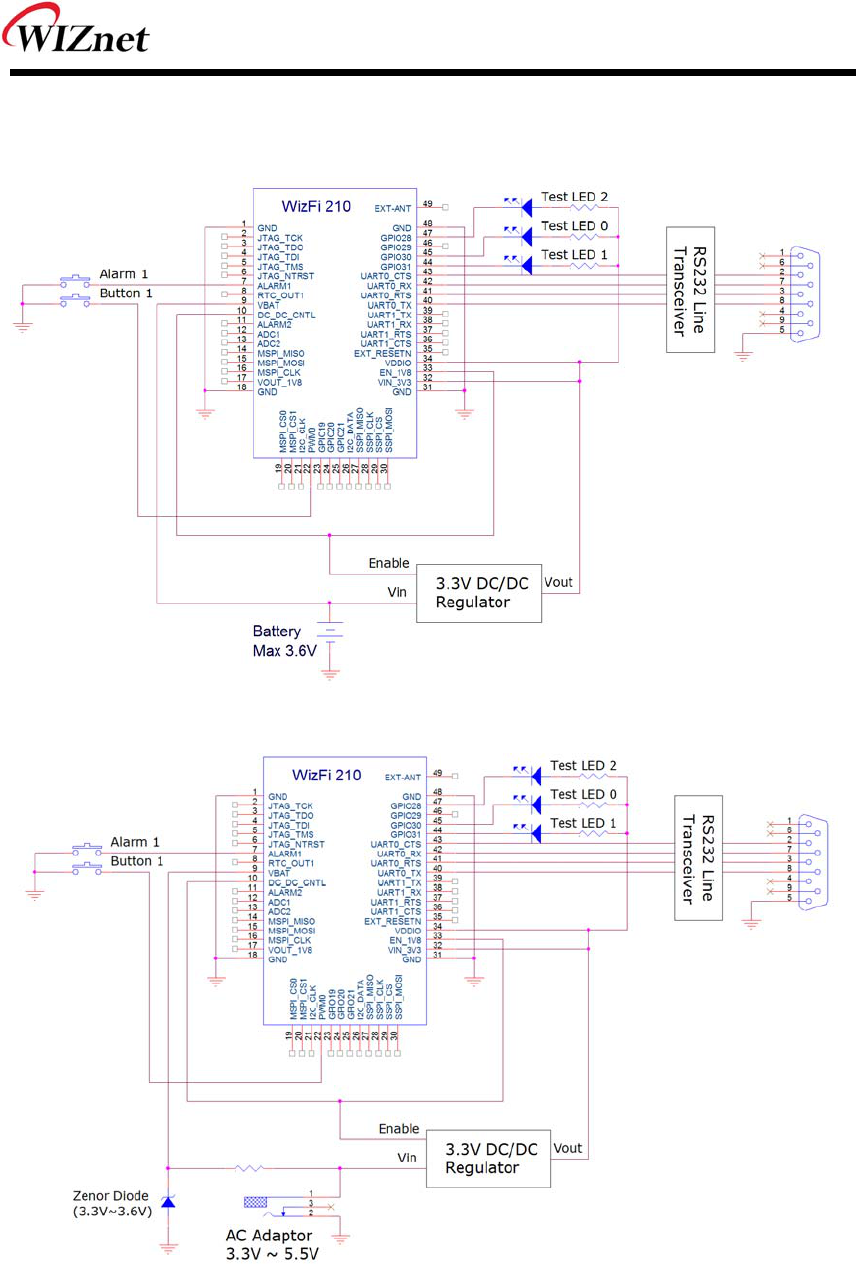
(15) Application Circuit
Figure 6. VIN = Battery
Figure 7. VIN = AC Adaptor
[Button 1](GPIO10) is used for mode transition between data/command mode, factory
default and self test. So, this should be considered, except in special cases

WizFi 210 User Manual (WIZnet Co., Ltd.)
16
Figure 8. Firmware Download
In order to upgrade the firmware of the WizFi210, the hardware design to transit between
run mode and program mode is required as shown as above.

WizFi 210 User Manual (WIZnet Co., Ltd.)
17
3. Application Guide
(1) AP Scanning
The Serial2WiFi interface can instruct the Wi-Fi radio to scan for access points and ad hoc
networks with a specified SSID, BSSID and/or channel for a specified scan time. Scanning
can be performed to find networks with a specific SSID, BSSID, networks operating on a
specific radio channel, or a combination of these constraints.
(2) Network Connection Management
The connection management module is responsible for processing connection-related
events. The interface provides UDP and TCP sockets (similar to the familiar BSD network
sockets). Each socket may represent either a server or client connection. Each such
connection has a unique, single-digit hexadecimal value (0 to 15) for the CID. The allowed
maximum number of connections (up to 16) may be specified at compile time. Note that
this single pool of CID‟s is used for TCP, UDP, Server and Client connections
(3) Auto Connection Operation
Auto Connecttion acts as a cable replacement insofar that the interface acts like a serial
interface and no commands or user intervention are required for connection management.
In this mode, the Station automatically builds the wireless and network connections by using
parameter values from the current active Profile, then transfers data transparently between
the Host and Target in data mode. No status information is sent to the Host.
The operation modes of WizFi210 are as below
Command Mode : in which data is interpreted as commands to control WizFi210
Data Mode : in which serial data is sent to the WiFi interface
In Data mode the Adapter:
► Receives characters from the serial port and transmits them over the connection
► Receives data from the connection and transmits it on the serial port
The serial host may gain control of the interface by issuing the escape sequence “+++”,
followed by a one-second gap where no characters are received on the serial port. When
this sequence is encountered, the Adapter exits data mode and resumes command
processing. The host then makes changes in the network configuration or other parameters

WizFi 210 User Manual (WIZnet Co., Ltd.)
18
as needed. However, the Adapter does not accept any new TCP/UDP client/server or data
connection requests.
The ATO command (terminated by the ASCII character “O”, not the number 0) is used to
return to data mode.
Applying the “AT+XEHT=1” command (Enable Hardware Trigger), you can change between
data mode and command mode using GPIO 10, without escape sequence (“+++”).
Using D2(GPIO 31), D4(GPIO 28) of WizFi210, you can see if the WizFi210 is associated to
the AP and if serial-to-wifi network channel is normal.
And applying the “AT+XDUM=1” command (Disable UART Message), all UART messages are
blocked in data mode. In this situation, you have to check the signal of GPIO 28 and GPIO
31 to know disassociation or network connection closed.
In data mode, the Nagle Algorithm Wait Time can be used to buffer any characters to be
sent, in order to avoid sending a large number of packets with small payloads onto the
network. The wait time is specified in units of 10 milliseconds. This functionality is available
for both UDP and TCP connections.
(4) Response Codes
The possible responses sent by the Adapter to the serial host are described below.
The Response Codes can be distinguished into codes resulting from the AT Command or
not. There are Carriage Return(\r, 0x0d) and Line Feed(\n, 0x0a) above and below ASCII
STRING. If you send “at” string and Line Feed to the WizFi210,
at + Line Feed (0x61 0x74 0x0d)
You can see the following data.
at + Line Feed (0x61 0x74 0x0d) + \r\n[OK]\r\n (0x0d 0x0a 0x5b 0x4f 0x4b 0x5d 0x0d 0x0a)
No ASCII
CHAR Response ASCII STRING Meaning
1 0 S2W_SUCCESS [OK] Command Request Success.
2 1 S2W_FAILURE [ERROR] Command Request Failed.
3 2 S2W_EINVAL [ERROR: INVALID INPUT] Invalid Command or Option or
Parameter.
4 3 S2W_SOCK_FAIL [ERROR: SOCKET FAILURE] Socket Operation Failed.
5 4 S2W_ENOCID [ERROR: NO CID] All allowed CID’s in use, so there
was no CID to assign to the new

WizFi 210 User Manual (WIZnet Co., Ltd.)
19
connection.
6 5 S2W_EBADCID [ERROR: INVALID CID] Invalid Connection Identifier.
7 6 S2W_ENOTSUP [ERROR: NOT SUPPORTED] Operation or Feature not
supported.
8 7 S2W_CON_SUCCESS [CONNECT <CID> <info>]
TCP/IP connection successful.
<CID> = the new CID in
hexadecimal format.
9 8 S2W_ECIDCLOSE [DISCONNECT <CID>]
TCP/IP connection with the given
CID is closed. This response is sent
to the host when a connection is
closed either by the remote device
or by the serial host.
10 9 S2W_LINK_LOST [DISASSOCIATED] Not associated to a wireless
network.
11 A S2W_DISASSO_EVT [Disassociation Event] Wireless network association lost.
Table 13. Response Codes
(5) Use of GPIO10
If you click the GPIO10 button twice consecutively, the WizFi210 is restored to factory
default. And if you click the GPIO10 button three times consecutively, the WizFi210 is
restored to factory default and will change to ad hoc mode to configure the WizFi210 via
WiFi. (IP:192.168.1.254/Subnet:255.255.255.0/Gateway:192.168.1.1)
Figure 9. Factory Default and ad hoc mode
As previously described, GPIO10 is used for data/command mode transition by applying
“AT+XEHT=1” command. But there should be no UART input in 300mS before and after
sending signal to GPIO10 for mode transition time and buffer processing time.

WizFi 210 User Manual (WIZnet Co., Ltd.)
20
(6) AT Command example
AT Command examples are described below. In this sample application, the WizFi210
associate to the AP and open the serial-to-wifi channel automatically after reboot.
Description of each command is in the next chapter.
No MCU → WizFi210
(AT Command)
WizFi210 → MCU
(Echo and Result String) Description
1 AT+WD
AT+WD
[OK]
Disassociate
2 AT+WWPA=12345678
AT+WWPA=12345678
[OK]
Set WPA passphrase
3 AT+NDHCP=1
AT+NDHCP=1
[OK]
Enable DHCP
4 AT+WAUTO=0,WizFiAP,,0
AT+WAUTO=0,WizFiAP,,0
[OK]
Set WiFi Configuration
5 AT+NAUTO=1,1,,4000
AT+NAUTO=1,1,,4000
[OK]
TCP Server Mode(4000)
6 ATC1
ATC1
[OK]
Auto Connect on next
reboot
7 AT+XEHT=0
AT+XEHT=0
[OK]
Disable Hardware Trigger
8 AT+XDUM=1 AT+XDUM=1
[OK]
Disable UART Message
9 AT&Y0
AT&Y0
[OK]
Set Default Profile
10 AT&W0 AT&W0
[OK]
Save Profile
Table 14. AT Command Example

WizFi 210 User Manual (WIZnet Co., Ltd.)
21
4. AT Commands
This section provides a list of Serial2WiFi commands and their effects. Parameters are
generally ASCII characters, e.g. ATEn with n=1 is the series of ASCII characters ‘A’, ‘T’, ‘E’, and
‘1’. Where some parameters are optional, mandatory parameters are denoted by < > and
optional parameters by [ ]. If a parameter is mandatory, any associated sub-parameters are
also mandatory; sub-parameters of an optional parameter are optional. Parameters must
always be provided in the order given in the command description. When an optional
parameter is not supplied, the comma delimiters must still be included in the command.
Every command starts with the characters “AT”; any other initial characters will cause an
error to be returned.
Command Response: In most cases, valid commands return the characters OK. Invalid inputs
return ERROR: INVALID INPUT.
Some commands may be not supported depending on the version
(1) Command interface
Command Parameters Responses / Effects
AT “OK”
ATE n=0 (disable) =1 (enable) IF 1, echo all input.
Ex) ATE0, ATE1
ATV n=0 (disable) =1 (enable)
IF 1 responses are ASCII, else numerical
codes.
Ex) ATV0, ATV1
Table 15. Command interface
(2) UART / adapter interface configuration
Command Parameters Responses / Effects
ATB <baudrate>[[,<bitsperchar>]
[,<parity>][,<stopbits>]]
UART parameters are immediately reset to
values provided.(9600, 19200, 38400, 57600,
115200, 230400)
Parity is n for no parity, e for even parity and
o for odd parity.
Allowed values are 5, 6, 7 or 8 bits/character,
with 1 or 2 stop bits (1.5 in the case of a 5-bit
character).
Ex) ATB=9600,8,n,1

WizFi 210 User Manual (WIZnet Co., Ltd.)
22
AT&K n=0 (disable) =1 (enable) IF 1, software flow control is enabled.
Ex) AT&K0, AT&K1
AT&R n=0 (disable) =1 (enable) IF 1, hardware flow control is enabled.
Ex) AT&R0, AT&R1
ATS n=0 to 5; p=(parameter value)
Sets various timeout values;
0 (Network Connection Timeout,
10 milliseconds, 1~65535, default 1000)
1 (Auto Associate Timeout
10 milliseconds, 0~65535, default 500)
2 (TCP Connection Timeout
10 milliseconds, 0~65535, default 500)
3 (Association Retry Count
Not currently supported)
4 (Nagle Algorithm Wait Time
10 milliseconds, 0~65535, default 10)
5 (Scan Time
1 milliseconds, 0~65535, default 20)
Ex) ATS0=1000, ATS1=500
ATI n=0 to 2;
Various Adapter ID information;
0 (OEM identification)
1 (Hardware version)
2 (Software version)
Ex) ATI0, ATI2
Table 16. Uart / adapter interface configuration
(3) Profile management
Command Parameters Responses / Effects
AT&W n=0 (profile 0) =1 (profile 1) Save profile specified by n.
Ex) AT&W0
ATZ n=0 (profile 0) =1 (profile 1) Load profile specified by n.
Ex) ATZ0
AT&Y n=0 (profile 0) =1 (profile 1) Set default profile to the value n.
AT&Y0
AT&F Restore profile to factory default values.
AT&V Current and saved profile parameter values as
ASCII.
Table 17. Profile management

WizFi 210 User Manual (WIZnet Co., Ltd.)
23
(4) Wi-Fi interface
Command Parameters Responses / Effects
AT+NMAC=? Returns the current adapter MAC address.
AT+NMAC2=? Returns the current adapter MAC address.
AT+WREGDO
MAIN= <Regulatory Domain>
0: FCC : supported Channel range is 1 to 11.
1: ETSI : supported Channel range is 1 to 13.
2: TELEC : supported Channel range is 1 to 14.
Ex) AT+WREGDOMAIN=?
AT+WREGDOMAIN=2
AT+WS= [<SSID>[,<BSSID>][,<Channel>][,<
Scan Time>]]
Network scan, returns list of found networks
in the format:
<SSID>,<BSSID>,<Channel>,<RSSI>,<Mode>,
<Security>
Ex) AT+WS
AT+WS=,,6
AT+WM= n=0 (infrastructure) =1 (ad hoc) Set 802.11 Station operating mode.
Ex) AT+WM=0
AT+WA= <SSID>[,[<BSSID>][,<Ch>]]
Associate to specified SSID, BSSID, and
channel.
Ex)AT+WA=WizFiDemoAP
AT+WD Disassociate from the current network.
ATH Disassociate from the current network.
AT+WWPS= <METHOD>[,PIN]
Associate to an AP using WPS
METHOD is push button (1) or pin (2).
PIN is the pin for PIN method.
AT+WWPS=2,12345670
AT+NSTAT=? Current wireless and network configuration.
AT+WSTATUS Adapter reports the current network
configuration to the serial host
AT+WRSSI=? Current RSSI as ASCII.
AT+WRATE=? Current transmit rate as ASCII.
AT+WRETRY= <retrycount> Value of 802.11 TX retry is reset.
Ex) AT+WRETRY=5
Table 18. Wi-Fi interface
(5) Wi-Fi security
Command Parameters Responses / Effects

WizFi 210 User Manual (WIZnet Co., Ltd.)
24
AT+WAUTH= n=0 to 2
Authentication mode setting;
0 : None
1 : Open
2 : Shared with WEP
Ex) AT+WAUTH=0
AT+WWEPn= n=1 to 4, <key>
WEP key n is set to the value in <key>.
Ex) AT+WWEP1=123456abdc
AT+WWEP3=abcdef12345678901234567890
AT+WWPA= <passphrase>
WPA passphrase set to the value in
<passphrase>.
Ex) AT+WWPA=12345678
AT+WPAPSK= <SSID>,<passphrase> Computes and stores the WPA2 PSK value.
Ex) AT+WPAPSK=WizFiDemoAP,12345678
AT+WPSK= <PSK>
Sets the WPA2 pre-shared key to the <PSK>.
Ex)AT+WPSK=00010203040506070809000102
03040506070809000102030405060708090001
AT+
WEAPCONF=
<Outer Authentication>,<Inner
Authentication>,<user name>,
<password>
Set the Outer authentication, Inner
authentication, user name and password for
EAP Security. This command returns the
normal response codes.
The valid outer authentication values are:
Eap-FAST: 43
Eap-TLS: 13
Eap-TTLS: 21
Eap-PEAP: 25
The valid Inner Authentication values are:
Eap-MSCHAP: 26
Eap-GTC: 6
Ex) AT+WEAPCONF=43,26,guest,1234
AT+WEAP=
<Type>,<Format>,<Size>,<Locatio
n>
<ESC>W <data of size above>
Configure certificate for EAP-TLS
Type: CA certificate(0)/ Client certificate(1)/
Private Key(2)
Format: Binary(0)/Hex(1)
Size: size of the file to be transferred.
Location: Flash(0)/Ram(1)
Ex) AT+WEAP=2,0,100,0 (cont.)
<Esc>W<..data..>
Table 19. Wi-Fi security

WizFi 210 User Manual (WIZnet Co., Ltd.)
25
(6) Wireless configuration
Command Parameters Responses / Effects
AT+WRXACTIVE= n=0 (disable) =1 (enable) If 1, 802.11 radio is enabled.
Ex) AT+WRXACTIVE=1
AT+WRXPS= n=0 (disable) =1 (enable) If 1, Power Save mode is enabled.
Ex) AT+WRXPS=1
AT+MCSTSET= n=0 (disable) =1 (enable) If 1, multicast reception is enabled.
AT+WP= <power> 0 to 7 (WizFi210)
2 to 15 (WizFi220)
Transmit power set to <power>.
Ex) AT+WP=0
AT+WSYNCINTRL= <n> 1 to 65535. Configure the sync loss interval
Ex) AT+WSYNCINTRL=30
AT+EXTPA= n=0 (disable) =1 (enable) Enable/disable the external PA
Ex) AT+EXTPA=0
AT+PSPOLLINTRL= <n> 1 to 65535. Configure the keep-alive timer interval
Ex) AT+PSPOLLINTRL=45
Table 20. Wireless configuration
(7) Network interface
Command Parameters Responses / Effects
AT+NDHCP= n=0 (disable) =1 (enable) If 1, DHCP is enabled.
AT+NSET= <Src Address>,<Net-mask>,
<Gateway>
Static network parameters; overrides previous
values.
Ex)
AT+NSET=192.168.3.100,255.255.255.0,192.168
.3.1
AT+DNSLOOK
UP= <URL>,[<retry>,[<timeout=S>]
Query DNS server for address of hostname
URL.
Ex) AT+DNSLOOKUP=google.com
AT+DNSSET= <DNS1 IP>,[<DNS2 IP>] Set the DNS server addresses to be used.
Ex) AT+DNSSET=192.168.3.1
AT+STORENW
CONN Store network connection parameters prior to
transition to Standby.
AT+RESTOREN
WCONN Restore network connection parameters after
wake from Standby.
Table 21. Network interface

WizFi 210 User Manual (WIZnet Co., Ltd.)
26
(8) Connection management
Command Parameters Responses / Effects
AT+NCTCP= <Dest-Address>,<Port>
Attempt TCP client connection to Destination;
CONNECT <CID> if successful.
Ex) AT+NCTCP=192.168.3.200,5000
AT+NCUDP= <Dest-Address>,<Port>
[<,Src.Port>]
Open UDP client socket to Destination;
CONNECT <CID> if successful.
Ex) AT+NCUDP=192.168.3.200,5000
AT+NSTCP= <Port>
Start a TCP server on Port; CONNECT <CID> if
successful.
Ex) AT+NSTCP=5000
AT+NSUDP= <Port>
UDP server on Port; CONNECT <CID> if
successful.
Ex) AT+NSUDP=5000
AT+CID=? Returns the current CID configuration.
AT+NCLOSE= <CID> Close connection identified by CID.
Ex) AT+NCLOSE=1
AT+NCLOSEAL
L Close all open connections.
AT+SETSOCKO
PT=
<Cid>,<Type>,<Parameter>,<Valu
e>,<Length> Configure a socket which is identified by a Cid
AT+SSLOPEN= <cid>,<certificate name> Open an SSL connection
AT+SSLCLOSE
= <cid> Close an SSL connection
AT+HTTPCCO
NF= <Param>,<Value> Configure an HTTP client
AT+HTTPCOPE
N=
<host>,<Port Number>, [<SSL
Flag>,<certificate name>]
Open an HTTP client connection. This
command opens an HTTP client on the
adaptor and connects to the server specified
by the host name or IP address
AT+HTTPCSEN
D=
<cid>,<Type>,<Timeout>,
<Page>,[Size of content]
GET/POST HTTP data on the HTTP client
connection
AT+HTTPCCLO
SE= <cid> Close the HTTP client connection
AT+NRAW= <0|1|2> Enable / Disable Raw Ethernet support.
AT+UNSOLICIT
EDTX=
<Frame Control>,<Sequence
Cntrl>,<Channel>,<Rate>,<WmmI
nfo>, <Receiver Mac>,<Bssid of
Unsolicited data transmission

WizFi 210 User Manual (WIZnet Co., Ltd.)
27
AP>,<Frame Length>
Table 22. Connection management
(9) Battery check
Command Parameters Responses / Effects
AT+BCHKSTRT
= <Batt.chk.freq>
Start checking battery
each 0 < Batt.chk.freq≤ 100 packets
transmitted.
AT+
BATTLVLSET=
<Warning Level>,<Warning
Freq>,<Standby Level>
Set the battery warning/standby level to
enable the adaptor’s internal battery
measuring logic
AT+BCHK= <Batt.chk.freq> Reset value of battery check frequency.
AT+BCHKSTOP Stop checking battery.
AT+BATTVALG
ET Retrieve the most recent battery check value.
Table 23. Battery check
(10) Power state management
Command Parameters Responses / Effects
AT+PSDPSLEE
P Enable SOC Deep Sleep power saving mode.
AT+PSSTBY= <x>[,<DelayTime>,<Alarm1
pol.>,<Alarm2 pol.>]
Request transition to Standby for x
milliseconds.
Ex) AT+PSSTBY=60000,1000,1,1
AT+PSSTBY=5000
Table 24. Power state management
(11) Auto connection
Command Parameters Responses / Effects
AT+WAUTO= <mode>,<SSID>,<BSSID>,[channel
]
Sets WiFi parameters to be used for Auto
Connect.
Mode is 0 for Infrastructure and 1 for Ad-hoc
mode
Ex) AT+WAUTO=0,WizFiDemoAP
AT+NAUTO= <Type>,<Protocol>,<Destination
IP>,<Destination Port>
Sets network parameters to be used for Auto
Connect.
Type is 0 for Client and 1 for Server;
Protocol is 0 for UDP and 1 for TCP;

WizFi 210 User Manual (WIZnet Co., Ltd.)
28
Ex) AT+NAUTO=0,1,192.168.3.101,5000
(TCP/Client)
AT+NAUTO=1,1, ,5001 (TCP/Server)
AT+NAUTO=0,0,192.168.3.101,5002
(UDP, Local/Remote Port is 5002)
ATC n=0 (disable) =1 (enable) IF 1, Auto Connect is enabled on next reboot
or AT.
ATA Start Auto Connect, including association.
ATA2 Start Auto Connect using existing association.
ATO Return to a previous Auto Connect session;
returns an error if no such session exists.
Table 25. Auto connection
(12) Provisioning
Command Parameters Responses / Effects
AT+WEBPROV
= <user name>,<passwd> Provisioning through web pages
AT+WEBLOGO
ADD=
<size> maximum size is 1788
bytes
Adding the Logo that will appear on the web
pages used for provisioning.
Table 26. Provisioning
(13) Miscellaneous
Command Parameters Responses / Effects
AT+FWUP= <SrvIp>,<SrvPort>,<SrcPort>,[<ret
ry>]
Get a firmware upgrade from the server
address/port to the adapter port SrcPort.
Ex) AT+FWUP=192.168.3.200,667,667
AT+SETTIME= <dd/mm/yyyy>,<HH:MM:SS> Set the adaptor system time
AT+
GETTIME=?
Upon reception of this command the adaptor
sends the current system time in milliseconds
since
epoch(1970) to the serial interface. The time
format comes on the serial interface as
follows:
“Current Time in msec since epoch=xxxxxxx”
AT+DGPIO= <GPIO-NO>,<SET/RESET(0/1)> Set or reset (high/low) a GPIO pin
Ex) AT+DGPIO=31,0
AT+VER=? Return the current adapter firmware versions.
AT+PING= <IP>,[[Trails],[<Interval>],[<Len>],[ PING the IP address provided. Trails = 0 will

WizFi 210 User Manual (WIZnet Co., Ltd.)
29
<TOS>],[<TTL>],[<PAYLOAD>]] ping until <Esc> C is issued.
Ex) AT+PING=192.168.3.1,5
AT+TRACERO
UTE=
<IP>,[[Interval],[<MaxHops>],[<Mi
nHops>],[<TOS>]]
Trace the route to the IP address provided.
Ex) AT+TRACEROUTE=74.125.155.103
AT+XDUM= n=1 (disable) =0 (enable) If 1, UART Message is Disabled.(When Auto
Connection Mode)
AT+XEHT= n=0 (disable) =1 (enable) If 1, Hardware Trigger is Enabled.
Table 27. Miscellaneous

WizFi 210 User Manual (WIZnet Co., Ltd.)
30
5. Warranty
WIZnet Co., Ltd offers the following limited warranties applicable only to the original
purchaser. This offer is non-transferable.
WIZnet warrants our products and its parts against defects in materials and workmanship
under normal use for period of standard ONE(1) YEAR for the WizFi210 board and labor
warranty after the date of original retail purchase. During this period, WIZnet will repair or
replace a defective products or part free of charge.
Warranty Conditions:
1. The warranty applies only to products distributed by WIZnet or our official
distributors.
2. The warranty applies only to defects in material or workmanship as mentioned
above in 3.Warranty. The warranty applies only to defects which occur during
normal use and does not extend to damage to products or parts which results from
alternation, repair, modification, faulty installation or service by anyone other than
someone authorized by WIZnet Co., Ltd. ; damage to products or parts caused by
accident, abuse, or misuse, poor maintenance, mishandling, misapplication, or used
in violation of instructions furnished by us ; damage occurring in shipment or any
damage caused by an act of God, such as lightening or line surge.
Procedure for Obtaining Warranty Service
1. Contact an authorized distributors or dealer of WIZnet Co., Ltd. for obtaining an
RMA (Return Merchandise Authorization) request form within the applicable
warranty period.
2. Send the products to the distributors or dealers together with the completed RMA
request form. All products returned for warranty must be carefully repackaged in the
original packing materials.
3. Any service issue, please contact to sales@wiznet.co.kr