Wavenet Technology BM3900M Boomer III OEM Modem User Manual Boomer II Integrators Guide
Wavenet Technology Pty Ltd. Boomer III OEM Modem Boomer II Integrators Guide
USERS MANUAL

User Manual
and
Integrator’s Guide
Boomer-III Mobitex
OEM Modem Module:
BM3-900M
Draft Revision 0.5
October 2003

© Wavenet Technology Pty Ltd
ACN 079 965 003
Publication No. BM315012WT05
Draft 14th October 2003
This publication is copyright and no part may be reproduced or copied without the prior consent of:
Wavenet Technology Pty Ltd.
140 Burswood Rd
Burswood, 6100
Western Australia
Telephone: +61 8 9262 0200
Facsimile: +61 8 9355 5622
E-mail: wavenet@wavenet.com.au
Web Site: www.wavenet.com.au
This manual is intended to be used for the operation of Wavenet Technology equipment. Performance
figures quoted are typical values and subject to normal manufacturing and service tolerances.
Wavenet Technology Pty Ltd reserves the right to alter, without notice, the equipment, software or
specification to meet technological advancement.
Microsoft, Windows and the Windows logo are registered trademarks or trademarks of Microsoft
Corporation in the United States and other countries. Other product and company names herein may be
the trademarks of their respective owners.
Whilst every precaution has been taken in the preparation of this document, neither Wavenet
Technology Pty Ltd nor any of its representatives shall have any liability to any person or entity with
respect to any liability, loss or damage caused or alleged to be caused directly or indirectly by the
information contained in this book.
Published by Wavenet Technology Pty Ltd.
This product is a modular transmitter approved under FCC Part 2 and Part 90 rules.
900MHz Modem Module - FCC ID: PQS-BM3900M
This device complies with Part 15 Class B of the FCC rules. Operation is subject to the following two
conditions:
(1) This device may not cause harmful interference, and
(2) This device must accept any interference received including interference that may cause undesired
operation.
This product is approved under Industry Canada (IC) RSS119 rules.
900MHz Modem Module - IC: 4062A-BM3900M

Boomer-III User Manual & Integrator’s Guide__________________________________________________ Contents
BM310012WT05 3 Copyright Wavenet Technology © October 2003
Contents
Introduction ......................................................................................................5
Modem Features ..........................................................................................6
Wireless Applications ...................................................................................7
Developer Support .......................................................................................8
Integrator Developers Kit..............................................................................8
Compliance Statement .................................................................................9
Information for Your Safety.........................................................................10
The Integrator’s Task.....................................................................................11
Plan the Product and Create the Design ....................................................12
Develop and Validate the Hardware...........................................................15
Develop Supporting Applications Software.................................................16
Test and Approve the Product....................................................................16
Environmental Issues .................................................................................17
Regulatory Requirements...........................................................................19
Installing the Modem......................................................................................23
Mounting the Boomer-III OEM Modem to Your Device ..............................24
Connecting the Data Interface Port ............................................................25
Selecting & Positioning the Antenna ..........................................................37
Supplying Power ........................................................................................42
Using the Modem Test Jig .............................................................................53
Features .....................................................................................................53
Exploring the Boomer-II Test Jig ................................................................54
Initial Calibration.........................................................................................57
Fitting the Boomer-III Modem.....................................................................57
Software Development Tools.........................................................................59
Wavenet SDK.............................................................................................59
Wavenet Commander ................................................................................60
Wavenet Application Loader.......................................................................64
Integration Testing .........................................................................................69
Hardware Integration..................................................................................69
Desense and EMI.......................................................................................70
Regulatory Compliance ..............................................................................71
Application Software...................................................................................72
Final Assembly...........................................................................................72
End User Problem Resolution ....................................................................72
OEM Service Depot Repair ........................................................................73

Contents _________________________________________________ Boomer-III User Manual & Integrator’s Guide
Copyright Wavenet Technology © October 2003 4 BM310012WT05
Appendix A – Guide to Desense....................................................................75
Noise Sources............................................................................................76
Receiver Susceptibilities.............................................................................76
Measurement Techniques..........................................................................76
Alternate Measurement Method .................................................................77
Methods of Controlling Emissions ..............................................................78
RF Network Issues .....................................................................................80
Antenna......................................................................................................81
Desense Summary.....................................................................................81
Appendix B - Numeric Conversion Chart .......................................................83
Appendix C – Boomer-III Specifications.........................................................85
Appendix I - Glossary.....................................................................................87

Boomer-III User Manual & Integrator’s Guide________________________________________________ Introduction
BM310012WT05 5 Copyright Wavenet Technology © October 2003
Introduction
The Boomer-III OEM Modem Module is a radio packet modem,
intended for use on Mobitex 900MHz data communication networks.
It is primarily designed to be integrated into customer equipment as an
OEM module, for use with an Enterprise Application Server running
wireless applications or as the RF communications enabler device for
telemetry products
Messages from the end user are sent from the host/terminal through the
serial interface, and are transmitted by the modem when it is in
network coverage. Messages to the end user are received and
acknowledged by the modem, then passed to the host/terminal.
Within an area of coverage, the modem performs auto-roaming (auto-
scanning, channel selection, and registration on a new channel). The
modem operates in either battery save or non-battery save modes, as
instructed by the network and overridden by the host/terminal.
The modem interfaces to the host/terminal by using the data interface
port. The protocol supported over this link is Mobitex Asynchronous
Serial Communications (MASC).
The Boomer-III modem has the ability to contain on-board third party
applications software for embedded solutions. A Software
Development Kit (SDK) is available and described later in this manual
to assist this process.
A picture of the Boomer-III OEM Modem Module is shown below.
LED
Indicators
Data Interface Port
RF Connector

Introduction _______________________________________________ Boomer-III User Manual & Integrator’s Guide
Copyright Wavenet Technology © October 2003 6 BM310012WT05
This manual contains the following major sections:
Section 1: Introduction
Section 2: The Integrator’s Task
Section 3: Installing the Modem
Section 4: Modem Test Jig
Section 5: Wavenet Software Tools
Section 6: Integration Testing
In addition useful reference information has been included in the
appendices.
Modem Features
The Boomer-III OEM Modem is smaller than the average size of a
credit card. The modem is easily connected to many other devices and
can be incorporated into a variety of package formats.
The Boomer-III OEM Modem has the following features:
Up to three UART Serial communications interface ports and
one SPI port
On-Board Real Time Clock with battery back input option
Indicator lights showing power supply and data status
Five configurable multiple function digital/analogue inputs or
five digital output lines for external control/monitoring
Software configurable RF calibration adjustments to suit
specific networks
High sensitivity reception
Small footprint and low profile design
Low-voltage and low standby current consumption for battery
based products
Auto-wake up of host/terminal on incoming messages
Roaming capabilities as defined by the network
Easy to install, service and update

Boomer-III User Manual & Integrator’s Guide________________________________________________ Introduction
BM310012WT05 7 Copyright Wavenet Technology © October 2003
Wireless Applications
Wireless applications in which the Boomer-III OEM Modem may be
used include the following:
Meter Reading
The modem can be used to read billing information from intelligent
electrical meters and basic disc meters. Data is transmitted wirelessly
through a radio network to billing computers.
Point of Sale
The modem can perform handshaking and complete verification of all
data transmitted through the wireless network whilst providing
convenient operator mobility such as open air events or conferences.
Vending Machines
Vending machines can also utilise radio data technology. Many
machines already transmit usage and refill requirements to company
head offices via standard telephone lines. Radio modems allow vending
machines to be placed in areas with poor access to telecommunications
infrastructure, providing a cost-effective alternative to installing new
telephone lines. On refilling, only the required refills will be
despatched to the required sites maximising truck carrying capacity and
consequently efficiency.
Alarm Detection
Conventional telephone wire connections are slow to dial out and can
burn before the emergency call can be placed. Laws in many states and
countries require businesses to have an on-line dial out fire alarm
system. The Boomer-III OEM Modem offers a real solution to this
problem.
Parking, Buses and Ticketing
Ticketing machines are being be converted to cashless operation. The
Boomer-III OEM Modem is the best alternative to facilitate the
introduction of this cashless technology.

Introduction _______________________________________________ Boomer-III User Manual & Integrator’s Guide
Copyright Wavenet Technology © October 2003 8 BM310012WT05
Developer Support
A complete developers program is offered by Wavenet to assist
integrators in the design, testing and implementation phases of their
wireless applications. This includes a developer’s kit, modem software
tools, sample source code and prototyping components. Wavenet’s
experienced team of RF and software engineers are available to give
technical support as required.
Integrator Developers Kit
To facilitate the rapid development and deployment of wireless
applications, Wavenet has available an Integrator Developers Kit
which contains all the components necessary to get an evaluation and
development platform up and running in the shortest possible time. The
kit contains the following components:
Evaluation Board for interface to a PC for testing (Boomer-III
Modem Test Jig)
Power cable for connection to a variable power supply
800 MHz (blue tip) or 900 MHz (red tip) ¼ wave whip antenna
Antenna cable
PC Serial interface cable
5 sample FPC strips for prototyping purposes
5 sample FPC connectors for prototyping purposes
Software Developers Kit on CDROM containing Integrators
Guide and User Manual, Modem communications software,
device drivers and sample source code
System Requirements
The minimum system requirements of a host/terminal emulation PC in
order to utilise the Integrator Developers Kit are:
Intel compatible Pentium computer or higher
Windows 2000 or later
16MB RAM (memory) minimum, 32MB recommended
1MB available hard disk space
9-pin serial Port using a 16550 UART
3.5-inch Disk Drive
CD-ROM drive

Boomer-III User Manual & Integrator’s Guide________________________________________________ Introduction
BM310012WT05 9 Copyright Wavenet Technology © October 2003
Compliance Statement
The Wavenet Boomer-III OEM Modem Module has been tested and
found to comply with the limits for a class B digital device, pursuant to
Part 15 of the FCC rules. These limits are designed to provide
reasonable protection against harmful interference in a residential
installation.
Output is specified at the antenna terminal of this module. This
modular transmitter is only approved for OEM integration into final
products that satisfy mobile operating requirements of 2.1091 of the
FCC rules. The final product and its antenna must operate with a
minimum separation distance of 20 cm or more from all persons using
the antenna with maximum average gain not exceeding 5dBi to satisfy
MPE compliance. Separate approval is required for this module to
operate in portable products with respect to 2.1093 of FCC rules.
Wavenet has obtained certificates of Technical Acceptability for use in
Canada in accordance with the Radio Standards Procedure RSP-100
and Radio Standards Specification RSS119, Issue 3.
This equipment generates, uses and can radiate radio frequency energy
and, if not installed and used in accordance with the manufacturer’s
instructions, may cause interference harmful to radio communications.
There is no guarantee however, that interference will not occur in a
particular installation. If this equipment does cause harmful
interference to radio or television reception, which can be determined
by turning the equipment off and on, the user is encouraged to try to
correct the interference by one or more of the following measures:
Reorient or relocate the receiving antenna.
Increase the separation between the equipment and receiver.
Connect the equipment into an outlet on a circuit different from
that to which the receiver is connected.
Consult your supplier or an experienced radio/TV technician
for assistance.
Warning: Changes or modifications to this unit not expressly
approved by the party responsible for compliance could void the user’s
authority to operate this equipment.

Introduction _______________________________________________ Boomer-III User Manual & Integrator’s Guide
Copyright Wavenet Technology © October 2003 10 BM310012WT05
Information for Your Safety
Please read these safety instructions and the operation instructions
provided in this manual before operating the Boomer-III OEM Modem.
Safe Use
Switch the modem off in areas where radio devices are forbidden, or
when it may cause interference or danger. For example, fuel depots
(fuel storage and distribution areas), chemical plants, and locations in
which hazardous or combustible gases may be present and where
blasting operations are in progress.
Do not use the modem in an aircraft. Such use may affect aircraft
instrumentation, communication and performance and may be illegal.
Be aware that the modem may interfere with the functionality of
inadequately protected medical devices, including pacemakers.
Additionally, the effect of the radio signals from the modem on other
electronic systems, including those in your car (such as electronic fuel-
injection systems, electronic anti-skid braking systems, and electronic
cruise-control systems) may affect the operation of these systems,
which should be verified before use in the applications
Do not place the modem on an unstable surface. It may fall and damage
the equipment.
Never push objects of any kind into the modem through openings as
they may short out parts that could result in a fire or electrical shock.
Never spill liquid of any kind on the modem. Do not use the modem
near water (for example near a bathtub or sink, in a wet basement, near
a swimming pool etc.). The modem should be situated away from heat
sources.
Disconnect the modem from the power source before cleaning. Do not
use liquid or aerosol cleaners. Use a damp cloth to clean the unit.
Disconnect the modem from the power source and contact your
supplier if:
Liquid has been spilled or objects have fallen onto the modem.
It has been exposed to rain or water.
It has been dropped or damaged in any way.
It does not operate normally by following the instructions
contained in this manual.
It exhibits a distinct change in performance.
Failure to observe all these instructions will void the limited warranty.

Boomer-III User Manual & Integrator’s Guide____________________________________________ Integrator’s Task
BM310012WT05 11 Copyright Wavenet Technology © October 2003
The Integrator’s Task
This section provides background information and points out the
objectives and tasks of reaching the goal of a successful
implementation.
Areas of Focus Benefits
Serial Port
Pass-Through Capability
Enables modem diagnostics
and software upgrades
without the need to
disassemble the host/terminal
Understanding RF Design Provides the required
network coverage.
Sets end-user performance
criteria.
Reduces risk of costly
redesigns.
Software & Hardware Provides reliable operation
through a state-of-the-art
functional interface.
Helps ensure longer service
life and fewer field returns.
Because wireless data communication technologies are usually
described using a unique variety of jargon, buzzwords, and technical
details, it is sometimes hard to know where to start. You may also have
difficulty evaluating this technical information when you find it.
As an OEM integrator, you must accurately choose where and how a
wireless technology will facilitate communication for your application.
You will also have to evaluate which technical considerations will give
your product an edge over the competition.
To successfully integrate the Boomer-III OEM wireless modem into
the host/terminal, you must perform the following tasks:
Plan the product and create the design
Develop and validate the hardware
Develop supporting applications software
Test and approve the product
As you review these tasks, allow sufficient time for such required
activities as the regulatory approval process. Identify critical path
activities up front.

Integrator’s Task ___________________________________________ Boomer-III User Manual & Integrator’s Guide
Copyright Wavenet Technology © October 2003 12 BM310012WT05
Plan the Product and Create the Design
To plan the product and create the design, perform the following steps:
Develop a usage model.
Develop a message model.
Define a service strategy.
Investigate and obtain regulatory approval.
Develop a Usage Model
The usage model answers the question, “How will the end product be
used (portable or mobile; 8 hours, 7 days a week; and so on)?”
Perhaps the most important enabler of success is a clear determination
of how the final product is to be used. This steers the development
process, because all design considerations drive toward meeting the
needs of the final user. For example, design issues related to a mobile
device, such as alternator noise and vibration, are completely different
from considerations required for a fixed-point telemetry application
powered by a solar panel. Defining what is and what is not important to
the end user helps to make the critical engineering trade-off decisions
that are inevitable in every product design.
Develop a Message Model
The message model defines how many messages are sent/received and
how often. To create the message model, determine how much and
how often data will be sent in each of the uplink (terminal to network)
and downlink (network to terminal) directions.
Answer the question, “Is there a requirement for the terminal to be on
and able to receive 8 hours a day, or does the user turn the unit on only
when making a query to the Enterprise Server Application?” The
answer has a direct bearing on the battery size and capacity
requirement for powering the device. The amount of data sent and
received is relevant in calculating the cost of airtime and deciding on
which type of network connection to use. In short, the message model
is required source data for making many engineering design decisions,
especially in calculating such values as sleep time versus wake time
and in determining battery capacity requirements.
For additional information, refer to section “Message Traffic Model”
on page 44. The typical approach to creating the model is to define the
peak and average network throughput requirements based on input
from the user. Wavenet Technology is able to provide current
consumption figures for each of the various modes of operation
(receive and transmit, for example) and explain the functionality of the
network Power Save protocol.
The network throughput of the host/terminal depends on many factors
in addition to the raw throughput of the radio channel. For example, in
addition to the overhead involved in forward error correction and

Boomer-III User Manual & Integrator’s Guide____________________________________________ Integrator’s Task
BM310012WT05 13 Copyright Wavenet Technology © October 2003
support for packet headers, the number of active users on a shared RF
channel can directly affect network throughput.
Define a Service Strategy
The service strategy determines whether the integrated modem is the
cause of a user’s problem and sets a policy for keeping the end user
operational during repair. The service strategy must consider all
potential service situations and evaluate them in light of the usage
model.
To ensure that a final product can be efficiently serviced, you must
design for service-ability early in the development process. At a
minimum, you must develop a functional service strategy that contains
a well-considered procedure for performing unit-level screening. The
test must primarily determine whether a fault lies with the modem or
with the product. The test must also screen for network problems and
human error.
Wavenet provides an evaluation board (a standalone test jig) and
various software test utilities. The evaluation board provides a
mounting platform and electrical interface to the modem. Testing is
performed much more efficiently while the modem is still integrated
within the host/terminal, whether for a factory end-of-line test or while
at the user’s site.
For your product to allow integrated testing of the modem, you are
required to provide modem pass-through mode and utilise Wavenet
Commander software. See “End User Problem Resolution” on page 72.
Without pass-through, the modem must be mounted on the evaluation
board for diagnostics and troubleshooting. Pass-through mode also
allows for modem software upgrades.
A thoroughly developed OEM serviceability plan typically includes a
needs assessment for developing software utilities that can assist in
identifying communication problems between the host/terminal and the
modem and between the modem and the RF network.
These utilities must be able to send commands to the modem, evaluate
the modem responses, perform network connectivity testing, and verify
data communication with the network.
Such a software utility is essential for field service engineers and shop
technicians to diagnose problems with the product and to troubleshoot
a problem to a failed assembly or mismanaged communication link.
Diagnostic Capabilities
To provide modem diagnostics, there are three LED’s on the modem
itself. When the unit is first powered up it goes through its own self test
and the status is reflected in the visual status of the LED’s.
Customer Problem Isolation
When application-visible problems are discovered in the field, you
must isolate the source of the problem. Is it the network, wireless

Integrator’s Task ___________________________________________ Boomer-III User Manual & Integrator’s Guide
Copyright Wavenet Technology © October 2003 14 BM310012WT05
modem, or the host/terminal that is not working as expected? Often it
can be a user’s misunderstanding of how to use the product.
Regardless, remote troubleshooting is essential to reducing the number
of returned products and lowering service costs, particularly if the
host/terminal must be disassembled for removal of the modem.
Wavenet recommends that your product application (both at the
terminal and Enterprise Server Application ends) incorporate sufficient
problem diagnostic software to determine the cause of the problem
remotely. Often, the best approach is to incorporate progressively
deeper loop back tests to determine the point at which the
communication link fails.
As stated elsewhere, you need to make this remote diagnostic
functionality be part of your standard software load.
End User Support
You have two choices in dealing with an integrated modem that needs
to be swapped out and returned for service:
Decommission the modem and re-use its unique ID
Replace the modem
If you decommission the modem ID from the defective unit and
transfer it to a replacement unit, the user and the network operator are
unaffected. This can only be done by an authorized Wavenet service
centre with the appropriate permissions and authority. If you simply
swap the defective unit with a replacement, the user must notify the
network operator.
Investigate and Obtain Regulatory Approval
Most countries where the final product will be sold currently require
approval from the local government regulatory body. It is your
responsibility to investigate and obtain the proper regulatory approval
and certification for each country in which the product is sold.
Regulatory issues are discussed in more detail in “Regulatory
Requirements” on page 19. In addition, see “Regulatory Compliance”
on page 71.

Boomer-III User Manual & Integrator’s Guide____________________________________________ Integrator’s Task
BM310012WT05 15 Copyright Wavenet Technology © October 2003
Develop and Validate the Hardware
To develop and validate the hardware, perform the following steps:
Design the hardware platform
Consider power supply options
Select the source antenna
Set up a development test environment
Design the Hardware Platform
Integrating a wireless modem into a hardware design requires many
steps. Here again, the usage and message models are necessary to
calculate issues such as battery size, heat dissipation, isolation from
EMI, and physical mounting of the unit to ensure proper grounding.
Hardware design is your responsibility. Wavenet can provide
recommendations where applicable and may also assist with
verification of EMI-caused desense once the modem is integrated into
the host/terminal.
Consider Power Supply Options
Power supply requirements vary according to the usage and message
models. Beyond accounting for the current drain of the modem in its
various operating modes, consider ripple and noise on the power lines,
and the ability to supply sufficient instantaneous current to allow
proper operation of the transmitter. Also, ensure that the power supply
can accommodate the highest power consumption under transmit
conditions and that the voltage does not fall below the minimum levels
at the modem terminals. (Remember voltage drops can occur in the
interconnectivity wiring and this must be kept as short as possible.)
Together, these requirements define the type and size of power supply
to use with the modem. These issues are discussed in more detail in the
sections “Supplying Power” on page 42 and “Batteries” on page 48.
Important: Avoid use of switching power supplies. They can easily
cause RF noise that desenses the modem.
Select the Source Antenna
The ERP (Effective Radiated Power) generated by the antenna must
meet the requirements of the various network operators. Consider these
network requirements when you select an antenna system. See
“Connecting & Positioning the Antenna” on page 37.
Set Up a Development Test Environment
A number of development test aids are available to assist in hardware
and applications development. Wavenet can provide both the modem
hardware and an evaluation board. The evaluation board is a specially
developed circuit board with test points and jumper switches. The

Integrator’s Task ___________________________________________ Boomer-III User Manual & Integrator’s Guide
Copyright Wavenet Technology © October 2003 16 BM310012WT05
evaluation board allows for maximum flexibility in accessing and
controlling connections into and out of the modem. Wavenet also
provides various software utilities that can help in performing
development tests. See “Testing” on page 69.
Supplementing the test environment, the network operator sometimes
provides a live development network, one separate from the production
network on which you can develop and test your application.
Develop Supporting Applications Software
To develop supporting applications software, perform the following
steps:
Select a communications model
Develop end-to-end applications software
Select a Communications Model
Select a communications model. Vertical market applications may use
a native connection to a single Enterprise Server Application, whereas
horizontal applications typically use a gateway to allow connection to
the Internet or other external networks.
Develop End-to-End Applications Software
In addition to coding the product-specific features for your application,
you are urged to incorporate RF-specific reporting and monitoring
features, such as received signal strength (RSSI), channel quality, and
in-range/out-of-range conditions. Many applications track the number
of packets sent and received and the various events and status
indicators available from the modem. The Boomer-III modem uses a
packetised serial interface (MASC) to allow the application to
simultaneously monitor RF-related information and application-
specific data.
Test and Approve the Product
To test and approve the product, perform the following steps:
Perform EMI and desense testing
Set up a final test environment
Install and field test the product
Perform EMI and Desense Testing
Proper modem operation requires that you minimize EMI
(electromagnetic interference) radiated from your product’s platform.
Excess noise significantly reduces the wireless modem’s ability to
receive, making the network less likely to be heard.
Wavenet provides a test facility for measuring host/terminal emissions
and subsequent modem desense of integrated host/terminals. See

Boomer-III User Manual & Integrator’s Guide____________________________________________ Integrator’s Task
BM310012WT05 17 Copyright Wavenet Technology © October 2003
“Desense and EMI” on page 70. In addition, see “Guide to Desense” on
page 75.
Set Up a Final Test Environment
To ensure proper assembly of the final product (antenna properly
connected, serial port operational, and so on), perform an end-to-end
test that proves the final product can receive and transmit at the
required signal levels.
In locations where the final assembly test is performed within network
coverage area, this test is relatively simple. In some countries the
network operator may provide a dedicated test network for this
purpose. You should consult with the relevant network operator for
assistance prior to any testing commencing on a live or test network. In
locations where network coverage is not available, or for products to be
shipped to another country, it is necessary to test by secondary means.
The final assembly test must verify that all connections to the modem
are made correctly. Testing on a network is not required. See “Final
Assembly” on page 72, and “End User Problem Resolution” on page
72.
Install and Field Test the Product
When the product is shipped to a site, it is installed or mounted in a
particular location, one that might restrict RF communications. The
service question is whether the behaviour of a dysfunctional product is
caused by poor coverage or a network service provider is down. To
guarantee that the modem is located in an area of good coverage and
that an end-to-end loop back message is possible, your product needs a
software application to perform the test.
Your most effective approach to field testing is to include an
installation test procedure as part of your standard software load. See
“Final Assembly” on page 72 and see “End User Problem Resolution”
on page 72.
Environmental Issues
The Boomer-III OEM modem is designed for a combination of easy
serviceability and general ruggedness but are designed to be housed in
a host/terminal. The modem is tested to conform to the environmental
levels (for example, industrial use specifications and PC card
standards) that meet the intended applications of most integrators. If
you need additional ruggedness and safety in your products, you must
engineer the environmental characteristics of your host/terminal to
achieve a special safety rating.

Integrator’s Task ___________________________________________ Boomer-III User Manual & Integrator’s Guide
Copyright Wavenet Technology © October 2003 18 BM310012WT05
General Precautions
Minimise handling of static sensitive modules and components.
Wear a grounded anti static wrist strap while handling static
sensitive components.
Do not bend or stress the modem in any way.
Reinsert connectors straight and evenly to avoid causing short
and open circuits.
ESD Handling Precautions
The Boomer-III OEM modem contains components sensitive to ESD
(electrostatic discharge). For example, people experience up to 35kV
ESD, typically while walking on a carpet in low humidity
environments. In the same manner, many electronic components can be
damaged by less than 1000 volts of ESD. Although the Boomer-III
modem has been designed with a high level of ESD protection you
should observe the following handling precautions when servicing
host/terminal devices:
Always wear a conductive wrist strap.
Eliminate static generators (plastics, Styrofoam, and so on) in
the work area.
Remove nylon or polyester jackets, roll up long sleeves, and
remove or tie back loose hanging neckties.
Store and transport all static sensitive components in ESD
protective containers.
Disconnect all power from the unit before ESD sensitive
components are removed or inserted, unless noted.
Use a static safeguarded workstation, which can be set up by
using an anti static kit. This kit typically includes a wrist strap,
two ground cords, a static control table mat, and a static control
floor mat.
When anti static facilities are unavailable use the following techniques
to minimize the chance of damaging the equipment:
Let the static sensitive component rest on a conductive surface
when you are not holding it.
When setting down or picking up the static sensitive
component, make skin contact with a conductive work surface
first and maintain this contact while handling the component.
If possible, maintain relative humidity of 70-75% in
development labs and service shops.

Boomer-III User Manual & Integrator’s Guide____________________________________________ Integrator’s Task
BM310012WT05 19 Copyright Wavenet Technology © October 2003
Regulatory Requirements
You are required to obtain regulatory approval of products that
integrate the Boomer-III OEM wireless modem into a host/terminal.
The specific details for achieving regulatory approval vary from
country to country.
Worldwide, government regulatory agencies for communications have
established standards and requirements for products that incorporate
fixed, mobile, and portable radio transmitters. The Boomer-III OEM
modem is certified in specific regional markets to levels of compliance
appropriate for an integrated device.
Modem Only Certification
The non-integrated modem meets the regulatory requirements for the
countries listed below (but related certification does not necessarily
exist):
Country Regulation
Agency
Related
Requirements
Modem
Model
Approval
Number
Canada Industry Canada (IC) RSS119 – Radio
Performance
BM3-900M 4062A-BM3900M
United States
of America
Federal
Communications
Commission (FCC)
FCC CFR Title 47,
Part 15 Conducted
and Emitted
Radiation Class B
FCC Part 90 – Radio
Performance
BM3-900M PQS-BM3900M
Full Product Certification
As the integrator, you must determine what additional specific
regulatory requirements are required for the country in which your
product is sold. This means, your product must be individually
certified, even though the Boomer-III OEM Modem Module may
already be approved. The certification process includes submittal of
prototype products and acceptable test results.
Integrators can use Boomer-III OEM Modem Module certifications to
facilitate this integrated-product approval process. Upon request,
Wavenet can send copies of the certifications and related information.
Be prepared for the certification process for your product to take from a
few weeks to several months. Its duration can be affected by safety
requirements, the type of product, and the country in which you are
seeking approval.
Country Requirements
The country requirements given below are provided as a general guide
to the certification processes in the regions and countries given. You
are strongly encouraged to use the services of a consultant or a full-
service test house if you have limited expertise in meeting the
regulatory requirements of a specific country.

Integrator’s Task ___________________________________________ Boomer-III User Manual & Integrator’s Guide
Copyright Wavenet Technology © October 2003 20 BM310012WT05
All certification tests must be made by a qualified laboratory to ensure
that the equipment complies with the applicable technical standards.
United States of America
The Federal Communications Commission (FCC) requires application
for certification of digital devices in accordance with CFR Title 47,
Part 2 and Part 15. A Wavenet Boomer-III OEM Modem Module is
part of a complete system and certain testing is necessary for the
integrated product.
FCC Part 15, Class A or B certification (dependant upon final
integrated product type) must be performed with the maximum
configuration use and include all peripherals of the integrated product.
The application for certification must refer to the approval data on file
for the particular Boomer-III Modem Module, as shown in the
following example. Include the following language in the
documentation inserting the name of the integrated product in place of
xxx below:
“The Wavenet Boomer-III OEM modem module is a
subassembly of xxx and has FCC Identifier PQS-BM3900M”
FCC Part 2 certification requires all integrated products to have
routine environmental evaluation for radio-frequency (RF) exposure
prior to equipment authorization or use in accordance with FCC rules
2.1091 and 2.1093 and FCC Guidelines for Human Exposure to Radio
Frequency Electromagnetic Fields, OET Bulletin 65 and its
Supplement C.
For “portable devices”, defined in accordance with FCC rules as
transmitting devices designed to be used within 20 cm of the user body
under normal operating conditions, Specific Absorption Rate (SAR)
testing must be performed and the unit re-submitted for separate FCC
certification approval. An exposure limit of 1.6 W/kg will apply to
most OEM integrated applications.
For “mobile or fixed devices”, defined as transmitting devices
designed to be generally used such that a separation distance of at least
20 cm is maintained between the body of the user and the transmitting
radiated structure, Maximum Permissible Exposure (MPE) limits may
be used with field strength or power density limit of 0.597 mW/cm2 (at
896 MHz).
Wavenet submitted module specific information and test reports for
generic MPE compliance. If the Boomer-III OEM Modem Module is
used in a mobile or fixed application with an antenna system gain less
than 5dBi, the MPE limits will not be exceeded. In this case, the
following clause should be included in the installation and user
documentation:
"To satisfy FCC RF exposure requirements a separation
distance of 20 cm or more should be maintained between the
antenna of this device and persons during device operation. To

Boomer-III User Manual & Integrator’s Guide____________________________________________ Integrator’s Task
BM310012WT05 21 Copyright Wavenet Technology © October 2003
ensure compliance, operations at closer than this distance is not
recommended."
If an antenna system is used which has an average gain greater than
5dBi then the integrated product must be re-tested as a complete unit
and submitted with its own FCC ID.
It is mandatory for portable integrated products such as handheld and
body-worn devices to comply with FCC guidelines for Specific
Absorption Rate (SAR) requirements. Refer to OET Bulletin 65 and
Supplement C (June 2002). The submission should include end product
information, end product SAR/MPE test report, and a reference to the
Wavenet Boomer-III OEM Modem Module FCC ID for all other
Part 90 requirements.
It is a requirement for integrated product certification that you provide
the following statement in user documentation:
“Regulatory Notice of Compliance
This equipment has been tested and found to comply within the
limits for a Class B digital device, pursuant to Part 15 of the
FCC Rules. These limits are designed to provide reasonable
protection against harmful interference in a residential
installation.
This equipment generates, uses, and can radiate radio frequency
energy and, if not installed and used in accordance with the
instructions, may cause harmful interference to radio
communications. However, there is no guarantee that
interference will not occur in a particular installation. If this
equipment does cause harmful interference to radio or
television reception, which can be determined by turning the
equipment off and on, the user is encouraged to try to correct
the interference by one or more of the following measures:
Reorient or relocate the receiving antenna.
Increase the separation between the equipment and
receiver.
Connect the equipment into an outlet on a circuit
different from that to which the receiver is connected.
Consult the dealer or an experienced radio/TV
technician for help.”
Labelling
The FCC requires the integrated product to be labelled as shown here:
“This product contains a type-accepted transmitter approved
under FCC ID: PQS-BM3900M.”
Refer to FCC CFR 47, Part 2, Subpart J for information on obtaining
an FCC grantee code, FCC identifier requirements, label requirements,
and other equipment authorisation procedures.

Integrator’s Task ___________________________________________ Boomer-III User Manual & Integrator’s Guide
Copyright Wavenet Technology © October 2003 22 BM310012WT05
The FCC does not permit use of an FCC identifier until a Grant of
Equipment Authorisation is issued. If you display a device at a trade
show before the FCC has issued a grant, the following statement must
be prominently displayed:
“This device has not been approved by the Federal
Communications Commission. This device is not, and may not
be, offered for sale or lease, sold or leased until the approval of
the FCC has been obtained.”
Canada
Industry Canada (IC), formerly the Department of Communications,
requires certification for all radio transceivers as either type-approved
or technically accepted.
If you do not make any physical or electrical changes to the Boomer-III
OEM modem and you add an antenna externally to your host/terminal,
you are not required to make a formal application to Industry Canada,
because Boomer-III OEM modems continue to be covered under the
original Radio Equipment Certificate of Type Approval.
Most of the tests required for FCC applications can be used for
Industry Canada applications. IC requires additional tests, which
distinguishes their certification process as unique.
The Radio Standards Procedure RSP-100 describes the procedure for
obtaining certification of radio equipment and labelling requirements.
These documents are available upon request from Industry Canada in
Ottawa or from their website at
http://spectrum.ic.gc.ca/~cert/certprocedures_radio_e.html .
Labelling
Industry Canada requires OEM products to be labelled as follows:
IC: XXXX-BM3900M
Where XXXX represents the number supplied to the OEM by Industry
Canada.

Boomer-III User Manual & Integrator’s Guide_________________________________________________Installation
BM310012WT05 23 Copyright Wavenet Technology © October 2003
Installing the Modem
This section will help you to successfully integrate the Boomer-III
OEM Modem into your custom application.
When integrating a wireless modem, internal connections and
placements are critical to a successful implementation. Specific
attention must be paid to the following support mechanisms:
Mechanical mounting
Serial interface and control
Antenna connection
Regulated power supply
Application software
Desense control
The OEM wireless modem is well suited for mobile or fixed
applications. Ruggedised and capable of operating in extreme
environments, the modem can provide communications for a wide
variety of products.
Handheld Portable Terminal Use
Without question, handheld designs produce the most hostile
environment for an integrated modem. A handheld device, such as a
portable terminal, is typically battery powered, subjected to
temperature extremes, and designed to be physically robust.
When designing portable devices, you must consider the following
issues:
DC power noise levels on the host/terminal interface
Minimum operating voltage levels
Shutdown procedures
Device internal ambient temperature
Antenna gain and proximity to user
Repair and reprogramming facilities (pass-through mode of
operation)
Mechanical design for drop, vibration, dust, salt, and liquid spill
Note: Regarding the mechanical design, the Boomer-III OEM modem
is designed assuming that the host/terminal controls these conditions.
Fixed Mount Usage
Fixed-mount usage eliminates most of the mechanical constraints of
handheld designs, although the requirements still apply. Fixed-mount
units are sometimes AC-line powered and require filtering to eliminate

Installation________________________________________________ Boomer-III User Manual & Integrator’s Guide
Copyright Wavenet Technology © October 2003 24 BM310012WT05
the 50Hz or 60Hz noise that can impair modem operation, depending
upon country of use.
Other considerations include mobile usage, which typically implies
vehicular applications. Some of the design implications of mobile
usage include:
Resets
The design must attempt to eliminate modem resets caused by supply
voltage drops while the vehicle is starting. This is very disruptive to the
network link.
Supply and Noise Levels
Special care is required to ensure the modem is not subjected to DC
voltages exceeding specifications. This could create costly damage to
the RF section of the modem. Adhere to the power supply noise
specifications in your design.
Antenna
The antenna must be mounted like any other cellular or land mobile
radio antenna. Usually the vehicle roof provides a good ground plane
unless it is fabricated of non-metallic material such as fibreglass.
Mounting the Boomer-III OEM Modem to Your Device
Before using your modem you must:
Mount the Boomer-III OEM Modem to your device
Connect the Data Interface Port
Connect and position the antenna
Supply power
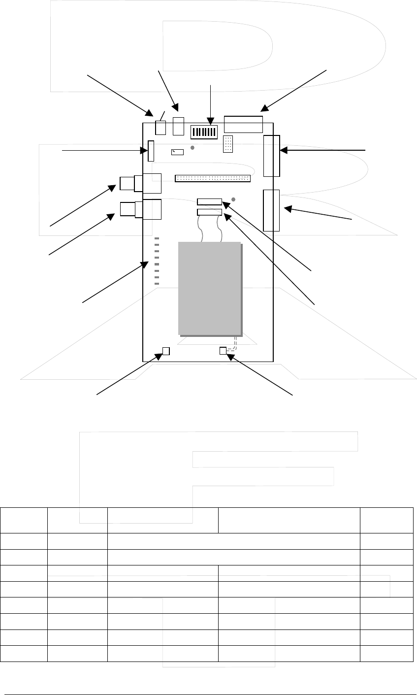
A picture of the Boomer-III OEM Modem is shown below.
LED
Indicators
Data Interface Port
RF Connector
Pin 1

Boomer-III User Manual & Integrator’s Guide_________________________________________________Installation
BM310012WT05 25 Copyright Wavenet Technology © October 2003
Proper mounting of the modem requires securely fastening it within the
product housing. The mating surface should be flat and ensure a rigid
mounting for the modem to minimise vibration to the unit. There
should be an adequate supply of airflow to ensure the modem’s
temperature limits are not exceeded.
To ensure ease of access for installation and troubleshooting, locate the
modem within the product in such a way that host and antenna
connections are readily accessible. Quick access to the modem allows
it to be efficiently removed, probed, and functionally tested.
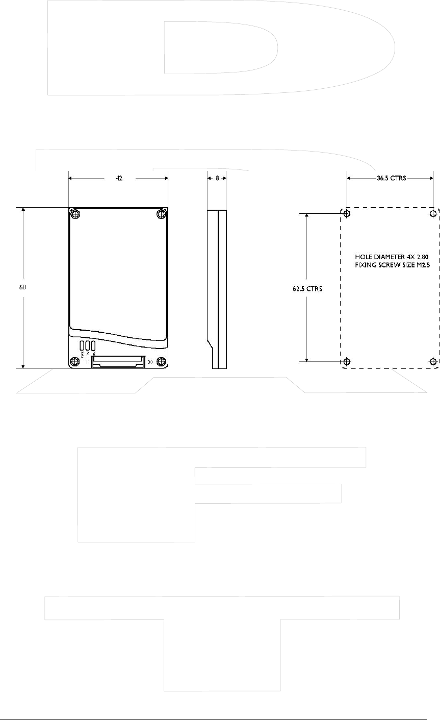
The modem has M2.5 mounting holes in each corner. The mounting
hole pattern is shown below;
Connecting the Data Interface Port
There are two connectors to interface the Boomer-III OEM Modem
with your device.
RF Connector (described in the next section), and
Data Interface Port
The data interface port is used to interface the modem to a serial
computing device and a power supply. The power supply requirements
are described in the next section.
A flat 30-way Flexible Printed Circuit (FPC) cable (approx 0.3 mm
thick with 0.5 mm centreline spacing) is used between the Boomer-III
OEM Modem’s Data Interface Port and the host/terminal. The
connector specification is given below.
The modem utilises connector part number 803-30-T-U from A-Point
however, connector equivalents such as F006-52893 from Molex as
shown below, may also be used in the host/terminal.
Pin 1

Installation________________________________________________ Boomer-III User Manual & Integrator’s Guide
Copyright Wavenet Technology © October 2003 26 BM310012WT05
Molex FPC Connector F006-52893
Pin 1 of the connector is adjacent to the LED window; it is also marked
on the housing.
The pin assignment of the Data Interface Connectors is shown in the
following table.
20.4mm
14.5mm
14.5mm

Boomer-III User Manual & Integrator’s Guide_________________________________________________Installation
BM310012WT05 27 Copyright Wavenet Technology © October 2003
Data Interface Pin Descriptions
Pin Signal Description Signal Reset State
1 DCD Data Carrier Detect Output High Impedance
2 RXD Receive Data Output High Impedance
3 TXD Transmit Data Input 100k pull up to 3V
4 DTR Data Terminal ready Input 100k pull up to 3V
5 GND Ground Ground 0V
6 DSR Data Set Ready Output High Impedance
7 RTS Request to Send Input 100k pull up to 3V
8 CTS Clear to Send Output High Impedance
9 RI Ring Indicator Output High Impedance
10 HCRESET Modem Reset Input 40-80k pull up to 3V
11 RTC_BB RTC battery backup Input High Impedance
12 HOSTPWR_ON Modem Power on/off Input 80k pull down to 0V
13 LED0_MSGWTG Message Waiting Output High Impedance
14 LED1_INRANGE In Range Output High Impedance
15 LED2_LOWBAT Low Battery Output High Impedance
16 SS0/RXD2 Status Signal 0 Bi-directional 100k pull up to 3V
17 SS1/TXD2/AD1 Status Signal 1 Bi-directional 100k pull up to 3V
18 SS2/RXD3/AD2 Status Signal 2 Bi-directional 100k pull up to 3V
19 SS3/TXD3/AD3 Status Signal 3 Bi-directional 100k pull up to 3V
20 HOST 3.8V Supply Voltage Supply 3.4 – 4.2V
21 HOST 3.8V Supply Voltage Supply 3.4 – 4.2V
22 HOST 3.8V Supply Voltage Supply 3.4 – 4.2V
23 HOST 3.8V Supply Voltage Supply 3.4 – 4.2V
24 TEST-PIN Do not connect
25 HOST GND Ground Ground 0V
26 HOST GND Ground Ground 0V
27 HOST GND Ground Ground 0V
28 HOST GND Ground Ground 0V
29 TEST-PIN Do not connect
30 SS4 Status Signal 5 Bi-directional 100k pull up to 3V
Warning: Do not connect the TEST-PIN terminals (pins 24 and 29) or
the modem may malfunction. Leave disconnected.
Warning: The input voltage on RTC-BB (pin 11) must never exceed 3V
under any circumstances or the modem may be damaged.
Note: The voltage range of most of the modem input pins is typically
0-3V, however, 0-5V may be used for compatibility with conventional
digital logic, unless otherwise stated.

Installation________________________________________________ Boomer-III User Manual & Integrator’s Guide
Copyright Wavenet Technology © October 2003 28 BM310012WT05
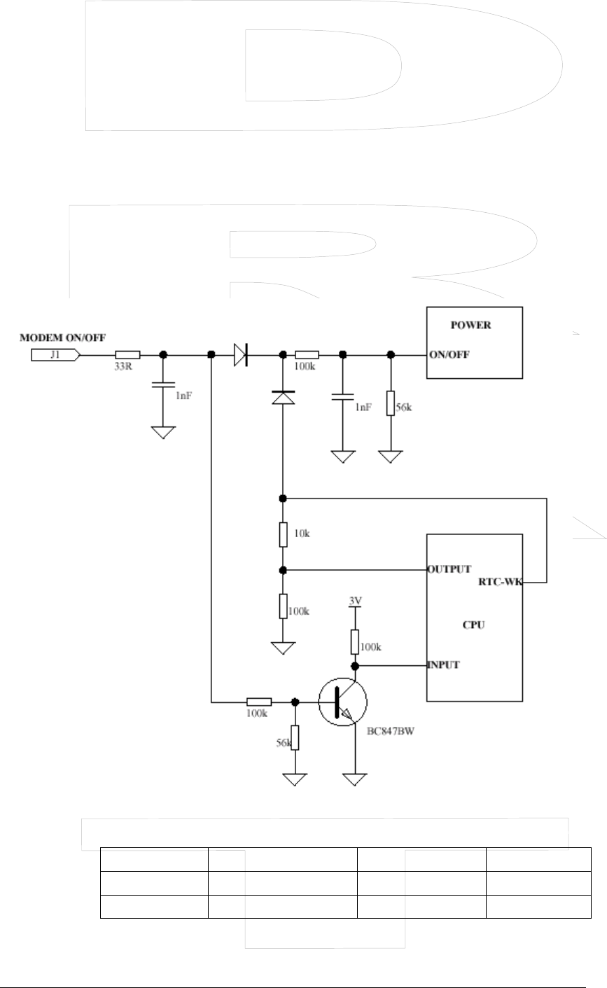
Modem On/Off Control
The modem on/off input line (HOSTPWR_ON) is an active high input
signal and is fitted with a 33Ω series resistor for input protection.
Internally it is passively pulled low (after the series resistor) to ground
and is asserted with a high input signal.
The Boomer-III modem is fitted with a Real Time Clock that third
party applications may utilise to wake-up the modem at a pre-
programmed alarm time. This facility may be utilised to further reduce
current consumption in battery powered applications, but note that the
modem may need to re-register on the network after wake-up
The electrical interface specification and equivalent circuit is as
follows:
Modem On/Off Control Equivalent Circuit
Modem On/Off Control Electrical Characteristics
Parameter Range Low High
Input Voltage 0-3V OR 0-5V 1.0 V (max) 2.5 V (min)
Input Current 20 µA (max) 100 µA (max)

Boomer-III User Manual & Integrator’s Guide_________________________________________________Installation
BM310012WT05 29 Copyright Wavenet Technology © October 2003
Warning: When the modem is turned off using the HOSTPWR_ON
signal and HOST_3.8V power is removed, all other signals connected
to the Data Interface Connector should also be turned off or set to 0V
otherwise the modem may remain powered on via these signals.
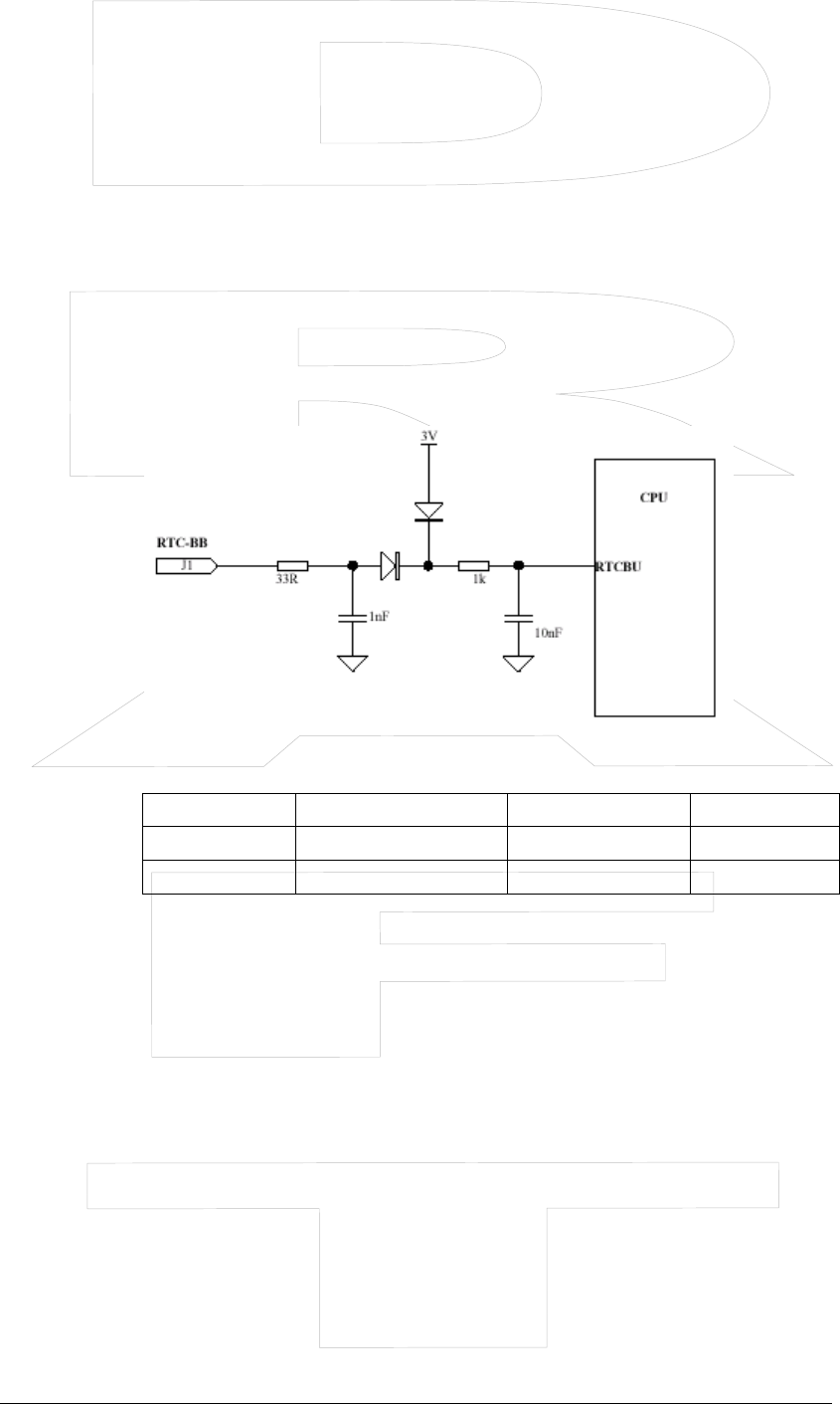
Real Time Clock Battery Backup
The Boomer-III contains an on-board Real Time Clock (RTC) and the
RTC Battery Backup (RTC_BB) pin is an optional input to maintain
the clock settings (time and date) in the event the main power to the
modem is removed. If used this input must be connected to a stable
voltage supply (such as a suitable alkaline cell) that does not exceed the
maximum input voltage specifications. If not required this input can be
left disconnected and the RTC will be powered internally. The
electrical interface specification and equivalent circuit is as follows:
Real Time Clock Equivalent Circuit
Real Time Clock Electrical Characteristics
Parameter Range Min Max
Input Voltage 2.1 V 3V (max)
Input Current 1 µA 10 µA
Warning: The input voltage on RTC-BB (pin 11) must never exceed 3V
under any circumstances or the modem may be damaged.

Installation________________________________________________ Boomer-III User Manual & Integrator’s Guide
Copyright Wavenet Technology © October 2003 30 BM310012WT05
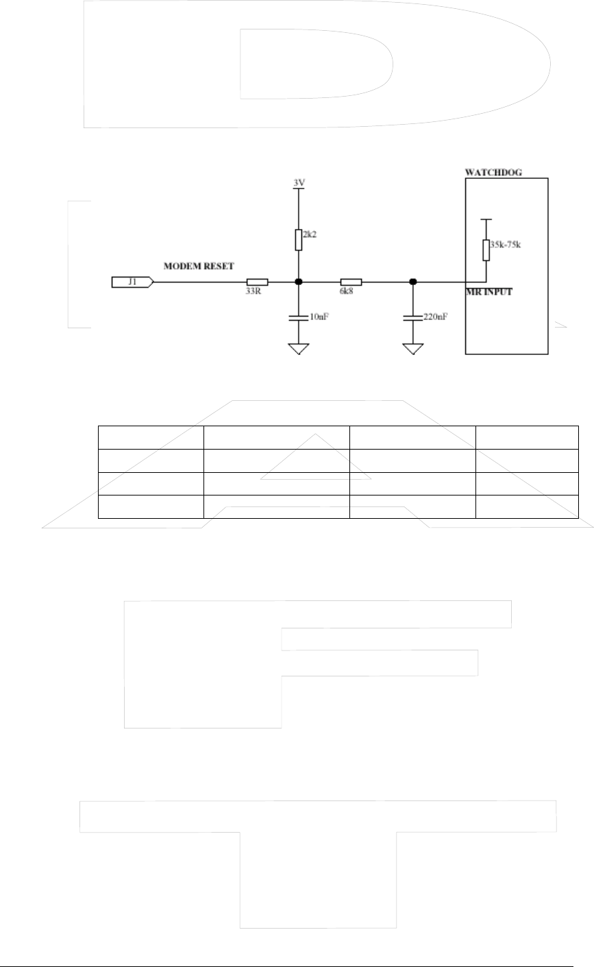
Modem Reset Input
The reset input line (HCRESET) is an active low input signal (TTL
compatible) and is fitted with a 6.8kΩ series resistor for input
protection. Internally it is passively pulled high (after the series
resistor) to the supply rail (3V) and is asserted with an actively driven
low signal to ground. The electrical interface specification and
equivalent circuit is as follows:
Reset Input Equivalent Circuit
Reset Electrical Characteristics
Parameter Range Reset Active Reset Inactive
Input Voltage 0-3V OR 0-5V 0 V 1.8 V (min)
Input Current 200 µA (max) 200 µA (max)
Pulse width 5mS (min)

Boomer-III User Manual & Integrator’s Guide_________________________________________________Installation
BM310012WT05 31 Copyright Wavenet Technology © October 2003
Serial Communications Interface
The modem communicates with the controller using the Data Interface
Port connection interface. The host asynchronous serial interface on the
Boomer-III OEM Modem operates at 3V and can be controlled by a
wide variety of micro controllers and microprocessors.
If the modem is to be connected directly to a PC or other RS232
device, an interface must be provided to convert the signal voltage to
the higher values required by an RS232 device.
The protocol supported over this link is network dependant. The data
format is generally: 8 data bits, no parity, 1 stop bit, unless otherwise
specified.
The serial interface lines (RXD, TXD, DCD, DTR, DSR, RTS, CTS,
RI) are 3V logic compatible. They are fitted with a 33Ω series resistor
for protection. The electrical interface capability, equivalent circuit and
operation of these lines is summarized below:
Serial Communications Interface Definitions
J1
Pin # Signal Description Signal Active State
1 DCD Data Carrier Detect Output Low when modem in-range
2 RXD Receive Data Output Low when active
3 TXD Transmit Data Input Low when active
4 DTR Data Terminal Ready Input Low when ready
6 DSR Data set ready Output Low when ready
7 RTS Request to send Input High when host/terminal
requires data throttling
8 CTS Clear to send Output High when modem requires
data throttling
9 RI Ring indicator Output Pulses Low when messages
are waiting

Installation________________________________________________ Boomer-III User Manual & Integrator’s Guide
Copyright Wavenet Technology © October 2003 32 BM310012WT05
Serial Communications Equivalent Circuits
Serial Communications Electrical Characteristics
Parameter Range Low High
Input Voltage 0-3V OR 0-5V 0.8 V (max) 2.0 V (min)
Output Voltage 0 – 3V 0.4 V (max) 2.5 V (min)
Input Current 100 µA (max) 100 µA (max)
Output Current 4 mA (max) 4 mA (min)

Boomer-III User Manual & Integrator’s Guide_________________________________________________Installation
BM310012WT05 33 Copyright Wavenet Technology © October 2003
Status Signal Multi-Function Lines
The status lines (SS0 to SS4) have multi-functional capability and may
be software configured for specific operation. All the lines may be used
as digital input/outputs. SS0/SS1 and SS2/SS3 may be used as a second
and third serial communications port respectively. SS2-SS3 may be
used to measure analogue input voltages with 10-bit resolution. SS4
may be used as a Synchronous Peripheral Interface (SPI) port chip
select signal (refer to LED Output section later).
Each Status line has a 100kΩ resistor to define default input status and
a 33Ω series resistor for protection. The electrical interface capability,
equivalent circuit and operation of these lines is summarized in the
tables below:
Status Signal Interface Definitions
J1
Pin # Signal Description Digital
Capability
Alternate
Function Other
16 SS0 Status Signal 0 Input/ Output - RXD2
17 SS1 Status Signal 1 Input/ Output AD1 TXD2
18 SS2 Status Signal 2 Input/ Output AD2 RXD3
19 SS3 Status Signal 3 Input/ Output AD3 TXD3
30 SS4 Status Signal 3 Input/ Output SPI_CS -
Status Signal Equivalent Circuits
Status Signal Electrical Characteristics
Parameter Range Low High
Input Voltage 0-3V OR 0-5V Digital: 0.8 V (max)
Analogue: 0V (min)
Digital: 2.0 V (min)
Analogue: 3V (max)
Output Voltage 0 – 3V 0.4 V (max) 2.5 V (min)
Input Current 100 µA (max) 100 µA (max)
Output Current 4 mA (max) 4 mA (min)
OTHER

Installation________________________________________________ Boomer-III User Manual & Integrator’s Guide
Copyright Wavenet Technology © October 2003 34 BM310012WT05
LED Indicators
The modem provides three on-board indicators (LED’s), for diagnostic
monitoring purposes as well as three modem controllable LED outputs
through the Data Interface Connector.
On-Board LED Indicators
The on-board LED’s are visible through windows in the case of the
modem and are defined as below.
Position of On-Board LED Indicators
On-Board LED Indicator Definitions
Operating Mode
LED Indicator Colour
Off On Flashing
POWER Green Power off
Power normal and
locked on channel
Power normal and
scanning channels
TRANSMIT DATA Red No activity N/a Data Transmitted
RECEIVE DATA Green No activity N/a Data Received
Note: The LED’s may be disabled to minimise power consumption. All
LED’s will flash on start-up and the Receive and Transmit LED’s will
flash on power down regardless of the state of the LED disable control.
Power Receive
Transmit

Boomer-III User Manual & Integrator’s Guide_________________________________________________Installation
BM310012WT05 35 Copyright Wavenet Technology © October 2003
LED Output Lines
In addition to the on-board LED’s there are three signal lines (Low
Battery, Message Waiting, In-range), which are controllable by the
modem for connection to an external LED. These lines also have multi-
function capability through software configuration as digital
input/outputs or as a Synchronous Peripheral Interface (SPI) port. SS4
may be used as a SPI chip select signal (refer to Status Signals section
previously).
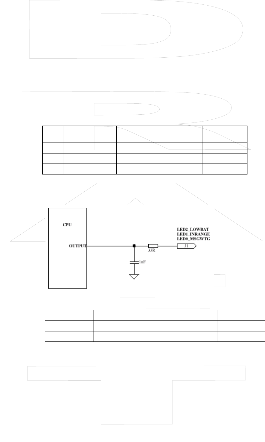
Each LED output line has a 33Ω series resistor for protection. It is
recommended a series resistor be used with the external LED to limit
current accordingly. The electrical interface capability, equivalent
circuit and operation of these lines is summarized in the tables below:
LED Output Interface Definitions
J1
Pin # Signal Description Digital
Capability
Alternate
Function
13 LED0_MSGWTG LED Signal 0 Input/ Output SPI_CLK
14 LED1_INRANGE LED Signal 1 Input/ Output SPI_MOSI
15 LED2_LOWBAT LED Signal 2 Input/ Output SPI_MISO
LED Output Lines Equivalent Circuit
LED Interface Electrical Characteristics
Parameter Range Low High
Output Voltage 0 – 3V 0.4 V (max) 2.5 V (min)
Output Current 4 mA (max) 4 mA (min)

Installation________________________________________________ Boomer-III User Manual & Integrator’s Guide
Copyright Wavenet Technology © October 2003 36 BM310012WT05
LED Interface Definitions
J1
Pin # Signal Description Signal Active State
13 LED0_MSGWTG Message
waiting Output Low when message waiting
14 LED1_INRANGE In range Output Low when modem in-range
15 LED2_LOWBAT Low battery Output
Low when battery is <3.5V,
High when battery is >3.6V
Low Battery
The Low Battery signal is held active low whenever the supply voltage
drops below an acceptable level and deactivated when the voltage level
becomes acceptable again. The transitions will occur at the same time
as the low battery event occurs (or would occur if the event was
activated). Note that in the case of a very fast transition between
voltages, it may take up to 20 seconds for the modem to confirm a
change in battery status.
Message Waiting
The Message waiting signal is held active low whenever there is at
least one complete message waiting in the outbound buffers (including
the reread buffer).
In-Range
The In Range signal is held active low whenever the modem is in RF
reception range.

Boomer-III User Manual & Integrator’s Guide_________________________________________________Installation
BM310012WT05 37 Copyright Wavenet Technology © October 2003
Selecting & Positioning the Antenna
Use this information to assist you in selecting the appropriate antenna
to incorporate into your product package. For specific detailed
information, Wavenet recommends that you use the expertise of an
antenna design engineer to solve individual application concerns. Also
always consult the appropriate technical representative of the target
network operator prior to selecting and / or designing the antenna, so
that it will pass network certification requirements.
Antenna Safety
The design of the integrated product must be such that the location
used and other particulars of the antenna comply with the appropriate
standards of the country in which the host/terminal is to be used.
The integrator should refer to the statement of Compliance on page 8 of
this manual and Regulatory Requirements section on pages 19-xx for
country requirements.
Mobile and Portable Devices
In the environment where portable devices are in use, many variables
exist that can affect the transmission path. In this case, it would be
preferable to use a vertically polarized, omni directional antenna.
Antennas for portable devices include the following designs:
Internal antenna (invisible or pull-up)
An internal antenna must provide a gain sufficient to meet network
specifications. Cable routing from the modem to the antenna needs to
avoid RF sensitive circuits and high level, high-speed clock circuits.
Consider:
The location of the antenna to avoid RFI to a computing device.
Good shielding to the display and other RF-sensitive
components
The most efficient method of cable routing
Otherwise, antenna gain can be offset by cable loss. A typical coaxial
cable is very thin, such as RG178B used in portable devices, and cable
loss can be 1dB or more per metre. Some coaxial cable manufacturers
market relatively thin double braid coaxial cables. These cables show
much better isolation than single braid cables, typically by 30 to 40dB.
These double braid cables reduce radiation and RF pick-up when
routed inside a portable device.
External antenna, removable and directly connected to the device
You can design a portable device that can use an off-the-shelf, plug-in
antenna, such as a ¼ wave monopole or ½ wave dipole antenna.
Typical gain of these omni directional antennas is 0dBi and 2.14dBi,
respectively.

Installation________________________________________________ Boomer-III User Manual & Integrator’s Guide
Copyright Wavenet Technology © October 2003 38 BM310012WT05
Cabling demands the same consideration as an internal antenna
application. In a typical laptop application, the antenna must be placed
as far as possible from a display to avoid deflection. This usually
causes a deep null in radiation patterns.
External, remote antenna
For remote antenna application use the same design approach as
internal designs, including the RF cable routing of the external
connector. You can choose an off-the-shelf mobile antenna of omni
directional ½ wave length.
A double braid coaxial cable such as RG223 from the device to the
antenna is recommended if the cable length is more than a metre. The
difference in cable loss between low cost RG58 and the more
expensive RG223 is approximately 4.5dB per 30 metres. If the cable
must be routed through noisy EMI/RFI environments, a double braid
cable such as RG223 can reduce radiation and pick-up by 30 to 40dB.
Fixed Devices
Fixed data device applications use the same design recommendations
as a portable device with a remote antenna.
As for the RF connector of an external antenna, whether it is a plug-in
type or a remote type, the most economical and practical choice is a
TNC threaded connector. TNC has a good frequency response to
7GHz, and leakage is low. A mini UHF threaded connector provides
adequate performance and is an economical choice. If the size of the
TNC and mini UHF connectors becomes critical, consider an SMA
threaded connector or an SMB snap fit connector. (The SMB connector
does not accept an RG58 or RG223 cable).
Selecting an Antenna
The requirements for the antenna used with the Boomer-III OEM
Modem are:
Antenna Gain: 5dBi (isotropic) maximum average gain if
modular FCC approvals are to be used
without separate equipment approval for
the host/terminal.
Impedance: 50Ω
Centre Frequency: 921MHz ± 3MHz
Frequencies of operation: 896 to 902MHz (for transmit)
935 to 941MHz (for receive)
Acceptable return loss: VSWR < 1.5 or RL < -14dB (recommended)
VSWR < 2.0 or RL < -10dB (minimum)

Boomer-III User Manual & Integrator’s Guide_________________________________________________Installation
BM310012WT05 39 Copyright Wavenet Technology © October 2003
The power output of the Boomer-III OEM Modem is nominally 2W at
the antenna port. The antenna gain or loss will affect the radiated value.
Connecting the Antenna
The Boomer-III OEM Modem Module provides an MMCX RF
connector located at the top of the unit, to attach to the antenna cable.
The antenna does not plug directly into the modem but uses an antenna
cable to interface between the device and the modem.
The antenna cable should be a low loss, 50Ω impedance and have a
MMCX plug that can mate with the modem’s MMCX socket. It is
recommended that a Huber+Suhner connector be used to connect to the
modem as below:
11 MMCX series Straight Connector
16 MMCX series Right Angle Connector
If an extension cable is required to the antenna, it should be low loss, as
short as possible and an impedance of 50 ohms. Proper matching
connectors should be used, as each connector introduces a return loss
and reduces performance.
Positioning the Antenna
Positioning the antenna will affect the gain provided by the antenna.
The antenna should be orientated so that it provides vertical
polarisation as the radio network is based on vertically polarised radio-
frequency transmission.
The antenna should be located as far from the active electronics of the
computing device as possible. Typically, a metal case of a computing
device and its internal components may attenuate the signal in certain
directions. This is undesirable as the sensitivity and transmit
performance of the Boomer-III would be reduced. However, careful
use of metal used for the ground plane for an antenna can improve the
antenna gain and the coverage area for the system.
If your device is designed to sit on a surface, the antenna should be
positioned as far from the bottom of the device as possible. This is to
reduce the radio frequency reflections if the device is placed on a metal
surface.
If your device is hand held or is worn next to the body, the antenna
should be positioned to radiate away from the body.
The integrator should refer to the statement of Compliance on page 8 of
this manual and Regulatory Requirements section from pages 19
onwards, for country requirements.
Source Based Time Averaging Function
For portable or handheld applications the integrated host/terminal must
comply with OET Bulletin 65 and Supplement C (June 2002) with
respect to Specific Absorption Rate (SAR) requirements.

Installation________________________________________________ Boomer-III User Manual & Integrator’s Guide
Copyright Wavenet Technology © October 2003 40 BM310012WT05
The Boomer-III modem module operates on a packet data network
which sets the timing of most aspects of the RF signalling protocol.
The shortest transmit event over which the Boomer-III modem has
control is a transmit transaction which is comprised of a series of
transmit pulses.
For portable or handheld applications a source based time averaging
function has been incorporated in the Boomer-III modem firmware.
This function limits the transmit duty cycle by controlling the timing of
when transmit transactions are initiated and the delay period between
them.
When a data transmission occurs, the actual transmit time is recorded.
Subsequent data transmissions are inhibited until a delay period (idle
time) has elapsed to ensure the average duty cycle of transmissions is
less than the preset “Duty Cycle” limit. Any delayed user data that is to
be transmitted will be buffered until it is permitted to be sent.

Boomer-III User Manual & Integrator’s Guide_________________________________________________Installation
BM310012WT05 41 Copyright Wavenet Technology © October 2003
The algorithm for the Source Based Time Averaging transmit control
and the relevant parameters are given below:
Idle_Time = Duty_Factor * Transmit_Duration
Duty Factor = (100 – Duty_Cycle%) / Duty_Cycle%
Duty_Cycle% = Preset limit for SAR compliance
Source Based Time Averaging Transmit Algorithm
The Boomer-III modem module has an overall transmit Duty Cycle
limitation of 30% (maximum) to physically protect the modem
hardware.
The default Duty Cycle preset in the factory at the time of manufacture
is 10%. Other duty factors and SAR evaluation must be addressed at
the time of OEM integration into any final host/terminal product and is
the responsibility of the OEM Integrator.
The algorithm and preset Duty Cycle is recorded in the module
firmware at the time of manufacture and cannot be altered by the end
user.
No
Yes
No
Wait for data
Decrement
Idle_Time
Transmit data
Determine actual
Transmit_Duration
Buffer data
Decrement
Idle_Time
Yes Has the transmit
Idle_Time expired?
Set Idle_Time =
Duty_Factor *
Transmit_Duration
Any data to
transmit?

Installation________________________________________________ Boomer-III User Manual & Integrator’s Guide
Copyright Wavenet Technology © October 2003 42 BM310012WT05
Supplying Power
The Boomer-III OEM Modem must be provided with a clean power
source capable of delivering bursts of high current.
The modem draws its power in bursts. The power required changes
rapidly depending on whether the modem is transmitting, receiving or
on standby.
Ratings
The power supply requirements are:
Voltage: 3.8V (3.4 to 4.8V range)
Transmit Current: 1.6A maximum
(2.2A maximum if antenna mismatched)
Transmit Duration: 32ms (minimum)
7s (maximum)
Duty Cycle 30% (maximum) data dependant
Receive Current TBD mA (typical)
Standby Current TBD mA (typical)
Add ~1.2mA if LED’s enabled
Off current consumption: < 20 µA
Power Supply Ripple: < 15mV peak to peak
Design Considerations
The power supply is one of the key issues of design of wireless
terminals.
Due to the burst nature of transmit periods the power supply must be
able to deliver high current peaks for short periods of TBD ms to a
maximum of TBD seconds. During this time the drop in the supply at
the module itself must not exceed 200mV (total at the module), such
that at no time module shall module supply drop below 3.4V and ripple
must not exceed 15mVp-p during transmit.
The maximum transmit current into a matched antenna is 1.6A,
however, this can increase if antenna mismatch occurs.
Wavenet recommends designing a robust power supply that can
provide adequate power under non-ideal conditions such as an
improperly matched antenna, where current can be up to 2.2A.
It is recommended that for ensuring power supply margin the following
be done:
A short FPC cable (e.g < 100mm) is used to minimise power
supply voltage drop during transmission.
The power supply should be set above nominal 3.8V to
accommodate worst case power supply drop. i.e. 4.0V.

Boomer-III User Manual & Integrator’s Guide_________________________________________________Installation
BM310012WT05 43 Copyright Wavenet Technology © October 2003
The power supply should have good regulation with < 200mV
drop at 2.2A.
Adequate supply decoupling (10,000uF min.) is added at
terminal connector to reduce ripple and smooth supply voltage
steps.
The power supply be capable of supplying non-ideal current
consumption conditions of up to 2.2A for up to TBD seconds
and with a duty cycle (set by data usage) ~ 30% maximum.
Multiple pins are assigned to both power and ground
connections for the modem. Connection of all designated pins
to the appropriate supply or ground in the host/terminal is
necessary to accommodate modem current requirements.
The host/terminal must provide a continuous supply.
The modem is compliant with the Mobitex Power Save Protocol.
The modem exists in the lowest power state possible (standby state)
while still providing uninterrupted service. By de-asserting the
HOSTPWR_ON signal, the modem disconnects from the network
then enters a near-zero power state. The modem resets if the power
source is cycled. This can cause network service issues, since the
modem might not have had a chance to de-register. The modem
spends the majority of time in sleep mode.
Conservation
In installations requiring power conservation (such as, when the
modem is powered from a battery or solar cell), you must monitor
modem power consumption in various operating states. Even though
the Boomer-III OEM modems are designed for minimal power
consumption, by using the network Power Save protocol offered by
Mobitex networks you can further reduce power consumption.
Note: The on-board LEDs may be disabled to minimise power
consumption. All LEDs will flash on start-up and the Receive and
Transmit LEDs will flash on power down regardless of the state of the
LED disable control.
Power Save Protocol
The modem typically uses current provided by the host/terminal
battery. For the product to be usable for a reasonable period in portable
applications, the host/terminal battery power must be conserved. To
meet this requirement, the modem uses Mobitex Power Save protocol.
The Power Save Protocol defines the following four modem power
consumption states:
Off
Operating State
Standby State
Quick Channel Monitoring

Installation________________________________________________ Boomer-III User Manual & Integrator’s Guide
Copyright Wavenet Technology © October 2003 44 BM310012WT05
Power Profile
The modem’s power consumption profile depends on the usage and the
network configuration of the Power Save protocol.
For example, the following numbers present a typical profile for the
Boomer-III modem based on reasonably heavy usage and assuming a
3.8V supply current: (Power Save Mode = Maximum)
80 % Sleep @ 4.4 mA typical
19.9 % Receive @ 76 mA typical
0.1% Transmit @ 1.6A typical
The actual percentage of total time spent in each state (transmit,
receive, sleep) is a function of the following variables.
Network configuration
On networks supporting Power Save operation, the network
configuration impacts how long the modem must be in the sleep state.
Note: Neither Wavenet nor any developer has any direct control over
the network configuration. Networks supporting Power Save are
typically configured to preserve the battery life of modems of their
subscriber base.
Message traffic model
The message traffic model defines how many messages are transmitted
and received, and the average length of the messages sent and received
in a given working day. For instance, a dispatch application could have
a message traffic model as follows:
Messages transmitted in 8 hour day: 25
Average length of transmission: 120 bytes
Messages received in 8 hour day: 10
Average length of received message: 30 bytes
This analysis of message traffic allows the power consumption profile
to be assessed in terms of percentage of time spent transmitting,
receiving, and sleeping. (For more information, see Develop a Message
Model on page 12.)
Roaming Time
The amount of time the modem spends scanning a channel or roaming
to a new channel will affect the current consumption.

Boomer-III User Manual & Integrator’s Guide_________________________________________________Installation
BM310012WT05 45 Copyright Wavenet Technology © October 2003
Power Control
The host/terminal provides the supply rail (HOST 3.8V) to the modem
through the Data Interface Connector.
The host/terminal turns the modem ON by asserting the
HOSTPWR_ON signal.
The host/terminal may request the modem to turn OFF by de-asserting
the HOSTPWR _ON or by sending a specific MASC command across
the serial interface. For the modem to turn OFF after a MASC request
the HOSTPWR_ON signal must be de-asserted.
Power-Up Sequence
Reference should be made to the Power-UP Timing Diagram below
when reading the following Power-UP Sequence description.
To turn the modem ON, power must be applied (HOST 3.8V) and the
host/terminal asserts the HOSTPWR_ON signal.
The modem contains an internal voltage detector and reset delay circuit
to generate a reset signal for the CPU to ensure orderly and reliable
software initialisation.
An externally controllable reset signal (HCRESET) is optionally
available if the host/terminal wants reset synchronisation or to force a
modem reset while power is still applied.
If the HCRESET signal is used, once it is de-asserted the modem CPU
will be able to initialise.
Once out of reset the first operation is the boot-up of the modem CPU.
At this time CTS is momentarily asserted, then de-asserted. After a
successful boot up, the CPU starts the modem initialisation sequence.
After the initialisation sequence, the Native Mode interface and the
serial interface are active.
Following successful initialisation, the modem asserts DSR and
performs the initialisation protocols for both the DTE interface and the
RF network. After successfully initialising the DTE interface, the
modem asserts CTS. After the network ACK of the registration
sequence, DCD is asserted.
The Boomer-III modem is fitted with a Real Time Clock that third
party applications may utilise to wake-up the modem at a pre-
programmed alarm time prior to turning the modem off. This facility
may be utilised to further reduce current consumption in battery
powered applications, but note that the modem will need to re-register
on the network after wake-up

Installation________________________________________________ Boomer-III User Manual & Integrator’s Guide
Copyright Wavenet Technology © October 2003 46 BM310012WT05
Power-Up Timing Diagram
Note: HCRESET, CTS, DSR, DCD, the LED’s and the internal modem reset are all
active low signals.
Power Up Diagram Callouts
1 Power is supplied to the modem
2 The HOSTPWR_ON signal is asserted to turn on the modem.
3 The HCRESET signal is de-asserted.
4 The internal modem reset is released to allow the modem boot up
sequence.
5 The modem exits the boot load state, is operational and is ready to
communicate with the DTE.
Modem Internal Power
Modem Internal Reset
CTS
DSR
DCD
LED’s
~ 300 ms
Initialisation
4
5
Boot Stage
Modem is now
software controlled
Modem is now
O
p
erational
Network Connect
IN RANGE
Optional Delay
1
HOST 3.8V
HOSTPWR_ON 2
HCRESET (Optional)
140 ~ 280 ms
Reset Delay
3
Optional
Delay

Boomer-III User Manual & Integrator’s Guide_________________________________________________Installation
BM310012WT05 47 Copyright Wavenet Technology © October 2003
Power Down Sequence
The host/terminal may request the modem to turn OFF by de-asserting
the HOSTPWR _ON or by sending a specific MASC command across
the serial interface. For the modem to turn OFF after an MASC request
the HOSTPWR_ON signal must be de-asserted.
Warning: The power supply rail must be maintained during a power
down sequence or else memory may be corrupted.
The soft shutdown process starts when the HOSTPWR_ON control
line is de-asserted. The shutdown process consists of the modem first
de-registering from the network and de-asserting the DCD line. Next, it
saves the modem configuration and network channel information. The
modem then de-asserts the DSR line, signalling the modem is no longer
in a ready state. This process can take a few seconds to complete.
At this point, the host/terminal can remove the power from the modem
and still maintain most of the modem settings and last registered
network channel. The modem can be left with power applied and
HOSTPWR_ON de-asserted.
The reset line HCRESET can be asserted at this time in preparation for
the next power-up sequence. This is optional and is intended for
rebooting the modem only. Resetting the modem causes a cold start
and flushes the saved modem settings.
The following diagram shows the sequence for these actions.
Power-Down Timing Diagram
Note: DSR and DCD are active low signals.
HOSTPWR_ON
DCD
DSR
Modem internal power control
Modem Internal Power
1
2
3
4
Modem software is
Operational
Network Deregistration
RF Protocol Requirement

Installation________________________________________________ Boomer-III User Manual & Integrator’s Guide
Copyright Wavenet Technology © October 2003 48 BM310012WT05
Power Down Diagram Callouts
1 HOSTPWR_ON is de-asserted from the host/terminal to the
modem.
Important: The power rail must be present for up to ten seconds
(typically two seconds) after HOSTPWR_ON is de-asserted for the
deregistration process to complete orderly.
2 The modem starts the soft shutdown process. The battery status
indicator pulses quickly until the shutdown steps are complete.
The modem initiates the deregistration process from the network
and upon completion de-asserts DSR and DCD. DCD signifies
network detachment, and DSR shows the modem’s readiness state.
3 After deregistration, the internal modem CPU power-on signal is de-
asserted. This deactivates the internal modem power rail to the
radio.
4 At this point you can optionally de-asset HOSTPWR_ON signal to
the modem and assert the HCRESET line to the modem.
Batteries
The Boomer-III OEM Modem may be powered by batteries if used
with a handheld device.
For battery operated devices, battery selection is a critical decision,
requiring consideration of many factors. These include cell size,
internal impedance, charging requirements, and susceptibility to
common battery phenomena, such as memory effect or overcharging.
Each of these factors is discussed in detail in this section.
The selected battery must be able to meet the Boomer-III power
requirements as mentioned previously.
Three prevailing battery technologies exist today:
Nickel cadmium (NiCad) batteries may be used for devices
requiring wide temperature ranges.
Nickel metal hydride (NiMH) and
Lithium ion (Li+) batteries may also be used for devices utilised
above 0ºC. Specifications for these batteries should be obtained
from the manufacturer.
NiCad
Most mature technology
Lower energy density (energy/volume) than NiMH or Li-ion
Available in all cell sizes, including AA, 2/3A, 4/5A, A, 4/3A,
and so on. This represents the greatest number of packaging
options.
Exhibits a memory effect when not occasionally discharged
below the lower extent of its operating voltage. The memory
effect reduces the usable capacity of each battery cell.

Boomer-III User Manual & Integrator’s Guide_________________________________________________Installation
BM310012WT05 49 Copyright Wavenet Technology © October 2003
Internal impedance of 25-30µΩ per 1.2V cell
Typical cell voltages are 1.2V, with multiple cells used to
obtain higher operating voltages
Can withstand high current pulses, which are characteristic of
packet data applications
Typical charge method is −∆ V (known as negative delta
voltage), which involves charging the battery while looking for
the battery voltage to peak. Then enter a slight overcharge
condition, where the voltage actually begins to decrease prior to
terminating battery charging. NiCad is the most robust battery
technology available today for non vehicular applications.
NiCad can withstand over charging, over discharging, and harsh
environments with reasonable resilience.
Raw battery cells or battery packs can be purchased from
suppliers
NiMH
Mature technology with potential for improvements in battery
chemistry and energy density over the next five years
Higher energy density than NiCad, but lower than Li-ion
Available in standard sizes AA, 2/3A, 4/5A, A and 4/3A and
some prismatic (rectangular) configurations
Exhibits the memory effect in a manner similar to NiCad
technology, but at a less pronounced level
Internal impedance of 35-49µΩ per 1.2V cell
Typical cell voltages are 1.2V, with multiple cells used to
obtain higher operating voltages
Earlier NiMH battery chemistry could be damaged by high
current discharge pulses. Newer battery chemistry has
eliminated this problem. When purchasing batteries of this type,
determine if high current pulse discharging is an issue.
Typical charge method is dT/dt, where T is temperature. As the
battery reaches full charge, any further energy is dissipated as
heat. A temperature threshold is used to terminate the charge
cycle in conjunction with voltage monitoring. NiMH is more
sensitive to overcharging then NiCad and exhibits decreased
capacity if repetitively overcharged.
Raw battery cells or battery packs can be purchased from
suppliers.
Li-ion
Reasonably mature technology leaving lots of potential for
increased capacity
Higher energy density than either NiCad or NiMH

Installation________________________________________________ Boomer-III User Manual & Integrator’s Guide
Copyright Wavenet Technology © October 2003 50 BM310012WT05
Availability is an issue, as most suppliers do not sell cells, but
force customers into particular solutions through their battery
pack designs. Purchasing cells in an effort to design your own
battery pack may be problematic due to cell lead times.
Li-ion does not exhibit the memory effect and is unaffected by
partial discharging-charging cycles
Internal impedance of 100-150mΩ per 3.6V cell. Li-ion
batteries are very susceptible to damage due to over discharge
and high current pulses. As a result, manufacturers recommend
that a protection circuit be added to battery pack designs. The
resultant internal impedance of a battery pack with protection
circuitry can reach the 500mΩ level.
Typical cell voltages are 3.6V with multiple cells used to obtain
higher operating voltages.
Li-ion batteries are very sensitive to over-discharge and
represent a hazard if not properly designed with protection
circuitry.
Typical charge method is constant-voltage, constant-current.
Applying Battery Technologies
When reviewing different battery technologies, consider the following
characteristics of OEM devices incorporating wireless data modems.
Current drain is not constant
Typically, battery manufacturers specify the battery discharge profiles
by assuming a constant-current drain model. In a wireless data system,
the constant current drain model no longer applies. There are three
levels of current drain contributions that can be expected: sleep,
receive, and transmit. The modem cycles through these different states
throughout the time it is powered on and in contact with the wireless
network. To determine the realistic battery life or capacity for your
product, you must contact the battery manufacturer or experiment by
transmitting for various durations.
Peak currents during transmissions
Since transmissions are typically short, the resultant current drain
during transmissions can be viewed as current pulses. These pulses
must be considered when selecting the proper battery technology, since
not all technologies are equally tolerant of current pulses.
Additionally, the internal impedance of the battery must be taken into
account at the peak currents during transmissions, since this is the time
when the largest voltage drop occurs across the battery terminals.
Adequate supply guard-band must be designed in to ensure that the
modem and any other circuitry in the final product are not reset during
transmissions.

Boomer-III User Manual & Integrator’s Guide_________________________________________________Installation
BM310012WT05 51 Copyright Wavenet Technology © October 2003
Messaging model
To determine the required battery capacity for your product, you need
to define the messaging model for your target market. In regard to
battery selection, the messaging model details the following
information:
Optimal number of hours per day of use prior to recharging the
battery
Number of messages transmitted per hour
Number of messages received per hour
Average length of transmitted messages
Using this information and the typical current drains of the modem and
other circuitry present in your product, you can define the requirements
for battery supply voltage and capacity.
Battery Recharging
Plug-in Supplies
A mains plug-in supply must be designed to ensure that voltage spikes,
lightening and other power fluctuations cannot damage the Boomer-III.
Transient voltage protection zener diodes or other spike arrestor
circuits may be added to keep the inputs within the power requirements
mentioned previously. These should have a value of 20V and be placed
on the supply side of the regulator circuit.
Automotive Supplies
Extra protection is required from an automotive supply to protect the
Boomer-III OEM Modem from power fluctuations when used in an
automobile.
The electrical transient conditions (e.g. battery jump start), may
damage the modem if not adequately clamped and filtered.
Environmental Considerations
The environmental requirements of the Boomer-III OEM Modem are
as follows:
These limits should not be exceeded in the intended application.
Operating Temperature: -30° to +60°C
Storage Temperature: -40° to +70°C
Relative Humidity 0 to 95% non-condensing

Modem Test Jig ___________________________________________ Boomer-III User Manual & Integrator’s Guide
Copyright Wavenet Technology © October 2003 52 BM310012WT05

Boomer-III User Manual & Integrator’s Guide____________________________________________ Modem Test Jig
BM310012WT05 53 Copyright Wavenet Technology © October 2003
Using the Modem Test Jig
The Boomer-III modem may be used with the Boomer-II Test Jig
which provides RS-232 serial interface ports between a PC and the
modem. It is designed to enable you to quickly interface the
Boomer-III to a standard PC (through a COM port) or a terminal device
with an RS-232 serial port.
The test jig acts as a temporary host/terminal for the modem and
provides access points to the radio’s communication port, allowing you
to monitor activity with a logic probe, multimeter or oscilloscope.
Features
All Input/Output Lines configurable by jumpers and/or
accessible through parallel FPC connector.
On-board dual RS232 Serial Communication interface ports
with DB9 connectors
Through the SPY MODEM connector, you can monitor the data
transmitted from the modem (RX, DSR, and CTS).
Through the PORT 2/SPY PC connector, you can monitor the
data transmitted from the PC (TX, RTS and DTR), or talk to the
second serial port of the modem. You can make this choice by
putting all five jumper links on the right or left side of the RDW
header connector near the port.
Switches and LED indicators on SS0 - SS3 modem I/O lines.
On-board voltage regulator for Boomer-III OEM supply rail.
On-board LEDs for three external signals:
o Low battery
o Message waiting
o In range
On-board antenna matching network allowing conversion from
MMCX to SMA connectors.
Test Jig Updates
From time to time updates may be provided for the test jig and these
should be implemented as per the Update Notice. If you are unsure if
your test jig incorporates all the latest updates please contact Wavenet
Technology.

Modem Test Jig ___________________________________________ Boomer-III User Manual & Integrator’s Guide
Copyright Wavenet Technology © October 2003 54 BM310012WT05
Exploring the Boomer-II Test Jig
The test jig comprises the following components:
On / Off switch Switches the power to the test jig on or off.
DC Jack Provides power to the test jig. (3.8V)
DIP Switch 8-way DIP switch used to configure the test jig.
The following table shows the DIP switch configuration.
Dip
Switch #
Signal On Off Default
Position
1 Test Always leave this switch in the OFF position OFF
2 Test Always leave this switch in the ON position ON
3 SS3 3V 10k Pull down to GND OFF
4 SS2 3V 10k Pull down to GND OFF
5 SS1 3V 10k Pull down to GND OFF
6 SS0 3V 10k Pull down to GND OFF
7 H-P-ON Turn the modem off Turn the modem on OFF
8 RESET Keep modem reset Keep modem in working status OFF
On/Off
Switch
DC Jack
Input Supply Port 2 / SPY PC Interface
DB9 Connector
8-way
DIP switch
On-board
LED indicators
SMA
A
ntenna
socket
SMA
Modem
socket
Host PC Interface
DB9 Connector
SPY Modem Interface
DB9 Connector
A
udio Out
BNC Connector
A
udio In
BNC Connecto
r
3.15A Fuse
5X20mm
Lower 30-pin FPC Connector
For connection to modem
ADJ VCC
VCC
test pin
Ground
test pin
Boomer-III
3 RDW
Header
connector
52-pin header connector
Parallel 30-pin FPC Connector
For signal access

Boomer-III User Manual & Integrator’s Guide____________________________________________ Modem Test Jig
BM310012WT05 55 Copyright Wavenet Technology © October 2003
Port 2 / SPY PC
Connector
DB9 connector used for two purposes depending
upon the settings of the jumper switches located
just behind the connector on the PCB. If the
jumpers are used to connect the centre column to
the right hand outer column (TX, RTS etc), then
the port acts as a spy connection for the data
between the PC and the modem via the PC
connector.
An analyser program such as “spy.exe” can be
used to view the data.
SPY Modem
Connector
DB9 connector, used to spy on the RS-232 data
sent by the modem to the DTE (using DSR, RX,
CTS and GND signals).
An analyser program such as “spy.exe” can be
used to view the data. A communication program
such as “HyperTerminal” can be of limited use if
the data spied upon contains a lot of alpha-
numeric ASCII characters.
Host PC Connector DB9 connector, used to connect serial port 1
(of 2) of the modem to the DTE. The default
values for this RS-232 connection is 9600bps, 8
bits, no parity, 1 stop bit.
This port can also be used to download new
modem software to the Boomer-III.
Parallel FPC
Connector
30-way FPC (Flexible Printed Circuit) connector
used for signal access.
Lower FPC
Connector
30-way FPC (Flexible Printed Circuit) connector
used to connect the Boomer-III to the test jig.
Modem Connector Used to connect the Boomer-III’s antenna socket
to the antenna connector.
Antenna Connector Used to connect the external antenna.
LEDs There are eight LEDs used to indicate the
following:
Power
Low Battery
In Range
Message Waiting
SS0
SS1
SS2
SS3

Modem Test Jig ___________________________________________ Boomer-III User Manual & Integrator’s Guide
Copyright Wavenet Technology © October 2003 56 BM310012WT05
Audio Out Connector for monitoring an audio output. Used
to monitor base band signal, BIT Error Rate
(requires a PER test jig), receiver and
demodulation.
Warning: Must use a high impedance monitor,
100kΩ.
Audio In Connector for monitoring an audio input. Used to
monitor modulation and transmission.
Warning: Must use a high impedance monitor,
100kΩ.
3 RDW Header
Connector
Connectors used for jumpers (supplied).
For Port 2 use, all the jumpers are positioned
from the centre column to the left hand column.
For Spy PC use, all the jumpers are positioned
from the centre column to the right hand column.
52-pin Header
Connector
Connector used for jumpers (supplied).
All the jumpers are connected as default.
1 DCD
2 RX
3 TX
4 DTR
5 GND
6 DSR
7 RTS
8 CTS
9 RI
10 RESET
11 H-P-ON
12 MSGWTG
13 INRANGE
14 LOWBAT
15 SSO/RX2
16 SS1/TX2
17 SS2/CTS2
18 SS3/RTS2
19 3.8V
20 3.8V
21 3.8V
22 3.8V
23 GND
24 GND
25 GND
26 GND
3 RDW
Header
connecto
r
3 RDW
Header
connecto
r

Boomer-III User Manual & Integrator’s Guide____________________________________________ Modem Test Jig
BM310012WT05 57 Copyright Wavenet Technology © October 2003
Initial Calibration
Without connecting a Boomer-III OEM Modem to the Test Jig,
initially check the calibration of the on-board voltage regulator. (This
regulator supplies the RS232 converter and other on-board circuitry
only. It does not supply power to the modem).
1. Connect the centre pin of the DC jack to the +3.8V power
supply with 2A capability and the external pin to the ground.
2. Adjust the trim pot marked ADJ VCC to make sure the voltage
on the test pin next to the ADJ VCC is 3V.
3. Keep all of the switches on the dipswitch in the off position
(except DIP switch 2) for normal modem operation.
Fitting the Boomer-III Modem
With the power off,
1. Connect the Boomer-III OEM modem to the lower FPC
connector on the test jig using a 30-way FPC cable.
Use the following procedure to insert the cable into the FPC
connector.
a. Lift up the lock lever of the FPC connector by flipping it
up with the nail of your thumb or index finger.
b. Ensure that the cable is inline with the connector and
insert the FPC cable into the connector with the
conducting surface of the cable facing downwards.
Lock Lever
FPC conductor side

Modem Test Jig ___________________________________________ Boomer-III User Manual & Integrator’s Guide
Copyright Wavenet Technology © October 2003 58 BM310012WT05
c. Press down the lock lever.
Note: If the cable has been partially inserted, or out of
alignment, the lock lever will not engage. Should this
occur, remove the cable (see below) and repeat steps
a-c.
Use the following procedure to remove the cable from the FPC
connector.
a. Lift up the lock lever of the FPC connector by flipping it
up with the nail of your thumb or index finger.
b. Remove the cable after the lock is released.
2. Install an antenna to the modem. Use either the on-board SMA
connection and an adapter cable between the modem MMCX
connector and the test jig SMA connector, or connect directly to
the modem itself.
3. Connect the PC serial cable to the DB9 connector marked
“PC”.
4. After making sure the power supply is set with the operating
voltage range of the modem switch the power supply on.
5. Select the DIP switch labelled H-P-ON to the ON position. The
green Power LED on the modem should illuminate.
You are now ready to communicate with the modem using the
PC as a host/terminal. The modem should be able to talk to the
PC by using Wavenet Commander software, or other modem
protocol software.
Lock Lever

Boomer-III User Manual & Integrator’s Guide__________________________ Wavenet Software Development Tools
BM310012WT05 59 Copyright Wavenet Technology © October 2003
Software Development Tools
Wavenet SDK
Mobitex networks allow wireless communication and are installed in
many different countries around the world.
The Wavenet Software Development Kit (SDK) has been developed to
facilitate development of applications for these networks by providing
a simple program interface for communicating with the network
devices.
SDK Contents
The SDK contains the following components:
Integrators Guide and Users Manual for Boomer-III OEM
modem (This manual)
“Wavenet Commander” software
Wavenet Commander is a modem application development and
diagnostic communications tool that runs on a Windows PC and
allows communication with the modem via the Boomer-III Test
Jig. It provides a means for users to become familiar with the
modem and uses MASC protocol to communicate with the
modem.
System Requirements
The minimum system requirements of a host/terminal emulation PC in
order to utilise the Software Developers Kit are:
Intel compatible Pentium computer or higher
Windows 2000 or later
Microsoft Message Queue (MSMQ)
16MB RAM (memory) minimum, 32MB recommended
1MB available hard disk space
9-pin serial Port using a 16550 UART
3.5-inch Disk Drive
CD-ROM drive

Wavenet Software Development Tools__________________________ Boomer-III User Manual & Integrator’s Guide
Copyright Wavenet Technology © October 2003 60 BM310012WT05
Wavenet Commander
The radio service utility software “Wavenet Commander” enables a
user to exercise and configure Wavenet Modems. This software runs
under Windows 95, 98, NT, or 2000.
Wavenet Commander interfaces with the Boomer-III OEM Modem via
a PC’s communications port and the Test Jig’s PC port using an
RS-232 cable.
Wavenet Commander is issued as an install shield and will create the
following files in the user designated installation directory:
WC_End_User.wcu The executable file
user_defined.def Definition file for User Scripts
masc_generic.def Default MASC Commands.
A typical screen shot from Wavenet Commander is shown below.

Boomer-III User Manual & Integrator’s Guide__________________________ Wavenet Software Development Tools
BM310012WT05 61 Copyright Wavenet Technology © October 2003
Operations
Wavenet Commander display is broken up to four quadrants as
follows:
Upper-Left
“Modem Info” Tree View
The modem Type and display options
are represented as Tree view. Use the
mouse to select the following modem
information views.
Settings: Basic Modem settings
Versions: Modems Versions
Messages: Send / Receive Messages.
Status: Modem Status.
For each view there are various
associated property pages
Upper-Right
“Modem Info” Property View
Displays the associated property pages
as selected by the quick link in the tree
view.
Lower-Left
TTY Control View
TTY setting control allowing users to
choose what kind of information they
want to see in the Lower-Right hand
quadrant. Allows the user clear the
window, Issue User defined and
standard modem commands.
Lower-Right
Edit View
Edit view displaying raw and/or
interpreted data flowing between the
modem and the PC.
On start-up the user is presented with an icon in the tree view
representing the type of modem Wavenet Commander was last
connected to. To check /adjust the communication port settings, press
the Hot Key F6 or click on the connect icon in the toolbar. Choose the
modem communications port when prompted and following view will
be displayed.
Note: The base station port is for Depot Test Mode, which is not
available in the user version

Wavenet Software Development Tools__________________________ Boomer-III User Manual & Integrator’s Guide
Copyright Wavenet Technology © October 2003 62 BM310012WT05
Ensure the test jig with the modem is powered up and connected (Serial
cable from PC port of the Test Jig to your PC’s Communication port)
and the above the communication settings are correct for your set-up.
Modem Info Tree View
ModemInfo uses the MASC API to interface to the Mobitex network.
Modem Info allows the user to view the modem’s current status, to
send and receive messages on the current channel the device is
registered to. The options displayed in the tree include the following:
Settings: Allows the user to select an operational profile (i.e. Channel
list, etc), and the modems power save mode (if required). The user can
also set the notification events, and adjust the channel list.
Versions: Displays the devices ID number, serial number, software
version, modem configuration version and the hardware platform.
Messages: Allows a user to send and receive messages from the
channel the device is currently registered on.
Status: Displays the modem’s current channel (if registered) and its
RSSI level. If the device is not registered, it will be in scan mode,
scanning the channels from the channel list in its current profile.
Modem Info Property View
The property view is dependant on the tree view. The following
property pages are displayed for each tree view.
Settings: The user can select, the network profile, and if required the
modems power save mode.
• Network Profile: The current network profile is displayed. The
user can select a profile via the profile display list when this field is
selected. Note the device must be registered with the appropriate
network provider for the device to log on.
• Power Save: The user can select the devices power save mode as
required. Note in some networks power save mode is not
supported.
Versions: Displays the devices ID number, serial number, hardware
platform and software version.
Messages: Allows a user to send and receive messages from the
channel the device is currently registered on. Type the required
message in the send message window and then click on the <Send>
button. Any received data messages will be displayed in both the
received message window and the Edit View Window. Note your
modem must be registered on a channel.
Status: Displays the modem’s RF-Protocol, channel, RSSI, In Range
Status, Base Station ID the modem is registered on, and the modems
power source level.

Boomer-III User Manual & Integrator’s Guide__________________________ Wavenet Software Development Tools
BM310012WT05 63 Copyright Wavenet Technology © October 2003
TTY Control View
The TTY control View allows the user to perform the following:
• Display detailed commands and responses. The commands to the
modem and the responses from the modem are displayed in Hex
format. A maximum of 200 bytes is displayed per command or
response.
• Allows the user to enable / disable the wc.log file. The log file will
contain the information displayed in the Edit View window for
future reference.
• Allows the user to run standard MASC commands by selection of
the <MASC CMD> button. The user can edit the masc_generic.def
file with an external editor as required.
• Allows the user to run a user defined MASC commands by
selection of the <User CMD> button. The user can modify the
user_defined.def file using an external editor as required. Details
on how to generate a user command are contained in the def file.
• Clear the Edit View screen by selection of the <Clear Screen>
Button.
Edit View
The Edit View displays the commands issued to the modem and the
modems responses. Wavenet Commander will where possible interpret
the modem’s response, and display the response in detail; otherwise the
response will be displayed as hex bytes. From this window the user can
issue some basic commands that include the underscore ‘_’ command
which will get the modems status and the exclamation command “|” for
the modem settings. Pressing ‘?’ will display basic help.
Hot Keys
Wavenet Commander has the following Hot Keys.
• Fx Standard MASC command Selection.
• Fx User MASC Command Selection
• F6 Communication port configuration.

Wavenet Software Development Tools__________________________ Boomer-III User Manual & Integrator’s Guide
Copyright Wavenet Technology © October 2003 64 BM310012WT05
Wavenet Application Loader
The Application Loader software is used to upgrade the resident
software installed on your Wavenet OEM modem. For optimum
performance ensure that you are using the latest application version.
This appendix explains the procedure for updating the Application
Loader software and has a troubleshooting section to assist with any
problems.
Updating Application Loader Software on Your Modem
The Application Loader software may be used for all Wavenet
modems. The procedure is the same for all modems but some of the
screens may differ in appearance.
Follow the procedure below to check the software version currently
loaded on your modem and if necessary, to upload the modem
application.
1. Connect the Boomer-III to the Test Jig as described on page 22.
2. Connect the Data Communications Modem connector to the
Boomer-III Test Jig’s PC connector.
3. Connect the Data Communications PC connector to a COM
(serial) port on your computer. Note that the Data Comms PC
connector is a 9-pin plug. If your computer has a 25-pin serial
port you will need a 9-pin to 25-pin adapter.
4. Switch the modem on.
5. Switch your PC on.
6. From the PC, open the appropriate Application Loader
(Apploader) file for your modem.
The letter(s) preceding the three numerical characters at the end
of the Apploader file name denotes which modem the file is
appropriate for, BM3 for the Boomer-III OEM modem.
The three numerical characters at the end of the file name show
the version number of the application software, i.e.
408 is software version 4.08 and
233 is software version 2.33
If you select the incorrect Apploader file for your modem the
following typical message will be displayed.

Boomer-III User Manual & Integrator’s Guide__________________________ Wavenet Software Development Tools
BM310012WT05 65 Copyright Wavenet Technology © October 2003
Note: The message shown above will appear if you are
attempting to upgrade using ApploaderM408.exe with a BM3
modem.
7. The following screen is typically displayed.
8. Select the appropriate PC communications port to which the
modem is connected.
9. If the program recognises that the version of Application you
are attempting to install is later than the version currently
installed, the Download Application button will become
enabled. A message is displayed in the status bar advising that
the application software versions differ and requesting that you
press the Download Application button to update.
If the program recognises that the version of Application you
are attempting to install is earlier than the version currently
installed, the Download Application button will remain
disabled. A message is displayed in the status bar advising that
the application software version on the modem is up to date and
requesting that you exit the program.
10. Click to update the Application software.
A progress bar is displayed informing you of the progress of the
update, and the modems TX led will flash as the modem is
being loaded.
11. After the application has been updated, the modem is
automatically switched off. A message is displayed prompting
you to switch the modem on again.
12. Click and the download window will read the modems
application version and redisplay it.
Select the
appropriate
com port on
your PC that
the modem
is connected
to.
Click the
Download
Application
button to
download
the latest
version.
Displays the current
version of Application
software on your
modem.
Displays the new
application available.
Status bar.

Wavenet Software Development Tools__________________________ Boomer-III User Manual & Integrator’s Guide
Copyright Wavenet Technology © October 2003 66 BM310012WT05
13. A message is then displayed in the status bar, informing you
that that the application software on the modem is up to date.
14. Click to exit the program. This will automatically reset
the modem.
Troubleshooting
You shouldn’t encounter any problems updating the Application
Loader software, however the following messages may appear.
This message will appear if the modem is disconnected during the
download. Ensure that all the connections between the PC and the
modem are secure, check the battery connections, ensure the modem is
switched on and follow the instructions in the message to try again.
This message will appear if the modem is disconnected whilst running
the Application Loader. Ensure that all the connections between the PC
and the modem are secure, check the battery connections and ensure
the modem is switched on.

Boomer-III User Manual & Integrator’s Guide__________________________ Wavenet Software Development Tools
BM310012WT05 67 Copyright Wavenet Technology © October 2003
This message (or similar) will appear if you have attempted to upgrade
your modem with the incorrect Application Loader file.
The letter preceding the three numerical characters at the end of the
Application loader file name denotes which modem the file is
appropriate for, i.e. BM3 for the Boomer-III OEM modem.

Wavenet Software Development Tools__________________________ Boomer-III User Manual & Integrator’s Guide
Copyright Wavenet Technology © October 2003 68 BM310012WT05

Boomer-III User Manual & Integrator’s Guide___________________________________________________ Testing
BM310012WT05 69 Copyright Wavenet Technology © October 2003
Integration Testing
This section contains a product development checklist of parameters to
check, requirements to meet, and standards of performance to evaluate.
You can use these process checks and functional test procedures to
fully qualify that the Boomer-III OEM Modem has been integrated
properly into the host/terminal.
Proper testing throughout the development and integration cycle
ensures that the final product works in both normal and exceptional
situations. These tests are provided in several stages as follows:
1. Hardware integration
2. Desense and EMI
3. Regulatory compliance
4. Application software
5. Final assembly
6. End user problem resolution
7. OEM service depot repair
Hardware Integration
To ensure that the integration effort is carried out properly, monitor all
relevant engineering standards, requirements, and specifications. In
addition, perform functional tests during product development to
validate that the integrated package performs as designed.
Enabler Functions
To test the interaction between the modem and host/terminal, your
product must be able to perform the following:
Turn the various hardware components on and off. This
capability helps to isolate possible desense and other emissions
problems. (See “Desense and EMI” on page 70.)
Pass data through the host/terminal between the modem and the
test platform. This allows external programming and
configuration software to communicate with the modem while
it is integrated within the host/terminal. For microprocessor-
based products, pass-through mode uses software emulation
involving the host/terminal processor, which passes full-duplex
serial port data to and from the integrated modem. Otherwise,
pass-through mode is implemented in hardware by level
shifting between the 3V logic levels and the 12V RS-232 levels
generally found on PCs.
Specific Tests
In addition to the various tests that exercise your own circuitry, such as
power-on self-test, design tests that ensure proper interaction between

Testing __________________________________________________ Boomer-III User Manual & Integrator’s Guide
Copyright Wavenet Technology © October 2003 70 BM310012WT05
the modem and host/terminal. Ensure that the following hardware
integration issues are evaluated:
RF Immunity
RF transmissions of the modem do not interfere with operation of the
host/terminal.
Electrical Signaling
Power sources and interface are functionally compatible between the
host/terminal and the modem.
Physical Parameters
Physical configuration of the modem inside the host/terminal provides
adequate ventilation, mounting, shielding, and grounding.
Antenna Performance
Integrated antenna system meets the required ERP specifications,
VSWR specifications, antenna propagation patterns and any applicable
network operator requirements.
ESD Requirements
Host/terminal design protects the modem from ESD.
RF Re-radiation
Host/terminal does not allow spurious emissions in excess of 60dBc, as
caused by carrier re-radiation (for 3V/m fields).
Desense and EMI
Any host/terminal in which the modem is integrated generates some
EMI (electromagnetic interference), which tends to desensitise the
modem’s ability to receive at certain frequencies.
Wavenet can provide a facility for testing the amount of desense that
your modem experiences while in a host/terminal. Specifically, modem
receiver sensitivity is recorded while operating with the host/terminal
under test. For this test, you provide an integrated product, including
antenna, power supply and any peripherals. Wavenet Technology then
produces a test graph that reports the amount of desense. All desense
testing is generally performed at Wavenet Technology’s facilities.
To prepare for the desense test, provide Wavenet with hardware to
generate EMI that is representative of the final product, including the
cables, power supplies, and other peripheral devices. The host/terminal
must supply the modem the appropriate power requirements. The
host/terminal hardware must be running its CPU, LEDs, and serial
ports, etc (if so configured).
You must supply either the pass-through mode functionality (“Enabler
Functions” on page 69) or provide physical access the serial port of the

Boomer-III User Manual & Integrator’s Guide___________________________________________________ Testing
BM310012WT05 71 Copyright Wavenet Technology © October 2003
modem . The ability to turn on and off the various circuits in the
host/terminal allows for the identification and analysis of the
host/terminal components that are responsible for desense. This
approach to desense troubleshooting can greatly speed up the OEM
integration effort.
For more detailed information about desense, refer to “Guide to
Desense” on page 75.
Regulatory Compliance
Most countries where the final product will be sold generally require
approval from the local government regulatory body. In the US, the
FCC requires that two individual requirements be met before the final
product can be certified. The first test, the FCC Part 15 qualification,
requires you to prove that the product electronics hardware does not
yield local radiation capable of affecting other equipment, such as TVs,
computer monitors, and so on.
The second test (FCC Part 90) requires you to prove when the modem
transmits, it remains properly in its allocated channel spacing, and does
not produce spikes or splatter in other frequencies. Wavenet undergoes
FCC testing with the modem stand-alone to ensure compatibility with
these requirements. But since the eventual transmit capability of the
modem is highly integrated with the power supply and antenna system
of the host/terminal, the fully integrated product must be submitted for
final regulatory approval.
In addition, regulatory bodies can require the wireless modem to
transmit random data patterns on specific frequencies while
incorporated in the host/terminal. The Boomer-III OEM modem
incorporates special debug modes to allow this kind of testing,
provided the host/terminal application can issue the required
commands to the modem.
The entire regulatory process can take many months to complete and
should start early in the development cycle. The exact regulatory
requirements of each country change from time to time. For efficient
regulatory processing, it is recommend to use the services of
specialized regulatory consultants to determine the specific
requirements at the time of manufacture.
To prepare for regulatory testing, you need to integrate the pass-
through mode into the product design (see “Enabler Functions” on page
69). Wavenet provides the ability to key and dekey the radio at the
required frequencies and modulation levels from an external PC via the
pass-through mode.
For further information about regulatory compliance, refer to
“Regulatory Requirements” on page 19.

Testing __________________________________________________ Boomer-III User Manual & Integrator’s Guide
Copyright Wavenet Technology © October 2003 72 BM310012WT05
Application Software
Tests need to verify the communications links between the
host/terminal and the modem and between the modem and the network,
as follows:
Software Driver Configuration
Ensure that the host/terminal can enable the modem serial port to
permit the host/terminal and modem to communicate. This test verifies
that the driver software functions well and is configured properly.
Network Configuration
Determine if the host/terminal can use the modem to communicate with
the network. This test uses existing network software in an attempt to
communicate with a specific network.
The final application must be able to respond correctly under all
adverse network conditions, not just the ideal case. To achieve this, the
application software has to be systematically tested against all possible
failure and exception conditions. Situations such as low battery, out of
range, host/terminal down, unexpected data, maximum message size,
maximum peak/sustained throughput, and other conditions must not
cause the host/terminal application to fail. Each condition must have a
specific remedial action to alleviate it.
Final Assembly
A final assembly test should be performed before shipment to ensure
all components are working properly and issues such as crimped
antenna cables, lose connections, and improper software load are
resolved. During final assembly, the modem may send and receive a
loopback message of maximum size. The successful return of the sent
message proves the product can transmit and receive correctly.
Testing within areas lacking network coverage or for products shipped
to another country requires a different approach. Wavenet can help you
set up a closed loop final test system, using a base station and PC-based
software to emulate a network.
End User Problem Resolution
When the final product is in the hands of the end user, testing must
quickly isolate the cause of the problem in the field. For example, is the
problem caused by the host/terminal, the modem, the network, the
configuration or a user error? Can the problem be fixed locally or does
the unit need to be returned for service?
It is very time consuming and expensive to send products to service,
especially if the problem is caused by a temporary network or
Enterprise Server Application outage. For this reason, you should
design the application to allow for end-user problem determination.

Boomer-III User Manual & Integrator’s Guide___________________________________________________ Testing
BM310012WT05 73 Copyright Wavenet Technology © October 2003
Effective tests provide a systematic, positive acknowledgment from
each of the network components. For example:
Test 1 Is the OEM module able to pass its own self test?
Test 2 Is the OEM module able to communicate with peripherals?
Test 3 Is the OEM module able to communicate with the integrated
modem?
Test 4 Is the modem able to hear the network?
Test 5 Is the modem registered and allowed to operate on the
network?
Test 6 Is the gateway (if present) up and running?
Test 7 Is the Enterprise Server Application up and running?
OEM Service Depot Repair
When a host/terminal is returned for service, the first requirement is to
determine whether the modem must be sent on to Wavenet for
inspection and/or repair. To set up for this test, you need to have an
evaluation board, a known-good Boomer-III OEM modem (for
comparison), a power supply, Wavenet Commander software and an
end-to-end test setup. The end-to-end test can employ either a live
network or an over-the-air test involving a communications monitor
that can transmit and receive at the appropriate frequencies. The
objective is to test the suspect modem in a known-good environment,
in which all other components are known to be operational.
If the modem has been determined to be faulty it should be returned to
the place of purchase for inspection and repair.

Testing __________________________________________________ Boomer-III User Manual & Integrator’s Guide
Copyright Wavenet Technology © October 2003 74 BM310012WT05

Boomer-III User Manual & Integrator’s Guide______________________________ APPENDIX F – Guide to Desense
BM310012WT05 75 Copyright Wavenet Technology © October 2003
Appendix A – Guide to Desense
When you integrate wireless data radio technology into computing and
telemetry devices, you must consider hardware issues related to RF
emissions. For example, you must address the technical aspects of
enabling a wireless RF device as an integrated peripheral in a
host/terminal, such as RF performance and inter-operability with the
host/terminal.
Specifically, this sections describes the following:
The term “desense”
Preferred test procedures
Acceptable levels of electromagnetic interference (EMI)
Approaches to solving desense problems
Pertinent radio and antenna issues
Note: This section considers, but does not attempt to resolve these
technical issues for a particular platform. That is beyond the scope of
this guide.
Receiver desensitisation occurs when an unwanted signal is present at
the radio receive frequency. The signal is usually the result of harmonic
energy emanating from a high frequency, non-sinusoidal source. This
noise desensitises or lowers the sensitivity threshold of the receiver.
The radio cannot differentiate between wanted and unwanted signals.
In frequency-modulated systems, the radio receiver can capture the
strongest signal present. If wanted and unwanted signals are present,
and there is not a significant difference in level, the unwanted signal
can overtake the receiver, effectively blocking the wanted signal see
the following diagram.
Wanted and Unwanted Signal Levels
Wanted Signal Level
Unwanted Signal Level
Frequency
Fc = Radio Receiver Channel Frequency
Fc
Amplitude

APPENDIX F – Guide to Desense _____________________________ Boomer-III User Manual & Integrator’s Guide
Copyright Wavenet Technology © October 2003 76 BM310012WT05
Consistent and reliable reception occurs when a safety margin dictated
by co-channel rejection is maintained. For example, if the co-channel
rejection is 10dB, all unwanted signals must be 10dB below the
receiver’s sensitivity level. Some modems and networks have different
rejection levels. Use the rejection level appropriate for your modem
(typically –10dB). This means an interference signal that is more than
10dB below the wanted signal has little impact on the data receiver’s
data recovery. Any interfering source above this level creates desense,
reducing the radio’s sensitivity for data reception. For every one dB
above the threshold level, one dB of desense is created.
Noise Sources
CPU clocks, address and data buses, LCD refresh, switching power
supplies, and peripheral drivers are the primary contributors of EMI.
The frequencies of these emissions are often unstable. One reason for
this instability is that high stability clock sources are not a requirement
in host/terminal designs.
The frequency of sources drifts as a function of temperature, time, and
aging. Other sources by nature move within the frequency spectrum as
a function of time. The edges of clock signals create detectable
harmonics well into the 1GHz band. This presents a challenge in
measuring the effects of the emission, as one must first determine
where the emission exists in the frequency spectrum.
Noise from the host/terminal can conduct through the
electrical/mechanical interface or radiate electromagnetic fields that are
received by the modem antenna and impact the modem. The
Boomer-III OEM modem is specifically designed to minimize
conducted noise.
Radiated electromagnetic fields emanating from the internal circuitry
are incident on the modem antenna. These fields then are converted to
noise power by the antenna and are incident on the receiver. The
physical interface signalling connection has less impact on the receiver
performance and can be electrically decoupled using passive
components.
Receiver Susceptibilities
The receiver is susceptible to being desensed within the channel
bandwidth and at intermediate frequencies used for down conversion.
Excessive noise on power supply pins can also create sensitivity
problems.
Measurement Techniques
Desense can be measured in one of the following ways:

Boomer-III User Manual & Integrator’s Guide______________________________ APPENDIX F – Guide to Desense
BM310012WT05 77 Copyright Wavenet Technology © October 2003
Indirectly by recording the emission level from the
host/terminal and then calculating the effect on the modem.
Directly by using packet error rate testing off air.
Testing directly is preferred method because it is more of a system test.
The test must be non-intrusive. Peripheral test cables or apparatus must
not be connected to the unit under test, as they can have a significant
effect on the receiver sensitivity results.
Indirect testing is essentially FCC Part 15 EMI testing that occurs
today. Bear in mind that some assumptions have to be made to
extrapolate the results and convert them to desense figures. Of course,
these assumptions can create some error in the prediction.
Alternate Measurement Method
Wavenet can performed desense testing on an integrated host/terminal
using a special facility. The best alternate methods for determining the
desense is to measure the signal the receiver port sees by using a
spectrum analyser (see below).
Spectrum Analyser Setup
Using a spectrum analyser with an input impedance of 50 W, connect
the antenna of the product under test to the analyser. If an antenna is
currently not developed, use a portable dipole antenna as a
measurement antenna.
The measurement apparatus is capable of measuring signals as low as -
120dBm. A preamplifier is required to allow the spectrum analyser to
achieve these levels. Use the analyser’s smallest possible resolution
bandwidth, typically 1kHz, to improve the dynamic range of the
measurement.
If the input impedance of the analyser is the same as that of the radio
receiver, and the antenna, you can measure the noise to which the
receiver will be subjected. The gain on the LNA will make low-level
noise more visible. Ensure that the spectrum analyser’s input is not
Measurement Antenna
Unit under Test
LNA
(
Minicircuits ZFL-1000GH
)
Coaxial connection to
measurement antenna
Spectrum
Analyser

APPENDIX F – Guide to Desense _____________________________ Boomer-III User Manual & Integrator’s Guide
Copyright Wavenet Technology © October 2003 78 BM310012WT05
over driven by other RF signals, such as FM radio stations. Any spikes
that appear might cause desense problems.
The indirect method cannot account for characteristics of the data
protocol and is less effective. Also, the bandwidth of the noise source is
important. If the source is narrow-band, it has less effect than one
occupying the entire channel bandwidth. The method is not effective in
determining desensitisation at IF frequencies or from less obvious
sources such as mixed products. The method provides information on
how much effort, if any, needs to occur to resolve desense problems.
This method is useful when connection of the wireless card is not yet
facilitated by the platform. This measurement could be performed
without the wireless card present. This method determines the
magnitude of the emissions, without extensive test facility
requirements.
Methods of Controlling Emissions
Preferred methods of controlling emissions observe that the emissions
must be contained to a level 40dB less than the FCC Part 15
requirements. For WAN (Wide Area Network) products, the accepted
method of achieving this is to shield.
Through past experience, it has become evident that standard
techniques used to achieve FCC certification are not enough to satisfy
wireless communications. Engineering teams logically attempt an array
of decoupling, partial shielding, and PCB layout methods, which
produce incremental improvements, but do not achieve the emission
control requirements. Hybrid methods of shielding and source
reduction are often a good approach.
Important: Unless the host/terminal is already close to the goals set
out in this document, source reduction efforts may only drive up the
direct materials cost of the product and not increase return on that
investment.
If a compromise is chosen where the target levels are not the goal,
standard EMI techniques can be of value. For narrowband emissions,
some form of clock frequency “pulling” or control can be
implemented.
Shielding Approach
The mechanical design of the host/terminal must allow the EMC
engineers to create a Faraday Box shield design. This is an electrically
continuous shielded enclosure. If designed properly, such an enclosure
easily attenuates radiated signals from the host/terminal.
The shield approach appears to be a big step at first. The advantage is
that the shield will minimise the possible redesign required of the
host/terminal PCB platform and circuitry.
For a thorough discussion of shielded enclosure design, an excellent
reference is Electromagnetic Compatibility: Principles and

Boomer-III User Manual & Integrator’s Guide______________________________ APPENDIX F – Guide to Desense
BM310012WT05 79 Copyright Wavenet Technology © October 2003
Applications by David A Weston. The publisher is Marcel Dekker, Inc.
270 Madison Avenue, New York, NY 10016. Any well written text on
EMI control should cover the design of shielded enclosures.
Components of the Shield Design
To be effective, the shield design must incorporate:
A highly conductive shielded enclosure that encapsulates all of
the active circuitry. This can be constructed of sheet metal or
plated/sprayed plastic.
Decoupling on all signals exiting the enclosure
Control of aperture sizes in the shield to less than l/10 of the
frequency of interest. This would apply to keyboard and display
apertures in the enclosure. Testing of aperture radiation at the
frequencies of interest may prove larger apertures are
acceptable to the particular scenario.
Benefits of the Shielding Approach
Emissions reduction can be achieved using shielding source reduction
techniques, such as decoupling, or PCB layout and grounding, or a
combination of the two. Once a shield is in place, any revisions to
product circuitry have no effect on emissions levels. If a circuit level
approach is used to control the emissions, a change in circuitry can
bring a new unknown to the emissions performance.
Alternate EMI Reduction Methods
Although shielding is the brute-force method of reducing emission
levels, other methods are available, such as:
PCB layout modification using ground layers adjacent to high
speed layers
Capacitive or filter decoupling
Redistribution of module interconnects
Clock Pulling
Clock Pulling
Clock pulling is effective when the emission sources are narrowband.
To implement clock pulling, a method must be devised for the modem
to tell the host/terminal it is having difficulty receiving. Devising such
a method is admittedly very difficult. The host/terminal provides
“pulling” of its internal emission source, which is identified as a
potential problem.
If this source is the cause of the interference, the pulling or slight shift
of the source frequency moves the harmonic energy out of the receive
channel. This is an inexpensive way of solving the problem, as no
special shielding or decoupling is required.
The limitations of the clock pulling method are:

APPENDIX F – Guide to Desense _____________________________ Boomer-III User Manual & Integrator’s Guide
Copyright Wavenet Technology © October 2003 80 BM310012WT05
Computing devices have many more than one source
Each source must be identified and controlled. This
identification is at times difficult.
The host/terminal and modem must communicate the problem
at hand to attempt to correct it. This capability is not supported
by the Boomer-III OEM modem.
Pulling the Harmonic away from the Channel Frequency
RF Network Issues
Each RF network has its own requirements for the subscriber device.
Most networks implement a coverage equalization scheme. This
consists of configuring the infrastructure sites such that their RF power
output is equal to that of the subscriber device.
Since most portable devices are battery operated, the transmitter power
of the portable units is relatively low. To compensate for this, the base
site transmitter power is decreased to a level equal to that of the
portable. The base site has a much larger and reliable power source,
and is capable of putting out more power. This would help overcome
desense problems that the portable unit incurs. Most network managers
prefer not to increase their site power because of ERP licence
limitations and cell overlap issues.
Network operators must consider ambient noise levels when designing
their coverage plans. Once the wireless modem and host/terminal are
engineered not to “self-desense”, other machines in the user’s
environment can still impact radio performance. These machines are
not usually within close proximity of the wireless modem antenna, and
have less effect. An FCC Class B radiator can impact the wireless
~
Amplitude
Fs Fss Fh
Fc
Fhs Freq.
Fs Interference source fundamental frequency
Fss Shifted source fundamental frequency
Fh Interference source harmonic
Fhs Interference source harmonic shifted
Fc Channel frequency

Boomer-III User Manual & Integrator’s Guide______________________________ APPENDIX F – Guide to Desense
BM310012WT05 81 Copyright Wavenet Technology © October 2003
device if it is within 30 meters of the device, assuming that an emission
exists at the channel frequency of the radio.
Networks can assist in the desense problem by offering more than one
channel frequency at which to operate. If the radio encounters
interference on a channel, it can then roam to another.
WAN protocols include retry mechanisms that resend messages not
acknowledged from the subscriber device. These protocols can correct
problems from intermittent noise sources by retrying during a time slot
that does not coincide with noise source interference.
At a certain point, desensitising a wireless modem receiver creates
unacceptable coverage in the network. This usually is in the 10dB
range, though it can vary with networks.
The integrator should consult the technical staff at their target network
for any minimum RF desense performance levels and related
measurement methods that may be required for the device to be
accepted for customer use on that network.
Antenna
The Boomer-III OEM modem is not equipped with an on-board
antenna and one must be provided externally in the host/terminal.
Field Strengths from the Antenna
Field strengths from the wireless modem transmitter can reach as high
as 100 V/M for WAN products. Harden the host/terminal to withstand
these levels. LCD displays and switching power supplies are
particularly susceptible to RF. Capacitive decoupling of sensitive areas
is required. Decouple the reference voltage points on power supplies,
reset lines on processors, and keyboard scanning circuitry.
Antenna Interactions
There are two interactions that can impact the performance of the
antenna. The user, by placing a hand near the antenna can detune the
antenna and absorb energy. Accordingly, the antenna must be
positioned such that interaction between the user and the card is
minimized.
The host/terminal might also interact with the antenna. This is
particularly true for WAN modems, which have higher output power.
An imaginary sphere of real estate should be provided for the antenna
to function. Cabling for other peripherals must not interfere with this
region.
Desense Summary
Desense considerations fall into two categories when using a wireless
device and computer as a system:
The impact of the host/terminal EMI on system performance

APPENDIX F – Guide to Desense _____________________________ Boomer-III User Manual & Integrator’s Guide
Copyright Wavenet Technology © October 2003 82 BM310012WT05
The impact of the RF fields from the wireless device transmitter
on host/terminal operation
The latter consideration is not a significant problem. If RFI is assessed
properly, it is usually corrected with little effort and cost.
Because of the need for system coverage, the host/terminal EMI
interaction with the radio receiver can be a significant and often elusive
problem to characterize and correct. Most host/terminal devices are
very fast and include numerous high frequency radiators. These can
interfere with the radio reception of the wireless modem.
The theoretical levels at which the receiver might be impacted are
derived from system coverage requirements and the sensitivity of the
radio. These goals are not set arbitrarily to improve product
performance, but to maintain the RF performance the networks demand
and the radios are designed to deliver.
Since each product is unique. The level of noise is very difficult to
predict, as is the amount of effort needed to control it. Measuring the
product in an early engineering phase is key to managing the situation.

Boomer-III User Manual & Integrator’s Guide_______________________ APPENDIX G - Numeric Conversion Chart
BM310012WT05 83 Copyright Wavenet Technology © October 2003
Appendix B - Numeric Conversion Chart
Binary/Octal/Decimal/Hex/C/ASCII Conversion Table
Binary Oct Dec Hex C ASCII Definition Binary Oct Dec Hex C ASCII
00000000 000 0 00 C NUL Null, or all zeros 01000000 100 64 40 P @
00000001 001 1 01 C SOH Start of Heading 01000001 101 65 41 UX A
00000010 002 2 02 C STX Start of Text 01000010 102 66 42 UX B
00000011 003 3 03 C ETX End of Text 01000011 103 67 43 UX C
00000100 004 4 04 C EOT End of Transmission 01000100 104 68 44 UX D
00000101 005 5 05 C ENQ Enquiry 01000101 105 69 45 UX E
00000110 006 6 06 C ACK Acknowledge 01000110 106 70 46 UX F
00000111 007 7 07 C BEL Bell 01000111 107 71 47 U G
00001000 010 8 08 C BS Backspace 01001000 110 72 48 U H
00001001 011 9 09 CS HT Horizontal Tab 01001001 111 73 49 U I
00001010 012 10 0A CS LF Line Feed 01001010 112 74 4A U J
00001011 013 11 0B CS VT Vertical Tab 01001011 113 75 4B U K
00001100 014 12 0C CS FF Form Feed 01001100 114 76 4C U L
00001101 015 13 0D CS CR Carriage Return 01001101 115 77 4D U M
00001110 016 14 0E C SO Shift Out 01001110 116 78 4E U N
00001111 017 15 0F C SI Shift In 01001111 117 79 4F U O
00010000 020 16 10 C DLE Data Link Escape 01010000 120 80 50 U P
00010001 021 17 11 C DC1 Device Control 1 (XON) 01010001 121 81 51 U Q
00010010 022 18 12 C DC2 Device Control 2 01010010 122 82 52 U R
00010011 023 19 13 C DC3 Device Control 3 (XOFF) 01010011 123 83 53 U S
00010100 024 20 14 C DC4 Device Control 4 01010100 124 84 54 U T
00010101 025 21 15 C NAK Negative Acknowledge 01010101 125 85 55 U U
00010110 026 22 16 C SYN Synchronous Idle 01010110 126 86 56 U V
00010111 027 23 17 C ETB End Transmission Block 01010111 127 87 57 U W
00011000 030 24 18 C CAN Cancel 01011000 130 88 58 U X
00011001 031 25 19 C EM End of Medium 01011001 131 89 59 U Y
00011010 032 26 1A C SUB Substitute 01011010 132 90 5A U Z
00011011 033 27 1B C ESC Escape 01011011 133 91 5B P [
00011100 034 28 1C C FS File Separator 01011100 134 92 5C P \
00011101 035 29 1D C GS Group Separator 01011101 135 93 5D P ]
00011110 036 30 1E C RS Record Separator 01011110 136 94 5E P ^
00011111 037 31 1F C US Unit Separator 01011111 137 95 5F P _
00100000 040 32 20 S SP Space 01100000 140 96 60 P `
00100001 041 33 21 P ! 01100001 141 97 61 LX a
00100010 042 34 22 P " 01100010 142 98 62 LX b
00100011 043 35 23 P # 01100011 143 99 63 LX c
00100100 044 36 24 P $ 01100100 144 100 64 LX d
00100101 045 37 25 P % 01100101 145 101 65 LX e
00100110 046 38 26 P & 01100110 146 102 66 LX f
00100111 047 39 27 P ' 01100111 147 103 67 L g
00101000 050 40 28 P ( 01101000 150 104 68 L h
00101001 051 41 29 P ) 01101001 151 105 69 L i
00101010 052 42 2A P * 01101010 152 106 6A L j
00101011 053 43 2B P + 01101011 153 107 6B L k
00101100 054 44 2C P , 01101100 154 108 6C L l
00101101 055 45 2D P - 01101101 155 109 6D L m
00101110 056 46 2E P . 01101110 156 110 6E L n
00101111 057 47 2F P / 01101111 157 111 6F L o
00110000 060 48 30 NX 0 01110000 160 112 70 L p
00110001 061 49 31 NX 1 01110001 161 113 71 L q
00110010 062 50 32 NX 2 01110010 162 114 72 L r
00110011 063 51 33 NX 3 01110011 163 115 73 L s
00110100 064 52 34 NX 4 01110100 164 116 74 L t
00110101 065 53 35 NX 5 01110101 165 117 75 L u
00110110 066 54 36 NX 6 01110110 166 118 76 L v
00110111 067 55 37 NX 7 01110111 167 119 77 L w
00111000 070 56 38 NX 8 01111000 170 120 78 L x
00111001 071 57 39 NX 9 01111001 171 121 79 L y
00111010 072 58 3A P : 01111010 172 122 7A L z
00111011 073 59 3B P ; 01111011 173 123 7B P {
00111100 074 60 3C P < 01111100 174 124 7C P |
00111101 075 61 3D P = 01111101 175 125 7D P }
00111110 076 62 3E P > 01111110 176 126 7E P ~
00111111 077 63 3F P ? 01111111 177 127 7F C DEL

APPENDIX G - Numeric Conversion Chart ______________________ Boomer-III User Manual & Integrator’s Guide
Copyright Wavenet Technology © October 2003 84 BM310012WT05

Boomer-III User Manual & Integrator’s Guide__________________________________APPENDIX H - Specifications
BM310012WT05 85 Copyright Wavenet Technology © October 2003
Appendix C – Boomer-III Specifications
Physical Properties
Weight < 75g
Size (L x W x H) 68mm x 42mm x 8mm
Communication Protocols
Modem to radio network protocol Mobitex
Modem to host protocol MASC
9600 bps
7 data bits, even parity, 1 stop bit
Environmental Conditions
Operating temperature -30°C to +60°C
Storage temperature -40°C to 70°C
Relative Humidity 0 to 95%
Ports
Data Interface Port 3V logic level serial port,
9600 baud
RF Connector MMCX female socket, 50Ω.
Straight connection or right angle mating
connector may be fitted
LED Indicators
Power Green flashes when scanning
On, when locked
Off, when the Boomer-III is off
Transmit Red flashes when transmitting
Receive Green flashes when receiving
Power
Voltage 3.8V nominal
(3.4 to 4.8V range)
Transmit < 1.6 A (2.2 A if mismatched antenna)
Receive < 80 mA
Standby < TBD mA
(Add ~1.2 mA if LED’s enabled)
Off current consumption <20 µA
Power Supply Ripple < 15 mV peak to peak

APPENDIX H - Specifications_________________________________ Boomer-III User Manual & Integrator’s Guide
Copyright Wavenet Technology © October 2003 86 BM310012WT05
Synthesiser
Frequency range 890 – 902MHz
Channel spacing 12.5kHz
Frequency Error ±0.8ppm (750Hz)
Transmitter
Frequency range 896 – 902MHz
Channel spacing 12.5kHz
Data rate 8 kbps
Deviation 2kHz
Modulation GMSK
RF output power (at 50Ω antenna port) 2.0 W nominal
Transmit Duty Cycle (over 5 min) 10% default
30% (maximum)
Turn around time RX - TX < 20ms
Spurious emission < -20 dBm
Adjacent channel power < -45 dBc at 12.5kHz channels
Receiver
Frequency range 935 – 941MHz
Channel spacing 12.5kHz
Sensitivity < -115dBm at 10% BLER
Spurious emission (receive mode) < -57 dBm
Channel selectivity > 47 dB (1.5kHz dev 1kHz tone)
Spurious rejection > 55 dB
90MHz Image rejection > 45 dB
Blocking > 84 dB (>±1MHz)
RSSI Reading -120dBm ~ -45dBm

Boomer-III User Manual & Integrator’s Guide______________________________________ APPENDIX I - Glossary
BM310012WT05 87 Copyright Wavenet Technology © October 2003
Appendix I - Glossary
ACK Acknowledgment
ADC Analog-to-digital converter
ALC Automatic level control
ANSI American National Standards Institute
AOC Automatic output control
ASIC Application-specific integrated circuit
ATE Automatic test equipment
BGA Ball grid array
BER Bit error rate
BNC A type of connector used with coaxial cable
Bps Bits per second
BSC Base station controller (for a network)
CCR Type of miniature RF connector
CHRONOS Enhanced pendulum IC
CLK Clock
CMOS Complementary metal oxide silicon
CNTL Control
COM Communications (port)
CPU Central processing unit
CQA Customer quality assurance
CNTL Control (key)
CSA California Safety Authority
DAC Digital-to-analog converter
DB Decibel
DBc Decibels relative to carrier
DBm Decibels mean; levels relative to 1 mW
DCD Detailed circuit description
Debounce Protection against feedback voltage
Desense Loss of sensitivity from high ambient noise
DISC Discriminator
DOS Disc operating system
DTE Data terminal equipment, the user device
DTR Data terminal ready
DTU Device under test
DVM Digital volt meter
EEPROM Electrically erasable, programmable read-only memory
EIA Electronic Industries Association (U.S.)
EMA Embedded memory access (mode)
EMI Electromagnetic interference
EPC File name suffix for modem configuration files
EPROM Erasable, programmable, read-only memory
ERP Effective radiated power
ESD Electrostatic discharge
ESN Electronic serial number
FCC Federal Communications Commission (U.S.)
FET Field effect transistor
FIFO First in, first out
FNE Fixed network equipment
FPC Flexible printed circuit

APPENDIX I - Glossary _____________________________________ Boomer-III User Manual & Integrator’s Guide
Copyright Wavenet Technology © October 2003 88 BM310012WT05
FracN Fractional division synthesizer IC
FRU Field-replaceable unit
FSK Frequency shift keying
GaAs Gallium arsenide, a semi-conducting material
GND Ground
GPIB A type of ATE interface
GTEM Gigahertz transverse electromagnetic
HCT High-speed CMOS technology
Host The computer platform, or DTE directly connected to the modem
HP Hewlett Packard
I/O Input/Output
IB Inbound
IC Integrated circuit or Industry Canada
Inbound Direction of wireless data originating from the host and/or modem
to the fixed network equipment
IP Internet protocol
IR Infrared
LC Inductor-capacitor
LED Light-emitting diode
Li-ion Lithium ion (battery technology)
LNA Low noise amplifier
MAN Mobitex Access Number
MASC Mobitex Asynchronous Serial Communications
MFR Multiple-frequency reuse
MPS Maintenance Programming Software
NAK Negative acknowledgment
NatSim Native Mode Simulation (software utility)
NiCad / NiCd Nickel-cadmium (battery technology)
NiMH Nickel-Metal-Hydride (battery technology)
NPN Type of bipolar transistor
NSI Network systems integration
OB Outbound
OEM Original Equipment Manufacturer
op-amp Operational amplifier
OSMT Type of miniature RF connector
Outbound Direction of wireless data originating from the fixed network
destined for either the host application(s) or the modem itself
PCA Printed circuit assembly (populated board)
PCB Printed circuit board (bare board)
PC Card A PCMCIA product
PCMCIA Personal Computer Memory Card International Association
PDA Personal data assistant
PIC Personal information communicator
PLL Phase-locked loop
p/n Part number
PMIT Packet modem integration test
POST Power-on self test
Ppm Parts per million
QFP Quad flat pack
R&D Research and development
RAM Random-access memory

Boomer-III User Manual & Integrator’s Guide______________________________________ APPENDIX I - Glossary
BM310012WT05 89 Copyright Wavenet Technology © October 2003
Rayleigh A measure of multi-path fading depth of a signal
RC Resistor-capacitor
RD-LAP Radio Data-Link Access Procedure
RF Radio frequency
RFI Radio-frequency interference
RGxxx Cabling designation number
RMA Return material authorization
RNC Radio network controller
RPM Radio packet modem
RS-232 The EIA standard for a serial data interface
RSSI Received signal strength indicator
RTU Radio Training Utility
Rx Receive or reception
SAR Specific Absorption Rate
Schottky diode A diode with low forward voltage drop and fast switching
SDK Software developer’s kit
SINAD Ratio (measured in dB) of signal to noise-plus-distortion
SMA Sub-miniature connector
SMB Sub-miniature connector
SNR Signal-to-noise ratio
SPDT Single pole, double throw (switch)
SPI Serial peripheral interface
SRAM Static random-access memory (static RAM)
TBD To be determined
TNC Industry standard connector type
Transorb Transient absorber
TTO Transmitter turn-on time
Tx Transmit or transmission
UART Universal asynchronous receiver / transmitter
UL Underwriters Laboratories
VCC Voltage common collector
VCO Voltage controlled oscillator
VDD Voltage direct drain
Vpp Voltage peak to peak
VSWR Voltage standing-wave ratio
Wireline Communications over a direct, physical link
XIP Execute in place
ZIF Zero insertion force

APPENDIX I - Glossary _____________________________________ Boomer-III User Manual & Integrator’s Guide
Copyright Wavenet Technology © October 2003 90 BM310012WT05