Wavion WBS2400-2 WBS-2400/5800 Outdoor Wi-Fi Base Station User Manual WBS2400 5800 IG AF Rev 4
Wavion Ltd. WBS-2400/5800 Outdoor Wi-Fi Base Station WBS2400 5800 IG AF Rev 4
Wavion >
Users Manual

WBS-2400/5800
Outdoor Wi-Fi Base Station
Installation Guide
Rev. 9
November 2008
Note: To better reflect the value of Wavion products we are changing the name of our
product family from Access Points (AP) to Wireless Base Stations (WBS), consequently
the existing WS-410 product name will be changed to Wavion WBS-2400.
The new product name emphasizes the difference in architecture (Multiple Radio system)
and the value to customer, superiority in performance (coverage, capacity, indoor
penetration and immunity to interference) of Wavion WiFi base station over any other
standard outdoor WiFi access point products available in the market.
All references in Wavion's documentation to WS-410 refer also to the WBS-2400, and
vice versa. Both products are exactly the same except for the name change.
Copyright Notice
©2006, 2007, 2008 Wavion, Inc. All rights reserved. Wavion is a registered trademark of
Wavion in the United States and certain other jurisdictions. Specifications are subject to
change without notice.
FCC Notice to Users and Operators
This equipment has been tested and found to comply with the limits for a Class B digital
device, pursuant to Part 15 of the FCC Rules. These limits are designed to provide
reasonable protection against harmful interference when the equipment is operated in a
commercial environment. This equipment generates, uses, and can radiate radio
frequency energy and, if not installed and used in accordance with the instruction
manual, may cause harmful interference to radio communications. Operation of this
equipment in a residential area is likely to cause harmful interference, in which case the
user will be required to correct the interference at his own expense. If this equipment
does cause interference to radio or television reception, which can be determined by
turning the equipment off and on, the user is encouraged to correct the interference by
using one of the following measures:
• Reorient or relocate the receiving antenna.
• Increase separation between the equipment and receiver.
• Connect the equipment to an outlet on a circuit different from that to which the
receiver is connected.
• Consult the dealer or an experienced radio/TV technician.

Installation Guide 3
R&TTE Compliance Statement
This equipment (ETSI-models only) complies with all the requirements of DIRECTIVE
1999/5/CE OF THE EUROPEAN PARLIAMENT AND THE COUNCIL of March 9, 1999 on
radio equipment and telecommunication terminal Equipment and the mutual recognition
of their conformity (R&TTE)

4 Wavion Networks
Contents
Cha p t e r 1
About This Guide ........................................................................ 5
Preface ............................................................................................................ 5
Conventions ..................................................................................................... 5
Contacting Technical Support ............................................................................ 6
Cha p t e r 2
Introduction ............................................................................... 7
Cha p t e r 3
Package Content ........................................................................ 8
Cha p t e r 4
Installing the Wavion WBS-2400/5800 Metro Base Station..... 9
Important Safety Instructions.......................................................................... 10
Preparing for Installation................................................................................. 11
Choosing a Location................................................................................ 12
Preparing the Site ................................................................................... 12
Sun Shield .............................................................................................. 13
Power Source Options ............................................................................. 13
Safety Precautions .................................................................................. 13
Mounting Strategies ........................................................................................ 14
Using Hose Clamps ......................................................................................... 15
Mounting on a Pole/Streetlight ........................................................................ 16
Metal/Wood/Streetlight Pole Mounting ..................................................... 16
Grounding WBS-2400/5800 ............................................................................. 18
Grounding the Data Protection Device...................................................... 19
Connecting Antennas ...................................................................................... 21
Connecting Power and DATA ........................................................................... 22
Safety Information for the Wavion WBS-2400/5800 .......................................... 26
Service Instructions ........................................................................................ 27
Cha p t e r 5
Product Specification ............................................................... 28
Cha p t e r 6
Installation Accessories ........................................................... 32
Ethernet Cables ...................................................................................... 33
Sun Protection ........................................................................................ 33
Lightning Protection ................................................................................ 33
Power Over Ethernet............................................................................... 34
Cha p t e r 7
Wind Loading Considerations .................................................. 35
Cha p t e r 8
Acronyms.................................................................................. 36
Cha p t e r 9
Appendix A: WBS-2400/5800Product list ............................... 38

5 Wavion Networks
Chapter 1
About This Guide
Preface
This guide details the Wavion WBS-2400/5800 installation procedures. The intended
audience of this document is trained technical professionals.
Conventions
The exclamation point within a triangle is intended to alert the user to the
presence of important operating and maintenance (servicing) instructions in
the literature accompanying the product.
The lightning flash with an arrowhead symbol within a triangle is intended to
alert the user to the presence of uninsulated dangerous voltage within the
product’s enclosure that may be of sufficient magnitude to constitute a risk of
electric shock to persons.
The notebook is intended to alert the user of a note containing further
information.

About This Guide
6 Wavion Networks
Contacting Technical Support
For technical support, contact Wavion using these methods:
Address:
Wavion Technical Support
Wavion
6 Hayetzira Street,
PO BOX 580
Yoqneam Illit, 20692
Israel
Telephone: +972-52-6097343
Fax: +972-4-9097322
Email:
support@wavionnetworks.com
Web:
www.wavionnetworks.com

Introduction
Installation Guide 7
Chapter 2
Introduction
WBS-2400/5800 a high capacity, IP services oriented Broadband Wireless access system.
WBS-2400/5800 is a new category of Broadband Wireless Base Station designed from the
ground up for metro-Wi-Fi deployments. The system employs wireless packet switched data
technology to support high-speed IP services including fast Internet and Virtual Private
Networks. WBS-2400/5800 users are provided with a network connection that is always on,
supporting immediate access to the Internet and other IP services at high data rates. The
system is designed for cellular-like deployment, enabling the system architecture to vary in size
and structure. A system can include any number of cells, each containing several base station
access units for better coverage of densely populated areas.
It is based on six antennas and radios and custom-built ASICs, utilizes Wavion's powerful multi-
antenna signal processing technologies, and provides significant performance gains to off-the-
shelf 802.11 standards-based
The WBS-2400/5800 may be mounted on streetlights or rooftops and may be easily
interfaced with wired internet connections, wireless mesh or backhaul equipment.
Complete management of the WBS-2400/5800 is provided through SNMP, a graphical
user interface, and SYSLOG services.

8 Wavion Networks
Chapter 3
Package Content
Check that the package contains:
• Injector Unit with a wall mounting kit
• Outdoor Unit with a connection to an external antennas
• 6 antennas
• Pole mounting kit for the Outdoor Unit
• This Quick Installation Guide
Additional Equipment and Tools required for Installation
• Ethernet cable (straight for connecting to a hub/switch)
• Crimping tool for RJ-45 connectors.
• Ground cable with an appropriate termination.
• Mains plug adapter or termination plug (if the power plug on the supplied AC
power cord does not fit local power outlets).
• Portable PC with Ethernet card and Telnet software and a straight Ethernet
cable.
• I
n
s
t
a
l
l
ation tools and materials, including appropriate means (e.g. a pole) for installing
the outdoor equipment.
• 1/4-inch flat blade screwdriver
WARNING: Use straight Ethernet (POE) cable
connecting the injector to AF unit in order to have
all the features work properly (reset button and
Link LED). Using cross cable might cause turn
Link led to “ON” permanently and also may be the
cause software reset.
DATA cable connecting the injector to the network
can be cross cable as well.
WARNING:
ONLY experienced installation
professionals who are familiar with local building
and safety codes and, wherever applicable, are
licensed by the appropriate government
regulatory authorities should install outdoor units
and antennas. Failure to do so may void the
WBS-2400/5800 product warranty and may
expose the end user or Service Provider to legal
and financial liabilities. Wavion and its resellers
or distributors are not liable for injury, damage
or regulation violations associated with the
installation of Outdoor Units or antennas.

Installation Guide 9
Chapter 4
Installing the Wavion WBS-2400/5800 Metro
Base Station
This guide explains how to safely install the Wavion WBS-2400/5800 Metro Base Station.
The following topics are covered in this chapter:
• Important Safety Instructions on page 10
• Preparing for Installation on page 11
• Mounting Strategies on page 14
• Using Hose Clamps on page 15
• Mounting on a Pole, or Streetlight on page 16
• Grounding the Wavion WBS-2400/5800 on page 18
• Connecting Antennas on page 21
• Connecting Power and Data on page
23
• Safety Information for the Wavion WBS-2400/5800 on page 26
• Service Instructions on page 27

10 Wavion Networks
Important Safety Instructions
W
ARNING
:
It is illegal to modify the construction of this product. Modifying
the operating frequency or enhancing the transmit output power through the
use of external amplifiers or other equipment is specifically disallowed by the
"Telecommunications Act."
W
ARNING
:
This device is for outdoor or indoor use with conditions that no
harmful interference to authorized radio stations results from the operation
of this device. This device shall not influence aircraft security and/or
interfere with legal communications as defined in the "Telecommunications
Act." If this device is found to cause interference, the operator of this
equipment shall cease operating this device immediately until no
interference is achieved.
Note
: This device must be installed by a trained professional, value added
reseller or systems integrator who is familiar with RF planning issues and the
regulatory limits in the United States of America.
Caution
: Read and save these instructions. Heed all warnings. Follow all instructions.
Do not defeat the safety purpose of the grounding.
Caution
: Only use attachments/accessories specified by the manufacturer.
Caution
: Refer all servicing to qualified service personnel. Servicing is
required when the apparatus has been damaged in any way. For example, if
the power-supply cord or plug is damaged, liquid has been spilled on the
apparatus, objects have fallen into the apparatus, the apparatus has been
exposed to rain or moisture, it does not operate normally, or has been
dropped.
Warning:
Risk of personal injury or death when installing this device! There
is a risk of personal injury or death if the WBS-2400/5800antennas come
near electric power lines. Carefully read and follow all instructions in this
manual. By nature of the installation, you may be exposed to hazardous
environments and high voltage. Use caution when installing the outdoor
system.
Warning:
This apparatus must be connected to earth ground
Warning:
Do not open the unit. There is a risk of electric shock inside.
Caution
:
You are cautioned that any change or modification not expressly
approved
in this manual could void your authority to operate this equipment.

Installation Guide 11
Caution
: There are no user-serviceable parts inside. All service must be
performed by qualified personnel.
Caution
Only UL listed parts and components will be used for installation. Use UL listed
devices having an environmental rating equal to or better than the enclosure rating to
close all unfilled openings.
Caution
To maintain Overvoltage (Installation) Category II, install a suitable surge
suppressor device in the branch circuit to limit expected transients to Overvoltage
Category II values. The limits are based on IEC60664 and are also located in Table 2H
of UL60950 (for mains 110V, the transient rating is 1500V).
Caution
The WBS-2400/5800must be installed only with the equipped
antennas.
Caution
A minimum distance of 40cm from the WBS-2400/5800X's antenna should be
kept when the system is operated.
Caution
Read and save these instructions. Heed all warnings. Follow all
instructions
Preparing for Installation
ONLY experienced installation professionals who are familiar with local building and
safety codes and, wherever applicable, are licensed by the appropriate government
regulatory authorities should install outdoor units and antennas.
The following lists the equipment required for installation and explains how to prepare
the installation site.
WARNING
: Do not modify the construction of this product. Modifying the
operating frequency or enhancing the transmit output power through the use
of external amplifiers or other equipment is illegal.
WARNING
This device is for use outdoors or indoors on the condition that
operation of this device causes no harmful interference to authorized radio
stations. This device shall not influence aircraft security and/or interfere with
legal communications. If this device is found to cause interference, the
operator of this equipment shall cease operating this device immediately.

12 Wavion Networks
Choosing a Location
To ensure the optimal performance select the locations for the equipment using the
following guidelines:
The antenna (not-integrated on the front panel of the outdoor unit)
should provide a direct, or near line of sight, with the sector location
that need to be covered.
The antenna should be aligned to face the CPEs that aim to be
in service, higher the placement of the antenna, the better the
achievable link quality (but not in all cases).
Average rooftop (depend on the topology of the location) should be
The location of the outdoor unit should enable easy access to the
unit for installation and testing
Avoid
installations in locations that devices operating in the
same frequency range.
The outdoor unit should be installed at the highest point of a
metal pole that there will be no interference caused by RF
reflections. If this is not possible, it should be installed at least
3 meters from the metal pole.
It is recommended to use maximum distance possible from an
RF radiating source.
Preparing the Site
1. Follow the appropriate electrical and building codes to ensure safe and
durable wiring.
2. Follow the National Electrical Code (NEC) requirements, unless local codes in
your area take precedence over the NEC code
3. The length of the indoor-to-outdoor Ethernet cable should not exceed 90
meters. The length of the Ethernet cable connecting the indoor unit to the
user's equipment, together with the length of the Indoor-to-Outdoor cable,
should not exceed 100 meters.
4. An appropriate ground cable should be available. Connect a grounding cable
between the Ground terminal of the outdoor unit and a good ground
connection.
Please refer to standards for building entrance protection.

Installation Guide 13
Sun Shield
To extend the Wavion WBS-2400/5800 operating temperature range a sun shield plate might
be used. The sun shield is available as an additional accessory from Wavion Networks.
See
Installation Accessories on page 32 for details.
The sun shield plate is installed with 6 screws (supplied with the sun shield) attaching it
from the top at the special threaded screw holes.
Power Source Options
The WBS-2400/5800 is powered by a Wavion POE Injector connected ETH port of the unit. See
Installation Accessories on page 32 for details.
Warning
: Use only a rated power source to connect outdoor system. Do not
connect to a power source of different voltage.
Caution:
You must always install an external grounding wire. You must also
ground the outdoor data protection device to a bonded pipe or ground rod.
Perform a simple continuity check between the WBS-2400/5800 and the
ground termination point to confirm. Make sure that grounding is complete
before you connect power to the Wavion WBS-2400/5800.
Safety Precautions
Take precautions to avoid the following:
• Exposure to high voltage lines
• Contact with AC wiring
• Injuries from dropped tools and equipment
• Falls when working at heights or with ladders

14 Wavion Networks
Mounting Strategies
Consider the available mounting structures and antenna clearance when choosing a
mounting location. Wavion outdoor unit WBS-2400/5800 should always be mounted with
the top of the unit parallel to the ground, and with the antennas pointing upward and
clear of obstruction.
It is recommended to attach ground and data cables to the WBS-2400/5800 prior to
mounting. Before mounting the WBS-2400/5800, read the wiring instructions in
Grounding the Wavion WBS-2400/5800
on page 18 and Connecting Power and Data
on page 22.
Note
: The WBS-2400/5800 should be mounted with at least 4 ft/3 Meter of
clearance around the antennas to eliminate potential interference from the
mounting structure.
Figure 4.1 Pole mounting kit for the Outdoor Unit & Sealing kit
Figure 4.2 demonstrate acceptable options for mounting on a streetlight. In both cases
the WBS-2400/5800 is mounted to ensure clearance for the antennas above the height of
the streetlight.

Installation Guide 15
Figure 4.2 Example Mounting Locations on a Streetlight
Using Hose Clamps
Special hose clamps that include threaded holes are used by the mounting assembly to
secure the WBS-2400/5800 to the mounting structure.
Figure 4.3 demonstrate how to
correctly use the hose clamps. The bands must be threaded through holes in the pole
bracket, and then attached to either a vertical or a horizontal pole and tightened.
There are two pairs of threaded holes on the back of the unit, enabling to use the special
clamps for mounting the unit on diverse pole diameters.

16 Wavion Networks
Figure 4.3 Using Special Hose Clamps & Screwing the Clamps
Mounting on a Pole/Streetlight
WBS-2400/5800 can be mounted on a pole, tower, or streetlight. It is recommended
to mount the WBS-2400/5800 on aluminum or galvanized steel structures.
Note
The Wavion WBS-2400/5800 must be mounted with the top of the
unit parallel with the ground and with the antennas pointing upward.
Note
Before mounting the WBS-2400/5800, read the wiring instructions in
Grounding the Wavion WBS-2400/5800 on page 18 and Connecting a Data Port on
page 24
Metal/Wood/Streetlight Pole Mounting
Figure 4.4 illustrate how to mount an outdoor unit on a pole, using the clamp on an outdoor metal
pole.

Installation Guide 17
Figure 4.4 Mounting on a Metal Pole
Warning
: Metal pole installation requires that the antennas are higher than
the top of the pole.
Note
Be sure to mount the unit with the bottom panel, which includes the
LED indicators, facing downward
Note
Antennas must be higher than the top of the metal pole and clear of
any obstructions
Note
Mounting to wood, concrete, or painted poles requires primary
grounding for the unit. Check the national electrical codes in your area for
specific rules.
To mount the Wavion WBS-2400/5800 on a metal/wood/streetlight pole:
1. Choose a mounting location. You can attach the WBS-2400/5800 outdoor unit to any
pole or pipe with diameter of 3-10 inches. Wooden poles of larger diameter require
different types of clamps (any streetlight arm with diameter of 3 to 10 inches will fit
for this installation).
2. Slip the bands of the hose clamps through the slots of the pole bracket
3. Use the hose clamps to fasten the pole bracket to the pole.
4. Insert the WBS-2400/5800 onto the pole bracket, obtain the correct position and
tighten 4 bolts using 4mm Allen wrench.

18 Wavion Networks
Figure 4.5 Attaching the WBS-2400/5800 to the pole bracket
Note
: The WBS-2400/5800 unit must be parallel to the ground. The unit
can be rotated to obtain the correct position.
Note
Installations on large wooden poles require band clamps such as
those supplied by Panduit, www.panduit.com. Such a product is listed as
"Metal, Locking Tie Extra Heavy Duty 304 Stainless Steel". The tie and
the installation tool are shown below
To continue installing the WBS-2400/5800, see
Grounding the Wavion WBS-2400/5800 on
page 18
Grounding WBS-2400/5800Error! Reference source not found.
Grounding WBS-2400/5800 is shown in the figure below.
Figure 4.6 Grounding Method
Caution
: You must always install an external grounding wire. You must
also ground the outdoor data protection device to a ground rod or a
bonded pipe. Make sure you have completed grounding before you
connect power to the WBS-2400/5800.

Installation Guide 19
Warning
: Transient or electrostatic discharges that may occur at the WBS-
2400/5800, for example a lightning strike, may damage your network
equipment connected to the WBS-2400/5800 and cause personnel injury
or death of persons touching the exposed metal connectors of the
equipment. You must install a properly grounded lightning surge
protector. Carefully follow the installation instructions provided by the
manufacturer of the protection device. See
To ground the Wavion WBS-2400/5800:
The Grounding screw is located on the side panel of the outdoor unit.
To connect the grounding cable:
1. Connect one end of a grounding cable to the grounding terminal and tighten the
grounding screw firmly.
Do the following steps:
a. Remove the nut and star washers from the grounding screw.
b. Attach one star washer to the grounding screw.
c. Attach #10 AWG bare copper wires with an M6 terminal ring to the
grounding screw.
d. Attach the second star washer and tighten the nut.
2. Connect the other end of the grounding cable to a good ground (earth)
connection. (For example, a grounding rod).
Figure 4.7 Grounding
Grounding the Data Protection Device
The grounding method for an indoor data protection device is shown in
Figure 4.8
.
To ground an indoor data protection device:

20 Wavion Networks
1. Position the protection device as close to the building entrance as possible.
2. Attach a length of #10 AWG bare copper wires to the ground post on the data
protection device.
3. Attach the other end of the grounding wire to the ground connection of an
electrical outlet or a grounded water pipe.
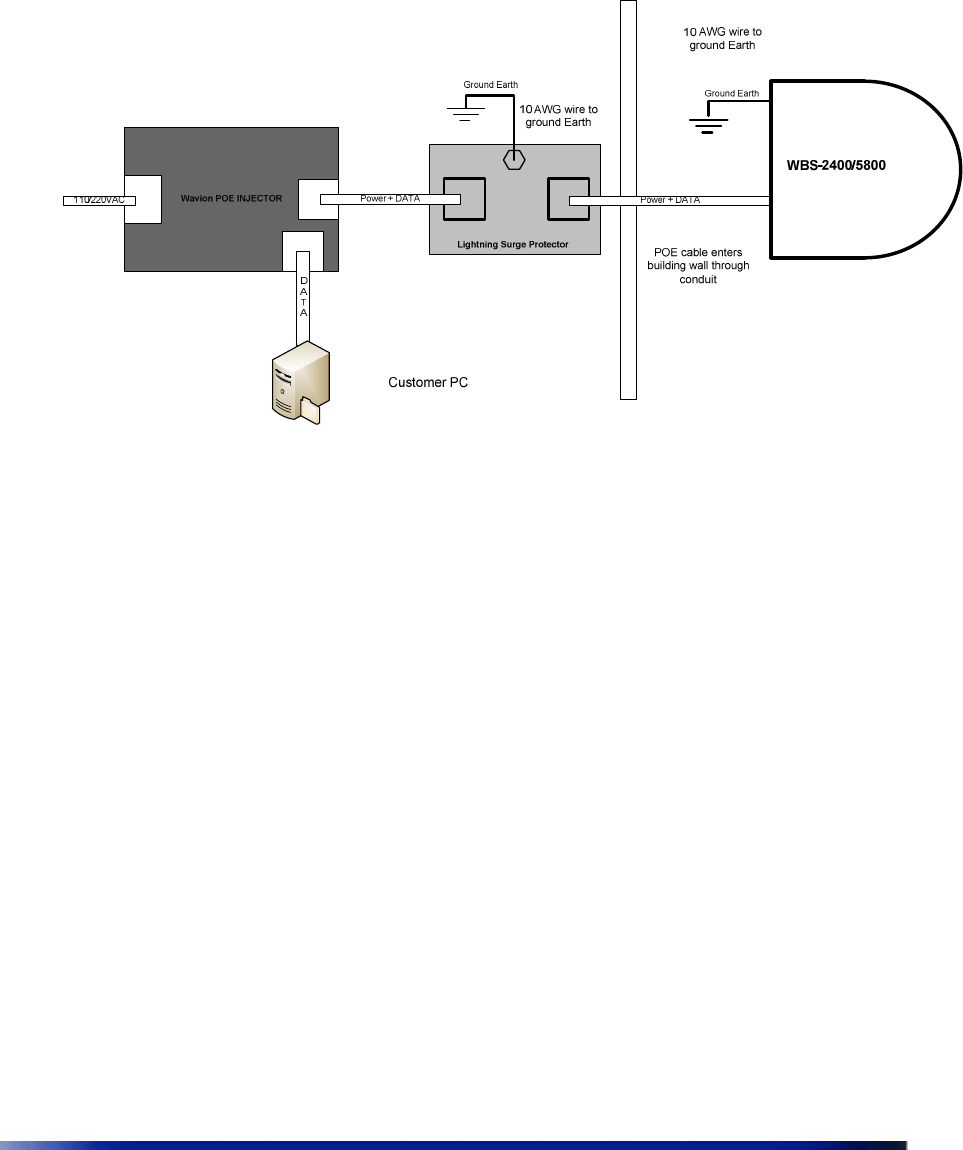
Figure 4.8 Grounding indoor injector by Network Protection Unit

Installation Guide 21
Wavion POE INJECTOR Power + DATA
110/220VAC
D
A
T
A
Ground Earth
Lightning Surge Protector
WBS-2400/5800
Ground Earth
POE cable enters
building wall through
conduit
10 AWG wire to
ground Earth
10 AWG wire to
ground Earth
D
A
T
A
Customer PC
Figure 4.9 Grounding injector that located outdoor by Network Protection Unit
Connecting Antennas
This section explains how to connect the six antennas to the WBS-2400/5800X. In order
for the
WBS-2400/5800 to work properly, six antennas must be connected.
Screw each of the 6 antennas into the N-Type connectors on the WBS-2400/5800.

22 Wavion Networks
Figure 4.10 Connecting antenna
W
ARNING
:
Only connect the unit to the power supply once all the antennas
are connected.
W
ARNING
:
Use caution when connecting the antennas. Undue haste can
damage the unit.
W
ARNING
:
Do not screw in the antenna when holding the top section of the
antenna. You will most likely damage the antenna.
The successful insertion of six antennas should look as follows.
Connecting Power and DATA
The following describes how to apply power and data to the WBS-2400/5800X
Caution
: You must always install an external grounding wire. Perform a
simple continuity check between the WBS-2400/5800and the ground
termination point to confirm. You must also ground the outdoor data
protection device to a ground rod or a bonded pipe. Make sure you have
completed grounding before you connect power to the WBS-2400/5800X.

Installation Guide 23
The Wavion WBS-2400/5800 is equipped with two RJ45 connectors. The right hand port
named "TEST" is for engineering use only (!) and has to be sealed with the sealing
rubber. Use the ETH port to connect data and power cable.
Figure 4.11 Connecting PoE cable
W
ARNING: The port named "TEST" is for engineering use only. In any
case do not connect PoE source to "TEST" port (!)
Note:
Use only shielded Cat5e cable rated for outdoor use. See
Installation Accessories on page 32 for details. The shields of the Cat5 cable
must be properly terminated and bonded to the unit and to the protective
earth (PE) at the building entrance. This provides protection against the
risk of fire, electrical hazard and ensures the reliable operation of this
equipment.
Note:
National Electrical Codes (NEC) Article 800 requires the use of an
Agency Listed (UL/CSA) Building Entrance Protector for all power and
communications cables entering a building. Article 800 is intended to
protect the building and occupants from fires caused by transient voltage

24 Wavion Networks
and current surges.
Note:
This is not a mid-span powered device. Do not attempt to daisy-
chain Power Over Ethernet devices.
When connecting to the Ethernet port, if you need to terminate the Ethernet cable, use a
standard RJ45 termination. Use a shielded RJ45 plug and be sure to connect the shield of
the Ethernet cable to the shield of the RJ 45 plug.
To connect to the data port:
1. Make sure that the power is turned off for the designated circuits.
2. Run shielded Category 5 Ethernet cable appropriates for outdoor use from a POE
injector to the Wavion WBS-2400/5800 through the lightning protection device.
See "Grounding the Data protection device" section for connection diagram.
3. Connect one end of the Category 5 cable to the "RADIO" port of the Wavion POE
injector.
4. Connect the other cable end to ETH port on the WBS-2400/5800. Use a shielded
RJ45 8-pin modular plug to terminate the cables at the desired lengths.

Installation Guide 25
5. Place the sealing rubber on the cable and push it towards RJ45 connector on
WBS-2400/5800
Figure 4.12 Sealing rubber
6. Tighten the band on sealing rubber for better sealing or using plastic clips.

26 Wavion Networks
Figure 4.13 plastic clips
7. Connect the data cable from the network to "Ethernet" port of POE injector.
8. Connect POE injector to AC power source to power WBS-2400/5800unit.
POE port RJ45 Pin Descriptions
Pin T/R Signal Color Description
1 T TXD+ Orange-White TX Data 10/100BaseT
2 R TXD- Orange TX Data 10/100BaseT
3 T RXD+ Green-White RX Data 10/100BaseT
4 R PoE+ Blue Power input, 55 VDC (+)
5 T PoE+ Blue-White Power input, 55 VDC (+)
6 R RXD- Green RX Data 10/100BaseT
7 T PoE- Brown-White Power input, 55 VDC (-)
8 R PoE- Brown Power input, 55 VDC (-)
Safety Information for the Wavion WBS-2400/5800
The Federal Communications Commission (FCC) with its action in ET Docket 96-8 has
adopted a safety standard for human exposure to RF electromagnetic energy emitted by
FCC certified equipment. Proper operation of the Wavion WBS-2400/5800according to
the instructions found in this manual, results in user exposure that is substantially below
the FCC recommended limits.
Follow these guidelines to ensure safe operation of the Wavion WBS-2400/5800X:
• Do not touch or move the antennas while the unit is transmitting or receiving.
• Make sure the antennas are connected when operating the radio or attempting to
transmit data, otherwise, the radio may be damaged.
• Do not hold the antenna to be close to or touching any exposed parts of the body,
especially the face or eyes, while transmitting.

Installation Guide 27
• The use of wireless devices on airplanes is governed by the Federal Aviation
Administration (FAA).
• The use of wireless devices in hazardous locations is limited to the constraints posed
by the safety directors of such environments.
• The use of wireless devices in hospitals is restricted to the limits set forth by each
hospital.
• Do not operate a portable transmitter near unshielded blasting caps or in an explosive
environment.
• The Wavion WBS-2400/5800must be used only with Wavion approved components
and antennas.
•
Service Instructions
The Wavion WBS-2400/5800 contains no user serviceable parts inside.

28 Wavion Networks
Chapter 5
Product Specification
The tables in this chapter contain specifications for the Wavion WBS-2400/5800X.
Wireless Specifications
IEEE 802.11b/g
compliant
Frequency band 2.4 - 2.483 GHz or TBD
Modulation
• 802.11b: DSSS (DBPSK, DQPSK, CCK)
• 802.11g: OFDM (64QAM, 16QAM, QPSK,
BPSK)
TX Power Maximum 802.11b and 802.11g
Beamformer
Directed Power EIRP + Beamfroming gain: 42.5dBm
EIRP Calculations Antenna Gain - 7.5 dBi
Total EIRP - 34.5 dBm
RX Sensitivity* 802.11b and 802.11g
Antenna Array Six 7.5dBi omni-directional antennas
* RX Sensitivity
Networking and QoS Specifications
Full 802.11b/g client compatibility
16 VLANs
16 SSIDs

Installation Guide 29
-105.5
dBm @
1
Mbps
-103
dBm @
2
Mbps
-100.5
dBm @
5.5
Mbps
96 dBm
@
11
Mbps
-102.5
dBm @
6
Mbps
-100.5
dBm @
9
Mbps
-99.5
dBm @
12
Mbps
-98
dBm @
18
Mbps
-95
dBm @
24
Mbps
-92
dBm @
36
Mbps
-88
dBm @
48
Mbps
-86
dBm @
54
Mbps
Security Specifications
Packet filtering via layer 2 & 3
WEP (64 bit or 128 bit)
WPA:
Encryption: WEP or TKIP
Authentication: Pre-Shared Key or 802.1x with RADIUS Server (EAP-TLS, PEAP, EAP-TTLS)
VPN pass-through and tagging
HTTPS for web-based management tools

30 Wavion Networks
Physical Specifications
Network Interfaces • Auto-sensing 10/100 Ethernet
• Input from Wavion Injector
Power Input • Power from a Wavion POE Injector.
Indicator Lights
• Ethernet port LED Link/Act indicator
• System Status LED indicator
• RF channel status indicator
Physical Dimensions
• Antenna Diameter - TBD
• Height - TBD
Weight:
Power Specifications
Power Input • 55VDC, supplied over Ethernet from Wavion
injector.
Input Power
Consumption
• Power from Wavion Injector max.0.8A @ 55VDC
• Power consumption may vary for the different
part numbers – maximum will be 44W.
Management Specifications
Web based configuration and management too
SNMPv2 with standard and Wavion MIB support
Configuration save and restore
Network and client statistics

Installation Guide 31
Environmental Specifications
Operating Temperature Range -40°C to +55°C (without Sun Shield)
-40°C to +60°C (with Sun Shield)
Storage Temperature Range -45°C to +85°C
Weather Rating IP65
Wind Survivability 165 mph
Salt and Fog Rust Resistance MIL-STD-810F 509.4
Shock and Vibration ESTI 300-192-4 spec T41.E
Transportation ISTA2A
Approvals
RF FCC CFR part 15, Class C
ETSI 300 328 V1.7.1 (2006)
Safety
TUVus
EN 60950-1:2001+A11:2004
IEC 60950-1:2001
First Edition
Information Technology equipment – Safety – Part 1
EMC
47 CFR Part 15, Sub Part B, Class B (USA)
ETSI 301 489-4 V1.3.1 (2002), ETSI 301 489-1 V1.5.1
(2003)

32 Wavion Networks
Chapter 6
Installation Accessories
This chapter describes the accessories available for the WBS-2400 and ordering
information. The following topics are covered in this chapter:
•
Ethernet Cables
on page
33
•
Sun Protection
on page
33
•
Lightning Protection
on page
33
•
Power Over Ethernet
on page 34

Installation Guide 33
Ethernet Cables
Description Manufacturer Part
Number Distributor Contact
Information
Outdoor
CAT5e
double
jacket 4-pair
data cable
Teldor 8393204101 G.Bares Tel: +972-(4)-
8215450
Outdoor
CAT5e
double
jacket 4-pair
data cable
Superior Cables Ltd.
www.superior-
cables.com
612098
612098
Outdoor
CAT5e
double
jacket 4-pair
data cable
HES Cabling Systems
www.hescs.com H5E-00481
Outdoor
CAT5e
double
jacket 4-pair
data cable
Southbay Holdings
Limited
11th Fl., 15, Lane
347, Jong Jeng Rd.
Shin Juang City,
Taipei County
Taiwan, R.O.C
Attn: Eva Lin
TSM2404A0D
Tel. 886-2-2832 3339
Fax. 886-2-2206 0081
E-mail:
eva@south-
bay.com.tw
Sun Protection
Description Product
Name
Part
Number
Sun Shield for WBS-2400/5800X, extends upper operation
temperature range to +60°C
WA-SUN-
SH 27009023
Lightning Protection
Description Manufacturer Part
Number Contact Information
Data protection
device Hyperlink HGLN-
CAT5-2 www.hyperlinktech.com

34 Wavion Networks
Power Over Ethernet
Description Product
Name
Part
Number
Wavion Injector for powering the WBS-2400/5800over an
Ethernet cable. Output 55VDC, 1A.
WPI-AC-
55W 27002213

Installation Guide 35
Chapter 7
Wind Loading Considerations
This chapter describes wind loading considerations for the WBS-2400/5800X.
Note:
It is recommended to evaluate the static and dynamic load
bearing capabilities for each assembly and installation individually. It
is your responsibility to evaluate the load bearing capabilities of the
structure.
The Wavion WBS-2400/5800weighs approximately 16 lbs, including all mounting
hardware. When the Wavion WBS-2400/5800is mounted on a pole, the sail area of the
WBS-2400/5800is approximately 1 square foot. The Wavion WBS-2400/5800can load a
pole with a maximum load of 3400 Newton in wind conditions of 165mph.

36 Wavion Networks
Chapter 8
Acronyms
Acronym Description
2P Two-Phase or Split Phase
2W Two-Wire
3W Three-Wire
AC Alternating Current
ANSI American National Standards Institute
AWG American Wire Gauge
C Celsius
CAT Category
CCK Complementary Code Keying
CFR Code of Federal Regulations
CSA Canadian Standard Association
dB Decibels
dBi Decibels Relative to an Isotropic Radiator
DBPSK Differential-Binary Phase-Shift Keying
DC Direct Current
DQPSK Differential-Quadrature Phase-Shift Keying
DSSS Direct-Sequence Spread Spectrum
EMC Electromagnetic Compatibility
EN IEC standard
ESD Electrostatic Discharge
FCC Federal Communications Commission
Hz Hertz
HPoE High Power over Ethernet
IEEE Institute of Electrical and Electronics
Engineers
IP67 Ingress Protection Standard
ISTA International Safe Transit Association
LAN Local Area Network

Installation Guide 37
Mbps Megabits Per Second
MHz Megahertz
MIL-STD Military Standard
N Neutral
NEC National Electrical Codes
NEMA National Electrical Manufacturers
Association
OFDM Orthogonal Frequency Division
Multiplexing
P Phase
PE Protective Earth
PoE Power over Ethernet
RJ45 Registered Jack 45
RSS Received Signal Strength
Rx Receive
RXD Receive Data
TUV Technical Inspection Association
Tx Transmit
TXD Transmit Data
UL Underwriters Laboratories
VAC Voltage (Alternating Current)
VCCI Voluntary Control Council for Interference
VDC Voltage (Direct Current)
W Watts

38 Wavion Networks
Chapter 9
Appendix A: WBS-2400/5800Product list
Part
Number Product namer Product description
12406101 WBS-2400-FCC
Spatially adaptive, multi radio 2.4GHz WiFi base
station,
6 antenna
FCC/TUV compliant
12406102 WBS-2400-EU
Spatially adaptive, multi radio 2.4GHz WiFi base
station,
6 antenna
ETSI / CE compliant
12406104 WBS-2400-IL
Spatially adaptive, multi radio 2.4GHz WiFi base
station,
6 antenna
Israel compliant
12406301 WBS-2400-LITE-FCC
Spatially adaptive, multi radio 2.4GHz WiFi base
station,
3 antenna.
FCC/TUV compliant
12406501 WBS-2400-SCT-120-
FCC
Spatially adaptive, multi radio 2.4GHz WiFi base
station, directional antenna 120°.
FCC/TUV compliant
15806101 WBS-5800-FCC
Spatially adaptive, multi radio 5.8GHz WiFi base
station,
6 antenna
FCC/TUV compliant
15806301 WBS-5800-LITE-FCC
Spatially adaptive, multi radio 5.8GHz WiFi base
station,
3 antenna.
FCC/TUV compliant
15806501 WBS-5800- SCT-
120-FCC
Spatially adaptive, multi radio 5.8GHz WiFi base
station, directional antenna 120°.
FCC/TUV compliant

Installation Guide 39