Weed Eater 177019 Owners Manual OM, S165H42A, 2001 01, TRACTORS/RIDE MOWER
!! Weed-17 Weed Eater Lawn Mower Manuals - Lawn Mower Manuals – The Best Lawn Mower Manuals Collection
177019 to the manual f5058fab-3b3c-41e8-a4ad-8560ed498596
2015-01-05
: Weed-Eater Weed-Eater-177019-Owners-Manual-204529 weed-eater-177019-owners-manual-204529 weed-eater pdf
Open the PDF directly: View PDF
.
Page Count: 48

OWNER'S MANUAL
MODEL NO. S165H42A
16.5 HP 42 Inch
Lawn Tractor
For Parts and Service, contact our authorized distributor: call 1-800-849-1297
For Technical Assistance: call 1-800-829-5886
177019 Rev. 1 01.30.01 RH
PRINTED IN U.S.A.
®

2
I. GENERAL OPERATION
• Read, understand, and follow all instructions in the
manual and on the machine before starting.
• Only allow responsible adults, who are familiar with the
instructions, to operate the machine.
• Clear the area of objects such as rocks, toys, wire, etc.,
which could be picked up and thrown by the blade.
• Be sure the area is clear of other people before mowing.
Stop machine if anyone enters the area.
• Never carry passengers.
• Do not mow in reverse unless absolutely necessary.
Always look down and behind before and while backing.
• Be aware of the mower discharge direction and do not
point it at anyone. Do not operate the mower without
either the entire grass catcher or the guard in place.
• Slow down before turning.
• Never leave a running machine unattended. Always turn
off blades, set parking brake, stop engine, and remove
keys before dismounting.
• Turn off blades when not mowing.
• Stop engine before removing grass catcher or unclog-
ging chute.
• Mow only in daylight or good artificial light.
• Do not operate the machine while under the influence of
alcohol or drugs.
• Watch for traffic when operating near or crossing road-
ways.
• Use extra care when loading or unloading the machine
into a trailer or truck.
• Data indicates that operators, age 60 years and above,
are involved in a large percentage of riding mower-
related injuries. These operators should evaluate their
ability to operate the riding mower safely enough to
protect themselves and others from serious injury.
II. SLOPE OPERATION
Slopes are a major factor related to loss-of-control and tipover
accidents, which can result in severe injury or death. All slopes
require extra caution. If you cannot back up the slope or if you feel
uneasy on it, do not mow it.
DO:
• Mow up and down slopes, not across.
• Remove obstacles such as rocks, tree limbs, etc.
• Watch for holes, ruts, or bumps. Uneven terrain could
overturn the machine.
Tall grass can hide obstacles.
•Use slow speed. Choose a low gear so that you will not
have to stop or shift while on the slope.
•Follow the manufacturer’s recommendations for wheel
weights or counterweights to improve stability.
•Use extra care with grass catchers or other attach-
ments. These can change the stability of the machine.
•Keep all movement on the slopes
slow
and
gradual
. Do not
make sudden changes in speed or direction.
•Avoid starting or stopping on a slope. If tires lose traction,
disengage the blades and proceed slowly
straight
down the
slope.
Safe Operation Practices for Ride-On Mowers
IMPORTANT: THIS CUTTING MACHINE IS CAPABLE OF AMPUTATING HANDS AND FEET AND THROWING OBJECTS.
FAILURE TO OBSERVE THE FOLLOWING SAFETY INSTRUCTIONS COULD RESULT IN SERIOUS INJURY OR DEATH.
SAFETY RULES
DO NOT:
•
Do not
turn on slopes unless necessary, and then, turn
slowly and gradually downhill, if possible.
•
Do not
mow near drop-offs, ditches, or embankments.
The mower could suddenly turn over if a wheel is over the
edge of a cliff or ditch, or if an edge caves in.
•
Do not
mow on wet grass. Reduced traction could cause
sliding.
•
Do not
try to stabilize the machine by putting your foot
on the ground.
•
Do not
use grass catcher on steep slopes.
III. CHILDREN
Tragic accidents can occur if the operator is not alert to the
presence of children. Children are often attracted to the
machine and the mowing activity.
Never
assume that
children will remain where you last saw them.
•Keep children out of the mowing area and under the
watchful care of another responsible adult.
•Be alert and turn machine off if children enter the area.
•Before and when backing, look behind and
down
for
small children.
•Never carry children. They may fall off and be seriously
injured or interfere with safe machine operation.
•Never allow children to operate the machine.
•Use extra care when approaching blind corners, shrubs,
trees, or other objects that may obscure vision.
IV. SERVICE
•Use extra care in handling gasoline and other fuels.
They are flammable and vapors are explosive.
- Use only an approved container.
- Never remove gas cap or add fuel with the engine
running. Allow engine to cool before refueling. Do not
smoke.
- Never refuel the machine indoors.
- Never store the machine or fuel container inside where
there is an open flame, such as a water heater.
•Never run a machine inside a closed area.
•Keep nuts and bolts, especially blade attachment bolts,
tight and keep equipment in good condition.
•Never tamper with safety devices. Check their proper
operation regularly.
•Keep machine free of grass, leaves, or other debris
build-up. Clean oil or fuel spillage. Allow machine to cool
before storing.
•Stop and inspect the equipment if you strike an object.
Repair, if necessary, before restarting.
•Never make adjustments or repairs with the engine
running.
•Grass catcher components are subject to wear, dam-
age, and deterioration, which could expose moving parts
or allow objects to be thrown. Frequently check compo-
nents and replace with manufacturer's recommended
parts, when necessary.
•Mower blades are sharp and can cut. Wrap the blade(s)
or wear gloves, and use extra caution when servicing
them.
•Check brake operation frequently. Adjust and service
as required.

3
•Be sure the area is clear of other people before mowing. Stop
machine if anyone enters the area.
•Never carry passengers or children even with the blades off.
•Do not mow in reverse unless absolutely necessary. Always
look down and behind before and while backing.
•Never carry children. They may fall off and be seriously
injured or interfere with safe machine operation.
•Keep children out of the mowing area and under the watchful
care of another responsible adult.
•Be alert and turn machine off if children enter the area.
•Before and when backing, look behind and down for small
children.
•Mow up and down slopes (15° Max), not across.
•Remove obstacles such as rocks, tree limbs, etc.
•Watch for holes, ruts, or bumps. Uneven terrain could over-
turn the machine. Tall grass can hide obstacles.
•Use slow speed. Choose a low gear so that you will not have
to stop or shift while on the slope.
•Avoid starting or stopping on a slope. If tires lose traction,
disengage the blades and proceed slowly straight down the
slope.
•If machine stops while going uphill, disengage blades, shift
into reverse and back down slowly.
•Do not turn on slopes unless necessary, and then, turn slowly
and gradually downhill, if possible.
Safe Operation Practices for Ride-On Mowers
SAFETY RULES
SAFETY RULES ........................................................ 2-3
PRODUCT SPECIFICATIONS ....................................... 4
CUSTOMER RESPONSIBILITIES ......................4, 15-18
ASSEMBLY................................................................ 6-8
OPERATION............................................................. 9-14
MAINTENANCE SCHEDULE....................................... 15
SERVICE AND ADJUSTMENTS .............................19-23
STORAGE ................................................................... 24
TROUBLESHOOTING .............................................25-26
REPAIR PARTS - TRACTOR ..................................28-43
TABLE OF CONTENTS
Look for this symbol to point out im-
portant safety precautions. It means
CAUTION!!! BECOME ALERT!!! YOUR
SAFETY IS INVOLVED.
CAUTION: In order to prevent acciden-
tal starting when setting up, transport-
ing, adjusting or making repairs, al-
ways disconnect spark plug wire and
place wire where it cannot contact spark
plug.
CAUTION: Do not coast down a hill in
neutral, you may lose control of the
tractor.
CAUTION: Tow only the attachments
that are recommended by and comply
with specifications of the manufacturer
of your tractor. Use common sense
when towing. Operate only at the low-
est possible speed when on a slope.
Too heavy of a load, while on a slope,
is dangerous. Tires can lose traction
with the ground and cause you to lose
control of your tractor.
WARNING
Engine exhaust, some of its constituents, and cer-
tain vehicle components contain or emit chemicals
known to the State of California to cause cancer and
birth defects or other reproductive harm.
WARNING
Battery posts, terminals and related accessories
contain lead and lead compounds, chemicals known
to the State of California to cause cancer and birth
defects or other reproductive harm. Wash hands
after handling.

4
PRODUCT SPECIFICATIONS
GASOLINE CAPACITY 1.25 GALLONS
AND TYPE: UNLEADED REGULAR
OIL TYPE (API-SF-SJ): SAE 30 (above 32°F)
SAE 5W-30 (below 32°F)
OIL CAPACITY: 3.4 PINTS
SPARK PLUG: CHAMPION RN4C
(GAP: .030")
GROUND SPEED (MPH): FORWARD: 5.2
REVERSE: 2.7
TIRE PRESSURE: FRONT: 14 PSI
REAR: 12 PSI
CHARGING SYSTEM: 3 AMPS BATTERY
5 AMPS HEADLIGHTS
BATTERY: AMP/HR: 25
MIN. CCA: 190
CASE SIZE: U1R
BLADE BOLT TORQUE: 27-35 FT. LBS.
CONGRATULATIONS on your purchase of a new tractor. It
has been designed, engineered and manufactured to give
you the best possible dependability and performance.
Should you experience any problem you cannot easily
remedy, please contact your nearest authorized service
center/department. We have competent, well-trained tech-
nicians and the proper tools to service or repair this tractor.
Please read and retain this manual. The instructions will
enable you to assemble and maintain your tractor properly.
Always observe the “SAFETY RULES”.
CUSTOMER RESPONSIBILITIES
•Read and observe the safety rules.
•Follow a regular schedule in maintaining, caring for and
using your tractor.
•Follow the instructions under “Customer Responsibili-
ties” and “Storage” sections of this owner’s manual.
WARNING: This tractor is equipped with an internal com-
bustion engine and should not be used on or near any
unimproved forest-covered, brush-covered or grass-cov-
ered land unless the engine’s exhaust system is equipped
with a spark arrester meeting applicable local or state laws
(if any). If a spark arrester is used, it should be maintained
in effective working order by the operator.
A spark arrester for the muffler is available through your
nearest authorized service center/department (See RE-
PAIR PARTS section of this manual).

5
UNASSEMBLED PARTS
Steering Wheel
Steering
Wheel
Insert
(1) Large Flat
Washer
(1) Locknut
5/16-18
(1) Hex Bolt
5/16-18 x 1-1/4
(1) Hex Bolt
3/8-16 x 1
(1) Lockwasher 3/8
Steering
Boot
Steering
Extension
Shaft
Steering
Wheel
Adapter
(1) Bolt
(1) Washer
17/32 x 1-3/16 x 12 Gauge
Seat
(2) Keys
Slope Sheet
Key
(1) Lock
Washer 1/2
(1) Oil Drain Tube
For Future Use

6
ASSEMBLY
TOOLS REQUIRED FOR ASSEMBLY
A socket wrench set will make assembly easier. Standard
wrench sizes are listed.
(1) 9/16" wrench Pliers
(2) 1/2" wrenches Tire pressure gauge
Utility knife
When right or left hand is mentioned in this manual, it means
when you are in the operating position (seated behind the
steering wheel).
TO REMOVE TRACTOR FROM CARTON
UNPACK CARTON
•Remove all accessible loose parts and parts cartons
from carton.
•Cut, from top to bottom, along lines on all four corners
of carton, and lay panels flat.
•Check for any additional loose parts or cartons and
remove.
Your new tractor has been assembled at the factory with exception of those parts left unassembled for shipping purposes. To
ensure safe and proper operation of your tractor all parts and hardware you assemble must be tightened securely. Use the
correct tools as necessary to insure proper tightness.
FIG. 1
BEFORE REMOVING TRACTOR FROM
SKID
ATTACH STEERING WHEEL (See Fig. 1)
ASSEMBLE EXTENSION SHAFT AND BOOT
•Slide extension shaft onto lower steering shaft. Align
mounting holes in extension and lower shafts and install
5/16 hex bolt and locknut. Tighten securely.
•Place tabs of steering boot over tab slots in dash and
push down to secure.
INSTALL STEERING WHEEL
•Position front wheels of the tractor so they are pointing
straight forward.
•Remove steering wheel adapter from steering wheel and
slide adapter onto steering shaft extension.
•Position steering wheel so cross bars are horizontal (left
to right) and slide inside boot and onto adapter.
•Assemble large flat washer, 3/8 lock washer, 3/8 hex
bolt and tighten securely.
•Snap steering wheel insert into center of steering wheel.
•Remove protective materials from tractor hood and grill.
IMPORTANT: CHECK FOR AND REMOVE ANY STAPLES
IN SKID THAT MAY PUNCTURE TIRES WHERE TRACTOR
IS TO ROLL OFF SKID.
5/16 LOCKNUT
LOWER
STEERING
SHAFT
STEERING
BOOT
EXTENSION SHAFT
5/16 HEX BOLT
STEERING
WHEEL
INSERT
ADAPTER
3/8 HEX BOLT
3/8 LOCK WASHER
LARGE FLAT
WASHER
TABS
TAB
SLOTS
FIG. 2
HOW TO SET UP YOUR TRACTOR
CHECK BATTERY (See Fig. 2)
•Lift seat pan to raised position and open battery box
door.
•If this battery is put into service after month and year
indicated on label (label located between terminals)
charge battery for minimum of one hour at 6-10 amps.
(See "BATTERY" in CUSTOMER RESPONSIBILITIES
section of this manual for charging instructions).
BATTERY
BOX DOOR
SEAT PAN
LABEL
TERMINAL TERMINAL

7
ASSEMBLY
TO ROLL TRACTOR OFF SKID (See Operation
section, page 10, for location and function of
controls)
•Press lift lever plunger and raise attachment lift lever to
its highest position.
•Release parking brake by depressing clutch/brake pedal.
•Place freewheel control in freewheeling position to
disengage transmission (See “TO TRANSPORT” in the
Operation section of this manual).
•Roll tractor forward off skid.
•Remove banding holding deflector shield up against
tractor.
TO DRIVE TRACTOR OFF SKID (See Opera-
tion section, page 10, for location and func-
tion of controls)
WARNING: Before starting, read, understand and follow
all instructions in the Operation section of this manual. Be
sure tractor is in a well-ventilated area. Be sure the area in
front of tractor is clear of other people and objects.
•Be sure all the above assembly steps have been
completed.
•Check engine oil level and fill fuel tank with gasoline.
•Place freewheel control in "transmission engaged" po-
sition.
•Sit on seat in operating position, depress clutch/brake
pedal and set the parking brake.
•Place motion control lever in neutral (N) position.
•Press lift lever plunger and raise attachment lift lever to
its highest position.
•Start the engine. After engine has started, move throttle
control to idle position.
•Release parking brake.
•Slowly move the motion control lever forward and slowly
drive tractor off skid.
•Apply brake to stop tractor, set parking brake and place
motion control lever in neutral position.
•Turn ignition key to "OFF" position.
Continue with the instructions that follow.
FIG. 3
ADJUSTMENT
BOLT
LOCK WASHER
NOTE: You may now roll or drive your tractor off the skid.
Follow the appropriate instruction below to remove the
tractor from the skid.
INSTALL SEAT (See Fig. 3)
Adjust seat before tightening adjustment bolt.
•Remove adjustment bolt, lock washer and flat washer
securing seat to cardboard packing and set aside for
assembly of seat to tractor.
•Pivot seat upward and remove from the cardboard
packing. Remove the cardboard packing and discard.
•Place seat on seat pan so head of shoulder bolt is
positioned over large slotted hole in pan.
•Push down on seat to engage shoulder bolt in slot and
pull seat towards rear of tractor.
•Pivot seat and pan forward and assemble adjustment
bolt, lockwasher and flat washer loosely. Do not tighten
•Lower seat into operating position and sit on seat.
•Slide seat until a comfortable position is reached which
allows you to press clutch/brake pedal all the way down.
•Get off seat without moving its adjusted position.
•Raise seat and tighten adjustment bolt securely.
SEAT PAN
SHOULDER
BOLT
FLAT WASHER
SEAT

8
CHECKLIST
BEFORE YOU OPERATE AND ENJOY YOUR NEW TRAC-
TOR, WE WISH TO ASSURE THAT YOU RECEIVE THE
BEST PERFORMANCE AND SATISFACTION FROM THIS
QUALITY PRODUCT.
PLEASE REVIEW THE FOLLOWING CHECKLIST:
✓All assembly instructions have been completed.
✓No remaining loose parts in carton.
✓Battery is properly prepared and charged. (Minimum 1
hour at 6 amps).
✓Seat is adjusted comfortably and tightened securely.
✓All tires are properly inflated. (For shipping purposes,
the tires were overinflated at the factory).
✓Be sure mower deck is properly leveled side-to-side/
front-to-rear for best cutting results. (Tires must be
properly inflated for leveling).
✓Check mower and drive belts. Be sure they are routed
properly around pulleys and inside all belt keepers.
✓Check wiring. See that all connections are still secure
and wires are properly clamped.
✓Before driving tractor, be sure freewheel control is in
drive position.
WHILE LEARNING HOW TO USE YOUR TRACTOR, PAY
EXTRA ATTENTION TO THE FOLLOWING IMPORTANT
ITEMS:
✓ Engine oil is at proper level.
✓Fuel tank is filled with fresh, clean, regular unleaded
gasoline.
✓Become familiar with all controls - their location and
function. Operate them before you start the engine.
✓Be sure brake system is in safe operating condition.
✓It is important to purge the transmission before operating
your tractor for the first time. Follow proper starting and
transmission purging instructions (See “TO START
ENGINE” and “PURGE TRANSMISSION” in the Opera-
tion section of this manual).
CHECK TIRE PRESSURE
The tires on your tractor were overinflated at the factory for
shipping purposes. Correct tire pressure is important for
best cutting performance.
•Reduce tire pressure to PSI shown in “PRODUCT
SPECIFICATIONS” section of this manual.
CHECK DECK LEVELNESS
For best cutting results, mower housing should be properly
leveled. See “TO LEVEL MOWER HOUSING” in the Service
and Adjustments section of this manual.
CHECK FOR PROPER POSITION OF ALL
BELTS
See the figures that are shown for replacing motion and
mower blade drive belts in the Service and Adjustments
section of this manual. Verify that the belts are routed
correctly.
CHECK BRAKE SYSTEM
After you learn how to operate your tractor, check to see that
the brake is properly adjusted. See “TO ADJUST BRAKE”
in the Service and Adjustments section of this manual.
ASSEMBLY

9
OPERATION
These symbols may appear on your tractor or in literature supplied with the product. Learn and understand their meaning.
BATTERY CAUTION OR
WARNING REVERSE FORWARD FAST SLOW
ENGINE ON ENGINE OFF OIL PRESSURE LIGHTS ON
FUEL CHOKE MOWER HEIGHT PARKING BRAKE
LOCKED UNLOCKED
REVERSE NEUTRAL HIGH LOW
ATTACHMENT
CLUTCH ENGAGED
MOWER LIFT
DANGER, KEEP HANDS AND FEET AWAY FREE WHEEL
(Automatic Models only)
OVER TEMP
LIGHT
PARKING BRAKE
IGNITION
ATTACHMENT
CLUTCH DISENGAGED
P
KEEP AREA CLEAR SLOPE HAZARDS
15
15 15
(SEE SAFETY RULES SECTION)

10
OPERATION
KNOW YOUR TRACTOR
READ THIS OWNER'S MANUAL AND SAFETY RULES BEFORE OPERATING YOUR TRACTOR
Compare the illustrations with your tractor to familiarize yourself with the locations of various controls and adjustments. Save
this manual for future reference.
Our tractors conform to the safety standards of the American National Standards Institute.
ATTACHMENT CLUTCH LEVER: Used to engage the
mower blades, or other attachments mounted to your tractor.
LIGHT SWITCH: Turns the headlights on and off.
THROTTLE/CHOKE CONTROL: Used for starting and
controling engine speed.
CLUTCH/BRAKE PEDAL: Used for declutching and brak-
ing the tractor and starting the engine.
PARKING BRAKE: Locks clutch/brake pedal into the brake
position.
FREEWHEEL CONTROL: Disengages transmission for
pushing or slowly towing the tractor with the engine off.
MOTION CONTROL LEVER: Selects the speed and
direction of tractor.
ATTACHMENT LIFT LEVER: Used to raise and lower the
mower deck or other attachments mounted to your tractor.
LIFT LEVER PLUNGER: Used to release attachment lift
lever when changing its position.
IGNITION SWITCH: Used for starting and stopping the
engine.
LIFT LEVER
PLUNGER
ATTACHMENT
LIFT LEVER
PARKING
BRAKE
IGNITION
SWITCH
THROTTLE/CHOKE
CONTROL
LIGHT
SWITCH
POSITION
MOTION
CONTROL
LEVER
CLUTCH/BRAKE
PEDAL
FIG. 4
FREE WHEEL
CONTROL
ATTACHMENT
CLUTCH LEVER

11
OPERATION
The operation of any tractor can result in foreign objects thrown into the eyes, which can
result in severe eye damage. Always wear safety glasses or eye shields while operating
your tractor or performing any adjustments or repairs. We recommend a wide vision
safety mask over spectacles or standard safety glasses.
IMPORTANT: LEAVING THE IGNITION SWITCH IN ANY
POSITION OTHER THAN "OFF" WILL CAUSE THE
BATTERY TO BE DISCHARGED, (DEAD).
NOTE: Under certain conditions when tractor is standing idle
with the engine running, hot engine exhaust gases may
cause “browning” of grass. To eliminate this possibility,
always stop engine when stopping tractor on grass areas.
CAUTION: Always stop tractor com-
pletely, as described above, before leav-
ing the operator's position; to empty
grass catcher, etc.
HOW TO USE YOUR TRACTOR
TO SET PARKING BRAKE (See Fig. 5)
Your tractor is equipped with an operator presence sensing
switch. When engine is running, any attempt by the operator
to leave the seat without first setting the parking brake will
shut off the engine.
•Depress clutch/brake pedal into full “BRAKE” position
and hold.
•Place parking brake lever in “ENGAGED” position and
release pressure from clutch/brake pedal. Pedal should
remain in “BRAKE” position. Make sure parking brake
will hold tractor secure.
STOPPING (See Fig. 5)
MOWER BLADES -
•To stop mower blades,move attachment clutch lever to
“DISENGAGED” position.
GROUND DRIVE -
•To stop ground drive, depress clutch/brake pedal into
full “BRAKE” position.
•Move motion control lever to neutral (N) position.
IMPORTANT: THE MOTION CONTROL LEVER DOES
NOT RETURN TO NEUTRAL (N) POSITION WHEN THE
CLUTCH/BRAKE PEDAL IS DEPRESSED.
ENGINE -
•Move throttle control to slow position.
NOTE: Failure to move throttle control to slow position and
allowing engine to idle before stopping may cause engine to
“backfire”.
•Turn ignition key to “OFF” position and remove key.
Always remove key when leaving tractor to prevent
unauthorized use.
•Never use choke to stop engine.
PARKING BRAKE
"ENGAGED"
POSITION
MOTION
CONTROL
LEVER
THROTTLE/CHOKE
CONTROL IGNITION
KEY
"DISENGAGED"
POSITION
ATTACHMENT CLUTCH
LEVER "ENGAGED"
POSITION
CLUTCH/BRAKE PEDAL
"DRIVE" POSITION
PARKING BRAKE
"DISENGAGED" POSITION
FIG. 5
"BRAKE"
POSITION
TO ADJUST MOWER CUTTING HEIGHT (See
Fig. 5)
The position of the attachment lift lever determines the
cutting height.
•Grasp lift lever.
•Press plunger with thumb and move lever to desired
position.
The cutting height range is approximately 1-1/2 to 4". The
heights are measured from the ground to the blade tip with
the engine not running. These heights are approximate and
may vary depending upon soil conditions, height of grass
and types of grass being mowed.
•The average lawn should be cut to approximately 2-1/2
inches during the cool season and to over 3 inches
during hot months. For healthier and better looking
lawns, mow often and after moderate growth.
•For best cutting performance, grass over 6 inches in
height should be mowed twice. Make the first cut
relatively high; the second to desired height.
TO USE THROTTLE CONTROL (See Fig. 5)
Always operate engine at full throttle.
•Operating engine at less than full throttle reduces the
battery charging rate.
•Full throttle offers the best bagging and mower perfor-
mance.
TO MOVE FORWARD AND BACKWARD (See
Fig. 5)
The direction and speed of movement is controlled by the
motion control lever.
•Start tractor with motion control lever in neutral (N)
position.
•Release parking brake and clutch/brake pedal.
•Slowly move motion control lever to desired position.

12
OPERATION
TO OPERATE ON HILLS
CAUTION: Do not drive up or down hills
with slopes greater than 15° and do not
drive across any slope.
•Choose the slowest speed before starting up or down
hills.
•Avoid stopping or changing speed on hills.
•If slowing is necessary, move throttle control lever to
slower position.
•If stopping is absolutely necessary, push clutch/brake
pedal quickly to brake position and engage parking
brake.
•Move motion control lever to neutral (N) position.
IMPORTANT: THE MOTION CONTROL LEVER DOES
NOT RETURN TO NEUTRAL (N) POSITION WHEN THE
CLUTCH/BRAKE PEDAL IS DEPRESSED.
•To restart movement, slowly release parking brake and
clutch/brake pedal.
•Slowly move motion control lever to slowest setting.
•Make all turns slowly.
ATTACHMENT
CLUTCH LEVER
"DISENGAGED"
POSITION
ATTACHMENT
LIFT LEVER
HIGH POSI-
TION
"ENGAGED" POSITION
LOW
POSITION FIG. 8
TOWING CARTS AND OTHER ATTACHMENTS
Tow only the attachments that are recommended by and
comply with specifications of the manufacturer of your
tractor. Use common sense when towing. Too heavy of a
load, while on a slope, is dangerous. Tires can lose traction
with the ground and cause you to lose control of your tractor.
FIG. 6
TO TRANSPORT (See Figs. 4 and 8)
When pushing or towing your tractor, be sure to disengage
transmission by placing freewheel control in freewheeling
position. Free wheel control is located at the rear drawbar of
tractor.
•Raise attachment lift to highest position with attach-
ment lift control.
•Pull freewheel control out and down into the slot and
release so it is held in the disengaged position.
•Do not push or tow tractor at more than two (2) MPH.
•To reengage transmission, reverse above procedure.
NOTE: To protect hood from damage when transporting
your tractor on a truck or a trailer, be sure hood is closed and
secured to tractor. Use an appropriate means of tying hood
to tractor (rope, cord, etc.).
DEFLECTOR
SHIELD
TO OPERATE MOWER (See Fig. 7)
Your tractor is equipped with an operator presence sensing
switch. Any attempt by the operator to leave the seat with
the engine running and the attachment clutch engaged will
shut off the engine.
•Select desired height of cut.
•Start mower blades by engaging attachment clutch
control.
•TO STOP MOWER BLADES - disengage attachment
clutch control.
CAUTION: Do not operate the mower
without either the entire grass catcher,
on mowers so equipped, or the deflector
shield in place.
FIG. 7
GAUGE WHEEL
GAUGE
WHEEL
MOUNTING
BRACKET
3/8-16
LOCKNUT
3/8 WASHER SHOULDER
BOLT
TO ADJUST GAUGE WHEELS (See Fig. 6)
Gauge wheels are properly adjusted when they are slightly
off the ground when mower is at the desired cutting height in
operating position. Gauge wheels then keep the deck in
proper position to help prevent scalping in most terrain
conditions.
•Adjust gauge wheels with tractor on a flat level surface.
•Adjust mower to desired cutting height (See “TO AD-
JUST MOWER CUTTING HEIGHT” in the Operation
section of this manual).
•With mower in desired height of cut position, gauge
wheels should be assembled so they are slightly off the
ground. Install gauge wheel in appropriate hole with
shoulder bolt, 3/8 washer, and 3/8-16 locknut and tighten
securely.
•Repeat for opposite side installing gauge wheel in same
adjustment hole.

13
PURGE TRANSMISSION
CAUTION: Never engage or disengage
freewheel lever while the engine is run-
ning.
To ensure proper operation and performance, it is recom-
mended that the transmission be purged before operating
tractor for the first time. This procedure will remove any
trapped air inside the transmission which may have devel-
oped during shipping of your tractor.
IMPORTANT: SHOULD YOUR TRANSMISSION REQUIRE
REMOVAL FOR SERVICE OR REPLACEMENT, IT
SHOULD BE PURGED AFTER REINSTALLATION BEFORE
OPERATING THE TRACTOR.
•Place tractor safely on level surface with engine off and
parking brake set.
•Disengage transmission by placing freewheel control in
freewheeling position (See “TO TRANSPORT” in this
section of manual).
OPERATION
ADD GASOLINE
•Fill fuel tank. Use fresh, clean, regular unleaded
gasoline with a minimum of 87 octane. (Use of leaded
gasoline will increase carbon and lead oxide deposits
and reduce valve life). Do not mix oil with gasoline.
Purchase fuel in quantities that can be used within 30
days to assure fuel freshness.
IMPORTANT: WHEN OPERATING IN TEMPERATURES
BELOW 32°F(0°C), USE FRESH, CLEAN WINTER GRADE
GASOLINE TO HELP INSURE GOOD COLD WEATHER
STARTING.
WARNING: Experience indicates that alcohol blended fuels
(called gasohol or using ethanol or methanol) can attract
moisture which leads to separation and formation of acids
during storage. Acidic gas can damage the fuel system of
an engine while in storage. To avoid engine problems, the
fuel system should be emptied before storage of 30 days or
longer. Drain the gas tank, start the engine and let it run until
the fuel lines and carburetor are empty. Use fresh fuel next
season. See Storage Instructions for additional information.
Never use engine or carburetor cleaner products in the fuel
tank or permanent damage may occur.
CAUTION: Fill to bottom of gas tank
filler neck. Do not overfill. Wipe off any
spilled oil or fuel. Do not store, spill or
use gasoline near an open flame.
BEFORE STARTING THE ENGINE
CHECK ENGINE OIL LEVEL
•The engine in your tractor has been shipped, from the
factory, already filled with summer weight oil.
•Check engine oil with tractor on level ground.
•Remove oil fill cap/dipstick and wipe clean, reinsert the
dipstick and screw cap tight, wait for a few seconds,
remove and read oil level. If necessary, add oil until
“FULL” mark on dipstick is reached. Do not overfill.
•For cold weather operation you should change oil for
easier starting (See “OIL VISCOSITY CHART” in the
Customer Responsibilities section of this manual).
•To change engine oil, see the Customer Responsibili-
ties section in this manual.
TO START ENGINE (See Fig. 4)
When starting the engine for the first time or if the engine has
run out of fuel, it will take extra cranking time to move fuel
from the tank to the engine.
•Be sure freewheel control is in the transmission engaged
position.
•Sit on seat in operating position, depress clutch/brake
pedal and set parking brake.
•Place motion control lever in neutral (N) position.
•Move attachment clutch to “DISENGAGED” position.
•Move throttle control to choke position.
NOTE: Before starting, read the warm and cold starting
procedures below.
•Insert key into ignition and turn key clockwise to
“START” position and release key as soon as engine
starts. Do not run starter continuously for more than
fifteen seconds per minute. If the engine does not start
after several attempts, move throttle control to fast
position, wait a few minutes and try again. If engine still
does not start, move the throttle control back to the
choke position and retry.
WARM WEATHER STARTING (50° F and above)
•When engine starts, move the throttle control to the fast
position.
•The attachments and ground drive can now be used. If
the engine does not accept the load, restart the engine
and allow it to warm up for one minute using the choke
as described above.
COLD WEATHER STARTING ( 50° F and below)
•When engine starts, allow engine to run with the throttle
control in the choke position until the engine runs
roughly, then move throttle control to fast position. This
may require an engine warm-up period from several
seconds to several minutes, depending on the tempera-
ture.
AUTOMATIC TRANSMISSION WARM UP
•Before driving the unit in cold weather, the transmission
should be warmed up as follows:
•Be sure the tractor is on level ground.
•Place the motion control lever in neutral. Release
the parking brake and let the clutch/brake
slowly return to operating position.
•Allow one minute for transmission to warm up. This
can be done during the engine warm up period.
•The attachments can also be used during the engine
warm-up period after the transmission has been warmed
up.
NOTE: If at a high altitude (above 3000 feet) or in cold
temperatures (below 32 F) the carburetor fuel mixture may
need to be adjusted for best engine performance. See “TO
ADJUST CARBURETOR” in the Service and Adjustments
section of this manual.

14
FIG. 9
MOWING TIPS
•Mower should be properly leveled for best mowing
performance. See “TO LEVEL MOWER HOUSING” in
the Service and Adjustments section of this manual.
•The left hand side of mower should be used for trimming.
•Drive so that clippings are discharged onto the area that
has been cut. Have the cut area to the right of the
machine. This will result in a more even distribution of
clippings and more uniform cutting.
•When mowing large areas, start by turning to the right so
that clippings will discharge away from shrubs, fences,
driveways, etc. After one or two rounds, mow in the
opposite direction making left hand turns until finished
(See Fig. 9).
•If grass is extremely tall, it should be mowed twice to
reduce load and possible fire hazard from dried clip-
pings. Make first cut relatively high; the second to the
desired height.
•Do not mow grass when it is wet. Wet grass will plug
mower and leave undesirable clumps. Allow grass to dry
before mowing.
•Always operate engine at full throttle when mowing
to assure better mowing performance and proper dis-
charge of material. Regulate ground speed by selecting
a low enough gear to give the mower cutting perfor-
mance as well as the quality of cut desired.
•When operating attachments, select a ground speed
that will suit the terrain and give best performance of the
attachment being used.
OPERATION
•Sitting in the tractor seat, start engine. After the engine
is running, move throttle control to slow position. With
motion control lever in neutral (N) position, slowly
disengage clutch/brake pedal.
•Move motion control lever to full forward position and
hold for five (5) seconds. Move lever to full reverse
position and hold for five (5) seconds. Repeat this
procedure three (3) times.
NOTE: During this procedure there will be no movement of
drive wheels. The air is being removed from hydraulic drive
system.
•Move motion control lever to neutral (N) position. Shut-
off engine and set parking brake.
•Engage transmission by placing freewheel control in
driving position (See “TO TRANSPORT” in this section
of manual).
•Sitting in the tractor seat, start engine. After the engine
is running, move throttle control to half (1/2) speed. With
motion control lever in neutral (N) position, slowly
disengage clutch/brake pedal.
•Slowly move motion control lever forward, after the
tractor moves approximately five (5) feet, slowly move
motion control lever to reverse position. After the tractor
moves approximately five (5) feet return the motion
control lever to the neutral (N) position. Repeat this
procedure with the motion control lever three (3) times.
•Your tractor is now purged and now ready for normal
operation.

15
CUSTOMER RESPONSIBILITIES
BEFORE EACH USE
T
R
A
C
T
0
R
Adjust Motion Drive Belt(s) Tension
Inspect Muffler/Spark Arrester
Lubrication Chart
Check Brake Operation
Clean Air Filter
Change Engine Oil
Replace Air Filter Paper Cartridge
Replace Spark Plug
Check Battery Level
Check Tire Pressure
Clean Battery and Terminals
FILL IN DATES
AS YOU COMPLETE
REGULAR SERVICE
MAINTENANCE SCHEDULE
EVERY 8 HOURS
EVERY 25 HOURS
EVERY 50 HOURS
EVERY 100 HOURS
EVERY SEASON
SERVICE DATES
Check for Loose Fasteners
BEFORE STORAGE
Check Engine Oil Level
Clean Engine Cooling Fins
Sharpen/Replace Mower Blades
Check Operator Presence and
Interlock Systems
Clean Air Screen
1 - Change more often when operating under a heavy load or in high ambient temperatures.
2 - Service more often when operating in dirty or dusty conditions.
3 - If equipped with oil filter, change oil every 50 hours.
4 - Replace blades more often when mowing in sandy soil.
E
N
G
I
N
E
Replace Oil Filter (If equipped)
Check Transaxle Cooling
Adjust Blade Belt(s) Tension
Replace Fuel Filter
1
4
2
2
2
2
5 - If equipped with adjustable system.
6 - Not required if equipped with maintenance-free battery.
7 - Tighten front axle pivot bolt to 35 ft.-lbs. maximum.
Do not overtighten.
1
,
12,3
,
2
5
5
6
7
GENERAL RECOMMENDATIONS
The warranty on this tractor does not cover items that have
been subjected to operator abuse or negligence. To receive
full value from the warranty, operator must maintain tractor
as instructed in this manual.
Some adjustments will need to be made periodically to
properly maintain your tractor.
All adjustments in the Service and Adjustments section of
this manual should be checked at least once each season.
•Once a year you should replace the spark plug, clean or
replace air filter, and check blades and belts for wear. A
new spark plug and clean air filter assure proper air-fuel
mixture and help your engine run better and last longer.
BEFORE EACH USE
•Check engine oil level.
•Check brake operation.
•Check tire pressure.
•Check operator presence and
interlock systems for proper operation.
•Check for loose fasteners.
LUBRICATION CHART
FRONT WHEEL
BEARING ZERK FRONT WHEEL
BEARING ZERK
ENGINE
SPINDLE
ZERK SPINDLE
ZERK
GENERAL PURPOSE GREASE
REFER TO CUSTOMER RESPONSIBILITIES “ENGINE”
SECTION
IMPORTANT: DO NOT OIL OR GREASE THE PIVOT POINTS
WHICH HAVE SPECIAL NYLON BEARINGS. VISCOUS LUBRI-
CANTS WILL ATTRACT DUST AND DIRT THAT WILL SHORTEN
THE LIFE OF THE SELF-LUBRICATING BEARINGS. IF YOU
FEEL THEY MUST BE LUBRICATED, USE ONLY A DRY, POW-
DERED GRAPHITE TYPE LUBRICANT SPARINGLY.

16
CUSTOMER RESPONSIBILITIES
BLADE REMOVAL (See Fig. 10)
•Raise mower to highest position to allow access to
blades.
•Remove hex bolt, lock washer and flat washer securing
blade.
•Install new or resharpened blade with trailing edge up
towards deck as shown.
IMPORTANT: TO ENSURE PROPER ASSEMBLY, CENTER
HOLE IN BLADE MUST ALIGN WITH STAR ON MANDREL
ASSEMBLY.
•Reassemble hex bolt, lock washer and flat washer in
exact order as shown.
•Tighten bolt securely (27-35 Ft. Lbs. torque).
IMPORTANT: BLADE BOLT IS GRADE 8 HEAT TREATED.
TRAILING
EDGE UP
FLAT WASHER
LOCK WASHER
BLADE
BLADE
CENTER HOLE
5/8" BOLT
OR PIN
FIG. 11
MANDREL
ASSEMBLY
*A GRADE 8 HEAT TREATED BOLT CAN BE
IDENTIFIED BY SIX LINES ON THE BOLT HEAD.
HEX BOLT (GRADE 8)*
FIG. 10
TO SHARPEN BLADE (See Fig. 11)
NOTE: We do not recommend sharpening blade - but if you
do, be sure the blade is balanced.
Care should be taken to keep the blade balanced. An
unbalanced blade will cause excessive vibration and even-
tual damage to mower and engine.
•The blade can be sharpened with a file or on a grinding
wheel. Do not attempt to sharpen while on the mower.
•To check blade balance, you will need a 5/8" diameter
steel bolt, pin, or a cone balancer. (When using a cone
balancer, follow the instructions supplied with balancer).
NOTE: Do not use a nail for balancing blade. The lobes of
the center hole may appear to be centered, but are not.
•Slide blade on to an unthreaded portion of the steel bolt
or pin and hold the bolt or pin parallel with the ground. If
blade is balanced, it should remain in a horizontal
position. If either end of the blade moves downward,
sharpen the heavy end until the blade is balanced.
TRACTOR
Always observe safety rules when performing any mainte-
nance.
BRAKE OPERATION
If tractor requires more than six (6) feet stopping distance at
high speed in highest gear, then brake must be adjusted.
(See “TO ADJUST BRAKE” in the Service and Adjustments
section of this manual).
TIRES
•Maintain proper air pressure in all tires (See “PRODUCT
SPECIFICATIONS” section of this manual).
•Keep tires free of gasoline, oil, or insect control chemi-
cals which can harm rubber.
•Avoid stumps, stones, deep ruts, sharp objects and
other hazards that may cause tire damage.
NOTE: To seal tire punctures and prevent flat tires due to
slow leaks, tire sealant may be purchased from your local
parts dealer. Tire sealant also prevents tire dry rot and
corrosion.
OPERATOR PRESENCE SYSTEM
Be sure operator presence and interlock systems are work-
ing properly. If your tractor does not function as described,
repair the problem immediately.
•The engine should not start unless the clutch/brake
pedal is fully depressed and attachement clutch control
is in the disengaged position.
•When the engine is running, any attempt by the operator
to leave the seat without first setting the parking brake
should shut off the engine.
•When the engine is running and the attachment clutch is
engaged, any attempt by the operator to leave the seat
should shut off the engine.
•The attachment clutch should never operate unless the
operator is in the seat.
BLADE CARE
For best results mower blades must be kept sharp. Replace
bent or damaged blades.
CENTER
HOLE
STAR
BATTERY
Your tractor has a battery charging system which is suffi-
cient for normal use. However, periodic charging of the
battery with an automotive charger will extend its life.
•Keep battery and terminals clean.
•Keep battery bolts tight.
•Keep small vent holes open.
•Recharge at 6-10 amperes for 1 hour.
NOTE: The original equipment battery on your tractor is
maintenance free. Do not attempt to open or remove caps or
covers. Adding or checking level of electrolyte is not
necessary.

17
CUSTOMER RESPONSIBILITIES
V-BELTS
Check V-belts for deterioration and wear after 100 hours of
operation and replace if necessary. The belts are not
adjustable. Replace belts if they begin to slip from wear.
TRANSAXLE COOLING
The transmission fan and cooling fins should be kept clean
to assure proper cooling.
Do not attempt to clean fan or transmission while engine is
running or while the transmission is hot. To prevent possible
damage to seals, do not use high pressure water or steam
to clean transaxle.
•Inspect cooling fan to be sure fan blades are intact and
clean.
•Inspect cooling fins for dirt, grass clippings and other
materials. To prevent damage to seals, do not use
compressed air or high pressure sprayer to clean cooling
fins.
TRANSAXLE PUMP FLUID
The transaxle was sealed at the factory and fluid mainte-
nance is not required for the life of the transaxle. Should the
transaxle ever leak or require servicing, contact your nearest
authorized service center/department.
TO CLEAN BATTERY AND TERMINALS
Corrosion and dirt on the battery and terminals can cause the
battery to “leak” power.
•Open battery box door.
•Disconnect BLACK battery cable first then RED battery
cable and remove battery from tractor.
•Rinse the battery with plain water and dry.
•Clean terminals and battery cable ends with wire brush
until bright.
•Coat terminals with grease or petroleum jelly.
•Reinstall battery (See “REPLACING BATTERY" in the
SERVICE AND ADJUSTMENTS section of this manual).
ENGINE
LUBRICATION
Only use high quality detergent oil rated with API service
classification SF-SJ. Select the oil’s SAE viscosity grade
according to your expected operating temperature.
TEMPERATURE RANGE ANTICIPATED BEFORE NEXT OIL CHANGE
SAE VISCOSITY GRADES
-20°0°30°40°80°100°
-30°-20°0°20°30°40°
°F
°C
32°
-10°10°
60°
5W-30
SAE 30
NOTE: Although multi-viscosity oils (5W30, 10W30 etc.)
improve starting in cold weather, these multi-viscosity oils
will result in increased oil consumption when used above
32°F. Check your engine oil level more frequently to avoid
possible engine damage from running low on oil.
Change the oil after every 25 hours of operation or at least
once a year if the tractor is not used for 25 hours in one year.
Check the crankcase oil level before starting the engine and
after each eight (8) hours of operation. Tighten oil fill cap/
dipstick securely each time you check the oil level.
TO CHANGE ENGINE OIL (See Figs. 12 and 13)
Determine temperature range expected before oil change.
All oil must meet API service classification SF-SJ.
•Be sure tractor is on level surface.
•Oil will drain more freely when warm.
•Catch oil in a suitable container.
•Remove oil fill cap/dipstick. Be careful not to allow dirt
to enter the engine when changing oil.
•Remove cap from bottom fitting of drain valve and install
the drain tube onto the fitting.
•Unlock drain valve by pushing inward and turning coun-
terclockwise.
•To open, pull out on the drain valve.
•After oil has drained completely, close and lock the drain
valve by pushing inward and turning clockwise until the
pin is in the locked position as shown.
•Remove the drain tube and replace the cap onto to the
bottom fitting of the drain valve.
•Refill engine with oil through oil fill dipstick tube. Pour
slowly. Do not overfill. For approximate capacity see
“PRODUCT SPECIFICATIONS” section of this manual.
•Use gauge on oil fill cap/dipstick for checking level. Be
sure dipstick cap is tightened securely for accurate
reading. Keep oil at “FULL” line on dipstick.
CLOSED
AND
LOCKED
POSITION
CAP
DRAIN
TUBE
OIL DRAIN VALVE
FIG. 13
FIG. 12
CLEAN AIR SCREEN
Air screen must be kept free of dirt and chaff to prevent
engine damage from overheating. Clean with a wire brush or
compressed air to remove dirt and stubborn dried gum fibers.

18
CUSTOMER RESPONSIBILITIES
MUFFLER
Inspect and replace corroded muffler and spark arrester (if
equipped) as it could create a fire hazard and/or damage.
SPARK PLUGS
Replace spark plugs at the beginning of each mowing
season or after every 100 hours of operation, whichever
occurs first. Spark plug type and gap setting are shown in
“PRODUCT SPECIFICATIONS” section of this manual.
IN-LINE FUEL FILTER (See Fig. 15)
The fuel filter should be replaced once each season. If fuel
filter becomes clogged, obstructing fuel flow to carburetor,
replacement is required.
•With engine cool, remove filter and plug fuel line sec-
tions.
•Place new fuel filter in position in fuel line with arrow
pointing towards carburetor.
•Be sure there are no fuel line leaks and clamps are
properly positioned.
•Immediately wipe up any spilled gasoline.
CLAMP
FUEL
FILTER
CLAMP
FIG. 15
CLEANING
•Clean engine, battery, seat, finish, etc. of all foreign
matter.
•Keep finished surfaces and wheels free of all gasoline,
oil, etc.
•Protect painted surfaces with automotive type wax.
We do not recommend using a garden hose to clean your
tractor unless the electrical system, muffler, air filter and
carburetor are covered to keep water out. Water in engine
can result in a shortened engine life.
ENGINE COOLING FINS (See Fig. 14)
Remove any dust, dirt or oil from engine cooling fins to
prevent engine damage from overheating. Hood and engine
blower housing must be removed to clean engine cooling
fins.
•Remove hood (See “TO REMOVE HOOD AND GRILL
ASSEMBLY” in the Service and Adjustments section of
this manual).
•Remove screws securing air cleaner body and remove.
(Cover carburetor opening to prevent entry of dirt).
•Remove oil fill dipstick and cover opening to prevent
entry of dirt.
•Remove screws from blower housing and lift housing off
engine.
•Use compressed air or stiff bristle brush to thoroughly
clean engine cooling fins.
•To reassemble, reverse above procedure.
•Be certain carburetor tube, breather tube and gaskets
are in place.
AIR FILTER
Your engine will not run properly using a dirty air filter.
Remove cartridge every 25 hours of operation and tap to
clean. Replace paper cartridge once a year or after every 100
hours of operation, more often if used in very dusty, dirty
conditions.
•Remove knobs and cover.
•Remove foam pre-cleaner element by sliding it off of the
paper cartridge.
NOTE: Do not attempt to clean or oil the paper cartridge.
Replace paper cartridge once a year or after every 100 hours
of operation; more often if used in very dusty or dirty
conditions.
•Wash foam pre-cleaner in liquid detergent and water.
•Wrap foam pre-cleaner in cloth and squeeze dry.
•Lightly coat foam pre-cleaner with clean engine oil.
Squeeze in towel to remove excess oil. Do not saturate.
•Install foam pre-cleaner over paper cartridge.
•Reassemble cover and tighten knobs securely.
AIR CLEANER COVER
SCREWS
GASKETS
BREATHER
TUBE
CARBURETOR
TUBE
MUFFLER
SPARK
PLUG
CYLINDER
HEAD
COVER
COOLING FINS
SCREW
SCREW
BLOWER
HOUSING
FIG. 14

19
SERVICE AND ADJUSTMENTS
FIG. 16
CAUTION: BEFORE PERFORMING ANY SERVICE OR ADJUSTMENTS:
•Depress clutch/brake pedal fully and set parking brake.
•Place motion control lever in neutral (N) position.
•Place attachment clutch in “DISENGAGED” position.
•Turn ignition key “OFF” and remove key.
•Make sure the blades and all moving parts have completely stopped.
•Disconnect spark plug wire from spark plug and place wire where it cannot come in contact
with plug.
TO LEVEL MOWER HOUSING
Adjust the mower while tractor is parked on level ground or
driveway. Make sure tires are properly inflated (See “PROD-
UCT SPECIFICATIONS” section of this manual). If tires are
over or underinflated, you will not properly adjust your
mower.
SIDE-TO-SIDE ADJUSTMENT (See Figs. 17 and 18)
•Raise mower to its highest position.
•At the midpoint of both sides of mower, measure height
from bottom edge of mower to ground. Distance “A” on
both sides of mower should be the same or within 1/4"
of each other.
•If adjustment is necessary, make adjustment on one
side of mower only.
FIG. 17
“A”“A”
BOTTOM EDGE
OF MOWER
TO GROUND
BOTTOM EDGE
OF MOWER
TO GROUND
GROUND LINE
TRACTOR
TO REMOVE MOWER (See Fig. 16)
Mower will be easier to remove from the right side of tractor.
•Place attachment clutch in “DISENGAGED” position.
•Move attachment lift lever forward to lower mower to its
lowest position.
•Roll belt off engine pulley.
•Remove small retainer spring, and lift clutch spring off
pulley bolt.
•Remove large retainer spring, slide collar off and push
housing guide out of bracket.
•Disconnect anti-swaybar from chassis bracket by re-
moving retainer spring.
•Disconnect suspension arms from rear deck brackets
by removing retainer springs.
•Disconnect front links from deck by removing retainer
springs.
•Raise lift lever to raise suspension arms. Slide mower
out from under tractor.
IMPORTANT: IF AN ATTACHMENT OTHER THAN THE
MOWER DECK IS TO BE MOUNTED ON THE TRAC-
TOR, REMOVE THE FRONT LINKS AND HOOK THE
CLUTCH SPRING INTO SQUARE HOLE IN FRAME.
TO INSTALL MOWER (See Fig. 16)
•Raise attachment lift lever to its highest position.
•Slide mower under tractor with deflector shield to right
side of tractor.
•Lower lift lever to its lowest position.
•Install mower in reverse order of removal instructions.
SUSPENSION ARMS
RETAINER SPRINGS
(BOTH SIDES)
RETAINER SPRING
ANTI-SWAY BAR
HOUSING GUIDE
FRONT LINK
COLLAR
ENGINE PULLEY
LARGE RETAINER
SPRING
CLUTCH SPRING
SMALL RETAINER SPRING
BRACKET
SQUARE HOLE

20
TO ADJUST BRAKE (See Fig. 22)
Your tractor is equipped with an adjustable brake system
which is mounted on the side of the transaxle.
If tractor requires more than six (6) feet stopping distance at
high speed in highest gear on a level dry concrete or paved
surface, then brake must be adjusted.
•Depress clutch/brake pedal and engage parking brake.
•Measure distance between brake operating arm and nut
“A” on brake rod.
FIG. 21
TO REPLACE MOWER BLADE DRIVE BELT
(See Fig. 21)
The mower blade drive belt may be replaced without tools.
Park the tractor on level surface. Engage parking brake.
BELT REMOVAL -
•Remove mower from tractor (See “TO REMOVE
MOWER” in this section of this manual).
•Work belt off both mandrel pulleys and idler pulleys.
•Pull belt away from mower.
BELT INSTALLATION -
•Install new belt in reverse order of removal.
•Make sure belt is in all pulley grooves and inside all belt
guides.
•Install mower in reverse order of removal instructions.
SERVICE AND ADJUSTMENTS
NUT "E"
"D"
"D"
MANDREL
FIG. 19
NUT "F"
FRONT LINKS
FIG. 20
BOTH FRONT LINKS MUST BE EQUAL IN LENGTH
SUSPENSION ARM
LIFT LINK ADJUSTMENT NUT
FIG. 18
TRUNNION
•To raise one side of mower, tighten lift link adjustment
nut on that side.
•To lower one side of mower, loosen lift link adjustment
nut on that side.
NOTE: Three full turns of adjustment nut will change mower
height about 1/8".
•Recheck measurements after adjusting.
FRONT-TO-BACK ADJUSTMENT (See Figs. 19 and 20)
IMPORTANT: DECK MUST BE LEVEL SIDE-TO-SIDE. IF
THE FOLLOWING FRONT-TO-BACK ADJUSTMENT IS
NECESSARY, BE SURE TO ADJUST BOTH FRONT LINKS
EQUALLY SO MOWER WILL STAY LEVEL SIDE-TO-
SIDE.
To obtain the best cutting results, the mower housing should
be adjusted so that the front is approximately 1/8" to 1/2"
lower than the rear when the mower is in its highest position.
Check adjustment on right side of tractor. Measure distance
“D” directly in front and behind the mandrel at bottom edge
of mower housing as shown.
•Before making any necessary adjustments, check that
both front links are equal in length. Both links should be
approximately 10-3/8".
•If links are not equal in length, adjust one link to same
length as other link.
•To lower front of mower loosen nut “E” on both front links
an equal number of turns.
•When distance “D” is 1/8" to 1/2" lower at front than rear,
tighten nuts “F” against trunnion on both front links.
•To raise front of mower, loosen nut “F” from trunnion on
both front links. Tighten nut “E” on both front links an
equal number of turns.
•When distance “D” is 1/8" to 1/2" lower at front than rear,
tighten nut “F” against trunnion on both front links.
•Recheck side-to-side adjustment.
IDLER PULLEYS
MANDREL PULLEY
MANDREL
PULLEY

21
SERVICE AND ADJUSTMENTS
FIG. 23
ENGINE
PULLEY
CLUTCHING
IDLER
STATIONARY
IDLER
TRANSMISSION
INPUT PULLEY
1-9/16"
WITH PARKING BRAKE
“ENGAGED”
JAM NUT
DO NOT TOUCH THIS NUT. IF FURTHER BRAKE
ADJUSTMENT IS NECESSARY CONTACT YOUR
NEAREST AUTHORIZED SERVICE CENTER/DEPARTMENT
OPERATING
ARM
NUT “A”
FIG. 22
TO REPLACE MOTION DRIVE BELT
(See Fig. 23)
Park the tractor on level surface. Engage parking brake. For
assistance, there is a belt installation guide decal on bottom
side of left footrest.
•Remove mower (See “TO REMOVE MOWER” in this
section of this manual.)
•Remove belt from stationary idler and clutching idler.
•Pull belt slack toward rear of tractor. Carefully remove
belt upwards from transmission input pulley and over
cooling fan blades.
•Pull belt toward front of tractor and remove downward
from around engine pulley.
•Install new belt by reversing above procedure.
•If distance is other than 1-9/16", loosen jam nut and turn
nut “A” until distance becomes 1-9/16". Retighten jam
nut against nut “A”.
•Road test tractor for proper stopping distance as stated
above. Readjust if necessary. If stopping distance is
still greater than six (6) feet in highest gear, further
maintenance is necessary. Contact your nearest au-
thorized service center/department.
TRANSMISSION REMOVAL/REPLACEMENT
Should your transmission require removal for service or
replacement, it should be purged after reinstallation and
before operating the tractor. See “PURGE TRANSMIS-
SION” in the Operation section of this manual.
ADJUSTMENT
BOLT
FIG. 24
NEUTRAL
LOCK GATE
MOTION CONTROL
LEVER
TO ADJUST STEERING WHEEL ALIGNMENT
If steering wheel crossbars are not horizontal (left to right)
when wheels are positioned straight forward, remove steer-
ing wheel and reassemble per instructions in the Assembly
section of this manual.
FRONT WHEEL TOE-IN/CAMBER
The front wheel toe-in and camber are not adjustable on your
tractor. If damage has occurred to affect the front wheel toe-
in or camber, contact your nearest authorized service
center/department.
TRANSAXLE MOTION CONTROL LEVER
NEUTRAL ADJUSTMENT (See Fig. 24)
The motion control lever has been preset at the factory and
adjustment should not be necessary.
•Loosen adjustment bolt in front of the right rear wheel,
and lightly tighten.
•Start engine and move motion control lever until tractor
does not move forward or backward.
•Hold motion control lever in that position and turn engine
off.
•While holding motion control lever in place, loosen the
adjustment bolt.
•Move motion control lever to the neutral (N) (lock gate)
position.
•Tighten adjustment bolt securely.
NOTE: If additional clearance is needed to get to adjustment
bolt, move mower deck height to the lowest position.
After above adjustment is made, if the tractor still creeps
forward or backward while motion control lever is in neutral
position, follow these steps:
•Loosen the adjustment bolt.
•Move the motion control lever 1/4 to 1/2 inch in the
direction it is trying to creep.
•Tighten adjustment bolt securely.
•Start engine and test.
•If tractor still creeps, repeat above steps until satisfied.

22
FIG. 27
SEAT PAN
BATTERY
BOX DOOR
FIG. 26
POSITIVE TERMINAL
CHASSIS
POSITIVE TERMINAL
CHARGED
BATTERY
CABLES
NEGATIVE TERMINAL
NEGATIVE TERMINAL
REPLACING BATTERY (See Figs. 27 and 28)
CAUTION: Do not short battery termi-
nals by allowing a wrench or any other
object to contact both terminals at the
same time. Before connecting battery,
remove metal bracelets, wristwatch
bands, rings, etc.
Positive terminal must be connected
first to prevent sparking from accidental
grounding.
•Lift seat pan to raised position and open battery box
door.
•Disconnect BLACK battery cable first then RED battery
cable and carefully remove battery from tractor.
•Install new battery with terminals in same position as old
battery.
•First connect RED battery cable to positive (+) terminal
with hex bolt and keps nut as shown. Tighten securely.
•Connect BLACK grounding cable to negative (-) terminal
with remaining hex bolt and keps nut. Tighten securely.
•Close battery box door.
SERVICE AND ADJUSTMENTS
TO REMOVE WHEEL FOR REPAIRS
(See Fig. 25)
•Block up axle securely.
•Remove axle cover, retaining ring and washers to allow
wheel removal (rear wheel contains a square key - Do
not lose).
•Repair tire and reassemble.
•On rear wheels only: align grooves in rear wheel hub and
axle. Insert square key.
•Replace washers and snap retaining ring securely in
axle groove.
•Replace axle cover.
NOTE: To seal tire punctures and prevent flat tires due to
slow leaks, tire sealant may be purchased from your local
parts dealer. Tire sealant also prevents tire dry rot and
corrosion.
FIG. 25
RETAINING
RING
WASHERS
SQUARE KEY (REAR
WHEEL ONLY)
AXLE COVER
TO START ENGINE WITH A WEAK BATTERY
(See Fig. 26)
CAUTION: Lead-acid batteries generate
explosive gases. Keep sparks, flame
and smoking materials away from bat-
teries. Always wear eye protection when
around batteries.
If your battery is too weak to start the engine, it should be
recharged. (See "BATTERY" in the CUSTOMER RESPON-
SIBILITIES section of this manual).
If “jumper cables” are used for emergency starting, follow
this procedure:
IMPORTANT: YOUR TRACTOR IS EQUIPPED WITH A 12
VOLT NEGATIVE GROUNDED SYSTEM. THE OTHER
VEHICLE MUST ALSO BE A 12 VOLT NEGATIVE
GROUNDED SYSTEM. DO NOT USE YOUR TRACTOR
BATTERY TO START OTHER VEHICLES.
TO ATTACH JUMPER CABLES -
•Connect each end of the RED cable to the POSITIVE (+)
terminal of each battery, taking care not to short against
chassis.
•Connect one end of the BLACK cable to the NEGATIVE
(-) terminal of fully charged battery.
•Connect the other end of the BLACK cable to good
CHASSIS GROUND, away from fuel tank and battery.
TO REMOVE CABLES, REVERSE ORDER -
•BLACK cable first from chassis and then from the fully
charged battery.
•RED cable last from both batteries.

23
SERVICE AND ADJUSTMENTS
FIG. 28
KEPS NUT HEX
BOLT
POSITIVE
(RED)
CABLE NEGATIVE
(BLACK)
CABLE
TO REMOVE HOOD AND GRILL ASSEMBLY
(See Fig. 29)
•Raise hood.
•Unsnap headlight wire connector.
•Stand in front of tractor. Grasp hood at sides, tilt toward
engine and lift off of tractor.
•To replace, reverse above procedure.
HEADLIGHT
WIRE
CONNECTOR
HOOD
TO REPLACE HEADLIGHT BULB
•Raise hood.
•Pull bulb holder out of the hole in the backside of the grill.
•Replace bulb in holder and push bulb holder securely
back into the hole in the backside of the grill.
•Close hood.
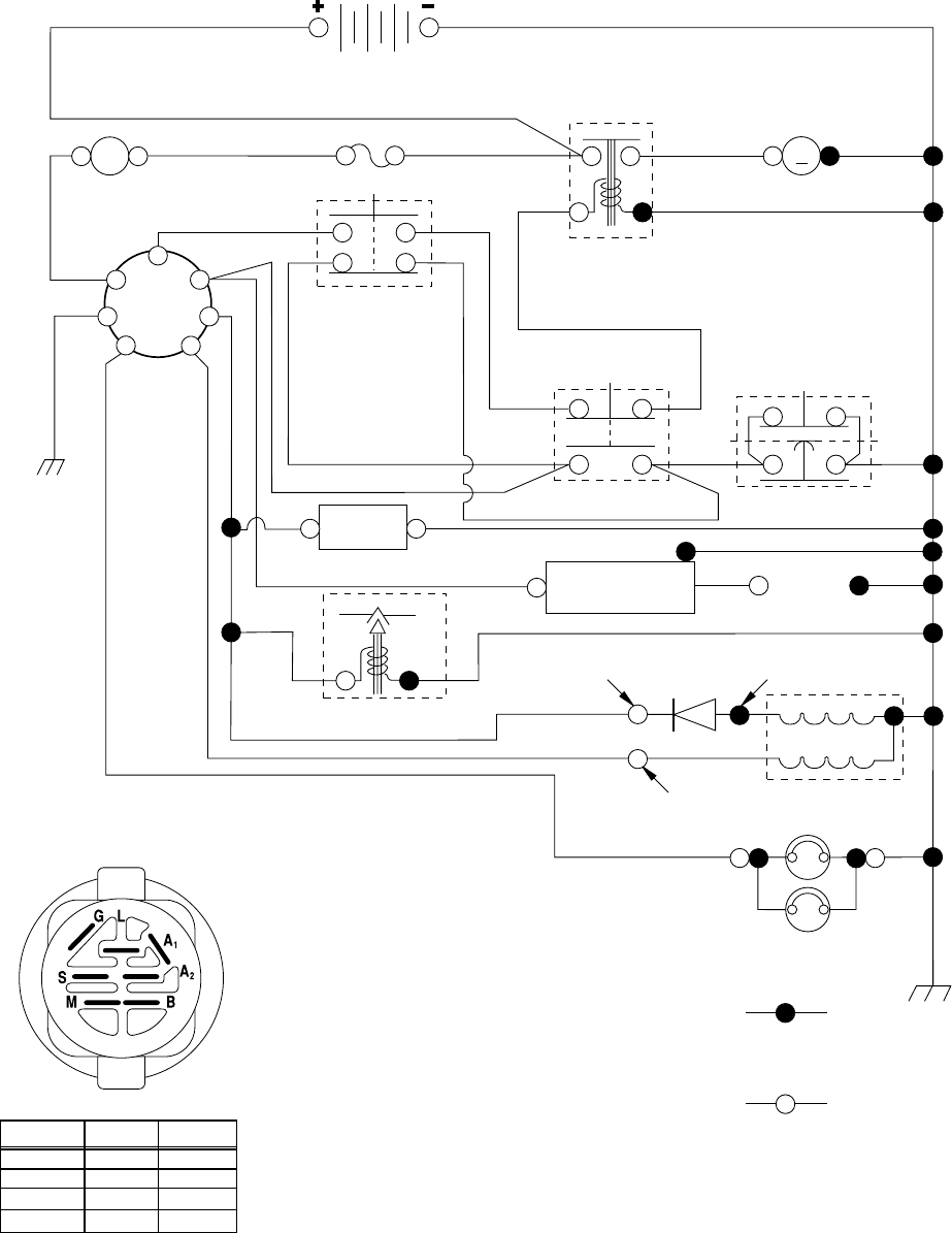
INTERLOCKS AND RELAYS
Loose or damaged wiring may cause your tractor to run
poorly, stop running, or prevent it from starting.
•Check wiring. See electrical wiring diagram in the Repair
Parts section.
TO REPLACE FUSE
Replace with 20 amp automotive-type plug-in fuse. The fuse
holder is located behind the dash.
FIG. 29
ENGINE
TO ADJUST THROTTLE CONTROL CABLE
(See Fig. 30)
The throttle control has been preset at the factory and
adjustment should not be necessary. Check adjustment as
described below before loosening cable. If adjustment is
necessary, proceed as follows:
•With engine not running, move throttle control lever from
slow to choke position. Slowly move lever from choke to
fast position.
•Check that hole in throttle lever and hole in plate line up.
If holes “A” are not aligned, loosen clamp screw and
move throttle cable until holes are aligned. Tighten
clamp screw securely.
FAST
IDLE SPEED
SCREW
THROTTLE
LEVER
PLATE
THROTTLE CABLE
CLAMP
SCREW
HOLE “A”
FIG. 30
TO ADJUST CARBURETOR
The carburetor has been preset at the factory and adjust-
ment should not be necessary. However, minor adjustment
may be required to compensate for differences in fuel,
temperature, altitude or load. If the carburetor does need
adjustment, see engine manual.
High speed stop is factory adjusted. Do not adjust - damage
may result.
IMPORTANT: NEVER TAMPER WITH THE ENGINE
GOVERNOR, WHICH IS FACTORY SET FOR PROPER
ENGINE SPEED. OVERSPEEDING THE ENGINE ABOVE
THE FACTORY HIGH SPEED SETTING CAN BE
DANGEROUS. IF YOU THINK THE ENGINE-GOVERNED
HIGH SPEED NEEDS ADJUSTING, CONTACT YOUR
NEAREST AUTHORIZED SERVICE CENTER/
DEPARTMENT, WHICH HAS PROPER EQUIPMENT AND
EXPERIENCE TO MAKE ANY NECESSARY
ADJUSTMENTS.

24
STORAGE
Immediately prepare your tractor for storage at the end of the
season or if the tractor will not be used for 30 days or more.
CAUTION: Never store the tractor with
gasoline in the tank inside a building
where fumes may reach an open flame
or spark. Allow the engine to cool
before storing in any enclosure.
TRACTOR
Remove mower from tractor for winter storage. When mower
is to be stored for a period of time, clean it thoroughly,
remove all dirt, grease, leaves, etc. Store in a clean, dry
area.
•Clean entire tractor (See “CLEANING” in the Customer
Responsibilities section of this manual).
•Inspect and replace belts, if necessary (See belt re-
placement instructions in the Service and Adjustments
section of this manual).
•Lubricate as shown in the Customer Responsibilities
section of this manual.
•Be sure that all nuts, bolts and screws are securely
fastened. Inspect moving parts for damage, breakage
and wear. Replace if necessary.
•Touch up all rusted or chipped paint surfaces; sand
lightly before painting.
BATTERY
•Fully charge the battery for storage.
•After a period of time in storage, battery may require
recharging.
•To help prevent corrosion and power leakage during long
periods of storage, battery cables should be discon-
nected and battery cleaned thoroughly (see “TO CLEAN
BATTERY AND TERMINALS” in the Customer Respon-
sibilities section of this manual).
•After cleaning, leave cables disconnected and place
cables where they cannot come in contact with battery
terminals.
•If battery is removed from tractor for storage, do not
store battery directly on concrete or damp surfaces.
ENGINE
FUEL SYSTEM
IMPORTANT: IT IS IMPORTANT TO PREVENT GUM
DEPOSITS FROM FORMING IN ESSENTIAL FUEL SYSTEM
PARTS SUCH AS CARBURETOR, FUEL FILTER, FUEL
HOSE, OR TANK DURING STORAGE. ALSO,
EXPERIENCE INDICATES THAT ALCOHOL BLENDED
FUELS (CALLED GASOHOL OR USING ETHANOL OR
METHANOL) CAN ATTRACT MOISTURE WHICH LEADS
TO SEPARATION AND FORMATION OF ACIDS DURING
STORAGE. ACIDIC GAS CAN DAMAGE THE FUEL
SYSTEM OF AN ENGINE WHILE IN STORAGE.
•Drain the fuel tank.
•Start the engine and let it run until the fuel lines and
carburetor are empty.
•Never use engine or carburetor cleaner products in the
fuel tank or permanent damage may occur.
•Use fresh fuel next season.
NOTE: Fuel stabilizer is an acceptable alternative in
minimizing the formation of fuel gum deposits during stor-
age. Add stabilizer to gasoline in fuel tank or storage
container. Always follow the mix ratio found on stabilizer
container. Run engine at least 10 minutes after adding
stabilizer to allow the stabilizer to reach the carburetor. Do
not drain the gas tank and carburetor if using fuel stabilizer.
ENGINE OIL
Drain oil (with engine warm) and replace with clean engine oil.
(See “ENGINE” in the Customer Responsibilities section of
this manual).
CYLINDER(S)
•Remove spark plug(s).
•Pour one ounce of oil through spark plug hole(s) into
cylinder(s).
•Turn ignition key to “START” position for a few seconds
to distribute oil.
•Replace with new spark plug(s).
OTHER
•Do not store gasoline from one season to another.
•Replace your gasoline can if your can starts to rust.
Rust and/or dirt in your gasoline will cause problems.
•If possible, store your tractor indoors and cover it to give
protection from dust and dirt.
•Cover your tractor with a suitable protective cover that
does not retain moisture. Do not use plastic. Plastic
cannot breathe which allows condensation to form and
will cause your tractor to rust.
IMPORTANT: NEVER COVER TRACTOR WHILE ENGINE
AND EXHAUST AREAS ARE STILL WARM.

25
Will not start 1. Out of fuel. 1. Fill fuel tank.
2. Engine not “CHOKED” properly. 2. See “TO START ENGINE” in Operation section.
3. Engine flooded. 3. Wait several minutes before attempting to start.
4. Bad spark plug. 4. Replace spark plug.
5. Dirty air filter. 5. Clean/replace air filter.
6. Dirty fuel filter. 6. Replace fuel filter.
7. Water in fuel. 7. Drain fuel tank and carburetor, refill tank with fresh
gasoline and replace fuel filter.
8. Loose or damaged wiring. 8. Check all wiring.
9. Carburetor out of adjustment. 9. See “To Adjust Carburetor” in Service Adjustments
section.
10. Engine valves out of adjustment. 10. Contact an authorized service center/department.
Hard to start 1. Dirty air filter. 1. Clean/replace air filter.
2. Bad spark plug. 2. Replace spark plug.
3. Weak or dead battery. 3. Recharge or replace battery.
4. Dirty fuel filter. 4. Replace fuel filter.
5. Stale or dirty fuel. 5. Drain fuel tank and refill with fresh gasoline.
6. Loose or damaged wiring. 6. Check all wiring.
7. Carburetor out of adjustment. 7. See “To Adjust Carburetor” in Service Adjustments
section.
8. Engine valves out of adjustment. 8. Contact an authorized service center/department.
Engine will not turn over 1. Clutch/brake pedal not depressed. 1. Depress clutch/brake pedal.
2. Attachment clutch is engaged. 2. Disengage attachment clutch.
3. Weak or dead battery. 3. Recharge or replace battery.
4. Blown fuse. 4. Replace fuse.
5. Corroded battery terminals. 5. Clean battery terminals.
6. Loose or damaged wiring. 6. Check all wiring.
7. Faulty ignition switch. 7. Check/replace ignition switch.
8. Faulty solenoid or starter. 8. Check/replace solenoid or starter.
9. Faulty operator presence switch(es). 9. Contact an authorized service center/department.
Engine clicks but will not 1. Weak or dead battery. 1. Recharge or replace battery.
start 2. Corroded battery terminals. 2. Clean battery terminals.
3. Loose or damaged wiring. 3. Check all wiring.
4. Faulty solenoid or starter. 4. Check/replace solenoid or starter.
Loss of power 1. Cutting too much grass/too fast. 1. Set in “Higher Cut” position/reduce speed.
2. Throttle in “CHOKE” position. 2. Adjust throttle control.
3. Build-up of grass, leaves and trash under mower. 3. Clean underside of mower housing.
4. Dirty air filter. 4. Clean/replace air filter.
5. Low oil level/dirty oil. 5. Check oil level/change oil.
6. Faulty spark plug. 6. Clean and regap or change spark plug.
7. Dirty fuel filter. 7. Replace fuel filter.
8. Stale or dirty fuel. 8. Drain fuel tank and refill with fresh gasoline.
9. Water in fuel. 9. Drain fuel tank and carburetor, refill tank with fresh
gasoline and replace fuel filter.
10. Spark plug wire loose. 10. Connect and tighten spark plug wire.
11. Dirty engine air screen/fins. 11. Clean engine air screen/fins.
12. Dirty/clogged muffler. 12. Clean/replace muffler.
13. Loose or damaged wiring. 13. Check all wiring.
14. Carburetor out of adjustment. 14. See “To Adjust Carburetor” in Service Adjustments
section.
15. Engine valves out of adjustment. 15. Contact an authorized service center/department.
Excessive vibration 1. Worn, bent or loose blade. 1. Replace blade. Tighten blade bolt.
2. Bent blade mandrel. 2. Replace blade mandrel.
3. Loose/damaged part(s). 3. Tighten loose part(s). Replace damaged parts.
PROBLEM CAUSE CORRECTION
TROUBLESHOOTING POINTS

26
PROBLEM CAUSE CORRECTION
Engine continues to run 1. Faulty operator-safety presence control system. 1. Check wiring, switches and connections. If not
when operator leaves corrected, contact an authorized service center/
seat with attachment department.
clutch engaged
Poor cut - uneven 1. Worn, bent or loose blade. 1. Replace blade. Tighten blade bolt.
2. Mower deck not level. 2. Level mower deck.
3. Buildup of grass, leaves, and trash under mower. 3. Clean underside of mower housing.
4. Bent blade mandrel. 4. Replace blade mandrel.
5. Clogged mower deck vent holes from buildup of 5. Clean around mandrels to open vent holes.
grass, leaves, and trash around mandrels.
Mower blades will not 1. Obstruction in clutch mechanism. 1. Remove obstruction.
rotate 2. Worn/damaged mower drive belt. 2. Replace mower drive belt.
3. Frozen idler pulley. 3. Replace idler pulley.
4. Frozen blade mandrel. 4. Replace blade mandrel.
Poor grass discharge 1. Engine speed too slow. 1. Place throttle control in “FAST” position.
2. Travel speed too fast. 2. Shift to slower speed.
3. Wet grass. 3. Allow grass to dry before mowing.
4. Mower deck not level. 4. Level mower deck.
5. Low/uneven tire air pressure. 5. Check tires for proper air pressure.
6. Worn, bent or loose blade. 6. Replace/sharpen blade. Tighten blade bolt.
7. Buildup of grass, leaves and trash under mower. 7. Clean underside of mower housing.
8. Mower drive belt worn. 8. Replace mower drive belt.
9. Blades improperly installed. 9. Reinstall blades sharp edge down.
10. Improper blades used. 10. Replace with blades listed in this manual.
11. Clogged mower deck vent holes from buildup of 11. Clean around mandrels to open vent holes.
grass, leaves, and trash around mandrels.
Headlight(s) not working 1. Switch is “OFF”. 1. Turn switch “ON”.
(if so equipped) 2. Bulb(s) burned out. 2. Replace bulb(s).
3. Faulty light switch. 3. Check/replace light switch.
4. Loose or damaged wiring. 4. Check wiring and connections.
5. Blown fuse. 5. Replace fuse.
Battery will not charge 1. Bad battery cell(s). 1. Replace battery.
2. Poor cable connections. 2. Check/clean all connections.
3. Faulty regulator (if so equipped). 3. Replace regulator.
4. Faulty alternator. 4. Replace alternator.
Loss of drive 1. Freewheel control in “disengaged” position. 1. Place freewheel control in “engaged” position.
2. Motion drive belt worn, damaged, or broken. 2. Replace motion drive belt.
3. Air trapped in transmission during shipment 3. Purge transmission.
or servicing.
Engine “backfires”1. Engine throttle control not set at “SLOW”1. Move throttle control to “SLOW” position and allow
when turning engine position for 30 seconds before stopping engine. to idle for 30 seconds before stopping engine.
“OFF”
TROUBLESHOOTING POINTS

27
TRACTOR - - MODEL NUMBER S165H42A
SCHEMATIC
BATTERY
FUSE
IGNITION
SWITCH
RED RED
RED BLACK
IGNITION
UNIT
HEADLIGHTS
REMOVABLE
CONNECTIONS
BLACK
BLACK BLACK
WHITE
WHITE
WHITE
RED
BLACK
ORANGE
BLACK
BROWN
BLACK
BLACK
BLACK
STARTER
M
SEAT SWITCH
(NOT OCCUPIED)
GROUNDING
CONNECTOR
ATT'MENT CLUTCH
(CLUTCH OFF)
CLUTCH / BRAKE
(PEDAL UP)
SOLENOID
BLACK
LIGHTING SYSTEM OUTPUT
5 AMP AC @ 3600 RPM
ALTERNATOR
14 VOLTS AC MIN. @ 3600 RPM (LIGHTS OFF)
DIODE
28 VOLTS AC MIN. @ 3600 RPM
(CHARGING SYSTEM DISCONNECTED)
CHARGING SYSTEM OUTPUT
3 AMP DC @ 3600 RPM
NOTE
YOUR TRACTOR IS
EQUIPPED WITH A SPECIAL
ALTERNATOR SYSTEM.
THE LIGHTS ARE NOT
CONNECTED TO THE
BATTERY, BUT HAVE THEIR
OWN ELECTRICAL SOURCE.
BECAUSE OF THIS, THE
BRIGHTNESS OF THE LIGHTS
WILL CHANGE WITH ENGINE
SPEED. AT IDLE THE LIGHTS
WILL DIM. AS THE ENGINE IS
SPEEDED UP, THE LIGHTS
WILL BECOME THEIR BRIGHTEST.
WIRING INSULATED CLIPS
NOTE: IF WIRING INSULATED CLIPS WERE REMOVED FOR
SERVICING OF UNIT, THEY SHOULD BE REPLACED TO
PROPERLY SECURE YOUR WIRING.
A
AMMETER
RED
G
BSM
A1
A2
L
HOUR
METER
(OPTIONAL)
(OPTIONAL)
SPARK
PLUG
GAP
(2 PLUGS ON
TWIN CYL. ENGINES)
IGNITION SWITCH
CIRCUITPOSITION
OFF
B+A1RUN/LIGHT
B + S + A1START
M+G+A1
B+A1RUN
“MAKE”
A2+L
NONE
NONE
NONE
(IF SO EQUIPPED)
NON-REMOVABLE
CONNECTIONS
BLUE
FUEL SHUT-OFF SOLENOID
FUEL
LINE

28
28
29
26
24 42
43
27 27
25
41
27
27
40
33
30
8
2
1
27
16
16
52
D.C. AMPERES
45
2221
REPAIR PARTS TRACTOR - - MODEL NUMBER S165H42A
ELECTRICAL
29
REPAIR PARTS TRACTOR - - MODEL NUMBER S165H42A
ELECTRICAL
1 144925 Battery 12 Volt 25 Amp
2 74760412 Bolt Hex Hd 1/4-20unc X 3/4
8 156417 Case Battery
16 153664 Switch Interlock Push -In
21 166181 Harness Asm Light W/4152J
22 4152J Bulb Light #1156
24 108423X Cable Battery 6 Ga 16"red
25 146147 Cable Battery 6 Ga w/16 wire,red
26 175158 Fuse
27 73510400 Nut Keps Hex 1/4-20 unc
28 4207J Cable Ground 6 Ga 12" black
29 121305X Switch Plunger Nc Gray
30 175566 Switch Ign
33 140401 Key Ign
40 170217 Harness Ign
41 71110408 Bolt Blk Fin Hex 1/4-20 X 1/2
42 131563 Cover Terminal Red
43 175141 Solenoid
45 121433X Ammeter Rectangular
52 141940 Protection Wire Loop
KEY PART
NO. NO. DESCRIPTION
NOTE: All component dimensions give in U.S. inches
1 inch = 25.4 mm.

30
REPAIR PARTS TRACTOR - - MODEL NUMBER S165H42A
CHASSIS AND ENCLOSURES
37
37
3
235
3
26
3
35
26
33 10
34
1
208 11
17
29
28
208
13
207
20
207
23
12
51
57
53
52
54
55
24
26 25
26 25
3
31
24
30
209
8
209
6
16
9
15
209
209
5
5
145
18
3
3
38
38
206
212
31
REPAIR PARTS TRACTOR - - MODEL NUMBER S165H42A
CHASSIS AND ENCLOSURES
1 169831 Chassis
2 169061 Drawbar
3 17060612 Screw 3/8-16 x 3/4
5 155272 Bumper Hood/Dash
6 155923 Saddle Flat Lt Fender Shift
8 155138 Clip Retainer Slide-On
9 168348X012 Dash
10 72140608 Bolt RdHd Sqnk. 3/8-16 Unc x 1
11 155927 Panel Asm. Dash Lh
12 145660 Clip Tinnerman Grile P/L
13 172107X010 Panel Dash Rh
15 74180512 Screw Mach Trhd 5/16-18 Unc x 3/4
16 73510500 Nut Keps 5/16-18 Unc
17 159639X550 Hood
18 126938X Bumper Hood
20 156437 Plate Mtg Battery/Fuel Tank Fr
23 124028X Bushing Snap Nyl Blk Fuel Line
24 74780616 Bolt Fin Hex 3/8-16 Unc x 1 Gr. 5
25 19131312 Washer 13/32 x 13/16 x 12 Ga.
26 73800600 Nut Lock Hex w/Insert 3/8-16 UNC
28 150407 Grill/Lens Asm
29 150209X599 Lens Quadra
30 169467X550 Fender Asm
31 136619 Bracket Fender
33 105476X550 Footrest Lh
34 105475X550 Footrest Rh
35 72110606 Bolt RdHd Sht. Sqnk. 3/8-16 x 3/4
37 17490508 Screw Thdrol 5/16-18 x 1/2 Tyt
38 169834 Bracket Asm. Pivot Mower Rear
51 73800400 Nut Lock Hex W/Ins. 1/4-20
52 19091416 Washer 9/32 x 7/8 x 16 Ga.
53 144697 Bracket Grille LH
54 161464 Screw Hex Wshd 8-18 x 7/8
55 144696 Bracket, Grille RH
57 74780412 Bolt Fin Hex 1/4-20 x .75
145 156524 Rod Pivot Chassis/Hood
206 170165 Bolt shoulder 5/16-18
207 17670508 Screw Thdrol 5/16-18 x 1/2
208 17670608 Screw Thdrol 3/8-16 x 1/2
209 17000612 Screw Hex Wsh Thdrol 3/8-16
212 156494 Insert Lens Reflector
- - 5479J Plug Btn Blk
KEY PART
NO. NO. DESCRIPTION
NOTE: All component dimensions given in U.S. inches
1 inch = 25.4 mm

32
REPAIR PARTS TRACTOR - - MODEL NUMBER S165H42A
DRIVE
51
59
51
42
81
38
61
4142
40
42
39
89
69
56 64
65
212
63
116
70
57
66
27 51
48
151
202
49
47
50
120
150
156 166
165
82
168
163
14
164
21
8
10
83
159
161
198
158
162
171
169
29
28
32
30
52
32
53
35
55
36
62
35
36
22
34
61
16
1
77
77
30 61
52
96
26
25 19 24
26
26 27
26
15
37
84
16
199
16
61
71
200
73 16
61
95
103
205
197
76
78
75
75
74
33
REPAIR PARTS TRACTOR - - MODEL NUMBER S165H42A
DRIVE
KEY PART
NO. NO. DESCRIPTION KEY PART
NO. NO. DESCRIPTION
1 - - - - - - - Transaxle
Hydro Gear Model 322-0510
(Order parts from transaxle
manufacturer)
8 165619 Rod Shift Fender Adjust LT
10 76020416 Pin Cotter 1/8 x 1 CAD
14 10040400 Washer Lock Hvy Helical
15 74490544 Bolt, Hex FLGHD 5/16-18 Gr. 5
16 73800500 Nut Lock Hex W/Ins 5/16-18 Unc P
19 73800600 Nut Lock Hex W/Wsh 3/8-16 Unc
21 106933X Knob, Round 1/2-13
22 169498 Rod, Brake Hydro
24 73350600 Nut
25 106888X Spring, Brake Rod
26 19131316 Washer
27 76020412 Pin Cotter 1/8 x 3/4 CAD.
28 145204 Rod, Parking Brake
29 71673 Cap, Parking Brake
30 174973 Bracket, Transaxle
32 74760512 Bolt Hex Hd 5/16-18 Unc x 3/4
34 155071 Shaft, Foot Pedal
35 120183X Bearing, Nylon
36 19211616 Washer
37 1572H Pin, Roll
38 131494 Pulley, Idler, Flat
39 74760644 Bolt
40 4470J Spacer, Split
41 165838 Keeper, Belt Idler
42 19131312 Washer 13/32 x 13/16 x 12 Gauge
47 127783 Pulley, Idler, V-Groove
48 154407 Bellcrank Clutch Grd Drv Stl
49 123205X Retainer, Belt
50 74760624 Bolt
51 73680600 Nut Crownlock 3/8-16 UNC
52 73680500 Nut Crownlock 5/16-18 UNC
53 105710X Link, Clutch
55 105709X Spring, Return, Clutch
56 74760620 Bolt Fin Hex 3/8-16 UNC x 1-1/4
57 140294 V-Belt, Ground Drive
59 169691 Keeper, Center Span
61 17060612 Screw 3/8-16 x 3/4
62 8883R Cover, Pedal
63 140186 Pulley, Engine
64 71170764 Bolt, Hex
65 10040700 Washer
66 154778 Keeper Belt Engine Hydro
69 142432 Screw
70 134683 Keeper Belt Engine
71 169183 Strap Torque Lh Hydro
72 19132012 Washer 13/32 x 1-1/4 x 12 Gauge
73 169182 Strap Torque Rh Hydro
74 137057 Spacer, Axle
75 121749X Washer 25/32 x 1-1/4 x 16 Gauge
76 12000001 E-Ring
77 123583X Key, Square
78 121748X Washer 25/32 x 1-5/8 x 16 Gauge
81 165596 Shaft Asm Cross Tapered
82 123782X Spring Torsion T/A
83 19171216 Washer 17/32 x 3/4 x 16 Ga.
84 169843 Link, Transaxle Hydro
89 169373X428 Console, Hydro
95 170201 Control Asm Bypass Hydro
96 4497H Retainer Spring 1" Zinc/Cad
103 73940800 Nut Hex Jam Toplock 1/2-20 Unf
116 72110610 Bolt Rdhd Sq Neck 3/8-16 x 1.25
120 73900600 Nut Lock Flg. 3/8-16 Unc
150 165850 Bushing Bellcrank Grd Drive
151 19133210 Washer 13/32 x 2 x 10 Ga.
156 166002 Washer Srrted 5/16 ID x 1.125
158 165589 Bracket Shift Mount
159 165494 Hub Tapered Flange Shift LT
161 72140406 Bolt Rdhd Sqnk 1/4-20 x 3/4 Gr. 5
162 73680400 Nut Crownlock 1/4-20 Unc
163 74780416 Bolt Hex Fin 1/4-20 Unc x 1 Gr. 5
164 19091010 Washer 5/8 x .281 x 10 Ga.
165 165623 Bracket Pivot Lever
166 166880 Screw 5/16-18 x 5/8
168 165492 Bolt Shoulder 5/16-18 x .561
169 165581 Plate Fastening LT
171 17490608 Screw Thdrol 3/8-16 x 1/2 TY-TT
197 169613 Nyliner Snap-In 5/8” Id
198 169593 Washer Nyl 7/8 Id x .105
199 169612 Bolt Shoulder5/16-18 Unc
200 72140508 Bolt Rdhd Sqnk 5/16-18 Unc x 1
202 72110612 Bolt Carr Sh 3/8-16 x 1-1/2 Gr. 5
205 19171616 Washer 17/32 x 1 x 16 Ga.
NOTE: All component dimensions given in U.S. inches
1 inch = 25.4 mm

34
REPAIR PARTS TRACTOR - - MODEL NUMBER S165H42A
STEERING ASSEMBLY
62 44
51 54
5
9
5
7
7
9
4
332
43
6
43
8
18
19
22
27
23
40 66
29
25
79
8
10
40
11
8
6
9
46
46
8
6
9
2
47
47
17
26
30
28
1
41
42
37
36
37
38
63
11
39
11
80
68 67
67
67
13
65
85
85
68
15
15
15
29
29 82
35
REPAIR PARTS TRACTOR - - MODEL NUMBER S165H42A
STEERING ASSEMBLY
1 133741X428 Wheel Steering
2 154427 Axle Asm Front
3 169840 Spindle Asm Lh
4 169839 Spindle Asm Rh
5 6266H Bearing Race Thrust Harden
6 121748X Washer 25/32 X 1 5/8 X 16ga
7 19272016 Washer 27/32 X 1 1/4 X 16 Ga
8 12000029 Ring Klip #t5304-75
9 3366R Bearing Col Strg Blk
10 169832 Link Drag Extended
11 10040600 Lockwasher
13 136518 Spacer Bearing Axle Front
15 145212 Hex Flange Lock
17 156546 Shaft Asm Strg 5/8 X 15 19 Lt
18 57079 Washer Thrust 515x 750x 033
19 160395 Support Shaft
22 165857 Screw Hex Wsh Hd Torx
23 165851 Shaft Asm Pittman
25 154406 Bracket Steering
26 126847X Bushing Rod Tie Blk Lt
27 136874 Gear Sector
28 19131416 Washer 13/32 X 7/8 X 16ga
29 17060612 Screw 3/8-16x3/4
30 76020412 Pin
32 130465 Rod Tie Wire Form 19 75 Mech
36 155099 Bushing Strg 5/8 Id Dash
37 152927 Screw TT #10-32 x 5 x 3/8 Flange
38 133742X428 Insert Cap Strg
39 19133812 Washer 13/32 x 2-3/8 x 12Ga
40 7810H Locknut Center
41 100711L Adaptor Wheel Strg 640/ 635id
42 145054X428 Boot Dash Steering
43 121749X Washer 25/32 X 1 1/4 X 16 Ga
44 153720 Extension Steering Non-Adjust
46 121232X Cap Spindle Fr Top Blk
47 6855M Fitting Grease
51 73800500 Nut Lock Hex W/Ins.
54 74780520 Bolt Fin Hex 5/16-18 Unc P
62 167902 Kit Steering Assembly Service
63 74780616 Bolt Fin Hex 3/8-16 Unc x Gr. 5
65 160367 Spacer Brace Axle
66 154404 Bearing Arm Pittman
67 72140618 Bolt Rdhd Sq 3/8-16 Unc x 2-3/4
68 169827 Brace Axle
79 19132012 Washer 13/32 x 1-1/4 x 12 Ga
80 74950612 Bolt Hex Nylon 3/8-16 x 3/4
82 169835 Bracket Susp Chassis Front
85 133835 Fastener Christmas Tree
KEY PART
NO. NO. DESCRIPTION
NOTE: All component dimensions given in U.S. inches
1 inch = 25.4 mm

36
REPAIR PARTS
TRACTOR - - MODEL NUMBER S165H42A
ENGINE
2
1
OPTIONAL EQUIPMENT
Spark Arrester
29
33
37
33
40
62
13
4
85
78
78
81
3
16
23
45
14
38
44
46
32
31
37
REPAIR PARTS
TRACTOR - - MODEL NUMBER S165H42A
ENGINE
NOTE: All component dimensions given in U.S. inches
1 inch = 25.4 mm
KEY PART
NO. NO. DESCRIPTION
1 170551 Control Throt/Ch
2 17720410 Screw Hex Thd Cut 1/4-20x5/8 T
3 - - - - - - Engine Tec, Model OHV165
(Order parts from engine manufacturer)
4 137351 Muffler Tec 13.5/17 Lt
13 149272 Gasket
14 148456 Tube Drain Oil Easy
16 11050600 Washer Lock Ext Tooth 3/8
23 169837 Shield Browning
29 137180 Arrestor Spark
31 174642 Tank Fuel 2.00 Fr
32 140527 Cap Asm Fuel
33 123487X Clamp Hose Blk
37 137040 Line Fuel 20"
38 148315 Plug Drain Oil Easy
40 124028X Bushing Snap Nyl Blk Fuel Line
44 17670412 Screw Hexwsh Thdrol 1/4-20x3/4
45 17000612 Screw 5/16-18 x 3/4
46 19091416 Washer 9/32 X 7/8 X 16ga
62 10040500 Washer Lock Hvy Hlcl Spr 5/16
78 17060620 Screw 3/8-16x1-1/4
81 73510400 Nut Flange 1/4-20 Starter Nut
85 123528X Bolt Hex Hd Phillips

38
REPAIR PARTS TRACTOR - - MODEL NUMBER S165H42A
SEAT ASSEMBLY
KEY PART
NO. NO. DESCRIPTION KEY PART
NO. NO. DESCRIPTION
14 72050412 Bolt Rdhd Sht Nk 1/4-20 x 1-1/2
15 134300 Spacer Split 28 x 96 Yel Zinc
16 121250X Spring Cprsn 1 27 Blk Pnt
17 123976X Nut Lock 1/4 Lge Flg Gr 5 Zinc
21 171852 Bolt Shoulder 5/16-18 Unc Blkz-2A
22 73800500 Nut
23 71110814 Bolt Hex Black
24 19171912 Washer 17/32 x 1-3/16 x 12 Ga
25 127018X Bolt Shoulder 5/16-18 x 62
26 10040800 Lockwasher
26
23
1
24
16
15
12
13
17
25
4
3
8
9
7
8
9
7
2
6
22
21
5
10
5
14
1 140116 Seat
2 140551 Bracket Pnt Pivot Seat (blk )
3 71110616 Bolt
4 19131610 Washer 13/32 x 1 x 10 Ga
5 145006 Clip Push-In Hinged
6 73800600 Nut
7 124181X Spring Seat Cprsn 2 250 Blk Zi
8 17000616 Screw 3/8-16 x 1.5
9 19131614 Washer 13/32 x 1 x 14 Ga
10 174894 Pan Pnt Seat (blk )
12 121246X Bracket Pnt Mounting Switch
13 121248X Bushing Snap Blk Nyl 50 Id NOTE: All component dimensions given in U.S. inches
1 inch = 25.4 mm

39
20
2 3
97410
7
11
14
WHEELS & TIRES
KEY PART
NO. NO. DESCRIPTION
1 59192 Cap Valve Tire
2 65139 Stem Valve
3 106222X Tire F Ts 15 X 6 0 - 6 Service
4 59904 Tube Front (Service Item Only)
5 106732X427 Rim Asm 6"front White Service
6 278H Fitting Grease (Front Wheel Only)
7 9040H Bearing Flange (Front Wheel Only)
8 106108X427 Rim Asm 8"rear White Service
9 124635X Tire R Ts 18x8.5-8 C Service
10 7152J Tube Rear (Service Item Only)
11 104757X428 Cap Axle Blk 1 50 X 1 00
- - 144334 Sealant, Tire (10 oz. Tube)
NOTE: All component dimensions given in U.S. inches
1 inch = 25.4 mm
KEY PART
NO. NO. DESCRIPTION KEY PART
NO. NO. DESCRIPTION
12 177430 Decal Fender
14 160396 Decal V-belt Schematic 42"
16 145005 Decal Battery Danger/Poison
20 64-1733-29 Decal HP Engine
- - 138311 Decal Lift Handle
- - 169210 Decal Bypass Lt Hydro
- - 177019 Manual Owner’s English
1 156868 Decal Instruction Operat English
2 162970 Decal Ins Strg Wh
3 164578 Decal Hood Rh
4 164579 Decal Hood Lh
7 164425 Decal Panel Side
9 171448 Decal Fender Logo
10 157002 Decal Danger English
11 4900J Decal Clutch/brake English
6
2
1
5,8
4,10
3,9
11
7
REPAIR PARTS TRACTOR - - MODEL NUMBER S165H42A
DECALS
16
1
12
12

40
REPAIR PARTS
TRACTOR - - MODEL NUMBER S165H42A
MOWER LIFT
15
20
161718 20
20
15
20
4
5
6
2
31
65
4
7
8
12
11
31
32
31
32
19
19
13
13
13
13
41
REPAIR PARTS
TRACTOR - - MODEL NUMBER S165H42A
MOWER LIFT
1 159460 Wire Asm Inner/Sprg w/Plunger
2 159471 Shaft Asm Lift
3 105767X Pin Groove
4 12000002 E Ring #5133-62
5 19211621 Washer 21/32 x 1 x 21 Ga.
6 120183X Bearing Nylon
7 109413X Grip Handle
8 124526X Button Plunger
11 139865 Link Lift Lh
12 139866 Link Lift Rh
13 4939M Retainer Spring
15 173288 Link Front
16 73350800 Nut Jam Hex 1/2-13 Unc
17 130171 Trunnion Blk Zinc
18 73800800 Nut Lock w/Wsh 1/2-13 Unc
19 139868 Arm Suspension Rear
20 163552 Retainer Spring
31 169865 Bearing Pvt Lift
32 73540600 Nut Crownlock 3/8-24
KEY PART
NO. NO. DESCRIPTION
NOTE: All component dimensions given in U.S. inches
1 inch = 25.4 mm

42
REPAIR PARTS
TRACTOR - - MODEL NUMBER S165H42A
MOWER DECK
15
14
13
11
10
98
16
68
37
30
31
32
33
146
148
145
150
45
144
147
147
142
149
142 49
50
51
54
52
53 55
56
34
1
46
44
21 22
24
25
26
27
2
28
29
23
21
21
21
18
18
20
2
48
59
19
4
3
56
21
40
143
36
40
37
40
159
152
151
153 154
157
158
67
153
156
155
90
909192
92
93 94
93
95
114
117 119
116
115
111
118 121
113
113
117
116
118
119
114
115 112
121
43
REPAIR PARTS
TRACTOR - - MODEL NUMBER S165H42A
MOWER DECK
1 165892 Mower Deck Assembly, 42"
2 72140506 Bolt
3 138017 Bracket Asm Fr. Sway Bar 3/42
4 165460 Bracket Asm Deck 42" Sway Bar
5 4939M Retainer Spring
6 130832 Arm, Suspension, Rear
8 850857 Bolt 3/8-24 x 25 Grade 8 patched
9 10030600 Washer, Lock
10 140296 Washer, Hardened
11 138498 Blade
13 137645 Shaft Assembly, Mandrel, Vented
14 128774 Housing, Mandrel, Vented
15 110485X Bearing, Ball, Mandrel
16 140329 Stripper, Vented Mower Deck
18 72140505 Bolt, Carriage 5/16-18 x 5/8
19 132827 Bolt, Shoulder
20 159770 Baffle, Vortex
21 73680500 Nut
22 134753 Stiffener Bracket
23 131267 Bracket, Deflector Mower 42"
24 105304X Cap, Sleeve 80 x 112 Blk Mower
25 123713X Spring, Torsion, Deflector 2 52
26 110452X Nut, Push Phos & Oil
27 130968X428 Shield, Deflector 42" Blk
28 19111016 Washer 11/32 x 5/8 x 16 Gauge
29 131491 Rod, Hinge 42" 6 75 W/G
30 157722 Screw Thdrol Washer Head
31 129963 Washer, Spacer Mower Vented
32 153535 Pulley, Mandrel
33 137266 Nut, Toplock 9/16
34 72110614 Bolt
35 133835 Fastener, Christmas Tree
36 131494 Pulley, Idler, Flat
37 19131316 Washer 13/32 x 13/16 x 16 Gauge
40 73680600 Nut
44 140088 Guard, Mandrel, LH
45 4497H Retainer
46 137729 Screw, Thdrol 1/4-20 x 5/8 T
48 133944 Washer, Hardened
49 174284 Roller Assembly, Cam Follower
50 131340 Bolt, Shoulder #10-24 Grade 5
51 69180 Locknut
52 139888 Bolt, Shoulder 5/16-18 UNC
53 131845 Arm Assembly, Pad, Brake
54 133943 Washer, Hardened
55 155046 Arm, Idler
56 165723 Spacer, Retainer
59 141043 Guard TUV Idler
67 106932X Knob
68 144959 V-Belt, 42" Mower
90 74760616 Bolt Fin Hex 3/8-16 Unc x 1
91 132274 Bracket Asm Noseroller Lh
92 73800600 Nut Lock Hex w/Ins. 3/8-16 Unc
93 19171416 Washer 17/32 x 7/8 x 16 Ga.
94 1332264 Roller Nose 38-50”
95 132273 Bracket Asm. Noseroller Rh
111 155197 Bracket Gauge Wheel Lh
112 155198 Bracket Gauge Wheel Rh
113 17060514 Screw Tapping 5/16-18 Unc
114 73510500 Nut Keps 5/16-18unc
115 72110504 Bolt Carr 5/16-Unc x 1/2
116 4898H Bolt Shld
117 165746 Wheel Gauge Blk
118 73930600 Nut Centerlock 3/8-16unc
119 19121414 Washer 3/8 x 7/8 x 14 Ga.
121 143723 Bracket Extruded Gauge Wheel
142 165890 Arm Spring Brake Mower
143 157109 Bracket Arm Idler 42"
144 158634 Keeper Belt 42" Clutch Cable
145 165888 Pulley Idler Flat
146 171977 Bolt Carriage Idler
147 131335 Spring Extension
148 169022 Spring Return Idler
149 165898 Retainer Spring Yellow
150 19091216 Washer 9/32 x 3/4 x 16 Ga.
151 169670 Bracket Clutch Cable
152 169676 Clutch Cable 42"
153 169674 Washer Flat 3/8" Type B
154 169675 Spring Retainer
155 169671 Spring Retention LVR CLTCH CAB
156 169672 Spacer Clutch Cable
157 169669 Rod Clutch Cable 3/8"
158 17720410 Screw Hex Thd Cut 1/4-20 x 5/8
159 72140614 Bolt Rdhd Sqn 3/8-16 UNC x 1-3/4
- - 130794 Mandrel Assembly (Includes Key
Numbers 8-10,12-15, 31 and 33)
- - 171491 Mower Deck, Complete (Standard
Deck)
KEY PART
NO. NO. DESCRIPTION KEY PART
NO. NO. DESCRIPTION
NOTE: All component dimensions given in U.S. inches
1 inch = 25.4 mm

44
SERVICE NOTES

45
LIMITED WARRANTY
The Manufacturer warrants to the original consumer purchaser that this product as manufactured is free from defects in
materials and workmanship. For a period of two (2) years from date of purchase by the original consumer purchaser, we will
repair or replace, at our option, without charge for parts or labor incurred in replacing parts, any part which we find to be
defective due to materials or workmanship. This Warranty is subject to the following limitations and exclusions.
1. This warranty does not apply to the engine, other than EHP manufactured transaxle/transmission components,
battery (except as noted below) or components parts thereof. Please refer to the applicable manufacturer's
warranty on these items.
2. Transportation charges for the movement of any power equipment unit or attachment are the responsibility of
the purchaser. Transportation charges for any parts submitted for replacement under this warranty must be
paid by the purchaser unless such return is requested by Electrolux Home Products.
3. Battery Warranty: On products equipped with a Battery, we will replace, without charge to you, any battery
which we find to be defective in manufacture, during the first ninety (90) days of ownership. After ninety (90)
days, we will exchange the Battery, charging you 1/12 of the price of a new Battery for each full month from the
date of the original sale. Battery must be maintained in accordance with the instructions furnished.
4. The Warranty period for any products used for rental or commercial purposes is limited to 90 days from the date
of original purchase.
5. This Warranty applies only to products which have been properly assembled, adjusted, operated, and main-
tained in accordance with the instructions furnished. This Warranty does not apply to any product which has
been subjected to alteration, misuse, abuse, improper assembly or installation, delivery damage, or to normal
wear of the product.
6. Exclusions: Excluded from this Warranty are belts, blades, blade adapters, normal wear, normal adjustments,
standard hardware and normal maintenance.
7. In the event you have a claim under this Warranty, you must return the product to an authorized service dealer.
Should you have any unanswered questions concerning this Warranty, please contact:
giving the model number, serial number and date of purchase of your product and the name and address of the authorized
dealer from whom it was purchased.
THIS WARRANTY DOES NOT APPLY TO INCIDENTAL OR CONSEQUENTIAL DAMAGES AND ANY IMPLIED WARRAN-
TIES ARE LIMITED TO THE SAME TIME PERIODS STATED HEREIN FOR OUR EXPRESSED WARRANTIES. Some areas
do not allow the limitation of consequential damages or limitations of how long an implied Warranty may last, so the above
limitations or exclusions may not apply to you. This Warranty gives you specific legal rights, and you may have other rights
which vary from locale to locale.
This is a limited Warranty within the meaning of that term as defined in the Magnuson-Moss Act of 1975.
In Canada contact:
Electrolux Home Products
a division of WCI Outdoor Products, Inc.
7075 Ordan Drive
Mississauga, Ontario
L5T 1K6
Electrolux Home Products
a division of WCI Outdoor Products, Inc.
Outdoor Products Customer Service Dept.
250 Bobby Jones Expressway
Augusta, GA 30909 USA

46
T
E
C
U
M
S
E
H
®
Issued January 1980
Revised January 1991
T
E
C
U
M
S
E
H
®
SERVICE
POLICY
WARRANTY
LIMITED WARRANTIES
FOR
NEW PEERLESS GEAR POWER TRAIN COMPONENTS
A. Products Warranted
Peerless Gear and Machine Division of Tecumseh Products Company (“Tecumseh”), subject to the limitations contained
below,will, at its option, repair or replace, without charge for parts or labor only, any part of a new Power Train Component (which as
used herein means and includes the transaxle, gear box, transmission, differential and right angle drives, and any part of the Power
Train Component), EXCEPT any new Power Train Component incorporated in equipment used for commercial or rental purposes,
which is found upon examination by any Tecumseh Authorized Service Outlet or by Tecumseh’s factory in Grafton, Wisconsin, to be
DEFECTIVE IN MATERIAL AND/OR WORKMANSHIP if received by Tecumseh or a Tecumseh Authorized Service Outlet for such ex-
amination within TWO YEARS from the date of sale to the original consumer purchaser of Peerless Series 820, 900, 910, 915, 920,
930 transaxles and Series 1100 angle drive and ONE YEAR for all other Peerless products. New Power Train Components incorpo-
rated in equipment used for commercial purposes are warranted in the same manner and to the same extent EXCEPT such Power
Train Components are warranted for NINETY (90) DAYS ONLY, and must be received by Tecumseh or by a Tecumseh Authorized
Service Outlet for such examination within 90 days from the date of sale to the original purchaser. New Power Train Components In-
corporated in equipment used for rental purposes are warranted in the same manner and to the same extent EXCEPT such Power
Train Components are warranted for THIRTY (30) DAYS ONLY, and must be received by Tecumseh or a Tecumseh Authorized Ser-
vice Outlet within 30 days from the date of sale to the original purchaser.
B. Products And Items Not Warranted
1. Alterations or Modifications of Power Train Components.
2. Accidents, Normal Maintenance, Failure to follow the Original Equipment Manufacturer’s Manual.
This warranty covers only parts of new Power Train Components which are found upon examination to be defective in material
or workmanship as delivered to the original purchaser. This warranty does not cover defects caused by depreciation or damage
caused by normal wear, accidents, improper maintenance, improper use or abuse of the product, failure to follow the instructions
contained in an Instruction Manual for the operation of the Power Train Component and parts. The cost of normal maintenance and
replacement of service items which are not defective shall be paid for by the original purchaser.
C. Securing Warranty Service
Warranty service can be arranged for by contacting either a Tecumseh Authorized Service Outlet (any Tecumseh Registered
Service Dealer, Tecumseh Authorized Service Distributor, or Tecumseh Central Warehouse Distributor) or by contacting Tecumseh,
c/o Service Manager, Engine and Transmission Group Service Division, 900 North Street, Grafton, Wisconsin 53024. Warranty ser-
vice can only be performed by a Tecumseh Authorized Service Outlet or by Tecumseh at its factory in Grafton, Wisconsin. At the time
of requesting warranty service, evidence must be presented of the date of sale to the original purchaser. The purchaser shall pay
any charges for making service calls and/or for transporting the product to and from the place where the inspection and/or warranty
work is performed. The purchaser shall be responsible for any damage or loss incurred in connection with the transportation of
Power Train Components and/or part(s) of the Power Train Components submitted for inspection and/or warranty work.
D. Limitation of Damages and Implied Warranties
The foregoing EXPRESSED WARRANTY IS IN LIEU OF ALL OTHER EXPRESS WARRANTIES. Neither Tecumseh nor any of
its affiliates makes any warranties, representations or promises, written or oral, as to the quality of the Power Train Component or
any of its parts, other than as set forth herein.
ANY IMPLIED WARRANTY OF MERCHANTABILITY OR FITNESS FOR A PARTICULAR PURPOSE, TO THE EXTENT THAT EI-
THER MAY APPLY TO ANY PART(S) OF POWER TRAIN COMPONENTS, SHALL BE LIMITED IN DURATION TO THE PERIODS OF
THE EXPRESSED WARRANTIES DEFINED IN PARAGRAPH A HEREOF. IN NO EVENT WILL TECUMSEH BE LIABLE FOR ANY
INCIDENTAL, CONSEQUENTIAL OR SPECIAL DAMAGES AND/OR EXPENSES. Some states do not allow limitations on how long
an implied warranty lasts or the exclusion or limitation of incidental or consequential damages, so the above limitation(s) or
exclusion(s) may not apply to you. This warranty gives you specific legal rights and you may also have other legal rights which vary
from state to state.
E. No Dealer Warranty
Tecumseh neither assumes nor authorizes any other person, natural or corporate, to assume for Tecumseh any other obliga-
tions or liabilities in connection with or with respect to any part(s) of a Power Train Component. The seller or dealer of part(s) of a
Power Train Component has no authority, whatsoever, to make any representations or promises on behalf of Tecumseh or to modify
the terms or limitations of Tecumseh’s warranty in any way.

47
15° MAX.
SIGHT AND HOLD THIS LEVEL WITH
SKY LINE OR TREE.
CUT OUT ON DOTTED LINES
THIS IS A 15° SLOPE
SIGHTING
GUIDE
ONLY RIDE UP AND DOWN HILL,
NOT ACROSS HILL
SUGGESTED GUIDE FOR SIGHTING SLOPES FOR SAFE OPERATION
Operate your Tractor up and down the face of slopes (not
greater than 15°), never across the face. Make turns gradu-
ally to prevent tipping or loss of control. Exercise extreme
caution when changing direction on slopes.

®