Weider 8520 System Wesy8520 Users Manual
2015-05-18
: Weider Weider-8520-System-Wesy8520-Users-Manual-734189 weider-8520-system-wesy8520-users-manual-734189 weider pdf
Open the PDF directly: View PDF
.
Page Count: 27

MANUAL DEL USUARIO
Núm. de Modelo WESY85201
Núm. de Serie
(Escriba el número de serie en el espa-
cio de arriba para referencia).
Etiqueta con el Número de Serie
PRECAUCIÓN:
Antes de usar el equipo, lea cui-
dadosamente todas las adver-
tencias y precauciones impor-
tantes de este manual. Guarde el
manual para futuras referencias.
®
¿PREGUNTAS?
Como fabricante, nosotros esta-
mos cometidos a proveerle
satisfacción completa a nuestro
cliente. Si usted tiene pregun-
tas, si faltan partes o hay partes
dañadas, ponga-se en contacto
con la tienda donde compró el
WEIDER®8520.
Importado Por:
Comercializadora Mexico
Americana, S.A. de C.V.
Antiguo Camino a San Mateo #2
Colonia Anexo Coamilco
Naucalpan de Juárez
Estado de Mexico C.P. 53240
Telefono (5) 327-9311
RFC: CMA 910911-9LO

2
CONTENIDO
PRECAUCIONES IMPORTANTES . . . . . . . . . . . . . . . . . . . . . . . . . . . . . . . . . . . . . . . . . . . . . . . . . . . . . . . . . .3
ANTES DE COMENZAR . . . . . . . . . . . . . . . . . . . . . . . . . . . . . . . . . . . . . . . . . . . . . . . . . . . . . . . . . . . . . . . . .4
MONTAJE . . . . . . . . . . . . . . . . . . . . . . . . . . . . . . . . . . . . . . . . . . . . . . . . . . . . . . . . . . . . . . . . . . . . . . . . . . . .5
AJUSTE . . . . . . . . . . . . . . . . . . . . . . . . . . . . . . . . . . . . . . . . . . . . . . . . . . . . . . . . . . . . . . . . . . . . . . . . . . . . .16
MANTENIMIENTO Y PROBLEMAS . . . . . . . . . . . . . . . . . . . . . . . . . . . . . . . . . . . . . . . . . . . . . . . . . . . . . . . .18
DIAGRAMA DE CABLES . . . . . . . . . . . . . . . . . . . . . . . . . . . . . . . . . . . . . . . . . . . . . . . . . . . . . . . . . . . . . . . .19
COMO ORDENAR PARTES DE REPUESTO . . . . . . . . . . . . . . . . . . . . . . . . . . . . . . . . . . . . . . . .Contraportada
Nota: En la parte central de este manual se encuentran una TABLA DE IDENTIFICACIÓN DE PARTES y una
LISTA DE PARTES/DIBUJO DE LAS PARTES. Retírelos antes de empezar el montaje.

3
1. Es responsabilidad del propietario asegurar-
se que todos los usuarios del home gym
system estén adecuadamente informados
sobre todas las precauciones necesarias.
2. Antes de usar el home gym system lea todas
las instrucciones en este manual del usuario
y en la literatura que se acompaña.
3. Si durante el ejercicio usted siente algún
dolor o se marea, deténgase inmediatamente
y descanse.
4. Use el home gym system solamente en una
superficie anivelada. Para protección, cubra
el piso debajo del home gym system.
5. Revise y apriete todas las partes del home
gym system a menudo. Reemplace inmedia-
tamente cualquier pieza que esté desgastada.
6. Mantenga a los niños menores de 12 años y
animales domésticos lejos del home gym
system.
7. Nunca permita que más de una persona use
el home gym system al mismo tiempo.
8. Mantenga las manos y los pies retirados de
las partes móviles del sistema.
9. Siempre use calzado de atletismo para pro-
tección de sus pies.
10. Siempre manténgase parado en la plataforma
para los pies cuando esté haciendo cualquier
ejercicio que pueda causar que el home gym
system se vuelque.
11. Nunca suelte el brazo de prensa, brazo de
mariposa, palanca de piernas, barra horizon-
tal, plato de presión para las piernas, o tiran-
te de nylon mientras las pesas estén levanta-
das. Las pesas caerán con gran fuerza.
12. Inspeccione los cables cada vez que use el
home gym system. Asegúrese de que los
cables permanezcan en las poleas todo el
tiempo. Si los cables se atoran mientras usted
esté haciendo ejercicio, deténgase inmediata-
mente y asegúrese de que los cables estén en
los canales de todas las poleas. Reemplace
todos los cables cada dos años.
13. Siempre desacople la barra horizontal del
home gym system, si está haciendo un ejerci-
cio que no requiere de esta barra horizontal.
14. El home gym system está diseñada para uso
en casa solamente. No use el home gym sys-
tem en ningún lugar comercial, de renta o
institucional.
PRECAUCIONES IMPORTANTES
AVISO: Para reducir el riesgo de lesiones serias, antes de usar el home gym system, lea las siguien-
tes precauciones importantes.
AVISO: Antes de iniciar cualquier programa de ejercicios, consulte a su médico. Esto es especial-
mente importante para personas mayores de 35 años o personas que han tenido problemas previos
de salud. ICON no asume responsabilidad por lesiones personales o daño a propiedades sufrido por
o a causa del uso de este producto.

4
ANTES DE COMENZAR
DIMENSIONES YA
ENSAMBLADO:
Alto: 193 cm.
Ancho: 96,50 cm.
Largo: 149,90 cm.
Plato de Presión
para las Piernas
Polea Inferior
Plataforma
para los Pies
Polea Superior
Barra Horizontal
Palanca de Piernas
Brazos de Mariposa
Brazo de Prensa
Serie de Pesas
Asiento
Respaldo
Pasador de
Peso
Gracias por seleccionar el versátil WEIDER®8520
Home Gym System. El WEIDER®8520 ofrece una
impresionante combinación de estaciones de peso que
han sido diseñadas para cada grupo de músculos de
su cuerpo. Ya que su meta sea entonar su cuerpo,
desarrollar dramáticamente la fuerza y tamaño de sus
músculos, o mejorar su sistema cardiovascular, el
WEIDER®8520 le ayudará a alcanzar los resultados
específicos que usted quiera.
Para su beneficio, lea cuidadosamente este manual
antes de usar el WEIDER®8520 Home Gym
System. Si hay problemas, pongase en contacto con
la tienda de donde compró la sistema. El número del
modelo es WESY85201. El número de serie puede ser
encontrado en una etiqueta pegada al WEIDER®8520
(vea la portada de este manual del usuario).
Antes de seguir adelante, por favor revise el dibujo
de abajo y familiaricese con las partes que están
identificadas.

5
1
56
El Lado de Arriba
del Sujetador
3
5
51
51 14
1
4
1
1. Antes de empezar a ensamblar, asegúre-
se que ha leído y entendido la informa-
ción en el recuadro de arriba.
Coloque una Tapa Externa Cuadrada de 2”
(51) dentro de cada extremo del Estabiliza-
dor (5). Presione una Tapa Interna Cuadrada
de 2” (27) al final de la Base (4).
Coloque dos Tornillos de Porte de 5/16” x
2 3/4” (14) de abajo hacia arriba a través del
Estabilizador (5). Coloque dos Tornillos de
Porte de 5/16” x 2 1/2” (1) de abajo hacia
arriba a través de la Base (4).
Deslice el extremo indicado de la Base (4)
sobre los Tornillos de Porte de 5/16” x 2 3/4”
(14) en el Estabilizador (5). Coloque el
Montante Vertical Posterior (56) en los
Tornillos de Porte. Apriete con la mano una
Contratuerca de Nylon de 5/16” (3) en cada
Tornillo de Porte. El lado de arriba del
sujetador en el Montante Vertical
Posterior debe quedar del lado que se
muestra. Todavía no apriete las
Contratuercas de Nylon.
MONTAJE DEL MARCO
27
MONTAJE
Antes de empezar a ensamblar, lea cuidadosa-
mente la siguiente información e instrucciones:
•Coloque todas las partes del home gym system
en un área despejada y retire los materiales de
empaque; no deseche los materiales de empaque
hasta que el montaje esté terminado.
• El montaje está dividido en cuatro pasos: 1) mon-
taje del marco, 2) montaje del brazo de presión y
de mariposa, 3) montaje de cable y polea, y 4)
montaje del asiento y respaldo. El equipo para
cada paso está empacado por separado. Espere
a abrir la bolsa de las partes hasta que vaya a
empezar a ensamblar el paso correspondiente.
•Para identificar las partes pequeñas usadas en el
montaje, use la TABLA DE IDENTIFICACIÓN DE
PARTES localizada en medio de este manual.
Nota: Algunas partes pequeñas pueden haber
sido armadas previamente para propósitos de
envío. Si una pieza no se encuentra en la bolsa
de las partes, revise si ha sido armada
previamente.
•A medida que montaje el home gym system, ase-
gúrese que todas las partes estén orientadas
como se muestra en los dibujos.
•Apriete todas las partes a medida de que las mon-
taje, a menos que se de instrucciones en otro
sentido.
SE REQUIEREN LAS SIGUIENTES HERRAMIEN-
TAS (NO INCLUIDAS) PARA EL MONTAJE:
• Dos (2) llaves de ajuste
• Un (1) desarmador estandard
• Un (1) desarmador de cruz
• Un (1) martillo de hule
• Lubricante, como grasa o vaselina, y también
se necesitará agua jabonosa.
Ensamblar será mas apropiado si cuenta con las
siguientes herramientas: Un juego de conexiones
para dados, un juego de llaves de extremos cerra-
dos (de estrías) o de extremos abiertos (españolas),
o un juego de llaves de matraca.

6
MONTAJE DEL MARCO
2. Deslice el Montante Vertical Delantero (42) en
los Tornillos de Porte de 5/16” x 2 1/2” (1) en
la Base (4). Apriete con la mano una
Contratuerca de Nylon de 5/16” (3) en cada
Tornillo de Porte. Todavía no apriete com-
pletamente las Contratuercas de Nylon.
3. Presione una Tapa Interna Cuadrada de 2”
(27) en cada extremo del Marco Superior
(55). Presione una Tapa Interna Cuadrada de
1 3/4” (44) en cada extremo de la barra cru-
zada en el Marco Superior. Presione dos
Tapas Internas Redondas de 1” (49) en la
parte de arriba de la barra cruzada.
Coloque y sujete el Marco Superior (55) al
Montante Vertical Delantero (42) y al
Montante Vertical Posterior (56) con cuatro
Tornillos de 5/16” x 2 3/4” (11), cuatro
Arandelas Planas de 5/16” (8), y cuatro
Contratuercas de Nylon de 5/16” (3).
Apriete todas las Contratuercas de Nylon
usadas en los pasos del 1 al 3.
4. Ponga dos Parachoques de Pesas (19) sobre
el soporte en la Base (4) como se muestra.
Apile ocho Pesas (25) sobre los Parachoques
de Pesas (19). Asegúrese que todas las
Pesas estén volteadas de manera que las
ranuras del seguro estén todas del mismo
lado.
4
2
3
42
3
1
4
11 11
49
8
44
44
27
27
55
56
42
3
Barra Cruzada
25
Ranura del
Seguro
19
4—Soporte
3
8

7
MONTAJE DEL MARCO
MONTAJE DE LOS BRAZOS
5. Presione la Tapa del Tubo de Pesas (64) en
el extremo del Tubo de Pesas (63). Inserte el
Tubo de Pesas dentro de la pila de Pesas
(25). Ponga cuidado que los seguros en el
Tubo de Pesas queden colocados en las
ranuras del seguro en la Pesa superior.
Lubrique el interior de los agujeros de la Pesa
Superior (76). Coloque la Pesa Superior en la
pila de Pesas (25).
Inserte ambas Guías de Pesas (62) en la pila
de Pesas (25). Asegúrese que los agujeros
en la Guías de Pesas estén en la parte de
arriba como se muestra.
6. Fije los extremos superiores de las Guías de
Pesas (62) al Marco Superior (55) con un
Tornillo de 5/16” x 6” (60), dos Espaciadores
de 1/2” x 3/4” (61), y una Contratuerca de
Nylon de 5/16” (3).
Asegúrese que el Soporte de Polea (20)
esté al frente de la Guía de Pesas (62)
como se muestra.
7. Presione un Cojinete Plástico de 1” x 7/8”
(75) dentro de cada espaciador soldado en el
Marco de Prensa (17). Deslice el Marco de
Prensa hasta su lugar en la Base (4). Nota:
Este deberá quedar muy ajustado. Los
Cojinetes Plásticos deben quedar ajusta-
dos en cada extremo del tubo indicado en
la Base. Debe asegurarse que las poleas
estén en el lado indicado.
Lubrique el Tornillo de 3/8” x 8” (59). Coloque
el Marco de Prensa (17) en la Base (4) con el
Tornillo de 3/8” x 8” y una Contratuerca de
Nylon de 3/8” (21).
7
5
6
55
76
63
64
25
62
Lubrique
Pasadores
60 20
62
3
4—Tubo
Espaciadores
Soldados
17 Lubrique
59
Polea
21
75
61
Agujeros

8
MONTAJE DE LOS BRAZOS
8. Presione una Tapa Interna Cuadrada de
1 3/4” (44) dentro del tope del Brazo de
Prensa (46). Remoje el mango en el Brazo de
Prensa con agua y jabón. Deslice un
Manubrio (31) en el mango. Presione una
Tapa Interna Redonda de 1” (49) en la otra
parte final del mango. Coloque el Brazo de
Prensa en uno de los lados del Marco de
Prensa (17) con dos Tornillos de 5/16” x
2 1/2” (22) y dos Contratuercas de Nylon de
5/16” (3).
Ensamble el otro Brazo de Prensa (46) de la
misma manera.
9. Identifique el Brazo Derecho (48) y el Brazo
Izquierdo (47). Fíjese en la posición del
soporte soldado en cada Brazo. La identifi-
cación adecuada de los Brazos es muy
importante para el paso 10.
Coloque una Polea en “V” (6) y una Trampa
Larga del Cable (50) en el Brazo Derecho
(48) con un Tornillo de 3/8” x 2 1/2” (7) y una
Contratuerca de Nylon de 3/8” (21).
Coloque una Polea en “V” (6) y una Trampa
Larga del Cable (50) en el Brazo Izquierdo
(47) con un Tornillo de 3/8” x 2 1/2” (7) y una
Contratuerca de Nylon de 3/8” (21).
10. Lubrique los dos ejes del Marco Superior
(55).
Deslice el Brazo Derecho (48) al eje derecho.
Nota: Tenga cuidado de no confundir el
Brazo Derecho con el Brazo Izquierdo (47);
refiérase al paso 9 para identificar el Brazo
Derecho. Asegúrese que el extremo supe-
rior del Brazo Derecho esté detrás del
soporte indicado en el Marco Superior
(55).
Introduzca dos Retenedores de 1” (69) y una
Tapa de Cubierta Redonda de 1” (70) en el
eje derecho. Asegúrese que los dientes del
Retenedor queden para el lado de la Tapa
de Cubierta redonda, como se muestra en
el dibujo.
Coloque el Brazo Izquierdo (47) de la misma
manera.
Coloque Tapas Internas Cuadradas de 1 3/4”
(44) en los extremos inferiores de los Brazos
Izquierdo y Derecho (47, 48). Humedezca el
extremo inferior de cada brazo con agua
jabonosa. Coloque una Almohadilla de 10”
(45) en el extremo inferior de cada Brazo.
10
50
50
46
3
22
46
49
44
17
44
49
31
Soporte
Lubrique Eje
45
47
55
48
45
44
69
70
6
48
47
Soporte
Soldado 21
8
9
69
55
70
76

11. Presión una Tapa Interna Cuadrada de 1 3/4”
(44) en el Marco del Asiento (36). Coloque un
Tope (73) en el Marco del Asiento con un
Tornillo Taladro de 1/2” (65).
Deslice el Marco del Asiento (36) hacia el
Tornillo de Porte de 5/16” x 2 1/2” (1) en la
Base (4). Vea el dibujo más pequeño. El
Sujetador en el Marco del Asiento debe de
estar en la parte de atrás del Marco de
Prensa (17). Apriete con su mano una
Contratuerca de Nylon de 5/16” (3) a cada
Tornillo de Porte. No apriete las Contratuer-
cas de Nylon hasta que termine por com-
pleto este paso.
Coloque el Marco del Asiento (36) en el
Montante Vertical Delantero (42) con dos
Tornillos de 5/16” x 2 3/4” (11), dos Arandelas
Planas de 5/16” (8), y dos Contratuercas de
Nylon de 5/16” (3).
Apriete todas las Contratuercas de Nylon
que se hayan usado en este paso ahora.
12. Coloque un Tope (73) en el Brazo Mecedor
(32) con un Tornillo Taladro de 1/2” (65).
Lubrique un Tornillo de 3/8” x 3 1/4” (35).
Coloque el Brazo Mecedor (32) a la Base (4)
con un Tornillo de 3/8” x 3 1/4” y una
Contratuerca de Nylon de 3/8” (21).
13. Lubrique un Tornillo de 3/8” x 2 1/2” (7).
Coloque la Palanca de Piernas (29) en el
Brazo Mecedor (32) con el Tornillo de 3/8” x
2 1/2” y una Tuerca de Nylon de Bloqueo de
3/8” (33).
Presione una Tapa Interna Cuadrada de
1 3/4” (44) en cada una de las partes finales
de la Palanca de Piernas (29).
13
11
8
12
9
MONTAJE DE LOS BRAZOS
Soporte
17
36
1
44
36
3
3
42
73
32
73
65
4
21
7—Lubrique
29
32
44
44
Lubrique—35
65
4
11
33

14. Durante los pasos del 15 al 29, consulte el
DIAGRAMA DE CABLES en la página 19 de
este manual para verificar la ruta adecuada
de los cables. Antes de empezar esta sec-
ción, identifique el Cable Largo (23) y el
Cable Corto (58) comparando la longitud y
los extremos de los cables.
IMPORTANTE: Mientras ensamble los
cables, no apriete demasiado los tornillos
y las tuercas que aseguran las poleas. Las
poleas deben poder girar libremente.
15. Localice el Cable Largo (23). Dirija el Cable
Largo alrededor de la Polea de 3 1/2” (15)
indicada, colocada en el Marco Superior (55).
Asegúrese que el extremo del Cable con la
bola, esté en el lado indicado de la Polea y
que el Cable quede entre la Polea y el
gancho. Apriete el Tornillo de 3/8” x 3 3/4”
(71) y la Contratuerca de Nylon de 3/8” (no
mostrada).
16. Enrolle el Cable Largo (23) alrededor de la
Polea en “V” (6). Fije la Polea en “V” y la
Trampa Larga del Cable (50) al soporte indi-
cado en el Montante Vertical Delantero (42)
con un Tornillo de 3/8” x 2 1/2” (7) y una
Contratuerca de Nylon de 3/8” (21).
Asegúrese que la Trampa Larga del Cable
esté colocada de manera que mantenga el
Cable en su lugar.
17. Dirija el Cable Largo (23) alrededor de la
Polea en “V” (6) en el Brazo Izquierdo (47).
Asegúrese que el Cable esté en el canal
de la Polea y que la Trampa Larga del
Cable (50) esté colocada de manera que
mantenga el Cable en su lugar. Apriete el
Tornillo de 3/8” x 2 1/2” (7) y la Contratuerca
de Nylon de 3/8” (no mostrada).
17
14
15
16
58
23
55
71
Gancho
Bola
15
50
23
7
47
23
7
21
650
23
6
42
MONTAJE DE LOS CABLES
10

11
18. Dirija el Cable Largo (23) alrededor de la
Polea en “V” (6) en el Brazo Derecho (48).
Asegúrese que el Cable esté en el canal
de la Polea en “V” y que la Trampa Larga
del Cable (50) esté volteada de manera
que mantenga el Cable en su lugar. Apriete
el Tornillo de 3/8” x 2 1/2” (7) y la Contratuer-
ca de Nylon 3/8” (no mostrada).
19. Dirija el Cable Largo (23) alrededor de la
Polea de 3 1/2” (15) colocada en el Soporte
de Polea (20). Asegúrese que el Cable esté
en el canal de la Polea y que la Trampa del
Cable (66) esté colocada de manera que
mantenga el Cable en su lugar. Apriete el
Tornillo de 3/8” x 2” (12) y la Contratuerca de
Nylon 3/8” (no mostrada).
Asegúrese que el Tornillo de 5/16” x 5” (68)
esté suficientemente apretado y que el
Soporte de Polea (20) pueda moverse
libremente.
20. Vea el dibujo del recuadro. Coloque la Polea
de 3 1/2” (15) y la Trampa del Cable (66) en
el agujero indicado en el Soporte en “U”
Largo (57) con un Tornillo de 3/8” x 2” (12) y
una Contratuerca de Nylon de 3/8” (21).
Asegúrese que la Trampa del Cable esté
dentro del Soporte en “U.” Nota: Esto
viene ensamblado previamente.
Dirija el Cable Largo (23) alrededor de la
Polea de 3 1/2” (15) colocada en el Soporte
en “U” Largo (57). Asegúrese que el Cable
esté en el canal de la Polea y que el Cable
y la Polea se muevan fácilmente.
21. Nota: La Polea de 3 1/2” (15) que se men-
ciona en este paso ya está ensamblada.
Se está mostrando desarmada para obte-
ner una identificación de las partes más
fácilmente.
Dirija el Cable Largo (23) alrededor de la
Polea de 3 1/2” (15) colocada en el soporte
sobre el Marco Superior (55). Apriete el
Tornillo de 3/8” x 2” (12) y la Contratuerca de
Nylon de 3/8” (21). Asegúrese que el Cable
esté en el canal de la Polea y que el Cable
y la Polea se muevan fácilmente.
21
18
19
20
MONTAJE DE LOS CABLES
48
50 76
23
66
15
12
20
68
23
21
12
15
23
57
66
12
15
23
Soporte
55
21
23

12
22. Localice el Cable Corto (58). Dirija el Cable
Corto por debajo de la Polea Baja de 3 1/2”
(77). Asegúrese de que la parte final del
Cable con la bola esté en la parte indicada
de la Polea y que el Cable esté entre la
Polea y el espaciador que está soldado en
la Palanca de Piernas (29). Apriete la
Contratuerca de Nylon de 3/8” (no mostrada)
y el Tornillo de 3/8” x 3 1/2” (16).
23. Amarre el Cable Corto (58) alrededor de una
Polea en “V” (6). Coloque la Polea y una
Trampa Larga del Cable (50) en la parte de
adentro del Sujetador en el Marco del Asiento
(36) con un Tornillo de 3/8” x 2 1/2” (7) y una
Contratuerca de Nylon de 3/8” (21).
Asegúrese de que la Trampa del Cable
esté volteada de tal manera que sostenga
el Cable en su lugar y que el Cable esté
trazado alrededor de la Polea como se
muestra.
24. Amarre el Cable Corto (58) alrededor de una
Polea de 3 1/2” (15). Coloque la Polea en el
Brazo Mecedor (32) con un Tornillo de 3/8” x
3 1/2” (16), una Arandela Plana de 3/8” (9) y
una Contratuerca de Nylon de 3/8” (21).
Asegúrese de que la Trampa del Cable (66)
esté volteada de tal manera que sostenga
el Cable en su lugar y que el Cable esté
trazado alrededor de la Polea como se
muestra.
25. Nota: La Polea de 3 1/2” (15) que se men-
ciona este paso ya está ensamblada.Se
está mostrando desarmada para obtener
una identificación de las partes más fácil-
mente.
Dirija el Cable Corto (58) alrededor de la
Polea de 3 1/2” (15) que está colocada en el
orificio más bajo del Montante Vertical
Delantero (42). Asegúrese de que la
Trampa del Cable (66) esté volteada de tal
manera que sostenga el Cable en su lugar
y que el Cable esté trazado alrededor de la
Polea como se muestra. Apriete la
Contratuerca de Nylon de 3/8” (21) y el
Tornillo de 3/8” x 3 3/4” (71).
25
22
23
24
MONTAJE DE LOS CABLES
58 77 Bola
16
58
621
16
66
15
32
9
21
29
7
50
36
58
42
21
71
58
9
66
15
Espaciador Soldado

13
26. Nota: La Polea de 3 1/2” (15) que se men-
ciona en este paso ya está ensamblada.
Se está mostrando desarmada para obte-
ner una identificación de las partes más
fácilmente.
Dirija el Cable Corto (58) alrededor de la
Polea de 3 1/2” (15) colocada en el agujero
superior en el Marco de Prensa (17).
Asegúrese de que el Cable esté trazado
alrededor de la Polea como se muestra.
Apriete la Contratuerca de Nylon de 3/8” (21)
y el Tornillo de 3/8” x 3 1/2” (16).
27. Nota: La Polea de 3 1/2” (15) que se men-
ciona en este paso ya está ensamblada.
Se está mostrando desarmada para obte-
ner una identificación de las partes más
fácilmente.
Dirija el Cable Corto (58) alrededor de la
Polea de 3 1/2” (15) colocada en el agujero
superior en el Montante Vertical Delantero
(42). Asegúrese de que la Trampa del
Cable (66) esté volteada de tal manera que
sostenga el Cable en su lugar y que el
Cable esté trazado alrededor de la Polea
como se muestra. Apriete la Contratuerca de
Nylon de 3/8” (21) y el Tornillo de 3/8” x 3 3/4”
(71).
28. Fije el extremo del Cable Corto (58) al Sopor-
te en “U” Largo (57) con una Contratuerca de
Nylon de 1/4” (2) y una Arandela Plana de
1/4” (10). No apriete completamente la
Contratuerca de Nylon. Esta debe ser
enroscada solamente un par de vueltas en
el extremo del Cable como se muestra en
el dibujo del recuadro.
26
27
28
MONTAJE DE LOS CABLES
16
9
17
15
21
71
9
42
15
58
66
58
21
66
57
2
10
58
58
57
2
10

14
29. Fije el Cable Largo (23) en el Soporte en “U”
Corto (67) con una Contratuerca de Nylon de
1/4” (2) y una Arandela Plana de 1/4” (10).
No apriete completamente la Contratuerca
de Nylon. Esta debe ser enroscada sola-
mente un par de vueltas en el extremo del
Cable como se muestra en el dibujo del
recuadro.
Fije el Soporte en “U” Corto (67) al Tubo de
Pesas (63) con un Tornillo de 5/16” x 1 3/4”
(72) y una Contratuerca de Nylon de 5/16”
(3).
30. Junte el Respaldo (41) al Montante Vertical
Delantero (42) con dos Tornillos de 1/4” x
2 1/2” (43) y dos Arandelas Planas de 1/4”
(10).
31. Inserte el Tornillo de Porte de 1/4” x 2 1/2”
(38) a través del agujero central en la Placa
del Asiento (37). Fije la Placa del Asiento al
Asiento (13) con dos Tornillos de 1/4” x 1/2”
(18).
Inserte el Tornillo de Porte de 1/4” x 2 1/2”
(38) a través del agujero indicado en el Marco
del Asiento (36). Apriete una Contratuerca de
Nylon de 1/4” (2) con una Arandela Plana de
1/4” (10) en el Tornillo de Porte.
Fije el otro extremo del Asiento (13) al Marco
del Asiento (36) con una Arandela Plana de
1/4” (10) y el Tornillo de 1/4” x 2 1/4” (24).
31
29
30
MONTAJE DE LOS CABLESMONTAJE DEL ASIENTO
23
67
2
10
63
72
67
3
10 2
23
41
42
10
43
2
24
36
13
37
18
38
10

15
32. Presione una Tapa Interna Cuadrada de
1 3/4” (44) en el Tubo de Ajuste (79).
Alinie un par de orificios en el Tubo de Ajuste
(79) con los orificios en el Brazo Mecedor (32).
Inserte el Seguro “L” (40) por los orificios.
Asegúrese de que el Tubo de Ajuste esté
orientado como se muestra.
Junte el Plato de Presión para las Piernas (78)
al Tubo de Ajuste (79) con un Tornillo de 5/16” x
2 1/2” (22), dos Arandelas Planas de 5/16” (8), y
una Contratuerca de Nylon de 5/16” (3).
33. Presione una Tapa Interna Redonda de 3/4”
(34) en cada parte final del Tubo de la
Almohadilla Chica (28). Presione una Tapa
Interna Redonda de 3/4” en cada parte final del
Tubo de la Almohadilla Grande (80).
Inserte el Tubo de la Almohadilla Chica (28) en
el Marco del Asiento (36). Deslice una
Almohadilla de 5 1/2” (30) en cada parte final
del Tubo de la Almohadilla Chica.
Inserte el Tubo de la Almohadilla Grande (80)
en la Palanca de Piernas (29). Deslice una
Almohadilla de 5 1/2” (30) en cada parte final
del Tubo de la Almohadilla Grande.
34. Remueva la parte trasera de la calcomanía
8520 y colóquese la al home gym system como
se muestra.
Asegúrese de que todas las partes estén ajus-
tados apropiadamente. El uso de todas las par-
tes restantes se explicará en la sección de
AJUSTE, que se inicia en la página 16 de este
manual del usuario.
Antes de usar el home gym system, jale cada
cable algunas veces para asegurarse que los
cables se mueven suavemente sobre las pole-
as. Si alguno de los cables no se mueve sua-
vemente, encuentre y corrija el problema.
IMPORTANTE: Si los cables no están insta-
lados adecuadamente, pueden dañarse
cuando sea usado un gran peso. Ver DIA-
GRAMA DE CABLES en el página 19 de este
manual para la apropiada colocación de los
cables. Si hay cualquier aflojamiento en los
cables, necesitará quitarlos para ajustarlos.
Ver MANTENIMIENTO Y PROBLEMAS en la
página 18.
32
33
34
COLOCACIÓN DE CALCOMANIÁ MONTAJE DEL ASIENTO
44 79 3
8
8
22
La inclinación del tubo
debe de estar así
32
40
78
36
28
80
34
34
30
30
30 29
8520

16
AJUSTE
Las instrucciones de abajo describen cómo cada una de las partes del home gym system, pueden ser ajusta-
das. IMPORTANTE: Cuando coloque la barra horizontal o el tirante de nylon, asegúrese de que éstos
estén fijados en la posición correcta para el ejercicio que se va a llevar a cabo. Si el cable o la cadena
están flojos cuando algún ejercicio esté llevándose a cabo, la efectividad del ejercicio será reducida.
54
53
52
23
39
25 26
54
58
52
53
COMO CAMBIAR EL AJUSTE DE PESAS
Para cambiar el ajuste del peso de la pila de pesas,
coloque el Pasador de Pesas (26) bajo la Pesa (25)
deseada. Inserte el Pasador de Pesas hasta que el
extremo doblado del Pasador de Pesas esté tocando
las Pesas y el extremo doblado quede para abajo. El
ajuste del peso del juego de pesas puede ser cambia-
do de 6,5 libras a 106,5 libras en incrementos de 12,5
libras. Nota: Debido a la diferencia de los Cables y
las Poleas, la resistencia real en cada estación de
ejercicios puede variar con el peso seleccionado.
Refiérase a la TABLA DE RESISTENCIA DE PESOS
en la página 17 para encontrar la cantidad real de
resistencia en cada estación.
COLOCACIÓN DE LA BARRA HORIZONTAL O EL
TIRANTE DE NYLON PARA LA ESTACIÓN DE LA
POLEA ALTA
Sujete la Barra Horizontal (54) al Cable Largo (23)
con un Clip de Cable (53). Para algunos ejercicios, la
Cadena (52) debe colocarse entre la Barra Horizontal
y el Cable Largo con dos Clips de Cable. Ajuste el
largo de la Cadena entre la Barra Horizontal y el
Cable Largo para que la Barra Horizontal se
encuentre en la posición correcta para el ejercicio
que se va a realizar. El Tirante de Nylon (39) puede
ser colocado de la misma manera.
COLOCACIÓN DE LA BARRA HORIZONTAL O EL
TIRANTE DE NYLON PARA LA ESTACIÓN DE
POLEA BAJA
Sujete la Barra Horizontal (54) al Cable Corto (58)
con un Clip de Cable (53). Para algunos ejercicios, la
Cadena (52) debe colocarse entre la Barra Horizontal
y el Cable Largo con dos Clips de Cable. Ajuste lo
largo de la Cadena entre la Barra Horizontal y el
Cable Corto para que la Barra Horizontal se
encuentre el la posición correcta para el ejercicio
que se va a realizar. El Tirante de Nylon (39) puede
ser colocado de la misma manera.
Siempre remueva el plato de presión para las
piernas y asegure la palanca de piernas antes de
usar la estación de la polea baja (vea QUITANDO
Y AJUSTANDO EL PLATO DE PRESIÓN PARA LAS
PIERNAS Y EL TUBO DE AJUSTE y ASEGURAN-
DO LA PALANCA DE PIERNAS en la página 17).
39

17
QUITANDO Y AJUSTANDO EL PLATO DE
PRESIÓN PARA LAS PIERNAS Y EL TUBO DE
AJUSTE
Para ajustar la posición del Plato de Presión para las
Piernas (78), remueva el Seguro “L” (40) del Tubo de
Ajuste (79) y el Brazo Mecedor (32). Alinie un par de
diferentes orificios en el Tubo de Ajuste con el par de
orificios en el Brazo Mecedor. Vuelva a insertar el
Seguro “L”.
Para algunos ejercicios, el Tubo de Ajuste (79) se
debe de remover. Remueva el Seguro “L” (40).
Levante el Tubo de Ajuste de Presión del sujetador
en el Brazo Mecedor (32).
ASEGURANDO LA PALANCA DE PIERNAS
Cuando la estación de la polea baja se esté usando,
la Palanca de Piernas (29) debe de estar asegurada.
Inserte el Seguro “L” (40) entre los orificios de la
Palanca de Piernas y los orificios en el Brazo
Mecedor (32).
32 79
40
78
40
29
32
BRAZO DE BRAZO DE PALANCA DE POLEA POLEA PRESIÓN
PESAS PRENSA MARIPOSA PIERNAS SUPERIOR INFERIOR DE PIERNAS
(libre) (libre) (libre) (libre) (libre) (libre)
Superior 13 9 27 14 32 30
136 2352305265
257 3281449397
3 73 46 115 58 121 130
4 99 58 142 69 144 170
5 118 74 171 88 178 215
6 132 88 201 101 217 247
7 151 112 217 114 230 319
8 165 131 264 131 262 347
TABLA DE RESISTENCIA DE PESOS
Esta gráfica muestra aproximadamente la resistencia de los pesos en cada estación. “Superior” se refiere a la
pesa superior de 6,5 libras. Los otros números se refieren a las pesas de 12,5 libras. La resistencia del peso
que se muestra para la estación de brazos de mariposa es para cada brazo de mariposa.
La resistencia actual en cada estación de pesas puede variar debido a las diferencias en las pesas individuales,
de igual manera que la fricción entre los cables, poleas y guías de pesas.

18
MANTENIMIENTO Y PROBLEMAS
Inspeccione y apriete todas las partes cada vez que vaya a usar el home gym system. Reemplace inmediata-
mente todas las partes desgastadas. Las superficies exteriores del home gym system se pueden limpiar usando
un trapo húmedo y detergente suave no-abrasivo. No use solventes.
AJUSTANDO LOS CABLES
El cable entretejido, que es el tipo de cable usado en
el home gym system, puede alargarse ligeramente la
primera vez que se usa. Si se aflojara a causa de
este estiramiento, antes de sentir resistencia, enton-
ces los cables deberán ser apretados. El aflojamiento
de los cables puede corregirse apretando las
Contratuercas de Nylon de 1/4” (2) en el extremo del
Cable Largo (23) (vea el dibujo 1) y en el extremo del
Cable Corto (58) (vea el dibujo 2). Para hacer esto,
puede quitar el Soporte en “U” Corto (67) del Tubo de
Pesas (no mostrado), o remover la Polea de 3 1/2”
(15) del Soporte en “U” Largo (57). Asegúrese que
los cables no estén muy tensos o la Pesa Superior
(76) de arriba se elevará de la pila de pesas.
Un aflojamiento adicional puede ser corregido cam-
biando la Polea de 3 1/2” (15) al otro agujero en el
Soporte en “U” Largo (57). Quite la Contratuerca de
Nylon de 3/8” (21) y el Tornillo de 3/8” x 2” (12) de la
Trampa del Cable (66), la Polea y el Soporte en “U”.
Vuelva a colocar la Polea y la Trampa del Cable.
Asegúrese que la Trampa del Cable esté en la posi-
ción adecuada y que el Cable y la Polea se muevan
suavemente.
Nota: Inspeccione los cables cada vez que use el home gym system. Si el cable aún tiende a resbalarse
fuera de las poleas a menudo, el cable puede haberse torcido. Quítelo y vuélvalo a instalar.
Si los cables necesitan ser reemplazados, vea COMO ORDENAR REPUESTOS en la contraportada de este
manual. Reemplace todos los cables cada dos años.
57
67
76
66
15
2
2
58
12
23
1
2
23
21

19
DIAGRAMA DE CABLES
Abajo, el diagrama de cables muestra la manera apropiada de colocar el Cable Corto (58) y el Cable Largo
(23). Use el diagrama para estar seguro que los dos cables han sido colocados correctamente. Si los cables no
han sido correctamente colocados, el home gym system no funcionará apropiadamente y podría dañarse. Cada
cable está etiquetado al principio y al final. Los números muestran la ruta correcta para cada cable. Asegúrese
de que los trampas de cable no toquen o junten los cables.
4
3
2
7
6
5
4
3
2
Tubo de Pesas—8
6
1—Estáción de
Polea Inferior
1—Estáción de
Polea Superior
Cable Largo (23)
7—El Soporte en “U” Largo
Cable Corto (58)
5

COMO ORDENAR PARTES DE REPUESTO
Para pedir partes de repuesto, ponga-se en contacto con la tienda donde compró el WEIDER®8520. Cuando
vaya a ordenar partes, por favor esté preparado para la siguiente información:
1. EL NÚMERO DE MODELO de la máquina (WESY85201).
2. EL NOMBRE de la máquina (WEIDER®8520 Home Gym System).
3. EL NÚMERO DE SERIE de la máquina (vea la portada de este manual).
4. EL NÚMERO y LA DESCRIPCIÓN de la(s) parte(s) (vea el DIBUJO DE LAS PARTES y la LISTA DE PARTES
en la parte central de este manual).
Parte Núm. 135582 R0997A WEIDER e una marca registrada de ICON Health & Fitness, Inc. © 1997 Impreso in E.U.A

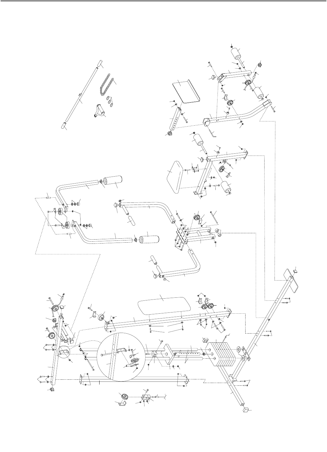
Nota: El montaje está dividido en cuatro pasos: 1) montaje del marco, 2) montaje del brazo de
presión y de mariposa, 3) montaje de cable y polea, y 4) montaje del asiento y respaldo. El equi-
po para cada paso está empacado por separado. Espere a abrir la bolsa de las partes hasta que
vaya a empezar a ensamblar el paso correspondiente.
WESY85201 R0997A
REMUEVA LA TABLA DE
IDENTIFICACIÓN DE PARTES DE
ESTE MANUAL DEL USUARIO

Arandela Plana de 1/4" (10)–6
Arandela Plana de 5/16" (8)–8
Arandela Plana de
3/8" (9)–5
Tornillo de 1/4" x 2 1/2" (43)–2
Tornillo de 5/16" x 1 3/4" (72)–1
Tornillo de Porte de 5/16" x 2 1/2" (1)–4
Tornillo de Porte de 5/16" x 2 3/4" (14)–2
Tornillo de 1/4" x 1/2" (18)–2
Tornillo de 5/16" x 2 1/2" (22)–5
Tornillo de 5/16" x 5" (68)–1
Tornillo de 5/16" x 6" (60)–1
Tornillo de 5/16" x 2 3/4" (11)–6
Tornillo de Porte de 1/4" x 2 1/2" (38)–1
Tornillo de 1/4" x 2 1/4" (24)–1

Retenedor de 1" (69)–4
Contratuerca de Nylon de 3/8"
(21)–15
Tuerca de Nylon de Bloqueo de 3/8"
(33)–1
Tornillo de 3/8" x 2" (12)–3
Tornillo de 3/8" x 3 1/2" (16)–3
Tornillo de 3/8" x 2 1/2" (7)–4
Tornillo de 3/8" x 3 3/4" (71)–3
Tornillo de 3/8" x 8" (59)–1
Clip de Cable (53)–3
Tornillo de 3/8" x 3 1/4" (35)–1
Contratuerca de Nylon de 5/16"
(3)–20
Contratuerca de Nylon
de 1/4" (2)–3

Tapa Interna Redonda de 1"
(49)–4
Tapa de Cubierta Redonda de 1"
(70)–2
Tapa Interna Redonda de 3/4"
(34)–4
Espaciador de 1/2" x 3/4"
(61)–2
Tapa Interna Cuadrada de 1 3/4"
(44)–10
Tapa Interna Cuadrada de 2" (27)–3
Tapa Externa Cuadrada de 2" (51)–2
Cojinete Plástico de 1" x 7/8" (75)–2

81
RETIRE DEL MANUAL
ESTA LISTA DE PARTES/
DIBUJO DE LAS PARTES!

Nota: Este signo # indica una parte no ilustrada. Las características técnicas están sujetas a cambios sin previo
aviso.
LISTA DE PARTES—Núm. de Modelo WESY85201 R0997A
Núm.
Clave Cant. Descripción
1 4 Tornillo de Porte de 5/16” x 2 1/2”
2 3 Contratuerca de Nylon de 1/4”
3 20 Contratuerca de Nylon de 5/16”
4 1 Base
5 1 Estabilizador
6 4 Polea en “V”
7 5 Tornillo de 3/8” x 2 1/2”
8 8 Arandela Plana de 5/16”
9 5 Arandela Plana de 3/8”
10 6 Arandela Plana de 1/4”
11 6 Tornillo de 5/16” x 2 3/4”
12 3 Tornillo de 3/8” x 2”
13 1 Asiento
14 2 Tornillo de Porte de 5/16” x 2 3/4”
15 8 Polea de 3 1/2”
16 3 Tornillo de 3/8” x 3 1/2”
17 1 Marco de Prensa
18 2 Tornillo de 1/4” x 1/2”
19 2 Parachoques de Pesas
20 1 Soporte de Polea
21 15 Contratuerca de Nylon de 3/8”
22 5 Tornillo de 5/16” x 2 1/2”
23 1 Cable Largo
24 1 Tornillo de 1/4” x 2 1/4”
25 8 Pesa
26 1 Pasador de Pesas
27 3 Tapa Interna Cuadrada de 2”
28 1 Tubo de la Almohadilla Chica
29 1 Palanca de Piernas
30 4 Almohadilla de 5 1/2”
31 4 Manubrio
32 1 Brazo Mecedor
33 1 Tuerca de Nylon de Bloqueo de 3/8”
34 4 Tapa Interna Redonda de 3/4”
35 1 Tornillo de 3/8” x 3 1/4”
36 1 Marco del Asiento
37 1 Placa del Asiento
38 1 Tornillo de Porte de 1/4” x 2 1/2”
39 1 Tirante de Nylon
40 1 Seguro “L”
41 1 Respaldo
Núm.
Clave Cant. Descripción
42 1 Montante Vertical Delantero
43 2 Tornillo de 1/4” x 2 1/2”
44 10 Tapa Interna Cuadrada de 1 3/4”
45 2 Almohadilla de 10”
46 2 Brazo de Prensa
47 1 Brazo Izquierdo
48 1 Brazo Derecho
49 4 Tapa Interna Redonda de 1”
50 4 Trampa Larga del Cable
51 2 Tapa Externa Cuadrada de 2”
52 1 Cadena
53 3 Clip de Cable
54 1 Barra Horizontal
55 1 Marco Superior
56 1 Montante Vertical Posterior
57 1 Soporte en “U” Largo
58 1 Cable Corto
59 1 Tornillo de 3/8” x 8”
60 1 Tornillo de 5/16” x 6”
61 2 Espaciador de 1/2” x 3/4”
62 2 Guía de Pesas
63 1 Tubo de Pesas
64 1 Tapa del Tubo de Pesas
65 2 Tornillo Taladro de 1/2”
66 6 Trampa del Cable
67 1 Soporte en “U” Corto
68 1 Tornillo de 5/16” x 5”
69 4 Retenedor de 1”
70 2 Tapa de Cubierta Redonda de 1”
71 3 Tornillo de 3/8” x 3 3/4”
72 1 Tornillo de 5/16” x 1 3/4”
73 2 Tope
74 2 Cojinete Plástico de 1 1/8” x 2 1/2”
75 2 Cojinete Plástico de 1” x 7/8”
76 1 Pesa Superior
77 1 Polea Baja de 3 1/2”
78 1 Plato de Presión para las Piernas
79 1 Tubo de Ajuste de Presión
80 1 Tubo de la Almohadilla Grande
# 1 Manual del Usuario

7
50
6
21
69
70
69
70 47
48
44
45
44
45
74
74
11
11
8
8
55
27 12
15 44 15 71
23
27
21
44
21
49
3
61
60
56
15 321
6
50 7
42
66
6855
3
21
66
15
20
12
12
2
57 58
21
3
5
19
26
51
25
64
63
76
9
21
10
43
10
62
67
3
72
10
2
41
14
51
1
1
4
15
15
33
66
66
49
46
49
46
22
39
16
44
44
15
21
59
75
21
13
27
37
18
38 30
28
34
30
34
3
3
54
31
31
52
53
39
73 65
44
310
2
24 21
6
7
44
79 83
8
22
78
32
7365
15
66 16
29
16
77
921 34
30
80
58
30
34
21
35
9
21
11 17
36
31
31
33
7
3
71
40
50
44
44
66
8
23
DIBUJO DE LAS PARTES—Núm. de Modelo WESY85201 R0997A