Weslo Cadence 200Cs Quick Start Guide 822478 ManualsLib Makes It Easy To Find Manuals Online! User Manual
2016-11-23
User Manual: Weslo Weslo-Cadence-200Cs-Quick-Start-Guide-822478
Open the PDF directly: View PDF
.
Page Count: 19

USER'S MANUAL
Serial Number Decal
Model No. WLTL19013
Serial No.
QUESTIONS?
If you have questions, or if there
are missing or damaged parts,
we will guarantee complete
satisfaction through direct assis-
tance from our factory.
TO AVOID DELAYS, PLEASE
CALL DIRECT TO OUR TOLL-
FREE CUSTOMER HOT LINE.
The trained technicians on our
Customer Hot Line will provide
immediate assistance, free of
charge to you.
CUSTOMER HOT LINE:
1-800-999-3756
Mon.–Fri., 6 a.m.–6 p.m. MST
CAUTION
Read all precautions and instruc-
tions in this manual before using
this equipment. Save this manual
for future reference.
Visit our website at
www.weslo.com
new products, prizes,
fitness tips, and much more!

TABLE OF CONTENTS
IMPORTANT PRECAUTIONS . . . . . . . . . . . . . . . . . . . . . . . . . . . . . . . . . . . . . . . . . . . . . . . . . . . . . . . . . . . . . . . . .2
BEFORE YOU BEGIN . . . . . . . . . . . . . . . . . . . . . . . . . . . . . . . . . . . . . . . . . . . . . . . . . . . . . . . . . . . . . . . . . . . . . . .4
ASSEMBLY . . . . . . . . . . . . . . . . . . . . . . . . . . . . . . . . . . . . . . . . . . . . . . . . . . . . . . . . . . . . . . . . . . . . . . . . . . . . . . .5
OPERATION AND ADJUSTMENT . . . . . . . . . . . . . . . . . . . . . . . . . . . . . . . . . . . . . . . . . . . . . . . . . . . . . . . . . . . . .7
HOW TO FOLD AND MOVE THE TREADMILL . . . . . . . . . . . . . . . . . . . . . . . . . . . . . . . . . . . . . . . . . . . . . . . . . .10
MAINTENANCE AND TROUBLE-SHOOTING . . . . . . . . . . . . . . . . . . . . . . . . . . . . . . . . . . . . . . . . . . . . . . . . . . .12
CONDITIONING GUIDELINES . . . . . . . . . . . . . . . . . . . . . . . . . . . . . . . . . . . . . . . . . . . . . . . . . . . . . . . . . . . . . . .14
ORDERING REPLACEMENT PARTS . . . . . . . . . . . . . . . . . . . . . . . . . . . . . . . . . . . . . . . . . . . . . . . . . .Back Cover
LIMITED WARRANTY . . . . . . . . . . . . . . . . . . . . . . . . . . . . . . . . . . . . . . . . . . . . . . . . . . . . . . . . . . . . . . .Back Cover
Note: A PART IDENTIFICATION CHART, an EXPLODED DRAWING, and a PART LIST are attached in the
center of this manual.
1. It is the responsibility of the owner to ensure
that all users of this treadmill are adequately
informed of all warnings and precautions.
2. Use the treadmill only as described.
3. Place the treadmill on a level surface, with at
least eight feet of clearance behind it and two
feet on each side. Do not place the treadmill
on any surface that blocks air openings. To
protect the floor or carpet from damage, place
a mat under the treadmill.
4. Keep the treadmill indoors, away from mois-
ture and dust. Do not put the treadmill in a
garage or covered patio, or near water.
5. Do not operate the treadmill where aerosol
products are used or where oxygen is being
administered.
6. Keep children under the age of 12 and pets
away from the treadmill at all times.
7. The treadmill should not be used by persons
weighing more than 250 pounds.
8. Never allow more than one person on the
treadmill at a time.
9. Wear appropriate exercise clothes when
using the treadmill. Do not wear loose clothes
that could become caught in the treadmill.
Athletic support clothes are recommended for
both men and women. Always wear athletic
shoes. Never use the treadmill with bare feet,
wearing only stockings, or in sandals.
10. When connecting the power cord (see page 7),
plug the power cord into a surge suppressor
(not included) and plug the surge suppressor
into a grounded circuit capable of carrying 15
or more amps. No other appliance should be on
the same circuit. Do not use an extension cord.
11. Use only a single-outlet surge suppressor that
meets all of the specifications described on
page 7. To purchase a surge suppressor, see
your local WESLO dealer or call 1-800-806-
3651 and order part number 146148.
12. Failure to use a properly functioning surge
suppressor could result in damage to the con-
trol system of the treadmill. If the control sys-
tem is damaged, the walking belt may change
speed or stop unexpectedly, which may result
in a fall and serious injury.
13. Keep the power cord and the surge suppres-
sor away from heated surfaces.
14. Never move the walking belt while the power
is turned off. Do not operate the treadmill if
the power cord or plug is damaged, or if the
treadmill is not working properly. (See
BEFORE YOU BEGIN on page 4 if the tread-
mill is not working properly.)
WARNING: To reduce the risk of burns, fire, electric shock, or injury to persons, read the
following important precautions and information before operating the treadmill.
IMPORTANT PRECAUTIONS
2

15. Never start the treadmill while you are stand-
ing on the walking belt. Always hold the
handrails while using the treadmill.
16. The treadmill is capable of high speeds.
Adjust the speed in small increments to avoid
sudden jumps in speed.
17. Never leave the treadmill unattended while it
is running. Always remove the key and unplug
the power cord when the treadmill is not in
use.
18. Do not attempt to raise, lower, or move the
treadmill until it is properly assembled. (See
ASSEMBLY on page 5 and HOW TO FOLD
AND MOVE THE TREADMILL on page 10.)
You must be able to safely lift 45 pounds (20
kg) to raise, lower, or move the treadmill.
19. When folding or moving the treadmill, make
sure that the storage latch is fully closed.
20. Do not change the incline of the treadmill by
placing objects under the treadmill.
21. Inspect and properly tighten all parts of the
treadmill regularly.
22. Never drop or insert any object into any
opening.
23. DANGER: Always unplug the power
cord immediately after use, before cleaning
the treadmill, and before performing the main-
tenance and adjustment procedures de-
scribed in this manual. Never remove the
motor hood unless instructed to do so by an
authorized service representative. Servicing
other than the procedures in this manual
should be performed by an authorized service
representative only.
24. This treadmill is intended for in-home use
only. Do not use this treadmill in any commer-
cial, rental, or institutional setting.
WARNING: Before beginning this or any exercise program, consult your physician. This
is especially important for persons over the age of 35 or persons with pre-existing health problems.
Read all instructions before using. ICON assumes no responsibility for personal injury or property
damage sustained by or through the use of this product.
SAVE THESE INSTRUCTIONS
The decals shown have been placed
on your treadmill. If a decal is miss-
ing or is not legible, please call our
Customer Service Department, toll-
free, to order a free replacement
decal (see ORDERING REPLACE-
MENT PARTS on the back cover of
this manual). Apply the decal in the
location shown. Note: The decals are
not shown at actual size.
•Hazardous Voltage
•Risk of Electric Shock
•Unplug Treadmill before Assembly
/Disassembly.
•Hazardous Voltage
•Risk of Electric Shock
•Unplug Treadmill before Assembly
/Disassembly.
3

Thank you for selecting the WESLO®CADENCE 200
CS treadmill. The CADENCE 200 CS treadmill com-
bines advanced technology with innovative design to
let you enjoy an excellent form of cardiovascular exer-
cise in the convenience and privacy of your home. And
when you’re not exercising, the unique CADENCE 200
CS can be folded up, requiring less than half the floor
space of other treadmills.
For your benefit, read this manual carefully before
using the treadmill. If you have additional questions,
please call our Customer Service Department toll-free
at 1-800-999-3756, Monday through Friday, 6 a.m.
until 6 p.m. Mountain Time (excluding holidays). To
help us assist you, please note the product model
number and serial number before calling. The model
number of the treadmill is WLTL19013. The serial
number can be found on a decal attached to the tread-
mill (see the front cover of this manual for the location).
Before reading further, please review the drawing
below and familiarize yourself with the labeled parts.
BEFORE YOU BEGIN
Handrail
Handrail
Console
Key/Clip
Circuit Breaker
Incline Leg
Walking Belt Hood
Front Wheel
Foot Pad
Power Cord
Rear Roller
Adjustment Bolts
Water Bottle Holder
(Bottle not included)
RIGHT SIDE
LEFT SIDE
4

ASSEMBLY
Assembly requires two persons. Set the treadmill in a cleared area and remove all packing materials; do not
dispose of the packing materials until assembly is completed. Note: The underside of the treadmill walking
belt is coated with high-performance lubricant. During shipping, a small amount of lubricant may be transferred to
the top of the walking belt or the shipping carton. This does not affect treadmill performance. If there is lubricant
on top of the walking belt, simply wipe off the lubricant with a soft cloth and a mild, non-abrasive cleaner.
Assembly requires the included allen wrench and your own phillips screwdriver ,
adjustable wrenches , and 9/16” socket wrench .
5
3. Using two adjustable wrenches, attach the Wheels (15)
to the inside of the Base (71) with the two Wheel Bolts
(14) and the two Nuts (42) as shown (only the right side
is shown). Do not overtighten the Wheel Nuts; the
Wheels should turn freely.
1. Note: To identify
small parts used
during assem-
bly, refer to the
PART IDENTIFI-
CATION CHART
in the center of
this manual.
With the help of a second person, carefully tip the treadmill
onto its left side. Identify the Right Handrail (6), which has
a large hole near the lower end. (Note: There may be
identification decals on the Handrails.) Hold the Right
Handrail in the position shown. Feed the end of the Wire
Harness (22) into the hole in the lower end of the Right
Handrail and out of the upper end of the Right Handrail.
Hold a Frame Spacer (13) between the Right Handrail and
the Frame. Attach the Right Handrail with a Frame Bolt
(10), a Handrail Washer (11), and a Star Washer (33).
Tip the treadmill onto its right side and attach the Left
Handrail (not shown) as described above. Note: There
will not be a wire harness in the Left Handrail.
1
14
71
42
3
15
33
6
22
Large
Hole
55
13
11
10
Bend
•Hazardous Voltage
•Risk of Electric Shock
•Unplug Treadmill before Assembly
/Disassembly.
2. Hold the Base (71) against the Right Handrail (6) and the
Left Handrail (not shown), with the Base Pads (19) in
the positions shown.
Using a 9/16” socket wrench and the allen wrench, attach
the Base (71) to the Right Handrail (6) with two Handrail
Bolts (12), two Formed Washers (31), and two Nuts (42).
Do not tighten the Nuts yet. Attach the Base to the Left
Handrail (not shown) in the same way. Tighten all four
Nuts. Insert the excess Wire Harness (22) up into the
Right Handrail.
With the help of a second person, raise the treadmill so
the Base (71) is resting flat on the floor.
42
6
31
22
71
19
12
19
2

5. Insert the hinge of the Battery Cover (8) into the Console
Plate (4) in the location shown; the Battery Cover should
pivot on its hinge. Set the Console Base (1) on the
Console Plate. Make sure the Wire Harness (22) is clear
of the square battery access hole and the boss (see
drawing 4a above). Make sure that no wires will be
pinched before attaching the Console Base to the
Console Plate. Tighten five Screws (5) into the Console
Plate and the Console Base in the locations shown.
7. Make sure that all parts are properly tightened before you use the treadmill. Keep the included allen
wrench in a secure place. The allen wrench is used to adjust the walking belt (see page 13). To protect the
floor or carpet, place a mat under the treadmill.
4. See inset drawing 4c. If there is a plastic tie in the square
hole in the bottom of the Right Handrail (6), remove it.
Remove the five screws holding the Console Base (1)
and Console Plate (4) together. Attach the Console Plate
(4) to the Right and Left Handrails (6, 7) by pushing the
Handrails inward and tightening two Console Bolts (9)
and Handrail Washers (11) into the Console Plate and
Handrails
Hold the Console Base (1) near the Right Handrail (6).
Touch the Right Handrail to discharge any static.
Remove the tape from the connectors at the end of the
Wire Harness (22). Locate the two wires in the Wire
Harness that have L-shaped connectors on the ends.
See inset drawing 4b. Press the connectors onto the two
tabs on the red switch in the direction shown. Connect
the other two wires in the Wire Harness to the back of the
Console Base (1) in the locations shown by the arrows in
drawing 4a. If the connectors do not fit together
easily, rotate them and then connect them.
See inset drawing 4c. Loop the included plastic tie through
the square hole on the top and around the Wire Harness
(22) as shown. Tighten the plastic tie and cut off the end.
22
Boss
Left
1
647
11
9
Square Hole
4a
5
4
5
Battery
Acess
6
1
7
5
5
5
8
6. With the help of a second person, raise the Frame (55) to
the vertical position. Make sure that the Latch Pin (69) is
in the Storage Latch (41) as shown. Attach the Storage
Latch to the Frame with the three Screws (5). Do not
tighten the Screws yet. Position the Storage Latch so
that the Latch Pin (69) is aligned with the hole in the Left
Handrail (7). Then, tighten the three Screws. The Latch
Pin should slide into the hole as shown in the inset draw-
ing. Make sure that the Latch Pin is inserted into the
hole deep enough to securely hold the Frame (55). If
needed, push the Left Handrail inward as you tighten the
Console Bolts (9 see drawing 5).
41
55
5
6
41
Hole
69
7
7
69
Tie
Remove Tie
22
4c
4b Tabs
6
6

7
OPERATION AND ADJUSTMENT
THE PERFORMANT LUBETM WALKING BELT
Your treadmill features a walking belt coated with
PERFORMANT LUBETM, a high-performance lubricant.
IMPORTANT: Never apply silicone spray or other
substances to the walking belt or the walking plat-
form. Such substances will deteriorate the walking
belt and cause excessive wear.
HOW TO PLUG IN THE POWER CORD
Your treadmill, like any other type of sophisticated
electronic equipment, can be seriously damaged by
sudden voltage changes in your home’s power.
Voltage surges, spikes, and noise interference can
result from weather conditions or from other appli-
ances being turned on or off. To decrease the pos-
sibility of your treadmill being damaged, always
use a surge suppressor with your treadmill (see
drawing 1 at the right). To purchase a surge sup-
pressor, see your local WESLO dealer or call 1-800-
806-3651 and order part number 146148.
Use only a single-outlet surge suppressor that is
UL 1449 listed as a transient voltage surge sup-
pressor (TVSS). The surge suppressor must have a
UL suppressed voltage rating of 400 volts or less
and a minimum surge dissipation of 450 joules.
The surge suppressor must be electrically rated
for 120 volts AC and 15 amps. There must be a
monitoring light on the surge suppressor to indi-
cate whether it is functioning properly. Failure to
use a properly functioning surge suppressor could
result in damage to the control system of the
treadmill. If the control system is damaged, the
walking belt may change speed or stop unexpect-
edly, which may result in a fall and serious injury.
This product must be grounded. If it should malfunc-
tion or break down, grounding provides a path of least
resistance for electric current to reduce the risk of elec-
tric shock. This product is equipped with a cord having
an equipment-grounding conductor and a grounding
plug. Plug the power cord into a surge suppressor,
and plug the surge suppressor into an appropriate
outlet that is properly installed and grounded in
accordance with all local codes and ordinances.
Important: The treadmill is not compatible with
GFCI-equipped outlets.
This product is for use on a nominal 120-volt circuit,
and has a grounding plug that looks like the plug illus-
trated in drawing 1 below. A temporary adapter that
looks like the adapter illustrated in drawing 2 may be
used to connect the surge suppressor to a 2-pole
receptacle as shown in drawing 2 if a properly
grounded outlet is not available.
The temporary adapter should be used only until a
properly grounded outlet (drawing 1) can be installed
by a qualified electrician.
The green-colored rigid ear, lug, or the like extending
from the adapter must be connected to a permanent
ground such as a properly grounded outlet box cover.
Whenever the adapter is used it must be held in place
by a metal screw. Some 2-pole receptacle outlet box
covers are not grounded. Contact a qualified elec-
trician to determine if the outlet box cover is
grounded before using an adapter.
DANGER: Improper connection
of the equipment-grounding conductor can
result in an increased risk of electric shock.
Check with a qualified electrician or service-
man if you are in doubt as to whether the
product is properly grounded. Do not modify
the plug provided with the product—if it will
not fit the outlet, have a proper outlet
installed by a qualified electrician.
1
2
Grounded Outlet Box
Grounded Outlet Box
Grounding Plug
Surge Suppressor
Surge Suppressor
Grounding Pin
Adapter
Lug
Metal Screw
Grounded Outlet
Grounding Pin

DIAGRAM OF THE CONSOLE
Clip
Key
Speed Control
Water Bottle Holder
(Water bottle is
not included)
Note: If there is a thin sheet of clear
plastic on the console, remove it.
Monitor Display
BATTERY INSTALLATION
The console requires two "AA" batteries (not in-
cluded). Alkaline batteries are recommended. Open
the Battery Cover (8) as shown in the drawing at the
upper right. Insert the batteries into the console, mak-
ing sure that the negative (–) ends of the batteries are
touching the springs in the console.
Close the Battery Cover (8), push up on the battery
cover tab, and then push the tab forward as shown in the
inset drawing. Make sure that the tab locks into place.
STEP-BY-STEP CONSOLE OPERATION
Before operating the console, make sure that the
power cord is properly plugged in (see page 7).
Step onto the foot pads on the treadmill. Find the clip
attached to the key (see the drawing above), and slide
the clip onto the waistband of your clothes. Next, in-
sert the key into the console. Test the clip by care-
fully taking a few steps backward until the key is
pulled from the console. If the key is not pulled
from the console, adjust the position of the clip as
needed. Then, remove the key from the console.
CAUTION:Before operating the
console, read the following precautions.
• Do not stand on the walking belt when turn-
ing on the power.
• Always wear the clip (see the drawing
above) while operating the treadmill. When
the key is removed from the console, the
walking belt will stop.
• Adjust the speed in small increments.
• To reduce the possibility of electric shock,
keep the console dry. Avoid spilling liquids
on the console and use only a sealable
water bottle.
8
Tab
Batteries
8
8

Follow the steps below and to operate the console.
Insert the key fully into the console.
Inserting the key will
not turn on the dis-
play. The display will
turn on when the
ON/RESET button is
pressed or when the
walking belt is
started. Note: If you
just installed batteries, the display will already be
on.
Reset the console and start the walking belt.
Turn the speed
control to the RESET
position. Note: Each
time the walking belt
is stopped, the
speed control must
be turned to the
RESET position be-
fore the walking belt
can be restarted.
Next, slowly turn the speed control until the walk-
ing belt begins to move at slow speed. Carefully
step onto the walking belt and begin exercising.
Change the speed of the walking belt as desired
by turning the speed control.
To stop the walking belt, step onto the foot pads
and turn the speed control to the RESET position.
Note: During the first few minutes that the treadmill
is used, inspect the alignment of the walking belt
and align it if necessary (see page 13).
Follow your progress with the monitor modes.
When the power is
turned on, the con-
sole will automatically
scan through five
modes. A flashing
mode indicator will
show which mode is
currently displayed.
The modes are described below.
• Speed—This mode shows your speed, in miles
per hour.
• Time—This mode shows the elapsed time. Note:
If you stop exercising for ten seconds or longer,
the time mode will pause.
• Distance—This mode shows the total number of
miles you have walked or run.
• Fat Calories (FAT CALS)—This mode shows the
approximate number of fat calories you have
burned. (See FAT BURNING on page 14.)
• Calories (CALS)—This mode shows the approxi-
mate number of calories you have burned.
If desired, reset the display by pressing the
ON/RESET button.
When you are finished exercising, stop the
walking belt and remove the key.
Step onto the foot pads, stop the walking belt and
remove the key from the console. The displays will
turn off about six minutes after the key is removed.
Note: The display will automatically turn off in
order to conserve the batteries any time that
the walking belt is stopped and the ON/RESET
button is not pressed for six minutes.
4
3
2
1
Mode Indicator
9

HOW TO FOLD AND MOVE THE TREADMILL
HOW TO FOLD THE TREADMILL FOR STORAGE
Unplug the power cord. CAUTION: You must be able to
safely lift 45 pounds (20 kg) in order to raise, lower, or
move the treadmill.
1. Hold the treadmill with your hands in the locations shown
at the right. CAUTION: To decrease the possibility of in-
jury, bend your legs and keep your back straight. As
you raise the treadmill, make sure to lift with your legs
rather than your back. Raise the treadmill about halfway
to the vertical position.
2. Move your right hand to the position shown and hold the
treadmill firmly. Raise the treadmill until the latch pin is
aligned with the hole in the left handrail. Slide the latch
pin into the hole. Make sure that the latch pin is in-
serted as far as possible into the hole. Lock the pin by
pressing the end of the pin into the slot in the storage
latch as shown in the inset drawing.
To protect the floor or carpet from damage, place a
mat under the treadmill. Keep the treadmill out of di-
rect sunlight. Do not leave the treadmill in the storage
position in temperatures above 85° Fahrenheit.
HOW TO CHANGE THE INCLINE OF THE TREADMILL
To vary the intensity of your exercise, the incline of the treadmill can be changed. There are three incline levels.
Before changing the incline, remove the key and unplug the power cord. Next, fold the treadmill to the stor-
age position (see HOW TO FOLD THE TREADMILL FOR STORAGE on page 10).
To change the incline, remove the incline pin from one
of the incline legs as shown below. Adjust the incline
leg to the desired height and fully reinsert the incline
pin. Make sure that the incline pin is in the “locked” po-
sition shown in the inset drawing. Adjust the other in-
cline leg in the same way. Make sure that both in-
cline pins are inserted from the direction shown.
CAUTION: Before using the treadmill, make sure
that both incline pins are fully inserted at the same
height. Do not use the treadmill with the incline
pins removed.
After you have adjusted the incline legs, lower the
treadmill (see HOW TO LOWER THE TREADMILL
FOR USE on page 11).
Latch
Pin
Hole
Slot
10
Incline
Pin
Incline
Pin
Incline
Pin

HOW TO LOWER THE TREADMILL FOR USE
1. Hold the upper end of the treadmill with your right hand as
shown. Using your left hand, slide the latch pin to the
right. Lock the pin in place by pressing the end of the pin
into the slot in the storage latch as shown in the inset
drawing.
2. Hold the treadmill firmly with both hands, and lower the
treadmill to the floor. To decrease the possibility of in-
jury, bend your legs and keep your back straight.
Lock
Pin
Slot
11
HOW TO MOVE THE TREADMILL
Before moving the treadmill, convert the treadmill to the stor-
age position as described above. Make sure that the latch
pin is fully inserted into the hole in the handrail and
locked into place as described above.
1. Hold the handrails and place one foot on the base as
shown.
2. Tilt the treadmill back until it rolls freely on the front wheels.
Carefully move the treadmill to the desired location. Never
move the treadmill without tipping it back. To reduce
the risk of injury, use extreme caution while moving
the treadmill. Do not attempt to move the treadmill
over an uneven surface.
3. Place one foot on the base, and carefully lower the tread-
mill until it is resting in the storage position.
Base
Front Wheels

MAINTENANCE AND TROUBLE-SHOOTING
Most treadmill problems can be solved by following the steps below. Find the symptom that applies, and
follow the steps listed. If further assistance is needed, please call our Customer Service Department toll-
free at 1-800-999-3756, Monday through Friday, 6 a.m. until 6 p.m. Mountain Time (excluding holidays).
PROBLEM: The power does not turn on
SOLUTION: a. Make sure that the power cord is plugged into a surge suppressor, and that the surge suppressor
is plugged into a properly grounded outlet (see page 7). Use only a single-outlet surge suppressor
that meets all of the specifications described on page 7. Important: The treadmill is not compatible
with GFCI-equipped outlets.
b. After the power cord has been plugged in, make sure that the key is fully inserted into the console.
c. Check the circuit breaker located on the treadmill
near the power cord. If the switch protrudes as
shown, the circuit breaker has tripped. To reset the
circuit breaker, wait for five minutes and then press
the switch back in.
PROBLEM: The power turns off during use
SOLUTION: a. Check the circuit breaker located on the treadmill frame near the power cord (see c. above). If the
circuit breaker has tripped, wait for five minutes and then press the switch back in.
b. Make sure that the power cord is plugged in.
c. Remove the key from the console. Reinsert the key fully into the console.
d. If the treadmill still will not run, please call our Customer Service Department, toll-free.
PROBLEM: The displays of the console do not function properly
SOLUTION: a. Check the batteries in the console (see page 8). Most problems are the result of drained batter-
ies.
b. Remove the key from the console and UNPLUG THE
POWER CORD. Remove the screws from the hood.
Carefully remove the hood. Locate the Reed Switch
(46) and the Magnet (49) on the left side of the Pulley
(53). Turn the Pulley until the Magnet is aligned with
the Reed Switch. Make sure that the gap between
the Magnet and the Reed Switch is about 1/8”. If
necessary, loosen the Screw (26) and move the Reed
Switch slightly. Retighten the Screw. Re-attach the
hood, and run the treadmill for a few minutes to check
for a correct speed reading.
Tripped Reset
c
49
26
46
Top View
1/8” 53
12
b

PROBLEM: The walking belt slows when walked on
SOLUTION: a. Use only a single-outlet surge suppressor that meets all of the specifications described on page 7.
b. If the walking belt is overtightened, treadmill perfor-
mance may decrease and the walking belt may be-
come damaged. Remove the key and UNPLUG THE
POWER CORD. Using the allen wrench, turn both
rear roller bolts counterclockwise, 1/4 of a turn. When
the walking belt is properly tightened, you should be
able to lift each side of the walking belt 2 to 3 inches
off the walking platform. Be careful to keep the walk-
ing belt centered. Plug in the power cord, insert the
key and run the treadmill for a few minutes. Repeat
until the walking belt is properly tightened.
c. If the walking belt still slows when walked on, please call our toll-free Customer Service
Department.
PROBLEM: The walking belt is off-center or slips when walked on
SOLUTION: a. If the walking belt has shifted to the left, first re-
move the key and UNPLUG THE POWER CORD.
Using the allen wrench, turn the left rear roller bolt
clockwise 1/2 of a turn. Be careful not to overtighten
the walking belt. If the walking belt has shifted to
the right, turn the left rear roller bolt counterclockwise
1/2 of a turn. Plug in the power cord, insert the key
and run the treadmill for a few minutes. Repeat until
the walking belt is centered.
SOLUTION: a. If the walking belt slips when walked on, first remove
the key and UNPLUG THE POWER CORD. Using
the allen wrench, turn both rear roller bolts clockwise,
1/4 of a turn. When the walking belt is correctly tight-
ened, you should be able to lift each side of the walk-
ing belt 3 to 4 inches off the walking platform. Be
careful to keep the walking belt centered. Plug in the
power cord, insert the key and carefully walk on the
treadmill for a few minutes. Repeat until the walking
belt is properly tightened.
b
a
b
13
2”–3”
Rear Roller
Adjustment Bolts

CONDITIONING GUIDELINES
The following guidelines will help you to plan your ex-
ercise program. For more detailed exercise informa-
tion, obtain a reputable book or consult your physician.
EXERCISE INTENSITY
Whether your goal is to burn fat or to strengthen your
cardiovascular system, the key to achieving the desired
results is to exercise with the proper intensity. The
proper intensity level can be found by using your heart
rate as a guide. The chart below shows recommended
heart rates for fat burning and aerobic exercise.
To find the proper heart rate for you, first find your age
at the top of the chart (ages are rounded off to the
nearest ten years). Next, find the three numbers below
your age. The three numbers are your “training zone.”
The lower two numbers are recommended heart rates
for fat burning; the highest number is the recom-
mended heart rate for aerobic exercise.
Fat Burning
To burn fat effectively, you must exercise at a relatively
low intensity level for a sustained period of time. During
the first few minutes of exercise, your body uses easily
accessible carbohydrate calories for energy. Only after
the first few minutes does your body begin to use
stored fat calories for energy. If your goal is to burn fat,
adjust the speed and incline of the treadmill until your
heart rate is near one of the lower two numbers in your
training zone.
Aerobic Exercise
If your goal is to strengthen your cardiovascular sys-
tem, your exercise must be “aerobic.” Aerobic exercise
is activity that requires large amounts of oxygen for
prolonged periods of time. This increases the demand
on the heart to pump blood to the muscles, and on the
lungs to oxygenate the blood. For aerobic exercise,
adjust the speed and incline of the treadmill until your
heart rate is near the highest number in your training
zone.
HOW TO MEASURE YOUR HEART RATE
To measure your
heart rate, stop ex-
ercising and place
two fingers on your
wrist as shown.
Take a six-second
heartbeat count,
and multiply the re-
sult by ten to find
your heart rate. (A six-second count is used because
your heart rate drops quickly when you stop exercis-
ing.) If your heart rate is too high or too low, adjust the
speed or incline of the treadmill accordingly.
WORKOUT GUIDELINES
Each workout should include the following three impor-
tant parts:
A Warm-up
Warming up prepares the body for exercise by increas-
ing circulation, delivering more oxygen to the muscles
and raising the body temperature. Begin each workout
with 5 to 10 minutes of stretching and light exercise to
warm up (see SUGGESTED STRETCHES on page 15).
Training Zone Exercise
After warming up, increase the intensity of your exer-
cise until your pulse is in your training zone for 20 to
60 minutes. (During the first few weeks of your exer-
cise program, do not keep your pulse in your training
zone for longer than 20 minutes.) Breathe regularly
and deeply as you exercise—never hold your breath.
A Cool-down
Finish each workout with 5 to 10 minutes of stretching
to cool down. This will increase the flexibility of your
muscles and will help to prevent post-exercise problems.
WARNING: Before beginning
this or any exercise program, consult your
physician. This is especially important for in-
dividuals over the age of 35 or individuals
with pre-existing health problems.
14

EXERCISE FREQUENCY
To maintain or improve your condition, complete three
workouts each week, with at least one day of rest be-
tween workouts. After a few months, you may com-
plete up to five workouts each week if desired. The key
to success is to make exercise a regular and enjoyable
part of your everyday life.
SUGGESTED STRETCHES
The correct form for several basic stretches is shown at the right.
Move slowly as you stretch—never bounce.
1. Toe Touch Stretch
Stand with your knees bent slightly and slowly bend forward from
your hips. Allow your back and shoulders to relax as you reach
down toward your toes as far as possible. Hold for 15 counts, then
relax. Repeat 3 times. Stretches: Hamstrings, back of knees, and
back.
2. Hamstring Stretch
Sit with one leg extended. Bring the sole of the opposite foot to-
ward you and rest it against the inner thigh of your extended leg.
Reach toward your toes as far as possible. Hold for 15 counts,
then relax. Repeat 3 times for each leg. Stretches: Hamstrings,
lower back, and groin.
3. Calf/Achilles Stretch
With one leg in front of the other, reach forward and place your
hands against a wall. Keep your back leg straight and your back
foot flat on the floor. Bend your front leg, lean forward and move
your hips toward the wall. Hold for 15 counts, then relax. Repeat 3
times for each leg. To cause further stretching of the achilles ten-
dons, bend your back leg as well. Stretches: Calves, achilles ten-
dons, and ankles.
4. Quadriceps Stretch
With one hand against a wall for balance, reach back and grasp
one foot with your other hand. Bring your heel as close to your
buttocks as possible. Hold for 15 counts, then relax. Repeat 3
times for both legs. Stretches: Quadriceps and hip muscles.
5. Inner Thigh Stretch
Sit with the soles of your feet together and your knees outward.
Pull your feet toward your groin area as far as possible. Hold for
15 counts, then relax. Repeat 3 times. Stretches: Quadriceps and
hip muscles.
1
2
3
4
5
15

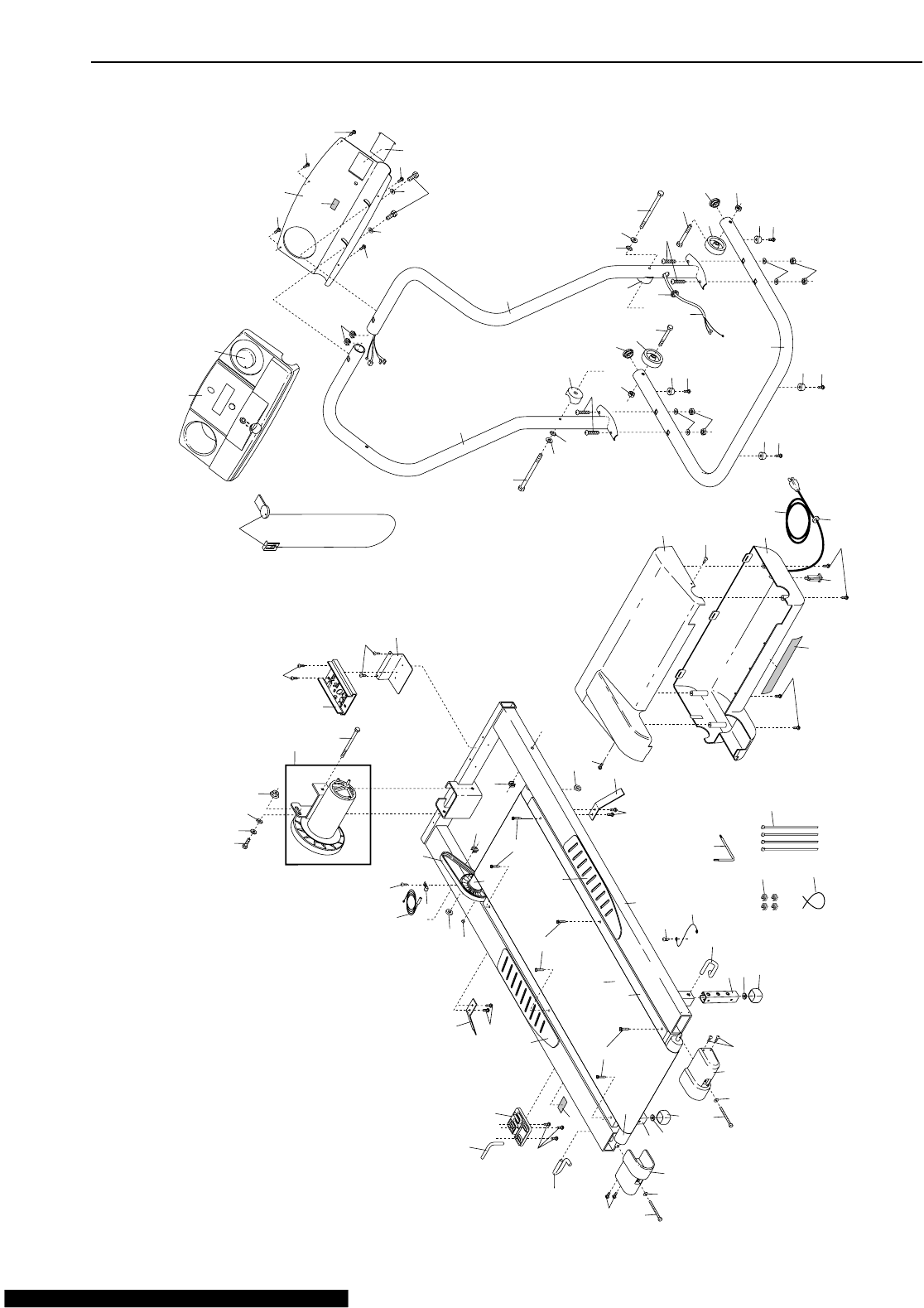
PART LIST—Model No. WLTL19013 R0103A
Key No. Qty. Description
1 1 Console
2 1 Speed Control
3 1 Key/Clip
4 1 Console Plate
5 12 Screw
6 1 Right Handrail
7 1 Left Handrail
8 1 Battery Cover
9 3 Console Bolt/Motor Tension Bolt
10 2 Frame Pivot Bolt
11 4 Handrail Washer
12 4 Handrail Bolt
13 2 Frame Spacer
14 2 Wheel Bolt
15 2 Wheel
16 2 Base Cap
17 4 Handrail Nut
18 1 Handrail Grommet
19 4 Base Pad
20 4 Belly Pan Screw
21 1 Latch Warning Decal
22 1 Wire Harness
23 1 Hood
24 2 Hood Screw
25 1 Belly Pan
26 4 Small Screw
27 2 Belt Guide
28 2 Roller Spacer
29 1 Allen Wrench
30 1 Circuit Breaker
31 4 Formed Washer
32 1 Controller Bracket
33 4 Star Washer
34 1 Releasable Wire Tie
35 1 Controller
36 1 Motor Bolt
37 1 Foot Pad (Left)
38 1 Motor Tension Nut
39 1 Motor Star Washer
40 1 Motor Tension Washer
Key No. Qty. Description
41 1 Storage Latch
42 2 Wheel Nut
43* 1 Motor Assembly
44 1 Power Cord
45 1 Large Warning Decal
46 1 Reed Switch
47 4 Wire Tie Clamp
48 1 Reed Switch Clip
49 1 Magnet
50 1 Belt
51 2 Roller Adj. Bolt
52 6 Platform Screw
53 1 Front Roller/Pulley
54 1 Foot Pad (Right)
55 1 Frame
56 1 Walking Belt
57 1 Walking Platform
58 2 Incline Pin
59 4 Ground Screw
60 1 Ground Wire
61 8 8” Cable Tie
62 1 Power Cord Grommet
63 2 Incline Leg
64 2 Incline Leg Washer
65 2 Incline Leg Endcap
66 2 Roller Adj. Washer
67 2 Frame Endcap
68 4 Endcap Screw
69 1 Latch Pin
70 2 Cage Nut
71 1 Base
72 1 Rear Roller
73 2 Frame Cage Nut
74 1 Warning Decal
# 1 8” White Wire, Male/Female
# 1 4” Black Wire, Male/Flag
# 1 User’s Manual
* Includes all parts shown in the box
# These parts are not illustrated

Star Washer (33)–2
Handrail Bolt (12)–4
Wheel Bolt (14)–2
Frame Bolt (10)–2
Wheel Nut (42)–2
Handrail Nut (17)–4 Handrail Washer (11)–4
Console Bolt (9)–2
Screw (5)–3
Formed Washer (31)–4
Remove this chart and use it to identify small parts during assembly. Save
this chart and the EXPLODED DRAWING/PART LIST for future reference.
PART IDENTIFICATION CHART

8
9
11
11
5
5
4
5
5
5
74
65
64
63
58
69
41
27
5
29
68
66
51
67
51
66 67 68
61
59
60
57
55
72
52 56
52
52
54
37
26
49
28
53
50
46 26
48
28
27
24
25
1
2
3
10
11
13
70
7
6
12
14
16
15
42
19
5
17
71
11
10
16
12
42
15
14
19
5
17
19
5
19
5
23
24
26
30
44
62
47
34
20
20
31
31
21
65
64
58
63
940 39 38
36
32
5
35
5
43*
45
18
22
13
33
33
73
73
EXPLODED DRAWING—Model No. WLTL19013 R0103A

Part No. 187899 R0103A Printed in Canada © 2003 ICON Health & Fitness, Inc.
ORDERING REPLACEMENT PARTS
To order replacement parts, call our Customer Service Department toll-free at 1-800-999-3756, Monday through
Friday, 6 a.m. until 6 p.m. Mountain Time (excluding holidays). When ordering parts, please be prepared to give
the following information:
• The MODEL NUMBER of the product (WLTL19013)
• The NAME of the product (WESLO®CADENCE 200 CS treadmill)
• The SERIAL NUMBER of the product (see the front cover of this manual)
• The KEY NUMBER and DESCRIPTION of the desired part(s) (see the PART LIST and the EXPLODED DRAW-
ING in the center of this manual)
LIMITED WARRANTY
ICON Health & Fitness, Inc. (ICON), warrants this product to be free from defects in workmanship and
material, under normal use and service conditions, for a period of ninety (90) days from the date of pur-
chase. This warranty extends only to the original purchaser. ICON's obligation under this warranty is lim-
ited to replacing or repairing, at ICON's option, the product through one of its authorized service centers.
All repairs for which warranty claims are made must be pre-authorized by ICON. This warranty does not
extend to any product or damage to a product caused by or attributable to freight damage, abuse, mis-
use, improper or abnormal usage or repairs not provided by an ICON authorized service center; prod-
ucts used for commercial or rental purposes; or products used as store display models. No other war-
ranty beyond that specifically set forth above is authorized by ICON.
ICON is not responsible or liable for indirect, special or consequential damages arising out of or in con-
nection with the use or performance of the product or damages with respect to any economic loss, loss
of property, loss of revenues or profits, loss of enjoyment or use, costs of removal or installation or other
consequential damages of whatsoever nature. Some states do not allow the exclusion or limitation of in-
cidental or consequential damages. Accordingly, the above limitation may not apply to you.
The warranty extended hereunder is in lieu of any and all other warranties and any implied warranties of
merchantability or fitness for a particular purpose is limited in its scope and duration to the terms set
forth herein. Some states do not allow limitations on how long an implied warranty lasts. Accordingly, the
above limitation may not apply to you.
This warranty gives you specific legal rights. You may also have other rights which vary from state to state.
ICON HEALTH & FITNESS, INC., 1500 S. 1000 W., LOGAN, UT 84321-9813
WESLO is a registered trademark of ICON Health & Fitness, Inc.