Whetron Electonics 28595-SU102 REMOTE CONTROLLER User Manual Technical s 28595 SU102
Whetron Electonics Co.,Ltd REMOTE CONTROLLER Technical s 28595 SU102
User Manual

HETRON
ELECTRONICS CO., LTD.
Smart Keyless 28595 SU102
TECHNICAL DOCUMENTS

103年1月28日星期二 2
General Technical Description
Model:28595 SU102
Rated voltage:DC 3V
Operating current:8mA (max)
Dark Current:8uA (max)
Operating temperature range:-20 ℃~ 60℃(Without batteries)
Storage temperature range:-40 ℃~ 85℃
RF frequency:315MHz±150KHz
LF frequency:125KHz±1KHz
Battery Type:CR1632
Modulate:ASK
Encoding:MANCHESTER

103年1月28日星期二 3
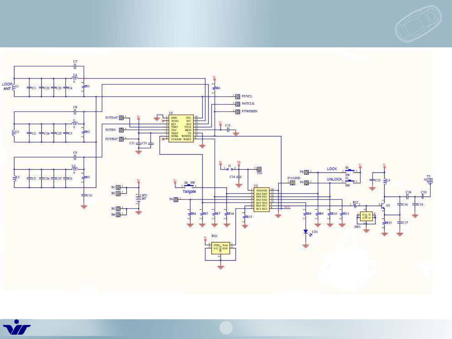
SCHEMATIC DIAGRAM 28595 SU102

103年1月28日星期二 4
PHOTOGRAPHS
28595 SU102
28595 MV104
Lock
Unlock
Sliding doors or Trunk

103年1月28日星期二 5
P.C.B (Front)
28595 SU102
28595 MV104

103年1月28日星期二 6
P.C.B (Back)
28595 SU102
28595 MV104

103年1月28日星期二 7
TX:
::
:28595 SU102

103年1月28日星期二 8
USER OPERATION INSTRUCTION

103年1月28日星期二 9
SMART KEYLESS ENTRY
Request
Signal
output
RKE module
Locking
Unlocking
ENGINE start
UHF
receiver
LF
Antenna
125KHZ
315MHZ
ID code
discriminate
Two-way
communication
Check OK
Vehicle
(1)
(2)
(3)
(4)
CID
Detect area
System Operation Schematic
Key Card
Key Card

103年1月28日星期二 10
SMART KEYLESS ENTRY
Authentication Range
Radius:
::
:≦0.8m
Interior antenna (Right area)
Interior antenna (IP area)
Push SW
Push SW Exterior door handle antenna
Smart keyless ECU
Interior antenna (Left area)

INSTRUCTIONS
ALARM
TX:28595 SU102
Description:
Alarm TX:28595 SU102, as car alarm remote control door lock when the alarm is set immediately after
the alarm is triggered if the doors, trunk, hood is opened or the vehicle being struck, this time the direction of
light flashes and a speaker beep 15 seconds; when you press the lift button, door lock, under the direction of
said anti-theft light flashes three released; when the burglar released under the remote control or the side door
open and close the tailgate.
28595 SU102
FCC Notices
This device complies with Part 15 of the FCC Rules. Operation is subject to the following
two conditions: (1) this device may not cause harmful interference, and (2) this device
must accept any interference received, including interference that may cause undesired
operation.
CAUTION: Change or modification not expressly approved by the party responsible
for compliance could void the user’s authority to operate this equipment.
This equipment has been tested and found to comply with the limits for a Class B
digital device, pursuant to Part 15 of the FCC Rules. These limits are designed to provide
reasonable protection against harmful interference in a residential installation. This
equipment generates, uses and can radiate radio frequency energy and, if not installed
and used in accordance with the instructions, may cause harmful interference to radio
communications. However, there is no guarantee that interference will not occur in a
particular installation. If this equipment does cause harmful interference to radio or
television reception, which can be determined by turning the equipment off and on, the
user is encouraged to try to correct the interference by one or more of the following
measures:
--Reorient or relocate the receiving antenna.
--Increase the separation between the equipment and receiver.
--Connect the equipment into an outlet on a circuit different from that to which the receiver
is connected.
--Consult the dealer or an experienced radio/TV technician for help.
CAUTION:
Any changes or modifications not expressly approved by the grantee of this device could
void the user's authority to operate the equipment.
RF exposure warning:
The equipment complies with FCC RF exposure limits set forth for an uncontrolled
environment. The equipment must not be co-located or operating in conjunction with any
other antenna or transmitter.