Whirlpool Adp 931 1 Wh Users Manual
ADP 9311 WH to the manual c873f67a-3bb5-4f53-b66b-bdc2b0c4d30d
2015-01-23
: Whirlpool Whirlpool-Adp-931-1-Wh-Users-Manual-302045 whirlpool-adp-931-1-wh-users-manual-302045 whirlpool pdf
Open the PDF directly: View PDF
.
Page Count: 28

SERVICE Whirlpool Europe
Customer Services
Model ADP 931/1 WH
Version 8542 931 01110 Page
Technical data 2 - 4
Spare part list 5 - 6
Exploded view 7 - 8
Circuit diagram 9
Program diagram 10
Text/Legend 11 - 19
Family A3
Service Manual
Dishwasher
ADP 931/1 WH
ADP 931/1 WH
This documentation is only intended for qualified technicians who are aware of the respec-
tive safety regulations.
Date: 07.03.1997 Subject to modification
Document-No.: 4812 718 12332

SERVICE
07.03.1997 / Page 2 Whirlpool Europe
Doc. No: 4812 718 12332 Customer Service
Technical data
Dimension
Height 85,0 cm
Width 59,5 cm
Depth 60,0 cm
Weight 56,7 kg
Decor plate
Thicknes max. 4 mm
Width 584 mm
Height 595 mm
Weight max. 1,8 kg
Specification (normal program)
Capacity 12 standard
setting pl.
Water consumption 22 l
Energy consumption 1,5 kWh
Program time ~ 82 min
Noise level 52 db (A)
Detergent consumption 25 ml
Salt consumption
by 21˚ dh <20 g
Hot water connect. up to 60 ˚C
Alarms
Water leakage
Program information
Start indicator
Net indicator
Volume (normal)
Water Volume Level
Regeneration 0,3 l 15 mm
Back rinse 3x 1,0 l 68 mm
Prewash 5,0 l 125 mm
Main wash 6,0 l 129 mm
Intermediate rinse 1 5,0 l 125 mm
Clear rinse 5,0 l 125 mm
Safety / overflow 8,5 l 141 mm
Measuring the level
Remove the coarse sieve, put in a measuring
meter into the sump, measure the hight of the
water level.
Detergent max.
Pre-wash 10 cm3
Main-wash 45 cm3
Rinse aid 125 cm3
5 Dosage steps 1 - 5 cm3
Water softener
Saltcontainer 2 kg
Resin container 900 cm3
Regeneration dosage 300 cm3
Water pressure
Inlet pressure 0,3-10 bar
Spray pump pressure 0,4 bar
Rotations
Spray pump motor 2800 RPM
Drain pump motor 2800 RPM
Spray arm lower ~ 30 RPM
Spray arm upper ~ 35 RPM
Ceiling rotor ~ 60 RPM
Flow rates / Inlet volume
Flow meter (at 0,3 bar
= quantity 1,1 l/min) 208 lmp/l
Spray pump ~ 70 l/min
Drain pump 16 l/min
Pump height max. 1,3 m
Valve of sieve 8,0 l/min.
Inlet valve 4,5 l/min
Spray arm lower 33 l/min
Sprayarm upper 30 l/min
Ceiling rotor / shower 8 l/min
Water distribution
Fine sieve 100 %
Self cleaning
micro filter ~ 32 %

SERVICE Whirlpool Europe 07.03.1997 / Page 3
Customer Service Doc. No: 4812 718 12332
Technical data
Electrical data
Base data
Voltage 230 V
Frequency 50 Hz
Total power ~ 3 kW
Fuse 16 A
Motor
Spray pump motor
Voltage 220/230 V
Power consumption ~190 W
HI 69 Ω
HA 36,2 Ω
Capacitor 4 µ F
Drain pump motor
Voltage 220/240 V
Resistance 146 Ω
Heating
1 Element system
Voltage 230 V
Power consumption 2800 W
Resistance 8,6 - 9,5 Ω
Heating speed ~ 2,5 ˚C/min
Temperature on surface ~ 115 ˚C
Double safety thermostat
self reset 85 ˚C
Potentiometer
Position 0 2,0 kΩ
Position 1 4,3 kΩ
Position 2 9,0 kΩ
Position 3 13,3 kΩ
Position 4 17,5 kΩ
Position 5 22,2 kΩ
Position 6 24,2 kΩ
Water valves
Inlet valve
Voltage 220/240 V
Frequency 50/60 Hz
Resistance 3,67 kΩ
Valve of sieve
Voltage 220 V
Frequency 50/60 Hz
Resistance 3,83 kΩ
Regenerating valve
Voltage 220/240 V
Frequency 50/60 Hz
Resistance 3,13 kΩ
Coil of dispenser
Voltage 220/240 V
Frequency 50/60 Hz
Resistance 1,43 kΩ
Relay
Heating relay
Voltage 220/240 V
Frequency 50/60 Hz
Resistance 5,5 kΩ
Reedcontact
Flowmeter
NTC
15 ˚C 75 kΩ
20 ˚C 62 kΩ
30 ˚C 43 kΩ
40 ˚C 28 kΩ
50 ˚C 19 kΩ
60 ˚C 13 kΩ
70 ˚C 9 kΩ
80 ˚C 6 kΩ
85 ˚C 5 kΩ

SERVICE
07.03.1997 / Page 4 Whirlpool Europe
Doc. No: 4812 718 12332 Customer Service
Technical data
Regeneration
Volume 300 cm3
Position 0
after wash cycles --
water hardness 0-5 ˚dh
0-0,9 mmol/l
0-9 ˚Fh
Position 1
after wash cycles 6-8
water hardness 6-10 ˚dh
1-1,8 mmol/l
10-18 ˚Fh
Position 2
after wash cycles 5-6
water hardness 11-15 ˚dh
1,9-2,7 mmol/l
19-27 ˚Fh
Position 3
after wash cycles 4
water hardness 16-21 ˚dh
2,8-3,7 mmol/l
28.37 ˚Fh
Position 4
after wash cycles 3
water hardness 22-28 ˚dh
3,8-5,0 mmol/l
38-50 ˚Fh
Position 5
after wash cycles 2
water hardness 29-35 ˚dh
5,1-6,3 mmol/l
51-63 ˚Fh
Position 6
after wash cycles 1
water hardness 36-60 ˚dh
6,4-10,7 mmol/l
64-107 ˚Fh
Salt consumption
for regeneration 77 g
Number of cycles
with 2 kg salt 26

SERVICE Whirlpool Europe 07.03.1997 / Page 5
Customer Service Doc. No: 4812 718 12332
Spare part list
Model ADP 931/1 WH
Service No. 854293101110
Version 854293101110
Pos. No. 12NC Code Description
003 0 4812 440 19382 Traverse
004 0 4812 440 18952 Drip tray assy
004 1 4812 401 18402 Holder
011 0 4812 505 18357 Foot short
022 0 4812 440 18951 Side panel left
022 1 4812 440 18949 Side panel right
022 2 4812 440 18953 Spacer
024 0 4812 440 18948 Panel, rear to 97/07
024 0 4812 440 19401 Panel, rear from 97/07
030 0 4812 310 18303 Table top WH
034 0 4812 404 78237 Spacer
034 1 4812 404 78236 Fastener
040 1 4812 417 18774 Hinge left
040 2 4812 417 18773 Hinge right
044 0 4812 492 38358 Spring f.door
044 1 4812 492 38364 Spring f.cap
047 0 4812 404 48591 Brake f.door
047 1 4812 401 18397 Band,brake
047 2 4812 404 68023 Hook
053 0 4812 440 88107 Plinth WH
061 0 4812 466 88461 Counter weight
103 0 4812 440 18978 Door outer
120 0 4812 440 18961 Door,inner
120 1 4812 440 18955 Batten
130 0 4812 417 58361 Tilt lock
131 0 4812 401 18416 Hook lock
191 0 4812 466 68534 Gasket door
192 0 4812 466 68467 Gasket, door lower
200 0 4812 418 18175 Container
241 0 4812 458 18276 Basket upper straight
241 1 4812 458 18324 Holder cups rigth white
241 3 4812 528 88068 Wheel,basket upper (set)
241 8 4812 466 68482 Spacer cap set
242 0 4812 458 18274 Basket lower cpl.
242 1 4812 528 88069 Wheel,basket lower
242 2 4812 458 18262 Plate,support f.basket lower
242 3 4812 458 18275 Plate,support f.basket lower
243 0 4812 458 18272 Basket cutlery
261 0 4819 462 38271 Rail telescope, inner
261 1 4819 404 48819 Cap rail
261 2 4812 462 78995 Cap rail ahead
263 0 4819 520 18013 Ball cage cpl.
263 1 4812 520 48001 Ball Niro 8 D
265 0 4812 404 48599 Basket adjustm. cpl.
265 2 4812 404 48589 Grip basket adjustment
301 0 4812 453 79538 Control panel WH
303 1 4812 417 58364 Child-prooflock cpl. WH
305 0 4812 440 18964 Batten WH
322 0 4812 453 79865 Insert panel WH
331 0 4812 413 58863 Knob program cpl. WH
332 0 4812 410 28528 Push button cap WH
351 1 4812 381 28021 Guide,light
400 0 4812 361 58119 Motor + spraypump cpl.220/240V
405 0 4812 360 18358 Spray pump
405 1 4819 515 28158 Gasket
Pos. No. 12NC Code Description
420 0 4812 121 18132 Capacitor
421 0 4812 121 18156 Interf.filter from 97/07
430 0 4812 360 18357 Pump,draining
430 1 4812 466 68506 Ring,sealing
450 0 4812 259 28653 Heating element
480 0 4812 321 28364 Cable harness set
480 1 4812 321 28371 Cable
480 3 4812 401 18418 Protector f.wiring
490 0 4812 321 18026 Cable,mains 3m to 97/07
490 0 4819 321 18136 Cable,mains 2m from 97/07
490 1 4812 321 28367 Strain relief from 97/07
521 0 4812 214 78171 Control board (CB)
531 0 4812 273 18054 Switch waterhardness
531 1 4812 273 18053 Wheel,fingertip
571 0 4812 281 28365 Valve inlet
571 2 4812 281 28362 Sieve valve
575 0 4812 281 28361 Regen.valve
583 0 4812 271 28355 Switch diaphragm
612 0 4812 280 58025 Relay heating
620 0 4812 218 38035 User board (UB)
623 0 4812 271 38356 Microswitch
633 0 4812 271 38355 Microswitch
680 0 4812 418 68133 Combidosage
680 1 4812 466 68495 Gasket
681 1 4812 466 68497 Gasket
681 2 4812 440 18975 Flap
682 0 4812 466 68496 Gasket
691 0 4812 282 68012 Feeler NTC
701 0 4812 530 28081 Hose, inlet 3/8Z cpl. 5m
701 0 4812 530 28082 Hose, inlet 3/8Z cpl. 3m
701 0 4819 530 28283 Hose, inlet 2m
701 1 4812 310 18302 Yoke
701 2 4822 480 50159 Sieve inlet
710 0 4812 418 68128 Monoblock
710 2 4819 310 38536 Nut threaded ring set
710 3 4819 466 69562 Gasket set
714 0 4812 462 79643 Threaded cap
714 2 4812 440 18963 Cabinet non-return flap
716 0 4812 418 68147 Reg.dosage
716 1 4812 466 68475 Gasket
716 2 4812 462 78994 Cover
721 0 4812 360 68043 Hub lower cpl.
721 1 4812 360 68047 Arm,spray lower cpl.
721 2 4812 466 68491 Gasket 25x2,3B
721 3 4812 466 68489 Gasket 76x2,5
721 4 4812 418 18176 Cabinet
722 0 4812 360 68044 Arm,spray upper
722 2 4812 360 68056 Hub upper straight cpl.
723 0 4812 360 68049 Arm,spray
723 1 4812 466 68483 Gasket
723 2 4812 404 48597 Clip,fix sprayarm
723 3 4812 505 18362 Connect,gaspipe
726 0 4812 530 28786 Tube
726 1 4812 530 28787 Tube
726 2 4812 505 18358 Nut

SERVICE
07.03.1997 / Page 6 Whirlpool Europe
Doc. No: 4812 718 12332 Customer Service
Spare part list
Model ADP 931/1 WH
Service No. 854293101110
Version 854293101110
Pos. No. 12NC Code Description
726 3 4812 466 68512 Gasket
726 4 4812 462 79633 Centering
743 0 4812 511 48171 Capacitor
743 1 4812 530 28102 Hose, inlet
743 3 4812 505 18364 Nut
743 4 4812 530 28807 Hose 9x1,5x270+10
743 7 4812 466 68514 Gasket
751 0 4812 418 18169 Water collector
751 1 4812 418 18171 Water guide
751 2 4812 440 18954 Fastener frame
755 0 4812 530 28785 Bend
755 2 4812 530 48148 Tray,leak
756 0 4812 360 58099 Floater
761 0 4812 480 58061 Sieve fine
761 1 4812 480 58072 Sieve insert
762 0 4812 480 58065 Microfilter
763 0 4812 480 58057 Sieve coarse
781 0 4812 530 28737 Hose,draining
781 1 4819 530 28286 Sleeve hose
781 2 4819 492 68405 Clip f.non-return valve
781 3 4812 281 28364 Flap non-return
783 0 4812 530 28792 Hose 11,5x3x200
783 4 4812 530 28793 Hose 10x3x230
783 5 4812 530 28797 Distributor
783 6 4812 530 28796 Hose 10x3x180+10
791 0 4812 532 68067 Gasket
791 2 4812 530 58093 Gasket
791 4 4812 466 68503 Gasket
791 5 4812 466 68504 Gasket
791 6 4812 466 68505 Gasket
794 1 4819 530 58032 Gasket 20x2,5
901 0 4812 401 18191 Strap 017,8
901 1 4812 401 18396 Strap
901 2 4812 401 18401 Strap
901 3 4812 401 18404 Strap 019,8-708Z
901 5 4812 401 18406 Strap 028,6-708Z
901 6 4812 401 18408 Strap 038,1-708Z
902 0 4812 401 18195 Clip
904 2 4812 462 79635 Cover WH 3,5x5
904 3 4812 462 79636 Cover WH 3,5x4
910 0 4812 502 18384 Screw 4x35-H
910 1 4812 502 18019 Screw
910 2 4812 502 18363 Screw 4,0x12-H
910 3 4812 502 18364 Screw 5x20-TORX
910 4 4812 502 18386 Screw M3,5x8 TORX T15
910 5 4812 502 18367 Screw 3,5x8-TORX T15
910 6 4812 502 18369 Screw A2F M4x6
910 7 4812 502 38132 Screw DIN 965
964 0 4812 466 68536 Gasket housing ri/le
964 1 4812 466 68469 Gasket housing upper
993 0 4812 530 48149 Bow
993 5 4822 532 80216 Funnel salt

SERVICE Whirlpool Europe 07.03.1997 / Page 7
Customer Service Doc. No: 4812 718 12332
Exploded view

SERVICE
07.03.1997 / Page 8 Whirlpool Europe
Doc. No: 4812 718 12332 Customer Service
Exploded view

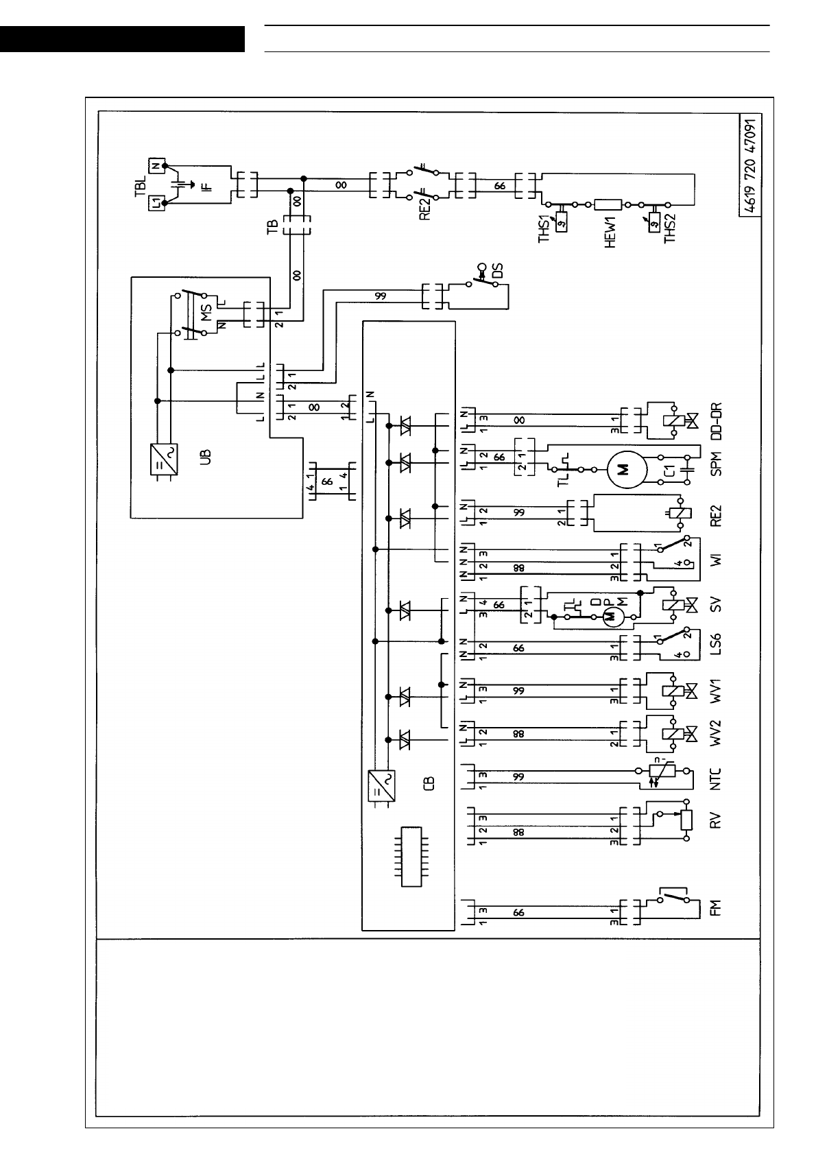
SERVICE Whirlpool Europe 07.03.1997 / Page 9
Customer Service Doc. No: 4812 718 12332
Circuit diagram
C1 Capacitor
CB Control board
DB Display board
DPM Drain pump motor
DD Cleaning agent dosage
DR Final rinse dosage
DS Door switch
EM Electro magnet
FM Flow meter
HEW Heating
IF Interference filter
LS6 Water leakage switch
L Line
MS Main switch
NTC Thermostat
N Neutral
RV Water hardness switch
RE2 Heating relay
RR2 Reed relay salt
RR3 Reed relay rinsaid
SAB Sprayarm blocked
SV Sleve valve
SPM Sprayarm motor
THS Safety thermostat
TB Plug coupler
TBL Power supply terminal
TL Winding protective contact
UB User board
VM Fan ventilator
WV1 Water inlet valve
WV2 Water regenerating valve
WI Water indicator
ZW Zone washing
00 black
66 blue
88 grey
99 white

SERVICE
07.03.1997 / Page 10 Whirlpool Europe
Doc. No: 4812 718 12332 Customer Service
Program diagram

SERVICE Whirlpool Europe 07.03.1997 / Page 11
Customer Service Doc. No: 4812 718 12332
Text/Legend

SERVICE
07.03.1997 / Page 12 Whirlpool Europe
Doc. No: 4812 718 12332 Customer Service

SERVICE Whirlpool Europe 07.03.1997 / Page 13
Customer Service Doc. No: 4812 718 12332
Text/Legend

SERVICE
07.03.1997 / Page 14 Whirlpool Europe
Doc. No: 4812 718 12332 Customer Service

SERVICE Whirlpool Europe 07.03.1997 / Page 15
Customer Service Doc. No: 4812 718 12332
Text/Legend

SERVICE
07.03.1997 / Page 16 Whirlpool Europe
Doc. No: 4812 718 12332 Customer Service

SERVICE Whirlpool Europe 07.03.1997 / Page 17
Customer Service Doc. No: 4812 718 12332
Text/Legend

SERVICE
07.03.1997 / Page 18 Whirlpool Europe
Doc. No: 4812 718 12332 Customer Service

SERVICE Whirlpool Europe 07.03.1997 / Page 19
Customer Service Doc. No: 4812 718 12332
Text/Legend

SERVICE
07.03.1997 / Page 20 Whirlpool Europe
Doc. No: 4812 718 12332 Customer Service

SERVICE Whirlpool Europe 07.03.1997 / Page 21
Customer Service Doc. No: 4812 718 12332
Text/Legend

SERVICE
07.03.1997 / Page 22 Whirlpool Europe
Doc. No: 4812 718 12332 Customer Service

SERVICE Whirlpool Europe 07.03.1997 / Page 23
Customer Service Doc. No: 4812 718 12332
Text/Legend

SERVICE
07.03.1997 / Page 24 Whirlpool Europe
Doc. No: 4812 718 12332 Customer Service

SERVICE Whirlpool Europe 07.03.1997 / Page 25
Customer Service Doc. No: 4812 718 12332
Text/Legend

SERVICE
07.03.1997 / Page 26 Whirlpool Europe
Doc. No: 4812 718 12332 Customer Service

SERVICE Whirlpool Europe 07.03.1997 / Page 27
Customer Service Doc. No: 4812 718 12332
Text/Legend

SERVICE
07.03.1997 / Page 28 Whirlpool Europe
Doc. No: 4812 718 12332 Customer Service