Whirlpool Et1Chexvb01 Users Manual
2015-01-23
: Whirlpool Whirlpool-Et1Chexvb01-Users-Manual-305358 whirlpool-et1chexvb01-users-manual-305358 whirlpool pdf
Open the PDF directly: View PDF
.
Page Count: 12

CABINET PARTS
1
For Models: ET1CHEXVQ01,ET1CHEXVT01, ET1CHEXVB01
(White) (Biscuit) (Black)
05−08 Litho In U.S.A. (rrm)(bay) Part No. W10207996 Rev.A
REFRIGERATOR

CABINET PARTS
2
For Models: ET1CHEXVQ01,ET1CHEXVT01, ET1CHEXVB01
(White) (Biscuit) (Black)
W10207996
Illus. Part
No. No. DESCRIPTION
1 Literature Parts
W10142143
Service &
Wiring Sheet
W10206565
Energy Label
Use & Care Guide
W10131409
Bilingual
W10131417
Trilingual
2225623 Modular Icemaker
Service Sheet
Following May Be Purchased
DO−IT−YOURSELF
REPAIR MANUALS
677969 Do−It−Yourself
Manual Ref./Frz.
2 2189410 Hinge (Top)
3 2166108 Roller, Front (2)
4 Cabinet (Not a
Serviceable Part)
5 489385 Clamp, Tube
(Water Supply Line)
6 489427 Screw
7 2179826 Rivet
8 3400504 Screw
9 549193 Clamp, Cord
10 489497 Screw
11 2254618 Hinge, Center
12 2183852 Shim, Hinge Center
13 8281265 Screw
14 2254473 Hinge Butt
15 Fitting, Water Tube
(Not Serviced)
16 Hole Plug (6)
2201012 White
2200924 Biscuit
2183998 Black
17 Corner Filler (2)
2201014 White
2200926 Biscuit
2201017 Black
18 Grille
(Includes Illus. 21)
2254313 White
2254316 Biscuit
2254315 Black
19 489341 Washer
20 487576 Washer
21 2189356 Clip, Grille (2)
22 Cover, Hinge
2213360 White
2213364 Biscuit
2213363 Black
23 Rail, Center
(Not Serviced)
24 2254576 Cover, Unit

DOOR PARTS
3
For Models: ET1CHEXVQ01,ET1CHEXVT01, ET1CHEXVB01
(White) (Biscuit) (Black)
W10207996

DOOR PARTS
4
For Models: ET1CHEXVQ01,ET1CHEXVT01, ET1CHEXVB01
(White) (Biscuit) (Black)
W10207996
Illus. Part
No. No. DESCRIPTION
1 Refrigerator Door
(Includes Illus. 6 & 13)
2183920 White
2205284 Biscuit
2200714 Black
2 Handle, Trim
2193353W White
2193353T Biscuit
2193353B Black
3 Handle, Refrigerator
2213112W White
2213112T Biscuit
2213112B Black
4 489357 Screw
5 8281146 Screw
6 Door Gasket,
Magnetic
2202875 Mist Beige
2202882 Black
7 2262218 Nameplate
8 2195378 Trim, Door Shelf
9 8281206 Screw
10 Freezer Door
(Includes
Illus. 13 & 14)
2182489 White
2204686 Biscuit
2200711 Black
11 Hole Plug, Handle
2189000 White
2200936 Biscuit
2189009 Black
12 2188236 Shelf, Flip−Up
13 2314293 Thimble
14 Door Gasket,
Magnetic
2214967 Mist Beige
2214969 Black
15 2204812 Bin, Door Shelf
16 2189202 Bracket, Door Stop (2)
17 488921 Screw
18 Hole Plug
2212648 White
2212649 Biscuit
2212651 Black
19 2156007 Plug, Trim
20 2156006 Plug, Trim
21 2218118 Compartment Door
22 Handle, Freezer
2213111W White
2213111T Biscuit
2213111B Black
23 2195947 Trim, Door (2)
24 2195916 Endcap (4)
25 2195948 Trim, Door

LINER PARTS
5
For Models: ET1CHEXVQ01,ET1CHEXVT01, ET1CHEXVB01
(White) (Biscuit) (Black)
W10207996

LINER PARTS
6
For Models: ET1CHEXVQ01,ET1CHEXVT01, ET1CHEXVB01
(White) (Biscuit) (Black)
W10207996
Illus. Part
No. No. DESCRIPTION
1 Liner (Not A
Serviceable Part)
2 2197380 Grommet (2)
3 2254360 Gasket, Evaporator
Cover (2)
4 2304099 Defrost Timer
5 2212485 Thermostat Tube
Barrier
6 488208 Screw
7 2310057 Wire Assembly,
Control Box
8 2162085 Socket, Light
9 2179858 Damper, Air
10 2315539 Fan Motor
11 2163777 Fan Blade
12 2212982 Control Box
13 2200859 Thermostat Assy.
(Includes
Illus. 5 & 18)
14 489478 Screw
15 2320183 Retainer−Screw
16 2320194 Cover, Evaporator
17 527949 Light Bulb (2)
18 2200831 Weight, Thermal
19 1118894 Switch, Rocker Arm
20 2179859 Post, Damper
21 2176281 Cover, Air
Diffuser
22 2200863 Knob, Thermostat
23 2254354 Air Tower
24 2189452 Air Diffuser,
Bottom
25 2321800 Defrost, BI−Metal
26 2212439 Air Separator
Assembly
28 8534009 Screw
29 2254453 Bracket,
Fan Motor
31 2204639 Shield, Heat
32 2254454 Bracket
Evap. Fan, Rear
34 2302536 Knob, Damper
35 2163810 Bracket,
Damper Knob
36 2205079 Seal, Rear
Thermostat
38 2210509 Valve−Tube, Body
39
W10129795
Wire Assembly,
Freezer Compartment
(Includes
Illus. 25)

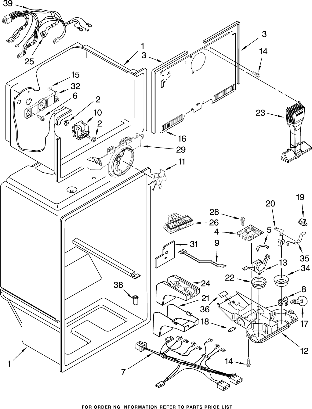
UNIT PARTS
7
For Models: ET1CHEXVQ01,ET1CHEXVT01, ET1CHEXVB01
(White) (Biscuit) (Black)
W10207996

UNIT PARTS
8
For Models: ET1CHEXVQ01,ET1CHEXVT01, ET1CHEXVB01
(White) (Biscuit) (Black)
W10207996
Illus. Part
No. No. DESCRIPTION Illus. Part
No. No. DESCRIPTION Illus. Part
No. No. DESCRIPTION
1 2320187 Plate, Unit
Mounting
2 2169104 Insulation,
Sound Dampening
3 2214960 Condenser
4 2314157 Heater, Defrost
5 2254249 Evaporator Assy.
6 8533961 Screw
7 2254295 Drain Pan
8 2319835 Grommet−Cond.(4)
9 2176301 Bracket, Heater
10 2300638 Extension, Air Baffle
11
W10174384
Strap
14 Grommet (4)
1100826 Production
4387558 Service
15
W10194431
Start−Device
Combination
(Start Relay and
Overload for
Production
Compressor Only)
16 2201185 Support Block
17 2150304 Roller (2)
18 2221797 Rivet
19 2182338 Clip, Heater
20 489373 Screw
21 3400518 Screw
22 488500 Screw
28
W10164016
Compressor
(Includes
Illus. 14,29,31)
(Also Order 482801
Installation Kit
& 876765 Tube Kit)
29 Drier
W10177049
Production
W10143759
Service
30 2155774 Clamp
31 Capacitator
2264017 Production
1118576 Service
32 2315541 Air Baffle
33 2188874 Motor, Condenser
34 2187382 Wire Assembly,
Unit
35 2225834 Fan Blade
36
W10189808
Tube, Discharge
37
W10189806
Tube, Suction
38 2154109 Tube, Process
39 2254574 Tray, Evaporator
Following Parts Not Illustrated
and Optional Parts Not Included
978025 Valve, Access
(1/4")
978026 Valve, Access
(5/16")
978027 Valve, Access
(3/8")
978028 Valve, Access
(1/2")
978029 Valve, Access
(5/8")
978030 Valve, Access
(3/4")
876764 Valve, Access
(3/16")
REFRIGERANT CHARGE
4.00 Ozs.
(R134A)

ICEMAKER PARTS
9
For Models: ET1CHEXVQ01,ET1CHEXVT01, ET1CHEXVB01
(White) (Biscuit) (Black)
W10207996

ICEMAKER PARTS
10
For Models: ET1CHEXVQ01,ET1CHEXVT01, ET1CHEXVB01
(White) (Biscuit) (Black)
W10207996
Illus. Part
No. No. DESCRIPTION
1 488878 Clamp, Tube
3 2210495 Clip, Water Valve
4 2181939 Insert, Tube
5 628379 Clip, Fuse
7 2181943 Tube Water
8 2315576 Valve Solenoid
9 2210484 Cover
10 489442 Screw
11
W10122527
Mold & Heater
Assembly (Also
Order 542638
Silicone Grease)
12 628515 Cup, Water Fill
13 627843 Ejector
14 2182124 Ice Striper
15 2194712 Support
16 2315522 Retainer
Thermostat
17 628397 Thermostat (Also
Order 542369
Cement
Alumilastic)
18 8533917 Screw
19 489276 Screw
20 627792 Shut Off Arm
21 2187464 Harness, Wiring
22 628320 Bracket
23 626680 Module Assembly
(Includes Item 25)
24 489478 Screw
25 489136 Screw,
3−24 x 23/64
26 488208 Screw
27 488886 Screw, 8−18 x 1/2
100
W10190952
Icemaker,Complete
Assembly

SHELF PARTS
11
For Models: ET1CHEXVQ01,ET1CHEXVT01, ET1CHEXVB01
(White) (Biscuit) (Black)
W10207996
Illus. Part
No. No. DESCRIPTION
1 2210522 Shelf, Ladder (2)
2 2300520 Shelf, Ladder
Center
3 2163762 Cup, Shelf Mtg.
5 489478 Screw
7 2176222 Slide, Humidity
Control
8 2212446 Body, Humidity
Control
9 2314502 Crisper Cover
10 2201102E Shelf, Cantilever
11 2210573 Insert, Crisper
Cover
12 2201106 Pan, Shelf
Cantilever
13 2200987 Glass, Shelf
14 2188685 Trim, Shelf Front
15 2314478 Crisper Support
17 2184667 Shelf, Freezer
18 2218132K Pan, Meat
19 2188711 Trim, Shelf Side
20 2254352 Bucket, Ice
21 2218141 Crisper Pan
(Includes
Illus. 7 & 8)
22 2188687 Trim, Shelf Rear

OPTIONAL PARTS (NOT INCLUDED)
12
For Models: ET1CHEXVQ01,ET1CHEXVT01, ET1CHEXVB01
(White) (Biscuit) (Black)
W10207996
Illus. Part
No. No. DESCRIPTION Illus. Part
No. No. DESCRIPTION Illus. Part
No. No. DESCRIPTION
Parts Not Illustrated and
Optional Parts (Not Included)
Miscellaneous
978941 Insulation,
Fiberglass
(63−1/2" x 35−1/2"
x 2−5/8")
212643 Sealer, Gum
(4 Feet)
479502 Tape, Vinyl
(3/4" x 108")
876305 Kit, Insulation
(14 Pcs.
3" x 24" x 48")
876370 Kit, Insulation
(2 Pcs.
3" x 24 " x 48")
876029 Kit, Foam Slab
(30" x 32−1/2" x
1−1/2")
505587 Sealer, Mastic
(1 Qt.)
511873 Touch−Up, White
Porcelain (2 Oz.)
542638 Grease, Silicone
(1/2 Oz.)
542639 Cement,
Alumilastic
(1−1/4 Oz.)
606755 Bag, Insulation
(36−5/8" x 46")
799833 Kit, Evaporator
Repair
(Aluminum Epoxy)
799832 Kit, Porcelain
Repair (White)
503695 Cork Sealer
(1/4 Pound)
Customer Touch−Up Material
350942 Primer, White
(12 Oz. Spray Can)
350939 Enamel, Black
(12 Oz. Spray Can)
350930 Enamel, White
(12 Oz. Spray Can)
4392901 Enamel, Biscuit
(12 Oz. Spray Can)
72017 Brush Touch−Up Kit
(White)
72032 Brush Touch−Up Kit
(Black)
4392899 Brush Touch−Up Kit
(Biscuit)
Refinishing Material
799344 Enamel, White
(1 Qt. Uncut)
4392900 Enamel, Biscuit
(1 Qt. Uncut)
786032 Enamel, Black
(1 Qt. Uncut)
833938 Kit, Terminal
Connector
Important: The spray paint is
not to be used where the paint
may make contact with the door
gaskets.
TORX SCREW WRENCH
1117510 Torx Key