Whirlpool Clothes Dryer Awz 7813 Users Manual
AWZ-7813 to the manual 1287af47-7cd2-4abf-b4f4-97454a1f17a8
2015-01-23
: Whirlpool Whirlpool-Whirlpool-Clothes-Dryer-Awz-7813-Users-Manual-301277 whirlpool-whirlpool-clothes-dryer-awz-7813-users-manual-301277 whirlpool pdf
Open the PDF directly: View PDF
.
Page Count: 14

SERVICE Whirlpool Europe
Customer Services
Model AWZ 7813
Version 8575 781 03030 Page
Technical data 2 - 3
Spare part list 4
Exploded view 5 - 6
Wiring diagram 7
Circuit diagram 8
Text/Legend 9 - 14
Family ALPHA
Service Manual
Tumble dryer
Condensation electr.
AWZ 7813
AWZ 7813
This documentation is only intended for qualified technicians who are aware of the respec-
tive safety regulations.
Date: 11.11.2005 (Mod.01) Subject to modification
Document-No.: 4812 713 14426

SERVICE
19.11.2004 / Page 2 AWZ 7813 Whirlpool Europe
Doc. No: 4812 713 14426 8575 781 03030 Customer Service
Technical data
Dimensions
Height 85 cm
Width 59.5 cm
Depth 60 cm
Weight
Gross weight 40 kg
Net weight 38 kg
Surroundings temperature
Max.room temperature 35 ˚C
Min. room temperature 5 ˚C
Humidity
Max. relative humidity 95 %
Power connection
Voltage 230 V
Frequency 50 Hz
Connected load 2.19 kW
Fuse 10 A
Drum data
Volume 112 l
Drum speed 57 ± 2 rpm
Airflow
Circulation air flow 200 +10/ -30 m3 /h
Cooling air flow 180 +10/ -30 m3 /h
Capacity of laundry
Cotton max. 6 kg
Easy care max. 2.5 kg
Condenswater evacuation
Condenswater container 3 l
Electrical components
Heating
Type IRCA 1T.8294004
Nominal voltage 230 +10%/ -15% V
Nominal power 1900 W ± 5%
Heating resistances: 25.2-28.4 Ω
Thermostats
Fluff thermostat (in heater) TH 1.2
Switch on temperature 165 ± 10 ˚C
Switch off temperature 210 ± 9˚C
Color code Green
Safety thermostat (in heater) TL
Switch on temperature <-35 ˚C
Switch off temperature 260 ± 10 ˚C
Exhausting thermostat (in airchannel) TH 1.1
Switch on temperature 68 ± 3˚C
Switch off temperature 83 ± 3˚C
Control module Alphatronic
Type INVENSYS
Nominal voltage 230 +10%, -15% V
Frequency 50/60 Hz
Rated currents
Motor ≤10 A
Heater ≤16 A
Temperature
Ambient up to 85 ˚C
Storage -25 to 85 ˚C
Main- and blower motor
Type 1-phase asynchronous
Nominal voltage 230 +10%/ -15% V
Frequency 50 ± 3Hz
Power consumption 285 W ± 7%
Resistances of coils:
Main coil (2 - 3) 18.8 Ω± 7%
Auxiliary coil (3 - 4) 18 Ω± 7%
Rated speed 2700 rpm
Capacitor 10 µ F ± 10%
Radio interference filter
Typ ISKRA KPB 7325
Voltage max. 275 V
Capacity 0.25 µ F X1 +
2 x 0.022 µFY2+1MΩ
Radio interference filter
Typ Eichhoff BV 16.250/119
Voltage max. 250 V
Capacity 100 µ F X1 + 2x15 µ F
Y2 + 1MΩ

SERVICE Whirlpool Europe AWZ 7813 19.11.2004 / Page 3
Customer Service 8575 781 03030 Doc. No: 4812 713 14426
Technical data
Micro switch SLE
Type Cherry D45
Kind of switch Single pole
Contact Change over contact/spring contact
Voltage 230 +10%/ -15%V
Frequency 50/60 Hz
Current 15 A
Display
No. of LEDs 18
Options buttons
Start SST
Gentle SG
Buzzer SBU
Program selector 12 positions integrated ON/OFF (stand-by)
Efficiency class
Energy class C

SERVICE
11.11.2005 (Mod.01) / Page 4 AWZ 7813 Whirlpool Europe
Doc. No: 4812 713 14426 8575 781 03030 Customer Service
Spare part list
Model AWZ 7813
Service No. 857578103030
Version 857578103030
Pos. No. 12NC Code Description
004 0 4812 440 19718 Bottom
011 0 4812 500 18054 Foot adjustable
012 0 4812 528 78033 Roll
012 1 4812 528 98003 Shaft Front + Roll
012 2 4812 520 28068 Shaft rear
021 0 4812 440 10819 Front VBL GW
022 0 4812 440 10821 Panel,side GW
024 0 4812 440 19708 Panel, rear
030 0 4812 440 11169 Table top CD EBL WH
033 0 4812 310 18582 Kit Push in cover
053 0 4812 440 11155 Flap EBL WH
053 2 4812 417 28103 Lock transmit. plith EBL
053 4 4812 440 89104 Plinth f. tank bottom EBL WH
053 5 4812 417 28102 Axle f.flap EBL
065 1 4812 325 18009 Insulation rear panel
100 0 4812 440 11154 Door CD WH EBL
131 1 4812 271 38463 Door lock system GW
133 0 4812 452 14629 Handle,door + hook WH EBL
133 2 4812 417 28056 Lock Bag filter
191 0 4812 466 68607 Gasket, door
220 0 4812 418 18177 Drum cpl. SS
223 0 4812 418 89017 Drum lifter GW
271 0 4812 358 18164 Belt,driving 1936 H7 CD RO
273 0 4812 358 18055 Pulley jokey
275 0 4812 492 68129 Spring
291 0 4812 466 68561 Gasket front
291 2 4812 466 68562 Gasket Drum rear
301 0 4812 452 14619 Control panel
331 0 4812 412 59071 Knob,timer EBL
332 0 4812 513 18151 Button Start EBL
332 1 4812 513 18152 Push button Opt. EBL
401 0 4812 361 18291 Motor incl. fan wheel
401 1 4812 401 18421 Clamp Motor
401 2 4812 401 18229 Clamp motor support
420 0 4812 121 18144 Capacitor 10 µ F
421 0 4812 121 18158 Interf.filter
443 0 4812 361 18292 Blower wheel
443 1 4812 361 18293 Fan wheel blower
443 2 4812 290 88066 Clamp blower wheel
456 0 4812 310 18585 Heating element Kit 1900W
490 0 4812 321 18042 Connect.cable 3m
490 0 4812 321 18044 Cable,mains 5m 4x1
490 1 4812 321 28367 Strain relief
492 1 4812 401 18195 Clip
521 0 4812 214 79333 Control board ALPHA ED
557 0 4812 282 08008 Thermostat drum outlet
557 1 4812 282 98005 Gasket Thermostat
564 0 4812 259 28681 Thermostat Kit
631 0 4812 271 38396 Microswitch f. pump/belt
631 3 4812 271 18084 Floater system cpl. 6kg
633 1 4812 276 18422 Pin Start reset GW
653 3 4812 134 48324 Light guide ALPHA WH
692 0 4812 210 58035 Bracket Sensor GW
692 1 4812 278 58001 Sensor
740 0 4812 511 48226 Heat exchanger H3
Pos. No. 12NC Code Description
741 0 4812 440 08003 Blower cold air
741 1 4812 530 48244 Cover blower house
743 0 4812 530 48629 Air guide without hole GW
743 1 4812 530 48253 Heating chamber aluzinc
743 3 4812 530 48239 Cover blow. house
743 4 4812 464 48122 Cover plate
743 8 4812 466 88519 Gasket f. blow. house
750 0 4812 418 18521 Tank bottom white 6kg
761 0 4812 480 58322 Filter bag GW
794 0 4812 466 88523 Gasket AC,Bottom
794 1 4812 466 28108 Gasket heater channel
794 2 4812 466 98935 Sealing Heater holder
794 3 4812 466 98937 Sealing
794 4 4812 466 88521 Gasket filter
900 1 4812 290 88053 Clip
902 2 4812 256 38004 Holder heater
903 0 4812 532 28028 Clip,fix
903 1 4812 401 18228 Fastener
910 1 4812 502 48347 Screw,selftap 3,5x14SS
910 5 4819 502 38265 Screw VAB 4,5x20
910 8 4812 502 48348 Screw ST 4,2x11
912 4 4812 502 48015 Screw 4,0x16-TORX
922 0 4812 532 58005 Ring,circlip Triring
922 1 4812 532 58007 Ring,circlip
930 0 4812 492 98039 Spring f.flap
950 0 4812 466 48101 Felt,strip bottom group
950 1 4812 466 88517 Gasket inlet bottom
952 3 4812 466 88522 Gasket sensor wiring
962 0 4812 466 38012 Protector Motor
962 2 4812 466 38056 Protec,el.parts Foil Aluminium

SERVICE Whirlpool Europe AWZ 7813 11.11.2005 (Mod.01) / Page 5
Customer Service 8575 781 03030 Doc. No: 4812 713 14426
Exploded view

SERVICE
11.11.2005 (Mod.01) / Page 6 AWZ 7813 Whirlpool Europe
Doc. No: 4812 713 14426 8575 781 03030 Customer Service
Exploded view

SERVICE Whirlpool Europe AWZ 7813 19.11.2004 / Page 7
Customer Service 8575 781 03030 Doc. No: 4812 713 14426
Wiring diagram

SERVICE
19.11.2004 / Page 8 AWZ 7813 Whirlpool Europe
Doc. No: 4812 713 14426 8575 781 03030 Customer Service
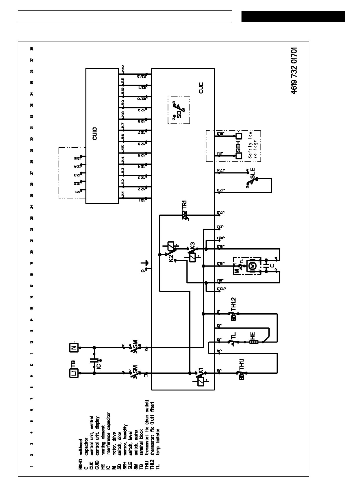
Circuit diagram

SERVICE Whirlpool Europe AWZ 7813 19.11.2004 / Page 9
Customer Service 8575 781 03030 Doc. No: 4812 713 14426
Text/Legend

SERVICE
19.11.2004 / Page 10 AWZ 7813 Whirlpool Europe
Doc. No: 4812 713 14426 8575 781 03030 Customer Service
Text/Legend

SERVICE Whirlpool Europe AWZ 7813 19.11.2004 / Page 11
Customer Service 8575 781 03030 Doc. No: 4812 713 14426
Text/Legend

SERVICE
19.11.2004 / Page 12 AWZ 7813 Whirlpool Europe
Doc. No: 4812 713 14426 8575 781 03030 Customer Service
Text/Legend

SERVICE Whirlpool Europe AWZ 7813 19.11.2004 / Page 13
Customer Service 8575 781 03030 Doc. No: 4812 713 14426
Text/Legend

SERVICE
19.11.2004 / Page 14 AWZ 7813 Whirlpool Europe
Doc. No: 4812 713 14426 8575 781 03030 Customer Service
Text/Legend