Whirlpool Range 6157Wuw Users Manual
6157WUW to the manual 5c57b647-6ad8-48b6-ab52-9cadd79234bb
2015-01-23
: Whirlpool Whirlpool-Whirlpool-Range-6157Wuw-Users-Manual-304929 whirlpool-whirlpool-range-6157wuw-users-manual-304929 whirlpool pdf
Open the PDF directly: View PDF
.
Page Count: 12

Repair
Parts
List
MODEL NUMBER
6157WUW
When requesting service or ordering parts, always
provide the following information:
- Product Type - Part Number
- Model Number - Part Description
RANGE
©2005 Maytag Services

Section: TOP ASSEMBLY
C15-279
Model: 6157WUW
1

TOP ASSEMBLY
No. Part No. Description
Section:
Series Qty
1 N 7712P186-60 PANEL, MANIFOLD (BLK) Note: PANEL, MANIFOLD 01 1
2 7112P102-60 CLIP, SPEED Note: CLIP 01 2
3 7602P119-60 CLOCK (BLK) Note: CLOCK 01 1
- N 7118P015-60 SCREW, HOUSING Note: SCREW 01 4
4 3801F332-45 BRACKET Note: BRACKET, CLOCK 01 2
5 7403P067-60 SWITCH, ROCKER (BLK) Note: SWITCH, ROCKER 01 1
- N 4005F415-51 COVER, MAINFOLD (REAR) Note: COVER, MAINFOLD (REAR) 01 1
- N 7724P051-60 COVER, VENT TRIM Note: COVER, VENT TRIM 01 1
- N 3801F325-51 BRACKET, MAIN TOP Note: BRACKET, TOP 01 1
6 N 2001F089-81 TOP, MAIN (WHT) Note: TOP, MAIN (WHT) 01 1
- 7706P301-60 EXTRUSION, FILLER 01 1
- 3601F221-45 BAFFLE, VENT COVER Note: BAFFLE, VENT COVER 01 1
7 2003W027-00 GRATE (BLK) Note: GRATE 01 4
8 7733P065-60 KNOB, VALVE Note: KNOB, VALVE 01 4
9 7731P071-60 KNOB, THERMOSTAT (BLK) Note: KNOB, THERMOSTAT 01 1
10 N 7724P051-60 COVER, VENT TRIM 01 1
- N 8113P012-60 MANUAL, USE & CARE Note: MANUAL, USE & CARE 01 1
- 8112P106-60 MANUAL, USE & CARE-INSERT Note: INSERT, MANUAL 01 1
- N 16000329 GUIDE, QUICK REF. - MAGIC CHEF Note: GUIDE, QUICK REFERENCE 01 1
2
*Color Code (-)=Not Shown #=Series, Serial Prefix or Run No., N=Not Available

Section: GAS CONTROLS
C13-138
Model: 6157WUW
3

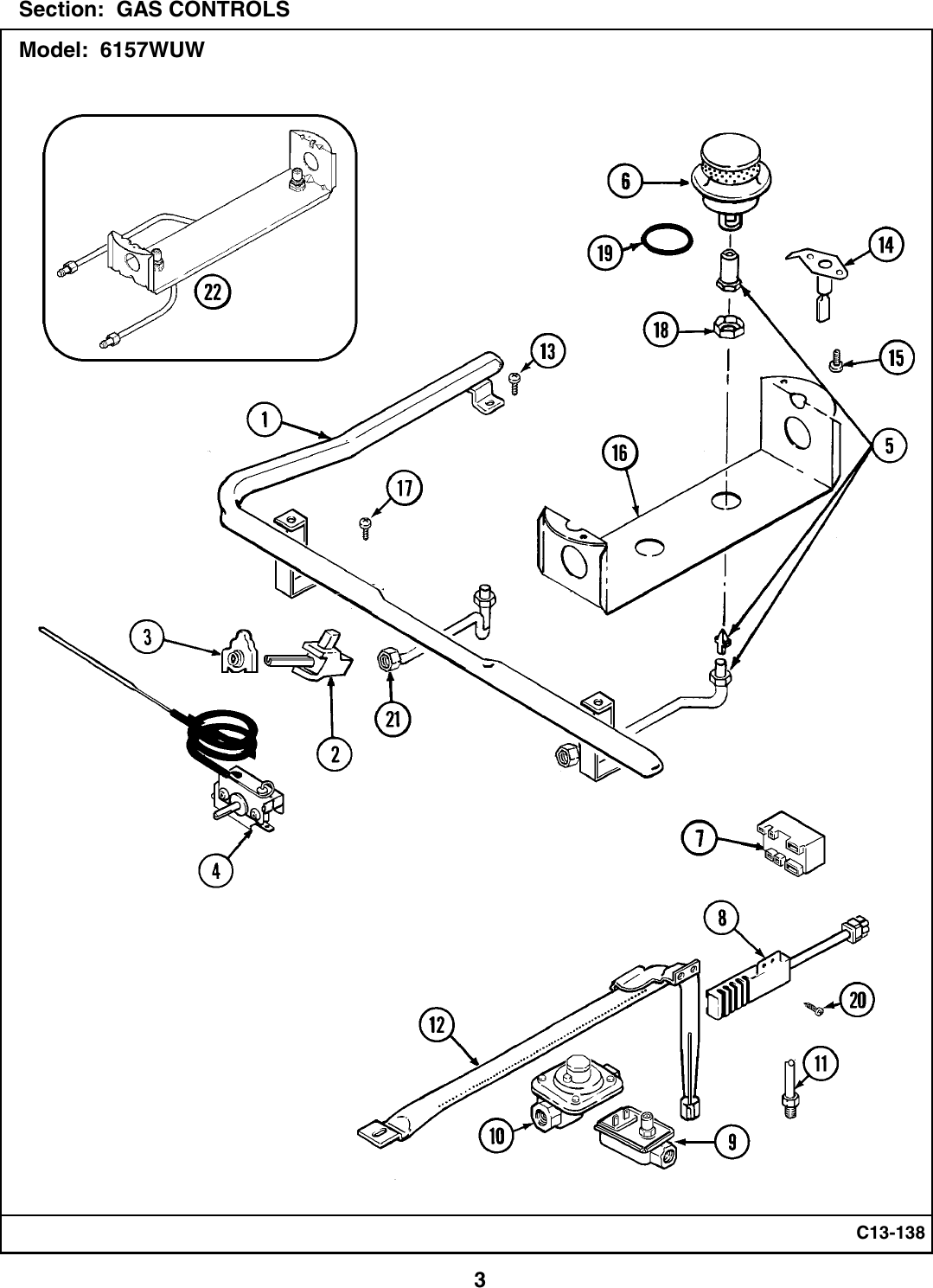
GAS CONTROLS
No. Part No. Description
Section:
Series Qty
1 N 7513P160-60 PIPE, MANIFOLD 01 1
2 N 7502P217-60 VALVE, TOP BURNER 01 4
3 7403P279-60 SWITCH, IGNITER 01 4
4 7404P087-60 THERMOSTAT 01 2
- 7101P280-60 SCREW W/WASHER (BLK) 01 2
- 4005F433-51 COVER, VALVE 01 1
5 7507P087-60 FITTING, ORIFICE Note: ORIFICE (REAR 9,200 BTU) 01 2
6 3412D018-09 SEALED BURNER ASSY. (BLK) 01 4
7 7431P027-60 MODULE, SPARK 12 1
- N 3807F432-45 SUPPORT, SPARK MODULE 01 1
7 7431P023-60 MODULE, SPARK 01 1
8 7432P076-60 IGNITER, OVEN 01 1
9 7501P099-60 VALVE, OVEN Note: VALVE, OVEN W/FITTING 01 1
- 7507P123-60 PIPE, NIPPLE 01 1
- N 8020P007-60 BRACKET, REGULATOR 01 1
10 7510P050-60 REGULATOR, PRESSURE W/FITTING 01 1
- 7103P130-60 NUT, LOXIT (3/8") 01 1
11 N 3414F104-44 TUBING - REGULATOR & PIPE 01 1
12 3403D023-45 BURNER, OVEN 01 1
13 7101P290-60 SCREW 01 1
14 W10124350 NOT REQUIRED PART OR SEE NOTE Note: IGNITER NOT SOLD SEPARATELY (MUST ORDER
SEALED BURNER- ITEM #6)
01 0
15 7101P315-60 SCREW 01 8
16 3807F451-45 SUPPORT, ORIFICE FITTING 01 2
- 7101P343-60 SCREW 01 2
17 7101P296-60 SCREW 01 4
18 7103P119-60 PALNUT 01 4
19 N 7201P050-60 GASKET, BURNER 01 4
20 7101P282-60 SCREW (10-24X5/16-NI) 01 2
21 7507P087-60 FITTING, ORIFICE Note: (REAR 9,200 BTU) 01 2
21 7507P086-60 FITTING, ORIFICE Note: ORIFICE (FRONT 9,200 BTU) 01 1
21 7507P089-60 FITTING, ORIFICE Note: (FRONT 12,000 BTU) 01 1
- 5140D038-60 WIRES, IGNITER (4 OR) 01 1
- 5125A312-60 HARNESS, LOOSE/BURNER BOX 01 1
22 5187D036-60 ORIFICE FITTING ASSEMBLY Note: ORIFICE FITTING ASSY. (LT) 14 1
22 5187D037-60 ORIFICE FITTING ASSEMBLY Note: (RT) 14 1
4
*Color Code (-)=Not Shown #=Series, Serial Prefix or Run No., N=Not Available

Section: DOOR/DRAWER
C11-311
Model: 6157WUW
5

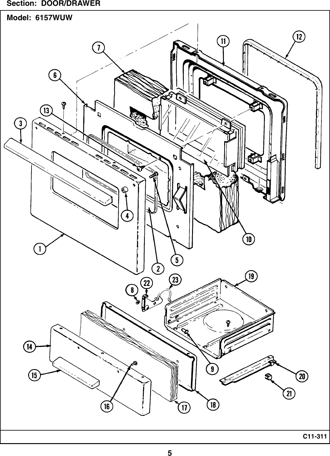
DOOR/DRAWER
No. Part No. Description
Section:
Series Qty
1 2401F097-71 PANEL, DOOR (WHT) 01 1
2 7201P017-60 GASKET, WINDOW Note: GASKET, WINDOW 01 1
3 7701P030-60 HANDLE, DOOR (CHR) Note: HANDLE, DOOR (CHR) 01 1
3 74001819 HANDLE, DOOR (CHR) 15 1
4 8010P084-60 SPACER, HANDLE (BLK) Note: SPACER, HANDLE (BLACK) 01 2
5 7101P080-60 SCREW, CLAMP Note: SCREW 01 4
6 N 3601F219-45 BAFFLE, DOOR Note: BAFFLE, DOOR 01 1
7 4804F011-60 INSULATION, DOOR Note: INSULATION, DOOR 01 1
8 7103P022-60 NUT, GRIP Note: NUT, SPEED 01 2
9 7113P012-60 PIN, BROILER HINGE Note: PIN DRAWER HINGE 01 2
10 7907P015-60 WINDOW ASY. Note: WINDOW ASSY 01 1
11 N 2402W212-19 LINING, DOOR Note: LINING, DOOR 01 1
12 7212P034-60 SEAL, SILICONE Note: SEAL, DOOR 01 1
13 7101P290-60 SCREW Note: SCREW 01 10
14 2403F028-71 PANEL, DRAWER (WHT) Note: PANEL, BROILER DOOR (WHT) 01 1
15 7701P012-60 HANDLE, DRAWER (CHR) 01 4
15 74001820 HANDLE (SHORT-CHR) 15 1
16 7101P283-60 SCREW, HANDLE Note: SCREW 01 1
17 4804F025-60 INSULATION Note: INSULATION, BROILER DOOR 01 1
18 N 2404F035-19 LINING, BROILER DRAWER Note: LINING, BROILER DRAWER 01 1
19 N 3407F012-19 DRAWER, BROILER Note: DRAWER, BROILER 01 1
20 3404F022-51 TRACK, DRAWER (LT) 01 1
20 N 3404F023-51 TRACK, DRAWER (RT) Note: (RT) 01 1
21 8016P012-60 GLIDE, DRAWER REAR Note: GLIDE, DRAWER REAR 01 2
21 8016P011-60 GLIDE, DRAWER Note: GLIDE DRAWER 01 4
22 3418F080-51 HINGE, DRAWER (RT) Note: (RT) 01 1
22 3418F079-51 HINGE, DRAWER (LT) Note: HINGE, DRAWER (LT) 01 1
23 7803P065-60 SPRING, HINGE (RT) Note: (RT) 01 1
23 7803P064-60 SPRING, HINGE (LT) 01 1
6
*Color Code (-)=Not Shown #=Series, Serial Prefix or Run No., N=Not Available

Section: BODY
C14-396
Model: 6157WUW
7

BODY
No. Part No. Description
Section:
Series Qty
1 4002F188-80 BACK, MAIN 01 8
2 N 2618F096-71 PANEL, SIDE (RT-WHT) 01 1
2 N 2618F095-71 PANEL, SIDE (LT-WHT) 01 1
3 4011F224-80 BOX, BURNER 01 1
4 8010P088-60 SPACER, MAIN TOP (RT) Note: (RT) 01 1
4 8010P087-60 SPACER, MAIN TOP (LT) 01 1
5 7118P013-60 SCREW Note: SCREW, SPACER 01 2
6 N 4022W004-45 EXTENSION, VENT BOX 01 1
7 4006W113-45 BOX, VENT 01 1
- 7101P124-60 SCREW W/WASHER Note: SCREW, VENT BOX 01 4
8 N 3807F416-45 SUPPORT, OVEN BACK 01 1
9 N 4820F001-59 STRAP, RETAINER 01 1
10 8114P335-60 COVER, LOCK SLOT 01 1
11 7106P055-60 HINGE 01 2
12 7101P017-60 SCREW, HINGE 01 4
13 4804F032-60 INSULATION, OVEN WRAPPER 01 1
- 4804F031-60 INSULATION, OVEN BACK 01 1
14 N 3604F173-51 SHIELD, HEAT (LT) 01 1
14 3604F174-51 SHIELD, HEAT (RT) Note: (RT) 01 1
15 7401P037-60 BLOCK, TERMINAL 01 1
16 7402P043-60 CORD, POWER 01 1
8
*Color Code (-)=Not Shown #=Series, Serial Prefix or Run No., N=Not Available

Section: OVEN/BASE
C12-178
Model: 6157WUW
9

OVEN/BASE
No. Part No. Description
Section:
Series Qty
1 4003W028-80 BASE, MAIN 01 1
2 7101P316-60 LEG, LEVELING 01 4
3 3801F218-51 BRACKET, ANTI-TIP 01 1
4 3404F021-51 TRACK, DRAWER (LT) Note: (LT) 01 1
4 3404F018-51 TRACK, DRAWER (RT) 01 1
5 8016P010-60 GLIDE, BROILER TRACK 01 2
6 8004P024-60 SPACER, SIDE PANEL 01 2
- 7101P334-60 SCREW Note: SCREW, SPACER 01 2
7 7801P040-60 RACK 01 2
8 2201F077-19 FRONT, BROILER 01 1
9 N 4016F039-45 SIDES, BROILER 01 1
- 7101P290-60 SCREW Note: SCREW, BROILER 01 15
10 7112P004-60 CLIP, THERMOSTAT 01 2
11 8114P335-60 COVER, LOCK SLOT 01 1
12 Y3401F02019 PAN, BROIL 01 1
13 Y3413F01619 INSERT, BROIL PAN 01 1
- 7101P290-60 SCREW 01 1
- 3804F010-50 RETAINER 01 1
14 5504A001-19 BOTTOM, OVEN 01 1
- 3601F234-45 BAFFLE, OVEN BOTTOM 01 1
15 7407P088-60 RECEPTACLE, BULB Note: RECEPTACLE/HOUSING, BULB 01 1
16 7407P095-60 BULB, OVEN 01 1
10
*Color Code (-)=Not Shown #=Series, Serial Prefix or Run No., N=Not Available