Whisperkool Ss4000 Users Manual
SS4000 to the manual cc699f04-9efd-4b4e-abef-d2c6aae5db06
2015-02-03
: Whisperkool Whisperkool-Ss4000-Users-Manual-479125 whisperkool-ss4000-users-manual-479125 whisperkool pdf
Open the PDF directly: View PDF  .
.
Page Count: 36

WhisperKOOL  
 by Vinothèque
“THE COOLEST THING IN WINE STORAGE.”
The WhisperKOOL 
Split Cooling System 
requires professional 
installation by 
a Certified HVAC\R
 technician.
Thank  you  for  choosing  WhisperKOOL  Split 
Cooling  System  for  your  wine  preservation 
needs. This unit has been specifically designed 
and  engineered  to  create  the  ideal  balance 
of  temperature  and  humidity  within  a  wine 
cellar. This,  along  with  a  properly  designed 
and constructed cellar, creates the optimum 
environment  for  the  proper  aging  of  fine 
wine.  Please take the time to read through 
the  owner’s  manual  so  you  understand  the 
correct operations of the WhisperKOOL unit.
Split System
SS4000 & SS7000
(Indoor/Outdoor)(Indoor)
Condensing UnitEvaporator
Split Refrigeration System
115 VAC
115 VAC
Liquid Line
Suction
Drain
!
Copyright ©1998-2008 Vinothèque Wine Cellars All rights reserved.
This manual, the product design, and the design concepts are copyrighted by Vinothèque 
Wine  Cellars,  with  all  rights  reserved.  Your  rights  with  regard  to  the  hardware  and 
manual  are subject to the restrictions  and  limitations imposed by the copyright  laws 
of the United States of America. Under copyright laws, this manual may not be copied, 
reproduced, translated, transmitted, or reduced to any printed or electronic medium or 
to any machine-readable form, for any purpose, in whole or in part, without the written 
consent of Vinothèque Wine Cellars.
Every effort has been made to ensure that the information in this manual is accurate. 
Vinothèque Wine Cellars is not responsible for printing or clerical errors.
Vinothèque Wine Cellars reserves the right to make corrections or improvements to the 
information provided and to the related hardware at any time, without notice.
Vinothèque and WhisperKOOLare registered trademarks of Vinothèque Wine Cellars. All 
rights reserved.
Mention  of  third-party  products  is  for  informational  purposes  only  and  constitutes 
neither an endorsement  nor  a  recommendation. Vinothèque Wine Cellars assumes no 
liability with regard to the performance or use of these products.
Revised March 1, 2008

WhisperKOOL Split Cooling System
Features & Benefits.......................................................................................
System & Features.........................................................................................
PDT Thermostat Operating Instructions...................................................... 
Package Contents...........................................................................................
Wine Cellar / Space Preparation...................................................................
Technical Specifications.................................................................................
Split System Installation Guidelines.............................................................
   Condensing Unit Skid Preparation........................................................ 
  Head Pressure Control, Low Ambient Control Switch...........................
  Mounting the Evaporator Unit.............................................................. 
 Split System Wiring Schematic.............................................................  
  Refrigeration Lines...............................................................................   
  Wiring system......................................................................................     
          Charging the system...........................................................................
Maintenance..................................................................................................
Technical Assistance....................................................................................
Troubleshooting...........................................................................................
Installation Terms and Conditions..............................................................
4
5
6
7
8
8       
   9      
10
11
12
19
19
19
21
21
22
23
28
  TABLE OF CONTENTS
-3-

Designed specifically for wine storage, the WhisperKOOL system is a specialized refrigeration unit 
designed for one purpose only:  to maintain the optimal temperature and humidity levels conducive 
to the proper aging of fine wines.
Humidity Control   
As the temperature begins to drop within the cellar, the relative humidity will rise.  The WhisperKOOL 
units do not create humidity.  If you live in a dry area of the country, you may need to add humidity 
in the wine cellar.  This can be done by introducing a non-heat humidifier or installing a small 
fountain within the cellar. The WhisperKOOL will remove excess humidity from the air and discharge 
it through the drain line hookup on the evaporator unit.
Quiet Operation 
Years of experience with our self contained cooling units has resulted in a totally new design which 
accounts for a number of environmental conditions unique to wine cellars. We have accounted 
for these variables and incorporated the use of state of the art components which offer quiet and 
sophisticated operations while keeping the basic concept rather simple.
Condensing Unit Installation, Indoors or Outdoors
This  system  offers  the  option  of  installing  the  condensing  unit  indoors  or  outdoors.    This  will 
allow home builders and architects to incorporate this system with the utmost ease with regard to 
installation and space requirements.  Note:  Exterior installations require a condensing unit 
housing. Please specify the need of this requirement at the time of order.
Temperature Differential  
The WhisperKOOL split system is designed to operate effectively when the condensing unit (outdoor 
section) is running in an ambient temperature of up to 125 degrees. At this extreme condition, 
the system is able to maintain a 70 degree differential between the Wine Cellar temperature at 
55 degrees and the 125 degree ambient temperature. This is a significant improvement over most 
cooling units designed for wine storage.  
FEATURES  &  BENEFITS
-4-

The  system  includes  both  the  evaporator  and  condensing  units  packaged  in  two  (2)  separate 
containers.  An  exterior  housing  is  required  for  outdoor  installations  and  will  arrive  packed 
separately.
Evaporator Condensing Unit (Shown With Housing)
• Wineismaintainedataprecise,measured
temperature.
• The unit will switch on/off less often,
extending cooling unit life.
• The unit will run longer during cycles
effectively maintaining humidity.
PDT Thermostat
Digital probe - contains a microchip which communicates 
back and forth to the thermostat resulting in accuracy. 
Heavy  Duty  Circuitry - designed to resist power surges, 
which play havoc on sensitive electrical components. 
Fahrenheit and Celsius readout - for use in the United 
States as well as around the world.
  System  &  Features
Thermostat
The  split  system  evaporator  has  been  designed  to  incorporate  the  Vinothèque  PDT  ™  series 
thermostat.  
Years of research and testing have gone into the design of the PDT thermostat resulting in advanced 
microprocessor controlled digital technology and pinpoint accuracy. This system incorporates a 
probe designed to measure the liquid temperature in a wine bottle rather than the air temperature 
of the cellar. This results in several distinct advantages:
-5-
Additional Features:

The unit is set at 55°F at the factory. To raise or lower the temperature set point, press the set 
button while at the same time pressing either the arrow up or arrow down button.
Wine Temperature Indicator: A red LED bar will light up when the thermostat is reading the 
liquid temperature in the bottle via the probe. This will remain lit and the temperature you see 
displayed is what the probe is reading.
LED Screen: Displays your thermostat readings.
Wine  Temperature  Reading:  The  temperature  the  water  bottle  is  registering  to  the 
thermostat. 
Temperature  SET  Indicator:  A  red  LED  bar  will  light  up  when  you  are  setting  the 
temperature.
Unit ON Indicator: A red LED bar will light up every time the unit turns on to run a cooling 
cycle.
SET Button: Used to set the temperature you want the unit to maintain.
UP Arrow Button: Used with the SET button to set temperature higher. In addition, by pressing 
and holding the button it will allow you to see the 5-minute count down. 
DOWN Arrow Button: Used with the SET button to set temperature lower.
*Up and Down Arrow Buttons used simultaneously will change the temperature read 
out from Fahrenheit to Celsius*
WINE Temperature Indicator
Wine Temperature Reading
LED Screen
1
32
4
5 6
78
Temperature SET Indicator  UP Arrow Button DOWN Arrow Button 
Unit ON Indicator  SET Temperature Button 
Temperature
Precision digital Technology Thermostat
PDT
WINE
ON 
SET 55F
SET
1.
2.
3.
4.
5.
6.
7.
8.
PDT OPERATING INSTRUCTIONS
-6-

SS4000
Box 1
  Evaporator Unit (part #: 03-4000SS-0120)
  Sight Glass
  Filter Drier
Box 2
  Condensing Unit (part #: 1-122100)
  Accessory Kit (par #: 09-950-9997SS) 
Box 3
  Optional Exterior Housing (part #: 03-4000SS-0120)
  Mounting Hardware
  Optional Electrical Cover
SS7000
Box 1
  Evaporator Unit (part #: 03-7000SS-0120)
  Sight Glass
  Filter Drier
Box 2
  Condensing Unit (part #: 1-122101)
  Accessory Kit (part #: 09-950-9997SS)
Box 3
  Optional Exterior Housing (part #: 03-7000SS-0120)
  Mounting Hardware
  Optional Electrical Cover
Accessory Kit   part #:  09-950-9997SS  Quantity
 BrassFitting,3/8”Barbx1/8  1-141012 1
 BrassNipple,1/8”MalePipe  1-141025 1
 BypassPlugJumperw/Molex  1-212455 1
 DrainLine&Fitting  N/A 1
 Owner’sManual  M-4/7SSRevA 1
 Screw#8x1-3/4SHBlack  1-422813B 9
PACKAGE CONTENTS
-7-

The proper design and preparation of the wine cellar is essential in order to maintain the ideal 
temperature  and  humidity  levels.    We  have created  a  typical presentation  on  “How to  Build  a 
Wine Cellar” which is available for viewing on our web site at www.whisperkool.com.  Failure 
to prepare the cellar accordingly will result in the cellar not maintaining proper temperature and 
humidity.  
Preparing the Wine Cellar
Sizing Guide & Specifications
Vinothèque model Cellar Volume Run Amps Minimum
 Circuit Amps
H x W x D Lbs
SS4000 Condensing Unit
SS4000 Evaporator
SS7000 Condensing Unit
SS7000 Evaporator
Outside Enclosure (All)
1000 cu. ft.
1000 cu. ft.
1750 cu. ft.
1750 cu. ft.
NA NA
1.0 Amps
12.0 Amps
1.0 Amp
10.3 Amps
NA
2 Amps
18 Amps
2 Amps
15 Amps
20.75”x25.75”x18”
15.75”x23.5”x15.5”
13.5”x18.5”x12”
15.75”x23.5”x15.5”
13.5”x18.5”x12”
30
66
60
56
Technical Specifications
Ton
60
NA
7/12
1/3
Power Source
Condenser -115Volt, 20Amp Dedicated (Non-GFI) Breaker
Evaporator -115Volt, 15Amp Dedicated (Non-GFI) Breaker
Refrigerant Lines and Wiring
 • 1/4”ODcopperliquidline
 • 1/2”ODcoppersuctionline.Iflongerthan75’,use5/8”ODpipe.Ifthereisaverticalrise
    of more  than10’,reduceto3/8”ODpipefortherise.
 • 1/2”wallthicknessArmaflex(brandname)orequalinsulationforsuctionline
 • Forsuctionlineswhereelbowsarerequired,use“longradius”90°elbowstoreduce 
friction loss.  Each 90° elbow equals 1ft. equivalent feet of tubing length.  Add the 
equivalent footage for the total number of 90° elbows to the length of straight tubing with 
the total not to exceed 100’.   
WINE CELLAR / SPACE PREPARATION
-8-

General Installation Guidelines and Instructions
Vinothèque  requires  that  a  certified  HVAC  technician  install  and  pipe  the  Split  System  unit 
modules. Please take a moment to review State and City building codes to insure the safe and 
proper installation of the unit. 
Installing Condensing Unit 
The condensing  unit can  be  mounted inside  a  utility area  of the  home  or outside  utilizing  the 
required outdoor condensing unit housing. The system will operate on a 70 degree temperature 
differential. This means that the unit will keep the wine cellar at 55 degrees when the outside 
temperature is 125 degrees and will have the capacity to produce cool air into the cellar as long as 
the ambient temperature does not exceed 125 degrees Fahrenheit. This unit requires a dedicated 
20 amp circuit, non-GFI.  Make sure there is a minimum three-foot horizontal clearance in front 
and rear of the unit. The unit may either be hard wired or plug-in depending on local electrical 
codes. 
Internal  Condensing  Unit  Installations.  Internal  (i.e.,  inside  the  building)  installations 
require special consideration by having adequate ventilation to dissipate the heat created 
during normal operations. An exhaust port with fan may need to be installed to assure that 
heat is effectively removed from the utility room. A return grille or provision for 500 - 600 cfm 
of cool air to enter the room to replace the exhausted air will accomplish this. Unobstructed 
airflow to and from the unit is a critical factor in the unit’s overall performance.  Make sure 
there is a minimum three-foot horizontal clearance in front and rear of the unit.  This will 
assure that the unit can move the air around the room in an efficient manner.  
Outdoor Condensing Unit Installations. You must utilize the exterior condensing unit housing 
for outdoor installations.  Place the condensing unit on a solid foundation in a location with 
adequate ventilation.  There should be three feet for clearance in the front and rear of the 
unit and one foot on each side.  The unit should be elevated 18 inches in order to avoid 
any possible flooding or damage by animals, and should be clear of leaves, dirt, and other 
debris. 
Mounting Evaporator Unit
The evaporator unit should be mounted level and the top of the unit needs  to be 6” inches or 
less from the ceiling of the cellar in order to deliver sufficient cooling. As the room cools down, 
warm air will rise to the ceiling, which is then captured into the cooling unit in order to create 
a consistently cool environment.  Mounting the unit low in the room will result in a temperature 
variation due to cold air puddling on the floor and the unit’s inability to draw warm air down from 
the ceiling into the unit itself. 
Unobstructed Airflow
Unobstructed airflow to and from the unit is a critical factor in the unit’s overall performance.   
SPLIT SYSTEM INSTALLATION GUIDELINES
-9-

Note:Thecondensingunitisshippedwithaprotectivefoampad/blocktopreventdamagingtubing
against the condenser coil fins. Please ensure that this pad is removed prior to operation.
CONDENSING UNIT SKID PREPARATION
Condensing Unit
-10-

Head Pressure Control, Low Ambient Control Switch:
The switch is used to cycle the condenser fan at low ambient temperature condition. Set the switch 
to 170 psig for cut-in and 70 psig for the differential. Further adjustment may be needed. Verify 
the settings via refrigeration manifold gauge and perform the final adjustments to the readings on 
the gauge manifold. 
Condensing Unit
* Low ambient control is in the control box
-11-
High Pressure
Cutout
Low Ambient
Control*
Low Pressure
Cutout

1.  Disassemble evaporator unit. 
In order to mount the housing to the wall, the internal components will need to be removed and 
reinstalled after mounting the housing. Remove front cover and thermostat by unscrewing four 
captive screws located on each corner of the cover and five at bottom of front cover. 
Note: Thermostat is not plugged into electrical line. 
2.  Remove interior assembly. 
The  interior  assembly  is  one  piece.  The  assembly  should  slide  out  on  mounting  rails  as  one 
piece.
MOUNTING THE EVAPORATOR UNIT
-12-

3.  Identify and remove appropriate knockouts. 
There are knockouts located on the rear panel, right side panel and on top. Remove knockouts for 
the two refrigeration lines and install the two grommets supplied. Remove knockout for electrical 
line. Keep the refrigerant pipes capped to prevent any foreign material from entering, until ready 
to braze.
4.  Mounting housing to wall. 
The unit has six mounting holes on 16 inch wide centers. Utilize all mounting screws to secure 
the housing to the wall (screws not included).
18 inches
6”
-13-

5. Installing refrigeration lines into evaporator housing. 
With knockouts removed, install grommets supplied. Install housing, mark location and center line 
of holes to be drilled in wall. Slide interior into place, measure the distance from the suction and 
liquid line connection locations to the housing knockout opening. Add that dimension to the length 
of pipe necessary to penetrate the wall for a rear entry plus enough for an elbow connection if the 
pipeistorunupordownthewallonthebacksideoftheunit.A1/2”90°longradiuselbowwillbe
required to connect to a nipple from the suction line and to either a vertical riser through a ceiling 
opening or to extend the pipe through the right side of the housing opening and adjacent wall. Add 
enough length for the pipes to pass through the wall and connect to another fitting.
Since the piping is parallel to the evaporator coil and the coil is at an angle with the housing, the 
“through the rear” or “side wall pipes” will have to be formed inside the housing to match that 
angle prior to connecting. The 90° elbow on the vertical riser can be adjusted to the proper angle 
to fit the nipple from the elbow to the coil suction line connection. With measurements taken, 
removetheinteriorassemblyandthehousing.Drilla11/2”holeforthe1/2”O/Dsuctionpipeplus
the1/2”wallthicknesscellularinsulationand1/4”liquidpipe.Drillnecessaryholeforelectrical
wiring.
Securely cap the piping ends. It is suggested that the pipes be installed from inside the housing; 
the insulation slid over the suction pipe outside the housing; the liquid line taped to the outside 
of the insulation; and the housing placed in position while guiding the pipes through the wall or 
ceiling. Electrical wiring should be pulled through the housing and the housing secured in position 
in accordance with instructions on page 13. 
-14-
Pipes from the top Pipes from the side
Pipes from the back

6.  Run the electrical line into evaporator on bottom of left side over insulation. 
Wires should be at least 36” long going into the cabinet. 
7.  Re-install interior assembly. 
Slide interior assembly back into housing gently.  Re-attach using the two screws. Flow a small 
amount of dry nitrogen through the tubing during brazing. This is to displace oxygen and prevent 
the formation of copper oxide. The solenoid should be energized for a free flow without building 
up pressure in the tubing.
-15-

-16-
8.  Attaching refrigeration lines. 
Line up the piping connections. Energize the liquid line solenoid valve, connect Dry Nitrogen, and 
adjust to a slight flow through the tubing, being sure no pressure develops in the piping. Connect 
flare fittings if a flare fitting model, tighten securely, braze other fittings, leak check, evacuate to 
200 microns, charge with R-134 refrigerant, start and check out. Using wire ties, secure tubing as 
low as possible in the evaporator so tubing is not visible through air inlet grille. 
Note: Be sure the tubes do not stick 
out beyond the evaporator opening 
for the front panel. 

9.  Electrical wires will need to be approximately 36 inches long. 
Attach lines according to schematic shown.
Power Source
L8
L2
L1
T8
T2
T1
Fan
Thermostat L1 - White (neutral)
L2 - Black  (hot)
L3 - Black Silver Stripe
L8 - Green (ground)
T1 - White
T2 - Black
T3 - Black / White
T8 - Green
F1 - White
F2 - Black
F8 - Green
S1 - White
S2 - Black
J1  - White Jumper 
Legend
Solenoid Valve
F8
F1
F2
T3
S1
S2
J1
J1
J1
WATER
LEAKING
WRONG
CORRECT
10.  Install drain line fitting and drain line. 
Excess moisture in the air will be condensed on the coil fins and captured in the base of the 
evaporator unit. Therefore a drain line will need to be installed to drain the condensate. The 
drain fitting is located in the center bottom of the unit. Attach the supplied drain line and
route it to a drain. A condensate pump may be required if a drain is not 
readily available.
Install the drain line fitting to the bottom of the drain pan. The indoor 
drainlinemustslopedownward1/4”tothefootandhavenotraps.The
line cannot run higher than the bottom of the drain pan and should not 
have any kinks or blockage. When installing drain line inside of wall, 
use copper or PVC to protect the drain tube from the elements.
-17-
115V 60Hz

11.  Install thermostat. 
Thermostat mounts on the bottom front of the unit. Plug electrical outlet to thermostat and 
mount from underneath with screws supplied.
12.  Install front cover.
13.  Energize unit. 
Note: Thermostat has a 5 minute time delay.
-18-

Refrigeration Lines
A 
1/4
inchO/Dcopper“liquidline”anda½inchO/Dcopper“suctionline”connectthetwounits.
The refrigerant drier and sight glass shall be installed in that order in direction of refrigerant flow 
in the liquid line between the condensing unit and evaporator. Enclose the suction line in a cellular 
insulation½”wallthicknessArmaex(brandname)orequaltoreduceheattransfer.
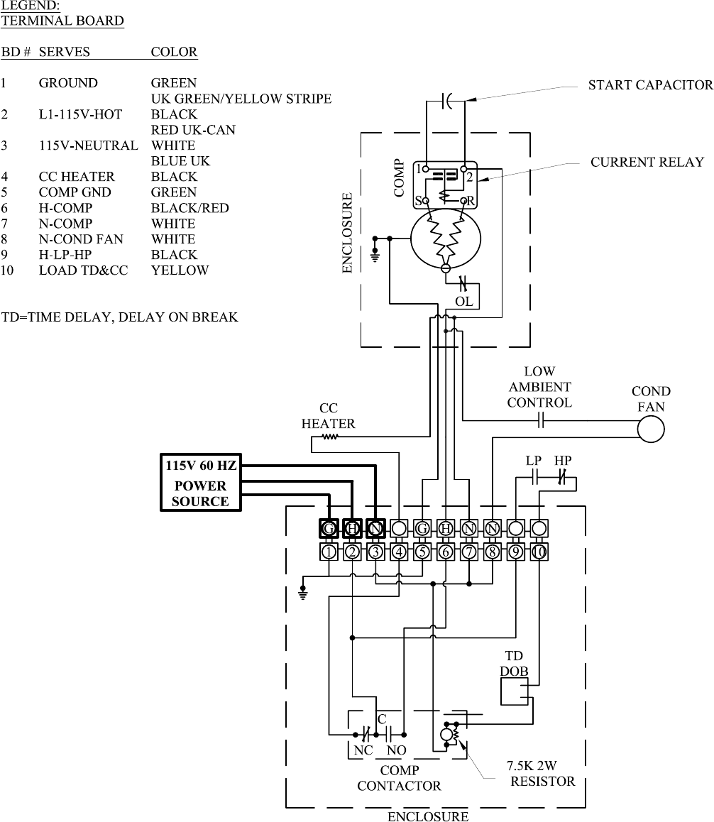
Wiring System
The compressor is controlled by a “pump down cycle,” therefore, no wiring between the condensing 
unit and evaporator unit is necessary. Wire the system in accordance with local codes and the 
enclosed wiring diagrams  (Evaporator wiring on pg 17, schematics below, and on pg 20). The 
evaporator unit requires a standard 15 amp circuit, non-GFI. A dedicated circuit is not mandatory, 
but recommended.
Split System Wiring Schematic
-19-

Split Unit Wiring Diagram
-20-

Charging the System (by Certified HVAC technician)
After all the piping is complete:
!
Maintenance 
The WhisperKOOL system is designed to operate with very little maintenance required. Do check 
the condensing unit and evaporator coils, and vacuum them every three months.
•  Open  both  of  the  service  valves  on  the  condensing  unit. The  unit is  pressurized  with 
Nitrogen and you should hear the gas escaping through the service ports.
•  With  electrical  power  connected  to  the  evaporator  unit  energize  the  solenoid  valve 
(pressurize with dry Nitrogen) to 100psi. Leak test all fittings. Must hold 100psi for 30 
minutes.  
• If no leaks are found, leave solenoid valve energized and evacuate the system through both 
the liquid and suction service ports. Using a high vacuum pump, evacuate to 200 microns, 
measuring the vacuum with a digital micron gauge. When evacuation is complete, break 
vacuum and pressurize with liquid R-134A. refrigerant.
•  With  the  electrical  power  turned  on  to  the  condensing  unit,  and  the  evaporator  unit 
running,  slowly  feed  liquid  refrigerant  (R134A)  into  the  suction  service  port.  As  the 
suction pressure rises to 15 PSIG, the condensing unit will start. Slowly feed refrigerant 
while maintaining a pressure above 10 PSIG to prevent the compressor from short cycling.  
Slowly feed refrigerant with the compressor running until the sight glass is clear of all 
bubbles.  Do  not  exceed  3.5  lbs  of  refrigerant. Check  superheat  at  evaporator  outlet.  
Superheat should be at 10°-12°.  Check the compressor crankcase temperature after 30 
minute run time – should be hot 115°to 140°.  If cool, superheat is too low. Adjust TXV 
to recommended superheat.
• Allow the system to operate for one hour and then check the refrigerant level in the sight 
glass again. Additional refrigerant may be required as the temperature of the enclosure 
is lowered to approximately 55F or the ambient temperature at the condensing unit rises 
above the temperature at which the unit was initially charged. Depending on temperature, 
the “high side” should be approximately 175 lbs. The ”low side” 28 lbs or more to keep 
the evaporator from icing. It is recommended while charging to use a digital refrigerant 
scale for better accuracy in measuring the amount of charge.  
-21-

Vinothèque  Customer  Service  is  available  Monday  through  Friday 
from 8:00 a.m. to 4:00 p.m. Pacific Time.
Please make sure that you have the following information available 
before you call:
• ThemodelandserialnumberofyourWhisperKOOLunit.
• TypeofthermostatusedwithyourWhisperKOOL.
• Locationandinstallationdetails,suchasventilation,construction,
and size of room.
How To Contact Vinothèque Customer Service 
Telephone  (209) 466-9463  (800) 343-9463
Fax  (209) 466-4606
Web site  www.Vinothèque.com
Address  Vinothèque Wine Cellars
  1738 East Alpine Avenue
   Stockton, CA 95205
TECHNICAL ASSISTANCE
-22-

TROUBLESHOOTING
Fault Cause Solution
Water leaking from unit
1. Condensate drain 
clogged
Clear out drain
2. Evaporator coil 
frozen 
Cleanthecoiland/orfanwheel
3.  Drain line improperly 
installed
Call a CERTIFIED HVAC service technician.
Wine cellar temperature above thermostat set point
1.  Large quantity of 
warm wine placed in 
cellar
Allow time for wine to cool
2.  Wine Cellar Door left 
open for long period.
Close Door.  Allow time for wine to cool.
3.  No power to 
either fan coil unit or 
condensing unit
Fan Coil
Is the thermostat display illuminated? 
If not, check power supply switch, if equipped. Ensure it 
is in the ON position.
If on, check to see in the breaker is tripped.  
If tripped, reset and check display.
If display “Wine” bar is illuminated, wait for time delay to 
expire. Wine light blinks during time delay countdown.
Check to see if “On” bar indicator illumination appears 
at which time the blower and cooling should start
If blower starts and no cooling follows, check power 
supply to condensing unit.
Check breaker to condensing unit. If tripped, check to 
see if compressor is hot – too hot to touch.  If so, allow 
to cool for one (1) hour before resetting breaker. 
After cooling, reset breaker and note whether it remains 
set or trips off. If it trips, call a CERTIFIED HVAC service 
technician for repair.
gj 
-23-

If the breaker remains set, check to see if compressor is 
running and condenser fan turns on.  
After compressor runs a few minutes, check the 
refrigerant “sight glass” in the ¼” copper tubing.  Look 
for bubbles.
If no bubbles are present and compressor is running, 
refrigerant system is running OK.
If bubbles are present, system is low on refrigerant.  
A CERTIFIED HVAC service technician will have to locate 
and repair any refrigerant leaks, then add refrigerant.
Condenser fan should come on either immediately on 
compressor start or after sight glass gets warm.
If not, compressor will trip off on high pressure safety 
control, reducing capacity and possibly tripping the 
breaker.
In this event, CERTIFIED HVAC service technician will 
have to check for the problem.
Compressor runs intermittently
1.  Fan coil blower 
not running with 
compressor
Evaporator coil will probably be iced.  
Call a CERTIFIED HVAC service technician.
2.  Fan coil blower 
running too slow or air 
flow blocked.
Increase speed control setting if equipped.  •
Clean coil if necessary, remove obstructions.•
Coil icing can occur.•
3.  Condenser coil 
blocked with dirt or 
other matter.
Clean coil and fan thoroughly, clear any obstructions 
and/orcauseforhotairrecirculation.
4.  Condenser fan 
motor bearings faulty 
causing motor to trip on 
overload, followed by 
compressor cycling off.
Call a CERTIFIED HVAC service technician to diagnose 
and repair.
5.  Hot air, above 125°, 
entering condenser from 
confined space (outer 
room)
Provide source of cool air to condenser space in 
accordance with directions in this manual.
6.  System refrigerant 
overcharge.
Call a CERTIFIED HVAC service technician to diagnose 
and recover excess refrigerant.
-24-

7.  System low on 
refrigerant.
Checkrefrigerant“sightglass”in1/4”tubing.
Check for bubbles after system has run for several 
minutes. If bubbles present, call a CERTIFIED HVAC 
service technician. If sight is clear of bubbles, 
refrigerant level is OK.
8.  Thermostatic 
expansion valve power 
element losing its 
charge.
System will operate as if it were low on refrigerant 
charge.  Sight glass will be clear.  Evaporator coil icing 
probable.
Call a CERTIFIED HVAC service technician. 
9.  Low voltage to 
compressor, below 
103V with compressor 
running.
Low voltage will cause compressor overheating and 
tripping on overload.  Also, can have difficulty starting.  
This is usually a field wiring problem which should be 
corrected immediately.
10.  Cooling system not 
sufficient for load
If system is determined to run OK but not keeping up, 
run a heat gain calculation for the wine cellar and 
compare with cooling system capacity.
Evaporator blower runs, but compressor does not
1.  System “Anti-Frost“ Observe for several minutes. Compressor should turn on 
at termination of “Anti Frost“ Cycle and evaporator clear 
of frost. 
2.  Power off to 
compressor.
Checkbreaker/Referto#3above
3.  Out of refrigerant. Call a CERTIFIED HVAC service technician to locate leak, 
repair and charge with refrigerant
4.  Compressor off on 
overload.
Determine if compressor is hot. If not, there is another 
problem. If yes, shut off power to condensing unit and 
call service technician
5.  Liquid line solenoid 
valve in evaporator not 
active.
Remove cover. Locate valve in ¼” copper tube. Check 
to see if it is hot. If hot and you can feel a magnetic pull 
with a screwdriver, the valve is working. If cold, there is 
no power to the valve coil. In this event, with the blower 
running, the valve should be powered. Call a CERTIFIED 
HVAC service technician.
6.  Thermostat 
expansion valve power 
element lost charge
System will “pump down.” Compressor will stop.
May start occasionally and shut off quickly.
Call a CERTIFIED HVAC service technician.
-25-

Compressor runs, but evaporator does not
1.  Faulty blower 
motor or broken wire 
connection
Evaporator coil probably frozen•
Shut off power to condensing unit•
Call a CERTIFIED HVAC service technician for repair•
2.  Defective low 
pressure switch not 
shutting compressor off 
when pressure drops
Compressor would continue to run when thermostat •
is satisfied and shuts blower and solenoid off. When 
space warms up to set point, blower starts and the 
system runs normally.
Prolonged running without refrigerant flow will •
damage or destroy compressor. If this condition 
exists, call a CERTIFIED HVAC service technician.
Compressor short cycles, which is different from running intermittently
1.  System pressure 
controls defective.
Call a CERTIFIED HVAC service technician to verify and 
repair.
2.  System low on 
refrigerant.
Observe for flashing in refrigerant sight glass located 
in1/4”coppertubeatcondensingunit.Ifashingwith
bubbles, call a CERTIFIED HVAC service technician for 
leak location, repair, and adding refrigerant.
3.  Condenser fan motor 
defective
Fan does not run with compressor.  •
¼” copper tube at sight glass – very hot, compressor •
very hot, runs short time, shuts off.
Shut power off to condensing unit•
Call a CERTIFIED HVAC service technician for repair.•
4.  Compressor starting 
components defective.
Compressor very hot and hums when trying to start.•
Shut power off to condensing unit.•
Call a CERTIFIED HVAC service technician.•
Evaporator coil freezes
1.  Air filter, if 
equipped, dirty
Clean or replace filter
2. Evaporatorcoiland/
or blower dirty
Clean coil and blower
3.  Thermostat set point 
too low.
Set point should not be lower than 50°. If so, increase to 
above 50°
4.  System low on 
refrigerant
Checkrefrigerant“sightglass”in1/4”tubing.Check
for bubbles after system has run for several minutes. If 
bubbles present, call a CERTIFIED HVAC service technican. 
If sight is clear of bubbles, refrigerant level is OK.
-26-

5.  Evaporator blower 
not running
Faulty blower motor or broken wire connection.•
Call a CERTIFIED HVAC service technician•
6. Obstruction to air 
flow
Check for obstruction to air flow and repair
7. Anti-frost control not 
working
With ice or frost in the evaporator coil, the compressor 
should be OFF and the evaporator blower running. 
If compressor is running with ice on the coil, call a 
certified HVAC service technician.
Humidity in cellar too high
1.  Compressor short 
cycling
See Compressor Short Cycling Subject (above)
2.  Refrigeration not 
running properly
Check items above•
Call a CERTIFIED HVAC service technician •
3.  Cellar vapor barrier 
not sufficient
Install proper vapor barrier
-27-

PLEASE READ THESE TERMS AND CONDITIONS CAREFULLY BEFORE INSTALLING YOUR WhisperKOOL 
Split System.
1. Acceptance of Terms & Conditions
  Installation  and  use  of  a  WhisperKOOL  Split  System  (hereafter  referred  to  as  “the  product”) 
constitutes acceptance by the Purchaser  (or  user)  of  the  Terms  and  Conditions  set  forth  in  this 
document.  The  WhisperKOOL  Owner’s  Manual  is  shipped  with  each  unit  and  if  another  copy  is 
needed,  replacement  copies  can  be  downloaded  from  the  company  web  site  (www.Vinothèque.
com) or by contacting Vinothèque Wine Cellars (“Vinothèque”) directly for a new copy. Vinothèque 
reserves the right, in its sole discretion, to change its Terms & Conditions at any time, for any reason 
without notice. 
2. Product Installation
(a)  Purchaser  of  the  product  must  arrange  for  the  product  to  be  installed  by  a  certified  HVAC 
technician  in  accordance  with  procedures  set  forth  by  Vinothèque  and  described  in  the 
WhisperKOOL Owner’s Manual. 
(b)  Purchaser must  return  the  Limited  Warranty  card  to  Vinothèque  to  register  the  product  and 
obtain the benefits of the Limited Warranty throughout the warranty period. Failure to register 
the product within thirty (30) days of installation may result in loss of warranty.
(c) The HVAC technician installing the product must complete the designated portion of the Limited 
Warranty  card  and  provide  licensing  or  certification  identification  number  information  to  
Vinothèque in order to validate the Limited Warranty.
(d) Purchaser is responsible for the full costs of installation and any additional parts required for 
the proper and complete installation of the product.
3. Product Warranty Information
  For Split Systems returned to Vinothèque in accordance with the terms and conditions of the Limited 
Warranty, Vinothèque warrants against defects in material and workmanship as follows:
(a) LABOR: For a period of two (2) years commencing on the date of purchase, Vinothèque will, at 
its option and discretion, either repair or replace the product at no charge to the Purchaser if the 
product is determined by Vinothèque to be defective. After the Warranty period, the Purchaser is 
responsible for all labor charges.
(b)  PARTS:  For  a  period  of  two  (2)  years  commencing  on  the  date  of  purchase,  Vinothèque  will 
supply, at no charge, new or rebuilt replacement parts in exchange for defective parts.
(c) FREIGHT: For a period of two (2) years commencing on the date of purchase, Vinothèque will 
cover  freight  charges  incurred  in  connection  with  the  repair of  units  then  under  warranty  to 
customers within the continental United States.
WhisperKOOL SPLIT SYSTEM 
INSTALLATION TERMS AND CONDITIONS
-28-
Vinothèque’s  Limited  Warranty  does  not  cover  damage  to  the  product  caused  by  third  parties  or 
damage due to acts of God, accident, misuse, abuse, negligence, or modification of, or to any part of 
the product. The Limited Warranty does not cover damage due to improper operation or lack of proper 
maintenance, connection to improper voltage supply, or attempted repair by anyone other than an 
HVAC technician approved by Vinothèque to service the product. The Limited Warranty does not cover 
Products sold “as is” or “with all faults” and is valid only in the United States.
Proof of purchase (in the form of a bill of sale or receipted invoice) establishing that the product is 
within the warranty period must be presented to obtain warranty service.
This Limited Warranty  is invalid if  the factory-applied serial number has been altered or  removed 
from the Product.
REPAIR  OR  REPLACEMENT  PURSUANT  TO  THE  LIMITED  WARRANTY  IS  THE  EXCLUSIVE 
REMEDY OF THE CONSUMER FOR ANY DEFECTS IN VINOTHÈQUE PRODUCTS. VINOTHÈQUE 
SHALL NOT BE LIABLE FOR ANY INCIDENTAL OR CONSEQUENTIAL DAMAGES ARISING FROM 
THE BREACH OF ANY EXPRESS OR IMPLIED WARRANTY ON THIS PRODUCT, EXCEPT TO THE 
EXTENT PROHIBITED BY APPLICABLE LAW, ANY IMPLIED WARRANTY OF MERCHANTABILITY 
OR FITNESS FOR A PARTICULAR PURPOSE ON THIS PRODUCT IS LIMITED IN DURATION TO 
THE DURATION OF THIS WARRANTY.
Some states do not allow the exclusion or limitation of incidental or consequential damages or on the 
durationofexpressand/orimpliedwarranties,sotheabovelimitationsorexclusionsmaynotapplyto
you.
Vinothèque’s Limited Warranty gives you specific legal rights and you may have other rights, which 
vary from state to state.
4. Maintenance
 The Purchaser or user is responsible for checking the coils on the condenser unit and vacuuming 
them every three months to maintain them free of debris. The drain tube and the heater pan located 
on the evaporator unit must also be checked and kept clean and free of debris and mold to maintain 
proper performance.
  Mold  is  a  natural  living  organism  in  the  environment.  It  exists  in  the  air  in  the  form  of 
microscopic spores that move in and out of buildings  through doors, windows, vents, HVAC 
systems and  anywhere  else  that air  enters.  Once it  is discovered,  mold must  be  addressed 
quickly  and  appropriately.  Delayed  or  improper  treatment  of  mold  can  result  in  costly  and 
recurring repairs. If you suspect you have a mold problem, it is always best to hire a qualified 
and experienced mold remediation specialist. 
5. User Costs and Responsibility
 ResponsibilitiesofthePurchaser,and/oritemsnot covered under our Limited Warranty, include, 
but are not limited to, the following:
(a)  All  initial  installation  costs,  including,  but  not  limited  to,  labor  costs  and  the  cost  of  any 
additional parts necessary to complete the installation.
(b)  Users must assure that the product is installed by a certified HVAC technician. Failure to do so 
will result in Voiding the Limited Warranty. 
(c) Allcostsincurredfortheinstallationand/orremovaloftheproduct,oranypartthereof,unless
such cost has been defined as a warranty repair prior to the work being performed. 
-29-
(d)  Purchasers should satisfy themselves that the product they are purchasing is suitable for their 
needs and requirements.
(e)  Purchasers are responsible for assuring the safety of any and all items that are kept and stored 
in the wine cellar. Vinothèque takes no responsibility for the safety of such items in the event 
that the environment becomes unsuitable for proper storage.
6. Customer Service
  Vinothèque customer service department is available Monday through Friday, from 8:00 a.m. to 4:00 
p.m. Pacific Time and can be reached at 1-800-343-9463.
7. Troubleshooting
  The customer service department is available to answer questions regarding our products and to 
assist in basic troubleshooting in the event that a problem arises. 
  Vinothèque reserves the right to have a certified, Vinothèque-approved, HVAC technician go on site 
and inspect the product if the initial trouble shooting warrants further investigation. 
  If after on-site inspection of the product, it appears the product may be malfunctioning due to a 
defect in the unit, Vinothèque will cover the costs of the evaluation by the certified HVAC technician. 
If the product is malfunctioning due to the improper installation or some other act or omission by a 
party other than Vinothèque, then the user is responsible for the costs of the on-site evaluation by 
the technician in addition to any repair costs. 
8. Request for Product Evaluation and Repair Under Warranty
 8.1  Split System Field Service Warranty Policy   
This Policy is to clarify what falls under Warranty Service and what becomes the responsibility 
of the Owner. Vinothèque (“manufacturer”) strives to provide our customers with a superior 
product  and  we  back  our  product  with  a  Two  Year  Limited  Warranty.  Please  review  the 
following guidelines to ensure you have a complete understanding of our Policy and coverage 
of your Split System. Vinothèque will respond to your request for service once this letter has 
been signed and returned to the manufacturer. 
8.2   Product Warranty Information
(a)  LABOR: For a period of two (2) years from the date of purchase, if this Product is determined 
to be defective after undergoing customer service troubleshooting, Vinothèque will repair 
or replace the Product, at its option and discretion, at no charge to the customer. After 
the Warranty Period, the customer is responsible for ALL labor charges.
(b)    PARTS:  Vinothèque  will  supply,  at  no  charge,  new  or  rebuilt  replacement  parts  in 
exchange for defective parts for  a period of  two (2) years  which include, but are not 
limited to, Evaporator Coil, Evaporator Side Fan, Evaporator Solenoid Valve, Thermostat, 
Condenser Sid Fan, Condenser Side Fan Switch, Compressor,  Head Pressure  Control, 
Low Pressure Switch, Condenser Coil, Access T’s, Sight Glass, Liquid Line Drier, High 
Side Receiver.
(c)    FREIGHT: For a period of two (2) years from the date of purchase, Vinothèque will cover 
freight for the repair of units UNDER WARRANTY to customers within the continental 
United States.
-30-
8.3  Product Installation 
The following parts or causes of failure are not the responsibility of the manufacturer: 
improper voltage supply, line set with screw connectors (high end and low end), leaks found 
at the braze points when performing pressure check, unit that has been charged incorrectly, 
incorrect tubing diameter used on line set, a unit that has been wired incorrectly. (Refer 
to page 19 of Split System Manual), valve stem on condenser side, improper installation of 
P-Trap or lack of  P-Trap if required (Refer to page 8 of Split System Manual), condenser 
installed outdoors, or in elements that would affect operation, without proper cover or 
housing. (Housing is available from Manufacturer)
8.4  User Costs and Responsibility 
The following items are not covered under warranty and are the sole responsibility of the 
user:
(a)  Costs incurred for the installation and removal of the product. 
(b)  Purchasers (users) are  reminded  that  they  should  satisfy  themselves  that  the product 
they have purchased is suitable for their needs and requirements and no responsibility 
will be placed with Vinothèque for their decisions.
(c)Itistheuser’sresponsibilitytosecuresafehaven/storageforANYANDALLitemsthat
are being kept and stored in the user’s wine cellar. Vinothèque takes no responsibility for 
the safety and preservation of the aforementioned items in the event that the environment 
becomes unsuitable to maintain proper storage.
8.5  Arbitration 
Any disputes arising out of or in connection with the installation and warranty of the Split 
System shall be referred to and finally resolved by a Vinothèque approved Independent 
Certified HVAC Technician. The evaluation of the Technician on all issues or matters of 
identifying the responsible party (Vinothèque or Installing Technician) shall be determined in 
a written report.  This report will be made available to all concerned parties. If discovered 
under warranty, Vinothèque will assume the financial responsibility under their warranty 
guidelines. If the report finds the Owner’s Installer as the responsible party, Vinothèque will 
provide all documentation to the customer to substantiate the findings. This will include 
the Invoice from the Independent Certified HVAC Technician and the written report of the 
findings. The Owner will become responsible for payment directly to Vinothèque for all 
charges incurred for repairs (labor, parts and shipping costs) on the Split System. 
9. General Provisions
 ResponsibilitiesofthePurchaser,and/oritemsnot covered under our Limited Warranty, include, 
but are not limited to, the following:
(a)  CONSTRUCTION AND SEVERABILITY: Every provision of these Terms and Conditions will be 
construed, to the extent possible, so as to be valid and enforceable. If any provision of these 
Terms and Conditions so construed is held by a court of competent jurisdiction to be invalid, 
illegal  or  otherwise  unenforceable,  such  provision  will,  to  the  extend  so  held,  be  deemed 
severed from these Terms and Conditions, and all other provisions will remain in full force and 
effect.
-31-
(b)GOVERNINGLAW/CHOICEOFFORUM:ThelawsoftheStateofCalifornia(withoutregardfor
conflicts of law) shall govern the construction and enforcement of these Terms and Conditions, 
except  that  the  Terms  and  Conditions  shall  be  interpreted  as  though  drafted  jointly  by 
Vinothèque and the Purchaser. Any dispute will be resolved in a state or federal court situated 
in the County of Santa Clara, State of California, and the Purchaser hereby irrevocably submits 
to the personal jurisdiction of such courts for that purpose. 
(c) ENTIRE AGREEMENT/ NO WAIVER: These Terms and Conditions and the Limited Warranty
incorporated  herein  by  reference  set  forth  the  entire  agreement  between  the  parties  and 
supersede all prior agreements or understandings, both written and oral, between the parties 
regarding  the  subject  matter  of  this  the  Terms  and  Conditions  and  Limited  Warranty.  The 
parties may modify these Terms and Conditions or the Limited Warranty only in writing signed 
by each. No waiver by Vinothèque of any breach or default hereunder will be deemed to be a 
waiver of any preceding or subsequent breach or default. 
(d)  CORRECTION  OF  ERRORS  AND  INACCURACIES:  These  Terms  and  Conditions  may  contain 
typographical errors or other errors or inaccuracies. Vinothèque reserves the right to correct 
any errors, inaccuracies or omissions, and to change or update these Terms and Conditions at 
any time without prior notice. 
10. Questions or Additional Information
  If  you  have  any  questions  regarding  these  Terms  and  Conditions,  or  wish  to  obtain  additional 
information, contact us via phone at 1-800-343-9463 or please send a letter via U.S. Mail to:
  Vinothèque Wine Cellars
  1738 E. Alpine Ave.
  Stockton, CA 95205
-32-
-33-

1738 East Alpine Avenue
Stockton, California 95205
www.Vinothèque.com